электронный сборник нормативных документов по строительству
Обновления
30.04.2026 22:57
электронный сборник нормативных документов по строительству

ГОСТ Р 71373-2024 ИЗДЕЛИЯ АВИАЦИОННОЙ ТЕХНИКИ. ПРЕДЕЛЬНЫЕ ОТКЛОНЕНИЯ РАЗМЕРОВ, ДОПУСКИ ФОРМЫ И РАСПОЛОЖЕНИЯ ПОВЕРХНОСТЕЙ, НЕ УКАЗАННЫЕ НА ЧЕРТЕЖЕ

Утв. и введен в действие Приказом Федерального агентства по техническому регулированию и метрологии от 16 октября 2024 г. N 1462-ст

Национальный стандарт РФ ГОСТ Р 71373-2024

"ИЗДЕЛИЯ АВИАЦИОННОЙ ТЕХНИКИ. ПРЕДЕЛЬНЫЕ ОТКЛОНЕНИЯ РАЗМЕРОВ, ДОПУСКИ ФОРМЫ И РАСПОЛОЖЕНИЯ ПОВЕРХНОСТЕЙ, НЕ УКАЗАННЫЕ НА ЧЕРТЕЖЕ"

Aircraft items. Limit deviations of dimensions, tolerances of form and position for surfaces without tolerance indications on the drawing

ОКС 17.040.10

Дата введения - 1 января 2025 года

Введен впервые

Предисловие

1 РАЗРАБОТАН Федеральным государственным унитарным предприятием "Всероссийский научно-исследовательский институт "Центр" (ФГУП "ВНИИ "Центр")

2 ВНЕСЕН Техническим комитетом по стандартизации ТК 323 "Авиационная техника"

3 УТВЕРЖДЕН И ВВЕДЕН В ДЕЙСТВИЕ Приказом Федерального агентства по техническому регулированию и метрологии от 16 октября 2024 г. N 1462-ст

4 ВВЕДЕН ВПЕРВЫЕ

Правила применения настоящего стандарта установлены в статье 26 Федерального закона от 29 июня 2015 г. N 162-ФЗ "О стандартизации в Российской Федерации". Информация об изменениях к настоящему стандарту публикуется в ежегодном (по состоянию на 1 января текущего года) информационном указателе "Национальные стандарты", а официальный текст изменений и поправок - в ежемесячном информационном указателе "Национальные стандарты". В случае пересмотра (замены) или отмены настоящего стандарта соответствующее уведомление будет опубликовано в ближайшем выпуске ежемесячного информационного указателя "Национальные стандарты". Соответствующая информация, уведомление и тексты размещаются также в информационной системе общего пользования - на официальном сайте Федерального агентства по техническому регулированию и метрологии по стандартизации в сети Интернет (www.rst.gov.ru)

Введение

Стандарт разработан на основе отраслевого стандарта ОСТ 1 00022-80 "Предельные отклонения размеров от 0,1 до 10000 мм и допуски формы и расположения поверхностей, не указанные на чертеже".

1 Область применения

Настоящий стандарт устанавливает предельные отклонения линейных и угловых размеров, радиусов закругления, а также допуски формы и расположения гладких поверхностей элементов деталей изделий авиационной техники, получаемые различными способами обработки из любых материалов, предельные отклонения и допуски на которые не указаны на чертежах у размеров или в технических требованиях непосредственно числовыми величинами или условными обозначениями полей допусков.

Настоящий стандарт не устанавливает предельные отклонения на размеры и допуски формы и расположения поверхностей деталей и полуфабрикатов, для которых предельные отклонения и допуски установлены нормативными документами на эти детали и полуфабрикаты.

2 Предельные отклонения размеров элементов отверстий и валов

2.1 Предельные отклонения для размеров элементов, указанных на рисунке 1, должны соответствовать приведенным в таблице 1.

image001.png

а) - ж) Размеры элементов отверстий

image002.png

и) - с) Размеры элементов валов

Рисунок 1

Таблица 1

В миллиметрах

Интервал размеров b, b1, d, d1, d2, d3, l, l1

Предельное отклонение размеров

диаметров

остальных

отверстий d

валов d2

отверстий b, d1, l

валов b1, d3, l1

От 0,1 до 0,3 включ.

+0,06

0

0

-0,06

+0,10

0

0

-0,06

Св. 0,3 до 1,0 *

+0,10

0

0

-0,10

+0,14

0

0

-0,14

От 1,0 до 3,0 включ.

+0,14

0

0

-0,14

+0,25

0

0

-0,25

Св. 3,0 до 6,0 включ.

+0,18

0

0

-0,18

+0,30

0

0

-0,30

Св. 6,0 до 10,0 включ.

+0,22

0

0

-0,22

+0,36

0

0

-0,36

Св. 10,0 до 18,0 включ.

+0,27

0

0

-0,27

+0,43

0

0

-0,43

Св. 18,0 до 30,0 включ.

+0,33

0

0

-0,33

+0,52

0

0

-0,52

Св. 30,0 до 50,0 включ.

+0,39

0

0

-0,39

+0,62

0

0

-0,62

Св. 50,0 до 80,0 включ.

+0,46

0

0

-0,46

+0,74

0

0

-0,74

Св. 80,0 до 120,0 включ.

+0,54

0

0

-0,54

+0,87

0

0

-0,87

Св. 120,0 до 180,0 включ.

+0,63

0

0

-0,63

+1,00

0

0

-1,00

От 180 до 250 включ.

+0,72

0

0

-0,72

+1,15

0

0

-1,15

Св. 250 до 315 включ.

+0,81

0

0

-0,81

+1,30

0

0

-1,30

Св. 315 до 400 включ.

+0,89

0

0

-0,89

+1,40

0

0

-1,40

Св. 400 до 500 включ.

+0,97

0

0

-0,97

+1,55

0

0

-1,55

Св. 500 до 630 включ.

+1,10

0

0

-1,10

+1,75

0

0

-1,75

Св. 630 до 800 включ.

+1,25

0

0

-1,25

+2,00

0

0

-2,00

Св. 800 до 1000 включ.

+2,30

0

0

-2,30

Св. 1000 до 1250 включ.

+2,60

0

0

-2,60

Св. 1250 до 1600 включ.

+3,10

0

0

-3,10

Св. 1600 до 2000 включ.

+1,50

0

0

-1,50

+3,70

0

0

-3,70

Св. 2000 до 2500 включ.

+1,75

0

0

-1,75

+4,40

0

0

-4,40

Св. 2500 до 3150 включ.

+2,10

0

0

-2,10

+5,40

0

0

-5,40

Св. 3150 до 4000 включ.

+2,60

0

0

-2,60

+6,60

0

0

-6,60

Св. 4000 до 5000 включ.

+3,20

0

0

-3,20

+8,00

0

0

-8,00

Св. 5000 до 6300 включ.

+4,00

0

0

-4,00

+9,80

0

0

-9,80

Св. 6300 до 8000 включ.

+4,90

0

0

-4,90

+12,00

0

0

-12,00

Св. 8000 до 10 000 включ.

+6,00

0

0

-6,00

+15,00

0

0

-15,00

* Размер "1,0" в указанный интервал не входит.

2.2 На диаметр отверстия, изготовленного сверлом, допускается минусовое отклонение, равное половине предельного отклонения по H12.

3 Предельные отклонения размеров элементов, не относящихся к отверстиям и валам

3.1 Предельные отклонения для размеров элементов, указанных на рисунке 2, должны соответствовать приведенным в таблице 2.

image003.png

Рисунок 2

Таблица 2

В миллиметрах

Интервал размеров A, h, l2, r0

Предельное отклонение размеров A, h, l2, r0

От 0,1 до 0,3 включ.

± 0,05

Св. 0,3 до 0,5 включ.

± 0,07

Св. 0,5 до 3,0 включ.

± 0,15

Св. 3,0 до 30,0 включ.

± 0,20

Св. 30,0 до 120,0 включ.

± 0,30

Св. 120,0 до 315,0 включ.

± 0,50

Св. 315 до 1000 включ.

± 0,80

Св. 1000 до 2000 включ.

± 1,20

Св. 2000 до 3150 включ.

± 2,00

Св. 3150 до 5000 включ.

± 3,00

Св. 5000 до 8000 включ.

± 5,00

Св. 8000 до 10 000 включ.

± 8,00

3.2 Предельные отклонения для размеров элементов длины резьбы с полным профилем и элементов длины резьбы со сбегом или недорезом, а также глубины сверления под углом α ≤ 90°, указанных на рисунке 3, должны соответствовать приведенным в таблицах 2 и 3.

image004.png

Рисунок 3

Таблица 3

В миллиметрах

Интервал размеров l3, l4

Предельное отклонение размеров

l3

l4

От 0,1 до 0,3 включ.

-

+0,10

-0,05

Св. 0,3 до 0,5 включ.

-

+0,20

-0,10

Св. 0,5 до 6,0 включ.

+0,50

-0,25

Св. 6,0 до 315,0 включ.

+1,00

-0,50

4 Предельные отклонения радиусов закруглений с незакоординированными центрами и фасок несопрягаемых поверхностей

4.1 Предельные отклонения для размеров элементов, указанных на рисунке 4, должны соответствовать приведенным в таблице 4.

image005.png

Рисунок 4

Таблица 4

В миллиметрах

Интервал размеров c, r

Предельное отклонение размеров c, r

0,1

± 0,07

Св. 0,1 до 0,3 *

± 0,10

От 0,3 до 0,5 включ.

± 0,20

Св. 0,5 до 3,0 включ.

± 0,30

Св. 3,0 до 6,0 включ.

± 0,50

Св. 6,0 до 30,0 включ.

± 1,00

Св. 30,0 до 120,0 включ.

± 2,00

Св. 120,0 до 1000,0 включ.

± 4,00

* Размер "0,3" в указанный интервал не входит.

Примечание - Внутренний радиус от 0,1 до 1 мм обеспечивается инструментом.

4.2 Предельные отклонения на угол фаски ± 2°.

4.3 Притупление наружных углов, ребер, кромок, размеры которых не указаны на чертеже, следует выполнять фаской от 0,1 до 0,4 мм, соответственно внутренних углов (галтели) - фаской от 0,2 до 0,8 мм.

Допускается форма притупления радиусом.

Форма поверхностей притупления не регламентируется.

5 Предельные отклонения углов

Предельные отклонения углов в зависимости от длины меньшей стороны угла или образующей конуса должны соответствовать указанным в таблице 5.

Таблица 5

Интервал длины меньшей стороны угла или образующей конуса, мм

Предельное отклонение угла

α <90° или α> 90°

90°

в угловых единицах

в мм на 100 мм длины

в угловых единицах

в мм на 100 мм длины

До 10 включ.

± 2°

± 3,60

± 1°30'

± 2,50

Св. 10 до 40 включ.

± 1°

± 1,80

± 45'

± 1,30

Св. 40 до 160 включ.

± 40'

± 1,20

± 20'

± 0,60

Св. 160 до 630 включ.

± 20'

± 0,60

± 10'

± 0,30

Св. 630 до 2500 включ.

± 10'

± 0,30

± 5'

± 0,15

6 Предельные отклонения элементов деталей, изготовленных из труб

6.1 Предельные отклонения размеров элементов гиба труб, указанных на рисунке 5, должны соответствовать приведенным в таблицах 6 и 7.

image006.png

Рисунок 5

Таблица 6

В миллиметрах

Интервал размеров R

Предельное отклонение размера радиуса R при наружном диаметре трубы D

до 10 включ.

Св. 10 до 18 включ.

Св. 18 до 30 включ.

Св. 30

До 30 включ.

± 1

± 2

-

-

Св. 30 до 80 включ.

± 2

± 3

± 4

-

Св. 80 до 150 включ.

± 3

± 4

± 5

± 6

Св. 150 до 250 включ.

± 4

± 5

± 6

± 8

Св. 250

± 5

± 6

± 8

± 10

Таблица 7

В миллиметрах

Наружный диаметр труб D

Отклонение от круглости диаметра трубы D

От 1,5 до 3,0 включ.

0,3

Св. 3,0 до 6,0 включ.

0,5

Св. 6,0 до 10,0 включ.

1,0

Св. 10,0 до 18,0 включ.

1,5

Св. 18,0 до 30,0 включ.

3,0

Св. 30,0

4,0

6.2 Утонение согнутой трубы не должно превышать 25% минимальной толщины стенки, устанавливаемой стандартом на трубы.

7 Предельные отклонения элементов холодноштампованных деталей, изготовленных из листа

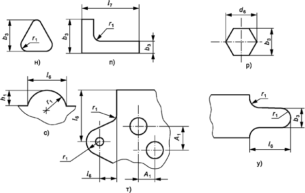
7.1 Предельные отклонения для размеров элементов, указанных на рисунке 6, получаемых вырубкой, пробивкой и т.д., должны соответствовать приведенным в таблице 8.

image007.png

image008.png

Рисунок 6

Таблица 8

В миллиметрах

Интервал размеров A1, b2, b3, d5, d6, h1, l5, l6, l7, r1, r2

Предельное отклонение размеров

b2, d5, l5

b3, d6, l7

A1, h1, l6, r1

r2

От 0,1 до 0,3 включ.

+0,10

0

0

-0,06

± 0,05

-

Св. 0,3 до 0,5 включ.

+0,14

0

0

-0,14

± 0,07

± 0,3

Св. 0,5 до 1,0 *

± 0,15

От 1,0 до 3,0 включ.

+0,25

0

0

-0,25

± 0,5

Св. 3,0 до 6,0 включ.

+0,30

0

0

-0,30

± 0,20

± 1,0

Св. 6,0 до 10,0 включ.

+0,36

0

0

-0,36

± 1,5

Св. 10,0 до 18,0 включ.

+0,43

0

0

-0,43

± 2,0

Св. 18,0 до 30,0 включ.

+0,52

0

0

-0,52

± 2,5

Св. 30,0 до 50,0 включ.

+0,62

0

0

-0,62

± 0,30

± 3,0

Св. 50,0 до 80,0 включ.

+0,74

0

0

-0,74

Св. 80,0 до 120,0 включ.

+0,87

0

0

-0,87

Св. 120,0 до 180,0 включ.

+1,00

0

0

-1,00

± 0,50

± 4,0

Св. 180,0 до 250,0 включ.

+1,15

0

0

-1,15

Св. 250,0 до 315,0 включ.

+1,30

0

0

-1,30

Св. 315 до 400 включ.

+1,40

0

0

-1,40

± 0,80

± 4,0

Св. 400 до 500 включ.

+1,55

0

0

-1,55

Св. 500 до 630 включ.

+1,75

0

0

-1,75

Св. 630 до 800 включ.

+2,00

0

0

-2,00

Св. 800 до 1000 включ.

+2,30

0

0

-2,30

Св. 1000 до 1250 включ.

+2,60

0

0

-2,60

± 1,20

Св. 1250 до 1600 включ.

+3,10

0

0

-3,10

Св. 1600 до 2000 включ.

+3,70

0

0

-3,70

Св. 2000 до 2500 включ.

+4,40

0

0

-4,40

± 2,00

Св. 2500 до 3150 включ.

+5,40

0

0

-5,40

Св. 3150 до 4000 включ.

+6,60

0

0

-6,60

± 3,0

± 4,0

Св. 4000 до 5000 включ.

+8,00

0

0

-8,00

Св. 5000 до 6300 включ.

+9,80

0

0

-9,80

± 5,0

Св. 6300 до 8000 включ.

+12,00

0

0

-12,00

Св. 8000 до 10 000 включ.

+15,00

0

0

-15,00

± 8,0

* Размер "1,0" в указанный интервал не входит.

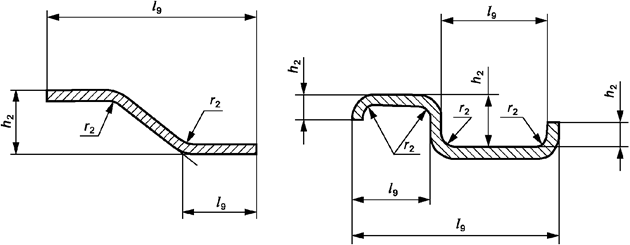
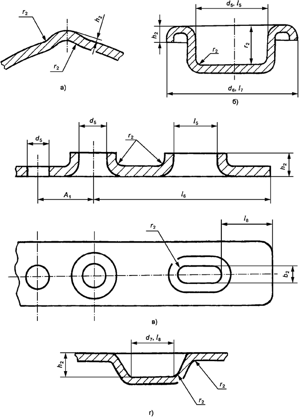
7.2 Предельные отклонения для размеров элементов, указанных на рисунке 7, получаемых вытяжкой, выдавкой (высота зига, рифта, диаметр отбортовки, высота отбортовки и т.д.), должны соответствовать приведенным в таблицах 8 - 10.

image009.png

Рисунок 7

Таблица 9

В миллиметрах

Интервал размеров d7, l8

Предельное отклонение размеров d7, l8

От 0,5 до 3,0 включ.

± 0,15

Св. 3,0 до 6,0 включ.

± 0,20

Св. 6,0 до 30,0 включ.

± 0,50

Св. 30,0 до 120,0 включ.

± 0,80

Св. 120,0 до 315,0 включ.

± 1,20

Св. 315 до 1000 включ.

± 2,0

Св. 1000 до 2000 включ.

± 3,0

Св. 2000 до 3150 включ.

± 5,0

Св. 3150 до 5000 включ.

± 8,0

Св. 5000 до 8000 включ.

± 12,0

Св. 8000 до 10 000 включ.

± 20,0

Таблица 10

В миллиметрах

Интервал размеров l9, h2

Предельное отклонение размеров l9, h2

До 5 включ.

+1,0

-0,5

Св. 5 до 10 включ.

+1,5

-1,0

Св. 10 до 20 включ.

+2,0

-1,0

Св. 20

+3,0

-1,0

7.3 Предельные отклонения для размеров элементов, указанных на рисунке 8, получаемых гибкой, должны соответствовать приведенным в таблицах 8 и 10.

image010.png

Рисунок 8

7.4 Изменение толщины материала при вытяжке, а также гибе с вытяжкой допускается в пределах 20% при утонении от его минимальной и при утолщении от его максимальной толщины, устанавливаемой стандартом на материал.

7.5 Допускаются косые срезы и следы намина вдоль срезанной кромки у элементов, получаемых вырубкой, пробивкой и т.д. Величина косого среза наружного контура входит в размеры d6, b3, l7, r1, а внутреннего контура не входит в размеры d5, b2, l5, r1 (см. рисунки 6 и 9).

image011.png

Рисунок 9

8 Предельные отклонения элементов сварных (паяных) деталей (сборочных единиц)

Предельные отклонения размеров сварных (паяных) элементов, указанных на рисунке 10, должны соответствовать приведенным в таблице 11 (высота шва в размер диаметра не входит).

image012.png

Рисунок 10

Таблица 11

В миллиметрах

Интервал размеров d8, l10

Предельное отклонение размеров d8, l10

Св. 0,5 до 3 включ.

± 0,15

Св. 3 до 6 включ.

± 0,20

Св. 6 до 30 включ.

± 0,50

Св. 30 до 120 включ.

± 0,80

Св. 120 до 315 включ.

± 1,20

Св. 315 до 1000 включ.

± 2,00

Св. 1000 до 2000 включ.

± 3,00

Св. 2000 до 3150 включ.

± 5,00

Св. 3150 до 5000 включ.

± 8,00

Св. 5000 до 8000 включ.

± 12,00

Св. 8000 до 10 000 включ.

± 20,00

9 Допуски формы и расположения поверхностей

9.1 Допуски расположения поверхностей и осей (отклонение от параллельности, отклонение от перпендикулярности, торцовое биение, радиальное биение, отклонение от соосности, отклонение от симметричности) должны соответствовать указанным в таблицах 12 и 13.

Таблица 12


Вид отклонения расположения поверхности

Пример расположения поверхностей

Взаимное расположение поверхностей

Определяющий допуск размера

Определяющий размер

Отклонение от параллельности

image013.png

Поверхности Б относительно поверхности А

Ограничивается полем допуска размера, указанного на чертеже, а при его отсутствии - полем допуска, выбираемым по таблице 1 для остальных отверстий и валов

h3

Поверхности В относительно поверхности А

H

image014.png

Поверхности Б относительно поверхности В

Ограничивается полем допуска размера, указанного на чертеже, а при его отсутствии - полем допуска, выбираемым по таблице 2, соответствующим интервалу размера l2

h3

Оси отверстия Г относительно оси отверстия Д

l11

Оси отверстия Е относительно поверхности А

l12

Отклонение от перпендикулярности

image015.png

Поверхности А относительно основания

Ограничивается полем допуска размера, указанного на чертеже, а при его отсутствии - в таблице 13

H1

Отклонение от симметричности

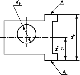
image016.png

Поверхности А относительно оси отверстия d9

Ограничивается значением:

- для сопоставляемых размеров H2 и d9, D1 и d10 с допусками 11 квалитета и точнее, равным 1/2 суммы полей допусков на размеры. При этом, если 1/2 суммы полей допусков менее 0,06 мм, то допуск принимают равным 0,06 мм;

- для сопоставляемых размеров H2 и d9, D1 и d10 с допусками (или одним из них) 12-го квалитета и грубее, равным 1/4 суммы полей допусков 12 квалитета на размеры

H2 и d9

Отклонение от соосности

image017.png

Оси поверхности А относительно оси поверхности Б

D1 и d10

Биение

image018.png

Торцовое биение поверхности Б относительно оси поверхности А

Ограничивается полем допуска размера, указанного на чертеже, а при его отсутствии - в таблице 13

D2

image019.png

Радиальное биение поверхности А относительно оси поверхности Б

Ограничивается значением, равным удвоенному отклонению от соосности

Примечания

1 Допуски формы и расположения поверхностей определяют на всей длине рассматриваемой поверхности. Если допуски формы и расположения поверхностей определены не на всей длине рассматриваемой поверхности, то такие допуски оговаривают в чертеже.

2 Торцовое биение определяют на наибольшем диаметре торцовой поверхности.


Таблица 13

В миллиметрах

Интервал размеров

Допуск перпендикулярности и торцового биения

До 10 включ.

0,16

Св. 10 до 16 включ.

0,20

Св. 16 до 25 включ.

0,25

Св. 25 до 40 включ.

0,30

Св. 40 до 63 включ.

0,40

Св. 63 до 250 включ.

0,50

Св. 250 до 400 включ.

0,60

Св. 400 до 630 включ.

0,80

Св. 630 до 1000 включ.

1,00

Св. 1000 до 1600 включ.

1,20

Св. 1600 до 2500 включ.

1,60

Св. 2500 до 4000 включ.

2,00

Св. 4000 до 6300 включ.

2,50

Св. 6300 до 10 000 включ.

3,00

Остальные не указанные в настоящем стандарте допуски формы и расположения поверхностей, приведенные в ГОСТ Р 53442-2015 1 (раздел 18), должны ограничиваться допуском, установленным для определяющего размера.

--------------------------------

1 ГОСТ Р 53442-2015 (ИСО 1101:2012) "Основные нормы взаимозаменяемости. Характеристики изделий геометрические. Установление геометрических допусков. Допуски формы, ориентации, месторасположения и биения".

9.2 Примеры определения допуска расположения поверхностей приведены в приложении А.

10 Форма записи ссылки на стандарт

10.1 Использование указанных в стандарте предельных отклонений определяется разработчиком документации ссылкой в чертеже или технических требованиях.

10.2 Пример записи в технической документации при ссылке на настоящий стандарт:

"Неуказанные предельные отклонения размеров - по ГОСТ Р 71373-2024".

10.3 При необходимости проведения контроля как размеров, так и допусков формы и расположения поверхностей, в технической документации записывают:

"Неуказанные предельные отклонения размеров, допуски формы и расположения поверхностей - по ГОСТ Р 71373-2024".

Приложение А

(справочное)

Примеры определения допуска расположения поверхностей

А.1 В А.2 - А.4 приведены примеры определения допуска расположения поверхностей в случаях, когда допуски оговорены ссылкой на настоящий стандарт.

А.2 Отклонение от параллельности

А.2.1 Исходные данные приведены в таблице А.1.

Таблица А.1

В миллиметрах

Вариант

Пример расположения поверхностей

h3

H

1

image020.png

20h6

40f7

2

20

40

А.2.2 Отклонение от параллельности поверхности Б относительно поверхности А и поверхности В относительно поверхности А ограничивается допуском и соответственно равно:

- для варианта 1:

на размер 20h6

Δ1 = 0,013 мм;

на размер 40f7

Δ2 = 0,025 мм;

- для варианта 2:

на размер 20 мм

Δ1 = 0,520 мм;

на размер 40 мм

Δ2 = 0,620 мм.

Допуски определяют по предельным отклонениям таблицы 1 для размеров остальных отверстий и валов.

А.2.3 Отклонение от параллельности поверхности Б относительно поверхности В не определяют, так как на чертеже не указан размер между ними.

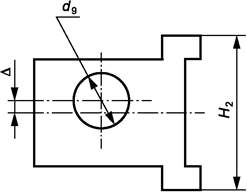
А.3 Отклонение от симметричности

А.3.1 Исходные данные приведены в таблице А.2.

Таблица А.2

В миллиметрах

Вариант

Пример расположения поверхностей

d9

H2

1

image021.png

10H7

60f7

2

10H9

60d11

3

10H7

60h12

4

10H14

60h14

А.3.2 Для варианта 1 сопоставляемые размеры имеют допуски точнее 11-го квалитета. Отклонение от симметричности равно половине суммы допусков на размеры d9 и H2:

- на диаметр 10H7

Δ1 = 0,015 мм;

- на размер 60f7

Δ2 = 0,030 мм.

Отклонение от симметричности

image022.png мм,

но в соответствии с требованием таблицы 12 принимают увеличенный допуск, т.е. Δ = 0,06 мм.

А.3.3 Для варианта 2 сопоставляемые размеры имеют допуски 11-го квалитета и точнее. Отклонение от симметричности равно половине суммы допусков на размеры d9 и H2:

- на диаметр 10H9

Δ1 = 0,036 мм;

- на размер 60d11

Δ2 = 0,190 мм.

Отклонение от симметричности

image023.png мм.

А.3.4 Для варианта 3 один из сопоставляемых размеров имеет допуск 12-го квалитета или грубее 12-го квалитета. В этом случае отклонение от симметричности принимается равным 1/4 суммы допусков 12-го квалитета на размеры d9 и H2:

- на диаметр 10H7

Δ1 = 0,015 мм,

однако для расчета принимаем 10H12

Δ1 = 0,15 мм;

- на размер 60h12

Δ2 = 0,30 мм.

Отклонение от симметричности

image024.png мм.

А.3.5 Для варианта 4 сопоставляемые размеры имеют допуски грубее 12-го квалитета. Расчет тот же, что и для варианта 3.

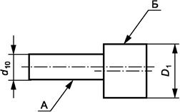
А.4 Отклонение от соосности и радиальное биение

А.4.1 Исходные данные приведены в таблице А.3.

Таблица А.3

В миллиметрах

Вариант

Пример расположения поверхностей

d10

D1

1

image025.png

10h6

60f7

2

10h8

60d11

3

10h6

60h12

4

10h14

60h14

А.4.2 Для варианта 1 сопоставляемые размеры имеют допуски точнее 11-го квалитета. Отклонение от соосности равно половине суммы допусков на размеры d10 и D1:

- на диаметр 10h6

Δ1 = 0,009 мм;

- на размер 60f7

Δ2 = 0,030 мм.

Отклонение от соосности

image026.png мм,

но в соответствии с требованием таблицы 12 принимают увеличенный допуск, т.е. Δ = 0,06 мм.

Радиальное биение равно удвоенному отклонению от соосности Δр = 2Δ = 2·0,019 = 0,038 мм, но в соответствии с требованием таблицы 12 принимают Δр = 2·0,06 = 0,12 мм.

А.4.3 Для варианта 2 сопоставляемые размеры имеют допуски 11-го квалитета и точнее. Отклонение от соосности равно половине суммы допусков на размеры d10 и D1:

- на диаметр 10h8

Δ1 = 0,022 мм;

- на размер 60d11

Δ2 = 0,190 мм.

Отклонение от соосности

image027.png мм.

Радиальное биение Δр = 2Δ = 2·0,106 = 0,212 мм.

А.4.4 Для варианта 3 один из сопоставляемых размеров имеет допуск 12-го квалитета или грубее 12-го квалитета. В этом случае отклонение от соосности принимается равным 1/4 суммы допусков 12-го квалитета на размеры d10 и D1:

- на диаметр 10h6

Δ1 = 0,009 мм;

однако для расчета принимаем 10h12

Δ1 = 0,15 мм;

- на размер 60h12

Δ2 = 0,30 мм.

Отклонение от соосности

image028.png мм.

Радиальное биение Δр = 2Δ = 2·0,112 = 0,224 мм.

А.4.5 Для варианта 4 сопоставляемые размеры имеют допуски грубее 12-го квалитета. Расчет отклонения от соосности тот же, что и для варианта 3.

Яндекс.Метрика