ГОСТ Р 71694-2024 МИКРОСХЕМЫ ИНТЕГРАЛЬНЫЕ. МЕТОДЫ ИЗМЕРЕНИЯ КОЭФФИЦИЕНТА УСИЛЕНИЯ ПЕРЕМЕННОГО НАПРЯЖЕНИЯ ОПЕРАЦИОННЫХ УСИЛИТЕЛЕЙ
Утв. и введен в действие Приказом Федерального агентства по техническому регулированию и метрологии от 15 октября 2024 г. N 1456-ст
Национальный стандарт РФ ГОСТ Р 71694-2024
"МИКРОСХЕМЫ ИНТЕГРАЛЬНЫЕ. МЕТОДЫ ИЗМЕРЕНИЯ КОЭФФИЦИЕНТА УСИЛЕНИЯ ПЕРЕМЕННОГО НАПРЯЖЕНИЯ ОПЕРАЦИОННЫХ УСИЛИТЕЛЕЙ"
Integrated circuits. Methods for measuring the AC voltage gain of operational amplifiers
ОКС 31.200
Дата введения - 1 марта 2025 года
Введен впервые
Предисловие
1 РАЗРАБОТАН Акционерным обществом "Российский научно-исследовательский институт "Электронстандарт" (АО "РНИИ "Электронстандарт")
2 ВНЕСЕН Техническим комитетом по стандартизации ТК 303 "Электронная компонентная база, материалы и оборудование"
3 УТВЕРЖДЕН И ВВЕДЕН В ДЕЙСТВИЕ Приказом Федерального агентства по техническому регулированию и метрологии от 15 октября 2024 г. N 1456-ст
4 ВВЕДЕН ВПЕРВЫЕ
Правила применения настоящего стандарта установлены в статье 26 Федерального закона от 29 июня 2015 г. N 162-ФЗ "О стандартизации в Российской Федерации". Информация об изменениях к настоящему стандарту публикуется в ежегодном (по состоянию на 1 января текущего года) информационном указателе "Национальные стандарты", а официальный текст изменений и поправок - в ежемесячном информационном указателе "Национальные стандарты". В случае пересмотра (замены) или отмены настоящего стандарта соответствующее уведомление будет опубликовано в ближайшем выпуске ежемесячного информационного указателя "Национальные стандарты". Соответствующая информация, уведомление и тексты размещаются также в информационной системе общего пользования на официальном сайте Федерального агентства по техническому регулированию и метрологии в сети Интернет (www.rst.gov.ru)
1 Область применения
Настоящий стандарт распространяется на операционные усилители (ОУ) и устанавливает два метода измерения коэффициента усиления переменного напряжения:
- метод автобалансировки в схеме с пассивным сумматором;
- метод балансировки в схеме со вспомогательным устройством.
2 Нормативные ссылки
В настоящем стандарте использованы нормативные ссылки на следующие стандарты:
ГОСТ 12.1.004 Система стандартов безопасности труда. Пожарная безопасность. Общие требования
ГОСТ 12.2.003 Система стандартов безопасности труда. Оборудование производственное. Общие требования безопасности
ГОСТ 12.3.019 Система стандартов безопасности труда. Испытания и измерения электрические. Общие требования безопасности
ГОСТ Р 8.568 Государственная система обеспечения единства измерений. Аттестация испытательного оборудования. Основные положения
ГОСТ Р 57441 Микросхемы интегральные. Термины, определения и буквенные обозначения электрических параметров
Примечание - При пользовании настоящим стандартом целесообразно проверить действие ссылочных стандартов в информационной системе общего пользования - на официальном сайте Федерального агентства по техническому регулированию и метрологии в сети Интернет или по ежегодному информационному указателю "Национальные стандарты", который опубликован по состоянию на 1 января текущего года, и по выпускам ежемесячного информационного указателя "Национальные стандарты" за текущий год. Если заменен ссылочный стандарт, на который дана недатированная ссылка, то рекомендуется использовать действующую версию этого стандарта с учетом всех внесенных в данную версию изменений. Если заменен ссылочный стандарт, на который дана датированная ссылка, то рекомендуется использовать версию этого стандарта с указанным выше годом утверждения (принятия). Если после утверждения настоящего стандарта в ссылочный стандарт, на который дана датированная ссылка, внесено изменение, затрагивающее положение, на которое дана ссылка, то это положение рекомендуется применять без учета данного изменения. Если ссылочный стандарт отменен без замены, то положение, в котором дана ссылка на него, рекомендуется применять в части, не затрагивающей эту ссылку.
3 Термины и определения
В настоящем стандарте применены термины по ГОСТ Р 57441.
4 Требования к условиям проведения измерений
4.1 Измерения проводят при нормальных климатических условиях, если другие требования не установлены в стандартах и технических условиях (ТУ) на ОУ конкретного типа:
- температура воздуха - от 15 °C до 35 °C;
- относительная влажность воздуха - от 45% до 80%;
- атмосферное давление - от 86 до 106 кПа (от 645 до 795 мм рт. ст).
При температуре выше 30 °C относительная влажность не должна быть выше 70%.
4.2 Электрический режим должен соответствовать установленному в стандартах или ТУ на ОУ конкретного типа.
5 Требования безопасности
5.1 При выполнении измерений оборудование должно соответствовать общим требованиям безопасности в соответствии с ГОСТ 12.2.003.
5.2 При выполнении электрических измерений должны быть соблюдены общие требования безопасности в соответствии с ГОСТ 12.3.019.
5.3 При выполнении измерений производственные помещения должны соответствовать общим требованиям пожарной безопасности в соответствии с ГОСТ 12.1.004.
5.4 Выполнение измерений должен проводить обученный персонал, имеющий высшее или среднее специальное техническое образование, прошедший инструктаж по технике безопасности.
6 Метод автобалансировки в схеме с пассивным сумматором
6.1 Принцип измерений
Метод основан на измерении значения напряжения в узле суммирования пассивного сумматора, которое обратно пропорционально коэффициенту усиления ОУ при заданном значении входного переменного напряжения измерительной схемы или при заданном значении выходного напряжения ОУ.
6.2 Требования к оборудованию
6.2.1 Применяемые средства измерений должны быть поверены или откалиброваны в соответствии с нормативными документами, устанавливающими порядок и методы поверки конкретных средств измерений.
Испытательное оборудование должно быть аттестовано в соответствии с ГОСТ Р 8.568. Диапазон измерений, типы и точность средств измерений, а также характеристики испытательного оборудования и состав вспомогательных устройств устанавливают в ТУ.
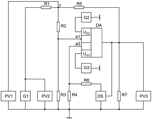
6.2.2 Структурная схема установки для измерения коэффициента усиления переменного напряжения методом автобалансировки в схеме с пассивным сумматором приведена на рисунке 1.

DA - проверяемый ОУ; G1 - источник синусоидального напряжения; G2, G3 - источники постоянного напряжения; DS - устройство выборки и хранения; PV1, PV2, PV3 - измерители переменного напряжения; R1, R5 – резисторы пассивного сумматора; R2, R3 - резисторы делителя напряжения на инвертирующем входе ОУ; R4, R6 - резисторы делителя схемы компенсации напряжения смещения; R7 – дополнительный резистор цепи нагрузки; a1 - инвертирующий вход ОУ; a2 - неинвертирующий вход ОУ; c - суммирующая точка в узле пассивного сумматора
Рисунок 1 - Структурная схема установки для измерения коэффициента усиления переменного напряжения методом автобалансировки в схеме с пассивным сумматором
6.2.3 Источники постоянного напряжения G2 и G3 должны обеспечивать установление и поддержание напряжения питания с погрешностью в пределах ± 1%.
6.2.4 Источник синусоидального напряжения G1 должен обеспечивать установление и поддержание входного напряжения с погрешностью в пределах ± 2%.
Погрешность установления и поддержания частоты входного синусоидального напряжения должна быть в пределах ± 5%.
Коэффициент нелинейных искажений не должен превышать 0,5%.
6.2.5 Сопротивления резисторов R3 и R4 выбирают из условий:
R3 = R4; (1)
102·Rп.max ≤ R3 ≤ 2·10-3·RвхU~, (2)
где Rп.max - максимальное значение контактных сопротивлений переключателей и разъемов, включенных последовательно с резистором R3 при реализации измерительной схемы;
RвхU~ - входное дифференциальное сопротивление проверяемого ОУ на частоте измерения.
Допустимые отклонения сопротивлений резисторов R3 и R4 должны быть в пределах ± 0,5%.
6.2.6 Сопротивления резисторов R1, R2 и R5 выбирают из условий:
R1 = R2 = R5; (3)
; (4)
R1> 102RвыхG1, (5)
где KуU~min - минимальное значение коэффициента усиления переменного напряжения проверяемого ОУ на частоте измерения;
RвыхG1 - выходное сопротивление источника G1.
Допустимые отклонения сопротивлений резисторов R1, R2, R5 должны быть в пределах ± 0,5%.
6.2.7 Сопротивление резистора R6 выбирают из условия
, (6)
где UDS max - максимальное выходное напряжение устройства выборки и хранения DS;
Uсм max - максимальное напряжение смещения проверяемого ОУ;
ΔIвх max - максимальное значение разности входных токов проверяемого ОУ.
Допустимое отклонение сопротивления резистора R6 должно быть в пределах ± 0,5%.
6.2.8 Сопротивление резистора R7 выбирают из условия
, (7)
где Rн - предельно-допустимое сопротивление нагрузки проверяемого ОУ.
Допустимое отклонение сопротивления резистора R7 должно быть в пределах ± 1%.
6.2.9 Погрешности измерителей PV1, PV2, PV3 должны быть в пределах ± 2%.
6.2.10 Входные сопротивления измерителей PV1, PV2, PV3 должны удовлетворять условиям:
RPV1 ≥ 5·102·R1; (8)
RPV2 ≥ 103·RвыхG1; (9)
RPV3 ≥ 5·102·RвыхU~. (10)
где RвыхU~ - выходное сопротивление проверяемого ОУ на частоте измерения.
6.2.11 Устройство выборки и хранения DS должно обеспечивать компенсацию напряжения смещения нуля проверяемого ОУ до величины, находящейся в пределах
± (Uвых.max - Uвх~), (11)
где Uвых.max - максимальное выходное напряжение проверяемого ОУ;
Uвх~ - заданное значение входного синусоидального напряжения измерительной схемы.
Допустимое изменение выходного напряжения устройства выборки и хранения DS за интервал времени, равный периоду синусоидального напряжения, не должно превышать значения
. (12)
6.2.12 Устройство выборки и хранения DS и резистор R6 могут быть исключены из структурной схемы измерительной установки, если выполняется условие
. (13)
6.3 Подготовка и проведение измерений
6.3.1 Подключают ОУ к измерительной установке.
6.3.2 Подают напряжение питания на ОУ от источников постоянного напряжения G2 и G3.
6.3.3 Включают устройство выборки и хранения DS (при напряжении источника G1, равном нулю) в режим выборки и компенсируют напряжение смещения проверяемого ОУ.
6.3.4 Переводят устройство выборки и хранения DS в режим хранения.
6.3.5 Подают с выхода источника G1 синусоидальное напряжение и измеряют измерителем PV2 его значение Uвх~.
6.3.6 Измеряют измерителем PV1 значение напряжения Ux в точке суммирования c.
6.3.7 При значениях коэффициента усиления KуU~ <103 для его определения измеряют значение Ux в точке суммирования c, при заданном значении выходного напряжения проверяемого ОУ.
6.4 Обработка результатов измерений
Значение коэффициента усиления переменного напряжения KуU~ определяют по формуле
, (14)
при заданном значении Uвх~ входного синусоидального напряжения измерительной схемы, или по формуле
, (15)
при заданном значении Uвых~ выходного напряжения ОУ.
6.5 Погрешность измерений
Показатели точности измерений коэффициента усиления переменного напряжения должны соответствовать установленным в стандартах или ТУ на ОУ конкретного типа.
Границы интервала, в котором с установленной вероятностью 0,95 находится относительная погрешность измерения коэффициента усиления переменного напряжения KуU~, определяемого по формуле (14), вычисляют по формуле
, (16)
или при измерении KуU~, определяемого по формуле (15), вычисляют по формуле
, (17)
где δK - допустимое отклонение минимального значения коэффициента усиления переменного напряжения, вычисляемое по формуле
; (18)
δп - допустимое отклонение максимального значения контактных сопротивлений переключателей и разъемов, включенных последовательно с R3, вычисляемое по формуле
; (19)
σR - среднеквадратическое отклонение сопротивления резисторов R1, R2, R3 вычисляют по формуле
, (20)
где δR - допустимое отклонение сопротивления резисторов R1, R2, R3;
- коэффициент влияния сопротивления резистора R7, вычисляемый по формуле
; (21)
- среднее квадратическое значение составляющей сопротивления резистора R7, вычисляемое по формуле
, (22)
где
- допустимое отклонение сопротивления резистора R7;
aT - коэффициент влияния температуры окружающей среды, вычисляемый по формуле
, (23)
где
- коэффициент влияния изменения температуры окружающей среды;
σΔT - среднее квадратическое значение составляющей установления и поддержания температуры окружающей среды, вычисляемое по формуле
, (24)
где ΔT - абсолютная погрешность установления и поддержания температуры окружающей среды;
aU - коэффициент влияния напряжения питания проверяемого ОУ, вычисляемый по формуле
, (25)
где
- коэффициент влияния напряжения питания на коэффициент усиления;
σU - среднее квадратическое значение составляющей напряжения питания, вычисляемое по формуле
, (26)
где δU - погрешность установления и поддержания напряжения питания;
af - коэффициент влияния частоты входного напряжения, вычисляемый по формуле
, (27)
где
- коэффициент влияния частоты входного напряжения;
σf - среднее квадратическое значение составляющей частоты входного напряжения, вычисляемое по формуле
, (28)
где
- погрешность установления и поддержания частоты входного напряжения;
- среднее квадратическое значение составляющей напряжения источника G1, вычисляемого по формуле
, (29)
где
- погрешность измерения напряжений источника G1;
- среднее квадратическое значение составляющей напряжения в точке суммирования c, вычисляемое по формуле
, (30)
где
- погрешности измерения напряжения в точке суммирования c;
aШ1 - коэффициент влияния шумового сигнала в узле суммирования, спектр измерения которого находится в полосе пропускания измерителя PV1, вычисляемого по формуле
; (31)
σШ1 - среднее квадратическое значение составляющей шумового сигнала в узле суммирования, спектр измерения которого находится в полосе пропускания измерителя PV1;
- среднее квадратическое значение составляющей напряжения на выходе ОУ, вычисляемое по формуле
, (32)
где
- погрешности измерения напряжения на выходе ОУ;
aШ2 - коэффициент влияния шумового сигнала на выходе ОУ, спектр измерения которого находится в полосе пропускания измерителя PV3, вычисляемого по формуле
; (33)
σШ2 - среднее квадратическое значение составляющей шумового сигнала на выходе ОУ, спектр измерения которого находится в полосе пропускания измерителя PV3.
7 Метод балансировки в схеме со вспомогательным устройством
7.1 Принцип измерений
Метод основан на измерении значения выходного напряжения вспомогательного устройства балансировки, которое обратно пропорционально коэффициенту усиления ОУ при заданном значении входного переменного напряжения измерительной схемы или при заданном значении выходного напряжения ОУ.
7.2 Требования к оборудованию
7.2.1 Применяемые средства измерений должны быть поверены или откалиброваны в соответствии с нормативными документами, устанавливающими порядок и методы поверки конкретных средств измерений.
Испытательное оборудование должно быть аттестовано в соответствии с ГОСТ Р 8.568. Диапазон измерений, типы и точность средств измерений, а также характеристики испытательного оборудования и состав вспомогательных устройств устанавливают в ТУ.
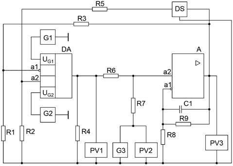
7.2.2 Структурная схема установки для измерения коэффициента усиления переменного напряжения методом балансировки в схеме со вспомогательным устройством приведена на рисунке 2.

DA - проверяемый ОУ; A - вспомогательное устройство балансировки; G1, G2 - источники постоянного напряжения; G3 - источник синусоидального напряжения; PV1, PV2, PV3 - измерители переменного напряжения; DS – устройство выборки и хранения; R1, R3 - резисторы обратной связи; R4 - дополнительный резистор цепи нагрузки; R2, R5 - резисторы делителя устройства выборки и хранения; R6, R7 - резисторы суммирующие; R8, R9 - резисторы обратной связи вспомогательного устройства балансировки; C1 - конденсатор вспомогательного устройства балансировки; a1 - инвертирующий вход; a2 - неинвертирующий вход
Рисунок 2 - Структурная схема установки для измерения коэффициента усиления переменного напряжения методом балансировки в схеме со вспомогательным устройством
7.2.3 Источники постоянного напряжения G1 и G2 должны обеспечивать установление и поддержание напряжения питания с погрешностью в пределах ± 1%.
7.2.4 Источник синусоидального напряжения G3 должен обеспечивать установление и поддержание входного напряжения с погрешностью в пределах ± 2%.
Погрешность установления и поддержания частоты синусоидального напряжения должна быть в пределах ± 5%.
Коэффициент нелинейных искажений входного сигнала не должен превышать 0,5%.
7.2.5 Сопротивления резисторов R1 и R2 выбирают из условий:
R1 = R2; (34)
102·Rп.max ≤ R1 ≤ 2·10-3·RвхU~, (35)
где Rп.max - максимальное значение контактных сопротивлений переключателей и разъемов, включенных последовательно с резистором R1 при реализации измерительной схемы;
RвхU~ - входное дифференциальное сопротивление проверяемого ОУ на частоте измерения.
Допустимые отклонения сопротивлений резисторов R1, R2 должны быть в пределах ± 0,5%.
7.2.6 Сопротивление резистора R3 выбирают из условия
, (36)
где KуU~min - минимальное значение коэффициента усиления переменного напряжения, установленное в стандартах или ТУ на ОУ конкретного типа;
U'вых.max - максимальное значение выходного напряжения вспомогательного устройства балансировки.
Допустимое отклонение сопротивления резистора R3 должно быть в пределах ± 0,5%.
7.2.7 Сопротивление резистора R4 выбирают из условия
, (37)
где Rн - продольно-допустимое сопротивление нагрузки проверяемого ОУ.
Допустимое отклонение сопротивления резистора R4 должно быть в пределах ± 1%.
7.2.8 Сопротивление резистора R5 выбирают из условия
, (38)
где Uсм - напряжение смещения проверяемого ОУ;
ΔIвх - разность входных токов проверяемого ОУ;
UDS max - максимальное выходное напряжение устройства выборки и хранения.
Допустимое отклонение сопротивления резистора R5 должно быть в пределах ± 0,5%.
7.2.9 Сопротивления резисторов R6 и R7 выбирают из условий:
R6 = R7; (39)
R6 ≥ 102·Rвых, (40)
где Rвых - выходное сопротивление проверяемого ОУ.
Допустимое отклонение сопротивлений резисторов R6 и R7 должны быть в пределах ± 0,5%.
7.2.10 Входное сопротивление R'вх вспомогательного устройства балансировки из условия
R'вх ≥ 10·R6. (41)
7.2.11 Коэффициент усиления переменного напряжения K'yU~ вспомогательного устройства балансировки выбирают из условия
. (42)
7.2.12 Сопротивление резистора R8 выбирают из условия
R8 ≤ 5·10-2·R'вх. (43)
Допустимое отклонение сопротивления резистора R8 должно быть в пределах ± 5%.
7.2.13 Сопротивление резистора R9 выбирают из условия
R9 ≥ 50·R8. (44)
Допустимое отклонение сопротивления резистора R9 должно быть в пределах ± 5%.
7.2.14 Емкость конденсатора C1 выбирают из условия обеспечения устойчивости измерительной схемы.
7.2.15 Погрешности измерителей PV1, PV2, PV3 должны быть в пределах ± 2%.
7.2.16 Входные сопротивления измерителей PV1, PV2, PV3 должны удовлетворять условиям:
RPV1 ≥ 5·102·Rвых; (45)
; (46)
RPV3 ≥ 5·102·R'вых, (47)
где
- выходное сопротивление источника G3;
R'вых - выходное сопротивление вспомогательного устройства балансировки.
7.2.17 Устройство выборки и хранения DS должно обеспечивать компенсацию напряжения смещения вспомогательного устройства балансировки до величины, находящейся в пределах
. (48)
Допустимое изменение выходного напряжения устройства выборки и хранения DS за интервал времени, равный периоду синусоидального напряжения не должно превышать
. (49)
7.2.18 Устройство выборки и хранения DS и резистор R5 могут быть исключены из структурной схемы измерительной установки, если выполняется условие
. (50)
7.3 Подготовка и проведение измерений
7.3.1 Подключают ОУ к измерительной установке.
7.3.2 Подают напряжение питания на ОУ от источников постоянного напряжения G1 и G2.
7.3.3 Включают устройство выборки и хранения DS (при напряжении источника G3, равном нулю) в режим выборки и компенсируют напряжение смещения контролируемого ОУ.
7.3.4 Переводят устройство выборки и хранения DS в режим хранения.
7.3.5 Подают с выхода источника G3 синусоидальное напряжение и измеряют измерителем PV2 его значение.
7.3.6 Измеряют измерителем PV3 значение выходного напряжения Ux вспомогательного устройства балансировки.
7.3.7 Для определения коэффициента усиления при его значениях меньше 102 измеряют значение напряжения на выходе вспомогательного устройства балансировки при заданном значении выходного напряжения проверяемого ОУ.
7.4 Обработка результатов измерений
Значение коэффициента усиления переменного напряжения определяют по формуле
, (51)
при заданном значении Uвх~ входного синусоидального напряжения измерительной схемы, или по формуле
, (52)
при заданном значении Uвых~ выходного напряжения проверяемого ОУ.
7.5 Погрешность измерений
Показатели точности измерений коэффициента усиления переменного напряжения должны соответствовать установленным в стандартах или ТУ на ОУ конкретного типа.
Границы интервала, в котором с установленной вероятностью 0,95 находится погрешность измерения коэффициента усиления переменного напряжения KуU~, определяемого по формуле (51), вычисляют по формуле
; (53)
или при изменении KуU~, определяемого по формуле (52), вычисляют по формуле
, (54)
где δK - допустимое отклонение минимального значения коэффициента усиления переменного напряжения, вычисляемое по формуле
; (55)
δп - допустимое отклонение максимального значения контактных сопротивлений переключателей и разъемов, включенных последовательно с R3, вычисляемое по формуле
; (56)
σR - среднеквадратическое отклонение значение составляющей сопротивления резисторов R1, R3, R6, R7, вычисляемое по формуле
, (57)
где δR - допустимое отклонение сопротивления резисторов R1, R3, R6, R7, вычисляемое по формуле
, (58)
где Z9 - комплексное сопротивление резистора R9, вычисляемое по формуле
; (59)
K'y - коэффициент усиления вспомогательного устройства балансировки;
- коэффициент влияния сопротивления резистора R4, вычисляемый по формуле
; (60)
- среднее квадратическое значение составляющей сопротивления резистора R4, вычисляемое по формуле
, (61)
где
- допустимое отклонение сопротивления резистора R4;
- коэффициент влияния сопротивления резистора R5, вычисляемый по формуле
; (62)
- среднее квадратическое значение составляющей сопротивления резистора R5, вычисляемое по формуле
, (63)
где
- допустимое отклонение сопротивления резистора R5;
aT - коэффициент влияния температуры окружающей среды, вычисляемый по формуле
, (64)
где
- коэффициент влияния изменения температуры окружающей среды;
σΔT - среднее квадратическое значение составляющей температуры окружающей среды, вычисляемое по формуле
, (65)
где ΔT - абсолютная погрешность установления и поддержания температуры окружающей среды;
aU - коэффициент влияния напряжения питания проверяемого ОУ, вычисляемый по формуле
, (66)
где
- коэффициент влияния напряжения питания на коэффициент усиления;
σU - среднее квадратическое значение составляющей напряжения питания, вычисляемое по формуле
(67)
где δU - погрешность установления и поддержания напряжения питания;
af - коэффициент влияния частоты синусоидального выходного напряжения, вычисляемый по формуле
, (68)
где
- коэффициент влияния частоты синусоидального выходного напряжения;
σf - среднее квадратическое значение составляющей частоты синусоидального выходного напряжения, вычисляемое по формуле
, (69)
где δf - погрешность установления и поддержания частоты синусоидального выходного напряжения;
- среднее квадратическое значение составляющей напряжения источника G3, вычисляемое по формуле
, (70)
где
- погрешность измерения напряжений источника G3;
- среднее квадратическое значение составляющей напряжения на выходе вспомогательного устройства балансировки, вычисляемое по формуле
, (71)
где
- погрешности измерения напряжения на выходе вспомогательного устройства балансировки;
aШ1 - коэффициент влияния шумового сигнала на выходе вспомогательного устройства балансировки, спектр измерения которого находится в полосе пропускания измерителя PV3, вычисляемый по формуле
; (72)
σШ1 - среднее квадратическое значение составляющей шумового сигнала на выходе вспомогательного устройства балансировки, спектр измерения которого находится в полосе пропускания измерителя PV3;
- среднее квадратическое значение составляющей напряжения на выходе проверяемого ОУ, вычисляемое по формуле
, (73)
где
- погрешности измерения напряжения на выходе ОУ;
aШ2 - коэффициент влияния шумового сигнала на выходе проверяемого ОУ, спектр измерения которого находится в полосе пропускания измерителя PV1, вычисляемый по формуле
; (74)
σШ2 - среднее квадратическое значение составляющей шумового сигнала на выходе ОУ, спектр измерения которого находится в полосе пропускания измерителя PV1.


