Утв. и введен в действие Приказом Федерального агентства по техническому регулированию и метрологии от 4 октября 2024 г. N 1376-ст
Национальный стандарт РФ ГОСТ Р 71665-2024
"ДЕТЕКТОРЫ ИОНИЗИРУЮЩИХ ИЗЛУЧЕНИЙ КРЕМНИЕВЫЕ. МЕТОД ОПРЕДЕЛЕНИЯ ДОЗОВОЙ ЧУВСТВИТЕЛЬНОСТИ"
Radiation detectors silicon. Method for determining dose sensitivity
ОКС 17.240
Дата введения - 1 марта 2025 года
Введен впервые
Предисловие
1 РАЗРАБОТАН Акционерным обществом "Российский научно-исследовательский институт "Электронстандарт" (АО "РНИИ "Электронстандарт")
2 ВНЕСЕН Техническим комитетом по стандартизации ТК 303 "Электронная компонентная база, материалы и оборудование"
3 УТВЕРЖДЕН И ВВЕДЕН В ДЕЙСТВИЕ Приказом Федерального агентства по техническому регулированию и метрологии от 4 октября 2024 г. N 1376-ст
4 ВВЕДЕН ВПЕРВЫЕ
Правила применения настоящего стандарта установлены в статье 26 Федерального закона от 29 июня 2015 г. N 162-ФЗ "О стандартизации в Российской Федерации". Информация об изменениях к настоящему стандарту публикуется в ежегодном (по состоянию на 1 января текущего года) информационном указателе "Национальные стандарты", а официальный текст изменений и поправок - в ежемесячном информационном указателе "Национальные стандарты". В случае пересмотра (замены) или отмены настоящего стандарта соответствующее уведомление будет опубликовано в ближайшем выпуске ежемесячного информационного указателя "Национальные стандарты". Соответствующая информация, уведомление и тексты размещаются также в информационной системе общего пользования - на официальном сайте Федерального агентства по техническому регулированию и метрологии в сети Интернет (www.rst.gov.ru)
1 Область применения
Настоящий стандарт распространяется на кремниевые запоминающие детекторы с p-n переходом (диодной структурой) (далее - детекторы) и устанавливает метод определения дозовой чувствительности по изменению начального напряжения.
2 Нормативные ссылки
В настоящем стандарте использованы нормативные ссылки на следующие стандарты:
ГОСТ 12.1.004 Система стандартов безопасности труда. Пожарная безопасность. Общие требования
ГОСТ 12.2.003 Система стандартов безопасности труда. Оборудование производственное. Общие требования безопасности
ГОСТ 12.3.019 Система стандартов безопасности труда. Испытания и измерения электрические. Общие требования безопасности
ГОСТ 18177 Детекторы ионизирующих излучений полупроводниковые. Термины и определения
ГОСТ Р 8.568 Государственная система обеспечения единства измерений. Аттестация испытательного оборудования. Основные положения
Примечание - При пользовании настоящим стандартом целесообразно проверить действие ссылочных стандартов в информационной системе общего пользования - на официальном сайте Федерального агентства по техническому регулированию и метрологии в сети Интернет или по ежегодному информационному указателю "Национальные стандарты", который опубликован по состоянию на 1 января текущего года, и по выпускам ежемесячного информационного указателя "Национальные стандарты" за текущий год. Если заменен ссылочный стандарт, на который дана недатированная ссылка, то рекомендуется использовать действующую версию этого стандарта с учетом всех внесенных в данную версию изменений. Если заменен ссылочный стандарт, на который дана датированная ссылка, то рекомендуется использовать версию этого стандарта с указанным выше годом утверждения (принятия). Если после утверждения настоящего стандарта в ссылочный стандарт, на который дана датированная ссылка, внесено изменение, затрагивающее положение, на которое дана ссылка, то это положение рекомендуется применять без учета данного изменения. Если ссылочный стандарт отменен без замены, то положение, в котором дана ссылка на него, рекомендуется применять в части, не затрагивающей эту ссылку.
3 Термины и определения
В настоящем стандарте применены термины по ГОСТ 18177, а также следующие термины с соответствующими определениями:
3.1 дозовая чувствительность: Чувствительность запоминающего детектора ионизирующего излучения, у которого информативным параметром выходного сигнала является ток дисбаланса или изменение напряжения при заданном токе считывания, а физической величиной, характеризующей источники или поле ионизирующего излучения, - доза ионизирующего излучения.
3.2 фединг показаний: Изменение информативного параметра во времени, который описывают законом:
,
если продолжительность облучения намного меньше постоянной времени τ, где a + b = 1.
4 Общие положения
4.1 Дозовую чувствительность определяют по дисбалансу тока в мостовой схеме, одно из плеч которой содержит детектор, а другой плечо - источник напряжения, равного начальному напряжению детектора.
Измерения проводят в три такта:
- на первом такте определяют начальное напряжение U0;
- на втором такте облучают детектор ионизирующим излучением до набора заданной дозы;
- на третьем такте определяют ток дисбаланса, пропорциональный дозовой чувствительности.
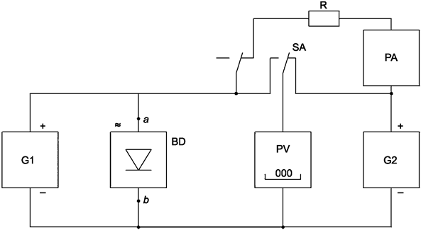
4.2 Облучение проводят без подачи электрического режима вне схемы, приведенной на рисунке 1. Доза не должна превышать 10% от радиационного ресурса детектора, и ее воздействие не должно увеличивать начальное напряжение детектора выше нормы, указанной в стандартах или технических условиях (ТУ) на детекторы конкретных типов.

G1 - источник тока считывания; BD - детектор; SA - переключатель; PV - вольтметр; R - резистор; PA - амперметр; G2 - источник напряжения; a, b - точки подключения детектора
Рисунок 1 - Структурная схема установки для определения дозовой чувствительности детектора
Вид ионизирующего излучения, заданная доза и мощность дозы излучения должны соответствовать установленным в стандартах или ТУ на детекторы конкретных типов.
4.3 Постоянный ток считывания или (при импульсном токе) амплитуду тока устанавливают из ряда: 0,5; 1,0; 1,5; 2,0; 3,0; 5,0; 7,5; 10,0; 20,0; 50,0 мА. Длительность и скважность импульса должны соответствовать установленным в стандартах или ТУ на детекторы конкретных типов. Длительность импульса не менее чем в 100 раз должна превышать время жизни неосновных носителей заряда в базе кристалла детектора. Форма импульсов должна быть прямоугольной.
5 Требования к условиям проведения измерений
Облучение детекторов проводят при нормальных климатических условиях, если другие требования не установлены в стандартах или ТУ на детектор конкретного типа:
- температура воздуха - от 15 °C до 35 °C;
- относительная влажность воздуха - от 45% до 80%;
- атмосферное давление - от 86 до 116 кПа (от 645 до 795 мм рт. ст.);
- напряжение сети питания переменного тока - (220 ± 22) Вт.
Температура окружающей среды (корпуса детектора), при которой проводят измерения на первом и третьем тактах, должна соответствовать стандартам или ТУ на детекторы конкретных типов.
6 Требования к средствам измерений и оборудованию
6.1 Применяемые средства измерений должны быть поверены в соответствии с требованиями [1].
Испытательное оборудование должно быть аттестовано в соответствии с ГОСТ Р 8.568. Диапазон измерений, типы и точность средств измерений, а также характеристики испытательного оборудования и состав вспомогательных устройств устанавливают в ТУ на детектор конкретного типа.
6.2 При определении дозовой чувствительности детектора применяют следующие средства измерений и вспомогательные устройства:
- источник тока считывания;
- переключатель;
- вольтметр;
- резистор;
- амперметр;
- источник напряжения.
6.3 Структурная схема установки, на которой проводят определение дозовой чувствительности детектора, приведена на рисунке 1.
6.4 Источник тока считывания должен обеспечивать установление и поддержание постоянного тока (амплитуды тока) с погрешностью в пределах ± 0,5%. При необходимости применяют источники импульсного тока.
6.5 Источник напряжения G2 должен быть регулируемый в пределах разброса значений начального напряжения детекторов, указанного в стандартах или ТУ на детекторы конкретных типов.
Погрешность задания и поддержания в процессе измерения значения начального напряжения детектора источником совместно с вольтметром PV должна быть в пределах ± 0,2%.
6.6 Погрешность вольтметра PV должна быть в пределах ± 0,1%.
Ток, потребляемый вольтметром, должен составлять не более 0,1% от значения тока считывания.
6.7 Амперметр PA должен быть класса точности не хуже 2.0. Ток, протекающий через амперметр при измерении, должен быть не более 0,2% от тока считывания, указанного в стандартах или ТУ на детекторы конкретных типов. Падение напряжения на амперметре должно составлять не более 15% от начального напряжения детектора.
6.8 Суммарное сопротивление резистора и амперметра должно быть указано с погрешностью в пределах ± 3%.
7 Требования безопасности
7.1 При выполнении измерений оборудование должно соответствовать общим требованиям безопасности в соответствии с ГОСТ 12.2.003.
7.2 При выполнении электрических измерений должны быть соблюдены общие требования безопасности в соответствии с ГОСТ 12.3.019.
7.3 При выполнении измерений производственные помещения должны соответствовать общим требованиям пожарной безопасности в соответствии с ГОСТ 12.1.004.
7.4 При выполнении измерений радиометрических параметров необходимо соблюдать меры радиационной безопасности в соответствии с требованиями [2] и [3].
7.5 Выполнение измерений должен проводить обученный персонал, имеющий высшее или среднее специальное техническое образование, прошедший инструктаж по технике безопасности.
8 Метод измерения дозовой чувствительности
8.1 Детектор выдерживают при температуре, указанной в стандартах или ТУ на детекторы конкретных типов, и в течение времени, указанного в стандартах или ТУ на детекторы конкретных типов, достаточного для стабилизации температурного режима.
8.2 Подключают детектор к измерительной установке и устанавливают заданный ток считывания.
8.3 Отмечают показания вольтметра PV.
8.4 Отключают детектор и проводят его облучение ионизирующим излучением до набора заданной дозы. Время облучения и мощность дозы указывают в стандартах или ТУ на детекторы конкретных типов.
8.5 После облучения повторяют действия по 8.1.
8.6 Проводят настройку установки. Для этого устанавливают сопротивление резистора R, Ом, которое вычисляют по формуле
R = αD – Ra, (1)
где α - калибровочный коэффициент, Ом·Гр-1 (Ом·рад-1), рекомендуется устанавливать равным 10n Ом·Гр-1 (Ом·рад-1);
Rа - сопротивление амперметра PA, Ом;
D - доза облучения, Гр (рад), вычисляемая по формуле
D = P·t, (2)
где P - мощность дозы излучения, Гр·с-1 (Гр·ч-1, рад·с-1, рад·ч-1);
t - время облучения, с (ч).
8.7 Подключают детектор к измерительной установке и устанавливают заданный ток считывания.
8.8 Переводят переключатель SA в положение подключения источника G2. На источнике G2 устанавливают напряжение, равное U0.
8.9 Проводят измерение тока дисбаланса амперметром.
9 Обработка результатов
9.1 Дозовую чувствительность Г, В·Гр-1 (В·рад-1), вычисляют по формуле
Г = α·I, (3)
где I - ток дисбаланса, измеренный амперметром, А;
α - калибровочный коэффициент, Ом·Гр-1 (Ом·рад-1).
9.2 Если за время облучения и снятия показаний у детекторов происходит фединг показаний, то полученное значение Г делят на Kt, вычисляемое по формуле
, (4)
где a - коэффициент стационарной составляющей дозовой чувствительности, указанный в стандартах или ТУ на детекторы конкретных типов;
b - коэффициент нестационарной составляющей, указанный в стандартах или ТУ на детекторы конкретных типов;
a + b = 1;
tн - время набора дозы, ч;
τ - постоянная времени фединга, указанная в стандартах или ТУ на детекторы конкретных типов;
tU - время, прошедшее от начала облучения до измерения, ч.
Если tU - tн ≤ τ и tU ≈ tн, то допускается применять упрощенную формулу
. (5)
9.3 В технически обоснованных случаях, предусмотренных в стандартах и ТУ на детекторы конкретных типов, допускается определять дозовую чувствительность по изменению напряжения на детекторе при заданном токе считывания.
9.3.1 Элементы схемы R, PA, G2 и SA исключают. Вольтметр PV включают параллельно детектору BD.
9.3.2 Выполняют последовательно действия по 8.1 - 8.5.
9.3.3 Дозовую чувствительность Г, В·Гр-1 (В·рад-1), вычисляют по формуле
, (6)
где U1 - напряжение после облучения, В;
U0 - начальное напряжение, В;
D - доза облучения, Гр (рад).
10 Погрешность измерений
Показатели точности определения дозовой чувствительности должны соответствовать установленным в стандартах или ТУ на детекторы конкретных типов.
Погрешность определения дозовой чувствительности δГ, %, в границах интервала с установленной доверительной вероятностью вычисляют по формуле
, (7)
где A - коэффициент, равный 2,0 для доверительной вероятности 0,95 или 2,6 для доверительной вероятности 0,99. Конкретное значение доверительной вероятности указывается в стандартах или ТУ на детекторы конкретных типов;
δi - предел погрешности измерения тока дисбаланса, %;
δR - погрешность задания суммарного сопротивления резистора и амперметра;
ΔU - абсолютная погрешность определения и задания напряжения U0, В;
I - ток считывания, А;
Rд - дифференциальное сопротивление перехода, Ом;
δc - погрешность задания тока считывания, %;
ΔT - погрешность задания и поддержания температуры при измерении, °C;
θ - температурный коэффициент начального напряжения, указанный в стандартах или ТУ на детекторы конкретных типов, В·°C-1;
D - доза облучения, Гр (рад);
Г - дозовая чувствительность, В·Гр-1 (В·рад-1);
δD - погрешность определения дозы, %.
Библиография
|
[1]
|
Приказ Минпромторга Российской Федерации от 31 июля 2020 г. N 2510 "Об утверждении порядка проведения поверки средств измерений, требований к знаку поверки и содержанию свидетельства о поверке"
|
|
[2]
|
Нормы радиационной безопасности
НРБ-99/2009
|
|
|
[3]
|
Основные санитарные правила обеспечения радиационной безопасности ОСПОРБ-99/2010
|