ГОСТ Р 71591-2024 ЛАМПЫ ГЕНЕРАТОРНЫЕ, МОДУЛЯТОРНЫЕ И РЕГУЛИРУЮЩИЕ МОЩНОСТЬЮ, РАССЕИВАЕМОЙ АНОДОМ, СВЫШЕ 25 Вт. МЕТОДЫ КОНТРОЛЯ ОТСУТСТВИЯ ВНУТРИЛАМПОВЫХ ЗАМЫКАНИЙ И ОБРЫВОВ ЭЛЕКТРОДОВ И ПОДОГРЕВАТЕЛЯ
Утв. и введен в действие Приказом Федерального агентства по техническому регулированию и метрологии от 3 сентября 2024 г. N 1172-ст
Национальный стандарт РФ ГОСТ Р 71591-2024
"ЛАМПЫ ГЕНЕРАТОРНЫЕ, МОДУЛЯТОРНЫЕ И РЕГУЛИРУЮЩИЕ МОЩНОСТЬЮ, РАССЕИВАЕМОЙ АНОДОМ, СВЫШЕ 25 Вт. МЕТОДЫ КОНТРОЛЯ ОТСУТСТВИЯ ВНУТРИЛАМПОВЫХ ЗАМЫКАНИЙ И ОБРЫВОВ ЭЛЕКТРОДОВ И ПОДОГРЕВАТЕЛЯ"
Generator, modulator and control lamps with power dissipated by the anode, over 25 watts. Methods for monitoring the absence of intra-tube short circuits and breaks of electrodes and heater
ОКС 33.060.99
Дата введения - 1 марта 2025 года
Введен впервые
Предисловие
1 РАЗРАБОТАН Акционерным обществом "Российский научно-исследовательский институт "Электронстандарт" (АО "РНИИ "Электронстандарт")
2 ВНЕСЕН Техническим комитетом по стандартизации ТК 303 "Электронная компонентная база, материалы и оборудование"
3 УТВЕРЖДЕН И ВВЕДЕН В ДЕЙСТВИЕ Приказом Федерального агентства по техническому регулированию и метрологии от 3 сентября 2024 г. N 1172-ст
4 ВВЕДЕН ВПЕРВЫЕ
Правила применения настоящего стандарта установлены в статье 26 Федерального закона от 29 июня 2015 г. N 162-ФЗ "О стандартизации в Российской Федерации". Информация об изменениях к настоящему стандарту публикуется в ежегодном (по состоянию на 1 января текущего года) информационном указателе "Национальные стандарты", а официальный текст изменений и поправок - в ежемесячном информационном указателе "Национальные стандарты". В случае пересмотра (замены) или отмены настоящего стандарта соответствующее уведомление будет опубликовано в ближайшем выпуске ежемесячного информационного указателя "Национальные стандарты". Соответствующая информация, уведомление и тексты размещаются также в информационной системе общего пользования - на официальном сайте Федерального агентства по техническому регулированию и метрологии в сети Интернет (www.rst.gov.ru)
1 Область применения
Настоящий стандарт распространяется на генераторные, модуляторные и регулирующие лампы мощностью, рассеиваемой анодом, свыше 25 Вт и устанавливает методы контроля отсутствия внутриламповых замыканий, метод контроля отсутствия внутриламповых замыканий между катодом и подогревателем, метод контроля отсутствия обрывов электродов и подогревателя, а также их применяемость.
Для контроля отсутствия внутриламповых замыканий (кроме замыканий между катодом и подогревателем) настоящий стандарт устанавливает следующие методы:
метод 1 - контроль по изменению тока электрода, фиксируемому индикаторным устройством;
метод 2 - контроль по выполнению заданных параметров электрического режима;
метод 3 - контроль по изменениям сопротивления междуэлектродных промежутков нормированной длительности.
2 Нормативные ссылки
В настоящем стандарте использованы нормативные ссылки на следующие стандарты:
ГОСТ 12.1.004 Система стандартов безопасности труда. Пожарная безопасность. Общие требования
ГОСТ 12.1.030 Система стандартов безопасности труда. Электробезопасность. Защитное заземление, зануление
ГОСТ 12.2.003 Система стандартов безопасности труда. Оборудование производственное. Общие требования безопасности
ГОСТ 12.3.019 Система стандартов безопасности труда. Испытания и измерения электрические. Общие требования безопасности
ГОСТ 13820 Приборы электровакуумные. Термины и определения
ГОСТ 20412 Лампы генераторные, модуляторные и регулирующие. Термины и определения
Примечание - При пользовании настоящим стандартом целесообразно проверить действие ссылочных стандартов в информационной системе общего пользования - на официальном сайте Федерального агентства по техническому регулированию и метрологии в сети Интернет или по ежегодному информационному указателю "Национальные стандарты", который опубликован по состоянию на 1 января текущего года, и по выпускам ежемесячного информационного указателя "Национальные стандарты" за текущий год. Если заменен ссылочный стандарт, на который дана недатированная ссылка, то рекомендуется использовать действующую версию этого стандарта с учетом всех внесенных в данную версию изменений. Если заменен ссылочный стандарт, на который дана датированная ссылка, то рекомендуется использовать версию этого стандарта с указанным выше годом утверждения (принятия). Если после утверждения настоящего стандарта в ссылочный стандарт, на который дана датированная ссылка, внесено изменение, затрагивающее положение, на которое дана ссылка, то это положение рекомендуется применять без учета данного изменения. Если ссылочный стандарт отменен без замены, то положение, в котором дана ссылка на него, рекомендуется применять в части, не затрагивающей эту ссылку.
3 Термины и определения
В настоящем стандарте применены термины по ГОСТ 13820 и ГОСТ 20412, а также следующие термины с соответствующими определениями:
3.1 внутриламповое замыкание: Кратковременное или длительное уменьшение активного сопротивления междуэлектродных промежутков, не связанное с изменением эмиссионной проводимости.
3.2 внутриламповый обрыв в цепи электрода (подогревателя): Нарушение механической связи электрода с его внешним выводом, приводящее к потере управляемости лампы.
3.3 обрыв электрода (подогревателя): Резкое увеличение активного сопротивления в цепи электрода.
3.4 управляемость лампы: Возможность установления на электродах лампы значений параметров электрического режима, заданных для данного вида испытания или измерения.
4 Общие положения
4.1 Приведенные в настоящем стандарте методы контроля отсутствия внутриламповых замыканий, внутриламповых замыканий между катодом и подогревателем, обрывов электродов и подогревателя (кроме метода 3) применяют для всех групп генераторных, модуляторных и регулирующих, ламп, кроме группы сверхвысокочастотных (СВЧ) генераторных металлокерамических и титанокерамических ламп с плоской торцевой системой электродов мощностью, рассеиваемой анодом, до 3 кВт.
Для контроля отсутствия внутриламповых замыканий последней группы ламп применяют метод 3. Обрывы электродов металлокерамических и титанокерамических ламп СВЧ с плоской системой электродов не контролируют.
4.2 Контроль отсутствия внутриламповых замыканий, внутриламповых замыканий между катодом и подогревателем, обрывов электродов и подогревателя не является самостоятельным видом испытания, а совмещается для всех ламп, охватываемых настоящим стандартом (за исключением СВЧ генераторных металлокерамических и титанокерамических ламп с плоской торцевой системой электродов мощностью, рассеиваемой анодом, до 3 кВт), с другими видами испытаний (измерений).
4.2.1 В составе приемо-сдаточных испытаний контроль отсутствия внутриламповых замыканий, внутриламповых замыканий между катодом и подогревателем, обрывов электродов и подогревателя совмещают для ламп, у которых в составе приемо-сдаточных испытаний:
- имеется испытание на виброустойчивость, - с испытанием на виброустойчивость;
- отсутствует испытание на виброустойчивость, - с измерением электрических параметров.
4.2.2 В составе периодических испытаний и испытаний на безотказность контроль отсутствия внутриламповых замыканий и обрывов электродов и подогревателя устанавливают в соответствии с требованиями общих технических условий (ОТУ); при отсутствии ОТУ - из приведенных в приложении А.
4.2.3 Как правило, контроль отсутствия внутриламповых замыканий, внутриламповых замыканий между катодом и подогревателем, обрывов электродов и подогревателя совмещают и проводят одновременно. Если совмещение и одновременное проведение контроля отсутствия внутриламповых замыканий, обрывов электродов, обрывов подогревателя невозможно, то в стандартах или технических условиях на лампы конкретных типов (далее - стандарты или ТУ на лампы конкретных типов) указывают, с какими видами испытаний или измерением какого электрического параметра совмещают контроль соответствия ламп каждому из конкретных требований (отсутствия внутриламповых замыканий, отсутствия обрывов электродов, отсутствия обрывов подогревателя).
Примечание - При отсутствии стандартов на лампы конкретных типов нормы, режимы и требования к лампам указывают в технической документации, утвержденной в установленном порядке.
4.3 Для методов контроля, изложенных в разделах 5, 6 и подразделе 7.2, требования к условиям и режиму испытания, оборудованию, на котором проводят испытание, порядок проведения испытания должны соответствовать требованиям стандартов или ТУ на лампы конкретных типов на методы тех испытаний (измерений), с которыми совмещают контроль отсутствия внутриламповых замыканий, внутриламповых замыканий между катодом и подогревателем, обрывов электродов и подогревателя, с уточнениями, изложенными в настоящем стандарте.
4.4 Конкретный метод контроля отсутствия внутриламповых замыканий (метод 1 или метод 2) устанавливают в стандартах или ТУ на лампы конкретных типов.
5 Контроль отсутствия внутриламповых замыканий между катодом и подогревателем
5.1 Контроль отсутствия внутриламповых замыканий между катодом и подогревателем для ламп с катодом косвенного накала (кроме ламп, имеющих внутриламповое соединение катода с подогревателем) проводят по схеме, приведенной в стандартах или ТУ на лампы конкретных типов.
Критерий отсутствия внутриламповых замыканий между катодом и подогревателем устанавливают в стандартах или ТУ на лампы конкретных типов.
Рекомендуемая схема контроля отсутствия внутриламповых замыканий между катодом и подогревателем приведена на рисунке Б.1.
5.2 Контроль отсутствия внутриламповых замыканий между катодом и подогревателем для ламп с катодом косвенного накала, имеющих внутриламповое соединение катода с подогревателем, проводят по увеличению тока накала выше предельного значения, указанного в стандартах или ТУ на лампы конкретных типов для данного вида испытания, а при его отсутствии в стандартах или ТУ на лампы конкретных типов - выше нормы при приемке к поставке.
6 Контроль отсутствия обрывов электродов и подогревателя
6.1 Контроль отсутствия обрывов подогревателя или катода (для ламп с катодом косвенного накала или прямого накала соответственно) определяют по наличию тока накала.
Допускается отсутствие обрывов подогревателя и катода определять по наличию тока анода и управляемости испытуемой лампы.
6.2 Контроль отсутствия обрывов электродов определяют по управляемости испытуемой лампы.
7 Методы контроля отсутствия внутриламповых замыканий (кроме контроля отсутствия замыканий между катодом и подогревателем)
7.1 Метод 1. Контроль по изменению тока анода (или другого электрода), фиксируемому индикаторным устройством
7.1.1 Принцип и условия измерения
Контроль отсутствия внутриламповых замыканий проводят по отсутствию выбросов тока анода определенной величины и длительности, регистрируемых с помощью регистрирующего и индикаторного устройства.
Допускается контроль отсутствия внутриламповых замыканий проводить по отсутствию выбросов тока другого электрода.
7.1.2 Требования к средствам измерения и вспомогательному оборудованию
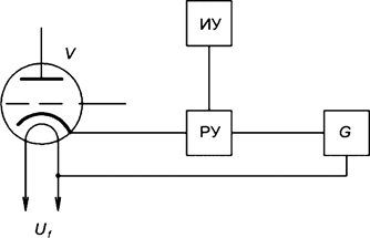
7.1.2.1 Электрическая структурная схема включения регистрирующего устройства в цепь анода (или другого электрода) испытуемой лампы и индикаторного устройства приведена на рисунке 1.

G - источник питания анода (или другого электрода) испытуемой лампы; РУ - регистрирующее устройство; ИУ - индикаторное устройство
Рисунок 1 - Электрическая структурная схема включения регистрирующего устройства в цепь анода (или другого электрода) испытуемой лампы и индикаторного устройства
Допускается включать регистрирующее устройство в любую точку цепи протекания тока анода (или тока другого электрода) испытуемой лампы.
7.1.2.2 В качестве регистрирующего устройства может быть использована любая электромеханическая или электронная система, обеспечивающая разброс срабатывания по среднему току в пределах ± 10% от заданной величины.
7.1.2.3 В качестве индикаторного устройства может быть использовано любое устройство, обеспечивающее контроль срабатывания регистрирующего устройства с запоминанием, при этом суммарное время срабатывания регистрирующего и индикаторного устройства должно составлять не более 100 мс.
7.1.2.4 Значение тока анода (или тока другого электрода), при котором должно срабатывать регистрирующее устройство, указывают в стандартах или ТУ на лампы конкретных типов.
При выборе значения тока срабатывания регистрирующего устройства следует исходить из наименьших значений тока анода (или другого электрода, где установлено регистрирующее устройство), которые могут иметь место при замыканиях между парой соседних электродов, с учетом внутренних сопротивлений испытуемой лампы и источника питания анода (или другого электрода) и разброса величины элементов схемы, влияющих на ток электрода.
Пример выбора значения тока срабатывания приведен в приложении Б.
7.1.2.5 Падение напряжения на регистрирующем устройстве при выбранном токе срабатывания не должно превышать:
- 1% напряжения анода, если регистрирующее устройство установлено в цепь анода;
- 5% напряжения другого электрода, в цепь которого установлено регистрирующее устройство.
7.1.3 Проведение контроля
7.1.3.1 Режим испытания установлен в стандартах или ТУ на лампы конкретных типов.
7.1.3.2 Отсутствие внутриламповых замыканий определяют по отсутствию срабатывания индикаторного устройства.
7.2 Метод 2. Контроль по выполнению заданных параметров электрического режима
7.2.1 Наличие внутриламповых замыканий определяют по отсутствию управляемости лампы или по увеличению тока анода по сравнению с установившимся при данном виде измерения в полтора и более раз в течение времени 1 с и более.
7.2.2 Если при подаче напряжений на лампу наблюдаются броски тока анода или потеря управляемости, измерение прекращают и отключают поданные на лампу напряжения.
Через время, необходимое для полного остывания лампы (но не менее чем через 30 мин), на лампу вновь подают напряжения в последовательности, указанной в стандартах или ТУ на лампы конкретных типов.
Если в течение времени, равного времени готовности лампы (или в течение 3 мин, если время готовности не указано в стандартах или ТУ на лампы конкретных типов), режим измерения, при котором наблюдалось увеличение тока или потеря управляемости, не установлен, лампу отключают и проводят проверку измерительной установки с помощью контрольного образца. При установлении правильности работы установки лампу считают не выдержавшей испытание.
8 Метод 3. Контроль по изменениям сопротивления междуэлектродных промежутков при нормированной длительности
8.1 Принцип и условия измерения
8.1.1 Контроль отсутствия внутриламповых замыканий по изменению сопротивления междуэлектродных промежутков R в зависимости от их длительности τ осуществляют по срабатыванию специального индикационного устройства, настроенного на импульсы тока заданной амплитуды и длительности.
8.1.2 Лампы подвергают вибрационному воздействию - простым гармоническим колебаниям синусоидальной формы.
8.2 Требования к средствам измерения и вспомогательному оборудованию
8.2.1 Электрическая структурная схема установки должна обеспечивать раздельную (для каждого междуэлектродного промежутка) или общую индикацию внутриламповых замыканий. Примеры электрических структурных схем приведены на рисунках 2 и 3.

G1, G2 - источники питания индикационного устройства; H - индикационное устройство; R - измерительный резистор; V - испытательная лампа
Рисунок 2 - Электрическая структурная схема установки контроля отсутствия внутриламповых замыканий по изменениям сопротивления междуэлектродных промежутков с общим индикационным устройством

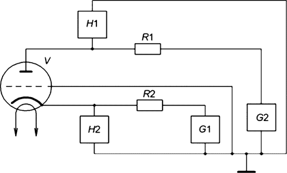
G1, G2 - источники питания индикационного устройства; H1, H2 - индикационные устройства; R1, R2 – измерительные резисторы; V - испытательная лампа
Рисунок 3 - Электрическая структурная схема установки контроля отсутствия внутриламповых замыканий по изменениям сопротивления междуэлектродных промежутков с раздельными индикационными устройствами
8.2.2 Чувствительность индикаторов по сопротивлению в зависимости от длительности внутриламповых замыканий должна соответствовать величинам, указанным в таблицах 1 - 3 для различных групп ламп.
Таблица 1 - Группа 1
|
Предельные значения сопротивления междуэлектродных промежутков Rпред, кОм |
Предельная длительность замыкания τпред, мкс | |||
|
Сетка - катод |
Сетка - анод (для триода) |
Сетка 1 - сетка 2 |
Сетка 2 - анод | |
|
2,0 |
50,0 |
50,0 |
50,0 |
500,0 |
Таблица 2 - Группа 2
|
Междуэлектродный промежуток |
Чувствительность индикационного устройства | |
|
к постоянному сопротивлению K3, кОм |
к сопротивлению замыкания при длительности τ = 600 мкс K3, кОм | |
|
Сетка - катод |
10,0 |
5,0 |
|
Сетка - анод (для триода) |
500,0 |
50,0 |
|
Сетка 1 - сетка 2 |
500,0 |
50,0 |
|
Сетка - анод |
500,0 |
50,0 |
Примечание - Требования по предельным значениям сопротивления промежутка катод-подогреватель для ламп с катодом косвенного накала устанавливают в стандартах или ТУ на лампы конкретных типов.
Таблица 3
|
Группа ламп |
Чувствительность индикационного устройства к постоянному замыканию междуэлектродных промежутков K3, кОм |
Чувствительность индикационного устройства к сопротивлению междуэлектродных промежутков при различных длительностях замыкания K3, кОм | |||
|
Сетка - катод |
Сетка - анод (для триода) |
Сетка 1 - сетка 2 |
Сетка 2 - анод | ||
|
1 |
10,0 |
250,0 |
- |
- |
0,1K3 при τ = 250 мкс |
|
2 |
5,0 |
250,0 |
- |
- |
0,1K3 при τ = 250 мкс |
|
3 |
5,0 |
- |
5,0 |
50,0 |
0,1K3 при τ = 5 мкс |
|
4 |
5,0 |
- |
5,0 |
50,0 |
0,01K3 при τ = 5 мкс |
Примечание - Предельное значение сопротивления промежутка катод-подогреватель для всех групп ламп - 10,0 кОм; длительность замыканий не нормируется.
Принадлежность лампы к одной из указанных групп устанавливается по согласованию с заказчиком в техническом задании (ТЗ), стандартах или ТУ на лампы конкретных типов в зависимости от области применения ламп и особенностей их конструкции и технологии изготовления.
Чувствительность индикационных устройств к внутриламповым замыканиям для импульсных генераторных ламп и для генераторных ламп, предназначенных для работы как в импульсном, так и в непрерывном режимах, указана в таблицах 1 и 2.
Чувствительность индикационных устройств к внутриламповым замыканиям для генераторных ламп, предназначенных для работы в непрерывном режиме, указана в таблице 3.
8.2.3 Допускается использование индикационных устройств, рассчитанных на определенную группу (тип) приборов, в соответствии с таблицами 1 - 3.
8.2.4 Погрешность установки чувствительности индикационного устройства по сопротивлению и длительности должна быть не более ± 30%.
8.2.5 Измерительные резисторы, с которых снимают сигнал на индикационные устройства, подбирают в зависимости от электрического режима испытания и порога срабатывания индикационного устройства.
8.3 Подготовка и проведение испытаний
8.3.1 Подготовку индикационного устройства и испытательной установки к работе в заданном режиме проводят в соответствии с их эксплуатационными документами и требованиями стандартов или ТУ на лампы конкретных типов.
8.3.2 Механическое воздействие на лампу - по 8.1.2.
Частота вибрации - 50 Гц, ускорение - в соответствии с указанным в стандартах или ТУ на лампы конкретных типов для частоты 50 Гц; время испытания - по 1 мин при вертикальном и горизонтальном положениях лампы.
8.3.3 Испытание проводят при номинальном напряжении накала. Полярность напряжения на электродах устанавливают в стандартах или ТУ на лампы конкретных типов.
8.3.4 Для ламп, отнесенных к группе 1 по таблице 1, напряжение между соседними парами электродов устанавливают в стандартах или ТУ на лампы конкретных типов.
8.3.5 Для ламп, отнесенных к группе 2 по таблице 2 и для всех групп ламп по таблице 3, напряжение между соседними парами электродов устанавливают равным 15 В.
8.3.6 Электрический режим испытания, режим механического возбуждения и критерия годности ламп при испытаниях - в соответствии с настоящим стандартом и стандартами или ТУ на лампы конкретных типов.
8.3.7 Отсутствие обрывов подогревателя для ламп с катодом косвенного накала определяют с помощью индикационного устройства.
8.4 Критерии годности ламп при испытании
8.4.1 Отсутствие внутриламповых замыканий определяют по отсутствию срабатываний индикационного устройства. Срабатывание индикационного устройства при постановке и снятии ламп при отсутствии механического воздействия не является признаком забракования испытуемой лампы.
8.4.2 В лампах, отнесенных к группе 1 по таблице 1, не должно быть внутриламповых замыканий со значениями параметров R и τ, расположенных в заштрихованной зоне рисунка 4.

Рисунок 4
9 Требования безопасности
9.1 При контроле отсутствия внутриламповых замыканий и обрывов электродов методами 1, 2, 3 основным видом опасности является опасный уровень напряжения в электрической цепи. При контроле отсутствия внутриламповых замыканий и обрывов электродов методами 1 и 3 в случае неправильного конструирования электрооборудования возможно распространение в зону нахождения людей ионизирующего (неиспользуемого рентгеновского) излучения.
9.2 Источником (носителем) опасности является электрооборудование (испытательные и измерительные установки, вибрационные стенды) и контрольно-измерительная аппаратура с напряжением питания 380/220 В.
9.3 Поражение электрическим током может произойти при прикосновении к токоведущим частям с нарушенной изоляцией или к корпусу установки (стенда) при отсутствии заземления, а также при неисправности блокирующих устройств.
9.4 Поражение неиспользуемым рентгеновским излучением возможно при распространении в зону нахождения людей рентгеновского излучения с уровнем мощности, превышающим допустимые санитарные нормы.
9.5 При выполнении измерений оборудование должно соответствовать общим требованиям безопасности в соответствии с ГОСТ 12.2.003.
9.6 При выполнении электрических измерений должны быть соблюдены общие требования безопасности в соответствии с ГОСТ 12.3.019.
9.7 Общие требования пожарной безопасности рабочих помещений при проведении измерений должны соответствовать требованиям ГОСТ 12.1.004.
9.8 Для обеспечения безопасности работающих необходимо предусмотреть перечисленное в 9.8.1 - 9.8.6.
9.8.1 Надежное заземление всех наружных частей оборудования, которые могут оказаться под напряжением.
Защитное заземление и зануление приборов и оборудования должно соответствовать требованиям ГОСТ 12.1.030.
9.8.2 Надежную изоляцию наружных электропроводящих частей.
9.8.3 Введение системы блокирующих устройств, обеспечивающих снятие напряжений при съеме и установке испытуемых ламп.
На рабочем месте необходимо предусмотреть общий выключатель, с помощью которого возможно одновременное отключение от сети испытательного оборудования и средств измерения.
9.8.4 Защита обслуживающего персонала от рентгеновского излучения осуществляется путем экранирования источников неиспользуемого рентгеновского излучения - испытуемых ламп, находящихся под напряжением внутри каркаса испытательной (измерительной) установки.
9.8.5 Экранирование осуществляется путем обшивки каркаса установки стальными листами без зазоров и неплотностей в местах швов и стыков, а также экранирования смотровых окон испытательных отсеков свинцовым стеклом. Экранирование должно снижать уровень энергии излучения на рабочем месте до установленной нормы.
9.8.6 В случае превышения установленных санитарных норм работа на установке должна быть немедленно прекращена до приведения оборудования в соответствие с действующими санитарными нормами.
Приложение А
(рекомендуемое)
Таблица применения методов контроля отсутствия внутриламповых замыканий, обрывов электродов и подогревателя
Таблица А.1
|
Вид испытания |
Наличие контроля отсутствия внутриламповых замыканий, обрывов электродов и подогревателя |
Метод контроля отсутствия внутриламповых замыканий | ||||||
|
Генераторные и регулирующие лампы мощностью, рассеиваемой анодом, до 1 кВт |
Модуляторные лампы мощностью, рассеиваемой анодом, до 1 кВт |
Модуляторные, генераторные и регулирующие лампы мощностью, рассеиваемой анодом, свыше 1 кВт | ||||||
|
в процессе испытания |
после испытания |
Метод 1 |
Метод 2 |
Метод 1 |
Метод 2 |
Метод 1 |
Метод 2 | |
|
Испытание на стабильность |
+ |
+ |
± * |
± * |
± * |
± * |
- |
- |
|
Испытание на безотказность |
+ |
+ |
- |
+ |
- |
+ |
- |
+ |
|
Испытание на виброустойчивость |
+ |
- |
+ |
- |
+ |
- |
+ |
- |
|
Испытание на вибропрочность |
- |
+ |
+ |
- |
+ |
- |
- |
+ ** |
|
Испытание на ударную прочность |
- |
+ |
- |
+ |
- |
+ |
- |
+ |
|
Испытание на удароустойчивость |
+ *** |
- |
- |
- |
- |
- |
- |
- |
|
Испытание на воздействие одиночных ударов |
- |
+ |
- |
+ |
- |
+ |
- |
+ |
|
Испытание на воздействие линейного ускорения |
+ *** |
- |
- |
+ |
- |
+ |
- |
+ |
|
Испытание на сохраняемость |
+ |
+ |
- |
+ |
- |
+ |
- |
+ |
|
* Конкретный метод контроля устанавливают в соответствии с методами, установленными в стандартах или ТУ на лампы конкретных типов для контроля отсутствия внутриламповых замыканий в составе приемо-сдаточных испытаний. ** Может быть применен метод 1, если к лампам предъявляется требование по виброустойчивости и если отсутствие внутриламповых замыканий при приемо-сдаточных испытаниях проверяют методом 1. *** В процессе испытания способ и метод контроля отсутствия внутриламповых замыканий соответствуют стандартам или ТУ на лампы конкретных типов. | ||||||||
Приложение Б
(рекомендуемое)
Схема контроля и пример выбора значения тока срабатывания регистрирующего устройства
Б.1 Рекомендуемая схема контроля внутриламповых замыканий между катодом и подогревателем приведена на рисунке Б.1.

ИУ - индикаторное устройство; РУ – регистрирующее устройство; G - источник напряжения катод-подогреватель; V - испытуемая лампа
Рисунок Б.1
Требования к регистрирующему устройству и индикаторному устройству - по 7.1.2.2, 7.1.2.3.
Ток срабатывания регистрирующего устройства выбирают в пределах 1,5 - 2,0 допустимого значения тока утечки катод-подогреватель.
Падение напряжения на регистрирующем устройстве при выбранном токе срабатывания не должно превышать 10% напряжения катод-подогреватель.
Б.2 Пример выбора значения тока срабатывания регистрирующего устройства при контроле отсутствия внутриламповых замыканий для лампы конкретного типа.
Необходимо выбрать значение тока срабатывания для модуляторной лампы ГМИ-42Б.
Лампа представляет собой триод с защитной сеткой, особенностью которого является специфическая конструкция электронно-оптической системы, обуславливающей "правую" анодно-сеточную характеристику с малыми значениями тока анода при замыкании катод-сетка. Малые значения токов при замыкании определяют малые значения токов настройки регистрирующего устройства, соизмеримых или меньше значения среднего тока источника питания анода при прохождении в лампе серии искрений, что может привести к "ложной" индикации замыкания.
С целью достоверности контроля отсутствия внутрилампового замыкания регистрирующее устройство устанавливают в цепь источника напряжения смещения сетки.
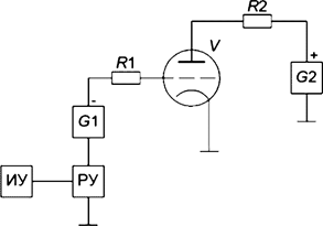
Схема включения регистрирующего устройства датчика тока в цепь сетки приведена на рисунке Б.2.

G1 - источник напряжения смещения; R1 - защитный резистор; R2 - зарядный резистор; G2 - источник питания анода; РУ - регистрирующее устройство; ИУ - индикаторное устройство
Рисунок Б.2
При замыкании сетка-анод ток I, А, через регистрирующее устройство определяют по выражению
, (Б.1)
где Ug1 и Ug2 - напряжения источников смещения и питания анода соответственно;
Rig1, Rig2, Ri - внутренние сопротивления источников питания и лампы соответственно.
Так как (R2 + Rig2)>> (Rig1 + R1) и Ug2>> Ug1, формула (Б.1) принимает следующий вид:
. (Б.2)
При замыкании сетка-катод ток I, А, через регистрирующее устройство определяют по выражению
. (Б.3)
По расчету I = 1 А, I1 = 95 мА.
С учетом требований 7.1.2.4 принимают ток настройки равным току I1. При условии допустимого разброса значения сопротивления резистора R1 (± 5%) и срабатывания регистрирующего устройства (± 10%) выбирают ток срабатывания равным 80 мА.


