Утв. и введен в действие Приказом Федерального агентства по техническому регулированию и метрологии от 10 сентября 2024 г. N 1193-ст
Национальный стандарт РФ ГОСТ Р 71563-2024
"ТЕРМИСТОРЫ. МЕТОДЫ ИЗМЕРЕНИЯ МОЩНОСТИ И ЧУВСТВИТЕЛЬНОСТИ В РАБОЧЕЙ ТОЧКЕ"
Thermistors. Methods for measuring power and sensitivity at the operating point
ОКС 31.080
Дата введения - 1 марта 2025 года
Введен впервые
Предисловие
1 РАЗРАБОТАН Акционерным обществом "Российский научно-исследовательский институт "Электронстандарт" (АО "РНИИ "Электронстандарт")
2 ВНЕСЕН Техническим комитетом по стандартизации ТК 303 "Электронная компонентная база, материалы и оборудование"
3 УТВЕРЖДЕН И ВВЕДЕН В ДЕЙСТВИЕ Приказом Федерального агентства по техническому регулированию и метрологии от 10 сентября 2024 г. N 1193-ст
4 ВВЕДЕН ВПЕРВЫЕ
Правила применения настоящего стандарта установлены в статье 26 Федерального закона от 29 июня 2015 г. N 162-ФЗ "О стандартизации в Российской Федерации". Информация об изменениях к настоящему стандарту публикуется в ежегодном (по состоянию на 1 января текущего года) информационном указателе "Национальные стандарты", а официальный текст изменений и поправок - в ежемесячном информационном указателе "Национальные стандарты". В случае пересмотра (замены) или отмены настоящего стандарта соответствующее уведомление будет опубликовано в ближайшем выпуске ежемесячного информационного указателя "Национальные стандарты". Соответствующая информация, уведомление и тексты размещаются также в информационной системе общего пользования - на официальном сайте Федерального агентства по техническому регулированию и метрологии в сети Интернет (www.rst.gov.ru)
1 Область применения
Настоящий стандарт распространяется на вновь разрабатываемые и модернизируемые термисторы и устанавливает методы измерения мощности и чувствительности в рабочей точке термисторов.
Настоящий стандарт следует применять совместно с ГОСТ Р 71386.
2 Нормативные ссылки
В настоящем стандарте использованы нормативные ссылки на следующие стандарты:
ГОСТ Р 57436 Приборы полупроводниковые. Термины и определения
ГОСТ Р 71386 Термисторы. Общие требования при измерении параметров
Примечание - При пользовании настоящим стандартом целесообразно проверить действие ссылочных стандартов в информационной системе общего пользования - на официальном сайте Федерального агентства по техническому регулированию и метрологии в сети Интернет или по ежегодному информационному указателю "Национальные стандарты", который опубликован по состоянию на 1 января текущего года, и по выпускам ежемесячного информационного указателя "Национальные стандарты" за текущий год. Если заменен ссылочный стандарт, на который дана недатированная ссылка, то рекомендуется использовать действующую версию этого стандарта с учетом всех внесенных в данную версию изменений. Если заменен ссылочный стандарт, на который дана датированная ссылка, то рекомендуется использовать версию этого стандарта с указанным выше годом утверждения (принятия). Если после утверждения настоящего стандарта в ссылочный стандарт, на который дана датированная ссылка, внесено изменение, затрагивающее положение, на которое дана ссылка, то это положение рекомендуется применять без учета данного изменения. Если ссылочный стандарт отменен без замены, то положение, в котором дана ссылка на него, рекомендуется применять в части, не затрагивающей эту ссылку.
3 Термины и определения
В настоящем стандарте применены термины по ГОСТ Р 57436.
4 Принцип и режимы измерения
4.1 Измерения мощности и чувствительности в рабочей точке проводят косвенным методом.
4.2 Для определения мощности по напряжению термистор включают в мостовую схему. Подачей напряжения на мост разогревают термистор током до значения его сопротивления в рабочей точке. При балансе моста измеряют значение напряжения на термисторе.
Мощность, рассеиваемую термистором, рассчитывают по значению напряжения и сопротивления термистора в рабочей точке.
4.3 Для определения мощности по току термистор также включают в мостовую схему. Подачей напряжения на мост разогревают термистор током до значения его сопротивления в рабочей точке. При балансе моста измеряют значение тока, протекающего через термистор.
Мощность рассчитывают по значению тока и сопротивления термистора в рабочей точке.
4.4 Для определения чувствительности термистор включают в мостовую схему. Подачей напряжения на мост термистор дважды разогревают током до значения его сопротивлений, заданных в технических условиях (ТУ).
При балансах моста измеряют значения напряжений на термисторе.
Далее рассчитывают мощности, рассеиваемые термистором, по значениям измеренных напряжений и сопротивлений, заданных в ТУ.
Чувствительность в рабочей точке определяют как отношение разности сопротивлений к разности мощностей термистора.
4.5 Режим измерений - в соответствии с ТУ на термисторы конкретных типов.
5 Методы определения мощности и чувствительности по напряжению для термисторов типов Т8, Т9, ТВ, ТК
5.1 Требования к средствам измерения и вспомогательному оборудованию
5.1.1 Общие требования к измерению параметров, условиям и режимам проведения измерений, к средствам измерения и вспомогательному оборудованию в соответствии с ГОСТ Р 71386, а также с учетом уточнений и дополнений, приведенных в данном разделе.
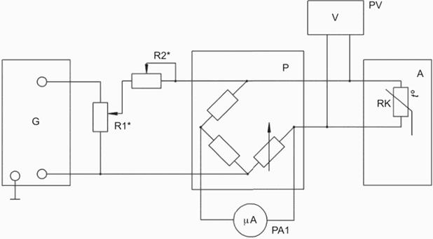
5.1.2 Измерения проводят на установке, структурная схема которой приведена на рисунке 1.

--------------------------------
* Подбирают при регулировании.
G - источник постоянного тока с регулируемым выходом; P - мост постоянного тока; PA1 - микроамперметр со шкалой 50-0-50; R1 - резистор 8 кОм; R2 - резистор 3 кОм; PV - электронный цифровой вольтметр; RK – испытуемый термистор; A - термостатирующая камера
Рисунок 1 - Структурная схема установки для определения мощности и чувствительности по напряжению
5.1.3 Источник постоянного тока с регулируемым выходом должен соответствовать следующим требованиям:
- выходное напряжение должно быть в пределах 20 В;
- нестабильность выходного напряжения должна быть в пределах ± 0,2%.
5.1.4 Мост постоянного тока класса точности не ниже 0,1.
5.1.5 Микроамперметр постоянного тока класса точности не ниже 0,5.
5.1.6 Электронный цифровой вольтметр должен соответствовать следующим требованиям:
- входное сопротивление не менее 10 МОм;
- диапазон измерения - 10 В;
- основная погрешность в пределах ± 0,5%.
5.1.7 Термостатирующая камера должна обеспечивать установление и поддержание температуры, заданной ТУ, с погрешностью в пределах ± 0,1 °C (К).
5.2 Подготовка и проведение измерений
5.2.1 Для определения мощности в рабочей точке помещают термистор в термостатирующую камеру и устанавливают в ней заданную температуру.
5.2.2 Устанавливают в плече сравнения моста сопротивление, равное рабочей точке термистора.
5.2.3 Подают питание на мост от источника постоянного тока и, плавно регулируя его выходное напряжение, проводят балансировку моста, что соответствует нулевому показанию микроамперметра.
5.2.4 Считывают по показанию цифрового вольтметра напряжение на термисторе.
5.2.5 Для определения чувствительности термистора в рабочей точке дважды измеряют его мощность (P1 и P2) при заданных значениях сопротивлений (R1 и R2).
Значения сопротивлений R1 и R2 - по стандартам или ТУ на термисторы конкретных типов.
Порядок подготовки и проведения измерений по определению мощностей P1 и P2 в соответствии с 5.2.1 - 5.2.4.
5.3 Обработка результатов
5.3.1 Мощность, рассеиваемую термистором в рабочей точке, P0, мВт, рассчитывают по формуле
, (1)
где Uт - напряжение на термисторе, В;
R - сопротивление термистора в рабочей точке, Ом.
5.3.2 Чувствительность в рабочей точке термистора S0, Ом/мВт, рассчитывают по формуле
, (2)
где ΔR - разность сопротивлений (R2 - R1), Ом;
ΔP - разность измеренных мощностей (P2 - P1), мВт.
6 Метод определения мощности по току для термисторов типа ТШ
6.1 Требования к средствам измерения и вспомогательному оборудованию
6.1.1 Общие требования к измерению параметров, условиям и режимам проведения измерений, к средствам измерения и вспомогательному оборудованию в соответствии с ГОСТ Р 71386, а также с учетом уточнений и дополнений, приведенных в данном разделе.
6.1.2 Измерения проводят на установке, структурная схема которой приведена на рисунке 2.

--------------------------------
* Подбирают при регулировании.
R1 - резистор 8 кОм; R2 - резистор 3 кОм; G – источник постоянного тока с регулируемым выходом; P – мост постоянного тока; PA1 - микроамперметр со шкалой 50-0-50; PA2 - миллиамперметр; A - термостатирующая камера; RK - испытуемый термистор
Рисунок 2 - Структурная схема установки для определения мощности по току
6.1.3 Источник постоянного тока с регулируемым выходом должен соответствовать следующим требованиям:
- выходное напряжение должно быть в пределах 20 В;
- нестабильность выходного напряжения должна быть в пределах ± 0,2%.
6.1.4 Мост постоянного тока класса точности не ниже 0,1.
6.1.5 Микроамперметр постоянного тока класса точности не ниже 0,5.
6.1.6 Миллиамперметр постоянного тока класса точности не ниже 0,5.
6.1.7 Термостатирующая камера должна обеспечивать установление и поддержание температуры, заданной в ТУ, с погрешностью в пределах ± 0,5 °C (К).
6.2 Подготовка и проведение измерений
6.2.1 Помещают термистор в термостатирующую камеру и устанавливают в ней заданную температуру.
6.2.2 Устанавливают в плече сравнения моста сопротивление, равное рабочей точке термистора и сопротивлению миллиамперметра.
6.2.3 Подают питание на мост от источника постоянного тока и, плавно регулируя его выходное напряжение, проводят балансировку моста, что соответствует нулевому показанию микроамперметра.
6.2.4 Считывают по показанию миллиамперметра значение тока, проходящего через термистор.
6.3 Обработка результатов
6.3.1 Мощность, рассеиваемую термистором в рабочей точке, P0, мВт, рассчитывают по формуле
P0 = I2·R·103, (3)
где I - ток, проходящий через термистор, А;
R - сопротивление термистора в рабочей точке, Ом.
7 Показатели точности измерения
7.1 Погрешность измерения мощности в рабочей точке по напряжению для термисторов типов Т8, Т9, ТВ, ТК находится в пределах ± 2,0% с установленной вероятностью 0,95.
7.2 Погрешность измерения чувствительности в рабочей точке находится в пределах ± 3,0% с установленной вероятностью 0,95.
7.3 Погрешность измерения мощности в рабочей точке по току для термисторов типа ТШ находится в пределах ± 3,0% с установленной вероятностью 0,95.
7.4 Расчеты погрешностей измерений приведены в приложении А.
Приложение А
(справочное)
Расчеты погрешностей измерений
А.1 Расчет погрешности измерения мощности по напряжению для термисторов типов Т8, Т9, ТВ, ТК
А.1.1 Полагают, что все составляющие погрешности случайные, независимые, распределены по равномерному закону.
А.1.2 Погрешность, вносимую нестабильностью источника постоянного тока, не учитывают, так как продолжительность измерения незначительна.
А.1.3 Мощность термисторов в рабочей точке определяют по формуле (1) настоящего стандарта.
А.1.4 Погрешность измерения мощности термистора δP, %, по напряжению рассчитывают по формуле
, (А.1)
где K∑ - коэффициент, зависящий от закона распределения суммарной погрешности и установленной вероятности.
Для нормального закона и вероятности 0,95 K∑ = 1,96;
- погрешность измерения напряжения на термисторе, %;
δR - погрешность установления сопротивления термистора, %.
А.1.4.1 Погрешность измерения напряжения на термисторе
, %, рассчитывают по формуле
, (А.2)
где δPV - предельная погрешность цифрового вольтметра, равная 0,5%;
δA - погрешность установления и поддержания температуры в термостатирующей камере, равная 2,5%;
K - коэффициент влияния неточности установления температуры в термостатирующей камере, равный 0,25 (определен экспериментально).
.
А.1.4.2 Погрешность значения сопротивления термистора δR, %, рассчитывают по формуле
, (А.3)
где δP - основная погрешность моста постоянного тока, равная 0,1%;
δРдоп - дополнительная погрешность моста, равная 0,2% (определена экспериментально);
δотсч.РА - погрешность балансировки моста из-за возможной ошибки оператора, равная 0,2% (определена экспериментально).
.
А.1.4.3 Подставляя полученные данные по формулам (А.2) и (А.3) в формулу (А.1), получают погрешность измерения мощности термистора по напряжению
.
А.2 Расчет погрешности измерения чувствительности термисторов в рабочей точке
А.2.1 Чувствительность термисторов в рабочей точке определяют по формуле (2) настоящего стандарта.
А.2.2 Погрешность измерения чувствительности термисторов в рабочей точке
, %, рассчитывают по формуле
, (А.4)
где K∑ - коэффициент, зависящий от закона распределения суммарной погрешности и установленной вероятности.
Для нормального закона и вероятности 0,95 K∑ = 1,96;
δΔR - погрешность разности сопротивлений, %;
δΔP - погрешность разности мощностей, %.
А.2.2.1 Погрешность разности сопротивлений δΔR рассчитывают по формуле
. (А.5)
Значения δR рассчитывают по формуле (А.3).
Подставляя рассчитанные значения в формулу (А.5), получают погрешность разности сопротивлений
.
А.2.2.2 Погрешность разности мощностей рассчитывают по формуле
. (А.6)
Значения δP рассчитывают по формуле (А.1).
Подставляя рассчитанные значения в формулу (А.6), получают погрешность разности мощностей
.
А.2.2.3 Подставляя рассчитанные значения по формулам (А.5) и (А.6) в формулу (А.4) получают погрешность измерения чувствительности термистора
.
А.3 Расчет погрешности измерения мощности по току для термисторов типа ТШ
А.3.1 Полагают, что все составляющие погрешности случайные, независимые, распределены по равномерному закону.
А.3.2 Погрешность, вносимую нестабильностью источника постоянного тока, не учитывают, так как продолжительность измерения незначительна.
А.3.3 Мощность термисторов в рабочей точке определяют по формуле (3) настоящего стандарта.
А.3.4 Погрешность измерения мощности термистора по току δP, %, рассчитывают по формуле
, (А.7)
где K∑ - коэффициент, зависящий от закона распределения суммарной погрешности и установленной вероятности.
Для нормального закона и вероятности 0,95 K∑ = 1,96;
δI - погрешность измерения тока, %;
δR - погрешность сопротивления термистора из-за возможной ошибки оператора при балансировке моста постоянного тока, %.
А.3.4.1 Погрешность измерения тока через термистор δI, %, рассчитывают по формуле
, (А.8)
где δPA - предельная погрешность миллиамперметра, равная 0,75%;
δотсч.РА - погрешность отсчета значения тока на миллиамперметре из-за возможной ошибки оператора, равная 0,33% (определена экспериментально);
δA - погрешность установления температуры в термостатирующей камере, равная 2,5%;
K - коэффициент влияния колебания температуры в термостатирующей камере в пределах норм ТУ, равный 0,25 (определен экспериментально).
Подставляя указанные выше значения в формулу (А.8) получают погрешность измерения тока
.
А.3.4.2 Подставляя полученные значения по формулам (А.3) и (А.8) в формулу (А.7) получают погрешность измерения мощности термистора по току
.