электронный сборник нормативных документов по строительству
Обновления
15.04.2026 19:29
электронный сборник нормативных документов по строительству

ГОСТ Р 70507.1-2024 ТРАНСФОРМАТОРЫ ИЗМЕРИТЕЛЬНЫЕ. Часть 1. ОБЩИЕ ТЕХНИЧЕСКИЕ УСЛОВИЯ

Утв. и введен в действие Приказом Федерального агентства по техническому регулированию и метрологии от 28 июня 2024 г. N 889-ст

Национальный стандарт РФ ГОСТ Р 70507.1-2024

"ТРАНСФОРМАТОРЫ ИЗМЕРИТЕЛЬНЫЕ. Часть 1. ОБЩИЕ ТЕХНИЧЕСКИЕ УСЛОВИЯ"

Instrument transformers. Part 1. General specifications

(IEC 61869-1:2023, NEQ)

ОКС 29.240

17.220.20

Дата введения - 1 августа 2024 года

Введен впервые

Предисловие

1 РАЗРАБОТАН Обществом с ограниченной ответственностью "Эльмаш (УЭТМ)" (ООО "Эльмаш (УЭТМ)")

2 ВНЕСЕН Техническим комитетом по стандартизации ТК 016 "Электроэнергетика"

3 УТВЕРЖДЕН И ВВЕДЕН В ДЕЙСТВИЕ Приказом Федерального агентства по техническому регулированию и метрологии от 28 июня 2024 г. N 889-ст

4 Настоящий стандарт разработан с учетом основных нормативных положений международного стандарта МЭК 61869-1:2023 "Трансформаторы измерительные. Часть 1. Общие требования" (IEC 61869-1:2023 "Instrument transformers - Part 1: General requirements", NEQ)

5 ВВЕДЕН ВПЕРВЫЕ

Правила применения настоящего стандарта установлены в статье 26 Федерального закона от 29 июня 2015 г. N 162-ФЗ "О стандартизации в Российской Федерации". Информация об изменениях к настоящему стандарту публикуется в ежегодном (по состоянию на 1 января текущего года) информационном указателе "Национальные стандарты", а официальный текст изменений и поправок - в ежемесячном информационном указателе "Национальные стандарты". В случае пересмотра (замены) или отмены настоящего стандарта соответствующее уведомление будет опубликовано в ближайшем выпуске ежемесячного информационного указателя "Национальные стандарты". Соответствующая информация, уведомление и тексты размещаются также в информационной системе общего пользования - на официальном сайте Федерального агентства по техническому регулированию и метрологии в сети Интернет (www.rst.gov.ru)

Введение

Серия стандартов под общим наименованием "Трансформаторы измерительные" состоит из следующих частей:

- часть 1. Общие технические условия 1;

- часть 2. Технические условия на трансформаторы тока;

- часть 3. Технические условия на трансформаторы напряжения;

- часть 4. Технические условия на комбинированные трансформаторы;

- часть 5. Технические условия на емкостные трансформаторы напряжения;

- часть 6. Дополнительные общие технические условия на электронные измерительные трансформаторы;

- часть 7. Технические условия на электронные трансформаторы напряжения;

- часть 8. Технические условия на электронные трансформаторы тока;

- часть 9. Технические условия на автономные устройства сопряжения с шиной процесса;

- часть 10. Технические условия на комбинированные электронные измерительные трансформаторы;

- часть 11. Технические условия на маломощные измерительные трансформаторы (датчики);

- часть 12. Технические условия на средства измерения показателей качества электроэнергии.

--------------------------------

1 Дополнительные технические условия к трансформаторам конкретных видов устанавливаются в соответствующих частях.

1 Область применения

Настоящий стандарт распространяется на измерительные трансформаторы (далее - трансформаторы) напряжением от 3 до 750 кВ, предназначенные для применения в электрических цепях переменного тока частотой 50 или 60 Гц с целью передачи сигнала измерительной информации приборам измерения, релейной защиты и автоматики, сигнализации и управления, разработанным после 1 августа 2024 г.

Дополнительные требования к отдельным видам трансформаторов в связи со спецификой их конструкции или назначения устанавливают в стандартах, технической документации, договорах или контрактах на трансформаторы конкретных типов.

Настоящий стандарт не распространяется на лабораторные, суммирующие, блокирующие и насыщающиеся трансформаторы.

2 Нормативные ссылки

В настоящем стандарте использованы нормативные ссылки на следующие стандарты:

ГОСТ 12.1.044 (ИСО 4589-84) Система стандартов безопасности труда. Пожаровзрывоопасность веществ и материалов. Номенклатура показателей и методы их определения

ГОСТ 12.2.007.0 Система стандартов безопасности труда. Изделия электротехнические. Общие требования безопасности

ГОСТ 12.2.007.3 Система стандартов безопасности труда. Электротехнические устройства на напряжение свыше 1000 В. Требования безопасности

ГОСТ 12.3.019 Система стандартов безопасности труда. Испытания и измерения электрические. Общие требования безопасности

ГОСТ 15.309 Система разработки и постановки продукции на производство. Испытания и приемка выпускаемой продукции. Основные положения

ГОСТ 27.003 Надежность в технике. Состав и общие правила задания требований по надежности

ГОСТ 3484.3 Трансформаторы силовые. Методы измерений диэлектрических параметров изоляции

ГОСТ 6581 Материалы электроизоляционные жидкие. Методы электрических испытаний

ГОСТ 8024 Аппараты и электротехнические устройства переменного тока на напряжение свыше 1000 В. Нормы нагрева при продолжительном режиме работы и методы испытаний

ГОСТ 9920 (МЭК 694-80, МЭК 815-86) Электроустановки переменного тока на напряжение от 3 до 750 кВ. Длина пути утечки внешней изоляции

ГОСТ 10434 Соединения контактные электрические. Классификация. Общие технические требования

ГОСТ 14192 Маркировка грузов

ГОСТ 14254 (IEC 60529:2013) Степени защиты, обеспечиваемые оболочками (код IP)

ГОСТ 15150 Машины, приборы и другие технические изделия. Исполнения для различных климатических районов. Категории, условия эксплуатации, хранения и транспортирования в части воздействия климатических факторов внешней среды

ГОСТ 15543.1 Изделия электротехнические и другие технические изделия. Общие требования в части стойкости к климатическим внешним воздействующим факторам

ГОСТ 16962.1 (МЭК 68-2-1-74) Изделия электротехнические. Методы испытаний на устойчивость к климатическим внешним воздействующим факторам

ГОСТ 16962.2 Изделия электротехнические. Методы испытаний на стойкость к механическим внешним воздействующим факторам

ГОСТ 17516.1 Изделия электротехнические. Общие требования в части стойкости к механическим внешним воздействующим факторам

ГОСТ 18425 Упаковка транспортная наполненная. Метод испытания на удар при свободном падении

ГОСТ 18685 Трансформаторы тока и напряжения. Термины и определения

ГОСТ 21130 Изделия электротехнические. Зажимы заземляющие и знаки заземления. Конструкция и размеры

ГОСТ 21242 Выводы контактные электротехнических устройств плоские и штыревые. Основные размеры

ГОСТ 23216 Изделия электротехнические. Хранение, транспортирование, временная противокоррозионная защита, упаковка. Общие требования и методы испытаний

ГОСТ 24054 Изделия машиностроения и приборостроения. Методы испытаний на герметичность. Общие требования

ГОСТ 28517 Контроль неразрушающий. Масс-спектрометрический метод течеискания. Общие требования

ГОСТ 30546.1 Общие требования к машинам, приборам и другим техническим изделиям и методы расчета их сложных конструкций в части сейсмостойкости

ГОСТ 30546.2 Испытания на сейсмостойкость машин, приборов и других технических изделий. Общие положения и методы испытаний

ГОСТ Р 2.601 Единая система конструкторской документации. Эксплуатационные документы

ГОСТ Р 15.301 Система разработки и постановки продукции на производство. Продукция производственно-технического назначения. Порядок разработки и постановки продукции на производство

ГОСТ Р 27.301 Надежность в технике. Управление надежностью. Техника анализа безотказности. Основные положения

ГОСТ Р 52565 Выключатели переменного тока на напряжения от 3 до 750 кВ. Общие технические условия

ГОСТ Р 55191 (МЭК 60270:2000) Методы испытаний высоким напряжением. Измерения частичных разрядов

ГОСТ Р 55194 Электрооборудование и электроустановки переменного тока на напряжения от 1 до 750 кВ. Общие методы испытаний электрической прочности изоляции

ГОСТ Р 55195-2012 Электрооборудование и электроустановки переменного тока на напряжения от 1 до 750 кВ. Требования к электрической прочности изоляции

ГОСТ Р 58669 Единая энергетическая система и изолированно работающие энергосистемы. Релейная защита. Трансформаторы тока измерительные индуктивные с замкнутым магнитопроводом для защиты. Методические указания по определению времени до насыщения при коротких замыканиях

Примечание - При пользовании настоящим стандартом целесообразно проверить действие ссылочных стандартов в информационной системе общего пользования - на официальном сайте Федерального агентства по техническому регулированию и метрологии в сети Интернет или по ежегодному информационному указателю "Национальные стандарты", который опубликован по состоянию на 1 января текущего года, и по выпускам ежемесячного информационного указателя "Национальные стандарты" за текущий год. Если заменен ссылочный стандарт, на который дана недатированная ссылка, то рекомендуется использовать действующую версию этого стандарта с учетом всех внесенных в данную версию изменений. Если заменен ссылочный стандарт, на который дана датированная ссылка, то рекомендуется использовать версию этого стандарта с указанным выше годом утверждения (принятия). Если после утверждения настоящего стандарта в ссылочный стандарт, на который дана датированная ссылка, внесено изменение, затрагивающее положение, на которое дана ссылка, то это положение рекомендуется применять без учета данного изменения. Если ссылочный стандарт отменен без замены, то положение, в котором дана ссылка на него, рекомендуется применять в части, не затрагивающей эту ссылку.

3 Термины и определения

В настоящем стандарте применены термины по ГОСТ 18685, ГОСТ Р 58669, а также следующие термины с соответствующими определениями 1:

--------------------------------

1 Термины и определения на конкретные виды трансформаторов приведены в соответствующих стандартах.

3.1 измерительный трансформатор: Трансформатор, предназначенный для передачи сигнала измерительной информации (тока или напряжения) приборам измерения, защиты, автоматики, сигнализации и управления.

3.2 антирезонансный трансформатор напряжения: Трансформатор напряжения, который не вступает в устойчивый резонанс с емкостью электрической сети и сохраняет работоспособное состояние при наличии в этой сети феррорезонансных явлений.

3.3 оболочка: Часть конструкции трансформатора, обеспечивающая защиту оборудования от некоторых внешних воздействий и защиту по всем направлениям от прямых контактов.

3.4 первичные выводы: Выводы, к которым прикладывается напряжение и/или ток, подлежащие трансформации.

Примечание - Напряжение и ток прикладываются к первичным выводам комбинированных трансформаторов.

3.5 вторичные выводы: Выводы, которые обеспечивают передачу сигнала информации приборам измерения, защиты, автоматики, сигнализации и управления.

3.6 диагностические выводы: Выводы, которые обеспечивают передачу сигнала информации средствам диагностики (в т.ч. автоматизированным, в режиме эксплуатации), сигнализации и/или управления.

3.7 вторичная цепь: Внешняя цепь, получающая сигналы информации от вторичных выводов измерительного трансформатора.

3.8 секция: Токопроводящая часть измерительного трансформатора с выводами, изолированная от других подобных токоведущих частей.

3.9 номинальный коэффициент трансформации: Отношение действующего значения номинального первичного напряжения или тока к действующему значению номинального вторичного напряжения или тока.

3.10 угловая погрешность: Разница в углах между векторами первичного напряжения или тока и вторичного напряжения или тока.

Примечания

1 Направление векторов выбирают таким образом, чтобы для идеального трансформатора этот угол был равен нулю. Сдвиг фаз считают положительным, если вектор вторичного напряжения или тока опережает вектор первичного тока или напряжения. Угловую погрешность, как правило, выражают в минутах или сантирадианах.

2 Данное определение является абсолютно верным только для синусоидальных напряжений или токов.

3 Для электронных измерительных трансформаторов угловая погрешность включает в себя значения времени задержек цифровой обработки и присвоения временной метки.

3.11 класс точности: Обобщенная характеристика трансформатора, определяемая установленными пределами допускаемых погрешностей при заданных условиях работы.

3.12 вторичная нагрузка: Полное сопротивление вторичной цепи, выраженное в омах, при установленном коэффициенте мощности.

Примечание - Вторичная нагрузка может выражаться как полная мощность в вольт-амперах при установленном коэффициенте мощности и при номинальном вторичном напряжении или токе.

3.13 номинальная вторичная нагрузка: Значение вторичной нагрузки, при которой гарантированно выполняются все параметры, заданные классом точности.

3.14 номинальная мощность вторичной нагрузки: Значение полной мощности, которую трансформатор должен передавать во вторичную цепь при номинальном вторичном напряжении или токе и номинальной нагрузке.

Примечание - Номинальная мощность является номинальной нагрузкой, выраженной в вольт-амперах, при установленном коэффициенте мощности.

3.15 номинальная частота: Значение частоты сети, для работы в которой предназначен трансформатор.

3.16 измерительный трансформатор с защитой при возникновении внутренней дуги: Измерительный трансформатор, конструкция которого обеспечивает соответствующий класс защиты при возникновении внутреннего дугового замыкания.

3.17 измерительный трансформатор с газовой изоляцией в металлическом корпусе: Измерительный трансформатор в металлическом корпусе, предназначенный для установки в элегазовое комплектное распределительное устройство, либо как встроенный в коммутационный аппарат, либо как отдельный узел элегазового комплектного распределительного устройства.

3.18 замкнутая система давления: Объем, который пополняется только периодически путем ручного подключения к внешнему источнику газа.

3.19 газ: Газ или смесь газов, которыми заполняется трансформатор.

Примечание - Изоляционный газ, используемый в измерительных трансформаторах в качестве газовой изоляции и герметично отделенный от атмосферного воздуха оболочкой, может полностью или частично состоять из элегаза или других газов и находится, как правило, под избыточным давлением.

3.20 номинальное давление заполнения: Давление газа, приведенное к нормальным атмосферным условиям, до которого заполняют (или периодически пополняют) измерительный трансформатор согласно требованиям изготовителя.

3.21 минимальное рабочее давление: Давление газа, приведенное к нормальным атмосферным условиям, при котором и выше которого трансформатор способен выдерживать номинальный уровень изоляции и другие номинальные характеристики.

Примечание - При снижении давления до минимального рабочего давления требуется пополнение измерительного трансформатора газом.

3.22 абсолютная скорость утечки, г/с: Количество (масса) газа, вытекающего за единицу времени.

3.23 относительная скорость утечки q, % в год: Отношение абсолютной скорости утечки к общему количеству газа в устройстве при номинальном давлении (плотности) заполнения.

3.24 номинальное напряжение трансформатора, кВ: Междуполюсное напряжение (действующее значение), равное номинальному междуфазному напряжению электрических сетей, для работы в которых предназначен трансформатор.

3.25 наибольшее рабочее напряжение измерительного трансформатора, кВ: Наибольшее междуполюсное напряжение (действующее значение), на которое рассчитан трансформатор (в частности, в условиях длительного приложения этого напряжения).

Примечание - В отличие от термина по ГОСТ Р 55195-2012 (пункт 3.1), распространяющегося только на требования к изоляции, данный термин относится к нагреву, метрологии, измерению вольтамперной характеристики и т.д., т.е. ко всем параметрам, связанным с наибольшим рабочим напряжением измерительного трансформатора.

4 Классификация

4.1 Трансформаторы подразделяют по основным признакам, приведенным в 4.1.1 - 4.1.5.

4.1.1 По роду установки (категории размещения и климатическому исполнению) - по ГОСТ 15150.

4.1.2 По виду изоляции - в соответствии с таблицей 1.

Таблица 1 - Обозначение трансформаторов по виду изоляции

Вид изоляции

Условное обозначение

Внешняя

С фарфоровой покрышкой

Ф

С полимерной покрышкой

П

Литая

Л

Внутренняя

Масляная

М

Газовая

Г

Маслобарьерная

МБ

Воздушная

В

Литая или с элементами литой изоляции

л

Залита битумным компаундом

К

4.1.3 По особенностям конструктивного исполнения.

Основные признаки трансформаторов и их обозначения приведены в таблице 2.

Таблица 2 - Основные признаки трансформаторов по конструктивному исполнению и их обозначения

Конструктивное исполнение трансформаторов

Условное обозначение

Встроенный

В

Незаземляемый

-

Однофазный

О

Трехфазный

Т

Одноступенчатый

-

Каскадный

К

Защищенное исполнение

з

Водозащищенное исполнение

в

Герметичное исполнение

г

Электронный

ЭТ

4.1.4 По числу коэффициентов трансформации: с одним коэффициентом трансформации - однодиапазонный, с несколькими коэффициентами трансформации - многодиапазонный, получаемые путем изменения числа витков первичной и/или вторичной обмотки.

4.1.5 По числу вторичных обмоток: с одной вторичной обмоткой, с несколькими вторичными обмотками.

4.2 Условное обозначение трансформатора

4.2.1 Условное обозначение трансформатора определяется в соответствии со стандартом на конкретный вид трансформатора. Рекомендуемые обозначения приведены в 4.1.1 и 4.1.2. Рекомендуется в условном обозначении индуктивных трансформаторов напряжения (ТН) буквой "А" обозначать антирезонансный ТН. Использование в обозначении индуктивных ТН буквы "А" для других целей недопустимо.

4.2.2 Буквенная часть условного обозначения представляет собой серию; совокупность буквенного обозначения и значения номинального напряжения - тип; полное обозначение в целом - типоисполнение трансформатора.

4.2.3 Для встроенных трансформаторов допускается применение упрощенного условного обозначения.

4.2.4 В нормативных документах на трансформаторы конкретных типов 1 допускается вводить в буквенную часть один или несколько признаков, а также дополнительные буквы и/или цифры, исключать или заменять отдельные буквы (кроме обозначения целевого назначения, например: Т - трансформатор тока, Н - трансформатор напряжения и т.д.) для обозначения особенностей конкретного трансформатора.

--------------------------------

1 Здесь и далее под нормативными документами на трансформаторы конкретных типов подразумеваются технические условия, стандарты организаций и другие нормативные документы предприятий и организаций.

5 Основные параметры

Номинальные параметры трансформатора:

а) номинальное напряжение трансформатора, кВ, кроме встроенных трансформаторов тока (ТТ), в соответствии с ГОСТ Р 55195;

б) наибольшее рабочее напряжение измерительного трансформатора, кВ, в соответствии с ГОСТ Р 55195;

в) номинальная частота переменного тока, равная 50 или 60 Гц;

г) номинальная мощность в соответствии со стандартом на конкретный вид трансформатора;

д) класс точности в соответствии со стандартом на конкретный вид трансформатора.

6 Технические требования

6.1 Трансформаторы следует изготовлять в соответствии с требованиями настоящего стандарта и нормативных документов на трансформаторы конкретных типов по рабочим чертежам, утвержденным в установленном порядке.

6.2 Требования в части стойкости к внешним воздействующим факторам

6.2.1 Трансформаторы следует изготовлять в климатических исполнениях в соответствии с ГОСТ 15150 и ГОСТ 15543.1. Категории размещения - по ГОСТ 15150.

6.2.2 Вид климатического исполнения и категорию размещения следует указывать в нормативных документах на трансформаторы конкретных типов.

Если температура окружающей среды отличается от температуры, указанной в ГОСТ 15150 и ГОСТ 15543.1, фактические значения должны быть указаны в нормативных документах на трансформаторы конкретных типов.

Требования в части стойкости к климатическим внешним воздействующим факторам - по ГОСТ 15543.1.

6.2.3 Нормальные атмосферные условия:

- температура воздуха - 20 °C;

- атмосферное давление - 101,3 кПа (1013 мбар или 760 мм рт. ст.);

- абсолютная влажность воздуха - 11 г/м3.

6.2.4 В нормативных документах на трансформаторы конкретных типов должна быть указана максимально допустимая высота установки над уровнем моря, выраженная в метрах.

6.2.5 Требования в части стойкости к механическим внешним воздействующим факторам - по ГОСТ 17516.1. Группу механического исполнения по ГОСТ 17516.1 устанавливают в нормативных документах на трансформаторы конкретных типов.

Трансформаторы должны быть рассчитаны на нагрузку от тяжения проводов:

- 500 Н (50 кгс) - для трансформаторов на номинальное напряжение до 35 кВ включительно;

- 1000 Н (100 кгс) - для трансформаторов на номинальное напряжение 110 - 220 кВ;

- 1500 Н (150 кгс) - для трансформаторов на номинальное напряжение 330 кВ и выше.

При этом значения испытательных статических нагрузок приведены в таблице 3.

Таблица 3 - Испытательные статические нагрузки

Номинальное напряжение трансформатора, кВ

Испытательная статическая нагрузка, Н (кгс), измерительного трансформатора

с выводами напряжения

с токовыми выводами

До 35

500 (50)

1250 (125)

От 110 до 220

1000 (100)

2000 (200)

От 330

1500 (150)

2500 (250)

Примечание - Для измерительных трансформаторов с токовыми выводами испытательные значения учитывают динамические нагрузки от токов короткого замыкания.

Трансформаторы категории размещения 1 должны быть рассчитаны на суммарную механическую нагрузку от ветра скоростью 40 м/с, гололеда с толщиной стенки льда 20 мм и статической нагрузки в соответствии с таблицей 3.

6.2.6 Рабочее положение трансформаторов в пространстве должно быть указано в нормативных документах на трансформаторы конкретных типов.

6.2.7 Значение нагрузки и методы испытаний трансформаторов подвесного типа устанавливают в нормативных документах на трансформаторы конкретных типов.

6.3 Требования по сейсмостойкости

В нормативных документах на трансформаторы конкретных типов должна быть указана сейсмостойкость изделия как интенсивность землетрясений в баллах по шкале MSK-64 при установке оборудования на нулевой отметке (верхней границе фундамента).

6.4 Требования к изоляции

6.4.1 Электрическая прочность изоляции первичной обмотки (первичной цепи) трансформаторов на номинальные напряжения от 3 до 750 кВ включительно должна соответствовать требованиям ГОСТ Р 55195.

6.4.2 Изоляция маслонаполненных трансформаторов должна соответствовать требованиям на стойкость к тепловому пробою по ГОСТ Р 55195.

6.4.3 Изоляция вторичных обмоток трансформаторов относительно заземленных частей, а для трансформаторов с несколькими вторичными обмотками и для трансформаторов, установленных в один блок также относительно друг друга, - должна выдерживать в течение 1 мин воздействие испытательного напряжения 3 кВ номинальной частоты.

6.4.4 Значения сопротивления изоляции первичных и вторичных обмоток устанавливают в нормативных документах на трансформаторы конкретных типов.

6.4.5 Изоляция первичной обмотки маслонаполненных трансформаторов на номинальное напряжение 330 кВ и выше по согласованию между потребителем и изготовителем должна выдерживать воздействие многократных срезанных импульсов.

6.4.6 Уровень частичных разрядов изоляции первичной обмотки трансформаторов - по ГОСТ Р 55195.

6.4.7 Тангенс угла диэлектрических потерь изоляции первичной обмотки маслонаполненных трансформаторов не должен превышать значений, указанных в нормативных документах на трансформаторы конкретных типов.

Диэлектрические показатели качества масла маслонаполненных трансформаторов должны соответствовать значениям, указанным в таблице 4.

Таблица 4 - Диэлектрические показатели качества масла

Показатель качества масла

Номинальное напряжение трансформатора, кВ

Предельное допускаемое значение показателя качества масла

до заливки в трансформатор

из трансформатора

Пробивное напряжение по ГОСТ 6581, кВ, не менее

До 15 включ.

30

25

До 35 включ.

35

30

От 110 до 150 включ.

60

55

От 220 до 500 включ.

65

60

750

70

65

Тангенс угла диэлектрических потерь при 90 °C по ГОСТ 6581, %, не более

До 220 включ.

1,7

2,0

Св. 220

0,5

0,7

6.4.8 Длина пути утечки внешней изоляции по ГОСТ 9920 должна быть установлена в нормативных документах на трансформаторы конкретных типов.

6.4.9 Изоляция первичной обмотки газонаполненных трансформаторов, работающих при избыточном давлении газа, должна в течение 45 мин выдерживать воздействие наибольшего рабочего напряжения сети при давлении газа, равном атмосферному.

Примечание - Требование настоящего пункта не относится к трансформаторам для применения в элегазовом комплектном распределительном устройстве.

6.5 Сопротивления первичных и вторичных обмоток постоянному току

6.5.1 Номинальные значения сопротивления первичных обмоток постоянному току должны быть указаны изготовителем в эксплуатационной документации для каждой обмотки или коэффициента трансформации. В паспорте на изделие должно быть указано фактическое значение сопротивления первичной обмотки для того коэффициента трансформации, на который собран трансформатор на заводе-изготовителе.

6.5.2 Фактическое значение сопротивления вторичных обмоток постоянному току должно быть указано изготовителем в паспорте для каждой обмотки, включая ответвления, вместе с температурой, при которой проводилось измерение.

6.6 Внешняя изоляция трансформаторов в отношении уровня радиопомех должна соответствовать требованиям ГОСТ Р 55195.

6.7 Требования к метрологическим характеристикам

Метрологические характеристики должны быть установлены для следующих рабочих условий применения трансформаторов:

а) частота переменного тока - 50-5+5 или 60-6+6 Гц.

Примечание - Если трансформатор предназначен для работы в отличном от указанного диапазоне частот, то его значения должны быть указаны в нормативных документах и эксплуатационных документах на трансформаторы конкретных типов;

б) температура окружающего воздуха - в соответствии с климатическим исполнением и категорией размещения, если иное не указано в нормативных документах на трансформаторы конкретных типов;

в) высота установки трансформаторов над уровнем моря - по 6.2.4.

6.8 Требования к нагреву

6.8.1 Допустимые превышения элементами трансформатора температуры окружающей среды должны соответствовать требованиям ГОСТ 8024.

6.8.2 Класс нагревостойкости изоляции трансформатора должен быть указан в нормативных документах на трансформаторы конкретных типов.

6.8.3 Для трансформатора, предназначенного для использования на высоте свыше 1000 м, подвергающегося испытаниям на высоте менее 1000 м, пределы превышения температуры должны быть откорректированы в соответствии с ГОСТ 15150, а конкретные значения допустимой температуры должны быть указаны в нормативных документах на трансформаторы конкретных типов.

6.9 Требования к стойкости при токах короткого замыкания - в соответствии со стандартом на конкретный вид трансформатора.

6.10 Обозначение выводов обмоток - в соответствии со стандартом на конкретный вид трансформатора.

6.11 Требования к конструкции

6.11.1 Требования к выводам

6.11.1.1 Контактные выводы трансформаторов должны соответствовать требованиям ГОСТ 10434 и ГОСТ 21242.

6.11.1.2 Контактные выводы вторичных обмоток встроенных трансформаторов могут быть расположены в конструкции изделия, в которое встроен трансформатор.

6.11.1.3 По требованию заказчика конструкция трансформаторов должна обеспечивать ограничение доступа к вторичным выводам трансформаторов в целях предотвращения несанкционированного вмешательства, которое может привести к искажениям результатов измерений.

6.11.1.4 Для трансформаторов на номинальное напряжение 110 кВ и выше с изоляцией конденсаторного типа должен быть предусмотрен диагностический вывод для возможности подключения средств диагностирования и контроля (в том числе автоматизированного) параметров изоляции под рабочим напряжением в эксплуатации.

6.11.2 Требования к устройствам сигнализации и индикации

6.11.2.1 Газонаполненные и маслонаполненные трансформаторы на номинальное напряжение 110 кВ и выше следует оснащать устройствами индикации давления (плотности) газа или уровня масла. Необходимость оснащения трансформаторов устройствами сигнализации давления (плотности) газа или уровня масла определяется нормативно-правовыми актами Минэнерго России, принятыми в соответствии с [1], или заказчиком - в случае отсутствия соответствующих требований в указанных нормативно-правовых актах. При этом следует обеспечить не менее двух уровней сигнализации: предупредительный и аварийный.

6.11.2.2 Маслонаполненные трансформаторы с массой масла более 50 кг на указателе уровня масла должны иметь три контрольные метки, соответствующие уровню масла в неработающем трансформаторе при температуре 20 °C, а также при верхнем и нижнем значениях температуры.

6.11.2.3 В маслонаполненных трансформаторах с массой масла менее 50 кг допускается наносить на указателе уровня масла одну контрольную метку, по которой устанавливают уровень заливаемого в трансформатор масла при температуре 20 °C.

6.11.2.4 Трансформаторы с массой масла менее 20 кг допускается изготавливать без указателей уровня масла.

6.11.2.5 Все положения уровней сигнализации и индикации должны быть отмечены на устройствах сигнализации и индикации.

6.11.3 Требования к маслонаполненным трансформаторам

6.11.3.1 Конструкция маслонаполненных трансформаторов должна обеспечивать их герметичность. Техническая документация на маслонаполненные трансформаторы должна содержать требования по проверке герметичности конструкции, а также требования и периодичность проверки газо- и влагосодержания масла, заливаемого в трансформаторы перед вводом в эксплуатацию и в процессе эксплуатации.

6.11.3.2 Маслонаполненные трансформаторы массой масла более 10 кг должны быть снабжены арматурой для заливки, отбора проб и слива масла. Арматура должна быть расположена на заземленных частях трансформатора.

6.11.3.3 Арматура для отбора проб масла должна обеспечивать плавное регулирование вытекающей струи масла.

6.11.3.4 Марка и количество масла, применяемого в трансформаторе, должны быть указаны в нормативных документах на трансформаторы конкретных типов.

Допускается вместо марки масла указывать технические требования к маслу.

6.11.3.5 Конструкция маслонаполненных трансформаторов должна обеспечивать сброс давления при чрезмерном увеличении давления внутри трансформатора при давлении не более 0,75 от минимального разрушающего давления.

6.11.4 Требования к газонаполненным трансформаторам

6.11.4.1 Конструкция газонаполненных трансформаторов должна обеспечивать сброс давления для защиты трансформатора от разрушения в случае чрезмерного увеличения давления газа внутри трансформатора.

6.11.4.2 Относительная скорость утечки газа газонаполненного трансформатора не должна превышать 0,2% в год от массы газа.

6.11.4.3 В газонаполненных трансформаторах измеренное значение температуры точки росы должно быть не выше минус 5 °C при номинальном давлении заполнения и при температуре окружающей среды 20 °C.

6.11.4.4 В нормативных документах на трансформаторы конкретных типов изготовитель должен указывать тип, требуемое количество и качество газа, используемого в трансформаторе, или марку и рекомендации по работе с газом, в том числе порядок заправки и дозаправки - в зависимости от условий окружающей среды.

6.11.4.5 Газонаполненные трансформаторы должны в течение 1 мин выдерживать избыточное давление газа, превышающее давление, предусмотренное конструкцией по 6.11.4.1 не менее чем в 1,25 раза.

6.11.4.6 Газонаполненные трансформаторы на номинальное напряжение 10 кВ и выше должны быть снабжены арматурой для заправки, пополнения, отбора проб или сброса давления газа. Арматура должна располагаться на заземленных частях трансформатора.

6.11.5 Заземление

6.11.5.1 Трансформаторы должны иметь заземляющий зажим для заземления корпусов изделий и подсоединения заземляющих проводников в соответствии с требованиями ГОСТ 21130 и ГОСТ 12.2.007.0.

6.11.5.2 Около заземляющего зажима должен быть нанесен знак заземления по ГОСТ 21130. Способ нанесения знака заземления должен обеспечивать его долговечность и стойкость к атмосферным воздействиям.

6.11.6 Применяемые в конструкции трансформаторов материалы должны обеспечивать выполнение требований к характеристикам пожаровзрывоопасности в соответствии с требованиями ГОСТ 12.1.044.

В нормативных документах на трансформаторы конкретных типов изготовитель должен указывать группу горючести веществ и материалов, применяемых в конструкции.

6.11.7 Требования к защите от внутреннего дугового короткого замыкания

6.11.7.1 Данное требование относится к трансформаторам на номинальное напряжение 110 кВ и выше, для которых производителем указан класс защиты от внутреннего дугового замыкания.

6.11.7.2 Класс защиты (I или II) при внутреннем дуговом замыкании должен быть указан в нормативных документах на трансформаторы конкретных типов.

6.11.7.3 Значение тока внутреннего дугового повреждения трансформатора должно быть указано в нормативных документах на трансформаторы конкретных типов и в эксплуатационной документации.

6.11.7.4 Критерии состояния при различной длительности дуги приведены в таблице 5. Трансформатор должен соответствовать критериям состояния для обеих длительностей по таблице 5.

Таблица 5 - Критерии состояния

Ток короткого замыкания (действующее значение), кА

Длительность тока, с

Критерий состояния

Класс защиты I

Класс защиты II

<40

0,2

Допускается повреждение и воспламенение, но при этом все разлетевшиеся части в результате повреждения не должны выходить за пределы ограниченной области, определяемой в соответствии с 9.10

Без внешних эффектов, кроме работы устройств сброса давления

0,5

Без фрагментации (допускается прожог или воспламенение)

≥ 40

0,1

Без внешних эффектов, кроме работы устройств сброса давления

0,3

Без фрагментации (допускается прожог или воспламенение)

Примечание - Под фрагментацией понимается образование частей, частиц или брызг.

6.11.8 Трансформаторы должны иметь устройство для подъема, опускания и удержания их на весу по ГОСТ 12.2.007.0.

6.11.9 Металлические части трансформатора, подверженные коррозии под воздействием климатических факторов внешней среды, должны иметь защитное покрытие от коррозии на весь срок службы трансформатора. Требования к защитному покрытию должны быть указаны в нормативных документах на трансформаторы конкретных типов.

6.12 Требования к надежности

6.12.1 В нормативных документах на трансформаторы конкретных типов следует устанавливать среднюю наработку до отказа в соответствии с ГОСТ 27.003.

6.12.2 Средний срок службы трансформаторов должен быть указан в нормативных документах и эксплуатационной документации на трансформаторы конкретных типов. Рекомендуется устанавливать средний срок службы не менее 25 лет.

6.12.3 В эксплуатационной документации на трансформаторы конкретных типов должны быть указаны методы устранения возможных неисправностей.

6.12.4 В эксплуатационной документации на трансформаторы конкретных типов должны быть даны рекомендации по действиям персонала при снижении уровня масла или давления (плотности) газа ниже минимального.

6.13 Комплектность

6.13.1 Комплектность трансформатора должна быть установлена в нормативных документах на трансформаторы конкретных типов.

6.13.2 К трансформаторам прилагают эксплуатационную документацию по ГОСТ Р 2.601: паспорт, руководство по эксплуатации, ведомости запасных частей, инструментов и принадлежностей (при наличии).

6.14 Маркировка

6.14.1 Каждый трансформатор должен иметь табличку (таблички), на которой(ых) указывают:

а) товарный знак или наименование предприятия-изготовителя;

б) наименование (например, трансформатор тока и т.д.);

в) условное обозначение трансформатора;

г) заводской номер по системе нумерации предприятия-изготовителя;

д) номинальную частоту, Гц (при частоте 50 Гц допускается не указывать);

е) все параметры, относящиеся к метрологическим и другим параметрам вторичных обмоток в соответствии со стандартом конкретного вида трансформатора;

ж) номинальное давление заполнения/минимальное рабочее давление (для газонаполненных трансформаторов);

и) уровень изоляции обмотки высокого напряжения (кроме встроенных ТТ) - напряжение промышленной частоты/напряжение полного грозового импульса/напряжение срезанного грозового импульса/напряжение коммутационного импульса.

Примечания

1 При отсутствии требования вместо испытательного напряжения ставят прочерк "-".

2 Уровень изоляции обмотки высокого напряжения указывают по требованию заказчика.

Пример - Для ТН на номинальное напряжение 110 кВ - 200/480/550/-;

к) массу трансформатора (только для трансформаторов массой от 10 кг и выше), кг;

л) обозначение нормативных документов на трансформаторы конкретных типов или обозначение настоящего стандарта;

м) год выпуска.

6.14.2 Допускается на табличке указывать дополнительные сведения.

6.14.3 Для встроенных трансформаторов, предназначенных для использования внутри другого изделия, табличку (таблички) с техническими данными следует дополнительно помещать на корпусе этого изделия.

6.14.4 Части трансформаторов, транспортируемых в разобранном виде, должны иметь маркировку, облегчающую сборку трансформаторов на месте монтажа. В эксплуатационной документации должны быть даны рекомендации по сборке и монтажу.

6.14.5 Способ нанесения маркировки на таблички, а также способ маркирования выводов обмоток (в соответствии с 6.10) должны обеспечивать четкость надписей в течение всего срока службы трансформатора.

6.14.6 Маркировка транспортной тары - по ГОСТ 14192.

6.15 Упаковка

6.15.1 Все металлические части трансформатора (включая запасные части, при их наличии), подверженные воздействию внешней среды в процессе транспортирования и хранения, должны быть законсервированы с использованием смазок или другим способом на срок хранения три года.

6.15.2 Упаковка должна обеспечивать сохранность трансформаторов при их транспортировании. Вид упаковки должен быть указан в нормативных документах на трансформаторы конкретных типов.

7 Требования безопасности

7.1 Требования безопасности к конструкции трансформаторов - по ГОСТ 12.2.007.0 и ГОСТ 12.2.007.3.

7.2 Требования безопасности при испытаниях трансформаторов - по ГОСТ 12.3.019.

7.3 Минимальная степень защиты оболочек трансформаторов, используемых для установки внутри помещения, - IP 20 по ГОСТ 14254.

Примечание - Данное требование не распространяется на установки, в которых обслуживающий персонал не может получить доступ к трансформатору без предварительного снятия напряжения с трансформатора и принятия соответствующих мер безопасности (например, блокировки, выполнения особых инструкций по эксплуатации и т.п.). В таком случае документация на изделие должна содержать четкие указания о необходимости принятия данных мер.

Минимальная степень защиты оболочек трансформаторов наружной установки - IP44 по ГОСТ 14254.

8 Правила приемки

8.1 Для проверки соответствия трансформаторов требованиям настоящего стандарта следует проводить следующие испытания:

- в целях утверждения типа;

- квалификационные;

- приемо-сдаточные;

- периодические;

- типовые;

- испытания на месте эксплуатации (при вводе в работу и в процессе эксплуатации).

Испытания проводят на полностью собранных образцах, если необходимость испытаний на отдельных элементах трансформаторов не оговорена требованиями других стандартов.

8.2 Общие положения

8.2.1 При испытаниях в целях утверждения типа, квалификационных, периодических и типовых, отдельные испытания, не влияющие на результаты других испытаний, предусмотренных в таблице 6, допускается проводить на разных образцах трансформаторов (параллельные испытания). Перечень параллельных испытаний следует устанавливать в нормативных документах на трансформаторы конкретных типов.

Таблица 6 - Объем испытаний

Наименование испытания и проверки

Необходимость проведения испытаний

Технические требования (пункты настоящего стандарта)

Метод контроля (пункты настоящего стандарта)

в целях утверждения типа

квалификационных

приемо-сдаточных

периодических

1 Проверка на соответствие требованиям сборочного чертежа

+

+

+

+

6.1;

6.10;

6.11

9.1

2 Испытание на сейсмостойкость

-

+

-

-

6.3

9.14

3 Испытание электрической прочности изоляции первичной обмотки одноминутным напряжением промышленной частоты

-

+

+

+

6.4.1

9.2.1

4 Испытание электрической прочности изоляции первичной обмотки одноминутным напряжением промышленной частоты газонаполненных трансформаторов при давлении газа, равном атмосферному

-

+

-

-

6.4.9

9.2.10

5 Испытание электрической прочности изоляции напряжениями грозовых импульсов

-

+

-

-

6.4.1

9.2.1

6 Испытание электрической прочности изоляции первичной обмотки трансформаторов на номинальное напряжение 330 кВ и выше напряжением коммутационного импульса

-

+

-

-

6.4.1

9.2.1

7 Испытание внутренней изоляции первичной обмотки маслонаполненных трансформаторов на стойкость к тепловому пробою

-

О

-

-

6.4.2

9.2.2

8 Испытание электрической прочности изоляции вторичных обмоток одноминутным напряжением промышленной частоты

-

+

+

+

6.4.3

9.2.3

9 Измерение сопротивления изоляции обмоток

-

+

+

+

6.4.4

9.2.4

10 Испытание изоляции первичной обмотки маслонаполненных трансформаторов на номинальное напряжение 330 кВ и выше многократными срезанными импульсами

-

О

-

-

6.4.5

9.2.5

11 Измерение уровня частичных разрядов

-

+

+

+

6.4.6

9.2.6

12 Измерение тангенса угла диэлектрических потерь изоляции первичной обмотки маслонаполненных трансформаторов

-

+

+

+

6.4.7

9.2.7

13 Испытание масла маслонаполненных трансформаторов:

- определение пробивного напряжения

-

+

+

+

6.4.7

9.2.8

- определение тангенса угла диэлектрических потерь масла

-

+

+

+

6.4.7

9.2.8

- определение газо- и влагосодержания (хроматографический анализ)

-

+

-

-

6.11.3.1

9.2.8

14 Проверка длины пути утечки внешней изоляции

-

+

-

-

6.4.8

9.2.9

15 Измерение сопротивления первичных и вторичных обмоток постоянному току

+

+

+

+

6.5

9.5

16 Испытание внешней изоляции в отношении уровня радиопомех

-

+

-

-

6.6

9.3

17 Определение относительной скорости утечки газа газонаполненных трансформаторов

-

+

+

+

6.11.4.2

9.4

18 Испытание маслонаполненных трансформаторов на герметичность

-

+

+

+

6.11.3.1

9.6

19 Испытание на устойчивость к воздействию климатических факторов внешней среды

+

+

-

О

6.2.1

9.7

20 Испытание на устойчивость к воздействию механических факторов

-

+

-

-

6.2.5

9.7

21 Испытание на прочность при транспортировании

-

+

-

-

6.15.2; 10.1

9.8

22 Испытание упаковки на сбрасывание

-

+

-

-

6.15.2; 10.1

9.9

23 Подтверждение средней наработки до отказа *

-

-

-

+

6.12.1

9.13

24 Испытание на степень защиты оболочек

-

+

-

-

7.3

9.11

25 Испытание на внутреннее дуговое короткое замыкание трансформаторов

-

О

-

-

6.11.7

9.10

26 Испытание газонаполненных трансформаторов повышенным давлением

-

+

+

+

6.11.4.5

9.12

* Подтверждение средней наработки до отказа первый раз проводят через 10 лет после начала серийного производства, затем - не реже одного раза в пять лет.

Примечание - Знак "+" означает, что испытание проводят; знак "-" - не проводят, буква "О" означает, что испытание проводят, если это указано в нормативных документах на трансформаторы конкретных типов.

8.2.2 Допускается совмещение отдельных видов испытаний, перечисленных в 8.1. При наличии различных исполнений трансформаторов испытания в целях утверждения типа, квалификационные, периодические и типовые следует проводить на типоисполнениях, для которых результаты испытаний могут быть приняты за результаты испытаний прототипа.

8.2.3 Типоисполнения и число трансформаторов, подвергаемых каждому испытанию, следует указывать в нормативных документах на трансформаторы конкретных типов.

8.2.4 При приемо-сдаточных испытаниях трансформаторы предъявляют к приемке поштучно или партиями и подвергают проверке сплошным контролем.

8.2.5 Объем, периодичность, нормы и методы испытаний трансформатора на месте эксплуатации устанавливает производитель и указывает в эксплуатационной документации.

8.2.6 Отдельные испытания допускается проводить на сборочных единицах и деталях трансформатора. Допускается по согласованию между потребителем и изготовителем при квалификационных, периодических, типовых испытаниях и испытаниях в целях утверждения типа засчитывать испытания трансформаторов других типов, имеющих аналогичные конструктивные или технологические решения и одинаковые применяемые материалы, при наличии таких указаний в нормативных документах на трансформаторы конкретных типов.

8.2.7 Последовательность испытаний может быть произвольной, если иные требования не установлены в нормативных документах на трансформаторы конкретных типов.

8.2.8 При отрицательных результатах приемо-сдаточных, периодических и типовых испытаний, после устранения дефектов, повторные испытания проводят в полном объеме или в технически обоснованных случаях в сокращенном объеме: повторяют испытания, по которым получены неудовлетворительные результаты, испытания, которые могли повлиять на возникновение дефектов, а также испытания, которые не проводились. При прохождении полного объема испытаний трансформатор считается исправным и может быть отгружен заказчику.

8.2.9 Испытательное оборудование должно быть аттестовано в установленном порядке.

8.3 Квалификационные испытания

8.3.1 Порядок проведения квалификационных испытаний - по ГОСТ Р 15.301 и ГОСТ 15.309.

8.3.2 Допускается засчитывать в качестве квалификационных испытаний испытания опытных образцов, проведенные в соответствии с таблицей 6, если соблюдены следующие условия:

- опытные образцы были изготовлены по технологии и на оборудовании, предназначенном для серийного производства;

- при изготовлении установочной серии не проводилась доработка конструкции, требующая проведения испытаний;

- время, прошедшее после испытаний опытных образцов, не превышает срок, установленный для периодических испытаний.

8.4 Приемо-сдаточные испытания проводит служба технического контроля или другая уполномоченная на это служба предприятия-изготовителя.

Каждый трансформатор следует подвергать первичной поверке.

8.5 Основные положения по проведению и порядок проведения периодических испытаний - по ГОСТ 15.309.

8.6 Типовые испытания следует проводить в полном или сокращенном объеме квалификационных испытаний при изменении конструкции, применяемых материалов или технологии производства, если эти изменения могут оказать влияние на характеристики или параметры трансформаторов.

В зависимости от характера вносимого(ых) изменения(й) испытаниям допускается подвергать отдельные сборочные единицы, детали, образцы материалов и др.

8.7 При возобновлении выпуска или переносе производства следует проводить типовые испытания трансформаторов на образцах первой партии, изготовленной после возобновления или переноса производства.

8.8 Испытания трансформаторов, предназначенных для работы при частотах 50 и 60 Гц, на соответствие всем требованиям настоящего стандарта проводят при частоте 50 Гц, о чем указывают в паспорте.

9 Методы контроля

9.1 Проверка на соответствие требованиям сборочного чертежа

9.1.1 Проверке подлежат:

- габаритные 1, установочные и присоединительные размеры, для которых на сборочном чертеже указаны предельные отклонения;

- масса трансформатора 1;

- состояние поверхности наружных изоляционных частей;

- состояние защитных покрытий наружных частей;

- состояние площадок под заземляющие зажимы;

- правильность заполнения табличек технических данных;

- маркировка выводов;

- комплектность;

- выполнение требований 6.11.

--------------------------------

1 При приемо-сдаточных испытаниях допускается не проводить.

Проверку проводят внешним осмотром, измерением универсальным измерительным инструментом, шаблонами, а также взвешиванием трансформатора на весах общего применения или с использованием пружинного динамометра.

9.1.2 При приемо-сдаточных испытаниях размеры допускается проверять на деталях и сборочных единицах до сборки трансформатора.

9.1.3 Допускается определять массу трансформатора суммированием масс его отдельных сборочных единиц (взвешивание по частям).

9.2 Испытание изоляции

9.2.1 Испытание электрической прочности изоляции первичной обмотки напряжениями грозовых импульсов, коммутационных импульсов и одноминутным напряжением промышленной частоты - по ГОСТ Р 55194 и ГОСТ Р 55195.

9.2.2 Испытание внутренней изоляции первичной обмотки маслонаполненных трансформаторов на стойкость к тепловому пробою - по ГОСТ Р 55194.

9.2.3 Испытание электрической прочности изоляции вторичных обмоток одноминутным напряжением промышленной частоты относительно заземленных частей, а для трансформаторов с несколькими вторичными обмотками и для трансформаторов, установленных в один блок также относительно друг друга - по ГОСТ Р 55194.

9.2.4 Измерение сопротивления изоляции обмоток проводят мегаомметром на напряжение 2500 В для первичных обмоток и на напряжение 1000 В - для вторичных обмоток. Методика испытаний должна быть указана в нормативных документах на трансформаторы конкретных типов.

9.2.5 Испытание изоляции первичной обмотки маслонаполненных трансформаторов на номинальное напряжение 330 кВ и выше многократными срезанными импульсами

9.2.5.1 Испытание проводят с приложением многократных импульсов отрицательной полярности.

9.2.5.2 Испытательное напряжение прикладывают между объединенными выводами первичной обмотки и землей (для ТТ) или между выводом высокого напряжения и заземляемым выводом первичной обмотки (для заземляемых ТН). Корпус, сердечник (если предусматривается его заземление), а также все выводы вторичных обмоток должны быть заземлены.

9.2.5.3 Амплитудное значение испытательного напряжения должно составлять 70% номинального выдерживаемого напряжения грозового импульса. Фронт импульса испытательного напряжения должен представлять собой волну 1,2/50 мкс.

9.2.5.4 Время до первого перехода напряжения через ноль непосредственно после среза не должно превышать 0,5 мкс, наибольшее значение колебаний после среза должно составлять не более 30% максимального значения срезанного импульса.

9.2.5.5 Прикладывают 600 последовательных импульсов с периодичностью не более 1 имп./мин.

Регистрируют форму волны в начале и в конце испытания, а также после приложения каждых 100 импульсов (минимум).

Примечание - При типовых испытаниях количество импульсов может быть уменьшено до 100 при условии сохранения уровня частичных разрядов и концентрации растворенных газов до и после испытаний.

9.2.5.6 Критерии оценки результатов основываются на следующих требованиях:

- сравнение импульсных напряжений, зафиксированных в начале и после приложения каждого 100-го импульса, не должно выявлять наличие каких-либо изменений;

- уровень измеренных частичных разрядов после испытаний не должен превышать значения, указанного в 6.4.6;

- результаты измерений емкости и тангенса угла диэлектрических потерь до испытаний и по истечении 24 ч после завершения испытания должны быть одинаковыми, за исключением погрешности, обусловленной используемой методикой испытания и воздействием пренебрежимо малых величин, которые могут влиять на результат (например, температура изоляционных материалов);

- предельная концентрация растворенных газов в масле, измеряемая по истечении 72 ч после испытания, не должна выходить за пределы значений, указанных в нормативных документах на трансформаторы конкретных типов.

Если любое из указанных требований не выполняется, считают, что измерительный трансформатор не прошел испытание.

9.2.6 Измерение уровня частичных разрядов проводят по ГОСТ Р 55195 и ГОСТ Р 55191.

Трансформаторы считаются выдержавшими испытание, если ни в одном из измерений значение частичного разряда не превышает нормируемого значения.

9.2.7 Измерение тангенса угла диэлектрических потерь изоляции первичной обмотки маслонаполненных трансформаторов - по ГОСТ 3484.3.

9.2.8 Определение пробивного напряжения и тангенса угла диэлектрических потерь при испытании пробы масла - по ГОСТ 6581. Для трансформаторов на номинальное напряжение до 35 кВ включительно пробу масла отбирают в тот же день из емкости, из которой масло заливается в трансформатор, а для трансформаторов на номинальное напряжение 110 кВ и выше - непосредственно из трансформатора. Порядок взятия пробы должен быть установлен в нормативных документах на трансформаторы конкретных типов.

Методы определения газо- и влагосодержания, а также проведения хроматографического анализа содержащихся в масле газов должны быть указаны в нормативных документах на трансформаторы конкретных типов.

9.2.9 Проверка длины пути утечки внешней изоляции - по ГОСТ 9920.

9.2.10 Испытание изоляции первичной обмотки одноминутным напряжением промышленной частоты газонаполненных трансформаторов при давлении газа, равном атмосферному, - по ГОСТ Р 55194. Давление газа (плотность) должно быть равно нормальным атмосферным условиям по 6.2.3.

9.2.11 Испытание изоляции первичной обмотки, проводимое в качестве критерия успешности других испытаний, проводят одноминутным испытательным напряжением, равным 90% от нормированного по ГОСТ Р 55195, и времени воздействия 1 мин, вне зависимости от вида изоляции.

9.3 Испытание внешней изоляции в отношении уровня радиопомех

9.3.1 Трансформатор в собранном виде должен быть установлен на испытательном поле в соответствии с указаниями ГОСТ Р 55194.

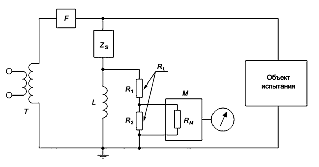
9.3.2 Измерительная цепь (см. рисунок 1) должна соответствовать методическим указаниям [2]. Измерительная цепь должна быть предпочтительно настроена на частоту 0,5 МГц с отклонением в пределах 10%, могут быть использованы другие частоты в диапазоне от 0,5 до 2 МГц. Частота измерения должна быть указана в протоколе испытаний, результаты должны быть выражены в микровольтах.

image0igr1.png

F - фильтр; M - измерительный блок; ZS - элемент связи, может быть или конденсатором, или цепью, состоящей из последовательно соединенных конденсаторов и катушки индуктивности; RL - эквивалентное сопротивление R1, последовательно соединенное с параллельной комбинацией R2 и эквивалентным сопротивлением измерительного блока; RM - сопротивление измерительного блока; L – полное сопротивление, используемое для шунтирования токов промышленной частоты и компенсации паразитной емкости при частоте измерения

Рисунок 1 - Схема измерительной цепи для испытания трансформаторов на радиопомехи

9.3.3 Значение полного сопротивления испытательной цепи должно быть (300 ± 40) Ом, угол между активным и реактивным сопротивлениями испытательной цепи не должен превышать 20° на частоте измерения.

9.3.4 Фильтр F должен иметь высокий импеданс на частоте измерения - такой, чтобы импеданс между проводником высокого напряжения и землей не был заметно шунтирован, если рассматривать со стороны испытуемого трансформатора; значение его импеданса находится в диапазоне от 10 000 до 20 000 Ом на частоте измерения.

9.3.5 При испытании должны быть приняты меры для снижения влияния на результаты измерения заземленных и незаземленных посторонних окружающих предметов. Внешний фон радиопомех (уровень радиопомех, создаваемых внешним полем и испытательным трансформатором) должен быть не менее чем на 6 дБ ниже нормированного уровня радиопомех.

9.3.6 Условия проведения испытания в соответствии с ГОСТ Р 55194 со следующими дополнениями:

а) испытательное напряжение следует прикладывать между одним из выводов первичной обмотки и заземленным основанием. Корпус, бак, основание и другие нормально заземляемые части (например, магнитопровод, один из выводов каждой вторичной обмотки) должны быть заземлены;

б) должно быть предусмотрено дополнительное экранирование выводов первичной обмотки, моделирующих условия эксплуатации, для исключения повышенного уровня радиопомех. Испытательные присоединения и их оконцевания не должны быть источником напряжения радиопомех более высоких значений.

9.3.7 Испытания проводят по методике ГОСТ Р 55194.

9.3.8 Измеренный уровень радиопомех испытуемого трансформатора не должен превышать значения, указанного в 6.6.

9.4 Определение относительной скорости утечки газа газонаполненных трансформаторов

9.4.1 Испытание по определению утечки проводят при температуре (20 ± 10) °C в соответствии с ГОСТ 28517 [рекомендуется использовать "способ камеры (чехла)"].

После установки трансформатора, заполненного до номинального рабочего давления, в его замкнутый объем вводят щуп чувствительного прибора (течеискателя), реагирующего на малые концентрации газа, которым заполнен испытуемый трансформатор, и фиксируют показания прибора. Через определенный промежуток времени выдержки трансформатора в замкнутом объеме (например, через 1 ч) измерение повторяют.

9.4.2 Годовую утечку газа q, % массы газа в испытуемом трансформаторе, определяют по формуле

image0igr2.png, (1)

где ΔC - разность концентрации газа в объеме испытуемой камеры за время выдержки, г/л;

P0 - давление газа, равное 101,3 кПа;

ΔV - разность между объемом газа в испытуемой камере и наружным объемом испытуемого трансформатора, определяемая по формуле

ΔV = Vик – Vко,

здесь Vик - объем испытуемой камеры (чехла), л;

Vко - объем контролируемого объекта, л;

d - плотность газа в трансформаторе при нормальных условиях, кг/м3;

t - время между измерениями, ч;

Pном - номинальное давление газа в трансформаторе (абсолютное), кПа;

Vгт - объем газа в трансформаторе, л.

Примечания

1 Значения объемов, необходимых для вычисления утечки, должны быть найдены с погрешностью, не превышающей 20%.

2 Если шкала прибора для определения утечки не калибрована непосредственно для определения значения концентрации (г/л), эти значения находят по зависимости C = f(н), где н - показания прибора в единицах шкалы, приложенной к свидетельству об аттестации (калибровке), проводимой в установленном порядке.

Допускается использование "способа разъемных местных камер (чехлов)", закрывающих стыковые соединения и сварные швы. В данном случае годовую утечку газа q определяют как сумму утечек газа, рассчитанную по формуле (1) для каждого разъемного узла.

9.5 Измерение сопротивления первичных и вторичных обмоток постоянному току

9.5.1 Измерение сопротивления первичных обмоток - в соответствии со стандартом на конкретный вид трансформатора.

9.5.2 Измерение сопротивления вторичных обмоток постоянному току следует выполнять прибором класса точности не менее 0,5. При измерении сопротивления необходимо отметить температуру обмоток в протоколе испытаний. В обоснованных случаях за температуру обмотки допускается принимать температуру окружающей среды, если время выдержки обмотки достаточно для выравнивания температур.

9.6 Общие требования к методам испытаний трансформаторов на герметичность должны соответствовать ГОСТ 24054.

Продолжительность испытания, нормированное избыточное давление, температура изолирующей среды должны быть указаны в нормативных документах на трансформаторы конкретных типов.

9.7 Методы и виды испытаний трансформаторов на устойчивость к климатическим внешним воздействующим факторам по ГОСТ 16962.1 и механическим внешним воздействующим факторам по ГОСТ 16962.2 должны быть указаны в нормативных документах на трансформаторы конкретных типов в зависимости от исполнения и конструктивных особенностей трансформаторов.

9.7.1 При оценке успешности климатических испытаний методы проверки метрологических характеристик должны быть указаны в нормативных документах на трансформаторы конкретных типов в зависимости от исполнения и конструктивных особенностей трансформаторов. При этом измеренные погрешности не должны превышать значений, установленных в 6.7 для соответствующих классов точности, указанных в нормативных документах на трансформаторы конкретных типов.

9.7.2 При испытаниях трансформаторов на воздействие испытательных статических нагрузок основание трансформатора жестко закрепляют, а к середине вывода его первичной обмотки прикладывают испытательную нагрузку, равную значению, указанному в 6.2.5. Указанную нагрузку прикладывают поочередно в трех взаимно перпендикулярных направлениях: в горизонтальной плоскости по оси вывода; в горизонтальной плоскости в направлении, перпендикулярном к оси вывода; в вертикальной плоскости по направлению к основанию.

В каждом направлении время выдержки нагрузки - 1 мин.

Трансформатор считают выдержавшим испытание, если во время и после его проведения не отмечено повреждение трансформатора или вывода, течи масла у маслонаполненных и увеличение утечки газа у газонаполненных трансформаторов.

9.8 Испытание на прочность при транспортировании

9.8.1 Методы испытания на прочность при транспортировании - по ГОСТ 23216 - должны быть приведены в нормативных документах на трансформаторы конкретных типов.

9.8.2 После испытания трансформаторы распаковывают, проводят внешний осмотр трансформаторов, тары, креплений, а также проверяют параметры, установленные в нормативных документах на трансформаторы конкретных типов.

9.8.3 Трансформатор и его упаковку считают выдержавшими испытание, если:

а) при внешнем осмотре упаковки не обнаружены механические повреждения тары, ведущие к потере защитных свойств, а также нарушения креплений упакованных изделий в таре. Допускается ослабление креплений изделия в таре, если это не привело к повреждению трансформатора в процессе испытания;

б) при внешнем осмотре трансформатора не обнаружены повреждения, препятствующие его работе; другие критерии оценки могут быть установлены в нормативных документах на трансформаторы конкретных типов.

9.8.4 При упаковке нескольких трансформаторов в один ящик допускается проверку параметров проводить выборочно. Число подлежащих испытанию трансформаторов должно быть указано в нормативных документах на трансформаторы конкретных типов.

9.8.5 Для крупногабаритных трансформаторов испытание допускается не проводить, а способность трансформаторов и упаковки противостоять разрушающему действию механических нагрузок при транспортировании допускается оценивать на основании результатов транспортирования потребителю этих или аналогичных им изделий.

9.9 Испытание упаковки на сбрасывание

9.9.1 Методы испытания упаковки трансформаторов на сбрасывание - по ГОСТ 18425 - должны быть указаны в нормативных документах на трансформаторы конкретных типов.

9.9.2 Испытанию подвергают упаковку суммарной массой (вместе с упакованным изделием) до 200 кг. Упаковку суммарной массой более 200 кг, а также упаковку, маркированную знаком "Хрупкое. Осторожно", испытанию на прочность при сбрасывании не подвергают.

9.9.3 Ящик (упаковку) с находящимся в нем трансформатором (трансформаторами) или макетом, имитирующим упакованные трансформаторы, сбрасывают один раз на площадку по ГОСТ 18425 на его торцевую сторону с высоты:

- 0,5 м - при суммарной массе трансформатора и упаковки до 100 кг включительно;

- 0,3 м - при суммарной массе трансформатора и упаковки от 100 до 200 кг включительно.

9.9.4 По окончании испытания проводят внешний осмотр упаковки.

9.9.5 Упаковку считают выдержавшей испытание, если при внешнем осмотре не обнаружено серьезных повреждений, ведущих к потере ее защитных свойств. Допускается ослабление отдельных креплений.

9.10 Испытание на внутреннее дуговое короткое замыкание трансформаторов

9.10.1 Испытание трансформатора проводят при номинальных условиях эксплуатации, при температуре окружающей среды, существующей во время испытания.

9.10.2 Трансформатор устанавливают на фундамент высотой не менее 500 мм.

9.10.3 При испытании объекта класса защиты I на внутреннее дуговое замыкание необходимо определить границы участка вокруг тестируемого объекта, за пределы которого не допускается разлета фрагментов. Диаметр данного участка должен быть равен диаметру трансформатора (по самому большому размеру) плюс высота образца, умноженная на два, но не менее 2 м.

9.10.4 Испытательный ток должен соответствовать следующему:

- периодическая составляющая - усредненное за время протекания тока действующее значение - не менее указанного в 6.11.7.3, но оно не должно превышать его более чем на 10%;

- испытательный ток должен содержать апериодическую составляющую с постоянной времени по ГОСТ Р 52565, а также см. [3]; первое пиковое значение тока должно не менее чем в 1,8 раза превышать амплитудное значение периодической составляющей по 6.11.7.3;

- длительность тока должна быть не менее указанного в таблице 5.

Частота испытательного тока должна быть в пределах от 48 до 62 Гц.

Мощность источника питания должна быть достаточной для практического поддержания синусоидального тока дугового замыкания на протяжении всего испытания.

9.10.5 В качестве источника дуги через главную изоляцию внутри испытуемого объекта допускается использовать медный провод диаметром от 1 до 1,5 мм, размещаемый между частями высокого и низкого напряжений, или аналогичное ему приспособление.

Место установки должно быть указано в нормативных документах на трансформаторы конкретных типов.

9.10.6 Испытания для двух длительностей короткого замыкания могут быть совмещены в одном опыте с длительностью протекания тока, соответствующего большей длительности, если имеется надежная регистрация того, что после времени, соответствующего меньшей длительности, выполнялся соответствующий критерий (например, синхронная видеозапись). Если в этом опыте не удалось достоверно зафиксировать поведение объекта за время, соответствующее меньшей длительности, опыт с меньшей длительностью тока выполняют отдельно.

9.10.7 Трансформатор считают прошедшим испытание, если его результат удовлетворяет критериям соответствующего класса защиты.

9.10.8 Если трансформатор аналогичной конструкции уже прошел квалификационные испытания (на соответствие технической документации), изготовитель предъявляет протокол распространения результатов испытаний, подтверждающий способность данного трансформатора, который не подвергался упомянутым выше испытаниям, к выдерживанию внутреннего дугового замыкания без проведения дополнительного испытания.

9.10.9 В технически обоснованных случаях допускается проведение испытания другим методом.

9.11 Испытание на степень защиты оболочек

Испытания проводят в соответствии с ГОСТ 14254 на корпусах всех элементов полностью собранного трансформатора для условий его эксплуатации.

9.12 Испытание газонаполненных трансформаторов повышенным давлением

9.12.1 Перед проведением испытания узел трансформатора, обеспечивающий сброс давления при чрезмерном увеличении, должен быть заблокирован (заменен технологической заглушкой или иным способом).

9.12.2 Трансформатор заполняют до избыточного давления, указанного в 6.11.4.5, и выдерживают в течение 1 мин.

9.12.3 Трансформатор считают выдержавшим испытание, если:

- не произошло резкого сброса давления;

- при визуальном осмотре не обнаружено повреждений.

9.13 Подтверждение средней наработки до отказа проводят на основании сбора у потребителей и обработки информации о работе трансформаторов или их прототипов по ГОСТ Р 27.301.

9.14 Методы испытаний и расчета трансформаторов на сейсмостойкость проводят по ГОСТ 30546.1 и ГОСТ 30546.2, и они должны быть указаны в нормативных документах на трансформаторы конкретных типов в зависимости от исполнения и конструктивных особенностей трансформаторов.

10 Транспортирование и хранение

10.1 Транспортирование

10.1.1 Требования к транспортированию в части воздействия механических факторов по ГОСТ 23216 и климатических факторов внешней среды по ГОСТ 15150 должны быть указаны в нормативных документах на трансформаторы конкретных типов.

10.1.2 При транспортировании в транспортных контейнерах трансформаторы без индивидуальной упаковки должны быть надежно закреплены и предохранены от механических повреждений.

10.1.3 Допускается транспортирование трансформаторов в пределах одного города без упаковки при условии принятия необходимых мер, исключающих возможность их повреждения.

10.2 Хранение

Требования к хранению трансформаторов в части воздействия климатических факторов внешней среды по ГОСТ 15150 должны быть указаны в нормативных документах на трансформаторы конкретных типов.

11 Указания по эксплуатации

При вводе трансформаторов в эксплуатацию, а также в процессе эксплуатации трансформаторов следует соблюдать требования, установленные в нормативных документах на трансформаторы конкретных типов.

12 Гарантии изготовителя

12.1 Изготовитель гарантирует соответствие трансформаторов требованиям настоящего стандарта при соблюдении условий применения, эксплуатации, хранения и транспортирования, установленных настоящим стандартом.

12.2 Гарантийный срок эксплуатации исчисляется со дня ввода трансформатора в эксплуатацию, но не позднее 6 мес со дня поступления трансформатора заказчику, и он должен быть указан в эксплуатационной документации. Рекомендуется устанавливать гарантийный срок 60 мес.

Библиография

[1]

Постановление Правительства Российской Федерации от 13 августа 2018 г. N 937 "Об утверждении Правил технологического функционирования электроэнергетических систем и о внесении изменений в некоторые акты Правительства Российской Федерации"

[2]

РД 50-725-93

Методические указания. Совместимость технических средств электромагнитная. Радиопомехи индустриальные от воздушных линий электропередачи и высоковольтного оборудования. Методы измерения и процедура установления норм

[3]

МЭК 62271-1:2017

Коммутационная аппаратура и аппаратура управления высоковольтная. Часть 1. Общие технические требования к коммутационной аппаратуре управления переменного тока (High-voltage switchgear and controlgear - Part 1: Common specifications for alternating current switchgear and controlgear)

Последние добавленные документы

Самые популярные документы

Яндекс.Метрика