ГОСТ Р 58324-2023 ПОТОЛКИ ПОДВЕСНЫЕ МИНЕРАЛОВАТНЫЕ. ТЕХНИЧЕСКИЕ УСЛОВИЯ
Утв. и введен в действие Приказом Федерального агентства по техническому регулированию и метрологии от 29 декабря 2023 г. N 1748-ст
Национальный стандарт РФ ГОСТ Р 58324-2023
"ПОТОЛКИ ПОДВЕСНЫЕ МИНЕРАЛОВАТНЫЕ. ТЕХНИЧЕСКИЕ УСЛОВИЯ"
Mineral wool suspended ceilings. Specifications
ОКС 91.060.30
Дата введения - 1 июля 2024 года
с правом досрочного применения
Взамен ГОСТ Р 58324-2018
Предисловие
1 РАЗРАБОТАН Некоммерческим партнерством "Производители современной минеральной изоляции" (Ассоциация "РОСИЗОЛ")
2 ВНЕСЕН Техническим комитетом по стандартизации ТК 465 "Строительство"
3 УТВЕРЖДЕН И ВВЕДЕН В ДЕЙСТВИЕ Приказом Федерального агентства по техническому регулированию и метрологии от 29 декабря 2023 г. N 1748-ст
4 Настоящий стандарт соответствует стандарту ДИН ЕН 13964:2014 "Потолки подвесные. Требования и методы испытаний" (DIN EN 13964:2014 "Suspended ceilings - Requirements and test methods", NEQ) в части требований к методам испытаний ударопрочности
5 ВЗАМЕН ГОСТ Р 58324-2018
Правила применения настоящего стандарта установлены в статье 26 Федерального закона от 29 июня 2015 г. N 162-ФЗ "О стандартизации в Российской Федерации". Информация об изменениях к настоящему стандарту публикуется в ежегодном (по состоянию на 1 января текущего года) информационном указателе "Национальные стандарты", а официальный текст изменений и поправок - в ежемесячном информационном указателе "Национальные стандарты". В случае пересмотра (замены) или отмены настоящего стандарта соответствующее уведомление будет опубликовано в ближайшем выпуске ежемесячного информационного указателя "Национальные стандарты". Соответствующая информация, уведомление и тексты размещаются также в информационной системе общего пользования - на официальном сайте Федерального агентства по техническому регулированию и метрологии в сети Интернет (www.rst.gov.ru)
Введение
Настоящий стандарт разработан в целях установления единых требований к параметрам и характеристикам подвесных потолков, выполненных на основе минерального волокна, а также к правилам их приемки, обеспечивающим их длительную безопасную эксплуатацию.
1 Область применения
Настоящий стандарт распространяется на подвесные потолки в сборе и лицевые потолочные элементы на основе минерального волокна, применяемые при осуществлении работ по строительству, реконструкции и текущему ремонту объектов капитального и некапитального строительства, и устанавливает классификацию минераловатных подвесных потолков и их элементов, технические требования к минераловатным подвесным потолкам и их элементам, а также правила их приемки и методы испытаний.
Настоящий стандарт не распространяется на подвесные потолки из листовых материалов с креплением к строительным конструкциям на саморезы, а также на наклеиваемые потолки.
2 Нормативные ссылки
В настоящем стандарте использованы нормативные ссылки на следующие документы:
ГОСТ 15.309 Система разработки и постановки продукции на производство. Испытания и приемка выпускаемой продукции
ГОСТ 3811 (ИСО 3932-76, ИСО 3933-76, ИСО 3801-77) Материалы текстильные, ткани, нетканые полотна и штучные изделия. Методы определения линейных размеров, линейной и поверхностной плотностей
ГОСТ 4640 Вата минеральная. Технические условия
ГОСТ 7470 Глубиномеры микрометрические. Технические условия
ГОСТ 10700 Макулатура бумажная и картонная. Технические условия
ГОСТ 17177 Материалы и изделия строительные теплоизоляционные. Методы испытаний
ГОСТ 19285 Каолин обогащенный для производства бумаги и картона. Технические условия
ГОСТ 21718 Материалы строительные. Диэлькометрический метод измерения влажности
ГОСТ 25226 Щебень и песок перлитовые для производства вспученного перлита. Технические условия
ГОСТ 29104.4 Ткани технические. Метод определения разрывной нагрузки и удлинения при разрыве
ГОСТ 31704-2011 (EN ISO 354:2003) Материалы звукопоглощающие. Метод измерения звукопоглощения в реверберационной камере
ГОСТ 31705 (EN ISO 11654:1997) Материалы звукопоглощающие, применяемые в зданиях. Оценка звукопоглощения
ГОСТ 32159 Крахмал кукурузный. Общие технические условия
ГОСТ 32314 (EN 13162:2008) Изделия из минеральной ваты теплоизоляционные промышленного производства, применяемые в строительстве. Общие технические условия
ГОСТ EN 822 Изделия теплоизоляционные, применяемые в строительстве. Методы определения длины и ширины
ГОСТ EN 824 Изделия теплоизоляционные, применяемые в строительстве. Метод определения отклонения от прямоугольности
ГОСТ Р 52539 Чистота воздуха в лечебных учреждениях. Общие требования
ГОСТ Р 53226 Полотна нетканые. Методы определения прочности
ГОСТ Р 56709 Здания и сооружения. Методы измерения коэффициентов отражения света поверхностями помещений и фасадов
ГОСТ Р 70939 Потолки подвесные. Общие технические условия
ГОСТ Р ИСО 10848-2 Акустика. Лабораторные измерения косвенной передачи воздушного и ударного шума между смежными помещениями. Часть 2. Применение к легким слабо связанным конструкциям
ГОСТ Р ИСО 14644-4 Чистые помещения и связанные с ними контролируемые среды. Часть 4. Проектирование, строительство и ввод в эксплуатацию
СП 50.13330.2012 "СНиП 23-02-2003 Тепловая защита зданий"
Примечание - При пользовании настоящим стандартом целесообразно проверить действие ссылочных стандартов (сводов правил) в информационной системе общего пользования - на официальном сайте Федерального агентства по техническому регулированию и метрологии в сети Интернет или по ежегодному информационному указателю "Национальные стандарты", который опубликован по состоянию на 1 января текущего года, и по выпускам ежемесячного информационного указателя "Национальные стандарты" за текущий год. Если заменен ссылочный документ, на который дана недатированная ссылка, то рекомендуется использовать действующую версию этого документа с учетом всех внесенных в данную версию изменений. Если заменен ссылочный документ, на который дана датированная ссылка, то рекомендуется использовать версию этого документа с указанным выше годом утверждения (принятия). Если после утверждения настоящего стандарта в ссылочный документ, на который дана датированная ссылка, внесено изменение, затрагивающее положение, на которое дана ссылка, то это положение рекомендуется применять без учета данного изменения. Если ссылочный документ отменен без замены, то положение, в котором дана ссылка на него, рекомендуется применять в части, не затрагивающей эту ссылку. Сведения о действии сводов правил целесообразно проверить в Федеральном информационном фонде стандартов.
3 Термины и определения
В настоящем стандарте применены термины по ГОСТ Р 70939, а также следующие термины с соответствующими определениями:
3.1 кромка: Торцевая поверхность лицевого потолочного элемента.
3.2 опорная кромка: Кромка, обеспечивающая опирание лицевого потолочного элемента на профили ячейки подвесного потолка.
3.3 свободная кромка: Кромка, выполняющая декоративную функцию, но не обеспечивающая опирание лицевого потолочного элемента на профили ячейки подвесного потолка.
3.4 точечная нагрузка: Нагрузка от дополнительного встраиваемого оборудования, закрепленного на лицевом потолочном элементе.
3.5 провисание: Отклонение от плоскостности смонтированного лицевого потолочного элемента под собственным весом и/или точечной нагрузкой при эксплуатации в допустимом влажностном режиме помещений.
3.6 модульный размер лицевого потолочного элемента: Значение, равное размеру ячейки подвесного потолка, для которой предназначается данный лицевой потолочный элемент.
3.7 модульный размер ячейки подвесного потолка: Номинальное расстояние между продольными осями профилей подвесной системы, образующих ячейку подвесного потолка.
4 Классификация минераловатных подвесных потолков
4.1 Классификация минераловатных подвесных потолков в сборе
Для минераловатных подвесных потолков (далее - подвесные потолки) в сборе применяют классификацию в соответствии с ГОСТ Р 70939 с дополнениями, приведенными в 4.2.
4.2 Классификация лицевых потолочных элементов
4.2.1 Минераловатные лицевые потолочные элементы (далее - лицевые потолочные элементы) классифицируют по следующим признакам:
- форма кромки (4.2.2);
- область применения (4.2.3);
- тип крепления (4.2.4);
- вид исполнения видимой поверхности (4.2.5).
4.2.2 По форме кромки лицевые потолочные элементы классифицируют по ГОСТ Р 70939 с дополнениями, приведенными в 4.2.2.1 - 4.2.2.3.
4.2.2.1 Кромки лицевых потолочных элементов классифицируют по следующим классификационным признакам:
- видимость;
- опирание.
4.2.2.2 По видимости кромки лицевых потолочных элементов подразделяют:
- на открытые (кромки лицевых потолочных элементов не закрывают видимую часть профилей ячейки подвесного потолка, либо лицевой потолочный элемент не предназначается для установки в ячейку подвесного потолка);
- полускрытые (кромки лицевых потолочных элементов частично закрывают видимую часть профилей ячейки подвесного потолка);
- скрытые (кромки лицевых потолочных элементов закрывают видимую часть профилей ячейки подвесного потолка).
4.2.2.3 По критерию опирания кромки лицевых потолочных элементов подразделяют:
- на опорные;
- неопорные.
4.2.3 По области применения выделяют лицевые потолочные элементы:
- для помещений с особыми требованиями к акустике;
- помещений с повышенной влажностью или агрессивной средой;
- помещений с повышенными требованиями к дезинфекции;
- спортивных помещений и/или помещений с ударными нагрузками на потолок;
- помещений общего назначения.
4.2.4 По типу крепления выделяют лицевые потолочные элементы, устанавливаемые:
- в ячейку подвесного потолка (для данного типа лицевого потолочного элемента допускается использование наименования "модульные лицевые потолочные элементы");
- на индивидуальные подвесы (для данного типа лицевого потолочного элемента допускается использование наименования "свободновисящий элемент").
4.2.5 По виду исполнения видимой поверхности выделяют лицевые потолочные элементы:
- кашированные;
- некашированные с зернистой поверхностью;
- некашированные с перфорацией;
- некашированные с лакокрасочным или иным полимерным покрытием.
5 Технические требования
5.1 Технические требования к подвесным потолкам в сборе
5.1.1 Технические требования к подвесным потолкам в сборе определяют по ГОСТ Р 70939 с дополнениями, приведенными в 5.1.2, 5.1.3.
5.1.2 Для подвесных потолков в сборе, предназначенных для помещений с особыми требованиями к акустике, могут предъявляться требования к показателю приведенной разности уровней звукового давления DNFW, измеряемому по методу, приведенному в 7.8.
5.1.3 Модульный размер ячейки подвесного потолка
Модульные размеры ячейки подвесного потолка выбирают кратными основному модулю М, равному 100 мм, а именно: 2М, 3М, 6М, 12М, 18М, 24М (200, 300, 600, 1200, 1800, 2400 мм соответственно).
Рекомендуемые размеры сторон ячейки подвесного потолка приведены в таблице 1.
Таблица 1 - Рекомендуемые размеры ячейки подвесного потолка
|
Тип элемента |
Основные координационные размеры модульных осей подвесных систем |
|
Лицевые потолочные элементы |
3М x 12М, 6М x 6М, 6М x 12М, 6М x 18М, 6М x 24М, 12М x 12М |
5.2 Технические требования к лицевым потолочным элементам
5.2.1 Основными техническими требованиями к характеристикам лицевых потолочных элементов являются:
- точность фактических размеров и форм;
- требования к прямоугольности;
- требования к плоскостности;
- требования к качеству поверхности;
- требования к материалу основы;
- требования к стойкости к провисанию;
- требования к светоотражению;
- требования к звукопоглощению;
- допустимая точечная нагрузка;
- приведенная масса лицевого потолочного элемента.
5.2.2 Фактические размеры лицевых потолочных элементов
5.2.2.1 Фактические размеры лицевого потолочного элемента должны обеспечивать возможность его беспрепятственного монтажа в ячейку подвесного потолка и демонтажа. Опорная кромка лицевого потолочного элемента должна заходить за край профиля подвесной системы или периметрального профиля.
5.2.2.2 Допустимые отклонения результатов измерений геометрических размеров лицевых потолочных элементов от номинальных размеров приведены в таблице 2.
Таблица 2 - Допустимые отклонения результатов измерений геометрических размеров
|
Тип лицевого потолочного элемента |
Допустимое отклонение, мм |
|
Лицевые потолочные элементы с открытой кромкой |
± L/300 |
|
Лицевые потолочные элементы с полускрытой кромкой |
± L/600 |
|
Лицевые потолочные элементы со скрытой кромкой |
± L/600 |
|
Лицевые потолочные элементы, не предназначенные для монтажа в ячейку подвесного потолка |
± L/150 |
|
Примечание - L - геометрический размер стороны лицевого потолочного элемента с опорной кромкой. | |
5.2.2.3 Отклонения геометрических размеров кромок лицевых потолочных элементов в горизонтальной плоскости не должны отличаться от номинальных значений более чем на ± 0,5 мм для скрытых кромок, ± 0,7 мм для полускрытых кромок и 0,3 мм в вертикальной плоскости.
5.2.3 Отклонение от прямоугольности, измеренное по разнице длин диагоналей не должно превышать значение L/300, где L - длина большей стороны лицевого потолочного элемента.
5.2.4 Отклонения от плоскости (выпуклость/вогнутость) установленных в подвесной системе лицевых потолочных элементов с приложенной допустимой точечной нагрузкой не должны превышать L/125, где L - длина большей стороны лицевого потолочного элемента, но не более 4,8 мм.
5.2.5 Требования к поверхности лицевых потолочных элементов определяются по ГОСТ Р 70939 со следующим дополнением:
- технические характеристики материала поверхности кашированных лицевых потолочных элементов должны удовлетворять требованиям, приведенным в таблице 3.
Таблица 3 - Технические требования к материалам для каширования лицевых потолочных элементов
|
Параметр |
Значение |
Стандарт | |
|
Минимальное |
Максимальное | ||
|
Приведенная масса, кг/м2 |
30 |
700 |
ГОСТ 3811 |
|
Прочность на разрыв (поперечная), Н/50 мм |
100 |
700 |
ГОСТ 29104.4 для тканых материалов; ГОСТ Р 53226 для нетканых материалов |
|
Прочность на разрыв (продольная), Н/50 мм |
100 |
700 |
ГОСТ 29104.4 для тканых материалов; ГОСТ Р 53226 для нетканых материалов |
|
Содержание влаги, % масс. |
0,1 |
8 |
ГОСТ 21718 |
5.2.6 Требования к материалу основы лицевых потолочных элементов
5.2.6.1 Плотные лицевые потолочные элементы выполняют на основе минерального или шлакового волокна, а также целлюлозы, перлита и глины с органическим (полимерным) связующим.
5.2.6.2 Волокнистые лицевые потолочные элементы выполняют на основе минерального волокна с органическим (полимерным) связующим.
5.2.6.3 Материал основы волокнистых лицевых потолочных элементов должен соответствовать требованиям ГОСТ 32314 или техническим условиям изготовителя лицевых потолочных элементов.
5.2.6.4 Материалы основы плотных лицевых потолочных элементов должны соответствовать требованиям следующих стандартов:
- минеральная вата - ГОСТ 4640;
- перлитовый песок - ГОСТ 25226;
- обогащенный каолин - ГОСТ 19285;
- бумажная макулатура - ГОСТ 10700;
- кукурузный крахмал - ГОСТ 32159.
5.2.7 Стойкость к провисанию лицевых потолочных элементов
Для лицевых потолочных элементов устанавливают классы стойкости к провисанию, определяемые по методике, приведенной в 7.1. Классы стойкости к провисанию лицевых потолочных элементов приведены в таблице 4.
Таблица 4 - Классы стойкости к провисанию лицевых потолочных элементов
|
Допустимое значение относительной влажности воздуха среды эксплуатации, %, при температуре 18 °C - 30 °C |
Класс стойкости к провисанию |
|
95 - 100 |
RH 100 |
|
90 |
RH 90 |
|
70 |
RH 70 |
Класс стойкости к провисанию лицевых потолочных элементов указывают в паспорте качества и на этикетке изделия.
5.2.8 Применение лицевых потолочных элементов с меньшими классами стойкости к провисанию, чем эксплуатационные значения влажностного режима для данного помещения, не допускается.
5.2.9 Светоотражение лицевых потолочных элементов не нормируется, однако требуемое по [1] значение освещенности следует определять с учетом светоотражающей способности лицевых потолочных элементов.
5.2.10 Для лицевых потолочных элементов в паспорте качества и на этикетке изделия указывают звукопоглощающие свойства, определяемые по методу, изложенному в 7.7.1.
5.2.11 К лицевым потолочным элементам, предназначенным для спортивных помещений и/или помещений с ударными нагрузками на потолок, могут предъявляться требования к ударопрочности. В паспорте качества и на этикетке таких лицевых потолочных элементов следует указывать класс ударопрочности, определяемый по методике, изложенной в 7.2.
5.2.12 В паспорте качества и на этикетке изделия следует указывать предельно допустимую точечную нагрузку, если она отличается от нуля. Предельно допустимую точечную нагрузку определяют по методике, изложенной в 7.3.
5.2.13 В паспорте качества изделия следует указывать приведенную массу лицевых потолочных элементов. Приведенную массу лицевых потолочных элементов определяют путем нормирования массы изделия, измеренного по ГОСТ 17177, на 1 м2 изделия.
5.2.14 Для подвесных потолков изготовителем могут быть установлены дополнительные декларируемые показатели.
5.2.15 Лицевые потолочные элементы, применяемые в помещениях, для которых задан класс чистоты помещений по ГОСТ Р 52539, должны соответствовать требованиям, установленным в ГОСТ Р ИСО 14644-4.
5.2.16 Лицевые потолочные элементы должны соответствовать единым санитарно-эпидемиологическим требованиям к полимерным и полимерсодержащим строительным материалам, приведенным в [2] (глава II, раздел 6).
6 Правила приемки
6.1 Приемку и испытания лицевых потолочных элементов проводят по ГОСТ Р 70939 с дополнениями, приведенными в 6.2 - 6.7.
6.2 Каждая партия лицевых потолочных элементов должна быть принята службой технического контроля изготовителя в соответствии с требованиями настоящего стандарта или ГОСТ 15.309.
6.3 Приемку лицевых потолочных элементов осуществляют партиями. Партия должна состоять из изделий одних вида, группы, типа кромок и размеров, изготовленных по одной технологии и из одних и тех же материалов.
6.4 Приемочный контроль осуществляют проведением испытаний по показателям, указанным в таблице 5, в части приемо-сдаточных испытаний. Приемочный контроль допускается проводить по дополнительным показателям в соответствии с техническими условиями изготовителя.
Таблица 5 - Показатели качества лицевых потолочных элементов, методы контроля и частота испытаний
|
Наименование показателя |
Требования |
Метод испытания |
Категория испытаний |
Частота испытания | |
|
Приемо-сдаточные |
Периодические | ||||
|
1 Фактические размеры |
5.2.2 |
По 7.4 |
+ |
- |
Периодический контроль, не реже одного раза за смену |
|
2 Прямоугольность |
5.2.3 |
По 7.5 |
+ |
- |
Периодический контроль, не реже одного раза за смену |
|
3 Качество поверхности |
5.2.4 |
По техническим условиям изготовителя |
+ |
- |
Сплошной контроль |
|
4 Стойкость к провисанию |
5.2.7 |
По 7.1 |
- |
+ |
При постановке на производство или смене поставщика или марки сырья |
|
5 Светоотражение |
5.2.9 |
По ГОСТ Р 56709 |
- |
+ |
* |
|
6 Звукопоглощение |
5.2.10 |
По 7.7 |
- |
+ |
При постановке на производство или смене поставщика или марки сырья |
|
7 Допустимая точечная нагрузка |
5.2.12 |
По 7.3 |
+ |
- |
При постановке на производство или смене поставщика или марки сырья |
|
8 Приведенная масса |
5.2.13 |
По ГОСТ 17177 |
+ |
- |
При постановке на производство или смене поставщика или марки сырья |
|
* Периодичность испытания определяется изготовителем, но не реже чем один раз в семь лет. Испытания по светоотражению обязательны при постановке на производство. | |||||
6.5 Для проведения контроля лицевые потолочные элементы отбирают методом случайного отбора из разных мест партии.
6.6 Порядок проведения приемо-сдаточных испытаний определяют по техническим условиям изготовителя с учетом требований 6.7.
6.7 Приемо-сдаточные и периодические испытания лицевых потолочных элементов проводят с периодичностью и по номенклатуре показателей, установленных в таблице 5.
7 Методы испытаний лицевых потолочных элементов
7.1 Метод определения стойкости к провисанию лицевых потолочных элементов
7.1.1 Средства испытания
Рамка металлическая.
Камера испытательная климатическая.
Планка измерительная со встроенным цифровым индикатором.
7.1.2 Подготовка к испытанию
Для испытаний используют восемь лицевых потолочных элементов, отобранных методом случайной выборки из представительной пробы.
Отобранные для испытаний лицевые потолочные элементы хранят в нормальных условиях не менее 24 ч. В качестве нормальных условий принимают температуру (20 ± 2) °C, относительную влажность воздуха (60 ± 10)%.
Климатическая испытательная камера должна обеспечивать автоматическое поддержание влажности воздуха и температуры в заданном диапазоне на протяжении всего времени испытаний.
Испытание лицевых потолочных элементов для оценки их стойкости к провисанию происходит на протяжении четырех одинаковых последовательно повторяющихся циклов.
Каждый из повторяющихся циклов состоит из двух отличающихся температурно-влажностными условиями периодов.
Первый период характеризуется значениями параметров:
- длительность - 17 ч;
- относительная влажность воздуха в камере - 90% при температуре 28,0 °C.
Второй период характеризуется значениями параметров:
- длительность - 7 ч;
- относительная влажность воздуха в камере - 35% при температуре 28,0 °C.
7.1.3 Проведение испытания
Для проведения испытаний используют металлическую рамку, форма и размер которой соответствуют форме и размеру испытуемого лицевого потолочного элемента. Размер металлической рамки должен быть таким, чтобы опирание лицевого потолочного элемента на полки металлической рамки с каждой стороны было не менее 5 - 6 мм (рисунок 1).

Рисунок 1 - Опирание лицевого потолочного элемента на металлическую рамку
Отобранные по 7.1.2 лицевые потолочные элементы укладывают на металлическую рамку таким образом, чтобы опирание кромок лицевого потолочного элемента на рамку соответствовало опиранию кромок лицевого потолочного элемента на профили подвесной системы при его монтаже и эксплуатации.
У каждого лицевого потолочного элемента, уложенного на металлическую рамку, с помощью измерительной планки со встроенным цифровым индикатором измеряют прогиб X (рисунок 2), значение которого принимают за начальное.

1 - прогиб
Рисунок 2 - Измерение прогиба с помощью цифрового индикатора
После этого металлические рамки с уложенными на них лицевыми потолочными элементами помещают в стеллаж климатической испытательной камеры.
По окончании первого периода первого цикла измеряют прогиб X1-90 каждого лицевого потолочного элемента, находящегося в климатической испытательной камере. Полученные данные заносят в графу "1-й цикл, 90%".
Далее испытания продолжают при влажности 35%.
По окончании второго периода первого цикла также осуществляют измерение прогиба X1-35 каждого лицевого потолочного элемента, находящегося в климатической испытательной камере. Полученные данные заносят в графу "1-й цикл, 35%".
Далее испытания повторяют на протяжении повторяющихся 2, 3 и 4-го циклов.
7.1.4 Обработка результатов
Максимальный прогиб, который проявился у каждого лицевого потолочного элемента по окончании 4-го цикла, X4-35 принимают за единичный результат испытаний.
Из совокупности полученных единичных результатов Xi по каждому из восьми лицевых потолочных элементов рассчитывают среднее арифметическое значение X̅ прогиба и его стандартное отклонение σ̂.
За результат испытаний принимают значение прогиба X, определяемое по формуле
X = X̅ + 2σ̂. (1)
Стандартное отклонение σ̂ рассчитывают по формуле
. (2)
7.1.5 Интерпретация результатов
Полученные в результате испытаний значения прогиба X лицевых потолочных элементов сравнивают со значениями прогиба, приведенными в таблицах 6 и 7, и делают вывод о стойкости к провисанию лицевых потолочных элементов.
Таблица 6 - Стойкость к провисанию лицевых потолочных элементов в зависимости от прогиба (размеры 600 x 600 мм)
|
Прогиб, мм |
Стойкость к провисанию лицевых потолочных элементов в среде с относительной влажностью воздуха, % |
Обозначение класса стойкости к провисанию |
|
До 4,0 включ. |
100 |
RH 100 |
|
До 6,5 включ. |
90 |
RH 90 |
|
До 9,0 включ. |
70 |
RH 70 |
Таблица 7 - Стойкость к провисанию лицевых потолочных элементов в зависимости от прогиба (размеры 600 x 1200 мм)
|
Прогиб, мм |
Стойкость к провисанию лицевых потолочных элементов в среде с относительной влажностью воздуха, % |
Обозначение класса стойкости к провисанию |
|
До 4,0 включ. |
100 |
RH 100 |
|
До 9,0 включ. |
90 |
RH 90 |
|
До 13,0 включ. |
70 |
RH 70 |
7.2 Метод испытаний лицевых потолочных элементов на ударопрочность
7.2.1 Сущность метода
В настоящем подразделе указан метод испытания устойчивости лицевых потолочных элементов к механическим воздействиям. Метод распространяется на подвесные потолки, подверженные ударам баскетбольных, футбольных, гандбольных, медицинских, волейбольных мячей и аналогичных предметов.
Настоящий метод не распространяется на нагрузки от кеглей и теннисных мячей, а также метаемых элементов холодного и огнестрельного оружия. Настоящий метод не распространяется на устойчивость от порезов и проколов лицевой поверхности острыми предметами. Подвесные потолки в сборе считаются ударопрочными, если лицевые потолочные элементы и элементы подвесной системы при механических воздействиях на них, сопоставимых с механическим воздействием, приведенным в данном методе, не подвергаются разрушению или провисанию больше допустимого по ГОСТ Р 70939.
7.2.2 Испытательное оборудование:
а) мяч испытательный;
б) установка для запуска мячей.
7.2.2.1 Для испытаний применяют мячи со следующими характеристиками:
- масса - от 410 до 450 г;
- диаметр - от 18,5 до 19,1 см;
- внутреннее давление - 1,2 бар.
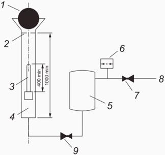
7.2.2.2 Испытание проводят с применением установки (см. рисунок 3), которая может запускать мяч с регулируемой скоростью. Установка состоит из следующих частей:
- боек 3 массой 1,5 кг, диаметром 97 мм и длиной не менее 40 см;
- направляющая труба 4 для бойка 3 длиной не менее 100 см;
- емкость со сжатым воздухом 5 объемом 7,0 л;
- редукционный проходной клапан 7;
- воздуховод от компрессора 8;
- клапан 9;
- манометр 6 с делением шкалы не менее 0,1 бар.

1 - мяч; 2 - упор; 3 - боек; 4 - направляющая труба; 5 - емкость со сжатым воздухом; 6 - манометр; 7 - редукционный проходной клапан; 8 – воздуховод от компрессора; 9 - клапан
Рисунок 3 - Установка для запуска мячей (функциональная схема)
7.2.2.3 Для подготовки запуска мяча 1 в емкость 5 подают сжатый воздух с давлением p0.
Давление p0 регулируют в соответствии с начальной скоростью Vs. При открытии клапана 9 сжатый воздух устремляется в нижний конец направляющей трубы 4 и с ускорением перемещает перед собой поршень. После ускорительного участка длиной 60 см боек 3 ударяет мяч 1 и досылает его в другой участок длиной 40 см. Боек 3 останавливается упором 2 в горловине направляющей трубы 4.
7.2.3 Подготовка к испытанию
Для испытаний используют четыре лицевых потолочных элемента, отобранных методом случайной выборки из представительной пробы.
Отобранные для испытаний лицевые потолочные элементы хранят в нормальных условиях не менее 24 ч. В качестве нормальных условий принимают температуру (20 ± 2) °C, относительную влажность воздуха (60 ± 10)%.
Лицевые потолочные элементы монтируют на массивную раму. Пример конструкции рамы приведен на рисунке 4.

Рисунок 4 - Рама для установки лицевого потолочного элемента
Запуск мячей проводят таким образом, чтобы удары на поверхности испытуемого образца распределялись по возможности равномерно. При обнаружении во время этого испытания слабого места, в котором можно ожидать существенное изменение прочности, функциональной способности или устойчивости, в это место проводят два дополнительных запуска.
7.2.4 Калибровка установки для запуска мячей
До начала испытания по определению ударопрочности проводят проверку установки для запуска мячей с помощью существующих приборов измерения скорости метательных объектов с погрешностью измерения не более 0,5 м/с. Проверку проводят выполнением трех серий по восемь запусков мяча с заданными скоростями 15,5; 7,3 и 3,5 м/с. Проверка считается пройденной, если среднеарифметические значения измеренных скоростей мяча находятся в диапазоне ± 1 м/с от заданных значений скорости.
7.2.5 Проведение испытания
Испытуемый лицевой потолочный элемент устанавливают на раму с подложкой (см. рисунок 4) на расстоянии 2 м от мяча в начальном положении на установке. На лицевой потолочный элемент проводят 24 запуска мяча, с начальной скоростью мяча согласно таблице 8. Проводят 12 запусков по нормали к плоскости лицевого потолочного элемента, и затем 12 раз поворачивая раму с установленным элементом на 60°.
Таблица 8 - Классы ударопрочности лицевых потолочных элементов
|
Класс ударопрочности |
Скорость мяча, м/с |
|
A1 |
15,5 ± 1 |
|
A2 |
7,3 ± 1 |
|
A3 |
3,5 ± 1 |
7.2.6 Обработка результатов
По результатам испытания поверхность лицевого потолочного элемента не должна получить значительных видимых повреждений. Между запусками мяча проводят визуальные наблюдения в целях установления возникновения изменений на поверхности лицевого потолочного элемента. Состояние лицевого потолочного элемента после испытания заносят в протокол с указанием размеров остаточных деформаций и приложением фотографий изменений.
7.2.7 Протокол испытаний
В протокол испытаний вносят следующие сведения:
- заказчик;
- наименование изготовителя;
- маркировка, наименование изделия и типовое обозначение (при наличии);
- краткое описание основных показателей испытуемого образца и его креплений;
- адрес испытательной лаборатории;
- изменения в подвесном потолке во время испытания;
- результат испытания;
- указание ограничивающих условий, на которые можно распространять результат испытания;
- дата испытания.
7.3 Метод испытаний лицевых потолочных элементов на предельно допустимую точечную нагрузку
7.3.1 Средства испытания
Рамка металлическая с опорными полками, соответствующими по форме, размерам и несущей способности опорным полкам ячейки модульного подвесного потолка с модульными размерами, соответствующими модульным размерам испытуемого лицевого потолочного элемента.
Глубиномер цифровой по ГОСТ 7470 или иной прибор, обладающий не меньшим классом точности измерения.
7.3.2 Отбор образцов и подготовка испытания
Выполняется случайный отбор восьми образцов из партии испытуемой продукции. Отобранные для испытаний лицевые потолочные элементы хранят при нормальном влажностном режиме, определяемом по СП 50.13330.2012 (таблица 1), не менее 24 ч.
Образцы лицевых потолочных элементов устанавливают на рамку над поверхностью, на которой установлен измерительный прибор, с монтажом на опорные кромки согласно монтажной схеме изготовителя. По центру образцов вырезают круглое отверстие диаметром 100 мм. Далее проводят измерение расстояния до поверхности лицевого потолочного элемента X0i, где i - номер лицевого потолочного элемента.

Рисунок 5 - Схема установки лицевого потолочного элемента для испытания на предельно допустимую точечную нагрузку
7.3.3 Проведение испытания
Испытания проводят последовательно для всех отобранных образцов. В помещении, в котором проводят испытание, должен быть обеспечен нормальный влажностный режим по СП 50.13330. Над отверстием в лицевом элементе устанавливают плоскую шайбу диаметром 124 мм, на которую устанавливают груз массой 0,5 кг, после чего проводят однократное измерение расстояния до поверхности лицевого потолочного элемента Xi (см. рисунок 6).

Рисунок 6 - Схема испытаний лицевого потолочного элемента на предельно допустимую точечную нагрузку
7.3.4 Интерпретация результатов
За результат испытаний принимают среднеарифметическое значение разности начального и итогового значений прогибов лицевых потолочных элементов, которое рассчитывают по формуле
Xcp = ∑(X0i – Xi)/n, (3)
где n - число образцов лицевых потолочных элементов.
В зависимости от полученного результата лицевым потолочным элементам присваивают значение предельно допустимой точечной нагрузки в соответствии с таблицей 9.
Таблица 9 - Предельно допустимая точечная нагрузка
|
Прогиб Xср |
Допустимая точечная нагрузка, Н |
|
Xср |
5 |
|
Xср |
2,5 |
|
Xср> L/200 |
Точечная нагрузка не допускается |
|
Примечание - L - модульный размер лицевого потолочного элемента для стороны с опорными кромками. | |
7.4 Метод измерения геометрических размеров лицевых потолочных элементов
Линейные размеры лицевых потолочных элементов определяют по ГОСТ EN 822, или ГОСТ 17177, или по иному методу, обеспечивающему аналогичную или большую точность измерения.
7.5 Метод измерения прямоугольности лицевых потолочных элементов
Прямоугольность лицевых потолочных элементов определяют по ГОСТ 17177, или ГОСТ EN 824, или по иному методу, обеспечивающему аналогичную или большую точность измерения.
7.6 Метод измерения плоскостности лицевых потолочных элементов
Плоскостность лицевых потолочных элементов определяют по ГОСТ 17177 или по иному методу, обеспечивающему аналогичную или большую точность измерения.
7.7 Метод измерения звукопоглощения лицевых потолочных элементов
7.7.1 Звукопоглощение лицевых потолочных элементов, предназначенных для монтажа в ячейки подвесного потолка, измеряют согласно ГОСТ 31704-2011 (приложение В) по схеме E, с зазорами 200 и 50 мм. Звукопоглощение определяется показателем αw.
Звукопоглощение одиночных свободно висящих элементов измеряют согласно ГОСТ 31704-2011 (приложение В) по схеме J. Звукопоглощение определяется показателем Aэкв, м2.
Для свободно висящих элементов, монтируемых с регулярным интервалом, звукопоглощение измеряют по ГОСТ 31704-2011 (приложение В) по схеме A таким образом, чтобы общая площадь, закрытая лицевыми потолочными элементами, с учетом интервала между элементами была не менее 10 м2. При представлении результатов измерений указание шага монтажа свободно висящих элементов является обязательным.
7.7.2 Класс звукопоглощения лицевых потолочных элементов определяют по ГОСТ 31705.
7.8 Метод измерения приведенной разности уровней звукового давления DNFW
7.8.1 Приведенную разность уровней звукового давления DNFW определяют по ГОСТ Р ИСО 10848-2.
7.8.2 Частоту испытаний DNFW определяют по техническим условиям изготовителя, но не реже, чем раз в семь лет.
8 Требования безопасности и охраны окружающей среды
8.1 Требования безопасности и охраны окружающей среды должны соответствовать ГОСТ Р 70939 с дополнениями, приведенными в 8.2, 8.3.
8.2 Материалы, применяемые для изготовления подвесных потолков, должны соответствовать требованиям технических регламентов и иных нормативных правовых актов, а также законов и иных нормативных правовых актов субъектов Российской Федерации, регулирующих вопросы пожарной и санитарно-гигиенической безопасности.
8.3 Санитарно- и радиационно-гигиеническую безопасность применения подвесных потолков определяют на основании свидетельств о государственной регистрации продукции, выданных уполномоченными органами Таможенного союза, осуществляющими выдачу свидетельств о государственной регистрации в соответствии с [3].
9 Маркировка, упаковка, транспортирование и хранение
9.1 Требования к маркировке и упаковке лицевых потолочных элементов
9.1.1 Маркировка осуществляется путем нанесения (наклеивания) этикетки на упаковку лицевых потолочных элементов.
9.1.2 Этикетка должна содержать следующую информацию:
- наименование товара (изделия);
- наименование изготовителя, адрес производства;
- модульный размер лицевых потолочных элементов;
- общую площадь, м2, продукта в упаковке;
- количество лицевых потолочных элементов в упаковке;
- основные условия хранения и транспортирования;
- дату изготовления товара;
- штрихкод (при наличии);
- обозначение нормативного или технического документа, по которому изготовлено изделие;
- основные потребительские свойства или характеристики;
- информацию об обязательной оценке соответствия;
- гарантийный срок хранения.
9.1.3 Этикетка также может содержать следующую дополнительную информацию:
- товарный знак (марка) предприятия-изготовителя (при наличии);
- информацию о добровольной оценке соответствия (при наличии);
- информацию о знаке соответствия изделия национальным стандартам (на добровольной основе);
- специфическую информацию для потребителя (при необходимости);
- условия эффективного использования, ремонта, восстановления, утилизации, захоронения, ликвидации;
- область применения изделия;
- ссылки на электронные источники с технической и иной необходимой документацией.
9.1.4 Дополнительную маркировку лицевых потолочных элементов допускается осуществлять путем нанесения информации на тыльную сторону или торец лицевых потолочных элементов. Информация может содержать дату выпуска, направление монтажа панели и иные обозначения изготовителя.
9.1.5 Дополнительные требования к предоставляемой информации о лицевых элементах
Рекомендуется указывать в технической и/или сопроводительной документации к производимой продукции (технический лист, инструкция по монтажу и эксплуатации, паспорт качества) следующие характеристики:
- возможность очистки видимых поверхностей лицевых потолочных элементов и элементов каркаса подвесного потолка, применяемый способ очистки и действующие ограничения;
- возможность окраски видимых поверхностей лицевых потолочных элементов и элементов подвесной системы, рекомендуемые материалы и способы, а также возможность их влияния на конкретные свойства подвесного потолка;
- требования к техническому обслуживанию для сохранения требуемых свойств подвесного потолка в течение срока эксплуатации.
9.2 Общие требования к упаковке, транспортированию и хранению
9.2.1 Общие требования к упаковке, транспортированию и хранению установлены в ГОСТ Р 70939.
9.2.2 Упаковка должна обеспечивать защиту лицевых потолочных элементов от воздействия окружающей среды и повреждений в ходе транспортирования при условии соблюдения установленных изготовителем требований к погрузке и транспортированию тары.
10 Гарантии изготовителя
Изготовитель обязан установить период гарантийных обязательств о соответствии выпускаемой им продукции требованиям, обозначенным в технических условиях, в маркировке к ней или в соответствующем договоре на поставку. Минимальный гарантийный срок, устанавливаемый изготовителем, - 365 сут с момента отгрузки.
Библиография
|
[1] |
Санитарные правила и нормы СанПиН 1.2.3685-21 |
Гигиенические нормативы и требования к обеспечению безопасности и (или) безвредности для человека факторов среды обитания |
|
[2] |
Единые санитарно-эпидемиологические и гигиенические требования к продукции (товарам), подлежащей санитарно-эпидемиологическому надзору (контролю) (утверждены Решением Комиссии Таможенного союза от 28 мая 2010 г. N 299 "О применении санитарных мер в Евразийском экономическом союзе") | |
|
[3] |
Решение Коллегии Евразийской экономической комиссии от 30 июня 2017 г. N 80 "О свидетельствах о государственной регистрации продукции" | |


