ПНСТ 498-2020 ТРАНСФОРМАТОРЫ ИЗМЕРИТЕЛЬНЫЕ. Часть 5. ТЕХНИЧЕСКИЕ УСЛОВИЯ НА ЕМКОСТНЫЕ ТРАНСФОРМАТОРЫ НАПРЯЖЕНИЯ
Утв. и введен в действие приказом Федерального агентства по техническому регулированию и метрологии от 17 ноября 2020 г. N 114-пнст
Предварительный национальный стандарт ПНСТ 498-2020
"ТРАНСФОРМАТОРЫ ИЗМЕРИТЕЛЬНЫЕ. Часть 5. ТЕХНИЧЕСКИЕ УСЛОВИЯ НА ЕМКОСТНЫЕ ТРАНСФОРМАТОРЫ НАПРЯЖЕНИЯ"
Instrument transformers. Part 5. Technical specifications for capacitor voltage transformers
ОКС 17.220.20
ОКПД 2 27.11.4
Срок действия - с 1 марта 2021 г.
до 1 марта 2024 г.
Предисловие
1 Разработан Открытым акционерным обществом "РЭТЗ Энергия" (ОАО "РЭТЗ Энергия")
2 Внесен Техническим комитетом по стандартизации ТК 016 "Электроэнергетика"
3 Утвержден и введен в действие Приказом Федерального агентства по техническому регулированию и метрологии от 17 ноября 2020 г. N 114-пнст
Введение
Настоящий стандарт входит в серию стандартов "Трансформаторы измерительные", которая включает следующие стандарты:
- ПНСТ 282-2018 Трансформаторы измерительные. Часть 1. Общие технические условия;
- ПНСТ 283-2018 Трансформаторы измерительные. Часть 2. Технические условия на трансформаторы тока;
- ПНСТ 319-2018 Трансформаторы измерительные. Часть 3. Технические условия на индуктивные трансформаторы напряжения;
- Часть 4. Технические условия на комбинированные трансформаторы;
- Часть 5. Технические условия на емкостные трансформаторы напряжения;
- Часть 6. Общие технические условия на электронные измерительные трансформаторы;
- Часть 7. Технические условия на электронные трансформаторы напряжения;
- Часть 8. Общие технические условия на электронные измерительные трансформаторы;
- Часть 9. Технические условия на автономные устройства сопряжения с шиной процесса;
- Часть 10. Технические условия на электронные трансформаторы тока;
- Часть 11. Технические условия на маломощные измерительные трансформаторы (датчики);
- Часть 12. Технические условия на средства измерения показателей качества электроэнергии.
В настоящем стандарте реализованы основные нормативные положения международного стандарта МЭК 61869-5:2011 "Трансформаторы измерительные. Часть 5. Дополнительные требования к емкостным трансформаторам напряжения" (IEC 61869-5:2011 "lnstrument transformers - Part 5: Additional requirements for capacitor voltage transformers") и практика применения ГОСТ 1983-2001 "Трансформаторы напряжения. Общие технические условия".
Настоящий стандарт распространяется на однофазные емкостные трансформаторы напряжения (далее - трансформаторы), устанавливаемые между фазой и землей, предназначенные для применения в электрических сетях переменного тока частотой 50 и 60 Гц с номинальными напряжениями от 110 до 750 кВ включительно с целью передачи сигнала измерительной информации приборам измерения, защиты, автоматики, сигнализации и управления, и разработанные после 31.12.2019.
Трансформаторы не предназначены для измерения гармонического состава напряжения с целью контроля качества электроэнергии, если для этого в их конструкции не предусмотрены специальные технические решения.
Стандарт распространяется также на трансформаторы, емкостные делители которых используются совместно с фильтрами присоединения в качестве конденсаторов связи для организации высокочастотных трактов каналов связи, релейной защиты и противоаварийной автоматики.
В настоящем стандарте использованы нормативные ссылки на следующие стандарты:
ГОСТ 8.216 Государственная система обеспечения единства измерений. Трансформаторы напряжения. Методика поверки
ГОСТ 3484.1 Трансформаторы силовые. Методы электромагнитных испытаний
ГОСТ 3484.2 Трансформаторы силовые. Испытания на нагрев
ГОСТ 8024 Аппараты и электротехнические устройства переменного тока на напряжение свыше 1000 В. Нормы нагрева при продолжительном режиме работы и методы испытаний
ГОСТ 9920 (МЭК 694-80, МЭК 815-86) Электроустановки переменного тока на напряжение от 3 до 750 кВ. Длина пути утечки внешней изоляции
ГОСТ 15150 Машины, приборы и другие технические изделия. Исполнения для различных климатических районов. Категории, условия эксплуатации, хранения и транспортирования в части воздействия климатических факторов внешней среды
ГОСТ 15581 Конденсаторы связи и отбора мощности для линий электропередач. Технические условия
ГОСТ 18685 Трансформаторы тока и напряжения. Термины и определения
ГОСТ 30546.1 Общие требования к машинам, приборам и другим техническим изделиям и методы расчета их сложных конструкций в части сейсмостойкости
ГОСТ 30546.2 Испытания на сейсмостойкость машин, приборов и других технических изделий. Общие положения и методы испытаний
ГОСТ Р 52002 Электротехника. Термины и определения основных понятий
ГОСТ Р 55194 Электрооборудование и электроустановки переменного тока на напряжения от 1 до 750 кВ. Общие методы испытаний электрической прочности изоляции
ГОСТ Р 55195 Электрооборудование и электроустановки переменного тока на напряжение от 1 до 750 кВ. Требования к электрической прочности изоляции
ГОСТ Р 55438 Единая энергетическая система и изолированно работающие энергосистемы. Оперативно-диспетчерское управление. Релейная защита и автоматика. Взаимодействие субъектов электроэнергетики и потребителей электрической энергии при создании (модернизации) и эксплуатации. Общие требования
ПНСТ 282-2018 Трансформаторы измерительные. Часть 1. Общие технические условия
Примечание - При пользовании настоящим стандартом целесообразно проверить действие ссылочных стандартов в информационной системе общего пользования - на официальном сайте Федерального агентства по техническому регулированию и метрологии в сети Интернет или по ежегодному информационному указателю "Национальные стандарты", который опубликован по состоянию на 1 января текущего года, и по выпускам ежемесячного информационного указателя "Национальные стандарты" за текущий год. Если заменен ссылочный стандарт, на который дана недатированная ссылка, то рекомендуется использовать действующую версию этого стандарта с учетом всех внесенных в данную версию изменений. Если заменен ссылочный стандарт, на который дана датированная ссылка, то рекомендуется использовать версию этого стандарта с указанным выше годом утверждения (принятия). Если после утверждения настоящего стандарта в ссылочный стандарт, на который дана датированная ссылка, внесено изменение, затрагивающее положение, на которое дана ссылка, то это положение рекомендуется применять без учета данного изменения. Если ссылочный стандарт отменен без замены, то положение, в котором дана ссылка на него, рекомендуется применять в части, не затрагивающей эту ссылку.
3.1 В настоящем стандарте применены термины и определения по ГОСТ 18685, ГОСТ Р 52002, ПНСТ 282-2018, а также следующие термины с соответствующими определениями:
3.1.1 номинальный коэффициент напряжения (емкостного трансформатора напряжения): Коэффициент, на который следует умножать наибольшее рабочее напряжение электрооборудования, чтобы найти максимальное напряжение, при котором трансформатор удовлетворяет определенным функциональным/эксплуатационным требованиям.
Примечание - При расчете максимального напряжения следует приводить линейное значение наибольшего рабочего напряжения электрооборудования к фазному значению.
3.1.2 конденсатор высокого напряжения (емкостного делителя напряжения): Конденсатор, подключаемый между выводом высокого напряжения и выводом промежуточного напряжения емкостного делителя напряжения.
3.1.3 конденсатор промежуточного напряжения (емкостного делителя напряжения): Конденсатор, подключаемый между выводами промежуточного и низкого напряжения емкостного делителя напряжения.
3.1.4 вывод высокого напряжения (емкостного делителя напряжения): Вывод, предназначенный для соединения с электрической сетью.
3.1.5 вывод промежуточного напряжения (емкостного делителя напряжения): Вывод, предназначенный для соединения с электромагнитным устройством трансформатора.
3.1.6 вывод низкого напряжения (емкостного делителя напряжения): Вывод, предназначенный для соединения с контуром заземления напрямую либо через высокочастотный фильтр присоединения при использовании емкостного делителя в качестве конденсатора связи.
3.1.7 электромагнитное устройство: Компонент емкостного трансформатора, подключаемый между выводом промежуточного напряжения и выводом низкого напряжения емкостного делителя (или напрямую соединяемый с контуром заземления при использовании емкостного делителя в качестве конденсатора связи) и формирующий напряжение для измерительных приборов и систем защиты.
3.1.8 согласующий реактор: Катушка индуктивности, подключаемая, как правило, между выводом промежуточного напряжения емкостного делителя и выводом высшего напряжения электромагнитного трансформатора электромагнитного устройства.
3.1.9 первичная цепь электромагнитного устройства: Совокупность последовательно соединенных согласующего реактора и первичной обмотки электромагнитного трансформатора электромагнитного устройства.
3.1.10 демпфирующее устройство: Элемент электромагнитного устройства, применяемый для ограничения перенапряжений, демпфирования переходных процессов, а также предотвращения возникновения устойчивого феррорезонанса.
3.1.11 номинальный диапазон частот: Диапазон частот, для которого нормируются метрологические характеристики трансформатора.
3.1.12 класс переходного процесса: Обобщенная характеристика трансформатора, определяемая временем затухания переходных процессов.
3.2 В настоящем стандарте применены следующие обозначения:
С 1 - емкость конденсатора высокого напряжения;
С 2 - емкость конденсатора промежуточного напряжения;
cosφ2 - коэффициент мощности нагрузки;
εф - максимальное значение амплитудной погрешности трансформатора при затухании феррорезонансных колебаний;
K U - номинальный коэффициент напряжения;
S ном - номинальная мощность трансформатора для указанного класса точности;
S 2 - мощность нагрузки вторичной обмотки трансформатора;
SΔ - мощность нагрузки разомкнутого треугольника, образованного дополнительными обмотками трансформаторов;
Т п - промежуток времени, нормированный по условию затухания переходных процессов и исчисляемый от момента возникновения короткого замыкания;
Т ф - промежуток времени, нормированный по условию затухания феррорезонансных колебаний и исчисляемый от момента исчезновения короткого замыкания;
U 1 - первичное напряжение трансформатора;
U 2 - вторичное напряжение трансформатора;
U 1ном - номинальное значение первичного напряжения трансформатора;
U 2ном - номинальное значение вторичного напряжения трансформатора;
U 2м - максимальное мгновенное значение напряжения на выводах вторичной обмотки трансформатора при затухании феррорезонансных колебаний;
U 2п - предельное мгновенное значение переходного напряжения на выводах вторичной обмотки трансформатора, нормированное по условию затухания переходных процессов;
- напряжение контроля уровня частичных разрядов в емкостном делителе;
- напряжение контроля уровня частичных разрядов в конденсаторе емкостного делителя;
U к.ном - номинальное напряжение конденсатора емкостного делителя;
U нр - наибольшее рабочее напряжение электрооборудования.
3.3 В настоящем стандарте применены следующие сокращения:
РЗА - релейная защита и автоматика;
ЭМУ - электромагнитное устройство.
4.1 Трансформаторы подразделяют по следующим основным признакам.
4.1.1 По категории размещения и климатическому исполнению по ГОСТ 15150.
4.1.2 По типу внешней изоляции. В условном обозначении трансформаторов с фарфоровой изоляционной покрышкой указывают литеру "Ф", с полимерной - литеру "П".
4.1.3 По особенностям конструктивного исполнения.
4.2 Условное обозначение трансформатора
Схема условного обозначения трансформатора приведена на рисунке 1.

Рисунок 1 - Схема условного обозначения трансформатора
Примечания
1 Буквенная часть условного обозначения представляет серию; совокупность буквенного обозначения и значения номинального напряжения - тип; обозначение в целом - типоисполнение трансформатора.
2 В стандартах на трансформаторы конкретных типов допускается вводить в буквенную часть один или несколько признаков, а также дополнительные буквы и (или) цифры, исключать или заменять отдельные буквы для обозначения особенностей конкретного трансформатора.
Пример - Условное обозначение емкостного трансформатора напряжения класса 500 кВ с фарфоровой покрышкой, категории внешней изоляции IV по ГОСТ 9920, климатического исполнения УХЛ, категории размещения 1 по ГОСТ 15150:
НЕФ-500 IV УХЛ1.
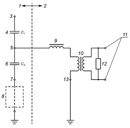
4.3 Типовая схема трансформатора приведена в приложении А.
Основные параметры трансформатора - по ПНСТ 282-2018, раздел 5, со следующими дополнительными условиями.
5.1 Трансформаторам и их вторичным обмоткам следует присваивать классы точности, выбираемые из следующих рядов:
- для измерения: 0,1; 0,2; 0,5; 1,0; 3,0; 10,0;
- для защиты 1): 3Р; 6Р;
──────────────────────────────
1) Здесь и далее под словом "защита" подразумеваются все виды РЗА в соответствии с ГОСТ Р 55438.
──────────────────────────────
- для измерения и защиты: 0,1; 0,2; 0,5; 1,0; 3,0; 10,0; 3Р; 6Р.
Трансформаторам (вторичным обмоткам трансформаторов) присваивают один или несколько классов точности в зависимости от номинальных мощностей и назначения.
Для трансформаторов с двумя и более вторичными обмотками классы точности устанавливают для всех вторичных обмоток.
Значения номинальных мощностей для всех классов точности устанавливают в стандартах на трансформаторы конкретных типов.
5.2 Номинальные мощности трансформаторов (обмоток трансформаторов) для любого класса точности рекомендуется выбирать при коэффициенте мощности нагрузки cosφ2 = 0,8 из следующего ряда: 1,0; 2,5; 5,0; 10; 15; 20; 25; 30; 45; 50; 75; 100; 150; 200; 300; 400; 500; 600; 800; 1000; 1200 В·А. Значение cosφ2, отличающееся от приведенного, должно быть указано в технической документации на трансформаторы конкретных типов.
При наличии двух и более вторичных обмоток, работающих одновременно, мощности нагрузки следует устанавливать для каждой.
По требованию потребителя допускаются другие номинальные значения мощности.
5.3 Если к дополнительной вторичной обмотке группы однофазных трансформаторов подключается фазная нагрузка S 2 (рисунок 2), то сумма мощности фазной нагрузки S 2 и общей нагрузки разомкнутого треугольника SΔ не должна превышать номинальной мощности дополнительной вторичной обмотки трансформатора S ном (расчетным случаем является двухфазное короткое замыкание на землю):
S2 + SΔ ≤ Sном.
(1)

Рисунок 2 - Схема подключения нагрузок
5.4 Предельные мощности трансформаторов (обмоток трансформаторов) следует устанавливать при коэффициенте мощности нагрузки cosφ2 = 1 из следующего ряда: 25; 50; 80; 100; 160; 250; 400; 630; 1000; 1600; 2000; 2500 В·А.
За предельную мощность трансформатора принимают мощность, при которой превышение температуры ни одной из обмоток трансформатора не превышает допустимого значения по условиям длительного нагрева. Допустимое распределение мощностей на вторичных обмотках должно быть указано в стандартах на трансформаторы конкретных типов и эксплуатационной документации.
5.5 Номинальные первичные напряжения трансформаторов должны соответствовать значениям, определяющим класс напряжения электрооборудования по ГОСТ Р 55195, отнесенным к √3.
5.6 Номинальные коэффициенты напряжения трансформаторов K U при времени выдержки 30 с в зависимости от класса напряжения электрооборудования приведены в таблице 1.
|
Классы напряжения электрооборудования, кВ |
K U |
|
110-220 |
1,31 |
|
330 |
1,37 |
|
500 |
1,43 |
|
750 |
1,30 |
5.7 Номинальные напряжения вторичных обмоток приведены в таблице 2.
|
Назначение обмоток |
Рекомендуемые значения, В |
Альтернативные значения, В | |||
|
Основные обмотки |
|
|
|
|
|
|
Дополнительные обмотки |
100 |
110 |
120 |
220 |
380 |
|
Примечание - По требованию заказчика допускается изготавливать трансформаторы с номинальными напряжениями вторичных обмоток, отличающимися от указанных в таблице. | |||||
5.8 Трансформаторы следует изготавливать с тремя вторичными обмотками: двумя основными и одной дополнительной. По требованию заказчика допускается изготовление трансформаторов с другим числом и составом обмоток, например, без дополнительной обмотки.
Основные вторичные обмотки трансформаторов предназначены для учета электроэнергии и подключения измерительных приборов и цепей РЗА, дополнительная вторичная обмотка (может отсутствовать) - для подключения цепей РЗА, в т.ч. цепей контроля изоляции сети.
5.9 Для основных обмоток для измерения и защиты, а также для дополнительной обмотки для защиты, в технической документации на трансформаторы конкретных типов должны быть приведены расчетные зависимости амплитудной и угловой погрешностей от напряжения в диапазоне 0,01U 1ном - K UU нр/√3. При этом для основных обмоток для измерения и защиты значения амплитудных погрешностей в этом диапазоне не должны превышать 5 %, а для дополнительной обмотки класса 3Р (6Р) - не более 10 %. Расчетные зависимости погрешностей не должны противоречить требованиям 6.7.
5.10 Для основных обмоток для измерения и защиты, а также для дополнительной обмотки для защиты, в технической документации на трансформаторы конкретных типов должны быть приведены расчетные зависимости амплитудной и угловой погрешностей от частоты в диапазоне 45-55 Гц. При этом для основных обмоток для измерения и защиты классов точности 0,1, 0,2 и 0,5 значения амплитудных погрешностей в этом диапазоне не должны превышать 5 %, а для дополнительной обмотки класса 3Р (6Р) - не более 10 %. Расчетные зависимости погрешностей не должны противоречить требованиям 6.7. По требованию заказчика производитель должен предоставлять значения погрешностей трансформаторов при других частотах.
6.1 Общие требования - по ПНСТ 282-2018, пункт 6.1.
6.2 Требования по устойчивости к внешним воздействующим факторам - по ПНСТ 282-2018, подраздел 6.2.
6.3 Требования по сейсмостойкости - по ПНСТ 282-2018, подраздел 6.3.
6.4 Требования к изоляции - по ПНСТ 282-2018, подраздел 6.4, со следующими дополнительными условиями.
6.4.1 Требования к электрической прочности изоляции ЭМУ при одноминутном приложении напряжения промышленной частоты - по ГОСТ Р 55195.
6.4.2 Требования к электрической прочности изоляции вывода низшего напряжения емкостного делителя при его использовании в качестве конденсатора связи - по ГОСТ Р 55195.
6.4.3 Требования к электрической прочности изоляции ЭМУ при воздействии грозовых импульсов - по ГОСТ Р 55195.
6.4.4 Требования к электрической прочности внутренней изоляции трансформатора в части стойкости к тепловому пробою - по ГОСТ Р 55195.
6.4.5 Требования к уровню частичных разрядов в изоляции емкостного делителя напряжения и ЭМУ - по ГОСТ Р 55195.
Для емкостного делителя напряжения уровень частичных разрядов допускается определять на отдельных конденсаторах делителя. При этом значение испытательного напряжения конденсатора для измерения уровня частичных разрядов
должно составлять
,
(2)
где
- испытательное напряжение емкостного делителя по ГОСТ Р 55195;
U к.ном - номинальное напряжение конденсатора.
6.4.6 При стандартных атмосферных условиях по ПНСТ 282-2018, пункт 6.2.3, значение сопротивления изоляции ЭМУ должно быть не менее:
- 300 МОм - для первичных обмоток;
- 50 МОм - для вторичных обмоток.
6.4.7 Тангенс угла диэлектрических потерь изоляции емкостного делителя при температуре окружающего воздуха (25 ± 10) °С, измеренный при напряжении 10 кВ, не должен превышать 0,3 %. Емкость делителя при температуре окружающего воздуха (25 ± 10) °С должна находиться в пределах ± 5 % от паспортной величины.
6.4.8 Требования к диэлектрическим показателям качества масла для ЭМУ - по ПНСТ 282-2018 для трансформаторов с номинальным напряжением до 35 кВ.
Примечание - Требование ПНСТ 282-2018, пункт 6.4.5, по испытанию изоляции трансформаторов на номинальное напряжение 330 кВ и выше воздействием многократных срезанных импульсов на емкостные трансформаторы не распространяется.
6.5 Значения сопротивлений постоянному току первичной цепи и вторичных обмоток ЭМУ должны быть указаны изготовителем в эксплуатационной документации вместе с температурой, при которой проводилось измерение.
6.6 Требования в части радиопомех - по ПНСТ 282-2018, подраздел 6.6.
6.7 Метрологические характеристики
6.7.1 Метрологические характеристики должны быть установлены для следующих рабочих условий применения трансформаторов:
а) номинальная частота сети переменного тока - 50 Гц или 60 Гц;
б) номинальный диапазон частот для обмоток, предназначенных для измерения, составляет от 99 % до 101 % номинальной частоты;
в) номинальный диапазон частот для обмоток, предназначенных для защиты, составляет от 96 % до 102 % номинальной частоты (по требованию заказчика допускается использовать увеличенный номинальный диапазон частот);
г) температура окружающего воздуха - в соответствии с климатическим исполнением и категорией размещения, если иное не указано в стандартах на трансформаторы конкретных типов.
6.7.2 Предельные значения допускаемых погрешностей вторичных обмоток для измерения в рабочих условиях применения по 6.7.1 и при установившемся режиме работы должны соответствовать значениям, указанным в таблице 3, при любом напряжении U 1 в диапазоне от 80 % до 120 % номинального напряжения и при нагрузке с cosφ2 = 0,8 в диапазоне мощности от 0,25S ном
до S ном
.
|
Класс точности |
Предел допускаемой погрешности | ||
|
напряжения, % |
угловой | ||
|
0,1 |
± 0,1 |
± 5' |
± 0,15 срад |
|
0,2 |
± 0,2 |
± 10' |
± 0,3 срад |
|
0,5 |
± 0,5 |
± 20' |
± 0,6 срад |
|
1,0 |
± 1,0 |
± 40' |
± 1,2 срад |
|
3,0 |
± 3,0 |
не нормируют | |
|
10,0 |
± 10,0 |
не нормируют | |
6.7.3 Предельные значения допускаемых погрешностей вторичных обмоток для защиты в рабочих условиях применения по 6.7.1 и при установившемся режиме работы должны соответствовать значениям, указанным в таблице 4, в диапазоне мощности нагрузки от 0,25S ном
до S ном
.
|
Класс точности |
|
Предел допускаемой погрешности | ||
|
напряжения, % |
угловой | |||
|
3Р |
2 |
± 6,0 |
± 240' |
± 7,0 срад |
|
5 |
± 3,0 |
± 120' |
± 3,5 срад | |
|
100 |
± 3,0 |
± 120' |
± 3,5 срад | |
|
120 1) |
± 3,0 |
± 120' |
± 3,5 срад | |
|
6Р |
2 |
± 12,0 |
± 480' |
± 14,0 срад |
|
5 |
± 6,0 |
± 240' |
± 7,0 срад | |
|
100 |
± 6,0 |
± 240' |
± 7,0 срад | |
|
120 1) |
± 6,0 |
± 240' |
± 7,0 срад | |
|
1) По согласованию с заказчиком, погрешности могут нормироваться и определяться испытаниями и поверкой при напряжении K UU нр/√3. | ||||
6.7.4 Предельные значения допускаемых погрешностей вторичных обмоток для измерения и защиты должны соответствовать требованиям 6.7.2 при их использовании для измерений и требованиям 6.7.3 при их использовании для защиты.
6.7.5 Допускается для трансформаторов устанавливать диапазон мощностей нагрузок, отличающийся от указанного в 6.7.2 и 6.7.3. Фактические значения должны быть указаны в эксплуатационной документации.
6.8 Требование к нагреву при продолжительном режиме работы - по ПНСТ 282-2018, подраздел 6.8.
6.9 Требования к стойкости при токах короткого замыкания
6.9.1 Трансформаторы должны выдерживать токи короткого замыкания, возникающего на выводах вторичных обмоток в течение 1 с.
6.9.2 В стандартах на трансформаторы конкретных типов и в эксплуатационной документации на трансформаторы должны быть указаны значения тока короткого замыкания каждой вторичной обмотки и допустимая длительность его протекания.
6.10 Схемы и группы соединения, обозначение выводов обмоток
Схемы и группы соединения обмоток должны быть указаны в документации на трансформаторы конкретных типов и эксплуатационной документации.
Обозначения выводов выполняют латинскими буквами в сочетании с цифрами. Цифры указывают в индексе.
Начала вторичных обмоток обозначают а 1, а 2 ... а n, концы - х 1, х 2 ... х n.
Для обозначения выводов дополнительной обмотки используют индекс д, например, а д1, х д1.
6.11 Требования к конструкции - по ПНСТ 282-2018, подраздел 6.11, со следующими дополнительными условиями.
6.11.1 Конструкция ЭМУ должна обеспечивать возможность его отключения от емкостного делителя.
6.11.2 Конструкция трансформатора должна обеспечивать возможность измерения тангенса угла диэлектрических потерь и емкостей конденсатора высокого напряжения и конденсатора промежуточного напряжения без демонтажа делителя.
6.11.3 Конструкция ЭМУ и емкостного делителя должна обеспечивать их герметичность. Техническая документация на трансформаторы конкретных типов должна содержать требования по проверке герметичности ЭМУ и делителей.
6.11.4 Конструкция емкостного делителя (конденсаторов) должна обеспечивать сброс давления при чрезмерном увеличении давления внутри делителя. Техническая документация на трансформаторы конкретных типов должна содержать требования к устройству сброса давления делителя.
6.11.5 Конструкция емкостного трансформатора напряжения должна обеспечивать возможность установки вспомогательного устройства для организации высокочастотных трактов передачи электрических сигналов в диапазоне частот от 16 до 1000 кГц (фильтра присоединения).
6.11.6 Требования ПНСТ 282-2018, подпункт 6.11.2, не распространяются на емкостные делители трансформаторов. Эти требования распространяются на ЭМУ трансформаторов, за исключением ПНСТ 282-2018, пункты 6.11.2.2, 6.11.2.9 и 6.11.2.10.
6.11.7 Требования ПНСТ 282-2018, подпункт 6.11.6, не распространяются на емкостные делители трансформаторов.
6.12 Требования к надежности - по ПНСТ 282-2018, подраздел 6.12.
6.13 Требования к комплектности - по ПНСТ 282-2018, подраздел 6.13.
6.14 Требования к маркировке - по ПНСТ 282-2018, подраздел 6.14. При этом на табличке дополнительно должны быть указаны следующие параметры:
а) номинальные напряжения каждой из вторичных обмоток, В;
б) классы точности и соответствующие им номинальные мощности, В·А;
в) предельная мощность, В·А;
г) коэффициент напряжения K U и продолжительность включения.
Примечание - Коэффициент напряжения K U и продолжительность включения указываются по требованию заказчика.
6.15 Требования к упаковке - по ПНСТ 282-2018, подраздел 6.15.
6.16 Требования в отношении внутреннего феррорезонанса
Трансформатор не должен допускать длительного существования внутренних феррорезонансных колебаний.
После возникновения феррорезонанса в результате коммутаций на стороне первичного или вторичного напряжения феррорезонансные колебания не должны быть продолжительными при любом первичном напряжении, не превышающем K UU нр/√3, и при любой нагрузке от нулевой (режим холостого хода) до номинальной. Через время Т ф после возникновения феррорезонанса максимальное значение амплитудной погрешности напряжения не должно превышать значений, указанных в таблице 5. Максимальное значение амплитудной погрешности трансформатора после времени Т ф определяют как
,
(3)
где k - номинальный коэффициент трансформации;
U 2м - максимальное по модулю мгновенное значение напряжения на вторичной обмотке для времени t > Т ф.
Предельные допустимые значения амплитудной погрешности трансформатора после времени Т ф приведены в таблице 5.
|
Первичное напряжение U 1 |
Т ф, с, не более |
εф, %, не более |
|
0,8U 1ном |
0,2 |
10 |
|
U 1ном |
0,2 |
10 |
|
1,2U 1ном |
0,2 |
10 |
|
K UU нр/√3 |
2,0 |
10 |
6.17 Требования в отношении переходных процессов
При коротких замыканиях на стороне первичного напряжения трансформатора для всех значений первичного напряжения, не превышающих K UU нр/√3, мгновенные значения его переходного вторичного напряжения u 2(t) на обмотках для защиты, а также на обмотках для измерения и защиты, должны снизиться до величины U 2п за время, не превышающее нормированное значение Т п. В соответствии со значениями параметров U 2п и Т п трансформатору присваивают класс переходного процесса Т1, Т2 или Т3. Значения параметров переходных процессов при коротких замыканиях на стороне первичного напряжения трансформатора не должны превышать предельные (см. таблицу 6). Класс переходного процесса должен быть указан в технической и эксплуатационной документации трансформаторов конкретных типов.
|
Т п, мс |
| ||
|
класс Т1 |
класс Т2 |
класс Т3 | |
|
10 |
- |
25% |
4% |
|
20 |
10 % |
10% |
2% |
|
40 |
10 % |
2 % |
2% |
|
60 |
10 % |
0,6 % |
2% |
|
90 |
10 % |
0,2 % |
2% |
|
Примечания 1 Значение U 2 определяют по напряжению испытуемой вторичной обмотки до короткого замыкания. 2 Переходный процесс во вторичных обмотках может иметь колебательный характер. В этом случае с величиной U 2п сравнивают модули мгновенных значений напряжения u 2(t). 3 По согласованию с заказчиком допускается использовать другие предельные значения параметров U 2п и Т п. | |||
6.18 Значение тока холостого хода ЭМУ и его допустимое отклонение должно быть указано в технической и эксплуатационной документации трансформаторов конкретных типов.
В соответствии с ПНСТ 282-2018, раздел 7.
В соответствии с ПНСТ 282-2018, раздел 8. Объем испытаний и проверок следует устанавливать в документации на трансформаторы конкретных типов в соответствии с таблицей 7.
|
Наименование испытания и проверки |
Необходимость проведения испытаний |
Технические требования |
Методы контроля | |||
|
в целях утверждения типа |
квалификационных |
приемо-сдаточных |
периодических | |||
|
1 Проверка на соответствие требованиям сборочного чертежа |
+ |
+ |
+ |
+ |
I - 6.1; V - 6.10 |
I - 9.1 |
|
2 Испытание электрической прочности изоляции одноминутным приложением напряжения промышленной частоты: | ||||||
|
- к выводу высокого напряжения |
- |
+ |
+ |
+ |
I - 6.4.1 |
I - 9.2.1 |
|
- к ЭМУ |
- |
+ |
+ |
+ |
V - 6.4.1 |
V - 9.2.1 |
|
- ко вторичным обмоткам ЭМУ |
- |
+ |
+ |
+ |
I - 6.4.3 |
I - 9.2.3 |
|
- к выводу низшего напряжения емкостного делителя при его использовании в качестве конденсатора связи |
- |
+ |
+ |
+ |
V - 6.4.2 |
V - 9.2.2 |
|
3 Испытание электрической прочности изоляции напряжениями грозовых импульсов, приложенными: | ||||||
|
- к выводу высокого напряжения |
- |
+ |
- |
- |
I - 6.4.1 |
I - 9.2.1 |
|
- к ЭМУ |
- |
+ |
- |
- |
V - 6.4.3 |
V - 9.2.1 |
|
4 Испытание электрической прочности изоляции емкостного делителя трансформаторов с номинальным напряжением 330 кВ и выше напряжением коммутационного импульса |
- |
+ |
- |
- |
I - 6.4.1 |
I - 9.2.1 |
|
5 Испытание внутренней изоляции на стойкость к тепловому пробою |
- |
+ |
- |
- |
V - 6.4.4 |
V - 9.2.4 |
|
6 Испытание внутренней изоляции переменным напряжением с измерением интенсивности частичных разрядов: | ||||||
|
- для емкостного делителя напряжения |
- |
+ |
+ |
+ |
V - 6.4.5 |
I - 9.2.6 |
|
- для ЭМУ |
- |
+ |
- |
+ |
V - 6.4.5 |
I - 9.2.6 |
|
7 Измерение сопротивления изоляции обмоток ЭМУ |
- |
+ |
+ |
+ |
V - 6.4.6 |
I - 9.2.4 |
|
8 Измерение тангенса угла диэлектрических потерь и емкостей емкостного делителя |
- |
+ |
+ |
+ |
V - 6.4.7 |
V - 9.2.3 |
|
9 Испытание масла маслонаполненных трансформаторов: | ||||||
|
- определение пробивного напряжения; |
- |
+ |
+ |
+ |
V - 6.4.8 |
I - 9.2.8 |
|
- определение тангенса угла диэлектрических потерь масла; |
- |
+ |
+ |
+ |
V - 6.4.8 |
I - 9.2.8 |
|
- определение влаго- и газосодержания |
- |
+ |
- |
+ |
V - 6.4.8 |
I - 9.2.8 |
|
10 Проверка длины пути утечки внешней изоляции |
- |
+ |
- |
- |
I - 6.4.8 |
I - 9.2.9 |
|
11 Измерение сопротивления постоянному току обмоток ЭМУ |
+ |
+ |
+ |
+ |
I - 6.5 |
I - 9.5 |
|
12 Испытание внешней изоляции в отношении уровня радиопомех |
- |
+ |
- |
- |
V - 6.6 |
I - 9.3 |
|
13 Испытание ЭМУ и делителей на герметичность |
- |
+ |
+ |
+ |
V - 6.11.3 |
V - 9.5 |
|
14 Испытание устройства сброса давления емкостного делителя |
- |
+ |
- |
- |
V - 6.11.4 |
V - 9.6 |
|
15 Испытания на устойчивость к воздействию климатических факторов внешней среды |
+ |
+ |
- |
- |
I - 6.2.1 |
I - 9.7 |
|
16 Испытания на устойчивость к воздействию механических факторов |
- |
+ |
- |
- |
I - 6.2.5 |
I - 9.7 |
|
17 Испытание на прочность при транспортировании |
- |
+ |
- |
- |
I - 6.15.2; I - 10.1 |
I - 9.8 |
|
18 Испытание упаковки на сбрасывание |
- |
+ |
- |
- |
I - 6.15.2; I - 10.1 |
I - 9.9 |
|
19 Подтверждение средней наработки до отказа 1) |
- |
- |
- |
+ |
I - 6.12.1 |
I - 9.13 |
|
20 Испытание на степень защиты оболочек |
- |
+ |
- |
- |
I - 7.3 |
I - 9.11 |
|
21 Испытание на нагрев при продолжительном режиме работы |
- |
+ |
- |
- |
I - 6.8 |
V - 9.12 |
|
22 Проверка группы соединения обмоток |
+ |
+ |
+ |
+ |
V - 6.10 |
V - 9.13 |
|
23 Определение погрешностей |
+ |
+ |
+ |
+ |
V - 6.7 |
V - 9.13 |
|
24 Измерение тока холостого хода ЭМУ |
- |
+ |
+ |
- |
V - 6.18 |
V - 9.14 |
|
25 Испытание на стойкость к токам короткого замыкания |
- |
+ |
- |
- |
V - 6.9 |
V - 9.15 |
|
26 Испытание на сейсмостойкость |
- |
+ |
- |
- |
I - 6.3 |
V - 9.16 |
|
27 Испытания в отношении внутреннего феррорезонанса |
- |
+ |
- |
- |
V - 6.16 |
V - 9.17 |
|
28 Проверка параметров переходных процессов |
- |
+ |
- |
- |
V - 6.17 |
V - 9.18 |
|
1) Подтверждение средней наработки до отказа первый раз проводят через 10 лет после начала серийного производства, затем - не реже одного раза в 5 лет. Примечания 1 Знак "+" означает, что испытание проводят; знак "-" - не проводят. 2 Римская цифра I, отделенная тире от номера пункта, означает, что требования или методика испытаний приведены в ПНСТ 282-2018. Цифра V указывает на настоящий стандарт. | ||||||
9.1 Проверка на соответствие требованиям сборочного чертежа - по ПНСТ 282-2018, подраздел 9.1.
9.2 Испытание изоляции - по ПНСТ 282-2018, подраздел 9.2, со следующими дополнительными положениями.
9.2.1 Испытание электрической прочности изоляции ЭМУ - по ГОСТ Р 55194, ГОСТ Р 55195.
9.2.2 Испытание электрической прочности изоляции вывода низшего напряжения емкостного делителя при его использовании в качестве конденсатора связи - по ГОСТ Р 55194, ГОСТ Р 55195.
9.2.3 Методы измерения тангенса угла диэлектрических потерь и емкостей емкостного делителя должны быть указаны в технической документации на трансформаторы конкретных типов.
9.2.4 Испытание внутренней изоляции на стойкость к тепловому пробою - по ГОСТ Р 55194.
9.3 Испытание на радиопомехи - по ПНСТ 282-2018, подраздел 9.3.
9.4 Измерение сопротивления постоянному току обмоток ЭМУ - по ПНСТ 282-2018, пункт 9.5.
9.5 Испытание ЭМУ на герметичность - по ПНСТ 282-2018, пункт 9.6. Испытание емкостных делителей на герметичность - по ГОСТ 15581.
9.6 Метод испытания устройства сброса давления емкостного делителя должен быть установлен в технической документации на трансформаторы или делители конкретных типов.
9.7 Испытания на устойчивость к воздействию климатических факторов внешней среды и механическим внешним воздействующим факторам - по ПНСТ 282-2018, пункт 9.7.
9.8 Испытание на прочность при транспортировании - по ПНСТ 282-2018, подраздел 9.8.
9.9 Испытание упаковки на сбрасывание - по ПНСТ 282-2018, подраздел 9.9.
9.10 Подтверждение средней наработки до отказа - по ПНСТ 282-2018, пункт 9.13.
9.11 Испытание на степень защиты оболочек - по ПНСТ 282-2018, подраздел 9.11.
9.12 Испытание на нагрев
9.12.1 Испытание трансформатора напряжения на нагрев проводят по ГОСТ 3484.2 при наибольшем рабочем фазном первичном напряжении. Воспроизводимая при испытаниях мощность должна соответствовать предельной мощности трансформатора. При наличии у трансформатора нескольких одновременно нагруженных вторичных обмоток, распределение предельных мощностей между обмотками должно быть указано в технической документации на трансформаторы конкретных типов. Испытания проводят до установившегося теплового режима, после чего напряжение поднимают до K UU нр/√3 и выдерживают в течение 30 с.
9.12.2 После завершения испытаний превышение температуры элементов делителя и ЭМУ, перечень которых должен быть приведен в стандартах на трансформаторы конкретных типов, не должно превышать значений, указанных в ГОСТ 8024.
9.13 Определение погрешностей
9.13.1 Определение погрешностей и проверка группы соединения обмоток - по ГОСТ 8.216, группа соединения обмоток должна соответствовать требованиям 6.10.
9.13.2 При приемо-сдаточных испытаниях определение погрешностей трансформаторов допускается проводить при меньшем числе значений напряжений и мощностей, если обоснованность такого уменьшения подтверждена квалификационными, типовыми испытаниями и/или испытаниями в целях утверждения типа.
9.14 Измерение тока холостого хода - по ГОСТ 3484.1.
9.14.1 Ток холостого хода ЭМУ измеряют при отключенном делителе.
9.14.2 При измерении тока холостого хода к одной из вторичных обмоток при разомкнутых остальных обмотках прикладывают путем плавного подъема напряжение, равное U 2ном. Нейтральные выводы первичной обмотки ЭМУ (X) и других вторичных обмоток должны быть заземлены.
9.14.3 Измерения проводят по схеме, приведенной на рисунке 3. Фактическая схема измерения и обозначение выводов должны быть приведены в эксплуатационной документации.

1 - ЭМУ; 2 - вольтметр; 3 - амперметр; А - высоковольтный вывод первичной обмотки ЭМУ
Рисунок 3 - Схема измерения тока холостого хода ЭМУ
9.14.4 Измерения проводят с помощью амперметра и вольтметра или другими измерительными приборами. При испытаниях с применением амперметра и вольтметра прикладываемое к испытуемой обмотке напряжение следует измерять вольтметром, реагирующим на среднее выпрямленное значение напряжения. Если шкала вольтметра отградуирована в средневыпрямленных значениях, то его показания в этом случае должны умножаться на коэффициент 1,11. Если измерение напряжения выполняют вольтметром, показания которого пропорциональны средневыпрямленному значению напряжения, а шкала градуирована в действующих значениях синусоидальной кривой, то показания вольтметра умножать на коэффициент 1,11 не требуется. Основная погрешность вольтметра должна быть не более ± 1 %.
9.14.5 Измерение значения тока холостого хода выполняют амперметром (миллиамперметром) класса точности не хуже 1 с коэффициентом амплитуды не менее 3.
9.14.6 При измерениях частота должна находиться в пределах, установленных 6.7.1, коэффициент нелинейных искажений - не более 5 %.
9.14.7 Для исключения влияния параметров регулируемого источника напряжения его мощность должна быть в 10 раз больше предельной мощности трансформатора.
9.15 Испытание на стойкость к токам короткого замыкания
9.15.1 К первичным обмоткам трансформаторов подводят напряжение при разомкнутых вторичных обмотках. Затем одну из вторичных обмоток с помощью специального устройства замыкают накоротко и выдерживают режим в течение времени, не менее указанного в 6.9.1. При этом напряжение на выводах питающей обмотки во время испытаний должно быть не менее номинального.
Допускается подводить напряжение со стороны вторичных обмоток при замкнутой накоротко первичной обмотке.
9.15.2 Трансформатор считается прошедшим испытания, если не произошло изменений более чем на 10 % от измеренных перед испытаниями значений:
- погрешности трансформатора;
- сопротивления изоляции обмоток;
- уровня частичных разрядов.
9.16 Методы испытаний трансформаторов на сейсмостойкость по ГОСТ 30546.1 и ГОСТ 30546.2 должны быть указаны в технической документации на трансформаторы конкретных типов в зависимости от исполнения и конструктивных особенностей трансформаторов.
9.17 Испытания в отношении внутреннего феррорезонанса
Испытания проводят на трансформаторе в сборе. Вторичные обмотки должны быть нагружены только на измерительное оборудование (мощность нагрузки не должна превышать 1 В·А).
Феррорезонанс инициируют замыканием накоротко выводов одной из вторичных обмоток на время не менее 0,1 с. Мощность источника должна быть достаточной для обеспечения изменения напряжения на его зажимах не более 10 % от напряжения до короткого замыкания. Отключение короткого замыкания осуществляют коммутационным аппаратом (например, выключателем или контактором). Сечения проводников, образующих контур короткого замыкания, не должны быть меньше сечения провода замыкаемой вторичной обмотки, а их длина должна быть минимально возможной. Минимально допустимые сечения этих проводников должны быть указаны в технической документации на трансформаторы конкретных типов.
Испытания проводят как минимум 10 раз для каждого из первичных напряжений, приведенных в таблице 5. В каждом опыте регистрируют осциллограммы первичного и вторичного напряжения.
По результатам измерений находят максимальное значение амплитудной погрешности трансформатора εф после промежутка времени Т ф в соответствии с 6.16. Это значение погрешности во всех опытах должно удовлетворять требованиям 6.16 (см. таблицу 5).
9.18 Проверка параметров переходных процессов
Проверку параметров переходных процессов при коротком замыкании на стороне первичного напряжения трансформатора проводят на трансформаторе в сборе или по эквивалентной схеме, приведенной на рисунке 4. Для измерения напряжения U допускается вместо индуктивного трансформатора напряжения использовать емкостно-омический делитель. Проверку параметров проводят с обязательной регистрацией осциллограмм переходных процессов.
Переходный процесс инициируют замыканием на землю вывода высокого напряжения трансформатора выключателем или короткозамыкателем. Испытания проводят при первичных напряжениях U 1 в соответствии с таблицей 5. При использовании эквивалентной схемы напряжение источника должно составлять
. Измерения проводят на испытуемой обмотке с наибольшей в низшем классе точности активно-индуктивной нагрузкой с коэффициентом мощности 0,8 и при отсутствии нагрузки. Остальные обмотки могут быть не нагружены. При нагружении остальных обмоток нагрузка не должна превышать 100 % их номинальной мощности.
Испытания проводят дважды при замыкании в максимум первичного напряжения (фазовый угол синусоидального напряжения 90°) и дважды при переходе первичного напряжения через нулевое значение (фазовый угол 0°). Допускается отклонение фазового угла в момент замыкания на ± 20°.

1 - вывод промежуточного напряжения; 2 - согласующий реактор; 3 - электромагнитный трансформатор ЭМУ; 4 - нагрузка; 5 - кабель для измерения вторичного напряжения; 6 - кабель для измерения первичного напряжения; 7 - индуктивный трансформатор напряжения; 8 - выключатель; 9 - источник напряжения; 10 - узел объединения выводов высокого и низкого напряжения емкостного делителя
Рисунок 4 - Эквивалентная схема для измерения параметров переходных процессов
В каждом опыте регистрируют осциллограммы первичного и вторичного напряжения. По результатам измерений определяют максимальное по модулю значение переходного вторичного напряжения u 2(t) на испытуемой обмотке после промежутка времени Т п. Это значение напряжения во всех опытах должно удовлетворять требованиям 6.17 (см. таблицу 6).
В соответствии с ПНСТ 282-2018, раздел 10.
В соответствии с ПНСТ 282-2018, раздел 11.
В соответствии с ПНСТ 282-2018, раздел 12.
Приложение А
(справочное)

1 - емкостный делитель напряжения; 2 - ЭМУ; 3 - вывод высокого напряжения (емкостного делителя напряжения); 4 - конденсатор высокого напряжения; 5 - вывод промежуточного напряжения (емкостного делителя напряжения); 6 - конденсатор промежуточного напряжения; 7 - вывод низкого напряжения (емкостного делителя напряжения); 8 - фильтр присоединения; 9 - согласующий реактор; 10 - электромагнитный трансформатор; 11 - вторичные выводы; 12 - демпфирующее устройство; 13 - нейтральный вывод первичной обмотки электромагнитного трансформатора
Рисунок А.1 - Типовая схема трансформатора
, %
%, не более

