Утв. и введен в действие приказом Федерального агентства по техническому регулированию и метрологии от 7 ноября 2017 г. N 1658-ст
Национальный стандарт РФ ГОСТ Р 57904-2017 (ИСО 7299-1:2007)
"ДВИГАТЕЛИ ДИЗЕЛЬНЫЕ. МОНТАЖНЫЕ ФЛАНЦЫ ДЛЯ НАСОСОВ. Часть 1. ТОПЛИВНЫЕ НАСОСЫ ВЫСОКОГО ДАВЛЕНИЯ"
Diesel engines. End-mounting flanges for pumps. Part 1. Fuel injection pumps
ОКС 43.060.40
Дата введения - 1 июля 2018 г.
Введен впервые
Предисловие
1 Подготовлен Федеральным государственным унитарным предприятием "Центральный ордена Трудового Красного Знамени научно-исследовательский автомобильный и автомоторный институт "НАМИ" (ФГУП "НАМИ") на основе собственного перевода на русский язык англоязычной версии международного стандарта, указанного в пункте 4
2 Внесен Техническим комитетом по стандартизации ТК 56 "Дорожный транспорт"
3 Утвержден и введен в действие Приказом Федерального агентства по техническому регулированию и метрологии от 7 ноября 2017 г. N 1658-ст
4 Настоящий стандарт модифицирован по отношению к международному стандарту ИСО 7299-1:2007 "Дизельные двигатели. Монтажные фланцы для насосов. Часть 1. Топливные насосы высокого давления" (ISO 7299-1:2007 "Diesel engines - End-mounting flanges for pumps - Part 1: Fuel injection pumps") путем внесения технических отклонений, выделенных курсивом с подчеркиванием сплошной горизонтальной линией, объяснение которых приведено во введении к настоящему стандарту. При этом потребности национальной экономики Российской Федерации учтены в дополнительных пунктах 3.2.10 и 3.2.11, которые выделены путем заключения их в рамки из тонких линий, а информация с объяснением причин включения этих положений приведена в указанных пунктах в виде примечаний.
Ссылка на международный стандарт заменена ссылкой на межгосударственный стандарт. Сведения о соответствии ссылочного межгосударственного стандарта международному стандарту, использованному в качестве ссылочного в примененном международном стандарте, приведены в дополнительном приложении ДА
5 Введен впервые
Введение
ИСО (Международная организация по стандартизации) является международной федерацией, объединяющей национальные группы по стандартизации (группы членов ИСО). Работа по подготовке международных стандартов осуществляется, как правило, в технических комитетах. Каждый член группы, заинтересованный в тематике, объединяющей образованный технический комитет, имеет право быть представленным в нем. Международные организации, государственные и негосударственные, связанные с ИСО, также принимают участие в работе. ИСО тесно сотрудничает с Международной электротехнической комиссией (МЭК) по всем вопросам стандартизации электротехнических изделий.
Международные стандарты разработаны в соответствии с правилами, приведенными в директивах ИСО/МЭК, часть 2.
Проекты международных стандартов, одобренные техническим комитетом, рассылаются членам группы для голосования. В соответствии с требованиями принимается публикация, набравшая не менее 75 % голосов поддержки.
Международный стандарт ИСО 7299-1:2007 подготовлен Техническим комитетом ISO/TC 22 "Дорожный транспорт", подкомитетом SC 7 "Оборудование впрыскивания и фильтры для дорожного транспорта".
Международный стандарт ИСО 7299 состоит из следующих частей под общим названием "Дизельные двигатели - Монтажные фланцы для насосов":
Часть 1: Топливные насосы высокого давления.
Часть 2: Топливные насосы высокого давления аккумуляторных топливных систем CR.
В настоящий стандарт внесены следующие технические отклонения:
- на рисунках 3, 4 и 7 размер "Ø 90" заменен на "Ø D0";
- на рисунке 4 размеры "8, 8-9, 7" заменены на "S";
- в таблицах 3, 4 и 7 введены графы для размера "Ø D0" с указанием двух значений размера и изменены размеры "l3";
- в таблице 4 введена графа для размера "S" и указаны размеры;
- в таблице 5 в первой графе введен дополнительный размер "76";
- обозначения d1, d2, d3, d4 изменены на D1, D2, D3, D4;
- дополнительно в стандарт внесены пункты 3.2.10 и 3.2.11.
Внесение технических отклонений и дополнений обусловлено особенностями объекта стандартизации, характерными для Российской Федерации, и целесообразностью использования ссылочного межгосударственного стандарта вместо международного стандарта, использованного в качестве ссылочного в примененном международном стандарте.
1 Область применения
Настоящий стандарт устанавливает требования к размерам монтажных фланцев роторных, распределительных и рядных топливных насосов высокого давления дизельных двигателей.
2 Нормативные ссылки
В настоящем стандарте использована нормативная ссылка на следующий стандарт:
ГОСТ 15060-95 Дизели автотракторные. Насосы топливные высокого давления. Габаритные и присоединительные размеры
Примечание - При пользовании настоящим стандартом целесообразно проверить действие ссылочных стандартов в информационной системе общего пользования - на официальном сайте Федерального агентства по техническому регулированию и метрологии в сети Интернет или по ежегодному информационному указателю "Национальные стандарты", который опубликован по состоянию на 1 января текущего года, и по выпускам ежемесячного информационного указателя "Национальные стандарты" за текущий год. Если заменен ссылочный стандарт, на который дана недатированная ссылка, то рекомендуется использовать действующую версию этого стандарта с учетом всех внесенных в данную версию изменений. Если заменен ссылочный стандарт, на который дана датированная ссылка, то рекомендуется использовать версию этого стандарта с указанным выше годом утверждения (принятия). Если после утверждения настоящего стандарта в ссылочный стандарт, на который дана датированная ссылка, внесено изменение, затрагивающее положение, на которое дана ссылка, то это положение рекомендуется применять без учета данного изменения. Если ссылочный стандарт отменен без замены, то положение, в котором дана ссылка на него, рекомендуется применять в части, не затрагивающей эту ссылку.
3 Габаритные и присоединительные размеры
3.1 Общие положения
Производители двигателей предлагают использовать допуск группы Н8 для внешнего диаметра окружности.
При необходимости, по взаимному соглашению между поставщиком и потребителем, допуск g8 на диаметр выступа насоса (Ø D1 на рисунках) может быть заменен на f7, а допуск Н8 на внешний диаметр окружности может быть заменен на Н7.
Примечание 1 - Диаметр D2 на рисунках и в таблицах соответствует диаметру D в ГОСТ 15060.
Примечание 2 - Фланец может быть повернут произвольно относительно корпуса топливного насоса.
3.2 Топливные насосы высокого давления
3.2.1 Монтажный фланец типа 1
Размеры монтажных фланцев типа 1 - на рисунке 1 и в таблице 1.

Рисунок 1 - Монтажный фланец типа 1
Таблица 1 - Размеры монтажных фланцев типа 1
В миллиметрах
|
D1 g8
|
D2 номинальный
|
l1 ± 0, 5
|
l2 максимальный
|
l3
|
|
минимальный
|
максимальный
|
|
50 или 68
|
17 или 20
|
12, 5
|
11
|
13
|
16
|
|
26
|
24, 5
|
3.2.2 Монтажный фланец типа 2
Размеры монтажных фланцев типа 2 - на рисунке 2 и в таблице 2.

а Оптимальная форма фланца.
Рисунок 2 - Монтажный фланец типа 2
Таблица 2 - Размеры монтажных фланцев типа 2
В миллиметрах
|
D1 g8
|
D2 номинальный
|
l1 ± 0, 5
|
l2 максимальный
|
l3
|
|
минимальный
|
максимальный
|
|
50
|
17 или 20
|
12, 5
|
11
|
13
|
16
|
|
17, 4
|
16
|
|
26
|
24, 5
|
|
68
|
17, 20 или 25
|
12, 5
|
11
|
|
17, 4
|
16
|
|
26
|
24, 5
|
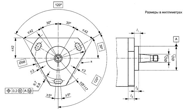
3.2.3 Монтажный фланец типа 3
Размеры монтажных фланцев типа 3 - на рисунке 3 и в таблице 3.

Рисунок 3 - Монтажный фланец типа 3
Таблица 3 - Размеры монтажных фланцев типа 3
В миллиметрах
|
D1 g8
|
D2 номинальный
|
D0
|
l1 ± 0, 5
|
l2 максимальный
|
l3
|
|
минимальный
|
максимальный
|
|
50 или 68
|
17 или 20
|
90 или 105
|
9, 5а
|
8, 2а
|
12
|
18
|
|
12, 5
|
11
|
|
17, 4
|
16
|
|
26
|
24, 5
|
|
а Данный размер только для взаимозамены с определенными типами насосов.
|
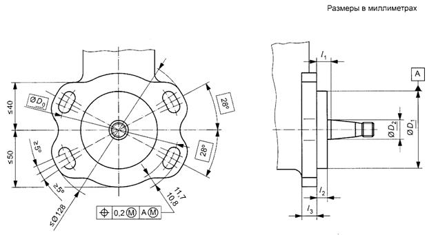
3.2.4 Монтажный фланец типа 4
Размеры монтажных фланцев типа 4 - на рисунке 4 и в таблице 4.

Рисунок 4 - Монтажный фланец типа 4
Таблица 4 - Размеры монтажных фланцев типа 4
В миллиметрах
|
D1 g8
|
D2 номинальный
|
l1 ± 0, 5
|
D0
|
l2 максимальный
|
l3
|
S
|
|
минимальный
|
максимальный
|
минимальный
|
максимальный
|
|
68
|
17
|
9, 5
|
90 или 105
|
8
|
10
|
18
|
8, 8; 10
|
9, 7; 11
|
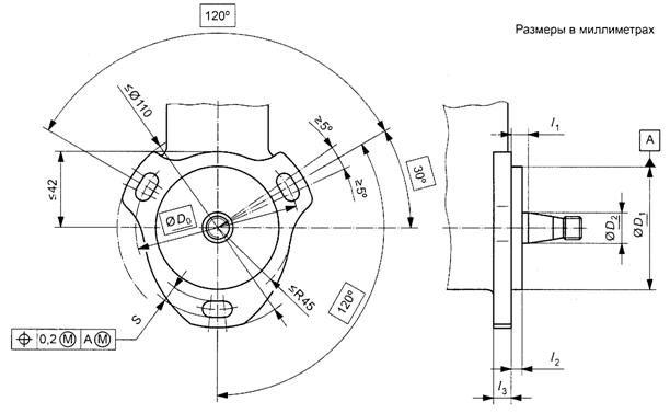
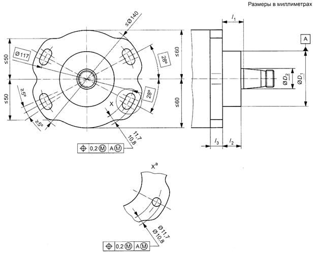
3.2.5 Монтажный фланец типа 5
Размеры монтажных фланцев типа 5 - на рисунке 5 и в таблице 5.

Рисунок 5 - Монтажный фланец типа 5
Таблица 5 - Размеры монтажных фланцев типа 5
В миллиметрах
|
D1 g8
|
D2 номинальный
|
l1 ± 0, 5
|
l2 максимальный
|
l3
|
|
минимальный
|
максимальный
|
|
74; 76 или 78
|
17
|
9, 5
|
8
|
8
|
10
|
3.2.6 Монтажный фланец типа 6
Размеры монтажных фланцев типа 6 - на рисунке 6 и в таблице 6.

а Данное исполнение имеет три отверстия.
Рисунок 6 - Монтажный фланец типа 6
Таблица 6 - Размеры монтажных фланцев типа 6
В миллиметрах
|
D1 g8
|
D2 номинальный
|
l1 ± 0, 5
|
l2 максимальный
|
l3
|
|
минимальный
|
максимальный
|
|
68, 97 или 112
|
20 или 22
|
4, 5
|
7, 5
|
17
|
18
|
|
24
|
26
|
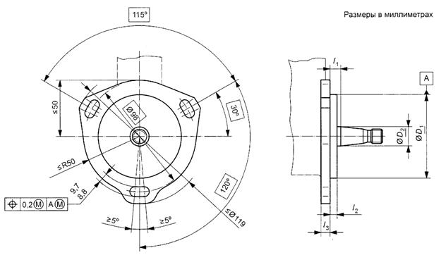
3.2.7 Монтажный фланец типа 7
Размеры монтажных фланцев типа 7 - на рисунке 7 и в таблице 7.

Рисунок 7 - Монтажный фланец типа 7
Таблица 7 - Размеры монтажных фланцев типа 7
В миллиметрах
|
D1 g8
|
D2 номинальный
|
D0
|
l1 ± 0, 5
|
l2 максимальный
|
l3
|
|
минимальный
|
максимальный
|
|
68 или 85
|
17, 20, 22 или 25
|
90 или 105
|
4, 5
|
8, 2
|
12
|
18
|
|
9, 5
|
8, 2
|
|
12, 5
|
11
|
|
17, 4
|
16
|
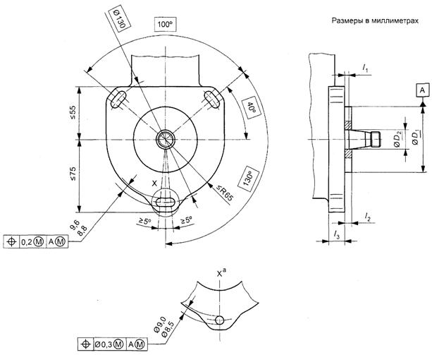
3.2.8 Монтажный фланец типа 8
Размеры монтажных фланцев типа 8 - на рисунке 8 и в таблице 8.

а При необходимости монтажа насоса в фиксированном положении производитель двигателей обязан разместить крепежные шпильки под углом 40° выше и 20° ниже горизонтальной центральной линии.
Рисунок 8 - Монтажный фланец типа 8
Таблица 8 - Размеры монтажных фланцев типа 8
В миллиметрах
|
D1 g8
|
D2 номинальный
|
l1 ± 0, 5
|
l2 максимальный
|
l3
|
D3 мин
|
D4 макс
|
l4 макс
|
|
мин
|
макс
|
|
95 или 107
|
20, 25, 30 или 35
|
9, 5
|
8, 2
|
17
|
20
|
130
|
156
|
62
|
|
13, 5
|
12 или 20, 5
|
|
18, 5
|
17
|
|
115
|
35 или 40
|
13, 5
|
12 или 20, 5
|
140
|
166
|
66
|
3.2.9 Монтажный фланец типа 9
Размеры монтажных фланцев типа 9 - на рисунке 9 и в таблице 9.

а Данное исполнение имеет четыре отверстия.
Рисунок 9 - Монтажный фланец типа 9
Таблица 9 - Размеры монтажных фланцев типа 9
В миллиметрах
|
D1 g8
|
D2 номинальный
|
l1 ± 0, 5
|
l2 максимальный
|
l3
|
|
минимальный
|
максимальный
|
|
68 или 85
|
25
|
26
|
24, 5
|
15
|
18
|
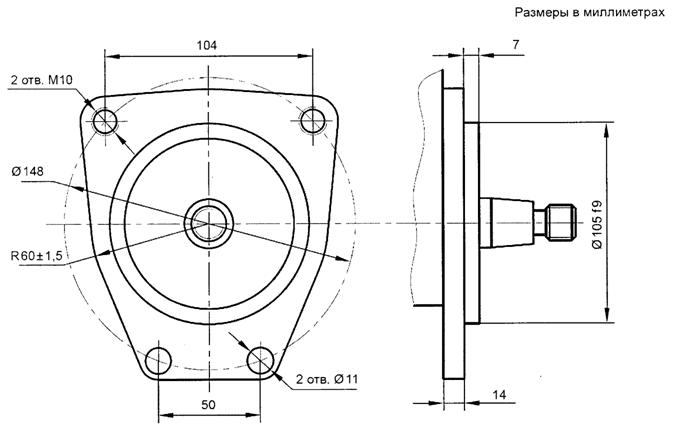
3.2.10 Монтажный фланец типа 10
Размеры монтажных фланцев типа 10 - на рисунке 10

Рисунок 10 - Монтажный фланец типа 10
3.2.11 Монтажный фланец типа 11
Размеры монтажных фланцев типа 11 - на рисунке 11.

Рисунок 11 - Монтажный фланец типа 11
Примечание - Дополнительные пункты 3.2.10 и 3.2.11 внесены для учета потребностей имеющегося производства аналогичной продукции в Российской Федерации.
Приложение ДА
(справочное)
Сведения о соответствии ссылочного межгосударственного стандарта международному стандарту, использованному в качестве ссылочного в примененном международном стандарте
Таблица ДА.1
|
Обозначение ссылочного межгосударственного стандарта
|
Степень соответствия
|
Обозначение и наименование международного стандарта
|
|
ГОСТ 15060-95
|
NEQ
|
ИСО 6519 "Двигатели дизельные. Насосы для впрыска топлива. Конические хвостовики валов и втулки"
|
|
Примечание - В настоящей таблице использовано следующее условное обозначение степени соответствия стандарта:
- NEQ - неэквивалентный стандарт.
|