Утв. и введен в действие приказом Федерального агентства по техническому регулированию и метрологии от 7 ноября 2017 г. N 1659-ст
Национальный стандарт РФ ГОСТ Р 57905-2017 (ИСО 7612:2009)
"ДВИГАТЕЛИ ДИЗЕЛЬНЫЕ. ТОПЛИВНЫЕ РЯДНЫЕ НАСОСЫ И НАСОСЫ ВЫСОКОГО ДАВЛЕНИЯ ДЛЯ АККУМУЛЯТОРНЫХ ТОПЛИВНЫХ СИСТЕМ CR, УСТАНАВЛИВАЕМЫЕ НА ОСНОВАНИЕ. ГАБАРИТНЫЕ И ПРИСОЕДИНИТЕЛЬНЫЕ РАЗМЕРЫ"
Diesel engines. Base-mounted in-line fuel injection pumps and high-pressure supply pumps for common rail fuel injection systems. Overall and mounting dimensions
ОКС 43.060.40
Дата введения - 1 июля 2018 г.
Введен впервые
Предисловие
1 Подготовлен Федеральным государственным унитарным предприятием "Центральный ордена Трудового Красного Знамени научно-исследовательский автомобильный и автомоторный институт "НАМИ" (ФГУП "НАМИ") на основе собственного перевода на русский язык англоязычной версии стандарта, указанного в пункте 4
2 Внесен Техническим комитетом по стандартизации ТК 56 "Дорожный транспорт"
3 Утвержден и введен в действие Приказом Федерального агентства по техническому регулированию и метрологии от 7 ноября 2017 г. N 1659-ст
4 Настоящий стандарт является модифицированным по отношению к международному стандарту ИСО 7612:2009 "Двигатели дизельные. Топливные рядные насосы и насосы высокого давления для аккумуляторных топливных систем CR, устанавливаемые на основание. Габаритные и присоединительные размеры" (ISO 7612:2009 "Diesel engines - Base-mounted in-line fuel injection pumps and high-pressure supply pumps for common rail fuel injection systems - Mounting dimensions", MOD) путем изменения отдельных слов, значений показателей, которые выделены в тексте курсивом с подчеркиванием сплошной горизонтальной чертой.
Внесение указанных технических отклонений направлено на учет особенностей объекта стандартизации, характерных для Российской Федерации
5 Введен впервые
Введение
ИСО (Международная организация по стандартизации) является международной федерацией, объединяющей национальные группы по стандартизации (группы членов ИСО). Работу по подготовке международных стандартов осуществляют, как правило, в технических комитетах. Каждый член группы, заинтересованный в тематике, объединяющей образованный технический комитет, имеет право быть представленным в нем. Международные организации, государственные и негосударственные, связанные с ИСО, также принимают участие в работе. ИСО тесно сотрудничает с Международной электротехнической комиссией (МЭК) по всем вопросам стандартизации электротехнических изделий.
Международные стандарты разработаны в соответствии с правилами, приведенными в директивах ИСО/МЭК, часть 2.
Проекты международных стандартов, одобренные техническим комитетом, рассылаются членам группы для голосования. В соответствии с требованиями принимается публикация, набравшая не менее 75 % голосов поддержки.
Международный стандарт ИСО 7612 подготовлен Техническим Комитетом ИСО/ТС 22, Дорожный транспорт, Подкомитет SC 7, Оборудование впрыскивания и фильтры для дорожного транспорта.
Настоящий стандарт отменяет и заменяет 3-ю редакцию ИСО 7612:2006, которая была технически пересмотрена.
1 Область применения
Настоящий стандарт определяет требования к размерам устанавливаемых на основание рядных топливных насосов высокого давления и насосов высокого давления для аккумуляторных топливных систем Common Rail (CR) дизельных двигателей.
2 Габаритные и присоединительные размеры
Габаритные и присоединительные размеры топливных насосов высокого давления приведены на рисунках 1-8 и в таблицах 1-4.
Размеры и допуски на них, не приведенные в настоящем стандарте, определяет производитель продукции.

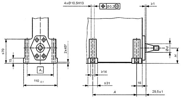
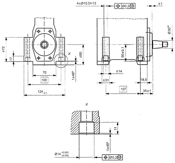
Рисунок 1 - Топливный насос высокого давления с установкой на основание, исполнение 1
Таблица 1 - Размеры топливных насосов исполнения 1
|
Число секций
|
da), ном., мм
|
А, справочный, мм
|
A1, мм
|
Н ± 0, 1, мм
|
|
4
|
25 или 30
|
140
|
86 или 110
|
45 или 52
|
|
6
|
210
|
|
8
|
280
|
|
10
|
353
|
|
12
|
423
|
|
а) Соответствует размеру d в [1].
|

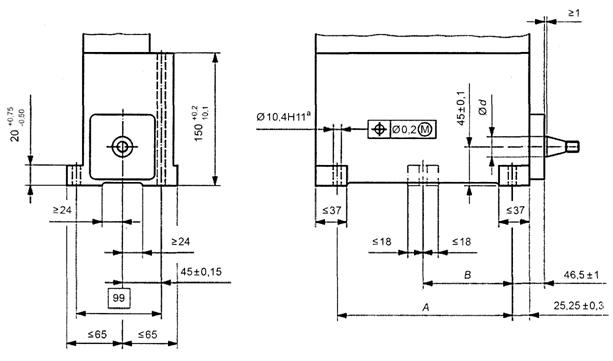
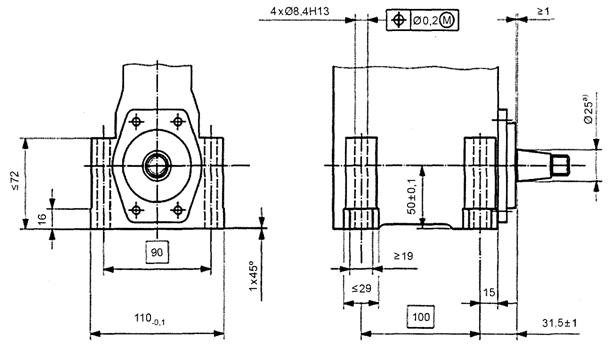
Рисунок 2 - Топливный насос высокого давления с установкой на основание, исполнение 2
Таблица 2 - Размеры топливных насосов исполнения 2
|
Число секций
|
da), ном., мм
|
A, справочный, мм
|
В, справочный, мм
|
Число крепежных отверстий
|
|
4
|
25 или 30
|
133, 5
|
-
|
4
|
|
6
|
206
|
-
|
4
|
|
8
|
278, 5
|
139, 25
|
6
|
|
а) Соответствует размеру d в [1].
|

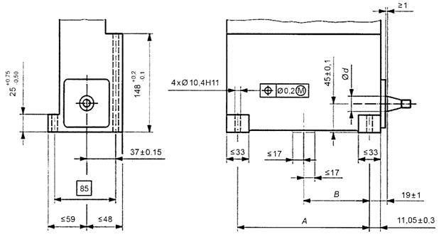
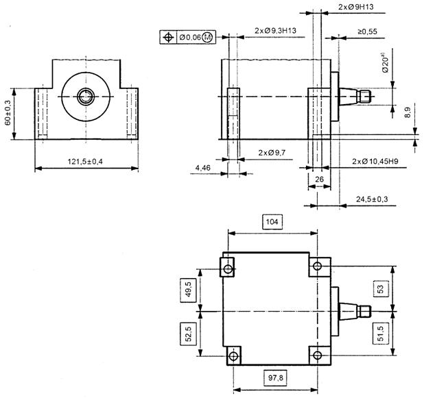
Рисунок 3 - Топливный насос высокого давления с установкой на основание, исполнение 3
Таблица 3 - Размеры топливных насосов исполнения 3
|
Число секций
|
da), ном., мм
|
А, справочный, мм
|
В ± 0, 25, мм
|
|
4
|
25 или 30
|
154
|
-
|
|
6
|
218
|
-
|
|
8
|
302
|
151
|
|
а) Соответствует размеру d в [1].
|

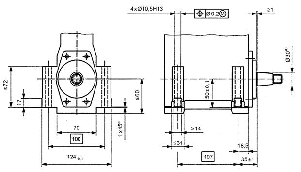
Рисунок 4 - Топливный насос высокого давления с установкой на основание, исполнение 4
Таблица 4 - Размеры топливных насосов исполнения 4
|
Число секций
|
da), ном., мм
|
А, справочный, мм
|
|
4
|
30 или 35
|
132
|
|
6
|
202
|
|
8
|
272
|
|
а) Соответствует размеру d в [1].
|

──────────────────────────────
а) Соответствует размеру d в [1].
Рисунок 5 - Двухсекционный топливный насос высокого давления с установкой на основание, исполнение 5

──────────────────────────────
а) Соответствует размеру d в [1].
Рисунок 6 - Двухсекционный топливный насос высокого давления с установкой на основание, исполнение 6

──────────────────────────────
а) Соответствует размеру d в [1].
Рисунок 7 - Двухсекционный топливный насос высокого давления с установкой на основание, исполнение 7

──────────────────────────────
а) Соответствует размеру d в [1].
Рисунок 8 - Трехсекционный топливный насос высокого давления с установкой на основание, исполнение 8
Библиография
|
[1]
|
ISO 6519, Diesel engines - Fuel injection pumps - Tapers for shaft ends and hubs (Двигатели дизельные. Насосы для впрыска топлива. Конические хвостовики валов и втулки)
|