РД 52.24.380-2017 МАССОВАЯ КОНЦЕНТРАЦИЯ НИТРАТНОГО АЗОТА В ВОДАХ. МЕТОДИКА ИЗМЕРЕНИЙ ФОТОМЕТРИЧЕСКИМ МЕТОДОМ С РЕАКТИВОМ ГРИССА ПОСЛЕ ВОССТАНОВЛЕНИЯ В КАДМИЕВОМ РЕДУКТОРЕ
Дата введения - 1 октября 2018 г.
Взамен РД 52.24.380-2006
Введение
Азот относится к числу биогенных элементов, и его соединения имеют особое значение для развития жизни в водных объектах. При отсутствии азотсодержащих соединений в воде рост и развитие водной растительности прекращается, однако избыток этих соединений приводит к негативным последствиям, вызывая процессы эвтрофикации водного объекта и ухудшение качества воды.
Источниками поступления соединений азота в природные воды являются разложение клеток отмерших организмов, прижизненные выделения гидробионтов, атмосферные осадки, фиксация из воздуха в результате жизнедеятельности азотфиксирующих бактерий. Значительное количество азота может попадать в водные объекты с бытовыми, сельскохозяйственными и промышленными сточными водами.
Понижение содержания соединений азота в водоемах связано, в основном, с потреблением их водными растениями. Некоторую роль в этом процессе играет денитрификация, то есть перевод связанного азота в свободное состояние.
Минеральные формы азота в водных объектах представлены, главным образом, нитритами, нитратами, аммиаком и ионами аммония. Нитраты являются конечным продуктом минерализации органических азотсодержащих веществ, их содержание в воде, как правило, значительно превышает содержание аммонийного и нитритного азота. В незагрязненных водных объектах концентрация нитратного азота обычно не превышает десятых долей миллиграмма в кубическом дециметре. Для нитратов характерно уменьшение содержания в вегетационный период за счет потребления водными растениями и увеличение осенью при отмирании водных организмов и минерализации органических веществ. Максимальное содержание нитратов наблюдается в зимний период.
Содержание нитратов в подземных водах обычно значительно выше, чем в поверхностных.
Предельно допустимая концентрация нитратного азота в природных водах составляет 9,1 мг/дм3 для водных объектов рыбохозяйственного значения и 10 мг/дм3 - хозяйственно-питьевого и культурно-бытового водопользования.
1.1 Настоящий руководящий документ устанавливает методику измерений (далее - методика) массовой концентрации нитратного азота в пробах природных и очищенных сточных вод фотометрическим методом с реактивом Грисса после восстановления в кадмиевом редукторе в диапазоне от 0,010 до 25,0 мг/дм3.
1.2 Настоящий руководящий документ предназначен для использования в лабораториях, осуществляющих анализ природных и очищенных сточных вод.
В настоящем руководящем документе использованы ссылки на следующие нормативные документы:
ГОСТ 12.1.005-88 Система стандартов безопасности труда. Общие санитарно-гигиенические требования к воздуху рабочей зоны
ГОСТ 12.1.007-76 Система стандартов безопасности труда. Вредные вещества. Классификация и общие требования безопасности
ГОСТ 17.1.5.04-81 Охрана природы. Гидросфера. Приборы и устройства для отбора, первичной обработки и хранения проб природных вод. Общие технические условия
ГОСТ 17.1.5.05-85 Охрана природы. Гидросфера. Общие требования к отбору проб поверхностных и морских вод, льда и атмосферных осадков
ГОСТ 31861-2012 Вода. Общие требования к отбору проб
ГОСТ Р ИСО 5725-6-2002 Точность (правильность и прецизионность) методов и результатов измерений. Часть 6. Использование значений точности на практике
МИ 2881-2004 Государственная система обеспечения единства измерений. Методики количественного химического анализа. Процедуры проверки приемлемости результатов анализа
Примечания
1 Ссылки на остальные нормативные документы приведены в разделах 4, Б.3 и Б.4 (приложение Б).
2 При пользовании настоящим руководящим документом целесообразно проверять действие национальных стандартов - в информационной системе общего пользования - на официальном сайте национального органа Российской Федерации по стандартизации в сети Интернет или по ежегодно издаваемому информационному указателю "Национальные стандарты", который опубликован по состоянию на 1 января текущего года, и по соответствующим ежемесячно издаваемым информационным указателям, опубликованным в текущем году.
3 Если ссылочный нормативный документ заменен (изменен), то при пользовании настоящим руководящим документом следует руководствоваться замененным (измененным) нормативным документом. Если ссылочный нормативный документ отменен без замены, то положение, в котором дана ссылка на него, применяется в части, не затрагивающей эту ссылку.
3.1 При соблюдении всех регламентируемых методикой условий проведения измерений характеристики погрешности результата измерения с вероятностью 0,95 не должны превышать значений, приведенных в таблице 1.
|
Диапазон измерений массовой концентрации нитратного азота |
Показатель повторяемости (среднеквадратическое отклонение повторяемости) |
Показатель воспроизводимости (среднеквадратическое отклонение воспроизводимости) |
Показатель правильности (границы систематической погрешности) |
Показатель точности (границы абсолютной погрешности) |
|
X, мг/дм3 |
σr, мг/дм3 |
σR, мг/дм3 |
±Δc, мг/дм3 |
±Δ, мг/дм3 |
|
От 0,010 до 0,080 включ. |
0,001+0,08•X |
0,002+0,12•X |
0,001+0,20•X |
0,004+0,24•X |
|
Св. 0,080 до 0,300 включ. |
0,002+0,08•X |
0,003+0,11•X |
0,001+0,05•X |
0,006+0,24•X |
|
Св. 0,300 до 1,25 включ. |
0,012•X |
0,05•X |
0,03•X |
0,10•X |
|
Св. 1,25 до 25,0 включ. |
0,009•X |
0,02•X |
0,027•X |
0,054•X |
Предел обнаружения нитратного азота фотометрическим методом с реактивом Грисса после восстановления в кадмиевом редукторе равен 0,005 мг/дм3.
3.2 Значения показателя точности методики используют при:
- оформлении результатов измерений, выдаваемых лабораторией;
- оценке деятельности лабораторий на качество проведения измерений;
- оценке возможности использования результатов измерений при реализации методики в конкретной лаборатории.
4.1.1 Фотометр или спектрофотометр любого типа (КФК-3, ПЭ-5300, ПЭ-5400, Unico 1201 и др.).
4.1.2 Весы неавтоматического действия (лабораторные) специального (I) класса точности по ГОСТ Р 53228-2008 или ГОСТ OIML R 76-1-2011, действительная цена деления (шкалы) 0,0001 г.
4.1.3 Весы неавтоматического действия (лабораторные) высокого (II) класса точности по ГОСТ Р 53228-2008 или ГОСТ OIML R 76-1-2011, действительная цена деления (шкалы) 0,001 г или 0,01 г.
4.1.4 Государственный стандартный образец состава раствора нитрат-ионов ГСО 7258-96 или аналогичный с относительной погрешностью аттестованного значения не более 1% (далее - ГСО).
4.1.5 Колбы мерные 2-го класса точности исполнения 2 или 2а по ГОСТ 1770-74 вместимостью: 100 см3 - 4 шт., 250 см3 - 1 шт., 1000 см3 - 1 шт.
4.1.6 Бюретка 2 класса точности исполнения 1, 3 по ГОСТ 29251-91 вместимостью 25 см3 - 2 шт.
4.1.7 Пипетки градуированные 2-го класса точности типа 1 и 3 исполнения 1 или 2 по ГОСТ 29227-91 вместимостью: 2 см3 - 3 шт., 5 см3 - 1 шт., 10 см3 - 1 шт.
4.1.8 Пипетки с одной отметкой 2 класса точности исполнения 2 по ГОСТ 29169-91 вместимостью: 5 см3 - 1 шт., 10 см3 - 1 шт., 20 или 25 см3 - 1 шт.
4.1.9 Цилиндры мерные исполнения 1 или 3 по ГОСТ 1770-74 вместимостью: 25 см3 - 3 шт., 100 см3 - 3 шт., 500 см3 - 1 шт., 1000 см3 - 1 шт.
4.1.10 Колбы конические Кн исполнения 2 по ГОСТ 25336-82 вместимостью: 50 см3 - 20 шт., 500 см3 - 1 шт.
4.1.11 Стаканы В-1, ТХС, по ГОСТ 25336-82 вместимостью: 150 см3 - 4 шт., 250 см3 - 2 шт., 600 см3 - 1 шт., 1000 см3 - 1 шт.
4.1.12 Редуктор (рисунок 1) или колонка кадмиевая для восстановления нитратов с аналогичными характеристиками.
4.1.13 Стаканчики для взвешивания СВ-19/9 и СВ-24/10 по ГОСТ 25336-82 - 2 шт.
4.1.14 Пробирка коническая исполнения 1 по ГОСТ 1770-74.
4.1.15 Воронка лабораторная типа В по ГОСТ 25336-82 диаметром 56 мм.
4.1.16 Ступка N 3 или N 4 по ГОСТ 9147-80.
4.1.17 Пестик N 1 или N 2 по ГОСТ 9147-80.

Размеры приведены в миллиметрах
Рисунок 1 - Редуктор
4.1.18 Эксикатор исполнения 2 с диаметром корпуса 190 мм по ГОСТ 25336-82.
4.1.19 Устройство для фильтрования проб с использованием мембранных или бумажных фильтров.
4.1.20 Посуда стеклянная (в том числе из темного стекла) для хранения проб и растворов вместимостью 0,1; 0,25; 0,5 и 1,0 дм3.
4.1.21 Посуда полиэтиленовая (полипропиленовая) для хранения проб вместимостью 0,25 дм3.
4.1.22 Шкаф сушильный общелабораторного назначения.
4.1.23 Электроплитка с закрытой спиралью по ГОСТ 14919-83.
Примечание - Допускается использование других типов средств измерений, посуды и вспомогательного оборудования, в том числе импортных, с характеристиками не хуже, чем у приведенных в 4.1.
4.2.1 Калий азотнокислый (калия нитрат) по ГОСТ 4217-77, х.ч. (при отсутствии ГСО).
4.2.2 Аммоний хлористый (аммония хлорид) по ГОСТ 3773-72, ч.д.а.
4.2.3 Реактив Грисса по ТУ 6-09-3569-86, ч.д.а., или кислота сульфаниловая по ГОСТ 5821-78, ч.д.а. и 1-нафтиламин по ГОСТ 8827-74, ч.д.а.
4.2.4 Натрий азотистокислый (натрия нитрит) по ГОСТ 4197-74, х.ч.
4.2.5 Кислота уксусная по ГОСТ 61-75, х.ч.
4.2.6 Кислота соляная по ГОСТ 3118-77, ч.д.а.
4.2.7 Кислота серная по ГОСТ 4204-77, ч.д.а.
4.2.8 Квасцы алюмокалиевые по ГОСТ 4329-77, ч.д.а.
4.2.9 Аммиак водный по ГОСТ 3760-79, ч.д.а.
4.2.10 Барий хлорид 2-водный по ГОСТ 4108-72, ч.д.а.
4.2.11 Натрия гидроокись (гидроксид натрия) по ГОСТ 4328-77, ч.д.а.
4.2.12 Вода дистиллированная по ГОСТ 6709-72.
4.2.13 Хлорид кальция обезвоженный по ТУ 6-09-4711-81, ч. (для эксикатора).
4.2.14 Фильтры бумажные обеззоленные "белая лента" и "синяя лента" по ТУ 6-09-1678-95.
4.2.15 Фильтры мембранные "Владипор МФАС-ОС-2", 0,45 мкм по ТУ 6-55-221-1-29-89 или другого типа с равноценными характеристиками.
4.2.16 Универсальная индикаторная бумага (рН от 0 до 12) по ТУ 2642-054-23050963-2008.
Примечание - Допускается использование реактивов, изготовленных по другой нормативно-технической документации, в том числе импортных, с квалификацией не ниже указанной в 4.2.
4.3.1 Источник постоянного тока (выпрямитель) любого типа, позволяющий получить напряжение на ячейке 3 В при величине тока не менее 2 А.
4.3.2 Вольтметр постоянного тока по ГОСТ 8711-93, позволяющий измерить напряжение 3 В.
4.3.3 Амперметр постоянного тока по ГОСТ 8711-93, позволяющий измерить ток от 1 до 2 А.
4.3.4 Сосуд типа СЦ вместимостью 3,0 дм3 или стакан Н исполнения 1, 2 диаметром не менее 150 мм вместимостью 3000 или 5000 см3 по ГОСТ 25336-82.
4.3.5 Свинцовая или кадмиевая пластинка площадью от 80 до 100 см2.
4.3.6 Кадмий в палочках по ТУ 6-09-5434-88, ч. или ч.д.а.
4.3.7 Кадмий сернокислый (кадмия сульфат) по ГОСТ 4456-75, ч.д.а.
4.3.8 Медь (II) сернокислая, 5-водная (меди сульфат) по ГОСТ 4165-78, ч.д.а.
Выполнение измерений массовой концентрации нитратного азота фотометрическим методом основано на восстановлении нитратов металлическим кадмием до нитритов с последующим определением концентрации образующихся нитритов с реактивом Грисса. Максимум оптической плотности в спектре азокрасителя наблюдается при 520 нм.
Эффективность кадмия как восстановителя значительно возрастает, если он предварительно обработан раствором соли меди. Восстановленная при этом медь оседает на поверхности кадмия, образуя с ним гальваническую пару. Степень восстановления нитратов зависит от рН раствора и максимальна в слабощелочной среде.
6.1 При выполнении измерений массовой концентрации нитратного азота в пробах природных и очищенных сточных вод соблюдают требования безопасности, установленные в государственных стандартах и соответствующих нормативных документах.
6.2 По степени воздействия на организм вредные вещества, используемые при выполнении измерений, относятся ко 2-му и 3-му классам опасности по ГОСТ 12.1.007.
6.3 Содержание используемых вредных веществ в воздухе рабочей зоны не должно превышать установленных ПДК в соответствии с ГОСТ 12.1.005.
6.4 Работу по получению и омеднению металлического кадмия следует проводить в резиновых перчатках.
6.5 Вредные вещества подлежат сбору и утилизации в соответствии с установленными правилами.
6.6 Особых требований по экологической безопасности не предъявляется.
К выполнению измерений и обработке их результатов допускают лиц с высшим или средним профессиональным образованием, имеющих стаж работы в лаборатории не менее 6 мес. и освоивших методику.
|
При выполнении измерений соблюдают следующие условия: | |
|
- температура окружающего воздуха, °С |
22±5; |
|
- атмосферное давление, кПа (мм рт. ст.) |
от 84,0 до 106,7 (от 630 до 800); |
|
- влажность воздуха при температуре 25°С, %, не более |
80; |
|
- напряжение в сети, В |
220±22; |
|
- частота переменного тока в сети питания, Гц |
50±1. |
Отбор проб для определения нитратного азота производится в соответствии с ГОСТ 17.1.5.05 и ГОСТ 31861. Оборудование для отбора проб должно соответствовать ГОСТ 17.1.5.04 и ГОСТ 31861. Пробы помещают в стеклянную или пластиковую посуду. Пробы, содержащие взвешенные вещества, фильтруют через мембранный фильтр 0,45 мкм или бумажный фильтр "синяя лента", отбрасывая первую порцию фильтрата. Объем отбираемой пробы не менее 250 см3.
Нитраты относятся к биохимически нестойким компонентам, поэтому анализ должен быть проведен в день отбора пробы. При охлаждении от 2°С до 5°С допускается хранение профильтрованных проб воды в течение 3 сут.
Растворяют 5 г хлорида аммония в 1 дм3 дистиллированной воды. Срок хранения в плотно закрытой посуде при комнатной температуре не более 6 мес.
Взвешивают 2,0 г сульфаниловой кислоты и растворяют её в 300 см3 12%-ного раствора уксусной кислоты при перемешивании в стакане вместимостью 600 см3. Для ускорения растворения стакан помещают в горячую воду. Срок хранения в плотно закрытой склянке из темного стекла в холодильнике не более 2 мес.
9.2.3.1 Для приготовления раствора реактива Грисса взвешивают 10 г сухого, растертого в ступке до однородной массы готового реактива Грисса и растворяют его в 100 см3 12%-ного раствора уксусной кислоты. Раствор фильтруют через бумажный фильтр "белая лента". Срок хранения в плотно закрытой склянке из темного стекла в холодильнике не более 7 сут, при комнатной температуре - не более 2 сут.
9.2.3.2 Для приготовления раствора реактива Грисса из 1-нафтиламина и сульфаниловой кислоты в бюксе взвешивают 0,1 г 1-нафтиламина, растворяют его в 1 см3 уксусной кислоты, добавляют 150 см3 12%-ного раствора уксусной кислоты, перемешивают и фильтруют. Срок хранения в плотно закрытой склянке из темного стекла в холодильнике не более 1 мес.
Раствор реактива Грисса готовят, смешивая равные объемы растворов сульфаниловой кислоты и 1-нафтиламина. Раствор используют в день приготовления.
Растворяют 60 см3 уксусной кислоты в 440 см3 дистиллированной воды. Срок хранения в плотно закрытой посуде не ограничен.
Растворяют 4,4 см3 концентрированной соляной кислоты в 1 дм3 дистиллированной воды. Срок хранения в плотно закрытой посуде не ограничен.
Растворяют 63 г алюмокалиевых квасцов в 500 см3 дистиллированной воды в стакане вместимостью 1 дм3, нагревают раствор до 60°С и при постоянном перемешивании медленно прибавляют 28 см3 аммиака водного. Дают смеси отстояться в течение 1 ч, а затем промывают несколько раз дистиллированной водой, сливая жидкость над осадком. Полученную суспензию хранят при комнатной температуре под слоем дистиллированной воды в защищенном от света месте не более 3 мес.
Кадмий металлический омедненный получают в соответствии с приложением А.
Для приготовления стабилизирующего раствора в мерную колбу вместимостью 1000 см3 помещают 0,8 см3 раствора нитрата калия с концентрацией нитратного азота 250,0 мг/дм3, методика приготовления которого приведена в приложении Б, добавляют 20 см3 раствора хлорида аммония, доводят объем дистиллированной водой до метки на колбе и перемешивают. Раствор хранению не подлежит, используют в день приготовления.
9.3.1 Омедненный кадмий переносят в редуктор, заполненный дистиллированной водой, следя за тем, чтобы он равномерно распределялся по колонке, без пустот и воздушных пузырьков. После заполнения редуктора омедненным кадмием необходимо пропустить через редуктор от 1000 до 2000 см3 стабилизирующего раствора с концентрацией нитратного азота 0,2 мг/дм3.
9.3.2 Для каждого вновь подготовленного редуктора следует установить оптимальную скорость пропускания пробы. Для этого берут по 100 см3 стабилизирующего раствора и пропускают его через редуктор с различной скоростью (в интервале от 8 до 14 см3/мин). Первые 60 см3 раствора, прошедшего через редуктор, отбрасывают, последующие 25 см3 отбирают мерным цилиндром, ополоснув его предварительно тем же раствором, в коническую колбу, добавляют 1,5 см3 реактива Грисса и через 40 мин измеряют оптическую плотность. Оптимальной является скорость, при которой оптическая плотность раствора максимальна.
9.3.3 Для определения степени восстановления нитратов при работе редуктора следует сравнить оптическую плотность стабилизирующего раствора, полученного при пропускании его через редуктор с оптимальной скоростью, и оптическую плотность раствора с концентрацией нитритного азота 0,2 мг/дм3, к 25 см3 которого добавлено 0,5 см3 хлорида аммония и 1,5 см3 реактива Грисса. Следует также провести холостой опыт.
Степень восстановления нитратов равна A(NO3ˉ)/A(NO2ˉ)•100, где A(NO3ˉ) и A(NO2ˉ) - оптические плотности растворов нитратного и нитритного азота после вычитания оптической плотности холостой пробы. Удовлетворительным считается редуктор, для которого степень восстановления превышает 90% (допустимо использовать редуктор со степенью восстановления не менее 80%).
При падении степени восстановления кадмий из колонки следует перенести в стакан и промыть 300 см3 раствора соляной кислоты с концентрацией 0,05 моль/дм3, затем отмыть кадмий от мелких частиц дистиллированной водой. Промывание кадмия следует проводить до тех пор, пока вода над ним после взбалтывания не останется совершенно прозрачной.
Отмытый кадмий загружают в редуктор и вновь проверяют степень восстановления описанным выше способом. Если указанная процедура не приведет к повышению степени восстановления, колонку следует заполнить свежей порцией омедненного кадмия.
Продолжительность работы кадмиевого редуктора зависит от состава анализируемой воды и может достигать до нескольких сотен проб.
Градуировочные растворы готовят из ГСО с концентрацией нитрат-иона 1,00 мг/см3 (0,2259 мг/см3 нитратного азота). Для приготовления градуировочного раствора N 1 вскрывают ампулу и ее содержимое переносят в сухую чистую коническую пробирку. С помощью сухой градуированной пипетки вместимостью 5 см3 отбирают 4,45 см3 образца и переносят в мерную колбу вместимостью 100 см3. Объем в колбе доводят до метки дистиллированной водой и перемешивают. Массовая концентрация нитратного азота в градуировочном растворе N 1 составляет 10,05 мг/дм3 (если концентрация нитрат-ионов в ГСО не равна точно 1,00 мг/см3, рассчитывают массовую концентрацию нитратного азота в градуировочном растворе N 1 соответственно концентрации конкретного образца, либо пересчитывают объем стандартного образца, который необходимо отобрать, чтобы получить раствор с концентрацией нитратного азота 10,0 мг/дм3).
Градуировочный раствор N 1 хранят в холодильнике в плотно закрытой склянке не более 5 сут.
Для приготовления градуировочного раствора N 2 пипеткой с одной отметкой отбирают 25,0 см3 градуировочного раствора N 1, помещают его в мерную колбу вместимостью 100 см3, доводят до метки дистиллированной водой и перемешивают. Массовая концентрация нитратного азота в градуировочном растворе N 2 составляет 2,51 мг/дм3.
Градуировочный раствор N 2 хранят в холодильнике в плотно закрытой склянке не более 2 сут.
При отсутствии ГСО допускается в качестве градуировочных растворов использовать аттестованные растворы нитрата калия, методика приготовления которых приведена в приложении Б.
Для приготовления градуировочных образцов в мерные колбы вместимостью 100 см3 с помощью градуированных пипеток типа 1 вместимостью 1, 2 и 5 см3 приливают 0; 0,4; 0,8; 1,6; 2,4; 3,2 см3 градуировочного раствора N 2 с массовой концентрацией нитратного азота 2,51 мг/дм3 и 1,0; 1,5; 2,0; 2,5; 3,0 см3 градуировочного раствора N 1 с массовой концентрацией нитратного азота 10,05 мг/дм3. Объемы растворов доводят до меток на колбах дистиллированной водой и перемешивают. Массовая концентрация нитратного азота в полученных растворах составит соответственно 0; 0,010; 0,020; 0,040; 0,060; 0,080; 0,101; 0,151; 0,201; 0,251; 0,302 мг/дм3.
К каждому раствору в мерной колбе приливают по 2 см3 раствора хлорида аммония, перемешивают и выполняют измерения по 10.1.
Примечание - В случае использования аттестованных растворов для приготовления градуировочных образцов массовая концентрация нитратного азота в них составит соответственно 0; 0.010; 0,020; 0,040; 0,060; 0,080; 0,100; 0,150; 0,200; 0,250; 0,300 мг/дм3.
Оптическую плотность образцов с концентрацией нитратного азота в диапазоне от 0,010 мг/дм3 до 0,080 мг/дм3 измеряют в кювете с толщиной поглощающего слоя 5 см, с концентрацией от 0,080 мг/дм3 до 0,300 мг/дм3 - в кювете с толщиной поглощающего слоя 1 см относительно дистиллированной воды. Оптическую плотность холостой пробы измеряют в обеих кюветах и вычитают ее из оптической плотности градуировочных образцов.
Градуировочные зависимости оптической плотности от массовой концентрации нитратного азота для каждого из диапазонов измерений рассчитывают методом наименьших квадратов.
Градуировочную зависимость устанавливают при использовании новой партии реактива Грисса и при замене измерительного прибора или редуктора, но не реже 1 раза в квартал.
Контроль стабильности градуировочной характеристики проводят каждый раз перед анализом серии проб. Средствами контроля являются образцы, используемые для установления градуировочной зависимости по 9.5 (не менее 3 для каждой градуировочной зависимости).
Допускается проводить контроль стабильности градуировочной характеристики для одного диапазона измерений, если второй диапазон не будет использован для расчета результатов анализа в данной серии проб.
Градуировочная характеристика считается стабильной при выполнении следующего условия для всех используемых для контроля градуировочных образцов
|Хг-Сг|≤σR, (1)
где Хг - результат контрольного измерения массовой концентрации нитратного азота в образце, мг/дм3;
Сг - приписанное образцу значение массовой концентрации нитратного азота, мг/дм3;
σR - показатель воспроизводимости для концентрации Сг, мг/дм3 (см. таблицу 1).
Если условие стабильности не выполняется для одного градуировочного образца, необходимо выполнить повторное измерение этого образца для исключения результата, содержащего грубую погрешность. При повторном невыполнении условия выясняют причины нестабильности, устраняют их и повторяют измерение с использованием других образцов, предусмотренных методикой. Если градуировочный образец вновь не будет удовлетворять условию (1), устанавливают новую градуировочную зависимость.
При выполнении условия (1) учитывают знак разности между измеренными и приписанными значениями массовой концентрации нитратного азота в образцах. Эта разность должна иметь как положительное, так и отрицательное значение, если же все значения имеют один знак, это свидетельствует о наличии систематического отклонения. В таком случае требуется установить новую градуировочную зависимость.
10.1 Мерным цилиндром вместимостью 100 см3 отбирают отфильтрованную анализируемую воду, помещают ее в сухой стакан вместимостью 150 см3, добавляют 2 см3 раствора хлорида аммония, перемешивают и пропускают через кадмиевый редуктор с оптимальной скоростью, добавляя пробу порциями объемом около 25 см3. Первые 60 см3 пробы, прошедшие через редуктор, отбрасывают. Следующую порцию раствора объемом 25 см3 отбирают в мерный цилиндр вместимостью 25 см3. Цилиндр предварительно ополаскивают тем же раствором.
Из цилиндра пробу переносят в сухую коническую колбу вместимостью 50 см3, немедленно добавляют 1,5 см3 раствора реактива Грисса и тщательно перемешивают. Через 40 мин измеряют оптическую плотность пробы при длине волны 520 нм на спектрофотометрах или фотометрах с непрерывной разверткой спектра (на фотометрах, снабженных светофильтрами - при 540 нм) относительно дистиллированной воды в кювете с толщиной поглощающего слоя 1 см или 5 см в зависимости от концентрации нитратного азота. Окраска полученных растворов устойчива не более 2 ч.
Если измеренное значение оптической плотности пробы превышает таковое для последней точки градуировочной зависимости для кюветы с толщиной поглощающего слоя 5 см, то проводят измерение оптической плотности в кювете с толщиной поглощающего слоя 1 см. Если же полученное значение оптической плотности превышает значение таковой для последней точки градуировочной зависимости в кювете с толщиной поглощающего слоя 1 см, то проводят повторное определение после соответствующего разбавления пробы. Для этого пипеткой с одной отметкой отбирают аликвоту от 1 до 50 см3 исходной пробы воды (V), помещают ее в мерную колбу вместимостью 100 см3, доводят объем раствора до метки на колбе дистиллированной водой, добавляют 2 см3 раствора хлорида аммония и перемешивают. Отбираемую для разбавления аликвоту следует выбирать таким образом, чтобы массовая концентрация нитратного азота в пробе после разбавления находилась в пределах от 0,100 до 0,300 мг/дм3.
10.2 Одновременно с пробами выполняют холостой опыт. Если в пробах нитриты отсутствуют, в качестве холостой пробы используют 25 см3 дистиллированной воды (без пропускания через редуктор), к которой приливают 0,5 см3 раствора хлорида аммония и 1,5 см3 раствора реактива Грисса. В том случае, когда нитратный азот определяется в разбавленной пробе, холостой опыт выполняют со 100 см3 дистиллированной воды, к которой добавлено 2 см3 раствора хлорида аммония. После пропускания через редуктор эту воду разбавляют дистиллированной водой в 100/V раз.
Если в пробе присутствует нитритный азот, то в качестве холостой пробы при определении нитратного азота без разбавления используют 25 см3 анализируемой пробы воды (без пропускания через редуктор), к которой приливают 0,5 см3 раствора хлорида аммония и 1,5 см3 раствора реактива Грисса. Если вода окрашена, следует выполнить измерение собственной оптической плотности воды, к 25 см3 которой добавлено 0,5 см3 раствора хлорида аммония и 1,5 см3 раствора сульфаниловой кислоты. В том случае, когда выполнение измерений массовой концентрации нитратного азота проводилось после разбавления пробы, холостое измерение выполняют на пробе воды, разбавленной в той же кратности.
Измерение оптической плотности холостой пробы выполняют в кюветах с той же толщиной поглощающего слоя, что и анализируемые пробы воды.
10.3 Выполнению измерений мешают значительные количества гумусовых веществ, так как они вступают во взаимодействие с медью и кадмием с образованием комплексных соединений, накапливающихся на поверхности металла и нарушающих нормальную работу редуктора. Поэтому при анализе окрашенных вод необходима предварительная обработка исследуемой пробы суспензией гидроксида алюминия. Для этого 250 см3 анализируемой воды помещают в коническую колбу вместимостью 500 см3, приливают 7 см3 суспензии гидроксида алюминия и периодически встряхивают до обесцвечивания жидкости. Дают пробе отстояться несколько минут и фильтруют через бумажный фильтр "белая лента", предварительно промытый дистиллированной водой. Первую порцию фильтрата следует отбросить, а из остальной порции отбирают необходимую для анализа аликвоту и проводят определение нитратного азота, как описано выше.
При достаточно высокой концентрации нитратного азота уменьшить влияние указанных веществ можно разбавлением пробы дистиллированной водой таким образом, чтобы концентрация нитратного азота после разбавления составляла не менее 0,100 мг/дм3.
После анализа пробы воды с неизвестной массовой концентрацией нитратного азота, либо после пробы с высокой концентрацией, за которой должна следовать проба с низкой концентрацией нитратного азота, через редуктор пропускают 100 см3 или более дистиллированной воды с добавлением 2 см3 хлорида аммония (на каждые 100 см3) в зависимости от концентраций нитратного азота в предыдущей и последующей пробах.
11.1 Рассчитывают оптическую плотность Ах, соответствующую массовой концентрации нитратного азота в анализируемой пробе воды
Ах=А-А1-А2, (2)
где А - оптическая плотность анализируемой пробы воды;
А1 - оптическая плотность холостого опыта;
А2 - собственная оптическая плотность анализируемой воды (при измерении в пробе без разбавления, содержащей нитриты); если холостой выполнен с использованием дистиллированной или неокрашенной пробы воды, А2=0.
11.2 Массовую концентрацию нитратного азота в анализируемой пробе воды X, мг/дм3, вычисляют по градуировочной зависимости согласно полученному значению Ах.
Если для устранения цветности использовали суспензию гидроксида алюминия, то полученный результат умножают на коэффициент 1,03.
Если измерение проводилось в разбавленной пробе воды, массовую концентрацию нитратного азота в исходной пробе воды X, мг/дм3, рассчитывают по формуле
, (3)
где Хгр - массовая концентрация нитратного азота в разбавленной пробе, найденная по градуировочной зависимости, мг/дм3;
100 - объем мерной колбы, см3;
V - аликвота анализируемой пробы воды, отобранная для разбавления по 10.1, см3.
12.1 Результат измерения в документах, предусматривающих его использование, представляют в виде:
X±Δ, мг/дм3 (Р = 0,95), (4)
где ±Δ - границы абсолютной погрешности результатов измерения для данной массовой концентрации нитратного азота (см. таблицу 1).
Абсолютные погрешности результатов измерений представляют числом, содержащим не более двух значащих цифр. Наименьшие разряды числовых значений результатов измерений принимают такими же, как и наименьшие разряды числовых значений абсолютных погрешностей результатов измерений.
12.2 Допустимо представлять результат в виде:
X̅±Δл (Р = 0,95) при условии Δл<Δ, (5)
где ±Δл - границы абсолютной погрешности результатов анализа, установленные при реализации методики в лаборатории и обеспечиваемые контролем стабильности результатов измерений, мг/дм3.
Примечание - При необходимости представления результатов измерений в виде массовой концентрации нитрат-ионов значения массовой концентрации нитратного азота и абсолютной погрешности результатов измерений умножают на коэффициент пересчета 4,427.
12.3 Результаты измерения оформляют протоколом или записью в журнале по формам, приведенным в Руководстве по качеству лаборатории.
13.1.1 Контроль качества результатов измерений при реализации методики в лаборатории предусматривает:
- оперативный контроль исполнителем процедуры выполнения измерений на основе оценки погрешности при реализации отдельно взятой контрольной процедуры;
- контроль стабильности результатов измерений на основе контроля стабильности повторяемости и погрешности.
13.1.2 Периодичность оперативного контроля исполнителем процедуры выполнения измерений, а также реализуемые процедуры контроля стабильности результатов выполняемых измерений регламентируются в Руководстве по качеству лаборатории.
13.2.1 Оперативный контроль процедуры выполнения измерений с использованием метода добавок совместно с методом разбавления проб применяют, если массовая концентрация нитратного азота в рабочей пробе превышает 0,100 мг/дм3. В противном случае используют метод добавок, приведенный в 13.3.
13.2.2 Оперативный контроль исполнителем процедуры выполнения измерений проводят путем сравнения результатов отдельно взятой контрольной процедуры Кк с нормативом контроля К.
13.2.3 Результат контрольной процедуры Кк, мг/дм3, рассчитывают по формуле
, (6)
где X" - результат контрольного измерения массовой концентрации нитратного азота в пробе, разбавленной в
раз, с известной добавкой, мг/дм3;
Х' - результат контрольного измерения массовой концентрации нитратного азота в пробе, разбавленной в
раз, мг/дм3;
X - результат измерения массовой концентрации нитратного азота в рабочей пробе, мг/дм3;
Сд - концентрация добавки, мг/дм3.
13.2.4 Норматив контроля К, мг/дм3, рассчитывают по формуле
, (7)
где Δлх'' (Δлх', Δлх) - значения абсолютной погрешности результатов измерений, установленные при реализации методики в лаборатории, соответствующие концентрации нитратного азота в разбавленной пробе с добавкой (разбавленной пробе, рабочей пробе), мг/дм3.
Примечание - Допустимо для расчета норматива контроля использовать значения абсолютной погрешности, полученные расчетным путем по формулам Δлх''=0,84•Δх'', Δлх'=0,84•Δх' и Δлх=0,84•Δх, где Δх'' (Δх', Δх) - значения абсолютной погрешности результатов измерений, соответствующие концентрации нитратного азота в разбавленной пробе с добавкой (разбавленной пробе, рабочей пробе), мг/дм3.
13.2.5 Если результат контрольной процедуры удовлетворяет условию
|Кк|≤К, (8)
процедуру анализа признают удовлетворительной.
При невыполнении условия (8) контрольную процедуру повторяют. При повторном невыполнении условия (8) выясняют причины, приводящие к неудовлетворительным результатам, и принимают меры по их устранению.
13.3.1 Оперативный контроль исполнителем процедуры выполнения измерений проводят путем сравнения результатов отдельно взятой контрольной процедуры
с нормативом контроля К1.
13.3.2 Результат контрольной процедуры
, мг/дм3, рассчитывают по формуле
, (9)
где X"' - результат контрольного измерения массовой концентрации нитратного азота в пробе с известной добавкой, мг/дм3;
X - результат контрольного измерения массовой концентрации нитратного азота в рабочей пробе, мг/дм3;
Сд - концентрация добавки, мг/дм3.
Норматив контроля погрешности К1, мг/дм3, рассчитывают по формуле
, (10)
где Δлх'''(Δлх) - значения абсолютной погрешности результатов измерений, установленные при реализации методики в лаборатории, соответствующие массовой концентрации нитратного азота в пробе с добавкой (рабочей пробе), мг/дм3.
Примечание - Допустимо для расчета норматива контроля использовать значения абсолютной погрешности, полученные расчетным путем по формулам Δлх'''=0,84•Δх''' и Δлх=0,84•Δх, где Δх''', Δх - приписанные методике значения абсолютной погрешности, соответствующие концентрации нитратного азота в пробе с добавкой и рабочей пробе, соответственно, мг/дм3.
Если результат контрольной процедуры удовлетворяет условию
, (11)
процедуру признают удовлетворительной.
При невыполнении условия (11) контрольную процедуру повторяют. При повторном невыполнении условия (11) выясняют причины, приводящие к неудовлетворительным результатам, и принимают меры по их устранению.
14.1 Расхождение между результатами измерений, полученными в двух лабораториях, не должно превышать предела воспроизводимости R. При выполнении этого условия приемлемы оба результата измерений и в качестве окончательного может быть использовано их общее среднее значение. Значение предела воспроизводимости рассчитывают по формуле
R=2,77•σR. (12)
14.2 При превышении предела воспроизводимости могут быть использованы методы оценки приемлемости результатов измерений согласно ГОСТ Р ИСО 5725-6 (раздел 5) или МИ 2881.
14.3 Проверка приемлемости проводится при необходимости сравнения результатов измерений, полученных двумя лабораториями.
Приложение А
(обязательное)
А.1.1 Источник постоянного тока (выпрямитель) любого типа, позволяющий получить напряжение на ячейке 3 В при величине тока не менее 2 А.
А.1.2 Вольтметр постоянного тока по ГОСТ 8711-93, позволяющий измерить напряжение 3 В.
А.1.3 Амперметр постоянного тока по ГОСТ 8711-93, позволяющий измерить ток от 1 до 2 А.
А.1.4 Сосуд типа СЦ вместимостью 3,0 дм3 или стакан Н исполнения 1, 2 диаметром не менее 150 мм вместимостью 3000 или 5000 см3 по ГОСТ 25336-82.
А.1.5 Свинцовая или кадмиевая пластинка площадью от 80 до 100 см2.
А.1.6 Кадмий в палочках по ТУ 6-09-5434-88, ч. или ч.д.а.
А.1.7 Кадмий сернокислый (кадмия сульфат) по ГОСТ 4456-75, ч.д.а.
А.1.8 Медь (II) сернокислая, 5-водная (меди сульфат) по ГОСТ 4165-78, ч.д.а.
Растворяют 10 г сульфата меди в 500 см3 дистиллированной воды.
Растворяют 1200 г сульфата кадмия в 3 дм3 дистиллированной воды и доводят рН полученного раствора до 2 по универсальной индикаторной бумаге с помощью концентрированной серной кислоты.
Растворяют 4,4 см3 концентрированной соляной кислоты в 1 дм3 дистиллированной воды.
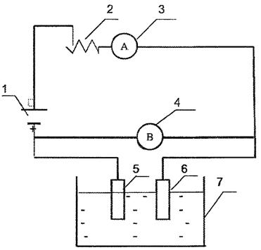
Для проведения электролиза собирают установку по схеме, приведенной на рисунке А.1.
Электролит (раствор сульфата кадмия) помещают в сосуд вместимостью не менее 3000 см3, в качестве которого могут использоваться сосуды цилиндрической формы или стаканы (см. А.1.4). Допустимо использовать аналогичные сосуды (в том числе прямоугольной формы) из полимерного материала (пластмассовые). Высота электролита в сосуде должна быть не менее 12 см, расстояние между электродами не менее 10 см, напряжение на ячейке устанавливают 3 В при силе тока в цепи от 0,8 до 1,2 А. Сила тока регулируется глубиной погружения кадмиевой палочки. Во избежание замыкания электроды не должны касаться дна и стенок электролизера.
Образующиеся в процессе электролиза кристаллы собирают пластмассовым шпателем непосредственно с катода, не допуская нарастания большого количества кадмия и замыкания цепи. Не следует допускать, чтобы кристаллы скапливались на дне сосуда. Для предотвращения окисления кристаллы кадмия хранят под водой. Дальнейшему измельчению кадмий подвергать не следует.
Вместо свинцовой или кадмиевой пластины в качестве катода можно использовать кадмиевую палочку. В этом случае рекомендуется поставить стеклянную пластину между электродами, так как образующиеся на катоде кристаллы вытягиваются по направлению к аноду. Выход кадмия близок к теоретическому и составляет около 2 г/(А•ч).

1 - источник постоянного тока; 2 - переменное сопротивление; 3 - амперметр; 4 - вольтметр; 5 - анод (кадмиевая палочка, помещенная в мешочек из марли или неплотной ткани); 6 - катод (свинцовая или кадмиевая пластина); 7 - сосуд с раствором сульфата кадмия.
Рисунок А.1 - Схема установки для получения кадмия электролизом
Помещают 120 г электролитического кадмия в стакан вместимостью 1000 см3, промывают 300 см3 раствора соляной кислоты, 0,05 моль/дм3, затем дистиллированной водой и заливают 500 см3 раствора сульфата меди. Перемешивают до почти полного обесцвечивания раствора сульфата меди (до появления черных мелкодисперсных частиц).
Вместо электролитического кадмия можно использовать также кадмиевые опилки, полученные измельчением кадмиевой палочки грубым напильником или пилой с крупными зубьями. Размер опилок должен быть около 1 мм.
После омеднения кадмий следует тщательно отмыть дистиллированной водой от мелких частиц, не осаждающихся в течение нескольких секунд после интенсивного перемешивания кристаллов омедненного кадмия в стакане с водой.
Хранить омедненный кадмий следует в закрытой склянке под слоем дистиллированной воды, подкисленной соляной кислотой до рН 3.
Приложение Б
(рекомендуемое)
Настоящая методика регламентирует процедуру приготовления аттестованных растворов нитрата калия, предназначенных для установления градуировочных характеристик приборов и контроля точности результатов измерений массовой концентрации нитратного азота в природных и очищенных сточных водах фотометрическим методом.
Метрологические характеристики аттестованных растворов приведены в таблице Б.1.
|
Наименование характеристики |
Значение характеристики для аттестованного раствора | ||
|
AP1-N-NO3ˉ |
AP2-N-NO3ˉ |
AP3-N-NO3ˉ | |
|
Аттестованное значение массовой концентрации нитратного азота, мг/дм3 |
250,0 |
10,00 |
2,50 |
|
Границы погрешности аттестованного значения массовой концентрации нитратного азота (Р = 0,95), мг/дм3 |
±0,8 |
±0,04 |
±0,02 |
Б.3.1 Весы неавтоматического действия (лабораторные) специального (I) класса точности по ГОСТ Р 53228-2008 или ГОСТ OIML R 76-1-2011, действительная цена деления (шкалы) 0,0001 г.
Б.3.2 Колбы мерные 2-го класса точности исполнения 2, 2а по ГОСТ 1770-74 вместимостью: 250 см3 - 1 шт., 500 см3 - 2 шт.
Б.3.3 Пипетки с одной отметкой 2-го класса точности исполнения 2 по ГОСТ 29169-91 вместимостью: 5 см3 - 1 шт., 20 см3 - 1 шт.
Б.3.4 Стаканчик для взвешивания СВ-19/9 по ГОСТ 25336-82.
Б.3.5 Воронка лабораторная, тип В по ГОСТ 25336-86 диаметром 56 мм.
Б.3.6 Эксикатор исполнения 2, диаметром корпуса 190 мм по ГОСТ 25336-82.
Б.3.7 Хлорид кальция обезвоженный по ТУ 6-09-4711-81, ч. (для эксикатора).
Б.3.8 Склянки из темного стекла для хранения растворов вместимостью 0,25; 0,5 дм3.
Б.3.9 Шкаф сушильный общелабораторного назначения.
Б.4.1 Калий азотнокислый (нитрат калия) по ГОСТ 4217-77, х.ч. Массовая доля основного вещества не менее 99,8%.
Б.4.2 Вода дистиллированная по ГОСТ 6709-72.
Для приготовления аттестованного раствора AP1-N-NO3ˉ взвешивают на лабораторных весах в бюксе с точностью до четвертого знака после запятой 0,451 г нитрата калия, предварительно высушенного в сушильном шкафу при температуре 110°С в течение 1 ч и охлажденного в эксикаторе над хлоридом кальция. Количественно переносят навеску в мерную колбу вместимостью 250 см3, растворяют в дистиллированной воде, доводят объём раствора до метки на колбе и перемешивают. Переносят раствор в склянку из темного стекла с хорошо притертой стеклянной или пластиковой пробкой.
Полученному раствору приписывают массовую концентрацию нитратного азота 250,0 мг/дм3.
При отборе навески нитрата калия, отличной от значения 0,451 г, концентрации и погрешности аттестованных растворов рассчитывают по Б.6.
Отбирают пипеткой с одной отметкой 20,0 см3 раствора AP1-N-NO3ˉ и переносят его в мерную колбу вместимостью 500 см3. Объем раствора доводят до метки на колбе дистиллированной водой и перемешивают.
Полученному раствору приписывают массовую концентрацию нитратного азота 10,00 мг/дм3.
Отбирают пипеткой с одной отметкой 5,0 см3 раствора AP1-N-NO3ˉ и переносят его в мерную колбу вместимостью 500 см3. Объем раствора доводят до метки на колбе дистиллированной водой и перемешивают.
Полученному раствору приписывают массовую концентрацию нитратного азота 2,50 мг/дм3.
Аттестованное значение массовой концентрации нитратного азота C1, мг/дм3, рассчитывают по формуле
, (Б.1)
где m - масса навески нитрата калия, г;
V - вместимость мерной колбы, см3;
14,01 и 101,1 - молярная масса азота и нитрата калия, соответственно, г/моль;
1000 - коэффициент перевода граммов в миллиграммы, мг/г.
Аттестованное значение массовой концентрации нитратного азота в растворе AP1-N-NO3ˉ равно
мг/дм3.
Расчет предела возможных значений погрешности установления массовой концентрации нитратного азота в аттестованном растворе AP1-N-NO3ˉ Δ1, мг/дм3, выполняют по формуле
, (Б.2)
где Δμ - предельное значение возможного отклонения массовой доли основного вещества в реактиве от приписанного значения μ, %;
μ - массовая доля основного вещества (KNO3) в реактиве, приписанная реактиву квалификации "х.ч.", %;
Δm - предельная возможная погрешность взвешивания, г;
ΔV - предельное значение возможного отклонения вместимости мерной колбы от номинального значения, см3.
Погрешность установления массовой концентрации нитратного азота в аттестованном растворе AP1-N-NO3ˉ равна
мг/дм3.
Аттестованное значение массовой концентрации нитратного азота C2, мг/дм3, рассчитывают по формуле
, (Б.3)
где V1 - объем раствора AP1-N-NO3ˉ, отбираемый пипеткой, см3;
V2 - вместимость мерной колбы, см3.
Аттестованное значение массовой концентрации нитратного азота в растворе AP2-N-NO3ˉ равно
мг/дм3.
Расчет предела возможных значений погрешности установления массовой концентрации нитратного азота в аттестованном растворе AP2-N-NO3ˉ Δ2, мг/дм3, выполняют по формуле
, (Б.4)
где
- предельное значение возможного отклонения объема V1 от номинального значения, см3;
- предельное значение возможного отклонения вместимости мерной колбы от номинального значения, см3.
Погрешность установления массовой концентрации нитратного азота в аттестованном растворе AP2-N-NO3ˉ равна
мг/дм3.
Аттестованное значение массовой концентрации нитратного азота C3, мг/дм3, рассчитывают по формуле
, (Б.5)
где V3 - объем раствора AP1-N-NO3ˉ, отбираемый пипеткой, см3.
Аттестованное значение массовой концентрации нитратного азота в растворе AP3-N-NO3ˉ равно
мг/дм3.
Расчет предела возможных значений погрешности установления массовой концентрации нитратного азота в аттестованном растворе AP3-N-NO3ˉ Δ3, мг/дм3, выполняют по формуле
, (Б.6)
где
- предельное значение возможного отклонения объема V3 от номинального значения, см3;
Погрешность установления массовой концентрации нитратного азота в аттестованном растворе AP3-N-NO3ˉ равна
мг/дм3.
Необходимо соблюдать общие требования техники безопасности при работе в химических лабораториях.
Аттестованный раствор может готовить специалист с высшим или средним профессиональным образованием, прошедший специальную подготовку и имеющий стаж работы в химической лаборатории не менее 6 мес.
На склянки с аттестованными растворами должны быть наклеены этикетки с указанием условного обозначения аттестованного раствора, массовой концентрации нитратного азота, погрешности ее установления и даты приготовления.
Аттестованный раствор AP1-N-NO3ˉ хранят в холодильнике в плотно закрытой склянке не более 6 мес.
Аттестованный раствор AP2-N-NO3ˉ хранят в холодильнике в плотно закрытой склянке не более 5 сут.
Аттестованный раствор AP3-N-NO3ˉ хранят в холодильнике в плотно закрытой склянке не более 2 сут.


