СП 538.1325800.2024 КОНСТРУКЦИИ ОКОННЫЕ И БАЛКОННЫЕ. ПРАВИЛА ПРОЕКТИРОВАНИЯ
Утв. и введен в действие Приказом Министерства строительства и жилищно-коммунального хозяйства РФ от 15 мая 2024 г. N 329/пр
Window and balcony constructions. Design rules
Дата введения - 16 июня 2024 года
Предисловие
Сведения о своде правил
1 ИСПОЛНИТЕЛЬ - Федеральное государственное бюджетное образовательное учреждение высшего образования "Национальный исследовательский Московский государственный строительный университет" (ФГБОУ ВО "НИУ МГСУ")
2 ВНЕСЕН Техническим комитетом по стандартизации ТК 465 "Строительство"
3 ПОДГОТОВЛЕН к утверждению Министерством строительства и жилищно-коммунального хозяйства Российской Федерации (Минстрой России)
4 УТВЕРЖДЕН приказом Министерства строительства и жилищно-коммунального хозяйства Российской Федерации от 15 мая 2024 г. N 329/пр и введен в действие с 16 июня 2024 г.
5 ЗАРЕГИСТРИРОВАН Федеральным агентством по техническому регулированию и метрологии (Росстандарт)
6 ВВЕДЕН ВПЕРВЫЕ
В случае пересмотра (замены) или отмены настоящего свода правил соответствующее уведомление будет опубликовано в установленном порядке. Соответствующая информация, уведомление и тексты размещаются также в информационной системе общего пользования - на официальном сайте разработчика (Минстрой России) в сети Интернет
Введение
Настоящий свод правил разработан в целях обеспечения требований Федерального закона от 30 декабря 2009 г. N 384-ФЗ "Технический регламент о безопасности зданий и сооружений" [1] с учетом требований федеральных законов от 27 декабря 2002 г. N 184-ФЗ "О техническом регулировании" [2], от 22 июля 2008 г. N 123-ФЗ "Технический регламент о требованиях пожарной безопасности" [3], от 23 ноября 2009 г. N 261-ФЗ "Об энергосбережении и о повышении энергоэффективности и о внесении изменений в отдельные законодательные акты Российской Федерации" [4].
Свод правил разработан авторским коллективом Федерального государственного бюджетного образовательного учреждения высшего образования "Национальный исследовательский Московский государственный строительный университет" (руководитель разработки - д-р техн. наук О.В. Кабанцев, соруководитель разработки - канд. техн. наук А.П. Константинов, д-р техн. наук Д.А. Корольченко, И.С. Аксенов) при участии федерального государственного бюджетного учреждения "Научно-исследовательский институт строительной физики Российской академии архитектуры и строительства" (д-р техн. наук Н.П. Умнякова, канд. техн. наук А.А. Верховский), Федерального государственного бюджетного образовательного учреждения высшего образования "Томский государственный архитектурно-строительный университет" (д-р техн. наук С.Н. Овсянников), Федерального государственного бюджетного образовательного учреждения высшего образования "Нижегородский государственный архитектурно-строительный университет" (д-р техн. наук Д.В. Монич), Акционерного общества "Центральный научно-исследовательский и проектно-экспериментальный институт промышленных зданий и сооружений" (К.В. Авдеев, канд. архитектуры В.Г. Океанов)", Объединения производителей, поставщиков и потребителей алюминия (А.Л. Ефимов), Союза производителей, проектировщиков и поставщиков фасадных систем "Фасадный союз" (С.В. Алехин, А.В. Галямичев), Ассоциации производителей и продавцов оконной и дверной фурнитуры Т.А. Зарембо), д-ра техн. наук Т.А. Дацюк, А.Ю. Куренковой, Н.Ю. Румянцева, Т.В. Власовой, А.Ю. Окулова.
1.1 Настоящий свод правил распространяется на проектирование оконных и балконных конструкций зданий и сооружений различного функционального назначения.
1.2 Настоящий свод правил не распространяется на проектирование:
- оконных и балконных конструкций специального назначения (противопожарных, пулестойких, взрывостойких);
- балконных конструкций со стеклопакетами, применяемыми для остекления неотапливаемых балконов (лоджий);
- светопрозрачных фасадных конструкций по ГОСТ 33079;
- оконных и балконных конструкций зданий и сооружений, которые отнесены к объектам культурного наследия (памятникам истории и культуры).
В настоящем своде правил использованы нормативные ссылки на следующие документы:
ГОСТ 111 Стекло листовое бесцветное. Технические условия
ГОСТ 10174 Прокладки уплотняющие пенополиуретановые для окон и дверей. Технические условия
ГОСТ 21519 Блоки оконные из алюминиевых профилей. Технические условия
ГОСТ 23166-2024 Блоки оконные и балконные. Общие технические условия
ГОСТ 24866-2014 Стеклопакеты клееные. Технические условия
ГОСТ 26602.1 Блоки оконные и дверные. Методы определения сопротивления теплопередаче
ГОСТ 26602.2 Блоки оконные и дверные. Методы определения воздухо- и водопроницаемости
ГОСТ 26602.3 Блоки оконные и дверные. Метод определения звукоизоляции
ГОСТ 26602.4-2012 Блоки оконные и дверные. Метод определения общего коэффициента пропускания света
ГОСТ 27751-2014 Надежность строительных конструкций и оснований. Основные положения
ГОСТ 30494 Здания жилые и общественные. Параметры микроклимата в помещениях
ГОСТ 30698 Стекло закаленное. Технические условия
ГОСТ 30777 Устройства поворотные, откидные, поворотно-откидные, раздвижные для оконных и балконных дверных блоков. Технические условия
ГОСТ 30778 Прокладки уплотняющие из эластомерных материалов для оконных и дверных блоков. Технические условия
ГОСТ 30826 Стекло многослойное. Технические условия
ГОСТ 30971-2012 Швы монтажные узлов примыкания оконных блоков к стеновым проемам. Общие технические условия
ГОСТ 31462 Блоки оконные защитные. Общие технические условия
ГОСТ 33079 Конструкции фасадные светопрозрачные навесные. Классификация. Термины и определения
ГОСТ EN 673 Стекло и изделия из него. Методы определения тепловых характеристик. Метод расчета сопротивления теплопередаче
ГОСТ Р 54858-2011 Конструкции фасадные светопрозрачные. Метод определения приведенного сопротивления теплопередаче
ГОСТ Р 57795 Здания и сооружения. Методы расчета продолжительности инсоляции
ГОСТ Р 59495-2021 Конструкции ограждающие светопрозрачные. Крепление оконных и балконных дверных блоков в световых проемах. Правила и контроль выполнения работ
ГОСТ Р 70071-2022 Конструкции подоблицовочные вентилируемых навесных фасадных систем и их соединения. Общие требования защиты от коррозии и методы испытаний
ГОСТ Р ЕН 12354-3 Акустика зданий. Методы расчета акустических характеристик зданий по характеристикам их элементов. Часть 3. Звукоизоляция внешнего шума
ГОСТ Р ИСО 10140-2 Акустика. Лабораторные измерения звукоизоляции элементов зданий. Часть 2. Измерение звукоизоляции воздушного шума
ГОСТ Р ИСО 10140-4 Акустика. Лабораторные измерения звукоизоляции элементов зданий. Часть 4. Методы и условия измерений
ГОСТ Р ИСО 10456 Материалы и изделия строительные. Тепловлажностные характеристики. Табличные значения расчетных теплотехнических характеристик и методы определения декларируемых и расчетных теплотехнических характеристик
СП 2.13130.2020 Системы противопожарной защиты. Обеспечение огнестойкости объектов защиты (с изменением N 1)
СП 16.13330 "СНиП II-23-81* Стальные конструкции" (с изменениями N 1, N 2, N 3, N 4, N 5)
СП 20.13330.2016 "СНиП 2.01.07-85* Нагрузки и воздействия" (с изменениями N 1, N 2, N 3, N 4, N 5)
СП 50.13330.2012 "СНиП 23-02-2003 Тепловая защита зданий" (с изменениями N 1, N 2)
СП 51.13330.2011 "СНиП 23-03-2003 Защита от шума" (с изменениями N 1, N 2, N 3, N 4)
СП 52.13330.2016 "СНиП 23-05-95* Естественное и искусственное освещение" (с изменениями N 1, N 2)
СП 54.13330.2022 "СНиП 31-01-2003 Здания жилые многоквартирные"
СП 56.13330 "СНиП 31-03-2001 Производственные здания"
СП 60.13330.2020 "СНиП 41-01-2003 Отопление, вентиляция и кондиционирование воздуха" (с изменениями N 1, N 2)
СП 118.13330.2022 "СНиП 31-06-2009 Общественные здания и сооружения" (с изменениями N 1, N 2, N 3)
СП 128.13330 "СНиП 2.03.06-85 Алюминиевые конструкции"
СП 131.13330 "СНиП 23-01-99* Строительная климатология" (с изменениями N 1, N 2)
СП 251.1325800 Здания общеобразовательных организаций. Правила проектирования (с изменениями N 1, N 2, N 3, N 4, N 5)
СП 252.1325800 Здания дошкольных образовательных организаций. Правила проектирования (с изменениями N 1, N 2)
СП 267.1325800.2016 Здания и комплексы высотные. Правила проектирования (с изменением N 1)
СП 275.1325800 Конструкции ограждающие жилых и общественных зданий. Правила проектирования звукоизоляции (с изменением N 1)
СП 367.1325800.2017 Здания жилые и общественные. Правила проектирования естественного и совмещенного освещения (с изменениями N 1, N 2)
СП 370.1325800.2017 Устройства солнцезащитные зданий. Правила проектирования (с изменениями N 1, N 2)
СП 419.1325800.2018 Здания производственные. Правила проектирования естественного и совмещенного освещения (с изменением N 1)
СП 513.1325800.2022 Анкерные крепления к бетону. Правила проектирования
Примечание - При пользовании настоящим сводом правил целесообразно проверить действие ссылочных документов в информационной системе общего пользования - на официальном сайте федерального органа исполнительной власти в сфере стандартизации в сети Интернет, на официальном сайте федерального органа исполнительной власти, разработавшего и утвердившего настоящий свод правил, или по ежегодному информационному указателю "Национальные стандарты", который опубликован по состоянию на 1 января текущего года, и по выпускам ежемесячного информационного указателя "Национальные стандарты" за текущий год. Если заменен ссылочный документ, на который дана недатированная ссылка, то рекомендуется использовать действующую версию этого документа с учетом всех внесенных в данную версию изменений. Если заменен ссылочный документ, на который дана датированная ссылка, то рекомендуется использовать версию этого документа с указанным выше годом утверждения (принятия). Если после утверждения настоящего свода правил в ссылочный документ, на который дана датированная ссылка, внесено изменение, затрагивающее положение, на которое дана ссылка, то это положение рекомендуется применять без учета данного изменения. Если ссылочный документ отменен без замены, то положение, в котором дана ссылка на него, рекомендуется применять в части, не затрагивающей эту ссылку. Сведения о действии сводов правил целесообразно проверить в Федеральном информационном фонде стандартов.
В настоящем своде правил применены следующие термины с соответствующими определениями:
3.1 балконная конструкция: Светопрозрачная ограждающая конструкция, отделяющая планировочное пространство балкона (лоджии) от внешней среды.
Примечание - Обеспечивает естественное освещение, естественное проветривание, а также защиту от внешних климатических воздействий как балкона (лоджии), так и примыкающих к нему помещений. Включает в себя блок(и) остекления балкона с заполнением из листового стекла, крепежные элементы, элементы узлов примыкания и пр. Площадь балконной конструкции либо отдельных частей составной балконной конструкции (ленточное балконное остекление из блоков остекления балконов, угловая балконная конструкция) - не более 7,5 м2.
3.2 оконная конструкция (окно): Светопрозрачная ограждающая конструкция с подоконной частью, установленная в монтажный проем стены либо на выносе наружу относительно монтажного проема.
Примечание - Обеспечивает естественное освещение, защиту от внешних воздействий, визуальный контакт с окружающим пространством, естественное проветривание. Включает оконный блок (оконные блоки), крепежные элементы, элементы узлов примыкания (монтажный шов, наружные и внутренние откосы, подоконную доску) и др. Площадь оконной конструкции либо отдельных частей составной оконной конструкции (ленточное остекление из оконных блоков, угловое окно, балконный дверной блок) - не более 7,5 м2.
3.3 узел крепления (система крепления): Конструктивная система, обеспечивающая закрепление отдельных элементов либо фрагментов оконной (балконной) конструкции к несущим и (или) ограждающим конструкциям здания посредством крепежных элементов.
3.4 предел водонепроницаемости: Наименьший перепад ветрового давления, при котором происходит сквозное проникновение воды через оконную (балконную) конструкцию (включая ее узлы примыкания) при воздействии дождевых осадков заданной интенсивности.
3.5 монтажный проем: Проем в стене с подоконной частью и перемычкой (сэндвич-панелью, перекрытием) над проемом, предназначенный для установки оконных конструкций.
Примечание - Для балконных конструкций под термином "монтажный проем" понимают проем, предназначенный для установки балконных конструкций, ограниченный снизу непрозрачным экраном высотой не менее 0,3 м от уровня чистого пола помещения, а сверху перекрытием балкона (лоджии).
3.6 краевая зона светопрозрачного заполнения: Область поверхности светопрозрачного заполнения, отмеряемая от границы обрамляющих его профильных элементов (включая уплотнители), где температура ее внутренней поверхности отличается от средней температуры ее центральной зоны более чем на 20%.
Примечание - При отсутствии расчетного или экспериментального обоснования ширина краевой зоны светопрозрачного заполнения принимается равной 100 мм.
3.7 центральная зона светопрозрачного заполнения: Область поверхности светопрозрачного заполнения, ограниченная по периметру его краевой зоной.
Примечание - В светопрозрачных заполнениях малых размеров центральная зона может полностью отсутствовать, и вся площадь такого светопрозрачного заполнения будет относится к краевой зоне.
3.8 ремонтопригодность: Свойство оконной (балконной) конструкции, заключающееся в ее приспособленности к поддержанию и восстановлению безопасного и полноценно работоспособного состояния, которое обеспечивается техническим обслуживанием и ремонтом, заменой отдельных элементов без демонтажа и замены всей конструкции.
3.9 эксплуатационная пригодность: Способность оконной (балконной) конструкции удовлетворять установленным проектом техническим требованиям в заданных условиях эксплуатации.
4.1 При проектировании оконных и балконных конструкций для конкретного объекта строительства следует учитывать положения действующих сводов правил по проектированию зданий и сооружений (СП 50.13330, СП 54.13330, СП 56.13330, СП 118.13330, СП 267.1325800), а также стандартов на материалы и комплектующие, применяемые для их устройства (ГОСТ 21519, ГОСТ 23166, ГОСТ 30777, ГОСТ 30971, ГОСТ 30778, ГОСТ 10174).
4.2 Проектные решения оконных и балконных конструкций должны обеспечивать выполнение требований [1], [3], [4] в течение всего их срока службы в части:
- механической безопасности;
- пожарной безопасности;
- безопасных для здоровья человека условий пребывания и проживания в здании (сооружении) с учетом требований [5];
- эксплуатационной пригодности для пользователей и окружающих;
- энергетической эффективности.
4.3 Рекомендуемые этапы проектирования оконных (балконных) конструкций представлены в приложении А.
4.4 Срок службы оконных и балконных конструкций и их элементов устанавливается в задании на проектирование в соответствии с ГОСТ 27751 с учетом ее ремонтопригодности.
5.1.1 Расположение на фасаде, габаритные размеры и форма монтажных проемов для устройства оконных (балконных) конструкций задаются с учетом:
- объемно-планировочных и конструктивных решений объекта строительства;
- расчета продолжительности инсоляции помещений объекта строительства по ГОСТ Р 57795 для обеспечения требований [5];
- обеспечения требований СП 54.13330.2022 (пункт 7.18) и СП 118.13330.2022 (пункт 7.2) по солнцезащите помещений (с учетом положений СП 370.1325800.2017 (раздел 8));
- расчета естественного освещения помещений согласно требованиям СП 367.1325800.2017 (раздел 8) и СП 419.1325800.2018 (раздел 6) для обеспечения положений СП 52.13330.2016 (раздел 5);
- требований к размерам противопожарных простенков и междуэтажных поясов в соответствии с требованиями СП 2.13130.2020 (раздел 5).
5.1.2 Тип и материал профильной системы для устройства оконных (балконных) конструкций назначаются с учетом:
- обеспечения архитектурных решений объекта строительства, представленных в проектной документации;
- положений разделов 5 и 6 настоящего свода правил и требований задания на проектирование;
- технологических ограничений профильных систем для устройства оконных (балконных) конструкций по предельно допустимым габаритным размерам и массе конструкций;
- технологических ограничений профильных систем и фурнитуры к предельно допустимым габаритным размерам и массе открывающихся створок.
5.2.1.1 Теплотехнические характеристики оконных конструкций определяют с учетом следующих требований:
- приведенное сопротивление теплопередаче оконных конструкций должно быть не ниже нормируемых значений в соответствии с СП 50.13330;
- температура на характерных участках внутренних поверхностей оконных конструкций (см. 5.2.1.3) должна быть не ниже минимально допустимых значений при расчетных условиях эксплуатации (см. 5.2.1.4);
- прочих требований задания на проектирование (см. 5.2.1.10).
5.2.1.2 Приведенное сопротивление теплопередаче оконных конструкций принимают равным приведенному сопротивлению теплопередаче оконных блоков.
5.2.1.3 Характерными участками внутренних поверхностей оконных конструкций, температура которых должна быть не ниже минимально допустимых СП 50.13330 значений, являются (рисунки Б.3 и Б.4):
- центральная зона светопрозрачного заполнения;
- краевая зона светопрозрачного заполнения, включая ее угловые зоны;
- центр профильных элементов оконных блоков (оконная рама, створки, импосты, расширительные профили, угловые соединительные профили, оконные штапики), центр непрозрачного заполнения оконных блоков, центр оконных откосов, центр подоконника.
5.2.1.4 Минимально допустимые температуры на характерных участках внутренних поверхностей оконных конструкций (рисунок Б.5) следует назначать:
- для центральной и краевой зоны светопрозрачного заполнения - согласно СП 50.13330;
- для непрозрачных элементов оконных конструкций (профильные элементы, непрозрачное заполнение, откосы, подоконники) - температура не ниже точки росы внутреннего воздуха помещений.
5.2.1.5 В качестве расчетных следует принимать:
- температуру наружного воздуха tн, соответствующую температуре наиболее холодной пятидневки с обеспеченностью 0,92 по СП 131.13330. Для оконных конструкций высотных зданий расчетная температура наружного воздуха - по СП 267.1325800;
- расчетные значения температуры tв и относительной влажности внутреннего воздуха φв помещений с постоянным пребыванием людей устанавливают заданием на проектирование и должны соответствовать оптимальным значениям по ГОСТ 30494.
5.2.1.6 Соответствие приведенного сопротивления теплопередаче оконных конструкций оценивают, определяя приведенное сопротивление теплопередаче входящих в их состав оконных блоков.
Приведенное сопротивление теплопередаче оконных блоков следует определять одним из следующих методов:
- расчетным - по ГОСТ Р 54858;
- в ходе лабораторных испытаний по ГОСТ 26602.1.
5.2.1.7 При использовании расчетного метода определения приведенного сопротивления теплопередаче следует учитывать:
- сопротивление теплопередаче центральной зоны светопрозрачного заполнения в виде стеклопакета назначают по результатам испытаний по ГОСТ 26602.1 либо по результатам расчета по ГОСТ EN 673 (для температуры воздуха наиболее холодной пятидневки с обеспеченностью 0,92 по СП 131.13330 (для оконных конструкций высотных зданий - по СП 267.1325800));
- сопротивление теплопередаче профильных элементов оконных блоков - по результатам испытаний по ГОСТ 26602.1 либо по результатам численного моделирования по ГОСТ Р 54858;
- коэффициент теплоотдачи на наружной поверхности оконных блоков назначают равным 23 Вт/(м2·°C). Допускается применять уточненные для конкретного объекта строительства значения коэффициентов теплоотдачи на наружной поверхности оконных блоков, рассчитанные по ГОСТ Р 54858-2011 (приложения Б и В);
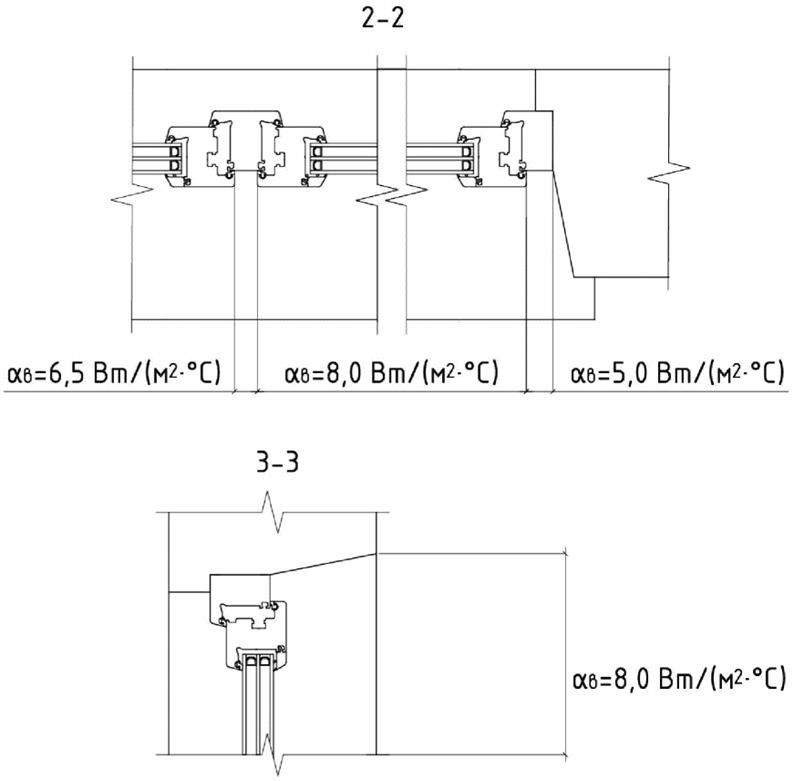
- коэффициенты теплоотдачи на внутренних поверхностях оконных блоков приведены на рисунках Б.7, Б.8. Допускается применять уточненные для конкретного объекта строительства и типа оконной конструкции значения коэффициентов теплоотдачи на внутренних поверхностях оконных конструкций, рассчитанные по ГОСТ Р 54858-2011 (приложения Б и В);
- теплотехнические характеристики материалов и комплектующих для устройства оконных конструкций следует назначать по СП 50.13330.2012 (приложение Т), а при отсутствии в СП 50.13330 данных о конкретных типах материалов - по ГОСТ Р ИСО 10456.
5.2.1.8 При определении приведенного сопротивления теплопередаче оконных блоков в ходе лабораторных испытаний по ГОСТ 26602.1 за испытуемые образцы следует принимать оконные блоки с габаритными размерами и комплектацией, принятыми в спецификации. В случае если оконный блок оборудован приточным клапаном, испытания проводят в двух режимах - при его открытом и закрытом положениях. Испытания при открытом положении клапана проводят в том числе при расчетном значении перепада давлений наружного и внутреннего воздуха (см. 5.2.2.3).
Результаты испытаний по определению приведенного сопротивления теплопередаче оконных блоков распространяются на изделия с идентичным конструктивным исполнением в части профилей, заполнения, фурнитуры и уплотнителей. Допускается распространять результаты испытаний на образцы большего размера, отличающиеся от испытуемого не более чем на 50%.
5.2.1.9 Оценку обеспечения нормируемых значений температур на характерных участках внутренних поверхностей оконных конструкций выполняют в ходе численного моделирования температурных полей узлов их примыкания по ГОСТ 30971-2012 (приложение Д) с учетом следующих дополнений:
- коэффициенты теплоотдачи на внутренних и наружных поверхностях участков оконных конструкций принимают согласно 5.2.1.7;
- в узлах соединения рам угловых оконных конструкций (по всей ширине профилей оконных рам) коэффициенты теплоотдачи на внутренней поверхности оконных конструкций назначают равными 5,0 Вт/(м2·°C).
5.2.1.10 Заданием на проектирование допускается устанавливать повышенные требования к оконным конструкциям по приведенному сопротивлению теплопередаче в соответствии с таблицей 5.1.
|
Класс по приведенному сопротивлению теплопередаче |
Нормируемое значение приведенного сопротивления теплопередаче |
|
Нормальный |
Согласно СП 50.13330.2012 (пункт 5.2) |
|
Повышенный |
Плюс 25% к нормальному классу |
|
Высокий |
Плюс 50% к нормальному классу, но не более 1,0 (м2·°C)/Вт |
|
Примечания 1 Достижение указанных в таблице показателей по приведенному сопротивлению теплопередаче оконных конструкций не является достаточным условием обеспечения требований к минимальным температурам на характерных участках внутренних поверхностей оконных конструкций (см. 5.2.1.3 и 5.2.1.4). Для оконных конструкций повышенного и высокого классов по приведенному сопротивлению теплопередаче оценку обеспечения требований 5.2.1.4 выполняют в ходе численных расчетов либо лабораторных испытаний с учетом влияния узлов примыкания и отопительных приборов на тепловой режим оконных конструкций. 2 Для оконных конструкций повышенного и высокого классов по приведенному сопротивлению теплопередаче, планируемых для эксплуатации в климатических регионах с температурой наиболее холодной пятидневки ниже минус 39 °C, выполняют лабораторные испытания по оценке влияния отрицательных температур наружного воздуха на их деформации, сопротивление теплопередаче и воздухопроницаемость. | |
5.2.2.1 Требуемая воздухопроницаемость оконных конструкций для конкретного объекта строительства назначается исходя из следующих условий:
- требуемая воздухопроницаемость оконных конструкций определяется по воздухопроницаемости оконных блоков;
- требуемая воздухопроницаемость оконных блоков - класс по воздухопроницаемости принимается согласно ГОСТ 23166-2024 (пункт 5.5.6);
- требуемый класс по воздухопроницаемости оконных блоков назначают с учетом расчетного перепада давления Δр (см. 5.2.2.2) и ограничений нормативной диаграммы воздухопроницаемости по ГОСТ 26602.2 к предельным перепадам давления для различных классов изделий по воздухопроницаемости.
5.2.2.2 Расчетный перепад давления Δр между наружной и внутренней поверхностями оконной конструкции, Па, при котором должна быть обеспечена ее требуемая объемная воздухопроницаемость, определяется из следующих условий:
- расчетной является оконная конструкция, находящаяся на последнем этаже здания;
- расчетный перепад давления Δр назначается исходя из зимних условий эксплуатации - для температуры наружного воздуха, равной температуре воздуха наиболее холодной пятидневки с обеспеченностью 0,92 (для оконных конструкций высотных зданий - по СП 267.1325800), а также скорости ветра той же обеспеченности, рассчитанной для рассматриваемого климатического региона строительства;
- в случае если по результатам расчета Δр составляет менее 300 Па, расчетное значение перепада давления Δр принимают равным 300 Па.
5.2.2.3 Расчетный перепад давления Δр вычисляют по формуле
Δр = 0,55Н(γн – γв) + 0,03γнν2, (5.1)
где H - высота установки оконной конструкции (по ее верхнему краю) относительно уровня земли;
γн, γв - удельный вес соответственно наружного и внутреннего воздуха, Н/м3, определяемый по формуле
, (5.2)
где t - температура воздуха, °C. В качестве расчетной температуры внутреннего воздуха помещений принимают оптимальную температуру в помещении по ГОСТ 30494. В качестве расчетной температуры наружного воздуха для конкретного климатического района строительства принимается температура воздуха наиболее холодной пятидневки с обеспеченностью 0,92 по СП 131.13330 (для оконных конструкций высотных зданий - по СП 267.1325800);
v - скорость ветра на уровне установки оконной конструкции, м/с, определяемая по результатам экспериментальных исследований или (для прямоугольных в плане зданий) вычисляемая по формуле
v = k(H)v0Сp, (5.3)
где v0 - базовое значение скорости ветра на высоте 10 м, м/с, вычисляемое по формуле
, (5.4)
где w0 - нормативное значение ветрового давления, Па, принимаемое по СП 20.13330;
ρн - плотность воздуха, рассчитанная для температуры наиболее холодной пятидневки, кг/м3, по формуле
; (5.5)
k(H) - коэффициент, учитывающий изменение ветрового давления на высоте H, вычисляемый по СП 20.13330, в зависимости от типа местности по формуле
. (5.6)
Значения параметров k10 и α принимают по СП 20.13330.2016 (таблица 11.3). Тип местности принимают согласно СП 20.13330.2016 (пункт 11.1.6). Тип местности определяется для каждого фасада здания отдельно.
Сp = 0,92 - вероятностный коэффициент перехода от скорости ветра с вероятностью ежегодного превышения 0,02 (обеспеченность 0,98; период повторяемости 50 лет) к скорости ветра с вероятностью ежегодного превышения 0,08 (обеспеченность 0,92; период повторяемости 12,5 лет). Для оконных конструкций высотных зданий на высотах более 75 м Сp = 1,0.
5.2.2.4 Объемная воздухопроницаемость оконных конструкций определяется в ходе их испытаний по ГОСТ 26602.2. Испытуемые образцы оконных конструкций - оконные блоки с габаритными размерами и комплектацией, принятыми в спецификации. В случае если оконная конструкция оборудована приточным клапаном, испытания проводят в двух режимах - при его открытом и закрытом положениях. Испытуемые образцы должны быть установлены в рамы испытательного стенда, имитирующие оконный проем.
Результаты испытаний по определению воздухопроницаемости оконных блоков распространяются на изделия с идентичным конструктивным исполнением (в части профилей, фурнитуры и уплотнителей), размеры которых превышают размеры испытуемого образца не более чем на 50%.
5.2.2.5 Требования 5.2.2.1 к воздухопроницаемости узлов примыкания оконных конструкций обеспечиваются проектными мероприятиями.
5.2.3.1 Требуемый предел водонепроницаемости оконных (балконных) конструкций для конкретного объекта строительства устанавливается в зависимости от величины ветрового давления в ходе дождя, характерного для заданного климатического района строительства. Расчетные параметры дождя (максимальная интенсивность дождя, скорость ветра во время дождя) определяют по данным многолетних метеорологических наблюдений для конкретного климатического региона строительства.
5.2.3.2 При отсутствии метеорологических данных, требуемое значение предела водонепроницаемости оконных (балконных) конструкций для конкретного объекта строительства должно быть не менее нормативного значения средней составляющей ветровой нагрузки по СП 20.13330, пересчитанной для периода повторяемости 5 лет. В этом случае расчетный предел водонепроницаемости оконных (балконных) конструкций ПВ следует рассчитывать по формуле
ПВ = 0,72w0k(H), (5.7)
где w0 - нормативное значение ветрового давления, Па, принимаемое по СП 20.13330;
k(H) - рассчитывается по формуле (5.6);
0,72 - вероятностный коэффициент перехода от ветрового давления с периодом повторяемости 50 лет к ветровому давлению с периодом повторяемости 5 лет.
В случае если по результатам вычислений расчетный предел водонепроницаемости оконных (балконных) конструкций ПВ составляет менее 300 Па, расчетное значение предела водонепроницаемости оконных (балконных) конструкций принимают равным 300 Па.
При расчетном значении предела водонепроницаемости оконная (балконная) конструкция должна выдерживать воздействие дождя интенсивностью не менее 2,0 л/(мин·м2).
Предел водонепроницаемости балконных конструкций с параллельно-раздвижными створками не нормируется.
5.2.3.3 Предел водонепроницаемости оконных (балконных) конструкций определяют в ходе испытаний оконных блоков по ГОСТ 26602.2. Испытуемые образцы оконных (балконных) конструкций - оконные блоки (блоки остекления балконов) с габаритными размерами и комплектацией, принятыми в спецификации. В случае если оконный блок оборудован приточным клапаном, испытания проводят в двух режимах - при его открытом и закрытом положениях. Испытуемые образцы должны быть установлены в рамы испытательного стенда, имитирующие монтажный проем.
Результаты испытаний по определению водопроницаемости оконных блоков (блоков остекления балконов) распространяются на изделия с идентичным конструктивным исполнением (в части профилей, фурнитуры, уплотнителей), размеры которых превышают размеры испытуемого образца не более чем на 50%.
5.2.3.4 Требования 5.2.3.1 и 5.2.3.2 к пределу водонепроницаемости узлов примыкания оконных (балконных) конструкций обеспечиваются проектными мероприятиями.
5.2.4.1 Требуемую звукоизоляцию оконных конструкций определяют согласно СП 275.1325800 с учетом уровня шума внешних источников. Уровни шума внешних источников должны назначаться с учетом требований СП 51.13330.
5.2.4.2 Назначение технических решений оконных конструкций, обеспечивающих звукоизоляцию (формула стеклопакета (остекления), количество контуров уплотнения и пр.), должно выполняться с учетом требований СП 51.13330.
5.2.4.3 Расчет звукоизоляции оконных конструкций с заданной формулой стеклопакета (остекления) выполняют с учетом требований СП 51.13330 по методикам, приведенным в СП 275.1325800 и ГОСТ Р ЕН 12354-3.
Расчет оконных конструкций с элементами, имеющими различную звукоизоляцию (например, светопрозрачное и непрозрачное заполнение), а также расчет оконных конструкций с приточными устройствами выполняют в соответствии с СП 275.1325800.
5.2.4.4 Звукоизоляцию оконных конструкций следует определять по результатам испытаний по ГОСТ Р ИСО 10140-2 и ГОСТ Р ИСО 10140-4, ГОСТ 26602.3. Испытуемые образцы оконных конструкций - оконные блоки с габаритными размерами и комплектацией, принятыми в спецификации. В случае если оконный блок оборудован приточным клапаном, испытания проводят в двух режимах - при его открытом и закрытом положениях.
Результаты испытаний по определению звукоизоляции оконных блоков распространяют на изделия с идентичным конструктивным исполнением (в части профилей, заполнения, фурнитуры, уплотнителей), размеры которых превышают размеры испытуемого образца не более чем на 50%.
5.2.5.1 Общий коэффициент светопропускания оконных (балконных) конструкций τ0 определяют для его последующего использования при обосновании расчетного значения коэффициента естественной освещенности помещений по СП 52.13330.
5.2.5.2 Общий коэффициент светопропускания оконных конструкций для конкретного объекта строительства определяют с учетом следующих факторов:
- наличия оконных четвертей в наружных стенах и монтажных швов оконных (балконных) конструкций;
- светопропускания светопрозрачного заполнения оконных (балконных) конструкций;
- потери света в профильных элементах и непрозрачном заполнении оконных (балконных) конструкций;
- потери света в солнцезащитных устройствах, встроенных в оконную конструкцию.
5.2.5.3 Общий коэффициент светопропускания оконных конструкций определяют по чертежу оконной конструкции, построенной со стороны фасада здания. Из данного чертежа определяют:
- площадь монтажного проема;
- площадь светопрозрачного заполнения оконной (балконной) конструкции.
5.2.5.4 Общий коэффициент светопропускания оконных (балконных) конструкций τ0 определяют расчетно-измерительным методом по ГОСТ 26602.4-2012 (пункт 6.1).
5.2.5.5 Общий коэффициент светопропускания балконных конструкций вычисляют аналогично, как и для оконных конструкций. При расчете коэффициента естественной освещенности помещений, выходящих на остекленный балкон (лоджию), наличие балконного остекления должно быть учтено за счет умножения общего коэффициента светопропускания оконных конструкций на общий коэффициент светопропускания балконных конструкций.
5.3.1 Правила проектирования узлов примыкания оконных (балконных) конструкций
5.3.1.1 Узлы примыкания оконных (балконных) конструкций разрабатывают с учетом проектных решений несущих и ограждающих конструкций здания, а также технологии и последовательности устройства оконных (балконных) и фасадных конструкций.
5.3.1.2 Требуемые значения эксплуатационно-технических характеристик узлов примыкания оконных конструкций по показателям тепловой защиты, воздухопроницаемости, водонепроницаемости и звукоизоляции должны быть не ниже требуемых значений данных характеристик оконных блоков.
Требуемые значения эксплуатационно-технических характеристик узлов примыкания балконных конструкций по показателям водонепроницаемости должны быть не ниже требуемых значений данных характеристик блоков остекления балконов.
Теплотехнические характеристики узлов примыкания обосновываются при проведении численных расчетов их температурного режима по методике ГОСТ 30971-2012 (приложение Д) с учетом 5.2.1.9. Эксплуатационно-технические характеристики узлов примыкания - воздухопроницаемость, водонепроницаемость, звукоизоляция обеспечиваются проектными решениями наружных откосов, гидро- и пароизоляции монтажного шва. Возможность использования материалов для устройства монтажных швов, характеристики которых не соответствуют требованиям ГОСТ 30971, подтверждается расчетом в соответствии с СП 50.13330.2012 (раздел 8).
5.3.1.3 Пожарно-технические характеристики узлов примыкания оконных (балконных) конструкций должны соответствовать требованиям раздела 6.
5.3.1.4 Узлы примыкания оконных конструкций должны обеспечивать:
- защиту от атмосферных воздействий со стороны улицы;
- теплоизоляцию и звукоизоляцию сопряжения оконной рамы и монтажного проема;
- пароизоляцию узла сопряжения оконной рамы и монтажного проема;
- отсутствие накопления влаги в слое утеплителя монтажного шва.
5.3.1.5 Размеры монтажных швов узлов примыкания оконных конструкций подбирают с учетом:
- возможности компенсации материалом центрального слоя монтажного шва (например, монтажной пены) температурных линейных деформаций оконных конструкций в их плоскости и изгибных температурных деформаций из их плоскости;
- возможности компенсации прогибов и перемещений несущих конструкций здания (сооружения), к которым происходит непосредственное закрепление оконных конструкций.
5.3.1.6 Узлы примыкания балконных конструкций должны обеспечивать:
- возможность компенсации температурных линейных деформаций профильных элементов оконных (балконных) конструкций в их плоскости и изгибных температурных деформаций из их плоскости;
- возможность компенсации прогибов и перемещений несущих конструкций здания (сооружения), к которым происходит непосредственное закрепление балконных конструкций;
- защиту с наружной стороны от атмосферных воздействий.
5.3.1.7 Примыкание оконных (балконных) конструкций к навесным фасадным системам и фасадным системам теплоизоляционным композиционным с наружными штукатурными слоями выполняют с учетом следующих требований:
- элементы оконного обрамления фасадных систем не должны крепиться к профильным элементам оконных (балконных) конструкций, за исключением самоклеящихся профилей примыкания к навесным фасадным системам и фасадным системам теплоизоляционным композиционным с наружными штукатурными слоями;
- примыкание элементов оконного обрамления фасадных систем к профильным элементам оконных (балконных) конструкций должно обеспечивать возможность изгибных и линейных деформаций оконной конструкции, в том числе из ее плоскости, а также диффузии влаги из монтажного шва.
5.3.1.8 Материалы и комплектующие для устройства узлов примыкания должны быть совместимы между собой и исключать при непосредственном контакте друг с другом коррозию и (или) химические взаимодействия, приводящие к нарушению их эксплуатационных характеристик и внешнего вида.
5.3.2 Правила проектирования узлов крепления оконных (балконных) конструкций
5.3.2.1 Для устройства узлов крепления встраиваемых в монтажный проем оконных (балконных) конструкций следует использовать крепежные элементы по ГОСТ Р 59495.
5.3.2.2 Для узлов крепления, выносимых за пределы монтажного проема оконных (балконных) конструкций, следует использовать кронштейны заводского или индивидуального изготовления и анкерные крепления по ГОСТ Р 59495-2021 (пункт В.3.2).
5.3.2.3 Схема крепления оконных блоков (блоков остекления балконов) к несущим и (или) ограждающим конструкциям здания (шаг крепления, расстояния от угловых и Т-образных соединений профильных элементов) как при их установке в проеме, так и на выносе относительно проема должна соответствовать требованиям ГОСТ Р 59495. При устройстве оконных (балконных) конструкций на выносе относительно проема нижние опорные кронштейны устанавливают в местах расположения опорных колодок оконных блоков.
5.3.2.4 Узлы крепления должны обеспечивать:
- несущую способность при действии всех видов нагрузок и воздействий на оконные (балконные) конструкции (см. 5.4.4), а также при действии многоцикловых нагрузок от динамической составляющей ветровой нагрузки;
- возможность компенсации оконными (балконными) конструкциями температурных линейных деформаций в их плоскости;
- возможность компенсации прогибов и перемещений несущих конструкций здания (сооружения), к которым непосредственно закрепляют оконные (балконные) конструкции.
5.3.2.5 Тип крепежных элементов для устройства узлов крепления оконных (балконных) конструкций назначают с учетом следующих факторов:
- прочностных характеристик строительных оснований, в которых будут устанавливаться крепежные элементы (обеспечение минимальных краевых расстояний от торцов строительных оснований, минимальных межосевых расстояний между крепежом);
- требований 5.3.2.4.
5.3.2.6 Все металлические элементы узлов крепления должны быть выполнены из коррозионно-стойких материалов или защищены от коррозии в соответствии с требованиями ГОСТ Р 70071-2022 (раздел 5).
5.3.2.7 Несущая способность узлов крепления оконных (балконных) конструкций для конкретного объекта строительства должна быть подтверждена результатами расчетов либо натурных (лабораторных) испытаний (см. также подраздел 5.4).
5.4.1 Оконные (балконные) конструкции должны быть запроектированы таким образом, чтобы при расчетных условиях эксплуатации была исключена возможность их разрушения, а также снижения их эксплуатационно-технических характеристик ниже нормативных значений вследствие деформаций их профильных элементов и заполнения сверх нормативных значений.
5.4.2 По первой группе предельных состояний рассчитывают:
- узлы крепления оконных (балконных) конструкций к строительному основанию;
- светопрозрачное заполнение оконных (балконных) конструкций.
5.4.3 По второй группе предельных состояний рассчитывают:
- светопрозрачное заполнение оконных (балконных) конструкций;
- силовые профильные элементы оконных (балконных) конструкций всех типов.
5.4.4 Правила назначения нагрузок и воздействий на оконные (балконные) конструкции
5.4.4.1 Расчет оконных (балконных) конструкций по первой и второй группам предельных состояний выполняют на следующие виды нагрузок и воздействий по СП 20.13330 (с учетом наиболее неблагоприятного их сочетания):
- собственный вес (см. 5.4.4.2);
- ветровую нагрузку (см. 5.4.4.3);
- равномерно распределенную горизонтальную нагрузку на горизонтальные профильные элементы оконных (балконных) конструкций (см. 5.4.4.4);
- гололедные нагрузки (только для оконных (балконных) конструкций высотных зданий при высоте установки конструкций более 100 м) (см. 5.4.4.5);
- температурные климатические воздействия (см. 5.4.4.6);
- климатические нагрузки от перепадов атмосферного давления и температуры (только для стеклопакетов) по СП 131.13330 (см. 5.4.4.7).
5.4.4.2 Нагрузку от собственного веса профильных элементов, светопрозрачного и непрозрачного заполнения оконных (балконных) конструкций принимают по справочным данным. В случае использования многослойного стекла определение его собственного веса допускается выполнять без учета склеивающих полимерных слоев. Собственный вес дистанционных рамок при расчете собственного веса стеклопакетов допускается не учитывать.
5.4.4.3 Расчет оконных (балконных) конструкций выполняют на действие пиковых значений ветровой нагрузки, определяемых согласно СП 20.13330.2016 (подраздел 11.2). Значения аэродинамических коэффициентов для определения пиковых значений ветровой нагрузки на оконные конструкции определяют согласно СП 20.13330.2016 (подраздел 11.2).
При определении пиковых значений ветровых нагрузок на оконные (балконные) конструкции высотных зданий (при их установке выше 75 м) учитывают требования СП 20.13330.2016 (подраздел 11.2) и назначают расчетные значения пиковой ветровой нагрузки для расчетов по первой группе предельных состояний с учетом результатов их динамического анализа по СП 20.13330.2016 (пункты 11.1.8 и 11.1.10).
При расчете угловых оконных (балконных) конструкций учитывают совместное действие ветровой нагрузки в соответствии с рисунком 5.1.

Рисунок 5.1 - Схемы нагружения ветровой нагрузкой угловых зон фасадов
5.4.4.4 Оконные (балконные) конструкции с высотой установки подоконника менее 900 мм от уровня чистого пола помещений должны быть рассчитаны на действие горизонтальной равномерно распределенной нагрузки по СП 20.13330.2016 (пункт 8.2.6). Данный вид нагрузки прикладывается к горизонтальному импосту (ригелю) оконной (балконной) конструкции (см. 5.5.1, где указаны требования к высоте его установки), а при его отсутствии - непосредственно к заполнению на высоте 1,2 м от уровня чистого пола. Расчетное значение данного вида нагрузки устанавливается в задании на проектирование. При отсутствии данных, минимальное нормативное значение равномерно распределенной нагрузки должно составлять не менее 0,3 кН/м.
5.4.4.5 Для оконных (балконных) конструкций, устанавливаемых в высотных зданиях (сооружениях) на высоте более 100 м от уровня земли, учитывают гололедную нагрузку согласно СП 20.13330.2016 (раздел 12).
5.4.4.6 Температурные климатические воздействия рассчитывают согласно СП 20.13330.2016 (раздел 13). При этом, следует отдельно рассматривать температурные климатические воздействия, обусловленные условиями замыкания конструкций (разностью предельных значений зимних и летних температур (включая действие солнечной радиации) с температурой, при которой происходит монтаж конструкций), а также обусловленные перепадом температур по сечению элемента. Первый тип температурных климатических воздействий учитывают при определении размеров монтажных швов оконных (балконных) конструкций, а также при оценке температурных линейных деформаций их профильных элементов при расчете величины температурных зазоров между этими элементами. Второй тип температурных климатических воздействий следует учитывать при расчете профильных элементов и светопрозрачного заполнения по первой и второй группам предельных состояний.
5.4.4.7 Стеклопакеты в составе оконных конструкций рассчитывают по первой группе предельных состояний помимо нагрузок по 5.4.4.2 - 5.4.4.4, 5.4.4.6 на действие климатических нагрузок следующих видов:
- расчетные перепады атмосферного давления и температур воздуха, обусловленные различиями климатических условий изготовления и эксплуатации стеклопакетов;
- нагрев стекол в составе стеклопакета при действии солнечной радиации.
5.4.4.8 При расчете оконных (балконных) конструкций по первой группе предельных состояний учитывают также коэффициент надежности по ответственности, принимаемый не менее значений, установленных в ГОСТ 27751-2014 (пункт 10.1) в зависимости от класса сооружения.
5.4.5 Общие правила расчета оконных (балконных) конструкций по первой и второй группам предельных состояний
5.4.5.1 Элементами оконных (балконных) конструкций, рассчитываемыми по первой группе предельных состояний, являются:
- узлы крепления оконных (балконных) конструкций;
- светопрозрачное заполнение оконных (балконных) конструкций.
5.4.5.2 Расчетом следует проверять наиболее нагруженные крепежные элементы оконных (балконных) конструкций.
Для оконных (балконных) конструкций, устраиваемых в монтажном проеме, следует выполнять расчет для двух типов крепежных элементов:
- служащего для закрепления рамы оконного блока (блока остекления балкона) в зоне устройства силовых профильных элементов (например, импоста);
- соответствующего максимальному шагу крепежа для рассчитываемой конструкции.
Для оконных конструкций, располагаемых на выносе относительно монтажного проема (в наружную сторону), расчетными элементами являются - нижние опорные кронштейны с наибольшей площадью сбора нагрузки от собственного веса остекления конструкций, а также боковые и нижние кронштейны с максимальной площадью сбора ветровой нагрузки.
Для оконных (балконных) конструкций с защитными ограждениями (см. 5.5.3) также выполняют расчет узлов креплений защитных ограждений.
Расчетные схемы для оценки несущей способности крепежных элементов должны отражать действительные условия работы оконных (балконных) конструкций при действии приложенных нагрузок.
5.4.5.3 Расчет крепежных элементов по первой группе предельных состояний выполняют с учетом требований СП 16.13330 (для крепежных элементов и кронштейнов из стали) либо СП 128.13330 (для крепежных элементов и кронштейнов из алюминиевых сплавов) в части применяемых методов расчета.
Для оконных (балконных) конструкций, применяемых в зданиях (сооружениях) нормального уровня ответственности и устраиваемых в пределах монтажных проемов, расчет крепежных элементов выполняют с использованием временного сопротивления материала их изготовления в качестве расчетного.
Расчет крепежных элементов должен быть выполнен с учетом требований СП 20.13330.2016 (раздел 6) на наиболее неблагоприятное сочетание нагрузок и воздействий.
Несущая способность анкерного крепежа, а также минимальные краевые и межосевые расстояния его установки следует определять согласно СП 513.1325800.2022 (раздел 7) (для бетонных и железобетонных оснований) либо назначать по данным производителей анкерного крепежа и результатам натурных испытаний (для других видов оснований).
5.4.5.4 Расчет листового стекла в составе оконных (балконных) конструкций по первой группе предельных состояний следует выполнять на действие только ветровой нагрузки.
Расчетная схема листового стекла должна отражать действительные условия его работы в составе оконной (балконной) конструкции, включая схемы опирания и защемления в профильных элементах оконных (балконных) конструкций.
Расчетное значение прочности стекла на изгиб назначается согласно нормативным документам, устанавливающих требования к стеклу (ГОСТ 111, ГОСТ 30698, ГОСТ 30826 и др.).
5.4.5.5 Расчет стеклопакетов оконных конструкций по первой группе предельных состояний следует выполнять на действие нагрузок, представленных в 5.4.4.1. Расчетное значение прочности стекла на изгиб назначается согласно нормативным документам, устанавливающих требования к стеклу (ГОСТ 111, ГОСТ 30698, ГОСТ 30826 и др.). Расчет должен быть выполнен с учетом требований СП 20.13330.2016 (раздел 6) на наиболее неблагоприятное сочетание нагрузок и воздействий.
5.4.5.6 Элементами оконных (балконных) конструкций, рассчитываемыми по второй группе предельных состояний, являются их профильные элементы, светопрозрачное заполнение.
5.4.5.7 Профильные элементы оконных (балконных) конструкций (импосты) должны быть рассчитаны по второй группе предельных состояний на действие нагрузок, представленных в 5.4.4.1. Расчет выполняют с учетом требований СП 20.13330.2016 (раздел 6) на наиболее неблагоприятное сочетание нагрузок.
5.4.5.8 Расчет импостов оконных (балконных) конструкций на действие нагрузок, представленных в 5.4.4.1, следует выполнять с использованием расчетной схемы импоста в виде однопролетной шарнирной балки. Расчеты прогибов импостов оконных (балконных) конструкций (вне зависимости от материала профильных элементов) следует выполнять без учета створчатых элементов.
Методика аналитического расчета прогиба импостов оконных блоков на сочетания ветровой нагрузки и температурного климатического воздействия представлена в приложении В.
Для оконных (балконных) конструкций, соединенных между собой с применением статических соединителей, расчет прогибов комбинации профилей выполняют с использованием расчетной схемы в виде однопролетной шарнирной балки. При этом статические моменты поперечных сечений профилей суммируются. Указанное требование применяют только для плоских оконных конструкций [ленточное остекление из соединенных между собой оконных (балконных) конструкций]. При расчете составных угловых оконных (балконных) конструкций (эркеры и пр.) в расчетах учитывают только статический момент поперечного сечения углового соединителя.
При расчете импостов с накладными усилителями суммируются статические моменты поперечных сечений профилей импоста и накладных усилителей.
При расчете штульповых оконных конструкций в расчетах учитывают только статический момент поперечного сечения профиля пассивной штульповой створки.
5.4.5.9 Расчет листового стекла в составе балконных конструкций по второй группе предельных состояний следует выполнять на действие только ветровой нагрузки. При расположении балконной конструкции на высоте более 100 м следует учитывать гололедные нагрузки.
Расчетная схема листового стекла должна отражать действительные условия его работы в составе балконной конструкции, включая схемы опирания и защемления в профильных элементах балконных конструкций.
5.4.5.10 Расчет стеклопакетов оконных конструкций по второй группе предельных состояний следует выполнять на действие нагрузок, представленных в 5.4.4.1. Расчет стеклопакетов выполняют по методике [6] либо численными методами. Расчетное значение прочности стекла на изгиб назначается согласно нормативным документам, устанавливающих требования к стеклу (ГОСТ 111, ГОСТ 30698, ГОСТ 30826 и др.). Расчет выполняют с учетом требований СП 20.13330.2016 (раздел 6) на наиболее неблагоприятное сочетание нагрузок.
5.4.5.11 Для обоснования проектных значений прогибов профильных элементов оконных (балконных) конструкций для конкретного объекта строительства допускается применять данные, полученные по результатам:
- лабораторных испытаний конструкций. При этом результаты лабораторных испытаний распространяются только на однотипные конструкции с габаритными размерами, не превышающими размер испытуемого образца;
- расчетов численными методами. При этом в расчетной модели оконной (балконной) конструкции учитывают специфику работы составных частей ее профильных элементов между собой, жесткость светопрозрачного заполнения, податливость узловых соединений профильных элементов.
5.4.5.12 Фактические значения прогибов элементов оконных (балконных) конструкций не должны превышать следующих предельных значений:
- горизонтальные прогибы профильных элементов оконных (балконных) конструкций - не более 1/200 пролета; вертикальные прогибы профильных элементов горизонтальных импостов (ригелей) от действия собственного веса профилей и заполнения - не более 1/200 пролета, но не более 3 мм;
- горизонтальные прогибы по центру стекол балконных конструкций - согласно нормативным документам, устанавливающих требования к стеклу (ГОСТ 111, ГОСТ 30698, ГОСТ 30826 и др.);
- горизонтальные прогибы по центру стекол в составе стеклопакетов - согласно ГОСТ 24866-2014 (пункт 9.4).
5.5.1 Проектные решения оконных (балконных) конструкций и комплектации оконных/балконных блоков (блоков остекления балконов), входящих в их состав, должны быть назначены с учетом следующих требований, обеспечивающих их безопасное использование и обслуживание:
- открывающиеся элементы оконных (балконных) конструкций жилых зданий должны открываться во внутрь помещения, а общественных и промышленных зданий - в соответствии с заданием на проектирование;
- в оконных конструкциях, выходящих на балкон (лоджию), допускается устройство одной или нескольких неоткрывающихся створок (участков глухого остекления). При этом данные оконные конструкции должны обеспечивать возможность естественного проветривания с учетом требований 5.6.1. Если балкон/лоджия являются остекленными, то балконные конструкции должны иметь открывающиеся створки;
- в оконных (балконных) конструкциях допускается устройство неоткрывающихся створок либо участков с глухим остеклением только в случае, если их размеры не превышают значений, установленных ГОСТ 23166, а в случаях превышения предусмотрены проектные мероприятия по очистке оконных конструкций с внешней стороны;
- оконные конструкции, предназначенные для применения в жилых помещениях многоквартирных жилых зданий по СП 54.13330, в помещениях общественных зданий по СП 118.13330, где дети могут находиться без присмотра взрослых, в зданиях общеобразовательных организаций по СП 251.1325800 и в основных помещениях зданий дошкольных образовательных организаций по СП 252.1325800, должны комплектоваться устройствами для обеспечения безопасности детей согласно требованиям ГОСТ 23166;
- оконные конструкции с высотой установки подоконника менее 900 мм от уровня чистого пола помещений, а также балконные конструкции, устанавливаемые на непрозрачный экран высотой менее 1200 мм от уровня чистого пола балкона (лоджии), следует проектировать с учетом дополнительных защитных ограждений (см. 5.5.3) или использования безопасных видов стекла в светопрозрачном заполнении оконных (балконных) конструкций (см. 5.5.4);
- комплектация оконных (балконных) конструкций должна обеспечивать их безопасное использование в случае открывания (закрывания) створчатых элементов по ГОСТ 23166-2024 (пункт 6.1.4).
- необходимость защиты от несанкционированного проникновения в здания через оконные и балконные конструкции, устраиваемые на первом, втором и последнем этажах зданий, устанавливается в задании на проектирование. Указанное требование обеспечивается комплектацией оконных (балконных) конструкций взломоустойчивой фурнитурой и безопасными видами стекла в составе светопрозрачного заполнения по ГОСТ 31462 либо иными решениями, предусмотренными проектом.
5.5.2 Оконные конструкции высотных зданий (при их расположении выше 75 м) выполняют с учетом требований СП 267.1325800.2016 (пункт 6.27).
5.5.3 Защитные ограждения устанавливают с наружной или внутренней стороны оконной (балконной) конструкции. Защитные ограждения выполняют с учетом следующих требований:
- верх защитного ограждения при его установке в проектное положение, должен находиться на высоте не менее 1200 мм от уровня чистого пола;
- защитные ограждения не препятствуют открыванию створчатых элементов оконных (балконных) конструкций;
- расстояние в свету между отдельными элементами защитных ограждений, а также между краем защитного ограждения и оконной (балконной) конструкции и элементами фасадной облицовки не должны превышать 180 мм;
- защитные экраны при их установке с внешней стороны не должны препятствовать удалению атмосферных осадков, скапливающихся в пространстве между ними и оконными (балконными) конструкциями, а также обслуживанию и очистке оконных (балконных) конструкций;
- защитные ограждения и их узлы крепления должны быть рассчитаны на действие нагрузок и воздействий по 5.4.4.2 - 5.4.4.6 по первой группе предельных состояний. Расчет выполняют с учетом требований СП 20.13330.2016 (раздел 6) на наиболее неблагоприятное сочетание нагрузок и воздействий. Возможность крепления защитных экранов к профильным элементам оконных (балконных) конструкций должна быть подтверждена результатами прочностных расчетов либо лабораторных испытаний.
5.5.4 Защитное ограждение (см. 5.5.3) допускается не устраивать для оконных конструкций с высотой установки подоконника менее 900 мм от уровня чистого пола помещений, а также балконных конструкций с высотой установки ригеля на высоте не менее 1200 мм от уровня чистого пола помещений, при соблюдении следующих условий:
- в оконной конструкции должен быть предусмотрен горизонтальный импост, верхняя кромка которого должна находиться на высоте не менее 900 мм от уровня чистого пола помещения (в балконной конструкции - на высоте не менее 1200 мм от уровня чистого пола помещения). Горизонтальный импост (ригель) должен быть рассчитан на восприятие горизонтальной равномерно распределенной нагрузки по 5.4.4.4 (см. также 5.4.5.3);
- в частях оконной конструкции, располагаемой ниже горизонтального импоста, при площади светопрозрачного заполнения более 0,35 м2, следует применять стеклопакеты, внутреннее стекло которых является многослойным по ГОСТ 30826 (класс защиты СМ4 и Р2А) либо закаленным по ГОСТ 30698 (класс защиты не ниже СМ4);
- в частях балконной конструкции, располагаемой ниже горизонтального ригеля, следует применять многослойное стекло по ГОСТ 30826 (класс защиты СМ4 и Р2А) либо закаленное стекло по ГОСТ 30698 (класс защиты не ниже СМ4).
5.5.5 Оконные (балконные) конструкции, предназначенные для эксплуатации маломобильными группами населения, следует оснащать ручками, установленными в нижний горизонтальный профиль створки.
5.6.1 Способ обеспечения естественного проветривания помещений через оконные (балконные) конструкции устанавливается в задании на проектирование.
5.6.2 Балконные конструкции допускается оснащать вентиляционными решетками. При этом вентиляционная решетка балконных конструкций, не оборудованных защитным ограждением, должна обеспечивать восприятие нагрузок по 5.5.3.
5.7.1 Размещение оконных конструкций в наружных стенах должно быть выполнено таким образом, чтобы был обеспечен конвективный обдув их внутренних лицевых поверхностей посредством отопительных приборов.
5.7.2 Величина выступа подоконника за плоскость стены должна быть подобрана таким образом, чтобы подоконник перекрывал не более 2/3 толщины отопительного прибора.
5.7.3 Требования к размещению отопительных приборов приведены в СП 60.13330.2020 (подраздел 6.4).
6.1 При проектировании оконных (балконных) конструкций руководствуются требованиями пожарной безопасности, изложенными в [3].
6.2 Требования к классу пожарной опасности и пределу огнестойкости оконных конструкций, устраиваемых на выносе относительно монтажного проема (в наружную сторону), их узлов креплений и примыканий должны быть представлены в задании на проектирование.
6.3 Пожарно-технические характеристики узлов примыкания оконных (балконных) конструкций должны соответствовать требованиям СП 2.13130.2020 (подраздел 5.2). Пожарно-технические характеристики узлов примыкания оконных (балконных) конструкций определяются по результатам испытаний.
Приложение А
(рекомендуемое)
А.1 Основными этапами проектирования оконных (балконных) конструкций являются:
- подготовка предварительных проектных решений оконных (балконных) конструкций исходя из архитектурных и конструктивных требований проекта;
- формирование перечня требований к устройству оконных (балконных) конструкций;
- обоснование проектных решений оконных (балконных) конструкций исходя из обеспечения перечня требований к устройству оконных (балконных) конструкций;
- разработка раздела проектной документации "Конструктивные решения" в части устройства оконных и балконных конструкций.
А.2 Проектные решения оконных (балконных) конструкций назначаются исходя из анализа следующих архитектурных и конструктивных требований к устройству объекта строительства:
- архитектурных решений фасадов объекта строительства в части внешнего вида оконных (балконных) конструкций (материал, тип и цвет профильных элементов и заполнения; габаритных размеров оконных (балконных) конструкций и их открывающихся элементов);
- объемно-планировочных и конструктивных решений объекта строительства в части габаритных размеров и формы монтажных проемов для устройства оконных (балконных) конструкций, расположения оконных (балконных) конструкций относительно монтажных проемов, материала и конструкции строительного основания для закрепления оконных (балконных) конструкций; проектных решений фасадных конструкций; материала и конструктивного решения элементов наружной и внутренней отделки оконных (балконных) конструкций;
- обеспечения энергоэффективности (в части минимальных теплотехнических показателей оконных конструкций);
- обеспечения звукоизоляции оконных конструкций;
- обеспечения естественного освещения, инсоляции и солнцезащиты помещений;
- обеспечения вентиляции помещений;
- требований к устройству отопительных приборов;
- положений действующих нормативных документов по проектированию зданий и сооружений в части специфических требований к устройству оконных (балконных) конструкций (необходимость применения защитных ограждений, безопасных видов стекла, удобство пользования маломобильными группами населения, наличие устройств обеспечения детской безопасности, защита от несанкционированного проникновения через оконные (балконные) конструкции).
На основе проведенного анализа назначают проектные решения оконных (балконных) конструкций, включая:
- конструктивные схемы оконных (балконных) конструкций, включая габаритные размеры, тип и схемы открывания створчатых элементов оконных (балконных) конструкций; тип профильной системы; конструкцию светопрозрачного и непрозрачного заполнения;
- принципиальные схемы устройства узлов примыкания и схем закрепления оконных (балконных) конструкций к строительному основанию.
А.3 При разработке перечня требований к устройству оконных (балконных) конструкций следует:
- назначить проектные значения нагрузок и воздействий для расчета эксплуатационно-технических и прочностных характеристик оконных (балконных) конструкций и их отдельных элементов;
- учесть требования действующей нормативной документации к устройству оконных (балконных) конструкций и их отдельных элементов;
- учесть технологические ограничения профильных систем и фурнитуры для устройства оконных (балконных) конструкций.
А.4 Для назначения проектных значений нагрузок и воздействий на оконные (балконные) конструкции следует:
- определить расчетные условия для проведения теплотехнических расчетов оконных конструкций, а также нагрузок и воздействий для определения воздухопроницаемости и водонепроницаемости оконных (балконных) конструкций;
- определить нагрузки и воздействия для проведения прочностных расчетов оконных (балконных) конструкций и их отдельных элементов; обосновать расчетные сочетания нагрузок и воздействий на оконные (балконные) конструкции.
А.5 В ходе разработки проектных решений оконных (балконных) конструкций проводят обоснование:
- требуемых значений эксплуатационно-технических характеристик оконных (балконных) конструкций;
- эксплуатационно-технических характеристик оконных (балконных) конструкций (расчетом и (или) экспериментально);
- механической безопасности проектных решений оконных (балконных) конструкций и их составных элементов (расчетом и (или) экспериментально);
- прочих требований проекта к устройству оконных (балконных) конструкций и их составных элементов (расчетом и (или) экспериментально).
При изменении проектных решений оконных (балконных) конструкций следует повторно выполнить расчеты естественного освещения, инсоляции и солнцезащиты помещений, энергоэффективности зданий.
А.6 В раздел проектной документации "Конструктивные решения" в части устройства оконных (балконных) конструкций включают следующие текстовые материалы:
- требуемые значения эксплуатационно-технических характеристик оконных (балконных) конструкций;
- проектные значения нагрузок и воздействий (и их сочетаний) на оконные (балконные) конструкции;
- описание устройства оконных (балконных) конструкций, включая цвет, покрытие и материал профильных элементов, марку профильной системы и артикулы применяемых профильных элементов, конструкцию светопрозрачного и непрозрачного заполнения, марку фурнитуры и схемы открывания створчатых элементов; конструкция элементов крепления оконных (балконных) конструкций к строительному основанию; материалы и комплектующие для устройства узлов примыканий оконных (балконных) конструкций;
- эксплуатационно-технические характеристики оконных (балконных) конструкций;
- результаты расчетного (экспериментального) обоснования соответствия технических решений оконных (балконных) конструкций требованиям проекта;
- срок службы оконных (балконных) конструкций.
А.7 В раздел проектной документации "Конструктивные решения" в части устройства оконных (балконных) конструкций включают следующие графические материалы:
- спецификации оконных (балконных) конструкций;
- схемы закрепления оконных (балконных) конструкций к строительному основанию;
- схемы расположения оконных (балконных) конструкций на фасадах и планах зданий;
- узлы примыкания оконных (балконных) конструкций.
Приложение Б
(справочное)

Рисунок Б.1 - Оконная конструкция, устраиваемая внутри монтажного проема

Рисунок Б.2 - Оконная конструкция, устраиваемая с выносом наружу относительно монтажного проема

● - Точка контроля температуры на характерном участке внутренней поверхности оконной конструкции 1 - 5 - характерные участки внутренней поверхности оконной конструкции; 1 - профильные элементы оконных блоков; 2 - краевая зона светопрозрачного заполнения; 3 - центральная зона светопрозрачного заполнения; 4 - штапик; 5 - оконный откос
Рисунок Б.3 - Характерные участки внутренней поверхности оконной конструкции (горизонтальный разрез по одностворчатому оконному блоку)

● - Точка контроля температуры на характерном участке внутренней поверхности оконной конструкции 1 - 5 - характерные участки внутренней поверхности оконной конструкции; 1 - профильные элементы оконных блоков; 2 - краевая зона светопрозрачного заполнения; 3 - центральная зона светопрозрачного заполнения; 4 - штапик; 5 - оконный откос
Рисунок Б.4 - Характерные участки внутренней поверхности оконной конструкции (вертикальный разрез по одностворчатому оконному блоку)

- Элементы оконной конструкции, на внутренних поверхностях которых температура не должна быть ниже температуры точки росы;
- Элементы оконной конструкции, на внутренних поверхностях которых температура должна соответствовать требованиям СП 50.13330.2012 (пункт 5.7)
1 - профильные элементы оконного блока; 2 - краевая зона светопрозрачного заполнения; 3 - центральная зона светопрозрачного заполнения; 4 - штапик; 5 - оконный откос; 6 - подоконник; 7 - оконная ручка; 8 - оконная петля; 9 - вентиляционный клапан
Рисунок Б.5 - Характерные участки внутренней поверхности оконной конструкции (фронтальный вид оконной конструкции со стороны помещения)

Рисунок Б.6 - Фронтальный вид оконной конструкции со стороны помещения

Рисунок Б.7 - Значения локальных коэффициентов теплоотдачи у внутренних поверхностей оконного блока

Рисунок Б.8 - Значения локальных коэффициентов теплоотдачи у внутренних поверхностей оконного блока (боковой и верхний узлы примыкания)
Приложение В
(обязательное)
В.1 Методика аналитического расчета прогибов оконных импостов из ПВХ, алюминиевых сплавов и древесины при совместном действии ветровой нагрузки и температурного климатического воздействия базируется на следующих предпосылках:
- влияние светопрозрачного заполнения и створчатых элементов оконной конструкции на ее жесткость не учитывается;
- оконный импост имеет шарнирное крепление на опорах;
- положительным считается прогиб в сторону помещения.
В.2 Расчет прогиба оконного импоста из ПВХ профилей следует выполнять в соответствии с В.3 - В.5. Расчет прогиба оконного импоста из деревянных профилей - в соответствии с В.6. Расчет прогиба оконного импоста из алюминиевых профилей - в соответствии с В.7.
В.3 Прогиб оконного импоста из ПВХ профиля следует определять по формуле
f = fw + ft, (В.1)
где fw - прогиб от действия ветровой нагрузки, м, определяемый согласно В.4;
ft - прогиб от действия температурного климатического воздействия, м, определяемый согласно В.5.
В.4 Прогиб оконного импоста из ПВХ профиля от действия ветровой нагрузки определяют по формуле
, (В.2)
где qw - нормативное значение пиковой ветровой нагрузки на оконную конструкцию, Па;
Ip, Is - главные моменты инерции сечения ПВХ профиля и усилительного вкладыша соответственно, м4;
Ep и Es - модули упругости ПВХ и материала усилительного вкладыша соответственно, Па;
L - длина импоста, м;
b1 и b2 - параметры, определяемые согласно В.4.1.
В.4.1 Параметры b1 и b2 определяют по формулам:
b1 = min(B1,L); (В.3)
b2 = min(B2,L), (В.4)
где B1, B2 - ширина части оконной конструкции, передающей на импост ветровую нагрузку соответственно с левой и правой стороны, м (рисунок В.1).

Рисунок В.1 - К определению параметров b1 и b2
В.5 Прогиб оконного импоста из ПВХ профиля от действия температурного климатического воздействия определяют по формуле
, (В.5)
где Ip, Is - главные моменты инерции сечения ПВХ профиля и усилительного вкладыша соответственно, м4;
Ep и Es - модули упругости ПВХ и материала усилительного вкладыша соответственно, Па;
L - длина импоста, м;
p - коэффициент, определяемый согласно В.5.1;
K0 - начальная кривизна ПВХ профиля, м-1, определяемая согласно В.5.5;
δ - расстояние между нейтральной осью ПВХ профиля и нейтральной осью усилительного вкладыша, м (рисунок В.2);
H1 и H2 - продольные силы, определяемые согласно В.5.2.

Рисунок В.2 - Параметры поперечного сечения оконного импоста из ПВХ профиля
В.5.1 Коэффициент p следует принимать равным 0,25 м для оконных конструкций из цветных ПВХ профилей и равным 0,3 м для оконных конструкций из белых ПВХ профилей.
В.5.2 Продольные силы H, действующие со стороны усилительного вкладыша на ПВХ профиль в крайней паре точек их крепления друг к другу, определяют по формулам:
; (В.6)
, (В.7)
где p - коэффициент, определяемый согласно В.5.1;
G - коэффициент, определяемый согласно В.5.3;
ξ - константа, принимаемая равной 3,4·106 Н/м;
L - длина импоста, м;
αs и αp - коэффициенты линейного температурного расширения материала усилительного вкладыша и ПВХ соответственно, К-1;
τm - температура во внутренней камере ПВХ профиля, °C, определяемая в соответствии с В.5.4;
Tref - температура замыкания (монтажа) оконной конструкции, °C;
tε - безразмерный коэффициент, учитывающий неоднородность температурного поля в ПВХ профиле, определяемый согласно таблице В.1.
В.5.3 Параметр G следует рассчитывать по формуле
, (В.8)
где Ap и As - площади поперечного сечения ПВХ профиля и усилительного вкладыша соответственно, м2;
Ep и Es - модули упругости ПВХ и материала усилительного вкладыша соответственно, Па.
В.5.4 Температура во внутренней камере ПВХ профиля τm определяют по формуле
, (В.9)
где Tв - расчетная внутренняя температура воздуха, °C;
Tн - расчетная наружная температура воздуха, °C;
R0 - термическое сопротивление профиля импоста оконной конструкции, (м2·°C)/Вт;
αн и αв - коэффициенты теплоотдачи и тепловосприятия соответственно, Вт/(м2·°C);
kR - отношение количества рядов воздушных камер в наружной части поперечного сечения ПВХ профиля к количеству рядов воздушных камер во внутренней части поперечного сечения ПВХ профиля (рисунок В.2).
В.5.5 Начальная кривизна оси импоста оконной конструкции K0 определяется по формуле
(В.10)
где tв - расчетная внутренняя температура воздуха, °C;
tн - расчетная наружная температура воздуха, °C;
α - коэффициент линейного температурного расширения материала импоста (ПВХ, алюминия, древесины), °C-1;
R0 - термическое сопротивление профиля импоста оконной конструкции, (м2·°C)/Вт;
αн и αв - коэффициенты теплоотдачи и тепловосприятия соответственно, Вт/(м2·°C);
c - ширина профиля импоста, м (рисунок В.2);
tK - безразмерный коэффициент, учитывающий неоднородность температурного поля в профиле импоста, определяемый согласно таблице В.1.
|
Материал профиля |
Тип профиля |
tε |
tK |
|
ПВХ |
Трехкамерный |
1,08 |
0,78 |
|
Четырехкамерный |
1,20 |
0,82 | |
|
Пятикамерный |
1,11 |
0,80 | |
|
Шестикамерный |
1,32 |
0,85 | |
|
Дерево |
Любой |
- |
1,00 |
|
Алюминий |
Любой |
- |
1,25 |
В.6 Прогиб оконного импоста из деревянных профилей следует определять по формуле
, (В.11)
где qw - нормативное значение пиковой ветровой нагрузки на оконную конструкцию, Па;
Iw - момент инерции сечения деревянного профиля, м4;
Ew - модуль упругости древесины, Па;
L - длина импоста, м;
b1 и b2 - параметры, определяемые согласно В.4.1;
K0 - начальная кривизна оси импоста, м-1, определяемая согласно В.5.5.
В.7 Прогиб импоста алюминиевого окна следует определять по формуле
, (В.12)
где qw - нормативное значение пиковой ветровой нагрузки на оконную конструкцию;
Ial - момент инерции алюминиевой части поперечного сечения импоста, м4, определяемый относительно нейтральной оси всего сечения импоста;
Eal - модуль упругости алюминия, Па;
L - длина импоста, м;
b1 и b2 - параметры, определяемые согласно В.4.1;
K0 - начальная кривизна оси импоста, м-1, определяемая согласно В.5.5.
Библиография
[1] Федеральный закон Российской Федерации от 30 декабря 2009 г. N 384-ФЗ "Технический регламент о безопасности зданий и сооружений"
[2] Федеральный закон Российской Федерации от 27 декабря 2002 г. N 184-ФЗ "О техническом регулировании"
[3] Федеральный закон Российской Федерации от 22 июля 2008 г. N 123-ФЗ "Технический регламент о требованиях пожарной безопасности"
[4] Федеральный закон Российской Федерации от 23 ноября 2009 г. N 261-ФЗ "Об энергосбережении и о повышении энергетической эффективности и о внесении изменений в отдельные законодательные акты Российской Федерации"
[5] СанПиН 1.2.3685-21 Гигиенические нормативы и требования к обеспечению безопасности и (или) безвредности для человека факторов среды обитания
[6] СН 481-75 Инструкция по проектированию, монтажу и эксплуатации стеклопакетов


