СП 299.1325800.2017 (21.12.2023) КОНСТРУКЦИИ ДЕРЕВЯННЫЕ С УЗЛАМИ НА ВИНТАХ. ПРАВИЛА ПРОЕКТИРОВАНИЯ
Утв. и введен в действие Приказом Министерства строительства и жилищно-коммунального хозяйства РФ от 16 августа 2017 г. N 1133/пр
Timber structures with nodes on the screws. The rules of design
Дата введения - 17 февраля 2018 года
Предисловие
Сведения о своде правил
1 ИСПОЛНИТЕЛЬ - АО "НИЦ "Строительство" - ЦНИИСК им. В.А. Кучеренко
2 ВНЕСЕН Техническим комитетом по стандартизации ТК 465 "Строительство"
3 ПОДГОТОВЛЕН к утверждению Департаментом градостроительной деятельности и архитектуры Министерства строительства и жилищно-коммунального хозяйства Российской Федерации (Минстрой России)
4 УТВЕРЖДЕН приказом Министерства строительства и жилищно-коммунального хозяйства Российской Федерации от 16 августа 2017 г. N 1133/пр и введен в действие с 17 февраля 2018 г.
5 ЗАРЕГИСТРИРОВАН Федеральным агентством по техническому регулированию и метрологии (Росстандарт)
6 ВВЕДЕН ВПЕРВЫЕ
В случае пересмотра (замены) или отмены настоящего свода правил соответствующее уведомление будет опубликовано в установленном порядке. Соответствующая информация, уведомление и тексты размещаются также в информационной системе общего пользования - на официальном сайте разработчика (Минстрой России) в сети Интернет
Введение
Настоящий свод правил разработан с целью повышения уровня безопасности в зданиях и сооружениях людей и сохранности материальных ценностей в соответствии с Федеральным законом от 30 декабря 2009 г. N 384-ФЗ "Технический регламент о безопасности зданий и сооружений", выполнения требований Федерального закона от 23 ноября 2009 г. N 261-ФЗ "Об энергосбережении и повышении энергетической эффективности и о внесении изменений в отдельные законодательные акты Российской Федерации".
Свод правил выполнен АО "НИЦ "Строительство" - ЦНИИСК им. В.А. Кучеренко: канд. техн. наук А.А. Погорельцев, д-р техн. наук С.Б. Турковский, канд. техн. наук П.Н. Смирнов, при участии д-ра техн. наук, проф. А.Я. Найчука, инженера Е.В. Маркечко (БрГТУ), д-ра техн. наук, проф. Е.Н. Серова (ГАСУ).
Изменение N 1 к настоящему своду правил разработано авторским коллективом АО "НИЦ "Строительство" - ЦНИИСК им. В.А. Кучеренко (канд. техн. наук А.А. Погорельцев, д-р техн. наук С.Б. Турковский, канд. техн. наук П.Н. Смирнов) при участии д-ра техн. наук А.Я. Найчука, Е.В. Маркечко (БрГТУ), д-ра техн. наук Е.Н. Серова (ГАСУ).
Изменение N 2 к настоящему своду правил разработано АО "НИЦ "Строительство" - ЦНИИСК им. В.А. Кучеренко (руководитель разработки - канд. техн. наук П.Н. Смирнов, канд. техн. наук А.А. Погорельцев, д-р техн. наук С.Б. Турковский, М.А. Филимонов, А.Р. Салимуллин).
1.1 Настоящий свод правил устанавливает требования по расчету и конструированию соединений элементов деревянных конструкций (далее - ДК), выполненных с использованием винтов, шурупов, глухарей, саморезов и клеевинтовых стержней (далее - винты), изготовленных из углеродистой или нержавеющей стали. Проектируемые в соответствии с требованиями настоящего свода правил узловые соединения применяют в гражданском и промышленном строительстве, в новых, эксплуатируемых и реконструируемых зданиях и сооружениях.
1.2 Настоящий свод правил не распространяется на проектирование соединений ДК гидротехнических сооружений, фундаментов, свай и на узловые соединения элементов ДК, в которых применяются винты и шурупы по ГОСТ 1144 и ГОСТ 1146.
В настоящем своде правил использованы нормативные ссылки на следующие документы:
ГОСТ ISO 898-1-2014 Механические свойства крепежных изделий из углеродистых и легированных сталей. Часть 1. Болты, винты и шпильки установленных классов прочности с крупным и мелким шагом резьбы
ГОСТ 1144-80 Шурупы с полукруглой головкой. Конструкция и размеры
ГОСТ 1146-80 Шурупы с полупотайной головкой. Конструкция и размеры
ГОСТ 2695-83 Пиломатериалы лиственных пород. Технические условия
ГОСТ 3565-80 Металлы. Метод испытания на кручение
ГОСТ 3916.1-2018 Фанера общего назначения с наружными слоями из шпона лиственных пород. Технические условия
ГОСТ 3916.2-2018 Фанера общего назначения с наружными слоями из шпона хвойных пород. Технические условия
ГОСТ 8486-86 Пиломатериалы хвойных пород. Технические условия
ГОСТ 9462-2016 Лесоматериалы круглые лиственных пород. Технические условия
ГОСТ 9463-2016 Лесоматериалы круглые хвойных пород. Технические условия
ГОСТ 11539-2014 Фанера бакелизированная. Технические условия
ГОСТ 13913-78 Пластики древесные слоистые (ДСП). Технические условия
ГОСТ 14019-2003 (ИСО 7438:1985) Материалы металлические. Метод испытания на изгиб
ГОСТ 16483.0-89 Древесина. Общие требования к физико-механическим испытаниям
ГОСТ 16483.1-84 Древесина. Метод определения плотности
ГОСТ 20850-2014 Конструкции деревянные клееные несущие. Общие технические условия
ГОСТ 24705-2004 (ИСО 724:1993) Основные нормы взаимозаменяемости. Резьба метрическая. Основные размеры
ГОСТ 26816-2016 Плиты цементно-стружечные. Технические условия
ГОСТ 33080-2014 Конструкции деревянные. Классы прочности конструкционных пиломатериалов и методы их определения
ГОСТ 33082-2014 Конструкции деревянные. Методы определения несущей способности узловых соединений
ГОСТ 33124-2021 Брус многослойный клееный из шпона. Технические условия
ГОСТ Р 56706-2022 Плиты из перекрестноклееной древесины. Общие технические условия
ГОСТ Р 58459-2019 Конструкции деревянные. Определение нормативных и расчетных значений механических свойств древесины и материалов на ее основе
СП 16.13330.2017 "СНиП II-23-81* Стальные конструкции" (с изменениями N 1, N 2, N 3, N 4, N 5)
СП 20.13330.2016 "СНиП 2.01.07-85* Нагрузки и воздействия" (с изменениями N 1, N 2, N 3, N 4)
СП 64.13330.2017 "СНиП II-25-80 Деревянные конструкции" (с изменениями N 1, N 2, N 3)
Примечание - При пользовании настоящим сводом правил целесообразно проверить действие ссылочных документов в информационной системе общего пользования - на официальном сайте федерального органа исполнительной власти в сфере стандартизации в сети Интернет или по ежегодному информационному указателю "Национальные стандарты", который опубликован по состоянию на 1 января текущего года, и по выпускам ежемесячного информационного указателя "Национальные стандарты" за текущий год. Если заменен ссылочный документ, на который дана недатированная ссылка, то рекомендуется использовать действующую версию этого документа с учетом всех внесенных в данную версию изменений. Если заменен ссылочный документ, на который дана датированная ссылка, то рекомендуется использовать версию этого документа с указанным выше годом утверждения (принятия). Если после утверждения настоящего свода правил в ссылочный документ, на который дана датированная ссылка, внесено изменение, затрагивающее положение на которое дана ссылка, то это положение рекомендуется применять без учета данного изменения. Если ссылочный документ отменен без замены, то положение, в котором дана ссылка на него, рекомендуется применять в части, не затрагивающей эту ссылку. Сведения о действии сводов правил целесообразно проверить в Федеральном информационном фонде стандартов.
В настоящем своде правил применены термины и определения по ГОСТ 8486, СП 64.13330 и другим нормативным документам, на которые даны ссылки в тексте, а также следующие термины с соответствующими определениями:
3.1 винт: Стальной стержень с головкой для передачи крутящего момента и спиральной нарезкой, образующей резьбу в детали, который служит для соединения деталей путем ввинчивания.
3.2 шуруп: Винт со стержнем конической формы и прорезью в головке для завинчивания его в деревянные изделия.
3.3 глухарь: Шуруп большого диаметра с квадратной или шестигранной головкой.
3.4 саморез: Винт, ввинчиваемый непосредственно в деревянное изделие без предварительного сверления.
3.5 древесина перекрестноклееная конструкционная; ДПК (CLT): Изготовленная заводским способом деревянная массивная плита, состоящая не менее чем из трех ортогонально склеенных слоев цельных или срощенных по длине на зубчатое соединение досок и предназначенная для использования в несущих и ограждающих строительных конструкциях.
3.6 плиты с ориентированной стружкой; ОСП (OSB): Листовой материал, изготовленный из склеенной между собой древесной стружки определенной формы, ориентированной в наружных слоях параллельно ее длине или ширине, а во внутреннем слое - перпендикулярно ее направлению или расположенной произвольно.
3.7 древесина клееная из шпона; ДКШ (LVL): Конструкционный древесный материал, состоящий из склеенных между собой слоев срощенных по длине листов лущеного шпона толщиной не менее 3 мм.
3.8 винтовой стержень: Винт без головки, со спиральной нарезкой по всей длине, образующей резьбу в деревянной детали, устанавливаемый путем ввинчивания с применением насадки на дрель или шуруповерт для передачи крутящего момента.
3.9 конструкции, армированные винтами: Деревянные конструкции с локальным усилением древесины винтами.
3.10 клеевинтовой стержень: Устанавливаемый путем ввинчивания стержень со спиральной нарезкой, образующей резьбу в детали, древесина в отверстии которой пропитана клеем.
3.11 соединение на скрещенных винтах: Стыковое соединение сборных конструкций с винтами, имеющими пространственный угол наклона к направлению воспринимаемого усилия сдвига в плоскости соединения.
В настоящем своде правил использованы обозначения и сокращения, принятые в СП 64.13330, СП 16.13330, а также следующие обозначения:
d - наружный диаметр резьбы винта, мм;
d1 - внутренний диаметр резьбы винта, мм;
dh - диаметр головки винта или наружный диаметр шайбы, мм;
ds - диаметр гладкой части винта или внутренний диаметр шайбы, мм;
d0 - диаметр просверленного отверстия под винт, мм;
l - длина резьбы винта, мм;
lв - длина винта, мм;
n - число винтов в соединении;
nрас - расчетное число винтов в соединении;
S1 - шаг винтов вдоль волокон, мм;
S2 - шаг винтов поперек волокон, мм;
S3,c - расстояние от оси винта до ненагруженного торца элемента, мм;
S3,t - расстояние от оси винта до нагруженного торца элемента, мм;
S4,c - расстояние от оси винта до ненагруженной грани элемента, мм;
S4,t - расстояние от оси винта до нагруженной грани элемента, мм.
5.1 Требования настоящего свода правил распространяются на узловые соединения элементов ДК, изготовленных из цельной и клееной древесины (древесины многослойной клееной из шпона (далее - ДКШ), перекрестноклееной древесины (далее - ДПК), клееной доски хвойных пород (далее - древесина)), а также на узловые соединения стальных деталей с элементами ДК.
5.2 Соединения с использованием винтов применяют в узлах ДК, работающих на восприятие статических или квазистатических нагрузок, предназначенных для строительства жилых, общественных, производственных и сельскохозяйственных зданий и сооружений. При соблюдении нормативных требований по назначению, эксплуатации и техническому обслуживанию ДК, а также по надлежащему использованию винтов долговечность соединений составляет не менее 50 лет.
5.3 Локальное поперечное и наклонное армирование винтами деревянных конструкций применяют для снижения в древесине нормальных напряжений поперек волокон и (или) касательных напряжений.
5.4 Армирование винтами выполняется при изготовлении деревянных конструкций в заводских условиях или на строительной площадке и при усилении конструкций эксплуатируемых зданий и сооружений.
5.5 Схемы и параметры армирования следует принимать в соответствии с проектом.
6.1.1 Винты, применяемые в соединениях для армирования ДК, сплачивания балок и усиления деревянных элементов с трещинами, следует изготавливать из оцинкованной углеродистой или нержавеющей стали как с полной, так и неполной резьбой по длине винта.
6.1.2 В зависимости от назначения в соединениях следует использовать винты с постоянным или переменным шагом резьбы на двух участках длины винта. Последние следует применять для сплачивания балок и усиления элементов ДК, имеющих трещины.
6.1.3 В соединениях ДК в зависимости от формы острия следует использовать винты (с фрезой на острие) и другие винты с потайной, тарельчатой, шестигранной или головкой внутри стержня винта.
Некоторые типы винтов приведены на рисунке 1.
Клеевинтовые стержни следует выполнять класса прочности не ниже 8.8 по ГОСТ 898-1 с крупной резьбой по всей длине по ГОСТ 24705.

а - винт с полной резьбой и круглой головкой; б – винт с полной резьбой и потайной головкой; в - винт с полной резьбой и тарельчатой головкой; г - саморез с неполной резьбой (гладкой частью) и потайной головкой; д – саморез с полной резьбой и потайной головкой; е - винт с неполной резьбой (гладкой частью) и потайной головкой; ж - винтовой стержень
Рисунок 1 - Схемы некоторых типов винтов
6.1.4 Нормативное сопротивление винтов при их растяжении Ryn, а также нормативные значения крутящего момента Mtn при завинчивании и изгибающего момента пластической деформации при изгибе не должны быть меньше значений, приведенных соответственно в таблицах 1 - 3.
При изгибе винтов под углом 45° в них не должно возникать трещин.
|
Диаметр резьбы d, мм |
Нормативное сопротивление Ryn, Н/мм2 | ||||
|
Винт из углеродистой стали |
Винт из нержавеющей стали |
Винтовой стержень | |||
|
с неполной резьбой |
с полной резьбой |
с неполной резьбой |
с полной резьбой | ||
|
От 3,5 до 6 |
Более 850 |
Более 900 |
Более 500 |
Более 500 |
- |
|
Более 6 до 20 |
Более 920 |
Более 920 |
Более 550 |
Более 550 |
Более 800 |
|
Примечание - При определении нормативных сопротивлений площадь винта A = πd12/4, где d1 - внутренний диаметр резьбы. | |||||
|
Диаметр резьбы d, мм |
Нормативное значение Mtn. Нм | ||
|
Винт из углеродистой стали |
Винт из нержавеющей стали | ||
|
с неполной резьбой |
с полной резьбой |
с неполной резьбой | |
|
3 |
1,8 |
2,1 |
1,5 |
|
3,5 |
2,0 |
2,3 |
1,7 |
|
4 |
3,0 |
3,3 |
2,4 |
|
4,5 |
4,9 |
4,7 |
3,0 |
|
5,0 |
7,4 |
7,7 |
5,0 |
|
6,0 |
12,0 |
13,2 |
8,0 |
|
7,0 |
20,0 |
18,0 |
12,0 |
|
8,0 |
27,8 |
28,0 |
16,0 |
|
9 |
40,0 |
27,1 |
15,1 |
|
10 |
40,1 |
36,0 |
23,1 |
|
11 |
42,1 |
60,0 |
33,1 |
|
12 |
58,0 |
62,3 |
34,1 |
|
Диаметр резьбы d, мм |
Нормативное значение Myn, Нм | ||
|
Винт из углеродистой стали |
Винт из нержавеющей стали | ||
|
с неполной резьбой |
с полной резьбой |
с неполной резьбой | |
|
3 |
2,0 |
2,1 |
1,5 |
|
3,5 |
2,1 |
2,3 |
1,6 |
|
4 |
3,3 |
3,5 |
2,2 |
|
4,5 |
4,5 |
4,7 |
3,0 |
|
5,0 |
5,9 |
6,1 |
3,9 |
|
6,0 |
9,5 |
10,2 |
6,3 |
|
7,0 |
13,4 |
14,0 |
10,0 |
|
8,0 |
20,0 |
20,2 |
13,4 |
|
9 |
27,0 |
27,1 |
15,1 |
|
10 |
35,6 |
36,2 |
24,1 |
|
11 |
40,1 |
45,8 |
30,1 |
|
12 |
43,2 |
50,3 |
32,1 |
6.1.5 Для винтов диаметром резьбы 16 и 20 мм нормативные значения крутящего момента Mtn и изгибающего момента Myn пластической деформации должны быть определены экспериментально.
6.1.6 Форма, размеры и параметры винтов должны соответствовать данным, приведенным в стандартах по их изготовлению и применению.
Используемые в узловых соединениях элементов ДК винты должны удовлетворять основным параметрам, приведенным в таблице 4.
Предельные отклонения по геометрическим параметрам винтов не должны превышать допуски, установленные в стандартах на их изготовление.
В миллиметрах
|
Внешний диаметр резьбы винта d |
Внутренний диаметр резьбы винта d1 |
Шаг резьбы P |
|
3 |
2 |
1,25 |
|
3,5 |
2,25 |
2,15 |
|
4 |
2,65 |
2,35 |
|
5 |
3,5 |
2,75 |
|
6 |
3,9 |
4,5 |
|
7 |
4,6 |
4,8 |
|
8 |
5,4 |
5,2 |
|
9 |
5,9 |
5,4 |
|
10 |
6,4 |
5,6 |
|
11 |
6,6 |
5,8 |
|
12 |
6,8 |
6,0 |
|
16 |
12 |
10 |
|
20 |
14 |
12 |
6.1.7 Винты следует использовать в узловых соединениях элементов из цельной древесины хвойных пород, клееной древесины, клееной доски или бруса, ОСП, ДСП, ЦСП, ДКШ, ДПК, фанеры, а также для крепления стальных деталей к деревянным элементам, изготовленным из цельной древесины хвойных пород, клееной древесины, ДКШ, ДПК, крепления элементов теплоизоляционных систем.
6.1.8 Для крепления элементов теплоизоляционных систем к стропилам или стенам следует использовать специальные винты внешним диаметром d, равным 8,0 или 10 мм.
6.1.9 При эксплуатации ДК в агрессивных средах для соединения элементов следует использовать винты из нержавеющей стали.
6.1.10 В узловых соединениях элементов ДК должно быть установлено не менее двух винтов. Угол установки винтов, работающих на осевое растяжение или сжатие, по отношению к волокнам древесины должен находиться в пределах 30º ≤ α ≤ 90º.
6.1.11 Для увеличения несущей способности винтов с неполной резьбой из условия смятия древесины под головками следует использовать шайбы.
6.1.12 Винтовые стержни с постоянным шагом резьбы, приведенные на рисунке 1, ж, следует использовать для армирования ДК, сплачивания балок и усиления деревянных элементов с трещинами. Стержни с постоянным метрическим шагом резьбы по ГОСТ 24705 следует применять в соединениях, работающих на сдвиг или на совместное восприятие осевого и сдвигающего усилий.
6.1.13 Для винтовых и клеевинтовых стержней диаметром резьбы 16 и 20 мм, приведенных на рисунке 1,ж нормативные значения крутящего момента Mtn и изгибающего момента Myn пластической деформации должны быть определены в соответствии с требованиями ГОСТ 3565 и ГОСТ 14019.
6.2.1 Качество цельной и клееной древесины, ДКШ, а также древесных плитных материалов (ЦСП, фанеры, ДСП, ОСП), для элементов соединений должно удовлетворять требованиям СП 64.13330, ГОСТ Р 56706, ГОСТ 33124.
6.2.2 Используемые для элементов узловых соединений пиломатериалы должны удовлетворять требованиям ГОСТ 8486, ГОСТ 2695, ГОСТ 9462, ГОСТ 9463, ГОСТ 33080.
6.2.3 Клееная древесина, используемая для элементов узловых соединений должна удовлетворять требованиям ГОСТ 20850, ГОСТ 33080.
6.2.4 Прочность древесины элементов узловых соединений для соответствующих сортов (классов) должна быть не ниже нормативных сопротивлений, приведенных в приложении В СП 64.13330.2017.
6.2.5 Используемые для элементов узловых соединений древесные плитные материалы (ЦСП, фанеры, ДСП, ОСП) должны удовлетворять требованиям ГОСТ 26816, ГОСТ 3916-1, ГОСТ 3916-2, ГОСТ 11539, ГОСТ 13913.
6.2.6 В зависимости от условий эксплуатации конструкций влажность древесины и материалов на ее основе должна соответствовать требованиям СП 64.13330.
6.2.7 Элементы с нормативным значением плотности древесины ρн <350 кг/м3 не допускается использовать в узловых соединениях с винтами. Нормативную плотность древесины ρ элементов соединений следует определять в соответствии с требованиями СП 64.13330 и ГОСТ Р 58459.
6.2.8 Для стальных элементов, присоединяемых с помощью винтов к элементам ДК, следует применять стали в соответствии с требованиями СП 16.13330.
7.1.1 Расчетную несущую способность винта Tв, работающего на осевое растяжение, следует определять из условия
, (1)
где Tвα - расчетная несущая способность на выдергивание винта из древесины под углом α к направлению волокон, Н;
Tсмα - расчетная несущая способность винта из условия смятия древесины под углом α к направлению волокон под головками винтов, Н. Tсмα определяют в том случае, если в соединении использованы винты с неполной резьбой, т.е. усилие растяжения винта передается на соединяемый элемент через площадки смятия под головками винтов;
Tр.в - расчетная несущая способность винта при растяжении, Н.
7.1.2 При использовании в соединении шурупов по ГОСТ 1144 или ГОСТ 1146, работающих на выдергивание поперек волокон древесины, расчетную несущую способность винта Tвα определяют в соответствии с требованиями пункта 8.31 СП 64.13330.2017.
7.1.3 Для винтов, соответствующих требованиям таблиц 1 - 4 и работающих на выдергивание из древесины под углом 30º ≤ α ≤ 90º к направлению волокон, расчетную несущую способность винта Tвα следует вычислять по формуле
Tвα = Rcpαπdlрасmdml, (2)
где Rсмα - расчетное сопротивление выдергиванию винта из древесины под углом α к направлению волокон на единицу поверхности контакта нарезной части винта, образованной по наружному диаметру, Н/мм2;
d - наружный диаметр резьбы, мм;
lрас - расчетная длина винта, равная длине нарезной его части, завинченной в соединяемый элемент, уменьшенная на 1,8d, мм;
α - угол наклона продольной оси винта по отношению к направлению волокон древесины, в градусах;
md - коэффициент, учитывающий изменение расчетного сопротивления Rсмα выдергиванию винта из древесины под углом α к направлению волокон в зависимости от диаметра d винта, вычисляемый по формуле
md = 1,42 - 0,084d + 0,002d2, (3)
ml - коэффициент, учитывающий изменение расчетного сопротивления Rсмα выдергиванию винта древесины (для ДКШ - вдоль и поперек волокон, ДПК - поперек волокон) под углом α к направлению волокон в зависимости от расчетной длины lрас винта в узловом соединении, следует вычислять по формуле
ml = k(0,99 - 0,0012lрас + 1,6·10-6l2рас), (4)
где
. (5)
Примечание - В случае применения в узловых соединениях винтов, параметры которых не соответствуют требованиям таблиц 1 - 4, расчетную несущую способность Tвα следует определять экспериментальным путем в соответствии с требованиями ГОСТ 33082.
Использование винтов, кроме клеевинтовых стержней, работающих на осевое растяжение при выдергивании из древесины под углом <30° к направлению волокон не допускается.
Расчетное сопротивление Rсмα выдергиванию винта из древесины под углом α к направлению волокон на единицу поверхности контакта нарезной части винта, образованной по наружному диаметру, в узловом соединении вычисляют по формуле
, (6)
где Rср90 - расчетное сопротивление выдергиванию винта из древесины под углом α = 90° к направлению волокон на единицу поверхности контакта нарезной части винта в узловом соединении с винтами 3 ≤ d ≤ 20 мм, Н/мм2.
Расчетное сопротивление Rср90 выдергиванию винта из древесины под углом α = 90° к направлению волокон на единицу поверхности контакта нарезной части винта, образованной по наружному диаметру, в узловом соединении с винтами вычисляют по формуле
Rcp90 = R*cp90·mp·mв·mТ·mД·mН·mа·mнк,, (7)
где R*cp90 = 2,8 Н/мм2 - расчетное сопротивление выдергиванию винта из древесины (кроме ДКШ и ДПК) плотностью ρн = 500 кг/м3 под углом α = 90° к направлению волокон на единицу поверхности контакта нарезной части винта, образованной по наружному диаметру в соединении с винтами, для ДКШ - R*cp90 = 2,9 Н/мм2; для ДПК с плотностью ламелей ρн = 500 кг/м3 - R*cp90 = 2,8 Н/мм2;
mρ - коэффициент, учитывающий изменение расчетного сопротивления R*cp90 выдергиванию древесины поперек волокон (для ДКШ - вдоль и поперек волокон, для ДПК - поперек волокон) от нормативного значения плотности ρн древесины в узловом соединении, следует вычислять по формуле
mρ = 0,2 + 0,0016ρн, (8)
где ρн - нормативное значение плотности древесины, кг/м3, в соответствии с требованиями ГОСТ 16483.1 и СП 64.13330;
mв, mТ, mД, mН и mа - коэффициенты условия работы в соответствии с требованиями раздела 6 СП 64.13330.2017;
mнк - коэффициент, учитывающий изменение расчетного сопротивления R*cp90 выдергиванию из древесины поперек волокон (для ДКШ - вдоль и поперек волокон, для ДПК - поперек волокон) в зависимости от формы наконечника винтов, устанавливаемых без предварительного сверления, равный 1 для острого наконечника, в том числе острого режущего и острого режущего с канавками, для других типов наконечника коэффициент следует определять в соответствии с ГОСТ 33082.
7.1.4 Расчетную несущую способность винта из условия смятия древесины под углом α к направлению волокон Tсмα под его головкой или шайбой вычисляют по формуле
Tсмα = Rсмα·Fсм, (9)
где Rсмα - расчетное сопротивление смятию древесины ДКШ, ДПК под углом α к направлению волокон, Н/мм2, в соответствии с требованиями раздела 6 СП 64.13330.2017;
Fсм - расчетная площадь смятия древесины под головкой винта, вычисляемая по формуле
, (10)
где dh - диаметр головки винта или наружный диаметр шайбы, мм;
ds - диаметр гладкой части стержня или внутренний диаметр шайбы, мм.
7.1.5 Расчетную несущую способность Tр.в винта при растяжении определяют в соответствии с 7.1 СП 16.13330.2017.
7.1.6 В зависимости от условий эксплуатации расчетное сопротивление R*cp90 следует умножать на коэффициенты, приведенные в таблицах 7, 8, 12 и пункте 6.2 СП 64.13330.2017.
7.1.7 Расчетное число винтов в узловом соединении nрас вычисляют по формуле
, (11)
где Nр - расчетное значение осевого растягивающего усилия, действующего на винты в узловом соединении.
7.1.8 В узловых соединениях с винтами, воспринимающих осевые растягивающие усилия и расположенных под углом α к направлению волокон древесины, длина анкеровки lрас должна быть не менее 2/3h (см. рисунок 2). Если lрас <2/3h, необходимо выполнять проверку на растяжение массива древесины на уровне обрыва винтов по формуле
Np ≤ Rрα·Fрас, (12)
где Rрα - расчетное сопротивление растяжению древесины под углом α, Н/мм2, вычисляемое по формуле
; (13)
Fрас - расчетная площадь растяжения древесины под углом α к волокнам (см. рисунок 2), мм2, на уровне обрыва винтов, вычисляют по формуле Fрас = bр·lр, где lр = (n1 + 1)·S1 (см. рисунок 2);
bр = min (b; (m + 1)·S2) (см. рисунок 2);
bр - расчетная ширина поперечного сечения элемента в зоне установки винтов, мм;
S1 - шаг винтов вдоль волокон древесины, мм;
S2 - шаг винтов поперек волокон древесины, мм;
n1 - число винтов в одном ряду;
m - число рядов винтов поперек волокон;
RAр - расчетное сопротивление растяжению древесины вдоль волокон;
RAр90 - расчетное сопротивление растяжению древесины поперек волокон.

а - с винтами под углом 90° к волокнам; б - с винтами под углом α к волокнам
Рисунок 2 - Схемы узловых соединений с винтами, работающими на осевое растяжение
7.2.1 Винты, работающие на осевое сжатие под углом 45º ≤ α ≤ 90º к волокнам древесины, как правило, используют для усиления опорных площадок деревянных стропильных балок, ферм и узлов крепления колонн к фундаментам.
7.2.2 При расчете узловых соединений с винтами, ввинченными под углом 45º ≤ α ≤ 90º к волокнам древесины и воспринимающими сжимающие усилия, необходимо учитывать несущую способность из условия смятия древесины над опорными пластинами.
7.2.3 Для узловых соединений элементов ДК с винтами, ввинченными под углом 45º ≤ α ≤ 90º к волокнам древесины и работающими на осевое сжатие, расчетное усилие должно удовлетворять условию
, (14)
где Nсα - расчетное осевое сжимающее усилие, действующее на винты в узловом соединении, расположенные под углом 45º ≤ α ≤ 90º к волокнам древесины, Н;
Tсм1α - расчетная несущая способность узлового соединения из условия смятия древесины над опорной пластиной, Н;
Tв.сα - расчетная несущая способность винта при вдавливании его в древесину под углом α к направлению волокон, Н;
Tвλ - расчетная несущая способность винта, вычисленная из условия его устойчивости, заанкеренного в массиве древесины, Н;
Tсм2α - расчетная несущая способность узлового соединения из условия смятия массива древесины на уровне обрыва винтов, Н;
n - число винтов в соединении.
7.2.4 Расчетную несущую способность Tсм1α узлового соединения от смятия древесины над опорной пластиной следует вычислять по формуле
Tсм1α = Rсмα·Fрас1, (15)
где Rсмα - расчетное сопротивление смятию древесины под углом α, Н/мм2, определяемое по формуле (5) СП 64.13330.2017;
Fрас1 - расчетная площадь смятия древесины, мм2, над опорной пластиной, принимаемая как Fрас1 = b·l (см. рисунок 2), где l - длина опорной пластины; b - ширина поперечного сечения усиливаемого элемента или опорной пластины.
7.2.5 Для узловых соединений элементов с использованием винтов, удовлетворяющих требованиям таблиц 1 - 4 и работающих на осевое сжатие под углом α к направлению волокон древесины, расчетную несущую способность Tв.сα со винта вычисляют по формуле (2) как для винта, работающего на осевое растяжение.

а) - крайний опорный узел балки; б) - промежуточный опорный узел балки
Рисунок 3 - Схемы опорных узлов балки, усиленных винтами
7.2.6 Расчетную несущую способность Tвλ винта вычисляют исходя из условия устойчивости на сжатие, ввинченного в массив древесины, по формуле
Tвλ = φ·Tв1, (16)
где φ - коэффициент устойчивости при центральном сжатии винта, ввинченного в массив древесины;
Tв1 - расчетная несущая способность винта по прочности на сжатие, Н.
Коэффициент устойчивости φ следует вычислять по формуле
, (17)
где δ - коэффициент, вычисляемый по формуле
; (18)
- условная гибкость, вычисляемая по формуле
, (19)
где
,
d1 и Ry - внутренний диаметр резьбы и расчетное сопротивление материала винта по пределу текучести;
Tв1,y - расчетная несущая способность винта при сжатии с учетом его защемления в массиве древесины, вычисляемая по формуле
, (20)
где β - коэффициент, вычисляемый по формуле
; (21)
E - модуль упругости материала винта, который для стали принимают равным 210 000 Н/мм2;
In - момент инерции сечения винта, мм4, вычисляемый по формуле
, (22);
d - наружный диаметр резьбы винта, мм;
ρн - нормативное значение плотности древесины, кг/м3;
d1 - внутренний диаметр резьбы винта, мм.
7.2.7 Расчетную несущую способность Tсм2α узлового соединения из условия смятия древесины на уровне обрыва винтов следует вычислять по формуле
Tсм2α = Rсмα·Fрас2, (23)
где Rсмα - расчетное сопротивление смятию древесины под углом α, Н/мм2, определяемое по формуле (2) СП 64.13330.2011;
Fрас2 - расчетная площадь смятия древесины (рисунок 3), мм2, принимаемая равной:
- для крайней опоры - Fрас2 = b·lсм1, где lсм1 = lрас + (n1 - 1)·S1 + min(l1; S3);
- промежуточной опоры Fрас2 = b·lсм2, где lсм2 = 2lрас + (n1 - 1)·S1 (рисунок 3).
Здесь lрас - расчетная длина винта в соответствии с требованиями 6.1.3;
b - ширина поперечного сечения усиливаемого элемента, мм;
S1 и S3 - шаг винтов вдоль волокон древесины и расстояние от кромки (торца) элемента до оси винта, мм;
n1 - число винтов в одном ряду.
7.3.1 Винты, работающие в соединениях на восприятие сдвиговых усилий между соединяемыми элементами, следует рассматривать как нагели. Влияние резьбовой части винта учитывают при определении несущей способности путем выбора расчетного диаметра dрас.
7.3.2 Для винтов с неполной резьбой, при определении несущей способности, расчетное значение диаметра винта dрас принимают как диаметр гладкой части стержня. Для винтов с полной резьбой следует принимать dрас = 1,1d, где d - наружный диаметр резьбы винта. Если длина ввинченной в элемент части менее 5,8d, работу винта в шве учитывать не следует.
7.3.3 Расчетную несущую способность винта с неполной резьбой и диаметром d ≤ 6 мм на один шов сплачивания в соединениях элементов из сосны и ели, в том числе клееных, ДКШ и ДПК (рисунок 4), при направлении усилий, передаваемых винтами под любым углом к волокнам, следует определять по таблице 18 СП 64.13330.2017, как для гвоздей с учетом требований 8.14 СП 64.13330.2017.

a и c - толщины соединяемых элементов; a1 - длина ввинченной части в элемент
а) - симметричное; б) - несимметричное
Рисунок 4 - Схема соединения на винтах
7.3.4 Расчетную несущую способность винта диаметром d> 6 мм на один шов сплачивания в соединениях элементов из сосны и ели, в том числе клееных, ДКШ и ДПК (рисунок 4) при направлении усилий, передаваемых винтами вдоль волокон, следует определять по таблице 18 СП 64.13330.2017, как стальных цилиндрических нагелей, а также в соответствии с требованиями пункта 8.14 СП 64.13330.2017.
7.3.5 Расчетную несущую способность винтов диаметром d> 6 мм при направлении передаваемого винтом усилия под углом α к волокнам (рисунок 5) следует вычислять согласно 7.3.4 с умножением:
а) на коэффициент kα (таблица 19 СП 64.13330.2017) при расчете из условия смятия древесины в нагельном гнезде;
б) величину √kα при расчете винта на изгиб; угол α следует принимать равным большему из углов смятия нагелем элементов, прилегающих к рассматриваемому шву.

1 и 2 - деревянные элементы; 3 - винт; a и c – толщины соединяемых элементов; a1 - длина ввинченной части в элемент
Рисунок 5 - Схема соединения элементов под углом α к волокнам древесины с использованием винтов
7.3.6 В соединениях со стальными пластинами или другими крепежными металлическими элементами винты используют в виде глухих цилиндрических нагелей (рисунки 5, 6). Для уменьшения податливости таких соединений следует использовать винты с плоской головкой и усеченным коническим подголовником. Длина анкеровки винтов в древесине должна быть не менее пяти диаметров винта.
Соединения со стальными пластинами, в которых в качестве связей использованы винты, следует рассчитывать в соответствии с требованиями 7.3.3 - 7.3.5. Стальные накладки следует проверять на растяжение по ослабленному сечению и на смятие под подголовником или стержнем винта в соответствии с указаниями СП 16.13330.

1 - деревянный элемент; 2 - стальная накладка; 3 - винт; a1 - длина ввинченной части в элемент; t - толщина стальной пластины
Рисунок 6 - Схема винтового соединения со стальными накладками
7.3.7 Несущую способность соединения на винтах из одного материала, но разных диаметров следует вычислять как сумму несущих способностей всех винтов, за исключением растянутых стыков, для которых вводят понижающий коэффициент 0,9.
Соединения с винтами, работающими на совместное восприятие осевого и сдвигающего усилий, должны удовлетворять следующему условию:
, (24)
где T - расчетная несущая способность соединения по восприятию осевого усилия (растяжения, сжатия), Н, вычисляемая согласно требованиям 7.1 или 7.2;
Nр - расчетное значение осевого усилия, Н, действующего в узле, вычисляемое на основании сочетания воздействий в соответствии с требованиями СП 20.13330;
Tv - расчетная несущая способность соединения по восприятию сдвигающего усилия, Н, вычисляемая в соответствии с требованиями 7.3;
Nv - расчетное значение сдвигающего усилия, Н, действующего в узле, вычисляемое на основании сочетания воздействий в соответствии с требованиями СП 20.13330.
Локальное поперечное и наклонное армирование ДК следует выполнять винтами с полной резьбой, соответствующими требованиям таблиц 1 - 4 и работающими на осевое растяжение или сжатие под углом α к направлению волокон древесины, при этом их расчетную несущую способность необходимо вычислять в соответствии с требованиями 7.1 или 7.2.
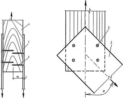
7.6.1 Расчетную несущую способность пары скрещенных винтов Tсв, представляющую собой сумму компонентов расчетных несущих способностей растянутого и сжатого винтов (рисунок 6а), в стыковых соединениях ДПК/CLT, работающих на сдвиг, следует определять по формуле
Tсв = 2Tν·sinγ + cosγ(Tв + min(Tв.сα; Tвλ)), (24а)
где Tв - расчетная несущая способность винта на осевое растяжение, определяемая в соответствии с требованиями 7.1.1, при этом за расчетный угол α следует принимать меньший из углов ε‖ или ε┴ (рисунок 6а);
Tв.сα - расчетная несущая способность винта при вдавливании его в древесину под углом α к направлению волокон, определяемая в соответствии с требованиями 7.2.3, при этом за расчетный угол α следует принимать меньший из углов ε‖ или ε┴ (рисунок 6а);
Tвλ - расчетная несущая способность винта, вычисленная из условия его устойчивости, заанкеренного в массиве древесины, определяемая в соответствии с требованиями 7.2.3, при этом за расчетный угол α следует принимать меньший из углов ε‖ или ε┴ (рисунок 6а);
Tν - расчетная несущая способность винта на сдвиг, определяемая в соответствии с требованиями 7.3, при этом следует учитывать, что при определении значений kα за расчетный угол α принимается больший из соответствующих углов θ‖ или θ┴ (рисунок 6а).

ε‖ и ε┴ - углы между направлением волокон в слоях и направлением осевого сопротивления винта; θ‖ и θ┴ - углы между направлением волокон слоев и направлением сдвига винтов
Рисунок 6а - Схема определения расчетной несущей способности винта, работающего на осевое растяжение и сдвиг в стыковом соединении ДПК со скрещенными винтами
7.6.2 Пространственный угол наклона винтов к направлению воспринимаемого усилия сдвига в плоскости соединения со скрещенными винтами γ следует вычислять по формуле
γ = arccos(cosβ·sinα), (24б)
где α - угол между осью винта и нормалью к плоскости сдвига, спроецированный на плоскость плиты ДПК;
β - угол между осью винта и плоскостью плиты.
Угол установки γ следует принимать от 30° до 60°. При γ> 60º расчетную несущую способность пары скрещенных винтов следует определять как для нагельного соединения.
7.6.3 Число пар скрещенных винтов nсв в одном стыке ДПК следует определять по формуле
, (24в)
где N - расчетное усилие сдвига в стыке;
Tсв - расчетная несущая способность, определяемая в соответствии с требованиями 7.6.1.
8.1 В узловых соединениях элементов ДК винты, работающие на осевое растяжение, следует устанавливать под углом к волокнам 30º ≤ α ≤ 90º, а работающие на осевое сжатие - под углом 45º ≤ α ≤ 90º.
8.2 Установку винтов в узловых соединениях элементов из древесины диаметром d ≤ 6 мм и плотностью древесины не более 500 кг/м3 осуществляют без предварительного сверления монтажных отверстий. В тех случаях, когда d> 6 мм, винты устанавливают в предварительно просверленные монтажные отверстия. Диаметр монтажных отверстий для установки винтов с неполной резьбой должен быть равным диаметру гладкой части стержня, а глубина - длине гладкой части стержня. Для нарезанной части винта диаметр монтажного отверстия принимают 0,7d. Для винтовых стержней диаметрами 16 мм и 20 мм, приведенных на рисунке 1, ж, диаметр монтажного отверстия принимают равным 13 мм и 15 мм, соответственно.
8.3 В элементах из цельной и клееной древесины с плотностью более 500 кг/м3 диаметр монтажного отверстия следует вычислять экспериментально.
8.4 Винты для кровельных теплоизоляционных систем устанавливают без предварительного сверления монтажных отверстий под углом 30° к волокнам древесины стропил.
8.5 Для элементов из LVL установку винтов диаметром более 4 мм следует осуществлять в предварительно просверленные монтажные отверстия диаметром 0,7d.
8.6 Рекомендуемые диаметры монтажных отверстий для установки винтов приведены в таблице 5.
В миллиметрах
|
Наружный диаметр резьбы винта d |
Диаметр монтажного отверстия dм |
|
3 - 3,5 |
2 |
|
4 - 5 |
2,5 |
|
6 - 7 |
4 |
|
8 - 9 |
5 |
|
10 и 11 |
6 |
|
12 |
7 |
|
16 |
13 |
|
20 |
15 |
Примечание - Для саморезов диаметр монтажных отверстий не должен быть больше внутреннего диаметра резьбы d1.
8.7 В соединениях элементов с небольшой шириной поперечного сечения (ребра плит, элементы каркаса дома и т.п.) и расположением винтов в один ряд следует использовать саморезы. Длина анкеровки винтов lрас ≥ 4d. Кроме того, толщина клееной древесины и древесно-волокнистых плит должна быть не менее 6 мм, а древесностружечных, ориентировочно-стружечных и цементно-стружечных - не менее 8 мм.
8.8 Винты с потайной головкой диаметром от 6 до 10 мм следует использовать в комплекте с шайбами-розетками. Винты с шестигранной и тарельчатой головкой следует использовать в комплекте с подкладками шайбами. Шайбы-розетки и подкладные шайбы должны соответствовать винтам по своей форме и материалу и прилегать к поверхности древесины элемента по всей своей плоскости после ввинчивания.
8.9 Шайбы из углеродистой стали требуется использовать только с винтами из углеродистой стали, шайбы из нержавеющей стали - только с винтами из нержавеющей стали.
8.10 Длину анкеровки винтов диаметром более 6 мм, работающих на восприятие осевых растягивающих усилий, следует принимать с учетом обеспечения прочности древесины на растяжение под углом к волокнам.
8.11 Для элементов из ДКШ длина анкеровки винтов должна быть не менее 50 мм.
8.12 При усилении опорных площадок ДК посредством установки винтов под углом 45º ≤ α ≤ 90º к направлению волокон необходимо обеспечивать их равномерную загрузку.
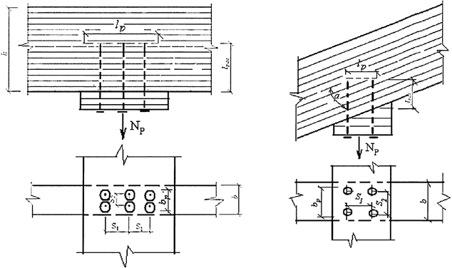
8.13 Для винтов, воспринимающих только осевую нагрузку при минимальной толщине деревянного элемента 12d и диаметре винтов d> 6 мм (рисунок 3), расстояние между осями винтов вдоль волокон древесины S1, поперек волокон S2, от торца элемента S3 и от боковой грани S4 должно быть:
S1 ≥ 6d - для элементов из цельной и клееной древесины;
S1 ≥ 8d - для элементов из ДКШ;
S2 ≥ 5d - для элементов из цельной и клееной древесины;
S2 ≥ 6d - для элементов из ДКШ;
S3 ≥ 10d - для элементов из цельной и клееной древесины;
S3 ≥ 10d - для элементов из ДКШ.
Для винтов d ≤ 6 мм расстояние S1 ≥ 15d, S2 ≥ 5d и S3 ≥ 10d.
Расстановку винтов d> 6 мм в опорных площадках следует осуществлять в два ряда (рисунок 3).
Винты, воспринимающие сжимающие усилия, должны быть утоплены в деревянный элемент таким образом, чтобы их головки были заподлицо с внешней поверхностью.
8.14 В узловых соединениях плитных материалов с древесиной посредством винтов наружным диаметром d = 8 мм, толщина t плиты должна быть не менее 30 мм, для винтов d = 10 мм - t ≥ 40 мм и для винтов d = 12 мм - t ≥ 80 мм.
Толщина t прикрепляемых древесных материалов должна составлять t ≥ 1,2d.
8.15 В прикрепляемых стальных деталях (кронштейны, пластины и т.п.) под винты должны быть предварительно просверлены отверстия соответствующего диаметра. Для винтов с потайной головкой отверстия необходимо зенковать в том случае, если под головкой отсутствует фреза.
8.16 Толщина t элементов из цельной и клееной древесины, к которым осуществлено крепление, должна быть не менее 4d.
8.17 В узловых соединениях деревянных элементов с использованием винтов, работающих на сдвиг, расстояние между осями винтов вдоль волокон древесины S1, поперек волокон S2, от торца элемента S3 и от боковой грани S4 (рисунок 7) следует принимать в соответствии с данными таблиц 6 и 7.
8.18 Минимальные расстояния для соединений стальной пластины с древесиной должны соответствовать данным в таблице 7, умножая приведенные значения на 0,7, а для плитных материалов - на 0,85.
8.19 В узловых соединениях с винтами, работающими на восприятие совместного действия сдвигающих и осевых усилий, минимальные расстояния между осями винтов не должны быть менее величин, установленных для случаев их раздельного действия.

а) - шаг винтов; б) - расстояния от оси винта до грани и торца элемента
Рисунок 7 - Размеры для соединений на винтах диаметром d> 6 мм
|
Величина шага, расстояние и угол α (см. рисунок 7) |
Предварительно просверленное отверстие |
Предварительно просверленное отверстие для ρk> 500 кг/м3 | |
|
ρk ≤ 420 кг/м3 |
420 кг/м3 <ρk ≤ 500 кг/м3 | ||
|
Шаг вдоль волокон - S1; 0º ≤ α ≤ 360º |
d <5 мм; (5 + 5|cosα|)d d ≥ 5 мм; (5 + 7|cosα|)d |
(7 + 8|cosα|)d |
(4 + |cosα|)d |
|
Шаг поперек волокон - S2; 0º ≤ α ≤ 360º |
5d |
7d |
(4 + |sinα|)d |
|
Расстояние до нагруженного торца S3t; - 90º ≤ α ≤ 90º |
(10 + 5|cosα|)d |
(15 + 5|cosα|)d |
(7 + 5|cosα|)d |
|
Расстояние до ненагруженного торца S3c; - 90º ≤ α ≤ 270º |
10d |
15d |
7d |
|
Расстояние до нагруженной кромки S4t; 0º ≤ α ≤ 180º |
d <5 мм; (5 + 2sinα)d d ≥ 5 мм; (5 + 5sinα)d |
d <5 мм; (7 + 2sinα)d d ≥ 5 мм; (7 + 5sinα)d |
d <5 мм; (3 + 2sinα)d d ≥ 5 мм; (3 + 4sinα)d |
|
Расстояние до ненагруженной кромки S4c, 180º ≤ α ≤ 380º |
5d |
7d |
3d |
|
Величина шага или расстояния (рисунок 7) |
Минимальная величина шага или расстояния | |
|
Угол |
Минимальный размер | |
|
Шаг вдоль волокон - S1 |
0º ≤ α ≤ 360º |
(4 + |cosα|)d |
|
Шаг поперек волокон - S2 |
0º ≤ α ≤ 360º |
4d |
|
Расстояние до нагруженного торца S3t |
- 90º ≤ α ≤ 90º |
max (7d; 80 мм) |
|
Расстояние до ненагруженного торца S3c |
90º ≤ α <150º |
(1 + 6sinα)d |
|
150º ≤ α <210º |
4d | |
|
210º ≤ α ≤ 270º |
(1 + 6sinα)d | |
|
Расстояние до нагруженной кромки S4t |
0º ≤ α ≤ 180º |
max[(2 + 2sinα)d; 3d] |
|
Расстояние до незагруженной кромки S4c |
180º ≤ α ≤ 360º |
3d |
8.20 Армирование деревянных конструкций должно выполняться при соблюдении требований рабочих чертежей.
8.21 Основные конструктивные параметры армирования должны учитывать: размеры и характеристики винтов, размеры посадочных отверстий под винты и схемы их расстановки, регламентированные рабочими чертежами.
8.22 Угол между осью устанавливаемого винта и направлением волокон должен быть в пределах 30° - 90°.
8.23 При армировании древесины плотностью не более 500 кг/м3, за исключением древесины лиственницы, установку винтов диаметром d ≤ 6 мм и саморезов осуществляют без предварительного рассверливания отверстий.
8.24 При армировании древесины плотностью более 500 кг/м3 винтами диаметром d> 6 мм и винтовыми стержнями, их установку осуществляют с предварительным рассверливанием монтажных отверстий. Диаметр рассверленных отверстий для установки винтов принимают 0,7d, для винтовых стержней - равным внутреннему диаметру резьбы d1.
8.25 Расстояние вдоль волокон древесины между осями винтов и до торца элемента S1 следует принимать не менее (рисунок 8):
- при угле наклона винтов к направлению волокон 60º ≥ β ≤ 90º - S1 = 5d;
- при угле наклона винтов к направлению волокон 30º ≥ β ≤ 60º - S1 = 7d.

а - прямая; б - в шахматном порядке
Рисунок 8 - Расстановка винтов
Расстояние поперек волокон древесины между осями винтов и до кромки элемента следует принимать не менее S2 = S3 = 4d.
9.1.1 Армирование конструкций винтами используют:
- для увеличения несущей способности конструкций, в которых действуют нормальные растягивающие напряжения поперек волокон и (или) касательные напряжения (в приопорных зонах высоких балок, в зонах глубоких подрезок или ослаблений врезками, в изгибаемых элементах с криволинейной осью и др.);
- для сплачивания ДК, поперечное сечение которых состоит из двух и более элементов;
- в виде наклонно ввинченных и клеевинтовых стержней в качестве связей сдвига составных ДК, в том числе для комбинированных конструкций с деревянными балками в виде ребер и монолитной железобетонной плитой;
- для поперечного и наклонного армирований конструкций из клееной древесины для повышения их сдвиговой прочности и надежности, в том числе при переменном температурно-влажностном режиме эксплуатации;
- для наклонного армирования в целях повышения сдвиговой выносливости при циклических воздействиях.
9.2.1 Балки следует рассчитывать на прочность, устойчивость плоской формы деформирования и прогиб.
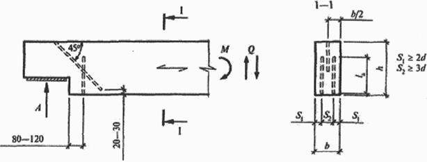
9.2.2 Подрезка на опоре в растянутой зоне деревянных изгибаемых элементов глубиной a ≤ 0,25h допускается при условии
Н/мм2, (25)
где A - опорная реакция от расчетной нагрузки, Н;
b и h - ширина и высота соответственно поперечного сечения элемента без подрезки, мм.
Длина опорной площадки подрезки c должна быть не больше высоты сечения h, а длина скошенной части подрезки c1 - не менее двух глубин a (рисунок 9).

Рисунок 9 - Скошенная подрезка конца балки
В случае, если невозможно выполнять скошенную подрезку или ее глубина превышает 0,25h, необходимо усиление зоны подрезки. Усиление проводят установкой поперечных (перпендикулярно к волокнам) и наклонных (под углом 45° к волокнам) винтов (рисунок 10).

M - изгибающий момент; Q - поперечная сила; S1 и S2 - см. раздел 4
Рисунок 10 - Усиление подрезки на конце балки
Длина поперечных винтов должна соответствовать условию
2aр ≤ lа ≥ 0,7h, (26)
где lа - расчетная длина винта, мм;
aр = a - 30 мм (глубина подрезки минус 30 мм на "непроклей").
Расчет винтов проводят с учетом того, что растягивающее усилие полностью воспринимается поперечными винтами. Наклонные винты воспринимают сдвигающие усилия в зоне трещины и снижают касательные напряжения на приопорном участке.
Расстояние от торца подрезки до винтов должно быть 80 - 120 мм (120 мм для конструкций, эксплуатируемых в переменных температурно-влажностных условиях, в том числе на открытом воздухе).
Для двух поперечных винтов должно выполняться условие
T ≥ 0,7Aa/h, (27)
где T - несущая способность винта, вкрученного поперек волокон, определяемая по 7.1.3 при lр = aр, Н;
A - опорная реакция, Н;
a - глубина подрезки, мм;
h - высота сечения без учета подрезки, мм.
Для наклонных винтов должно быть выполнено условие
T ≥ 25Aa2(h - a)/h4, (28)
где T - несущая способность винта, определяемая по 7.1.3, при этом уровень площадки опирания условно принимают за местоположение шва сплачивания, Н.
9.3.1 Гнутоклееные балки с постоянной или переменной высотой поперечного сечения могут быть как двускатными, так и с верхней гранью положительной и отрицательной кривизны от 10% до 20%.
Одна из опор в таких балках, независимо от пролета, должна быть подвижной во избежание возникновения распора.
При расчете гнутоклееных балок на прочность (рисунок 11) кроме проверки краевых тангенциальных нормальных напряжений следует проверять соответствие максимальных радиальных растягивающих напряжений σrmax, действующих поперек волокон древесины условию
, (29)
где Rр90 - расчетное сопротивление ДК растяжению поперек волокон (пункты 6.1 и 7 таблицы 3 СП 64.13330.2017);
M - расчетный изгибающий момент, Н·мм;
F - площадь поперечного сечения кривого бруса, мм2;
y0 - расстояние от нейтрального слоя до центра тяжести, мм;
r, r0, r1 - радиусы кривизны геометрической оси, нейтрального слоя, нижней (ближней к центру кривизны) и верхней кромок бруса соответственно, мм.

Рисунок 11 - Расчетная схема кривого бруса при чистом изгибе
При невыполнении условия (29) допускается выполнять усиление постановкой винтов, рассчитанных на восприятие растягивающего усилия, определяемого по формуле
, (30)
где l2 - длина хорды криволинейного участка, мм, на котором не выполняется условие (29).
9.3.2 Двускатные гнутоклееные балки следует применять при уклонах не более 20%. Зону перегиба верхних граней двускатных балок переменного сечения следует проверять на максимальные радиальные растягивающие напряжения σr,max, действующие поперек волокон древесины, по 9.3.1.
9.4.1 Приопорные участки клееных деревянных балок с соотношением h/b ≥ 4, а также участки в местах действия сосредоточенных сил должны быть рассчитаны на прочность по главным площадкам с учетом всех компонент плоского напряженного состояния по формуле
, (31)
где σ1 - значение главного растягивающего напряжения, МПа;
σx, σy и τxy - компоненты плоского напряженного состояния, МПа;
Rpα - расчетное значение сопротивления древесины при растяжении под углом α к направлению волокон, определяемое по разделу 6 СП 64.13330.2017.
Угол наклона α направления главного растягивающего напряжения σ1 к волокнам древесины следует вычислять по формулам:
(32)
Величину наибольших нормальных растягивающих поперек волокон древесины напряжений σy в приопорных зонах и окрестностях действия сосредоточенных поперечных сил P следует определять методом конечных элементов или рассчитывать по формуле
σy= σp90 = 2Pη1/bh, (33)
где P - сосредоточенная сила (опорная реакция балки, давление от подвесного оборудования, усилие сжатия в стойке фермы и т.д.), Н;
η1 - ордината положительной части кривой распределения нормальных напряжений σy от единичной сосредоточенной силы (рисунок 12), мм;
b - ширина поперечного сечения элемента, мм;
h - высота поперечного сечения элемента, мм.

Рисунок 12 - Схема распределения напряжений σy в приопорной зоне балки
Ординату η1 в интервале -0,25hоп ≤ y ≤ +0,25hоп рассчитывают по формуле
. (34)
9.4.2 При передаче поперечной силы не по кромке элемента, а по части высоты торца нормальное напряжение σy, растягивающее древесину, умножают на коэффициент 1,4.
При невыполнении условия формулы (31) винты следует устанавливать под углом β = 40º - 45º к волокнам древесины. Главное растягивающее усилие, воспринимаемое наклонными винтами, рассчитывают по формуле
Np= 2(σ1 - 0,8Rpα)bh. (35)
Винты следует устанавливать с одинаковым шагом на длине опасной зоны, равной 0,7hоп, отстоящей от оси опоры на расстоянии, равном hоп. Первый наклонный винт должен быть установлен на расстоянии x = hоп + 0,1hоп от оси опоры. Длина анкеровки винтов должна быть не менее 0,7hоп/cosβ.
10.1 Клееные деревянные составные балки следует сплачивать с помощью наклонных винтов.
10.2 Составным балкам на податливых связях следует придавать строительный подъем путем выгиба элементов до постановки связей. Значение строительного подъема (без учета последующего распрямления балки) следует принимать увеличенным в полтора раза по сравнению с прогибом составной балки под расчетной нагрузкой.
10.3 Расчет на прочность составных балок следует выполнять по пунктам 9.25 и 9.27 СП 64.13330.2017.
10.4 Прогиб составных балок как со строительным подъемом, так и без него следует определять как для цельных балок такого же сечения, но с введением коэффициента kж к моменту инерции поперечного сечения балки, учитывающего податливость винтового соединения (таблица 8).
Таблица 8
|
Коэффициент |
Число слоев в элементе |
Значение коэффициента для расчета изгибаемых составных элементов при пролетах, м | |||
|
2 |
4 |
6 |
9 и более | ||
|
Kw |
≤ 4 |
0,95 |
0,95 |
0,95 |
0,95 |
|
8 |
0,8 |
0,85 |
0,9 |
0,95 | |
|
Kж |
≤ 4 |
0,85 |
0,85 |
0,9 |
0,9 |
|
8 |
0,5 |
0,7 |
0,8 |
0,85 | |
|
Примечание - Для промежуточных значений длины пролета и числа слоев значения коэффициентов определяются интерполяцией. | |||||
10.5 В составных балках на наклонных винтах последние следует устанавливать таким образом, чтобы в них возникали растягивающие усилия. Винты следует устанавливать под углом от 25° до 55° к плоскости сплачивания.
Несущую способность наклонного винта как связи сдвига Tс.с определяют по формуле
Tc.c= Tвcαcosαc, (9.12)
где Tвcα - несущая способность винта, определяемая в соответствии с 7.1.3.
Расстояние (шаг) между винтами sс.с должно удовлетворять условию
ΔMs≤ Tc.c.Iбр/S'бр, (9.13)
где ΔMs - расчетная разница изгибающих моментов в начале и конце участка sс.с между винтовыми связями, Н·мм;
Iбр - момент инерции брутто поперечного сечения элемента относительно нейтральной оси, мм4;
S'бр - статический момент брутто ветви составного элемента относительно нейтральной оси, мм3.


