СП 295.1325800.2017 (21.11.2024) КОНСТРУКЦИИ БЕТОННЫЕ, АРМИРОВАННЫЕ ПОЛИМЕРНОЙ КОМПОЗИТНОЙ АРМАТУРОЙ. ПРАВИЛА ПРОЕКТИРОВАНИЯ
Утв. и введен в действие Приказом Министерства строительства и жилищно-коммунального хозяйства РФ от 11 июля 2017 г. N 988/пр
Свод правил СП-295.1325800.2017
"КОНСТРУКЦИИ БЕТОННЫЕ, АРМИРОВАННЫЕ ПОЛИМЕРНОЙ КОМПОЗИТНОЙ АРМАТУРОЙ. ПРАВИЛА ПРОЕКТИРОВАНИЯ"
Concrete structures reinforced with fibre-reinforced polymer bars. Design rules
С изменениями:
(15 декабря 2020 г., 21 ноября 2024 г.)
Дата введения - 12 января 2018 года
Предисловие
Сведения о своде правил
1 ИСПОЛНИТЕЛИ - АО "НИЦ "Строительство" - НИИЖБ им. А.А. Гвоздева, АНО "Стандарткомпозит", Объединение юридических лиц "Союз производителей композитов"
2 ВНЕСЕН Техническим комитетом по стандартизации ТК 465 "Строительство"
3 ПОДГОТОВЛЕН к утверждению Департаментом градостроительной деятельности и архитектуры Министерства строительства и жилищно-коммунального хозяйства Российской Федерации (Минстрой России)
4 УТВЕРЖДЕН приказом Министерства строительства и жилищно-коммунального хозяйства Российской Федерации от 11 июля 2017 г. N 988/пр и введен в действие с 12 января 2018 г.
5 ЗАРЕГИСТРИРОВАН Федеральным агентством по техническому регулированию и метрологии (Росстандарт)
6 ВВЕДЕН ВПЕРВЫЕ
В случае пересмотра (замены) или отмены настоящего свода правил соответствующее уведомление будет опубликовано в установленном порядке. Соответствующая информация, уведомление и тексты размещаются также в информационной системе общего пользования - на официальном сайте разработчика (Минстрой России) в сети Интернет
Введение
Настоящий свод правил разработан с учетом обязательных требований, установленных в Федеральных законах от 27 декабря 2002 г. N 184-ФЗ "О техническом регулировании", от 30 декабря 2009 г. N 384-ФЗ "Технический регламент о безопасности зданий и сооружений" и содержит требования к проектированию конструкций из бетона, армированных композитной полимерной арматурой.
Свод правил разработан авторским коллективом АО "НИЦ "Строительство" - НИИЖБ им. А.А. Гвоздева (д-р техн. наук Т.А. Мухамедиев (руководитель работы) - разделы 1 - 8, канд. техн. наук Д.В. Кузеванов - разделы 6 - 8; д-р техн. наук В.Ф. Степанова, канд. хим. наук В.Р. Фаликман, канд. техн. наук А.В. Бучкин - разделы 1 - 3, 5) при участии АНО "Стандарткомпозит" (инж. А.В. Гералтовский), Объединения юридических лиц "Союз производителей композитов" (инж. С.Ю. Ветохин) и ОАО "Роснано" (инж. Ю.Г. Ткачук).
Изменение N 1 разработано авторским коллективом АО "НИЦ "Строительство" - НИИЖБ им. А.А. Гвоздева (д-р техн. наук Т.А. Мухамедиев, канд. техн. наук Д.В. Кузеванов, д-р техн. наук В.Ф. Степанова).
Изменение N 2 разработано авторским коллективом ОАО "НИЦ "Строительство" - НИИЖБ им. А.А. Гвоздева (д-р техн. наук Т.А. Мухамедиев, канд. техн. наук Д.В. Кузеванов, канд. техн. наук С.А. Зенин, канд. техн. наук К.Л. Кудяков).
1 Область применения
Настоящий свод правил распространяется на проектирование конструкций из бетона, армированных композитной полимерной арматурой на основе углеродных, арамидных, базальтовых или стеклянных волокон.
Свод правил устанавливает требования к проектированию конструкций, изготовляемых из тяжелого и мелкозернистого бетонов, эксплуатируемых при статическом действии нагрузки в климатических условиях Российской Федерации.
2 Нормативные ссылки
В настоящем своде правил использованы нормативные ссылки на следующие документы:
ГОСТ 13015-2012 Изделия бетонные и железобетонные для строительства. Общие технические требования. Правила приемки, маркировки, транспортирования и хранения
ГОСТ 27751-2014 Надежность строительных конструкций и оснований. Основные положения
ГОСТ 31938-2022 Арматура композитная полимерная для армирования бетонных конструкций. Общие технические условия
ГОСТ 32492-2015 Арматура композитная полимерная для армирования бетонных конструкций. Методы определения физико-механических характеристик
СП 20.13330.2016 "СНиП 2.01.07-85* Нагрузки и воздействия" (с изменениями N 1, N 2, N 3, N 4, N 5, N 6)
СП 63.13330.2018 "СНиП 52-01-2003 Бетонные и железобетонные конструкции. Основные положения" (с изменениями N 1, N 2)
СП 70.13330.2012 "СНиП 3.03.01-87 Несущие и ограждающие конструкции" (с изменениями N 1, N 3, N 4, N 5, N 6)
Примечание - При пользовании настоящим сводом правил целесообразно проверить действие ссылочных документов в информационной системе общего пользования - на официальном сайте федерального органа исполнительной власти в сфере стандартизации в сети Интернет, на официальном сайте федерального органа исполнительной власти, разработавшего и утвердившего настоящий свод правил, или по ежегодному информационному указателю "Национальные стандарты", который опубликован по состоянию на 1 января текущего года, и по выпускам ежемесячного информационного указателя "Национальные стандарты" за текущий год. Если заменен ссылочный документ, на который дана недатированная ссылка, то рекомендуется использовать действующую версию этого документа с учетом всех внесенных в данную версию изменений. Если заменен ссылочный документ, на который дана датированная ссылка, то рекомендуется использовать версию этого документа с указанным выше годом утверждения (принятия). Если после утверждения настоящего свода правил в ссылочный документ, на который дана датированная ссылка, внесено изменение, затрагивающее положение, на которое дана ссылка, то это положение рекомендуется применять без учета данного изменения. Если ссылочный документ отменен без замены, то положение, в котором дана ссылка на него, рекомендуется применять в части, не затрагивающей эту ссылку. Сведения о действии сводов правил целесообразно проверить в Федеральном информационном фонде стандартов.
3 Термины и определения
В настоящем своде правил применяются термины, установленные в СП 63.13330 и ГОСТ 31938.
4 Общие положения
Композитную полимерную арматуру следует применять для армирования конструкций из бетона:
- при строительстве объектов дорожно-транспортной и городской инженерной инфраструктуры, сельскохозяйственного назначения, химических производств, токсичных захоронений, водоподготовки и водоочистки, мелиорации;
- при строительстве шахт, тоннелей, сооружений, эксплуатируемых в условиях высоких электромагнитных полей и разности потенциалов, морских и припортовых сооружений;
- при реконструкции, ремонте и усилении конструкций зданий и сооружений,
а также для армирования фундаментов, многослойных теплосберегающих ограждающих конструкций, трубопроводов, опор линий электропередач, емкостных сооружений и других конструкций, эксплуатируемых в условиях воздействия агрессивных сред.
4.1 Расчеты конструкций с композитной полимерной арматурой следует производить по предельным состояниям первой и второй групп.
4.2 Расчеты по предельным состояниям первой группы включают в себя:
- расчет по прочности;
- расчет по устойчивости формы (для тонкостенных конструкций);
- расчет по устойчивости положения (опрокидывание, скольжение, всплывание).
4.3 Расчеты по предельным состояниям второй группы включают в себя:
- расчет по образованию трещин;
- расчет по раскрытию трещин;
- расчет по деформациям.
4.4 При расчетах конструкций с композитной полимерной арматурой по предельным состояниям следует рассматривать различные расчетные ситуации в соответствии с ГОСТ 27751, в том числе стадии изготовления, транспортирования, возведения, эксплуатации, аварийные ситуации, а в необходимых случаях - пожар.
4.5 Расчеты конструкций с композитной полимерной арматурой следует производить на все виды нагрузок, отвечающих функциональному назначению конструкций, с учетом влияния окружающей среды, а в необходимых случаях - с учетом воздействия пожара, технологических температурных и влажностных воздействий и воздействий агрессивных химических сред.
4.6 Конструкции с композитной полимерной арматурой следует рассчитывать на действие изгибающих моментов, продольных сил, поперечных сил и крутящих моментов, а также на местное действие нагрузки.
4.7 При расчете сборных конструкций с композитной полимерной арматурой на воздействие усилий, возникающих при их подъеме, транспортировании и монтаже, нагрузку от их массы следует принимать с коэффициентом динамичности, равным:
1,60 - при транспортировании,
1,40 - при подъеме и монтаже.
Допускается принимать более низкие, обоснованные в установленном порядке, значения коэффициентов динамичности, но не ниже 1,25.
4.8 При расчетах конструкций следует учитывать особенности свойств бетона и композитной полимерной арматуры, влияния на них характера нагрузки и окружающей среды, способов армирования, совместность работы арматуры и бетона.
4.9 Расчеты по устойчивости формы конструкции, а также по устойчивости положения следует производить согласно указаниям нормативных документов на отдельные виды конструкций.
4.10 Расчет по прочности конструкций с композитной полимерной арматурой следует производить:
- по нормальным сечениям (при действии изгибающих моментов и продольных сил);
- по наклонным сечениям (при действии поперечных сил);
- на местное действие нагрузки (местное сжатие, продавливание).
5 Материалы
5.1 Нормативные и расчетные характеристики бетона и стальной арматуры
5.1.1 Нормативные и расчетные значения характеристик бетона и стальной арматуры и диаграммы их деформирования следует принимать по СП 63.13330 с учетом указаний 5.1.2.
5.1.2 При двухлинейной диаграмме состояния тяжелого, мелкозернистого и напрягающего бетонов при осевом растяжении значения относительных деформаций εbt1,red принимают:
, (5.1а)
где νbt1 - коэффициент упругости в вершине диаграммы осевого растяжения бетона, равный
νbt1 = 0,6·(1 + 0,1·Rbt,ser), (5.1б)
здесь Rbt,ser - в мегапаскалях.
5.2 Нормативные и расчетные характеристики композитной полимерной арматуры
5.2.1 Для армирования конструкций следует применять отвечающую требованиям ГОСТ 31938 композитную полимерную арматуру следующих видов:
- стеклокомпозитную (АСК);
- базальтокомпозитную (АБК);
- углекомпозитную (АУК);
- арамидокомпозитную (ААК);
- комбинированную (АКК).
5.2.2 Вид композитной полимерной арматуры следует выбирать в зависимости от условий эксплуатации конструкций и характера их нагружения.
5.2.3 Основными прочностными и деформационными характеристиками композитной полимерной арматуры являются нормативные значения:
- сопротивления растяжению и сжатию;
- модуля упругости при растяжении и сжатии;
- предельных относительных деформаций при растяжении и сжатии;
- коэффициента линейной температурной деформации.
5.2.4 Нормативные значения: сопротивления растяжению Rf,n и сжатию Rfc,n, модуля упругости Ef,n и предельных относительных деформаций εfu,n следует определять по результатам испытаний образцов композитной полимерной арматуры в соответствии с ГОСТ 32492.
Нормативные значения прочностных и деформационных характеристик композитной полимерной арматуры различных видов при осевом растяжении должны быть не ниже значений, указанных в таблице 1.
Таблица 1
|
Наименование показателя |
Значение показателя композитной полимерной арматуры вида | ||||
|
АСК |
АБК |
АУК |
ААК |
АКК | |
|
Предел прочности при растяжении Rf,n, МПа |
1000 |
1000 |
1400 |
1400 |
1000 |
|
Модуль упругости при растяжении Ef,n, ГПа |
50 |
50 |
130 |
70 |
60 |
5.2.5 Расчетное значение модуля упругости Ef композитной полимерной арматуры следует принимать равным его нормативному значению.
5.2.6 Расчетное значение сопротивления растяжению Rf композитной полимерной арматуры следует принимать равным
, (5.1)
где γf - коэффициент надежности по материалу, принимаемый при расчете по предельным состояниям второй группы равным 1,0, а при расчете по предельным состояниям первой группы - из условия обеспечения доверительной вероятности не менее 0,997, в зависимости от значения коэффициента вариации ν, равным:
1,2 - при ν ≤ 0,1;
1,5 - при 0,1 <ν ≤ 0,15;
γf1 - коэффициент, учитывающий условия эксплуатации конструкции с композитной полимерной арматурой, принимаемый по таблице 2.
Таблица 2
|
Условие эксплуатации конструкции |
Значение γf1 для композитной полимерной арматуры вида | ||||
|
АСК |
АБК |
АУК |
ААК |
АКК | |
|
Во внутренних помещениях |
0,8 |
0,9 |
1,0 |
0,9 |
0,9 |
|
На открытом воздухе и в грунте |
0,7 |
0,8 |
1,0 |
0,8 |
0,8 |
5.2.7 При расчете конструкции по предельным состояниям первой группы на действие только постоянных и длительных нагрузок расчетное значение сопротивления растяжению композитной полимерной арматуры следует определять по формуле:
Rf= γf,l·Rf,n, (5.2)
где γf,l - коэффициент снижения сопротивления растяжению композитной полимерной арматуры при длительном действии нагрузки, принимаемый по таблице 3.
Таблица 3
|
Значение γf,l для композитной полимерной арматуры вида | ||||
|
АСК |
АБК |
АУК |
ААК |
АКК |
|
0,3 |
0,4 |
0,6 |
0,4 |
0,4 |
5.2.8 Расчетное значение предельных относительных деформаций композитной полимерной арматуры следует принимать равным:
. (5.3)
5.2.9 Расчетное значение сопротивления композитной полимерной арматуры сжатию следует принимать равным нулю.
5.2.10 Расчетное значение Rfw сопротивления композитной полимерной арматуры растяжению при расчете прочности сечений, наклонных к продольной оси элемента, следует принимать равным
- при радиусе загиба хомутов из стержней диаметром dfw, равном не менее 6dfw:
Rfw = 0,004·Ef ≤ 0,5·Rf; (5.4)
- при радиусе загиба хомутов менее 6dfw - по данным производителя композитной полимерной арматуры, но не более значения, вычисленного по формуле (5.4).
Во всех случаях расчетное значение Rfw сопротивления композитной полимерной арматуры растяжению при расчете прочности сечений, наклонных к продольной оси элемента, следует принимать не более 300 МПа.
5.2.11 Расчетные диаграммы деформирования (состояния) композитной полимерной арматуры, устанавливающие связь между напряжениями и относительными деформациями при осевом растяжении и при осевом сжатии, следует принимать линейными.
6 Конструкции без предварительного напряжения композитной полимерной арматуры
6.1 Расчет конструкций по предельным состояниям первой группы
Расчет по прочности конструкций на действие изгибающих моментов и продольных сил
Общие положения
6.1.1 Расчет по прочности конструкции при действии изгибающих моментов и продольных сил (внецентренное сжатие или растяжение) следует производить для сечений, нормальных к их продольной оси.
Расчет по прочности нормальных сечений конструкций следует производить на основе нелинейной деформационной модели согласно 6.1.15 - 6.1.20.
Расчет по прочности нормальных сечений конструкций прямоугольного, таврового и двутаврового сечений с композитной полимерной арматурой, расположенной у верхней и нижней граней сечения, а также сжатых конструкций прямоугольного, круглого и кольцевого поперечных сечений допускается производить по предельным усилиям.
6.1.2 При расчете по прочности нормальных сечений внецентренно сжатых конструкций следует учитывать случайный эксцентриситет приложения продольной силы и влияние продольного изгиба.
6.1.3 Для конструкций, в сечениях которых при эксплуатации допускается образование трещин, предельное усилие по прочности нормальных сечений конструкции должно превышать предельное усилие по образованию трещин не менее, чем на 50%.
Расчет по прочности нормальных сечений по предельным усилиям
6.1.4 Расчет по прочности нормальных сечений конструкций по предельным усилиям следует производить, определяя предельные усилия, которые могут быть восприняты бетоном и композитной полимерной арматурой в нормальном сечении, исходя из следующих положений:
- сопротивление бетона растяжению принимается равным нулю;
- сопротивление бетона сжатию представляется напряжениями, равными расчетному сопротивлению бетона сжатию и равномерно распределенными по условной сжатой зоне бетона;
- сопротивление композитной полимерной арматуры сжатию принимается равным нулю;
- растягивающие напряжения в композитной полимерной арматуре принимаются не более ее расчетного сопротивления растяжению.
6.1.5 Расчет по прочности нормальных сечений следует производить в зависимости от соотношения между значением относительной высоты сжатой зоны бетона
, определяемым из соответствующих условий равновесия, и значением граничной относительной высоты сжатой зоны ξR, при котором предельное состояние конструкции наступает одновременно с достижением в растянутой композитной полимерной арматуре напряжения, равного расчетному сопротивлению Rf.
6.1.6 Значение ξR следует определять по формуле
, (6.1)
где ω - характеристика сжатой зоны бетона, принимаемая для тяжелого бетона классов до B60 включительно равной 0,8, а для тяжелого бетона классов B70 - B100 и для мелкозернистого бетона - равной 0,7;
εf - расчетное значение предельных относительных деформаций композитной полимерной арматуры, вычисляемое по формуле (5.3);
εb2 - относительные деформации сжатого бетона при напряжениях Rb, принимаемые по СП 63.13330.
Расчет изгибаемых конструкций
6.1.7 Расчет по прочности сечений изгибаемых конструкций следует производить из условия
M ≤ Mult, (6.2)
где M - изгибающий момент от внешней нагрузки;
Mult - предельный изгибающий момент, который может быть воспринят сечением элемента.
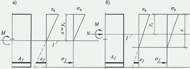
6.1.8 Значение Mult для изгибаемых конструкций прямоугольного сечения (рисунок 1) при
определяют по формуле
Mult = Rb·b·x·(h0 - 0,5x), (6.3)
где x - высота сжатой зоны бетона
. (6.4)

Рисунок 1 - Схема усилий и эпюра напряжений в сечении, нормальном к продольной оси изгибаемой конструкции, при ее расчете по прочности
6.1.9 Значение Mult для изгибаемых конструкций с полкой в сжатой зоне (тавровые и двутавровые сечения), при
, определяют в зависимости от положения границы сжатой зоны:
а) если граница проходит в полке (рисунок 2, а), т.е. соблюдается условие
Rf·Af ≤ Rb·b'f·h'f, (6.5)
значение Mult определяют по 6.1.8 как для прямоугольного сечения шириной b'f;
б) если граница проходит в ребре (рисунок 2, б), т.е. условие (6.5) не соблюдается, значение Mult определяют по формуле
Mult = Rb·b·x·(h0 - 0,5x) + Rb(b'f - b)·h'f·(h0 - 0,5·h'f), (6.6)
при этом высоту сжатой зоны бетона x определяют по формуле
. (6.7)

Рисунок 2 - Положение границы сжатой зоны в сечении изгибаемой конструкции
Значение b'f, вводимое в расчет, принимают по СП 63.13330.
6.1.10 При расчете по прочности изгибаемых конструкций необходимо соблюдать условие x ≤ ξR·h0.
В случае, когда площадь растянутой арматуры принята большей, чем это требуется для соблюдения условия x ≤ ξR·h0, предельный изгибающий момент Mult для изгибаемых конструкций прямоугольного сечения следует определять по формуле (6.3), подставляя в нее значение высоты сжатой зоны, вычисленное по формуле
, (6.7а)
где
;
;
;
εb2 - предельное значение относительной деформации бетона при сжатии, принимаемое согласно 6.1.20 СП 63.13330;
ω - см. формулу (6.1).
Предельный изгибающий момент Mult для изгибаемых конструкций таврового и двутаврового сечения с полкой в сжатой зоне и высотой сжатой зоны x> ξR·h0 следует определять в зависимости от положения границы сжатой зоны:
а) если граница проходит в полке, то по формуле (6.3) как для прямоугольного сечения шириной b'f, подставляя в нее значение высоты сжатой зоны, вычисленное по формуле (6.7а);
б) если граница проходит в ребре, то по формуле (6.6), подставляя в нее значение высоты сжатой зоны, вычисленное по формуле
, (6.7б)
где
. (6.7в).
Расчет внецентренно сжатых конструкций
6.1.11 Расчет по прочности прямоугольных сечений внецентренно сжатых конструкций производят из условия
N·e ≤ Rb·b·x(h0 - 0,5x), (6.8)
где N - продольная сила от внешней нагрузки;
e - расстояние от точки приложения продольной силы N до центра тяжести сечения растянутой арматуры
, (6.9)
здесь e0 - начальный эксцентриситет приложения продольной силы;
η - коэффициент, учитывающий влияние продольного изгиба (прогиба) элемента на его несущую способность и определяемый согласно 6.1.12.
Высоту сжатой зоны x определяют:
а) при
(рисунок 3) по формуле
; (6.10)
б) при
по формуле
. (6.11)

Рисунок 3 - Схема усилий и эпюра напряжений в сечении, нормальном к продольной оси внецентренно сжатой конструкции, при расчете ее по прочности
6.1.12 Значение коэффициента η при расчете конструкций по недеформированной схеме определяют по формуле
, (6.12)
где N - продольная сила от внешней нагрузки;
Ncr - условная критическая сила, определяемая по формуле
, (6.13)
здесь D - жесткость конструкции в предельной по прочности стадии, определяемая согласно указаниям расчета по деформациям;
l0 - расчетная длина конструкции, определяемая по СП 63.13330.
Значение D допускается определять по формуле
D = kbEbI, (6.14)
где
;
Eb - модуль упругости бетона;
I - момент инерции площади поперечного сечения конструкции относительно оси, проходящей через его центр тяжести;
φl - коэффициент, учитывающий влияние длительности действия нагрузки
,
здесь Ml, Ml1 - моменты относительно центра наиболее растянутого или наименее сжатого (при целиком сжатом сечении) стержня соответственно от действия полной нагрузки и от действия постоянных и длительных нагрузок;
δe - относительное значение эксцентриситета продольной силы e0/h, принимаемое не менее 0,15 и не более 1,5.
Расчет центрально растянутых конструкций
6.1.13 Расчет по прочности сечений центрально растянутых конструкций следует производить из условия
N ≤ Nult, (6.15)
где N - продольная растягивающая сила от внешних нагрузок;
Nult - предельное значение продольной силы, которое может быть воспринято конструкцией.
Значение силы Nult определяют по формуле
Nult = Rf·Af,tot, (6.16)
где Af,tot - площадь сечения всей продольной композитной полимерной арматуры.
Расчет внецентренно растянутых конструкций
6.1.14 Расчет по прочности прямоугольных сечений внецентренно растянутых конструкций следует производить в зависимости от положения продольной силы N:
а) если продольная сила N приложена между равнодействующими усилий в арматуре S и S' (рисунок 4, а) - из условий
N·e ≤ Mult; (6.17)
N·e' ≤ M'ult, (6.18)
где N·e и N·e' - усилия от внешних нагрузок;
Mult и M'ult - предельные усилия, которые может воспринять сечение.

Рисунок 4 - Схема усилий и эпюра напряжений в сечении, нормальном к продольной оси внецентренно растянутой конструкции, при расчете ее по прочности при приложении продольной силы N между равнодействующими усилий в арматуре (а) и за пределами расстоянии между равнодействующими усилий в арматуре (б)
Усилия Mult и M'ult определяют по формулам
Mult = Rf·A'f(h0 - a'); (6.19)
M'ult = Rf·Af(h0 - a'); (6.20)
б) если продольная сила N приложена за пределами расстояния между равнодействующими усилий в арматуре S и S' (рисунок 4, б) - из условия (6.17), определяя предельный момент Mult по формуле
Mult = Rb·b·x·(h0 - 0,5x), (6.21)
при этом высоту сжатой зоны x определяют по формуле
. (6.22)
Если значение x, полученное из расчета по формуле (6.22), больше значения ξRh0, то в формулу (6.21) подставляют значение высоты сжатой зоны сечения, вычисленное по формуле (6.7а).
Расчет по прочности нормальных сечений на основе нелинейной деформационной модели
6.1.15 При расчете по прочности усилия и деформации в сечении, нормальном к продольной оси конструкции, определяют на основе нелинейной деформационной модели по СП 63.13330, а также следующих положений:
- связь между осевыми напряжениями и относительными деформациями растянутой композитной полимерной арматуры принимают линейной;
- сопротивление композитной полимерной арматуры сжатию не учитывается.
6.1.16 Расчет нормальных сечений по прочности в общем случае (см. рисунок 5) производят с использованием:
- уравнений равновесия внешних сил и внутренних усилий в нормальном сечении конструкции:
; (6.23)
; (6.24)
; (6.25)
- уравнений, определяющих распределение деформаций по сечению конструкции
; (6.26)
; (6.27)
- зависимостей, связывающих напряжения и относительные деформации бетона и композитной полимерной арматуры
σbi= Eb·νbi·εbi; (6.28)
σfj= Efj·εfj, (6.29)
где Abi, Zbxi, Zbyi, σbi - площадь, координаты центра тяжести i-го участка бетона и напряжение на уровне его центра тяжести;
Afj, Zfxj, Zfyj, σfj - площадь, координаты центра тяжести j-го растянутого стержня композитной полимерной арматуры и напряжение в нем;
ε0 - относительная деформация волокна, расположенного на пересечении выбранных осей (в точке 0);
,
- кривизна продольной оси в рассматриваемом поперечном сечении элемента в плоскостях действия изгибающих моментов Mx и My;
Eb - начальный модуль упругости бетона;
Efj - модуль упругости j-го растянутого стержня композитной полимерной арматуры;
νbi - коэффициент упругости бетона i-го участка.
Значения коэффициентов νbi определяют по СП 63.13330.

Рисунок 5 - Расчетная схема нормального сечения конструкции
Расчет нормальных сечений конструкций по прочности производят из условий:
|εb,max| ≤ εb,ult; (6.30)
εf,max≤ εf,ult, (6.31)
где εb,max - относительная деформация наиболее сжатого волокна бетона в нормальном сечении конструкции от действия внешней нагрузки;
εf,max - относительная деформация наиболее растянутого стержня композитной полимерной арматуры в нормальном сечении конструкции от действия внешней нагрузки;
εb,ult - предельное значение относительной деформации бетона при сжатии, принимаемое согласно СП 63.13330;
εf,ult - предельное значение относительной деформации удлинения композитной полимерной арматуры, принимаемое согласно 5.2.7.
6.1.17 Для конструкций, на которые действуют изгибающие моменты двух
6.1.17 Для конструкций, на которые действуют изгибающие моменты двух направлений и продольная сила (рисунок 5), деформации бетона εb,max и арматуры εf,max в нормальном сечении произвольной формы определяют из решения системы уравнений (6.32) - (6.34) с использованием уравнений (6.26) и (6.27)
; (6.32)
; (6.33)
, (6.34)
в которых жесткостные характеристики Dij (i, j = 1, 2, 3) определяют по формулам
; (6.35)
; (6.36)
; (6.37)
; (6.38)
; (6.39)
. (6.40)
Обозначения в формулах - см. 6.1.16.
6.1.18 Для конструкций, на которые действуют только изгибающие моменты двух направлений Mx и My (косой изгиб), в уравнении (6.34) принимают N = 0.
6.1.19 Для внецентренно сжатых в плоскости симметрии поперечного сечения конструкций и при расположении оси X в этой плоскости в уравнениях (6.32) - (6.34) принимают My = 0 и D12 = D22 = D23 = 0.
6.1.20 Для изгибаемых в плоскости симметрии поперечного сечения конструкций и расположения оси X в этой плоскости в уравнениях (6.32) - (6.34) принимают N = 0, My = 0, D12 = D22 = D23 = 0.
Расчет по прочности конструкций при действии поперечных сил
Общие положения
6.1.21 Расчет по прочности конструкций при действии поперечных сил следует производить по наклонному сечению на действие поперечной силы, по наклонному сечению на действие изгибающего момента и по полосе между наклонными сечениями на действие поперечной силы.
Расчет конструкций по полосе между наклонными сечениями
6.1.22 Расчет изгибаемых конструкций по бетонной полосе между наклонными сечениями производят по 8.1.32 СП 63.13330.2012.
Расчет конструкций по наклонным сечениям на действие поперечных сил
6.1.23 Расчет изгибаемых конструкций по наклонному сечению на действие поперечных сил следует производить по 8.1.33, 8.1.34 СП 63.13330.2012, при этом в расчетные зависимости вместо характеристик стальной арматуры следует подставлять характеристики композитной полимерной арматуры.
Расчет конструкций по наклонным сечениям на действие моментов
6.1.24 Расчет изгибаемых элементов по наклонным сечениям на действие моментов следует проводить по пункту 8.1.35 СП 63.13330.2018, при этом в расчетные зависимости вместо характеристик стальной арматуры следует подставлять характеристики композитной полимерной арматуры.
Расчет конструкций на местное сжатие
6.1.25 Расчет конструкций с композитной полимерной арматурой на местное сжатие (смятие) при действии сжимающей силы, приложенной на ограниченной площади нормально к поверхности конструкции, следует производить по СП 63.13330.
Расчет конструкций на продавливание
6.1.26 Расчет на продавливание следует производить для плоских конструкций (плит) при действии на них концентрированно приложенных сосредоточенных силы и момента в зоне продавливания.
Расчет на продавливание следует производить по СП 63.13330, при этом в расчетные зависимости вместо характеристик стальной арматуры следует подставлять характеристики композитной полимерной арматуры.
6.2 Расчет конструкций по предельным состояниям второй группы
Общие положения
6.2.1 Расчеты по предельным состояниям второй группы включают:
- расчет по образованию трещин;
- расчет по раскрытию трещин;
- расчет по деформациям.
6.2.2 Расчет по образованию трещин производят, когда необходимо обеспечить отсутствие трещин, а также как вспомогательный при расчете по раскрытию трещин и по деформациям.
6.2.3 При расчете по образованию трещин для их недопущения коэффициент надежности по нагрузке принимают γf> 1,0 (как при расчете по прочности). При расчете по раскрытию трещин и по деформациям (включая вспомогательный расчет по образованию трещин) принимают коэффициент надежности по нагрузке γf= 1,0.
Расчет конструкций по образованию и раскрытию трещин
6.2.4 Расчет элементов по образованию трещин производят из условия
M> Mcrc, (6.41)
где M - изгибающий момент от внешней нагрузки относительно оси, нормальной к плоскости действия момента и проходящей через центр тяжести приведенного поперечного сечения элемента;
Mcrc - изгибающий момент, воспринимаемый нормальным сечением элемента при образовании трещин, определяемый по 6.2.8 - 6.2.11.
Для центрально растянутых элементов образование трещин определяют из условия
N> Ncrc, (6.42)
где N - продольное растягивающее усилие от внешней нагрузки;
Ncrc - продольное растягивающее усилие, воспринимаемое элементом при образовании трещин, определяемое согласно 6.2.12.
6.2.5 В тех случаях, когда выполняются условия (6.41) или (6.42), выполняют расчет по раскрытию трещин. Расчет элементов производят по непродолжительному и продолжительному раскрытию трещин.
Непродолжительное раскрытие трещин определяют от совместного действия постоянных и временных (длительных и кратковременных) нагрузок, продолжительное - только от постоянных и временных длительных нагрузок.
6.2.6 Расчет по раскрытию трещин производят из условия
acrc ≤ acrc,ult, (6.43)
где acrc - ширина раскрытия трещин от действия внешней нагрузки, определяемая согласно 6.2.7, 6.2.14 - 6.2.17;
acrc,ult - предельно допустимая ширина раскрытия трещин.
Значения acrc,ult принимают равными не более:
0,7 мм - при непродолжительном раскрытии трещин;
0,5 мм - при продолжительном раскрытии трещин.
6.2.7 Расчет конструкций следует производить по продолжительному и по непродолжительному раскрытию нормальных и наклонных трещин.
Ширину продолжительного раскрытия трещин определяют по формуле
acrc = acrc1, (6.44)
а ширину непродолжительного раскрытия трещин - по формуле
acrc = acrc1 + acrc2 - acrc3, (6.45)
где acrc1 - ширина раскрытия трещин от продолжительного действия постоянных и временных длительных нагрузок;
acrc2 - ширина раскрытия трещин от непродолжительного действия постоянных и временных (длительных и кратковременных) нагрузок;
acrc3 - ширина раскрытия трещин от непродолжительного действия постоянных и временных длительных нагрузок.
Значения acrc1, acrc2 и acrc3 следует определять по 6.2.14 - 6.2.17.
Определение момента образования трещин, нормальных к продольной оси элемента
6.2.8 Изгибающий момент Mcrc при образовании трещин следует определять с учетом неупругих деформаций растянутого бетона согласно 6.2.9 - 6.2.12 или по деформационной модели согласно 6.2.13.
6.2.9 Момент образования трещин с учетом неупругих деформаций растянутого бетона определяют в соответствии со следующими положениями:
- сечения после деформирования остаются плоскими;
- эпюру напряжений в сжатой зоне бетона принимают треугольной формы, как для упругого тела (рисунок 6);
- эпюру напряжений в растянутой зоне бетона принимают трапециевидной формы с напряжениями, не превышающими расчетных значений сопротивления бетона растяжению Rbt,ser;
- относительную деформацию крайнего растянутого волокна бетона принимают равной ее предельному значению εbt,ult при кратковременном действии нагрузки (см. 8.1.30 СП 63.13330.2012); при двухзначной эпюре деформаций в сечении элемента εbt,ult= 0,00015;
- напряжения в растянутой композитной полимерной арматуре принимают в зависимости от относительных деформаций как для упругого тела;
- сопротивление композитной полимерной арматуры сжатию принимают равным нулю.

1 - уровень центра тяжести приведенного поперечного сечения
Рисунок 6 - Схема напряженно-деформированного состояния сечения элемента при проверке образования трещин при действии изгибающего момента (а), изгибающего момента и продольной силы (б)
6.2.10 Момент образования трещин с учетом неупругих деформаций растянутого бетона определяют по формуле
Mcrc = Rbt,ser·Wpl ± N·ex, (6.46)
где Wpl - упругопластический момент сопротивления сечения для крайнего растянутого волокна бетона, определяемый с учетом положений 6.2.9;
ex - расстояние от точки приложения продольной силы N (расположенной в центре тяжести приведенного сечения элемента) до ядровой точки, наиболее удаленной от растянутой зоны, трещинообразование которой проверяется.
В формуле (6.46) знак "плюс" принимают при сжимающей продольной силе N, "минус" - при растягивающей силе.
Для прямоугольных сечений и тавровых сечений с полкой, расположенной в сжатой зоне, значение Wpl при действии момента в плоскости оси симметрии допускается принимать равным:
Wpl= γ·Wred, (6.47)
где Wred - упругий момент сопротивления приведенного сечения по растянутой зоне сечения, определяемый в соответствии с 6.2.11;
γ - коэффициент, учитывающий неупругие свойства бетона растянутой зоны сечения;
γ = 1,73 - 0,005·(B - 15), (6.47а)
B - числовая характеристика класса бетона по прочности на осевое сжатие.
6.2.11 Момент сопротивления Wred и расстояние ex определяют по формулам
; (6.48)
, (6.49)
где Ired - момент инерции приведенного сечения элемента относительно его центра тяжести
Ired= I + If·αf; (6.50)
I, If - моменты инерции сечений бетона и растянутой композитной полимерной арматуры соответственно;
Ared - площадь приведенного поперечного сечения элемента, определяемая формуле
Ared= A + Af·αf; (6.51)
αf - коэффициент приведения арматуры к бетону
; (6.52)
A, Af - площади поперечного сечения бетона и растянутой композитной полимерной арматуры соответственно;
yt - расстояние от наиболее растянутого волокна бетона до центра тяжести приведенного поперечного сечения элемента
, (6.53)
здесь St,red - статический момент площади приведенного поперечного сечения элемента относительно наиболее растянутого волокна бетона.
Момент сопротивления Wred допускается определять без учета композитной полимерной арматуры.
6.2.12 Усилие Ncrc при образовании трещин в центрально растянутых элементах определяют по формуле
Ncrc = Ared·Rbt,ser. (6.54)
6.2.13 Определение момента образования трещин на основе нелинейной деформационной модели производят по 6.1.15 - 6.1.20, но с учетом работы бетона в растянутой зоне нормального сечения, определяемой диаграммой состояния растянутого бетона. Расчетные характеристики материалов принимают для предельных состояний второй группы.
Значение Mcrc определяют из решения системы уравнений, представленных в 6.1.17 и с учетом 6.1.18 - 6.1.20, принимая относительную деформацию бетона εbt,max у растянутой грани элемента от действия внешней нагрузки, равной предельному значению относительной деформации бетона при растяжении εbt,ult, определяемому согласно СП 63.13330.
Расчет ширины раскрытия трещин, нормальных к продольной оси элемента
6.2.14 Ширину раскрытия нормальных трещин acrc,i (i = 1, 2, 3 - см. 6.2.7) определяют по формуле
, (6.55)
где σf - напряжение в продольной растянутой арматуре в нормальном сечении с трещиной от соответствующей внешней нагрузки, определяемое согласно 6.2.15;
lf - базовое расстояние между смежными нормальными трещинами, определяемое согласно 6.2.16;
ψf - коэффициент, учитывающий неравномерное распределение относительных деформаций растянутой арматуры между трещинами; допускается принимать коэффициент ψf= 1; если при этом условие (6.43) не удовлетворяется, то значение ψf следует определять по 6.2.17;
φ1 - коэффициент, учитывающий продолжительность действия нагрузки, принимаемый равным:
1,0 - при непродолжительном действии нагрузки;
1,4 - при продолжительном действии нагрузки;
φ2 - коэффициент, учитывающий профиль продольной композитной полимерной арматуры, принимаемый для арматуры периодического профиля равным 0,7;
φ3 - коэффициент, учитывающий характер нагружения, принимаемый равным:
1,0 - для элементов изгибаемых и внецентренно сжатых;
1,2 - для растянутых элементов.
Для композитной полимерной арматуры с показателями сцепления с бетоном не ниже, чем у стальной арматуры, значение коэффициента φ2 допускается принимать в соответствии с СП 63.13330.
6.2.15 Значения напряжения σf в растянутой арматуре изгибаемых элементов определяют по формуле
, (6.56)
где Ired, yc - момент инерции и высота сжатой зоны приведенного поперечного сечения элемента, определяемые с учетом площади сечения только сжатой зоны бетона и площади сечения растянутой арматуры согласно 6.2.26.
Для изгибаемых элементов yc = x (рисунок 7), где x - высота сжатой зоны бетона, определяемая согласно 6.2.27.

1 - уровень центра тяжести приведенного поперечного сечения
Рисунок 7 - Схема напряженно-деформированного состояния элемента с трещинами при действии изгибающего момента (а), изгибающего момента и продольной силы (б)
Значение коэффициента приведения арматуры к бетону αf1 определяют по формуле
,
где Eb,red - приведенный модуль деформации сжатого бетона, учитывающий неупругие деформации сжатого бетона и определяемый по формуле
. (6.57)
Относительную деформацию бетона εb1,red принимают равной 0,0015.
Допускается напряжение σs определять по формуле
, (6.58)
где zf - расстояние от центра тяжести растянутой арматуры до точки приложения равнодействующей усилий в сжатой зоне элемента.
Для элементов прямоугольного поперечного сечения значение zf определяют по формуле
. (6.59)
Для элементов прямоугольного, таврового (с полкой в сжатой зоне) и двутаврового поперечного сечения допускается значение zf принимать равным 0,8h0.
При действии изгибающего момента M и продольной силы N напряжение σf в растянутой арматуре определяют по формуле
, (6.60)
где Ared, yc - площадь приведенного поперечного сечения элемента и расстояние от наиболее сжатого волокна бетона до центра тяжести приведенного сечения, определяемые по общим правилам расчета геометрических характеристик сечений упругих элементов с учетом площади сечения только сжатой зоны бетона и площади сечения растянутой арматуры согласно 6.2.27, принимая коэффициент приведения арматуры к бетону αf1.
Допускается напряжение σf определять по формуле
, (6.61)
где ef - расстояние от центра тяжести растянутой арматуры до точки приложения продольной силы N с учетом эксцентриситета, равного
.
Для элементов прямоугольного сечения значение zf допускается определять по формуле (6.59), в которой x - высота сжатой зоны бетона с учетом влияния продольной силы, определяемая согласно 6.2.27.
Для элементов прямоугольного, таврового (с полкой в сжатой зоне) и двутаврового поперечных сечений допускается значение zf принимать равным 0,7h0.
В формулах (6.60) и (6.61) знак "плюс" принимают при растягивающей, а знак "минус" - при сжимающей продольной силе.
Напряжения σf не должны превышать Rf,ser.
6.2.16 Значения базового расстояния между трещинами lf определяют по формуле
(6.62)
и принимают не менее 10df и 10 см и не более 20df и 20 см.
Здесь Abt - площадь сечения растянутого бетона;
Af - площадь сечения растянутой арматуры;
df - номинальный диаметр арматуры.
Значения Abt определяют по высоте растянутой зоны бетона xt, используя правила расчета момента образования трещин согласно 6.2.8 - 6.2.13.
В любом случае значение Abt принимают равным площади сечения при ее высоте в пределах не менее 2a и не более 0,5h.
6.2.17 Значения коэффициента ψf определяют по формуле
, (6.63)
где σf,crc - напряжение в продольной растянутой арматуре в сечении с трещиной сразу после образования нормальных трещин, определяемое по 6.2.15, принимая в соответствующих формулах значения M = Mcrc;
σf - то же, при действии рассматриваемой нагрузки.
Для изгибаемых элементов значение коэффициента ψf допускается определять по формуле
, (6.64)
где Mcrc определяют по 6.2.10.
Расчет конструкций по деформациям
6.2.18 Расчет элементов конструкций по деформациям производят с учетом эксплуатационных требований, предъявляемых к конструкциям.
Расчет по деформациям следует производить на действие:
- постоянных, временных длительных и кратковременных нагрузок - при ограничении деформаций технологическими или конструктивными требованиями;
- постоянных и временных длительных нагрузок - при ограничении деформаций эстетическими требованиями.
6.2.19 Значения предельно допустимых деформаций элементов принимают согласно СП 20.13330 и нормативным документам на конкретные виды конструкций.
Расчет элементов конструкций по прогибам
6.2.20 Расчет элементов по прогибам производят из условия
f ≤ fult, (6.65)
где f - прогиб элемента от действия внешней нагрузки;
fult - значение предельно допустимого прогиба элемента.
Прогибы конструкций определяют по общим правилам строительной механики в зависимости от изгибных, сдвиговых и осевых деформационных характеристик элемента в сечениях по его длине (кривизны, углов сдвига и т.д.).
В тех случаях, когда прогибы элементов в основном зависят от изгибных деформаций, значения прогибов определяют по жесткостным характеристикам согласно 6.2.21 и 6.2.30.
6.2.21 Для изгибаемых элементов постоянного по длине элемента сечения и без трещин прогибы определяют по общим правилам строительной механики с использованием значений жесткости поперечных сечений, определяемых по формуле (6.69).
Определение кривизны элементов конструкций
6.2.22 Кривизну изгибаемых, внецентренно сжатых и внецентренно растянутых элементов для вычисления их прогибов определяют:
для элементов или участков элемента, где в растянутой зоне не образуются нормальные к продольной оси трещины, согласно 6.2.23, 6.2.25;
для элементов или участков элемента, где в растянутой зоне имеются трещины, согласно 6.2.23, 6.2.24 и 6.2.26.
Элементы или участки элементов рассматривают без трещин, если трещины не образуются (т.е. условие (6.41) не выполняется) при действии полной нагрузки, включающей постоянную, временную длительную и кратковременную нагрузки.
Кривизну элементов с трещинами и без трещин можно также определять на основе деформационной модели согласно 6.2.31.
6.2.23 Полную кривизну изгибаемых, внецентренно сжатых и внецентренно растянутых элементов определяют по формулам:
- для участков без трещин в растянутой зоне
; (6.66)
- для участков с трещинами в растянутой зоне
. (6.67)
В формуле (6.66):
,
- кривизны от непродолжительного действия кратковременных нагрузок и от продолжительного действия постоянных и временных длительных нагрузок соответственно.
В формуле (6.67):
- кривизна от непродолжительного действия всей нагрузки, на которую производят расчет по деформациям;
- кривизна от непродолжительного действия постоянных и временных длительных нагрузок;
- кривизна от продолжительного действия постоянных и временных длительных нагрузок.
Кривизны
,
и
определяют согласно 6.2.24.
6.2.24 Кривизну элементов
от действия соответствующих нагрузок определяют по формуле
, (6.68)
где M - изгибающий момент от внешней нагрузки (с учетом момента от продольной силы N) относительно оси, нормальной плоскости действия изгибающего момента и проходящей через центр тяжести приведенного поперечного сечения элемента;
D - изгибная жесткость приведенного поперечного сечения элемента, определяемая по формуле
D = Eb1·Ired, (6.69)
где Eb1 - модуль деформации сжатого бетона, определяемый в зависимости от продолжительности действия нагрузки и с учетом наличия или отсутствия трещин;
Ired - момент инерции приведенного поперечного сечения относительно его центра тяжести, определяемый с учетом наличия или отсутствия трещин.
Значения модуля деформации бетона Eb1 и момента инерции приведенного сечения Ired для элементов без трещин в растянутой зоне и с трещинами определяют по 6.2.25 и 6.2.26 соответственно.
Жесткость элемента на участке без трещин в растянутой зоне
6.2.25 Жесткость элемента D на участке без трещин определяют по формуле (6.69).
Момент инерции Ired приведенного поперечного сечения элемента относительно его центра тяжести определяют как для сплошного тела по общим правилам сопротивления упругих элементов с учетом всей площади сечения бетона и площадей сечения растянутой арматуры с коэффициентом приведения арматуры к бетону
Ired= I + If·αf, (6.70)
где I - момент инерции бетонного сечения относительно центра тяжести приведенного поперечного сечения элемента;
If - момент инерции площади сечения растянутой арматуры относительно центра тяжести приведенного поперечного сечения элемента;
αf - коэффициент приведения арматуры к бетону
. (6.71)
Значение I определяют по общим правилам расчета геометрических характеристик сечений упругих элементов.
Допускается определять момент инерции Ired без учета арматуры.
Значения модуля деформации бетона в формулах (6.69) и (6.71) принимают равными:
- при непродолжительном действии нагрузки
Eb1 = 0,85·Eb; (6.72)
- при продолжительном действии нагрузки
, (6.73)
где φb,cr - принимают по таблице 6.12 СП 63.13330.2018.
Жесткость элемента на участке с трещинами в растянутой зоне
6.2.26 Жесткость элемента на участках с трещинами в растянутой зоне определяют с учетом следующих положений:
- сечения после деформирования остаются плоскими;
- напряжения в бетоне сжатой зоны определяют как для упругого тела;
- работу растянутого бетона в сечении с нормальной трещиной не учитывают;
- работу растянутого бетона на участке между смежными нормальными трещинами учитывают посредством коэффициента ψf.
Жесткость элемента D на участках с трещинами определяют по формуле (6.69) и принимают не более жесткости без трещин.
Значения модуля деформации сжатого бетона Ebl принимают равными значениям приведенного модуля деформации Eb,red, определяемого по формуле
, (6.74)
где εb1,red - относительные деформации бетона, принимаемые равными:
- 0,0015 - для тяжелого бетона при непродолжительном действии нагрузки;
- по СП 63.13330 - для тяжелого бетона при продолжительном действии нагрузки.
Момент инерции приведенного поперечного сечения элемента Ired относительно его центра тяжести определяют по общим правилам сопротивления упругих элементов с учетом площади сечения бетона только сжатой зоны и площади сечения растянутой арматуры с коэффициентом приведения арматуры к бетону αf1
Ired= Ib+ If·αf1, (6.75)
где Ib, If - моменты инерции площадей сечения сжатой зоны бетона и растянутой арматуры соответственно относительно центра тяжести приведенного без учета бетона растянутой зоны поперечного сечения.
Значение If определяют по общим правилам сопротивления материалов, принимая расстояние от наиболее сжатого волокна бетона до центра тяжести приведенного (с коэффициентом приведения αf1) поперечного сечения без учета бетона растянутой зоны (рисунок 8); для изгибаемых элементов
ycm = xm,
где xm - средняя высота сжатой зоны бетона, учитывающая влияние работы растянутого бетона между трещинами и определяемая согласно 6.2.27 (рисунок 8).
Значения Ib и ycm определяют по общим правилам расчета геометрических характеристик сечений упругих элементов.
Значения коэффициента приведения растянутой арматуры к бетону αf1 определяют по 6.2.29.
6.2.27 Для изгибаемых элементов положение нейтральной оси (средняя высота сжатой зоны бетона) определяют из уравнения
Sb0 = αf1·Sf0, (6.76)
где Sb0 и Sf0 - статические моменты сжатой зоны бетона и растянутой арматуры соответственно относительно нейтральной оси.
Для прямоугольных сечений высоту сжатой зоны определяют по формуле
, (6.77)
где
.
Для тавровых (с полкой в сжатой зоне) и двутавровых сечений высоту сжатой зоны определяют по формуле
, (6.78)
где
;
A'f - площадь сечения свесов сжатой полки.

1 - уровень центра тяжести приведенного без учета растянутой зоны бетона поперечного сечения
Рисунок 8 - Приведенное поперечное сечение (а) и схема напряженно-деформированного состояния элемента с трещинами (б) для расчета его по деформациям при действии изгибающего момента
Для внецентренно сжатых и внецентренно растянутых элементов положение нейтральной оси (высоту сжатой зоны) определяют из уравнения
, (6.79)
где yN - расстояние от нейтральной оси до точки приложения продольной силы N, отстоящей от центра тяжести полного сечения (без учета трещин) на расстоянии
;
Ib0, If0, Sb0, Sf0 - моменты инерции и статические моменты соответственно сжатой зоны бетона и растянутой арматуры относительно нейтральной оси.
Допускается для элементов прямоугольного сечения высоту сжатой зоны при действии изгибающих моментов M и продольной силы N определять по формуле
, (6.80)
где xM - высота сжатой зоны изгибаемого элемента, определяемая по формулам (6.77) (6.78);
Ired, Ared - момент инерции и площадь приведенного поперечного сечения, определяемые для полного сечения (без учета трещин).
Значения геометрических характеристик сечения элемента определяют по общим правилам расчета сечения упругих элементов.
В формуле (6.80) знак "плюс" принимают при сжимающей, а знак "минус" при растягивающей продольной силе.
6.2.28 Жесткость изгибаемых железобетонных элементов допускается определять по формуле
D = Ef,red·Af·z·(h0 - xm), (6.81)
где z - расстояние от центра тяжести растянутой арматуры до точки приложения равнодействующей усилий в сжатой зоне.
Для элементов прямоугольного сечения значение z определяют по формуле
. (6.82)
Для элементов прямоугольного, таврового (с полкой в сжатой зоне) и двутаврового поперечных сечений значение z допускается принимать равным 0,8h0.
6.2.29 Значения коэффициентов приведения растянутой арматуры к бетону принимают равными:
, (6.83)
где Eb,red - приведенный модуль деформации сжатого бетона, определяемый при непродолжительном и продолжительном действии нагрузки по 6.2.26;
Ef,red - приведенный модуль деформации растянутой арматуры, определяемый с учетом влияния работы растянутого бетона между трещинами по формуле
. (6.84)
Значения коэффициента ψf определяют по 6.2.17.
Допускается принимать ψf= 1 при этом, если условие (6.65) не удовлетворяется, расчет производят с учетом коэффициента ψf, определяемого по 6.2.17.
6.2.30 Прогибы элементов можно определять по общим правилам строительной механики с применением вместо кривизны
непосредственно изгибных жесткостных характеристик D путем замены упругих изгибных характеристик EI в расчетных зависимостях на указанные характеристики D, вычисляемые по формулам, приведенным в 6.2.24 и 6.2.28.
При совместном действии кратковременной и длительной нагрузок полный прогиб элементов без трещин и с трещинами в растянутой зоне определяют путем суммирования прогибов от соответствующих нагрузок по аналогии с суммированием кривизны по 6.2.23, принимая жесткостные характеристики D в зависимости от принятой продолжительности действия рассматриваемой нагрузки.
Допускается при определении жесткостных характеристик D элементов с трещинами в растянутой зоне принимать коэффициент ψf= 1. В этом случае при совместном действии кратковременной и длительной нагрузок полный прогиб изгибаемых элементов с трещинами определяют суммированием прогибов от непродолжительного действия кратковременной нагрузки и от продолжительного действия длительной нагрузки с учетом соответствующих значений жесткостных характеристик D - подобно тому, как это принято для элементов без трещин.
Определение кривизны элементов на основе нелинейной деформационной модели
6.2.31 Полную кривизну элементов на участках без трещин в растянутой зоне сечения определяют по формуле (6.66), а на участках с трещинами в растянутой зоне сечения - по формуле (6.67).
Значения кривизн, входящих в формулы (6.66) и (6.67), определяют из решения системы уравнений (6.32) - (6.34). При этом, для элементов с нормальными трещинами в растянутой зоне напряжение в арматуре, пересекающей трещины, определяют по формуле
, (6.85)
где
, (6.86)
здесь εfj,crc - относительная деформация растянутой арматуры в сечении с трещиной сразу после образования нормальных трещин;
εfj - относительная деформация растянутой арматуры, пересекающей трещины, в рассматриваемой стадии расчета.
При определении кривизн от непродолжительного действия нагрузки в расчете применяют диаграммы кратковременного деформирования бетона при осевых сжатии и растяжении, а при определении кривизн от продолжительного действия нагрузки - диаграммы длительного деформирования бетона с расчетными характеристиками для предельных состояний второй группы.
Для частных случаев действия внешней нагрузки (изгиб в двух плоскостях, изгиб в плоскости оси симметрии поперечного сечения элемента и т.п.) кривизны, входящие в формулы (6.66) и (6.67), определяют из решения систем уравнений (6.32) - (6.34) с учетом указаний 6.1.8 - 6.21.
7 Конструкции с предварительно напряженной композитной полимерной арматурой
Требования настоящего раздела распространяются на проектирование конструкций с предварительно напряженной композитной полимерной арматурой на основе углеродных, арамидных и стеклянных волокон.
7.1 Предварительные напряжения арматуры
7.1.1 Предварительные напряжения арматуры σfp следует принимать не более:
0,5Rf,n - для арамидокомпозитной арматуры;
0,65Rf,n - для углекомпозитной арматуры;
0,45Rf,n - для стеклокомпозитной и базальтокомпозитной арматуры.
7.1.2 При расчете предварительно напряженных конструкций следует учитывать снижение предварительных напряжений вследствие потерь предварительного напряжения - до передачи усилий натяжения на бетон (первые потери) и после передачи усилия натяжения на бетон (вторые потери).
При натяжении арматуры на упоры следует учитывать:
первые потери - от релаксации предварительных напряжений в арматуре, от температурного перепада при термической обработке конструкций, от деформации анкеров и деформации формы (упоров);
вторые потери - от усадки и ползучести бетона.
При натяжении арматуры на бетон следует учитывать:
первые потери - от деформации анкеров, от трения арматуры о стенки каналов;
вторые потери - от релаксации предварительных напряжений в арматуре, усадки и ползучести бетона.
7.1.3 Потери от релаксации напряжений арматуры ∆σfp1 принимают равными:
для стеклокомпозитной, базальтокомпозитной и арамидокомпозитной арматуры:
∆σfp1 = 0,2σfp; (7.1)
для углекомпозитной арматуры:
∆σfp1 = 0,15σfp. (7.2)
В формулах (7.1) - (7.2) значение σfp следует принимать без учета потерь.
При наличии более точных данных о релаксации арматуры допускается принимать иные значения потерь от релаксации.
7.1.4 Потери ∆σfp2 от температурного перепада при пропаривании или прогреве бетона, потери от деформации стальной формы (упоров) ∆σfp3 при неодновременном натяжении арматуры на форму, потери от деформации анкеров натяжных устройств ∆σfp4 при натяжении арматуры на упоры, потери от трения о стенки каналов или поверхность конструкции при натяжении арматуры на бетон, потери от усадки бетона ∆σfp5 при натяжении арматуры на упоры, потери от усадки бетона ∆σfp5 при натяжении арматуры на бетон и потери от ползучести бетона ∆σfp6 следует определять по СП 63.13330, заменяя в расчетных зависимостях значения характеристик стальной арматуры на значения характеристик композитной полимерной арматуры.
Максимальное значение температуры при пропаривании конструкции не должно превышать значения температуры стеклования полимерной композитной арматуры.
7.1.5 Усилие предварительного обжатия бетона с учетом первых потерь принимают равным:
, (7.3)
где Afpj и ∆σfp(1)j - площадь сечения j-й группы стержней напрягаемой арматуры в сечении элемента и предварительное напряжение в группе стержней, с учетом первых потерь, определяемое по формуле
σfp(1)j= σfpj- ∆σfp(1)j,
здесь σfpj - начальное предварительное напряжение рассматриваемой группы стержней арматуры;
∆σfp(1) - полные значения первых потерь предварительного напряжения арматуры
, (7.4)
i - номер первых потерь предварительного напряжения.
Усилие в напрягаемой арматуре с учетом полных потерь принимают равным
, (7.5)
где
σfp(2)j= σfpj- ∆σfp(2)j; (7.6)
∆σfp(2)j - полные значения потерь предварительного напряжения арматуры
, (7.7)
здесь i - номер всех потерь предварительного напряжения.
При проектировании конструкций полные суммарные потери ∆σfp(2)j для арматуры, расположенной в растянутой при эксплуатации зоне сечения элемента, следует принимать не менее 100 МПа.
7.1.6 Предварительные напряжения в бетоне σbp не должны превышать:
- 0,6Rbp - при передаче усилия предварительного обжатия P(1), определяемого с учетом первых потерь;
- 0,45Rbp - в эксплуатационной стадии при действии усилия предварительного обжатия P(1), определяемого с учетом полных потерь, и нормативной длительной нагрузки;
- 0,6Rbp - в эксплуатационной стадии при действии усилия предварительного обжатия P(2), определяемого с учетом полных потерь, и полной нормативной нагрузки.
Напряжения в бетоне σbp определяют по формуле
, (7.8)
где P(i) (i = 1, 2) - усилие предварительного обжатия с учетом первых или полных потерь;
M - изгибающий момент от соответствующей внешней нагрузки, действующий в стадии обжатия (при передаче усилия предварительного обжатия P(1) - от нагрузки от собственного веса конструкции);
y - расстояние от центра тяжести сечения до рассматриваемого волокна;
e0p - эксцентриситет усилия P(1) или P(2) относительно центра тяжести приведенного поперечного сечения элемента.
7.1.7 Длину зоны передачи предварительного напряжения на бетон для арматуры без дополнительных анкерующих устройств следует определять по пункту 9.1.12 СП 63.13330.2018, заменяя в расчетных зависимостях значения характеристик стальной арматуры на значения характеристик композитной полимерной арматуры.
7.2 Расчет элементов предварительно напряженных конструкций по предельным состояниям первой группы
Расчет предварительно напряженных конструкций по прочности
Общие положения
7.2.1 Расчет предварительно напряженных конструкций производят для стадии эксплуатации на действие изгибающих моментов и поперечных сил от внешних нагрузок и для стадии предварительного обжатия на действие усилий от предварительного натяжения арматуры и усилий от внешних нагрузок, действующих в стадии обжатия.
7.2.2 Расчет по прочности предварительно напряженных конструкций при действии изгибающих моментов следует производить для сечений, нормальных к их продольной оси.
Расчет по прочности нормальных сечений в общем случае производят на основе нелинейной деформационной модели согласно 7.2.12 - 7.2.14.
Допускается расчет железобетонных элементов прямоугольного, таврового и двутаврового сечений с арматурой, расположенной у перпендикулярных к плоскости изгиба граней элемента, при действии усилий в плоскости симметрии нормальных сечений производить на основе предельных усилий согласно 7.2.7 - 7.2.11.
7.2.3 Для конструкций, у которых предельное усилие по прочности оказывается меньше предельного усилия по образованию трещин, площадь сечения продольной растянутой арматуры должна удовлетворять расчету по прочности на действие момента образования трещин.
7.2.4 Расчет преднапряженных конструкций в стадии обжатия производят как при внецентренном сжатии усилием предварительного обжатия в предельном состоянии согласно 7.2.9 - 7.2.11.
7.2.5 Расчет предварительно напряженных конструкций по прочности при действии поперечных сил (расчет по наклонным сечениям) и местном действии нагрузки (расчеты на смятие и продавливание) следует производить согласно 6.1.
7.2.6 При расчете предварительно напряженных конструкций по прочности следует учитывать возможные отклонения предварительного напряжения, определяемого согласно 7.1.5, путем умножения значений σfpi (или усилия обжатия Pj) для рассматриваемого j-го стержня или группы стержней напрягаемой арматуры на коэффициент γfp.
Значения коэффициента γfp принимают равными:
0,9 - при благоприятном влиянии предварительного напряжения;
1,1 - при неблагоприятном влиянии предварительного напряжения.
Расчет предварительно напряженных конструкций на действие изгибающих моментов в стадии эксплуатации по предельным усилиям
7.2.7 Расчет по прочности нормальных сечений следует производить согласно 6.1 с учетом 7.2.8. При этом, в формулах подраздела 6.1 обозначения площадей сечения Af следует относить как к напрягаемой, так и к ненапрягаемой арматуре.
7.2.8 Значения относительной деформации арматуры растянутой зоны εf при вычислении значения граничной высоты сжатой зоны бетона ξR следует определять по формуле
, (7.9)
где σfp - предварительное напряжение в арматуре с учетом всех потерь, принимаемое при значении коэффициента γfp= 0,9.
Расчет предварительно напряженных конструкций в стадии предварительного обжатия
7.2.9 При расчете элемента в стадии предварительного обжатия усилие в напрягаемой арматуре вводится в расчет как внешняя продольная сила, равная
Np= σfp·Afp, (7.10)
где Afp - площадь сечения напрягаемой арматуры;
σfp - предварительные напряжения с учетом первых потерь и коэффициента γfp= 1,1.
7.2.10 Расчет по прочности конструкций прямоугольного сечения в стадии предварительного обжатия следует производить из условия
Np·e ≤ Rb·b·x(h0 - 0,5x), (7.11)
где
, (7.12)
Rb - расчетное сопротивление бетона сжатию, принимаемое по линейной интерполяции как для класса бетона по прочности на сжатие, численно равное передаточной прочности бетона Rbp;
ep - расстояние от точки приложения продольной силы Np до центра тяжести сечения ненапрягаемой арматуры A'f, растянутой или наименее сжатой (при полностью сжатом сечении элемента);
M - изгибающий момент от внешней нагрузки, действующей в стадии изготовления (собственная масса элемента).
Высоту сжатой зоны бетона определяют в зависимости от значения ξR, вычисляемого по формуле (6.1) с подстановкой в нее значений εb2 = 0,003 и
, где R'f и E'f - расчетное сопротивление и модуль упругости ненапрягаемой арматуры A'f:
а) при
(рисунок 9) по формуле
, (7.13)
б) при
- по формуле
. (7.14)

Рисунок 9 - Схема усилий и эпюра напряжений в сечении, нормальном к продольной оси изгибаемой предварительно напряженной конструкции при ее расчете по прочности в стадии обжатия.
7.2.11 Расчет по прочности элементов таврового и двутаврового сечений в стадии предварительного обжатия производят в зависимости от положения границы сжатой зоны:
а) если граница сжатой зоны проходит в полке [рисунок 9а, а)], т.е. соблюдается условие
Np ≤ Rb·b'f·h'f - Rf·Af, (7.15)
то расчет производят как для прямоугольного сечения шириной b'f согласно 7.2.10;
б) если граница сжатой зоны проходит в ребре [рисунок 9а, б)], т.е. условие (7.15) не соблюдается, то расчет производят из условия
Np·e ≤ Rb·b·x(h'0 - 0,5x) + Rb(bf - b)·hf(h'0 - 0,5hf), (7.16)
где e определяют по формуле (7.12).

Рисунок 9а - Положение границы сжатой зоны в сечении изгибаемой предварительно напряженной конструкции с полкой в сжатой зоне при ее расчете по прочности в стадии обжатия.
Высоту сжатой зоны определяют по формулам:
а) при
(ξR - вычисляется по формуле (6.1))
. (7.17)
б) при 
. (7.18)
Расчет по прочности нормальных сечений на основе нелинейной деформационной модели
7.2.12 При расчете по прочности на основе нелинейной деформационной модели усилия и деформации в сечении, нормальном к продольной оси элемента, определяют на основе положений, приведенных в 6.1.15 - 6.1.16.
7.2.13 Расчет нормальных сечений по прочности в общем случае (см. рисунок 10) производят с использованием:
- уравнений равновесия внешних сил и внутренних усилий в нормальном сечении конструкции:
; (7.19)
; (7.20)
; (7.21)
- уравнений, определяющих распределение деформаций от действия внешней нагрузки по сечению элемента
; (7.22)
; (7.23)
; (7.24)
- зависимостей, связывающих напряжения и относительные деформации:
- бетона
σbi= Eb·νbi·εbi; (7.25)
- ненапрягаемой арматуры
σfj= Efj·εfj; (7.26)
- напрягаемой арматуры
σfi= Efi·(εfi+ εfpi). (7.27)

Рисунок 10 - Расчетная схема нормального сечения предварительно напряженного железобетонного элемента
В уравнениях (7.19) - (7.27):
Afi, Zfxi, Zfyi, σfi - площадь, координаты центра тяжести i-го стержня напрягаемой арматуры и напряжение в нем;
εfi - относительная деформация i-го стержня напрягаемой арматуры от действия внешней нагрузки;
εfpi - относительная деформация предварительного напряжения арматуры, определяемого с учетом потерь предварительного напряжения, отвечающих рассматриваемой расчетной стадии;
Efi - модуль упругости i-го стержня напрягаемой арматуры;
остальные параметры - см. 6.1.16.
7.2.14 Расчет нормальных сечений элементов по прочности производят из условий, приведенных в 6.1.16.
7.3 Расчет предварительно напряженных конструкций по предельным состояниям второй группы
Общие положения
7.3.1 Расчеты по предельным состояниям второй группы включают в себя:
- расчет по образованию трещин;
- расчет по раскрытию трещин;
- расчет по деформациям.
7.3.2 При расчете по образованию трещин в целях их недопущения коэффициент надежности по нагрузке следует принимать как при расчете по прочности (γf> 1,0). При расчете по раскрытию трещин и по деформациям (включая вспомогательный расчет по образованию трещин) коэффициент надежности по нагрузке следует принимать равным γf= 1,0.
7.3.3 Расчет изгибаемых предварительно напряженных элементов по предельным состояниям второй группы производят как при внецентренном сжатии на совместное действие усилий от внешней нагрузки M и продольной силы Np, равной усилию предварительного обжатия P.
Расчет предварительно напряженных конструкций по образованию и раскрытию трещин
7.3.4 Расчет предварительно напряженных изгибаемых конструкций по раскрытию трещин производят исходя из общих положений, указанных в 6.2 и дополнительных указаний 7.3.5 - 7.3.9.
Определение момента образования трещин, нормальных к продольной оси конструкции
7.3.5 Изгибающий момент Mcrc при образовании трещин в общем случае определяется по деформационной модели согласно 7.3.9. Допускается для простых сечений (прямоугольного и таврового сечений с арматурой, расположенной у верхней и нижней граней сечения, с полкой в сжатой зоне) определять момент трещинообразования согласно 7.3.6.
7.3.6 Момент образования трещин предварительно напряженных изгибаемых элементов с учетом неупругих деформаций растянутого бетона следует определять по формуле
Mcrc = Rbt,ser·Wpl ± P·eяp, (7.28)
где Wpl - момент сопротивления приведенного сечения для крайнего растянутого волокна с учетом положений 6.2.10;
eяp = e0p + r - расстояние от точки приложения усилия предварительного обжатия P до ядровой точки, наиболее удаленной от растянутой зоны, трещинообразование которой проверяется;
e0p - то же, до центра тяжести приведенного сечения;
r - расстояние от центра тяжести приведенного сечения до ядровой точки
. (7.29)
В формуле (7.28) знак "плюс" принимают, когда направления вращения моментов P·eяp и внешнего изгибающего момента M противоположны; "минус" - когда направления совпадают.
Значения Wred и Ared определяют согласно 6.2.
Для прямоугольных сечений и тавровых сечений с полкой, расположенной в сжатой зоне, значение Wpl при действии момента в плоскости оси симметрии допускается определять по формуле (6.47).
7.3.7 Усилие Ncrc при образовании трещин в центрально растянутых элементах определяют по формуле (6.54).
7.3.8 Момент образования трещин на основе нелинейной деформационной модели определяют исходя из положений, приведенных в 7.2.12 - 7.2.14, но с учетом работы бетона в растянутой зоне нормального сечения, определяемой диаграммой состояния растянутого бетона согласно СП 63.13330. Расчетные характеристики материалов следует принимать для предельных состояний второй группы.
Значение Mcrc определяют из решения системы уравнений, приведенных в 7.2.12 - 7.2.14, принимая относительную деформацию бетона εbt,max у растянутой грани элемента от действия внешней нагрузки, равной предельному значению относительной деформации бетона при растяжении εbt,ult, определяемому согласно СП 63.13330.
Расчет ширины раскрытия трещин, нормальных к продольной оси конструкции
7.3.9 Ширину раскрытия нормальных трещин следует определять по формуле (6.55), в которой значение напряжений σf в растянутой арматуре изгибаемых предварительно напряженных элементов от внешней нагрузки определяют по формуле
, (7.30)
где Ired, Ared, yc - момент инерции, площадь приведенного поперечного сечения элемента и расстояние от наиболее сжатого волокна до центра тяжести приведенного сечения, определяемые с учетом площади сечения только сжатой зоны бетона, площадей сечения растянутой арматуры согласно 6.2.26;
Np - усилие предварительного обжатия (см. 7.3.3);
Mp - изгибающий момент от внешней нагрузки и усилия предварительного обжатия, определяемый по формуле
Mp = M ± Np·e0p, (7.31)
здесь e0p - расстояние от точки приложения усилия предварительного обжатия Np до центра тяжести приведенного сечения.
Знак "минус" в формуле (7.24) принимают, когда направления вращений моментов M и Np·e0p не совпадают, и "плюс" - когда совпадают.
Допускается напряжение σf определять по формуле
, (7.32)
где z - расстояние от центра тяжести арматуры, расположенной в растянутой зоне сечения, до точки приложения равнодействующей усилий в сжатой зоне элемента;
efp - расстояние от центра тяжести той же арматуры до точки приложения усилия Np.
Для элементов прямоугольного поперечного сечения значение z определяют по формуле
, (7.33)
где xN - высота сжатой зоны, определяемая согласно 6.2.27 с учетом действия усилия предварительного обжатия Np.
Для элементов прямоугольного, таврового (с полкой в сжатой зоне) и двутаврового поперечных сечений значение z допускается принимать равным 0,7h0.
Значения напряжений σf, определяемые по формулам (7.30), (7.32), не должны превышать (Rf,ser – σfp).
Расчет предварительно напряженных конструкций по деформациям
7.3.10 Расчет предварительно напряженных элементов по деформациям следует производить согласно 6.2.18 - 6.2.30 и с учетом 7.3.11 - 7.3.13.
7.3.11 Полную кривизну изгибаемых предварительно напряженных элементов для вычисления их прогибов определяют по 6.2.23, при этом значения кривизн
,
и
в формулах (6.66), (6.67) определяют по 7.3.12 с учетом усилия предварительного обжатия.
При определении кривизны допускается учитывать влияние деформаций усадки и ползучести бетона в стадии предварительного обжатия.
7.3.12 Кривизну изгибаемых предварительно напряженных элементов
от действия соответствующих нагрузок определяют по формуле
, (7.34)
где M - изгибающий момент от внешней нагрузки;
Np и e0p - усилие предварительного обжатия и его эксцентриситет относительно центра тяжести приведенного поперечного сечения элемента;
D - изгибная жесткость приведенного поперечного сечения элемента, определяемая по 6.2 как для внецентренно сжатого усилием предварительного обжатия элемента с учетом изгибающего момента от внешней нагрузки (рисунок 11).

1 - уровень центра тяжести приведенного без учета растянутой зоны бетона поперечного сечения
Рисунок 12 - Приведенное поперечное сечение (а) и схема напряженно-деформированного состояния изгибаемой предварительно напряженной конструкции с трещинами (б) при ее расчете по деформациям
7.3.13 Кривизну изгибаемых предварительно напряженных элементов допускается определять по формуле
, (7.35)
где zp - расстояние от точки приложения усилия предварительного обжатия до точки приложения равнодействующей усилий в сжатой зоне;
z - расстояние от центра тяжести растянутой арматуры до точки приложения равнодействующей усилий в сжатой зоне;
xN - высота сжатой зоны с учетом влияния предварительного обжатия.
Высоту сжатой зоны определяют как для изгибаемых элементов без предварительного напряжения арматуры согласно 6.2.27 с умножением значения μf на
.
Значения zp и z допускается определять, принимая расстояние от точки приложения равнодействующей усилий в сжатой зоне до наиболее сжатого волокна сечения равным 0,3h0.
Определение кривизны предварительно напряженных конструкций на основе нелинейной деформационной модели
7.3.14 Полную кривизну изгибаемых предварительно напряженных элементов на участках без трещин в растянутой зоне сечения следует определять по формуле (6.66), а на участках с трещинами в растянутой зоне сечения - по формуле (6.67).
Значения кривизн, входящих в формулы (6.66) и (6.67), определяют из решения системы уравнений (7.19) - (7.27). При этом для элементов с нормальными трещинами в растянутой зоне напряжение в напрягаемой арматуре, пересекающей трещины, определяют по формуле
, (7.36)
а в ненапрягаемой арматуре
, (7.37)
где
, (7.38)
здесь εfi(j),crc - относительная деформация растянутой арматуры в сечении с трещиной от действия внешней нагрузки сразу после образования трещины;
εfi(j) - усредненные относительные деформации растянутой арматуры, пересекающей трещины, в рассматриваемой стадии;
εfpi - относительная деформация предварительного напряжения арматуры.
При определении кривизны от непродолжительного действия нагрузки в расчете следует применять диаграммы кратковременного деформирования сжатого и растянутого бетона, а при определении кривизны от продолжительного действия нагрузки - диаграммы длительного деформирования бетона с расчетными характеристиками для предельных состояний второй группы.
8 Конструктивные требования
8.1 Требования к геометрическим размерам
8.1.1 Геометрические размеры конструкций должны быть не менее значений, обеспечивающих:
- возможность размещения арматуры, анкеровки и совместной работы с бетоном;
- ограничение гибкости сжатых элементов;
- требуемые показатели качества бетона в конструкции по ГОСТ 13015 и СП 70.13330.
8.1.2 Размеры сечений внецентренно сжатых элементов и конструкций с композитной полимерной арматурой для обеспечения их жесткости следует принимать такими, чтобы их гибкость
в любом направлении не превышала:
200 - для элементов конструкций;
120 - для колонн, являющихся элементами зданий.
8.2 Требования к армированию
Защитный слой бетона
8.2.1 Защитный слой бетона должен обеспечивать:
- совместную работу арматуры с бетоном;
- анкеровку арматуры в бетоне и возможность устройства стыков арматурных элементов;
- огнестойкость конструкций.
8.2.2 Толщину защитного слоя бетона рабочей арматуры следует принимать не менее 20 мм - для сборных конструкций и не менее 25 мм - для монолитных конструкций.
Для конструктивной арматуры минимальные значения толщины защитного слоя бетона принимают на 5 мм меньше по сравнению с требуемыми для рабочей арматуры.
Во всех случаях толщину защитного слоя бетона следует принимать не менее диаметра стержня арматуры.
8.2.3 В элементах с напрягаемой продольной арматурой, натягиваемой на бетон и располагаемой в каналах, расстояние от поверхности элемента до поверхности канала следует принимать не менее 40 мм и не менее ширины (диаметра) канала, а до боковых граней - не менее половины высоты (диаметра) канала. При расположении напрягаемой арматуры в пазах сечения элемента толщину защитного слоя бетона, образуемого последующим торкретированием или иным способом, следует принимать не менее 25 мм.
Минимальные расстояния между стержнями арматуры
8.2.4 Минимальные расстояния в свету между стержнями арматуры следует принимать такими, чтобы обеспечивать совместную работу арматуры с бетоном и качественное изготовление конструкций, связанное с укладкой и уплотнением бетонной смеси, но не менее наибольшего диаметра стержня, а также не менее:
25 мм - при горизонтальном или наклонном положении стержней при бетонировании - для нижней арматуры, расположенной в один или два ряда;
30 мм - то же, для верхней арматуры;
50 мм - то же, при расположении нижней арматуры более чем в два ряда (кроме стержней двух нижних рядов), а также при вертикальном положении стержней при бетонировании.
При стесненных условиях допускается располагать стержни группами - пучками (без зазора между ними). При этом расстояния в свету между пучками должны быть также не менее приведенного диаметра стержня, эквивалентного по площади сечения пучка арматуры, принимаемого равным
, где dfi - диаметр одного стержня в пучке, n - число стержней в пучке.
Продольное армирование
8.2.5 Площадь сечения продольной растянутой арматуры, в процентах от площади сечения бетона, равной произведению ширины прямоугольного сечения либо ширины ребра таврового (двутаврового) сечения на рабочую высоту сечения,
, %, следует принимать не менее, чем
(где Rfn - нормативная прочность АКП на растяжение, R̅bt - средняя прочность бетона на растяжение) и не менее:
0,13% - в изгибаемых, внецентренно растянутых элементах и внецентренно сжатых элементах при гибкости
(для прямоугольных сечений
);
0,33% - во внецентренно сжатых элементах при гибкости
(для прямоугольных сечений
);
для промежуточных значений гибкости элементов значение μs определяют по интерполяции.
В элементах с продольной арматурой, расположенной равномерно по контуру сечения, а также в центрально растянутых элементах минимальную площадь сечения всей продольной арматуры следует принимать вдвое большей указанных выше значений и относить ее к полной площади сечения бетона.
8.2.6 В линейных конструкциях и плитах наибольшие расстояния между осями стержней продольной арматуры, обеспечивающие эффективное вовлечение в работу бетона, равномерное распределение напряжений и деформаций, должны быть не более:
в балках и плитах:
200 мм - при высоте поперечного сечения h ≤ 150 мм;
1,5h и 300 мм - при высоте поперечного сечения h> 150 мм;
в колоннах:
400 мм - в направлении, перпендикулярном к плоскости изгиба;
500 мм - в направлении плоскости изгиба.
В стенах расстояния между стержнями вертикальной арматуры принимают не более 2t и 300 мм (t - толщина стены), а горизонтальной - не более 300 мм.
8.2.7 В балках до опоры следует доводить стержни продольной рабочей арматуры с площадью сечения не менее 1/2 площади сечения стержней в пролете и не менее двух стержней.
В плитах до опоры следует доводить стержни продольной рабочей арматуры на 1 м ширины плиты с площадью сечения не менее 1/3 площади сечения стержней на 1 м ширины плиты в пролете.
Поперечное армирование
8.2.8 Поперечную арматуру следует устанавливать исходя из расчета на восприятие усилий, а также в целях ограничения развития трещин, удержания продольных стержней в проектном положении и закрепления их от бокового выпучивания в любом направлении.
Поперечную арматуру устанавливают у всех поверхностей конструкции, вблизи которых устанавливается продольная арматура.
8.2.9 Диаметр поперечной арматуры в каркасах изгибаемых элементов принимают не менее 6 мм.
8.2.10 В конструкциях, в которых поперечная сила по расчету не может быть воспринята только бетоном, установку поперечной арматуры следует предусматривать с шагом не более 0,5h0 и не более 300 мм.
В сплошных плитах, а также в часторебристых плитах высотой менее 300 мм и в балках (ребрах) высотой менее 150 мм на участках элемента, где поперечная сила по расчету воспринимается только бетоном, поперечную арматуру можно не устанавливать.
В балках и ребрах высотой 150 мм и более, а также в часторебристых плитах высотой 300 мм и более, на участках элемента, где поперечная сила по расчету воспринимается только бетоном, следует предусматривать установку поперечной арматуры с шагом не более 0,75h0 и не более 500 мм.
Во внецентренно сжатых линейных элементах, а также в изгибаемых элементах со сжатой продольной арматурой в целях предотвращения выпучивания продольной арматуры следует устанавливать поперечную арматуру с шагом не более 10d и не более 250 мм (d - диаметр сжатой продольной арматуры).
8.2.11 Конструкция поперечных стержней (хомутов) во внецентренно сжатых линейных элементах должна быть такой, чтобы продольные стержни (по крайней мере через один) располагались в местах перегибов, а эти перегибы - на расстоянии не более 400 мм по ширине грани. При ширине грани не более 400 мм и числе продольных стержней у этой грани не более четырех допускается охват всех продольных стержней одним хомутом.
8.2.12 Поперечную арматуру в плитах в зоне продавливания в направлении, перпендикулярном к сторонам расчетного контура, устанавливают с шагом не более 1/3h0 и не более 300 мм. Стержни, ближайшие к контуру грузовой площади, располагают не ближе
и не далее
от этого контура. При этом ширина зоны постановки поперечной арматуры (от контура грузовой площади) должна быть не менее 1,5h0.
Расстояния между стержнями поперечной арматуры в направлении, параллельном сторонам расчетного контура, принимают не более 1/4 длины соответствующей стороны расчетного контура.
8.2.13 У концов предварительно напряженных элементов должна быть установлена дополнительная поперечная арматура (хомуты и т.п. с шагом 5 - 10 см) на длине участка не менее 0,6 длины зоны передачи предварительного напряжения lp. Для арматуры, натягиваемой на бетон, а также для гладкой арматуры, натягиваемой на упоры, следует предусматривать установку анкеров у концов арматуры, обеспечивающих надежную заделку арматуры в бетоне на всех стадиях ее работы.
Анкеровка арматуры
8.2.14 Анкеровку арматуры осуществляют в виде прямого окончания стержня (прямая анкеровка) или с применением специальных анкерных устройств на конце стержня.
8.2.15 Прямую анкеровку допускается применять только для арматуры периодического профиля. Для растянутых гладких стержней следует предусматривать специальные анкерные устройства.
8.2.16 При расчете длины анкеровки арматуры следует учитывать способ анкеровки, диаметр арматуры, прочность бетона и его напряженное состояние в зоне анкеровки, конструктивное решение элемента в зоне анкеровки.
8.2.17 Базовую (основную) длину анкеровки, необходимую для передачи усилия в арматуре с полным расчетным значением сопротивления Rf на бетон, определяют по формуле
, (8.1)
где Af и uf - соответственно площадь поперечного сечения анкеруемого стержня арматуры и периметр его сечения, определяемые по номинальному диаметру стержня;
Rbond - расчетное сопротивление сцепления арматуры с бетоном, принимаемое равномерно распределенным по длине анкеровки и определяемое по формуле
Rbond= η1·Rbt, (8.2)
здесь Rbt - расчетное сопротивление бетона осевому растяжению;
η1 - коэффициент, учитывающий влияние вида поверхности арматуры, принимаемый равным 1,5.
Для композитной полимерной арматуры периодического профиля с показателями сцепления с бетоном не ниже, чем для стальной арматуры, значение коэффициента η1 допускается принимать в соответствии с СП 63.13330, установленным для стальной арматуры.
8.2.18 Требуемую расчетную длину анкеровки арматуры определяют по формуле
, (8.3)
где l0,an - базовая длина анкеровки, определяемая по формуле (8.1);
Af,cal, Af,ef - площади поперечного сечения арматуры, требуемой по расчету и фактически установленной, соответственно.
При этом длину анкеровки следует принимать не менее 15df и 200 мм, а для ненапрягаемых стержней также не менее 0,3l0,an.
Для элементов из мелкозернистого бетона группы A требуемое расчетное значение длины анкеровки должно быть увеличено на 10dfw для растянутого бетона и на 5dfw - для сжатого.
8.2.19 Усилие, воспринимаемое анкеруемым стержнем арматуры Nf следует определять по формуле
, (8.4)
где lan - длина анкеровки, определяемая согласно 8.2.18, принимая соотношение
;
lf - расстояние от конца анкеруемого стержня до рассматриваемого поперечного сечения элемента.
8.2.20 На крайних свободных опорах элементов длина запуска растянутых стержней ненапрягаемой арматуры за внутреннюю грань свободной опоры при выполнении условия Q ≤ Qbl (см. 8.1.31 - 8.1.35 СП 63.13330.2012) должна составлять не менее 5df. Если указанное условие не соблюдается, длину запуска арматуры за грань опоры определяют согласно 8.2.18.
Соединения арматуры
8.2.21 Для соединения ненапрягаемой арматуры с прямыми концами стержней периодического профиля следует принимать стыки внахлестку.
Длина перепуска (нахлестки) стыков растянутой арматуры должна быть не менее значения длины ll, определяемой по формуле
, (8.5)
где l0,an - базовая длина анкеровки, определяемая по формуле (8.1);
Af,cal, Af,ef - см. 8.2.18.
При этом должны быть соблюдены следующие условия:
- относительное число стыкуемой в одном расчетном сечении элемента рабочей растянутой арматуры периодического профиля должно быть не более 50%;
- усилие, воспринимаемое всей поперечной арматурой, поставленной в пределах стыка, должно быть не менее половины усилия, воспринимаемого стыкуемой в одном расчетном сечении элемента растянутой рабочей арматурой;
- расстояние между стыкуемыми рабочими стержнями арматуры не должно превышать 4df;
- расстояние между соседними стыками внахлестку (по ширине железобетонного элемента) должно быть не менее 2df и не менее 30 мм.
В качестве одного расчетного сечения элемента, рассматриваемого для определения относительного числа стыкуемой арматуры в одном сечении, принимают участок элемента вдоль стыкуемой арматуры длиной 1,3ll. Считается, что стыки арматуры расположены в одном расчетном сечении, если центры этих стыков находятся в пределах длины этого участка.
В любом случае фактическая длина перепуска должна быть не менее 0,65l0,an, не менее 20df и не менее 250 мм.
8.3 Конструирование несущих конструкций
8.3.1 При конструировании несущих конструкций следует соблюдать общие требования СП 63.13330 по конструированию железобетонных конструкций и требования подразделов 8.1 и 8.2.
Приложение А
Основные буквенные обозначения
|
Усилия от внешних нагрузок и воздействий в поперечном сечении элемента | ||
|
M |
- |
изгибающий момент; |
|
Mp |
- |
изгибающий момент с учетом момента усилия предварительного обжатия относительно центра тяжести приведенного сечения; |
|
N |
- |
продольная сила; |
|
Q |
- |
поперечная сила. |
|
Характеристики материалов | ||
|
Rb,n |
- |
нормативное сопротивление бетона осевому сжатию; |
|
Rb, Rb,ser |
- |
расчетные сопротивления бетона осевому сжатию для предельных состояний соответственно первой и второй групп; |
|
Rbt,n |
- |
нормативное сопротивление бетона осевому растяжению; |
|
Rbt, Rbt,ser |
- |
расчетные сопротивления бетона осевому растяжению для предельных состояний соответственно первой и второй групп; |
|
Rb,loc |
- |
расчетное сопротивление бетона смятию; |
|
Rbp |
- |
передаточная прочность бетона; |
|
Rbond |
- |
расчетное сопротивление сцепления арматуры с бетоном; |
|
Rf, Rf,ser |
- |
расчетные сопротивления композитной полимерной арматуры растяжению для предельных состояний соответственно первой и второй групп; |
|
Rfw |
- |
расчетное сопротивление поперечной композитной полимерной арматуры растяжению; |
|
Eb |
- |
начальный модуль упругости бетона при сжатии и растяжении; |
|
Eb,red |
- |
приведенный модуль деформации сжатого бетона; |
|
Ef |
- |
модуль упругости композитной полимерной арматуры; |
|
Ef,red |
- |
приведенный модуль деформации композитной полимерной арматуры, расположенной в растянутой зоне элемента с трещинами; |
|
εb0, εbt0 |
- |
предельные относительные деформации бетона соответственно при равномерном осевом сжатии и осевом растяжении; |
|
εf0 |
- |
относительные деформации композитной полимерной арматуры при напряжении, равном Rf; |
|
εb,sh |
- |
относительные деформации усадки бетона; |
|
φb,cr |
- |
коэффициент ползучести бетона; |
|
α |
- |
отношение соответствующих модулей упругости арматуры Ef и бетона Eb. |
|
Геометрические характеристики | ||
|
b |
- |
ширина прямоугольного сечения; ширина ребра таврового и двутаврового сечений; |
|
bf, b'f |
- |
ширина полки таврового и двутаврового сечений соответственно в растянутой и сжатой зонах; |
|
h |
- |
высота прямоугольного, таврового и двутаврового сечений; |
|
hf, h'f |
- |
высота полки таврового и двутаврового сечений соответственно в растянутой и сжатой зонах; |
|
a, a' |
- |
расстояние от равнодействующей усилий в арматуре до ближайшей грани сечения; |
|
h0, h'0 |
- |
рабочая высота сечения, равная соответственно h - a и h - a'; |
|
x |
- |
высота сжатой зоны бетона; |
|
ξ |
- |
относительная высота сжатой зоны бетона, равная |
|
e0 |
- |
эксцентриситет продольной силы N относительно центра тяжести приведенного сечения, определяемый с учетом 7.1.7 и 8.1.7; |
|
e, e' |
- |
расстояния от точки приложения продольной силы N до равнодействующей усилий в арматуре соответственно S и S'; |
|
e0p |
- |
эксцентриситет усилия предварительного обжатия относительно центра тяжести приведенного сечения; |
|
ep |
- |
расстояние от точки приложения усилия предварительного обжатия Np с учетом изгибающего момента от внешней нагрузки до центра тяжести растянутой или наименее сжатой арматуры; |
|
l |
- |
пролет элемента; |
|
lan |
- |
длина зоны анкеровки; |
|
lp |
- |
длина зоны передачи предварительного напряжения в полимерной композитной арматуре на бетон; |
|
l0 |
- |
расчетная длина элемента, подвергающегося действию сжимающей продольной силы; |
|
i |
- |
радиус инерции поперечного сечения элемента относительно центра тяжести сечения; |
|
df, dfw |
- |
номинальный диаметр стержней продольной и поперечной композитной полимерной арматуры соответственно; |
|
Af |
- |
площадь сечения продольной композитной полимерной арматуры; |
|
μf |
- |
коэффициент армирования, определяемый как отношение площади сечения арматуры f к площади поперечного сечения элемента b·h0 без учета свесов сжатых и растянутых полок; |
|
A |
- |
площадь всего бетона в поперечном сечении; |
|
Ab |
- |
площадь сечения бетона сжатой зоны; |
|
Abt |
- |
площадь сечения бетона растянутой зоны; |
|
Ared |
- |
площадь приведенного сечения элемента; |
|
I |
- |
момент инерции сечения всего бетона относительно центра тяжести сечения элемента; |
|
Ired |
- |
момент инерции приведенного сечения элемента относительно его центра тяжести; |
|
W |
- |
момент сопротивления сечения элемента для крайнего растянутого волокна. |


