Утв. и введен в действие приказом Федерального агентства по техническому регулированию и метрологии от 11 августа 2020 г. N 487-ст
Национальный стандарт РФ ГОСТ Р 58959-2020
"СОЕДИНЕНИЯ ЭЛЕМЕНТОВ ДЕРЕВЯННЫХ КОНСТРУКЦИЙ НА ВИНТАХ. МЕТОДЫ ИСПЫТАНИЙ"
Connections of elements of wooden structures on the screws. Test methods
ОКС 91.080.20
Дата введения - 1 января 2021 г.
Введен впервые
Предисловие
1 Разработан Центральным научно-исследовательским институтом строительных конструкций им. В.А. Кучеренко (ЦНИИСК им. В.А. Кучеренко) Акционерного общества "Научно-исследовательский центр "Строительство" (АО "НИЦ "Строительство")
2 Внесен Техническим комитетом по стандартизации ТК 465 "Строительство"
3 Утвержден и введен в действие Приказом Федерального агентства по техническому регулированию и метрологии от 11 августа 2020 г. N 487-ст
4 Введен впервые
1 Область применения
1.1 Настоящий стандарт распространяется на соединения элементов деревянных конструкций, выполненные с использованием стальных винтов, воспринимающих при эксплуатации действие статических нагрузок, и устанавливает методы определения их несущей способности и деформативности.
1.2 Положения настоящего стандарта учитывают требования ГОСТ 33082.
1.3 Регламентированные настоящим стандартом методы испытаний могут быть применены как для типовых, так и для новых проектных решений соединений, выполненных с использованием винтов, при их экспериментальной проверке, а также для контрольных испытаний узлов ответственных конструкций в целях проверки принятых расчетных моделей, технологичности узлов и качества их изготовления.
2 Нормативные ссылки
В настоящем стандарте использованы нормативные ссылки на следующие стандарты:
ГОСТ 166 (ИСО 3599-76) Штангенциркули. Технические условия
ГОСТ 577 Индикаторы часового типа с ценой деления 0,01 мм. Технические условия
ГОСТ 3749 Угольники поверочные 90°. Технические условия
ГОСТ 16588 (ИСО 4470-81) Пилопродукция и деревянные детали. Методы определения влажности
ГОСТ 28840 Машины для испытания материалов на растяжение, сжатие и изгиб. Технические условия
ГОСТ 33080 Конструкции деревянные. Классы прочности конструкционных пиломатериалов и методы их определения
ГОСТ 33081 Конструкции деревянные клееные несущие. Классы прочности элементов конструкций и методы их определения
ГОСТ 33082 Конструкции деревянные. Методы определения несущей способности узловых соединений
ГОСТ Р 56705-2015 Конструкции деревянные для строительства. Термины и определения
ГОСТ Р 57158/EN 1380:2009 Конструкции деревянные. Методы испытаний соединений на гвоздях, винтах, дюбелях и болтах
Примечание - При пользовании настоящим стандартом целесообразно проверить действие ссылочных стандартов в информационной системе общего пользования - на официальном сайте Федерального агентства по техническому регулированию и метрологии в сети Интернет или по ежегодному информационному указателю "Национальные стандарты", который опубликован по состоянию на 1 января текущего года, и по выпускам ежемесячного информационного указателя "Национальные стандарты" за текущий год. Если заменен ссылочный стандарт, на который дана недатированная ссылка, то рекомендуется использовать действующую версию этого стандарта с учетом всех внесенных в данную версию изменений. Если заменен ссылочный стандарт, на который дана датированная ссылка, то рекомендуется использовать версию этого стандарта с указанным выше годом утверждения (принятия). Если после утверждения настоящего стандарта в ссылочный стандарт, на который дана датированная ссылка, внесено изменение, затрагивающее положение, на которое дана ссылка, то это положение рекомендуется применять без учета данного изменения. Если ссылочный стандарт отменен без замены, то положение, в котором дана ссылка на него, рекомендуется применять в части, не затрагивающей эту ссылку.
3 Термины и определения
В настоящем стандарте применены следующие термины с соответствующими определениями:
3.1
|
соединение деревянной конструкции: Часть конструкции, соединяющая ее элементы и выполняющая определенные несущие функции.
[ГОСТ 33082-2014, статья 3.1]
|
3.2
|
несущая способность соединения: Предельные величины усилия (нагрузки) и деформаций, при которых не происходят разрушение или недопустимые деформации соединения.
[ГОСТ 33082-2014, статья 3.2]
|
3.3
|
винт: Крепежная деталь, представляющая собой стержень со спиральной нарезкой на одном конце и конструктивным элементом для передачи крутящего момента на другом (например, головка со шлицем), служащая для соединения деталей путем ввинчивания.
[ГОСТ Р 56705-2015, статья 33]
|
3.4 прочность при вдавливании винта: Максимальное значение сопротивления древесины вдавливанию винта.
3.5 прочность при выдергивании винта: Максимальное значение сопротивления древесины выдергиванию винта.
4 Обозначения
В настоящем стандарте применены следующие обозначения:
N'' - начальная величина нагружения;
S1 - расстояние между винтами вдоль волокон;
S2 - расстояние между винтами поперек волокон;
S3 - расстояние от винта до боковой грани;
S4 - расстояние от винта до торца;
а1 - расстояние между осями винтов;
b - ширина поперечного сечения элемента соединения из древесины или материала на ее основе, мм;
d - номинальный диаметр винта;
lp - расчетная длина винта;
F - нагрузка, прикладываемая к образцу соединения;
h - высота поперечного сечения элемента соединения из древесины или материала на ее основе, мм;
α - угол наклона оси винта к направлению волокон;
ρcp - среднее значение плотности всех образцов в выборке, кг/м3.
5 Требования
5.1 Общие требования к соединениям и образцам для испытаний
5.1.1 Соединения элементов деревянных конструкций с использованием винтов согласно ГОСТ 33082 относятся к соединениям II группы.
5.1.2 В зависимости от цели испытания могут проводиться с использованием образцов соединений натурных размеров, вырезанных из конструкций, или отдельно изготовленных образцов.
5.1.3 Используемая для изготовления деревянных элементов образцов соединений древесина (цельная или клееная) должна удовлетворять требованиям ГОСТ 33080 или ГОСТ 33081. Влажность древесины должна быть (12 ± 2) % по ГОСТ 16588.
5.1.4 Образцы для испытания следует изготовлять из древесины или материалов на основе древесины при равновесной влажности, соответствующей температуре (20 ± 2) °С и относительной влажности воздуха (65 ± 5) %. Материал кондиционируют до достижения постоянной массы. Считается, что постоянная масса достигнута в том случае, когда результаты двух последовательных взвешиваний, выполненных с интервалом не менее 6 ч, отличаются не более чем на 0,1 %.
5.1.5 До изготовления образцов соединений элементов из материалов на основе древесины предварительно должны быть определены средние значения упругих характеристик вдоль Е0,ср и поперек Е90,ср волокон, а также значения ρcp (плотность).
5.1.6 Материалы на основе древесины, используемые в качестве отдельных элементов образцов соединений (LVL, ДПК, ОСП, ЦСП, ДСП), должны соответствовать классу прочности или сорту материала, к которому они принадлежат. Для этого должны быть проведены предварительные испытания образцов используемых материалов по определению их соответствующих свойств.
5.1.7 Соединяемые элементы не должны иметь трещин и других дефектов, которые могли бы привести к преждевременному разрушению зоны, расположенной вокруг установленных винтов.
5.1.8 Элементы соединений должны соответствовать требованиям, указанным в рабочих чертежах. Силы трения на боковых поверхностях соединяемых элементов образцов должны быть устранены путем создания зазоров, если они не повлияют на деформативность соединения, или установки антифрикционных прокладок.
5.1.9 Используемые для изготовления образцов соединений винты должны соответствовать требованиям, указанным в рабочих чертежах или нормативных документах и технической документации.
5.1.10 При установке винтов следует соблюдать требования по минимальным расстояниям между осями винтов вдоль волокон древесины S1, поперек волокон S2, от боковой грани S3 и от торца элемента S4.
Для винтов, воспринимающих только осевую нагрузку при диаметре винтов d > 6 мм:
S1 ≥ 6d - для элементов из цельной и клееной древесины;
S1 ≥ 8d - для элементов из LVL;
S2 = S3 ≥ 5d - для элементов из цельной и клееной древесины;
S2 = S3 ≥ 6d - для элементов из LVL;
S4 ≥ 10d - для элементов из цельной и клееной древесины;
S4 ≥ 10d - для элементов из LVL.
Для винтов d ≤ 6 мм расстояние S1 ≥ 15d, S2 = S3 ≥ 5d и S4 ≥ 10d.
5.1.11 Перед испытаниями все образцы должны быть паспортизованы с детальной фиксацией размеров и схемы испытаний, описанием свойств древесины (влажность, плотность, характеристика годичных колец и др.) и пороков (сучки, косослой и др.).
На каждый образец должна быть нанесена маркировка, указывающая номер и характеристику образца.
5.1.12 Перед проведением испытаний образцы следует хранить по крайней мере в течение одной недели при температуре (20 ± 2) °С и относительной влажности (65 ± 5) %, обеспечивающих равновесную влажность 12 %.
5.2 Изготовление образцов для испытаний
5.2.1 Образцы соединений с винтами, работающими в качестве нагелей
Форма, размеры и изготовление образцов для испытаний по определению несущей способности и деформативности соединений с использованием винтов в качестве нагелей должны соответствовать требованиям, установленным в ГОСТ Р 57158.
5.2.2 Образцы соединений с винтами, работающими в качестве растянутых или сжатых связей
5.2.2.1 Форма и размеры образцов для испытаний по определению несущей способности и деформативности соединений с использованием винтов в качестве растянутых связей при их выдергивании вдоль или поперек волокон должны приниматься в соответствии с рабочими чертежами. Допускается форму и размеры образцов принимать в соответствии с рисунком 1, а их изготовление - с требованиями ГОСТ Р 57176.

а)

б)
1 - элемент из древесины или материала на ее основе; 2 - винты; 3 - элемент крепления; 4 - стальные упорные пластины
а) - установленные поперек волокон; б) - установленные под углом α к волокнам
Рисунок 1 - Схемы образцов для испытания соединений элементов деревянных конструкций на винтах, работающих на растяжение
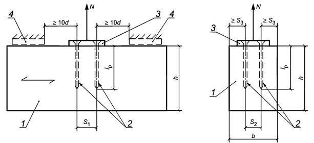
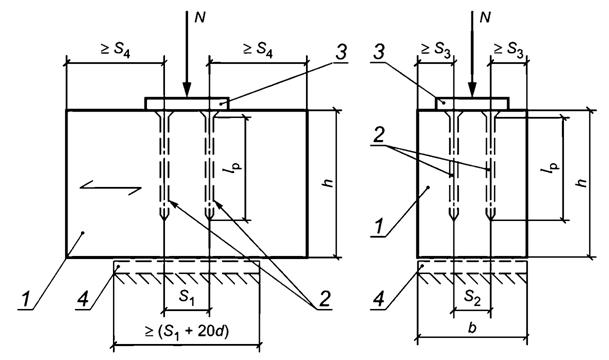
5.2.2.2 Форма и размеры образцов для испытаний по определению несущей способности и деформативности соединений с использованием винтов в качестве сжатых связей следует принимать в соответствии с рабочими чертежами. Допускается форму и размеры образцов опорных узлов принимать в соответствии с рисунком 2, промежуточных узлов - с рисунком 3, а их изготовление - с требованиями ГОСТ Р 57176.

а)

б)
1 - элемент из древесины или материала на ее основе; 2 - винты; 3 - жесткий штамп; 4 - стальная плита
а) - установленные поперек волокон; б) - установленные под углом α к волокнам
Рисунок 2 - Схемы образцов для испытания опорных узлов деревянных конструкций на винтах, работающих на сжатие

1 - элемент из древесины или материала на ее основе; 2 - винты; 3 - жесткий штамп; 4 - опорная плита
Рисунок 3 - Схемы образцов для испытания промежуточных узлов деревянных конструкций на винтах, работающих на сжатие
5.2.3 Образцы соединений с винтами, работающими на совместное действие сдвигающего и осевого усилий
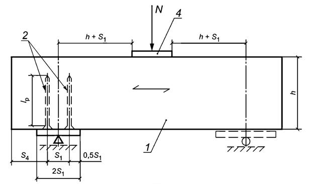
Форму и размеры образцов для испытаний по определению несущей способности и деформативности соединений с использованием винтов в качестве сжатых связей следует принимать в соответствии с рабочими чертежами или рисунком 4, а их изготовление - с требованиями ГОСТ Р 57158.

1 - винты; 2 и 3 - элементы соединения из древесины или материалов на ее основе
Рисунок 4 - Схема образцов для испытания соединений элементов деревянных конструкций на винтах, работающих на совместное действие сдвигающего и осевого усилий
6 Методы испытаний
6.1 Общие положения
6.1.1 При выборе схемы и проведении испытаний особое внимание должно быть уделено передаче усилия на образец: при схеме испытаний на сжатие в опорных участках следует использовать стальные опорные подкладки, призмы или шаровые элементы для исключения смятия древесины и обеспечения приложения силы в фиксированные точки.
6.2 Аппаратура, приборы, инструмент для проведения испытаний
6.2.1 Для проведения испытаний необходимы следующие аппаратура, приборы и инструмент:
- испытательная машина по ГОСТ 28840 либо испытательный стенд, имеющие погрешность измерения нагрузки не более 1 %;
- датчики, или автоматизированная система измерения и записи деформаций соединения, или индикаторы часового типа по ГОСТ 577, позволяющие проводить замеры деформаций с точностью не менее 0,01 мм;
- влагомер для определения влажности древесины образцов с погрешностью не более ± 2 %;
- весы с пределом измерения до 1 кг и точностью ± 1 г;
- секундомер с точностью замера не более 1 с;
- приборы для измерения температуры и влажности воздуха;
- штангенциркуль по ГОСТ 166, погрешностью измерения не более 0,1 мм;
- измерительная линейка, точностью измерения до 1 мм;
- поверочный угольник 90° по ГОСТ 3749.
6.2.2 Все используемые оборудование и инструмент должны быть поверены в порядке, установленном действующим законодательством Российской Федерации.
6.3 Схемы нагружения
6.3.1 Схемы нагружения образцов для испытания по определению несущей способности и деформативности соединений с использованием винтов в качестве нагелей следует принимать в соответствии с ГОСТ Р 57158.
6.3.2 Схемы нагружения образцов для испытания по определению несущей способности и деформативности соединений с использованием винтов, работающих на выдергивание, показаны на рисунке 1, на продавливание - на рисунках 2 и 3.
6.3.3 Схема нагружения образцов для испытания по определению несущей способности и деформативности соединений с использованием винтов, работающих в качестве растянутых связей сдвига и установленных под углом к волокнам древесины и плоскости сдвига, показана на рисунке 5.
6.4 Порядок проведения испытаний
6.4.1 Испытания соединений проводят с периодической разгрузкой до начальной величины N'' через равные ступени возрастания усилия и измерением остаточной деформации, с доведением образцов до разрушения.
6.4.2 Величину ступени Nп назначают 0,08-0,10 ожидаемой величины разрушающего усилия Fmax, значение которого определяют пробными испытаниями до разрушения идентичных образцов соединений или расчетом.

1 - винт; 2 - элементы соединения из древесины или материалов на ее основе; 3 - нижний упор; 4 - боковой упор, 5 - боковой упор со свободным перемещением по вертикали
Рисунок 5 - Схема испытаний образцов соединений с винтами, работающими на совместное действие сдвигающего и осевого усилий
6.4.3 Приложение нагрузки на образец проводят с постоянной скоростью нагружения в пределах от 2 до 10 мм/мин.
В процессе нагружения фиксируют значения нагрузок и текущее время испытаний.
Типовые диаграммы и обозначения фиксируемых величин - в соответствии с приложением А.
6.4.4 Приборы для измерения осевых деформаций соединения (датчики, индикаторы) должны быть установлены симметрично с противоположных сторон образца.
6.4.5 В процессе испытаний в журнале испытаний следует фиксировать:
- значения величины нагрузки на каждой ступени Fn;
- величины замера деформаций, полной и остаточной, за цикл; а также продолжительность времени возрастания нагрузки на каждой ступени и общую продолжительность испытаний tmax до момента разрушения образца.
При ручной записи деформаций по показаниям индикаторов следует дополнительно фиксировать время t2, затраченное на съем показаний приборов (рисунок А.1.1б).
6.4.6 Кроме фиксации вышеуказанных отсчетов в процессе испытаний проводят наблюдения (с записью в журнале) за различными изменениями в образце (появление треска, трещин, смятия, перекосов и др.).
После разрушения образцов описывают характер разрушения соединения.
Процесс испытаний и характер разрушения следует также фиксировать путем фотосъемки для приложения фотографий к отчету об испытаниях.
6.4.7 При проведении испытаний разрушающую нагрузку Ft определяют с погрешностью не более 1 %. Величина разрушающей нагрузки не должна быть менее 10 % предельного значения измерительной шкалы испытательной машины.
7 Обработка результатов испытаний
7.1 Определение деформаций соединений
7.1.1 По записанным в журнале испытаний показаниям приборов вычисляют:
- полные деформации и их разности при испытаниях с непрерывным нагружением;
- остаточные за цикл и упругие деформации при испытаниях с периодической разгрузкой.
По этим данным строят диаграммы деформаций (см. А.2 приложения А) и определяют предел упругой работы соединений Ne из построенной диаграммы зависимости остаточных деформаций за цикл do от упругой деформации dy.
7.1.2 По установленной на диаграмме точке отклонения изменения деформаций от линейной зависимости находят предел упругой работы соединений с величиной нагрузки Ne, учитываемый при оценке несущей способности соединения.
7.1.3 Коэффициент податливости kd определяется путем деления величины полной деформации Dп при нагрузке Ne на величину Ne.
7.2 Оценка несущей способности соединений по результатам испытаний
7.2.1 Оценку несущей способности соединений проводят на основании сопоставления фактической несущей способности Rexp, полученной при испытаниях, с расчетной несущей способностью Rd, установленной при проектировании соединения.
7.2.2 Фактическую несущую способность Rехр в зависимости от продолжительности испытаний определяют по формуле
Rexp=Nmax/γc,
(1)
где Nmax - максимальная разрушающая нагрузка, кН;
γc - коэффициент надежности при пластическом разрушении, определяемый по формуле
γc=1,38(1,94 – 0,116 lgt),
(2)
где t - время, приведенное к неизменному действию нагрузки, с, определяемое по формуле
t=tmax/38,2,
(3)
где tmax - время доведения нагрузки до разрушающей, с (см. А.1 приложения А).
При испытаниях с периодической разгрузкой tmax может быть определено как
tmax=n2tn,
(4)
где n - число ступеней нагружения до разрушения;
tn - продолжительность изменения усилия на величину одной ступени.
7.2.3 Несущую способность соединений определяют из неравенства
Rexp/Rd≥1,3
(5)
с дополнительной проверкой по (1) в том случае, если разрушение образцов соединения произошло с нарушением сплошности материала их элементов.
При невыполнении неравенства (5) расчетная несущая способность Rd должна быть снижена до величины, не превышающей соответственно Nmax/1,3 или Rexp.
Приложение А
(обязательное)
Диаграммы нагружения и деформации
А.1 Диаграммы нагружения

а) Автоматическая запись показаний приборов

б) Ручная запись показаний приборов
Рисунок А.1 - Диаграмма ступенчатого нагружения образца с разгрузкой
А.2 Диаграммы деформаций

dy(Ny) - упругие деформации, соответствующие пределу упругой работы
Рисунок А.2 - Диаграмма зависимости остаточных деформаций за цикл d0 от упругих деформаций dy

Dп - полные деформации за цикл; dп - полные деформации за цикл; ΔDп - разность полных деформаций; Dу - упругие деформации; Dо - остаточные деформации; dо - остаточные деформации за цикл
Рисунок А.3 - Диаграмма деформаций соединения при периодической разгрузке