ГОСТ Р МЭК 62552-1-2018 ПРИБОРЫ ХОЛОДИЛЬНЫЕ БЫТОВЫЕ. ХАРАКТЕРИСТИКИ И МЕТОДЫ ИСПЫТАНИЙ. Часть 1. ОБЩИЕ ТРЕБОВАНИЯ
Household refrigerating appliances. Characteristics and test methods. Part 1. General requirements
Предисловие
1 Подготовлен Обществом с ограниченной ответственностью "МП Сертификационная лаборатория бытовой электротехники ТЕСТБЭТ" (ООО "ТЕСТБЭТ") на основе официального перевода на русский язык международного стандарта, который выполнен ФГУП "Стандартинформ"
2 Внесен Техническим комитетом по стандартизации ТК 019 "Электрические приборы бытового назначения"
3 Утвержден и введен в действие Приказом Федерального агентства по техническому регулированию и метрологии от 15 мая 2018 г. N 251-ст
4 Настоящий стандарт идентичен международному стандарту МЭК 62552-1:2015 "Приборы холодильные бытовые. Характеристики и методы испытаний. Часть 1. Общие требования" (IEC 62552-1:2015 "Household refrigerating appliances - Characteristics and test methods - Part 1: General requirements", IDT).
Международный стандарт IEC 62552-1:2015 разработан Техническим подкомитетом 59М "Характеристики электрических бытовых и аналогичных приборов для хранения и замораживания" Технического комитета 59 "Характеристики электрических бытовых и аналогичных приборов" Международной организации по стандартизации (IEC).
При применении настоящего стандарта рекомендуется использовать вместо ссылочных международных стандартов соответствующие им национальные стандарты, сведения о которых приведены в дополнительном приложении ДА
5 Введен впервые
Введение
Стандарт МЭК 62552 разделен на следующие части:
Часть 1. Область применения, определения, приборное оснащение, испытательное помещение и размещение охлаждаемых продуктов (данная часть).
Часть 2. Общие требования к характеристикам холодильных приборов и методы их испытаний. Часть 3. Определение энергопотребления и объема.
Примечание - В части требований безопасности бытовых холодильных приборов см. МЭК 60335-2-24, а требования к шуму, применяемые к бытовым холодильникам и морозильникам, см. МЭК 60704-2-14.
Настоящий стандарт устанавливает основные характеристики бытовых холодильных приборов, охлаждение в которых осуществляется методом внутренней естественной конвекции или методом принудительной циркуляции воздуха, и определяет методы испытаний для проверки характеристик.
Для целей декларации определенные в настоящем стандарте испытания рассматривают как типовые испытания для оценки основных параметров конструкции и работы холодильных приборов. Настоящий стандарт не определяет требования по выборочному контролю продукции, оценке соответствия или сертификации.
Настоящий стандарт не устанавливает требования к контрольным испытаниям, так как требования к ним зависят от региона и страны. Когда проверка характеристик холодильных приборов данного типа на соответствие данному стандарту необходима, то предпочтительно, когда это практически возможно, чтобы все указанные испытания проводились на одном приборе. Эти испытания могут также быть проведены отдельно для исследования конкретных характеристик.
В настоящем стандарте приведены ссылки на следующие стандарты. При датированных ссылках применяют только указанную версию стандарта, при недатированных - последнее издание документа (включая любые поправки к нему).
IEC 62552-2:2015 Household refrigerating appliances. Characteristics and test methods. Part 2: Performance requirements (Приборы холодильные бытовые. Характеристики и методы испытаний. Часть 2: Требования к рабочим характеристикам)
IEC 62552-3:2015 Household refrigerating appliances. Characteristics and test methods. Part 3: Energy consumption and volume (Приборы холодильные бытовые. Характеристики и методы испытаний. Часть 3. Расход энергии и объем)
Для целей настоящего стандарта применены следующие термины, определения и обозначения.
3.1.1 холодильный прибор (refrigerating appliance): Изолированный шкаф с одним или более отделениями, в которых регулируются определенные установленные значения температуры, имеющими подходящие размеры, и оборудованными для потребностей домашнего хозяйства, охлаждаемыми с помощью естественной конвекции или систем принудительной конвекции, где охлаждение достигается с использованием одной или более энергопотребляющих систем.
Примечание - С точки зрения монтажа бытовые холодильные приборы делят на различные типы (свободно установленные, переносные, смонтированные на стене, встроенные и т.д.).
3.1.2 холодильник (refrigerator): Холодильный прибор, предназначенный для хранения пищевых продуктов, имеющий, по крайней мере, одно отделение для свежих пищевых продуктов.
3.1.3 холодильник-морозильник (refrigerator-freezer): Холодильный прибор, имеющий по крайней мере одно отделение для свежих пищевых продуктов и по крайней мере одно морозильное отделение.
3.1.4 безынеевый холодильный прибор (frost-free refrigerating appliance): Холодильный прибор, в котором все отделения автоматически размораживаются с автоматическим удалением талой воды, и имеется по крайней мере одно отделение, охлаждаемое с использованием безынеевой системы.
3.1.5 морозильник (freezer): Холодильный прибор, имеющий только морозильные отделения, по крайней мере одно из которых является замораживающим отделением.
3.1.6 устройство для хранения вина (wine storage appliance): Холодильный прибор, не имеющий других отделений кроме одного или более отделений для хранения вина.
Примечание - Прибор, включающий какие-либо отделения которые не выполняют все требования, установленные для отделений для хранения вина согласно приложению GA, не может быть отнесен к категории устройств для хранения вина.
3.1.7 встроенный прибор (built-in appliance): Холодильный прибор, предназначенный для использования в закрепленном состоянии в корпусе или в подготовленном углублении в стене или аналогичном месте.
3.1.8 пищевой продукт (foodstuff): Пища или напиток, предназначенные для потребления.
3.1.9 номинальный (rated): Величина, декларированная изготовителем (например, объем, потребление энергии, использование).
3.1.10 нормальная эксплуатация (normal use): Работа, при которой холодильный прибор подвергают воздействию диапазона различных условий, которые могут возникнуть в процессе использования, и которые могут включать работу в диапазоне:
- комнатных температур (включая те, которые определены при испытаниях хранения, см. раздел 6 МЭК 62552-2);
- различных уровней влажности; и
- связанных с потребителем воздействиями, например, открывания дверей (которые могут быть регулярными, редкими или комбинацией этих условий) и добавления или удаления пищевых продуктов или других сохраняемых объектов.
3.2.1 хладагент (refrigerant): Жидкость, используемая для передачи тепла в системе охлаждения, которая поглощает тепло при низкой температуре и низком давлении жидкости и отдает тепло при более высокой температуре и более высоком давлении жидкости, как правило, используя изменения фазы жидкости.
3.2.2 конденсатор (condenser): Теплообменник, из которого тепло в хладагенте выводится во внешнюю охлаждающую среду (обычно воздух, окружающий прибор).
3.2.3 испаритель (evaporator): Теплообменник, поглощающий тепло из охлаждаемого отделения и передающий его в хладагент.
3.3.1 отделение (compartment): Закрытое пространство внутри холодильного прибора, непосредственно доступное через одну или более внешних дверец, которое само может содержать встроенные отделения.
Примечания
1 Требования для указанных далее типов отделений указаны в таблице 2 МЭК 62552-2 и таблице 1 МЭК 62552-3.
2 В данном стандарте, если не указано иное, термин "отделение" следует использовать для обозначения отделения и/или встроенного отделения, в зависимости от контекста.
3.3.2 отсек (sub-compartment): Постоянное замкнутое пространство внутри отделения, которое имеет другой диапазон рабочей температуры, чем отделение, в котором оно расположено.
3.3.3 комфортный компонент (convenience feature): Замкнутое пространство, или контейнер (закрепленный или съемный), в котором обеспечены определенные условия для определенного типа пищевых продуктов.
Примечание - Эта условия могут отличаться от условий в отделении, в котором это пространство расположено.
3.3.4 отделение с переменной температурой (variable temperature compartment): Отделение, предназначенное для использования как второй (или более) альтернативный тип отделения (например, отделение, которое может быть либо отделением для свежих пищевых продуктов или морозильным отделением), а также которое может быть отрегулировано пользователем для непрерывного поддержания диапазона рабочих температур, применяемого для каждого из заявленных типов отделений
Примечание - Отделение, предназначенное для использования в качестве одного типа, но которое может также соответствовать дополнительным типам (например, отделение для охлаждения, которое может также соответствовать требованиям к отделению без звезд) не является отделением с переменной температурой.
3.3.5 морозильное отделение (freezer compartment): Отделение, которое соответствует требованиям три звезды или четыре звезды.
Примечание - В некоторых случаях в отделении допустимы отсеки две звезды и/или дополнительные отделения.
3.3.6 отделение для свежих пищевых продуктов (fresh food compartment): Отделение для складирования и хранения незамороженных пищевых продуктов.
3.3.7 отделение "погреб" (cellar compartment): Отделение для хранения пищевых продуктов при температуре выше, чем установлена в отделении для свежих пищевых продуктов.
3.3.8 отделение "кладовая" (pantry compartment): Отделение для хранения пищевых продуктов при температуре выше, чем в отделении "погреб".
3.3.9 отделение для охлажденных продуктов (chill compartment): Отделение для хранения скоропортящихся пищевых продуктов.
3.3.10 отделение для изготовления льда (ice-making compartment): Отделение, специально предназначенное для изготовления и хранения льда.
Примечание - Отделение для изготовления льда рассматривают как отделение без звезд или низкотемпературное отделение.
3.3.11 форма для льда (ice mould): Форма в автоматическом устройстве для приготовления льда, которая автоматически заполняется водой и из которой затем автоматически извлекаются кубики льда.
3.3.12 поддон для льда (ice cube tray): Снимаемый поддон, который вручную наполняется водой и из которого вручную извлекаются кубики льда.
Примечание - Поддоны для льда с водой используют как груз для определения эффективности обработки загрузки. См. приложение G МЭК 62552-3:2015.
3.3.13 отделение без звезд (zero-star compartment): Отделение, в котором температура не выше 0 °С, которое может использоваться для изготовления и хранения льда, но не пригодно для хранения скоропортящихся пищевых продуктов.
3.3.14 отделение для хранения вина (wine storage compartment): Отделение, специально предназначенное для хранения и дозревания вина.
Примечание - Требования по температуре в отделениях для хранения вина установлены в приложении G.
3.3.15 незамораживающие отделения (unfrozen compartment): Любое из следующих типов отделений: без звезд, для охлажденных продуктов, для свежих пищевых продуктов, "погреб" для хранения вина или "кладовая".
Примечание - Хотя отделения для изготовления льда и отделение без звезд работают при температуре ниже нуля, их рассматривают как незамораживающие отделения при испытаниях энергопотребления и функциональных характеристик в настоящем стандарте.
3.3.16 низкотемпературные отделения (frozen compartment): Любое из следующих типов отделений: одна звезда, две звезды, три звезды, четыре звезды.
Примечание - Низкотемпературные отделения классифицированы в соответствии с температурой в соответствии с 3.3.16.1-3.3.16.4.
3.3.16.1 одна звезда (one-star): Отделение, где температура хранения не превышает минус 6 °С.
3.3.16.2 две звезды (two-star): Отделение, где температура хранения не превышает минус 12 °С.
3.3.16.3 три звезды (three-star): Отделение, где температура хранения не превышает минус 18 °С.
3.3.16.4 четыре звезды (four-star): Отделение, где температура хранения соответствует условиям три звезды и где минимальная производительность по замораживанию соответствует требованиям раздела 8 МЭК 62552-2:2015.
Примечание - В некоторых случаях секции или отсеки две звезды разрешаются внутри отделения четыре звезды.
3.3.17 секция две звезды (two-star section): Часть отделения три звезды или четыре звезды, которая не является изолированной (т.е. не имеет своей отдельной дверцы или крышки) и которая соответствует требованиям две звезды.
Примечание - Любая секция две звезды в отделении не должна превышать 20 % от полного объема отделения.
3.3.18 выдвижной ящик или контейнер для зелени (vegetable drawer or crisper): Комфортный компонент, предназначенный в первую очередь для снижения обезвоживания фруктов и овощей.
Примечание - Выдвижной ящик для зелени обычно рассматривают как съемное комфортное устройство, но обычно оставляют на месте для целей испытаний.
3.4.1 горизонтальный тип (top-opening type): Холодильный прибор, в котором отделение(я) имеет(ют) доступ сверху (обычно крышку).
3.4.2 вертикальный тип (upright type): Холодильный прибор, в котором отделение(я) имеет(ют) доступ спереди.
3.4.3 габаритные размеры (overall dimensions): Пространство, занимаемое холодильным прибором (высота, ширина и глубина) с дверцами или крышками в закрытом состоянии.
3.4.4 пространство, необходимое для использования (space required in use): Пространство, занимаемое холодильным прибором (высота, ширина и глубина), необходимое для нормальной эксплуатации при закрытых дверях или крышках, включая пространство, необходимое для циркуляции воздуха и любые ручки, как показано на рисунке 5.
3.4.5 полное пространство, необходимое для использования (overall space required in use): Полное пространство, занимаемое холодильным прибором (высота, ширина и глубина), необходимое для нормальной эксплуатации при открытых дверцах или крышках, как показано на рисунке 5.
3.4.6 объем (volume): Пространство внутри внутреннего кожуха холодильного прибора, или отделения или отсека, согласно определению в МЭК 62552-3.
3.4.7 полка (shelf): Горизонтальная поверхность, на которой могут быть размещены пищевые продукты.
Примечание - Полка может быть образована одной компонентой или компонентами, скрепленными сторонами, которые могут быть закрепленными или подвижными.
3.4.8 ограничение загрузки (load limit): Поверхность, охватывающая пространство для хранения и предназначенная для хранения пищевых продуктов или других объектов.
Примечание - Ограничение загрузки может быть естественной очевидной характеристикой или маркированной линией.
3.4.9 план хранения (storage plan): Схема размещения испытательных пакетов внутри холодильного прибора при испытаниях специальных аспектов характеристик в соответствии с данным стандартом.
3.5.1 энергопотребление (energy consumption): Энергия, потребляемая холодильным прибором в течение установленного периода времени или при установленных операциях, определенная в соответствии с МЭК 62552-3, КВт·ч.
3.5.2 среднее энергопотребление (average power consumption): Среднее значение энергопотребления холодильным прибором при установленных условиях испытаний или работы, определяемая в соответствии с МЭК 62552-3, Вт.
3.5.3 температура хранения (storage temperature): Температура, которую холодильный прибор способен поддерживать в соответствии с 6.5 МЭК 62552-2:2015.
3.5.4 целевая температура (target temperature): Эталонная температура отделения, используемая при определении энергопотребления и среднего энергопотребления по МЭК 62552-3.
Примечание - Целевые температуры являются температурами воздуха. См. приложение D.
3.5.5 Размораживание
3.5.5.1 автоматическое размораживание (automatic defrost): Размораживание, при котором не требуются действия пользователя, инициирующие удаление накопленного инея на всех устройствах управления температурой или для возврата к нормальной работе, а удаление талой воды после размораживания является автоматическим.
3.5.5.2 ручное размораживание (manual defrost): Размораживание, которое не является автоматическим размораживанием.
3.5.5.3 циклическое размораживание (cyclic defrost): Система автоматического размораживания, при которой поверхности, охлаждающие отделение (обычно незамораживающее отделение) в приборе, автоматически размораживаются от инея и размораживание происходит в каждом цикле системы охлаждения.
Примечание - Системы с циклическим размораживанием не имеют цикла управления размораживанием.
3.5.5.4 переменное размораживание (variable defrost): Система автоматического размораживания, разработанная с целью минимизации энергопотребления, которая настраивает интервалы времени между последовательными операциями размораживания при нормальной эксплуатации в целях наилучшего согласования фактической нагрузки на испаритель путем оценки рабочих условий (или обстоятельств) иных, чем истекшее время или время непрерывной работы компрессора или дополнительно к нему.
Примечание - Размораживание по требованию (прямое измерение инея на испарителе и соответствующее размораживание) представляет собой переменное размораживание.
3.5.6 стабильные условия работы (stable operating conditions): Условия, при которых средние температуры и энергопотребление холодильного прибора соответствуют принятым требованиям стабильности согласно определению в МЭК 62552-2 или МЭК 62552-3 в зависимости от применимости.
3.5.7 стабильное состояние (steady state): Стабильные условия работы, соответствующие критериям, указанным в приложении В МЭК 62552-3:2015.
3.5.8 окружающая температура (ambient temperature): Температура, измеренная в пространстве, окружающем испытываемый холодильный прибор.
Примечание - Окружающую температуру при каждом типе испытаний измеряют согласно приложению А настоящего стандарта, ее величина равна указанной в МЭК 62552-2 и МЭК 62552-3 для применения в конкретных испытаниях.
3.5.9 контролируемое событие (control event): Изменение рабочих условий.
Примечание - Контролируемые события включают следующее, но не ограничиваются этим:
a) запуск, остановку или изменение скорости компрессора;
b) изменение положения заслонки, функции вентилятора, или других регулирующих устройств или приборов;
c) изменения функционирования охлаждающего контура;
d) включение и выключение нагревателя размораживания;
е) работа устройства для приготовления льда.
3.5.10 безынеевая (frost-free): Автоматическая размораживающая система для предотвращения постоянного образования инея на удаленном испарителе или испарителях.
3.5.11 устройство управления температурой (temperature control): Устройство, предназначенное для автоматического регулирования температуры в одном или нескольких отделениях.
Примечание - Если не установлено иное, устройство, которое имеет только два положения (например, открыто и закрыто) не является устройством управления температурой.
3.5.12 настраиваемое пользователем устройство управления температурой (user-adjustable temperature control): Устройство управления температурой, предназначенное для регулирования потребителем изменения температуры в одном или нескольких отделениях холодильного прибора.
3.5.13 уставка устройства управления температурой (temperature control setting): Настройка регулируемого пользователем устройства управления температурой, выбранная для измерения энергопотребления или функциональных характеристик в соответствии с данным стандартом.
3.5.14 время охлаждения (cooling time): Время, выбранное для охлаждения установленной загрузки в отделении для свежих пищевых продуктов согласно указаниям в разделе 7 МЭК 62552-2.
3.5.15 производительность охлаждения (cooling capacity): Скорость, с которой указанная загрузка в отделении для свежих пищевых продуктов может быть охлаждена согласно указаниям в разделе 7 МЭК 62552-2.
3.5.16 время замораживания (freezing time): Время замораживания в морозильнике или в морозильном отделении установленного количества пищевых продуктов согласно указаниям в разделе 8 МЭК 62552-2.
3.5.17 производительность замораживания (freezing capacity): Скорость отбора тепла охлаждающей системой от нагрузки в морозильнике или морозильном отделении согласно требованиям раздела 8 МЭК 62552-2.
3.5.18 производительность приготовления льда (ice-making capacity): Количество льда, которое холодильный прибор может изготовить в автоматическом устройстве для приготовления льда в соответствии с требованиями раздела 9 МЭК 62552-2.
3.5.19 время повышения температуры (temperature rise time): Время, необходимое для повышения температуры на определенную величину после прекращения работы холодильной установки при испытаниях согласно приложению С МЭК 62552-2.
3.5.20 балластная загрузка (ballast load): Комбинация испытательных и М-пакетов уже при температуре хранения в морозильнике или морозильном отделении, когда добавляется легкая загрузка в процессе испытаний замораживающей способности.
3.5.21 легкая загрузка (light load): Комбинация испытательных и М-пакетов при окружающей температуре, которые загружаются в морозильное отделение в процессе испытаний замораживающей способности.
3.5.22 испытания эффективности обработки загрузки (processing load efficiency test): Испытания, при которых в прибор вводится определенная загрузка воды с целью определения насколько много дополнительной энергии требуется для ее охлаждения (и, в случае морозильного отделения, ее замораживания).
Примечание - См. приложение G МЭК 62552-3.
3.5.23 обрабатываемая загрузка (processing load): Энергетический эквивалент пользовательской обрабатываемой загрузки, Вт·ч/сут.
3.5.24 эффективность обработки загрузки (load processing efficiency): Отношение дополнительной энергии, использованной холодильным прибором для охлаждения определенной обрабатываемой загрузки к расчетной тепловой энергии, удаленной из обрабатываемой загрузки.
3.5.25 период восстановления обрабатываемой загрузки (processing load recovery period): Время, требуемое для достижения стабильных рабочих условий после введения определенной загрузки при испытаниях эффективности обработки загрузки.
3.6.1 цикл управления температурой (temperature control cycle): Видимые повторные колебания температуры, связанные с работой устройства управления температурой (при включении/выключении или в других случаях).
Примечание - Период цикла управления температурой - время между событием управления и его повторением в следующем цикле. Когда события управления не могут быть определены, период цикла управления температурой равен времени между двумя последовательными моментами наиболее высокого значения температуры, или двумя последовательными моментами наиболее низкой температуры.
3.6.2 цикл управления размораживанием (defrost control cycle): Период, начинающийся в конце стабильных условий работы перед началом автоматического размораживания и заканчивающийся в аналогичной точке перед следующим автоматическим размораживанием.
Примечания
1 Начальная и конечная точки цикла управления размораживанием перед автоматическим размораживанием должны быть:
a) в случае охлаждающих систем с циклами включения/выключения периодом, начинающимся в конце последнего регулярного цикла управления температурой (например, в конце последнего периода выключения);
b) в случае охлаждающих систем без циклов включения/выключения, но имеющих регулярные температурные циклы, концом последнего изменения мощности/скорости/охлаждения, который относится к регулярному максимуму температуры;
c) и в случае охлаждающих систем без циклов включения/выключения и без регулярных температурных циклов, концом работы при стабильной температуре.
2 Системы с циклическим размораживанием не имеют цикла управления размораживанием.

Рисунок 1 - Иллюстрация отдельных определений
3.6.3 операция размораживания (defrosting operation): Период от начала цикла управления размораживанием до начала охлаждения холодильной системы после размораживания.
3.6.4 период размораживания и восстановления (defrost and recovery period): Период от начала цикла управления размораживанием до установления условий стабильной работы.
Примечание - В случае приборов, которые не достигают условий стабильной работы (например, имеющих температуру, которая постоянно уменьшается после операции размораживания), период размораживания и восстановления может быть равным циклу управления размораживанием.
3.6.5 период восстановления (recovery period): Период от конца операции размораживания до конца периода размораживания и восстановления.
ТМР - точка измерения температуры;
Т - температура;
t - время;
I - последовательное представление некоторых положений датчика.
|
Мгновенные значения температуры |
Интегрированная по времени средняя температураа) (im) |
Мгновенная средняя температура в отделенииb) (а) |
Средняя по времени температурас) в отделении (ma) |
Максимальная температура в отделенииd) | |
|
Свежие продукты |
Ti |
Tim |
Та |
Tma |
- |
|
Замороженные продукты (f) |
Tfi |
Tfim |
Tfa |
Tfma |
T***, T**, T* |
|
Без звезд (z) |
Tzi |
Tzim |
Tza |
Tzma |
- |
|
Кладовая (р) |
Tpi |
Tpim |
Тра |
Тpma |
- |
|
Погреб (с) |
Тci |
Tcim |
Tca |
Тcma |
- |
|
Охлаждение (cc) |
Tcci |
Tccim |
Тcca |
Тccma |
- |
|
Вино (w) |
Twi |
Twim |
Twa |
Twma |
- |
|
Окружающая (а) |
Tai |
Taim |
Таа |
Tama |
- |
|
a) Интегрированная по времени средняя температура получается путем интегрирования мгновенных значений температуры в течение некоторого времени и деления полученной величины на период времени. b) Мгновенная средняя температура в отделении равна арифметическому среднему всех мгновенных значений температуры, измеренных в отделении одновременно. c) Усредненная по времени температура в отделении является интегрированным по времени средним значением мгновенных средних температуры в отделении или арифметическим средним интегрированных по времени средних температур (оба метода дают одинаковый результат). d) Максимальная температура в отделении равна максимальной температуре любого М-пакета в течение периода испытаний (требования по характеристикам см. в МЭК 62552-2:2015). | |||||
Холодильные приборы в соответствии с настоящим стандартом классифицируют на один или более климатические классы. Диапазон окружающей температуры, для использования в котором предназначены эти приборы и для которого должны быть выполнены условия по температурам хранения (см. таблицу 2 МЭК 62552-2), должен соответствовать указанному в таблице 1.
|
Описание |
Класс |
Диапазон окружающей температуры, °С |
|
Умеренно холодный |
SN |
От 10 до 32 |
|
Умеренный |
N |
От 16 до 32 |
|
Субтропический |
ST |
От 16 до 38 |
|
Тропический |
Т |
От 16 до 43 |
Рекомендуется использовать следующую информацию, которая должна быть маркирована устойчивым и отчетливым способом на приборе:
a) тип холодильного прибора (например, "холодильник", с обозначением, которому должно предшествовать указание "безынеевый", если это применимо);
b) серийный номер и/или дата изготовления, которая может быть кодирована;
c) полный объем (альтернативно могут быть перечислены объемы каждого отделения);
d) информация, относящаяся к источнику энергии;
e) для приборов четыре звезды или приборов с отделениями четыре звезды номинальная замораживающая способность, в кг/12 ч;
f) буквы, обозначающие климатический класс или классы (SN, N, ST, Т);
Информация, в соответствии с перечислениями а)-f), должна быть видима, когда холодильный прибор находится в положении нормальной эксплуатации. Другая маркировка должна быть либо хорошо видимой при нормальной эксплуатации или когда холодильный прибор отодвинут от стены или после снятия, без применения каких-либо инструментов, заслонок или облицовок и т.д. Климатические классы, которые полностью входят в другие классы, отмечать не обязательно.
Более подробная информация, относящаяся к маркировке холодильных приборов, приведена в IEC 60335-2-24 и региональных стандартах.
Если это указано, отделения четыре звезды должны быть обозначены символом, хорошо видимым с передней стороны, снаружи или внутри, показанным на рисунке 2.
Кроме того, при наличии секции две звезды в указанном морозильном отделении, на нем должен быть помещен стандартный символ две звезды (см. рисунок 3) для ясного указания этой секции.

Символ ISO 7000-0500 (2004-01), более подробные сведения см. на рисунке Е.1.
Рисунок 2 - Символ обозначения отделения четыре звезды
Когда это указано, низкотемпературные отделения или шкафы одна, две или три звезды должны быть обозначены символом, показанным на рисунке 3, хорошо видимым с передней стороны, снаружи или внутри. В случае наличия секции две звезды в отделениях три звезды или четыре звезды, символ две звезды должен быть расположен таким образом, чтобы он ясно указывал на секцию две звезды.
Символы, показанные на рисунках 2 и 3, не должны иметь более чем два цвета или более чем две контрастных текстуры поверхности. Цвет (или текстура поверхности) большой звезды должны отличаться от таких признаков других трех других типов звезд. Для целей выполнения данных требований белый и черный рассматриваются как цвет. Где-либо на поверхностях холодильников не должно быть маркировки или украшений, которые можно спутать с символами обозначения отделения четыре звезды, показанными на рисунке 2.
![]() | ![]() | ![]() |
|
1 |
2 |
3 |
Дополнительные подробности см. на рисунке Е.2.
Обозначения:
Символ отделения одна звезда ISO 7000-0497 (2004-01)
Символ отделения две звезды ISO 7000-0498 (2004-01)
Символ отделения три звезды ISO 7000-0499 (2004-01)
Рисунок 3 - Символы обозначения звездами низкотемпературных отделений (кроме четыре звезды)
Линии ограничения загрузки разрешаются только применительно к объемам морозильной камеры и местам хранения в низкотемпературных отделениях или шкафах три звезды с независимыми наружными дверями.
Линии ограничения загрузки не требуются для пространства любого шкафа или отделения, подходящего для хранения типа три звезды, если:
- никакое пространство не считается непригодным для типа хранения три или четыре звезды, или;
- ограничения загрузки определены конкретными конструкциями (корзин, контейнеров, заслонок, и т.д.), или;
- ограничения загрузки определены естественными ограничениями загрузки (см. рисунок 1b в МЭК 62552-2) и условиями загрузки, специально описанными в инструкциях.
Во всех других случаях ограничения для мест хранения, соответствующих условиям три или четыре звезды, должны быть указаны ясным и неизменным способом с помощью линии "ограничение загрузки" или линиями, показанными на рисунке 4.
Изготовитель должен избегать, насколько это возможно, предоставления пространства для хранения, выходящего за ограничения загрузок и вне любых отделений две звезды или секций.

Рисунок 4 - Маркировка ограничения загрузки
Во всех случаях, когда предоставляется техническая и коммерческая информация, все заявляемые значения характеристик (с указанием единиц измерения) должны соответствовать настоящему стандарту.
Линейные размеры должны быть измерены с точностью до миллиметра.
Габаритные размеры должны быть измерены как высота, ширина и глубина прямоугольного параллелепипеда, основание которого горизонтальное, в пределы которого холодильный прибор полностью вписывается, за исключением ручек, их выступов, если они имеются, которые должны быть описаны отдельно (см. рисунок 5). Высота не должна включать ножки, если их присоединяют во время установки.
Пространство, необходимое для использования, должно быть измерено как высота, ширина и глубина, включая ручки, и увеличено на пространство, необходимое для свободной циркуляции охлаждающего воздуха при работе холодильного прибора (см. рисунок 5).
Полное пространство, необходимое для использования, должно быть измерено как высота, ширина и глубина, включая ручки, и увеличено на пространство, необходимое для циркуляции охлаждающего воздуха при работе холодильного прибора, плюс пространство, необходимое для открывания путей доступа таким образом, чтобы создавался минимальный угол, допускающий удаление всех перемещаемых деталей, например контейнеров и полок, включая поднос для капель, которые необходимо удалять и контейнеров для воды, которые следует сливать вручную (см. рисунок 5).

Рисунок 5 - Линейные размеры (пример: вид сверху для вертикального типа)
Все холодильные приборы при поставке должны комплектоваться инструкциями по установке, использованию, обслуживанию пользователем и безопасной утилизации. Эти документы должны быть на языке страны, в которой они предназначены для продажи. В различных странах могут быть различные местные требования к данному типу информации.
Инструкции должны включать следующую информацию, если применимо:
a) Требования по условиям установки (наилучшее расположение, выравнивание, присоединение к источникам энергии, соединения, если требуется, обеспечивающие подачу воды или удаление воды, образующейся при размораживании);
b) пространство, необходимое для использования, и полное пространство, необходимое для использования, с приложением схем с указанием размеров холодильного прибора и минимальных необходимых зазоров с учетом средств доступа (открывания и закрывания);
c) для холодильных приборов предназначенных для встраивания, - размеры ниши вместе с дополнительными требованиями, относящимися к вентиляции;
d) предельные величины диапазона окружающей температуры для номинальных климатических классов и предупреждение, что если холодильник работает вне пределов климатического класса (диапазона окружающей температуры), для которого он номинально предназначен, то он может быть не способен поддерживать удовлетворительные температурные условия внутри;
e) рабочие инструкции (процедуры запуска и останова, использование различных управляющих устройств - устройств управления температурой, включения быстрого размораживания, индикаторных лампочек, циркуляции воздуха и управления размораживанием, дозаторов воды и льда и т.д.);
f) меры, необходимые для улучшения характеристик, например:
1) загрузка холодильного прибора - особенно когда имеются секции с различным рейтингом по звездам внутри одного и того же отделения и если нет линий ограничения загрузки,
2) размещение пищевых продуктов при хранении, в частности, необходимость избегать взаимного загрязнения,
3) расположение пищевых продуктов для хранения и замораживания, когда это применимо, в частности, использование рекомендаций, что замораживаемые пищевые продукты нельзя размещать в прямом контакте с пищевыми продуктами на хранении и, если это применимо, что может быть необходимо уменьшить количество замораживаемых продуктов, если прогнозируется замораживание каждый день,
4) в случае холодильных приборов с отделением охлаждения необходимо указание, что некоторые типы свежих овощей и фруктов чувствительны к воздействию холода, и что в связи с этим они не пригодны для хранения в данном типе отделений,
5) установка поддонов для льда в целях достижения оптимального замораживания льда;
g) техническое обслуживание и чистка пользователем холодильных приборов;
h) для приборов с ручным размораживанием должны быть приняты меры предосторожности в отношении размораживания и повреждения сохраняемых продуктов во время этого процесса;
i) должны быть приняты меры в случае, если холодильные приборы выключаются и прекращают работу временно или на длительный период (например, разгружаются, очищаются и просушиваются, а дверцы или крышки открываются);
j) необходимо, в случае дверей или крышек, снабженных замками и ключами, чтобы ключи хранились в местах, недоступных для детей и не рядом с холодильными приборами, с целью предотвращения случаев запирания детей внутри;
k) снятие дверей и крышек при утилизации для предотвращения защемления;
l) переработка хладагента и вторичное использование компонентов при утилизации холодильного прибора.
Приложение А
(обязательное)
А.1 Область применения
Настоящее приложение устанавливает требования к точности оборудования и характеристик испытательной лаборатории, необходимых для выполнения измерений и испытаний по определению характеристик и потребления энергии холодильными приборами в соответствии с методиками УЭК 62552-2 и МЭК 62552-3.
А.2 Измерительные приборы, точность и погрешность измерений
А.2.1 Общие положения
Лаборатории должны иметь на месте работы процедуры, позволяющие гарантировать, что все измерительные приборы работают правильно, и регулярно подвергаются калибровке в соответствии с нормальной лабораторной практикой. Округление величин нельзя выполнять другими методами, кроме указанных в соответствующих частях данного стандарта.
А.2.2 Энергопотребление
Измерения дневного энергопотребления следует производить с расширенной неопределенностью (k = 2)* или менее чем 2 % или 8 Втч, смотря что больше. Дневное энергопотребление необходимо регистрировать с точностью 1 Вт·ч или большей. Энергия должна регистрироваться по крайней мере каждую минуту или при каждом контролируемом событии. Рекомендуется дополнительно к энергии регистрировать мгновенную мощность и коэффициент мощности.
──────────────────────────────
* При нормальном распределении данный коэффициент покрытия k соответствует доверительному уровню 95 %.
Примечание - См. ISO/IEC Руководство 98-3:2008, Погрешность измерений - Часть 3. Руководство по выражению погрешности измерений (GUM:1995), для уточнения подробностей.
А.2.3 Влажность
Влажность в помещении для испытаний должна измеряться и регистрироваться в точке, являющейся репрезентативной. При определении диапазона влажности точность измерительного прибора должна быть такой, чтобы результат, выраженный в процентах относительной влажности, имел полную погрешность измерений не более 5 %. Когда установлен односторонний предел влажности, точность оборудования должна быть достаточной для определения, что разрешенный предел выполняется.
А.2.4 Длина
Измерения длины должны иметь расширенную неопределенность (k = 2) менее 1 мм или 0, 5 %, смотря что больше.
Все значения длины должны быть зарегистрированы с точностью до ближайшего значения, кратного 1 мм.
А.2.5 Масса
Измерения массы должны иметь расширенную неопределенность (k = 2) менее 5 г.
А.2.6 Температура
Данные по температуре должны регистрироваться через равные интервалы измерения не более 1 мин.
Если не установлено иное, расширенная неопределенность измерения (k = 2) должна быть не больше, чем 0, 5 K. Все измерения температуры должны быть зарегистрированы с точностью до ближайшего кратного 0, 1 K значения или лучше.
Датчики температуры должны быть вставлены либо в М-пакеты (см. приложение С), либо в центр твердого груза, изготовленного из латуни или покрытой оловом меди 25 г ± 5 % и с максимальным размером 18 мм. Ссылка на датчик температуры в данном стандарте означает металлический груз.
Грузы должны поддерживаться в чистом состоянии для поддержания низкого коэффициента излучения.
Соединения датчиков температуры должны иметь конструкцию, минимизирующую дополнительную утечку воздуха в отделения.
А.2.7 Время
Расчетные величины длительности испытаний, получаемые по разнице между моментами времени, зарегистрированного в каждом периоде испытаний, должны иметь расширенную погрешность (k = 2) не более чем 10 с или 0, 1 %, смотря что больше. Время, зарегистрированное для каждой измерительной точки, должно иметь разрешение 1 с или меньше. Не является требованием данного стандарта идентификация событий, происходящих в течение (внутри) каждого измерительного интервала. Однако использование регистратора событий для определения времени событий в пределах измерительного интервала может улучшить качество данных, особенно если прибор имеет относительно короткие контролируемые циклы.
А.2.8 Напряжение и частота
Измеренные величины напряжения и частоты должны иметь расширенную погрешность (k = 2) меньше чем 0, 5 %. Данные по энергии должны быть зарегистрированы через равные интервалы измерений не более 1 мин.
А.3 Общие условия испытаний
А.3.1 Общие положения
Ряд параметров должен поддерживаться постоянным, а также насколько возможно близким к целевым значениям в процессе испытаний, например окружающая температура или напряжение питания согласно требованиям в А.3.2.2 и А.3.3. Проверка этих параметров включает следующее (см. рисунок А.1):
- средняя величина в течение представляющего интерес периода времени должна быть определена и должна находиться в пределах первого указанного допуска на целевое значение: Цель-Доп1 < Среднее < Цель + Доп1;
- стандартное отклонение в течение представляющего интерес периода времени должно быть определено и должно быть меньше, чем второй указанный допуск: 2 σ < Тоl2.

σ - Стандартное отклонение.
Tol1 - Допуск от целевого значения.
Tol2 - Флуктуации параметров ограничены требованием, что 2-кратное стандартное отклонение меньше, чем данный допуск (Tol2), это означает, что 95 % точек данных измерений должны находиться в пределах этого допуска (предполагая нормальное распределение представляющего интерес параметра). Это не зависит от частоты выборки.
Рисунок А.1 - Проверка параметров, которые должны поддерживаться постоянными
А.3.2 Окружающая температура
А.3.2.1 Датчики
Значения окружающей температуры измеряют с использованием медных или латунных грузов (см. А.2.6 и А.4.5).
А.3.2.2 Стабильность температуры
В течение любого периода для достижения стабилизации прибора и во время последующего периода испытаний следующее должно быть верно для каждого из зарегистрировавших окружающую температуру датчиков Та1 и Тa2:
a) Усредненная по времени величина должна быть в пределах ± 0, 5 K относительно указанной в А.3.2.3 окружающей температуры испытаний (в соответствии с применением).
b) Двукратная величина стандартного отклонения должна быть меньше 0, 5 K.
Вертикальный градиент окружающей температуры согласно А.4.5 не должен превышать 1 K/м.
А.3.2.3 Значения температуры
Испытания должны проводиться при следующих значениях температуры окружающей среды.
a) Для оценки значений температуры хранения приняты следующие условия:
10 °С и 32 °С для холодильных приборов класса SN;
16 °С и 32 °С для холодильных приборов класса N;
16 °С и 38 °С для холодильных приборов класса ST;
16 °С и 43 °С для холодильных приборов класса Т.
В случае приборов с номинальными параметрами нескольких климатических классов, испытания проводят только при предельных окружающих температурах для всех соответствующих номинальных классов. Подробности испытаний определены в разделе 6 МЭК 62552-2:2015.
Пример - В случае холодильных приборов с номинальными параметрами от SN до Т, испытания проводят при 10 °С и при 43 °С.
b) Для определения потребления энергии согласно разделу 6 МЭК 62552-3:2015: 16 °С и 32 °С для всех холодильных приборов;
c) Для оценки времени повышения температуры, производительности замораживания, производительности охлаждения и производительности автоматического изготовления льда всех холодильных приборов как применимо и указано в разделах 7-9 и приложении С МЭК 62552-2:2015:
25 °С для всех классов холодильных приборов;
d) При оценке характеристик снижения температуры испытания проводят как указано в приложении А МЭК 62552-2:2015:
43 °С для всех охлаждающих приборов;
e) Испытания оценки конденсации паров воды, установленные в приложении D МЭК 62552-2:2015:
25° для холодильных приборов класса SN и N и 32 °С для холодильных приборов класса ST и Т.
А.3.3 Электропитание
Кроме случаев, когда местные правила предусматривают иное, напряжение и частота испытаний должны быть:
Если номинальное напряжение и частота (или диапазон напряжения и частоты) включают одно из указанных ниже значений, прибор должен быть испытан при указанных ниже напряжении и частоте:
- 230 В, 50 Гц;
- 115 В, 60 Гц;
- 100 В, 50 Гц;
- 100 В, 60 Гц.
b) Если более чем одна из указанных выше комбинаций напряжение/частота находятся внутри номинального диапазона, прибор должен быть испытан при наиболее высоком напряжении (и наиболее высокой соответствующей частоте) из перечисленных выше, которые находятся внутри диапазона.
c) Если номинальное напряжение и частота (или диапазон напряжения и частоты) не включают ни одного из значений выше, холодильный прибор должен быть испытан при номинальном напряжении или при среднем значении диапазона номинальных напряжений и наиболее высокой номинальной частоте.
Для целей контрольных испытаний суммарный коэффициент гармоник напряжения питания должно быть не более 3 % и его значение должно быть включено в отчет по испытаниям. В отчете по испытаниям должно быть также описание источника питания.
В процессе каждого испытания следующее должно выполняться для зарегистрированного напряжения, полученного в течение каждого периода измерений в точке соединения:
a) Усредненная по времени величина должна быть напряжением испытаний ± 1 %.
b) Двукратное стандартное отклонение должно быть меньше чем 1 % от усредненной по времени величины.
В течение каждого испытания указанное ниже должно выполняться для зарегистрированных мгновенных частот питания в точке соединения:
c) Усредненное по времени значение должно быть частотой испытаний ± 1 %.
d) Двукратная величина стандартного отклонения должна быть меньше 1 % от усредненной по времени величины.
А.3.4 Источники питания, отличные от электрического
Холодильные приборы, отличные от работающих на электроэнергии, должны быть испытаны при условиях поставки в соответствии с указанной на приборе информацией.
А.3.5 Приборы, работающие от нескольких источников энергии
Холодильные приборы, предназначенные для работы от других источников энергии, кроме сети электропитания или дополнительно к ней должны быть испытаны при каждом из возможных условий питания, указанных на приборе.
А.3.6 Влажность
Если не указано иное в конкретных характеристиках или для энергетических испытаний, относительная влажность не должна превышать 75 %. В случае испытаний при окружающей температуре 10 °C эта предельная величина относительной влажности не применяется. При энергетических испытаниях при окружающей температуре 16 °С, результат испытаний является неправильным, если измеренная величина относительной влажности в окружающей среде превышает во время испытаний 75 % и заметна конденсация в виде капель или стекающей воды (при интерпретации в соответствии с приложением D МЭК 62552-2:2015).
А.4 Конфигурация испытательного помещения
А.4.1 Общие положения
Прибор должен быть установлен в испытательном помещении описанным ниже образом.
А.4.2 Платформа
Каждый холодильный прибор должен быть установлен на деревянной или изготовленной из лесоматериала (например, из фанеры или специального деревянного покрытия) платформе с цельным верхом черного цвета и открытой снизу для циркуляции воздуха под платформой. Подвешенный пол, соответствующий другим требованиям к платформе, рассматривается как платформа. В качестве альтернативы покрытию черной краской деревянную платформу или пол можно покрыть другой темной краской, без бликов, а также другой гладкой водонепроницаемой поверхностью (например, линолеумом).
Низ платформы должен располагаться не менее чем на 0, 05 м выше пола испытательного помещения и должен выступать не менее чем на 0, 3 м со всех сторон испытываемого холодильного прибора, кроме тыльной части, где платформа должна доходить до задней стены или перегородки.
Поднятая платформа не требуется, если пол испытательного помещения изготовлен из дерева или лесоматериала, при наличии изоляции под полом и обеспечения отличия температуры поверхности пола в пределах 1, 5 K от наименьшего показания датчика градиента температуры. Температура поверхности пола должна быть зарегистрирована в репрезентативной для испытаний позиции для проверки выполнения этого требования.
А.4.3 Тыльная стена или перегородка
Поверхность позади прибора должна быть жесткой, вертикальной и изготовленной из дерева или лесоматериала, и окрашенной в черный цвет без бликов. Эта поверхность должна быть монолитной, шире не менее чем на 0, 3 м с каждой стороны, и выше прибора. Поверхность может быть закреплена на стене испытательного помещения с зазором ≥ 0, 03 м или иметь форму постоянной перегородки внутри испытательного помещения.
А.4.4 Боковая часть
Если подвергающийся испытаниям блок имеет конденсатор с принудительной вентиляцией, должно быть использовано экранирование (когда применимо) для уверенности, что горячие потоки от конденсатора не будут оказывать прямое влияние на любые соседние испытываемые изделия. Боковая перегородка не требуется в случае испытаний блоков с передним выходом воздуха.
Если прибор имеет тип конденсатора с горячей стенкой с задней и/или боковой стороны, должна быть использована монолитная деревянная или фанерная перегородка, окрашенная в матовый черный цвет, параллельная каждой стороне прибора и установленная на платформе на расстоянии не менее 0, 3 м от каждой стороны прибора. Перегородка должна выступать, по крайней мере, на 0, 3 м выше прибора и не менее чем на 0, 3 м ниже. Если необходимо (например, в случае конденсаторов на боковой стене), боковые перегородки должны выступать таким образом, чтобы они были достаточно глубокими, чтобы экранировать любой соседний испытываемый прибор от прямой радиации от конденсатора.
Некоторые изделия одновременно могут иметь конденсаторы как настенного типа, так и вентиляторные, так что в этом случае следует применять оба указанные выше правила. Изделия с вентиляторными конденсаторами могут иметь боковые перегородки, установленные для испытаний, если испытательная лаборатория выберет это.
А.4.5 Расположение датчиков
Датчики окружающей температуры должны быть расположены в двух позициях, ТМРа1 и ТМРа2 на каждой стороне испытываемого прибора. Высота датчиков температуры над платформой должна быть равна (0, 9 ± 0, 1) м или высоте испытываемого прибора ± 0, 1 м, смотря что ниже. Глубина расположения датчиков температуры от тыльной перегородки должна быть 0, 3 м ± 0, 1 м. Боковой зазор датчиков температуры относительно холодильного прибора должен быть 0, 3 м ± 0, 1 м. В том случае, если боковая перегородка выдвинута вперед от позиции датчика окружающей температуры или, если внешняя стенка формирует боковую перегородку, соответствующий датчик окружающей температуры должен быть расположен на стороне перегородки, обращенной к прибору и, если необходимо, экранирован от любого излучения прибора. Зазор датчика окружающей температуры относительно любой перегородки или крепления должен быть не менее 25 мм.
Для оценки градиента температуры в испытательном помещении должны быть расположены два дополнительных датчика на высоте 0, 05 м выше платформы и на высоте 2 м выше платформы (не показано на рисунке А.2) в положении, которое является репрезентативным для условий окружающей среды в испытательном помещении.
Датчики окружающей температуры должны быть экранированы от воздействия любых источников или утечек излучаемого тепла, которые отличаются от измеренной температуры воздуха в испытательном помещении более чем на 5 K, включая оборудование для кондиционирования, внешние окна или испытываемые приборы.
А.4.6 Общая конфигурация испытательного помещения
Холодильные приборы должны быть удалены или экранированы от любых источников или утечек теплового излучения, которые отличаются от измеренной температуры воздуха в испытательном помещении более чем на 5 K. Источники или утечки теплового излучения могут включать оборудование для кондиционирования, окна наружу или другие испытываемые приборы.
Циркуляция воздуха в испытательном помещении должна быть такой, чтобы установленные значения окружающей температуры поддерживались в пределах указанных допусков. Холодильные приборы, подвергающиеся испытаниям, должны быть экранированы от любых потоков воздуха со скоростью больше 0, 25 м/с. Во время работ в испытательном помещении после установки прибора, но без необходимости запуска, проверка данных измерений скорости воздуха в центре всех доступных стенок прибора (включая верх) на расстоянии 0, 3 м должны удовлетворять этому требованию.
Циркуляция воздуха в испытательном помещении не должна влиять на нормальную циркуляцию воздуха, создаваемую холодильным прибором.
Конфигурация испытательного помещения для одного прибора показана на рисунке А.2.

Рисунок А.2 - Перегородки для ограничения циркуляции воздуха и позиции датчиков для измерения окружающей температуры
Приложение В
(обязательное)
В.1 Область применения
Настоящее приложение устанавливает требования к подготовке прибора для испытаний и условиям испытаний, выполняемых при определении его характеристик, а также энергопотребления в соответствии с IEC 62552-2 и IEC 62552-3, смотря, что применяется.
В.2 Подготовка и установка прибора
В.2.1 Общие положения
Должны быть выполнены следующие требования по подготовке прибора для измерений или испытаний, кроме случаев, когда они специально изменены в МЭК 62552-2 или МЭК 62552-3.
В.2.2 Обкатка новых приборов
Для проверочных испытаний, перед началом первых измерений среднего энергопотребления, прибор должен проработать в течение по крайней мере 12 часов работы компрессора. Приборы, без компрессора, должны проработать не менее 12 ч перед измерениями энергопотребления. "Обкатка" может выполняться при любой подходящей температуре в помещении или это может быть частью какого-либо раздела стабилизации температуры при измерениях среднего энергопотребления.
В.2.3 Установка прибора в испытательном помещении
В.2.3.1 Общие положения
Прибор должен быть установлен в испытательном помещении с измерительными инструментами, указанными в приложении А.
В.2.3.2 Тыльный зазор
Для определения тыльного зазора определяются следующие размеры согласно иллюстрации на рисунке В.1:
размер А: расстояние от крайнего заднего выступа прибора (включая какую-либо установленную распорку) до стены испытательного помещения (или фальшстены позади прибора);
размер В: расстояние от задней плоскости прибора до стены испытательного помещения (или фальшстены позади прибора). Измерение должно быть выполнено в наиболее низкой точке тыльной плоскости независимо от того, является или нет тыльная плоскость вертикальной.
Тыльная плоскость прибора является наибольшей плоской поверхностью на задней части кожуха шкафа, исключая любые локальные части (такие как блочные конденсаторы или выступы, связанные со скобами или компрессором).
Прибор должен быть собран и расположен в испытательном помещении в соответствии со следующими правилами:
прибор должен быть собран в соответствии с инструкциями (включая распорки, которые должны быть установлены, собраны или активированы во время монтажа);
в горизонтальной проекции, тыльная часть прибора должна быть расположена параллельно стене испытательного помещения или фальшстене позади нее;
если тыльный зазор не указан, прибор должен быть расположен при положении наибольшего выступа сзади на испытательной стене (размер А = 0 мм);
если величина зазора указана, прибор должен быть установлен в испытательном помещении в соответствии с инструкциями относительно тыльного зазора за исключением случая, когда расстояние от тыльной плоскости прибора до испытательной стенки (Размер В) указан как > 51 мм. В этом случае расстояние должно быть отрегулировано таким образом, чтобы либо размер А = 0 мм либо размер В = 51 мм.
Если распорки, которые должны быть подогнаны, собраны или приведены в действие во время установки, приводят к тому, что расстояние от тыльной плоскости прибора до испытательной стенки (Размер В) становятся равными или больше 80 мм, то распорки использоваться не должны. Если установка тыльных распорок приводит к противоречию с соответствующими размерами в описаниях изготовителя, должна быть использована наименьшая указанная величина зазора. Когда распорки установлены, их следует рассматривать в соответствии с правилами выше.
Если не указаны зазоры для приборов, которые требуют пространство сзади для работы крышки и т.п. (например, в случае морозильного ларя), наиболее удаленная назад позиция крышки при открывании до вертикального положения должна рассматриваться как наиболее выдающаяся сзади проекция прибора.
В случае переносных холодильных приборов и свободно устанавливаемых приборов абсорбционного типа (в которых охлаждение выполняется с использованием абсорбционного процесса, используя тепло как источник энергии), технические условия изготовителя относительно тыльного зазора должны выполняться. Если распорки не предусмотрены, расстояние между наибольшим выступом сзади и стенкой должно быть 20 мм или менее.

Рисунок В.1 - Примеры приборов без распорок, для которых указан зазор с тыльной стороны
В.2.3.3 Встроенные приборы
Приборы, предназначенные для встраивания, следует встраивать в соответствии с предоставленными инструкциями и установленными далее требованиями.
Тыльные зазоры должны быть такими, как указано в В.2.3.2.
Холодильные приборы, предназначенные только для встраивания или размещения под столом или под рабочей поверхностью (подстольный тип), или между шкафами, должны быть встроены или помещены в испытательную камеру, покрашенную черной краской без бликов. Камера должна быть изготовлена из дерева или лесоматериалов (например, фанеры или специального деревянного покрытия) толщиной от 15 мм до 25 мм. Если изготовитель предписывает использование навесной двери, это должно быть выполнено.
Внутренние размеры испытательного кожуха должны соответствовать инструкциям.
Если указан диапазон размеров, должна быть использована наименьшая величина. Если эти данные не указаны, следует использовать следующие внутренние значения испытательного кожуха:
- внутренняя глубина должна превышать на 20-22 мм полную глубину охлаждающего прибора;
- внутренняя ширина должна превышать на 4-6 мм полную ширину охлаждающего прибора;
- внутренняя высота должна превышать на 2-4 мм полную высоту охлаждающего прибора.
Если необходимо, предоставленный кожух для испытаний должен иметь вентиляционные отверстия в соответствии с инструкциями.
Холодильный прибор должен быть встроен или помещен в испытательный кожух в соответствии с инструкциями.
Если холодильный прибор представлен с распорками, лентами или другими специальными приспособлениями из твердого или мягкого материала для закрытия зазоров между контурами охлаждающего прибора и шкафом или кожухом, эти средства следует использовать по назначению. Если такие средства не предоставлены, зазоры между испытательной камерой и охлаждающим устройством должны быть оставлены открытыми.
Для предотвращения протока воздуха соединения между боковыми и задними сторонами испытательного кожуха должны быть плотными и герметичными, если это необходимо.
В.2.4 Комбинированные приборы
Приборы, скомбинированные с приборами, за исключением холодильных приборов должны быть подвергнуты испытаниям и измерениям в процессе создания такой комбинации, но при условии, что эти другие приборы работают при наиболее низком возможном установленном потребителем потреблении энергии, включая "низкое потребление" или выключение.
В.2.5 Монтаж
В.2.5.1 Общие положения
Прибор должен быть смонтирован в соответствии с инструкциями, кроме тех случаев, когда это противоречит требованиям данного стандарта. Все упаковочные материалы (например, прокладочные листы, первичная упаковка, поддоны и т.д.) должны быть удалены.
Кроме следующего, все внутренние приспособления, включая выдвижные ящики, коробки и контейнеры, поставляемые вместе с прибором, должны быть установлены в соответствующие положения. Все указанные отклонения от методик испытаний МЭК 62552-2 или МЭК 62552-3 могут заменять В.2.5.1, перечисления а), b), с) или d).
a) Для замораживающих отделений все поддоны для льда, не имеющие специальных отделений для размещения этих поддонов, должны быть удалены. Все другие поддоны для льда должны быть установлены на место.
b) Если полка имеет комфортный компонент, который прикрепляется к ней, полка и комфортный компонент должны быть расположены в положении, которое вероятно будет слабо влиять на положение датчика температуры и результаты.
c) Любые поддоны, ящики или контейнеры, которые не имеют предназначенного для них положения (положений), должны быть удалены.
d) Относительно требований к полкам, связанных с расположениями датчиков температуры, см. приложение D.
В.2.5.2 Отделения с переменной температурой
Если отделение относится к типу отделений с переменной температурой (который включает операционный диапазон нескольких типов отделений), оно должно быть классифицировано и приводиться в действие как тип отделения, который имеет наиболее высокое энергопотребление при энергетических испытаниях. Требования по определению корректного типа отделения указаны в таблице 1 МЭК 62552-3. Если холодильный прибор имеет отделения с переменной температурой, которые могут работать как более чем один тип отделения, могут быть испытаны дополнительные функции отделений, если это требуется, дополнительно к первичной функции.
В.2.5.3 Настраиваемые потребителем характеристики
Настраиваемые пользователем характеристики должны рассматриваться следующим образом:
a) Если предусмотрено, что пользователь прибора может изменять соотношение объема одного типа пространства относительно другого, то, если другого не указано, баланс должен быть установлен так, чтобы объем более холодного пространства был максимальным.
b) Если прибор оборудован управляемыми пользователем селекторами или переключателями функций, которые изменяют рабочие температуры на период ограниченной длительности, например, устройствами быстрой заморозки, каждые из них должны быть настроены, если не указано иное, таким образом, чтобы эти функции находились в нерабочем состоянии.
c) Если управляемые пользователем переключатели предоставлены для таких объектов как дисплеи, кондиционеры для масла, сетевые соединения или вспомогательные функции (например, экраны), которые предназначены для работы на постоянной основе, каждый должен быть настроен в соответствии с инструкциями. Принадлежности, не являющиеся необходимыми для нормальной работы холодильного прибора и не предназначенные для работы на постоянной основе, должны оставаться в нерабочем состоянии в процессе испытаний.
d) Если управляемые пользователем органы управления предназначены для антиконденсатных нагревателей, они должны быть установлены как указано для специальных испытаний в МЭК 62552-2 или МЭК 62552-3.
e) Если управляемые пользователем экраны или органы управления предназначены для регулировки температур комфортных компонентов, и эти объекты не классифицируются как отсеки, каждый из них должен быть установлен таким образом, чтобы энергопотребление было максимальным, кроме случая, когда указано иное при испытаниях параметров рабочих температур.
f) Если имеются настраиваемые пользователем направленные каналы для воздуха, вентиляция или выходные отверстия, они должны быть настроены согласно инструкциям при условии, что они не направлены в пределах 30° от центральной линии позиции какого-либо датчика температуры. Если специальные инструкции не предоставлены, эти каналы должны быть полностью открытыми и установлены в середине или центральной позиции или насколько возможно близко к ней, при условии, что они направлены по крайней мере на 30° в сторону от любой позиции датчиков температуры. Если не существует средняя или центральная позиция, поток должен быть отрегулирован в наиболее близком к вертикальному направлении и, если это невозможно, в сторону двери. Если каналы имеют опции расширения или сужения потока воздуха, они должны быть настроены на наибольшее расширение. Если в инструкции представлены варианты, должен быть выбран вариант наиболее близкий к изложенному выше.
g) Если в инструкциях не установлено иное, все вручную управляемые вентиляторы для циркуляции воздуха должны быть включены при измерениях мощности.
h) Если холодильный прибор не оборудован настраиваемым пользователем устройством управления температурой, холодильный прибор должен быть испытан при условиях поставки.
i) Если уставки имеющихся органов управления прибора не описаны полностью выше, уставки органов управления прибором должны быть выбраны таким образом, чтобы можно было продемонстрировать совпадающее по времени соответствие требованиям испытаний во всех отделениях при каждом испытании.
В.2.6 Автоматические устройства для приготовления льда
При всех испытаниях контейнер для хранения должен оставаться на месте.
При всех испытаниях, при наличии или отсутствии льда в контейнере для хранения, механизм доставки льда должен оставаться действующим, т.е. все желоба и каналы, необходимые для доставки льда, должны быть свободны от упаковки, крышек или других препятствий, которые используются при транспортировке, или, когда автоматическое устройство для приготовления льда не работает.
В.2.7 Условия перед испытаниями
Если в МЭК 62552-2 или МЭК 62552-3 не установлено иное, до начала испытаний отделения должны быть пустыми, свободными от инея на поверхности и влаги. Средства доступа (двери, ящики, крышки и т.п.) должны быть закрыты, как указано в МЭК 62552-2 и МЭК 62552-3.
Приложение С
(обязательное)
С.1 Размеры и допуски
Используемые при испытаниях испытательные пакеты должны иметь форму прямоугольных параллелепипедов. Их размер перед замораживанием должен быть (50 ± 2, 0) х (100 ± 3, 0) х (100 ± 3, 0) мм. Масса, включая упаковку, должна быть (500 ± 10) г.
Для удобства работы испытательные пакеты могут быть связаны одним слоем ленты для образования пакетов с размерами основания 100 х 100 мм. Если необходимы пакеты с высотой более 200 мм, они могут быть изготовлены путем связывания пакетов 1 кг (200 х 100 х 50 мм) таким образом, чтобы они имели основание 100 х 100 мм.
Испытательные пакеты необходимо регулярно проверять и на обертке не должны быть заметны видимые отверстия или трещины. Если пакет превышает указанные выше допуски, он должен быть заменен новым пакетом.
С.2 Состав
Пакеты должны иметь следующий состав:
а) Подходящий наполняющий материал, содержащий на 1000 г следующее:
- 230 г оксиэтилметилцеллюлозы;
- 764, 2 г воды;
- 5 г хлорида натрия;
- 0, 8 г 6-хлор-м-крезола.
Точка замерзания такого материала минус 1 °С (его тепловые характеристики соответствуют характеристикам постного мяса).
а) Могут быть использованы следующие альтернативные составы испытательных пакетов с точкой замерзания около минус 5 °С:
- 232 г оксиэтилметилцеллюлозы;
- 725 г воды;
- 43 г хлорида натрия;
- 0, 6 г 6-хлор-м-крезол.
Оболочка, состоящая из листового пластика или другого подходящего материала, имеющего такие свойства, что обмен влагой с окружающей средой пренебрежимо мал. После заполнения листовая оболочка должна быть герметически закрыта. Рекомендуется использовать слоеные листы, состоящие из слоя полиэтилена высокого давления, легко герметизируемого, толщиной 120 мкм, совместно с внешним листом полиэтилентерефталата толщиной приблизительно 12, 5 мкм, и оба слоя должны быть склеены.
Если требуются испытательные пакеты, в общем, могут быть использованы оба типа пакетов а) или b), кроме следующих случаев:
1) Для отделений охлаждения должны использоваться только испытательные пакеты b).
2) Для легкой нагрузки во время испытаний производительности замораживания должны использоваться только пакеты а).
3) В случае отделений одна звезда должны использоваться только испытательные пакеты а).
С.3 М-пакеты
Некоторые из пакетов 500 г (50 x 100 x 100 мм) должны быть подготовлены для температурных измерений и называются М-пакетами. Эти пакеты должны иметь термопары или другие датчики для измерения температуры, которые должны быть вставлены в геометрическом центре пакетов в прямом контакте с заполняющим материалом. Должны быть приняты все меры предосторожности по минимизации внешних потоков тепла. Состав и ограничения их применения должны соответствовать разделам С.1 и С.2.
Приложение D
(обязательное)
D.1 Область применения
В настоящем приложении описано необходимое расположение датчиков для измерения температуры воздуха во всех отделениях. Здесь также описан метод расчета средней температуры воздуха в определенной точке и внутри отделения при различных методиках испытаний. Целью данного стандарта является определение позиций, которые являются репрезентативным в отношении температуры в отделении, в котором вероятно будут храниться пищевые продукты,
D.2 Расположение датчиков
D.2.1 Общие положения
Положения, указанные для датчиков температуры, находятся в геометрическом центре датчика (металлического груза) за исключением случая, когда установлены минимальные зазоры (в каждом случае зазор определяется по отношению к внешней поверхности металлического груза).
Все позиции датчиков температуры определены в масштабе эффективной высоты и ширины отделения в следующих параграфах в зависимости от применения.
Эффективная высота отделения установлена в D.2.4.2. Если верх (или низ) имеет наклон, эффективная высота устанавливается равной средней высоте.
Такие объекты как органы управления и вентиляционные коробки не должны учитываться, как и другие детали или выступы, имеющие объем менее чем 2 л.
D.2.2 Незамораживающие отделения
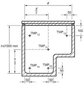
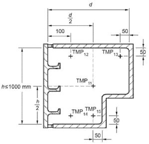
За исключением указанного в D.2.4, три датчика температуры воздуха в незамораживающих отделениях (например, отделения для свежих пищевых продуктов, отделения для охлаждения и отделения "погреб") должны быть расположены следующим образом:
- 50 мм от эффективного дна отделения;
- на высоте 1/2 h от эффективной высоты отделения, измеренной от эффективного дна;
- на высоте 3/4 h от эффективной высоты отделения, измеренной от эффективного дна.
Три эти позиции проиллюстрированы на рисунке D.1, рисунке D.2, и рисунке D.3, а также на рисунке D.8, а), со ссылкой на D.2.4 при их применении.
Каждый датчик располагается посередине между передней и задней стороной отделения на установленной для этого датчика высоте, если только не указано иное.
Каждый датчик непосредственно под блоком испарителя любой формы внутри незамораживающего отделения, где испаритель спроектирован для обеспечения отдельного пространства для хранения (отсека), должен быть расположен под центром тяжести испарителя.
D.2.3 Низкотемпературное отделение
Кроме указанных в D.2.4, пять или семь датчиков температуры в низкотемпературном отделении должны быть расположены как указано ниже:
- два на расстоянии 50 мм от эффективной верхней части отделения (передней и тыльной);
- на высоте 1/2 h (эффективной высоты отделения) при измерении от эффективного дна;
- два на 50 мм от эффективного дна отделения (переднего и тыльного);
- там, где эффективная высота низкотемпературного отделения превышает 1000 мм, должны быть расположены два дополнительных датчика на 1/4 h и 3/4 h (эффективной высоты отделения) при измерении от эффективного дна.
Эти позиции показаны на рисунках D.3, D.4, D.5, D.6, D.7 и D.8 и со ссылкой на D.2.4, если это применимо.
D.2.4 Эквивалентные позиции и другие требования для всех типов отделений
D.2.4.1 Общие положения
Эквивалентные положения датчика для специальных конфигураций (или характеристик) и другие требования для всех типов отделений приведены ниже.
Если невозможно поместить датчики в позициях, показанных на рисунках D.1-D.8, первым вариантом является использование зеркального отражения позиций, насколько это применимо согласно иллюстрации, на рисунке D.9.
Если не представляется возможным поместить датчики температуры в какую-либо из этих позиций, их следует располагать насколько практически возможно близко к указанным местам, что позволит обеспечить эквивалентный результат, учитывая вышеуказанные цели. Позиции таких мест расположения должны быть зарегистрированы в отчете по испытаниям,
D.2.4.2 Расчет эффективной высоты
Эффективная высота h отделения h1 должна быть отрегулирована таким образом, чтобы она учитывала любые значения ширины любых полностью вложенных деталей, или полной ширины объектов для комфортных компонентов, или отсеков (незамораживающих) согласно рисунку D.2. Формула для эффективной высоты приведена ниже
h=h1-a-b,
где h - эффективная высота;
h1 - полная высота отделения (не учитывая частную ширину встроенных отделений/деталей);
а - расстояние до эффективной вершины: =
;
b - расстояние до эффективного дна: =
;
h2a - высота встроенного отсека/детали над верхом;
h2b - высота встроенного отсека/детали над низом;
w - полная ширина отделения;
w1a - ширина встроенного отсека/детали на верхней части;
w1b - ширина встроенного отсека/детали на нижней части.
Вышеуказанную эффективную регулировку высоты применяют только к отсекам/элементам, которые находятся сверху или внизу отделения, когда они находятся на предназначенном для них месте.
Перегородки или полки игнорируют при расчете эффективной высоты.
При определении внутренних размеров для целей размещения датчика температуры, если присутствует выступающая плита испарителя и испаритель больше чем 20 % от высоты, ширины или глубины, смотря что применяется, предполагается, что испаритель закрывает всю стену отделения.
Примечание - Плоский испаритель является испарителем, прилегающим к стенке или крышке отделения, где испаритель не сконфигурирован в виде отдельной полки, места для хранения или отсека.
Там, где боковой зазор меньше 40 мм, закрепленный отсек/элемент должен рассматриваться как расширение до облицовки или соседнего объекта.
Если закрепленный отсек/элемент имеет ширину больше 80 % от ширины отделения, отсек/элемент должны рассматриваться как имеющий полную ширину.
D.2.4.3 Глубина отделения
Датчики температуры должны быть расположены в средней точке между передней и задней сторонами отделения. Для всех отделений передняя часть отделения является облицовкой двери. Если поверхности являются иными, чем плоскими/прямыми, для определения эффективной передней и задней позиций должно быть использовано эквивалентное среднее формы/позиции поверхности на и вокруг точки измерения.
Примечание - См. D.2.2 относительно рассмотрения коробчатых испарителей. См. D.2.4.4 относительно отделений с переменной глубиной.
D.2.4.4 Отделения с переменной шириной и глубиной
Если полная ширина или глубина отделения (включая комфортные компоненты, указанные в D.2.4.9) варьируется по высоте, ширине и глубине для каждого датчика температуры высота должна быть использована для определения требуемой позиции датчика.
D.2.4.5 Небольшие отделения/небольшие отсеки
В случае отделений, или отсеков, или комфортных компонентов, где высота отделения или отсека не больше 150 мм и объем не больше 25 л и где требуются измерения температуры, должны использоваться два датчика температуры. Каждый из них должен быть расположен на расстоянии 50 мм от основания встроенного отделения, один спереди слева и другой справа на тыльной стороне при d/4 и w/A (см. рисунок D.3 а).
D.2.4.6 Отделения низкой высоты
В случае незамораживающих отделений, отсеков или комфортных компонентов, где эффективная высота равна 300 мм или меньше и это меньше чем 0, 7 от либо ширины, либо глубины, датчики температуры должны быть расположены в позициях, показанных на рисунке D.3 b).
В тех случаях, когда ширина или глубина больше чем 700 мм, показанные на рисунке D.3 b) позиции также должны быть использованы, если отношение эффективной высоты к либо глубине, либо к ширине меньше 0, 6.
В случае низкотемпературных отделений, где эффективная высота равна 200 мм или меньше и объем 40 л или меньше, датчики температуры должны быть расположены в положениях, показанных на рисунке D.3 b).
D.2.4.7 Расстояние от внутреннего оборудования (кроме полок)
Кроме случаев, когда установлено иное, зазор между датчиками температуры и другим внутренним оборудованием, стенами или деталями должен быть не менее 25 мм. Зазор в данном контексте означает расстояние от внутреннего оборудования, стены или детали до ближайшей внешней поверхности датчика температуры (металлического груза).
В тех случаях, когда датчик температуры может иметь зазор меньше 25 мм по отношению к закрепленным отсекам/элементам, которые не имеют полной ширины, датчик должен быть перемещен таким образом, чтобы поддерживалась указанная высота при сохраняемом зазоре 25 мм от поверхности отсека/элемента. Если датчик температуры должен быть помещен рядом с деталями комфортного компонента, которые имеют зазор с каждой стороны, датчик должен быть помещен в зазоре большего размера. Если размеры зазоров равны, датчик должен быть помещен в левый зазор для позиций датчика, который находится выше центра эффективной высоты и в правый зазор для позиций датчика, который находится на центре или ниже центра эффективной высоты. См. также рисунок D.1 и рисунок D.2.
Датчик А должен устанавливаться только рядом с закрепленным отсеком/элементом, где боковой зазор до облицовки или прилегающего объекта 100 мм или больше.
D.2.4.8 Полка и размещение датчиков температуры
Если положение полки регулируется, она должна быть расположена немного ниже указанных позиций датчиков, поддерживая при этом минимальный зазор 25 мм. Если возможность регулировки полок ограничена, и датчик температуры может иметь зазор менее 25 мм от расположенной ниже поверхности полки, датчик температуры необходимо переместить в положение выше полки с зазором 25 мм.
Если это возможно, одна полка в наибольшем незамораживающем отделении (если применимо) должна быть расположена ниже позиции датчика температуры ТМР1 и выше ТМР2 и одна полка должна быть расположена ниже позиции датчика температуры ТМР2 и выше ТМР3. Насколько это возможно, все оставшиеся полки должны быть равномерно распределены в пространстве отделения. Дверные полки, ящики, корзины, передвижные корзины или объекты с определенной, но переменной позицией должны сохраняться на месте, но располагаться таким образом, чтобы минимизировать влияние на датчики температуры.
Объекты, не предназначенные для установки при нормальной эксплуатации согласно инструкции, удаляются при всех испытаниях.
Если датчик температуры может быть расположен с зазором менее 50 мм от расположенной выше или ниже поверхности охлаждаемой полки, этот датчик температуры должен быть перемещен в положение с зазором 50 мм выше соответствующей охлаждающей полки.
D.2.4.9 Размещение комфортных компонентов и датчиков температуры
Если комфортные компоненты влияют на положение датчиков температуры, применяются такие же правила как относящиеся к ширине отделений в D.2.4.7 и к полкам D.2.4.8. Если датчик в отделении лежит на комфортном компоненте, он должен быть перемещен в ближайшее положение вне этой детали.
D.2.4.10 Датчики в низкотемпературных отделениях и дверные полки
Если глубокая полка на двери влияет на или закрывает позиции датчика ТМР12 или ТМР14 (см. рисунки D.5 и D.6) или воздушный промежуток меньше 10 мм, то центральная линия датчика должна быть перемещена на расстояние до 150 мм в отделение (дополнительные 50 мм). Если это не позволяет выполнить требования, датчик должен быть размещен внутри полки насколько возможно близко к первоначальной позиции сохраняя при этом зазор 30 мм от центра датчика до стены и 50 мм от центра датчика до дна полки.
D.2.4.11 Расположение датчиков температуры внутри выдвижных ящиков и корзин
Если выдвижные ящики или корзины являются закрытым отделением/отсеком или комфортным компонентом, верх пространства, для целей размещения датчиков температуры, должен быть выровнен с наиболее низкой фиксированной точкой выше ящика или корзины при его скольжении внутрь и наружу (эффективно равен верху наиболее высокого объекта, который может поместиться в ящик или корзину без застревания).
Если датчик температуры необходимо поместить внутри или рядом с ящиком или корзиной, датчик должен быть помещен внутри ящика или корзины, или ящик или корзина должны рассматриваться как внутренняя часть устройства для скольжения.
Если ящики и/или корзины полностью или в основном занимают пространство внутри отделения, датчики должны располагаться внутри этих ящиков или корзин в позициях, указанных в D.2.2 или D.2.3, в зависимости от применения. В случае массивных ящиков или корзин датчики температуры должны находиться внутри соответствующего ящика или корзины (см. D.2.4) при поддержании всех зазоров (см. D.2.4.7) и рассматривая основание корзины как полку (см. D.2.4.8).
Если имеющееся пространство настолько мало, что условия по зазорам не могут быть выполнены, зазор от датчика температуры до дна корзины (25 мм) должен поддерживаться насколько это возможно при уменьшении зазора от верха отделения.
Позиции датчиков температуры внутри ящиков и корзин показаны на рисунке D.8.
D.2.5 Рассмотрение комфортных компонентов
Для целей испытаний в данном стандарте комфортные компоненты не должны соответствовать требованиям по температурным измерениям, которые применяются к отсекам. Однако требованиями обусловлено, что сумма объемов:
a) закрепленных комфортных компонентов в отделении не должны превышать 25 % от объема отделений; или
b) сумма закрепленных и съемных комфортных компонентов в отделении не должна превышать 40 % от объема отделения.
Если объем закрепленных комфортных компонентов в каком-либо отделении превышает эти пределы, должно быть выбрано достаточное число закрепленных комфортных компонентов, которые должны рассматриваться как отсеки (и, следовательно, быть классифицированы и испытаны в соответствии с этим) до достижения того, что будут выполнены указанные выше требования по объему относительно комфортных компонентов в соответствии со следующими правилами:
i) во-первых, те, которые имеют отдельные органы управления температурой (включая те органы управления, которые имеют 2 позиции) в порядке уменьшения размеров, затем
ii) те, которые не имеют отдельных органов управления температурой в порядке уменьшения размеров.
Если правила выше дают два или более комфортных компонента одного ранга, первый выбранный должен быть наиболее удаленным от центра пространства, в котором расположены датчики температуры отделения.
Подробные сведения об установке органов управления температурой для комфортных компонентов представлены в В.2.5.3.
Если отделение состоит в основном или по большей части из ящиков и/или корзин, все эти средства не могут рассматриваться как комфортные компоненты.
D.3 Определение средней температуры воздуха в отделении
D.3.1 Общие положения
В каждом отделении определяется средняя температура воздуха для каждого расположения датчика. Эти величины температуры затем комбинируются для определения средней температуры отделения.
D.3.2 Определение средней температуры датчика за некоторый период
Средняя температура датчика за некоторый период определяется путем интегрирования. При испытаниях могут быть использованы более частые измерения показаний за определенный период. Например, использование более частых измерений показаний может быть полезно при изучении событий короткой длительности. Если необходимо объединить данные при различных частотах измерений, каждая точка данных должна быть взвешена пропорционально соответствующему периоду выборки.
D.3.3 Определение температуры в отделении
Температура в отделении должна быть определена в течение установленного периода определения температуры.
D.3.4 Расчет среднего значения температуры
Температура в отделении должна определяться как среднее арифметическое значений температуры всех датчиков в отделении.

Рисунок D.1 - Точки измерения температуры воздуха - незамораживающие камеры со скрытыми или герметичными испарителями и примеры эффективной высоты и ширины
![]() | ![]() |
|
Пример 1 - Обычный с контейнером для фруктов и овощей частичной ширины, отделением для охлаждения сверху |
Пример 2 - Обычный с контейнером для фруктов и овощей - смена расположения датчиков температуры для поддержания зазоров |
Рисунок D.2 - Точки измерения температуры - свежие пищевые продукты, отделения охлаждения и погреб - примеры общих отделений с контейнерами для фруктов и овощей и комфортными компонентами
![]() | ![]() |
|
Вид сверху |
Вид сверху |
|
|
|
Вид сбоку a) Небольшие отсеки (см. D.4.5) |
Вид сбоку b) Отделения малой высоты (см. D.2.4.6) |
Рисунок D.3 - Точки измерения температуры воздуха - низкая высота и небольшие отделения
![]() | ![]() |
|
Вид сверху |
Вид сверху |
|
|
|
Вид сбоку a) Тип 1 |
Вид сбоку b) Тип 2 |
Рисунок D.4 - Расположение датчиков температуры внутри вертикального низкотемпературного отделения без охлаждаемых полок и с высотой, равной или меньше 1000 мм
![]() | ![]() |
|
Вид сверху |
Вид сверху |
|
|
|
Вид сбоку a) Тип 1 – без ступени компрессора |
Вид сбоку b) Тип 2– со ступенью компрессора |
Рисунок D.5 - Расположение датчиков температуры внутри вертикального низкотемпературного отделения без охлаждаемых полок и с высотой, равной или меньше 1000 мм

Рисунок D.6 - Расположение датчиков температуры внутри вертикального низкотемпературного отделения с охлаждаемыми полками и с высотой больше 1000 мм
![]() | ![]() |
|
Вид сверху |
Вид сверху |
|
|
|
Вид сбоку a) Тип 1 |
Вид сбоку b) Тип 2 |
Рисунок D.7 а) - Расположение датчиков температуры внутри морозильных ларей
![]() | ![]() |
|
Вид сверху |
Вид сверху |
|
|
|
Вид сбоку c) Тип 3 |
Вид сбоку d) Тип 4 |
Рисунок D.7 b) - Расположение датчиков температуры внутри морозильных ларей

а) Датчик ТМР1, перемещенный для поддержания зазора выдвижного ящика (без замораживания)

b) Позиция датчиков температуры внутри ящика или бункера (замораживание)

с) Место верхних датчиков температуры, где высота верхнего выдвижного ящика < 75 мм (замораживание)
Примечание - Обозначение см. на рисунке D.1.
Рисунок D.8 - Расположение датчиков температуры внутри выдвижных ящиков и корзин

Рисунок D.9 - Расположение датчиков температуры, когда применимо зеркальное изображение
Приложение Е
(обязательное)
Подробные сведения о символах идентификации низкотемпературных отделений приведены на рисунках Е.1 и Е.2.

Размеры приведены для информации; они могут быть уменьшены, с условием соблюдения пропорций, но символ высоты не должен быть меньше 5 мм (см. ИСО 7000).
Рисунок Е.1 - Подробные сведения о символах идентификации для отделений четыре звезды

Размеры приведены для информации; они могут быть уменьшены при поддержании пропорций, но символ высоты не должен быть меньше 5 мм.
Рисунок Е.2 - Подробные сведения о символах идентификации для низкотемпературных отделений (кроме отделений четыре звезды)
Приложение F
(справочное)
Следующие сведения должны быть включены в отчет по испытаниям серии МЭК 62552:
МЭК 62552-2:2015:
Раздел 6 Испытания хранения
Раздел 7 Испытания производительности охлаждения
Раздел 8 Испытания производительности замораживания
Раздел 9 Испытания производительности автоматического производства льда
Приложение А Испытания на снижение температуры
Приложение В Приборы и отделения для хранения вина. Испытание хранения
Приложение С Испытания повышения температуры
Приложение D Испытания на конденсацию воды
МЭК 65552-3:2015
Измерение энергопотребления
Измерение объема
Приложение G
(обязательное)
G.1 Область применения
В настоящем приложении установлены термины, определения и характеристики приборов для хранения вина.
G.2 Термины, определения и обозначения
Для целей настоящего приложения применяют следующие термины, определения и обозначения.
G.2.1 температура в отделении для хранения вина, Twma (wine storage compartment temperature): Среднее арифметическое значений температур хранения вина Tw1m, Тw2m, Tw3m.
G.2.2 устройство обмена с окружающим воздухом (ambient air exchange device): Устройство, позволяющее проводить обмен воздуха в отделении охлаждения с окружающим воздухом. Это устройство, установленное изготовителем, либо автоматически управляется, либо настраивается вручную пользователем в соответствии с инструкциями.
Примечание - Отверстие для слива воды при размораживании не рассматривается как устройство для обмена воздухом.
G.3 Требования
G.3.1 Диапазон требуемых температур
Прибор должен иметь постоянную температуру хранения, либо предварительно установленную, либо настраиваемую в соответствии с инструкциями, в диапазоне от Twma = 5 до 20 °С. Каждое отделение должно обеспечивать Twma ≤ 12 °С.
Примечание - Диапазон 5°-20 °С соответствует максимально допустимому диапазону, а не целевым значениям.
G.3.2 Максимальные колебания температуры
Величины температур хранения во время хранения должны отличаться меньше чем на 0, 5 K от установленной окружающей температуры определенного климатического класса для домашних охлаждающих приборов (см. 4.1). Определение изменений температуры дано в G.7.
G.3.3 Вибрация
Прибор должен иметь конструкцию, снижающую передачу в отделение вибрации, создаваемой компрессором холодильника или внешними источниками.
G.4 Общие условия испытаний
G.4.1 Общие положения
Раздел А.3 настоящего стандарта применяют, если для приборов для хранения вина не установлено иное.
G.4.2 Низкая окружающая температура
В случае испытаний при окружающей температуре, близкой к средней температуре хранения в указанном отделении или ниже, должны быть учтены инструкции по возможной установке наиболее высокой температуры, когда это применимо.
G.4.3 Внутренние части
Если позиция полок регулируемая, это должно в равной мере распространяться на шкаф.
Полки корзины и контейнеры должны находиться в положениях, определенных инструкциями.
G.5 Определение объемов
G.5.1 Глубина
В случае приборов для хранения вина: Если установленный сзади испаритель закрыт закрепленной крышкой (например, для его защиты), то глубина пространства испарителя должна быть выбрана в качестве среднего расстояния по горизонтали до наиболее удаленной части защитного покрытия.
G.5.2 Оценка вместимости отделений хранения вина (в бутылках)
Для оценки вместимости отделений хранения вина (в бутылках) следует использовать бутылки 0, 75 л или эквивалентные замены с размерами согласно рисунку G.1.

Рисунок G.1 - Стандартная бутылка для оценки вместимости отделений для хранения вина (в бутылках)
Примечание - Размеры бутылок определяют по NF Н35-124:2006-07.
Для проверки деформации полок и т.п. при нормальных условиях использования в бутылки заливают воду для создания общего веса каждой бутылки 1200 ± 50 г.
Съемные детали, когда это установлено изготовителем по мере необходимости для правильного теплового и механического функционирования отделения для хранения вина, должны быть помещены в предусмотренные позиции согласно инструкциям. Бутылки должны быть установлены в каждом месте, предназначенном для их хранения при обычном использовании следующим образом:
- зазор относительно стены/задней стенки/двери должен соответствовать инструкциям;
- при отсутствии инструкций для обеспечения правильного охлаждения тыльная сторона полок и зазор 5 мм относительно двери рассматриваются как предельные;
- бутылки, поставленные на полках двери, могут касаться облицовки двери;
- если испаритель покрыт закрепленными средствами защиты, бутылки могут устанавливаться, касаясь защиты;
- бутылки могут быть поставлены вверх дном и вперемешку;
- бутылки могут касаться стен, если изготовитель не установил иное;
- бутылки могут быть поставлены горизонтально, или вертикально, или наклонно, если для наклонной позиции предусмотрены средства поддержки;
- перемещаемые детали типа телескопических полок должны поддерживаться в подвижном и доступном состоянии при условиях погрузки.
В отчет об испытании должна быть включена схема загрузки бутылок, показывающая их расположение, для оценки вместимости отделений для хранения вина.
G.6 Измерение температуры хранения
Температуры Tw1m, Tw2m, Tw3m следует измерять в поддерживаемых или подвешенных М-пакетах в целях помещения их геометрического центра в точках измерения температуры и таким образом, чтобы их наибольшая поверхность была горизонтальной. М-пакеты могут иметь опоры, например, путем использования блока пенополистирола (EPS), имеющего такие же размеры основания как М-пакет. М-пакеты не должны иметь прямых контактов с какими-либо другими поверхностями.
При определении температуры хранения точки измерения температуры должны быть расположены в положениях TMPw1, TMPw2, TMPw3, как показано на рисунке G.2, на половине расстояния между тыльной внутренней стенкой прибора и внутренней стенкой закрытой двери. Стенки определены способом, применяемым для расчета объема хранения.
М-пакеты должны быть отделены от любых проводящих тепло поверхностей воздушным промежутком не менее 25 мм. Мгновенные значения температуры в М-пакетах Tw1, Tw2 и Tw3 должны быть зарегистрированы.
Температуры Tw1m, Tw2m и Tw3m в точках измерения температуры должны быть интегрированными по времени средними величинами Tw1, Tw2 и Tw3 в течение времени испытаний с шагом интегрирования 60 с или меньше.
Температура хранения Twma представляет собой арифметическое среднее средних значений температуры Tw1m, Tw2m и Tw3m.
Если внутренние компоненты не позволяют выполнять измерение температур Tw1, Tw2 и Tw3 в установленных точках, показания должны быть сняты в таких позициях, что геометрический центр М-пакета находится на расстоянии не больше 25 мм от указанной точки. Если внутренняя схема отделения для хранения вина не соответствует показанной на рисунке G.2, значения температуры Tw1, Tw2 и Tw3 должны быть считаны в положениях, определенных по аналогии с указанными позициями.
Если имеется устройство для обмена с окружающим воздухом, на работу которого может влиять пользователь, этот прибор должен быть настроен на работу в соответствии с инструкциями изготовителя.
Температуры хранения должны быть испытаны при окружающей температуре 25 °С и наиболее низкой и наиболее высокой температуре окружающей среды для заявленного климатического класса прибора. В каждом отделении для хранения вина должны быть проведены измерения при Twma ≤ 12 °С.
Температуры должны быть зарегистрированы.

Примечание - В случае приборов для хранения вина, закрывающихся одной дверью, но разделенных постоянной или регулируемой перегородкой на отделения с независимыми устройствами для управления температурой, вышеописанная схема должна применяться к каждому отделению.
Рисунок G.2 - Точки измерения температуры (пакеты)
Если z < 100 мм TMPw2 использоваться не должно.
Если hw < 300 мм TMPw2 должно быть использовано.
Пояснения
1 Полка выше контейнера помещается в наиболее низкой возможной позиции.
2 D1 относительно D2 = расстояние между реперными линиями используемыми для определения чистого объема.
Рисунок G.2, лист 2
G.7 Определение колебаний температуры
Определение колебаний температуры выполняется при температуре Twma = 12 °С или ближайшей более низкой температуре при окружающей температуре 25 °С и при наиболее низкой и наиболее высокой окружающей температуре для заявленного климатического класса.
Испытания выполняются при условиях в соответствии с G.6.
Колебания температуры оцениваются для каждой точки измерения TMPwi. Мгновенные значения температуры в М-пакетах Tw1, Tw2, и Tw3 должны быть зарегистрированы.
Амплитуда установлена как разница между наиболее высокой и наиболее низкой мгновенной температурой между двумя последовательными остановками охлаждающих систем. Если может быть идентифицировано отсутствие последовательных остановок охлаждающей системы будет рассматриваться непрерывный период 4 ч.
Среднее значение всех амплитуд температуры в каждой точке измерения TMPwi в течение всего периода испытаний должно оставаться в пределах 0, 5 K.
G.8 Окончательный отчет по испытаниям
Любой окончательный отчет по испытаниям приборов для хранения вина должен включать результаты испытаний по следующим направлениям:
a) энергопотребление (см. раздел 5, МЭК 62552-3:2015);
b) колебания температуры (см. В.5.1, МЭК 62552-2:2015);
c) емкость бутылок в отделениях (см. G.5.2);
d) схема плана загрузки бутылок, показывающая расположение бутылок для оценки емкости бутылок.
G.9 Маркировка и инструкции
G.9.1 Техническая и коммерческая информация о приборе
Следующая информация должна быть указана в технической информации и информации о приборе, относящейся к приборам для хранения вина: "Данный прибор предназначен для использования исключительно для хранения вина".
Данное указание не должно применяться для домашних охлаждающих приборов которые не предназначаются специально для хранения вина, но могут тем не менее применяться для этих целей, или для домашних охлаждающих приборов, которые имеют отделение для хранения вина, комбинированное с другими типами отделений.
G.9.2 Инструкции
Следующая информация должна быть указана в инструкциях предоставляемых с приборами для хранения вина: "Данный прибор предназначается для использования исключительно для хранения вина".
Это не применяется для домашних охлаждающих приборов, которые не сконструированы специально для хранения вина, но могут тем не менее использоваться для этих целей, или для домашних охлаждающих приборов, имеющих отделение для хранения вина, скомбинированное с другими типами отделений.
В случае отделений, в которых имеются настройки температуры, близкие или более высокие, чем заявленный наиболее низкий климатический класс, должны быть предоставлены инструкции по установке наиболее высокой возможной температуры при низкой окружающей температуре.
Приложение ДА
(справочное)
Таблица ДА.1
|
Обозначение ссылочного международного стандарта |
Степень соответствия |
Обозначение и наименование соответствующего национального стандарта |
|
IEC 62552-2:2015 |
IDT |
ГОСТ Р МЭК 62552-2-2018 "Приборы холодильные бытовые. Характеристики и методы испытаний. Часть 2. Требования к рабочим характеристикам" |
|
IEC 62552-3:2015 |
IDT |
ГОСТ Р МЭК 62552-3-2018 "Приборы холодильные бытовые. Характеристики и методы испытаний. Часть 3. Расход энергии и объем" |
|
Примечание - В настоящей таблице использовано следующее условное обозначение степени соответствия стандартов: - IDT - идентичные стандарты. | ||
Библиография
|
[1] |
IEC 60335-2-24 |
Household and similar electrical appliances - Safety - Part 2-24: Particular requirements for refrigerating appliances, ice-cream appliances and ice-makers (Бытовые и аналогичные электрические приборы. Безопасность. Часть 2-24. Частные требования к холодильным аппаратам, мороженицам и устройствам для приготовления льда) |
|
[2] |
IEC 60704-2-14 |
Household and similar electrical appliances - Test code for the determination of airborne acoustical noice - Part 2-14: Particular requirements for refrigerators, frozen-food storage cabinets and food freezers (Бытовые и аналогичные электрические приборы. Свод правил по определению издаваемого и распространяющегося в воздухе шума. Часть 2-14. Частные требования к холодильникам, морозильным камерам для хранения пищевых продуктов и морозильникам) |
|
[3] |
IEC/ISO 82079-1 |
Preparation of instructions for use - structuring, content and presentation - Part 1: General principles and detailed requirements (Подготовка инструкций по применению. Построение, содержание и представление материала. Часть 1. Общие принципы и подробные требования) |
|
[4] |
ISO/IEC Guide 98-3:2008 |
Uncertainty of measurement - Part 3: Guide to the expression of uncertainty in measurement (GUM:1995) (Неопределенность измерений. Часть 3. Руководство по выражению неопределенности измерений) (GUM:1995) |
|
[5] |
ISO 3055 |
Kitchen equipment - Coordinating sizes (Оборудование кухонное. Модульные размеры) |
|
[6] |
ISO 5149 |
Mechanical refrigerating systems used for cooling and heating; safety requirements (Системы охладительные механические, используемые для охлаждения и подогрева. Требования техники безопасности) |
|
[7] |
ISO 7000 |
Grafical symbols for use on equipment - Index and synopsis (Графические символы, наносимые на оборудование. Зарегистрированные символы) |
|
[8] |
AFNOR H35-124:2006-07 |
Bottling industry - Glass bottles - "Bordeaux traditional" 75 cl bottle (Бутылки для бордоского вина высокие стеклянные вместимостью 0, 75 л) |

















