Утв. и введен в действие Приказом Федерального агентства по техническому регулированию и метрологии от 24 мая 2024 г. N 659-ст
Национальный стандарт РФ ГОСТ Р 71398-2024
"АВТОМОБИЛЬНЫЕ ТРАНСПОРТНЫЕ СРЕДСТВА. ИЗДЕЛИЯ КРЕПЕЖНЫЕ. ГАЙКИ КВАДРАТНЫЕ НИЗКИЕ КЛАССА ТОЧНОСТИ B ТЕХНИЧЕСКИЕ ТРЕБОВАНИЯ"
Motor vehicles. Fasteners. Square thin nuts of accuracy class B. Technical requirements
ОКС 21.060.20
Дата введения - 1 февраля 2025 года
Введен впервые
Предисловие
1 ПОДГОТОВЛЕН Федеральным государственным унитарным предприятием "Центральный ордена Трудового Красного Знамени научно-исследовательский автомобильный и автомоторный институт" (ФГУП "НАМИ") на основе собственного перевода на русский язык немецкоязычной версии стандарта, указанного в пункте 4
2 ВНЕСЕН Техническим комитетом по стандартизации ТК 375 "Металлопродукция из черных металлов и сплавов"
3 УТВЕРЖДЕН И ВВЕДЕН В ДЕЙСТВИЕ Приказом Федерального агентства по техническому регулированию и метрологии от 24 мая 2024 г. N 659-ст
4 Настоящий стандарт является модифицированным по отношению к стандарту ДИН 562-2013 "Гайки квадратные низкие класса точности B" (DIN 562:2013 "Vierkantmuttern, niedrige Form - Produktklasse B", MOD) путем внесения технических отклонений, объяснение которых приведено во введении к настоящему стандарту.
Наименование настоящего стандарта изменено относительно наименования указанного стандарта для приведения в соответствие с ГОСТ Р 1.5-2012 (пункт 3.5).
Сведения о соответствии ссылочных национальных и межгосударственных стандартов международным и европейским стандартам, использованным в качестве ссылочных в примененном стандарте, приведены в дополнительном приложении ДА.
Сопоставление структуры настоящего стандарта со структурой указанного стандарта приведено в дополнительном приложении ДБ
5 ВВЕДЕН ВПЕРВЫЕ
Правила применения настоящего стандарта установлены в статье 26 Федерального закона от 29 июня 2015 г. N 162-ФЗ "О стандартизации в Российской Федерации". Информация об изменениях к настоящему стандарту публикуется в ежегодном (по состоянию на 1 января текущего года) информационном указателе "Национальные стандарты", а официальный текст изменений и поправок - в ежемесячном информационном указателе "Национальные стандарты". В случае пересмотра (замены) или отмены настоящего стандарта соответствующее уведомление будет опубликовано в ближайшем выпуске ежемесячного информационного указателя "Национальные стандарты". Соответствующая информация, уведомление и тексты размещаются также в информационной системе общего пользования - на официальном сайте Федерального агентства по техническому регулированию и метрологии в сети Интернет (www.rst.gov.ru)
Введение
В настоящий стандарт внесены следующие изменения по отношению к ДИН 562-2013:
- изменены отдельные фразы (слова, значения показателей, ссылки);
- изменена его структура для приведения в соответствие с ГОСТ Р 1.5-2012 (включен структурный элемент "Библиография");
- уточнена область применения в части установления технических требований к низким квадратным гайкам с метрической резьбой от М1,6 до М10 класса точности B для автомобильных транспортных средств.
Все дополнения и изменения в тексте стандарта выделены курсивом.
1 Область применения
Настоящий стандарт устанавливает технические требования к низким квадратным гайкам с метрической резьбой от М1,6 до М10 класса точности B, применяемым для автомобильных транспортных средств.
2 Нормативные ссылки
В настоящем стандарте использованы нормативные ссылки на следующие стандарты:
ГОСТ ISO 3269 Изделия крепежные. Приемочный контроль
ГОСТ ISO 3506-2 Механические свойства крепежных изделий из коррозионно-стойкой нержавеющей стали. Часть 2. Гайки
ГОСТ ISO 4042 Изделия крепежные. Электролитические покрытия
ГОСТ ISO 4759-1 Изделия крепежные. Допуски. Часть 1. Болты, винты, шпильки и гайки. Классы точности A, B и C
ГОСТ ISO 8992 Изделия крепежные. Общие требования для болтов, винтов, шпилек и гаек
ГОСТ ISO 10684 Изделия крепежные. Покрытия, нанесенные методом горячего цинкования
ГОСТ 16093 (ИСО 965-1:1998, ИСО 965-3:1998) Основные нормы взаимозаменяемости. Резьба метрическая. Допуски. Посадки с зазором
ГОСТ 24705 (ИСО 724:1993) Основные нормы взаимозаменяемости. Резьба метрическая. Основные размеры
ГОСТ EN 28839 Механические свойства крепежных изделий. Болты, винты, шпильки и гайки из цветных металлов
ГОСТ Р ИСО 10683 Изделия крепежные. Системы неэлектролитических цинк-ламельных покрытий
ГОСТ Р 71397 Автомобильные транспортные средства. Изделия крепежные. Технические требования к шероховатости поверхности для класса точности A и B
Примечание - При пользовании настоящим стандартом целесообразно проверить действие ссылочных стандартов в информационной системе общего пользования - на официальном сайте Федерального агентства по техническому регулированию и метрологии в сети Интернет или по ежегодному информационному указателю "Национальные стандарты", который опубликован по состоянию на 1 января текущего года, и по выпускам ежемесячного информационного указателя "Национальные стандарты" за текущий год. Если заменен ссылочный стандарт, на который дана недатированная ссылка, то рекомендуется использовать действующую версию этого стандарта с учетом всех внесенных в данную версию изменений. Если заменен ссылочный стандарт, на который дана датированная ссылка, то рекомендуется использовать версию этого стандарта с указанным выше годом утверждения (принятия). Если после утверждения настоящего стандарта в ссылочный стандарт, на который дана датированная ссылка, внесено изменение, затрагивающее положение, на которое дана ссылка, то это положение рекомендуется применять без учета данного изменения. Если ссылочный стандарт отменен без замены, то положение, в котором дана ссылка на него, рекомендуется применять в части, не затрагивающей эту ссылку.
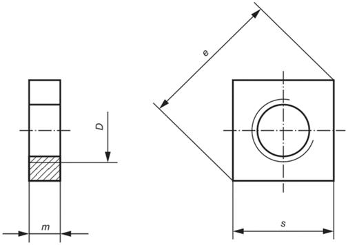
3 Размеры
Размеры низких квадратных гаек класса точности B должны соответствовать указанным на рисунке 1 и в таблице 1.
Примечание - Дополнительную информацию по обозначению размеров и их описанию см. в [1].

Рисунок 1 - Квадратные гайки
Таблица 1 - Размеры
В миллиметрах
|
Резьба D
|
М1,6
|
М2
|
М2,5
|
М3
|
(М3,5)
|
М4
|
М5
|
М6
|
М8
|
М10
|
|
P *
|
0,35
|
0,4
|
0,45
|
0,5
|
0,6
|
0,7
|
0,8
|
1
|
1,25
|
1,5
|
|
e, не менее
|
4,0
|
5,0
|
6,3
|
7,0
|
7,6
|
8,9
|
10,2
|
12,7
|
16,5
|
20,2
|
|
m
|
ном. = не более
|
1,0
|
1,2
|
1,6
|
1,8
|
2,0
|
2,2
|
2,7
|
3,2
|
4,0
|
5,0
|
|
не менее
|
0,60
|
0,80
|
1,20
|
1,40
|
1,60
|
1,80
|
2,30
|
2,72
|
3,52
|
4,52
|
|
s
|
ном. = не более
|
3,2
|
4,0
|
5,0
|
5,5
|
6,0
|
7,0
|
8,0
|
10,0
|
13,0
|
16,0 **
|
|
не менее
|
2,90
|
3,70
|
4,70
|
5,20
|
5,70
|
6,64
|
7,64
|
9,64
|
12,57
|
15,57
|
|
Масса 1000 шт., кг, при плотности стали 7,85 кг/дм3
|
0,08
|
0,13
|
0,27
|
0,35
|
0,44
|
0,64
|
1,06
|
1,93
|
4,01
|
7,6
|
|
Примечание - Размеры, заключенные в скобки, применять не рекомендуется.
* P - крупный шаг резьбы.
** Размер по ключ должен быть дополнительно указан в обозначении (см. раздел 5).
|
4 Технические требования
Технические требования к гайкам квадратным низким класса точности B приведены в таблице 2.
Таблица 2 - Технические требования
|
Материал
|
Углеродистая сталь (St)
|
Нержавеющая сталь
|
Цветной металл
|
|
Общие требования
|
Обозначение стандарта
|
ГОСТ ISO 8992
|
|
Резьба
|
Поле допуска
|
6H
|
|
Обозначение стандарта
|
ГОСТ 16093, ГОСТ 24705
|
|
Механические свойства
|
Класс твердости/марка стали (материал) *
|
11H
|
A2
|
CuZn - медно-цинковый сплав **
|
|
Обозначение стандарта
|
См. [2]
|
ГОСТ ISO 3506-2
|
ГОСТ EN 28839
|
|
Предельные размеры, допуски формы и расположения
|
Класс точности
|
B
|
|
Обозначение стандарта
|
ГОСТ ISO 4759-1
|
|
Отделка поверхности - покрытие
|
Без покрытия
Требования к гальваническим покрытиям по ГОСТ ISO 4042.
Требования к неэлектролитически нанесенным цинк-ламельным покрытиям по ГОСТ Р ИСО 10683.
Требования к покрытиям, нанесенным методом горячего цинкования по ГОСТ ISO 10684
|
Блестящая
|
Блестящая
Требования к гальваническим покрытиям по ГОСТ ISO 4042
|
|
Шероховатость поверхности - по ГОСТ Р 71397.
Дополнительные требования или другие исполнения поверхности или покрытия подлежат согласованию между поставщиком и заказчиком
|
|
Приемочный контроль
|
ГОСТ ISO 3269
|
|
* Другие классы твердости или материалы, или определенная марка материала, медно-цинковые сплавы, по согласованию сторон.
** Сплав CuZn = CU2 или CU3 по выбору изготовителя.
|
5 Примеры условного обозначения
Пример условного обозначения гайки квадратной низкой, с резьбой М4, класса твердости 11H:
Гайка квадратная ГОСТ Р 71398 - М4 - 11H
Пример условного обозначения для квадратной гайки с резьбой М10, в котором дополнительно указывают размер под ключ (SW):
Гайка квадратная ГОСТ Р 71398 - М10 - SW16 - 11H
Приложение ДА
(справочное)
Сведения о соответствии ссылочных национальных и межгосударственных стандартов международным и европейским стандартам, использованным в качестве ссылочных в примененном стандарте
Таблица ДА.1
|
Обозначение ссылочного национального и межгосударственного стандарта
|
Степень соответствия
|
Обозначение и наименование ссылочного международного, европейского стандарта
|
|
ГОСТ ISO 3269-2021
|
IDT
|
ISO 3269:2019 "Изделия крепежные. Приемочный контроль"
|
|
ГОСТ ISO 3506-2-2014
|
IDT
|
ISO 3506-2:2009 "Механические свойства крепежных изделий из коррозионно-стойкой нержавеющей стали. Часть 2. Гайки"
|
|
ГОСТ ISO 4042-2015
|
IDT
|
ISO 4042:1999 "Изделия крепежные. Электролитические покрытия"
|
|
ГОСТ ISO 4759-1-2015
|
IDT
|
ISO 4759-1:2000 "Изделия крепежные. Допуски. Часть 1. Болты, винты, шпильки и гайки. Классы точности A, B и C"
|
|
ГОСТ ISO 8992-2015
|
IDT
|
ISO 8992:2005 "Изделия крепежные. Общие требования для болтов, винтов, шпилек и гаек"
|
|
ГОСТ ISO 10684-2015
|
IDT
|
ISO 10684:2004 "Изделия крепежные. Покрытия, нанесенные методом горячего цинкования"
|
|
ГОСТ 16093-2004
(ИСО 965-1:1998,
ИСО 965-3:1998)
|
MOD
|
ISO 965-1:1998 "Резьбы метрические ИСО общего назначения. Допуски. Часть 1. Принципы и основные данные"
|
|
ГОСТ EN 28839-2015
|
IDT
|
EN 28839:1991 "Механические свойства крепежных изделий. Болты, винты, шпильки и гайки из цветных металлов"
|
|
ГОСТ Р ИСО 10683-2020
|
IDT
|
ISO 10683:2018 "Изделия крепежные. Системы неэлектролитических цинк-ламельных покрытий"
|
|
ГОСТ Р 71397
|
MOD
|
DIN 267-2:2017 "Изделия крепежные механические. Технические условия, шероховатость поверхности для классов A и B"
|
|
Примечание - В настоящей таблице использованы следующие условные обозначения степени соответствия стандартов:
- IDT - идентичные стандарты;
- MOD - модифицированные стандарты.
|
Приложение ДБ
(справочное)
Сопоставление структуры настоящего стандарта со структурой примененного в нем стандарта
Таблица ДБ.1
|
Структура настоящего стандарта
|
Структура стандарта ДИН 562:2013
|
|
1 Область применения
|
1 Область применения
|
|
2 Нормативные ссылки
|
2 Нормативные ссылки
|
|
3 Размеры
|
3 Размеры
|
|
4 Технические требования
|
4 Технические требования
|
|
5 Обозначение
|
5 Обозначение
|
|
Приложение ДА Сведения о соответствии ссылочных национальных и межгосударственных стандартов международным и европейским стандартам, использованным в качестве ссылочных в примененном стандарте
|
-
|
|
Приложение ДБ Сопоставление структуры настоящего стандарта со структурой примененного в нем стандарта
|
-
|
|
Библиография
|
-
|
Библиография
|
[1]
|
ИСО 225-2010
|
Изделия крепежные. Болты, винты, шпильки и гайки. Символы и обозначения размеров (Fasteners - Bolts, screws, studs and nuts - Symbols and descriptions of dimensions)
|
|
[2]
|
ДИН 267-24-2007
|
Изделия крепежные механические - Технические условия поставки. Часть 24. Классы твердости гаек без указанных значений пробной нагрузки (Fasteners - Technical delivery conditions - Part 24: Hardness classes for nuts without specified proof load values)
|