Утв. и введен в действие Приказом Федерального агентства по техническому регулированию и метрологии от 24 мая 2024 г. N 656-ст
Национальный стандарт РФ ГОСТ Р 71395-2024
"АВТОМОБИЛЬНЫЕ ТРАНСПОРТНЫЕ СРЕДСТВА. ИЗДЕЛИЯ КРЕПЕЖНЫЕ. ГАЙКИ КВАДРАТНЫЕ КЛАССА ТОЧНОСТИ C. ТЕХНИЧЕСКИЕ ТРЕБОВАНИЯ"
Motor vehicles. Fasteners. Square nuts of accuracy class C. Technical requirements
ОКС 21.060.20
Дата введения - 1 февраля 2025 года
Введен впервые
Предисловие
1 ПОДГОТОВЛЕН Федеральным государственным унитарным предприятием "Центральный ордена Трудового Красного Знамени научно-исследовательский автомобильный и автомоторный институт" (ФГУП "НАМИ") на основе собственного перевода на русский язык немецкоязычной версии стандарта, указанного в пункте 4
2 ВНЕСЕН Техническим комитетом по стандартизации ТК 375 "Металлопродукция из черных металлов и сплавов"
3 УТВЕРЖДЕН И ВВЕДЕН В ДЕЙСТВИЕ Приказом Федерального агентства по техническому регулированию и метрологии от 24 мая 2024 г. N 656-ст
4 Настоящий стандарт является модифицированным по отношению к стандарту ДИН 557-1994 "Гайки квадратные класса C" (DIN 557:1994 "Vierkantmuttern, Produktklasse C", MOD) путем внесения технических отклонений, объяснение которых приведено во введении к настоящему стандарту.
Наименование настоящего стандарта изменено относительно наименования указанного стандарта для приведения в соответствие с ГОСТ Р 1.5-2012 (пункт 3.5).
Сведения о соответствии ссылочных межгосударственных стандартов международным стандартам, использованным в качестве ссылочных в примененном стандарте, приведены в дополнительном приложении ДА.
Сопоставление структуры настоящего стандарта со структурой указанного стандарта приведено в дополнительном приложении ДБ
5 ВВЕДЕН ВПЕРВЫЕ
Правила применения настоящего стандарта установлены в статье 26 Федерального закона от 29 июня 2015 г. N 162-ФЗ "О стандартизации в Российской Федерации". Информация об изменениях к настоящему стандарту публикуется в ежегодном (по состоянию на 1 января текущего года) информационном указателе "Национальные стандарты", а официальный текст изменений и поправок - в ежемесячном информационном указателе "Национальные стандарты". В случае пересмотра (замены) или отмены настоящего стандарта соответствующее уведомление будет опубликовано в ближайшем выпуске ежемесячного информационного указателя "Национальные стандарты". Соответствующая информация, уведомление и тексты размещаются также в информационной системе общего пользования - на официальном сайте Федерального агентства по техническому регулированию и метрологии в сети Интернет (www.rst.gov.ru)
Введение
В настоящий стандарт внесены следующие изменения по отношению к ДИН 557-1994:
- изменены отдельные фразы (слова, значения показателей, ссылки);
- изменена его структура для приведения в соответствие с ГОСТ Р 1.5-2012;
- уточнена область применения в части возможного применения гаек квадратных класса точности C для автомобильных транспортных средств;
- добавлен размер da для квадратных гаек;
- добавлены требования к неэлектролитически нанесенным цинк-ламельным покрытиям.
Все дополнения и изменения в тексте стандарта выделены курсивом.
1 Область применения
Настоящий стандарт устанавливает технические требования к квадратным гайкам с резьбой от M5 до M16 класса точности C, применяемым для автомобильных транспортных средств.
2 Нормативные ссылки
В настоящем стандарте использованы нормативные ссылки на следующие стандарты:
ГОСТ ISO 898-2 Механические свойства крепежных изделий из углеродистых и легированных сталей. Часть 2. Гайки установленных классов прочности с крупным и мелким шагом резьбы
ГОСТ ISO 3269 Изделия крепежные. Приемочный контроль
ГОСТ ISO 4042 Изделия крепежные. Электролитические покрытия
ГОСТ ISO 4759-1 Изделия крепежные. Допуски. Часть 1. Болты, винты, шпильки и гайки. Классы точности A, B и C
ГОСТ ISO 8992 Изделия крепежные. Общие требования для болтов, винтов, шпилек и гаек
ГОСТ ISO 10684 Изделия крепежные. Покрытия, нанесенные методом горячего цинкования
ГОСТ 16093 (ИСО 965-1:1998, ИСО 965-3:1998) Основные нормы взаимозаменяемости. Резьба метрическая. Допуски. Посадки с зазором
ГОСТ Р ИСО 10683 Изделия крепежные. Системы неэлектролитических цинк-ламельных покрытий
Примечание - При пользовании настоящим стандартом целесообразно проверить действие ссылочных стандартов в информационной системе общего пользования - на официальном сайте Федерального агентства по техническому регулированию и метрологии в сети Интернет или по ежегодному информационному указателю "Национальные стандарты", который опубликован по состоянию на 1 января текущего года, и по выпускам ежемесячного информационного указателя "Национальные стандарты" за текущий год. Если заменен ссылочный стандарт, на который дана недатированная ссылка, то рекомендуется использовать действующую версию этого стандарта с учетом всех внесенных в данную версию изменений. Если заменен ссылочный стандарт, на который дана датированная ссылка, то рекомендуется использовать версию этого стандарта с указанным выше годом утверждения (принятия). Если после утверждения настоящего стандарта в ссылочный стандарт, на который дана датированная ссылка, внесено изменение, затрагивающее положение, на которое дана ссылка, то это положение рекомендуется применять без учета данного изменения. Если ссылочный стандарт отменен без замены, то положение, в котором дана ссылка на него, рекомендуется применять в части, не затрагивающей эту ссылку.
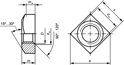
3 Размеры
Размеры квадратных гаек должны соответствовать указанным на рисунке 1 и в таблице 1.

mw - минимальная высота для зацепления ключом. В этой области выдержан минимальный диаметр описанной окружности emin
Рисунок 1 - Квадратные гайки
Таблица 1
Размеры
В миллиметрах
|
Резьба D
|
M5
|
M6
|
M8
|
M10
|
M12
|
M16
|
|
P *
|
0,8
|
1
|
1,25
|
1,5
|
1,75
|
2
|
|
da
|
не более
|
5,75
|
6,75
|
8,75
|
10,80
|
10,80
|
13,00
|
13,00
|
17,30
|
|
не менее
|
5,00
|
6,00
|
8,00
|
10,00
|
10,00
|
12,00
|
12,00
|
16,00
|
|
dw
|
не менее
|
6,70
|
8,70
|
11,50
|
14,50
|
15,50
|
16,50
|
17,20
|
22,00
|
|
e
|
не более
|
11,30
|
14,10
|
18,40
|
22,60
|
24,00
|
25,40
|
26,90
|
33,90
|
|
не менее
|
9,93
|
12,53
|
16,34
|
20,24
|
21,54
|
22,84
|
24,02
|
30,11
|
|
m
|
ном. = не более
|
4,00
|
5,00
|
6,50
|
8,00
|
10,00
|
13,00
|
|
не менее
|
3,52
|
4,52
|
5,92
|
7,42
|
9,42
|
12,30
|
|
mw
|
не менее
|
2,50
|
3,20
|
4,10
|
5,20
|
6,60
|
8,60
|
|
s
|
ном. = не более
|
8,00
|
10,00
|
13,00
|
16,00
|
17,00
|
18,00
|
19,00
|
24,00
|
|
не менее
|
7,64
|
9,64
|
12,57
|
15,57
|
16,57
|
17,57
|
18,48
|
23,16
|
|
Масса 1000 шт, кг, при плотности стали 7,85 кг/дм3
|
1,31
|
2,77
|
5,50
|
10,70
|
13,00
|
16,30
|
19,10
|
38,20
|
|
* P - шаг резьбы.
|
4 Технические требования
Технические требования к гайкам квадратным класса точности C приведены в таблице 2.
Таблица 2
|
Материал
|
Сталь
|
|
Общие требования
|
Обозначение стандарта
|
ГОСТ ISO 8992
|
|
Резьба
|
Поле допуска
|
7H
|
|
Обозначение стандарта
|
ГОСТ 16093
|
|
Механические свойства
|
Класс прочности
|
5
|
|
Обозначение стандарта
|
ГОСТ ISO 898-2
|
|
Предельные размеры, допуски формы и расположения поверхностей
|
Класс точности
|
C
|
|
Обозначение стандарта
|
ГОСТ ISO 4759-1
|
|
Отделка поверхности - покрытие
|
Без покрытия
Требования к гальваническим покрытиям по ГОСТ ISO 4042.
Требования к неэлектролитически нанесенным цинк-ламельным покрытиям по ГОСТ Р ИСО 10683.
Требования к покрытиям, нанесенным методом горячего цинкования по ГОСТ ISO 10684
|
|
Приемочный контроль
|
ГОСТ ISO 3269
|
5 Примеры условного обозначения
Пример условного обозначения квадратной гайки с резьбой M8
Гайка квадратная ГОСТ Р 71395 - M8
Данное условное обозначение действительно для резьбы M10 и M12 с размерами под ключ (SW), равными 17 мм и 19 мм.
Пример условного обозначения для квадратных гаек с размерами под ключ, равными 16 мм и 18 мм, в которое дополнительно включают сведения о размерах под ключ (SW):
Гайка квадратная ГОСТ Р 71395 - M12 - SW18
Приложение ДА
(справочное)
Сведения о соответствии ссылочных межгосударственных стандартов международным стандартам, использованным в качестве ссылочных в примененном стандарте
|
Обозначение ссылочного межгосударственного стандарта
|
Степень соответствия
|
Обозначение и наименование ссылочного международного стандарта
|
|
ГОСТ ISO 898-2-2015
|
IDT
|
ISO 898-2:2012 "Механические свойства крепежных изделий из углеродистых и легированных сталей. Часть 2. Гайки установленных классов прочности с крупным и мелким шагом резьбы"
|
|
ГОСТ ISO 3269-2021
|
IDT
|
ISO 3269:2019 "Изделия крепежные. Приемочный контроль"
|
|
ГОСТ ISO 4042-2015
|
IDT
|
ISO 4042:1999 "Изделия крепежные. Электролитические покрытия"
|
|
ГОСТ ISO 4759-1-2015
|
IDT
|
ISO 4759-1:2000 "Изделия крепежные. Допуски. Часть 1. Болты, винты, шпильки и гайки. Классы точности A, B и C"
|
|
ГОСТ ISO 8992-2015
|
IDT
|
ISO 8992:2005 "Изделия крепежные. Общие требования для болтов, винтов, шпилек и гаек"
|
|
Примечание - В настоящей таблице использовано следующее условное обозначение степени соответствия стандартов:
- IDT - идентичные стандарты.
|
Приложение ДБ
(справочное)
Сопоставление структуры настоящего стандарта со структурой примененного в нем стандарта
Таблица ДБ.1
|
Структура настоящего стандарта
|
Структура стандарта ДИН 557:1994
|
|
1 Область применения
|
1 Область применения
|
|
2 Нормативные ссылки
|
-
|
|
3 Размеры
|
2 Размеры
|
|
4 Технические требования
|
3 Технические требования
|
|
5 Обозначение
|
4 Обозначение
|
|
Приложение ДА Сведения о соответствии ссылочных межгосударственных стандартов международным стандартам, использованным в качестве ссылочных в примененном стандарте
|
-
|
|
Приложение ДБ Сопоставление структуры настоящего стандарта со структурой примененного в нем стандарта
|
-
|