Утв. и введен в действие Приказом Федерального агентства по техническому регулированию и метрологии от 29 декабря 2023 г. N 1773-ст
Национальный стандарт РФ ГОСТ Р 71155-2023
"УСТРОЙСТВА ПРЕОБРАЗОВАНИЯ ЭНЕРГИИ НА ОСНОВЕ НИТРИДА ГАЛЛИЯ. МЕТОД ИЗМЕРЕНИЙ ДЛЯ ОЦЕНКИ НЕПРЕРЫВНОГО ПЕРЕКЛЮЧЕНИЯ"
Energy conversion devices based on gallium nitride. Test method for evaluation of continuous switching
ОКС 29.100
Дата введения - 29 февраля 2024 года
Введен впервые
Предисловие
1 РАЗРАБОТАН Акционерным обществом "Научно-производственная фирма "Микран" (АО "НПФ "Микран"), Федеральным государственным бюджетным образовательным учреждением высшего образования "Томский государственный университет систем управления и радиоэлектроники" (ФГБОУ ВО "ТУСУР"), Федеральным бюджетным учреждением "Государственный региональный центр стандартизации, метрологии и испытаний в Томской области" (ФБУ "Томский ЦСМ"), Федеральным государственным бюджетным учреждением "Российский институт стандартизации" (ФГБУ "Институт стандартизации")
2 ВНЕСЕН Техническим комитетом по стандартизации ТК 328 "Сверхвысокочастотная и силовая электроника"
3 УТВЕРЖДЕН И ВВЕДЕН В ДЕЙСТВИЕ Приказом Федерального агентства по техническому регулированию и метрологии от 29 декабря 2023 г. N 1773-ст
4 ВВЕДЕН ВПЕРВЫЕ
Правила применения настоящего стандарта установлены в статье 26 Федерального закона от 29 июня 2015 г. N 162-ФЗ "О стандартизации в Российской Федерации". Информация об изменениях к настоящему стандарту публикуется в ежегодном (по состоянию на 1 января текущего года) информационном указателе "Национальные стандарты", а официальный текст изменений и поправок - в ежемесячном информационном указателе "Национальные стандарты". В случае пересмотра (замены) или отмены настоящего стандарта соответствующее уведомление будет опубликовано в ближайшем выпуске ежемесячного информационного указателя "Национальные стандарты". Соответствующая информация, уведомление и тексты размещаются также в информационной системе общего пользования - на официальном сайте Федерального агентства по техническому регулированию и метрологии в сети Интернет (www.rst.gov.ru)
1 Область применения
Настоящий стандарт устанавливает средства электрического управления силовыми переключающими устройствами на основе нитрида галлия (далее - устройства GaN) в цепи с непрерывным переключением и метод определения форм динамических переключающих сигналов и диаграмм для оценки непрерывного переключения. Метод измерений может быть применен к следующим устройствам:
- дискретным силовым устройствам GaN, работающим в режимах обогащения и обеднения;
- интегрированным силовым устройствам GaN.
Силовые устройства GaN в корпусе имеют более реалистичный профиль нагрузки, чем изделия на пластине, за счет учета взаимодействия с паразитными элементами, а также кумулятивного самонагрева и механических эффектов. Метод, установленный в настоящем стандарте, применим на уровне пластин для определения технологических характеристик устройств GaN с надлежащим учетом соединений зондов и их влияния на результаты измерений.
В настоящем стандарте установлено общее руководство по схемам и методам измерений, которые можно использовать для определения безопасной зоны работы устройства.
2 Нормативные ссылки
В настоящем стандарте использованы нормативные ссылки на следующие стандарты:
ГОСТ 19095 Транзисторы полевые. Термины, определения и буквенные обозначения параметров
ГОСТ 27264 Транзисторы силовые биполярные. Методы измерений
Примечание - При пользовании настоящим стандартом целесообразно проверить действие ссылочных стандартов в информационной системе общего пользования - на официальном сайте Федерального агентства по техническому регулированию и метрологии в сети Интернет или по ежегодному информационному указателю "Национальные стандарты", который опубликован по состоянию на 1 января текущего года, и по выпускам ежемесячного информационного указателя "Национальные стандарты" за текущий год. Если заменен ссылочный стандарт, на который дана недатированная ссылка, то рекомендуется использовать действующую версию этого стандарта с учетом всех внесенных в данную версию изменений. Если заменен ссылочный стандарт, на который дана датированная ссылка, то рекомендуется использовать версию этого стандарта с указанным выше годом утверждения (принятия). Если после утверждения настоящего стандарта в ссылочный стандарт, на который дана датированная ссылка, внесено изменение, затрагивающее положение, на которое дана ссылка, то это положение рекомендуется применять без учета данного изменения. Если ссылочный стандарт отменен без замены, то положение, в котором дана ссылка на него, рекомендуется применять в части, не затрагивающей эту ссылку.
3 Термины, определения, сокращения и обозначения
3.1 В настоящем стандарте применены термины по ГОСТ 19095, а также следующие термины с соответствующими определениями:
3.1.1 жесткое переключение: Метод переключения при высоком импульсном токе и напряжении сток-исток, в основном происходящего при коммутации активно-индуктивной нагрузки.
Примечания
1 В режиме жесткого переключения осуществляется перекрытие напряжения сток-исток и тока канала, при котором силовое устройство переключается либо из состояния "включено" в состояние "выключено", либо из состояния "выключено" в состояние "включено". Преобразователи с жестким переключением представляют собой повышающие преобразователи с коррекцией коэффициента мощности, понижающие преобразователи, инверторы управления двигателем и несимметричные обратноходовые цепи.
2 Во время включения и выключения на устройство подается напряжение и ток. При жестком переключении ток стока и напряжение сток-исток резко изменяются, вызывая шумы переключения и потери. Жесткое переключение используется для простых переключателей, преобразователей частоты и импульсных преобразователей питания.
3.1.2 мягкое переключение: Метод переключения транзистора при пониженном (или нулевом) напряжении сток-исток и (или) токе стока.
Примечания
1 Режим мягкого переключения соответствует условию, при котором отсутствует перекрытие напряжения сток-исток и тока стока, коммутационный транзистор GaN переключается между состояниями "включено" и "выключено", перекрытие между кривыми напряжения сток-исток и тока стока может происходить из-за коммутационного тока, но этот ток не протекает через канал в состоянии мягкого переключения. Преобразователями с мягким переключением являются преобразователи с переключением при нулевом напряжении, преобразователи LLC, обратноходовые преобразователи с активным ключом и т.д.
2 Мягкое переключение применяется в резонансном контуре LC для включения и выключения устройства при нулевом токе стока или напряжении сток-исток, или время переключения напряжения и ток контролируются, чтобы свести к минимуму их пересечение. При мягком переключении уменьшаются коммутационный шум и потери, так как переключающие устройства включаются и выключаются при нулевом или почти нулевом напряжении сток-исток или токе стока.
3 Мягкое переключение имеет дополнительное преимущество перед жестким переключением с точки зрения безопасной рабочей зоны.
3.2 В настоящем стандарте применены следующие сокращения и обозначения:
БЗР - безопасная зона работы (устройства);
ИУ - испытываемое устройство;
РНП - режим непрерывной проводимости;
СИ - средство измерений;
GaN - нитрид галлия;
IIN, IOUT - входной и выходной ток соответственно;
IL - постоянный ток через индуктивность;
ID - ток стока;
ID(ON) - ток стока во включенном состоянии;
L - ток дросселя;
LC - резонансный контур;
LLC - тип резонансного преобразователя, используемого (в основном) в преобразователях питания;
R - сопротивление;
TC - температура корпуса испытываемого устройства;
TJ - температура перехода испытываемого устройства;
Uпит - напряжение питания;
UDS - напряжение сток-исток;
UDS(OFF) - напряжение сток-исток в выключенном состоянии;
UGS - напряжение затвор-исток.
4 Общие положения
4.1 Общие положения - по ГОСТ 27264.
4.2 Влияние самонагрева на электрические параметры ИУ необходимо учитывать при их измерении во время циклов переключения. Выбор малого рабочего цикла при включении в методе измерений может привести к тому, что температура перехода ИУ TJ будет приблизительно равна температуре его корпуса TC и температуре окружающей среды. Температуру ИУ можно непосредственно контролировать с помощью СИ температуры, тепловизионной камеры или другим методом измерений температуры.
4.3 Если контроль параметров, определяющих пригодность ИУ, невозможен в процессе проведения измерений, следует периодически прерывать процесс измерений с целью контроля соответствия данных параметров требованиям ТУ.
4.4 Для надлежащей интерпретации результатов с течением времени при проведении измерений в непрерывном режиме следует фиксировать отметки времени, в течение которого они выполняются после начала процесса.
4.5 Влияние любого подключенного СИ во время измерений должно быть учтено и по возможности сведено к минимуму.
5 Режимы переключения испытываемого устройства на индуктивной и резистивной нагрузках
5.1 Измерительную схему и способ измерения профиля кривой ID-UDS ИУ выбирают исходя из конечного назначения устройства.
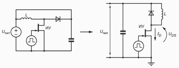
5.2 Схема, используемая для индуктивно-нагруженного измерения ИУ методом двойного импульса, приведена на рисунке 1. Измерительная схема эквивалентна повышающему преобразователю с выходом, привязанному к источнику входного напряжения. Таким образом, режим работы ИУ аналогичен транзистору с жестким переключением в полумостовых схемах, в которых катушка индуктивности подключена к узлу переключения.

Рисунок 1 - Измерительная схема для индуктивно-нагруженного измерения ИУ методом двойного импульса
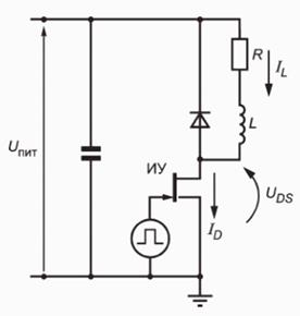
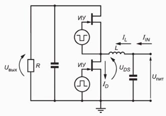
5.3 Если жесткий режим работы ИУ определен как соответствующая схема включения, допускается использование схемы переключения индуктивной нагрузки, приведенной на рисунке 2 а). В данной схеме переключатель верхней стороны может быть GaN-транзистором или обратным диодом при условии, что режим работы ИУ соответствует режиму работы конечной схемы использования. Данная схема также эквивалентна схеме на рисунке 1, если установленное сопротивление нагрузки R равно 0 Ом. Значение сопротивления R следует отрегулировать для достижения заданного значения ID(ON) для требуемого режима работы ИУ.
|

|

|
|
а) Коммутация индуктивной нагрузки с модифицированной схемой по методу двойного импульса
|
б) Синхронный повышающий преобразователь
|
|

|

|
|
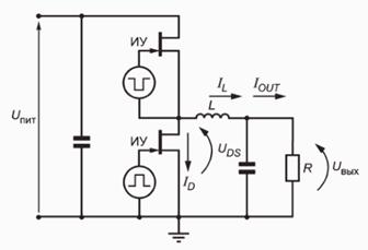
в) Синхронный понижающий преобразователь
|
г) Схема коммутации с резистивной нагрузкой
|
|
Рисунок 2 - Примеры схем, обеспечивающих режим непрерывной коммутации с настраиваемой областью ID-UDS
|
5.4 На рисунке 2 б) приведена альтернативная схема для непрерывного переключения индуктивной нагрузки с помощью синхронного повышающего преобразователя. В этой конфигурации блокирующее напряжение UDS(OFF) равно выходному напряжению на резистивной нагрузке R, средний ток ID(ON) равен входному току IIN. Если данная схема используется в РНП, когда IIN больше, чем амплитуда пульсирующего тока, то ИУ на нижней стороне будет испытывать резкие переходы включения и выключения. В данной схеме допускается использование обратного диода вместо транзистора верхнего плеча.
5.5 Схема с понижающим преобразователем с полумостовой конфигурацией приведена на рисунке 2 в). В этой конфигурации ИУ работает в режиме мягкого переключения. Форма ID-UDS для работы с мягким переключением важна для резонансных топологий и топологий с мягким переключением, которые обычно используются для разработки компактных преобразователей мощности, работающих на высокой частоте переключения. Устройство верхнего плеча может быть с жестким и мягким переключением в зависимости от амплитуды IOUT и пульсирующего тока, а также времени простоя.
5.6 Схема включения резистивной нагрузки приведена на рисунке 2 г). Рабочий цикл в режиме переключения с резистивной нагрузкой возможно изменять с большей гибкостью, чем при переключении с индуктивной нагрузкой. Во всех конфигурациях динамическое сопротивление во включенном состоянии возможно измерить с помощью осциллографа.
6 Измерения тока стока и напряжения сток-исток
6.1 Измерения токов ID и напряжений UDS производятся осциллографом методом двойного импульса.
6.2 Метод двойного импульса заключается в переключении ИУ дважды с фиксацией форм сигналов для переходов включения и выключения. На рисунке 1 приведена схема измерений методом двойного импульса, используемая для переключения индуктивной нагрузки с формами сигналов, приведенными на рисунке 3 а).
|

|

|
|
а)
|
б)
|
Рисунок 3 - Формы UGS, UDS и ID
6.3 Так как ИУ переключается только дважды, повышение температуры ИУ из-за самонагрева ограничено. Таким образом, температура перехода ИУ TJ приблизительно равна температуре корпуса ИУ TC и температуре окружающей среды.
При непрерывной работе с резистором на выходе схемы на рисунках 2 а) и 2 б) создают сигналы, показанные на рисунке 3 б). При непрерывной работе ИУ может подвергаться самонагреву. В этом случае температура перехода ИУ TJ может быть выше, чем температура корпуса ИУ TC и температура окружающей среды.
Область ID-UDS должна быть измерена при температуре корпуса ИУ TC, равной фактическому рабочему режиму работы ИУ в конечном изделии, для компенсации которого может потребоваться регулировка температуры окружающей среды.
6.4 Если в схеме используется датчик силы тока для измерения динамического тока стока ID, то он подключается последовательно с истоком ИУ нижнего плеча. Эта позиция имеет общую опорную точку с UDS и UGS, что позволяет использовать пассивные датчики для всех трех измерений. Также могут быть использованы дифференциальные пробники напряжения, если они обеспечивают достаточную полосу пропускания для захвата полного спектра сигналов переключения. Полоса пропускания СИ, используемых для всех измерений напряжения и силы тока, должна быть намного выше, чем эквивалентные частотные составляющие измеряемого сигнала, которые следует оценивать по кратчайшему переходу нарастания или спада измеряемого сигнала по формуле
, (1)
где freq - рабочая частота ИУ;
min(tr, tf) - минимальное значение времени нарастания или спада сигнала.
Для точного захвата подробных сигналов нарастания и спада СИ должны иметь полосу пропускания, не менее чем в пять раз превышающую эту эквивалентную частоту. Полоса пропускания осциллографа и пробника должна учитываться при определении полосы пропускания СИ.
Частота дискретизации СИ должна быть достаточно высокой, чтобы интервал дискретизации был намного меньше, чем продолжительность кратчайшего подъема или спада перехода, для точной фиксации формы перехода.
6.5 Правильное подключение датчиков к ИУ имеет решающее значение для точного измерения формы сигнала. Следует избегать длинных заземляющих проводов и по возможности использовать соединения Кельвина со всеми точками измерений. Сигналы ID и UDS должны быть точно выровнены по времени, чтобы зафиксировать точку переключения путем настройки параметров компенсации смещения на осциллографе.
7 Примеры формы сигналов и траекторий ID-UDS
7.1 На рисунках 4 а) и 5 а) приведены формы сигналов ИУ с жестким переключением в методе измерений с индуктивным переключением с использованием схем, приведенных на рисунке 2 а) или 2 б). Геометрия и формы сигналов соответствуют переключениям ИУ верхнего плеча в понижающем преобразователе или ИУ нижнего плеча в повышающем преобразователе. В этих условиях ток дросселя L во время включения ИУ ID(ON) является важным параметром для определения напряжения переключения.
|

|

|
|
а) Коммутация индуктивной нагрузки с жестким включением и выключением 1
|
б) Переходы включения и выключения с мягким переключением 2
|
|

|

|
|
в) Переключение в резонансной топологии с плавным переключением, переходы включения и выключения с жесткой коммутацией
|
г) Коммутация резистивной нагрузки
|
Рисунок 4 - Упрощенные примеры сигналов во временной области для работы ИУ в различных цепях
--------------------------------
1 Например, верхняя сторона в понижающем преобразователе или нижняя сторона в повышающем преобразователе.
2 Например, нижняя сторона в понижающем преобразователе в режиме непрерывной проводимости с индуктивной нагрузкой.
Рисунок 5 - Временные зависимости ID-UDS
7.2 На рисунках 4 б) и 5 б) приведены осциллограммы и форма кривой "включение-выключение" синхронного ключа в полумостовой топологии преобразователя, в которой установившийся ток стока ID(ON) всегда отрицателен. Эта форма соответствует измерительной схеме на рисунке 2 в) при работе в режиме РНП, при котором сопротивление R выбрано для получения выходного тока IOUT, превышающего амплитуду пульсирующего тока. Если мертвое время достаточно велико для того, чтобы UDS устройства нижнего плеча упало до 0 В до его включения, то это устройство будет переключаться в режиме мягкого переключения. В противном случае может возникнуть частично жесткий переход при включении.
7.3 На рисунках 4 в) и 5 в) приведены формы сигналов устройства с мягким переключением в резонансной топологии. Этот метод допустимо выполнять с использованием схемы, приведенной на рисунке 2 в), но сопротивление R следует выбирать так, чтобы выходной ток IOUT был ниже амплитуды пульсирующего тока. В этом рабочем состоянии ID(ON) колеблется между положительным и отрицательным током во время каждого включенного состояния. Схема может работать как резонансная топология с рабочим циклом 50%, полностью пренебрегая нагрузочным резистором, тем самым устанавливая IOUT на 0 А.
7.4 На рисунках 4 г) и 5 г) приведены осциллограммы и форма сигнала с резистивной нагрузкой. В отличие от метода переключения с индуктивной нагрузкой, в сигнале переключения отсутствует всплеск тока.