Утв. и введен в действие Приказом Федерального агентства по техническому регулированию и метрологии от 21 декабря 2023 г. N 1604-ст
Национальный стандарт РФ ГОСТ Р 56444-2023
"ТРЕНАЖЕРЫ СТАЦИОНАРНЫЕ. ТРЕНАЖЕРЫ ГРЕБНЫЕ. ТРЕБОВАНИЯ БЕЗОПАСНОСТИ И МЕТОДЫ ИСПЫТАНИЙ"
Stationary training equipment. Rowing equipment. Safety requirements and test methods
(ISO 20957-7:2020, NEQ)
ОКС 97.220.30
Дата введения - 1 июня 2024 года
Взамен ГОСТ Р 56444-2015
Предисловие
1 РАЗРАБОТАН Ассоциацией Саморегулируемой организацией "Отраслевое объединение национальных производителей в сфере физической культуры и спорта "Промспорт" (СРО "Промспорт")
2 ВНЕСЕН Техническим комитетом по стандартизации ТК 444 "Спортивные и туристские изделия, оборудование, инвентарь, физкультурные и спортивные услуги"
3 УТВЕРЖДЕН И ВВЕДЕН В ДЕЙСТВИЕ Приказом Федерального агентства по техническому регулированию и метрологии от 21 декабря 2023 г. N 1604-ст
4 В настоящем стандарте учтены основные нормативные положения международного стандарта ИСО 20957-7:2020 "Тренажеры стационарные. Часть 7. Гребные тренажеры, дополнительные специальные требования безопасности и методы испытаний" (ISO 20957-7:2020 "Stationary training equipment - Part 7: Rowing equipment, additional specific safety requirements and test methods", NEQ)
5 ВЗАМЕН ГОСТ Р 56444-2015
Правила применения настоящего стандарта установлены в статье 26 Федерального закона от 29 июня 2015 г. N 162-ФЗ "О стандартизации в Российской Федерации". Информация об изменениях к настоящему стандарту публикуется в ежегодном (по состоянию на 1 января текущего года) информационном указателе "Национальные стандарты", а официальный текст изменений и поправок - в ежемесячном информационном указателе "Национальные стандарты". В случае пересмотра (замены) или отмены настоящего стандарта соответствующее уведомление будет опубликовано в ближайшем выпуске ежемесячного информационного указателя "Национальные стандарты". Соответствующая информация, уведомление и тексты размещаются также в информационной системе общего пользования - на официальном сайте Федерального агентства по техническому регулированию и метрологии в сети Интернет (www.rst.gov.ru)
1 Область применения
Настоящий стандарт распространяется на стационарные тренажеры, имитирующие греблю, и устанавливает требования безопасности, дополняющие общие требования безопасности стационарных тренажеров, указанные в ГОСТ Р 56445.
Настоящий стандарт применим к стационарным гребным тренажерам (далее - тренажеры) классов S, H, I и A, B, C по ГОСТ Р 56445.
2 Нормативные ссылки
В настоящем стандарте использована нормативная ссылка на следующий стандарт:
ГОСТ Р 56445 Тренажеры стационарные. Общие требования безопасности и методы испытаний
Примечание - При пользовании настоящим стандартом целесообразно проверить действие ссылочных стандартов в информационной системе общего пользования - на официальном сайте Федерального агентства по техническому регулированию и метрологии в сети Интернет или по ежегодному информационному указателю "Национальные стандарты", который опубликован по состоянию на 1 января текущего года, и по выпускам ежемесячного информационного указателя "Национальные стандарты" за текущий год. Если заменен ссылочный стандарт, на который дана недатированная ссылка, то рекомендуется использовать действующую версию этого стандарта с учетом всех внесенных в данную версию изменений. Если заменен ссылочный стандарт, на который дана датированная ссылка, то рекомендуется использовать версию этого стандарта с указанным выше годом утверждения (принятия). Если после утверждения настоящего стандарта в ссылочный стандарт, на который дана датированная ссылка, внесено изменение, затрагивающее положение, на которое дана ссылка, то это положение рекомендуется применять без учета данного изменения. Если ссылочный стандарт отменен без замены, то положение, в котором дана ссылка на него, рекомендуется применять в части, не затрагивающей эту ссылку.
3 Термины и определения
В настоящем стандарте применены термины по ГОСТ Р 56445, а также следующий термин с соответствующим определением:
3.1 гребные тренажеры: Стационарные тренажеры с подвижным сиденьем, воспроизводящие движение при гребле.
4 Классификация
4.1 Общая часть
Тренажеры классифицируют по точности и классам применения, как описано в 4.2 и 4.3. Примеры тренажеров показаны на рисунках 1 и 2.

1 - ручка; 2 - рукоятка; 3 - регулятор сопротивления; 4 - сиденье; 5 - направляющая; 6 - рама; 7 – ремень для фиксации ступни; 8 - дисплей; 9 - опора для ступни; 10 - гидравлический/пневматический поршень; 11 - опора на основание
Рисунок 1 - Пример тренажера с гидравлической/пневматической системой

1 - рукоятка; 2 - дисплей; 3 - опора для ступни; 4 – ремень для фиксации ступни; 5 - сиденье; 6 - направляющая; 7 - опора пятки; 8 - корпус; 9 - опора на основание; 10 - ручка
Рисунок 2 - Пример тренажера с тросовой системой
4.2 Классы точности
Классы точности применимы только к тренажерам, отображающим данные тренировки:
класс A - высокая точность;
класс B - средняя точность;
класс C - низкая точность.
Примечание - Требования по классам точности указаны в пунктах настоящего стандарта.
4.3 Классы применения
4.3.1 Класс S (студийный): профессиональное и/или коммерческое применение.
Примечание - Такие тренажеры предназначены для тренировки в таких организациях, как спортивные общества, образовательные учреждения, гостиницы, клубы и студии, где доступ и контроль специально регулирует владелец (персона, несущая юридическую ответственность).
4.3.2 Класс H (домашний): применение дома.
Примечание - Такие стационарные тренажеры предназначены для применения в частных домах, где доступ к оборудованию регулирует владелец (персона, несущая юридическую ответственность).
4.3.3 Класс I: профессиональное и/или коммерческое применение, включая использование людьми с инвалидностью (т.е. инвалидов по зрению, слуху, физическим возможностям или возможностям обучения).
Такое оборудование должно также соответствовать требованиям класса S 4.3.1.
Примечание - Такие тренажеры предназначены для применения в таких организациях, как спортивные общества, образовательные учреждения, гостиницы, реабилитационные учреждения, клубы и студии, где доступ, контроль специально регулируется владельцем (персоной, несущей юридическую ответственность).
5 Требования безопасности
5.1 В зависимости от конструктивного решения и целесообразности применяют следующие требования.
5.2 Наружная конструкция
5.2.1 Места сдавливания, пореза и возвратно-поступательного движения в доступной области должны соответствовать ГОСТ Р 56445.
5.2.2 Элементы трансмиссии, вентиляторы и вращающиеся части тренажера должны соответствовать ГОСТ Р 56445.
5.2.3 Доступные поверхности тренажеров не должны нагреваться более 65 °C.
5.2.4 Сиденье не должно сходить с направляющей, при приложении нагрузки ≥ 100 Н в любых направлениях.
5.3 Естественное нагружение
Тренажеры должны выдерживать нагрузку, в 2,5 раза превышающую максимальный вес тела пользователя, указанный изготовителем, с точностью ± 5%, но не менее 2500 Н.
После проведения испытания тренажеры должны находиться в рабочем состоянии и функционировать так, как это определено изготовителем.
5.4 Рукоятки
Если рукоятки прикреплены к тренажерам гибкими элементами (канат, ремень или цепь), то масса рукоятки без гибкого элемента должна быть не более 600 г. Длина перемещения рукоятки, измеренная от центральной линии упора для ног до центра рукоятки, должна составлять более 1600 мм.
Рукоятки (ручки) не должны иметь острых кромок, трещин, вмятин и заусенцев.
5.5 Нагрузка канатов, ремней, цепей и элементов их крепления
Тренажеры, в которых применены канаты, ремни, цепи и элементы крепления (например, защелки, хомуты, карабины, зажимы и т.п.), должны выдерживать шестикратную статическую нагрузку (350 ± 5) Н.
5.6 Ремень для ступни
Необходимо предусмотреть крепление стопы (ремни для ступней). Для тренажеров классов S и I опоры для ступней или ремни для ступней должны быть регулируемыми для разных размеров ноги. Каждый ремень для ступни должен выдерживать силу натяжения не менее 500 Н, приложенную перпендикулярно опоре для ступни.
После проведения испытания тренажеры должны находиться в рабочем состоянии и функционировать так, как это определено изготовителем.
5.7 Опора для ступни
Каждая опора для ступни должна выдерживать нагрузку не менее 1000 Н, приложенную перпендикулярно опоре для ступни.
После проведения испытания тренажеры должны находиться в рабочем состоянии и функционировать так, как это определено изготовителем.
5.8 Рабочий ресурс
Тренажеры должны выдерживать 12 000 циклов для класса H и 100 000 циклов для классов S и I при нагрузке от максимальной массы тела, назначенной изготовителем, но не менее 100 кг и с максимальным приложенным сопротивлением.
После проведения испытания тренажеры должны находиться в рабочем состоянии и функционировать так, как это определено изготовителем.
5.9 Устойчивость
Тренажеры должны быть устойчивы в любых направлениях в положениях для тренировки, укладки и хранения.
5.10 Дополнительные требования для тренажеров класса A
Для мощности, равной или более 50 Вт, точность отображения должна иметь допуск ± 10%, для мощности менее 50 Вт точность отображения должна находиться в пределах допуска ± 5 Вт.
5.11 Дополнительные требования для тренажеров класса I
Сиденья, опоры для ступни и рукоятки тренажеров должны иметь нащупываемые и рельефные поверхности или ограждения для безопасного использования слепыми и слабовидящими людьми.
5.12 Дополнительные инструкции по эксплуатации
В дополнение к общим инструкциям по эксплуатации по ГОСТ Р 56445 в зависимости от класса тренажеров необходимо предоставлять следующую информацию:
- параметры испытаний: скорость тренировки, установка сопротивления и диапазон перемещения;
- обслуживание и хранение.
6 Методы испытаний
6.1 Общая часть
6.1.1 Контроль размеров
Измерения следует выполнять средствами измерений необходимой точности.
6.1.2 Визуальная проверка
Визуальную проверку следует проводить при надлежащем освещении.
6.1.3 Тактильная проверка
Тактильную проверку следует проводить без перчаток.
6.1.4 Испытание для определения рабочих параметров
Испытуемый тренажер приводят в действие, как предусмотрено изготовителем.
6.1.5 Взвешивание
Измерение массы проводят надлежащими средствами измерений.
6.1.6 Испытание нагрузкой канатов, ремней, цепей и компонентов крепления
Следует вытянуть канат, ремень или цепь на (80 ± 10)% диапазона движения и зажать его. Затем прикладывают испытательную нагрузку к канатам, ремням, цепям и компонентам крепления.
6.2 Испытание сиденья
Прикладывают нагрузку, указанную в 5.2.4, не менее 1 мин. Проверяют, остается ли сиденье всегда прикрепленным к направляющей.
6.3 Определение температуры доступных поверхностей
Измерение температуры следует проводить с точностью ± 1 °C.
Тренажер эксплуатируют (20 ± 1) мин при следующих параметрах: частота (30 + 1) об/мин, (60 + 5)% максимального диапазона перемещения ручки, при максимальном сопротивлении. В течение 10 с после испытания измеряют температуру всех открытых поверхностей.
6.4 Испытание естественного нагружения
Тренажер во время испытания не крепят к полу, устанавливают свободно на ровный пол. Сиденье фиксируют в критическом положении на направляющей и прикладывают нагрузку, указанную в 5.3, по центру сиденья, применяя пластину [(300 ± 5) x (300 ± 5)] мм на 2 мин.
6.5 Испытание ремней для ступни
Прикладывают нагрузку, установленную в 5.6, по центру ремня для ступни, применив ремень шириной (80 ± 5) мм в течение (2 ± 1) мин.
6.6 Испытание опоры для ступни
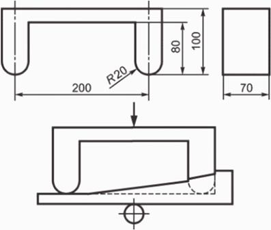
Прикладывают нагрузку, установленную в 5.7, к опоре для ступни в течение (2 ± 1) мин, применяя испытательный прибор, показанный на рисунке 3.

Рисунок 3 - Прибор для испытаний опоры для ступни
6.7 Испытание рабочего ресурса
Испытание рабочего ресурса проводят с числом циклов, указанным в 5.8, со следующими параметрами:
- частота (30 + 1) об/мин;
- (90 ± 5)% максимального диапазона движения сиденья.
6.8 Испытание устойчивости
Испытание проводят по ГОСТ Р 56445.
6.9 Испытание по дополнительным требованиям для класса A
6.9.1 Общая часть
Сравнивают механический ввод мощности с отображением мощности. Отображенная мощность в Вт должна быть в пределах допусков, установленных в 5.10. Средства измерения должны иметь точность ± 2%. Длина хода должна составлять 60% максимально возможного хода ручек.
Измерения можно проводить, применяя динамометр или вычисляя входную силу расстояние и время.
6.9.2 Независимый от скорости тренажер
Испытание проводят следующим образом:
а) циклически эксплуатируют тренажер в течение 1 ч со следующими параметрами:
- частота (25 + 1) об/мин,
- (60 ± 5)% максимального диапазона движения рукоятки; при максимальном сопротивлении тренажера;
б) выдерживают тренажер до достижения им температуры (20 ± 2) °C;
в) регулируют тренажер, установив самое низкое сопротивление и циклически эксплуатируют при частоте (25 + 1) об/мин;
г) циклически эксплуатируют в течение 1 мин, затем вычисляют мощность на основе измеренных параметров и вновь сравнивают с мощностью, отображенной на дисплее без остановки тренажера;
д) циклически эксплуатируют в течение 15 мин, по прошествии 15 мин вычисляют мощность на основе измеренных параметров и вновь сравнивают с мощностью, отображенной на дисплее без остановки тренажера;
е) выдерживают тренажер до достижения им температуры (20 ± 2) °C, затем выполняют описанную выше процедуру со следующими установками:
- среднего сопротивления и циклом при (25 + 1) об/мин,
- максимального сопротивления и циклом при (25 + 1) об/мин,
- произвольной установкой сопротивления, не применявшейся при скорости (35 + 1) об/мин.
6.9.3 Зависимый от скорости тренажер
Испытание проводят следующим образом:
а) циклически эксплуатируют тренажер в течение 1 ч со следующими параметрами:
- частота (25 + 1) об/мин,
- (60 ± 5)% максимального диапазона движения ручки;
б) выдерживают тренажер до достижения им температуры (20 ± 2) °C;
в) циклически эксплуатируют тренажер при частоте (20 + 1) об/мин;
г) циклически эксплуатируют в течение 1 мин, затем вычисляют мощность на основе измеренных параметров и вновь сравнивают с отображенной на дисплее без остановки тренажера;
д) циклически эксплуатируют в течение 15 мин, по прошествии 15 мин вычисляют мощность на основе измеренных параметров и вновь сравнивают с отображенной на дисплее без остановки тренажера;
е) выдерживают тренажер до достижения им температуры (20 ± 2) °C, затем выполняют описанную выше процедуру со следующим циклом:
- цикл при (35 + 1) об/мин,
- не применявшийся, произвольный цикл при скорости 20 - 35 об/мин.
7 Протокол испытания
Протокол должен содержать информацию в соответствии с ГОСТ Р 56445 и настоящим стандартом.