ГОСТ Р 71086-2023 БЛОКИ СЛОЖНО-ФУНКЦИОНАЛЬНЫЕ. РУКОВОДСТВО ПОЛЬЗОВАТЕЛЯ
Утв. и введен в действие Приказом Федерального агентства по техническому регулированию и метрологии от 9 ноября 2023 г. N 1369-ст
IP cores. User guide
ОКС 31.190
Дата введения - 1 января 2024 года
Введен впервые
Предисловие
1 РАЗРАБОТАН Акционерным обществом "Научно-производственное предприятие "Цифровые решения" (АО "НПП "Цифровые решения")
2 ВНЕСЕН Техническим комитетом по стандартизации ТК 303 "Электронная компонентная база, материалы и оборудование"
3 УТВЕРЖДЕН И ВВЕДЕН В ДЕЙСТВИЕ Приказом Федерального агентства по техническому регулированию и метрологии от 9 ноября 2023 г. N 1369-ст
4 ВВЕДЕН ВПЕРВЫЕ
Правила применения настоящего стандарта установлены в статье 26 Федерального закона от 29 июня 2015 г. N 162-ФЗ "О стандартизации в Российской Федерации". Информация об изменениях к настоящему стандарту публикуется в ежегодном (по состоянию на 1 января текущего года) информационном указателе "Национальные стандарты", а официальный текст изменений и поправок - в ежемесячном информационном указателе "Национальные стандарты". В случае пересмотра (замены) или отмены настоящего стандарта соответствующее уведомление будет опубликовано в ближайшем выпуске ежемесячного информационного указателя "Национальные стандарты". Соответствующая информация, уведомление и тексты размещаются также в информационной системе общего пользования - на официальном сайте Федерального агентства по техническому регулированию и метрологии в сети Интернет (www.rst.gov.ru)
Настоящий стандарт распространяется на сложно-функциональные блоки (далее - СФ-блоки), применяемые при разработке интегральных микросхем.
Настоящий стандарт устанавливает требования к построению, содержанию, изложению и оформлению руководства пользователя СФ-блока.
При необходимости требования, установленные в настоящем стандарте, могут быть конкретизированы в стандартах и/или иных документах разработчика СФ-блока.
В настоящем стандарте использованы нормативные ссылки на следующие стандарты:
ГОСТ 2.701 Единая система конструкторской документации. Схемы. Виды и типы. Общие требования к выполнению
ГОСТ 19781 Обеспечение систем обработки информации программное. Термины и определения
ГОСТ Р 2.105 Единая система конструкторской документации. Общие требования к текстовым документам
ГОСТ Р 55386 Интеллектуальная собственность. Термины и определения
ГОСТ Р 57435 Микросхемы интегральные. Термины и определения
ГОСТ Р 70290 Системы автоматизированного проектирования электроники. Термины и определения
ГОСТ Р 70916 Блоки сложно-функциональные. Термины и определения
Примечание - При пользовании настоящим стандартом целесообразно проверить действие ссылочных стандартов в информационной системе общего пользования - на официальном сайте Федерального агентства по техническому регулированию и метрологии в сети Интернет или по ежегодному информационному указателю "Национальные стандарты", который опубликован по состоянию на 1 января текущего года, и по выпускам ежемесячного информационного указателя "Национальные стандарты" за текущий год. Если заменен ссылочный стандарт, на который дана недатированная ссылка, то рекомендуется использовать действующую версию этого стандарта с учетом всех внесенных в данную версию изменений. Если заменен ссылочный стандарт, на который дана датированная ссылка, то рекомендуется использовать версию этого стандарта с указанным выше годом утверждения (принятия). Если после утверждения настоящего стандарта в ссылочный стандарт, на который дана датированная ссылка, внесено изменение, затрагивающее положение, на которое дана ссылка, то это положение рекомендуется применять без учета данного изменения. Если ссылочный стандарт отменен без замены, то положение, в котором дана ссылка на него, рекомендуется применять в части, не затрагивающей эту ссылку.
В настоящем стандарте применены термины по ГОСТ 2.701, ГОСТ 19781, ГОСТ Р 55386, ГОСТ Р 57435, ГОСТ Р 70290, ГОСТ Р 70916.
4.1 Руководство пользователя является основным документом, предназначенным для выбора СФ-блока, понимания его характеристик и принципов работы.
4.2 Руководство пользователя следует разрабатывать на один конкретный СФ-блок или на множество однотипных СФ-блоков.
4.3 В руководстве пользователя требования, приведенные в соответствующих межгосударственных и национальных стандартах, повторять не следует, данные требования заменяют ссылками на эти стандарты.
4.4 Общее оформление титульного листа, заголовков, текста, приложений, перечислений, таблиц, графического материала, формул, ссылок, примечаний, примеров, единиц величин и числовых значений рекомендуется выполнять согласно требованиям ГОСТ Р 2.105.
4.5 Руководство пользователя может быть выполнено в бумажной и/или электронной форме (на бумажных и/или электронных носителях).
4.6 В руководстве пользователя не допускается двусмысленность информации, а именно:
- руководство пользователя должно быть сформулировано точно и понятно для квалифицированного персонала;
- последовательность выполняемых действий должна быть однозначной;
- риски и запреты должны быть точно сформулированы и изложены.
5.1 Общая структура руководства пользователя
5.1.1 Руководство пользователя должно содержать введение и разделы, расположенные в следующей последовательности:
- описание СФ-блока;
- комплект поставки;
- функциональное описание;
- тестовое окружение;
- верификация;
- отбраковочные испытания;
- информационный лист;
- история изменений;
- список ошибок.
5.1.1.1 При необходимости руководство пользователя может быть дополнено другими разделами (подразделами), в зависимости от типа и особенностей СФ-блока.
5.1.1.2 Отсутствие требований, ограничений или рекомендаций ввиду особенностей СФ-блока должно быть явно и однозначно отражено в содержании раздела (подраздела).
5.1.1.3 Допускается приводить разделы "Информационный лист", "История изменений", "Список ошибок" и "Список файлов" в виде приложений к руководству пользователя.
5.1.1.4 Допускается в наименованиях разделов (подразделов) заменять сокращение "СФ-блок" на наименование СФ-блока.
5.1.2 Допускается в качестве дополнительных разделов руководства пользователя использовать руководство по программированию и руководство по интеграции.
Примечание - В таком случае содержание дополнительных разделов руководства пользователя "Руководство по программированию" и "Руководство по интеграции" должно соответствовать требованиям соответствующих стандартов.
5.2 Введение
5.2.1 Допускается включать во введение информацию о разработчике СФ-блока.
5.2.2 Введение должно содержать контактные данные службы технической поддержки.
Примечание - Также допускается приводить контактную информацию для связи в мессенджерах, социальных сетях и средствах видеосвязи.
5.2.3 Допускается включать во введение информацию о защите интеллектуальной собственности.
5.2.4 Рекомендуется включать во введение заявление об освобождении от ответственности в случае несоблюдения требований руководства пользователя.
5.3 Описание СФ-блока
5.3.1 Раздел "Описание СФ-блока" должен содержать подразделы в следующей последовательности:
- область применения;
- основные характеристики;
- схема СФ-блока;
- интерфейсы.
5.3.2 Подраздел "Область применения" должен содержать информацию о возможных областях использования СФ-блока и рекомендуемых схемах применения.
5.3.3 Подраздел "Основные характеристики" должен содержать перечень технических характеристик СФ-блока.
5.3.4 Подраздел "Схема СФ-блока" должен содержать схему СФ-блока, наглядно иллюстрирующую взаимодействие функциональных частей СФ-блока.
5.3.4.1 Допускается приводить упрощенную схему, иллюстрирующую только интерфейсы СФ-блока и не раскрывающую его структуру, в соответствии с рисунком 1.

Рисунок 1 - Пример выполнения упрощенной схемы СФ-блока
5.3.5 Подраздел "Интерфейсы" должен содержать ссылки на стандарты и/или другие руководящие документы, в соответствии с которыми реализованы интерфейсы передачи информации СФ-блока.
5.4 Комплект поставки
5.4.1 Раздел "Комплект поставки" должен содержать сведения о составе и форме представления комплекта поставки СФ-блока.
5.4.2 Раздел должен содержать сведения о всех вариантах поставки СФ-блока.
5.4.3 Раздел должен содержать ссылки на стандарты или руководящие документы, в соответствии с которыми реализованы составные части комплекта поставки СФ-блока.
5.4.4 Должен быть приведен список файлов, входящих в комплект поставки, а также приведена необходимая дополнительная информация.
5.4.4.1 В разделе должен быть указан перечень файлов, подвергнутых процедуре обфускации.
5.5 Функциональное описание
5.5.1 Раздел "Функциональное описание" должен содержать подразделы в следующей последовательности:
- описание работы СФ-блока;
- описание интерфейсов;
- описание сигналов тактирования и сброса;
- описание сигналов земли и питания;
- электрические и временные характеристики.
Примечание - Подразделы "Описание интерфейсов", "Описание сигналов тактирования и сброса", "Описание сигналов земли и питания", "Электрические и временные характеристики" следует приводить, только если они применимы для конкретного СФ-блока.
5.5.2 Подраздел "Описание работы СФ-блока" должен содержать описание алгоритмов и режимов работы СФ-блока, процедур инициализации, необходимых для его работы.
5.5.2.1 Рекомендуется приводить в подразделе графический материал, наглядно иллюстрирующий временные характеристики работы СФ-блока.
5.5.2.2 Допускается использовать временные диаграммы, построенные в результате моделирования с помощью систем автоматизированного проектирования (САПР) и вспомогательного программного обеспечения (ПО).
5.5.2.3 Описание временной диаграммы должно содержать сведения о назначении сигналов, указанных на диаграмме.
Примечание - Временные диаграммы для интерфейсных сигналов, установленных в стандартах или руководящих документах, приводить не следует.
5.5.3 Подраздел "Описание интерфейсов" должен содержать следующие сведения об интерфейсных сигналах (шинах) СФ-блока:
- наименование сигнала;
- ширина сигнала;
- тип сигнала;
- описание сигнала.
5.5.3.1 Для обозначения ширины сигналов СФ-блока следует использовать прямоугольные скобки. Начальный и конечный бит следует разделять двоеточием. Обозначение ширины сигнала следует приводить после наименования сигнала.
Примечание - Для сигналов шириной 1 бит обозначение ширины сигнала приводить не следует.
5.5.3.2 Допускается группировать описания сигналов СФ-блока по признакам, которые разработчик СФ-блока посчитает необходимыми.
5.5.3.3 Пример описания сигналов СФ-блока приведен в таблице 1.
Таблица 1
|
Сигнал |
Тип вывода |
Описание |
|
Сигналы тактирования | ||
|
A_CLK |
Вход |
Тактовый входящий сигнал A (200 МГц) |
|
Сигналы сброса | ||
|
Signal_C[2:0] |
Вход |
Сигнал синхронизирован с B_CLK и сбрасывает всю логику в домене B_CLK |
|
Сигналы отладки | ||
|
Signal_debug [1:0] |
Выход |
Сигнал содержит код ошибки: - 00 - ошибка отсутствует; - 01 - ошибка питания; - 10 - ошибка тактирования; - 11 - ошибка выполняемой функции |
|
Сигналы прерывания | ||
|
Signal_interrupt |
Выход |
Локальная ошибка и прерывание сигнала состояния. Сигнал активен до тех пор, пока не будет выключен записью значения 0x00 в регистр INT_SETTINGS |
5.5.3.4 Допускается приводить в подразделе схемы электрические структурные и таблицы истинности для пояснения работы сигналов.
5.5.3.5 Рекомендуется для каждого сигнала, кроме тактовых, указывать тактовый домен, к которому они относятся.
5.5.4 Подраздел "Описание сигналов тактирования и сброса" должен содержать:
- требования к характеристикам сигналов тактирования и сброса, взаимосвязи между сигналами;
- схемы организации тактовых доменов в СФ-блоке;
- требования к передаче данных между тактовыми доменами.
5.5.5 Подраздел "Описание сигналов земли и питания" должен содержать описание цепей земли и питания СФ-блока, а также требования к последовательности подачи и снятия питания.
5.5.6 Подраздел "Электрические и временные характеристики" должен содержать описание электрических и временных характеристик СФ-блока, предельно допустимых и предельных режимов его работы (если это необходимо).
Примечание - Для верификационного СФ-блока описание электрических характеристик приводить не следует.
5.5.6.1 Описание электрических характеристик должно содержать наименование параметра, единицы измерения, минимальные и максимальные значения.
5.5.6.2 Описание предельно допустимых и предельных режимов должно содержать наименование параметра, единицы измерения, минимальные и/или максимальные значения.
5.5.6.3 Допускается приводить дополнительную информацию для описания электрических характеристик, предельно допустимых и предельных режимов, например условные обозначения параметров, описание параметров, значения сигналов, которые необходимы для достижения указанных значений параметров.
5.5.6.4 Допускается для описания временных характеристик использовать временные диаграммы, построенные в результате моделирования с помощью инструментов САПР и вспомогательного ПО.
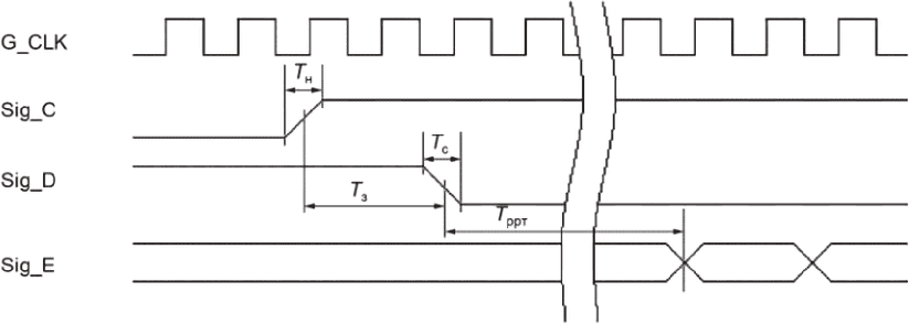
5.5.6.5 Рекомендуется временные диаграммы и описание временных характеристик приводить, как показано в примере на рисунке 2.

Рисунок 2 - Пример оформления временной диаграммы и описания временных характеристик СФ-блока
5.5.6.6 Описание временных характеристик рекомендуется приводить, как указано в таблице 2.
Таблица 2
|
Параметр |
Условное обозначение |
Минимальное значение |
Максимальное значение |
|
Время нарастания, нс |
Tн |
- |
3 |
|
Время спада, нс |
Tс |
- |
3 |
|
Время задержки, нс |
Tз |
5 |
10 |
|
Резервное время для режима тестирования, нс |
Tррт |
500 |
- |
5.6 Тестовое окружение
5.6.1 Раздел "Тестовое окружение" должен содержать сведения о составе тестового окружения, входящего в комплект поставки СФ-блока, перечне контролируемых параметров и методах тестирования.
5.6.1.1 Рекомендуется приводить перечень контролируемых параметров с указанием их обозначений, наименований, минимальных и максимальных значений.
5.6.1.2 Рекомендуется включать в раздел сведения о методах тестирования, соответствующих стандартам или руководящим документам.
5.7 Верификация
5.7.1 Раздел "Верификация" должен содержать последовательность и описание процедур верификации СФ-блока, выполняемых входящим в комплект поставки тестовым окружением.
5.7.1.1 Рекомендуется включать в раздел требования к используемым в процессе верификации САПР.
5.7.1.2 Раздел должен содержать критерии оценки результатов верификации.
5.8 Отбраковочные испытания
5.8.1 Раздел "Отбраковочные испытания" должен содержать сведения о методах контроля, режимах контроля и нормах параметров микросхем в процессе их изготовления (на пластине и после сборки в корпус) в части рассматриваемого СФ-блока.
Примечание - Для верификационного и логического СФ-блоков данный раздел приводить в руководстве пользователя не следует.
5.8.2 Методы контроля должны быть объективными, точно сформулированными и должны обеспечивать воспроизводимые результаты.
5.8.3 Рекомендуется при использовании косвенных методов измерений приводить обоснование их использования.
5.8.4 При наличии функций самотестирования СФ-блока должны быть приведены инструкции по их использованию.
5.8.5 Для каждого метода контроля, в зависимости от специфики проведения, должны быть установлены требования:
- к оборудованию и оснастке;
- подготовке к контролю;
- проведению контроля;
- обработке результатов.
5.8.5.1 При изложении требований к оборудованию и оснастке следует приводить нормы погрешности.
5.8.5.2 При изложении требований к проведению контроля следует приводить последовательность и описание проводимых процедур.
5.8.5.3 Допускается при изложении требований к обработке результатов контроля приводить расчетные формулы, указывать точность вычислений, а также допустимые расхождения.
5.9 Информационный лист
5.9.1 Раздел "Информационный лист" должен содержать таблицу со сведениями об СФ-блоке в соответствии с приложением А.
5.9.2 Для выбора категории и подкатегории СФ-блока рекомендуется использовать приложение Б.
5.10 История изменений
5.10.1 Раздел "История изменений" должен содержать список версий комплекта поставки СФ-блока с датами выпуска. Для каждой версии должен быть предоставлен перечень выполненных изменений, а также необходимая дополнительная информация.
5.10.2 Сведения об истории изменений рекомендуется приводить в виде таблицы (см. таблицу 3).
Таблица 3
|
Версия комплекта поставки |
Дата выпуска |
Перечень выполненных изменений |
|
Версия 1.00 |
01.05.2001 |
Начальная версия |
|
Версия 1.10 |
11.06.2002 |
Устранена ошибка наименования регистров в таблице 21 руководства по программированию |
|
Версия 2.00 |
12.07.2003 |
Устранена ошибка совместимости со средствами разработки в модуле /src/rtl/top/core.v Изменен алгоритм верификации СФ-блока |
5.11 Список ошибок
5.11.1 Раздел "Список ошибок" должен содержать список всех ошибок в СФ-блоке, выявленных на момент создания документа.
5.11.2 Для каждой ошибки должен быть установлен уникальный идентификатор и приведены следующие характеристики:
- категория;
- статус;
- описание;
- условия возникновения;
- вызываемые последствия;
- способы обхода и рекомендации.
5.11.2.1 Ошибки должны быть отнесены к одной из категорий:
- критические ошибки, ограничивающие функционал СФ-блока, - не имеют приемлемых вариантов обхода;
- существенные ошибки, ограничивающие функционал СФ блока, - имеют способ обхода, реализуемый в большинстве вариантов использования;
- несущественные ошибки, приводящие к отличию поведения СФ-блока от описанного в документации, - не имеют последствий при выполнении предоставленных рекомендаций.
5.11.2.2 В описании статуса ошибки следует приводить информацию о версиях комплекта поставки СФ-блока, в которых присутствует ошибка. Если разработчик планирует исправить ошибку в последующих версиях комплекта поставки, это необходимо отразить в разделе.
Приложение А
(обязательное)
|
Наименование параметра |
Значение параметра |
|
1 Наименование | |
|
2 Разработчик | |
|
3 Краткое описание | |
|
4 Категория | |
|
5 Подкатегория | |
|
6 Тип блока |
Логический (Soft IP). Физический (Hard IP). Верификационный (Verification IP). Другое |
|
7 Статус СФ-блока |
В разработке. Разработан. Проверен на базе FPGA/в кремнии. Проверен в продукте. Серийное изготовление |
|
8 Дополнительная информация | |
|
9 Условия поставки |
Готов к поставке. Требуется подготовка к поставке (ПБ) |
|
10 Поддерживаемые стандарты | |
|
11 Разрядность, бит | |
|
12 Частота (скорость передачи данных), МГц (Мбит/с) | |
|
13 Проектные нормы, нм | |
|
14 Фабрика | |
|
15 Технологический процесс | |
|
Примечания 1 В поле "Дополнительная информация" рекомендуется указывать количество, наименование и объем выпуска продуктов, в которых был использован рассматриваемый СФ-блок, используемые средства верификации СФ-блока, возможность свободного использования СФ-блока. 2 Параметры "Разрядность", "Частота (скорость передачи данных)" "Проектные нормы", "Фабрика" и "Технологический процесс" следует приводить в зависимости от особенностей СФ-блока. | |
Приложение Б
(справочное)
|
Категории |
Подкатегории |
|
Аналоговые, аналого-цифровые блоки |
Аналого-цифровые преобразователи (АЦП) |
|
Цифроаналоговые преобразователи (ЦАП) | |
|
Phase-Locked Loop (PLL) | |
|
Delay lock loop (DLL) | |
|
Осцилляторы | |
|
Сенсоры | |
|
Сенсоры температуры | |
|
Аналоговые блоки | |
|
Радиочастотные блоки | |
|
Стабилизаторы напряжения | |
|
Опорные источники | |
|
Другие | |
|
Процессоры |
Контроллеры |
|
Общего назначения | |
|
Сигнальные | |
|
Сопроцессоры | |
|
Видео | |
|
Тензорные | |
|
Другие | |
|
Контроллеры интерфейсов и блоки физического уровня (PHY) |
Ethernet |
|
Serial RapidIO (SRIO)/RapidIO | |
|
Peripheral component interconnect express (PCIe) | |
|
Universal serial bus (USB) | |
|
Serial advanced technology attachment (SATA)/Serial attached small computer system interface (SAS) | |
|
Низкоскоростные интерфейсы | |
|
Mobile industry processor interface (MIPI) | |
|
SpaceWire | |
|
Мультистандартные | |
|
Standardized serial interface used by data converters and logic devices (JESD204) | |
|
Low-voltage differential signaling (LVDS) | |
|
DisplayPort/HDMI | |
|
Другие | |
|
Контроллеры памяти и блоки физического уровня (PHY) |
Double data rate synchronous dynamic random access memory (DDR SDRAM) |
|
High bandwidth memory (HBM) | |
|
NAND Flash | |
|
Мультистандартные | |
|
Другие | |
|
Инфраструктура системы на кристалле |
Системная шина |
|
Другие | |
|
Обработка данных |
Кодеры/декодеры видео |
|
Кодеры/декодеры аудио | |
|
Математические функции | |
|
Кодеры/декодеры кодов коррекции ошибок Error correction code (ECC) | |
|
Другие | |
|
Безопасность |
Криптография |
|
Другие | |
|
Связь |
Forward error correction (FEC) |
|
Модуляторы/демодуляторы | |
|
Кодеры/декодеры | |
|
Другие | |
|
Память и стандартные библиотеки |
Встроенное оперативное запоминающее устройство (ОЗУ)/постоянное запоминающее устройство (ПЗУ) |
|
Энергонезависимая память | |
|
Стандартные элементы (STD) | |
|
Блоки ввода/вывода (IO) | |
|
Другие |


