ГОСТ Р МЭК 60809-2022 ИСТОЧНИКИ СВЕТА ЭЛЕКТРИЧЕСКИЕ ДЛЯ ДОРОЖНЫХ ТРАНСПОРТНЫХ СРЕДСТВ. ТЕХНИЧЕСКИЕ ТРЕБОВАНИЯ И МЕТОДЫ ИСПЫТАНИЙ
Утв. и введен в действие Приказом Федерального агентства по техническому регулированию и метрологии от 10 октября 2022 г. N 1106-ст
Electric light sources for road vehicles. Technical requirements and test methods
(IEC 60809:2021, Lamps and light sources for road vehicles - Dimensional, electrical and luminous requirements, IDT)
ОКС 29.140.20
43.040.20
Дата введения - 1 июля 2023 года
Взамен ГОСТ Р МЭК 60809-2012
Предисловие
1 ПОДГОТОВЛЕН Обществом с ограниченной ответственностью "Научно-исследовательский институт источников света имени А.Н. Лодыгина" (ООО "НИИИС имени А.Н. Лодыгина") на основе собственного перевода на русский язык англоязычной версии стандарта, указанного в пункте 4
2 ВНЕСЕН Техническим комитетом по стандартизации ТК 332 "Светотехнические изделия, освещение искусственное"
3 УТВЕРЖДЕН И ВВЕДЕН В ДЕЙСТВИЕ Приказом Федерального агентства по техническому регулированию и метрологии от 10 октября 2022 г. N 1106-ст
4 Настоящий стандарт идентичен международному стандарту МЭК 60809:2021 "Лампы и источники света для дорожных транспортных средств. Требования к размерам, электрическим и световым параметрам" (IEC 60809:2021 "Lamps and light sources for road vehicles - Dimensional, electrical and luminous requirements", IDT).
Наименование настоящего стандарта изменено относительно наименования указанного международного стандарта для приведения в соответствие с ГОСТ Р 1.5-2012 (пункт 3.5).
При применении настоящего стандарта рекомендуется использовать вместо ссылочных международных стандартов соответствующие им национальные и межгосударственные стандарты, сведения о которых приведены в дополнительном приложении ДА
5 ВЗАМЕН ГОСТ Р МЭК 60809-2012
Правила применения настоящего стандарта установлены в статье 26 Федерального закона от 29 июня 2015 г. N 162-ФЗ "О стандартизации в Российской Федерации". Информация об изменениях к настоящему стандарту публикуется в ежегодном (по состоянию на 1 января текущего года) информационном указателе "Национальные стандарты", а официальный текст изменений и поправок - в ежемесячном информационном указателе "Национальные стандарты". В случае пересмотра (замены) или отмены настоящего стандарта соответствующее уведомление будет опубликовано в ближайшем выпуске ежемесячного информационного указателя "Национальные стандарты". Соответствующая информация, уведомление и тексты размещаются также в информационной системе общего пользования - на официальном сайте Федерального агентства по техническому регулированию и метрологии в сети Интернет (www.rst.gov.ru)
Настоящий стандарт распространяется на электрические источники света (см. примечание 1), используемые в автомобилестроении, например в световых приборах внутреннего и внешнего освещения и/или устройствах световой сигнализации для дорожных транспортных средств.
Настоящий стандарт распространяется на источники света, приведенные в Резолюции ООН R.E.5, и источники света, подпадающие под действие других законодательных актов.
Настоящий стандарт устанавливает технические требования к электрическим источникам света для обеспечения их взаимозаменяемости (например, требования к размерам, электрическим и фотометрическим параметрам) и методы испытаний.
Для источников света в таблицах приведены данные с указанием требований настоящего стандарта или соответствующие ссылки на Резолюцию ООН R.E.5.
Эксплуатационные характеристики (например, срок службы, стойкость к крутящему моменту, вибрации и удару) и соответствующие методы испытаний установлены в МЭК 60810.
Требования к миниатюрным источникам света, применяемым для дополнительных целей, не подпадающим под действие законодательства, установлены в МЭК 60983.
Примечания
1 Термины "лампа" и "источник света" в настоящем стандарте применены как взаимозаменяемые, так как их используют для обозначения одного и того же изделия.
2 В различных словарях и стандартах используют разные термины: "лампа накаливания" (МЭК 60050-845:1987, статья 845-07-04), "разрядная лампа" (МЭК 60050-845:1987, статья 845-07-17) и "светодиодная лампа". В настоящем стандарте применены термины "лампа накаливания", "разрядная лампа" и "светодиодный источник света". Однако термины "лампа" и "источник света" в настоящем стандарте относятся ко всем источникам света независимо от технологии их изготовления, если только в контексте не указано, что их применяют только к конкретному источнику света.
В Правилах ООН для обозначения изделий, на которые распространяется настоящий стандарт, использован термин "источник света".
3 Примененные в настоящем стандарте термины "устройство" и "прибор" предназначены для обозначения оборудования, используемого в качестве светильника. Данные термины применяют, например, для обозначения фары или фонаря.
В настоящем стандарте использованы нормативные ссылки на следующие стандарты [для датированных ссылок применяют только указанное издание ссылочного стандарта, для недатированных - последнее издание (включая все изменения)]:
IEC 60050-845, International Electrotechnical Vocabulary - Part 845: Lighting (available at http://www.electropedia.org/) [Международный электротехнический словарь. Часть 845. Освещение (доступен по адресу: http://www.electropedia.org/)]
IEC 60051-1, Direct acting indicating analogue electrical measuring instruments and their accessories - Part 1: Definitions and general requirements common to all parts (Приборы электроизмерительные аналоговые показывающие прямого действия и части к ним. Часть 1. Определения и основные требования, общие для всех частей)
IEC 60061-1, Lamp caps and holders together with gauges for the control of interchangeability and safety - Part 1: Lamp caps (available at http://std.iec.ch/iec60061) [Цоколи и патроны для источников света с калибрами для проверки взаимозаменяемости и безопасности. Часть 1. Цоколи (доступен по адресу: http://std.iec.ch/iec60061)]
IEC 60810:2017, Lamps, light sources and LED packages for road vehicles - Performance requirements, IEC 60810:2017/AMD1:2019 (Лампы, источники света и корпусированные светодиоды для дорожных транспортных средств. Эксплуатационные требования, МЭК 60810:2017/Изм. 1:2019)
CIE 015:2018, Colorimetry (Колориметрия)
United Nations, Vehicle Regulations - 1958 Agreement, Agreement concerning the Adoption of Harmonized Technical United Nations Regulations for Wheeled Vehicles, Equipment and Parts which can be Fitted and/or be Used on Wheeled Vehicles and the Conditions for Reciprocal Recognition of Approvals Granted on the Basis of these United Nations Regulations (Revision 3) Available at: www.unece.org/trans/main/wp29/wp29regs.html (website checked 2021-01-18) [Организация Объединенных Наций. Правила в области транспортных средств. Соглашение 1958 года. Соглашение о принятии согласованных технических правил Организации Объединенных Наций для колесных транспортных средств, предметов оборудования и частей, которые могут быть установлены и/или использованы на колесных транспортных средствах, и об условиях взаимного признания официальных утверждений, выдаваемых на основе этих правил Организации Объединенных Наций (Пересмотр 3) <1>]. Доступно по адресу: www.unece.org/trans/main/wp29/wp29regs.html (веб-сайт проверен 2021-01-18)
--------------------------------
<1> Известно также как Соглашение 1958 г. В настоящем стандарте для Правил по этому соглашению применена ссылка, например, на Правила ООН 37 или R37.
Addendum 3: Regulation No. 4, Uniform provisions concerning the approval of devices for the illumination of rear registration plates of power-driven vehicles and their trailers (Дополнение 3. Правила N 4. Единообразные предписания, касающиеся официального утверждения приборов для освещения задних номерных знаков механических транспортных средств и их прицепов)
Addendum 5: Regulation No. 6, Uniform provisions concerning the approval of direction indicators for power-driven vehicles and their trailers (Дополнение 5. Правила N 6. Единообразные предписания, касающиеся официального утверждения указателей поворота механических транспортных средств и их прицепов)
Addendum 6: Regulation No. 7, Uniform provisions concerning the approval of front and rear position lamps, stop-lamps and end-outline marker lamps for motor vehicles (except motor cycles) and their trailers [Дополнение 6. Правила N 7. Единообразные предписания, касающиеся официального утверждения передних и задних габаритных огней, сигналов торможения и контурных огней механических транспортных средств (за исключением мотоциклов) и их прицепов]
Addendum 22: Regulation No. 23, Uniform provisions concerning the approval of reversing and manoeuvring lamps for power-driven vehicles and their trailers (Дополнение 22. Правила N 23. Единообразные предписания, касающиеся официального утверждения задних фар механических транспортных средств и их прицепов)
Addendum 36: Regulation No. 37, Uniform provisions concerning the approval of filament lamps for use in approved lamp units of power-driven vehicles and of their trailers (Дополнение 36. Правила N 37. Единообразные предписания, касающиеся официального утверждения ламп накаливания, предназначенных для использования в официально утвержденных огнях механических транспортных средств и их прицепов)
Addendum 37: Regulation No. 38, Uniform provisions concerning the approval of rear fog lamps for power-driven vehicles and their trailers (Дополнение 37. Правила N 38. Единообразные предписания, касающиеся официального утверждения задних противотуманных огней механических транспортных средств и их прицепов)
Addendum 47: Regulation No. 48, Uniform provisions concerning the approval of vehicles with regard to the installation of lighting and light-signalling devices (Дополнение 47. Правила N 48. Единообразные предписания, касающиеся официального утверждения транспортных средств в отношении установки устройств освещения и световой сигнализации)
Addendum 49: Regulation No. 50, Uniform provisions concerning the approval of front position lamps, rear position lamps, stop lamps, direction indicators and rear-registration-plate illuminating devices for vehicles of category Labels (Дополнение 49. Правила N 50. Единообразные предписания, касающиеся официального утверждения передних и задних габаритных огней, сигналов торможения, указателей поворота и устройств освещения задних номерных знаков для транспортных средств категории L)
Addendum 76: Regulation No. 77, Uniform provisions concerning the approval of parking lamps for power-driven vehicles (Дополнение 76. Правила N 77. Единообразные предписания, касающиеся официального утверждения стояночных фонарей механических транспортных средств)
Addendum 86: Regulation No. 87, Uniform provisions concerning the approval of daytime running lamps for power-driven vehicles (Дополнение 86. Правила N 87. Единообразные предписания, касающиеся официального утверждения дневных ходовых огней механических транспортных средств)
Addendum 90: Regulation No. 91, Uniform provisions concerning the approval of side-marker lamps for motor vehicles and their trailers (Дополнение 90. Правила N 91. Единообразные предписания, касающиеся официального утверждения боковых габаритных фонарей для механических транспортных средств и их прицепов)
Addendum 98: Regulation No. 99, Uniform provisions concerning the approval of gas-discharge light sources for use in approved gas-discharge lamp units of power-driven vehicles (Дополнение 98. Правила N 99. Единообразные предписания, касающиеся официального утверждения газоразрядных источников света, предназначенных для использования в официально утвержденных фарах механических транспортных средств)
Addendum 100: Regulation No. 101, Uniform provisions concerning the approval of passenger cars powered by an internal combustion engine only, or powered by a hybrid electric power train with regard to the measurement of the emission of carbon dioxide and fuel consumption and/or the measurement of electric energy consumption and electric range, and of categories M1 and N1 vehicles powered by an electric power train only with regard to the measurement of electric energy consumption and electric range (Дополнение 100. Правила N 101. Единообразные предписания, касающиеся официального утверждения легковых автомобилей, приводимых в движение только двигателем внутреннего сгорания либо приводимых в движение при помощи гибридного электропривода, в отношении измерения объема выбросов диоксида углерода и расхода топлива и/или измерения расхода электроэнергии и запаса хода на электротяге, а также транспортных средств категорий M1 и N1, приводимых в движение только при помощи электропривода, в отношении измерения расхода электроэнергии и запаса хода на электротяге)
Addendum 118: Regulation No. 119, Uniform provisions concerning the approval of cornering lamps for power-driven vehicles (Дополнение 118. Правила N 119. Единообразные предписания, касающиеся официального утверждения угловых повторителей поворота механических транспортных средств)
Addendum 127: Regulation No. 128, Uniform provisions concerning the approval oflight emitting diode (LED) light sources for use in approved lamp units on power-driven vehicles and their trailers [Дополнение 127. Правила N 128. Единообразные предписания, касающиеся официального утверждения светодиодных (СД) источников света, предназначенных для использования в официально утвержденных огнях механических транспортных средств и их прицепов]
Addendum 147: Regulation No. 148, Uniform provisions concerning the approval of light-signalling devices (lamps) for power-driven vehicles and their trailers [Дополнение 147. Правила N 148. Единообразные предписания, касающиеся официального утверждения устройств световой сигнализации (огней) механических транспортных средств и их прицепов]
Addendum 148: Regulation No. 149, Uniform provisions concerning the approval of road illumination devices (lamps) and systems for power-driven vehicles [Дополнение 148. Правила N 149. Единообразные предписания, касающиеся официального утверждения устройств (огней) освещения дорог и систем для механических транспортных средств]
R.E.5, United Nations Consolidated Resolution on the common specification of light source categories (R.E.5) [R.E.5. Сводная резолюция ООН по общим требованиям на категории источников света (R.E.5)]
R.E.5 is published by UNECE under the reference ECE/TRANS/WP.29/1127 and is available at the following address (website checked on 2021-01-18): http://www.unece.org/trans/main/wp29/wp29wgs/wp29gen/wp29resolutions.html (R.E.5 опубликована UNECE документом ECE/TRANS/WP.29/1127 и доступна по следующему адресу (веб-сайт проверен 2021-01-18): http://www.unece.org/trans/main/wp29/wp29wgs/wp29gen/wp29resolutions.html)
В настоящем стандарте применены термины по МЭК 60050-845, МЭК 60810, R.E.5 и Правилам ООН N 48, а также следующие термины с соответствующими определениями.
ИСО и МЭК ведут терминологические базы данных для использования в стандартизации по следующим адресам:
- Электропедия МЭК: доступна на http://www.electropedia.org/;
- платформа онлайн-просмотра ИСО: доступна на http://www.iso.org/obp.
3.1 период отжига (ageing period): Период предварительной выдержки источника света до измерений начальных значений.
[МЭК 60050-845:2020, статья 845-27-108, терминологическая статья изменена, определение термина дополнено словом "период"; примечание исключено]
3.2 категория (category): Базовая конструкция стандартизованных источников света.
Примечание - Каждое конкретное обозначение источников света, например P21/5W, H4, D2R, образует категорию. В настоящем стандарте большинство обозначений источников света приведено по R.E.5.
3.3 соответствие продукции (conformity of production): Соответствие серийной продукции данного типа установленным требованиям.
Примечание - Проверка соответствия продукции может быть обеспечена государственным учреждением в соответствии с местными правилами.
3.4 ближний свет (dipped beam, passing beam, low beam): Свет фары, предназначенной для освещения дороги впереди движущегося транспортного средства, без ослепления людей, особенно водителей приближающихся транспортных средств.
Примечание - В Правилах ООН N 48 использован термин "ближний свет" ("passing-beam").
3.5 начальный световой поток (initial luminous flux): Световой поток лампы, измеренный после отжига.
3.6 срок службы B10 (life B10): Период времени, в течение которого каждая лампа из 10% испытанных ламп одного типа достигает окончания срока службы.
3.7 предельное значение (limiting value): Минимальные и/или максимальные значения характеристик, которым должны удовлетворять параметры лампы при ее работе в заданных условиях.
3.8 стабильность светового потока (luminous flux maintenance factor): Отношение светового потока источника света в конкретный момент срока службы к его начальному световому потоку в заданных условиях эксплуатации.
Пример - Сохранение 70% светового потока лампы после 500 ч ее эксплуатации.
Примечание - В МЭК 60810 применен термин "luminous flux maintenance" ("стабильность светового потока"), который считают синонимом термина "luminous flux maintenance factor" ("стабильность светового потока"), приведенного в настоящем стандарте.
[МЭК 60050-845:2020, статья 845-27-114, терминологическая статья изменена: в определении термин "источник электрического света" заменен на "источник света"; три примечания заменены одним новым примечанием и примером]
3.9 дальний свет (main beam, driving beam, high beam): Свет фары, предназначенной для освещения дороги на значительном расстоянии впереди движущегося транспортного средства.
Примечание - В Правилах ООН использован термин "дальний свет" ("driving-beam").
[МЭК 60050-845:2020, статья 845-31-066, терминологическая статья изменена: из термина исключено слово "фара", термин "driving beam" приведен в качестве второго предпочтительного термина, термин "high beam" - в качестве допустимого термина; в определение добавлено слово "дорога", слово "несущая" исключено, примечания заменены одним новым примечанием]
3.10 номинальное напряжение (nominal voltage): Значение напряжения, маркируемое для обозначения источника света.
Примечания
1 В Правилах ООН использован термин "расчетное напряжение" ("rated voltage").
2 Номинальное напряжение - это напряжение батареи (6 В, 12 В или 24 В) сети питания дорожного транспортного средства.
3.11 номинальная мощность (nominal wattage): Значение мощности, маркируемое на источнике света.
3.12 незаменяемый источник света (non-replaceable light source): Источник света, который невозможно извлечь из устройства или светильника.
Примечание - Незаменяемые источники света, как правило, применяют в качестве компонентов светильников, световых приборов или устройств световой сигнализации дорожных транспортных средств. Незаменяемые источники света спроектированы как неотъемлемые части световых приборов, устройств световой сигнализации, модулей и сгруппированных световых приборов транспортного средства.
3.13 расчетное значение (rated value): Значение параметра, установленное для работы источника света при испытательном напряжении и/или других заданных условиях.
Примечания
1 В настоящем стандарте для указания расчетного значения конкретного параметра термин "значение" заменен наименованием параметра: например: "расчетная мощность", "расчетное напряжение", "расчетный ток" и "расчетная температура".
2 Стандартные условия испытаний приведены в соответствующем стандарте.
3 Термин, используемый в Правилах ООН, - "объективное значение".
4 В настоящем стандарте расчетное(ые) значение(я) указано(ы) в соответствующем листе с параметрами конкретного источника света.
3.14 базовая ось (reference axis): Ось, определенная относительно цоколя, по отношению к которой устанавливают положения некоторых деталей источника света.
3.15 базовая плоскость (reference plane): Плоскость, определенная относительно цоколя, по отношению к которой устанавливают положения некоторых деталей источника света.
3.16 эталонная лампа (standard lamp, etalon lamp): Специальный источник света с уменьшенными допусками на размеры, электрические и фотометрические параметры, применяемый для фотометрических испытаний световых приборов и устройств световой сигнализации транспортного средства.
Примечания
1 Для каждой категории эталонной лампы или эталонного источника света предусмотрено только одно значение номинального напряжения.
2 Термин, используемый в настоящем стандарте, отличается от термина, применяемого в стандартах на источники света для общего освещения.
3.17 испытательное напряжение (test voltage): Напряжение, значение которого задано для определения некоторых характеристик источников света и при котором их испытывают.
Примечания
1 Для ламп накаливания значение испытательного напряжения указывают для выводов.
2 Для разрядных ламп значение испытательного напряжения указывают для входных клемм электронного устройства управления.
3 Для светодиодных (СД) источников света значение испытательного напряжения указывают для входных клемм.
3.18 тип (type): Совокупность источников света с общими характеристиками, на которых проводят испытания конкретным методом.
Примечания
1 Лампы с одним торговым наименованием или маркой, но изготовленные разными изготовителями, считают лампами разных типов. Лампы, изготовленные одним изготовителем, отличающиеся только торговым наименованием или маркой, допускается считать лампами одного типа.
2 Лампы с колбами разной конструкции, если она влияет на оптические свойства, считают лампами разных типов.
3 Лампы накаливания, изготовленные на разные номинальные напряжения, считают лампами разных типов.
4 Наличие селективно-желтой колбы или селективно-желтой дополнительной внешней колбы, предназначенной исключительно для изменения цвета источника белого света, а не других его характеристик, не является основанием для отнесения источника света к другому типу.
4.1 Общие требования
Лампы накаливания должны быть сконструированы так, чтобы они были работоспособными при нормальных условиях эксплуатации. Кроме того, они не должны иметь конструктивных или производственных дефектов.
4.2 Маркировка
На всех лампах накаливания, за исключением незаменяемых ламп накаливания, должна быть нанесена маркировка. Маркировка должна быть прочной, разборчивой и содержать следующую информацию:
- торговое наименование или марку изготовителя или ответственного поставщика;
- значение номинального напряжения;
- международное обозначение соответствующей категории;
- значение номинальной мощности (на лампах с двумя телами накала в следующей последовательности: тело накала большой мощности - тело накала малой мощности); значение допускается не указывать, если оно является частью международного обозначения соответствующей категории лампы накаливания.
Кроме того, галогенные лампы накаливания, соответствующие требованиям 4.9, должны иметь маркировку "U".
Примечание 1 - Галогенные лампы накаливания - это лампы с обозначением категории, начинающейся с буквы "H". Для некоторых галогенных ламп, соответствующих требованиям 4.9, обозначение категории начинают с другой буквы.
Допускается наносить надписи, отличные от приведенных.
Примечание 2 - Примером такой надписи является знак или код официального утверждения, присвоенный административным органом.
Соответствие ламп накаливания проверяют следующим образом:
a) наличие и четкость маркировки - внешним осмотром;
b) прочность маркировки - проведением следующей проверки на неиспользованных лампах: область маркировки на лампе протирают вручную в течение 15 с мягкой тканью, смоченной водой.
После этой проверки маркировка должна остаться четкой и разборчивой.
Если маркировка нанесена на колбе, то она не должна отрицательно влиять на световые параметры, указанные в листах с параметрами лампы.
4.3 Колбы
На колбах ламп накаливания не должно быть царапин или пятен, которые могут ухудшить их оптические характеристики. При возникновении сомнений следует провести внешний осмотр.
4.4 Цветовые характеристики
4.4.1 Цвет света, излучаемого лампой
Цвет света, излучаемого лампой накаливания, должен быть белым, если иное не указано в соответствующем листе с параметрами лампы. Для некоторых категорий ламп накаливания допускается излучение света других цветов.
Координаты цветности x, y по МКО 015:2018 лампы накаливания должны находиться в следующих пределах:
- для готовых ламп накаливания, излучающих свет белого цвета (групп белого цвета):
|
W12 |
предел для зеленого цвета: |
y = 0,150 + 0,640x |
|
W23 |
предел для желто-зеленого цвета: |
y = 0,440 |
|
W34 |
предел для желтого цвета: |
x = 0,500 |
|
W45 |
предел для красно-пурпурного цвета: |
y = 0,382 |
|
W56 |
предел для пурпурного цвета: |
y = 0,050 + 0,750x |
|
W61 |
предел для синего цвета: |
x = 0,310 |
с точками пересечения:
|
W1: |
x = 0,310, y = 0,348 |
|
W2: |
x = 0,453, y = 0,440 |
|
W3: |
x = 0,500, y = 0,440 |
|
W4: |
x = 0,500, y = 0,382 |
|
W5: |
x = 0,443, y = 0,382 |
|
W6: |
x = 0,310, y = 0,283 |
- для готовых ламп накаливания, излучающих свет селективно-желтого цвета:
|
SY12 |
предел для зеленого цвета: |
y = 1,290x - 0,100 |
|
SY23 |
спектральный локус <1> | |
|
SY34 |
предел для красного цвета: |
y = 0,138 + 0,580x |
|
SY45 |
предел для желто-белого цвета: |
y = 0,440 |
|
SY51 |
предел для белого цвета: |
y = 0,940 - x |
с точками пересечения:
|
SY1: |
x = 0,454, y = 0,486 |
|
SY2: |
x = 0,480, y = 0,519 |
|
SY3: |
x = 0,545, y = 0,454 |
|
SY4: |
x = 0,521, y = 0,440 |
|
SY5: |
x = 0,500, y = 0,440 |
- для готовых ламп накаливания, излучающих свет красного цвета:
|
R12 |
предел для желтого цвета: |
y = 0,335 |
|
R23 |
спектральный локус <1> | |
|
R34 |
линия пурпурных цветов: |
(линия пурпурного цвета, соединяющая крайние точки красного и синего цветов спектрального локуса) |
|
R41 |
предел для пурпурного цвета: |
y = 0,980 - x |
с точками пересечения:
|
R1: |
x = 0,645, y = 0,335 |
|
R2: |
x = 0,665, y = 0,335 |
|
R3: |
x = 0,735, y = 0,265 |
|
R4: |
x = 0,721, y = 0,259 |
- для готовых ламп накаливания, излучающих свет желтого цвета:
|
A12 |
предел для зеленого цвета: |
y = x - 0,120 |
|
A23 |
спектральный локус <1> | |
|
A34 |
предел для красного цвета: |
y = 0,390 |
|
A41 |
предел для белого цвета: |
y = 0,790 - 0,670x |
с точками пересечения:
|
A1: |
x = 0,545, y = 0,425 |
|
A2: |
x = 0,560, y = 0,440 |
|
A3: |
x = 0,609, y = 0,390 |
|
A4: |
x = 0,597, y = 0,390 |
Для определения координат цветности ламп накаливания применяют метод, приведенный в приложении B.
Каждое измеренное значение должно находиться в пределах требуемой зоны допуска. Кроме того, измеренные значения ламп накаливания, излучающих свет белого цвета, не должны отклоняться более чем на 0,020 единиц по координатам x и/или y от выбранной точки на локусе Планка <1>.
--------------------------------
<1> См. МКО 015:2018.
Требования к результатам испытаний, проводимых с целью подтверждения соответствия, - не менее 80% результатов измерений ламп накаливания, излучающих свет желтого и красного цветов, должны находиться в пределах требуемой зоны допуска.
4.4.2 Стойкость цвета излучаемого света
Лампы накаливания с цветным покрытием для устройств световой сигнализации должны сохранять работоспособность в условиях эксплуатации, которые смоделированы в методах испытаний на стойкость цвета излучаемого света по приложению J.
Далее координаты цветности излучения лампы измеряют методом по приложению B, после завершения испытаний не менее 80% результатов измерений должны быть в пределах, указанных в 4.4.1, за исключением ламп накаливания, излучающих свет желтого и красного цветов.
На внешней колбе лампы, выполняющей функцию цветного фильтра, не должно быть сколов, видимых без применения специальных оптических приборов.
Образцы, которые подвергли испытаниям по приложению J, не подлежат применению в устройствах световой сигнализации транспортных средств, их считают лампами накаливания, достигшими окончания срока службы.
4.4.3 Колба с покрытием
Поверхность колбы с покрытием после периода отжига по C.1.1 (приложение C) следует слегка протереть хлопчатобумажной тканью, смоченной смесью, состоящей из n-гептана объемом 70% и толуола объемом 30%. Приблизительно через 5 мин проводят внешний осмотр поверхности. На поверхности колбы не должно быть никаких видимых изменений.
4.5 Размеры ламп
Размеры ламп накаливания должны соответствовать предельным значениям, указанным на рисунке лампы или в соответствующем листе с параметрами лампы.
Контроль формы, длины и положения тела накала лампы - по приложениям A, D, E и F, за исключением незаменяемых ламп накаливания.
4.6 Цоколи и основания
Лампы накаливания должны иметь стандартные цоколи, указанные в соответствующем листе с параметрами лампы, которые должны удовлетворять соответствующему листу с параметрами цоколя МЭК 60061-1. Данное требование не применяют к незаменяемым лампам, так как в этом случае лампы накаливания должны быть оборудованы основаниями, которые обеспечивают прочную и надежную фиксацию в световых приборах или устройствах световой сигнализации, или частях, модулях, сгруппированных световых приборах, для которых эти лампы рассчитаны и предназначены.
4.7 Требования к начальным электрическим и световым параметрам
Мощность и световой поток лампы накаливания должны соответствовать предельным значениям, указанным в соответствующем листе с параметрами лампы.
Световой поток, приведенный в соответствующем листе с параметрами лампы, применяют для ламп накаливания, излучающих свет белого цвета, если не указан специальный цвет света.
Световой поток лампы накаливания с селективно-желтой (внешней) колбой должен быть не менее 85% заданного светового потока соответствующих ламп накаливания с бесцветной колбой.
Проверку проводят испытаниями по C.1 (приложение C).
4.8 Контроль оптических характеристик
4.8.1 Общие положения
Контролю оптических характеристик подлежат только лампы накаливания с двойным телом накала с внутренним экраном для фар, излучающие асимметричный ближний свет (при необходимости проведения такого испытания).
Контроль оптических характеристик следует проводить при таком напряжении, чтобы была обеспечена возможность получения испытательного светового потока.
4.8.2 Лампы, излучающие свет белого цвета, на напряжение 12 В
Образец, который наиболее полно удовлетворяет требованиям, предъявляемым к эталонной лампе накаливания, испытывают в соответствующей эталонной фаре и контролируют соответствие испытанного комплекта фары и лампы накаливания требованиям распределения света, установленным для ближнего света в соответствующем правиле, директиве или стандарте.
4.8.3 Лампы, излучающие свет белого цвета, на напряжения 6 и 24 В
Образец, который наиболее полно удовлетворяет расчетным размерам, испытывают в соответствующей эталонной фаре и контролируют соответствие испытанного комплекта фары и лампы накаливания требованиям распределения света, установленным для ближнего света в соответствующем правиле, директиве или стандарте. Допускаются отклонения полученных значений не более 10% от минимальных значений.
4.8.4 Лампы, излучающие свет селективно-желтого цвета
Лампы накаливания, излучающие свет селективно-желтого цвета, испытывают по 4.8.1, 4.8.2 в соответствующей эталонной фаре для обеспечения того, чтобы освещенность ламп накаливания на напряжение 12 В составляла не менее 85%, ламп накаливания на напряжения 6 и 24 В - не менее 77% от минимальных значений распределения света, установленных для ближнего света в соответствующем правиле, директиве или стандарте. При этом максимальные предельные значения освещенности остаются неизменными.
Испытание ламп накаливания, излучающих свет селективно-желтого цвета, не проводят, если представлено официальное подтверждение соответствия ламп накаливания, излучающих свет белого цвета, такого же типа.
4.9 Ультрафиолетовое излучение
УФ-излучение галогенной лампы накаливания должно быть таким, чтобы:
k1 ≤ 2·10-4 Вт/лм и k2 ≤ 2·10-6 Вт/лм,
k1 и k2 вычисляют по формулам:
и
,
где km = 683 лм/Вт;
Φλ - спектральное распределение потока излучения, Вт/нм;
V(λ) - относительная спектральная световая эффективность МКО;
λ - длина волны, нм.
Данные значения следует вычислять с интервалами в 5 нм.
Для незаменяемых ламп накаливания соответствие требованиям к УФ-излучению допускается не учитывать, если это указано в соответствующем листе с параметрами лампы.
4.10 Эталонные лампы накаливания
Эталонные лампы накаливания должны соответствовать дополнительным требованиям, указанным в соответствующих листах с параметрами лампы накаливания.
Колбы эталонных ламп накаливания должны пропускать свет белого цвета, координаты цветности которого не отличаются от координат цветности источника света с цветовой температурой 2856 К более чем на 0,010 единиц по x и/или y в соответствии с МКО 015:2018. У эталонных ламп накаливания, излучающих свет желтого или красного цвета, изменение температуры колбы не должно влиять на световой поток, так как это может ухудшить результаты измерений фотометрических параметров устройств световой сигнализации. При возникновении сомнений соответствие проверяют по указанным листам с параметрами.
4.11 Незаменяемые лампы накаливания
4.11.1 Общие положения
Настоящий подраздел применяют к незаменяемым лампам накаливания. Также настоящий подраздел допускается применять к другим незаменяемым источникам света.
Для незаменяемых ламп накаливания [или в составе светового прибора (светильника), или устройства световой сигнализации, или в составе частей и модулей световых приборов] протоколом испытаний или иным способом должно быть подтверждено соответствие следующим требованиям:
a) срок службы;
b) цвет и стойкость цвета света;
c) стабильность светового потока и цвета;
d) устойчивость к вибрации и удару.
Краткое техническое описание (лист с параметрами) незаменяемой лампы накаливания должно быть представлено изготовителем или ответственным поставщиком и содержать, например:
- номер или другие идентификационные данные;
- значение испытательного напряжения;
- световой прибор (светильник) транспортного средства, для применения в котором предназначена лампа накаливания;
- стандартные или жесткие условия испытаний на устойчивость к вибрации и удару.
Для испытаний незаменяемых ламп накаливания используют выборку из 20 образцов.
Незаменяемые лампы накаливания следует проверять на соответствие требованиям к сроку службы по 4.11.3, а лампы накаливания с цветным покрытием - также на соответствие требованиям к стойкости цвета по 4.11.4.
Для испытаний незаменяемых ламп накаливания на соответствие используют выборку из 20 образцов в год при стабильном производстве. Для незаменяемых ламп с цветным покрытием и контроля соответствия требованиям к стойкости цвета допускается применять репрезентативную выборку из разных ламп при условии, что они изготовлены с применением одной и той же технологии нанесения цветного покрытия и обработки. В эту выборку включают лампы с минимальным и максимальным диаметрами внешней колбы, при этом каждая лампа должна иметь максимальную номинальную мощность.
В качестве альтернативы испытанию на соответствие допускается применять результаты предварительных измерений или протоколы испытаний при следующих условиях:
- основные параметры измеренных (испытанных) ранее образцов идентичны основным параметрам образцов, представленных для испытаний;
- основные параметры измеренных (испытанных) ранее образцов не идентичны, но подобны основным параметрам образцов, представленных для испытаний (имитацию образцов используют дополнительно).
4.11.2 Надежность фиксации
Образцы незаменяемых ламп накаливания должны быть прочно и надежно закреплены с помощью средств в соответствии с требованиями к методу испытаний. Для испытаний образцы не требуется устанавливать в устройства, для которых они спроектированы и предназначены, допускается их устанавливать в части и модули световых приборов, для которых они рассчитаны.
4.11.3 Срок службы
Срок службы B10 незаменяемых ламп накаливания должен быть не менее значения, приведенного в таблице 1. Если незаменяемые лампы накаливания являются частью сменных модулей, то срок службы B10 должен быть не менее 50% от значения, указанного в таблице 1.
|
Световой прибор транспортного средства, в котором применяют незаменяемые лампы накаливания |
Срок службы B10 , ч |
Соответствие Правилам ООН (только для информации) |
|
Фонарь освещения заднего номерного знака |
2200 |
N 4 и 148 |
|
Указатель поворота |
500 |
N 6, 50 и 148 |
|
Передние и задние габаритные огни |
2200 |
N 7, 50 и 148 |
|
Сигнал торможения |
1000 |
N 7, 50 и 148 |
|
Задние габаритные огни |
2200 |
N 7 и 148 |
|
Огни заднего хода |
100 |
N 23 и 148 |
|
Задняя противотуманная фара |
100 |
N 38 и 148 |
|
Стояночные огни |
2200 |
N 77 и 148 |
|
Дневные ходовые огни |
4000 |
N 87 и 148 |
|
Боковые габаритные огни |
2200 |
N 91 и 148 |
|
Боковой указатель поворота |
200 |
N 119 и 149 |
|
Фара ближнего света |
2000 |
N 149 |
|
Фара поворотного освещения |
100 |
N 149 |
|
Фара дальнего света |
200 |
N 149 |
|
Фара адаптивного дальнего света |
800 |
N 149 |
|
Передняя противотуманная фара |
100 |
N 149 |
|
Типичное время "включено" для различных световых приборов на 200 000 км пробега транспортного средства при средней скорости 33,6 км/ч исходя из состава циклов движения, установленных в R101. Если лампы предназначены для световых приборов транспортных средств, которые включаются одновременно с дневными ходовыми огнями, то применяют значение 6200 ч. | ||
Соответствие требованиям проверяют испытаниями по МЭК 60810:2017 (приложение A).
Для незаменяемых ламп с двойным телом накала следует учитывать соответствующее тело накала, которое используется для конкретного светового прибора.
4.11.4 Стойкость цвета
Незаменяемые лампы накаливания должны удовлетворять требованиям к стойкости цвета в соответствии с 4.4.
4.11.5 Стабильность светового потока и цветовых характеристик
Стабильность светового потока должна быть не менее 70% при сроке службы B10.
У незаменяемых ламп накаливания, излучающих свет желтого и красного цветов, цвет света измеряют в момент стабильности светового потока, при этом цвет света должен быть в пределах, установленных в 4.4.1. Измерения выполняют при испытательном напряжении, указанном в соответствующем листе с параметрами лампы, при температуре окружающей среды (23 ± 5) °C с использованием фотометрического шара.
Для незаменяемых ламп с двойным телом накала следует учитывать тело накала, предназначенное для эксплуатации в конкретном световом приборе транспортного средства.
Испытание допускается совмещать с испытанием на срок службы.
4.11.6 Устойчивость к вибрации и удару
Для оценки воздействия вибрации или удара на параметры незаменяемых ламп применяют методы испытаний по МЭК 60810:2017 (приложение B).
Незаменяемые лампы накаливания считают выдержавшими испытание на широкополосную или узкополосную вибрацию в соответствии с МЭК 60810:2017 (приложение B), если они продолжают работать в течение испытания и после его окончания.
Число незаменяемых ламп накаливания, не выдержавших одно из испытаний, должно быть не более двух.
5.1 Общие требования
Разрядные лампы должны быть сконструированы так, чтобы они были работоспособными при нормальных условиях эксплуатации. Кроме того, они не должны иметь конструктивных или производственных дефектов.
5.2 Маркировка
На цоколь разрядной лампы должна быть нанесена маркировка. Маркировка должна быть прочной, разборчивой и содержать следующую информацию:
- торговое наименование или марку изготовителя или ответственного поставщика;
- значение номинального напряжения;
- международное обозначение соответствующей категории.
Допускается наносить надписи, отличные от приведенных.
Примечания
1 Примером такой надписи является знак или код официального утверждения, присвоенный административным органом.
2 Пускорегулирующий аппарат (ПРА), используемый для зажигания и работы разрядных ламп, должен иметь в маркировке тип и торговую марку с номинальными значениями напряжения и мощности, указанными в соответствующем листе с параметрами лампы.
Соответствие разрядных ламп проверяют следующим образом:
a) наличие и четкость маркировки - внешним осмотром;
b) прочность маркировки - проведением следующей проверки на неиспользованных лампах: область маркировки на лампе протирают вручную в течение 15 с мягкой тканью, смоченной водой.
После этой проверки маркировка должна остаться четкой и разборчивой.
5.3 Колбы
На колбе разрядных ламп не должно быть царапин или пятен, которые могут ухудшить их оптические характеристики. При возникновении сомнений следует провести внешний осмотр.
Колба должна удовлетворять размерам, указанным в соответствующем листе с параметрами.
Для цветной (внешней) колбы: после 15 ч работы с ПРА при испытательном напряжении поверхность колбы слегка протирают хлопчатобумажной тканью, смоченной смесью из n-гептана объемом 70% и толуола объемом 30%. Через 5 мин проводят внешний осмотр поверхности. На ней не должно быть никаких видимых изменений.
5.4 Цоколи
Разрядные лампы должны иметь стандартные цоколи, соответствующие листам с параметрами МЭК 60061-1.
Цоколь должен быть прочно и надежно соединен с колбой. Для подтверждения соответствия разрядных ламп вышеуказанным требованиям проводят внешний осмотр, проверку размеров и, при необходимости, пробную установку в патрон в соответствии с МЭК 60061-2.
5.5 Положение и форма дуги, положение и размеры электродов и черных полосок
5.5.1 Измерительное оборудование
Измерения рекомендуется проводить с применением оптической системы, пример которой приведен в приложении G. Допускается применять другое оборудование, обеспечивающее эквивалентную точность измерений.
5.5.2 Электроды
Положение и размеры электродов должны удовлетворять требованиям, указанным в соответствующем листе с параметрами разрядной лампы.
Соответствие проверяют оптическими методами до проведения отжига на блоке разрядной лампы через стеклянную оболочку.
5.5.3 Дуга
Форма и положение дуги должны удовлетворять требованиям, указанным в соответствующем листе с параметрами разрядной лампы.
Соответствие проверяют после проведения отжига, когда электропитание лампы осуществляют через ПРА при испытательном напряжении.
5.5.4 Черные полоски
Положение, размеры и пропускание черных полосок (если имеются) должны удовлетворять требованиям, указанным в соответствующем листе с параметрами разрядной лампы.
Соответствие проверяют после проведения отжига, когда электропитание лампы осуществляют через ПРА при испытательном напряжении.
5.6 Зажигание, разгорание и горячее перезажигание
5.6.1 Зажигание
При зажигании разрядная лампа должна загореться сразу и продолжать гореть.
5.6.2 Разгорание
5.6.2.1 Лампы со световым потоком номинальным значением более 2000 лм
При измерениях в соответствии с приложением H разрядные лампы должны излучать не менее:
- 25% номинального светового потока через 1 с;
- 80% номинального светового потока через 4 с.
Номинальное значение светового потока указано в соответствующем листе с параметрами разрядной лампы.
5.6.2.2 Лампы со световым потоком номинальным значением не более 2000 лм, не имеющие черных полосок
При измерениях в соответствии с приложением H разрядные лампы должны излучать не менее:
- 800 лм через 1 с;
- 1000 лм через 4 с.
Номинальное значение светового потока указано в соответствующем листе с параметрами разрядной лампы.
5.6.2.3 Лампы со световым потоком номинальным значением не более 2000 лм, имеющие черные полоски
При измерениях в соответствии с приложением H разрядные лампы должны излучать не менее:
- 700 лм через 1 с;
- 900 лм через 4 с.
Номинальное значение светового потока указано в соответствующем листе с параметрами разрядной лампы.
5.6.2.4 Лампы со световым потоком нескольких номинальных значений, одно из которых не более 2000 лм
При измерениях в соответствии с приложением H разрядные лампы должны излучать не менее:
- 800 лм через 1 с;
- 1000 лм через 4 с.
Номинальное значение светового потока указано в соответствующем листе с параметрами разрядной лампы.
5.6.3 Горячее перезажигание
После отключения лампы на время, указанное в соответствующем листе с параметрами, при повторном включении она должна зажигаться сразу.
Через 1 с лампа должна обеспечивать не менее 80% расчетного светового потока.
5.6.4 Соответствие
Соответствие проверяют испытаниями, требования к которым установлены в приложении H.
5.7 Электрические и световые параметры
5.7.1 Напряжение и мощность
Значения напряжения и мощности лампы должны быть в пределах, указанных в соответствующем листе с параметрами.
5.7.2 Световой поток
Световой поток лампы должен быть в пределах, указанных в соответствующем листе с параметрами. Если для ламп одного типа указан белый и желтый цвет света, то расчетное значение применяют к лампе, излучающей свет белого цвета, в то время как световой поток лампы, излучающей свет желтого цвета, должен быть не менее 68% заданного значения.
5.7.3 Соответствие
Соответствие проверяют испытаниями, требования к которым установлены в приложении H.
5.8 Цветовые характеристики
Цвет света, излучаемого разрядной лампой, должен быть белым, если в соответствующем листе с параметрами лампы не указан желтый цвет.
Координаты цветности x, y по МКО 015:2018 разрядной лампы должны находиться в пределах, указанных в соответствующем листе с параметрами.
Координаты цветности x, y по МКО 015:2018 ламп, излучающих свет желтого цвета, должны находиться внутри области цветности в следующих пределах:
|
SY12 |
предел для зеленого цвета: |
y = 1,290x - 0,100 |
|
SY23 |
спектральный локус <1> | |
|
SY34 |
предел для красного цвета: |
y = 0,138 + 0,580x |
|
SY45 |
предел для желто-белого цвета: |
y = 0,440 |
|
SY51 |
предел для белого цвета: |
y = 0,940 - x |
с точками пересечения:
|
SY1: |
x = 0,454, y = 0,486 |
|
SY2: |
x = 0,480, y = 0,519 |
|
SY3: |
x = 0,545, y = 0,454 |
|
SY4: |
x = 0,521, y = 0,440 |
|
SY5: |
x = 0,500, y = 0,440 |
--------------------------------
<1> См. МКО 015:2018.
Минимальное содержание красного излучения разрядных ламп, излучающих свет белого цвета, должно быть таким, чтобы kкрасная ≥ 0,05.
kкрасная вычисляют по формуле
,
где Φλ, V(λ) и λ определены в 4.9.
Эти значения вычисляют с интервалами в 1 нм.
Соответствие проверяют испытаниями, требования к которым установлены в приложении H.
5.9 Ультрафиолетовое излучение
Максимальное содержание УФ-излучения в свете разрядной лампы должно быть таким, чтобы kУФ ≤ 10-5 Вт/лм.
kУФ вычисляют по формуле
,
где km, Φλ, V(λ) и λ определены в 4.9;
S(λ) - спектральная весовая функция согласно таблице 2.
|
λ |
S(λ) |
λ |
S(λ) |
λ |
S(λ) |
|
250 |
0,430 |
305 |
0,060 |
355 |
0,00016 |
|
255 |
0,520 |
310 |
0,015 |
360 |
0,00013 |
|
260 |
0,650 |
315 |
0,003 |
365 |
0,00011 |
|
265 |
0,810 |
320 |
0,0010 |
370 |
0,00009 |
|
270 |
1,000 |
325 |
0,00050 |
375 |
0,000077 |
|
275 |
0,960 |
330 |
0,00041 |
380 |
0,000064 |
|
280 |
0,880 |
335 |
0,00034 |
385 |
0,000053 |
|
285 |
0,770 |
340 |
0,00028 |
390 |
0,000044 |
|
290 |
0,640 |
345 |
0,00024 |
395 |
0,000036 |
|
295 |
0,540 |
350 |
0,00020 |
400 |
0,000030 |
|
300 |
0,300 |
Это значение вычисляют с интервалами в 1 нм.
Выбранные длины волн являются основными, другие находят путем интерполяции.
Соответствие проверяют испытаниями, требования к которым установлены в приложении H.
5.10 Эталонные разрядные лампы
Эталонные разрядные лампы должны удовлетворять требованиям, предъявляемым к изготавливаемым лампам, и требованиям, указанным в соответствующем листе с параметрами. Для испытаний разрядных ламп, излучающих свет белого и желтого цветов, применяют эталонную разрядную лампу, излучающую свет белого цвета.
6.1 Общие требования
СД источники света должны быть сконструированы таким образом, чтобы они оставались работоспособными в нормальных условиях эксплуатации. Кроме того, они не должны иметь конструктивных и производственных дефектов.
6.2 Маркировка
На всех СД источниках света должна быть нанесена маркировка. Маркировка должна быть прочной, разборчивой и содержать следующую информацию:
- торговое наименование или марку изготовителя или ответственного поставщика;
- значение номинального напряжения или диапазон значений напряжения;
- международное обозначение соответствующей категории.
Допускается наносить надписи, отличные от приведенных.
Примечание - Примером такой надписи является знак или код официального утверждения, присвоенный административным органом.
Соответствие СД источников света проверяют следующим образом:
a) наличие и четкость маркировки - внешним осмотром;
b) прочность маркировки - проведением следующей проверки на неиспользованных СД источниках света: область маркировки на лампе протирают вручную в течение 15 с мягкой тканью, смоченной водой.
После этой проверки маркировка должна остаться четкой и разборчивой.
6.3 Оптические поверхности
СД источники света не должны иметь на оптических поверхностях царапин или пятен, которые могут ухудшить их эффективность и оптические характеристики. При возникновении сомнений следует провести внешний осмотр.
6.4 Цветовые характеристики
Цвет света, излучаемого СД источником света, должен быть белым, если иное не указано в листе с параметрами лампы накаливания. Для некоторых категорий СД источников света допускаются другие цвета света.
Координаты цветности x, y по МКО 015:2018 СД источника света должны находиться в пределах, указанных в 4.4.1.
6.5 Размеры
Размеры СД источника света должны удовлетворять предельным значениям, указанным на рисунке лампы или в соответствующем листе с параметрами.
Значения высот световых центров у СД источников света категорий Lx3A, Lx3B, Lx4A, Lx4B, Lx5A, Lx5B <1>, L1A/6 и L1B/6 определяют следующим образом.
--------------------------------
<1> x означает R, Y и W.
Измерения проводят на готовых СД источниках света при температуре окружающей среды (23 ± 5) °C.
Измерения проводят при испытательном напряжении, указанном в соответствующем листе с параметрами СД источника света конкретной категории.
СД источник света предварительно отжигают при испытательном напряжении не менее 48 ч.
У многофункциональных СД источников света каждую функцию проверяют отдельно.
Перед началом испытания СД источник света должен проработать 30 мин при испытательном напряжении.
У СД источников света с двумя функциями обе функции должны работать одинаковое время в процессе измерений, если не указано иное в соответствующем листе с параметрами.
У СД источников света категорий LR4A и LR4B основная и второстепенная функции должны работать (и их измеряют отдельно), высота светового центра второстепенной функции должна составлять 2,5 мм (допуск ± 0,5 мм в стадии рассмотрения), высота светового центра основной функции должна составлять (3,0 ± 0,3) мм.
В приложении K приведен метод определения высоты светового центра.
6.6 Цоколи и основания
В заменяемых СД источниках света должны быть стандартные цоколи или основания, указанные в соответствующем листе с параметрами по МЭК 60061-1.
Цоколь должен быть прочно прикреплен к СД источнику света. Для определения соответствия СД источников света вышеприведенным требованиям проводят внешний осмотр, проверку размеров и, при необходимости, пробную установку в патрон в соответствии с МЭК 60061-2.
6.7 Начальные электрические и световые параметры
Мощность, световой поток и распределение силы света СД источника света (например, нормированное распределение силы света, полный световой поток) должны соответствовать предельным значениям, указанным в соответствующем листе с параметрами.
Координаты цветности x, y по МКО 015:2018 СД источника света должны находиться в пределах, указанных в 4.4.1.
Соответствие проверяют испытаниями по C.2 (приложение C).
В приложении L приведен метод определения максимального градиента яркости СД источников света, предназначенных для устройств освещения дорог.
6.8 Содержание красного излучения
Минимальное содержание красного излучения СД источников света, излучающих свет белого цвета, должно быть таким, чтобы kкрасная ≥ 0,05 (см. 5.8).
6.9 Ультрафиолетовое излучение
Если максимальное содержание УФ-излучения в свете, излучаемом СД источником света, kУФ ≤ 10-5 Вт/лм, то СД источник света относят к типу с низким уровнем УФ-излучения.
6.10 Эталонные светодиодные источники света
Эталонные СД источники света должны соответствовать дополнительным требованиям, указанным в соответствующем листе с параметрами.
Требования к выборке и условиям соответствия, за исключением незаменяемых ламп накаливания, установлены в соответствующих правилах, например в Правилах ООН N 37, 99 и 128.
Требования к выборке и условиям соответствия незаменяемых ламп накаливания установлены в соответствующих правилах на устройства, в которых применяют незаменяемые лампы накаливания.
Примечание - На момент опубликования МЭК 60809:2021, на основе которого разработан настоящий стандарт, требования к выборке и условиям соответствия незаменяемых ламп накаливания установлены в Правилах ООН N 4, 6, 7, 23, 38, 50, 77, 87, 91 и 119.
8.1 Общие положения
Листы с параметрами, перечисленные в таблице 3 и в 8.3, пронумерованы следующим образом:
- первая часть номера листа с параметрами лампы представляет собой номер настоящего стандарта (60809) с последующими буквами "МЭК";
- вторая часть номера представляет собой номер листа с параметрами лампы;
- третья часть номера на листе указывает номер издания листа.
Если в настоящем стандарте приведена ссылка на лист с параметрами лампы в R.E.5, то указано наименование листа с параметрами лампы в соответствии с R.E.5.
В приложении I приведен перечень ламп различных категорий для применения в световых приборах конкретных транспортных средств.
В настоящем стандарте многие листы с параметрами приведены из предыдущих изданий МЭК 60809.1 до изменения номеров ссылочных стандартов МЭК. В этих листах с параметрами ламп номер листа и номер ссылочного стандарта на цоколь приведены в соответствии с предыдущей нумерацией. Для листов с параметрами, датированных до 2014 г., ссылку на лист 809-МЭК-xxxx считают как ссылку на лист 60809-МЭК-xxxx, ссылку на лист МЭК 61-1 - как на лист МЭК 60061-1.
8.2 Перечень ламп конкретных категорий
|
Номер листа МЭК |
Номер листа R.E.5 |
Категория |
Напряжение, В |
Мощность, Вт |
Цоколь |
|
60809-МЭК-2110- |
R2 |
R2 |
6 |
45/40 |
P45t |
|
12 |
45/40 |
P45t | |||
|
24 |
55/50 |
P45t | |||
|
60809-МЭК-2120- |
H4 |
H4 |
12 |
60/55 |
P43t-38 |
|
24 |
75/70 |
P43t-38 | |||
|
60809-МЭК-2125- |
- |
H6 |
12 |
65/55 |
PZ43t |
|
60809-МЭК-2130- |
HS1 |
HS1 |
6 |
35/35 |
PX43t |
|
12 |
35/35 |
PX43t | |||
|
60809-МЭК-2132- |
HS5 |
HS5 |
12 |
35/30 |
P23t |
|
60809-МЭК-2135- |
- |
HB1 |
12 |
65/45 |
P29t |
|
60809-МЭК-2140- |
S1/S2 |
S1 |
6 |
25/25 |
BA20d |
|
12 |
25/25 |
BA20d | |||
|
60809-МЭК-2150- |
S1/S2 |
S2 |
6 |
35/35 |
BA20d |
|
12 |
35/35 |
BA20d | |||
|
60809-МЭК-2160- |
- |
S4 |
6 |
15/15 |
BAX15d |
|
12 |
15/15 |
BAX15d | |||
|
60809-МЭК-2305- |
- |
H5 |
12 |
50 |
PY43d |
|
60809-МЭК-2310- |
H1 |
H1 |
6 |
55 |
P14.5s |
|
12 |
55 |
P14.5s | |||
|
24 |
70 |
P14.5s | |||
|
60809-МЭК-2315- |
H7 |
H7 |
12 |
55 |
PX26d |
|
24 |
70 |
PX26d | |||
|
60809-МЭК-2320- |
- |
H2 |
6 |
55 |
X511 |
|
12 |
55 |
X511 | |||
|
24 |
70 |
X511 | |||
|
60809-МЭК-2325- |
HB3 |
HB3 |
12 |
60 |
P20d |
|
HB3A |
12 |
60 |
P20d | ||
|
60809-МЭК-2330- |
H3 |
H3 |
6 |
55 |
PK22s |
|
12 |
55 |
PK22s | |||
|
24 |
70 |
PK22s | |||
|
60809-МЭК-2335- |
HB4 |
HB4 |
12 |
51 |
P22d |
|
HB4A |
12 |
51 |
P22d | ||
|
60809-МЭК-2340- |
HS2 |
HS2 |
6 |
15 |
PX13.5s |
|
12 |
15 |
PX13.5s | |||
|
60809-МЭК-2350- |
- |
HS3 |
6 |
2,4 |
PX13.5s |
|
60809-МЭК-2360- |
S3 |
S3 |
6 |
15 |
P26s |
|
12 |
15 |
P26s | |||
|
60809-МЭК-2365- |
H8 |
H8 |
12 |
35 |
PGJ19-1 |
|
60809-МЭК-2370- |
H9 |
H9 |
12 |
65 |
PGJ19-5 |
|
60809-МЭК-2375- |
H10 |
H10 |
12 |
42 |
PY20d |
|
60809-МЭК-2380- |
H11 |
H11 |
12 |
55 |
PGJ19-2 |
|
24 |
70 |
PGJ19-2 | |||
|
60809-МЭК-2385- |
H12 |
H12 |
12 |
53 |
PZ20d |
|
60809-МЭК-2410- |
HIR1 |
HIR1 |
12 |
65 |
PX20d |
|
60809-МЭК-2420- |
HIR2 |
HIR2 |
12 |
55 |
PX22d |
|
60809-МЭК-3110- |
P21/5W |
P21/5W |
6 |
21/5 |
BAY15d |
|
12 |
21/5 |
BAY15d | |||
|
24 |
21/5 |
BAY15d | |||
|
60809-МЭК-3120- |
P21/4W |
P21/4W |
6 |
21/4 |
BAZ15d |
|
12 |
21/4 |
BAZ15d | |||
|
24 |
21/4 |
BAZ15d | |||
|
60809-МЭК-3130- |
W21/5W |
W21/5W |
12 |
21/5 |
W3x16q |
|
60809-МЭК-3135- |
WR21/5W |
WR21/5W |
12 |
21/5 |
WY3x16q |
|
60809-МЭК-3140- |
PR27/7W |
PR27/7W |
12 |
27/7 |
W2.5x16q |
|
60809-МЭК-3141- |
PY27/7W |
PY27/7W |
12 |
27/7 |
WX2.5x16q |
|
60809-МЭК-3310- |
P21W |
P21W |
6 |
21 |
BA15s (BA15d) |
|
12 |
21 |
BA15s (BA15d) | |||
|
24 |
21 |
BA15s (BA15d) | |||
|
60809-МЭК-3311- |
PY21W |
PY21W |
12 |
21 |
BAU15s |
|
24 |
21 |
BAU15s | |||
|
60809-МЭК-3315- |
P27W |
P27W |
12 |
27 |
W2.5x16d |
|
60809-МЭК-3320- |
R5W |
R5W |
6 |
5 |
BA15s (BA15d) |
|
12 |
5 |
BA15s (BA15d) | |||
|
24 |
5 |
BA15s (BA15d) | |||
|
60809-МЭК-3330- |
R10W |
R10W |
6 |
10 |
BA15s (BA15d) |
|
12 |
10 |
BA15s (BA15d) | |||
|
24 |
10 |
BA15s (BA15d) | |||
|
60809-МЭК-3340- |
T4W |
T4W |
6 |
4 |
BA9s |
|
12 |
4 |
BA9s | |||
|
24 |
4 |
BA9s | |||
|
60809-МЭК-3410- |
H6W |
H6W |
12 |
6 |
BAX9s |
|
60809-МЭК-3420- |
H21W |
H21W |
12 |
21 |
BAY9s |
|
24 |
21 |
BAY9s | |||
|
60809-МЭК-3430- |
H27W |
H27W/1 |
12 |
27 |
PG13 |
|
H27W/2 |
12 |
27 |
PGJ13 | ||
|
60809-МЭК-4110- |
C5W |
C5W |
6 |
5 |
SV8.5 |
|
12 |
5 |
SV8.5 | |||
|
24 |
5 |
SV8.5 | |||
|
60809-МЭК-4120- |
C21W |
C21W |
12 |
21 |
SV8.5 |
|
60809-МЭК-4305- |
W2.3W |
W2.3W |
12 |
2,3 |
W2x4.6d |
|
60809-МЭК-4310- |
W3W |
W3W |
6 |
3 |
W2.1x9.5d |
|
12 |
3 |
W2.1x9.5d | |||
|
24 |
3 |
W2.1x9.5d | |||
|
60809-МЭК-4320- |
W5W |
W5W |
6 |
5 |
W2.1x9.5d |
|
12 |
5 |
W2.1x9.5d | |||
|
24 |
5 |
W2.1x9.5d | |||
|
60809-МЭК-4321- |
W5W |
WY5W |
6 |
5 |
W2.1x9.5d |
|
12 |
5 |
W2.1x9.5d | |||
|
24 |
5 |
W2.1x9.5d | |||
|
60809-МЭК-4330- |
W21W |
W21W |
12 |
21 |
W3x16d |
|
60809-МЭК-4335- |
WY21W |
WY21W |
12 |
21 |
WX3x16d |
|
60809-МЭК-4340- |
W16W |
W16W |
12 |
16 |
W2.1x9.5d |
|
60809-МЭК-5010- |
T1.4W |
T1.4W |
12 |
1,4 |
P11.5d |
|
60809-МЭК-7110- |
DxS |
D1S |
12 |
35 |
PK32d-2 |
|
D2S |
12 |
35 |
P32d-2 | ||
|
D3S |
12 |
35 |
PK32d-5 | ||
|
D4S |
12 |
35 |
P32d-5 | ||
|
60809-МЭК-7120- |
DxR |
D1R |
12 |
35 |
PK32d-3 |
|
D2R |
12 |
35 |
P32d-3 | ||
|
D3R |
12 |
35 |
PK32d-6 | ||
|
D4R |
12 |
35 |
P32d-6 | ||
|
60809-МЭК-9310- |
- |
B1.13W |
2,7 |
1,13 |
PX13.5s |
|
60809-МЭК-9610- |
- |
B0.6W |
6 |
0,6 |
E10 |
|
60809-МЭК-9620- |
- |
B2.4W |
6 |
2,4 |
EP10/14x11 |
|
- |
H6W |
HY6W |
12 |
6 |
BAZ9s |
|
- |
H8 |
H8B |
12 |
35 |
PGJY19-1 |
|
- |
H9 |
H9B |
12 |
65 |
PGJY19-5 |
|
- |
H10W |
H10W/1 |
12 |
10 |
BAU9s |
|
HY10W |
12 |
10 |
BAUZ9s | ||
|
- |
H11 |
H11B |
12 |
55 |
PGJY19-2 |
|
24 |
70 |
PGJY19-2 | |||
|
- |
H13 |
H13 |
12 |
55/60 |
P26.4t |
|
H13A |
12 |
55/60 |
PJ26.4t | ||
|
- |
H14 |
H14 |
12 |
55/60 |
P38t |
|
- |
H15 |
H15 |
12 |
15/55 |
PGJ23t-1 |
|
24 |
20/60 |
PGJ23t-1 | |||
|
- |
H16 |
H16 |
12 |
19 |
PGJ19-3 |
|
H16B |
12 |
19 |
PGJY19-3 | ||
|
- |
H17 |
H17 |
12 |
35 |
PU43t-4 |
|
- |
H18 |
H18 |
12 |
65 |
PY26d-1 |
|
- |
H19 |
H19 |
12 |
55/60 |
PU43t-3 |
|
- |
H20 |
H20 |
12 |
70 |
PY26d-6 |
|
- |
H21W |
HY21W |
12 |
21 |
BAW9s |
|
24 |
21 |
BAW9s | |||
|
- |
HS5A |
HS5A |
12 |
45/40 |
PX23t |
|
- |
P13W |
P13W |
12 |
13 |
PG18.5d-1 |
|
PW13W |
12 |
13 |
WP3.3x14.5-7 | ||
|
- |
PC16W |
PC16W |
12 |
16 |
PU20d-1 |
|
PCY16W |
12 |
16 |
PU20d-2 | ||
|
PCR16W |
12 |
16 |
PU20d-7 | ||
|
PW16W |
12 |
16 |
WP3.3x14.5-8 | ||
|
PWR16W |
12 |
16 |
WP3.3x14.5-9 | ||
|
PWY16W |
12 |
16 |
WP3.3x14.5-10 | ||
|
- |
P19W |
P19W |
12 |
19 |
PGU20-1 |
|
PY19W |
12 |
19 |
PGU20-2 | ||
|
PR19W |
12 |
19 |
PGU20-5 | ||
|
PS19W |
12 |
19 |
PG20-1 | ||
|
PSY19W |
12 |
19 |
PG20-2 | ||
|
PSR19W |
12 |
19 |
PG20-5 | ||
|
PW19W |
12 |
19 |
WP3.3x14.5-1 | ||
|
PWR19W |
12 |
19 |
WP3.3x14.5-2 | ||
|
PWY19W |
12 |
19 |
WP3.3x14.5-5 | ||
|
- |
PR21/5W |
PR21/5W |
12 |
21/5 |
BAW15d |
|
24 |
21/5 |
BAW15d | |||
|
- |
PR21W |
PR21W |
12 |
21 |
BAW15s |
|
24 |
21 |
BAW15s | |||
|
- |
PR21/4W |
PR21/4W |
12 |
21/4 |
BAU15d |
|
24 |
21/4 |
BAU15d | |||
|
- |
PY21/5W |
PY/5W |
12 |
21/5 |
BA15d-3 (100°/130°) |
|
- |
R37-P24W |
P24W |
12 |
24 |
PGU20-3 |
|
PX24W |
12 |
24 |
PGU20-7 | ||
|
PY24W |
12 |
24 |
PGU20-4 | ||
|
PR24W |
12 |
24 |
PGU20-6 | ||
|
PS24W |
12 |
24 |
PG20-3 | ||
|
PSX24W |
12 |
24 |
PG20-7 | ||
|
PSY24W |
12 |
24 |
PG20-4 | ||
|
PSR24W |
12 |
24 |
PG20-6 | ||
|
PW24W |
12 |
24 |
WP3.3x14.5-3 | ||
|
PWR24W |
12 |
24 |
WP3.3x14.5-4 | ||
|
PWY24W |
12 |
24 |
WP3.3x14.5-6 | ||
|
- |
PSX26W |
PSX26W |
12 |
26 |
PG18.5d-3 |
|
- |
P27/7W |
P27/7W |
12 |
27/7 |
WU2.5x16 |
|
- |
R5W |
RR5W |
6 |
5 |
BAW15s |
|
12 |
5 |
BAW15s | |||
|
24 |
5 |
BAW15s | |||
|
- |
R10W |
RR10W |
6 |
10 |
BAW15s |
|
RR10W |
12 |
10 |
BAW15s | ||
|
RR10W |
24 |
10 |
BAW15s | ||
|
RY10W |
6 |
10 |
BAU15s | ||
|
RY10W |
12 |
10 |
BAU15s | ||
|
RY10W |
24 |
10 |
BAU15s | ||
|
- |
W5W |
WR5W |
6 |
5 |
W2.1x9.5d |
|
12 |
5 |
W2.1x9.5d | |||
|
24 |
5 |
W2.1x9.5d | |||
|
- |
W10W |
W10W |
6 |
10 |
W2.1x9.5d |
|
W10W |
12 |
10 |
W2.1x9.5d | ||
|
WY10W |
6 |
10 |
W2.1x9.5d | ||
|
WY10W |
12 |
10 |
W2.1x9.5d | ||
|
- |
W15/5W |
W15/5W |
12 |
15/5 |
WZ3x16q |
|
- |
W16W |
WY16W |
12 |
16 |
W2.1x9.5d |
|
- |
WP21W |
WP21W |
12 |
21 |
WY2.5x16d |
|
WPY21W |
12 |
21 |
WZ2.5x16d | ||
|
- |
WT21W |
WT21W |
12 |
21 |
WUX2.5x16d |
|
24 |
21 |
WUX2.5x16d | |||
|
WTY21W |
12 |
21 |
WUY2.5x16d | ||
|
24 |
21 |
WUY2.5x16d | |||
|
- |
WT21/7W |
WT21/7W |
12 |
21/7 |
WZX2.5x16q |
|
WTY21/7W |
12 |
21/7 |
WZY2.5x16q | ||
|
WTY21/7W |
12 |
21/7 |
WZY2.5x16q | ||
|
- |
WY2.3W |
WY2.3W |
12 |
2,3 |
W2x4.6d |
|
- |
D5S |
D5S |
12 |
25 |
PK32d-7 |
|
- |
D6S |
D6S |
12 |
25 |
P32d-1 |
|
- |
D8S |
D8S |
12 |
25 |
PK32d-1 |
|
- |
D8R |
D8R |
12 |
25 |
PK32d-8 |
|
- |
D9S |
D9S |
12 |
27/35 |
PK32d-9 |
|
- |
H17 |
H17 |
12 |
35 |
PU43t-4 |
|
- |
PY21/5W |
PY/5W |
12 |
21/5 |
BA15d-3 (100°/130°) |
|
- |
LR1 |
LR1 |
12 |
0,75/3,5 |
PGJ21t-1 |
|
- |
LW2 |
LW2 |
12 |
1/12 |
PGJY50 |
|
- |
L3 |
LR3A/LR3B |
12 |
3 |
PGJ18.5d-1 |
|
LW3A/LW3B |
12 |
4 |
PGJ18.5d-24 | ||
|
LY3A/LY3B |
12 |
4 |
PGJ18.5d-15 | ||
|
- |
LR4 |
LR4A/LR4B |
12 |
3/0,75 |
PGJ18.5t-5 |
|
- |
L5 |
LR5A/LR5B |
12 |
3 |
PGJ18.5d-10 |
|
LW5A/LW5B |
12 |
6 |
PGJ18.5d-28 | ||
|
LY5A/LY5B |
12 |
6 |
PGJ18.5d-19 | ||
|
- |
L1/6 |
L1A/6/L1B/6 |
12 |
6 |
PGJ18.5d-29 |
|
Если во второй графе приведена ссылка на номер листа R.E.5, то номер листа по МЭК относят к листу с параметрами, исключенными изменением 5 (2012) к изданию 2 МЭК 60809:1995, и он указан только для информации. Номер в графе указывает на номер листа в R.E.5. | |||||
8.3 Листы с параметрами ламп, не приведенные в R.E.5 ООН
Технические характеристики, приведенные ниже в листах с параметрами ламп, соответствуют установленным в МЭК 60809.1 (издание 3). Редакционные изменения вносят в стандарты, на которые приведены ссылки, для исправления очевидных ошибок перевода и соблюдения действующих правил.
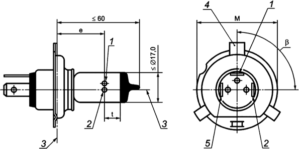
|
ЛАМПА НАКАЛИВАНИЯ ДЛЯ ДОРОЖНЫХ ТРАНСПОРТНЫХ СРЕДСТВ Лист с параметрами КАТЕГОРИЯ: H6 ЦОКОЛЬ: PZ43t |
С. 1/3 | ||||
|
Таблица 1 Электрические параметры | |||||
|
Номинальное напряжение, В |
12 | ||||
|
Номинальная мощность, Вт |
65/55 | ||||
|
Испытательное напряжение, В |
13,2 | ||||
|
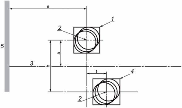
Рисунки предназначены только для демонстрации основных размеров лампы накаливания. Размеры в миллиметрах
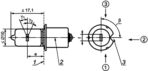
1 - контакт тела накала ближнего света; 2 - контакт тела накала дальнего света; 3 - базовая ось; 4 - базовый выступ; 5 - контакт общий Рисунок 1 - Чертеж лампы накаливания Цоколь: в соответствии с МЭК 60061-1 (лист 7004-22). Базовая ось: базовая ось - это перпендикуляр к базовой плоскости, проходящий через центр окружности диаметром M. Колба: бесцветная. | |||||
|
60809-МЭК-2125-2 | |||||
|
ЛАМПА НАКАЛИВАНИЯ ДЛЯ ДОРОЖНЫХ ТРАНСПОРТНЫХ СРЕДСТВ Лист с параметрами КАТЕГОРИЯ: H6 ЦОКОЛЬ: PZ43t |
С. 2/3 | |||||
|
Таблица 2 Параметры и размеры ламп накаливания | ||||||
|
Параметр |
Значение |
Допуск и предельное значение | ||||
|
Лампа серийного производства | ||||||
|
Номинальное напряжение, В |
12 |
12 | ||||
|
Расчетная мощность, Вт: | ||||||
|
тело накала дальнего света |
- |
76 max <1> | ||||
|
тело накала ближнего света |
- |
64 max <2> | ||||
|
Расчетный световой поток, лм: | ||||||
|
тело накала дальнего света |
1320 |
± 15% | ||||
|
тело накала ближнего света |
880 |
± 15% | ||||
|
Размеры, мм: |
6 |
- | ||||
|
e <3> |
26,0 |
± 0,3 | ||||
|
t |
- |
3,0 min | ||||
|
боковое отклонение |
- |
0,5 max <4> | ||||
|
β <5> |
90° |
± 15 <4> | ||||
|
-------------------------------- <1> Значения, рассчитанные при 5,76 Amax. <2> Значения, рассчитанные при 4,85 Amax. <3> Этот размер приведен для тела накала дальнего света. <4> В стадии рассмотрения. <5> Угол, град, между базовым выступом и телом накала лампы. | ||||||
|
60809-МЭК-2125-2 | ||||||
|
ЛАМПА НАКАЛИВАНИЯ ДЛЯ ДОРОЖНЫХ ТРАНСПОРТНЫХ СРЕДСТВ Лист с параметрами КАТЕГОРИЯ: H6 ЦОКОЛЬ: PZ43t |
С. 3/3 | |||||||||
|
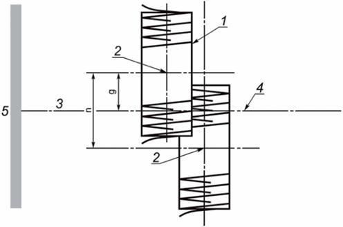
1 - оси тела накала лампы; 2 - базовая ось; 3 - оси тела накала лампы дальнего света Рисунок 2 - Положение тел накала лампы Таблица 3 Положение тел накала лампы | ||||||||||
|
Тип |
a |
g |
o |
s |
lc |
lr | ||||
|
12 В |
0 + 0,35 <1> |
0 + 0,35 <1> |
2,4 nom |
2,4 nom |
6,0 max |
6,0 max | ||||
|
-------------------------------- <1> В стадии рассмотрения. | ||||||||||
|
60809-МЭК-2125-2 | ||||||||||
|
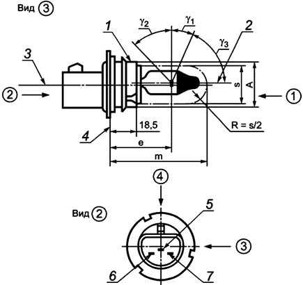
ЛАМПА НАКАЛИВАНИЯ ДЛЯ ДОРОЖНЫХ ТРАНСПОРТНЫХ СРЕДСТВ Лист с параметрами КАТЕГОРИЯ: HB1 ЦОКОЛЬ: P29t |
С. 1/3 | ||||
|
Таблица 1 Электрические параметры | |||||
|
Номинальное напряжение, В |
12 | ||||
|
Номинальная мощность, Вт |
65/45 | ||||
|
Испытательное напряжение, В |
13,2 | ||||
|
Рисунки предназначены только для демонстрации основных размеров лампы накаливания. Размеры в миллиметрах
1 - базовый паз (паз R); 2 - центральная линия неискривленной колбы; 3 - базовая ось; 4 – базовая поверхность; 5 - контакт тела накала ближнего света; 6 - контакт общий; 7 - контакт тела накала дальнего света Рисунок 1 - Чертеж лампы накаливания Цоколь: P29t в соответствии с МЭК 60061-1 (лист 7004-66). Максимальный контур лампы: должна быть обеспечена возможность установки лампы в цилиндр диаметром s, соосный с базовой осью и ограниченный с одной стороны плоскостью, параллельной базовой плоскости и расположенной на расстоянии 18,5 мм, с другой стороны - полусферой радиусом s/2. | |||||
|
60809-МЭК-2135-1 | |||||
|
ЛАМПА НАКАЛИВАНИЯ ДЛЯ ДОРОЖНЫХ ТРАНСПОРТНЫХ СРЕДСТВ Лист с параметрами КАТЕГОРИЯ: HB1 ЦОКОЛЬ: P29t |
С. 2/3 | ||||||
|
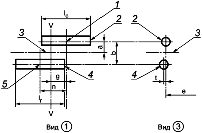
Базовая ось: базовая ось - это ось, перпендикулярная к базовой плоскости, проходящий через центр окружности диаметром A. Колба: бесцветная, с черным затемнением на куполе. Окружность стеклянной колбы должна быть без оптических искажений и иметь цилиндрическую форму в пределах углов γ1 и γ2. Это требование применяют ко всей окружности колбы в пределах углов γ1 и γ2. Затемнение распространяют, по крайней мере, на угол γ3, а также на неискаженную часть колбы, определенную углом γ1. Вершины углов γ1, γ2 и γ3 - это точки пересечения оси неискаженной колбы с плоскостью, параллельной базовой плоскости и расположенной на расстоянии 44,5 мм от нее (размер e). Таблица 2 Параметры и размеры лампы накаливания | |||||||
|
Параметр |
Значение |
Допуск и предельное значение | |||||
|
Лампа серийного производства |
Эталонная лампа | ||||||
|
Номинальное напряжение, В |
12 |
12 |
12 | ||||
|
Расчетная мощность, Вт: | |||||||
|
тело накала дальнего света |
- |
73 max |
73 max | ||||
|
тело накала ближнего света |
- |
52 max |
52 max | ||||
|
Расчетный световой поток, лм: | |||||||
|
тело накала дальнего света |
1320 |
± 12% |
<1> | ||||
|
тело накала ближнего света |
770 |
± 12% |
<1> | ||||
|
Размеры, мм: | |||||||
|
A |
28,55 |
± 0,05 |
± 0,05 | ||||
|
e |
44,50 |
± 0,25 |
± 0,15 | ||||
|
m |
- |
70 max |
70 max | ||||
|
s |
24,50 |
nom |
nom | ||||
|
γ1 |
38° |
± 5° |
± 5° | ||||
|
γ2 |
- |
43° min |
43° min | ||||
|
γ3 |
52° |
± 5° |
± 5° | ||||
|
-------------------------------- <1> Испытательный световой поток - 990 и 570 лм при напряжении приблизительно 12 В. | |||||||
|
60809-МЭК-2135-1 | |||||||
|
ЛАМПА НАКАЛИВАНИЯ ДЛЯ ДОРОЖНЫХ ТРАНСПОРТНЫХ СРЕДСТВ Лист с параметрами КАТЕГОРИЯ: HB1 ЦОКОЛЬ: P29t |
С. 3/3 | ||||||
|
Положение тел накала лампы Размеры в миллиметрах
1 - центр тела накала ближнего света; 2 - тело накала ближнего света; 3 - базовая ось; 4 - тело накала лампы дальнего света; 5 - центр тела накала дальнего света Плоскость V-V - это плоскость, перпендикулярная к базовой плоскости, содержащей базовую ось и центральную линию паза R цоколя. Рисунок 2 - Положение тела накала лампы Таблица 3 Размеры тела накала лампы | |||||||
|
Размер <1> |
Значение |
Допуск и предельное значение | |||||
|
Лампа серийного производства |
Эталонная лампа | ||||||
|
Номинальное напряжение, В |
12 |
12 |
12 | ||||
|
a |
1,15 |
± 0,38 |
± 0,20 | ||||
|
b |
2,30 |
± 0,64 |
± 0,25 | ||||
|
g |
1,20 |
± 0,38 |
± 0,20 | ||||
|
lc <2>, <*> |
4,80 |
± 0,40 |
± 0,40 | ||||
|
lr <3>, <*> |
4,80 |
± 0,40 |
± 0,40 | ||||
|
n |
2,40 |
± 0,80 |
± 0,40 | ||||
|
t |
0,00 |
± 0,64 |
± 0,25 | ||||
|
-------------------------------- <1> Метод измерений приведен в приложении F. <2> Отклонение прямолинейности тела накала ближнего света не должно превышать 0,3 фактического диаметра спирали. <3> Отклонение прямолинейности тела накала дальнего света не должно превышать 0,4 фактического диаметра спирали. <*> Ошибка от оригинала. | |||||||
|
60809-МЭК-2135-1 | |||||||
|
ЛАМПА НАКАЛИВАНИЯ ДЛЯ ДОРОЖНЫХ ТРАНСПОРТНЫХ СРЕДСТВ Лист с параметрами КАТЕГОРИЯ: S4 ЦОКОЛЬ: BAX15d |
С. 1/2 | |||||
|
Таблица 1 Электрические характеристики | ||||||
|
Номинальное напряжение, В |
6 |
12 | ||||
|
Номинальная мощность, Вт |
15/15 |
15/15 | ||||
|
Испытательное напряжение, В |
6,75 |
13,5 | ||||
|
Рисунки предназначены только для демонстрации основных размеров лампы накаливания. Размеры в миллиметрах
1 - базовая ось; 2 - базовая плоскость (см. примечание 4 на С. 2/2); 3 - базовый штифт; 4 – тело накала дальнего света; 5 - тело накала ближнего света Рисунок 1 - Чертеж лампы накаливания
1 - базовая ось; 2 - ось тела накала ближнего света; 3 – ось тела накала дальнего света; 4 - положение экрана; 5 - см. примечание 1; 6 - см. примечание 3; 7 - см. примечание 2; 8 - экран Рисунок 2 - Положение тела накала лампы | ||||||
|
60809-МЭК-2160-2 | ||||||
|
ЛАМПА НАКАЛИВАНИЯ ДЛЯ ДОРОЖНЫХ ТРАНСПОРТНЫХ СРЕДСТВ Лист с параметрами КАТЕГОРИЯ: S4 ЦОКОЛЬ: BAX15d |
С. 2/2 | ||||||||
|
Примечания 1 Плоскость V-V содержит базовую ось и центральную линию базового штифта. 2 Плоскость H-H содержит базовую ось и ось, перпендикулярную к плоскости V-V. 3 Плоскость S-S обозначает положение плоскости через кромки экрана, параллельной плоскости H-H. Цоколь: BAX15d по МЭК 60061-1 (лист 7004-18). Колба: бесцветная или селективно-желтая. Таблица 2 Параметры и размеры лампы накаливания | |||||||||
|
Параметр <1> |
Значение |
Допуск и предельное значение | |||||||
|
Лампа серийного производства |
Эталонная лампа | ||||||||
|
Номинальное напряжение, В |
6 |
12 |
6 |
12 |
6 | ||||
|
Расчетная мощность, Вт: | |||||||||
|
тело накала дальнего света |
15 |
± 6% |
± 6% | ||||||
|
тело накала ближнего света |
15 |
± 6% |
± 6% | ||||||
|
Расчетный световой поток, лм: | |||||||||
|
тело накала дальнего света |
- |
180 min |
<1> | ||||||
|
тело накала ближнего света |
- |
125 min/190 max |
<1> | ||||||
|
Размеры, мм: | |||||||||
|
e |
33,6 |
± 0,35 |
± 0,15 | ||||||
|
f |
1,8 |
± 0,35 |
± 0,2 | ||||||
|
lc, lr |
3,5 |
± 1,0 |
± 0,5 | ||||||
|
c <2> |
0,4 |
± 0,35 |
± 0,15 | ||||||
|
b <2> |
0,2 |
± 0,35 |
± 0,15 | ||||||
|
a <2> |
0,6 |
± 0,35 |
± 0,15 | ||||||
|
h |
0,0 |
± 0,5 |
± 0,2 | ||||||
|
g |
0,0 |
± 0,5 |
± 0,2 | ||||||
|
β <2>, <3> |
0,0 |
± 2°30' |
± 1° | ||||||
|
-------------------------------- <1> Испытательный световой поток равен 240 лм (тело накала дальнего света) и 160 лм (тело накала ближнего света) при напряжении приблизительно 6 В. <2> Размеры a, b, c и β относятся к плоскости, параллельной базовой плоскости и пересекающей две кромки экрана на расстоянии e + 1,5 мм. <3> Допустимое угловое отклонение плоскости через кромки экрана от объективного положения. Базовая плоскость - это плоскость, перпендикулярная к базовой оси, касающейся верхней поверхности базового штифта длиной 2 мм. | |||||||||
|
60809-МЭК-2160-2 | |||||||||
|
ЛАМПА НАКАЛИВАНИЯ ДЛЯ ДОРОЖНЫХ ТРАНСПОРТНЫХ СРЕДСТВ Лист с параметрами КАТЕГОРИЯ: H5 ЦОКОЛЬ: PY43d <*> |
С. 1/2 | ||||
|
Таблица 1 Электрические параметры | |||||
|
Номинальное напряжение, В |
12 | ||||
|
Номинальная мощность, Вт |
50 | ||||
|
Испытательное напряжение, В |
13,2 | ||||
|
Рисунок предназначен только для демонстрации основных размеров лампы накаливания. Размеры в миллиметрах
1 - базовый выступ; 2 - базовая ось; 3 - базовая плоскость Рисунок 1 - Чертеж лампы накаливания Цоколь: PY43d по МЭК 60061-1 (лист 7004-88). Базовая ось: базовая ось - это ось, перпендикулярная к базовой плоскости, проходящей через центр окружности диаметром M. Колба: бесцветная. -------------------------------- <*> Ошибка от оригинала. | |||||
|
60809-МЭК-2305-2 | |||||
|
ЛАМПА НАКАЛИВАНИЯ ДЛЯ ДОРОЖНЫХ ТРАНСПОРТНЫХ СРЕДСТВ Лист с параметрами КАТЕГОРИЯ: H5 ЦОКОЛЬ: PY43d <*> |
С. 2/2 | ||||||||
|
Таблица 2 Параметры и размеры лампы накаливания | |||||||||
|
Параметр |
Значение |
Допуск и предельное значение | |||||||
|
Лампа серийного производства | |||||||||
|
Номинальное напряжение, В |
12 |
12 | |||||||
|
Расчетная мощность, Вт |
- |
58 max <1> | |||||||
|
Расчетный световой поток, лм |
1210 |
± 15% | |||||||
|
Размеры, мм: | |||||||||
|
e |
44,50 |
± 0,25 | |||||||
|
боковое отклонение |
- |
0,5 max <2> | |||||||
|
β <3> |
24,50 |
± 15° <2> | |||||||
|
1 - базовая ось; 2 - оси тела накала лампы Рисунок 2 - Положение тел накала лампы Таблица 3 Размеры тел накала лампы Размеры в миллиметрах | |||||||||
|
Тип |
a |
g |
f | ||||||
|
12 В |
0 + 0,35 <4> |
0 + 0,35 <4> |
6,0 max | ||||||
|
-------------------------------- <1> Значения, рассчитанные при 4,39 Amax. <2> В стадии рассмотрения. <3> Угол между осью базового выступа и телом накала, град. <4> В стадии рассмотрения. <*> Ошибка от оригинала. | |||||||||
|
60809-МЭК-2305-2 | |||||||||
|
ЛАМПА НАКАЛИВАНИЯ ДЛЯ ДОРОЖНЫХ ТРАНСПОРТНЫХ СРЕДСТВ Лист с параметрами КАТЕГОРИЯ: H2 ЦОКОЛЬ: X511 |
С. 1/3 | ||||||
|
Таблица 1 Электрические параметры | |||||||
|
Номинальное напряжение, В |
6 |
12 |
24 | ||||
|
Номинальная мощность, Вт |
55 |
55 |
70 | ||||
|
Испытательное напряжение, В |
6,3 |
13,2 |
28,0 | ||||
|
Рисунок предназначен только для демонстрации основных размеров лампы накаливания. Размеры в миллиметрах
1 - вид A; 2 - ось колбы; 3 - базовая плоскость; 4 - вид C; 5 - ось тела накала лампы; 6 - вид D; 7 – контрольное отверстие; 8 - базовая линия; 9 - вид B Рисунок 1 - Чертеж лампы накаливания | |||||||
|
60809-МЭК-2320-2 | |||||||
|
ЛАМПА НАКАЛИВАНИЯ ДЛЯ ДОРОЖНЫХ ТРАНСПОРТНЫХ СРЕДСТВ Лист с параметрами КАТЕГОРИЯ: H2 ЦОКОЛЬ: X511 |
С. 2/3 | ||||||||||
|
Цоколь: X511 в соответствии с МЭК 60061-1 (лист 7004-99). Тремя крестами на базовой плоскости обозначено положение трех выступов, определяющих данную плоскость на патроне. В пределах окружности диаметром 3 мм, сцентрированной по этим точкам, не должно быть видимой деформации и неровностей цоколя, влияющих на положение лампы. Колба: бесцветная или селективно-желтая. Таблица 2 Параметры и размеры лампы накаливания | |||||||||||
|
Параметр <1> |
Значение |
Допуск и предельное значение | |||||||||
|
Лампа серийного производства |
Эталонная лампа | ||||||||||
|
Номинальное напряжение, В |
6 |
12 |
24 |
6 |
12 |
24 |
12 | ||||
|
Расчетная мощность, Вт |
- |
- |
- |
63 max |
68 max |
84 max |
68 max | ||||
|
Расчетный световой поток, лм |
1300 |
1800 |
2150 |
± 15% |
<1> | ||||||
|
Размеры, мм: | |||||||||||
|
e <3> |
12,25 |
<2> |
± 0,15 | ||||||||
|
f <3> |
4,5 |
5,5 |
± 1,0 |
± 0,5 | |||||||
|
g <4>, <5> |
0,5d |
± 0,5d |
± 0,25d | ||||||||
|
h1 <6> |
0,4 |
<2> |
± 0,20 | ||||||||
|
h2 <6> |
0,2 |
<2> |
± 0,15 | ||||||||
|
h3 <4>, <6> |
0,6 |
<2> |
± 0,15 | ||||||||
|
h4 <6> |
0,0 |
<2> |
± 0,2 | ||||||||
|
-------------------------------- <1> Испытательный световой поток - 1300 лм при напряжении, приблизительно равном 12 В. <2> Проверяют системой шаблона, приведенной на С. 3/3. <3> Концы тела накала лампы определяют как точки, в которых при рассмотрении с направления D (С. 1/3) проекция вне концевых витков, наиболее близких или наиболее удаленных от цоколя, пересекает линию, параллельную линии Z-Z и расположенную на расстоянии 7,1 мм от нее. Специальные инструкции для биспиральных тел накала лампы - в стадии рассмотрения. <4> d - диаметр тела накала лампы. <5> Измеряют на площади поперечного сечения, перпендикулярного к оси колбы и проходящего через тот конец тела накала лампы, который находится наиболее близко к цоколю. <6> Смещения h1 и h2 измеряют для Z-Z в плоскости, параллельной базовой плоскости. Смещения h3 и h4 измеряют для Y-Y в плоскости, перпендикулярной к базовой плоскости. Измеряемыми являются те точки, в которых проекция внешней части конечного витка, наиболее близкая или наиболее удаленная от цоколя, пересекает ось тела накала лампы. | |||||||||||
|
60809-МЭК-2320-2 | |||||||||||
|
ЛАМПА НАКАЛИВАНИЯ ДЛЯ ДОРОЖНЫХ ТРАНСПОРТНЫХ СРЕДСТВ Лист с параметрами КАТЕГОРИЯ: H2 ЦОКОЛЬ: X511 |
С. 3/3 | ||||||||||
|
Размеры в миллиметрах
1 - базовая плоскость; 2 - базовая линия Рисунок 2 - Система проверки расположения тела накала лампы (система шаблона) [см. A.10 (приложение A)] Таблица 3 Размеры тел накала лампы Размеры в миллиметрах | |||||||||||
|
Тип |
a1 |
a2 |
b1 |
b2 |
c |
d1 |
d2 | ||||
|
6 В |
d + 0,5 |
d + 1,0 |
0,25 |
0,25 |
6 |
7,1 |
0,5d - 0,35 | ||||
|
12 В |
d + 0,5 |
d + 1,0 |
0,25 |
0,25 |
7 |
7,1 |
0,5d - 0,35 | ||||
|
24 В |
d + 1,0 |
d + 1,0 |
0,25 |
0,25 |
7 |
7,1 |
0,5d - 0,35 | ||||
|
d - диаметр тела накала лампы. Конец тела накала лампы, наиболее близкий к цоколю, должен быть расположен между b1 и b2. Конец тела накала лампы определен в примечании 3 на С. 2/3. | |||||||||||
|
60809-МЭК-2320-2 | |||||||||||
|
ЛАМПА НАКАЛИВАНИЯ ДЛЯ ДОРОЖНЫХ ТРАНСПОРТНЫХ СРЕДСТВ Лист с параметрами КАТЕГОРИЯ: HS3 ЦОКОЛЬ: PX13.5s |
С. 1/3 | ||||
|
Таблица 1 Электрические параметры | |||||
|
Номинальное напряжение, В |
6 | ||||
|
Номинальная мощность, Вт |
2,4 | ||||
|
Испытательное напряжение, В |
6 | ||||
|
Рисунки предназначены только для демонстрации основных размеров лампы накаливания. Размеры в миллиметрах
1 - базовая плоскость; 2 - базовая ось; 3 - базовый паз Рисунок 1 - Чертеж лампы накаливания
1 - базовая ось; 2 - ось тела накала лампы; 3 - центр тела накала лампы; 4 - базовая плоскость Рисунок 2 - Вид тела накала лампы с размерами e, f, h1 и h2 | |||||
|
60809-МЭК-2350-2 | |||||
|
ЛАМПА НАКАЛИВАНИЯ ДЛЯ ДОРОЖНЫХ ТРАНСПОРТНЫХ СРЕДСТВ Лист с параметрами КАТЕГОРИЯ: HS3 ЦОКОЛЬ: PX13.5s |
С. 2/3 | ||||||
|
Цоколь: PX13.5s в соответствии с МЭК 60061-1 (лист 7004-35). Колба: бесцветная или селективно-желтая. Базовая ось: базовая ось - это ось, перпендикулярная к базовой плоскости, проходящая через точку пересечения этой плоскости с осью кольца цоколя. Таблица 2 Параметры и размеры лампы накаливания | |||||||
|
Параметр <1> |
Значения |
Допуск и предельное значение | |||||
|
Лампа серийного производства |
Эталонная лампа | ||||||
|
Номинальное напряжение, В |
6 |
6 |
6 | ||||
|
Расчетная мощность, Вт |
2,4 |
± 8% |
± 8% | ||||
|
Расчетный световой поток, лм |
36 |
± 15% |
<1> | ||||
|
Размеры, мм: | |||||||
|
e |
6,55 |
<2> |
± 0,15 | ||||
|
f <4> |
1,25 |
± 0,35 |
± 0,25 | ||||
|
h1 |
0,0 |
<2> |
± 0,15 | ||||
|
h2 |
0,0 |
<2> |
± 0,15 | ||||
|
β <3> |
90° |
± 20° |
± 5° | ||||
|
γ1 <5> |
- |
30° min |
30° min | ||||
|
γ2 <5> |
- |
25° min |
30° min | ||||
|
-------------------------------- <1> Испытательный световой поток - 36 лм при напряжении приблизительно 6,0 В. <2> Проверяют системой шаблона, приведенной на С. 3/3. <3> Ось тела накала лампы и плоскость внутреннего монтажа относительно базового паза должны быть в пределах допуска на угол β. <4> Концы тела накала лампы определяют как пересечение внешней стороны первого и последнего светящихся витков, имеющих правильный угол навивки, с осью тела накала лампы при направлении вида <5> На площади между внешними сторонами углов γ1 и γ2 колба не должна искажать оптические свойства лампы, радиус кривизны колбы должен составлять не менее 50% фактического диаметра колбы. Примечание - В связи с тем, что тело накала галогенной лампы работает при более высоких температурах, чем у обычных ламп, то во избежание их быстрого разрушения необходимо обеспечить, чтобы эти лампы не подвергались напряжениям генератора, превышающим 8 В. | |||||||
|
60809-МЭК-2350-2 | |||||||
|
ЛАМПА НАКАЛИВАНИЯ ДЛЯ ДОРОЖНЫХ ТРАНСПОРТНЫХ СРЕДСТВ Лист с параметрами КАТЕГОРИЯ: HS3 ЦОКОЛЬ: PX13.5s |
С. 3/3 | ||||||
|
Размеры в миллиметрах
1 - базовая ось; 2 - 6,55 мм от базовой плоскости Рисунок 3 - Система проверки расположения тела накала лампы ("система шаблона") [см. A.10 (приложение A)] Таблица 3 Размеры тел накала лампы Размеры в миллиметрах | |||||||
|
Тип |
a |
b |
c | ||||
|
6В |
d + 0,5 |
2,1 |
1,1 | ||||
|
d - диаметр тела накала лампы. | |||||||
|
Проекция тела накала лампы при направлениях видов Если тело накала лампы закрыто монтажными деталями при направлении вида | |||||||
|
60809-МЭК-2350-2 | |||||||
|
ЛАМПА НАКАЛИВАНИЯ ДЛЯ ДОРОЖНЫХ ТРАНСПОРТНЫХ СРЕДСТВ Лист с параметрами КАТЕГОРИЯ: B1.13W ЦОКОЛЬ: PX13.5s |
С. 1/1 | ||||||||
|
Таблица 1 Электрические параметры | |||||||||
|
Номинальное напряжение, В |
2,7 | ||||||||
|
Номинальная мощность, Вт |
1,13 | ||||||||
|
Испытательное напряжение, В |
2,7 | ||||||||
|
Рисунки предназначены только для демонстрации основных размеров лампы накаливания. Размеры в миллиметрах
1 - базовая плоскость; 2 - базовая ось Рисунок 1 - Чертеж лампы накаливания Цоколь: PX13.5s в соответствии с МЭК 60061-1 (лист 7004-35). Колба: бесцветная. Таблица 2 Параметры и размеры лампы накаливания | |||||||||
|
Параметр |
Значение |
Допуск и предельное значение | |||||||
|
Лампа серийного производства |
Эталонная лампа | ||||||||
|
Расчетная мощность, Вт |
1,13 |
± 10% |
± 10% | ||||||
|
Расчетный световой поток, лм |
9,4 |
± 20% |
<1> | ||||||
|
Размеры, мм: | |||||||||
|
e |
6,35 |
± 0,25 |
± 0,15 | ||||||
|
боковое отклонение <2> |
0,0 |
0,4 max |
0,2 max | ||||||
|
-------------------------------- <1> Испытательный световой поток - 9,4 лм при напряжении приблизительно 2,7 В. <2> Боковое отклонение тела накала лампы от базовой оси. | |||||||||
|
60809-МЭК-9310-1 | |||||||||
|
ЛАМПА НАКАЛИВАНИЯ ДЛЯ ДОРОЖНЫХ ТРАНСПОРТНЫХ СРЕДСТВ Лист с параметрами КАТЕГОРИЯ: B0.6W ЦОКОЛЬ: E10 |
С. 1/1 | ||||||||
|
Таблица 1 Электрические параметры | |||||||||
|
Номинальное напряжение, В |
6 | ||||||||
|
Номинальная мощность, Вт |
0,6 | ||||||||
|
Испытательное напряжение, В |
6 | ||||||||
|
Рисунки предназначены только для демонстрации основных размеров лампы накаливания. Размеры в миллиметрах
1 - базовая плоскость; 2 - базовая ось Рисунок 1 - Чертеж лампы накаливания Цоколь: E10 в соответствии с МЭК 60061-1 (лист 7004-22). Колба: бесцветная. Таблица 2 Параметры и размеры лампы накаливания | |||||||||
|
Параметр |
Значение |
Допуск и предельное значение | |||||||
|
Лампа серийного производства |
Эталонная лампа | ||||||||
|
Расчетная мощность, Вт |
6 |
± 10% |
± 10% | ||||||
|
Расчетный световой поток, лм |
0,6 |
± 33% |
<1> | ||||||
|
Размеры, мм: |
6 | ||||||||
|
e |
18,0 |
± 1 |
± 0,15 | ||||||
|
боковое отклонение <2> |
0,0 |
1,0 max |
0,2 max | ||||||
|
-------------------------------- <1> Испытательный световой поток - 3,0 лм при напряжении приблизительно 6 В. <2> Боковое отклонение тела накала лампы от базовой оси. | |||||||||
|
60809-МЭК-9610-1 | |||||||||
|
ЛАМПА НАКАЛИВАНИЯ ДЛЯ ДОРОЖНЫХ ТРАНСПОРТНЫХ СРЕДСТВ Лист с параметрами КАТЕГОРИЯ: B2.4W ЦОКОЛЬ: EP10/14x11 |
С. 1/1 | ||||||||
|
Таблица 1 Электрические параметры | |||||||||
|
Номинальное напряжение, В |
6 | ||||||||
|
Номинальная мощность, Вт |
2,4 | ||||||||
|
Испытательное напряжение, В |
6 | ||||||||
|
Рисунки предназначены только для демонстрации основных размеров лампы накаливания. Размеры в миллиметрах
1 - базовая плоскость; 2 - базовая ось Рисунок 1 - Чертеж лампы накаливания Цоколь: E10 в соответствии с МЭК 60061-1 (лист 7004-22). Колба: бесцветная. Таблица 2 Параметры и размеры лампы накаливания | |||||||||
|
Параметр |
Значение |
Допуск и предельное значение | |||||||
|
Лампа серийного производства |
Эталонная лампа | ||||||||
|
Расчетная мощность, Вт |
2,4 |
± 10% |
± 6% | ||||||
|
Расчетный световой поток, лм |
24 |
± 20% |
<1> | ||||||
|
Размеры, мм: |
6 | ||||||||
|
e |
8,75 |
± 0,5 |
± 0,15 | ||||||
|
боковое отклонение <2> |
0,0 |
1,0 max |
0,2 max | ||||||
|
-------------------------------- <1> Испытательный световой поток - 24 лм при напряжении приблизительно 6 В. <2> Боковое отклонение тела накала лампы от базовой оси. | |||||||||
|
60809-МЭК-9620-1 | |||||||||
Приложение A
(обязательное)
A.1 Общие положения
Если в листе с параметрами приведена форма тела накала лампы, то тело накала должно быть такой же формы.
A.2 Тело накала лампы, показанное точками в листе с параметрами
Если в листе с параметрами тело накала лампы показано точкой, то форма тела накала - произвольная, а его световой центр определяют по рисунку A.2.
A.3 Линейное тело накала лампы
Правильное положение и форму линейных тел накала лампы проверяют так, как указано в соответствующем листе с параметрами лампы. Измерения проводят при напряжениях, составляющих 90% и 100% испытательного напряжения. Лампы накаливания измеряют в нормальном рабочем положении.
A.4 Биспиральное тело накала лампы
Биспиральное тело накала лампы рассматривают как моноспиральное, при этом первичную навивку рассматривают как проволоку в моноспиральном теле накала лампы.
A.5 Крайние витки тела накала лампы
Если в соответствующем листе с параметрами не указано иное, то крайние витки тела накала лампы определяют как первый и последний витки, которые в проекции полностью находятся под правильным углом спирали. Виток считают выполненным под правильным углом спирали, если его шаг не превышает 150% от среднего шага.
A.6 Крайние части линейного тела накала лампы
A.6.1 Общие положения
Если в соответствующем листе с параметрами не указано иное, то крайние части линейного тела накала лампы устанавливают по положению вершины проекции первого и последнего витков тела накала, при этом угол с шагом тела накала лампы не должен превышать 90° (см. рисунок A.1).

1 - длина тела накала лампы; 2 - вершина; 3 - угол (см. A.6)
Рисунок A.1 - Схема определения вершин, длины и смещений тела накала лампы (A и B)

Для b> 3

Для b ≤ 3h (k <2h)
Рисунок A.2 - Схема определения центра тела накала лампы
A.6.2 Осевое тело накала лампы
Для осевых тел накала лампы крайнее положение вершин определяют путем вращения лампы вокруг ее базовой оси до достижения наиболее крайнего положения.
A.6.3 Поперечное тело накала лампы
Для поперечных тел накала лампы ось тела накала должна быть установлена в положение, перпендикулярное к направлению проекции.
A.7 Определение длины тела накала лампы
Если в соответствующем листе с параметрами не указано иное, то длину тела накала лампы определяют как расстояние между крайними точками тела накала в соответствии с A.6 (см. рисунок A.1), измеряемое параллельно или перпендикулярно к базовой оси в зависимости от типа тела накала лампы. Вершины вне точки соединения с выводами игнорируют при определении длины тела накала лампы.
A.8 Смещение тела накала лампы
Если в соответствующем листе с параметрами не указано иное и если положение тела накала лампы определяется смещениями, то смещения определяют как расстояния между точками пересечения крайних витков в соответствии с A.5, с фактической осью тела накала и базовой линией тела накала лампы (см. рисунок A.1).
A.9 Боковое отклонение
Если в соответствующем листе с параметрами не указано иное и если положение тела накала лампы ограничивается боковыми отклонениями, то отклонения определяют как расстояние между базовой осью или базовой плоскостью и центром тела накала лампы, определенным по A.2. Боковые отклонения задают, как правило, в двух взаимно перпендикулярных плоскостях. Эти два отклонения вместе с допуском на высоту светового центра определяют отклонение центра тела накала лампы относительно системы координат X, Y, Z (см. рисунок A.3).

1 - фактический центр тела накала лампы; 2 - расчетный центр тела накала лампы; 3 - базовая ось; 4 - базовая плоскость
Рисунок A.3 - Схема определения боковых отклонений (A и B) и допуска на высоту светового центра (C)
A.10 Система проверки формы и расположения тела накала лампы (система шаблона)
Форму и расположение тела накала некоторых ламп с линейными телами накала проверяют системой шаблона. Эту систему применяют для определения того, что тело накала лампы расположено правильно относительно базовой плоскости и что высота светового центра находится в заданных пределах. Увеличенные квадраты допустимых пределов, заданных в соответствующих листах с параметрами лампы, выводят на испытательные экраны и точно располагают относительно базовой оси и базовой плоскости. Затем изображения тела накала лампы с такой степенью увеличения проектируют на испытательные экраны. Эти изображения должны полностью совпадать с площадью квадратов и, если необходимо, то концы или центр тела накала лампы должны быть расположены внутри указанных пределов.
Концы тела накала лампы определяют как точки, в которых при просмотре в заданном направлении проекция внешней части первого и последнего витков пересекает базовую линию тела накала. Центр тела накала лампы находится на половине расстояния между пересечениями.
Приложение B
(обязательное)
B.1 Общие положения
Измерения проводят на готовых лампах. Лампы накаливания со второй (внешней) колбой, действующей как цветной фильтр, следует рассматривать, как лампу накаливания с одной колбой.
Испытания проводят при температуре окружающей среды (23 ± 5) °C.
Испытания проводят при испытательном напряжении, указанном в соответствующем листе с параметрами лампы накаливания.
Испытания рекомендуется проводить на лампах, установленных в нормальном рабочем положении. При испытании ламп с двойным телом накала должно работать только тело накала лампы большой мощности.
Перед началом испытаний следует стабилизировать температуру лампы накаливания путем ее работы в течение 10 мин при испытательном напряжении.
B.2 Измерительное оборудование
Измерения выполняют с помощью измерительной системы, обеспечивающей получение координат цветности x, y заданного излучения с точностью ± 0,002 в соответствии с МКО 015:2018.
Координаты цветности измеряют колориметрической головкой, интегрирующей в правильном кольцевом конусе с углом не менее 5° и не более 15° от центра тела накала лампы.
B.3 Рабочие положения
B.3.1 Общие положения
Сначала колориметрическую головку размещают перпендикулярно относительно оси лампы и оси тела накала лампы (или плоскости в случае изогнутого тела накала лампы). Проводят соответствующие измерения. Далее колориметрическую головку перемещают вокруг лампы накаливания с шагом приблизительно 30° в двух направлениях до тех пор, пока не будет покрыта зона, указанная в B.3.2 или B.3.3, и выполняют соответствующие измерения. Измерение не проводят, если:
- центральная линия колориметрической головки совпадает с осью тела накала лампы; или
- линия прямой видимости между колориметрической головкой и телом накала лампы перекрыта непрозрачными (не пропускающими свет) частями лампы, такими как выводы или второе тело накала лампы, при наличии.
B.3.2 Лампы накаливания для фар
Измерения проводят в направлениях вокруг лампы накаливания, когда центральная линия входной щели колориметрической головки расположена в пределах угла ± 30° от плоскости, перпендикулярной к оси лампы с началом в центре тела накала лампы (см. рисунок B.1). При измерении ламп накаливания с двумя телами накала за начало отсчета принимают центр тела накала дальнего света.

Рисунок B.1 - Положение колориметрической головки при измерении ламп накаливания для фар
B.3.3 Лампы накаливания для устройств световой сигнализации
Измерения проводят вокруг лампы накаливания (см. рисунок B.2), за исключением:
- зоны, объявленной или занятой цоколем лампы; или
- зоны перехода по цоколю.

Рисунок B.2 - Положения колориметрической головки при измерении ламп накаливания для устройств световой сигнализации
При измерении ламп накаливания с двумя телами накала за начало отсчета принимают центр основного тела накала лампы.
Измерения ламп накаливания с заданным углом без искажения проводят только в пределах заданного угла.
Приложение C
(обязательное)
C.1 Испытания ламп накаливания
C.1.1 Отжиг
Лампы накаливания подвергают отжигу в течение приблизительно 1 ч при испытательном напряжении, указанном в соответствующем листе с параметрами лампы. У ламп с двумя телами накала каждое тело накала лампы отжигают отдельно.
C.1.2 Условия испытаний
Измерения электрических и световых параметров следует проводить при испытательном напряжении.
C.1.3 Измерительное оборудование для определения электрических параметров
Измерения электрических параметров ламп следует выполнять приборами, точность которых соответствует установленным требованиям (не менее класса 0,2 в соответствии с МЭК 60051-1).
C.1.4 Измерительное оборудование для определения фотометрических параметров
Световой поток измеряют в соответствующем фотометрическом шаре.
C.2 Испытания светодиодных источников света
C.2.1 Условия испытаний
СД источники света подвергают отжигу при испытательном напряжении в течение не менее 48 ч. Многофункциональные СД источники света отжигают отдельно для испытаний каждой функции.
СД источники света всех категорий со встроенным радиатором измеряют при температуре окружающей среды (23 ± 2) °C при отсутствии сквозняков. При этих измерениях необходимо сохранять минимальное свободное пространство, как установлено в листе с параметрами СД источника света.
СД источники света всех категорий, которые имеют заданную рабочую температуру Tb, измеряют путем стабилизации при конкретном значении температуры Tb, указанном в листе с параметрами СД источника света.
C.2.2 Измерение светового потока
C.2.2.1 СД источник света со встроенным радиатором
Измерение светового потока интегрирующим методом проводят через 1 и 30 мин работы СД источника света. Значения светового потока, измеренного через 30 мин, должны соответствовать установленным минимальным и максимальным требованиям.
Дополнение к указанному выше, если иное не указано в листе с параметрами СД источника света:
i) значение светового потока, измеренного через 30 мин, должно быть в пределах от 100% до 80% значения светового потока, измеренного через 1 мин, или
ii) значение светового потока, измеренного через 1 мин, должно соответствовать установленным минимальным и максимальным требованиям, и значение светового потока, измеренного через 30 мин, не должно отклоняться более чем на ± 20% от значения светового потока, измеренного через 1 мин.
C.2.2.2 СД источник света, для которого установлено значение температуры Tb
Измерение светового потока интегрирующим методом проводят после стабилизации температуры Tb до значения, указанного в соответствующем листе с параметрами СД источника света.
Значения светового потока, измеренного после стабилизации температуры Tb до значения, указанного в соответствующем листе с параметрами, должны соответствовать минимальным и максимальным требованиям.
C.2.2.3 Зависимость светового потока от напряжения
Измерения следует проводить при соответствующем испытательном напряжении и при минимальном и максимальном значениях диапазона напряжения. Если в листе с параметрами СД источника света отсутствуют соответствующие указания, то отклонение светового потока не должно превышать допустимых значений, указанных в таблице C.1.
|
Расчетное напряжение, В |
Минимальное напряжение, В |
Максимальное напряжение, В |
|
6 |
6,0 |
7,7 |
|
12 |
12,0 |
14,0 |
|
24 |
24,0 |
28,0 |
|
Соответствующий допуск на световой поток |
± 30% |
± 15% |
|
Максимальное отклонение светового потока в заданных пределах напряжения рассчитывают с использованием измеренного светового потока при эталонном значении испытательного напряжения. Световой поток должен быть одинаковым при испытательном напряжении и предельных значениях диапазона напряжения. | ||
C.2.3 Определение нормируемой силы света
Нормируемая сила света должна соответствовать значению, указанному в соответствующем листе с параметрами.
Измерения силы света начинают:
a) после времени стабилизации, равного 30 мин, или
b) после стабилизации температуры Tb до значения, указанного в листе с параметрами.
Измерения следует проводить при соответствующем испытательном напряжении.
Нормируемую силу света испытуемого образца рассчитывают путем деления распределения силы света на световой поток, определенный через 30 мин.
C.2.4 Определение цвета света
Цвет света, излучаемого СД источником света, измеренный при тех же условиях, что и световой поток, должен находиться в заданных пределах.
C.2.5 Измерение потребляемой мощности
Измерение потребляемой мощности проводят при тех же условиях, что и измерение светового потока.
Измерения потребляемой мощности проводят при соответствующем испытательном напряжении.
Полученные значения должны соответствовать минимальным и максимальным требованиям, указанным в соответствующем листе с параметрами.
C.2.6 Измерение светового потока и цвета света при повышенной температуре
C.2.6.1 Общие положения
Если в листах с параметрами СД источника света указан световой поток и/или цвет света при повышенной температуре (температурах), то применяют следующий метод измерений.
C.2.6.2 Настройка и калибровка измерительного оборудования
Применяют измерительную установку, состоящую из температурной камеры и фотометрической измерительной системы (например, спектрометра) с дополнительным волоконно-оптическим кабелем (см. рисунок C.1). Спектрометр и дополнительный волоконно-оптический кабель должны быть пригодны для измерений в диапазоне длин волн от 380 нм до 780 нм.

1 - температурная камера; 2 - СД источник света; 3 - крепление для волоконно-оптического кабеля, если требуется; 4 - волоконно-оптический кабель или прямой оптический путь; 5 - фотометрическая измерительная система; 6 - патрон и крепление СД источника света
Рисунок C.1 - Схема измерительной установки
СД источник света помещают внутри температурной камеры, а волоконно-оптический кабель или датчик размещают в фиксированном положении на главной оптической оси СД источника света. Материал патрона СД источника света должен иметь теплопроводность менее 1,0 Вт/(м·К), например поликарбонат. Датчик температуры должен быть размещен внутри температурной камеры рядом с СД источником света на его высоте таким образом, чтобы он не подвергался непосредственному воздействию излучения или конвекции от СД источника света. Размер температурной камеры должен быть таким, чтобы минимальный размер в три раза превышал размер СД источника света во всех направлениях. СД источник света должен быть расположен в центре температурной камеры с целью предотвращения воздействия стен на результаты измерений. Во время испытаний СД источника света должен быть расположен горизонтально или, если это применимо, в том положении, в котором он будет находиться при эксплуатации. Ориентация СД источника света должна быть указана в протоколе испытаний. Измерения проводят в помещении без сквозняков для обеспечения отсутствия принудительной конвекции воздуха непосредственно на СД источник света.
Для калибровки измерительной установки необходимо выполнить дополнительное эталонное измерение светового потока и спектрального состава в фотометрическом шаре при температуре (23 ± 2) °C. Это измерение проводят для калибровки измерительной установки с учетом специфических характеристик излучения СД источника света, патрона, оптического пути и спектрометра.
Следует убедиться, что влажность, конденсация или вибрация оборудования не оказывают негативного влияния на измерения. Влажность, конденсация или вибрация оборудования не должны влиять на результаты измерений.
C.2.6.3 Выполнение измерений
Измерение при повышенной температуре следует выполнять после работы СД источника света в течение 30 мин при указанной повышенной температуре с допуском ± 2 °C.
C.2.6.4 Альтернативные методы испытаний
Применяют измерительную установку, состоящую из температурной камеры, фотометрического шара и фотометрической измерительной системы (например, многоканального фотоприемника) с волоконно-оптическим кабелем (см. рисунок C.2).

1 - температурная камера; 2 - СД источник света; 3 - отражатель; 4 - волоконно-оптический кабель; 5 - фотометрическая измерительная система; 6 - фотометрический шар; 7 – патрон и крепление СД источника света
Рисунок C.2 - Схема измерительной установки
СД источник света размещают внутри фотометрического шара в температурной камере.
Фотометрическую измерительную систему помещают снаружи температурной камеры.
Рекомендуется применять фотометрический шар диаметром 500 мм или более.
Датчик температуры размещают внутри фотометрического шара рядом с СД источником света, но таким образом, чтобы он не подвергался непосредственному воздействию излучения или конвекции от СД источника света.
Другие условия измерений должны соответствовать C.2.6.2.
Приложение D
(обязательное)
D.1 Общие требования
D.1.1 Положение лампы при измерении
Лампы накаливания измеряют в горизонтальном рабочем положении, базовый выступ должен находиться внизу.
D.1.2 Отжиг
Каждое тело накала лампы отжигают в течение 1 ч при испытательном напряжении. Непосредственно перед измерением тело накала должно прогореть не менее 2 мин при испытательном напряжении.
D.1.3 Условия измерений
Измерение на телах накала лампы проводят при испытательном напряжении.
D.2 Базовая ось, базовая плоскость и плоскости для измерений
D.2.1 Базовая ось
Базовая ось - это ось, перпендикулярная к базовой плоскости и проходящая через центр фланца цоколя диаметром 45 мм.
D.2.2 Базовая плоскость
Базовая плоскость - это плоскость, образованная базовыми выступами фланца цоколя.
D.2.3 Плоскость V-V
Плоскость V-V - это плоскость, перпендикулярная к базовой плоскости, в которой расположены базовая ось и центральная линия базового паза.
D.2.4 Плоскость H-H
Плоскость H-H - это плоскость, перпендикулярная к базовой плоскости и плоскости V-V, содержащая базовую ось.
D.2.5 Плоскость X-X
Плоскость X-X - это плоскость, перпендикулярная к базовой плоскости, содержащая базовую ось и образующая угол 15° с плоскостью H-H, которая повернута по часовой стрелке в направлении базового паза, если смотреть с верхней части колбы.
D.2.6 Плоскость Y1-Y1
Плоскость Y1-Y1 - это плоскость, параллельная базовой плоскости и расположенная на расстоянии 30 мм от нее.
D.2.7 Плоскость Y2-Y2
Плоскость Y2-Y2 - это плоскость, параллельная базовой плоскости и расположенная на расстоянии 33 мм от нее.
Если тела накала лампы короткие, то может быть невозможным пересечение плоскости Y2-Y2 с телом накала. В этом случае плоскость Y2-Y2 следует сместить в направлении к плоскости Y1-Y1 до пересечения с телом накала лампы. Точки пересечения обозначают как точки измерений (ТИ): ТИ 13 и ТИ 14.
D.3 Направления видов (см. рисунок D.1)

1 - базовая ось; 2 - экран
Рисунок D.1 - Направления видов, вид лампы сверху
D.3.1 Направление вида ![]()
Направление вида
перпендикулярно к плоскости V-V, если смотреть со стороны левого края экрана.
D.3.2 Направление вида ![]()
Направление вида
перпендикулярно к плоскости H-H, если смотреть с противоположной стороны позиционного паза.
D.3.3 Направление вида ![]()
Направление вида
параллельно плоскости X-X и базовой плоскости, если смотреть с правой стороны экрана, повернутого на 15°.
D.4 Точки измерений
Для измерений применяют точки, приведенные на рисунке D.2. Измерения выполняют перпендикулярно к соответствующим направлениям вида:
Направление вида ![]()
|
ТИ 1 и ТИ 12 |
Пересечения силуэтов края экрана с плоскостями Y1-Y1 и Y2-Y2. |
|
ТИ 2 и ТИ 13 |
Пересечения верхнего края оболочки тела накала ближнего света с плоскостями Y1-Y1 и Y2-Y2, наиболее удаленных от плоскости H-H. |

1 - базовая ось; 2 - экран; 3 - базовая плоскость 1
Рисунок D.2 - Положение точек измерений
Если тела накала лампы короткие, то может быть невозможным пересечение плоскости Y2-Y2 с телом накала. В этом случае плоскость Y2-Y2 следует сместить в направлении к плоскости Y1-Y1 до пересечения с телом накала лампы. Точки пересечения обозначают как ТИ 13 и ТИ 14, далее их измеряют.
|
ТИ 4 и ТИ 8 |
Пересечения внешней части соответственно первого и последнего светящихся витков тела накала ближнего света с силуэтом экрана. |
|
ТИ 5 |
Верхняя часть спирального витка, как определено для ТИ 11. |
|
ТИ 11 |
Центр тела накала дальнего света, являющийся центром: - спирального витка, наиболее удаленного от базовой плоскости для тел накала в форме дуги; - среднего витка для поперечных или по крайней мере частично поперечных тел накала. |
Направление вида ![]()
|
ТИ 7 |
Центр спирального витка, как определено для ТИ 11. |
|
ТИ 6 и ТИ 14 |
Пересечения оси тела накала ближнего света с плоскостями Y1-Y1 и Y2-Y2. |
|
ТИ 9 и ТИ 10 |
Пересечения кромок опущенной части экрана с плоскостью Y2-Y2. |
Если ТИ 5 и ТИ 7 не видны с направления вида
, то в каждом случае обе точки измеряют с противоположной стороны.
Направление вида ![]()
|
ТИ 3 и ТИ 15 |
Пересечения силуэта части экрана, повернутого на 15°, с плоскостями Y1-Y1 и Y2-Y2. |
D.5 Измеряемые размеры
В таблице D.1 указаны измеряемые размеры внутренних элементов лампы накаливания категории R2. Значения и допуски приведены в соответствующем листе с параметрами лампы накаливания категории R2 в R.E.5.
|
Расстояние |
Измерения перпендикулярно к плоскости |
Направление вида |
Размер |
|
От ТИ 1 до ТИ 11 |
H-H |
1 | |
|
От ТИ 1 до H-H |
H-H |
1 |
b1/30,0 |
|
От ТИ 12 до H-H |
H-H |
1 |
b1/33,0 |
|
От ТИ 3 до X-X |
X-X |
3 |
b2/30,0 |
|
От ТИ 15 до X-X |
X-X |
3 |
b2/33,0 |
|
От ТИ 9 до V-V |
V-V |
2 |
p/33,0 |
|
От ТИ 10 до V-V |
V-V |
2 |
q/33,0 |
|
От ТИ 2 до ТИ 1 |
H-H |
1 |
p/33,0 |
|
От ТИ 13 до ТИ 12 |
H-H |
1 |
q/33,0 |
|
От ТИ 6 до V-V |
V-V |
2 |
p/33,0 |
|
От ТИ 14 до V-V |
V-V |
2 |
q/33,0 |
|
От ТИ 4 до базовой плоскости |
Базовой |
1 |
e |
|
От ТИ 4 до ТИ 5 |
Базовой |
1 |
f |
|
От ТИ 7 до V-V |
V-V |
2 |
g |
|
От ТИ 4 до ТИ 8 |
Базовой |
1 |
lc |
|
Размер измеряют на расстоянии от базовой плоскости, указанном в миллиметрах после косой черты. | |||
Приложение E
(обязательное)
E.1 Общие требования
E.1.1 Положение лампы при измерении
Лампы накаливания измеряют в горизонтальном рабочем положении, базовый выступ должен находиться наверху.
E.1.2 Отжиг
Каждое тело накала лампы отжигают в течение 1 ч при испытательном напряжении. Непосредственно перед измерением тело накала лампы должно работать не менее 2 мин при испытательном напряжении.
E.1.3 Условия измерений
Измерение тел накала проводят при испытательном напряжении.
E.2 Базовая ось, базовая плоскость и плоскости для измерений
E.2.1 Базовая ось
Базовая ось - ось, перпендикулярная к базовой плоскости и проходящая через центр окружности диаметром M фланца.
E.2.2 Базовая плоскость
Базовая плоскость - это плоскость, образованная базовыми точками трех выступов.
E.2.3 Плоскость V-V
Плоскость V-V - это плоскость, перпендикулярная к базовой плоскости, содержащая базовую ось и центральную линию базового выступа.
E.2.4 Плоскость H-H
Плоскость H-H - это плоскость, перпендикулярная к базовой плоскости и плоскости V-V, в которой расположена базовая ось.
E.2.5 Плоскость X-X
Плоскость X-X - это плоскость, перпендикулярная к базовой плоскости, в которой расположена базовая ось и образующая угол 15° с плоскостью H-H, повернутой по часовой стрелке от базового выступа, если смотреть с верхней части колбы.
E.2.6 Плоскость Y1-Y1
Плоскость Y1-Y1 - это плоскость, параллельная базовой плоскости и расположенная на расстоянии 29,5 мм от нее (30,0 мм - для ламп на напряжение 24 В, 30,5 мм - для ламп категории H19).
E.2.7 Плоскость Y2-Y2
Плоскость Y2-Y2 - это плоскость, параллельная базовой плоскости и расположенная на расстоянии 33,0 мм от нее (31,0 мм - для ламп категории HS1).
E.2.8 Плоскость Y3-Y3
Плоскость Y3-Y3 - это плоскость, параллельная базовой плоскости и расположенная на расстоянии 23,5 мм от нее (25,0 мм - для ламп категории HS1 и H17, 24,5 мм - для ламп категории H19).
E.2.9 Плоскость Y4-Y4
Плоскость Y4-Y4 - это плоскость, параллельная базовой плоскости и расположенная на расстоянии 26,0 мм от нее.
E.2.10 Плоскость Y5-Y5
Плоскость Y5-Y5 - это плоскость, параллельная базовой плоскости и расположенная на расстоянии 28,95 мм от нее (29,25 мм - для ламп на напряжение 24 В).
E.3 Направление видов (см. рисунок E.1)

1 - базовая ось; 2 - экран
Рисунок E.1 - Направления видов, вид лампы сверху
E.3.1 Направление вида ![]()
Направление вида
перпендикулярно к плоскости V-V, если смотреть со стороны левого края экрана.
E.3.2 Направление вида ![]()
Направление вида
перпендикулярно к плоскости H-H, если смотреть со стороны базового выступа.
E.3.3 Направление вида ![]()
Направление вида
параллельно плоскости X-X и базовой плоскости, если смотреть со стороны правого края экрана.
E.3.4 Направление вида ![]()
Направление вида
перпендикулярно к плоскости V-V, если смотреть со стороны правого края экрана.
E.4 Точки измерений
E.4.1 Общие положения
Для измерений применяют точки, приведенные на рисунках E.2 и E.3. Измерения выполняют перпендикулярно к соответствующим направлениям вида.

1 - ось колбы; 2 - базовая ось; 3 - экран
Направление вида ![]()
ТИ 1, 2, 3, 4, 5, 6, 7, 8, 9, 10, 11
Направление вида ![]()
ТИ 12, 13, 14, 15, 16, 17
Направление вида ![]()
ТИ 18, 19

Рисунок E.2 - Положение точек измерений

Рисунок E.3 - Затемненная часть купола лампы
E.4.2 Экран и тела накала лампы (см. рисунок E.2)
Направление вида ![]()
|
ТИ 1 и ТИ 12 |
Пересечения оси тела накала дальнего света с плоскостями Y3-Y3 и Y4-Y4. |
|
ТИ 3 и ТИ 4 |
Пересечения края экрана с плоскостями Y1-Y1 и Y2-Y2. |
|
ТИ 5 и ТИ 6 |
Пересечения оболочки тела накала ближнего света с плоскостями Y1-Y1 и Y2-Y2, наиболее удаленными от плоскости H-H. |
|
ТИ 7 |
Пересечение оси колбы с плоскостью Y1-Y1. |
|
ТИ 8 и ТИ 11 |
Пересечения внешней части соответственно первого и последнего светящихся витков тела накала ближнего света с краем экрана. |
|
ТИ 9 и ТИ 10 |
Пересечения внешней части соответственно первого и последнего светящихся витков тела накала дальнего света с центральной линией (осью) этого тела накала. |
Направление вида ![]()
|
ТИ 12 и ТИ 13 |
Пересечения оси тела накала дальнего света с плоскостями Y3-Y3 и Y4-Y4. |
|
ТИ 14 и ТИ 15 |
Пересечения оси тела накала ближнего света с плоскостями Y1-Y1 и Y2-Y2. |
|
ТИ 16 и ТИ 17 |
Пересечения краев экрана с плоскостью Y2-Y2. |
|
ТИ 24 и ТИ 25 |
Пересечения внешних краев экрана с плоскостью Y2-Y2 (включая толщину экрана); применяют только к лампам категории H19. |
Направление вида
(Лампы категорий H4 и HS1. Допускается использовать как эквивалентную альтернативу направления вида для ламп категорий H17 или H19).
|
ТИ 18 и ТИ 19 |
Пересечения края экрана с плоскостями Y1-Y1 и Y2-Y2. |
Направление вида
(Лампы категорий H17 и H19. Не применяют для ламп категорий H4 и HS1).
|
ТИ 18 и ТИ 19 |
Пересечения края экрана с плоскостями Y1-Y1 и Y2-Y2. |
E.4.3 Затемненная часть купола лампы (см. рисунок E.3)
Направление вида ![]()
|
ТИ 20 |
Пересечение затемненной части купола с плоскостью, параллельной плоскости V-V и содержащей ось колбы. |
Направление вида ![]()
|
ТИ 23 |
Пересечение оси колбы с плоскостью Y5-Y5. |
|
ТИ 21 и ТИ 22 |
Пересечения затемненной части купола с плоскостью, параллельной плоскости H-H и содержащей ось колбы. |
E.5 Измеряемые размеры
В таблице E.1 приведены измеряемые размеры и углы внутренних элементов ламп накаливания категорий H4, H17, H19 или HS1. Значения и допуски приведены в соответствующем листе с параметрами ламп накаливания категорий H4, H17, H19 или HS1 в R.E.5.
|
Расстояние (см. рисунок E.2) |
Измерения перпендикулярно к плоскости |
Направление вида |
Размер | |
|
12 В |
24 В | |||
|
От ТИ 2 до ТИ 3 |
H-H |
1 |
a/26,0 | |
|
От ТИ 1 до ТИ 3 |
H-H |
1 |
a/23,5 | |
|
От ТИ 3 до H-H |
H-H |
1 |
b1/29,5 |
b1/30,0 |
|
От ТИ 4 до H-H |
H-H |
1 |
b/33,0 | |
|
От ТИ 18 до X-X |
X-X |
3 |
b2/29,5 |
b2/30,0 |
|
4 | ||||
|
От ТИ 19 до X-X |
X-X |
3 |
b/33,0 | |
|
4 | ||||
|
От ТИ 3 до ТИ 5 |
H-H |
1 |
c/29,5 |
c/30,0 |
|
От ТИ 4 до ТИ 6 |
H-H |
1 |
c/33,0 | |
|
От ТИ 7 до ТИ 3 |
H-H |
1 |
d | |
|
От ТИ 8 до базовой плоскости |
Базовой |
1 |
e | |
|
От ТИ 8 до ТИ 9 |
Базовой |
1 |
f | |
|
От ТИ 13 до V-V |
V-V |
2 |
g/26,0 | |
|
От ТИ 12 до V-V |
V-V |
2 |
g/23,5 | |
|
От ТИ 14 до V-V |
V-V |
2 |
h/29,5 |
h/30,0 |
|
От ТИ 15 до V-V |
V-V |
2 |
h/33,0 | |
|
От ТИ 9 до ТИ 10 |
Базовой |
1 |
lr | |
|
От ТИ 8 до ТИ 11 |
Базовой |
1 |
lc | |
|
От ТИ 16 до V-V |
V-V |
2 |
p/33,0 | |
|
От ТИ 17 до V-V |
V-V |
2 |
q/33,0 | |
|
Угол α (см. рисунок E.3) | ||||
|
От ТИ 23 до ТИ 20 |
H-H |
1 |
α | |
|
От ТИ 23 до ТИ 21 |
V-V |
2 |
α | |
|
От ТИ 23 до ТИ 22 |
V-V |
2 |
α | |
|
От ТИ 24 до ТИ 25 |
V-V |
2 |
B/33,0 | |
|
Для ламп категории HS1 этот размер измеряют на расстоянии 25,0 мм от базовой плоскости. Для ламп категории H19 этот размер измеряют на расстоянии 24,5 мм от базовой плоскости. Для ламп категории HS1 этот размер измеряют на расстоянии 31,0 мм от базовой плоскости.
- использование методов измерений на основе рентгеновского излучения; - использование иммерсионной жидкости внутри и снаружи оболочки в прямоугольной стеклянной ванне, обеспечивающей соответствие показателя преломления иммерсионной жидкости показателю преломления стеклянной оболочки достаточно близко, чтобы избежать преломления. Иммерсионную жидкость допускается залить внутрь оболочки после снятия верхней части колбы. Внутренние элементы не должны быть затронуты/перемещены; - использование поправочного коэффициента, учитывающего оптическое смещение и погрешность измерений. | ||||
Приложение F
(обязательное)
F.1 Общие требования
F.1.1 Положение лампы при измерении
Измерение лампы накаливания проводят в горизонтальном рабочем положении, базовый паз должен находиться наверху.
F.1.2 Отжиг
Каждое тело накала лампы отжигают в течение приблизительно 1 ч при испытательном напряжении. Непосредственно перед измерением тело накала лампы должно работать не менее 2 мин при испытательном напряжении.
F.1.3 Условия измерений
Для проведения измерений стопорное кольцо цоколя должно быть снято.
Примечание - Стопорное кольцо см. в МЭК 60061-1, лист 7004-66.
F.2 Расположение тела накала ближнего света
F.2.1 Горизонтальное расположение
Горизонтальное расположение (размер g) измеряют (см. рисунок F.2, вид сверху) от вертикальной плоскости, проходящей через базовую ось, до центра минимального прямоугольника, включающего изображение тела накала ближнего света.
F.2.2 Вертикальное расположение
Вертикальное расположение (размер a) измеряют (см. рисунок F.1, вид сбоку) от горизонтальной плоскости, проходящей через базовую ось, до центра минимального прямоугольника, включающего изображение тела накала ближнего света.

1 - прямоугольник тела накала дальнего света; 2 - центр; 3 - базовая ось; 4 - прямоугольник тела накала ближнего света; 5 - базовая плоскость
Рисунок F.1 - Вид сбоку, направление вида
,

1 - прямоугольник тела накала ближнего света; 2 - центр; 3 - базовая ось; 4 - прямоугольник тела накала дальнего света; 5 - базовая плоскость
Рисунок F.2 - Вид спереди, направление вида ![]()
--------------------------------
Направление вида см. в листе 60809-МЭК-2135, С. 1/3.
Вид сбоку перпендикулярен к плоскости V-V, см. лист 60809-МЭК-2135, С. 3/3.
F.2.3 Осевое расположение
Осевое расположение, высоту светового центра (размер e) измеряют (см. рисунок F.1, вид сбоку) от базовой плоскости до центра минимального прямоугольника, включающего изображение тела накала ближнего света.
F.3 Расположение тела накала дальнего света
F.3.1 Горизонтальное расположение
Горизонтальное расположение (размер n) измеряют (см. рисунок F.2, вид сверху) от центра прямоугольника тела накала ближнего света, определенного в F.2.1, до центра минимального прямоугольника, включающего тело накала дальнего света.
F.3.2 Вертикальное расположение
Вертикальное расположение (размер b) измеряют (см. рисунок F.1, вид сбоку) от центра прямоугольника тела накала ближнего света, определенного в F.2.2, до центра минимального прямоугольника, включающего изображение тела накала дальнего света.
F.3.3 Осевое расположение
Осевое расположение (размер t) измеряют (см. рисунок F.1, вид сбоку) от центра прямоугольника тела накала ближнего света, определенного в F.2.3, до центра минимального прямоугольника, включающего изображение тела накала дальнего света.
Приложение G
(справочное)
На рисунке G.1 приведена схема оптической системы для измерений положения и формы дуги и положения электродов разрядных ламп. Разрядная лампа должна быть расположена так, как показано на рисунке 1 на листе 1 R.E.5 лампы D1R/D2R/D3R/D4R или на листе 1 R.E.5 лампы D1S/D2S/D3S/D4S.

Рисунок G.1 - Схема оптической системы
Оптическая система должна обеспечивать проецирование реального изображения A' дуги A на экран с увеличением, предпочтительно равным M = s'/s = 20 (см. рисунок G.1).
Оптическая система должна быть апланатической и ахроматической. При фокусном расстоянии f оптической системы диафрагма d должна обеспечивать создание проекции дуги с приблизительно параллельными направлениями обзора. Для получения угла в половину отклонения не более μ = 0,5° диаметр фокусирующей диафрагмы относительно фокусного расстояния оптической системы должен быть не более d = 2f tg(μ).
Активный диаметр оптической системы D должен быть не более:
D = (1 + 1/M)d + c + (b1 + b2)/2 (значения c, b1 и b2 приведены в соответствующем листе с параметрами разрядной лампы).
Масштаб экрана должен обеспечивать возможность измерения положения электродов. Калибровку оборудования допускается проводить с использованием отдельного проектора с параллельным лучом совместно с датчиком, тень от которого проецируется на экран. Датчик должен показывать базовую ось и плоскость, параллельную базовой плоскости и находящейся на расстоянии e от нее (расстояние e указано в соответствующем листе с параметрами разрядной лампы).
В плоскости экрана должен быть установлен приемник с возможностью перемещения в вертикальном направлении по линии, соответствующей плоскости, находящейся на расстоянии e от базовой плоскости разрядной лампы. Приемник должен иметь относительную спектральную чувствительность человеческого глаза. Размер приемника должен быть не более 0,2M, мм, в горизонтальном направлении и не более 0,025M, мм, - в вертикальном (M - увеличение).
Диапазон измеряемого перемещения должен быть таким, чтобы возможно было измерить требуемые размеры изгиба дуги r и диффузию дуги s.
Приложение H
(обязательное)
H.1 Общие положения
Для испытаний на зажигание, разгорание и горячее перезажигание и измерений электрических и световых параметров разрядная лампа должна работать на открытом воздухе при температуре окружающей среды (25 ± 5) °C.
H.2 Пускорегулирующий аппарат
Все испытания и измерения проводят с ПРА, представленным изготовителем разрядной лампы. Источник питания, используемый для проверки зажигания и разгорания, должен иметь возможность быстрого повышения высокого импульса тока.
H.3 Положение разрядной лампы при горении
Положение разрядной лампы при горении должно быть горизонтальным в пределах ± 10° с токовым вводом внизу. Положение разрядной лампы в процессе отжига и испытаний должно быть идентичным. Если в процессе отжига разрядная лампа находилась в неправильном положении, то до начала измерений ее снова отжигают. При отжиге и измерениях не допускаются наличие электрически проводящих объектов в пределах цилиндра диаметром 32 мм и длиной 60 мм, соосным с базовой осью. Следует предпринять меры по предотвращению воздействия случайных магнитных полей на оборудование.
H.4 Отжиг
Все испытания, за исключением испытания на проверку зажигания, проводят на разрядных лампах, которые предварительно отжигали в течение не менее 15 циклов переключений: 45 мин включено, 15 с выключено, 5 мин включено, 10 мин выключено.
H.5 Испытательное напряжение
Все испытания проводят при испытательном напряжении, указанном в соответствующем листе с параметрами разрядной лампы.
H.6 Испытание на зажигание
Испытанию на зажигание подвергают неотожженные разрядные лампы, которые не использовались перед испытанием в течение не менее 24 ч.
H.7 Испытание на разгорание
Испытанию на разгорание подвергают лампы, которые не использовались перед испытанием в течение не менее 1 ч.
H.8 Испытание на горячее перезажигание
Лампа должна зажигаться и работать с ПРА при испытательном напряжении в течение 15 мин. Затем питающее напряжение к ПРА отключают на период, указанный в соответствующем листе с параметрами разрядной лампы, и снова включают.
H.9 Измерение электрических и световых параметров
До проведения измерений лампу стабилизируют в течение 15 мин.
H.10 Определение координат цветности
Измерения проводят с применением фотометрического шара и измерительной системы, показывающей координаты цветности МКО света испытуемой разрядной лампы с допуском ± 0,002.
Приложение I
(справочное)
См. таблицу I.1.
|
Лампы для фар и/или противотуманных фар механических транспортных средств | |||||||||||
|
Лампы накаливания |
Разрядные лампы |
СД источники света | |||||||||
|
Лампы с двумя телами накала |
Лампы с одним телом накала | ||||||||||
|
Легковые и грузовые автомобили |
Лист с параметрами по R.E.5 |
Мотоциклы и мопеды |
Лист с параметрами по R.E.5 |
Легковые и грузовые автомобили |
Лист с параметрами по R.E.5 |
Мотоциклы и мопеды |
Лист с параметрами по R.E.5 |
Лист с параметрами по R.E.5 |
Лист с параметрами по R.E.5 | ||
|
H4 |
H4 |
S2 |
S1/S2 |
H1 |
H1 |
HS2 |
HS2 |
D1S |
DxS |
L1A/6 |
L1 |
|
H13/H13A |
H13 |
HS1 |
HS1 |
H3 |
H3 |
D2S |
DxS |
L1B/6 | |||
|
HS5 |
HS5 |
H7 |
H7 |
D3S |
DxS | ||||||
|
H15 |
H15 |
H17 |
H17 |
H8/H8B |
H8 |
D4S |
DxS | ||||
|
H19 |
H19 |
H9/H9B |
H9 |
D1R |
DxR | ||||||
|
H10 |
H10 |
D2R |
DxR | ||||||||
|
H11/H11B |
H11 |
D3R |
DxR | ||||||||
|
H12 |
H12 |
D4R |
DxR | ||||||||
|
H16/H16B |
H16 |
D5S |
D5S | ||||||||
|
PSX26W |
PSX26W |
D8S |
D8S | ||||||||
|
HB3 |
HB3 |
D8R |
D8R | ||||||||
|
HB4 |
HB4 |
D9S |
D9S | ||||||||
|
H27W |
H27W | ||||||||||
|
HIR2 |
HIR2 | ||||||||||
|
PSX24W |
P24W | ||||||||||
|
H18 |
H18 | ||||||||||
|
H20 |
H20 | ||||||||||
Продолжение таблицы 1.1
|
Лампы для устройств световой сигнализации | |||||
|
Лампы накаливания |
СД источники света | ||||
|
Лампы с двумя телами накала |
Лампы с одним телом накала | ||||
|
Лист с параметрами по R.E.5 |
Лист с параметрами по R.E.5 |
Лист с параметрами по R.E.5 | |||
|
P21/4W |
P21/4W |
WY16W |
W16W |
LR1 |
LR1 |
|
P21/5W |
P21/5W |
W21W |
W21W |
LW2 |
LW2 |
|
PR21/5W |
PR21/5W |
H10W/1 |
H10W |
LR3A |
L3 |
|
P27/7W |
P27/7W |
HY10W/1 |
H10W |
LR3B | |
|
PY27/7W |
PY27/7W |
HY21W |
HY21W |
LY3A | |
|
W15/5W |
W15/5W |
HY6W |
H6W |
LY3B | |
|
W21/5W |
W21/5W |
P13W |
P13W |
LW3A | |
|
WT21/7W |
WT21/7W |
P24W |
P24W |
LW3B | |
|
WTY21/7W |
WT21/7W |
PY24W |
P24W |
LR4A |
LR4 |
|
WR21/5W |
WR21/5W |
PR21W |
PR21W |
LR4B | |
|
PS19W |
P19W |
LR5A |
L5 | ||
|
PS24W |
P24W |
LR5B | |||
|
PSY19W |
P19W |
LY5A | |||
|
PSY24W |
P24W |
LY5B | |||
|
PW13W |
P13W |
LW5A | |||
|
PW16W |
PC16W |
LW5B | |||
|
PWY16W |
PC16W | ||||
|
PW19W |
P19W | ||||
|
PWY19W |
P19W | ||||
|
PW24W |
P24W | ||||
|
PWY24W |
P24W | ||||
|
WT21W |
WT21W | ||||
|
WTY21W |
WT21W | ||||
|
WY21W |
WY21W | ||||
|
RY10W |
R10W | ||||
|
W10W |
W10W | ||||
|
WY10W |
W10W | ||||
|
C5W |
C5W | ||||
Продолжение таблицы 1.1
|
Лампы для устройств световой сигнализации | |||||
|
Лампы накаливания |
СД источники света | ||||
|
Лампы с двумя телами накала |
Лампы с одним телом накала | ||||
|
Лист с параметрами по R.E.5 |
Лист с параметрами по R.E.5 |
Лист с параметрами по R.E.5 | |||
|
H6W |
H6W | ||||
|
H21W |
H21W | ||||
|
P21W |
P21W | ||||
|
PY21W |
PY21W | ||||
|
P27W |
P27W | ||||
|
R5W |
R5W | ||||
Окончание таблицы 1.1
|
Лампы для устройств световой сигнализации | |||||
|
Лампы накаливания |
СД источники света | ||||
|
Лампы с двумя телами накала |
Лампы с одним телом накала | ||||
|
Лист с параметрами по R.E.5 |
Лист с параметрами по R.E.5 | ||||
|
R10W |
R10W | ||||
|
T4W |
T4W | ||||
|
W2.3W |
W2.3W | ||||
|
W3W |
W3W | ||||
|
W5W |
W5W | ||||
|
WY5W |
W5W | ||||
|
W16W |
W16W | ||||
|
Велосипеды | |||
|
Лист с параметрами по МЭК 60809 | |||
|
B1.13W |
60809-МЭК-9310 | ||
|
B0.6W |
60809-МЭК-9610 | ||
|
B2.4W |
60809-МЭК-9620 | ||
--------------------------------
Применение не ограничено.
Типичное применение - передние противотуманные фары.
Примечания
1 Источники света, перечисленные в графе "Легковые и грузовые автомобили", как правило, допускается использовать в световых приборах мотоциклов и мопедов.
2 Более подробные данные о применении источников света для световых приборов конкретных транспортных средств см. в R.E.5.
Приложение J
(обязательное)
J.1 Общие положения
Испытаниям на стойкость цвета излучаемого света подвергают лампы накаливания для устройств световой сигнализации. Условия испытаний приведены в таблицах J.1 и J.2:
- режимы переключений (см. J.6) - в таблице J.1;
- требования к боксам испытательных стендов, в которых должны быть установлены лампы (см. J.5), - в таблице J.2.
|
Лампы накаливания |
Условия испытаний | |
|
Цвет излучаемого света |
Режим работы | |
|
Желтый |
Прерывистый |
Рисунок J.5 |
|
Красный |
Прерывистый и непрерывный |
Рисунок J.6 |
|
Белый |
Непрерывный |
Рисунок J.7 |
|
Желтый |
Прерывистый и непрерывный |
Рисунок J.8 |
|
Лампы с одним телом накала, включая лампы с одним телом накала для работы в непрерывном режиме. Лампы с двумя телами накала. | ||
|
Максимальная мощность ламп накаливания |
Обозначение бокса по таблице J.3 |
|
> 0 Вт и ≤ 10 Вт |
A |
|
> 10 Вт и ≤ 20 Вт |
B |
|
> 20 Вт и ≤ 30 Вт |
C |
|
> 30 Вт и ≤ 45 Вт |
D |
|
Мощность: - во время работы при испытательном напряжении; - во время работы тела накала большей мощности (основного тела накала) для ламп с двумя телами накала (в настоящем стандарте применен термин "расчетная мощность"; в R.E.5 - "объективное значение мощности"). | |
J.2 Калибровка и отжиг
Климатическая камера должна быть откалибрована до того, как в нее будут помещены лампы накаливания на испытательном стенде.
Лампы накаливания отжигают при испытательном напряжении в течение (60 ± 5) мин. У ламп с двумя телами накала следует отжигать только основное тело накала. Лампы, отказавшие в период отжига, должны быть заменены. Новые лампы должны быть также подвергнуты отжигу.
J.3 Испытательное напряжение
Лампы накаливания должны работать при испытательном напряжении, которое указано в соответствующем листе с параметрами лампы.
J.4 Рабочее положение
Лампы накаливания должны работать на испытательных стендах. Испытательные стенды располагают в климатической камере горизонтально так, чтобы температура и относительная влажность вокруг каждого испытательного стенда соответствовали значениям, указанным в J.6. Для распределения воздуха в климатической камере рекомендуется использовать вентилятор. При этом испытательный стенд располагают таким образом, чтобы колбы ламп не были обращены к вентилятору. Испытательные стенды не должны накладываться друг на друга или перекрывать друг друга.
J.5 Испытательный стенд
Испытательный стенд состоит из горизонтального ряда боксов, схемы которых приведены на рисунках J.1 и J.2, требования к боксам - по таблице J.3. Передняя и нижняя части бокса должны быть открыты. Другие поверхности должны быть выполнены из листа нержавеющей стали толщиной 1 мм. В случае ряда боксов общая толщина примыкающих стенок должна быть 1 мм. Лампы накаливания устанавливают в стандартные патроны с осями лампы и тел накала в горизонтальном положении, их положения относительно бокса приведены на рисунках J.1 и J.2. Если стандартные патроны не будут выдерживать температуры, указанные в настоящем приложении, то для обеспечения необходимого положения ламп накаливания допускается применять другие средства.

Рисунок J.1 - Схема бокса (вид сбоку)

Рисунок J.2 - Схема бокса (вид спереди)
|
Бокс |
a, мм |
b, мм |
c, мм |
d, мм |
e, мм |
|
A |
13 |
11 |
7,75 |
8 |
12 |
|
B |
28 |
15 |
13 |
14 |
26 |
|
C |
42 |
18 |
19 |
19 |
40 |
|
D |
42 |
18 |
19 |
19 |
40 |
J.6 Рабочие циклы
Лампы накаливания должны работать в климатической камере в течение 24 ч в 10 циклах изменения температуры, относительной влажности и режимов переключения, как указано в таблицах J.1, J.4 и J.5 и рисунках J.3 - J.8.
В случае ламп с двумя телами накала должно работать только тело накала большей мощности (основное тело накала).
|
Начало цикла |
Конец цикла | |||||||||||
|
t0, ч |
t1, ч |
t2, ч |
t3, ч |
t4, ч |
t5, ч |
t6, ч |
t7, ч |
t8, ч |
t9, ч |
t10, ч |
t11, ч |
t12, ч |
|
0 |
1 |
5 |
5:20 |
7 |
8 |
12 |
12:20 |
20 |
21 |
21:20 |
23 |
24 |
|
Обозначение режима работы |
Режимы работы тела накала лампы |
Наименование режима работы |
|
1 |
Выключено |
Режим "выключено" |
|
2 |
15 с работы в режиме "пульсирование" с частотой мигания 90/мин и отношением включено/выключено 1:1; 15 с выключено |
Режим "пульсирование" |
|
3 |
Работа в режиме "пульсирование" с частотой мигания 90/мин и отношением включено/выключено 1:1 |
Режим "мигание" |
|
4 |
5 мин включено, 5 мин выключено |
Режим "прерывание" |
|
5 |
Включено |
Режим "включено" |

Рисунок J.3 - График изменения температуры в климатической камере в течение одного рабочего цикла

Рисунок J.4 - График изменения относительной влажности в климатической камере в течение одного рабочего цикла

Рисунок J.5 - График переключений ламп накаливания для работы в режимах "пульсирование" и "мигание" в течение одного рабочего цикла

Рисунок J.6 - График переключений ламп накаливания для работы в непрерывном режиме и режиме "прерывание" в течение одного рабочего цикла

Рисунок J.7 - График переключений ламп накаливания для работы в непрерывном режиме в течение одного рабочего цикла

Рисунок J.8 - График переключений ламп накаливания для работы в непрерывном режиме и режимах "пульсирование" и "мигание" в течение одного рабочего цикла
J.7 Окончание работы
Лампы накаливания выдерживают в выключенном состоянии при комнатной температуре (23 ± 2) °C в течение не менее 2 ч после 10 рабочих циклов. Лампы накаливания, подвергнутые испытаниям, не подлежат применению в устройствах световой сигнализации, их считают достигшими окончания срока службы.
Приложение K
(справочное)
--------------------------------
<1> Высота светового центра соответствует параметру e в соответствующих листах R.E.5.
<2> x означает R, Y и W.
K.1 Метод определения высоты светового центра на основе трассировки лучей
Метод основан на измерении распределения яркости СД источников света. Для измерений применяют гониофотометр <3> ближнего поля с функцией формирования изображений, оборудованный соответствующими программным обеспечением и обеспечивающий измерения в системе фотометрирования C, γ в диапазоне -90° <γ <+90° и 0°
--------------------------------
<3> Публикация МКО 070-1987 "Измерение распределения абсолютной силы света".

1 - базовая ось; 2 - базовая плоскость
Рисунок K.1 - Схема установки для измерений распределения яркости СД источников света версии A

1 - базовая ось; 2 - базовая плоскость
Рисунок K.2 - Схема установки для измерений распределения яркости СД источников света версии B
На основе данных, полученных при измерении, программное обеспечение, имитирующее измерение распределения яркости, должно генерировать набор из не менее одного миллиона световых лучей, исходящих от светоизлучающей поверхности.
От произвольной точки в пространстве определяют квадрат расстояния до каждого отдельного светового луча из этого набора. Высоту светового центра вычисляют как расстояние от базовой плоскости до точки, в которой сумма квадратов расстояний является минимальной.
K.2 Альтернативные методы
Допускается использовать другие методы для определения значения длины светового центра, эквивалентные методу, приведенному в K.1.
Приложение L
(справочное)
L.1 Измерение яркости
Перед началом измерений необходимо выполнить юстировку установки для измерения яркости таким образом, чтобы ось фотометрирования была параксиальна базовой оси и плоскости, как определено в соответствующем листе с параметрами на СД источник света.
Для измерений яркости применяют оборудование с соответствующим разрешением (например, для измерения расстояния 50 мкм следует применять оборудование с разрешением 10 - 20 мкм). Если применяют оборудование с более высоким разрешением, то результатом определения яркости с применением оборудования с разрешением от 10 до 20 мкм будет являться среднее арифметическое значение полученных соседних результатов измерений.
Измерение яркости проводят в равноудаленной сетке в обоих направлениях x и y, охватывающей всю область излучения источника света.
Примечание - Размер сканируемой области не повлияет на результаты, если измерение охватывает всю область излучения света.
Во время измерения яркости необходимо контролировать либо испытательное напряжение Utest для источника света, управляемого напряжением, либо ток привода для источника света, управляемого током, и соответствующую температуру (температуры).
Если по результатам измерений можно сделать вывод о прохождении/отказе, то следует предоставить расширенную неопределенность результатов измерений.
L.2 Вычисление максимального градиента яркости
Для расчета максимального градиента яркости необходимо выполнить следующие действия.
Шаг 1. Вычисляют средние значения яркости L(x) по результатам измерений яркости всех значений x вдоль оси y, т.е. средние значения в направлении, параллельном стороне (сторонам) генерации среза СД источника света, см. рисунок L.1.

Рисунок L.1 - Пример изображения яркости для определения средних значений яркости L(x)
Шаг 2. Используют линейную интерполяцию рассчитанных средних значений яркости L(x) для генерации данных средней яркости с шагом s на стороне генерации среза.
Размер шага s должен составлять 1/50 или меньше расстояния оценки p.
Расстояние оценки p (выраженное в мкм) установлено в листе с параметрами СД источника света.
Шаг 3. На основе полученных средних значений яркости L(x) с шагом s вычисляют градиент яркости Gp для всех значений x по формуле
Gp(x) = |logL(x) - logL(x + p)|.
Шаг 4. Определяют значения x так, чтобы Gp(x) стал максимальным, т.е. определяют Gp max, см. рисунок L.2.

Рисунок L.2 - Пример для 1 мкм - интерполяция и положение максимального градиента яркости
Шаг 5. Округляют полученное значение Gp max до двух знаков после запятой.
Ниже приведены примеры максимального градиента яркости Gp max, определенного для СД источника света:
Пример 1: G50 мкм, max = 0,95 (If = 600 мА, Tb = 50 °C) (для СД источника света, управляемого током, с определенной точкой Tb);
Пример 2: G50 мкм, max = 0,95 (Utest = 13,5 В постоянного тока, 30 мин при Tокружающая = 25 °C) (для СД источника света, управляемого напряжением, со встроенным теплоотводом).
Приложение ДА
(справочное)
Таблица ДА.1
|
Обозначение ссылочного международного стандарта |
Степень соответствия |
Обозначение и наименование соответствующего национального, межгосударственного стандарта |
|
IEC 60050-845 |
- |
<*> |
|
IEC 60051-1 |
IDT |
ГОСТ 30012.1-2002 "Приборы аналоговые показывающие электроизмерительные. Прямого действия и вспомогательные части к ним. Часть 1. Определения и основные требования, общие для всех частей" |
|
IEC 60061-1 |
IDT |
ГОСТ IEC 60061-1-2014 "Цоколи и патроны для источников света с калибрами для проверки взаимозаменяемости и безопасности. Часть 1. Цоколи" |
|
IEC 60810:2017 |
IDT |
ГОСТ Р МЭК 60810-2022 "Источники света электрические для дорожных транспортных средств. Эксплуатационные требования и методы испытаний" |
|
CIE 015:2018 |
- |
<*> |
|
<*> Соответствующий межгосударственный стандарт отсутствует. До его принятия рекомендуется использовать перевод на русский язык данного стандарта. Примечание - В настоящей таблице использовано следующее условное обозначение степени соответствия стандартов: - IDT - идентичные стандарты. | ||
Библиография
|
IEC 60983, Miniature lamps (Лампы миниатюрные) |
|
IEC 62504, General lighting - Light emitting diode (LED) products and related equipment - Terms and definitions (Общее освещение. Изделия со светодиодами (СД) и связанное с ними оборудование. Термины и определения) |
|
Публикация CIE 070-1987, The Measurement of Absolute Luminous Intensity Distributions (Измерение распределения абсолютной силы света) |


















