ГОСТ Р ИСО 13373-4-2022 КОНТРОЛЬ СОСТОЯНИЯ И ДИАГНОСТИКА МАШИН. ВИБРАЦИОННЫЙ КОНТРОЛЬ СОСТОЯНИЯ. Часть 4. МЕТОДЫ ДИАГНОСТИРОВАНИЯ ГАЗОВЫХ И ПАРОВЫХ ТУРБИН С ГИДРАВЛИЧЕСКИМИ ПОДШИПНИКАМИ
Утв. и введен в действие Приказом Федерального агентства по техническому регулированию и метрологии от 18 октября 2022 г. N 1140-ст
Condition monitoring and diagnostics of machines. Vibration condition monitoring. Part 4. Diagnostic techniques for gas and steam turbines with fluid-film bearings
(ISO 13373-4:2021, IDT)
ОКС 17.160
Дата введения - 1 декабря 2022 года
Введен впервые
Предисловие
1 ПОДГОТОВЛЕН Обществом с ограниченной ответственностью "Электронные технологии и метрологические системы" (ООО "ЭТМС") и Закрытым акционерным обществом "Научно-исследовательский центр контроля и диагностики технических систем" (ЗАО "НИЦ КД") на основе собственного перевода на русский язык англоязычной версии стандарта, указанного в пункте 4
2 ВНЕСЕН Техническим комитетом по стандартизации ТК 183 "Вибрация, удар и контроль технического состояния"
3 УТВЕРЖДЕН И ВВЕДЕН В ДЕЙСТВИЕ Приказом Федерального агентства по техническому регулированию и метрологии от 18 октября 2022 г. N 1140-ст
4 Настоящий стандарт идентичен международному стандарту ИСО 13373-4:2021 "Контроль состояния и диагностика машин. Вибрационный контроль состояния. Часть 4. Методы диагностирования газовых и паровых турбин с гидравлическими подшипниками" (ISO 13373-4:2021 "Condition monitoring and diagnostics of machines - Vibration condition monitoring - Part 4: Diagnostic techniques for gas and steam turbines with fluid-film bearings", IDT).
Международный стандарт разработан Техническим комитетом ISO/TC 108 "Вибрация, удар и контроль состояния", подкомитетом SC 2 "Измерения и оценка вибрации и ударов применительно к машинам, транспортным средствам и сооружениям".
При применении настоящего стандарта рекомендуется использовать вместо ссылочных международных стандартов соответствующие им национальные стандарты, сведения о которых приведены в дополнительном приложении ДА.
Дополнительные сноски в тексте стандарта, выделенные курсивом, приведены для пояснения текста оригинала
5 ВВЕДЕН ВПЕРВЫЕ
Правила применения настоящего стандарта установлены в статье 26 Федерального закона от 29 июня 2015 г. N 162-ФЗ "О стандартизации в Российской Федерации". Информация об изменениях к настоящему стандарту публикуется в ежегодном (по состоянию на 1 января текущего года) информационном указателе "Национальные стандарты", а официальный текст изменений и поправок - в ежемесячном информационном указателе "Национальные стандарты". В случае пересмотра (замены) или отмены настоящего стандарта соответствующее уведомление будет опубликовано в ближайшем выпуске ежемесячного информационного указателя "Национальные стандарты". Соответствующая информация, уведомление и тексты размещаются также в информационной системе общего пользования - на официальном сайте Федерального агентства по техническому регулированию и метрологии в сети Интернет (www.rst.gov.ru)
Введение
В настоящем стандарте рассмотрены методы, которые могут быть использованы при проведении диагностирования газовых и паровых турбин по параметрам вибрации. Он может быть использован специалистами в области вибрационного диагностирования, инженерами и техниками, обслуживающими соответствующее оборудование. В числе рассматриваемых методов - составление структурных схем диагностирования, таблицы процессов и неисправностей.
Критерии оценки и зоны вибрационного состояния для машин разных видов и размеров, как новых, так и находящихся в эксплуатации, установлены стандартами серии ИСО 20816.
В ИСО 13373-1 представлены основные процедуры, используемые при анализе вибрационных сигналов в узких полосах частот. Они включают в себя выбор преобразователей и мест их размещения, организацию непрерывного и периодического контроля состояния, анализ потенциальных проблем в работе машины.
В ИСО 13373-2 рассматриваются такие вопросы системы контроля состояния, как формирование сигнала вибрации, методы его представления во временной и частотной областях, описание формы сигналов и признаков, которым могут быть поставлены в соответствие типичные неисправности или особенности работы машины.
В ИСО 13373-3 установлена методология определения причинно-следственных связей при анализе вибрации машин с вращающимися роторами всех типов. В нем рассматриваются систематический подход к анализу вибрации, применяемые типовые средства диагностирования, выбор средств диагностирования в зависимости от задачи контроля, рекомендации по применению этих средств для машин и узлов разных видов.
Согласно ИСО 17359 процедуры диагностирования могут:
- следовать за обнаружением изменений в работе машины по результатам контроля параметров вибрации;
- выполняться параллельно с контролем параметров вибрации.
В настоящем стандарте рассматривается первый подход, когда основанием для диагностирования служит выявление аномалии в работе машины.
Методология структурных схем диагностирования и таблиц процессов представляет собой структурированный подход к поиску и анализу неисправностей. Логически выстроенная последовательность шагов облегчает специалисту в области диагностирования обнаружение связи между наблюдаемыми аномалиями в поведении машины и причинами, их вызывающими.
Таблица неисправностей представляет собой перечень наиболее частых неисправностей, случающихся в изделиях машиностроения, в их связи с характеристиками вибрации. При совместном использовании со структурной схемой диагностирования эта таблица облегчает идентификацию неисправностей.
Анализ проблем, связанных с повышением уровня вибрации и изменением ее характера, требует продуманного и систематизированного подхода. Настоящий стандарт, применяемый совместно с ИСО 13373-3, направлен на реализацию такого подхода, обеспечивая специалистов руководством по выбору и применению средств измерений и анализа, а также выполнению последовательности действий по диагностированию газовых и паровых турбин с гидравлическими подшипниками.
В руководстве [11] приведены характерные сочетания контролируемых параметров и разных видов неисправностей газовых и паровых турбин.
Настоящий стандарт устанавливает процедуры, выполняемые при диагностировании газовых и паровых турбин с гидравлическими подшипниками <*>.
--------------------------------
<*> Объем и методы диагностирования газовых и паровых турбин на объектах электроэнергетики устанавливаются в соответствии с законодательством об электроэнергетике и требованиями к обеспечению надежности электроэнергетических систем, надежности и безопасности объектов электроэнергетики.
Он предназначен для применения специалистами в области вибрационного диагностирования, инженерами и техниками, обслуживающими соответствующее оборудование, и обеспечивает их пошаговым руководством к выявлению неисправностей на основе измерений вибрации. В нем приведен также ряд примеров, показывающих связь диагностических признаков с неисправностями машин и их узлов.
Данный подход основан на хорошо зарекомендовавших себя практиках работ по диагностированию, что не исключает возможность применения других подходов и методов. Рекомендуемые действия в каждом случае диагностирования зависят от особенностей конкретной задачи, надежности диагноза (т.е. правильно поставленных диагнозов во время предшествующих обследований машины), опыта работ данного вида, вида и критичности неисправности с учетом экономических аспектов диагностирования. Дать рекомендации по диагностированию для всех возможных ситуаций невозможно, и это не является целью настоящего стандарта.
В настоящем стандарте использованы нормативные ссылки на следующие стандарты [для датированных ссылок применяют только указанное издание ссылочного стандарта, для недатированных - последнее издание (включая все изменения)]:
ISO 2041, Mechanical vibration, shock and condition monitoring - Vocabulary (Вибрация, удар и контроль состояния. Словарь)
ISO 13372, Condition monitoring and diagnostics of machines - Vocabulary (Контроль состояния и диагностика машин. Словарь)
ISO 13373-1, Condition monitoring and diagnostics of machines - Vibration condition monitoring - Part 1: General procedures (Контроль состояния и диагностика машин. Вибрационный контроль состояния. Часть 1. Общие методы)
ISO 13373-2, Condition monitoring and diagnostics of machines - Vibration condition monitoring - Part 2: Processing, analysis and presentation of vibration data (Контроль состояния и диагностика машин. Вибрационный контроль состояния. Часть 2. Обработка, анализ и представление результатов измерений вибрации)
ISO 13373-3:2015, Condition monitoring and diagnostics of machines - Vibration condition monitoring - Part 3: Guidelines for vibration diagnosis (Контроль состояния и диагностика машин. Вибрационный контроль состояния. Часть 3. Руководство по диагностированию по параметрам вибрации)
ISO 21940-2, Mechanical vibration - Rotor balancing - Part 2: Vocabulary (Вибрация. Балансировка роторов. Часть 2. Словарь)
В настоящем стандарте применены термины по ИСО 2041, ИСО 13372 и ИСО 21940-2.
ИСО и МЭК ведут терминологические базы данных для использования в стандартизации по следующим адресам:
- платформа онлайн-просмотра ИСО: доступна на https://www.iso.org/obp;
- Электропедия МЭК: доступна на http://www.electropedia.org/.
4.1 Измерения вибрации
Измерения могут быть выполнены с применением преобразователей двух типов:
a) бесконтактных преобразователей (индуктивных, емкостных, вихретоковых) для измерений вибрации вала;
b) преобразователей инерционного типа (акселерометров, велосиметров) для измерений вибрации на невращающихся частях, таких как корпус подшипника.
Для оценки вибрационного состояния машин по результатам указанных измерений могут быть использованы [2], [3], [8] - [10].
Руководство по выбору соответствующего стандарта приведено в [7].
Диагностирование газовых и паровых турбин с гидравлическими подшипниками требует правильного выбора преобразователей, устройств формирования сигнала, средств измерений и анализа в зависимости от особенностей условий функционирования машины и задач диагностирования. Перед организацией измерений рекомендуется провести анализ возможного влияния на их результаты электрических цепей и электрических полей, создаваемых при работе машины.
При выборе преобразователей вибрации, систем измерений вибрации и методов анализа следует руководствоваться ИСО 13373-1 и ИСО 13373-2.
4.2 Измерения рабочих характеристик машины
Вибрация машины и соответствующие диагностические признаки в значительной степени зависят от типа опоры (жесткая или податливая), а также значений рабочих характеристик машины, таких как частота вращения ротора, приложенная нагрузка, температура, которые необходимо измерять наряду с параметрами вибрации. Измерения проводят для всех заданных режимов работы машины - как установившихся, так и переходных.
Начальный анализ проводят в соответствии с ИСО 13373-3:2015 (приложение A). В ходе такого анализа рассматривают аспекты, связанные с безопасной работой машины, включая:
a) наличие повышенной вибрации и вибрационное состояние машины;
b) историю предшествующей эксплуатации машины;
c) связь вибрации с рабочими характеристиками машины (включая влияние температурного режима работы машины);
d) последствия задержки с принятием мер по снижению вибрации;
e) целесообразность останова турбины для предотвращения повреждений.
Помимо этого принимают во внимание такие факторы, как:
f) условия установки преобразователей;
g) влияние вибрации от соседних машин;
h) влияние конструкции помещения и основания (например, фундамент для наземной турбины или платформа плавучего сооружения).
Общие неисправности машин, в том числе связанные с ее установкой, и дефекты подшипников рассматриваются в ИСО 13373-3:2015 (приложения B - D).
Систематизированный подход, установленный ИСО 13373-3, предполагает использование таблиц неисправностей и признаков неисправностей, а также схемы пошаговой постановки диагноза. В настоящем стандарте таблицы неисправностей и признаков неисправностей для газовых и паровых турбин с гидравлическими подшипниками приведены в приложении A, а методология диагностирования рассмотрена в приложении B. Примеры использования таблиц неисправностей и признаков неисправностей и структурного подхода к диагностированию газовых и паровых турбин с гидравлическими подшипниками приведены в приложении C. Эти приложения не включают анализ вибрации, вызванной неисправностями гидродинамических подшипников, которые рассматриваются в ИСО 13373-3:2015 (приложение C).
Данный систематизированный подход хорошо зарекомендовал себя в практике работ по диагностированию, что не исключает существование и возможность использования других подходов.
В ряде случаев в процессе диагностирования могут быть выявлены несколько возможных причин развития неисправности. Для определения наиболее вероятной из них рекомендуется обратиться к оценкам экспертов.
На принятие решений по корректирующим и восстановительным мероприятиям влияет ряд факторов, таких как:
a) безопасность;
b) экономическая эффективность;
c) необходимость внесения изменений в конструкцию машины;
d) возможности сборки и разборки машины.
Действия, следующие за поставленным диагнозом, зависят от конкретных обстоятельств и поэтому в настоящем стандарте не рассматриваются. Однако при постановке диагноза важно учитывать возможные действия в ответ на поставленный диагноз и результаты применения соответствующих корректирующих (восстановительных) процедур.
Рекомендуемые действия зависят от степени доверия к результатам диагностирования (например, от того, правильными ли были предыдущие диагнозы для данной машины), типа неисправности и ее критичности, а также от экономических обстоятельств и обстоятельств, связанных с безопасной эксплуатацией машины. Дать рекомендации по корректирующим мероприятиям для всех возможных ситуаций невозможно, и это не является целью настоящего стандарта.
Приложение A
(обязательное)
A.1 Таблица неисправностей
Структурный подход к анализу вибрации газовых и паровых турбин с гидравлическими подшипниками включает в себя применение таблицы неисправностей (таблица A.1) и таблицы признаков неисправностей (таблица A.2). Перечень возможных неисправностей, включенных в таблицу A.1, не является исчерпывающим, но включает наиболее характерные и часто встречающиеся на практике неисправности машин данного вида.
|
Неисправность/явление |
Режим, в котором наблюдают изменения вибрации |
Начальная скорость изменения вибрации |
Частотные составляющие, на которых проявляется изменение вибрации |
Поведение вибрации после изменения |
Изменение критической скорости вращения |
Вибрация при медленном вращении вала |
Повторяемость |
Особенности неисправности |
|
Дисбаланс вала |
Стационарный |
Быстрое изменение |
1-я гармоника частоты вращения |
Стабильное |
Отсутствует |
Не влияет |
Высокая |
- |
|
Дисбаланс вала из-за износа и потери массы элементов ротора |
Стационарный, но может быть переходным |
Одно или несколько скачкообразных изменений |
1-я гармоника частоты вращения |
Стабильное до следующего скачка |
Существенное изменение уровня вибрации |
Задевание может восприниматься на слух |
Отсутствует |
У турбин с сочлененными роторами изменения выше на подшипниках ротора с потерей массы. Может быть вызвана эрозией лопастей турбины |
|
Изменение взаимного положения подшипников по высоте подъема |
После переходного режима |
Медленное изменение (при условии, что данная неисправность не привела к появлению автоколебаний на масляной пленке) |
Преимущественно 1-я гармоника частоты вращения; может наблюдаться субгармоническая вибрация (см. автоколебания на масляной пленке) |
При выходе на стационарный режим стабилизируется на новом уровне |
Повышается или уменьшается в зависимости от направления изменения высоты подъема, на сочлененных роторах эффект противоположный |
Не проявляется |
При схожих условиях изменения могут не повторяться |
Обратное изменение переходного режима не приводит к незамедлительному обратному изменению вибрации, которая зависит также от давлений в масляном клине и от температур металлических поверхностей. Обычно встречается у турбин с двумя подшипниковыми опорами на ротор и реже у турбин с одной опорой на ротор |
|
Остаточный прогиб вала |
Во время или после переходного режима, при большом падении температуры или изменении положения ротора относительно корпуса |
Быстрое, часто значительное изменение |
1-я гармоника частоты вращения |
Уменьшается с уменьшением скорости (за исключением прохождения через резонанс), стабилизируется на новом уровне |
Существенное изменение уровня вибрации |
Рост механических биений |
Есть |
Сильный изгиб не позволяет запустить пусковой двигатель |
|
Временный изгиб вала без задевания |
При изменении температуры |
Следует за изменением температуры и зависит от конструкции ротора |
1-я гармоника частоты вращения |
Возвращается к прежнему уровню после стабилизации температуры |
Изменение уровня вибрации может быть существенным |
Механические биения со временем уменьшаются |
Есть |
Может быть связана с биметаллическим эффектом и дифференциальной теплоизлучающей способностью материалов вала |
|
Временный изгиб вала с задеванием |
Изменения скорости или нагрузки с контактом между вращающимися и невращающимися элементами |
Может быть разной. Быстрые изменения почти всегда сопровождаются появлением постоянного изгиба |
1-я гармоника частоты вращения, могут наблюдаться высшие гармоники и отклик на резонансе при значительном задевании и изменении формы орбиты вала |
Периодическое изменение амплитуды с вращающейся фазой или нестационарное |
Изменение уровня вибрации может быть существенным |
Повышенная сразу после выбега, уменьшается со временем |
Может не наблюдаться |
Обратное изменение скорости или нагрузки быстро восстанавливает предыдущий уровень вибрации. Вектор вибрации вращается с периодом обычно от 1/2 до 3 ч. Зависит от конструкции |
|
Спиральная вибрация, небольшое задевание (эффекты Мортона и Ньюкирка) |
При постоянной частоте вращения |
Медленное изменение |
Периодические изменения (с периодом от нескольких минут до часов) амплитуды и фазы 1-й гармоники. Период зависит от степени задевания |
Обычно стремится к предельному циклу, возможны временное ослабление эффекта с последующим возобновлением |
Изменение уровня вибрации может быть существенным |
Повышенная сразу после выбега, уменьшается со временем |
Обычно высокая |
Для предотвращения задевания увеличивают зазор (например, выравниванием осей роторов). Эффект уменьшается с понижением уровня вибрации. Может потребоваться балансировка и уменьшение консольных масс (при наличии). Решением может быть также изменение конструкции подшипника |
|
Автоколебания на масляной пленке <1> |
При изменениях частоты вращения или разгрузке подшипников |
Быстрое изменение |
Обычно несколько ниже 1/2 частоты вращения, вибрация масляного клина появляется при приближении частоты вращения к резонансу и зависит от конструкции ротора (гибкий или жесткий) |
Непостоянная вибрация повышенного уровня |
Отсутствует |
Нехарактерна |
Есть |
Для снижения уровня вибрации требуется значительное уменьшение частоты вращения |
|
Паровое возбуждение |
Повышение расхода пара под нагрузкой. Может иметь место при изменении высоты подъема подшипника. Наблюдается в цилиндрах высокого и среднего давления |
Обычно быстрое изменение |
1-я гармоника частоты вращения. Если вибрация связана с неконцентрическим расположением вала, то зависит от нагрузки |
- |
Отсутствует |
Нехарактерна |
Есть |
Зависит от нагрузки. Устраняется регулировкой устройств, влияющих на распределение давления пара |
|
Вихревое течение пара |
Повышение расхода пара под нагрузкой. Может иметь место при изменении высоты подъема подшипника. Наблюдается в цилиндрах высокого и среднего давления |
Обычно быстрое изменение |
Субгармоническая вибрация обычно на критической частоте вращения ротора ступени |
- |
Отсутствует |
Нехарактерна |
Есть |
Снижение расхода пара ведет к понижению вибрации, но при этом может наблюдаться эффект гистерезиса, что приводит к необходимости существенного снижения расхода |
|
Вращающийся срыв в компрессоре газовой турбины (отрыв потока газа от лопаток компрессора) |
Изменение условий потока газа |
Внезапное и очень быстрое изменение |
Субгармоническая вибрация |
Остается высокой до изменения скорости или положения направляющих лопаток |
Отсутствует |
Нехарактерна |
Есть |
Возвращение к нормальным условиям потока сразу снижает уровень вибрации |
|
Помпаж компрессора газовой турбины (резкие колебания напора и расхода газа) |
Изменение условий потока газа |
Внезапное и очень быстрое изменение |
Распределенный спектр в области субгармонических частот |
Остается высокой до изменения скорости или положения направляющих лопаток |
Отсутствует |
Нехарактерна |
Есть |
Возвращение к нормальным условиям потока сразу снижает уровень вибрации |
|
Ползучесть материала ротора (для высокотемпературных роторов) |
При постоянной нагрузке |
Очень медленная (развивается в течение нескольких лет) |
1-я гармоника частоты вращения |
Линейно нарастает со временем под нагрузкой |
Отсутствует |
Изменяется одновременно с изменением общего уровня вибрации и не зависит от периода вращения |
Условия невоспроизводимы |
- |
|
Трещина в роторе |
Обычно при постоянной нагрузке |
Медленная |
1-я, 2-я и возможно высшие гармоники частоты вращения в зависимости от типа трещины. Постоянные изменения амплитуды и фазы |
Экспоненциальный рост при нагрузке |
Может наблюдаться при совпадении 1-й и 2-й гармоник с резонансами. Собственная частота уменьшается и разделяется на два пика с ростом трещины |
Нехарактерна |
Вибрация не уменьшается после проведения балансировки |
Изменения вибрации в установившемся режиме могут быть незначительными. Большие вибрации ожидаются при прохождении резонанса во время выбега, что ускоряет рост повреждения. Наблюдается тренды для гармоник частоты вращения |
|
Ослабление соединений элементов подшипниковой опоры |
Обычно при постоянной нагрузке |
Быстрое изменение вслед за появлением неисправности |
Комбинация 1/2 гармоники, 1-й и высших гармоник частоты вращения. Изменения формы орбиты вала |
Постоянная в установившемся режиме, изменяется в переходных режимах |
Изменение динамических характеристик опоры ведет к изменению частоты резонанса |
Нехарактерна |
- |
Рекомендуется проверить затяжку крепящих болтов |
|
Уменьшение жесткости подшипниковой опоры |
Обычно при постоянной нагрузке |
Медленная |
- |
Постепенный рост |
Уменьшение жесткости опоры ведет к изменению частоты резонанса |
Нехарактерна |
Условия невоспроизводимы |
- |
|
<1> Для машин других видов данные явления описывают с использованием терминов "масляный вихрь" и "масляные биения". Примечания 1 Небольшое задевание обычно наблюдают между вращающимся валом и вкладышем подшипника при малом конструктивном зазоре в подшипнике и принятых в соответствии с этим мерами изготовителя по минимизации влияния задеваний, например благодаря использованию подпружиненных сегментных вкладышей или вкладышей с антифрикционным покрытием. 2 Сильное задевание обычно имеет место в точках, где оно изначально не предполагалось, и потому превентивные меры приняты не были. 3 Спиральная вибрация (эффект Мортона) связана с несимметричным (в окружном направлении) нагревом вала в гидравлическом подшипнике, приводящем к появлению временного температурного изгиба вала. | ||||||||
|
Неисправность/явление |
Гармоники с повышенной вибрацией |
Изменение вибрации |
Изменение критической скорости |
Проворачивание вала |
Изменение с нагрузкой |
Повторяемость |
Особенности неисправности | ||||||||
|
субгармоники |
1-я |
2-я |
высшие |
нерегулярное |
внезапное появление |
постепенный рост |
устойчивое |
Слышимые задевания |
Рост вибрации |
Невозможно | |||||
|
Дисбаланс вала (общей природы) |
● |
● |
● |
● |
● |
Заметна при появлении | |||||||||
|
Дисбаланс вала из-за потери материала |
● |
○ |
● |
○ |
● |
● |
○ |
Изменения выше на подшипниках ротора с потерей массы | |||||||
|
Изменение взаимного положения подшипников по высоте подъема |
○ |
● |
○ |
○ |
● |
● |
○ |
○ |
Проявляется по завершении переходного режима | ||||||
|
Остаточный прогиб вала |
● |
○ |
● |
● |
● |
○ |
● | ||||||||
|
Временный изгиб вала без задевания |
● |
● |
○ |
○ |
○ |
○ |
Может быть вызвана изменением температуры | ||||||||
|
Временный изгиб вала с задеванием |
● |
○ |
○ |
● |
○ |
○ |
Проявляется при изменении частоты вращения или нагрузки | ||||||||
|
Автоколебания на масляной пленке |
● |
○ |
○ |
○ |
Вибрация масляного клина появляется при достижении ротором 1-й критической скорости | ||||||||||
|
Паровое возбуждение |
● |
○ |
○ |
● |
Зависит от нагрузки. Устраняется регулировкой устройств, влияющих на распределение давления пара | ||||||||||
|
Вихревое течение пара |
● |
○ |
○ |
● |
Снижение расхода пара ведет к быстрому понижению вибрации | ||||||||||
|
Вращающийся срыв в компрессоре газовой турбины |
● |
● |
● |
● |
Возвращение к нормальным условиям потока сразу снижает уровень вибрации | ||||||||||
|
Ползучесть материала ротора |
● |
● |
● |
● | |||||||||||
|
Трещина в роторе |
● |
○ |
● |
● |
● |
○ |
Частота резонанса может уменьшиться, а сам резонанс разделиться на два пика | ||||||||
|
Ослабление соединений элементов подшипниковой опоры |
● |
● |
● |
○ |
● |
● |
○ | ||||||||
|
Спиральная вибрация, небольшое задевание (эффекты Мортона и Ньюкирка) |
● |
● |
○ |
Циклическое изменение амплитуды с периодом от 30 до 120 мин | |||||||||||
|
● - данный признак почти всегда присутствует при наличии данной неисправности. ○ - данный признак может присутствовать или не присутствовать при наличии данной неисправности. | |||||||||||||||
Приложение B
(рекомендуемое)
Диагностирование газовых и паровых турбин с гидравлическими подшипниками является весьма сложной задачей. В настоящем приложении структурный подход к обнаружению основных неисправностей реализован через схему пошагового диагностирования. Эта схема не охватывает все возможные неисправности машин, а ориентирована, в первую очередь, на обнаружение неисправностей, рассмотренных в приложении A.
Сложность диагностической задачи в случае газовых и паровых турбин с гидравлическими подшипниками состоит, в том числе, в том, что ряд неисправностей может потребовать от пользователя исследования динамической модели вращающегося ротора в опорах для предсказания развития возможных повреждений. Построение такой модели требует специального опыта и знаний. Некоторые примеры анализа с использованием динамических моделей приведены в приложении C. Однако структурный подход к диагностированию, рассматриваемый в настоящем приложении, представляет собой некоторое обобщение результатов исследований и не требует применения указанных моделей.
Структурная схема диагностирования газовых и паровых турбин с гидравлическими подшипниками показана на рисунке B.1. Она предусматривает начальный этап анализа в соответствии с ИСО 13373-3:2015, приложение A, после чего должны быть оценены основные признаки неисправностей. Эти признаки могут быть отнесены к одному из следующих трех типов в зависимости от наличия разных составляющих в спектре вибрации:
- доминирует составляющая на частоте вращения (см. рисунок B.2);
- доминируют субгармонические составляющие (см. рисунок B.3);
- помимо первой гармоники присутствуют также значительные высшие гармоники частоты вращения (см. рисунок B.4).

a - к рисунку B.2; b - к рисунку B.3; c - к рисунку B.4
Рисунок B.1 - Схема вибрационного диагностирования газовых и паровых турбин с гидравлическими подшипниками

Рисунок B.2 - Схема диагностирования газовых и паровых турбин с гидравлическими подшипниками при повышенной вибрации на частоте вращения

Рисунок B.3 - Схема диагностирования газовых и паровых турбин с гидравлическими подшипниками при наличии вибрации в области субгармонических частот

Рисунок B.4 - Схема диагностирования газовых и паровых турбин с гидравлическими подшипниками при повышенной вибрации на частоте вращения и ее гармониках
В схеме на рисунке B.2 рассматриваются вопросы о природе вибрации на частоте вращения. Так, если эта вибрация действует преимущественно в осевом направлении, то в качестве основной причины следует рассматривать относительное тепловое расширение элементов турбины. Если она действует в радиальном направлении, но зависит от нагрузки, то в случае паровой турбины основная причина повышенной вибрации будет с наибольшей вероятностью связана с потоком пара. Если вибрация на частоте вращения стабильна и согласуется с модой колебаний ротора (при условии, что та известна - в противном случае следует обратиться к динамической модели "ротор - опора"), то в качестве основной причины следует предполагать наличие дисбаланса. Если для этой вибрации характерно изменение фазы при прохождении вдоль сочленяемых валов через соединительную муфту, то следует предполагать наличие несоосности этих валов. Если вибрация изменяется с изменением температуры, то в газовой турбине это может быть вызвано неправильной работой системы охлаждения ротора, а в паровой - временным температурным изгибом ротора.
Следует убедиться, что в процессе разгона и выбега ни одной из промежуточных частот вращения ротора не соответствует резкий рост вибрации на частоте вращения. В противном случае необходимо рассмотреть возможность ослабления вибрации на резонансе. Периодические изменения амплитуды и фазы первой гармоники могут свидетельствовать о незначительном задевании ротора о статор или о наличии эффекта Мортона. Следует проверить, не связана ли высокая вибрация с изменением температуры и давления в подшипнике. Если это так, то может иметь место изменение высоты подъема подшипника ротора в валопроводе или изгиб вала. О наличии остаточного прогиба вала свидетельствует также повышенная вибрация первой гармоники при медленном проворачивании ротора. Если ни одна из вышеуказанных причин повышенной вибрации на частоте вращения не подтвердилась, то следует рассмотреть возможность попадания в ротор жидкости.
При наличии значительной субгармонической вибрации следует обратиться к схеме, показанной на рисунке B.3, где первым вопросом будет то, насколько внезапным является рост этой вибрации. Далее проверяют, не совпадает ли частота вибрации с первой собственной частотой изгибных колебаний ротора, что в паровой турбине может свидетельствовать о наличии вихрей в потоке пара, а в газовой - о вращающемся срыве потока газа. Если вибрация сосредоточена в области субгармонических частот ниже половины частоты вращения ротора, но не совпадает с субгармониками, то следует рассмотреть возможность автоколебаний на масляной пленке в подшипнике (см. ИСО 13373-3:2015, приложение C), связанного с прецессионным движением вала. При достижении частотой автоколебаний собственной частоты изгибных колебаний ротора происходит быстрый рост вибрации. Следует иметь в виду, что эти явления могут быть связаны с лабиринтными уплотнениями, если гидравлический подшипник не обеспечивает достаточного демпфирования колебаний. Если доминирует составляющая вибрации на частоте выше половины частоты вращения, но ниже ее первой гармоники, то это может быть признаком наличия жидкости в роторе. Причиной появления субгармонических составляющих может быть также задевание ротора о статор, который может по-разному проявляться в спектре вибрации, но обычно на частотах в два, три или четыре раза ниже частоты вращения.
Если в спектре доминируют частотные составляющие на частоте вращения и ее гармониках, то следует обратиться к схеме, показанной на рисунке B.4. При наличии только первой и второй гармоник следует проверить стабильность их фаз. Отсутствие стабильности может свидетельствовать о наличии в вале трещины. Обычно этот дефект проявляет себя вначале в виде скачкообразных изменений фазы первой гармоники, а по мере развития - в аналогичных изменениях фазы второй гармоники. Если вибрация на этих гармониках стабильна, то следует рассмотреть возможные виды несоосностей элементов турбины. При наличии затухающих высших гармоник (иногда сопровождающихся вибрацией на гармониках половинной частоты вращения) следует предположить наличие ослаблений в механических соединениях - в подшипниковых опорах или в соединении турбины с фундаментом. Иногда этот же признак может быть связан с увеличенным зазором в подшипнике.
При совпадении частоты вращения или одной из ее гармоник с собственной частотой колебаний ротора следует рассмотреть возможные способы отстройки от резонанса. Обычно для определения резонансов конструкции используют испытания одним или несколькими ударами, а для определения критической частоты вращения применяют испытания с изменением частоты вращения ротора. Полезным инструментом такого анализа является диаграмма Кэмпбелла.
Если все вышеперечисленные средства выявления повышенной вибрации не дали результата, то можно предположить наличие в турбине сильных задеваний, которые могут проявляться на частоте вращения и высших гармониках, в частности на переходных режимах работы.
Примеры применения методологии, изложенной в настоящем приложении, приведены в приложении C.
Приложение C
(справочное)
C.1 Пример спектрального анализа и балансировки
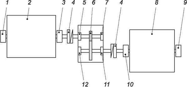
Используемый на заводе по производству минеральных удобрений турбоагрегат включает в себя паровую турбину мощностью 16 МВт с рабочей частотой вращения 6000 мин-1, передающую через одноступенчатый понижающий редуктор вращение с частотой 3000 мин-1 на ротор двухполюсного генератора (см. рисунок C.1).

1 - подшипник с неприводной стороны турбины; 2 - турбина; 3 - подшипник с приводной стороны турбины; 4 - соединительная муфта; 5 - подшипник быстроходного вала редуктора с приводной стороны; 6 - зубчатая передача; 7 - подшипник быстроходного вала редуктора с неприводной стороны; 8 - генератор; 9 - подшипник вала генератора с неприводной стороны; 10 - подшипник вала генератора с приводной стороны; 11 - подшипник тихоходного вала редуктора с неприводной стороны; 12 – подшипник тихоходного вала редуктора с приводной стороны
Рисунок C.1 - Схема парового турбоагрегата
При работе турбины наблюдалась повышенная вибрация на подшипнике с ее приводной стороны (спектры вибрации показаны на рисунке C.2), а также изменение вибрации на подшипнике с неприводной стороны при пуске турбины из горячего состояния. Турбина была установлена в эллиптических подшипниках со сферической посадочной поверхностью.

a) Вибрация в осевом направлении

b) Вибрация в вертикальном направлении

c) Вибрация в горизонтальном направлении
X - частота, Гц; Y - среднеквадратичное значение скорости, мм/с; 1XG, 3XG, 5XG - 1, 3 и 5-я гармоники частоты вращения генератора; 1XT, 2XT, 3XT, 4XT, 5XT, 6XT - 1, 2, 3, 4, 5 и 6-я гармоники частоты вращения турбины
Рисунок C.2 - Спектры вибрации подшипника с приводной стороны турбины
Из рисунка C.2 видно наличие составляющих вибрации на частоте вращения турбины и ее гармониках, что согласно структурной схеме диагностирования (см. рисунок B.4) свидетельствует об ослаблении посадки подшипников. Для выяснения проблем чувствительности вибрации подшипника с неприводной стороны турбины к пуску из горячего состояния были проведены измерения вибрации в процессе разгона и выбега турбины. Во время этих испытаний были выявлены две критические скорости вращения - 1800 и 2800 мин-1. Повышенная вибрация появлялась, когда частота вращения турбины достигала 2800 мин-1. Ввиду отсутствия динамической модели ротора было принято решение разработать ее на основе известных элементов турбины (см. рисунок C.3). Эта модель была использована для расчета критических скоростей и форм изгибных колебаний ротора.

Рисунок C.3 - Схема турбины
Было обнаружено, что критической скорости 2800 мин-1 соответствует коническая мода колебаний, показанная на рисунке C.4. Поскольку вибрация на частоте вращения соответствовала форме этой моды, встал вопрос о возможном значительном дисбалансе ротора.

X - смещение в горизонтальном направлении (в условных единицах); Y - смещение в вертикальном направлении (в условных единицах); Z - расстояние вдоль оси турбины, м
Рисунок C.4 - Коническая мода колебаний на частоте 2800 мин-1
В результате диагностирования было принято решение остановить машину и проверить плотность посадки подшипника со стороны привода, а также выполнить двухплоскостную балансировку ротора для уменьшения чувствительности к пуску в горячем состоянии.
Проверка подтвердила неправильную установку сферического гнезда подшипника. Прежний подшипник был отправлен в ремонт, а вместо него установлен новый подшипниковый узел. Установка пары грузов по 10 г в плоскостях коррекции вблизи подшипника с неприводной стороны турбины и на соединительной муфте турбины позволила решить проблему с повышенной вибрацией на этом подшипнике в режиме пуска турбины. По возвращении машины в эксплуатацию проблем с повышенной вибрацией больше не наблюдалось.
C.2 Пример вибрации, создаваемой потоком пара
После капитального ремонта паровой турбины мощностью 330 МВт наблюдалась повышенная вибрация на подшипниках ступени высокого давления. При этом резкий рост вибрации наблюдался при достижении выходной мощности 200 МВт. Вследствие этого машину приходилось эксплуатировать с пониженной нагрузкой, не достигая значения 200 МВт.
Анализ вибрации показал доминирование составляющей на частоте вращения, а также наличие небольшой вибрации на гармониках. Согласно структурной схеме диагностирования (рисунок B.2), такие признаки характерны для вибрации, индуцируемой потоком пара.
Было принято решение о проведении углубленного анализа вибрации. Рассмотрение орбит вала внутри подшипников ступени высокого давления показало наличие направленных сил. Для исследования паровой нагрузки было принято решение провести анализ форм изгибных колебаний работающей машины (ODS) (см. ИСО 13373-3).
На рисунке C.5 показаны ODS подшипников ступеней среднего (слева) и высокого давления, а также в выборочных точках на опорной конструкции турбины. Эти характеристики позволяют визуализировать паровую нагрузку на подшипники турбины. Замена соплового аппарата турбины и подтяжка болтовых соединений опоры позволили обеспечить нормальную работу турбины при полной нагрузке 330 МВт.

Рисунок C.5 - ODS на подшипниках турбины и опорной конструкции [12]
Приложение ДА
(справочное)
Таблица ДА.1
|
Обозначение ссылочного международного стандарта |
Степень соответствия |
Обозначение и наименование соответствующего национального стандарта |
|
ISO 2041 |
IDT |
ГОСТ Р ИСО 2041-2012 "Вибрация, удар и контроль технического состояния. Термины и определения" |
|
ISO 13372 |
IDT |
ГОСТ Р ИСО 13372-2013 "Контроль состояния и диагностика машин. Термины и определения" |
|
ISO 13373-1 |
IDT |
ГОСТ Р ИСО 13373-1-2009 "Контроль состояния и диагностика машин. Вибрационный контроль состояния машин. Часть 1. Общие методы" |
|
ISO 13373-2 |
IDT |
ГОСТ Р ИСО 13373-2-2009 "Контроль состояния и диагностика машин. Вибрационный контроль состояния машин. Часть 2. Обработка, анализ и представление результатов измерений вибрации" |
|
ISO 13373-3:2015 |
IDT |
ГОСТ Р ИСО 13373-3-2016 "Контроль состояния и диагностика машин. Вибрационный контроль состояния машин. Часть 3. Руководство по диагностированию по параметрам вибрации" |
|
ISO 21940-2 |
NEQ |
ГОСТ 19534-74 "Балансировка вращающихся тел. Термины" |
|
Примечание - В настоящей таблице использованы следующие условные обозначения степени соответствия стандартов: - IDT - идентичные стандарты; - NEQ - неэквивалентный стандарт. | ||
Библиография
|
[1] |
ISO 2954 |
Mechanical vibration of rotating and reciprocating machinery - Requirements for instruments for measuring vibration severity (Вибрация машин с вращательным и возвратно-поступательным движением. Требования к средствам измерений параметров вибрационного состояния) |
|
[2] |
ISO 7919 (all parts) |
Mechanical vibration - Evaluation of machine vibration by measurements on rotating shafts (Вибрация. Оценка вибрации машин по измерениям на вращающихся валах) |
|
[3] |
ISO 10816 (all parts) |
Mechanical vibration - Evaluation of machine vibration by measurements on non-rotating parts (Вибрация. Оценка вибрации машин по измерениям на невращающихся частях) |
|
[4] |
ISO 10817-1 |
Rotating shaft vibration measuring systems - Part 1: Relative and absolute sensing of radial vibration (Системы измерений вибрации вращающихся валов. Часть 1. Устройства для снятия сигналов относительной и абсолютной вибрации в радиальном направлении) |
|
[5] |
ISO 13379-1 |
Condition monitoring and diagnostics of machines - Data interpretation and diagnostics techniques - Part 1: General guidelines (Контроль состояния и диагностика машин. Методы интерпретации данных и диагностирования. Часть 1. Общее руководство) |
|
[6] |
ISO 17359 |
Condition monitoring and diagnostics of machines - General guidelines (Контроль состояния и диагностика машин. Общее руководство) |
|
[7] |
ISO/TR 19201 |
Mechanical vibration - Methodology for selecting appropriate machinery vibration standards (Вибрация. Методология выбора стандартов по оценке вибрации машин) |
|
[8] |
ISO 20816-1 |
Mechanical vibration - Measurement and evaluation of machine vibration - Part 1: General guidelines (Вибрация. Измерения вибрации и оценка вибрационного состояния машин. Часть 1. Общее руководство) |
|
[9] |
ISO 20816-2 |
Mechanical vibration - Measurement and evaluation of machine vibration - Part 2: Land-based gas turbines, steam turbines and generators in excess of 40 MW, with fluid-film bearings and rated speeds of 1 500 r/min, 1 800 r/min, 3 000 r/min and 3 600 r/min (Вибрация. Измерения вибрации и оценка вибрационного состояния машин. Часть 2. Стационарные газовые турбины, паровые турбины и генераторы с гидравлическими подшипниками мощностью свыше 40 МВт и частотами вращения 1500, 1800, 3000 и 3600 мин-1) |
|
[10] |
ISO 20816-4 |
Mechanical vibration - Measurement and evaluation of machine vibration - Part 4: Gas turbines in excess of 3 MW, with fluid-film bearings (Вибрация. Измерения вибрации и оценка вибрационного состояния машин. Часть 4. Газовые турбины мощностью свыше 3 МВт с гидравлическими подшипниками) |
|
[11] |
VDI 3839-3 |
Instructions on measuring and interpreting the vibration of machines - Part 3: Typical vibration patterns with steam turbines, gas turbines and turbo-compressors (in preparation) (Инструкции по измерениям вибрации машин и интерпретации их результатов. Часть 3. Типичные вибрационные характеристики для паровых турбин, газовых турбин и турбокомпрессоров) |
|
[12] |
El-Shafei, A., "Turbomachinery Monitoring and Diagnosis", in Advances in Engine and Powertrain Research and Technology: Design, Simulation, Testing, Manufacturing, T. Parikyan, editor, Springer, 2022 | |


