ГОСТ Р 70233-2022 ИЗМЕРЕНИЯ И УПРАВЛЕНИЕ В ПРОИЗВОДСТВЕННЫХ ПРОЦЕССАХ. СТРУКТУРЫ И ЭЛЕМЕНТЫ ДАННЫХ В КАТАЛОГАХ ПРОИЗВОДСТВЕННОГО ОБОРУДОВАНИЯ. Часть 15. ПЕРЕЧНИ СВОЙСТВ ОБОРУДОВАНИЯ ДЛЯ ИЗМЕРЕНИЯ УРОВНЯ ДЛЯ ЭЛЕКТРОННОГО ОБМЕНА ДАННЫМИ
Утв. и введен в действие Приказом Федерального агентства по техническому регулированию и метрологии от 25 июля 2022 г. N 681-ст
Industrial-process measurement and control. Data structures and elements in process equipment catalogues. Part 15. Lists of properties for level measuring equipment for electronic data exchange
(IEC 61987-15:2016, NEQ)
ОКС 25.040.40,
35.100.20
Дата введения - 30 ноября 2022 года
Введен впервые
Предисловие
1 РАЗРАБОТАН Ассоциацией "Цифровые инновации в машиностроении" (АЦИМ)
2 ВНЕСЕН Техническим комитетом по стандартизации ТК 022 "Информационные технологии"
3 УТВЕРЖДЕН И ВВЕДЕН В ДЕЙСТВИЕ Приказом Федерального агентства по техническому регулированию и метрологии от 25 июля 2022 г. N 681-ст
4 Настоящий стандарт разработан с учетом основных нормативных положений международного стандарта МЭК 61987-15:2016 "Измерения и управление в производственных процессах. Структуры и элементы данных в каталогах производственного оборудования. Часть 15. Перечни свойств оборудования для измерения уровня для электронного обмена данными" [IEC 61987-15:2016 "Industrial-process measurement and control - Data structures and elements in process equipment catalogues - Part 15: Lists of properties (LOPs) for level measuring equipment for electronic data exchange", NEQ]
5 ВВЕДЕН ВПЕРВЫЕ
6 Федеральное агентство по техническому регулированию и метрологии не несет ответственности за патентную чистоту настоящего стандарта
Правила применения настоящего стандарта установлены в статье 26 Федерального закона от 29 июня 2015 г. N 162-ФЗ "О стандартизации в Российской Федерации". Информация об изменениях к настоящему стандарту публикуется в ежегодном (по состоянию на 1 января текущего года) информационном указателе "Национальные стандарты", а официальный текст изменений и поправок - в ежемесячном информационном указателе "Национальные стандарты". В случае пересмотра (замены) или отмены настоящего стандарта соответствующее уведомление будет опубликовано в ближайшем выпуске ежемесячного информационного указателя "Национальные стандарты". Соответствующая информация, уведомление и тексты размещаются также в информационной системе общего пользования - на официальном сайте Федерального агентства по техническому регулированию и метрологии в сети Интернет (www.rst.gov.ru)
Введение
Обмен данными о продукции между компаниями, бизнес-системами, инженерными инструментами, системами данных внутри компаний и в будущем системами управления (электрическими, измерительными и техническими средствами контроля) может быть осуществлен беспрепятственно только при наличии точного определения подлежащей обмену информации и порядка ее использования.
До публикации настоящего стандарта требования к устройствам и системам управления технологическими процессами определялись заказчиками по-разному: у поставщиков или производителей запрашивалась ценовая информация о подходящем оборудовании. Поставщики описывали устройства в соответствии с собственными схемами документирования, часто используя разные термины, структуры и носители (бумага, базы данных, компакт-диски, электронные каталоги и т.д.). Аналогичная ситуация сложилась и в процессах планирования и разработки: информация об устройствах часто дублировалась в ряде различных информационных систем.
Метод, позволяющий фиксировать всю информацию в процессе планирования и заказа один раз, а также обеспечивать ее доступность для дальнейшей обработки, дает всем участвующим сторонам возможность сосредоточиться на главном. Непременным условием для этого является стандартизация как описания объектов, так и обмена информацией.
В комплексе стандартов под общим наименованием "Измерения и управление в производственных процессах. Структуры и элементы данных в каталогах производственного оборудования" предлагается метод стандартизации, который способствует оптимизации рабочих процессов поставщиков и пользователей измерительного оборудования как в рамках своих компаний, так и при обмене данными с другими компаниями. В зависимости от роли в данном процессе конструкторские фирмы могут считаться или пользователями, или поставщиками.
Метод определяет измерительное оборудование с помощью блоков свойств, собранных в перечни свойств (list of properties, LOP), каждый из которых описывает определенный тип оборудования (устройства). Комплекс стандартов под общим наименованием "Измерения и управление в производственных процессах. Структуры и элементы данных в каталогах производственного оборудования" охватывает как свойства, которые могут быть использованы в запросе или предложении, так и подробные характеристики, необходимые для интеграции оборудования в компьютерные системы для решения других задач.
С учетом [1] определяют структурные элементы для построения перечней свойств электрического оборудования и оборудования для управления технологическими процессами, для того чтобы облегчить автоматический обмен данными между двумя компьютерными системами в любом возможном рабочем процессе, например: в процессе проектирования, технического обслуживания или закупок, а также дать возможность как клиентам, так и поставщикам оборудования оптимизировать свои технологические и рабочие процессы. Кроме того, должна быть модель данных для формирования LOP (см. [1]).
Следует определить общую структуру для эксплуатационных перечней и перечней свойств устройства. Настоящий стандарт является основой для других стандартов, входящих в комплекс стандартов под общим наименованием "Измерения и управление в производственных процессах. Структуры и элементы данных в каталогах производственного оборудования", в которых будет приведен наиболее полный набор LOP для типов устройств, измеряющих заданную физическую переменную и использующих определенный принцип измерения. Общая структура может также служить основой конкретизации LOP для других типов инструментов управления промышленными процессами, таких как регулирующие клапаны и оборудование для обработки сигналов.
В настоящем стандарте рассмотрено оборудование для измерения уровня. В нем определяется один эксплуатационный LOP для всех типов оборудования для измерения уровня, который может быть применен, например, в качестве запроса на предоставление коммерческих предложений различных типов. DLOP для разного рода датчиков и указателей уровня, представленных в настоящем стандарте, могут использоваться разными способами в компьютерных системах производителей и поставщиков оборудования, в CAE и подобных системах подрядчиков, осуществляющих проектирование, закупки и строительство, и в других системах инженерных компаний, но особенно в различных системах технического обслуживания заводов, используемых их владельцами. Предлагаемые OLOP и DLOP соответствуют рекомендациям, приведенным в [1] и [2].
Структуры OLOP и DLOP соответствуют общим структурам, определенным в [2], и согласуются с основами построения LOP, определенными в [1].
Аспекты, не относящиеся к OLOP и необходимые в различных процессах электронного обмена данными, которые описаны в [1], будут опубликованы в [3].
Указания на местоположение библиотек свойств и блоков, используемых в соответствующих LOP, приведены в приложениях А и Б.
Настоящий стандарт распространяется:
- на эксплуатационный перечень свойств (OLOP) для описания эксплуатационных параметров и сбора требований к оборудованию для измерения уровня;
- перечни свойств устройства (DLOP) для описания спектра оборудования для измерения уровня.
В настоящем стандарте использована нормативная ссылка на следующий стандарт:
ГОСТ Р МЭК 61360-2 Стандартные типы элементов данных с ассоциированной схемой классификации электрических компонентов. Часть 2. Словарная схема EXPRESS
Примечание - При пользовании настоящим стандартом целесообразно проверить действие ссылочных стандартов в информационной системе общего пользования - на официальном сайте Федерального агентства по техническому регулированию и метрологии в сети Интернет или по ежегодному информационному указателю "Национальные стандарты", который опубликован по состоянию на 1 января текущего года, и по выпускам ежемесячного информационного указателя "Национальные стандарты" за текущий год. Если заменен ссылочный стандарт, на который дана недатированная ссылка, то рекомендуется использовать версию этого стандарта с учетом всех внесенных в данную версию изменений. Если заменен ссылочный стандарт, на который дана датированная ссылка, то рекомендуется использовать версию этого стандарта с указанным выше годом утверждения (принятия). Если после утверждения настоящего стандарта в ссылочный стандарт, на который дана датированная ссылка, внесено изменение, затрагивающее положение, на которое дана ссылка, то это положение рекомендуется применять без учета данного изменения. Если ссылочный стандарт отменен без замены, то положение, в котором дана ссылка на него, рекомендуется применять в части, не затрагивающей эту ссылку.
3.1 В настоящем стандарте применены по [1] и [2].
3.2 Определения отдельных терминов, связанных с уровнями, приведены в атрибутах свойств в Словаре унифицированных данных МЭК.
LOP, представленные в настоящем стандарте, предназначены для использования в процессах электронного обмена данными между двумя компьютерными системами, которые могут принадлежать одной компании или различным компаниям в соответствии с описанием в [1] (приложение B).
OLOP для оборудования для измерения уровня содержится в приложении В, а DLOP для отдельных типов устройств для измерения уровня - в приложении Г.
Структурные элементы, такие как тип, блок и свойство LOP, определенные в настоящем стандарте, доступны в электронной форме в предметной области "Автоматизация процессов" Словаря унифицированных данных МЭК (CDD) (см. [3]).
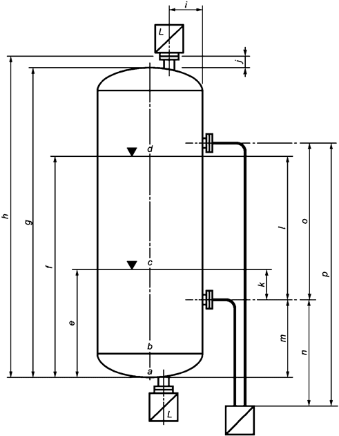
Существенным аспектом измерения уровня является позиционирование и определение местоположения датчика или переключателя. На рисунках 1 и 2 показана справочная схема, используемая в настоящем стандарте для непрерывного и точечного измерения уровня соответственно.

a - опорная точка для вертикального положения (= днище сосуда); b - нижняя касательная линия; c - опорная точка нулевого уровня; d - опорная точка полного уровня; e - эталонная высота нулевого уровня; f - эталонная высота полного уровня; g - габаритная высота технологического оборудования; h - вертикальное положение сопла (монтаж в верхней части); i - расстояние до внутренней стенки технологического оборудования; L - расстояние до внутренней стенки технологического оборудования; j - длина сопла технологического оборудования; k - расстояние по вертикали от нижнего технологического соединения до опорной точки нулевого уровня; l - расстояние по вертикали от нижнего технологического соединения до опорной точки полного уровня; m - вертикальное положение сопла (монтаж сбоку); n - расстояние по вертикали от датчика до верхнего/отдельного технологического соединения давления; o - перепад высот конечных/технологических соединений; p - расстояние по вертикали от датчика до нижнего технологического соединения давления
Рисунок 1 - Справочная схема для установки датчиков уровня

a - опорная точка для вертикального положения (= днище сосуда); b - нижняя касательная линия; c - габаритная высота технологического оборудования; d - вертикальное положение уплотнительной поверхности сопла (монтаж в верхней части); e - расстояние до внутренней стенки технологического оборудования; f - вертикальное положение сопла (монтаж сбоку); g - вертикальное положение сопла (монтаж под углом); h - угол монтажа сопла; i – расстояние переключения относительно уплотнительной поверхности; j - расстояние переключения относительно длины вставки; k - длина вставки (длина сенсора)
Рисунок 2 - Справочная схема для установки переключателей уровня
Свойства OLOP и DLOP, используемых в настоящем стандарте, созданы с учетом [4] и ГОСТ Р МЭК 61360-2. Таким образом, структурные элементы, свойства и атрибуты, содержащиеся в Словаре унифицированных данных МЭК, являются нормативными.
4.4.1 Общие характеристики радиолокационного датчика уровня
Резервуар высотой 10 м оснащен системой непрерывного измерения уровня. В верхней части резервуара имеется сопло ДУ 100. Выходной сигнал должен включать HART. В таблице 1 представлены стандартные свойства, информацией о которых могут обмениваться производитель и пользователь ("..." указывает свойство или свойства, которые не использовались).
|
Наименование типа, блока или свойства LOP |
Значение/параметр | |||||
|
Идентификация | ||||||
|
Производитель |
Наименование | |||||
|
Наименование продукта |
Наименование продукта abc123 | |||||
|
Тип продукта |
Радиолокационный датчик уровня | |||||
|
... |
- | |||||
|
Применение | ||||||
|
Описание сферы применения |
Измерение уровня жидкостей | |||||
|
Функция и принцип работы системы | ||||||
|
Принцип измерения |
Радиолокация на основе времени прохождения | |||||
|
Рабочая частота |
26 ГГц | |||||
|
Функциональная надежность | ||||||
|
Функциональная безопасность и надежность | ||||||
|
Режим отказоустойчивой работы |
Конфигурируемые минимальные, максимальные значения | |||||
|
... |
- | |||||
|
Уровень полноты безопасности |
Не более SIL 3 | |||||
|
Эталонный стандарт для функциональной безопасности |
- | |||||
|
... |
- | |||||
|
Вход | ||||||
|
Количество измеряемых переменных |
2 | |||||
|
Измеряемая переменная_1 | ||||||
|
Тип измеряемой переменной |
Измерение уровня | |||||
|
Измерение уровня | ||||||
|
... |
- | |||||
|
Диапазон измерения уровня | ||||||
|
Нижний предел диапазона уровня |
0 м | |||||
|
Верхний предел диапазона уровня |
15 м | |||||
|
... |
- | |||||
|
Измеряемая переменная_2 |
- | |||||
|
Тип измеряемой переменной |
Измерение степени заполнения | |||||
|
Измерение степени заполнения | ||||||
|
... |
- | |||||
|
Диапазон измерения степени заполнения | ||||||
|
Нижний предел диапазона степени заполнения |
0% | |||||
|
Верхний предел диапазона степени заполнения |
100% | |||||
|
... |
- | |||||
|
Базовая диэлектрическая постоянная |
2,0 | |||||
|
... |
- | |||||
|
Базовый тип резервуара |
Хранилище | |||||
|
Базовое состояние сосуда |
Стабильное | |||||
|
Базовые условия развертывания |
Свободный путь | |||||
|
Количество выходов |
1 | |||||
|
Выход | ||||||
|
... |
- | |||||
|
Присвоенная переменная процесса |
Уровень | |||||
|
Функция входа/выхода |
Непрерывное измерение | |||||
|
Тип выхода | ||||||
|
Тип выхода |
Аналоговый выход тока | |||||
|
Аналоговый выход тока | ||||||
|
Присвоенная переменная | ||||||
|
Тип присвоенной переменной |
Присвоенный диапазон степени заполнения | |||||
|
Присвоенный диапазон степени заполнения | ||||||
|
Нижнее значение диапазона степени заполнения |
0% | |||||
|
Верхнее значение диапазона степени заполнения |
100% | |||||
|
... |
- | |||||
|
Параметры аналогового выхода тока | ||||||
|
... |
- | |||||
|
Режим источника питания |
Пассивный | |||||
|
Настроенный режим источника питания |
Пассивный | |||||
|
Минимальное значение диапазона выхода тока |
4 мА | |||||
|
Максимальное значение диапазона выхода тока |
20 мА | |||||
|
Нижний предел тока пропорционального диапазона |
3,8 мА | |||||
|
Верхний предел тока пропорционального диапазона |
20,5 мА | |||||
|
Текущее значение сигнала оповещения | ||||||
|
Текущее минимальное значение сигнала оповещения |
3,6 мА | |||||
|
Текущее максимальное значение сигнала оповещения |
22,0 мА | |||||
|
Возможность настройки сигнала оповещения |
Минимальные и максимальные настройки, заданные пользователем | |||||
|
Заданное значение сигнала оповещения |
Максимальное | |||||
|
Наложение цифровой связи |
HART 6.0 | |||||
|
... |
- | |||||
|
Количество гальванических развязок |
1 | |||||
|
Гальваническая развязка | ||||||
|
Гальваническая развязка электрических цепей |
Общая развязка всех цепей | |||||
|
... |
- | |||||
|
Количество электрических зажимов |
3 | |||||
|
Электрический зажим_1 | ||||||
|
Обозначение электрического зажима |
a | |||||
|
Маркировка электрического зажима |
+ 4...20 мА/HART | |||||
|
Электрический зажим_2 | ||||||
|
Обозначение электрического зажима |
b | |||||
|
Маркировка электрического зажима |
- 4...20 мА/HART | |||||
|
Электрический зажим_3 | ||||||
|
... |
- | |||||
|
Описание электрического зажима |
Заземление кабельного экрана | |||||
|
... |
- | |||||
|
Количество спецификаций кабелей |
1 | |||||
|
Спецификация кабеля | ||||||
|
Назначение кабеля |
Электрическая цепь | |||||
|
Тип кабеля |
Экранированная витая пара | |||||
|
... |
- | |||||
|
Производительность | ||||||
|
Стандартные условия для устройства | ||||||
|
Стандартные условия окружающей среды | ||||||
|
Стандартное развертывание устройства |
Вертикальное, без помех для луча, металлическая пластина отражателя диаметром 1 м | |||||
|
Стандартная температура окружающей среды |
23,5 °C; 24,0 °C; 24,5 °C | |||||
|
... |
- | |||||
|
Стандартное абсолютное атмосферное давление |
860 мбар; 960 мбар; 1060 мбар | |||||
|
... |
- | |||||
|
Стандартная влажность |
55%; 60%; 75% | |||||
|
... |
- | |||||
|
Количество переменных производительности |
1 | |||||
|
Переменная производительности | ||||||
|
... |
- | |||||
|
Тип переменной производительности | ||||||
|
Тип переменной производительности |
Производительность для уровня в абсолютных величинах | |||||
|
Производительность для уровня в абсолютных величинах | ||||||
|
... |
- | |||||
|
Ошибка измерения уровня |
2 см | |||||
|
... |
- | |||||
|
Ошибка нулевой точки уровня |
3 мм | |||||
|
... |
- | |||||
|
Влияние внешних величин, выраженных для уровня | ||||||
|
Среднее влияние температуры окружающей среды на уровень |
2 мм/10 К | |||||
|
Максимальное влияние температуры окружающей среды на уровень |
5 мм | |||||
|
... |
- | |||||
|
Динамическое поведение | ||||||
|
... |
- | |||||
|
Время реагирования на ступенчатое воздействие T90 |
0,8 с | |||||
|
... |
- | |||||
|
Рабочие условия эксплуатации | ||||||
|
Условия установки | ||||||
|
Условия развертывания | ||||||
|
Ориентация монтажа |
Вертикальная | |||||
|
... |
- | |||||
|
Инструкции по монтажу |
Расстояние от стенки не менее 1/6 диаметра сосуда, не по центру, не над потоком заполнения | |||||
|
... |
- | |||||
|
Расчетные характеристики среды | ||||||
|
Нормальные условия окружающей среды | ||||||
|
Количество значений температуры окружающей среды | ||||||
|
Температура окружающей среды | ||||||
|
... |
- | |||||
|
Минимальная температура окружающей среды |
-40 °C | |||||
|
Максимальная температура окружающей среды |
+80 °C | |||||
|
... |
- | |||||
|
Климатический класс |
Тест Z/AD | |||||
|
Эталонный стандарт для климатического класса |
См. [6] | |||||
|
... |
- | |||||
|
Электромагнитная совместимость | ||||||
|
... |
- | |||||
|
Эталонный стандарт для классификации электромагнитной совместимости |
См. [7] | |||||
|
... |
- | |||||
|
Вибростойкость |
От 20 до 2000 Гц, 1 (м/с2)2/Гц | |||||
|
Эталонный стандарт для вибростойкости |
См. [8] | |||||
|
Предельные условия окружающей среды | ||||||
|
... |
- | |||||
|
Минимальное предельное значение температуры хранения |
-40 °C | |||||
|
Максимальное предельное значение температуры хранения |
+80 °C | |||||
|
... |
- | |||||
|
Расчетные характеристики процесса | ||||||
|
Нормальные условия процесса | ||||||
|
... |
- | |||||
|
Минимальное избыточное давление процесса |
-1 бар | |||||
|
... |
- | |||||
|
Максимальное избыточное давление процесса |
+3 бар | |||||
|
Минимальная температура процесса |
-40 °C | |||||
|
Максимальная температура процесса |
+80 °C | |||||
|
... |
- | |||||
|
Минимальная рабочая диэлектрическая постоянная |
1,9 | |||||
|
... |
- | |||||
|
Механическая и электротехническая конструкция | ||||||
|
Габаритные размеры и вес | ||||||
|
Вес |
3,4 кг | |||||
|
Длина |
170,5 мм | |||||
|
Ширина |
135,6 мм | |||||
|
Высота |
338,5 мм | |||||
|
... |
- | |||||
|
Конструктивное исполнение | ||||||
|
Конструктивное исполнение радиолокационного датчика уровня | ||||||
|
Технологическое соединение | ||||||
|
... |
- | |||||
|
Тип технологического соединения |
Приварной фланец UNI | |||||
|
Номинал |
PN 16 | |||||
|
Номинальный размер |
Ду 100 | |||||
|
... |
- | |||||
|
Регламент проектирования |
DIN 2502 | |||||
|
Количество отверстий |
8 | |||||
|
Материал | ||||||
|
Обозначение материала |
ПП | |||||
|
... |
- | |||||
|
Конструктивное исполнение антенны | ||||||
|
Тип антенны |
Рупорная, в кожухе | |||||
|
Угол излучения |
- | |||||
|
Длина антенны |
170,5 мм | |||||
|
... |
- | |||||
|
Максимальный диаметр антенны |
135,6 мм | |||||
|
... |
- | |||||
|
Материал антенны | ||||||
|
Обозначение материала |
ПБТ | |||||
|
... |
- | |||||
|
Количество корпуса датчиков/переключателей |
1 | |||||
|
Корпус датчика/переключателя | ||||||
|
Тип корпуса |
Корпус электронного устройства | |||||
|
... |
- | |||||
|
Обозначение датчика/переключателя |
GT20 | |||||
|
... |
- | |||||
|
Место монтажа |
Встроенный | |||||
|
... |
- | |||||
|
Вес |
1,9 кг | |||||
|
Длина |
168 мм | |||||
|
Ширина |
120 мм | |||||
|
Высота |
144 мм | |||||
|
... |
- | |||||
|
Материал корпуса |
Alsi10mg (<0,1% Cu) | |||||
|
... |
- | |||||
|
Средство связи | ||||||
|
... |
- | |||||
|
Число отсеков подключения |
1 | |||||
|
Отсек подключения |
- | |||||
|
... |
- | |||||
|
Степень защиты |
IP 68 | |||||
|
Кожух типа N/класса |
6P | |||||
|
Эталонный стандарт для кожуха типа N/класса |
NEMA | |||||
|
Материал отсека подключения |
- | |||||
|
... |
- | |||||
|
Тип терминала |
В экранирующей клетке | |||||
|
Количество терминалов |
2 | |||||
|
... |
- | |||||
|
Минимальное поперечное сечение сердечника |
0,5 мм2 | |||||
|
Максимальное поперечное сечение сердечника |
2,5 мм2 | |||||
|
Минимальное поперечное сечение сердечника, AWG |
20 | |||||
|
Максимальное поперечное сечение сердечника, AWG |
14 | |||||
|
Тип защиты |
Невзрывозащищенное исполнение | |||||
|
Число входов кабеля/кабелепровода |
1 | |||||
|
Вход кабеля/кабелепровода | ||||||
|
Количество входов кабеля/кабелепровода |
2 | |||||
|
Номинальный размер входа кабеля/кабелепровода |
M20 | |||||
|
... |
- | |||||
|
Работоспособность | ||||||
|
... |
- | |||||
|
Параметризация | ||||||
|
Количество стилей параметризации |
1 | |||||
|
Стиль параметризации | ||||||
|
Тип интерфейса параметризации | ||||||
|
... |
- | |||||
|
Дисплей с клавиатурой | ||||||
|
Обозначение дисплея |
ID250 | |||||
|
Стиль монтажа дисплея |
Встроенный | |||||
|
... |
- | |||||
|
Коммуникатор | ||||||
|
Обозначение коммуникатора |
SSH770 | |||||
|
Конфигурационное программное обеспечение (ПО) коммуникатора |
Конфигуратор SSH770 | |||||
|
Способ подключения коммуникатора |
Через Bluetooth-модем | |||||
|
Компьютер | ||||||
|
Конфигурационное ПО компьютера |
Конфигуратор ПК | |||||
|
Дополнительное оборудование для подключения |
Модем или шлюз Ethernet/HART | |||||
|
... |
- | |||||
|
Интерфейс связи компьютера |
Ethernet | |||||
|
... |
- | |||||
|
Источник питания | ||||||
|
Количество входных контуров электропитания |
1 | |||||
|
Входная цепь электропитания | ||||||
|
Назначение источника электропитания |
Электрическая цепь | |||||
|
Количество жил |
2 | |||||
|
Тип источника питания |
Активный | |||||
|
Номинальное напряжение |
24 В | |||||
|
Минимальное номинальное напряжение |
10,4 В | |||||
|
Максимальное номинальное напряжение |
35 В | |||||
|
Тип напряжения |
Постоянный ток | |||||
|
... |
- | |||||
|
Нормальное энергопотребление |
0,9 Вт | |||||
|
... |
- | |||||
|
Реакция на сбой электропитания |
Сохранение конфигурации | |||||
|
... |
- | |||||
|
Защита от обратной полярности |
Да | |||||
|
... |
- | |||||
|
Сертификаты и разрешения | ||||||
|
Количество разрешений на использование в общих целях |
1 | |||||
|
Разрешение на использование в общих целях | ||||||
|
Тип разрешения на использование в общих целях |
Маркировка CE | |||||
|
... |
- | |||||
|
Разрешение на специальное применение | ||||||
|
... |
- | |||||
|
Количество сертификатов защиты от переполнения |
1 | |||||
|
Сертификат защиты от переполнения | ||||||
|
Тип сертификата защиты от переполнения |
Сертификат WHG | |||||
|
Описание сертификата защиты от переполнения |
Z-65.16-524 | |||||
|
Сертификат функциональной безопасности | ||||||
|
Документ о прохождении оценки функциональной безопасности (SIL) |
968/EL 882.xx/yy | |||||
|
Сертифицирующий орган |
TÜV Rhineland | |||||
|
Количество радиочастотных стандартов |
1 | |||||
|
Радиочастотный стандарт | ||||||
|
Тип радиочастотного стандарта |
См. [9] | |||||
|
Описание радиочастотного стандарта |
- | |||||
|
... |
- | |||||
4.4.2 Общие характеристики вибрационного переключателя уровня
Во избежание переполнения резервуар оснащают оборудованием для точечного измерения уровня, размещаемым на расстоянии 30 см от верхнего края резервуара. В верхней части уже имеется сопло. Выходной сигнал - PROFIBUS PA. Исходя из данных, предоставленных пользователем в OLOP, производителю известно, что длина сопла составляет 15 см (от уплотнительной поверхности). Производитель предлагает использовать вибрационный переключатель уровня, устанавливаемый в верхней части. Общие характеристики могут быть настроены, как показано в таблице 2 ("..." указывает свойство или свойства, которые не использовались).
|
Наименование типа, блока или свойства LOP |
Значение/параметр | ||||||
|
Идентификация | |||||||
|
Производитель |
Наименование | ||||||
|
Наименование продукта |
Наименование продукта XYZ 123 | ||||||
|
Тип продукта |
Переключатель уровня | ||||||
|
... |
- | ||||||
|
Применение | |||||||
|
Описание сферы применения |
Точечное измерение уровня в жидкостях, глинистых растворах и т.д. | ||||||
|
Функция и принцип работы системы | |||||||
|
Принцип измерения |
Вибрационный | ||||||
|
... |
- | ||||||
|
Вход | |||||||
|
Количество измеряемых переменных |
1 | ||||||
|
Измеряемая переменная | |||||||
|
Тип измеряемой переменной |
Точечное измерение уровня | ||||||
|
Точечное измерение уровня | |||||||
|
... |
- | ||||||
|
Диапазон номинального значения уровня | |||||||
|
Расстояние переключения относительно длины вставки |
13 мм | ||||||
|
... |
- | ||||||
|
... |
- | ||||||
|
... |
- | ||||||
|
Цифровые коммуникации | |||||||
|
Количество цифровых коммуникационных интерфейсов |
1 | ||||||
|
Интерфейс цифровой связи | |||||||
|
... |
- | ||||||
|
Тип цифровой связи |
PROFIBUS | ||||||
|
Протокол связи | |||||||
|
Тип протокола |
PROFIBUS PA | ||||||
|
Версия протокола |
3.0 | ||||||
|
... |
- | ||||||
|
Тип профиля устройства |
Цифровой вход | ||||||
|
Версия профиля устройства |
1.0 | ||||||
|
... |
- | ||||||
|
... |
- | ||||||
|
Физический уровень | |||||||
|
Тип физического уровня |
См. [10] | ||||||
|
... |
- | ||||||
|
Присвоенная скорость передачи в бодах |
31,25 Кбит/с | ||||||
|
Присвоенный адрес |
254 | ||||||
|
Количество интерфейсов проводной связи |
1 | ||||||
|
Интерфейс проводной связи | |||||||
|
Электротехнические данные устройства с питанием от шины | |||||||
|
Ток базы |
12,5 мА | ||||||
|
... |
- | ||||||
|
Электротехнические данные для пассивного режима | |||||||
|
Номинальное напряжение |
24 В | ||||||
|
Минимальное напряжение |
9 В | ||||||
|
Максимальное напряжение |
32 В | ||||||
|
... |
- | ||||||
|
Гальваническая развязка | |||||||
|
Гальваническая развязка электрических цепей |
Между датчиком и источником питания | ||||||
|
... |
- | ||||||
|
... |
- | ||||||
|
Мониторинг линии | |||||||
|
Защита от обратной полярности |
Да | ||||||
|
Мониторинг короткого замыкания |
Да | ||||||
|
Контроль обрыва свинца |
Да | ||||||
|
... |
- | ||||||
|
... |
- | ||||||
|
Производительность | |||||||
|
Стандартные условия для устройства | |||||||
|
Стандартные условия окружающей среды | |||||||
|
Стандартное развертывание устройства |
Вертикальное сверху | ||||||
|
Стандартная температура окружающей среды |
23 °C | ||||||
|
... |
- | ||||||
|
Стандартные условия для устройства | |||||||
|
Стандартное положение переключателя выбора плотности |
До ">> 0,7" | ||||||
|
... |
- | ||||||
|
Стандартные условия процесса | |||||||
|
Стандартная технологическая среда |
Вода | ||||||
|
Стандартная температура технологической среды |
-50 °C; 23 °C; 120 °C | ||||||
|
... |
- | ||||||
|
Стандартное избыточное давление технологической среды |
- | ||||||
|
... |
- | ||||||
|
Стандартная плотность |
0,5 г/см3; 1 г/см3; 1,5 г/см3 | ||||||
|
... |
- | ||||||
|
Стандартная динамическая вязкость |
1 мП | ||||||
|
... |
- | ||||||
|
Переменная производительности | |||||||
|
... |
- | ||||||
|
Тип переменной производительности | |||||||
|
Тип переменной производительности |
Производительность для номинального значения уровня в абсолютных величинах | ||||||
|
Производительность для номинального значения уровня в абсолютных величинах | |||||||
|
... |
- | ||||||
|
Ошибка номинального значения уровня |
1 мм | ||||||
|
... |
- | ||||||
|
Невоспроизводимость номинального значения уровня |
0,1 мм | ||||||
|
... |
- | ||||||
|
Влияние внешних величин, выраженных для номинального значения уровня | |||||||
|
... |
- | ||||||
|
Максимальное влияние температуры окружающей среды на номинальное значение уровня |
2,8 мм | ||||||
|
... |
- | ||||||
|
Максимальное влияние давления процесса на номинальное значение уровня |
2,8 мм | ||||||
|
... |
- | ||||||
|
Максимальное влияние плотности на номинальное значение уровня |
4,8 мм | ||||||
|
... |
- | ||||||
|
Динамическое поведение номинального значения уровня | |||||||
|
Гистерезис номинального значения уровня |
2 мм | ||||||
|
... |
- | ||||||
|
Время реагирования на повышение уровня |
0,5 с | ||||||
|
Время реагирования на понижение уровня |
1 с | ||||||
|
... |
- | ||||||
|
Минимальное запаздывание переключения |
0,5 с | ||||||
|
Максимальное запаздывание переключения |
60 с | ||||||
|
... |
- | ||||||
|
... |
- | ||||||
|
... |
- | ||||||
Приложение А
(справочное)
Свойства, используемые в OLOP в приложении В и DLOP в приложении Г, доступны со всеми атрибутами в Словаре унифицированных данных МЭК по ссылке: http://std.iec.ch/cdd/iec61987/cdddev.nsf/TreeFrameset?OpenFrameSet.
Приложение Б
(справочное)
Блоки, используемые в OLOP в приложении В и DLOP в приложении Г, доступны со всеми атрибутами в Словаре унифицированных данных МЭК по ссылке: http://std.iec.ch/cdd/iec61987/cdddev.nsf/TreeFrameset?OpenFrameSet.
Приложение В
(справочное)
Настоящий OLOP был создан для всех типов оборудования для непрерывного измерения уровня. В схеме классификации технологического измерительного оборудования этот OLOP отнесен к области оборудования для измерения уровня (см. таблицу А.1 приложения А [2]):
|
- индикатор уровня |
IEC-ABA692; |
|
- указатель уровня |
IEC-ABA649; |
|
- переключатель уровня |
IEC-ABA703; |
|
- датчик уровня |
IEC-ABA803. |
Примечание - OLOP находится в поле "Дерево свойств" всех типов оборудования для измерения уровня и имеет идентификатор IEC-ABE727.
OLOP со всеми блоками и свойствами доступен в Словаре унифицированных данных МЭК по ссылке: http://std.iec.ch/cdd/iec61987/cdddev.nsf/TreeFrameset?OpenFrameSet.
Приложение Г
(справочное)
Г.1 Индикаторы уровня
Г.1.1 Индикатор уровня визуального типа
DLOP, представленные в настоящем приложении, соответствуют схеме классификации измерительного оборудования, приведенной в приложении А [2].
DLOP для индикатора уровня визуального типа относят к следующему узлу классификации:
- индикатор уровня визуального типа IEC-ABA693.
Примечание - DLOP также находится в поле "Дерево свойств" и имеет идентификатор IEC-ABE750.
DLOP со всеми блоками и свойствами доступен в Словаре унифицированных данных МЭК: http://std.iec.ch/cdd/iec61987/cdddev.nsf/TreeFrameset?OpenFrameSet.
Г.2 Указатели уровня
Г.2.1 Магнитный указатель уровня
DLOP для магнитного указателя уровня относят к следующему узлу классификации:
- магнитный указатель уровня IEC-ABA650.
Примечание - DLOP также находится в поле "Дерево свойств" и имеет идентификатор IEC-ABE728.
DLOP со всеми блоками и свойствами доступен в Словаре унифицированных данных МЭК: http://std.iec.ch/cdd/iec61987/cdddev.nsf/TreeFrameset?OpenFrameSet.
Г.2.2 Указатель уровня визуального типа
DLOP для указателя уровня визуального типа относят к следующему узлу классификации:
- указатель уровня визуального типа IEC-ABE451.
Примечание - DLOP также находится в поле "Дерево свойств" и имеет идентификатор IEC-ABE729.
DLOP со всеми блоками и свойствами доступен в Словаре унифицированных данных МЭК: http://std.iec.ch/cdd/iec61987/cdddev.nsf/TreeFrameset?OpenFrameSet.
Г.3 Переключатели уровня
Г.3.1 Переключатель уровня
DLOP для общего переключателя уровня относят к следующему узлу классификации:
- переключатель уровня (общий) IEC-ABE754.
Примечание - DLOP также находится в поле "Дерево свойств" и имеет идентификатор IEC-ABE755.
DLOP со всеми блоками и свойствами доступен в Словаре унифицированных данных МЭК: http://std.iec.ch/cdd/iec61987/cdddev.nsf/TreeFrameset?OpenFrameSet.
Г.3.2 Емкостный переключатель уровня
DLOP для емкостного переключателя уровня относят к следующему узлу классификации:
- емкостный переключатель уровня IEC-ABA706.
Примечание - DLOP также находится в поле "Дерево свойств" и имеет идентификатор IEC-ABE737.
DLOP со всеми блоками и свойствами доступен в Словаре унифицированных данных МЭК: http://std.iec.ch/cdd/iec61987/cdddev.nsf/TreeFrameset?OpenFrameSet.
Г.3.3 Кондуктометрический переключатель уровня
DLOP для кондуктометрического переключателя уровня относят к следующему узлу классификации:
- кондуктометрический переключатель уровня IEC-ABA707.
Примечание - DLOP также находится в поле "Дерево свойств" и имеет идентификатор IEC-ABE738.
DLOP со всеми блоками и свойствами доступен в Словаре унифицированных данных МЭК: http://std.iec.ch/cdd/iec61987/cdddev.nsf/TreeFrameset?OpenFrameSet.
Г.3.4 Объемный переключатель уровня
DLOP для объемного переключателя уровня относят к следующему узлу классификации:
- объемный переключатель уровня IEC-ABA704.
Примечание - DLOP также находится в поле "Дерево свойств" и имеет идентификатор IEC-ABE736.
DLOP со всеми блоками и свойствами доступен в Словаре унифицированных данных МЭК: http://std.iec.ch/cdd/iec61987/cdddev.nsf/TreeFrameset?OpenFrameSet.
Г.3.5 Поплавковый переключатель уровня
DLOP для поплавкового переключателя уровня относят к следующему узлу классификации:
- поплавковый переключатель уровня IEC-ABA708.
Примечание - DLOP также находится в поле "Дерево свойств" и имеет идентификатор IEC-ABE739.
DLOP со всеми блоками и свойствами доступен в Словаре унифицированных данных МЭК: http://std.iec.ch/cdd/iec61987/cdddev.nsf/TreeFrameset?OpenFrameSet.
Г.3.6 Волноводный радарный переключатель уровня
DLOP для волноводного радарного переключателя уровня относят к следующему узлу классификации:
- волноводный радарный переключатель уровня IEC-ABA722.
Примечание - DLOP также находится в поле "Дерево свойств" и имеет идентификатор IEC-ABE743.
DLOP со всеми блоками и свойствами доступен в Словаре унифицированных данных МЭК: http://std.iec.ch/cdd/iec61987/cdddev.nsf/TreeFrameset?OpenFrameSet.
Г.3.7 Микроволновой переключатель уровня
DLOP для микроволнового переключателя уровня относят к следующему узлу классификации:
- микроволновой переключатель уровня IEC-ABA726.
Примечание - DLOP также находится в поле "Дерево свойств" и имеет идентификатор IEC-ABE749.
DLOP со всеми блоками и свойствами доступен в Словаре унифицированных данных МЭК: http://std.iec.ch/cdd/iec61987/cdddev.nsf/TreeFrameset?OpenFrameSet.
Г.3.8 Радиоизотопный переключатель уровня
DLOP для радиоизотопного переключателя уровня относят к следующему узлу классификации:
- радиоизотопный переключатель уровня IEC-ABA714.
Примечание - DLOP также находится в поле "Дерево свойств" и имеет идентификатор IEC-ABE746.
DLOP со всеми блоками и свойствами доступен в Словаре унифицированных данных МЭК: http://std.iec.ch/cdd/iec61987/cdddev.nsf/TreeFrameset?OpenFrameSet.
Г.3.9 Оптический переключатель уровня
DLOP для оптического переключателя уровня относят к следующему узлу классификации:
- оптический переключатель уровня IEC-ABA723.
Примечание - DLOP также находится в поле "Дерево свойств" и имеет идентификатор IEC-ABE733.
DLOP со всеми блоками и свойствами доступен в Словаре унифицированных данных МЭК: http://std.iec.ch/cdd/iec61987/cdddev.nsf/TreeFrameset?OpenFrameSet.
Г.3.10 Переключатель с вращающимися лопатками
DLOP для переключателя с вращающимися лопатками относят к следующему узлу классификации:
- переключатель с вращающимися лопатками IEC-ABA713.
Примечание - DLOP также находится в поле "Дерево свойств" и имеет идентификатор IEC-ABE730.
DLOP со всеми блоками и свойствами доступен в Словаре унифицированных данных МЭК: http://std.iec.ch/cdd/iec61987/cdddev.nsf/TreeFrameset?OpenFrameSet.
Г.3.11 Тепловой переключатель уровня
DLOP для теплового переключателя уровня относят к следующему узлу классификации:
- тепловой переключатель уровня IEC-ABA716.
Примечание - DLOP также находится в поле "Дерево свойств" и имеет идентификатор IEC-ABE731.
DLOP со всеми блоками и свойствами доступен в Словаре унифицированных данных МЭК: http://std.iec.ch/cdd/iec61987/cdddev.nsf/TreeFrameset?OpenFrameSet.
Г.3.12 Вибрационный переключатель уровня
DLOP для вибрационного переключателя уровня относят к следующему узлу классификации:
- вибрационный переключатель уровня IEC-ABA717.
Примечание - DLOP также находится в поле "Дерево свойств" и имеет идентификатор IEC-ABE732.
DLOP со всеми блоками и свойствами доступен в Словаре унифицированных данных МЭК: http://std.iec.ch/cdd/iec61987/cdddev.nsf/TreeFrameset?OpenFrameSet.
Г.3.13 Ультразвуковой переключатель уровня
DLOP для ультразвукового переключателя уровня относят к следующему узлу классификации:
- ультразвуковой переключатель уровня IEC-ABA727.
Примечание - DLOP также находится в поле "Дерево свойств" и имеет идентификатор IEC-ABE745.
DLOP со всеми блоками и свойствами доступен в Словаре унифицированных данных МЭК: http://std.iec.ch/cdd/iec61987/cdddev.nsf/TreeFrameset?OpenFrameSet.
Г.4 Датчики уровня
Г.4.1 Датчик уровня
DLOP для общего датчика уровня относят к следующему узлу классификации:
- датчик уровня (общий) IEC-ABE734.
Примечание - DLOP также находится в поле "Дерево свойств" и имеет идентификатор IEC-ABE735.
DLOP со всеми блоками и свойствами доступен в Словаре унифицированных данных МЭК: http://std.iec.ch/cdd/iec61987/cdddev.nsf/TreeFrameset?OpenFrameSet.
Г.4.2 Емкостный датчик уровня
DLOP для емкостного датчика уровня относят к следующему узлу классификации:
- емкостный датчик уровня IEC-ABA806.
Примечание - DLOP также находится в поле "Дерево свойств" и имеет идентификатор IEC-ABE737.
DLOP со всеми блоками и свойствами доступен в Словаре унифицированных данных МЭК: http://std.iec.ch/cdd/iec61987/cdddev.nsf/TreeFrameset?OpenFrameSet.
Г.4.3 Кондуктометрический датчик уровня
DLOP для кондуктометрического датчика уровня относят к следующему узлу классификации:
- кондуктометрический датчик уровня IEC-ABA808.
Примечание - DLOP также находится в поле "Дерево свойств" и имеет идентификатор IEC-ABE738.
DLOP со всеми блоками и свойствами доступен в Словаре унифицированных данных МЭК: http://std.iec.ch/cdd/iec61987/cdddev.nsf/TreeFrameset?OpenFrameSet.
Г.4.4 Объемный датчик уровня
DLOP для объемного датчика уровня относят к следующему узлу классификации:
- объемный датчик уровня IEC-ABA804.
Примечание - DLOP также находится в поле "Дерево свойств" и имеет идентификатор IEC-ABE736.
DLOP со всеми блоками и свойствами доступен в Словаре унифицированных данных МЭК: http://std.iec.ch/cdd/iec61987/cdddev.nsf/TreeFrameset?OpenFrameSet.
Г.4.5 Радиолокационный датчик уровня
DLOP для радиолокационного датчика уровня относят к следующему узлу классификации:
- радиолокационный датчик уровня IEC-ABA824.
Примечание - DLOP также находится в поле "Дерево свойств" и имеет идентификатор IEC-ABE742.
DLOP со всеми блоками и свойствами доступен в Словаре унифицированных данных МЭК: http://std.iec.ch/cdd/iec61987/cdddev.nsf/TreeFrameset?OpenFrameSet.
Г.4.6 Поплавковый датчик уровня
DLOP для поплавкового датчика уровня относят к следующему узлу классификации:
- поплавковый датчик уровня IEC-ABA809.
Примечание - DLOP также находится в поле "Дерево свойств" и имеет идентификатор IEC-ABE739.
DLOP со всеми блоками и свойствами доступен в Словаре унифицированных данных МЭК: http://std.iec.ch/cdd/iec61987/cdddev.nsf/TreeFrameset?OpenFrameSet.
Г.4.7 Волноводный радарный датчик уровня
DLOP для волноводного радарного датчика уровня относят к следующему узлу классификации:
- волноводный радарный датчик уровня IEC-ABA827.
Примечание - DLOP также находится в поле "Дерево свойств" и имеет идентификатор IEC-ABE743.
DLOP со всеми блоками и свойствами доступен в Словаре унифицированных данных МЭК: http://std.iec.ch/cdd/iec61987/cdddev.nsf/TreeFrameset?OpenFrameSet.
Г.4.8 Гидростатический датчик уровня
DLOP для гидростатического датчика уровня относят к следующему узлу классификации:
- гидростатический датчик уровня IEC-ABA812.
Примечание - DLOP также находится в поле "Дерево свойств" и имеет идентификатор IEC-ABE740.
DLOP со всеми блоками и свойствами доступен в Словаре унифицированных данных МЭК: http://std.iec.ch/cdd/iec61987/cdddev.nsf/TreeFrameset?OpenFrameSet.
Г.4.9 Лазерный датчик уровня
DLOP для лазерного датчика уровня относят к следующему узлу классификации:
- лазерный датчик уровня IEC-ABA828.
Примечание - DLOP также находится в поле "Дерево свойств" и имеет идентификатор IEC-ABE747.
DLOP со всеми блоками и свойствами доступен в Словаре унифицированных данных МЭК: http://std.iec.ch/cdd/iec61987/cdddev.nsf/TreeFrameset?OpenFrameSet.
Г.4.10 Датчик уровня с отвесом
DLOP для датчика уровня с отвесом относят к следующему узлу классификации:
- датчик уровня с отвесом IEC-ABA817.
Примечание - DLOP также находится в поле "Дерево свойств" и имеет идентификатор IEC-ABE741.
DLOP со всеми блоками и свойствами доступен в Словаре унифицированных данных МЭК: http://std.iec.ch/cdd/iec61987/cdddev.nsf/TreeFrameset?OpenFrameSet.
Г.4.11 Радиоизотопный датчик уровня
DLOP для радиоизотопного датчика уровня относят к следующему узлу классификации:
- радиоизотопный датчик уровня IEC-ABA819.
Примечание - DLOP также находится в поле "Дерево свойств" и имеет идентификатор IEC-ABE746.
DLOP со всеми блоками и свойствами доступен в Словаре унифицированных данных МЭК: http://std.iec.ch/cdd/iec61987/cdddev.nsf/TreeFrameset?OpenFrameSet.
Г.4.12 Датчик уровня с серводвигателем
DLOP для датчика уровня с серводвигателем относят к следующему узлу классификации:
- датчик уровня с серводвигателем IEC-ABA818.
Примечание - DLOP также находится в поле "Дерево свойств" и имеет идентификатор IEC-ABE748.
DLOP со всеми блоками и свойствами доступен в Словаре унифицированных данных МЭК: http://std.iec.ch/cdd/iec61987/cdddev.nsf/TreeFrameset?OpenFrameSet.
Г.4.13 Ультразвуковой датчик уровня
DLOP для ультразвукового датчика уровня относят к следующему узлу классификации:
- ультразвуковой датчик уровня IEC-ABA829.
Примечание - DLOP также находится в поле "Дерево свойств" и имеет идентификатор IEC-ABE744.
DLOP со всеми блоками и свойствами доступен в Словаре унифицированных данных МЭК: http://std.iec.ch/cdd/iec61987/cdddev.nsf/TreeFrameset?OpenFrameSet.
Г.5 Компоненты
Г.5.1 Обходная/измерительная камера
DLOP для обходной/измерительной камеры относят к следующему узлу классификации:
- обходная/измерительная камера IEC-ABA858.
Примечание - DLOP также находится в поле "Дерево свойств" и имеет идентификатор IEC-ABE753.
DLOP со всеми блоками и свойствами доступен в Словаре унифицированных данных МЭК: http://std.iec.ch/cdd/iec61987/cdddev.nsf/TreeFrameset?OpenFrameSet.
Г.5.2 Отдельный датчик/переключатель уровня
DLOP для отдельного датчика/переключателя уровня относят к следующему узлу классификации:
- отдельный датчик/переключатель уровня IEC-ABE639.
Примечание - DLOP также находится в поле "Дерево свойств" и имеет идентификатор IEC-ABE756.
DLOP со всеми блоками и свойствами доступен в Словаре унифицированных данных МЭК: http://std.iec.ch/cdd/iec61987/cdddev.nsf/TreeFrameset?OpenFrameSet.
Г.5.3 Измерительный колодец
DLOP для измерительного колодца относят к следующему узлу классификации:
- измерительный колодец IEC-ABE452.
Примечание - DLOP также находится в поле "Дерево свойств" и имеет идентификатор IEC-ABE751.
DLOP со всеми блоками и свойствами доступен в Словаре унифицированных данных МЭК: http://std.iec.ch/cdd/iec61987/cdddev.nsf/TreeFrameset?OpenFrameSet.
Г.5.4 Окно
DLOP для окна относят к следующему узлу классификации:
- окно IEC-ABE453.
Примечание - DLOP также находится в поле "Дерево свойств" и имеет идентификатор IEC-ABE752.
DLOP со всеми блоками и свойствами доступен в Словаре унифицированных данных МЭК: http://std.iec.ch/cdd/iec61987/cdddev.nsf/TreeFrameset?OpenFrameSet.
Библиография
|
[1] |
МЭК 61987-10:2009 |
Измерение и управление производственными процессами. Структуры и элементы данных в каталогах производственного оборудования. Часть 10. Перечни свойств для измерения и управления производственными процессами для электронного обмена данными. Основные положения [Industrial-process measurement and control - Data structures and elements in process equipment catalogues - Part 10: Lists of properties (LOPs) for industrial-process measurement and control for electronic data exchange - Fundamentals - Edition 1.0] |
|
[2] |
МЭК 61987-11:2016 |
Измерения и управление в производственных процессах. Структуры и элементы данных в каталогах производственного оборудования. Часть 11. Перечни свойств измерительного оборудования для электронного обмена данными. Общие структуры [Industrial-process measurement and control - Data structures and elements in process equipment catalogues - Part 11: Lists of properties (LOPs) of measuring equipment for electronic data exchange - Generic structures] |
|
[3] |
МЭК 61987-92:2018 |
Измерения и управление в производственных процессах. Структуры и элементы данных в каталогах производственного оборудования. Часть 92. Перечни свойств (LOP) измерительной аппаратуры для электронного обмена данными. Аспект LOPs [Industrial-process measurement and control - Data structures and elements in process equipment catalogues - Part 92: Lists of properties (LOP) of measuring equipment for electronic data exchange - Aspect LOPs] |
|
[4] |
МЭК 61360 (1, 3 и последующие части) |
Стандартные типы элементов данных с ассоциированной схемой классификации электрических компонентов (Standard data element types with associated classification scheme for electric components) |
|
[5] |
МЭК 61508 |
Функциональная безопасность систем электрических, электронных, программируемых электронных, связанных с безопасностью (Functional safety of electrical/electronic/programmable electronic safety-related systems) |
|
[6] |
ЕН 60068-2-38 |
Испытания на воздействия внешних факторов. Часть 2-38. Испытания. Испытание Z/AD: Составное циклическое испытание на воздействие температуры/влажности (Environmental testing. Part 2-38. Tests. Test Z/AD: Composite temperature/humidity cyclic test) |
|
[7] |
ЕН 61326 (все части) |
Электрическое оборудование для измерения, управления и лабораторного применения. Требования к ЭМС (Electrical equipment for measurement, control and laboratory use. EMC requirements) |
|
[8] |
МЭК 60068-2-64 |
Испытания на воздействие внешних факторов. Часть 2. Испытания. Испытание Fh. Широкополосная случайная вибрация (цифровое управление испытаниями) [Environmental testing. Part 2. Test methods. Test Fh. Vibration, broad-band random (digital control) and guidance] |
|
[9] |
ЕН 302729-1/2 |
Устройства малого радиуса действия (SRD). Зондирующий радиолокатор определения уровня (LPR), работающий в диапазоне частот от 6 ГГц до 8,5 ГГц, от 24,05 ГГц до 26,5 ГГц, от 57 ГГц до 64 ГГц, от 75 ГГц до 85 ГГц. Гармонизированный стандарт, охватывающий существенные требования статьи 3.2 Директивы Directive 2014/53/EU [Внедрение английской версии EN 302 729 V2.1.1 (2016-12) как немецкого стандарта] [Short Range Devices (SRD) - Level Probing Radar (LPR) equipment operating in the frequency ranges 6 GHz to 8,5 GHz, 24,05 GHz to 26,5 GHz, 57 GHz to 64 GHz, 75 GHz to 85 GHz - Harmonised Standard covering the essential requirements of article 3.2 of the EU Directive 2014/53/EU (Endorsement of the English version EN 302 729 V2.1.1 (2016-12) as German standard)] |
|
[10] |
МЭК 61158-2 |
Сети для передачи производственных данных. Спецификации полевых шин. Часть 2. Спецификация физического уровня и определение услуг (Industrial communication networks - Fieldbus specifications - Part 2: Physical layer specification and service definition) |


