ГОСТ Р МЭК 60601-2-66-2021 АППАРАТУРА ЭЛЕКТРИЧЕСКАЯ МЕДИЦИНСКАЯ. Часть 2-66. ЧАСТНЫЕ ТРЕБОВАНИЯ К БАЗОВОЙ БЕЗОПАСНОСТИ И ОСНОВНЫМ ЭКСПЛУАТАЦИОННЫМ ХАРАКТЕРИСТИКАМ СЛУХОВЫХ АППАРАТОВ И СИСТЕМ СЛУХОВЫХ АППАРАТОВ
Утв. и введен в действие Приказом Федерального агентства по техническому регулированию и метрологии от 27 октября 2021 г. N 1324-ст
Medical electrical equipment. Part 2-66. Particular requirements for the basic safety and essential performance of hearing instruments and hearing instrument systems
(IEC 60601-2-66:2019, IDT)
ОКС 11.180
Дата введения - 1 апреля 2022 года
Введен впервые
Предисловие
1 ПОДГОТОВЛЕН ООО "Исток Аудио Трейдинг" на основе собственного перевода на русский язык англоязычной версии стандарта, указанного в пункте 4
2 ВНЕСЕН Техническим комитетом по стандартизации ТК 381 "Технические средства и услуги для инвалидов и других маломобильных групп населения"
3 УТВЕРЖДЕН И ВВЕДЕН В ДЕЙСТВИЕ Приказом Федерального агентства по техническому регулированию и метрологии от 27 октября 2021 г. N 1324-ст
4 Настоящий стандарт идентичен международному стандарту МЭК 60601-2-66:2019 "Изделия медицинские электрические. Часть 2-66. Частные требования безопасности с учетом основных функциональных характеристик для слуховых аппаратов и систем слуховых аппаратов" (IEC 60601-2-66:2019 "Medical electrical equipment - Part 2-66: Particular requirements for the basic safety and essential performance of hearing instruments and hearing instrument systems", IDT).
При применении настоящего стандарта рекомендуется использовать вместо ссылочных международных стандартов соответствующие им национальные и межгосударственные стандарты, сведения о которых приведены в дополнительном приложении ДА
5 ВВЕДЕН ВПЕРВЫЕ
Правила применения настоящего стандарта установлены в статье 26 Федерального закона от 29 июня 2015 г. N 162-ФЗ "О стандартизации в Российской Федерации". Информация об изменениях к настоящему стандарту публикуется в ежегодном (по состоянию на 1 января текущего года) информационном указателе "Национальные стандарты", а официальный текст изменений и поправок - в ежемесячном информационном указателе "Национальные стандарты". В случае пересмотра (замены) или отмены настоящего стандарта соответствующее уведомление будет опубликовано в ближайшем выпуске ежемесячного информационного указателя "Национальные стандарты". Соответствующая информация, уведомление и тексты размещаются также в информационной системе общего пользования - на официальном сайте Федерального агентства по техническому регулированию и метрологии в сети Интернет (www.rst.gov.ru)
Предисловие к МЭК 60601-2-66
1) Международная электротехническая комиссия (МЭК) представляет собой организацию по стандартизации, включающую в себя все национальные электротехнические комитеты (национальные комитеты МЭК). Целью МЭК является способствовать международному сотрудничеству по всем вопросам, касающимся стандартизации в области электротехники и электроники. Для этого помимо других видов деятельности МЭК публикует международные стандарты, технические условия, технические отчеты, общедоступные спецификации (ОС) и руководства (далее - "публикации МЭК"). Их подготовка поручается техническим комитетам; каждый национальный комитет МЭК, заинтересованный в рассматриваемой теме, может принять участие в данной подготовительной работе. В подготовке также участвуют международные, правительственные и неправительственные организации, поддерживающие связь с МЭК. МЭК тесно сотрудничает с Международной организацией по стандартизации (ИСО) в соответствии с условиями, определенными соглашением между этими двумя организациями.
2) Официальные решения и соглашения МЭК по техническим вопросам в максимально возможной степени выражают международный консенсус мнений по данным вопросам, поскольку в каждом техническом комитете имеются представители всех заинтересованных национальных комитетов МЭК.
3) Публикации МЭК носят характер рекомендаций для международного пользования и в этом смысле принимаются национальными комитетами МЭК. Хотя предпринимаются все меры для обеспечения точности технического содержания публикаций МЭК, МЭК не может нести ответственность за то, как они используются, а также за какие-либо их неверные интерпретации со стороны конечных пользователей.
4) В целях обеспечения единообразия в международном масштабе национальные комитеты МЭК обязуются применять публикации МЭК прозрачно в максимально возможной степени в своих национальных или региональных публикациях. Все расхождения между публикациями МЭК и соответствующими национальными или региональными публикациями должны быть четко указаны в последних.
5) Сама МЭК не проводит какой-либо аттестации единообразия. Оценка единообразия производится независимыми органами сертификации, которые в ряде случаев делают отметки о проверке единообразия от имени МЭК. МЭК не несет ответственности за какие-либо услуги, оказываемые независимыми органами сертификации.
6) Все пользователи должны убедиться, что в их распоряжении находится последнее издание данной публикации.
7) МЭК, ее директора, сотрудники, обслуживающий персонал и агенты, включая индивидуальных экспертов и членов технических комитетов и национальных комитетов МЭК, не несут ответственности за любые травмы, ущерб имуществу или иной ущерб любого характера, прямой или косвенный, а также за расходы (включая судебные издержки) и затраты, возникающие в связи с данной публикацией МЭК, ее использованием или расчетом на данную или любую другую публикацию МЭК.
8) Следует обратить внимание на ссылки на нормативные документы, содержащиеся в данной публикации. Использование публикаций, на которые даны ссылки, необходимо для правильного применения данной публикации.
9) Следует обратить внимание на то, что некоторые элементы данной публикации МЭК могут являться объектом патентного права. МЭК не несет ответственности за идентификацию любых или всех патентных прав.
Международный стандарт МЭК 60601-2-66 был подготовлен Техническим комитетом МЭК ТК 29 "Электроакустика".
Третье издание аннулирует и заменяет первое издание, опубликованное в 2015 г. Оно представляет собой его технический пересмотр.
Настоящее издание включает следующие существенные технические изменения по сравнению с предыдущим изданием:
a) изменение определения "ОСНОВНЫЕ ФУНКЦИОНАЛЬНЫЕ ХАРАКТЕРИСТИКИ";
b) пересмотр применения МЭК 60601-1-2:2014 в отношении электромагнитных помех;
c) коррекция используемого напряжения для СЛУХОВЫХ АППАРАТОВ с 1,6 В на 4,5 В;
d) коррекция уровня в испытании падением с 1,5 м на 1,0 м;
e) изменение формулировок МЭК 60601-2-66:2015.
Текст настоящего стандарта основан на следующих документах:
|
Окончательный проект международного стандарта |
Отчет по голосованию |
|
29/1023/FDIS |
29/1030/RVD |
Полная информация по голосованию по вопросу утверждения настоящего стандарта содержится в отчете по результатам голосования, индекс которого указан в таблице выше.
Данная публикация была подготовлена на основе положений Директив ИСО/МЭК, часть 2.
В настоящем стандарте приняты следующие шрифтовые выделения:
- требования и определения - прямой шрифт;
- технические требования - курсив;
- информационный материал, приведенный вне таблиц (примечания, примеры и ссылки), а также обязательный текст таблиц - шрифтом уменьшенного размера;
- ТЕРМИНЫ, ОПРЕДЕЛЕННЫЕ В РАЗДЕЛЕ 3 ОБЩЕГО СТАНДАРТА И В НАСТОЯЩЕМ СТАНДАРТЕ, - ПРОПИСНЫМИ БУКВАМИ.
Что касается структуры настоящего стандарта, то термин:
- "пункт" означает один из семнадцати пронумерованных разделов содержания, включая все подразделы (например, пункт 7 включает подпункты 7.1, 7.2 и т.п.);
- "подпункт" - пронумерованная последовательность подпунктов пункта (например, 7.1, 7.2 и 7.3.1 являются подпунктами пункта 7).
Ссылки на пункты в тексте стандарта обозначаются термином "пункт", за которым следует номер пункта. Ссылки на подпункты в тексте дополнительного стандарта приведены только с помощью номера.
В настоящем стандарте союз "или" будет использован как включающее "или", т.е. утверждение будет истинным при любой комбинации условий.
Глагольные формы, используемые в настоящем стандарте, соответствуют использованию, описанному в приложении H Директив ИСО/МЭК, часть 2. В настоящем стандарте термины означают:
- "должен" - соответствие требованиям или испытаниям обязательно для соответствия настоящему стандарту;
- "следует" - соответствие требованиям или испытаниям рекомендовано, но не обязательно для соответствия настоящему стандарту;
- "может" используется для описания допустимых путей достижения соответствия требованиям или испытаниям.
Знак звездочки (*) у номера пункта или подпункта раздела или заголовка таблицы указывает на то, что в приложении AA приведены соответствующие пояснения.
Перечень всех частей стандарта МЭК 60601, опубликованный под общим названием "Изделия медицинские электрические", приведен на веб-сайте МЭК.
По решению комитета содержание данной публикации должно оставаться неизменным до даты рассмотрения вопроса о пересмотре, указанной на веб-сайте МЭК по адресу http://webstore.iec.ch (см. сведения, относящиеся к конкретной публикации). После наступления этой даты публикация может быть:
- подтверждена;
- отозвана;
- заменена пересмотренным изданием; или
- принята с поправками.
Примечание - Следует обратить внимание пользователей настоящего стандарта на тот факт, что изготовителям оборудования и испытательным организациям может потребоваться переходный период после выхода новой, измененной или пересмотренной публикации МЭК, в течение которого потребуется приспособиться к выпуску изделий в соответствии с новыми требованиями и подготовить оборудование для проведения новых или измененных испытаний. Комитет рекомендует адаптировать содержание данной публикации к реализации на национальном уровне не ранее чем через три года с даты публикации.
Введение
В 1998 г. отрасль слуховых аппаратов, представленная EHIMA (Европейская ассоциация производителей слуховых аппаратов), попыталась разработать стандарт для создания эталона для изготовителей, чтобы таким образом они смогли демонстрировать соответствие требованиям Директивы 93/42/EEC "Медицинские приборы, устройства, оборудование".
Проект документа ЕН 50220 не получил поддержки CENELEC при голосовании и был опубликован под названием "Стандарт EHIMA" в июне 1998 г. с почти идентичным содержанием. EHIMA в 2009 г. сделала вывод о том, что требования указанного стандарта более не отвечают современному уровню и поэтому должен быть выпущен международный стандарт по безопасности слуховых аппаратов, который публикуется МЭК или ИСО, чтобы демонстрировать соответствие нормативным требованиям.
Настоящий частный стандарт вносит изменения и дополняет стандарты МЭК 60601-1:2005 и МЭК 60601-1:2005/AMD1:2012 (далее - общий стандарт).
Общие указания и обоснование требований настоящего частного стандарта даны в приложении AA. Считается, что знание причин таких требований не только будет способствовать надлежащему применению настоящего частного стандарта, но также должным образом ускорит любой пересмотр, обусловленный изменениями в клинической практике или в результате разработок технологии. Тем не менее приложение AA не является частью требований настоящего стандарта.
Действует пункт 1 общего стандарта <1>, за исключением следующего:
--------------------------------
<1> Общий стандарт - МЭК 60601-1:2005+A1:2012 "Изделия медицинские электрические. Часть 1. Общие требования безопасности и основные функциональные характеристики".
201.1.1 *Цель
Замена:
Настоящий стандарт относится к ОСНОВНОЙ БЕЗОПАСНОСТИ СЛУХОВЫХ АППАРАТОВ и СЛУХОВЫХ СИСТЕМ (далее - ME ИЗДЕЛИЕ или ME СИСТЕМА).
Если пункт или подпункт специально предназначается только для СЛУХОВЫХ АППАРАТОВ или только для СЛУХОВЫХ СИСТЕМ, то в наименовании или в содержании этого пункта или подпункта соответствующая информация будет приведена. Если это не так, то пункт или подпункт будет относиться и к СЛУХОВЫМ АППАРАТАМ, и к СЛУХОВЫМ СИСТЕМАМ соответственно.
ОПАСНОСТИ, скрытые в предназначенной физиологической функции СЛУХОВЫХ АППАРАТОВ или СЛУХОВЫХ СИСТЕМ в рамках настоящего стандарта, не регламентируются специальными требованиями в настоящем стандарте в 201.7.9.2 и 201.9.6.
Примечание - См. также 201.4.2 общего стандарта.
ПРИНАДЛЕЖНОСТИ для СЛУХОВЫХ АППАРАТОВ при МЕДИЦИНСКОМ ОБСЛУЖИВАНИИ ВНЕ МЕДИЦИНСКОЙ ОРГАНИЗАЦИИ (например, блоки дистанционного управления, аудиостримеры, зарядные устройства, источники питания) регламентируются наиболее применимым стандартом, МЭК 60065, МЭК 60950-1, МЭК 62368-1 или другим применимым стандартом МЭК по безопасности. Альтернативным образом может использоваться общий стандарт. В СЛУХОВЫХ АППАРАТАХ отсутствует СЕТЕВАЯ ЧАСТЬ, предназначенная для соединения с ПИТАЮЩЕЙ СЕТЬЮ переменного тока. Соединение ПИТАЮЩЕЙ СЕТИ с ПИТАЮЩЕЙ СЕТЬЮ системы СЛУХОВОГО АППАРАТА регламентируется источником питания, зарядным устройством или другими типами ПРИНАДЛЕЖНОСТЕЙ.
ПРИНАДЛЕЖНОСТИ с ФУНКЦИОНАЛЬНЫМ СОЕДИНЕНИЕМ, подсоединенные к СЛУХОВОМУ АППАРАТУ, могут образовывать СЛУХОВУЮ СИСТЕМУ. СЛУХОВОЙ АППАРАТ и соответствующие ПРИНАДЛЕЖНОСТИ, которые физически не соединены со СЛУХОВЫМ АППАРАТОМ в ходе НОРМАЛЬНОЙ ЭКСПЛУАТАЦИИ, не считаются РАБОЧЕЙ ЧАСТЬЮ, поскольку они непосредственно не способствуют ПРЕДУСМОТРЕННОМУ ПРИМЕНЕНИЮ СЛУХОВОГО АППАРАТА.
Беспроводные программные интерфейсы регламентируются применимым стандартом МЭК 60065, МЭК 60950-1, МЭК 62368-1 или другими применимыми стандартами МЭК по безопасности.
Программные интерфейсы с проводными соединениями со СЛУХОВЫМ АППАРАТОМ регламентируются общим стандартом.
Примечание - Съемные части СЛУХОВЫХ АППАРАТОВ, даже если они поставляются раздельно (например, заушные крючки, ушные вкладыши, фильтры ушной серы для слуховых аппаратов и т.п.), считаются не ПРИНАДЛЕЖНОСТЯМИ, а компонентами.
Настоящий стандарт не распространяется на:
- кохлеарные имплантаты или иные имплантированные СЛУХОВЫЕ АППАРАТЫ;
- СЛУХОВЫЕ АППАРАТЫ костной проводимости;
- образовательные СЛУХОВЫЕ АППАРАТЫ (т.е. группа СЛУХОВЫХ АППАРАТОВ, аудиальные обучающие устройства и т.п.);
- использование СЛУХОВЫХ АППАРАТОВ для измерения уровней слуха используется в МЭК 60645-1;
- неподвижно закрепленные системы индукции звуковой частоты или их компоненты, как это описано в МЭК 60118-4 и МЭК 62489-1;
- звукообразующую функцию тиннитус-маскера.
В настоящем стандарте не рассматриваются применимые испытания для намеренного высокочастотного облучения беспроводного оборудования (например, максимальная излучаемая выходная мощность, полоса частот модуляции и т.п.)
201.1.2 Цель
Замена:
Цель настоящего частного стандарта - установить конкретные требования к ОСНОВНОЙ БЕЗОПАСНОСТИ для СЛУХОВЫХ АППАРАТОВ и СЛУХОВЫХ СИСТЕМ, как это определено положениями 201.3.202 и 201.3.203.
201.1.3 * Дополнительные стандарты
Дополнение:
Настоящий частный стандарт относится к тем применимым дополнительным стандартам, которые перечислены в пункте 2 общего стандарта и пункте 201.2 настоящего частного стандарта.
МЭК 60601-1-3, МЭК 60601-1-9 и МЭК 60601-1-10 не применяются. Все другие опубликованные дополнительные стандарты серии МЭК 60601-1 применяются только после их опубликования.
201.1.4 Частные стандарты
Замена
В серии стандартов МЭК 60601 частные стандарты могут модифицировать, заменять или удалять требования, содержащиеся в общем стандарте и дополнительных стандартах, как это требуется для рассматриваемого ME ИЗДЕЛИЯ, а также могут добавлять другие требования, относящиеся к ОСНОВНОЙ БЕЗОПАСНОСТИ и ОСНОВНЫМ ФУНКЦИОНАЛЬНЫМ ХАРАКТЕРИСТИКАМ.
Требования настоящего стандарта являются приоритетными по отношению к требованиям общего стандарта.
Для краткости изложения в настоящем стандарте в качестве общего стандарта указаны МЭК 60601-1 и МЭК 60601-1:2005/AMD1:2012. На дополнительные стандарты приведена ссылка по номеру документа.
Нумерация пунктов и подпунктов настоящего стандарта соответствует нумерации общего стандарта с приставкой "201" (например, 201.1 в настоящем стандарте обращается к содержанию пункта 1 общего стандарта) или соответствующего дополнительного стандарта с приставкой "20x", где "x" - заключительная цифра или заключительные цифры номера документа дополнительного стандарта (например, 202.4 в настоящем стандарте означает содержание пункта 4 дополнительного стандарта МЭК 60601-1-2, 203.4 в настоящем стандарте указывает на содержание пункта 4 дополнительного стандарта МЭК 60601-1-3 и т.п.). Изменения в тексте общего стандарта указываются путем использования соответствующих слов:
"замена" означает, что пункт или подпункт общего стандарта или соответствующего дополнительного стандарта заменяется полностью текстом настоящего стандарта;
"дополнение" означает, что текст настоящего стандарта добавляется к требованиям общего стандарта или соответствующего дополнительного стандарта;
"изменение" означает, что пункт или подпункт общего стандарта или применимого соответствующего стандарта изменяется, как это указывает текст настоящего стандарта.
Подпункты, рисунки или таблицы, которые являются дополнительными по отношению к основному стандарту, нумеруют начиная с 201.101. Однако вследствие того факта, что определения в общем стандарте нумеруют от 3.1 до 3.139, дополнительные определения в настоящем стандарте нумеруют начиная с 201.3.201. Дополнительные приложения обозначаются буквами AA, BB и т.п., а дополнительные перечисления - aa), bb) и т.п.
Подпункты, рисунки или таблицы, которые являются дополнительными по отношению к дополнительному стандарту, нумеруют начиная с 20x, где "x" является номером дополнительного стандарта, например 202 для МЭК 60601-1-2, 203 для МЭК 60601-1-3 и т.п.
Термин "настоящий стандарт" используется для ссылки на общий стандарт, любые применимые дополнительные стандарты и настоящий частный стандарт, вместе взятые.
Когда отсутствует соответствующий пункт или подпункт в настоящем стандарте, то пункт или подпункт общего стандарта или применимого дополнительного стандарта (возможно, не актуальный) применяется без изменения; когда предусмотрено, что любая часть общего стандарта или применимого дополнительного стандарта (возможно, актуальная) не будет применяться, то в настоящем стандарте приведено соответствующее указание на это.
Примечание - Информативные ссылки перечислены в разделе "Библиография".
Применяется пункт 2 общего стандарта, за исключением:
Замена:
IEC 60601-1-2:2014, Medical electrical equipment - Part 1-2: General requirements for basic safety and essential performance - Collateral Standard: Electromagnetic disturbances - Requirements and tests (Изделия медицинские электрические. Часть 1-2. Общие требования безопасности с учетом основных функциональных характеристик. Дополнительный стандарт. Электромагнитная совместимость. Требования и испытания)
IEC 60950-1:2005, Information technology equipment - Safety - Part 1: General requirements (Оборудование информационных технологий. Безопасность. Часть 1. Общие требования)
IEC 60950-1:2005/AMD1:2009
IEC 60950-1:2005/AMD2:2013
Дополнение
IEC 60118-0:2015, Electroacoustics - Hearing aids - Part 0: Measurement of the performance characteristics of hearing aids (Электроакустика. Слуховые аппараты. Часть 0. Измерение электроакустических характеристик)
IEC 60118-13, Electroacoustics - Hearing aids - Part 13: Requirements and methods of measurement for electromagnetic immunity to mobile digital wireless devices (Электроакустика. Аппараты слуховые. Часть 13. Требования и методы измерения электромагнитной устойчивости мобильных цифровых беспроводных устройств)
IEC 60601-1:2005, Medical electrical equipment - Part 1: General requirements for basic safety and essential performance (Изделия медицинские электрические. Часть 1. Общие требования к безопасности и основные функциональные характеристики) IEC 60601-1:2005/AMD1:2012
IEC 60601-1-11:2015, Medical electrical equipment - Part 1-11: General requirements for basic safety and essential performance - Collateral Standard: Requirements for medical electrical equipment and medical electrical systems used in the home healthcare environment (Изделия медицинские электрические. Часть 1-11. Общие требования к безопасности и основные функциональные характеристики. Дополнительный стандарт. Требования к медицинским изделиям и медицинским электрическим системам, используемым в медицинском обслуживании вне медицинской организации)
IEC 62368-1:2018 Audio/video, information and communication technology equipment - Part 1: Safety requirements (Аудио-, видеоаппаратура, оборудование информационных технологий и техники связи. Часть 1. Требования безопасности)
В настоящем стандарте применены термины и определения по МЭК 60601-1:2005 и МЭК 60601-1:2005/AMD1:2012, а также следующие термины:
ИСО и МЭК осуществляют поддержку терминологических баз данных для использования в стандартизации по следующим адресам:
- электропедия МЭК: доступна на http://www.electropedia.org/
- платформа онлайн-просмотра ИСО: доступна на http://www.iso.org/obp
Примечание - Указатель терминов, которые имеют определения, приведен в конце настоящего стандарта.
201.3.73 ОПЕРАТОР (OPERATOR)
Дополнение:
Примечание 1 - Как правило, равноценно ПАЦИЕНТУ для СЛУХОВЫХ АППАРАТОВ при медицинском обслуживании вне медицинской организации.
201.3.76 ПАЦИЕНТ (PATIENT)
Замена:
Примечание 1 - В настоящем стандарте и при применении требований общего стандарта термин ПАЦИЕНТ имеет смысловое значение, указанное во втором абзаце подпункта 4.1 общего стандарта. ПАЦИЕНТ, как правило, также является ОПЕРАТОРОМ.
Термин "ПАЦИЕНТ" используется в настоящем стандарте наряду с общей терминологией в сфере медицинской продукции. Тем не менее считается, что ПОЛЬЗОВАТЕЛЬ СЛУХОВОГО АППАРАТА, как правило, не является больным человеком, а здоровым, у которого наблюдается ухудшение слуха при МЕДИЦИНСКОМ ОБСЛУЖИВАНИИ ВНЕ МЕДИЦИНСКОЙ ОРГАНИЗАЦИИ.
201.3.113 ОБСЛУЖИВАЮЩИЙ ПЕРСОНАЛ (SERVICE PERSONNEL)
Замена:
Отдельные лица или организация, которые собирают, обслуживают или ремонтируют СЛУХОВЫЕ АППАРАТЫ или СЛУХОВЫЕ СИСТЕМЫ.
201.3.132 РАБОЧАЯ ЧАСТЬ ТИПА B (TYPE B APPLIED PART)
Замена:
РАБОЧАЯ ЧАСТЬ, которая соответствует указанным требованиям настоящего стандарта по обеспечению защиты от поражения электрическим током, особенно в отношении допустимого ТОКА УТЕЧКИ ПАЦИЕНТА и ДОПОЛНИТЕЛЬНОГО ТОКА В ЦЕПИ ПАЦИЕНТА.
Дополнение:
201.3.201 СПЕЦИАЛИСТ ПО СЛУХОВЫМ АППАРАТАМ (HEARING AID PROFESSIONAL): Сурдолог или сурдоакустик, профессионально оценивающий слух, подбирающий, настраивающий и поставляющий (продающий, выдающий) системы СЛУХОВЫХ АППАРАТОВ, а также оказывающий услуги реабилитации лицам с ухудшением слуха.
201.3.202 СЛУХОВОЙ АППАРАТ (HEARING INSTRUMENT; HEARING AID): ME ИЗДЕЛИЕ, улавливающее звук и передающее на ухо обработанный звук посредством воздушной проводимости.
Примечание 1 - СЛУХОВОЙ АППАРАТ включает все съемные части, необходимые для его ПРЕДУСМОТРЕННОГО ПРИМЕНЕНИЯ.
201.3.203 СЛУХОВАЯ СИСТЕМА (HEARING SYSTEM; HEARING AID SYSTEM): Определенное ИЗГОТОВИТЕЛЕМ сочетание единиц оборудования, из которых, по крайней мере, одна из единиц является СЛУХОВЫМ АППАРАТОМ, подлежащим связи посредством ФУНКЦИОНАЛЬНОГО СОЕДИНЕНИЯ.
201.3.204 УРОВЕНЬ ЗВУКОВОГО ДАВЛЕНИЯ; УЗД (SOUND PRESSURE LEVEL, LP): Десять, умноженное на десятичный логарифм отношения квадрата звукового давления, p, к квадрату эталонного значения, p0, выраженное в децибелах:
,
где эталонное значение, p0, составляет 20 мкПа.
Примечание 1 - p2 всегда воспринимается для обозначения квадрата частотно-взвешенного, ограниченного по полосе частот или взвешенного по времени звукового давления.
Если используются специальные взвешивания частоты и времени, как это указано в МЭК 61672-1, и/или специальные полосы частот, то это должно быть показано соответствующими подстрочными индексами; например, LP,AF обозначает взвешенный по кривой A уровень звукового давления со взвешиванием времени F.
Примечание 2 - Это определение с технической точки зрения соответствует ИСО 80000-8:2007, 8-22.
Примечание 3 - Примечание к определению в отношении происхождения английской аббревиатуры "УЗД" касается только текста на французском.
Примечание 4 - Любой УРОВЕНЬ ЗВУКОВОГО ДАВЛЕНИЯ, указанный в настоящем стандарте, измерен в децибелах (дБ), как это описано в МЭК 60118-0, за счет использования соединителя согласно МЭК 60318-5.
[ISO/TR 25417:2007, 2.2, с изменениями - добавлены аббревиатура "УЗД" и примечания 3 и 4 к определению]
201.3.205 МАКСИМАЛЬНЫЙ ВЫХОДНОЙ УРОВЕНЬ ЗВУКОВОГО ДАВЛЕНИЯ (MAXIMUM OUTPUT SOUND PRESSURE LEVEL, MAXIMUM OSPL 90): Максимальный выходной УЗД СЛУХОВОГО АППАРАТА при измерении с полными настройками (full-on setting) и входным УЗД90 дБ, как это определено в МЭК 60118-0.
201.3.206 ПОДОГНАННЫЙ МАКСИМАЛЬНЫЙ ВЫХОДНОЙ УРОВЕНЬ ЗВУКОВОГО ДАВЛЕНИЯ (FITTED MAXIMUM OUTPUT SOUND PRESSURE LEVEL, FITTED OSPL 90): Максимальный выходной УЗД СЛУХОВОГО АППАРАТА при измерении после подгонки и со входным УЗД90 дБ.
Примечание 1 - Поскольку параметры СЛУХОВОГО АППАРАТА не являются полными, подогнанный УЗД равен или ниже МАКСИМАЛЬНОГО УЗД90. Обычно ПОДОГНАННЫЙ УЗД90 достигается путем выбора СЛУХОВОГО АППАРАТА с соответствующим МАКСИМАЛЬНЫМ УЗД90 и точной настройкой максимального выхода.
Применяется пункт 4 общего стандарта, за исключением:
201.4.1 Условия применения требований к ME ИЗДЕЛИЮ или ME СИСТЕМЕ
Замена:
Если не указано иное, то требования настоящего стандарта должны применяться при НОРМАЛЬНОЙ ЭКСПЛУАТАЦИИ и обоснованно прогнозируемом неправильном применении.
При использовании настоящего стандарта в отношении СЛУХОВЫХ АППАРАТОВ или СЛУХОВЫХ СИСТЕМ определения и требования, в которых используется термин ПАЦИЕНТ, должны рассматриваться как применяемые в отношении лица, для которого предназначены СЛУХОВОЙ АППАРАТ или СЛУХОВАЯ СИСТЕМА.
201.4.3 ОСНОВНЫЕ ФУНКЦИОНАЛЬНЫЕ ХАРАКТЕРИСТИКИ
Замена:
См. приложение CC.
201.4.6 Части ME ИЗДЕЛИЯ или ME СИСТЕМЫ, находящиеся в контакте с ПАЦИЕНТОМ
4.6 общего стандарта не применяется.
201.4.10 Электропитание
4.10 общего стандарта не применяется.
201.4.11 Потребляемая мощность
4.11 общего стандарта не применяется.
Применяется пункт 5 общего стандарта, за исключением следующего:
201.5.2 Число образцов для испытаний
Замена:
ТИПОВЫЕ ИСПЫТАНИЯ выполняются на представительном образце испытуемого изделия. Если анализируются несколько продуктов, имеющих аналогичную механическую и электрическую архитектуру, то в результате инженерного анализа ИЗГОТОВИТЕЛЯ может быть обосновано применение только одного представительного образца из всего семейства продуктов.
201.5.3 Температура окружающей среды, влажность, атмосферное давление
Замена:
После настройки СЛУХОВОГО АППАРАТА или СЛУХОВОЙ СИСТЕМЫ (которые будут испытываться) для НОРМАЛЬНОЙ ЭКСПЛУАТАЦИИ испытания выполняют в диапазоне условий окружающей среды, указанной в техническом описании, как это предусмотрено ИЗГОТОВИТЕЛЕМ.
201.5.4 Прочие условия испытаний
Дополнение:
aa) Условия создания товарных запасов указываются ИЗГОТОВИТЕЛЕМ.
bb) Условия транспортирования СЛУХОВОГО АППАРАТА указываются ИЗГОТОВИТЕЛЕМ.
201.5.5 Питающее напряжение, род тока, вид питания, частота
Замена:
a) Когда на результаты испытаний влияют отклонения питающего напряжения от номинального значения, то влияние таких отклонений следует учитывать.
b) СЛУХОВЫЕ АППАРАТЫ и СЛУХОВЫЕ СИСТЕМЫ, предназначенные для нескольких значений номинального напряжения, следует испытывать в условиях наименее благоприятного напряжения и характера питания.
c) СЛУХОВЫЕ АППАРАТЫ, к которым могут подсоединяться альтернативные ПРИНАДЛЕЖНОСТИ или съемные части, как это указано в ЭКСПЛУАТАЦИОННЫХ ДОКУМЕНТАХ, следует испытывать с указанными ПРИНАДЛЕЖНОСТЯМИ или съемными частями, создающими менее благоприятные условия.
d) Если в инструкциях по эксплуатации указывается, что СЛУХОВОЙ АППАРАТ или СЛУХОВАЯ СИСТЕМА предназначены для получения электропитания от отдельного источника, то они должны подсоединяться к такому источнику электропитания.
201.5.7 Предварительное воздействие влагой
Замена:
Когда климатические условия могут влиять на безопасность СЛУХОВОГО АППАРАТА или СЛУХОВОЙ СИСТЕМЫ, или их частей, то они должны быть подвергнуты предварительному воздействию влагой до проведения испытаний согласно 201.8.7.4.
СЛУХОВЫЕ АППАРАТЫ и СЛУХОВЫЕ СИСТЕМЫ или их части должны быть подготовлены полностью (или частично, где это необходимо). Крышки, используемые в процессе транспортирования и хранения, должны сниматься.
Части, снимаемые без использования инструментов, должны быть сняты, но должны испытываться вместе с основной частью.
СМОТРОВЫЕ КРЫШКИ, которые могут открываться или сниматься без использования инструментов, должны быть открыты или сняты.
Предварительное воздействие влагой должно выполняться в камере влажности, в которой содержится воздух с относительной влажностью 93% ± 3% в то время, когда в ней содержится испытуемое ME ИЗДЕЛИЕ или его части. Влажность в других местах камеры может варьироваться в пределах ± 6%. Температура воздуха в камере во всех местах, где могут размещаться СЛУХОВЫЕ АППАРАТЫ и СЛУХОВЫЕ СИСТЕМЫ, должна поддерживаться в пределах 2 °C от любого удобного значения T в диапазоне 20 °C - 30 °C. Перед тем как СЛУХОВЫЕ АППАРАТЫ и СЛУХОВЫЕ СИСТЕМЫ поместить в камеру влажности, их хранят при температуре между T и T + 4 °C, и эта температура поддерживается не менее 4 ч, пока не начнется воздействие влагой.
СЛУХОВЫЕ АППАРАТЫ и СЛУХОВЫЕ СИСТЕМЫ и их части следует хранить в камере влажности в случае, когда КОРПУС классифицируется как IPX0, не менее 48 ч.
СЛУХОВЫЕ АППАРАТЫ и СЛУХОВЫЕ СИСТЕМЫ и их части следует хранить в камере влажности в случае, когда КОРПУС предназначен обеспечивать более высокую защиту от проникновения жидкостей, в течение 168 ч.
201.5.9 Определение РАБОЧИХ ЧАСТЕЙ и ДОСТУПНЫХ ЧАСТЕЙ
201.5.9.1 *РАБОЧИЕ ЧАСТИ
Дополнение:
СЛУХОВОЙ АППАРАТ является РАБОЧЕЙ ЧАСТЬЮ ТИПА B в СЛУХОВОЙ СИСТЕМЕ. Если какие-либо другие части будут касаться ПАЦИЕНТА, то эти части также будут РАБОЧИМИ ЧАСТЯМИ ТИПА B.
201.5.9.2 ДОСТУПНЫЕ ЧАСТИ
201.5.9.2.1 Испытательный палец
Дополнение:
Испытания, как это описано в общем стандарте, дополнительно выполняют с небольшим испытательным пальцем, показанным на рисунке 1 МЭК 60601-1-11:2015.
Применяется пункт 6 общего стандарта, за исключением следующего:
201.6.2 Защита от поражения электрическим током
Замена:
СЛУХОВЫЕ АППАРАТЫ имеют ВНУТРЕННИЙ ИСТОЧНИК ПИТАНИЯ, но могут иметь соединения с оборудованием с питанием от сети. Изоляция между ПИТАЮЩЕЙ СЕТЬЮ и СЛУХОВЫМ АППАРАТОМ должна быть обеспечена в рамках электропитания, зарядного устройства или другого типа ПРИНАДЛЕЖНОСТИ.
СЛУХОВОЙ АППАРАТ классифицируется как РАБОЧАЯ ЧАСТЬ ТИПА B.
201.6.3 Защита от вредного проникания воды или твердых частиц
Замена:
См. 201.11.6.5.
201.6.6 Режим работы
Замена:
СЛУХОВЫЕ АППАРАТЫ классифицируются как изделия для ПРОДОЛЖИТЕЛЬНОГО РЕЖИМА РАБОТЫ.
Применяется пункт 7 общего стандарта, за исключением следующего:
201.7.1 Общие положения
201.7.1.1 Эксплуатационная пригодность идентификации, маркировки и документации
Замена:
ИЗГОТОВИТЕЛЬ должен рассмотреть в ПРОЦЕССЕ МЕНЕДЖМЕНТА РИСКА РИСК слабой ЭКСПЛУАТАЦИОННОЙ ПРИГОДНОСТИ, связанный с проектированием идентификации, маркировки и документации СЛУХОВЫХ АППАРАТОВ.
ЭКСПЛУАТАЦИОННАЯ ПРИГОДНОСТЬ идентификации, маркировки и ЭКСПЛУАТАЦИОННЫХ ДОКУМЕНТОВ, предназначенных для ПАЦИЕНТА, должна оцениваться на основе профиля ПАЦИЕНТА, подразумевающего наличие базового школьного образования.
Конструкция СЛУХОВЫХ АППАРАТОВ должна быть простой в использовании, чтобы не было необходимости обращаться к сложным ЭКСПЛУАТАЦИОННЫМ ДОКУМЕНТАМ.
Соответствие проверяется изучением результатов ПРОЦЕССА МЕНЕДЖМЕНТА РИСКА.
201.7.1.2 Различимость маркировки
Замена:
Маркировка, предусмотренная 7.2 и 7.3, должна быть четко различимой в следующих условиях:
- знаки безопасности и идентификация на СЛУХОВОМ АППАРАТЕ, за исключением серийного номера, должны быть четко различимы, когда он помещается в руку ПАЦИЕНТА;
- серийный номер и любая маркировка должны быть различимыми с помощью оптических средств, если это необходимо.
201.7.2 Маркировка на наружных поверхностях ME ИЗДЕЛИЯ или частей ME ИЗДЕЛИЯ
201.7.2.1 Минимальные требования к маркировке СЛУХОВЫХ АППАРАТОВ
Замена:
Если размер СЛУХОВОГО АППАРАТА не позволяет нанесение всех маркировок, указанных в 7.2, маркировки должны быть изображены в полном объеме в ЭКСПЛУАТАЦИОННЫХ ДОКУМЕНТАХ.
201.7.2.2 Идентификация
Замена:
На СЛУХОВЫЕ АППАРАТЫ на наружной поверхности должна наноситься маркировка с указанием:
- наименования или товарного знака ИЗГОТОВИТЕЛЯ;
- МОДЕЛИ или ТИПА.
СЛУХОВЫЕ АППАРАТЫ должны быть визуально промаркированы на наружной поверхности или в другом доступном месте:
- путем идентификации правой и левой сторон СЛУХОВОГО АППАРАТА, если только отсутствие такой маркировки не представляет собой недопустимого РИСКА. Правая сторона обозначается красным цветом. Левая сторона обозначается голубым цветом;
- серийный номер.
В случае внутриушных аппаратов маркировка на аппарате может быть сокращена до серийного номера и идентификации правой/левой стороны. Если это невозможно, то вся применимая маркировка может наноситься на упаковку каждого устройства.
СЛУХОВЫЕ АППАРАТЫ должны иметь видимую маркировку на наружной стороне или стороне, доступной для другого пользователя или на упаковке, где указывается:
- год выпуска.
Серийный номер, идентификатор партии и год выпуска могут быть даны в виде человекочитаемого кода или посредством технологии автоматической идентификации, такой как штрихкоды, или RFID (радиочастотной идентификации).
Примечание - См. ИСО 15223-1 в отношении символов ИЗГОТОВИТЕЛЯ, серийного номера, партии, года выпуска и срока годности.
201.7.2.5 Маркировка ME ИЗДЕЛИЯ, предназначенного для питания от другого изделия
7.2.5 общего стандарта не применяется.
201.7.2.6 Соединение с ПИТАЮЩЕЙ СЕТЬЮ
7.2.6 общего стандарта не применяется.
201.7.2.7 Потребляемая от ПИТАЮЩЕЙ СЕТИ мощность
7.2.7 общего стандарта не применяется.
201.7.2.8 Выходные соединители
7.2.8 общего стандарта не применяется.
201.7.2.10 Рабочие части
7.2.10 общего стандарта не применяется.
201.7.2.17 Защитная упаковка
Замена:
Если должны быть предприняты специальные меры при транспортировании или хранении, то упаковка маркируется соответствующим образом.
201.7.8.1 *Цвета световых индикаторов
Замена:
Цвета световых индикаторов и их смысл следует указывать в инструкции по эксплуатации.
Соответствие требованиям проверяется осмотром.
201.7.9 ЭКСПЛУАТАЦИОННЫЕ ДОКУМЕНТЫ
201.7.9.1 Общие положения
Замена:
СЛУХОВЫЕ АППАРАТЫ дополняются документами, в которых содержатся, по крайней мере, инструкция по эксплуатации и техническое описание. Техническое описание может быть включено в тот же документ, как и инструкция по эксплуатации. ЭКСПЛУАТАЦИОННЫЕ ДОКУМЕНТЫ должны считаться частью СЛУХОВОГО АППАРАТА.
ЭКСПЛУАТАЦИОННЫЕ ДОКУМЕНТЫ должны идентифицировать СЛУХОВОЙ АППАРАТ путем включения следующего:
- наименования или торговой марки ИЗГОТОВИТЕЛЯ, на которую может ссылаться ПАЦИЕНТ;
- МОДЕЛИ или ТИПА;
- для СЛУХОВЫХ АППАРАТОВ, способных обеспечивать УЗД, превышающий 132 дБ: предупреждение для профессионального ОПЕРАТОРА, выполняющего примерку СЛУХОВОГО АППАРАТА, т.к. существует РИСК ухудшить оставшийся слух ПАЦИЕНТА;
ЭКСПЛУАТАЦИОННЫЕ ДОКУМЕНТЫ могут предоставляться в электронном виде, например в виде электронного файла на диске CD.
Если ЭКСПЛУАТАЦИОННЫЕ ДОКУМЕНТЫ предоставляются в электронном виде, то ПРОЦЕСС ПРОЕКТИРОВАНИЯ ЭКСПЛУАТАЦИОННОЙ ПРИГОДНОСТИ должен включать анализ того, какая информация также должна предоставляться и на бумажном носителе.
ЭКСПЛУАТАЦИОННЫЕ ДОКУМЕНТЫ должны быть составлены на уровне, который согласуется с образованием, обучением и любыми специальными потребностями лиц(а), для которых они предназначены.
Соответствие проверяется изучением ЭКСПЛУАТАЦИОННЫХ ДОКУМЕНТОВ, а когда предоставляется в электронном виде - так, как это указано в МЭК 60601-1-6.
201.7.9.2 Инструкции по эксплуатации
201.7.9.2.1 Общие положения
Замена:
В инструкциях по эксплуатации должны быть указаны:
- наименование или товарный знак и адрес ИЗГОТОВИТЕЛЯ;
- МОДЕЛЬ или ТИП;
- предназначение ПРЕДУСМОТРЕННОГО ПРИМЕНЕНИЯ СЛУХОВОГО АППАРАТА;
- функции органов управления;
- любые выявленные побочные эффекты, связанные с использованием СЛУХОВОГО АППАРАТА, которые предусматривают консультацию с лечащим врачом, например накапливание ушной серы.
Инструкции по эксплуатации должны быть составлены на языке, приемлемом для предназначенного ПАЦИЕНТА.
Инструкции по эксплуатации должны включать:
- легкопонимаемые диаграммы, иллюстрации или фотографии полностью собранного и готового к работе СЛУХОВОГО АППАРАТА, включая все органы управления, сигналы визуальной информации и индикаторы;
- легкопонимаемые диаграммы, иллюстрации или фотографии, показывающие правильное подсоединение ПАЦИЕНТА к СЛУХОВОМУ АППАРАТУ, ПРИНАДЛЕЖНОСТЯМ и другому оборудованию;
- любые ограничения по местоположениям или окружающим условиям, в которых может использоваться СЛУХОВОЙ АППАРАТ;
- рекомендацию ПАЦИЕНТУ обратиться к ИЗГОТОВИТЕЛЮ или представителю ИЗГОТОВИТЕЛЯ:
- для оказания помощи (при необходимости) по настройке, применению или обслуживанию СЛУХОВОГО АППАРАТА или СЛУХОВОЙ СИСТЕМЫ или
- сообщения о неожиданной работе или событиях.
Инструкции по эксплуатации должны включать описание и иллюстрацию того, как заменить и/или зарядить аккумуляторные батареи.
201.7.9.2.2 Предупреждения и указания по безопасности
Замена:
В инструкциях по эксплуатации должны быть включены все предупреждения и указания по безопасности.
Общие предупреждения и указания по безопасности должны располагаться в специальном разделе инструкций по эксплуатации. Предупреждения или указания по безопасности, которые относятся только к специальной инструкции или действию, должны предшествовать инструкции, к которой они относятся.
Где это уместно, инструкции по эксплуатации должны содержать:
- для СЛУХОВЫХ АППАРАТОВ, используемых в педиатрической практике: предупреждение о хранении небольших частей (СЛУХОВЫХ АППАРАТОВ, батарей и съемных частей), которые можно проглотить, в месте, не доступном для детей;
- для СЛУХОВЫХ АППАРАТОВ, не соответствующих требованиям, предъявляемым к взрывоопасной атмосфере или атмосфере с высоким содержанием кислорода: предупреждение не использовать СЛУХОВОЙ АППАРАТ в таких местах;
- предупреждение о том, что конкретный СЛУХОВОЙ АППАРАТ должен использоваться только предназначенным лицом, а не другими лицами;
- для СЛУХОВЫХ АППАРАТОВ с беспроводной передачей: предупреждение о проверке перед использованием СЛУХОВОГО АППАРАТА в местах, где электронные или беспроводные устройства запрещены;
- положение, в котором необходимо заявить об особых потребностях конкретных групп ПАЦИЕНТОВ, например маленьких детей или лиц с нарушениями психики;
- предупреждение об общих условиях, которые могут повредить СЛУХОВОЙ АППАРАТ, таких как падение, погружение в жидкость, сильные электромагнитные поля или чрезмерный нагрев;
- другие предупреждения, которые могут быть выявлены в результате оценки риска, например предупреждение о том, что части могут остаться в ухе и что нужно делать в этом случае;
- допустимые условия окружающей среды при транспортировании и хранении СЛУХОВОГО АППАРАТА, после того, как он будет вынут из защитной упаковки, а потом - между использованиями;
- для каждого предупреждения и знака безопасности - характер ОПАСНОСТИ, вероятные последствия при несоблюдении рекомендаций и меры предосторожности для уменьшения РИСКА.
Предупреждение для СПЕЦИАЛИСТА ПО СЛУХОВЫМ АППАРАТАМ:
Для СЛУХОВЫХ АППАРАТОВ с УЗД 132 дБ или выше МАКСИМАЛЬНЫЙ ВЫХОДНОЙ УЗД90;
Развиваемый УЗД в ушах детей может быть существенно выше, чем в среднем у взрослых. Рекомендуется измерить реальный перепад звукового давления между ухом и акустической камерой и скорректировать целевой или подогнанный УЗД90.
201.7.9.2.4 Источник электропитания
Замена:
Если утечка из аккумуляторной батареи приводит к формированию недопустимого РИСКА, то в инструкции по эксплуатации должно включаться предупреждение о вынимании батареи, чтобы этого не допустить.
В случае использования несъемных аккумуляторных батарей ИЗГОТОВИТЕЛЬ должен проинформировать ПАЦИЕНТА в руководстве для пользователя согласно ФАЙЛУ МЕНЕДЖМЕНТА РИСКА.
201.7.9.2.5 Описание ME ИЗДЕЛИЯ
Замена:
Инструкции по эксплуатации должны включать:
- краткое описание СЛУХОВОГО АППАРАТА;
- принципы работы СЛУХОВОГО АППАРАТА.
Если СЛУХОВОЙ АППАРАТ может быть подключен к внешним устройствам, в инструкции по эксплуатации должно быть предупреждение о подсоединении только к оборудованию, которое соответствует требованиям соответствующих международных стандартов по безопасности.
201.7.9.2.9 Порядок работы
Замена:
В инструкции по эксплуатации должна быть представлена вся информация, необходимая для функционирования СЛУХОВОГО АППАРАТА согласно его техническим условиям. Она должна включать разъяснение функций органов управления, отсека для аккумуляторных батарей и сигналов, а также подсоединение и отсоединение частей и ПРИНАДЛЕЖНОСТЕЙ, выполняемые ПОЛЬЗОВАТЕЛЕМ.
В инструкции по эксплуатации должны быть объяснены обозначения индикатора левой и правой стороны, предупреждения, аббревиатуры и световая индикация на СЛУХОВОМ АППАРАТЕ.
201.7.9.2.12 Очистка, дезинфекция и стерилизация
Замена:
В инструкции по эксплуатации должна быть представлена информация об очистке и техобслуживании СЛУХОВОГО АППАРАТА, когда это применимо:
- процедура промывки ушного вкладыша;
- замена трубок, фильтров и других заменяемых частей;
- хранение СЛУХОВОГО АППАРАТА;
- специальное адекватное техобслуживание для перезаряжаемых батарей;
- информация о том, как и где осуществить ремонт.
201.7.9.2.14 ПРИНАДЛЕЖНОСТИ, вспомогательные изделия, используемые материалы
Замена:
В инструкцию по эксплуатации должен быть включен перечень деталей, снимаемых и заменяемых пользователем, а также ПРИНАДЛЕЖНОСТЕЙ.
Если СЛУХОВОЙ АППАРАТ является перезаряжаемым, то в инструкции по эксплуатации должно быть в достаточной мере указано оборудование для перезарядки с целью обеспечения соответствия требованиям настоящего стандарта.
201.7.9.2.15 Защита окружающей среды
Замена:
В инструкции по эксплуатации должна быть представлена информация о том:
- как утилизировать аккумуляторные батареи;
- как утилизировать СЛУХОВОЙ АППАРАТ;
- как утилизировать любую часть, которая может создать РИСК, связанный с утилизацией.
201.7.9.2.16 Ссылка на техническое описание
Замена:
В инструкциях по эксплуатации должна содержаться информация, указанная в 201.7.9.3, или ссылка, где информация, указанная в 201.7.9.3, приведена (например, в руководстве по обслуживанию).
Соответствие с требованиями 201.7.9.2 проверяется изучением инструкций по эксплуатации на языке, пригодном для предназначенного ПАЦИЕНТА.
201.7.9.3 Техническое описание
201.7.9.3.1 Общие положения
Замена:
В техническом описании должны быть представлены все данные, которые необходимы для безопасной работы, транспортирования и хранения.
Для профессионального ОПЕРАТОРА, занимающегося примеркой СЛУХОВОГО АППАРАТА, должен быть доступен листок справочных технических данных. Листок технических данных должен включать:
- краткое описание важных физических и эксплуатационных характеристик СЛУХОВОГО АППАРАТА;
- технические характеристики согласно МЭК 60118-0;
- уникальный идентификатор версии, такой как его дата выпуска;
- предупреждение, в котором рассматриваются ОПАСНОСТИ, которые могут возникнуть в результате неразрешенной модификации СЛУХОВЫХ АППАРАТОВ, например сообщение:
- "ВНИМАНИЕ: Модификация этого изделия не разрешается";
- "ВНИМАНИЕ: Не модифицировать данное оборудование без разрешения ИЗГОТОВИТЕЛЯ";
- "ВНИМАНИЕ: В случае модификации данного оборудования необходимо провести соответствующую инспекцию и испытания, чтобы обеспечить продолжение безопасной эксплуатации данного изделия".
Применяется пункт 8 общего стандарта, за исключением:
201.8.1 Основные принципы защиты от поражения электрическим током
Замена:
a) СЛУХОВЫЕ АППАРАТЫ считаются безопасными, если питание осуществляется от внутреннего источника питания.
b) СЛУХОВЫЕ АППАРАТЫ с внешними подсоединениями к МЕДИЦИНСКИМ ЭЛЕКТРИЧЕСКИМ ИЗДЕЛИЯМ согласно МЭК 60601-1, а также соответствующие частным стандартам, считаются безопасными.
c) СЛУХОВЫЕ АППАРАТЫ, которые нормально эксплуатируются при МЕДИЦИНСКОМ ОБСЛУЖИВАНИИ ВНЕ МЕДИЦИНСКОЙ ОРГАНИЗАЦИИ, считаются безопасными, когда их подсоединяют к электрическим изделиям согласно МЭК 60065, МЭК 60950-1, МЭК 62368-1 или другим стандартам МЭК по безопасности.
Ограничения, указанные в 201.8.4.2, не должны быть превышены в отношении ДОСТУПНЫХ ЧАСТЕЙ и РАБОЧИХ ЧАСТЕЙ в НОРМАЛЬНОМ СОСТОЯНИИ.
201.8.2.1 Присоединение к отдельному источнику питания
Замена:
Если СЛУХОВОЙ АППАРАТ предназначен для питания от отдельного источника питания, иного, чем ПИТАЮЩАЯ СЕТЬ, то отдельный источник питания должен соответствовать требованиям соответствующих стандартов МЭК 60065, МЭК 60950-1, МЭК 62368-1 или других стандартов МЭК по безопасности.
Если указывается конкретный отдельный источник питания, то должны выполняться соответствующие испытания с подсоединенным к нему СЛУХОВЫМ АППАРАТОМ. Если указывается общий отдельный источник питания, то должна быть проверена спецификация в ЭКСПЛУАТАЦИОННЫХ ДОКУМЕНТАХ.
201.8.3 Классификация РАБОЧИХ ЧАСТЕЙ
Замена:
СЛУХОВОЙ АППАРАТ классифицируется как РАБОЧАЯ ЧАСТЬ ТИПА B.
201.8.4.2 ДОСТУПНЫЕ ЧАСТИ и РАБОЧИЕ ЧАСТИ
Замена:
a) Применяются требования к ДОПОЛНИТЕЛЬНОМУ ТОКУ В ЦЕПИ ПАЦИЕНТА общего стандарта. Доступные контакты СЛУХОВЫХ АППАРАТОВ с питанием от ВНУТРЕННЕГО ИСТОЧНИКА, рассчитанные на напряжение 1,6 В постоянного тока или менее, не подпадают под эти требования до тех пор, пока постоянный ток, протекающий в реалистичной наихудшей конфигурации между этими контактами, не превышает 10 мкА, а оценка риска охватывает конкретную конструкцию и ее применение.
b) СЛУХОВЫЕ АППАРАТЫ, подсоединенные к электрическим изделиям, которые соответствуют стандартам, иным, чем МЭК 60601, должны отвечать требованиям ТОКА УТЕЧКИ, описанным в 201.8.7.
201.8.5 Разделение частей
Замена
См. 201.8.1.
201.8.7 ТОКИ УТЕЧКИ и ДОПОЛНИТЕЛЬНЫЕ ТОКИ В ЦЕПИ ПАЦИЕНТА
201.8.7.1 Общие требования
Замена:
a) Электрическая изоляция, обеспечивающая защиту от поражения электрическим током, должна быть такого качества, чтобы токи, протекающие через нее, были ограничены значениями, указанными в 201.8.7.3.
b) Указанные значения этого ТОКА УТЕЧКИ применяются при любом сочетании следующих условий:
- при рабочей температуре и после предварительного воздействия влагой, как описано в 201.5.7;
- в НОРМАЛЬНОМ СОСТОЯНИИ;
- со СЛУХОВЫМ АППАРАТОМ с подключенным питанием в режиме ожидания и в полностью работоспособном состоянии.
201.8.7.2 УСЛОВИЯ ЕДИНИЧНОГО НАРУШЕНИЯ
8.7.2 общего стандарта не применяется.
201.8.7.3 Допустимые значения
Замена:
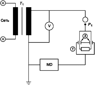
Допустимое значение ТОКА УТЕЧКИ НА ПАЦИЕНТА составляет 100 мкА среднеквадратического значения. Это значение применяется к току, протекающему через сеть на рисунке 12 общего стандарта и измеренному, как это показано на рисунке 201.101. Номинальное выходное напряжение разделительного трансформатора составляет 275 В переменного тока при частоте 50 Гц или 60 Гц.

1 - КОРПУС СЛУХОВОГО АППАРАТА; 3 - ЧАСТЬ СИГНАЛЬНОГО ВХОДА/ВЫХОДА, короткозамкнутая или нагруженная; P1 – внешнее соединение; T1 - одно- или многофазные разделительные трансформаторы с достаточным классом мощности и регулируемым выходным напряжением (см. также пояснение к 8.7.4.2 общего стандарта); V - среднеквадратичное значение показания вольтметра при использовании, если уместно и возможно, одного измерительного прибора с электрокоммутационным устройством; MD - измерительное устройство (см. рисунок 12 общего стандарта).
Рисунок 201.101 - Схема измерения ТОКА УТЕЧКИ (см. 201.8.7.4.7)
201.8.7.4 Измерения
201.8.7.4.1 Общие положения
Замена:
ТОК УТЕЧКИ ПАЦИЕНТА должен быть измерен после приведения СЛУХОВОГО АППАРАТА к рабочей температуре.
201.8.7.4.6 Измерение ТОКА УТЕЧКИ НА ДОСТУПНУЮ ЧАСТЬ
Замена:
Данный подпункт соответствует требованиям 201.8.7.4.7.
201.8.7.4.7 Измерение ТОКА УТЕЧКИ ПАЦИЕНТА
Замена:
СЛУХОВОЙ АППАРАТ испытывают согласно рисунку 201.101 при 110% от наивысшего напряжения ПИТАЮЩЕЙ СЕТИ, используя соответствующую измерительную схему.
Для СЛУХОВЫХ АППАРАТОВ, у которых КОРПУС или часть КОРПУСА изготовлены из изоляционного материала, контакт с корпусом осуществляется путем применения металлической фольги с максимальным размером 20 см x 10 см, используемой в тесном контакте с КОРПУСОМ или соответствующей частью КОРПУСА.
Если возможно, то металлическая фольга может регулироваться, чтобы позволить определить наивысшее значение ТОКА УТЕЧКИ ПАЦИЕНТА.
Металлические части КОРПУСА могут быть закрыты частично или полностью металлической фольгой.
Данное испытание не нужно проводить, если можно продемонстрировать, что имеется адекватное разделение частей.
201.8.7.4.8 Измерение ДОПОЛНИТЕЛЬНОГО ТОКА В ЦЕПИ ПАЦИЕНТА
Дополнение:
Доступные контакты СЛУХОВЫХ АППАРАТОВ, с питанием от ВНУТРЕННЕГО ИСТОЧНИКА, рассчитанные на максимальное напряжение батареи постоянного тока, не подпадают под эти требования до тех пор, пока постоянный ток, протекающий между этими контактами в случае реализации наихудшего сценария, не превышает 10 мкА, а оценка РИСКА охватывает конкретную конструкцию и ее применение.
201.8.8 Изоляция
Замена:
Испытание согласно 8.7 следует проводить после испытания на падение 201.15.3.4.
201.8.9 ПУТИ УТЕЧКИ и ВОЗДУШНЫЕ ЗАЗОРЫ
8.9 общего стандарта не применяется.
201.8.10 Компоненты и проводные соединения
8.10 общего стандарта не применяется.
201.8.11 СЕТЕВЫЕ ЧАСТИ, компоненты и монтаж
8.11 общего стандарта не применяется.
Применяется пункт 9 общего стандарта, за исключением следующего:
201.9.1 Механические ОПАСНОСТИ ME ИЗДЕЛИЯ
Замена:
Обычно СЛУХОВЫЕ АППАРАТЫ с ПРИНАДЛЕЖНОСТЯМИ не представляют МЕХАНИЧЕСКИХ ОПАСНОСТЕЙ. В таблице 201.101 перечислены ОПАСНОСТИ, которые нужно учитывать.
|
МЕХАНИЧЕСКАЯ ОПАСНОСТЬ |
Регламентируется подпунктом |
|
Острые кромки |
201.9.3 |
|
Акустическая энергия |
201.9.6 |
|
Запутывания |
201.9.101 |
|
Части, остающиеся в ушном канале |
201.9.102 |
201.9.2 Механические ОПАСНОСТИ, связанные с движущимися частями
9.2 общего стандарта не применяется.
201.9.3 Механические ОПАСНОСТИ, связанные с поверхностями, углами и кромками
Замена:
Шероховатые поверхности, острые углы и кромки СЛУХОВЫХ АППАРАТОВ и СЛУХОВЫХ СИСТЕМ, которые могут вызвать травму или повреждение, должны быть устранены или прикрыты.
В частности, необходимо обратить внимание на наружные кромки, крышки отсеков для аккумуляторных батарей и соединительные фланцы.
Соответствие проверяется осмотром СЛУХОВОГО АППАРАТА или СЛУХОВОЙ СИСТЕМЫ.
201.9.4 ОПАСНОСТИ, связанные с неустойчивостью
9.4 общего стандарта не применяется.
201.9.5 ОПАСНОСТЬ, создаваемая выбрасываемыми частями
9.5 общего стандарта не применяется.
201.9.6 *Акустическая энергия (включая инфра- и ультразвук) и вибрация
Замена:
СЛУХОВЫЕ АППАРАТЫ следует конструировать так, чтобы пользователи не были непреднамеренно подвергнуты воздействию ПОДОГНАННОГО ВЫХОДНОГО УЗД90 в НОРМАЛЬНОМ СОСТОЯНИИ.
Повышение приемлемого уровня в СОСТОЯНИИ ЕДИНИЧНОГО НАРУШЕНИЯ должно оцениваться в ФАЙЛЕ МЕНЕДЖМЕНТА РИСКА.
ПОДОГНАННОЕ ВЫХОДНОЕ УЗД90 должно быть указано либо на СЛУХОВОМ АППАРАТЕ или подгоночном программном обеспечении, либо иным образом. Максимальное отклонение должно оцениваться в ФАЙЛЕ МЕНЕДЖМЕНТА РИСКА.
СЛУХОВЫЕ АППАРАТЫ с возможным МАКСИМАЛЬНЫМ ВЫХОДНЫМ УРОВНЕМ ЗВУКОВОГО ДАВЛЕНИЯ 132 дБ и выше должны иметь специальное предупреждение (см. 201.7).
201.9.7 Сосуды и части, находящиеся под пневматическим и гидравлическим давлением
9.7 общего стандарта не применяется, поскольку СЛУХОВЫЕ АППАРАТЫ не имеют таких частей.
201.9.8 МЕХАНИЧЕСКИЕ ОПАСНОСТИ, связанные с опорными системами
9.8 общего стандарта не применяется, поскольку СЛУХОВЫЕ АППАРАТЫ не имеют таких частей.
Дополнительные подпункты:
201.9.101 ОПАСНОСТЬ запутывания
Кабели и шнуры СЛУХОВЫХ АППАРАТОВ или ПРИНАДЛЕЖНОСТЕЙ, которые ПАЦИЕНТ носит вокруг шеи, не должны создавать РИСК травмирования или странгуляции. Усилие высвобождения не должно превышать 40 Н.
Соответствие проверяется проведением испытания усилием "на отрыв".
201.9.102 ОПАСНОСТИ, связанные с частями СЛУХОВОГО АППАРАТА, оставшимися в ушном канале
СЛУХОВОЙ АППАРАТ, который носится в ушном канале, должен быть безопасно извлекаем ПАЦИЕНТОМ. Если такой СЛУХОВОЙ АППАРАТ трудно извлечь, то в инструкции по эксплуатации должен быть указан метод обнаружения его местонахождения и извлечения.
СЛУХОВЫЕ АППАРАТЫ должны конструироваться так, чтобы части не могли отделяться в ходе эксплуатации, вставления и извлечения из ушного канала.
Любая часть, которая подвергается воздействию тянущего усилия при извлечении СЛУХОВОГО АППАРАТА из ушного канала, должна выдерживать усилие не менее 3 Н, при этом не открепляясь от аппарата.
Соответствие проверяется проведением испытания усилием "на отрыв".
Пункт 10 общего стандарта не применяется, за исключением 10.4.
Применяется пункт 11 общего стандарта, за исключением следующего:
201.11.1 Чрезмерные температуры в ME ИЗДЕЛИИ
201.11.1.1 Максимальная температура при НОРМАЛЬНОЙ ЭКСПЛУАТАЦИИ
Замена:
Максимальная температура СЛУХОВОГО АППАРАТА не должна превышать 43 °C. Если температура поверхности РАБОЧЕЙ ЧАСТИ превышает 41 °C, то максимальная температура должна быть указана в инструкции по эксплуатации. Когда значение 41 °C не превышается, то обоснование не требуется.
Если СЛУХОВОЙ АППАРАТ может работать при температуре окружающего воздуха 43 °C, то максимальная температура футляра допускается равной температуре окружающего воздуха.
201.11.1.2 Температура РАБОЧИХ ЧАСТЕЙ
Замена:
Требования настоящего подпункта включены в 201.11.1.1.
201.11.1.3 Измерения
Дополнение:
Из-за малой энергии СЛУХОВЫХ АППАРАТОВ, имеющих ВНУТРЕННИЕ ИСТОЧНИКИ ПИТАНИЯ, это испытание можно не выполнять. Когда в инженерной оценке ИЗГОТОВИТЕЛЯ указано, что предельная температура не должна превышаться, то измерения не нужны. Тем не менее обоснование такой оценки должно быть документально оформлено в ФАЙЛЕ МЕНЕДЖМЕНТА РИСКА.
Для частей СЛУХОВОГО АППАРАТА, к которым, вероятно, будут прикасаться, вероятность возникновения контакта и продолжительность контакта должны быть определены и документально оформлены в ФАЙЛЕ МЕНЕДЖМЕНТА РИСКА.
Соответствие требованиям 201.11.1.1 проверяется изучением ФАЙЛА МЕНЕДЖМЕНТА РИСКА и инструкции по эксплуатации. Измерение температуры на работающем СЛУХОВОМ АППАРАТЕ выполняется при необходимости.
201.11.2 Защита от возгорания
11.2 общего стандарта не применяется.
Примечание - Требования к СЛУХОВЫМ АППАРАТАМ, предназначенным для использования во взрывоопасной среде и атмосфере с повышенным содержанием кислорода, отсутствуют в настоящем стандарте.
201.11.3 Конструктивные требования к возгоранию КОРПУСОВ ME ИЗДЕЛИЙ
11.3 общего стандарта не применяется.
201.11.6 Перелив, расплескивание, утечка, проникание воды или твердых частиц, очистка, дезинфекция, стерилизация и совместимость с веществами, используемыми вместе с ME ИЗДЕЛИЕМ
201.11.6.2 Перелив в ME ИЗДЕЛИИ
11.6.2 общего стандарта не применяется.
201.11.6.3 Расплескивание жидкостей на ME ИЗДЕЛИЕ и ME СИСТЕМУ
11.6.3 общего стандарта не применяется.
201.11.6.4 Утечка
11.6.4 общего стандарта не применяется.
201.11.6.5 Проникание воды или твердых частиц в ME ИЗДЕЛИЕ и ME СИСТЕМУ
Замена:
СЛУХОВЫЕ АППАРАТЫ, имеющие в НОРМАЛЬНЫХ УСЛОВИЯХ ВНУТРЕННИЕ ИСТОЧНИКИ ПИТАНИЯ, не создают РИСКОВ, связанных с электричеством, и для них не нужна классификация по прониканию воды. Если в оценке РИСКА предусмотрена защита от вредного проникания воды или твердых частиц, то класс IP СЛУХОВОГО АППАРАТА не должен быть меньше уровня, необходимого для безопасной работы, как это подробно описано в МЭК 60529.
Соответствие должно проверяться проведением испытаний по МЭК 60529, когда СЛУХОВЫЕ АППАРАТЫ помещаются в наименее благоприятное положение при НОРМАЛЬНОЙ ЭКСПЛУАТАЦИИ, а также осмотром.
201.11.6.6 Очистка и дезинфекция ME ИЗДЕЛИЙ и ME СИСТЕМ
Замена:
СЛУХОВЫЕ АППАРАТЫ и СЛУХОВЫЕ СИСТЕМЫ, а также их части и ПРИНАДЛЕЖНОСТИ должны выдерживать без ухудшения параметров и повреждений процессы очистки или дезинфекции (такие, как удаление ушной серы), как это указано в инструкции по эксплуатации. ИЗГОТОВИТЕЛЬ должен оценить влияние многократных очисток в течение ОЖИДАЕМОГО СРОКА СЛУЖБЫ СЛУХОВЫХ АППАРАТОВ и СЛУХОВЫХ СИСТЕМ, а также их частей и ПРИНАДЛЕЖНОСТЕЙ, а также обеспечить, чтобы эти ПРОЦЕССЫ не приводили к утрате ОСНОВНОЙ БЕЗОПАСНОСТИ.
Соответствие демонстрируется проведением испытаний.
201.11.6.7 Стерилизация ME ИЗДЕЛИЙ и ME СИСТЕМ
11.6.7 общего стандарта не применяется.
Применяется пункт 12 общего стандарта, за исключением следующего:
201.12.2 ЭКСПЛУАТАЦИОННАЯ ПРИГОДНОСТЬ ME ИЗДЕЛИЯ
Дополнение:
ОСНОВНЫЕ РАБОЧИЕ ФУНКЦИИ СЛУХОВЫХ АППАРАТОВ и СИСТЕМ определяются в ходе ПРОЕКТИРОВАНИЯ ЭКСПЛУАТАЦИОННОЙ ПРИГОДНОСТИ. К стандартным ОСНОВНЫМ РАБОЧИМ ФУНКЦИЯМ относятся:
- важные функции:
- установка и удаление СЛУХОВОГО АППАРАТА;
- установка и настройка СЛУХОВОГО АППАРАТА;
- тестирование основных физических параметров СЛУХОВОГО АППАРАТА;
- часто используемые функции:
- замена аккумуляторных батарей;
- очистка;
- включение/выключение;
- регулировка громкости, программ и других основных параметров;
Примечание - См. МЭК 60601-1-6 для объяснения термина "часто используемые функции".
201.12.4 Защита от опасных значений выходных характеристик
201.12.4.2 Индикация параметров, относящихся к безопасности
12.4.2 общего стандарта не применяется.
201.12.4.4 Отклонение выходных характеристик от установленных значений
Замена:
Когда с помощью органов управления регулируется предусмотренный ПОДОГНАННЫЙ ВЫХОДНОЙ УЗД90, то ПОДОГНАННЫЙ ВЫХОДНОЙ УЗД90 не должен повышаться, если орган управления отсоединен или имеет дефекты.
ПОДОГНАННЫЙ ВЫХОДНОЙ УЗД90, регулируемый программным обеспечением, не должен превышать выбранное значение в результате передачи запорченных данных от программатора в СЛУХОВОЙ АППАРАТ.
См. требования в 201.9.6.
Соответствие проверяется изучением ФАЙЛА МЕНЕДЖМЕНТА РИСКА.
201.12.4.5 Излучение для диагностических или лечебных целей
12.4.5 общего стандарта не применяется.
Применяется пункт 13 общего стандарта, за исключением следующего:
201.13.1.2 Выделения, деформация КОРПУСА или превышение максимальной температуры
Замена:
Не должны возникать следующие ОПАСНЫЕ СИТУАЦИИ:
- непреднамеренное воздействие УЗД выше ПОДОГНАННОГО ВЫХОДНОГО УЗД90;
- выброс пламени, расплавленного металла, ядовитых или воспламеняющихся веществ в опасных количествах;
- деформация КОРПУСОВ в той мере, в какой это ухудшает соответствие 201.15.3.1;
- температура СЛУХОВЫХ АППАРАТОВ, к которым, вероятно, будут прикасаться, превышает 50 °C при измерении и регулировке, как это описано в 201.11.1.3 общего стандарта;
- превышение допустимых значений в отношении других компонентов и материалов, указанных в таблице 22 общего стандарта, свыше значений, вычисляемых как "значение из таблицы 22 умножить на 1,5, после чего вычесть 12,5 °C".
УСЛОВИЯ ЕДИНИЧНОГО НАРУШЕНИЯ в 4.7 общего стандарта в отношении выброса пламени, расплавленного металла или воспламеняющихся веществ не должны применяться к частям и компонентам, у которых:
- конструкция питающей цепи ограничивает рассеиваемую мощность при УСЛОВИИ ЕДИНИЧНОГО НАРУШЕНИЯ до менее чем 15 Вт, или рассеивание энергии менее чем 900 Дж;
Соответствие следует проверять посредством отбора 15 Вт от питающей цепи на 1 мин. Если после 1 мин питающая цепь не сможет подавать 15 Вт, то следует считать, что цепь ограничивает рассеивание мощности, чтобы она была менее 15 Вт. Также изучается соответствующая проектная документация.
или
- вторичные цепи выполняют все из нижеперечисленных условий:
- смонтированы на материале с классом огнестойкости материалов FV1 согласно МЭК 60695-11-10 или лучше;
- на них подается электропитание с напряжением 60 В постоянного тока, или 42,2 В пикового напряжения или менее в НОРМАЛЬНЫХ УСЛОВИЯХ и при УСЛОВИИ ЕДИНИЧНОГО НАРУШЕНИЯ;
- они ограничены до 100 В·А или ограничены до 6000 Дж в УСЛОВИЯХ ЕДИНИЧНОГО НАРУШЕНИЯ;
- в них используется изоляция проводов типов ПВХ, ТФЭ, ПТФЭ, ФЭП, полихлоропрен или полибромид;
Соответствие проверяется проведением оценки проектной документации.
или
- компонент является КОМПОНЕНТОМ С ВЫСОКОЙ СТЕПЕНЬЮ ИНТЕГРАЦИИ, как это описано в 4.9 общего стандарта;
Соответствие проверяется оценкой проектной документации.
или
- они полностью находятся в противопожарном КОРПУСЕ согласно 11.3 общего стандарта.
После проведения испытаний, указанных в этом подпункте, термовыключатели и расцепители максимального тока должны быть осмотрены на предмет определения, что их настройки не изменились (из-за нагрева, вибрации и по другим причинам) так, чтобы это могло отрицательно повлиять на функцию безопасности.
201.13.2 УСЛОВИЯ ЕДИНИЧНОГО НАРУШЕНИЯ
201.13.2.1 Общие положения
Замена:
В ходе применения УСЛОВИЙ ЕДИНИЧНОГО НАРУШЕНИЯ, перечисленных в 201.13.2.2 - 201.13.2.13 (включительно), НОРМАЛЬНЫЕ УСЛОВИЯ, указанные в a), также должны применяться в наименее благоприятном сочетании.
a) НОРМАЛЬНЫЕ УСЛОВИЯ включают все нижеперечисленное одновременно:
- наличие любой ЧАСТИ СИГНАЛЬНОГО ВХОДА/ВЫХОДА любого напряжения или тока от другого электрического изделия, которое допущено для подсоединения согласно ЭКСПЛУАТАЦИОННЫМ ДОКУМЕНТАМ, как это указано в 201.7.9;
- разомкнутая цепь любой или всех цепей заземления, которые не соответствуют требованиям 8.6, включая любое соединение рабочего заземления.
b) УСЛОВИЕ ЕДИНИЧНОГО НАРУШЕНИЯ включает:
- короткое замыкание любой изоляции, которая соответствует требованиям к одному СРЕДСТВУ ЗАЩИТЫ, как это указано в 8.8 общего стандарта.
Примечание - Это включает короткое замыкание любой части ДВОЙНОЙ ИЗОЛЯЦИИ, которая соответствует 8.8;
- короткое замыкание какого-либо ПУТИ УТЕЧКИ или ВОЗДУШНОГО ЗАЗОРА, которое соответствует требованиям к одному СРЕДСТВУ ЗАЩИТЫ, как это указано в 8.9 общего стандарта;
- короткое замыкание и разомкнутая цепь любого компонента, кроме КОМПОНЕНТА С ВЫСОКОЙ СТЕПЕНЬЮ ИНТЕГРАЦИИ, соединенного параллельно с изоляцией, с ВОЗДУШНЫМ ЗАЗОРОМ или с ПУТЕМ УТЕЧКИ, если только показано, что закорачивание не является режимом нарушения для компонента (см. также 4.8 и 4.9 общего стандарта);
- разомкнутая цепь любого ПРОВОДА ЗАЩИТНОГО ЗАЗЕМЛЕНИЯ или внутреннего СОЕДИНЕНИЯ С ЗАЩИТНЫМ ЗАЗЕМЛЕНИЕМ, которое соответствует требованиям 8.6 общего стандарта: это не распространяется на ПРОВОД ЗАЩИТНОГО ЗАЗЕМЛЕНИЯ ME ИЗДЕЛИЯ С ПОСТОЯННЫМ ПРИСОЕДИНЕНИЕМ К ПИТАЮЩЕЙ СЕТИ, отсоединение которого считается маловероятным;
- прерывание любого токонесущего проводника между частями ME ИЗДЕЛИЯ в отдельных КОРПУСАХ, если АНАЛИЗ РИСКА указывает на то, что это условие может вызвать превышение допустимых предельных значений;
- нежелательное перемещение компонента; но только если компонент не закреплен достаточно прочно, чтобы обеспечить крайне низкую вероятность такого перемещения в течение ОЖИДАЕМОГО СРОКА СЛУЖБЫ ME ИЗДЕЛИЯ, как это определено ПРОЦЕССОМ МЕНЕДЖМЕНТА РИСКА (см. также 8.10.1 общего стандарта);
- случайное разъединение проводников.
201.13.2.2 УСЛОВИЕ ЕДИНИЧНОГО ЭЛЕКТРИЧЕСКОГО НАРУШЕНИЯ
Замена:
Требования и испытания, относящиеся к УСЛОВИЮ ЕДИНИЧНОГО НАРУШЕНИЯ, см. в 201.13.2.1
201.13.2.3 Перегрев трансформаторов в ME ИЗДЕЛИИ
13.2.3 общего стандарта не применяется, потому что СЛУХОВЫЕ АППАРАТЫ не имеют трансформаторов.
201.13.2.4 Неисправность ТЕРМОРЕГУЛЯТОРОВ
13.2.4 общего стандарта не применяется, потому что СЛУХОВЫЕ АППАРАТЫ не имеют ТЕРМОРЕГУЛЯТОРОВ.
201.13.2.5 Неисправность устройств ограничения температуры
13.2.5 общего стандарта не применяется, потому что СЛУХОВЫЕ АППАРАТЫ не имеют устройств ограничения температуры.
201.13.2.7 Неисправность системы охлаждения, которая может приводить к возникновению ОПАСНОСТИ
13.2.7 общего стандарта не применяется, потому что СЛУХОВЫЕ АППАРАТЫ не зависят от вентиляции и не используют систем охлаждения.
201.13.2.8 Блокировка движущихся частей
13.2.8 общего стандарта не применяется, потому что СЛУХОВЫЕ АППАРАТЫ не имеют таких движущихся частей.
201.13.2.9 Обрыв и короткое замыкание конденсаторов электродвигателей
13.2.9 общего стандарта не применяется, потому что СЛУХОВЫЕ АППАРАТЫ не имеют электродвигателей.
201.13.2.10 Дополнительные критерии к испытаниям для ME ИЗДЕЛИЙ с электродвигателями
13.2.10 общего стандарта не применяется, потому что СЛУХОВЫЕ АППАРАТЫ не имеют электродвигателей.
201.13.2.11 Неисправности компонентов ME ИЗДЕЛИЯ, работающих в среде с ПОВЫШЕННЫМ СОДЕРЖАНИЕМ КИСЛОРОДА
13.2.11 общего стандарта не применяется.
201.13.2.12 Неисправность частей, которая может приводить к МЕХАНИЧЕСКОЙ ОПАСНОСТИ
Требования и испытания, относящиеся к этим УСЛОВИЯМ ЕДИНИЧНОГО НАРУШЕНИЯ, см. в пункте 201.9 и 201.15.3.
201.13.2.13 Перегрузка
13.2.13 общего стандарта не применяется, потому что СЛУХОВЫЕ АППАРАТЫ не имеют электродвигателей или нагревательных элементов, поэтому перегрузка возникнуть не может.
Пункт 14 общего стандарта не применяется, за исключением:
201.14.1 Общие положения
Замена:
Встроенное и аудиологическое программное обеспечение должно соответствовать МЭК 62304.
Классификация программного обеспечения согласно МЭК 62304 должна быть результатом ОЦЕНКИ РИСКА.
Соответствие должно определяться посредством использования требований 201.14.2, изучения ФАЙЛА МЕНЕДЖМЕНТА РИСКА. Соответствие процессу проектирования программного обеспечения МЭК 62304 проверяется изучением отчетов или сертификатов внешнего и внутреннего аудита.
Примечание - Подгоночное (аудиологическое) программное обеспечение обычно классифицируется и считается медицинским устройством.
201.14.2 Документация
Применяется 14.2 общего стандарта.
201.14.3 План МЕНЕДЖМЕНТА РИСКА
Применяется 14.3 общего стандарта.
201.14.6 ПРОЦЕСС МЕНЕДЖМЕНТА РИСКА
201.14.6.1 Идентификация известных и прогнозируемых ОПАСНОСТЕЙ
Применяется 14.6.1 общего стандарта.
201.14.11 ПРОВЕРКА СООТВЕТСТВИЯ (ВАЛИДАЦИЯ) PEMS
Применяется 14.11 общего стандарта.
Пункт 15 общего стандарта не применяется, за исключением следующего:
201.15.2 Удобство обслуживания
Замена:
Части СЛУХОВЫХ АППАРАТОВ, подлежащие механическому износу, электрической деградации и ухудшению параметров в результате воздействия окружающей среды или старения, которые могут привести к созданию недопустимого РИСКА, если не будут проверяться слишком долго, должны быть доступны для инспекции, замены и техобслуживания.
Соответствие должно проверяться осмотром частей, указанных в этом подпункте, а также их места расположения.
201.15.3 Механическая прочность
201.15.3.1 Общие положения
Замена:
СЛУХОВЫЕ АППАРАТЫ или их части должны обладать адекватной механической прочностью и не должны приводить к утрате ОСНОВНОЙ БЕЗОПАСНОСТИ из-за деформирующего напряжения при воздействии механического напряжения, вызванного толканием, ударным воздействием, падением или грубым обращением.
В отношении ПРИНАДЛЕЖНОСТЕЙ к СЛУХОВЫМ АППАРАТАМ применяются МЭК 60065, МЭК 60950-1, МЭК 62368-1 или другие применимые стандарты МЭК по безопасности.
Требования к механической конструкции для аппаратов, предназначенных для пользования детьми, возраст которых менее 36 мес:
a) Крышка батарейного отсека должна быть сконструирована, чтобы:
- требовался инструмент для вынимания аккумуляторной батареи; или
- требовалось усилие не менее 10 Н в наименее благоприятном направлении для вынимания батареи.
b) Любая съемная часть СЛУХОВОГО АППАРАТА (например, заушный крючок, трубка, шильдик, заглушка для программирования) не должна быть отсоединяемой:
- без помощи инструмента; или
- с усилием менее 10 Н в направлении наименьшего сопротивления.
Соответствие должно проверяться осмотром продукта и прикладыванием описанных усилий (см. также 201.15.3.4).
201.15.3.4 Испытание на падение
Замена:
СЛУХОВЫЕ АППАРАТЫ не должны создавать недопустимый РИСК в результате свободного падения.
Соответствие проверяется проведением следующего испытания.
Образец должен быть испытан какой-либо безопасной рабочей нагрузкой, позволяющей ему свободно упасть по одному разу с каждого из шести различных стартовых направлений с высоты 1,0 м на твердую деревянную поверхность.
После проведения испытания СЛУХОВОГО АППАРАТА не должен создаваться недопустимый РИСК, как, например, повышенный ТОК УТЕЧКИ, рассматриваемый в 201.8.7, или механические ОПАСНОСТИ по 201.9.
201.15.3.7 Воздействие факторов окружающей среды
Замена:
Выбор и обращение с материалами, используемыми в конструкции СЛУХОВЫХ АППАРАТОВ, должны учитывать ПРЕДУСМОТРЕННОЕ ПРИМЕНЕНИЕ, ОЖИДАЕМЫЙ СРОК СЛУЖБЫ и условия транспортирования и хранения.
СЛУХОВЫЕ АППАРАТЫ следует конструировать и изготавливать таким образом, чтобы в ходе ОЖИДАЕМОГО СРОКА СЛУЖБЫ никакая коррозия, старение, механический износ или деградация биологических материалов из-за воздействия влаги, пота, влажности, средств ухода за волосами или предметов личной гигиены не могли снизить их механические свойства так, чтобы это создало недопустимый РИСК. См. также 15.2.
Соответствие должно проверяться:
- осмотром СЛУХОВЫХ АППАРАТОВ, изучением ЭКСПЛУАТАЦИОННЫХ ДОКУМЕНТОВ и спецификаций ИЗГОТОВИТЕЛЯ на использованные материалы, а также спецификаций обработки этих материалов;
- посредством контроля соответствующих испытаний ИЗГОТОВИТЕЛЯ или проверкой его расчетов.
201.15.4 Компоненты ME ИЗДЕЛИЙ и общая сборка
201.15.4.3 Батареи и аккумуляторы
201.15.4.3.1 Отсеки для батарей и аккумуляторов
Замена:
Отсеки для батарей должны конструироваться, чтобы предотвращать случайное короткое замыкание батареи, когда такие короткие замыкания могут создать ОПАСНУЮ СИТУАЦИЮ.
Если ОПАСНАЯ СИТУАЦИЯ может сформироваться за счет неправильного подсоединения или замены батареи, то изделие должно быть снабжено средствами предотвращения неправильной полярности.
201.15.4.3.3 Защита от избыточной зарядки
Применяется 15.4.3.3 общего стандарта.
201.15.4.3.101 Батареи и аккумуляторы для СЛУХОВОГО АППАРАТА
Батареи и аккумуляторы, используемые для электропитания СЛУХОВЫХ АППАРАТОВ, должны отвечать требованиям соответствующих международных стандартов. Конструкция электронной цепи должна не допускать перегрева неправильно вставленной батареи/аккумулятора выше 50 °C.
201.15.4.4 Индикаторы
Замена:
СЛУХОВЫМ АППАРАТАМ не нужны никакие индикаторы для ПАЦИЕНТА.
В отношении ПРИНАДЛЕЖНОСТЕЙ к СЛУХОВЫМ АППАРАТАМ применяются стандарты МЭК 60065, МЭК 60950-1, МЭК 62368-1 или другие применимые стандарты МЭК по безопасности.
Замена:
Напряжение на землю или на ДОСТУПНЫЕ ЧАСТИ, иные, чем СЛУХОВЫЕ АППАРАТЫ, не должно превышать 42,4 В пикового напряжения переменного тока или 60 В постоянного тока в НОРМАЛЬНОМ СОСТОЯНИИ или при УСЛОВИИ ЕДИНИЧНОГО НАРУШЕНИЯ. Предельное значение постоянного тока на уровне 60 В применимо к постоянному току с амплитудой пульсаций, не превышающей 10%. Если пульсации превышают это значение, то применяется пиковое ограничение 42,4 В. Мощность не должна превышать 240 В·А более чем на 60 с, либо запасенная энергия не должна превышать 20 Дж с потенциалом 2 В или более.
Ограничения напряжения и энергии, указанные выше, также применяются в отношении:
- внутренних частей, иных, чем контакты вилок, соединителей и штепсельных разъемов, которых может коснуться контрольный штырек, показанный на рисунке 8 общего стандарта, вставленный через отверстие в КОРПУСЕ;
- внутренних частей, которых может коснуться металлический испытательный стержень с диаметром 4 мм и длиной 100 мм, вставленный через любое отверстие в верхней части КОРПУСА или через любое отверстие для настройки органов предварительной регулировки, которые могут настраиваться ПАЦИЕНТОМ при НОРМАЛЬНОЙ ЭКСПЛУАТАЦИИ с использованием инструмента.
Соответствие должно проверяться путем вставки контрольного штырька или стержня через соответствующие отверстия.
Контрольный штырек должен вставляться в каждое возможное положение с минимальным усилием (не более 1 Н).
Испытательный стержень должен вставляться в каждое возможное положение через отверстия для регулировки посредством органов предварительной регулировки, которые могут регулироваться ПАЦИЕНТОМ при НОРМАЛЬНОЙ ЭКСПЛУАТАЦИИ, если имеются сомнения при прикладывании усилия 10 Н.
Если в инструкции по эксплуатации указывается, что должен использоваться конкретный инструмент, то испытание повторяют с этим инструментом.
Примечание - Все другие аспекты системы рассматриваются в отдельных пунктах настоящего частного стандарта.
Замена:
ИЗГОТОВИТЕЛЬ должен проанализировать в ПРОЦЕССЕ МЕНЕДЖМЕНТА РИСКА РИСКИ, связанные с привнесением СЛУХОВЫМ АППАРАТОМ в окружающую среду электромагнитных явлений, которые могут ухудшить работу других устройств, электрических изделий и систем.
Электромагнитную совместимость следует испытывать согласно МЭК 60601-1-2. Кроме того, если у СЛУХОВОГО АППАРАТА есть беспроводной передатчик, то должны испытываться излучения в соответствии с МЭК 60118-13.
См. приложение DD.
Соответствие проверяется изучением ФАЙЛА МЕНЕДЖМЕНТА РИСКА.
Приложения
Применяются приложения общего стандарта, за исключением следующих:
Приложение E
(справочное)
Приложение E общего стандарта не применяется.
Приложение G
(обязательное)
Приложение G общего стандарта не применяется.
Приложение H
(справочное)
Приложение H общего стандарта не применяется.
Приложение I
(справочное)
Приложение I общего стандарта не применяется.
Приложение J
(справочное)
Приложение J общего стандарта не применяется.
Приложение K
(справочное)
Приложение K общего стандарта не применяется.
Приложение L
(обязательное)
Приложение L общего стандарта не применяется.
Приложение AA
(справочное)
AA.1 Пояснения и история вопроса
Настоящий стандарт был создан, чтобы заполнить пробел в стандартизации СЛУХОВЫХ АППАРАТОВ.
Раньше считалось, что СЛУХОВЫЕ АППАРАТЫ являются изначально безопасными. Чтобы выполнить нормативные требования, ИЗГОТОВИТЕЛИ применяли нормативные требования непосредственно с помощью спецификации испытаний по методике фирмы-изготовителя на основе оценки риска и опыта пробной эксплуатации или полевых испытаний, а также на основе использования нормативных ссылок. Так как изготовители в промышленных ассоциациях тесно сотрудничают между собой, то эти требования были частично скоординированы и уже стандартизированы в прошлом. Чтобы создать промышленный стандарт с целью учета нормативных требований, в 1990-х была предпринята попытка, которая привела к созданию проекта документа ЕН 50220 CENELEC в 1998 г. Голосование по документу дало отрицательный результат, и Европейская ассоциация производителей слуховых аппаратов (EHIMA) вместо этого выпустила отраслевой стандарт под собственным именем, почти с идентичным содержанием, однако документ не получил широкой поддержки. Позднее ассоциация EHIMA, в 2009 г., приняла решение покончить с этой неопределенностью и обратилась к МЭК с запросом о подготовке международного стандарта по безопасности СЛУХОВЫХ АППАРАТОВ.
В отрасли СЛУХОВЫХ АППАРАТОВ и регулирующими органами признано, что МЭК 60601-1 непригоден для использования в отношении СЛУХОВЫХ АППАРАТОВ. По этой причине отрасль СЛУХОВЫХ АППАРАТОВ прежде не участвовала в мероприятиях, проводимых МЭК/ТК 62 и его подкомитетами. В результате спецификация требований по безопасности для СЛУХОВЫХ АППАРАТОВ была разработана на принципиально отличном уровне по сравнению с МЭК 60601. Поэтому первоначально было решено создать новый стандарт МЭК за рамками стандартов серии МЭК 60601. Эта задача была поставлена перед ТК 29 "Электроакустика", а именно, перед его рабочей группой 13 "Слуховые аппараты", в которой были представлены стороны, заинтересованные в аудиологических технологиях. В ТК 62 был подан запрос об оказании помощи и было предложено интегрировать настоящий документ в стандарты серии МЭК 60601, чтобы соответствовать структуре стандартизации МЭК. Основной разницей в подходе является то, что спецификации по безопасности могут быть приспособлены за счет создания частного стандарта, который обеспечит анализ отдельных требований за счет конкретного применения продуктов из области распространения. Интеграция установления требований к безопасности СЛУХОВЫХ АППАРАТОВ в стандарты серии МЭК 60601 привела к образованию довольно большого числа замен частей общего стандарта и дополнительного стандарта.
AA.2 Определение требований к безопасности для СЛУХОВЫХ АППАРАТОВ
Из-за использования и ПРЕДУСМОТРЕННОГО ПРИМЕНЕНИЯ СЛУХОВЫХ АППАРАТОВ РИСКИ во многих случаях не сопоставимы с РИСКАМИ для медицинских продуктов, которые обычно регламентируются положениями стандартов серии МЭК 60601-1. Настоящий стандарт представляет собой наилучшие современные практики в отрасли СЛУХОВЫХ АППАРАТОВ. Настоящий стандарт основывается на оценках рисков ИЗГОТОВИТЕЛЕЙ, внутренних стандартах, промышленных испытаниях и оценке известных нештатных ситуаций, а также на многолетнем опыте.
ОПЕРАТОР и ПАЦИЕНТ представляют собой единое целое за счет ПРЕДУСМОТРЕННОГО ПРИМЕНЕНИЯ СЛУХОВОГО АППАРАТА при МЕДИЦИНСКОМ ОБСЛУЖИВАНИИ ВНЕ МЕДИЦИНСКОЙ ОРГАНИЗАЦИИ.
В таблице AA.101 обобщается подход, используемый в настоящем стандарте.
|
Предмет |
Риск и требования |
|
Электрика |
Отсутствует электрическая ОПАСНОСТЬ за счет внутреннего электропитания с низким напряжением и низкой энергией (как правило, ниже максимального напряжения батареи, указанного ИЗГОТОВИТЕЛЕМ СЛУХОВОГО АППАРАТА и определенного в рамках предельных значений 201.8.4.2). Предельное значение в отношении доступных контактов при напряжении батареи впервые введено в настоящем стандарте. Подсоединение ко внешним устройствам. Исторически существовали (представляя современный уровень техники) соединения: a) с потребительскими товарами (аудиовход) или b) с медицинскими продуктами (для программирования). РИСК, представленный использованием СЛУХОВОГО АППАРАТА, сопоставим с РИСКОМ использования наушников. Требования стандартов МЭК 60065, или МЭК 60950-1:2005, или МЭК 62368-1:2018 (или других, где уместно) покрывают этот РИСК в достаточной мере. РИСК крайне незначителен, и неизвестны случаи происшествий со СЛУХОВЫМИ АППАРАТАМИ или наушниками. ВНИМАНИЕ: Подсоединяйте только к продуктам, которые соответствуют правилам. Дополнительное испытание на ТОК УТЕЧКИ с целью обеспечения минимальной изоляции между аудиовходом и пользователем было впервые введено в этом стандарте. Приемлемо без дополнительных требований |
|
Механика |
Необходимо избегать острых кромок (также после испытания на падение). Требования: не оставлять части в ухе. Механические требования и указания: не допускать проглатывания частей маленькими детьми |
|
Излучение |
Отсутствует |
|
Биология, химия |
Испытания на биосовместимость материалов, которые касаются ПАЦИЕНТА. Предупреждение относительно вздутия или течи аккумуляторных батарей при неправильной зарядке. Требования к маркировке и конструкции отсека для батарей |
|
Нагрев, возгорание |
Отсутствует недопустимый РИСК за счет внутреннего электропитания с низким напряжением и низкой энергией. Испытания на отказ в настоящем стандарте валидируют этот аспект. Предупреждение относительно расширения или течи аккумуляторных батарей при неправильной зарядке. Требования к маркировке и конструкции отсека для батарей |
|
Акустика |
Отказоустойчивая конструкция аппаратных и программных средств (требования к PEMS), а также программных и беспроводных интерфейсов с целью избежать непреднамеренного воздействия более высоких уровней. Требуется испытание на ЭМС. Предупреждение ПОЛЬЗОВАТЕЛЯ и профессионального медработника в отношении приборов, излучающих более 132 дБ |
|
Основные функциональные характеристики |
Невозможность функционирования не создает РИСК |
|
Помехи |
Испытание на ЭМС и радиотестирование. Предупреждение пользователя о специальных РИСКАХ типа "водители ритма сердца", воздушных судах или взрывоопасной среде |
|
Эксплуатационная пригодность |
Маркировка голубым/красным на аппарате для указания "правый/левый". ПРОЕКТИРОВАНИЕ ЭКСПЛУАТАЦИОННОЙ ПРИГОДНОСТИ и идентификация ОСНОВНЫХ РАБОЧИХ ФУНКЦИЙ |
|
ПРИНАДЛЕЖНОСТИ |
1) Дистанционное управление и зарядное устройство имеют РИСКИ, сопоставимые с потребительскими товарами или изделиями для информационных технологий (мобильные телефоны, ТВ-пульты и т.п.), и поэтому они могут быть в достаточной мере регламентированы требованиями МЭК 60065, или МЭК 60950-1:2005, или МЭК 62368-1:2018 или другими применимыми стандартами МЭК по безопасности. 2) Программные интерфейсы должны соответствовать МЭК 60601-1:2005. Альтернативные беспроводные программные интерфейсы могут подпадать под действие МЭК 62368-1:2018 или других применимых стандартов МЭК по безопасности |
AA.3 Пояснения к конкретным пунктам и подпунктам
Далее следуют пояснения к конкретным пунктам и подпунктам в настоящем стандарте, с пунктами и подпунктами, имеющими нумерацию, идентичную основному тексту документа.
Пункт 201.1.1 Область распространения
В целом ПРИНАДЛЕЖНОСТИ к СЛУХОВЫМ АППАРАТАМ, как, например, пульты дистанционного управления, аудиостримеры, зарядные устройства для аккумуляторных батарей, источники электропитания и аналогичные изделия, используются в той же среде и теми же пользователями в качестве развлекательных, ИТ или бытовых продуктов, таких как мобильные телефоны, ТВ-пульты дистанционного управления и т.п. По этой причине РИСКИ этой группы продуктов сопоставимы, а требования общего и дополнительного стандарта МЭК 60601 часто непригодны. Применение МЭК 60950-1:2005, МЭК 60065 или МЭК 62368-1:2018 вместе с настоящим документом регламентирует риски соответствующим образом. ПРИНАДЛЕЖНОСТИ во многих случаях конструируются и/или изготавливаются производителями ИТ-аудио или видеоустройств, которые лучше знакомы с этими требованиями. Это соответствует подходу в МЭК 60601-1-11:2015.
В отличие от этого программные интерфейсы или ПРИНАДЛЕЖНОСТИ в клинической области управляются ПРОФЕССИОНАЛАМИ ОКАЗАНИЯ УСЛУГ ПО СЛУХОПРОТЕЗИРОВАНИЮ в клинических условиях и должны поэтому регламентироваться положениями общего стандарта.
Пункт 201.1.3 Дополнительные стандарты
Относительно МЭК 60601-1-2:2014 см. пояснение к пункту 201.17 в этом приложении.
Ранее МЭК 60601-1-9 не применялся в отрасли СЛУХОВЫХ АППАРАТОВ. По сравнению с ME ИЗДЕЛИЯМИ, традиционно находящимися в сфере распространения МЭК 60601-1:2005, СЛУХОВЫЕ АППАРАТЫ имеют очень ограниченное воздействие на окружающую среду. Поскольку этот аспект регламентируется местным законодательством в достаточной мере и воздействие на окружающую среду непосредственно не относится к области основной безопасности, то было принято решение не применять этот дополнительный стандарт и решать вопрос за рамками настоящего документа.
После анализа требований МЭК 60601-1-11:2015 стало очевидно, что СЛУХОВЫЕ АППАРАТЫ не учитывались при составлении этих указаний, и это привело к появлению большого количества непригодных требований. Было решено, что будет более целесообразно учесть применимые аспекты в требованиях настоящего стандарта, а не принимать МЭК 60601-1-11:2015 в целом.
Подпункт 201.5.9.1 РАБОЧИЕ ЧАСТИ
Термин "РАБОЧАЯ ЧАСТЬ" до этого не использовался в сообществе специалистов по СЛУХОВЫМ АППАРАТАМ. Символы РАБОЧИХ ЧАСТЕЙ неизвестны пользователям и ОПЕРАТОРАМ СЛУХОВЫХ АППАРАТОВ. Маркировка не нужна, так как СЛУХОВЫЕ АППАРАТЫ всегда должны касаться ПАЦИЕНТА.
Подпункт 201.7.8.1 Цвета световых индикаторов
Низкий расход электроэнергии очень важен для технологии СЛУХОВЫХ АППАРАТОВ. ПАЦИЕНТ не должен испытывать неудобства от слишком частых замен аккумуляторных батарей или необоснованных размеров продукта за счет громоздких аккумуляторных батарей. С учетом современного уровня технологий (и в обозримом будущем) использование других цветов вместо красного для светового индикатора (LED) приводит к недопустимому расходу энергии в СЛУХОВОМ АППАРАТЕ (для сведения: расход напряжения и тока находится в прямой связи с типом используемого полупроводникового материала и в результате находится в прямой связи с эмитируемой длиной волны/цветом). По этой причине световые индикаторы, как правило, не требуются в этом стандарте, и если они есть, то цвет не устанавливается в качестве обязательного. Световые индикаторы используются, например, в случаях, когда ПАЦИЕНТЫ не могут выразить утрату функции из-за очень раннего возраста или умственных ограничений. Красный цвет показывает критическую ситуацию только для персонала в клинических условиях. Стандартный пользователь СЛУХОВОГО АППАРАТА подвержен воздействию красных световых индикаторов дома, в офисе и других условиях, которые снижают потребность в гармонизации с требованиями к цвету общего стандарта.
Пункт 201.8 Защита от электрических ОПАСНОСТЕЙ ME ИЗДЕЛИЙ
Отсутствует электрическая ОПАСНОСТЬ за счет внутреннего электропитания с низким напряжением и низкой энергией (как правило, 1,4 - 4,5 В), и это определено в рамках предельных значений 201.16).
Подсоединение ко внешним устройствам. Исторически существовали (представляя современный уровень техники) соединения: a) с потребительскими товарами (аудиовход) или b) с медицинскими продуктами (для программирования).
РИСК, представленный использованием СЛУХОВОГО АППАРАТА, сопоставим с РИСКОМ использования наушников. Требования МЭК 60065, или МЭК 60950-1:2005, или МЭК 62368-1:2018 (или других применимых стандартов, где уместно) покрывают этот РИСК в достаточной мере. РИСК крайне незначителен, и неизвестны случаи происшествий со СЛУХОВЫМИ АППАРАТАМИ или наушниками. 201.7.9.2.5 предусматривает указание по подсоединению только к продуктам, которые соответствуют правилам.
По этим причинам обычно не требуется изоляции в СЛУХОВОМ АППАРАТЕ, за исключением внешних соединений к немедицинским продуктам, когда требуется дополнительное испытание тока утечки между входом сигнала и пользователем согласно 201.8.7.
Доступные контакты СЛУХОВЫХ АППАРАТОВ с ВНУТРЕННИМ ИСТОЧНИКОМ ПИТАНИЯ менее чем при 4,5 В постоянного тока не нормировались до настоящей публикации этого документа и не приводили к причинению вреда или травмам. Результаты измерений в наихудшей ситуации между контактами привели к реальным значениям постоянного тока менее 10 мкА. Предел для дополнительных цепей ПАЦИЕНТА был внесен в 201.8.4.2 настоящего стандарта.
Пункт 201.9 Защита от МЕХАНИЧЕСКИХ ОПАСНОСТЕЙ ME ИЗДЕЛИЙ и ME СИСТЕМ
МЕХАНИЧЕСКИЕ ОПАСНОСТИ для СЛУХОВЫХ АППАРАТОВ ограничены следующими аспектами, регламентируемыми в этом пункте:
- не допускать острых кромок (также после испытания на падение);
- требование о недопущении оставления частей в ухе (требование относительно 3 Н в 201.9.102 получено на основе усилия по извлечению СЛУХОВОГО АППАРАТА из уха);
- механические требования и инструкции, касающиеся недопущения проглатывания частей маленькими детьми, где это применимо.
Подпункт 201.9.6 Акустическая энергия (включая инфра- и ультразвук) и вибрация
Максимально приемлемый УРОВЕНЬ ЗВУКОВОГО ДАВЛЕНИЯ, который не вызывает дискомфорта или дальнейшего повреждения слуха, зависит от выбора значения индивидуального уровня громкости.
В ходе ПРОЦЕССА подгонки максимальный выходной уровень СЛУХОВОГО АППАРАТА в настоящем стандарте называется "подогнанный максимальный УРОВЕНЬ ЗВУКОВОГО ДАВЛЕНИЯ" (подогнанный выходной УЗД90) и регулируется, как это требуется человеку (например, СПЕЦИАЛИСТУ ПО СЛУХОВЫМ АППАРАТАМ).
ПОДОГНАННЫЙ ВЫХОДНОЙ УЗД понимается как фактический выходной уровень в конце подгонки.
В УСЛОВИИ ЕДИНИЧНОГО НАРУШЕНИЯ фактический максимальный выходной уровень может увеличиться в зависимости от технической реализации, например для поддержания акустических искажений на низком уровне в НОРМАЛЬНОМ СОСТОЯНИИ.
СЛУХОВЫЕ АППАРАТЫ с выходным уровнем 132 дБ и выше (измеренные в соответствии с МЭК 60318-5) предусматривают маркировку для уведомления СПЕЦИАЛИСТА ПО СЛУХОВЫМ АППАРАТАМ о том, что УРОВНИ ЗВУКОВОГО ДАВЛЕНИЯ в этом диапазоне даже в течение короткого периода могут вызвать повреждение слуха у людей с нормальным слухом. УЗД на уровне 132 дБ в акустической камере равно примерно 135 дБ в условиях свободного поля при 1 кГц. Требование о наличии предупреждения для СЛУХОВЫХ АППАРАТОВ с МАКСИМАЛЬНЫМ ВЫХОДНЫМ УЗД на уровне 132 дБ или выше проистекает из указаний FDA (21 CFR 801 420 Hearing aid devices). Значение 132 дБ также согласуется с более низким пиковым значением экспозиции действий статьи 3 Директивы 2003/10 МЭК.
Пункт 201.10 Защита от опасностей нежелательного и избыточного излучения
СЛУХОВЫЕ АППАРАТЫ не испускают излучения иного, чем видимый свет в некоторых случаях.
Пункт 201.11 Защита от чрезмерных температур и других ОПАСНОСТЕЙ
Обычно не существует недопустимого РИСКА возгорания, нагрева или воспламенения из-за внутреннего источника питания, обладающего низким напряжением и малой энергией. Большинство требований общего стандарта не применимы, и измерения температуры, как правило, не требуются.
Подпункт 201.12.2 ЭКСПЛУАТАЦИОННАЯ ПРИГОДНОСТЬ ME ИЗДЕЛИЙ
По сравнению с ME ИЗДЕЛИЯМИ, традиционно присутствующими в сфере распространения МЭК 60601-1:2005, СЛУХОВЫЕ АППАРАТЫ имеют очень ограниченные аспекты ЭКСПЛУАТАЦИОННОЙ ПРИГОДНОСТИ. Типичные примеры ОСНОВНЫХ РАБОЧИХ ФУНКЦИЙ приведены здесь и могут не применяться. ПРОЕКТИРОВАНИЕ ЭКСПЛУАТАЦИОННОЙ ПРИГОДНОСТИ может привести к появлению дополнительных ОСНОВНЫХ РАБОЧИХ ФУНКЦИЙ.
Пункт 201.13 ОПАСНЫЕ СИТУАЦИИ и состояние отказов для ME ИЗДЕЛИЙ
Из-за отсутствия электрических опасностей, опасности пожара и нагрева (см. приложение AA, пункт 201.8 и 201.11) многие требования настоящего пункта общего стандарта не применяются.
Пункт 201.13.2.11 Неисправности компонентов ME ИЗДЕЛИЯ, работающих в среде с ПОВЫШЕННЫМ СОДЕРЖАНИЕМ КИСЛОРОДА
В настоящем стандарте отсутствуют требования к СЛУХОВЫМ АППАРАТАМ, предназначенным для использования во взрывоопасной среде и среде с повышенным содержанием кислорода.
Пункт 201.14 ПРОГРАММИРУЕМЫЕ ЭЛЕКТРИЧЕСКИЕ МЕДИЦИНСКИЕ СИСТЕМЫ (PEMS)
Аналогично малому риску, создаваемому СЛУХОВЫМИ АППАРАТАМИ по сравнению с ME ИЗДЕЛИЯМИ, традиционно находящимися в области распространения стандарта МЭК 60601-1:2005, программное обеспечение для СЛУХОВЫХ АППАРАТОВ довольно некритическое и менее сложное. Исторически отрасль СЛУХОВЫХ АППАРАТОВ использовала положения стандартов МЭК 62304, а не МЭК 60601-1-4 <2>. Поскольку теперь принят такой подход и он доказал свое соответствие, то нет необходимости следовать подходу третьего издания МЭК 60601-1:2005 для адаптации и указывания требований МЭК 62304.
Пункт 201.15 Конструкция ME ИЗДЕЛИЙ
Из-за отсутствия электрических ОПАСНОСТЕЙ, ОПАСНОСТИ пожара и нагрева (см. приложение AA, пункты 201.8 и 201.11) многие требования настоящего пункта общего стандарта не применяются.
Пункт 201.16 ME СИСТЕМЫ
Этот пункт общего стандарта слишком обширный, чтобы его применять в отношении нескольких незначительных аспектов СЛУХОВЫХ СИСТЕМ. Вместо этого все аспекты системы были рассмотрены в отдельных пунктах настоящего частного стандарта, обеспечив тем самым его более простое применение.
Приложение BB
(справочное)
CD - проект стандарта, рассматриваемый техническим комитетом (Committee Draft) (статус документа МЭК);
EHIMA - Европейская ассоциация производителей слуховых аппаратов (European Hearing Instrument Manufacturers Association);
FDA - Управление по контролю за качеством пищевых продуктов, медикаментов и косметических средств (Food and Drug Administration) (США);
LED - светоизлучающий диод (light emitting diode);
ME - медицинский электрический (medical electrical);
NSH - Северное сотрудничество по проблемам инвалидов (Nordic Cooperation on Disability);
NWIP - Новая рабочая тема (New Work Item Proposal) (статус документа МЭК);
OSHA - Управление по технике безопасности и охране здоровья на производстве (Organizational Safety and Health Administration) (США);
PEMS - программируемая электрическая медицинская система (programmable electrical medical system);
RECD - реальный перепад звукового давления между ухом и акустической камерой (Real Ear to Coupler Difference).
Приложение CC
(справочное)
После тщательного рассмотрения пунктов настоящего документа было решено, что они все имеют отношение к ОСНОВНОЙ БЕЗОПАСНОСТИ, как это определено в общем стандарте. У ИЗГОТОВИТЕЛЕЙ есть возможность определить функции СЛУХОВОГО АППАРАТА, которые считаются ОСНОВНЫМИ ФУНКЦИОНАЛЬНЫМИ ХАРАКТЕРИСТИКАМИ в соответствии с ПРОЦЕССОМ МЕНЕДЖМЕНТА РИСКА.
Приложение DD
(справочное)
Испытания по электромагнитной совместимости проводятся согласно МЭК 60601-2. Любой РИСК должен оцениваться посредством МЕНЕДЖМЕНТА РИСКА.
Кроме того, применительно к помехоустойчивости СЛУХОВЫХ АППАРАТОВ в отношении воздействия излучаемых электромагнитных полей применяются требования МЭК 60118-13 (для США ANSI C63/19).
В таблице DD.101 показан пример применимых к СЛУХОВЫМ АППАРАТАМ стандартов в отношении конкретных настроек по высокочастотному электромагнитному излучению.
|
Явление |
Применимый стандарт для МЕДИЦИНСКОЙ ПОМОЩИ ВНЕ МЕДИЦИНСКОЙ ОРГАНИЗАЦИИ |
Настройка СЛУХОВОГО АППАРАТА в ходе испытания |
|
Высокочастотное электромагнитное излучение СЛУХОВОГО АППАРАТА |
CISPR 11, группа 1, класс B |
Эталонная настройка согласно МЭК 60118-1 |
ИЗГОТОВИТЕЛЬ должен определить соответствующие настройки для испытаний и требования к результату. Таблица DD.101 представляет собой пример, который может использоваться для помощи в определении конкретных настроек для испытаний СЛУХОВОГО АППАРАТА, а также требований к ОСНОВНОЙ БЕЗОПАСНОСТИ и минимальных требований по помехоустойчивости.
Этот пример не является рекомендацией или предложением. Соответствие проверяется путем изучения ФАЙЛА МЕНЕДЖМЕНТА РИСКА.
|
Явление |
Уровни испытаний на помехоустойчивость для ОКАЗАНИЯ МЕДИЦИНСКОЙ ПОМОЩИ ВНЕ МЕДИЦИНСКОЙ ОРГАНИЗАЦИИ |
Настройка СЛУХОВОГО АППАРАТА в ходе испытания |
Критерии приемки/браковки по ОСНОВНОЙ БЕЗОПАСНОСТИ |
Минимальные эксплуатационные требования к СЛУХОВЫМ АППАРАТАМ без радиофункции |
|
Электростатический разряд |
|
|
СЛУХОВОЙ АППАРАТ должен выдерживать без ухудшения эксплуатационных характеристик: | |
|
Уровень 4: ± 8 кВ контакт; ± 2 кВ; ± 4 кВ; ± 8 кВ; ± 15 кВ воздух |
Полное усиление с пониженным выходным УЗД90, по крайней мере до 10 дБ |
Для всех уровней: Выходной уровень со входным уровнем 90 дБ не должен повышаться более чем на 6 дБ после воздействия электростатического разряда; ухудшение эксплуатационных характеристик приемлемо |
a) уровень 2 без взаимодействия с пользователем ± 4 кВ контакт; ± 4 кВ воздух; b) уровень 3 со взаимодействием с пользователем (например, перезапуск СЛУХОВОГО АППАРАТА) ± 6 кВ контакт; ± 2 кВ; ± 4 кВ; ± 8 кВ воздух | |
|
Магнитное поле промышленной частоты (PFMF) |
30 А/м 50 Гц или 60 Гц |
Эталонная настройка согласно МЭК 60118-0:2015 |
|
|
|
(Испытания согласно МЭК 61000-4-8) |
Нет |
IRILPFMF = уровень суммарных помех на выходе минус HFA ≤ 55 дБ | ||
|
Уровни см. в МЭК 61000-4-2. Чтобы суметь обнаружить возможное увеличение выходного уровня, выходной УЗД90 должен быть установлен по крайней мере на 10 дБ ниже, чем выходной УЗД90 перед испытаниями. | ||||
Приложение ДА
(справочное)
Таблица ДА.1
|
Обозначение ссылочного международного стандарта |
Степень соответствия |
Обозначение и наименование соответствующего национального и межгосударственного стандарта |
|
IEC 60601-1-2:2014 |
IDT |
ГОСТ Р МЭК 60601-1-2-2014 "Изделия медицинские электрические. Часть 1-2. Общие требования безопасности с учетом основных функциональных характеристик. Параллельный стандарт. Электромагнитная совместимость. Требования и испытания" |
|
IEC 60950-1:2005 |
IDT |
ГОСТ IEC 60950-1-2014 "Оборудование информационных технологий. Требования безопасности. Часть 1. Общие требования" |
|
IEC 60118-0:2015 |
- |
<*> |
|
IEC 60118-13 |
- |
<*> |
|
IEC 60601-1:2005 |
IDT |
ГОСТ Р МЭК 60601-1-2010 "Изделия медицинские электрические. Часть 1. Общие требования безопасности с учетом основных функциональных характеристик" |
|
IEC 60601-1-11:2015 |
- |
<*> |
|
IEC 62368-1:2018 |
- |
<*> |
|
<*> Соответствующий национальный стандарт отсутствует. До его принятия рекомендуется использовать перевод на русский язык международного стандарта. Примечание - В настоящей таблице использовано следующее условное обозначение степени соответствия стандартов: - IDT - идентичные стандарты. | ||
Библиография
IEC 60118-4:2014, Electroacoustics - Hearing aids - Part 4: Induction-loop systems for hearing aid purposes - System performance requirements
IEC 60318-5:2006, Electroacoustics - Simulators of human head and ear - Part 5: 2 cm coupler for the measurement of hearing aids and earphones coupled to the ear by means of ear inserts
IEC 60601-1-4, Medical electrical equipment - Part 1-4: General requirements for safety - Collateral Standard: Programmable electrical medical systems <1>
--------------------------------
<1> МЭК 60601-1-4:1996 и Изменение 1:1999 были изъяты. На момент публикации настоящего документа новое издание этих публикаций не планировалось.
IEC 60601-1-9, Medical electrical equipment - Part 1-9: General requirements for basic safety and essential performance - Collateral Standard: Requirements for environmentally conscious design
IEC 60601-1-10, Medical electrical equipment - Part 1-10: General requirements for basic safety and essential performance - Collateral Standard: Requirements for the development of physiologic closed-loop controllers
IEC 60645-1:2017, Electroacoustics - Audiometric equipment - Part 1: Equipment for pure-tone audiometry
IEC 61000-4-2, Electromagnetic compatibility (EMC) - Part 4-2: Testing and measurement techniques - Electrostatic discharge immunity test
IEC 61000-4-8, Electromagnetic compatibility (EMC) - Part 4-8: Testing and measurement techniques - Power frequency magnetic field immunity test)
IEC 62489-1:2010, Electroacoustics - Audio-frequency induction loop systems for assisted hearing - Part 1: Methods of measuring and specifying the performance of system components
IEC 62489-1:2010/AMD1:2014
IEC 62489-1:2010/AMD2:2017
IEC 62366-1:2015, Medical devices - Part 1: Application of usability engineering to medical devices
CISPR 11, Industrial, scientific and medical equipment - Radio-frequency disturbance characteristics - Limits and methods of measurement
ISO/TR 25417:2007, Acoustics - Definitions of basic quantities and terms
ISO/FDIS 80000-8:2019, Quantities and units - Part 8: Acoustics <2>
--------------------------------
<2> В процессе подготовки. Этап на момент публикации: ISO/FDIS 80008-8:2019.
Directive 2003/10/EC of the European Parliament and of the Council of 6 February 2003 on the minimum health and safety requirements regarding the exposure of workers to the risks arising from physical agents (noise)
European Medical Device Directive 93/42/EEC
FDA guidance 21 CFR 801.420, Title 21 - Food and drugs, Chapter I - Food and drug administration department of health and human services, Subchapter H - Medical devices, Part 801 - Labeling, Subpart H - Special requirements for specific devices, Sec. 801.420 Hearing aid devices; professional and patient labeling
USAANSI C63.19, American national standards methods of measurement of compatibility between wireless communications devices and hearing aids
|
АППАРАТ СЛУХОВОЙ |
201.3.202 |
|
БЕЗОПАСНОСТЬ ОСНОВНАЯ |
МЭК 60601-1:2005, 3.10 |
|
ДАВЛЕНИЕ ПОДОГНАННОЕ МАКСИМАЛЬНОЕ ВЫХОДНОЕ ЗВУКОВОЕ, УЗД90 ПОДОГНАННОЕ ВЫХОДНОЕ |
201.3.206 |
|
ДОКУМЕНТ ЭКСПЛУАТАЦИОННЫЙ |
МЭК 60601-1:2005, 3.4 |
|
ИЗГОТОВИТЕЛЬ |
МЭК 60601-1:2005/AMD1:2012, 3.55 |
|
ИЗДЕЛИЕ С ВНУТРЕННИМ ИСТОЧНИКОМ ПИТАНИЯ |
МЭК 60601-1:2005, 3.46 |
|
ИСПЫТАНИЕ ТИПОВОЕ |
МЭК 60601-1:2005+A1:2012, 3.135 |
|
КРЫШКА СМОТРОВАЯ |
МЭК 60601-1:2005, 3.1 |
|
МЕДИЦИНСКОЕ ОБСЛУЖИВАНИЕ ВНЕ МЕДИЦИНСКОЙ ОРГАНИЗАЦИИ |
МЭК 60601-1-11:2010, 3.2 |
|
МЕНЕДЖМЕНТ РИСКА |
МЭК 60601-1:2005/AMD1:2012, 3.107 |
|
ОБОЗНАЧЕНИЕ МОДЕЛИ ИЛИ ТИПА |
МЭК 60601-1:2005+A1:2012, 3.66 |
|
ОПАСНОСТЬ |
МЭК 60601-1:2005/AMD1:2012, 3.39 |
|
ОПАСНОСТЬ МЕХАНИЧЕСКАЯ |
МЭК 60601-1:2005+A1:2012, 3.61 |
|
ОПЕРАТОР |
МЭК 60601-1:2005, 3.73 |
|
ПАЦИЕНТ |
МЭК 60601-1:2005/AMD1:2012, 3.76 |
|
ПЕРСОНАЛ ОБСЛУЖИВАЮЩИЙ |
МЭК 60601-1:2005, 3.113 |
|
ПРИГОДНОСТЬ, ЭКСПЛУАТАЦИОННАЯ ПРИГОДНОСТЬ |
МЭК 60601-1:2005/AMD1:2012, 3.136 |
|
ПРИМЕНЕНИЕ ПРЕДУСМОТРЕННОЕ |
МЭК 60601-1:2005/AMD1:2012, 3.44 |
|
ПРИНАДЛЕЖНОСТЬ |
МЭК 60601-1:2005, 3.3 |
|
ПРОЕКТИРОВАНИЕ ЭКСПЛУАТАЦИОННОЙ ПРИГОДНОСТИ |
МЭК 60601-1:2005/AMD1:2012, 3.137 |
|
ПРОЦЕСС |
МЭК 60601-1:2005/AMD1:2012, 3.89 |
|
РАБОТА НЕПРЕРЫВНАЯ |
МЭК 60601-1:2005+A1:2012, 3.18 |
|
РИСК |
МЭК 60601-1:2005/AMD1:2012, 3.102 |
|
РИСК ОСТАТОЧНЫЙ |
МЭК 60601-1:2005+A1:2012, 3.100 |
|
СЕТЬ ПИТАЮЩАЯ |
МЭК 60601-1:2005, 3.120 |
|
СИСТЕМА МЕДИЦИНСКАЯ ЭЛЕКТРИЧЕСКАЯ (ME СИСТЕМА) |
МЭК 60601-1:2005, 3.64 |
|
СИСТЕМА СЛУХОВАЯ |
201.3.203 |
|
СИТУАЦИЯ ОПАСНАЯ |
МЭК 60601-1:2005/AMD1:2012, 3.40 |
|
СОЕДИНЕНИЕ ФУНКЦИОНАЛЬНОЕ |
МЭК 60601-1:2006, 3.33 |
|
СОСТОЯНИЕ НОРМАЛЬНОЕ |
МЭК 60601-1:2005+A1:2012, 3.70 |
|
СПЕЦИАЛИСТ ПО СЛУХОВЫМ АППАРАТАМ |
201.3.201 |
|
СРЕДСТВА СВЯЗИ СЕТЕВЫЕ/ИНФОРМАЦИОННЫЕ |
МЭК 60601-1:2005, 3.68 |
|
СРОК СЛУЖБЫ ОЖИДАЕМЫЙ |
МЭК 60601-1:2005/AMD1:2012, 3.28 |
|
ТОК В ЦЕПИ ПАЦИЕНТА ДОПОЛНИТЕЛЬНЫЙ |
МЭК 60601-1:2005+A1:2012, 3.77 |
|
ТОК УТЕЧКИ |
МЭК 60601-1:2005, 3.47 |
|
ТОК УТЕЧКИ НА ДОСТУПНУЮ ЧАСТЬ |
МЭК 60601-1:2005, 3.129 |
|
УРОВЕНЬ ЗВУКОВОГО ДАВЛЕНИЯ |
201.3.204 |
|
УРОВЕНЬ ЗВУКОВОГО ДАВЛЕНИЯ МАКСИМАЛЬНЫЙ ВЫХОДНОЙ, УЗД90 МАКСИМАЛЬНЫЙ ВЫХОДНОЙ |
201.3.205 |
|
УСЛОВИЕ ЕДИНИЧНОГО НАРУШЕНИЯ |
МЭК 60601-1:2005+A1:2012, 3.116 |
|
ФАЙЛ МЕНЕДЖМЕНТА РИСКА |
МЭК 60601-1:2005/AMD1:2012, 3.108 |
|
ФУНКЦИЯ ОСНОВНАЯ РАБОЧАЯ |
МЭК 62366:2007, 3.14 |
|
ХАРАКТЕРИСТИКИ ОСНОВНЫЕ ФУНКЦИОНАЛЬНЫЕ |
МЭК 60601-1:2005/AMD1:2012, 3.27 |
|
ЧАСТЬ ДОСТУПНАЯ |
МЭК 60601-1:2005, 3.2 |
|
ЧАСТЬ РАБОЧАЯ |
МЭК 60601-1:2005, 3.8 |
|
ЧЕТКО РАЗЛИЧИМЫЙ |
МЭК 60601-1:2005+A1:2012, 3.15 |
|
ЧАСТЬ СЕТЕВАЯ |
МЭК 60601-1:2005+A1:2012, 3.49 |
|
ЧАСТЬ ТИПА B РАБОЧАЯ |
МЭК 60601-1:2005/AMD1:2012, 3.132 |
|
ЭКСПЛУАТАЦИЯ НОРМАЛЬНАЯ |
МЭК 60601-1:2005/AMD1:2012, 3.71 |


