Утв. и введен в действие Приказом Федерального агентства по техническому регулированию и метрологии от 23 мая 2022 г. N 355-ст
Национальный стандарт РФ ГОСТ Р 70113-2022
"ФРЕЗЫ КОНЦЕВЫЕ РАДИУСНЫЕ ВОГНУТЫЕ. ОСНОВНЫЕ РАЗМЕРЫ"
Radius concave end milling cutters. Base dimensions
ОКС 25.100.20
Дата введения - 1 июля 2023 года
Введен впервые
Предисловие
1 РАЗРАБОТАН Акционерным обществом "ВНИИИНСТРУМЕНТ" (АО "ВНИИИНСТРУМЕНТ"), Федеральным государственным унитарным предприятием "Всероссийский научно-исследовательский институт "Центр" (ФГУП "ВНИИ "Центр")
2 ВНЕСЕН Техническим комитетом по стандартизации ТК 095 "Инструмент"
3 УТВЕРЖДЕН И ВВЕДЕН В ДЕЙСТВИЕ Приказом Федерального агентства по техническому регулированию и метрологии от 23 мая 2022 г. N 355-ст
4 ВВЕДЕН ВПЕРВЫЕ
Правила применения настоящего стандарта установлены в статье 26 Федерального закона от 29 июня 2015 г. N 162-ФЗ "О стандартизации в Российской Федерации". Информация об изменениях к настоящему стандарту публикуется в ежегодном (по состоянию на 1 января текущего года) информационном указателе "Национальные стандарты", а официальный текст изменений и поправок - в ежемесячном информационном указателе "Национальные стандарты". В случае пересмотра (замены) или отмены настоящего стандарта соответствующее уведомление будет опубликовано в ближайшем выпуске ежемесячного информационного указателя "Национальные стандарты". Соответствующая информация, уведомление и тексты размещаются также в информационной системе общего пользования - на официальном сайте Федерального агентства по техническому регулированию и метрологии в сети Интернет (www.rst.gov.ru)
1 Область применения
Настоящий стандарт распространяется на фрезы концевые радиусные вогнутые из быстрорежущей стали, предназначенные для фрезерования фасонных поверхностей с радиусами от 2 до 35 мм в деталях из стали и чугуна.
2 Нормативные ссылки
В настоящем стандарте использованы нормативные ссылки на следующие стандарты:
ГОСТ 1050 Металлопродукция из нелегированных конструкционных качественных и специальных сталей. Общие технические условия
ГОСТ 2848 Конусы инструментов. Допуски. Методы и средства контроля
ГОСТ 4543 Металлопродукция из конструкционной легированной стали. Технические условия
ГОСТ 16093 Основные нормы взаимозаменяемости. Резьба метрическая. Допуски. Посадки с зазором
ГОСТ 19265 Прутки и полосы из быстрорежущей стали. Технические условия
ГОСТ 25557 Конусы инструментальные. Основные размеры
Примечание - При пользовании настоящим стандартом целесообразно проверить действие ссылочных стандартов в информационной системе общего пользования - на официальном сайте Федерального агентства по техническому регулированию и метрологии в сети Интернет или по ежегодному информационному указателю "Национальные стандарты", который опубликован по состоянию на 1 января текущего года, и по выпускам ежемесячного информационного указателя "Национальные стандарты" за текущий год. Если заменен ссылочный стандарт, на который дана недатированная ссылка, то рекомендуется использовать действующую версию этого стандарта с учетом всех внесенных в данную версию изменений. Если заменен ссылочный стандарт, на который дана датированная ссылка, то рекомендуется использовать версию этого стандарта с указанным выше годом утверждения (принятия). Если после утверждения настоящего стандарта в ссылочный стандарт, на который дана датированная ссылка, внесено изменение, затрагивающее положение, на которое дана ссылка, то это положение рекомендуется применять без учета данного изменения. Если ссылочный стандарт отменен без замены, то положение, в котором дана ссылка на него, рекомендуется применять в части, не затрагивающей эту ссылку.
3 Основные размеры
3.1 Фрезы концевые радиусные вогнутые следует изготовлять исполнений:
1 - с цилиндрическим хвостовиком с резьбой;
2 - с коническим хвостовиком Морзе.
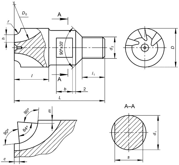
3.2 Основные размеры фрез исполнения 1 должны соответствовать указанным на рисунке 1 и в таблице 1.

Рисунок 1
Таблица 1
Размеры в миллиметрах
|
r
|
D
h16
|
L
js16
|
d1
h12
|
s
h12
|
d2
|
l
|
D0
|
l1
|
b
|
h
|
m
|
c
|
Число зубьев z
|
|
2,0
|
25
|
60
|
22
|
17
|
М14
|
20
|
63
|
15
|
12
|
3,0
|
1,0
|
2,0
|
6
|
|
2,5
|
|
3,0
|
65
|
25
|
4,0
|
|
3,5
|
|
4,0
|
30
|
70
|
|
5,0
|
35
|
80
|
32
|
27
|
М20
|
30
|
20
|
15
|
5,0
|
1,6
|
2,5
|
|
6,0
|
6,0
|
|
8,0
|
40
|
90
|
40
|
|
10,0
|
50
|
95
|
45
|
80
|
5,5
|
2,0
|
3,0
|
8
|
|
12,0
|
60
|
110
|
48
|
41
|
М27
|
7,0
|
|
15,0
|
65
|
110
|
48
|
41
|
М27
|
45
|
80
|
25
|
20
|
8,0
|
2,0
|
3,0
|
8
|
|
18,0
|
75
|
115
|
50
|
100
|
3,0
|
4,0
|
|
20,0
|
80
|
3.3 Основные размеры фрез исполнения 2 должны соответствовать указанным на рисунке 2 и в таблице 2.

Рисунок 2
Таблица 2
Размеры в миллиметрах
|
r
|
D
h16
|
L
js16
|
l
|
D0
|
h
|
m
|
c
|
Число зубьев z
|
Конус Морзе
|
|
2,0
|
25
|
100
|
20
|
63
|
3,0
|
1,0
|
2,0
|
6
|
2
|
|
2,5
|
|
3,0
|
105
|
25
|
4,0
|
|
3,5
|
|
4,0
|
30
|
|
5,0
|
35
|
125
|
30
|
5,0
|
1,6
|
2,5
|
3
|
|
6,0
|
6,0
|
|
8,0
|
40
|
135
|
40
|
|
10,0
|
50
|
165
|
45
|
80
|
5,5
|
2,0
|
3,0
|
8
|
4
|
|
11,0
|
6,0
|
|
12,0
|
60
|
7,0
|
|
13,0
|
8,0
|
|
14,0
|
65
|
|
15,0
|
|
16,0
|
|
18,0
|
75
|
200
|
50
|
100
|
3,0
|
4,0
|
5
|
|
20,0
|
80
|
|
22,0
|
|
25,0
|
90
|
240
|
55
|
|
30,0
|
95
|
250
|
60
|
|
35,0
|
105
|
270
|
65
|
Пример условного обозначения фрезы исполнения 1, с радиусом r = 2 мм, диаметром D = 25 мм:
Фреза 1 - 2 - 25 ГОСТ Р 70113-2022
Пример условного обозначения фрезы исполнения 2, с радиусом r = 2 мм, диаметром D = 25 мм:
Фреза 2 - 2 - 25 ГОСТ Р 70113-2022
3.4 Фрезы следует изготовлять из быстрорежущей стали по ГОСТ 19265. Хвостовики сварных фрез следует изготовлять из стали марки 45 или 50 по ГОСТ 1050 или стали марки 40Х по ГОСТ 4543.
3.5 Твердость рабочей части фрез - 63...66 HRC. Твердость торцовой части конического хвостовика - 32...47 HRC.
3.6 Допуск радиального и торцового биений зубьев по профилю относительно оси хвостовика должен быть не более:
0,03 мм - двух смежных зубьев;
0,06 мм - двух противоположных зубьев.
3.7 Поле допуска резьбы хвостовика 6h - по ГОСТ 16093.
3.8 Размеры конусов Морзе - по ГОСТ 25557, степень точности - АТ8 по ГОСТ 2848.
3.9 Маркировка фрез должна содержать:
- товарный знак предприятия-изготовителя;
- диаметр фрезы;
- радиус профиля фрезы;
- марка стали режущей части.