ГОСТ Р 59820-2021 МАРКИРОВКА ПРОВОДОВ, ЖГУТОВ, КАБЕЛЕЙ, СОЕДИНИТЕЛЕЙ, МОДУЛЬНЫХ КОЛОДОК, АГРЕГАТОВ И ЭЛЕМЕНТОВ СИСТЕМЫ ЭЛЕКТРОСНАБЖЕНИЯ САМОЛЕТОВ И ВЕРТОЛЕТОВ
Утв. и введен в действие Приказом Федерального агентства по техническому регулированию и метрологии от 22 ноября 2021 г. N 1545-ст
Marking of wires, harnesses, cables, connectors, modulars, units and elements of the power supply system of aircraft and helicopters
ОКС 49.060
Дата введения - 1 июня 2022 года
Введен впервые
Предисловие
1 РАЗРАБОТАН Федеральным государственным унитарным предприятием "Всероссийский научно-исследовательский институт "Центр" (ФГУП ВНИИ "Центр")
2 ВНЕСЕН Техническим комитетом по стандартизации ТК 323 "Авиационная техника"
3 УТВЕРЖДЕН И ВВЕДЕН В ДЕЙСТВИЕ Приказом Федерального агентства по техническому регулированию и метрологии от 22 ноября 2021 г. N 1545-ст
4 ВВЕДЕН ВПЕРВЫЕ
Правила применения настоящего стандарта установлены в статье 26 Федерального закона от 29 июня 2015 г. N 162-ФЗ "О стандартизации в Российской Федерации". Информация об изменениях к настоящему стандарту публикуется в ежегодном (по состоянию на 1 января текущего года) информационном указателе "Национальные стандарты", а официальный текст изменений и поправок - в ежемесячном информационном указателе "Национальные стандарты". В случае пересмотра (замены) или отмены настоящего стандарта соответствующее уведомление будет опубликовано в ближайшем выпуске ежемесячного информационного указателя "Национальные стандарты". Соответствующая информация, уведомление и тексты размещаются также в информационной системе общего пользования - на официальном сайте Федерального агентства по техническому регулированию и метрологии в сети Интернет (www.rst.gov.ru)
Настоящий стандарт устанавливает требования к маркировке проводов, жгутов, кабелей, соединителей и модульных колодок бортовой электрической сети самолетов и вертолетов, включая их приборы и агрегаты.
Маркировка проводов, жгутов, кабелей, электрических соединителей, модульных колодок и готовых изделий применяется для облегчения поверки электрических цепей, нахождения неисправностей и ремонта.
В настоящем стандарте использованы нормативные ссылки на следующие стандарты:
ГОСТ 26.008 Шрифты для надписей, наносимых методом гравирования. Исполнительные размеры
ГОСТ 26.020 Шрифты для средств измерений и автоматизации. Начертания и основные размеры
ГОСТ 515 Бумага упаковочная битумированная и дегтевая. Технические условия
ГОСТ 3560 Лента стальная упаковочная. Технические условия
ГОСТ 4986 Лента холоднокатаная из коррозионно-стойкой и жаростойкой стали. Технические условия
ГОСТ 11066 Лаки и эмали кремнийорганические термостойкие. Технические условия
ГОСТ 14923 Эмали ПФ-223. Технические условия
ГОСТ 19034 Трубки из поливинилхлоридного пластиката. Технические условия
ГОСТ 21644 Ящики деревянные для изделий авиационной техники
Примечание - При пользовании настоящим стандартом целесообразно проверить действие ссылочных стандартов в информационной системе общего пользования - на официальном сайте Федерального агентства по техническому регулированию и метрологии в сети Интернет или по ежегодному информационному указателю "Национальные стандарты", который опубликован по состоянию на 1 января текущего года, и по выпускам ежемесячного информационного указателя "Национальные стандарты" за текущий год. Если заменен ссылочный стандарт, на который дана недатированная ссылка, то рекомендуется использовать действующую версию этого стандарта с учетом всех внесенных в данную версию изменений. Если заменен ссылочный стандарт, на который дана датированная ссылка, то рекомендуется использовать версию этого стандарта с указанным выше годом утверждения (принятия). Если после утверждения настоящего стандарта в ссылочный стандарт, на который дана датированная ссылка, внесено изменение, затрагивающее положение, на которое дана ссылка, то это положение рекомендуется применять без учета данного изменения. Если ссылочный стандарт отменен без замены, то положение, в котором дана ссылка на него, рекомендуется применять в части, не затрагивающей эту ссылку.
В настоящем стандарте применены следующие сокращения:
КД - конструкторская документация;
ОТК - отдел технического контроля;
РК - распределительная коробка;
ЦРУ - центральное распределительное устройство;
ЭВМ - электронно-вычислительная машина.
4.1 Маркировке подлежат провода, жгуты и кабели бортовой электрической сети, в том числе приборы и агрегаты длиной более 150 мм.
4.2 Маркировку проводов, жгутов и кабелей следует наносить:
- на изоляцию или защитную оболочку провода лазерным или струйным методом;
- поливинилхлоридные бирки в соответствии с приложением А лазерным методом или методом горячего тиснения;
- резиновые бирки в соответствии с приложением Б краской;
- металлические бирки в соответствии с приложением В ударным способом;
- термоусаживаемые бирки в соответствии с приложением Г методом горячего тиснения или в соответствии с приложением Д термотрансферным методом;
- пластины в соответствии с приложением Е;
- этикетки в соответствии с приложением Ж.
4.3 Маркировочные обозначения проводов, жгутов, кабелей и электрических соединителей должны соответствовать требованиям КД, утвержденной в установленном порядке.
4.4 Маркировка должна быть четко нанесена, различима, механически прочна и пригодна к использованию в течение всего срока службы проводов, жгутов, кабелей и соединителей.
4.5 Цвет маркировки должен быть контрастным в процессе эксплуатации по отношению к цвету провода, защитной оболочке, бирок и этикеток.
4.6 Маркировку блоков ЦРУ, РК, панелей, пультов, соединителей, клеммных колодок, готовых изделий элементов следует выполнять с помощью лазерных и других маркировочных установок гравировкой, самоклеящимися этикетками, краской.
4.7 Выбор бирок следует проводить в соответствии с таблицей 4.1 в зависимости от зон диапазона рабочих температур, в которых их устанавливают.
|
Диапазон рабочей температуры, °C |
Наименование |
|
От минус 60 до плюс 70 |
Поливинилхлоридные бирки |
|
От минус 60 до плюс 150 |
Термоусаживаемые бирки |
|
Маркировочные пластины | |
|
Этикетки | |
|
От минус 60 до плюс 250 |
Резиновые бирки |
|
От минус 60 до плюс 450 |
Металлические бирки |
5.1 Маркировку на изоляции проводов и кабелей следует наносить лазерным или струйным методом при наличии требований КД, утвержденной в соответствующем порядке.
5.2 Маркировку следует наносить у мест их присоединения на расстоянии не более 100 мм от концов проводов до начала первого обозначения.
5.3 Минимальный интервал между первыми 3 - 5 обозначениями на концах проводов должен составлять 20 мм.
5.4 Диапазон интервала между обозначениями по всей длине провода должен составлять от 750 до 1500 мм в соответствии с рисунком 5.1.

Рисунок 5.1 - Интервал между последующими маркировочными обозначениями
5.5 Лазерную или струйную маркировку следует наносить на изоляцию проводов и кабелей, предназначенную для данного метода маркировки, в соответствии с требованиями КД, утвержденной в установленном порядке.
5.6 Лазерную или струйную маркировку следует наносить на изоляцию провода или кабеля при помощи лазерных установок, строго соблюдая прилагаемую к ним инструкцию.
5.7 Провода длиной менее 150 мм, в том числе перемычки между контактами соединителя, допускается не маркировать.
5.8 Маркировку проводов необходимо выполнять бирками в следующих случаях:
- при невозможности нанесения маркировки на изоляцию или защитную оболочку проводов лазерным или струйным методом;
- для проводов, проложенных в коллекторах электрокоммуникаций двигателей;
- для изделий опытного производства;
- для изделий разового применения;
- при маркировке экранированных проводов, витых проводов без защитной оболочки.
При этом бирки следует устанавливать по концам проводов:
- для одножильных бортовых и термоэлектродных проводов для термопар;
- одножильных монтажных проводов;
- многожильных проводов;
- неэкранированных и экранированных и смешанных жгутов;
- радиочастотных и антивибрационных коаксиальных кабелей.
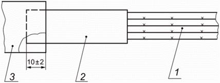
5.9 Бирки на провода, заделываемые в наконечники, следует устанавливать в соответствии с рисунком 5.2.

1 - провод; 2 - наконечник; 3 - бирка; 4 - изоляционная трубка
Рисунок 5.2 - Установка бирок на провода, заделываемые в наконечники
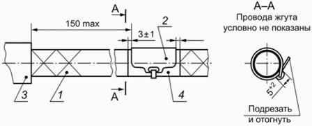
5.10 Бирки на провода, заделываемые в электрические соединители, следует устанавливать в шахматном порядке равномерно по длине в соответствии с рисунками 5.3, 5.4.

1 - провод; 2 - электрический соединитель; 3 - бирка; 4 - бандаж
Рисунок 5.3 - Установка поливинилхлоридных или резиновых бирок на провода, заделываемые в электрические соединители

1 - провод; 2 - электрический соединитель; 3 - бирка
Рисунок 5.4 - Установка термоусаживаемых бирок на провода, заделываемые в электрические соединители
5.11 Допускается использовать в качестве бирок изоляционные трубки, устанавливаемые на наконечники и на контакты электрических соединителей и электрорадиоэлементов в коробках, щитках, приборах и т.п.
5.12 Не допускается использовать в качестве бирок изоляционные трубки, устанавливаемые на контакты электрических соединителей бортовой электрической сети.
5.13 На бирки диаметром свыше 6 мм следует наносить два маркировочных обозначения в диаметрально противоположных местах.
5.14 Для многожильных проводов (кабелей) обозначение системы следует наносить на бирке, общей для провода (кабеля).
5.15 Провода трехфазного тока должны маркировать следующим образом: фазы буквами "A", "B" и "C", нулевой провод - буквой "N".
5.16 Провода и кабели должны иметь маркировочные обозначения, соответствующие КД, утвержденной в установленном порядке.
5.17 Маркировка, нанесенная на провод или кабель, должна читаться горизонтально слева направо, вертикально сверху вниз.
6.1 Маркировочные бирки следует устанавливать на жгуты:
- по их концам;
- при их переходе из отсека в отсек с обеих сторон от стенки;
- при их ответвлениях.
6.2 Маркировку жгутов проводят:
- поливинилхлоридными бирками;
- резиновыми бирками;
- термоусаживаемыми бирками;
- металлическими бирками;
- маркировочными пластинами.
6.3 Бирки для маркировки неэкранированных, экранированных и смешанных жгутов необходимо подбирать в соответствии с рабочими температурами и диаметрами жгутов.
6.4 Металлическую бирку следует устанавливать только на экранированные жгуты.
6.5 После установки бирка не должна самопроизвольно сдвигаться с места. Допускается выполнять подмотку под место установки бирки лентой "ЛЭТСАР".
6.6 Поливинилхлоридную, резиновую или термоусаживаемую бирки на жгуты следует устанавливать в зависимости от их монтажа на изделии в соответствии с рисунками 6.1 - 6.3.

1 - жгут; 2 - бирка (поливинилхлоридная, или резиновая, или термоусаживаемая); 3 - электрический соединитель
Рисунок 6.1 - Установка поливинилхлоридной, резиновой или термоусаживаемой бирки на жгут

1 - жгут; 2 - поливинилхлоридная или резиновая бирка; 3 - бандаж; 4 - электрический соединитель
Рисунок 6.2 - Установка поливинилхлоридной или резиновой бирки на жгут

1 - жгут; 2 - термоусаживаемая бирка; 3 - электрический соединитель
Рисунок 6.3 - Установка термоусаживаемых бирок на жгут
6.7 Если в электрический соединитель заделывают несколько жгутов, бирки следует устанавливать в соответствии с рисунками 6.4 и 6.5.

1 - электрический соединитель; 2 – поливинилхлоридная или резиновая бирка; 3 - жгут; 4 - бандаж
Рисунок 6.4 - Установка поливинилхлоридных или резиновых бирок при заделке нескольких жгутов в электрический соединитель

1 - электрический соединитель; 2 - термоусаживаемая бирка; 3 - жгут; 4 - бандаж
Рисунок 6.5 - Установка термоусаживаемых бирок при заделке нескольких жгутов в электрический соединитель
6.8 Металлические бирки на экранированные жгуты следует устанавливать в соответствии с рисунком 6.6. При установке место под бирку предварительно следует обмотать лентой "ЛЭТСАР" не менее чем в два слоя. Хвостовик бирки при необходимости допускается подрезать. Отрезанный конец бирки покрывают лаком КО-85 по ГОСТ 11066.

1 - жгут экранированный; 2 - металлическая бирка; 3 - электрический соединитель; 4 - лента "ЛЭТСАР"
Рисунок 6.6 - Установка металлических бирок на экранированные жгуты
6.9 Поливинилхлоридные или резиновые бирки на жгут следует устанавливать в соответствии с рисунком 6.7.

1 - жгут; 2 - поливинилхлоридная или резиновая бирка; 3 - бандаж; 4 - соединитель электрический
Рисунок 6.7 - Установка поливинилхлоридных или резиновых бирок на жгут
6.10 Термоусаживаемые бирки на жгут, маркировка проводов которого выполнена термоусаживаемыми бирками, следует устанавливать в соответствии с рисунком 6.8.

1 - жгут; 2 - термоусаживаемая бирка; 3 - электрический соединитель
Рисунок 6.8 - Установка термоусаживаемых бирок на жгут
6.11 Не допускается установка бирок на подвижные части жгутов.
6.12 В случае установки на жгуте защитной оболочки допускается маркировку наносить непосредственно на нее.
6.13 Маркировочные обозначения муфт сращивания следует наносить на гильзе или бирке.
7.1 Маркировку соединителей следует выполнять в соответствии с электрическими схемами соединений.
7.2 Маркировку электрических соединителей проводят одним из следующих способов:
- на термоусаживаемой трубке, устанавливаемой на прижим соединителя;
- при помощи маркировочных бирок, устанавливаемых на жгут (кабель);
- на защитной трубке, устанавливаемой на жгут;
- самоклеящимися этикетками;
- гравированием;
- лазерным методом.
7.3 Допускается маркировку соединителей выполнять гравированием. Обозначение соединителя гравируют в местах, удобных для обозрения. Глубина гравировки - 0,3 мм. Места гравировки следует покрыть эмалью ПФ-223 по ГОСТ 14923: на темном фоне - светлой, на светлом - темной.
7.4 Элементы электромонтажа, устанавливаемые на летательном аппарате, должны иметь маркировку, соответствующую их обозначениям в КД.
7.5 Маркировочные бирки, этикетки, выполненные при помощи средств ЭВМ термотрансферным способом, следует устанавливать (наклеивать) на видном месте около устройства или на него.
7.6 Маркировочные бирки устанавливают на электрожгут рядом с соединителем на расстоянии не более 150 мм.
7.7 На вводы наносят маркировочные этикетки.
7.8 Модульные колодки и агрегаты маркируют самоклеящимися этикетками, устанавливаемыми на корпус либо рядом с модульной колодкой или агрегатом.
7.9 Маркировку элементов электромонтажа следует выполнять самоклеящимися этикетками.
7.10 Маркировку блоков, ЦРУ, РК, панелей, пультов, соединителей, клеммных колодок, готовых изделий и элементов должны выполнять лазерной гравировкой или с помощью этикеток.
7.11 В случае непосредственной близости одинаковых разъемов во избежание ошибочного подключения допускается нанесение на сочленяемые части разъемов дополнительной цветовой маркировки.
8.1 Контроль бирок и этикеток проводится ОТК предприятия-изготовителя.
8.2 Бирки и этикетки считают годными, если все проверяемые параметры будут соответствовать внешнему виду и указанным размерам.
8.3 Контроль внешнего вида бирок и этикеток производят визуально с применением оптического инструмента не менее чем с двукратным увеличением.
8.4 Контроль размеров бирок и этикеток проводят средствами измерений класса точности не ниже 0,5.
8.5 Качество лазерной маркировки проверяют на образцах до термоусадки 20-кратной протиркой сухой безворсовой тканью, но не ранее, чем через 24 ч. Смазывание информации не допускается.
8.6 После установки на провод поверхность маркировочной бирки должна быть ровной без трещин, пятен ожога, вздутий, вмятин, однородной по цвету, без посторонних включений, видимых невооруженным глазом. Края маркировочной бирки должны быть ровными.
8.7 Длина бирки и этикетки зависит от количества знаков и высоты шрифта маркировочных данных, с учетом прибавления не менее 2 мм с каждой стороны нанесенной информации.
8.8 Четкость маркировочных обозначений на маркировочных бирках следует проверять визуально.
9.1 Бирки, рассортированные по типоразмерам и обозначениям, укладывают в ящики из гофрированного картона.
9.2 На каждый ящик из гофрированного картона после укладки в них изделий должна быть наклеена этикетка, на которой указаны:
- предприятие-изготовитель;
- обозначение;
- количество;
- штамп ОТК;
- номер и фамилия упаковщика.
9.3 При централизованном изготовлении бирок ящики из гофрированного картона с бирками должны быть уложены в сухие деревянные ящики, изготовленные в соответствии с требованиями ГОСТ 21644, выложенные внутри бумагой БУ-Б по ГОСТ 515. Масса (брутто) ящика не должна быть более 30 кг. Перемещение ящиков из гофрированного картона внутри закрытых деревянных ящиков не допускается.
9.4 Внутри деревянного ящика под крышку необходимо вложить упаковочный лист с указанием:
- предприятия-изготовителя;
- общего количества упакованных ящиков из гофрированного картона;
- количества ящиков из гофрированного картона каждого обозначения бирок в ящике;
- номера или фамилии упаковщика;
- даты упаковки.
9.5 Деревянные ящики должны быть обтянуты стальной лентой по ГОСТ 3560.
9.6 Деревянные ящики с упакованными бирками опечатывают или пломбируют пломбой представителя ОТК предприятия-изготовителя.
9.7 На деревянный ящик с помощью трафарета несмываемой краской наносят:
- массу ящика;
- дату упаковки;
- адреса отправителя и получателя.
9.8 Упаковка бирок должна обеспечивать их транспортирование всеми видами транспорта в крытых транспортных средствах.
9.9 Бирки, направляемые в страны с тропическим климатом, должны быть законсервированы.
9.10 Условия хранения бирок приведены в таблице 9.1.
|
Место хранения |
Температура, °C |
Относительная влажность воздуха (при нормальной температуре), %, не более |
|
Капитальные отапливаемые хранилища |
От 5 до 30 |
85 |
|
Капитальные неотапливаемые хранилища |
От -40 до +30 |
95 |
9.11 Условия хранения бирок должны исключать возможность их механического повреждения и прямого воздействия света. Бирки следует хранить не ближе 1 м от отопительных приборов.
9.12 Срок хранения бирок, этикеток и маркировочных пластин устанавливают с момента приемки ОТК предприятия-изготовителя:
- поливинилхлоридных - 5 лет;
- резиновых - 5 лет;
- металлических - 12 лет;
- радиационно-модифицированных термоусаживаемых - 5 лет;
- маркировочных пластин - 2 года;
- этикеток - 2 года.
Приложение А
(обязательное)
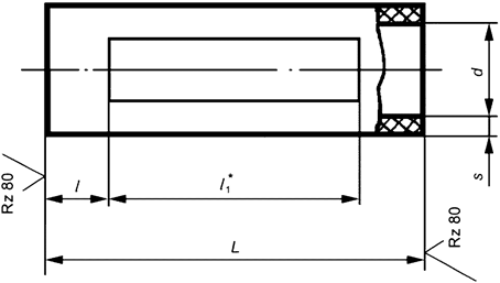
А.1 Конструкция и размеры поливинилхлоридных бирок должны соответствовать указанным на рисунке А.1 и в таблице А.1.

--------------------------------
<*> Размер обеспечивается инструментом.
Рисунок А.1
Размеры в миллиметрах
|
Типоразмер |
d |
s |
Предельное отклонение L + 2 |
l |
l1 |
Шрифт по ГОСТ 26.020 |
Масса 1000 шт., кг | ||
|
Номин. |
Пред. откл. |
Номин. |
Пред. откл. | ||||||
|
1 |
1,00 |
0,40 |
12 |
2 |
± 1 |
6 |
± 2 |
2,5-Пр2,5 |
0,024 |
|
2 |
20 |
14 |
0,040 | ||||||
|
3 |
45 |
4 |
36 |
± 3 |
0,091 | ||||
|
4 |
1,50 |
12 |
2 |
6 |
± 2 |
0,033 | |||
|
5 |
20 |
14 |
0,055 | ||||||
|
6 |
45 |
4 |
36 |
± 3 |
0,124 | ||||
|
7 |
1,75 |
0,40 |
12 |
2 |
6 |
± 2 |
0,037 | ||
|
8 |
20 |
14 |
0,064 | ||||||
|
9 |
45 |
4 |
36 |
± 3 |
0,144 | ||||
|
10 |
2,00 |
12 |
2 |
6 |
± 2 |
0,043 | |||
|
11 |
20 |
14 |
0,070 | ||||||
|
12 |
45 |
4 |
36 |
± 3 |
0,152 | ||||
|
13 |
2,50 |
12 |
2 |
6 |
± 2 |
0,50 | |||
|
14 |
20 |
14 |
0,084 | ||||||
|
15 |
45 |
4 |
36 |
± 3 |
0,189 | ||||
|
16 |
3,00 |
12 |
2 |
6 |
± 2 |
0,059 | |||
|
17 |
3,0 |
0,40 |
20 |
2 |
± 1 |
14 |
± 2 |
2,5-Пр2,5 |
0,100 |
|
18 |
45 |
4 |
36 |
± 3 |
0,222 | ||||
|
19 |
3,50 |
12 |
2 |
6 |
2 |
0,068 | |||
|
20 |
20 |
14 |
0,113 | ||||||
|
21 |
35 |
6 |
± 2 |
22 |
± 4 |
0,197 | |||
|
22 |
45 |
4 |
± 1 |
36 |
± 3 |
0,254 | |||
|
23 |
4,00 |
0,60 |
12 |
2 |
6 |
± 2 |
0,098 | ||
|
24 |
20 |
14 |
0,164 | ||||||
|
25 |
35 |
6 |
± 2 |
22 |
± 4 |
0,286 | |||
|
26 |
45 |
4 |
± 1 |
36 |
± 3 |
0,368 | |||
|
27 |
4,50 |
12 |
2 |
6 |
± 2 |
0,133 | |||
|
28 |
20 |
14 |
0,222 | ||||||
|
29 |
35 |
6 |
± 2 |
22 |
± 4 |
0,386 | |||
|
30 |
45 |
4 |
± 1 |
36 |
± 3 |
0,500 | |||
|
31 |
5,00 |
12 |
2 |
6 |
± 2 |
0,146 | |||
|
32 |
20 |
14 |
0,244 | ||||||
|
33 |
35 |
6 |
± 2 |
22 |
± 4 |
0,425 | |||
|
34 |
45 |
4 |
± 1 |
36 |
± 3 |
0,546 | |||
|
35 |
6,00 |
12 |
2 |
6 |
± 2 |
0,172 | |||
|
36 |
20 |
14 |
0,287 | ||||||
|
37 |
6,00 |
35 |
6 |
± 2 |
22 |
± 4 |
3,0-Пр3 |
0,500 | |
|
38 |
45 |
4 |
± 1 |
36 |
± 3 |
0,645 | |||
|
39 |
7,00 |
20 |
2 |
14 |
± 2 |
0,330 | |||
|
40 |
35 |
6 |
± 2 |
22 |
± 4 |
0,575 | |||
|
41 |
45 |
4 |
± 1 |
36 |
± 3 |
0,740 | |||
|
42 |
8,00 |
0,60 |
20 |
2 |
14 |
± 2 |
0,410 | ||
|
43 |
35 |
6 |
± 2 |
22 |
± 4 |
0,715 | |||
|
44 |
45 |
4 |
± 1 |
36 |
± 3 |
0,920 | |||
|
45 |
9,00 |
20 |
2 |
14 |
± 2 |
0,418 | |||
|
46 |
35 |
6 |
± 2 |
22 |
± 4 |
0,730 | |||
|
47 |
45 |
4 |
± 1 |
36 |
± 3 |
0,940 | |||
|
48 |
10,00 |
0,70 |
25 |
3 |
18 |
± 2 |
0,676 | ||
|
49 |
40 |
5 |
± 2 |
28 |
± 4 |
1,085 | |||
|
50 |
50 |
3 |
± 1 |
42 |
± 3 |
1,352 | |||
|
51 |
12,00 |
0,70 |
25 |
3 |
± 1 |
18 |
± 2 |
3,0-Пр3 |
0,804 |
|
52 |
40 |
5 |
± 2 |
28 |
± 4 |
1,285 | |||
|
53 |
50 |
3 |
± 1 |
42 |
± 3 |
1,605 | |||
|
54 |
14,00 |
25 |
18 |
± 2 |
0,940 | ||||
|
55 |
40 |
5 |
± 2 |
28 |
± 4 |
1,490 | |||
|
56 |
50 |
3 |
± 1 |
42 |
± 3 |
1,860 | |||
|
57 |
16,00 |
0,90 |
25 |
18 |
± 2 |
1,275 | |||
|
58 |
40 |
5 |
± 2 |
28 |
± 4 |
2,204 | |||
|
59 |
50 |
3 |
± 1 |
42 |
± 3 |
2,750 | |||
|
60 |
18,00 |
35 |
5 |
± 2 |
24 |
4,0-Пр4 |
2,440 | ||
|
61 |
50 |
7 |
34 |
± 6 |
3,530 | ||||
|
62 |
65 |
4 |
± 1 |
56 |
± 3 |
4,580 | |||
|
63 |
20,00 |
1,15 |
35 |
5 |
± 2 |
24 |
3,080 | ||
|
64 |
50 |
7 |
34 |
± 6 |
4,400 | ||||
|
65 |
65 |
4 |
± 1 |
56 |
± 3 |
5,730 | |||
|
66 |
25,00 |
35 |
5 |
± 2 |
24 |
3,800 | |||
|
67 |
50 |
7 |
34 |
± 6 |
5,440 | ||||
|
68 |
30,00 |
1,40 |
35 |
5 |
± 2 |
24 |
± 3 |
5,550 | |
|
69 |
50 |
7 |
34 |
± 6 |
8,100 | ||||
|
70 |
35,00 |
35 |
5 |
24 |
± 3 |
6,530 | |||
|
71 |
50 |
7 |
34 |
± 6 |
9,200 | ||||
|
72 |
40,00 |
1,75 |
35 |
5 |
24 |
± 3 |
7,920 | ||
|
73 |
50 |
7 |
34 |
± 6 |
9,230 | ||||
А.2 Поливинилхлоридные маркировочные бирки следует изготавливать из трубки 305 ТВ-40Т высшего сорта по ГОСТ 19034.
Приложение Б
(обязательное)
Б.1 Конструкция и размеры резиновых бирок должны соответствовать указанным на рисунке Б.1 и в таблице Б.1.

--------------------------------
<*> Размер обеспечивается инструментом.
Рисунок Б.1
Размеры в миллиметрах
|
Типоразмер |
d |
s |
Предельное отклонение L + 2 |
l |
l1 |
Шрифт по ГОСТ 26.020 |
Масса 1000 шт., кг | ||
|
Номин. |
Пред. откл. |
Номин. |
Пред. откл. | ||||||
|
1 |
1,0 |
0,5 |
12 |
2 |
± 1 |
6 |
± 2 |
2,5-Пр2,5 |
0,032 |
|
2 |
20 |
14 |
0,054 | ||||||
|
3 |
45 |
4 |
36 |
± 3 |
0,122 | ||||
|
4 |
1,5 |
12 |
2 |
6 |
± 2 |
0,043 | |||
|
5 |
20 |
14 |
0,072 | ||||||
|
6 |
45 |
4 |
36 |
± 3 |
0,163 | ||||
|
7 |
2,0 |
12 |
2 |
6 |
± 2 |
0,054 | |||
|
8 |
20 |
14 |
0,090 | ||||||
|
9 |
45 |
4 |
36 |
± 3 |
0,203 | ||||
|
10 |
2,5 |
12 |
2 |
6 |
± 2 |
0,065 | |||
|
11 |
20 |
14 |
0,109 | ||||||
|
12 |
45 |
4 |
36 |
± 3 |
0,244 | ||||
|
13 |
3,0 |
12 |
2 |
6 |
± 2 |
0,076 | |||
|
14 |
20 |
14 |
0,126 | ||||||
|
15 |
45 |
4 |
36 |
± 3 |
0,285 | ||||
|
16 |
3,5 |
12 |
2 |
6 |
± 2 |
0,086 | |||
|
17 |
20 |
14 |
0,144 | ||||||
|
18 |
3,5 |
0,5 |
35 |
6 |
± 2 |
22 |
± 4 |
2,5-Пр2,5 |
0,253 |
|
19 |
45 |
4 |
± 1 |
36 |
± 3 |
0,326 | |||
|
20 |
3,50 |
12 |
2 |
± 1 |
6 |
± 2 |
0,097 | ||
|
21 |
20 |
14 |
0,162 | ||||||
|
22 |
35 |
6 |
± 2 |
22 |
± 4 |
0,284 | |||
|
23 |
45 |
4 |
± 1 |
36 |
± 3 |
0,366 | |||
|
24 |
4,00 |
12 |
2 |
6 |
± 2 |
0,108 | |||
|
25 |
20 |
14 |
0,180 | ||||||
|
26 |
35 |
6 |
± 2 |
22 |
± 4 |
0,316 | |||
|
27 |
45 |
4 |
± 1 |
36 |
± 3 |
0,406 | |||
|
28 |
4,50 |
12 |
2 |
6 |
± 2 |
0,119 | |||
|
29 |
20 |
14 |
0,200 | ||||||
|
30 |
35 |
6 |
± 2 |
22 |
± 4 |
0,347 | |||
|
31 |
45 |
4 |
± 1 |
36 |
± 3 |
0,447 | |||
|
32 |
5,00 |
12 |
2 |
6 |
± 2 |
0,141 | |||
|
33 |
20 |
14 |
0,235 | ||||||
|
34 |
35 |
6 |
± 2 |
22 |
± 4 |
0,410 | |||
|
35 |
45 |
4 |
± 1 |
36 |
± 3 |
0,528 | |||
|
36 |
6,00 |
0,6 |
20 |
2 |
14 |
± 2 |
0,198 | ||
|
37 |
35 |
6 |
± 2 |
22 |
± 4 |
0,576 | |||
|
38 |
45 |
4 |
± 1 |
36 |
± 3 |
0,742 | |||
|
39 |
7,00 |
20 |
2 |
14 |
± 2 |
0,224 | |||
|
40 |
35 |
6 |
± 2 |
22 |
± 4 |
0,652 | |||
|
41 |
45 |
4 |
± 1 |
36 |
± 3 |
0,840 | |||
|
42 |
8,00 |
20 |
2 |
14 |
± 2 |
0,249 | |||
|
43 |
35 |
6 |
± 2 |
22 |
± 4 |
0,726 | |||
|
44 |
45 |
4 |
± 1 |
36 |
± 3 |
0,935 | |||
|
45 |
9,00 |
25 |
3 |
18 |
± 2 |
3,0-Пр3 |
0,574 | ||
|
46 |
40 |
5 |
± 2 |
28 |
± 4 |
0,920 | |||
|
47 |
50 |
3 |
± 1 |
42 |
± 3 |
1,150 | |||
|
48 |
10,00 |
25 |
18 |
± 2 |
0,682 | ||||
|
49 |
40 |
5 |
± 2 |
28 |
± 4 |
1,064 | |||
|
50 |
50 |
3 |
± 1 |
42 |
± 3 |
1,364 | |||
|
51 |
14,00 |
0,8 |
25 |
18 |
± 2 |
1,070 | |||
|
52 |
14,00 |
0,8 |
40 |
5 |
± 2 |
28 |
± 4 |
3,0-Пр3 |
1,715 |
|
53 |
50 |
3 |
± 1 |
42 |
± 3 |
2,140 | |||
|
54 |
16,00 |
25 |
3 |
± 1 |
18 |
± 2 |
1,215 | ||
|
55 |
40 |
5 |
± 2 |
28 |
± 4 |
1,945 | |||
|
56 |
50 |
3 |
± 1 |
42 |
± 3 |
2,430 | |||
|
57 |
18,00 |
1,0 |
35 |
5 |
± 2 |
24 |
2,400 | ||
|
58 |
50 |
7 |
34 |
± 6 |
3,440 | ||||
|
59 |
65 |
4 |
± 1 |
56 |
± 3 |
4,460 | |||
|
60 |
20,00 |
35 |
5 |
± 2 |
24 |
2,650 | |||
|
61 |
50 |
7 |
34 |
± 6 |
3,800 | ||||
|
62 |
24,00 |
1,5 |
35 |
5 |
24 |
± 3 |
4,830 | ||
|
63 |
50 |
7 |
34 |
± 6 |
4,0-Пр4 |
6,920 | |||
|
64 |
30,00 |
35 |
5 |
24 |
± 3 |
6,000 | |||
|
65 |
50 |
7 |
34 |
± 6 |
8,540 | ||||
Б.2 Резиновые маркировочные бирки изготавливают из трубки из резиновой смеси ИРП-1338 НТА на основе силиконовых каучуков способом радиационной вулканизации.
Б.3 Маркировочные обозначения соединителей на трубки должны наносить черной краской следующей рецептуры: ацетон - 44%, бутилацетат - 50%, жировой индулин - 6% с последующей сушкой при температуре от 50 °C до 100 °C в течение 15 мин.
Приложение В
(обязательное)
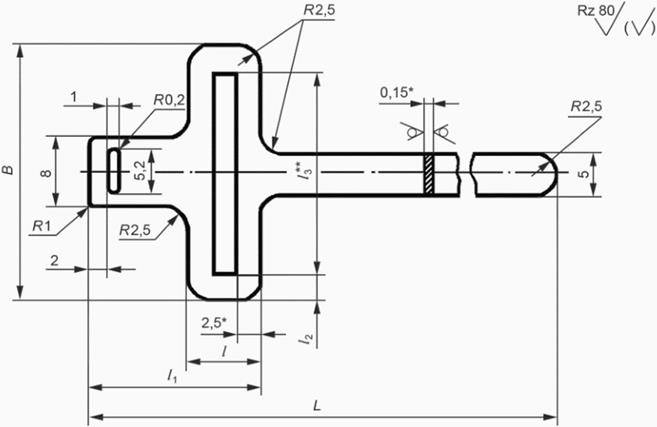
В.1 Конструкция и размеры металлических бирок должны соответствовать указанным на рисунке В.1 и в таблице В.1.

--------------------------------
<*> Размер для справок.
<**> Размер обеспечивается инструментом.
Рисунок В.1
Размеры в миллиметрах
|
Типоразмер |
L |
l |
l1 |
l2 |
l3 |
Пред. откл. B ± 2 |
Шрифт по ГОСТ 26.008 |
Масса 1000 шт., кг | |||
|
Номин. |
Пред. откл. |
Номин. |
Пред. откл. | ||||||||
|
Пред. откл. | |||||||||||
|
± 2 |
± 1 |
± 2 | |||||||||
|
1 |
30 |
7 |
18 |
3 |
± 1 |
18 |
± 2 |
25 |
3,0-Пр3 |
0,032 | |
|
2 |
5 |
± 2 |
28 |
± 4 |
40 |
0,054 | |||||
|
3 |
40 |
3 |
± 1 |
18 |
± 2 |
25 |
0,122 | ||||
|
4 |
5 |
± 2 |
28 |
± 4 |
40 |
0,043 | |||||
|
5 |
170 |
10 |
21 |
24 |
± 3 |
35 |
4,0-Пр4 |
0,072 | |||
|
6 |
7 |
34 |
± 6 |
50 |
0,163 | ||||||
В.2 Металлические маркировочные бирки изготавливают из ленты 12X18Н10Т-М. Допускается изготовление из ленты 12X18Н10Т-М-НТ-3-НО-0,15 по ГОСТ 4986.
В.3 Покрытие - хим.пас.
В.4 На металлической бирке следует наносить маркировку жгута в соответствии с требованиями настоящего стандарта ударным способом на глубину 0,05 мм.
В.5 Поверхность металлических бирок должна быть ровной, без трещин, заусенцев и острых кромок.
Приложение Г
(обязательное)
Г.1 Конструкция и размеры термоусаживаемых бирок должны соответствовать указанным на рисунке Г.1 и в таблице Г.1.

--------------------------------
<*> Размер обеспечивается инструментом.
Рисунок Г.1
|
Обозначение |
Цвет |
Внутренний диаметр бирки до усадки, мм |
Внутренний диаметр бирки после усадки, мм |
Рабочая температура, °C |
Диаметр провода, мм |
Масса, г/м |
|
"Радпласт Т-2"-1.4/0,7 |
Белый |
1,4 |
0,7 |
От -60 до +135 |
0,8 - 1,2 |
0,6 |
|
"Радпласт Т-2"-2/1 |
Красный |
2,0 |
1,0 |
1,4 - 1,6 |
2,4 | |
|
"Радпласт Т-2"-3/1.5 |
Зеленый |
3,0 |
1,3 |
1,65 - 2,4 |
3,2 | |
|
"Радпласт Т-2"-4/2 |
Синий |
4,0 |
2,0 |
2,2 - 3,2 |
4,0 | |
|
"Радпласт Т-2"-6/3 |
Красный |
6,0 |
3,0 |
3,0 - 4,8 |
6,5 | |
|
"Радпласт Т-2"-8/4 |
Желтый |
8,0 |
4,0 |
4,4 - 6,4 |
8,5 | |
|
"Радпласт Т-2"-12/6 |
Белый |
12,0 |
6,0 |
6,6 - 10,5 |
12,4 | |
|
"Радпласт Т-2"-20/10 |
Серый |
20,0 |
10,0 |
11,0 - 16,0 |
32,3 | |
|
"Радпласт Т-2"-30/15 |
Серый |
30,0 |
15,0 |
16,4 - 24,0 |
51,6 | |
|
"Радпласт Т-2"-40/20 |
Серый |
40,0 |
20,0 |
22,0 - 32,0 |
61,3 |
Г.2 Термоусаживаемые маркировочные бирки изготавливают из: Радпласт Т-2.
Г.3 Поверхность термоусаживаемых бирок должна быть ровной, без вздутий и вмятин.
Г.4 Внешний вид термоусаживаемых бирок должен быть без трещин, металлических включений, видимых невооруженным глазом. Допускаются следы от формующего инструмента.
Г.5 Четкость маркировки должна сохраняться в условиях эксплуатации. Допускается потемнение бирок, но не мешающее прочтению надписи.
Г.6 Термоусаживаемые бирки, установленные на проводах, жгутах или кабелях, должны усаживаться с помощью термовентиляторов по действующей производственной инструкции.
Приложение Д
(справочное)
Д.1 Маркировочный комплект ТМАРК-РМ-2П предназначен в целях серийного или мелкосерийного изготовления односторонних или двухсторонних термоусаживаемых маркеров методом термотрансферной печати для эксплуатации в интервале температур от -60 °C до +135 °C и с повышенной стойкостью нанесенной информации к воздействию растворителей, топлива и масел. Внутренний диаметр до усадки - не более 12 мм.
Д.2 В маркировочный комплект ТМАРК-РМ-2П входит:
- самозатухающая радиационно-модифицированная термоусаживаемая трубка типа ТМАРК-РМ-2П (тип "Радпласт Т-4") с подготовленной для печати поверхностью, предназначенная для изоляции и герметизации при монтаже и ремонте кабелей связи, электрических жгутов бортовых сетей летательных аппаратов, внутриблочного монтажа приборов в изделиях. Применяют в тех случаях, когда требуется гибкость и подвижность изолируемых объектов в процессе эксплуатации;
- красящая лента (риббон) типа ТМАРК-ResT-DR с пигментом, обеспечивающим четкое нанесение и высокую контрастность маркировочных обозначений, стойких к воздействию растворителей, топлива и масел.
Д.3 Выбор маркировочного комплекта ТМАРК-РМ-2П следует проводить в соответствии с таблицей Д.1.
|
Наименование |
Внутренний диаметр до усадки, не менее |
Внутренний диаметр после усадки, не более |
Толщина стенки после усадки |
|
ТМАРК-РМ-2П 3/1,5 |
3,0 |
1,5 |
0,5 ± 0,1 |
|
ТМАРК-РМ-2П 4/2 |
4,0 |
2,0 |
0,5 ± 0,1 |
|
ТМАРК-РМ-2П 6/3 |
6,0 |
3,0 |
0,6 ± 0,1 |
|
ТМАРК-РМ-2П 8/4 |
8,0 |
4,0 |
0,6 ± 0,1 |
|
ТМАРК-РМ-2П 10/5 |
10,0 |
5,0 |
0,6 ± 0,1 |
|
ТМАРК-РМ-2П 12/6 |
12,0 |
6,0 |
0,6 ± 0,1 |
Д.4 Маркировочные комплекты термоусаживаемых трубок для термотрансферной печати ТМАРК-НГ-ЗП, ТМАРК-НГ-2П, ТМАРК-БГ-2П, ТМАРК-МТ-2П предназначены для серийного или мелкосерийного изготовления односторонних или двухсторонних термоусаживаемых маркеров методом термотрансферной печати.
Комплекты изготавливают из трех видов модификаций материала полиолефиновых трубок НГ - отсутствие горения (для эксплуатации в интервале температур от -60 °C до +135 °C, внутренний диаметр не более 38,1 мм), БГ - отсутствие галогенов (для эксплуатации в интервале температур от -60 °C до +105 °C, внутренний диаметр не более 50,8 мм), МТ - маркировочная трубка, в двух основных цветовых исполнениях - белом и желтом (по согласованию с потребителем возможны другие цветовые исполнения).
Д.5 Выбор маркировочного комплекта ТМАРК-НГ-2П, ТМАРК-БГ-2П, ТМАРК-МТ-2П следует проводить в соответствии с таблицей Д.2.
В миллиметрах
|
Наименование |
Ширина области печати |
До усадки |
После полной усадки | |
|
Внутренний 0 min |
Внутренний 0 max |
Толщина стенок | ||
|
ТМАРК-НГ-2П-2,4/1,2 |
4,2 |
2,4 |
1,2 |
0,51 |
|
ТМАРК-БГ-2П-2,4/1,2 | ||||
|
ТМАРК-МТ-2П-2,4/1,2 | ||||
|
ТМАРК-НГ-2П-3,2/1,6 |
5,6 |
3,2 |
1,6 |
0,63 |
|
ТМАРК-БГ-2П-3,2/1,6 | ||||
|
ТМАРК-МТ-2П-3,2/1,6 | ||||
|
ТМАРК-НГ-2П-4,8/2,4 |
7,6 |
4,8 |
2,4 |
0,63 |
|
ТМАРК-БГ-2П-4,8/2,4 | ||||
|
ТМАРК-МТ-2П-4,8/2,4 | ||||
|
ТМАРК-НГ-2П-6,4/3,2 |
10,7 |
6,4 |
3,2 |
0,72 |
|
ТМАРК-БГ-2П-6,4/3,2 | ||||
|
ТМАРК-МТ-2П-6,4/3,2 | ||||
|
ТМАРК-НГ-2П-9,5/4,8 |
15,1 |
9,5 |
4,8 |
0,70 |
|
ТМАРК-БГ-2П-9,5/4,8 | ||||
|
ТМАРК-МТ-2П-9,5/4,8 | ||||
|
ТМАРК-НГ-2П-12,7/6,4 |
20,9 |
12,7 |
6,4 |
0,70 |
|
ТМАРК-БГ-2П-12,7/6,4 | ||||
|
ТМАРК-МТ-2П-12,7/6,4 | ||||
|
ТМАРК-НГ-2П-19,1/9,5 |
30,9 |
19,1 |
9,5 |
0,77 |
|
ТМАРК-БГ-2П-19,1/9,5 | ||||
|
ТМАРК-МТ-2П-19,1/9,5 | ||||
|
ТМАРК-НГ-2П-25,4/12,7 |
40,5 |
25,4 |
12,7 |
0,92 |
|
ТМАРК-БГ-2П-25,4/12,7 | ||||
|
ТМАРК-МТ-2П-25,4/12,7 | ||||
|
ТМАРК-НГ-2П-8,1/19,1 |
60,5 |
38,1 |
19,1 |
0,97 |
|
ТМАРК-БГ-2П-38,1/19,1 | ||||
|
ТМАРК-МТ-2П-38,1/19,1 | ||||
|
ТМАРК-БГ-2П-50,8/25,4 |
79,3 |
50,8 |
25,4 |
0,97 |
Д.6 Выбор маркировочного комплекта ТМАРК-НГ-ЗП следует проводить в соответствии с таблицей Д.3.
В миллиметрах
|
Наименование |
Ширина области печати |
До усадки |
После полной усадки | |
|
Внутренний 0 min |
Внутренний 0 max |
Толщина стенок | ||
|
ТМАРК-НГ-ЗП-2,4/0,8 |
4,2 |
2,4 |
0,8 |
0,53 |
|
ТМАРК-НГ-ЗП-3,2/1,0 |
5,6 |
3,2 |
1,0 |
0,58 |
|
ТМАРК-НГ-ЗП-4,8/1,5 |
7,6 |
4,8 |
1,5 |
0,58 |
|
ТМАРК-НГ-ЗП-6,4/2,0 |
10,7 |
6,4 |
2,0 |
0,63 |
|
ТМАРК-НГ-ЗП-9,5/3,0 |
15,1 |
9,0 |
3,0 |
0,63 |
|
ТМАРК-НГ-ЗП-12,7/4,0 |
20,9 |
12,7 |
4,0 |
0,68 |
|
ТМАРК-НГ-ЗП-19,1/6,0 |
30,9 |
19,1 |
6,0 |
0,90 |
|
ТМАРК-НГ-ЗП-25,4/8,0 |
40,5 |
25,4 |
8,0 |
1,00 |
|
ТМАРК-НГ-ЗП-8,1/12,7 |
60,5 |
38,1 |
12,7 |
1,10 |
Д.7 Типы шрифтов для нанесения маркировочной информации, заложенные в программном обеспечении принтера, выбирают в зависимости от ширины маркировочной бирки, количества знаков и строк.
Д.8 Нанесение маркировочных обозначений на маркировочные комплекты ТМАРК-РМ-2П, ТМАРК-НГ-ЗП, ТМАРК-НГ-2П, ТМАРК-БГ-2П, ТМАРК-МТ-2П рекомендуется выполнять на термотрансферных принтерах с односторонней печатью CAB SQUIX 4/300M, CAB EOS2/300, CAB EOS5/300 и двусторонней печатью CAB XD4T/300.
Примечание - По согласованию с разработчиком маркировочных комплектов для нанесения информации на бирках возможно применение других термотрансферных принтеров.
Приложение Е
(справочное)
Е.1 Комплекты маркировочных пластин ТМАРК-135-НГ на основе радиационно-модифицированного полиолефина (далее - комплекты) предназначены для серийного или мелкосерийного изготовления односторонних и двусторонних маркировочных пластин методом термотрансферной печати, для эксплуатации в интервале температур от -60 °C до +135 °C и с повышенной стойкостью нанесенной информации к воздействию растворителей, топлива и масел.
Е.2 В комплект ТМАРК-135-НГ входит:
- лента из самозатухающего радиационно-модифицированного (сшитого) полиолефина толщиной 600 мкм с перфорацией пластин и мест их крепления, подготовленная для термотрансферной печати и предназначенная для маркировки элементов и устройств при монтаже и ремонте оборудования летательных аппаратов, а также для других транспортных средств и устройств. Применяются в тех случаях, когда требуется устойчивость в заданном интервале температур и стойкость нанесенной информации к воздействию растворителей, топлива и масел, а также стойкость к ультрафиолетовому излучению;
- красящая лента (риббон) типа ТМАРК-ResT-DR с пигментом, обеспечивающим четкое нанесение и высокую контрастность маркировочных обозначений, стойких к воздействию растворителей, топлива и масел.
Е.3 Комплекты изготавливают в белом и желтом цветовых исполнениях.
Е.4 Выбор комплекта ТМАРК-135-НГ следует проводить в соответствии с таблицей Е.1.
В миллиметрах
|
Наименование |
Размер |
Отклонение верт./гор. |
Размер поля для печати |
|
ТМАРК-135-НГ-1042 |
10 x 42 |
± 0,5/± 1,5 |
8 x 23 |
|
ТМАРК-135-НГ-1059 |
10 x 59 |
± 0,5/± 1,5 |
8 x 41 |
|
ТМАРК-135-НГ-1073 |
10 x 73 |
± 0,5/± 1,5 |
8 x 55 |
|
ТМАРК-135-НГ-1349 |
12,8 x 49 |
± 0,5/± 1,5 |
11 x 30 |
|
ТМАРК-135-НГ-1942 |
19 x 42 |
± 0,5/± 1,5 |
17 x 29 |
|
ТМАРК-135-НГ-1959 |
19 x 59 |
± 0,5/± 1,5 |
17 x 41 |
|
ТМАРК-135-НГ-1973 |
19 x 73 |
± 0,5/± 1,5 |
17 x 51 |
|
ТМАРК-135-НГ-2049 |
20 x 49 |
± 0,5/± 1,5 |
18 x 30 |
|
ТМАРК-135-НГ-3859 |
38 x 59 |
± 0,5/± 1,5 |
36 x 43 |
|
ТМАРК-135-НГ-3873 |
38 x 73 |
± 0,5/± 1,5 |
36 x 58 |
Е.5 Комплекты высокотемпературных маркировочных пластин ТМАРК-320 на основе полиимида предназначены для серийного или мелкосерийного изготовления односторонних и двусторонних маркировочных пластин методом термотрансферной печати для эксплуатации при температуре до +320 °C. В комплект входит риббон, обеспечивающий устойчивость нанесенной информации к воздействию растворителей, топлива и масел.
Е.6 Типы шрифтов для нанесения маркировочной информации, заложенные в программном обеспечении принтера, выбирают в зависимости от ширины маркировочной пластины, количества знаков и строк.
Е.7 Нанесение обозначений на маркировочные комплекты ТМАРК-135-НГ, ТМАРК-320 рекомендуется выполнять на термотрансферных принтерах с односторонней печатью CAB SQUIX 4/300M, CAB EOS2/300, CAB EOS5/300 и с двусторонней печатью CAB XD4T/300.
Примечание - По согласованию с разработчиком маркировочных комплектов для нанесения информации на пластинах возможно применение других термотрансферных принтеров.
Приложение Ж
(справочное)
Ж.1 Маркировочные комплекты ТМАРК-ЭТТ предназначены для серийного или мелкосерийного изготовления односторонних маркировочных самоклеящихся этикеток (на основе полиэстера) произвольной длины методом термотрансферной печати, для эксплуатации в интервале температур от -60 °C до +150 °C и с повышенной стойкостью нанесенной информации к воздействию растворителей, топлива и масел.
Комплекты изготавливают в трех цветовых исполнениях самоклеящихся этикеток:
- ТМАРК-ЭТТ-3178 с использованием ТМАРК 3178 - белая глянцевая;
- ТМАРК-ЭТТ-3478 с использованием ТМАРК 3478 - белая матовая;
- ТМАРК-ЭТТ-3978 с использованием ТМАРК 3978 - серебристая матовая.
Ж.2 Комплекты маркировочных высокотемпературных этикеток ТМАРК-320-ЭТТ на основе полиимида предназначены для серийного или мелкосерийного изготовления односторонних маркировочных самоклеящихся этикеток произвольной длины методом термотрансферной печати для эксплуатации при повышенных температурах. Возможно использование для маркировки провода и кабеля "флажком". В комплект входит риббон, обеспечивающий устойчивость нанесенной информации к воздействию растворителей, топлива и масел.
Ж.3 Типы шрифтов для нанесения маркировочной информации, заложенные в программном обеспечении принтера, выбирают в зависимости от ширины маркировочной этикетки, количества знаков и строк.
Ж.4 Нанесение обозначений на маркировочные комплекты ТМАРК-ЭТТ, ТМАРК-320-ЭТТ рекомендуется выполнять на термотрансферных принтерах с односторонней печатью CAB SQUIX 4/300M, CAB EOS2/300, CAB EOS5/300 и с двусторонней печатью CAB XD4T/300.
Примечание - По согласованию с разработчиком маркировочных комплектов для нанесения информации на этикетках возможно применение других термотрансферных принтеров.


