ГОСТ Р 59872-2021 ИНФОРМАЦИОННО-КОММУНИКАЦИОННЫЕ ТЕХНОЛОГИИ В ОБРАЗОВАНИИ. ИНТЕЛЛЕКТУАЛЬНЫЕ СИСТЕМЫ ОБЕСПЕЧЕНИЯ БЕЗОПАСНОСТИ ПРОИЗВОДСТВА. ОБЩИЕ ПОЛОЖЕНИЯ
Утв. и введен в действие Приказом Федерального агентства по техническому регулированию и метрологии от 24 ноября 2021 г. N 1561-ст
Information and communication technologies in education. Intelligent systems for ensuring production safety. General regulations
ОКС 13.100;
13.110;
13.200;
35.240.99
Дата введения - 1 февраля 2022 года
Введен впервые
Предисловие
1 РАЗРАБОТАН Обществом с ограниченной ответственностью "Научно-исследовательская и производственная фирма ТЕХИНТЕЛЛ" (ООО НИИПФ ТЕХИНТЕЛЛ)
2 ВНЕСЕН Техническим комитетом по стандартизации ТК 461 "Информационно-коммуникационные технологии в образовании"
3 УТВЕРЖДЕН И ВВЕДЕН В ДЕЙСТВИЕ Приказом Федерального агентства по техническому регулированию и метрологии от 24 ноября 2021 г. N 1561-ст
4 ВВЕДЕН ВПЕРВЫЕ
Правила применения настоящего стандарта установлены в статье 26 Федерального закона от 29 июня 2015 г. N 162-ФЗ "О стандартизации в Российской Федерации". Информация об изменениях к настоящему стандарту публикуется в ежегодном (по состоянию на 1 января текущего года) информационном указателе "Национальные стандарты", а официальный текст изменений и поправок - в ежемесячном информационном указателе "Национальные стандарты". В случае пересмотра (замены) или отмены настоящего стандарта соответствующее уведомление будет опубликовано в ближайшем выпуске ежемесячного информационного указателя "Национальные стандарты". Соответствующая информация, уведомление и тексты размещаются также в информационной системе общего пользования - на официальном сайте Федерального агентства по техническому регулированию и метрологии в сети Интернет (www.rst.gov.ru)
Введение
Настоящий стандарт разработан в соответствии с [1] в целях защиты жизни и здоровья работников на основе интеллектуальных систем обеспечения безопасности производства.
Настоящий стандарт устанавливает общие требования к интеллектуальным системам обеспечения безопасности производства (ИСО БП), порядку формализации знаний по безопасности производства, способам использования формализованных знаний и данных для обучения принятию решений специалистов и работников по безопасности производства. ИСО БП рассматриваются как многофункциональный профессиональный инструментарий для специалистов по безопасности производства, дополняющий и наращивающий возможности профессионалов, но не исключающий их обязательного участия в выработке профессиональных эффективных решений по безопасности производства.
ИСО БП являются неотъемлемым элементом цифровой системы управления современным безопасным производством и способствуют модернизации методов и технологий, применяемых при создании безопасного производства [2] - [5].
Цель настоящего стандарта - предоставить структуру интеллектуальной системы обеспечения безопасности производства, системную архитектуру, используемую для решения задач по обучению принятию решений для обеспечения безопасности производства, а также способы формирования решений, взаимосвязанные с процессами цифрового обучения лиц, принимающих решения.
Стандартизации подлежит подход к накоплению и использованию формализованных знаний по безопасности производства, применяемых в процессах управления и обмена знаниями в интеллектуальных системах обеспечения безопасности производства. Посредством стандартизации системных компонентов ИСО БП, содержания базовых структурных элементов, блоков и модулей интеллектуальной системы обеспечивается формирование необходимых ресурсов для обмена знаниями по безопасности производства между различными организационными структурами, порядка обмена информацией в целях выявления эффективных средств создания безопасного производства.
Настоящий стандарт устанавливает требования к интеллектуальным системам обеспечения безопасности производства (ИСО БП), включая структуру, технологию построения, сопровождения и развития с использованием средств информационных и экспертных технологий и систем, применяемых в условиях реального производства, обеспечивающих эффективное функционирование служб безопасности производства и организацию качественной подготовки и переподготовки кадров. Основные положения стандарта применимы к любым организационным структурам с любой формой собственности и любым видам дистанционных технологий управления безопасностью производства.
Настоящий стандарт устанавливает требования к обмену и объединению неоднородной информации, формализуемой в виде ресурсов ИСО БП, используемой во взаимосвязанных процессах цифрового обучения принятию безошибочных решений для создания безопасного производства, накопления, оценки и санкционированного обмена знаниями по безопасности производства.
Положения настоящего стандарта могут быть использованы на этапах проектирования, разработки, поставки и сопровождения средств информационных систем и систем обеспечения безопасности производства, использующих ИСО БП. Выполнение положений настоящего стандарта является важным условием обеспечения безопасности производства, повышения комфортности производственных процессов, доступности и открытости образовательных услуг в области безопасности производства.
В настоящем стандарте использованы нормативные ссылки на следующие стандарты:
ГОСТ 12.0.002 Система стандартов безопасности труда. Термины и определения
ГОСТ 12.0.004 Система стандартов безопасности труда. Организация обучения безопасности труда. Общие положения
ГОСТ 33244 Информационные технологии. Обучение, образование и подготовка. Концептуальная эталонная модель компетенции и связанных объектов
ГОСТ Р 57099 Информационно-коммуникационные технологии в образовании. Электронное обучение безопасности производства. Общие положения
ГОСТ Р 58025 Информационно-коммуникационные технологии в образовании. Электронное обучение безопасности производства. Электронное портфолио работника по безопасности производства
ГОСТ Р 58355 Информационно-коммуникационные технологии в образовании. Электронное обучение безопасности производства. Информационная модель компетенций работника по безопасности производства
ГОСТ Р 52653 Информационно-коммуникационные технологии в образовании. Термины и определения
ГОСТ Р ИСО/МЭК 2382-36 Информационная технология. Словарь. Часть 36. Обучение, образование и подготовка
ГОСТ Р 53114 Защита информации. Обеспечение информационной безопасности в организации. Основные термины и определения
ГОСТ Р ИСО/МЭК 9126 Информационная технология. Оценка программной продукции. Характеристики качества и руководства по их применению
ГОСТ Р 57193 (ISO/IEC/IEEE 15288:2015) Системная и программная инженерии. Процессы жизненного цикла систем
Примечание - При пользовании настоящим стандартом целесообразно проверить действие ссылочных стандартов в информационной системе общего пользования - на официальном сайте Федерального агентства по техническому регулированию и метрологии в сети Интернет или по ежегодному информационному указателю "Национальные стандарты", который опубликован по состоянию на 1 января текущего года, и по выпускам ежемесячного информационного указателя "Национальные стандарты" за текущий год. Если заменен ссылочный стандарт, на который дана недатированная ссылка, то рекомендуется использовать действующую версию этого стандарта с учетом всех внесенных в данную версию изменений. Если заменен ссылочный стандарт, на который дана датированная ссылка, то рекомендуется использовать версию этого стандарта с указанным выше годом утверждения (принятия). Если после утверждения настоящего стандарта в ссылочный стандарт, на который дана датированная ссылка, внесено изменение, затрагивающее положение, на которое дана ссылка, то это положение рекомендуется применять без учета данного изменения. Если ссылочный стандарт отменен без замены, то положение, в котором дана ссылка на него, рекомендуется применять в части, не затрагивающей эту ссылку.
В настоящем стандарте применены термины по ГОСТ Р 57099, ГОСТ Р 58025, ГОСТ Р 58355, ГОСТ 12.0.004, ГОСТ 12.0.002, ГОСТ 33244, ГОСТ Р 52653, ГОСТ Р ИСО/МЭК 2382-36, ГОСТ Р 53114, а также следующие термины с соответствующими определениями:
3.1 интеллектуальная система обеспечения безопасности производства: ИСО БП: Совокупность интеллектуальных информационных, экспертных и коммуникационных методов и технологий, основанных на профессиональных знаниях и поддерживающих процессы цифрового обучения принятию технологически эффективных, экономически рациональных безошибочных решений по обеспечению безопасности производства.
3.2 блок ИСО БП: Программно-аппаратное устройство, обеспечивающее функции взаимосвязанной формализации, накопления и пополнения сведений (данных и знаний), включая графические описания и имитационные модели для целей цифрового обучения безопасности производства.
3.3 модуль ИСО БП: Группа блоков, обеспечивающих реализацию завершенного цикла операций и действий по созданию безопасного производства.
3.4 уровень безопасности производства: Комплексный показатель, характеризуемый вероятностью возникновения травмы, производственно обусловленного заболевания, ухудшения условий труда.
3.5 уровень опасности травмирования: Вероятность возникновения травмы (несчастного случая) с летальным исходом или временной нетрудоспособностью, расчет которой учитывает опасные и вредные факторы, воздействующие на условия возникновения травмы.
3.6 уровень производственно обусловленной заболеваемости: Вероятность возникновения производственно обусловленной заболеваемости, расчет которой учитывает опасные и вредные факторы, воздействующие на условия возникновения заболеваемости.
3.7 уровень нормализации условий труда: Вероятность возникновения отклонений нормального состояния условий труда на рабочем месте, участке, территории организации, расчет которой учитывает опасные и вредные факторы, вызвавшие отклонения условий труда от нормального состояния.
3.8 цифровая интеллектуальная система обучения безопасности производства; ЦСО БП: Интеллектуальная информационная технология, базирующаяся на актуальных профессиональных знаниях высококвалифицированных специалистов с учетом знаний ответственных за обучение и самих обучаемых, встраиваемая в цифровые технологии конкретного производства и предусматривающая использование всего набора имитационных моделей, связанных с обеспечением безопасности данного производства.
3.9 цифровое обучение безопасности производства: Процессы цифровых инструктажей, подготовки для аттестации, аттестации персонала и его обучения принятию решений по безопасности производства с применением интеллектуальных информационных технологий и профессиональных программных систем.
4.1 Для эффективного обеспечения безопасности производства интеллектуальными информационными технологиями в области безопасности производства должны быть охвачены все производственные структуры, а в качестве базовых способов должны применяться взаимосвязанные информационно-коммуникационные и экспертные способы и технологии, предполагающие открытость комплексных программных систем и их способность накапливать формализованные опыт и знания пользователей-профессионалов.
4.2 ИСО БП должны способствовать снижению производственного травматизма, профилактике производственно обусловленной заболеваемости и улучшению условий труда на производстве путем применения интеллектуальных информационно-коммуникационных технологий поддержки принятия своевременных эффективных решений по созданию безопасного производства, используемых при построении и реализации цифровых программ обучения принятию безошибочных решений по безопасности производства.
4.3 Порядок и виды обучения и проверки знаний по безопасности производства (безопасности труда, гигиене труда, охране труда, экологической безопасности и других видов безопасности) рабочих, служащих, руководителей и специалистов предприятий и организаций (далее персонала) устанавливаются в соответствии с ГОСТ 12.0.004 и другими нормативными актами соответствующих Федеральных органов исполнительной власти в соответствующей сфере деятельности.
4.4 Процессы цифрового обучения принятию решений по безопасности производства должны создавать единую интеллектуальную информационно-коммуникационную среду формирования безошибочных решений, в которой при обучении персонала должны использоваться выработанные системой и принятые решения, трансформируемые в управляющие воздействия, а в процессе выработки решения и управляющего воздействия должны использоваться сведения о результатах обучения персонала, что повышает качество решений и обучения, их практическую целесообразность для конкретного производства.
4.5 Во взаимосвязанных процессах выработки и поддержки принятия решений по обеспечению безопасного производства и процессах обучения персонала принятию решений по безопасности производства следует использовать графические описания состояния безопасности производственных объектов, машин, оборудования и действий работников, которые формируют пользователи-профессионалы, и имитационные модели производственных процессов, что существенно повышает качество формализации знаний, используемых при выработке решений и обучении персонала для обеспечения безопасности конкретного производства.
4.6 Имитационные модели производственных процессов, применяемые в процессах обучения персонала принятию решений по безопасности производства, должны обеспечивать анализ и оптимизацию производственных систем и выбор безопасных, экономически целесообразных стратегий управления системами, выполнять оценку эффективности функционирования существующей производственной системы, анализировать возможные риски, выполнять выбор рациональной организационно-технологической структуры, включая организацию безопасных рабочих мест, участков и всего производства.
4.7 Основная функциональная задача ИСО БП должна заключаться в создании для специалистов предприятий и организаций, принимающих решения по обеспечению безопасности производства, единой сетевой интеллектуальной информационно-коммуникационной среды эффективного обучения принятию безошибочных решений по безопасности производства с применением экспертных технологий при взаимосвязанном формировании решений и программ цифрового обучения принятию решений по безопасности производства.
4.8 Реализация концепции цифрового производства с использованием ИСО БП должна позволять свести к минимуму нештатные и аварийные ситуации в реальном производстве за счет их выявления и устранения на ранних этапах подготовки производства в виртуальной среде.
При обнаружении ошибок в технологии и организации производства на стадии виртуального моделирования их следует устранять на этапе проектирования, что позволяет организовать реальное эффективное производство с необходимым уровнем безопасности. Имитационные модели производственных систем в условиях осуществленного производства следует рассматривать тренажерами для его совершенствования, поверки внедрения новых управленческих подходов без экспериментов в реальном производстве, учитывая при этом, что имитационные модели управления производством не могут исключить вероятность возникновения нештатных ситуаций, связанных с действиями персонала.
4.9 При применении ИСО БП в организации, использующей цифровые технологии, ИСО БП создает цифровую среду, встраиваемую в цифровую систему управления производством, поддерживает безопасность всех технологических процессов с участием человека, выполняет своевременное обучение персонала безопасности производства и принятию безошибочных решений по безопасности производства. Цифровые технологии определяют повышенные технические возможности коммуникационных устройств и сетевых ресурсов в части устойчивости, технологичности, объема и скорости обмена данными и знаниями, что повышает эффективность функционирования ИСО БП.
4.10 ИСО БП в цифровом производстве следует рассматривать как интеллектуальный ресурс лица, принимающего решение, при обеспечении безопасности производства на разных его стадиях: в действующих технологических процессах с заложенными в них уровнем безопасности и степенью участия человека и в проектируемых технологических процессах с использованием имитационного моделирования и выбором безопасных технологических цепочек с минимальным участием человека.
4.11 Промышленные ИСО БП, встроенные в цифровое производство, должны устранять традиционные недостатки систем принятия решений и обучения безопасности производства, связанные со слабым представлением разработчиков о потребностях пользователей в различных фазах функционирования системы, с отсутствием четкой иерархии целей, задач и методов их реализации с учетом динамики развития производства и возможных компромиссов, со сложностью оперативного учета опыта и знаний пользователя в конкретной предметной области безопасности производства.
4.12 В ИСО БП должны исключаться накапливание формализованной информации в избыточных объемах при соблюдении принципа полноты и достаточности данных и знаний для ограниченного круга поставленных целей и задач цифрового обучения, обеспечиваться полный учет интересов пользователя на всех этапах функционирования цифровой интеллектуальной системы обеспечения безопасности производства.
5.1 ИСО БП должна создаваться как многофункциональный сетевой открытый программный комплекс, реализующий взаимосвязанные процессы поддержки принятия безошибочных решений и цифрового обучения персонала принятию решений по безопасности производства в единой интеллектуальной информационно-коммуникационной среде с применением экспертных технологий.
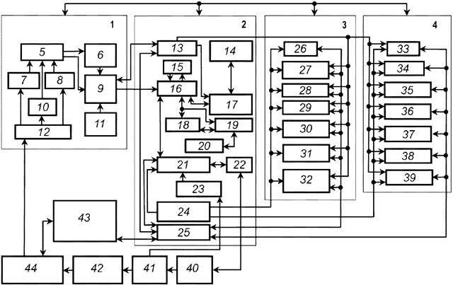
5.2 В функционально-технологической структуре сетевой ИСО БП должны быть выделены четыре модуля - модуль информационных блоков, модуль базовых программных блоков, модуль функциональных блоков поддержки принятия решений и модуль функциональных блоков цифрового обучения, исходя из функциональных особенностей входящих в них блоков, которые применяются для формирования и поддержки в актуальном состоянии процессов цифрового обучения принятию решений по безопасности производства (приложение А).
5.3 Модуль информационных блоков должен поддерживать обеспечивающие информационно-технологические процессы (ОИТП), поставляющие необходимый объем сведений для вычислительной среды ИСО БП с использованием дифференцированных систем учета и сбора данных, в которой значительная доля операций остается за человеком и связана с наблюдением за состоянием безопасности и условий труда на рабочих местах и оформлением информационных носителей.
5.4 В составе ОИТП следует выделить следующие основные блоки: блок информационных носителей, блок средств передачи информации, блок средств предварительного накопления и обработки информации, блок монографических знаний по безопасности производства и блок первичной документации. Реализация ОИТП должна создавать базу для накопления информационных ресурсов, обладающих структурным строением, качественными и количественными параметрами, свойствами.
5.5 Информационные носители должны рассматриваться как структурные элементы ОИТП, охватывающие различную документацию - плановую, первичную учетную, статистическую, проектно-конструкторскую, технологическую, организационно-распорядительскую и другую, и упорядочение показателей носителей должно быть неразрывно связано с их качеством. Качественные и количественные параметры информации должны отличаться признаками достоверности, полноты, своевременности, достаточности, стабильности. Свойства коммуникативности информации должны определяться направлениями движения и порядком ее применения в ИСО БП.
5.6 Модуль базовых программных блоков, содержащий блок инструментальной среды сопровождения, блок знаний квалифицированных специалистов, блок целей решений, блок базы данных и знаний, блок извлечения и формализации знаний, блок базы текстовых описаний, блок базы графических описаний, блок базы графических примитивов, блок динамической экспертной системы, блок принятия решений, блок оценки результата воздействия, блок санкционирования доступа к действиям и блок интеллектуального интерфейса пользователя, должен поддерживать оперативное пополнение базы данных и знаний для выработки актуальных решений и программ цифрового обучения.
5.7 Модуль функциональных блоков поддержки принятия решений, включающий блок персонала, блок предупреждения травматизма (несчастных случаев) на производстве, блок профилактики производственно обусловленной заболеваемости, блок нормализации условий труда, блок порядка реализации решений, блок рабочей и отчетной документации, блок контроля исполнения решений, должен обеспечивать формирование безошибочных решений по созданию безопасного производства, контроль их исполнения и ведение сопровождающей документации, наполнение решениями базы знаний ИСО БП, применяемыми в программах цифрового обучения принятию решений по безопасности производства.
5.8 Модуль функциональных блоков цифрового обучения персонала по безопасности производства включает блок обучаемого персонала, блок инструктажа, блок подготовки для аттестации, блок условий аттестации, блок аттестации, блок обучения принятию решений, блок документации по обучению и должен обеспечивать процессы цифровых инструктажа, подготовки для аттестации и аттестации работников в рамках образовательного ресурса по безопасности производства, соответствующего определенным видам работ и профессиональным требованиям, а также процессы цифрового обучения принятию решений по безопасности производства и формирует необходимую цифровую сопроводительную документацию поименованных процессов.
5.9 Выработанные и принятые решения, трансформированные в управляющее воздействие, должны оцениваться по результату его воздействия (вероятностная, экспертная, прогнозная оценка) на состояние безопасности производства, результаты оценки должны учитываться при выработке скорректированного решения динамической экспертной системой, при принятии окончательного решения и в процессах цифрового обучения принятию решений по безопасности производства.
5.10 Должна выполняться оценка решения по экономической целесообразности и эффективности воздействия на снижение уровня производственного травматизма, производственно обусловленной заболеваемости, повышение уровня нормализации условий труда и уровня безопасности производства. При этом сформированные решения и порядок их реализации должны сопоставляться с ранее накопленными решениями и порядком реализации в базе данных и знаний и помещаться в базу данных и знаний для дальнейшего использования в процессах цифрового обучения принятию решений по безопасности производства.
5.11 Выработанные и принятые решения программными средствами динамической экспертной системы для предупреждения травматизма (несчастных случаев) на производстве, профилактики производственно обусловленной заболеваемости и нормализации условий труда должны использоваться при цифровых инструктаже, подготовке для аттестации и аттестации персонала, что повышает актуальность, практическую направленность, насыщенность оперативными знаниями образовательного ресурса по безопасности производства, ориентирует его на конкретное производство, на сложившееся состояние безопасности труда в конкретном производстве.
5.12 Формализованные результаты цифрового обучения следует помещать в базу данных и знаний программными средствами динамической экспертной системы и использовать при выработке решений и управляющего воздействия по обеспечению безопасности в реальном производстве с учетом решений пользователя ИСО БП и в процессах цифрового обучения принятию решений по безопасности производства.
5.13 Для поддержки процесса цифрового обучения поиску решений и их оценки программными средствами ИСО БП должны использоваться подходы, имитирующие действия работников, организующие обработку информации аналогично обработке, производимой человеком, и основанные на синтезе методов системного анализа и искусственного интеллекта, включающие интерактивные диалоговые системы планирования, оптимизации и принятия решений.
6.1 ИСО БП следует предназначать для реализации следующих основных функций:
- цифрового обучения персонала принятию безошибочных решений по созданию безопасного производства;
- цифровых инструктажа, обучения для аттестации и аттестации персонала по созданию безопасного производства;
- формирования и ведения базы знаний для организации процессов цифрового обучения персонала безопасности производства и принятию безошибочных решений по созданию безопасного производства;
- накапливания формализованных сведений о производственном травматизме, производственно обусловленной заболеваемости, условиях труда на рабочем месте, участке и в организации взаимосвязанно с применением прикладных программных средств, монографических знаний по безопасности производства и знаний квалифицированных специалистов;
- использования для формализации сведений и знаний текстовых описаний продукционного типа и статических и динамических графических описаний состояния безопасности производства, выполняемых непрограммирующими пользователями-профессионалами с использованием базы графических примитивов;
- генерирования целей решений, структурирования и накапливания в базе данных и знаний принятых решений по предотвращению нештатных и аварийных ситуаций на производстве, используемых для цифрового обучения персонала;
- санкционирования доступа к действиям сетевой ИСО БП для достижения необходимого уровня конфиденциальности сведений промышленного и корпоративного предназначения и персонифицированного характера.
7.1 В ИСО БП данные и знания должны размещаться в специализированных интегрированных базах данных и базах знаний по безопасности производства (БЗ БП) в виде совокупности строго структурированных, хранящихся вместе данных и сведений с минимальной избыточностью.
7.2 К основным источникам знаний по безопасности производства должны относиться технологические описания, инструкции, нормативно-справочная документация, книги, а также систематизированные в виде различного рода информационных структур результаты работы инженера по знаниям с экспертами в режиме диалога или интервью. В качестве дополнительных источников следует рассматривать результаты обработки статистической информации о состоянии безопасности и условий труда, решения проблемных вопросов группой специалистов в режиме "мозгового штурма", опыт экспертов-работников, принимающих решения (в том числе при выполнении отдельных операций) в конкретном производстве в различных аварийных и нештатных ситуациях.
7.3 Знания в БЗ БП должны быть формализованы в виде продукционных правил с учетом следующих ситуаций: если правило содержит несколько фактов из описания состояния безопасности производства, то оно разбивается на несколько более мелких правил; при наличии группы схожих правил вводится новое понятие, факт с новым именем и, используя его, формулируется одно правило, заменяющее группу ему подобных правил; правило не применяется до полного его сопоставления с сетевыми аналогами и необходимого корректирования. При построении текстово-графических и графических описаний, используемых при формализации знаний, должны применяться те же принципы.
При использовании ИСО БП в цифровой среде организации должен предусматриваться импорт имитационных моделей в базу знаний ИСО БП, связанных с циклами цифрового обучения принятию решений, подготовки и переподготовки кадров организации и касающихся обеспечения безопасности производства.
7.4 БЗ БП должна накапливать и поддерживать в актуальном состоянии формализованные знания по обеспечению безопасности производства, входить в состав экспертной системы обеспечения безопасности производства (ЭС ОБП), представляющей систему машинных логических рассуждений и выдающей окончательные решения с применением правил, отражающих опыт и знания специалистов по безопасности производства, которые должны доводиться до пользователя в естественном виде.
7.5 Построению ЭС ОБП должно предшествовать точное знание пользы ее применения, должны быть сформулированы правильные цели, дающие возможность выбора точных задач и, следовательно, получения полезных решений. Должны быть определены назначение и место экспертной системы при организации безопасного производства, периодичность ее использования, характер требующейся от пользователей информации и степень взаимодействия с ними в процессе консультации, скорость выдачи типичных консультаций, время, связанное с принятием решения.
7.6 Целесообразность применения ЭС ОБП, степень и глубина наполнения ее базы знаний для решения поставленной проблемы должны определяться эффективностью воздействия системы на организацию безопасных условий труда как обеспечивающей части производства. Если эффективность не превышает величины материальных вложений, то разработка ЭС ОБП данной конфигурации должна быть признана неоправданной.
7.7 Формализация профессиональных знаний как основная задача ИСО БП должна быть неразрывно связана с созданием гибкого интеллектуального взаимодействия специалиста, ответственного за безопасность производства, с ресурсами ИСО БП.
Работа с ИСО БП должна представлять собой интеллектуальную работу, включающую процессы формализации знаний и манипулирование ими, циклы решения задач в виде последовательности операций и процедур, направленные на достижение некоторой цели. Организация диалога со специалистом по безопасности производства должна обеспечивать такие условия, которые позволяют ему оценивать процесс работы с ИСО БП, как очень простой, не требующий специальных усилий. Этого следует достигать двумя путями: когда система предоставляет для определенного типа пользователя свой диалог или пользователь, комбинируя удобные ему способы, сам находит нужный в соответствии с ГОСТ Р 58355.
8.1 В процессах цифрового обучения, реализованных ИСО БП, должны быть выделены процессы цифрового обучения лиц, принимающих решения, принятию безошибочных решений по безопасности производства и процессы цифрового обучения персонала безопасности производства.
8.2 Процессы цифрового обучения безопасности производства, включающие процессы инструктирования, подготовки для аттестации и аттестации персонала, организуют в соответствии с ГОСТ Р 57099.
8.3 Порядок формирования и использования в процессах цифрового обучения безопасности производства систем цифровых портфолио работников по безопасности производства устанавливают в соответствии с ГОСТ Р 58025.
8.4 Порядок формирования и использования в процессах цифрового обучения безопасности производства систем информационных моделей компетенций работников по безопасности производства устанавливают в соответствии с ГОСТ Р 58355.
8.5 Применение ИСО БП в организации, использующей цифровые технологии, должно создавать цифровую образовательную среду (ЦОС), встраиваемую в цифровую систему управления производством, поддерживать безопасность всех технологических процессов с участием человека выполнением своевременного обучения персонала безопасности производства. Цифровые образовательные технологии ИСО БП должны обеспечивать повышенные технические возможности коммуникационных устройств и сетевых ресурсов для достижения устойчивости, технологичности, необходимого объема и скорости обмена данными и знаниями при организации эффективного цифрового обучения безопасности производства.
8.6 ЦОС организации по безопасности производства должна состоять из двух основных блоков, первый из которых связан с переводом управления организацией на интеллектуальную систему поддержки принятия решений по безопасности производства, второй включает единую цифровую образовательную платформу организации, где концентрируются образовательные сервисы и контент, необходимые для организации непрерывных образовательных процессов по безопасности производства с привлечением всего контингента организации и поддержания взаимодействия обучаемых и обучающих.
8.7 ЦОС организации по безопасности производства должна включать набор информационных систем и процессов по обучению персонала организации, в состав которых следует встраивать цифровую ИСО БП, и использование ИСО БП в этих условиях должно носить системный порядок, взаимосвязанный с другими образовательными технологиями и процессами.
8.8 Важным критерием функционирования ИСО БП в составе ЦОС организации по безопасности производства следует рассматривать доступ ко всем сервисам через браузер и кроссплатформенность используемых средств и приложений, что обеспечивает гибкость настройки, мобильность и удобство работы для всех участников образовательного процесса.
8.9 Применение цифровых учебных комплексов в образовательном процессе персонала организации по безопасности производства с использованием имитационных моделей и тренажеров на соответствующих платформах следует сочетать с применением ИСО БП для формирования необходимых навыков, знаний и компетенций по безопасности конкретного производства.
8.10 Задача цифрового учебного комплекса в образовательном процессе персонала организации по безопасности производства, включающего ИСО БП, должна предусматривать не только исключение рутинной работы, но и создание такого учебно-методического инструмента, который позволит и обучаемому работнику, и специалисту, организующему и проводящему обучение, и административному персоналу повысить эффективность образовательного процесса, улучшить качество освоения необходимых знаний и компетенций, требующихся для безопасного выполнения производственных обязанностей, с учетом индивидуальных особенностей восприятия учебного материала и особенностей производственной деятельности.
8.11 Для выполнения возрастающих требований к компетенциям работников современных производств, к их практическим навыкам и умениям, необходимости актуализации и постоянного подтверждения соответствия их профессиональных качеств на базе цифровых учебных комплексов, использующих ИСО БП, должны поддерживаться непрерывные образовательные процессы с использованием актуального образовательного контента.
9.1 ЦСО БП, встроенная в цифровое производство, должна создаваться в виде модульного функционала ИСО БП, обеспечивающего необходимую производственную гибкость, оперативное сопровождение программных средств для актуализации баз знаний, изъятие или включение функций в набор предлагаемых системой без снижения качества цифрового обучения в соответствии с ГОСТ Р 57099-2016 (приложение Б).
9.2 В модуле "Персонал" должны аккумулироваться общие производственные и профессиональные характеристики работников, сведения по результатам инструктажа и контроля знаний работников, а также дополнительные характеристики, включающие сведения о вредных и опасных производственных факторах, применяемых средствах индивидуальной защиты (СИЗ), медицинских осмотрах и производственном травматизме при наличии в отношении конкретного работника. Должен быть предусмотрен импорт общих сведений о персонале по установленному шаблону с использованием цифровых ресурсов организации.
Должно быть предусмотрено ведение списка ответственных за обучение для разграничения доступа к формируемому в процессе эксплуатации системы пользовательскому информационному ресурсу по структурным подразделениям и создаваемым пользователями образовательным программам.
Должно быть предусмотрено автоматическое формирование таблиц статистических показателей по результатам аттестации в целом по организации, структурному подразделению, профессии, полу с контролем наличия даты очередной проверки знаний.
9.3 В модуле "База знаний" должны размещаться текстовые вопросы, ответы на вопросы, обоснования правильных ответов в виде текстовых фрагментов нормативных и инструктивных документов по определенной предметной области, а также текстово-графических и графических описаний штатных и нештатных производственных ситуаций.
База графических описаний, используемых при формировании графически представленных вопросов и описаний, должна сопровождаться базой графических примитивов, применяемых при построении поставляемых графических описаний, обеспечивающих пользователю-профессионалу возможность дополнять базу графических примитивов и базу графических описаний собственными графическими примитивами и описаниями, включая отсканированные изображения, для дальнейшего применения совместно с поставленными графическими примитивами и описаниями при построении собственных графических вопросов и представлений.
База знаний также должна включать набор имитационных моделей, связанных с обеспечением безопасности данного цифрового производства.
Текстовые вопросы, текстово-графические и графические описания и имитационные модели следует систематизировать по целевым системам (предметным областям), описываемым системными характеристиками, что обеспечивает наиболее эффективный поиск знаний при формировании их в группы для инструктируемых и аттестуемых в соответствии с определенными профессиональными и производственными обязанностями.
9.4 В модуле "Подготовка" должны быть реализованы процедуры цифрового инструктажа и цифровой подготовки для аттестации на основе сформированных ответственным за обучение персонала организации групп вопросов, графических описаний и имитационных моделей, соответствующих требованиям безопасности, предъявляемых к выполнению работ и профессиональных обязанностей определенных групп работников конкретной организации.
Модуль "Подготовка" должен обеспечивать для обучаемых беспрепятственное изучение вопросов и ответов, описаний штатных и нештатных производственных ситуаций и моделей, предусмотренных программами проведения инструктажа или подготовки для аттестации, в режиме просмотра или в режиме контроля знаний с подтверждением персональной подлинности при входе в модуль.
9.5 В модуле "Аттестация" должны формироваться условия аттестации (варианты), включающие набор требований, которые должны соблюдаться при проведении контроля знаний на базе предложенных для изучения групп вопросов, описаний и моделей в модуле "Подготовка".
Модуль "Аттестация" должен обеспечивать при контроле знаний работников наиболее полную оценку знаний и компетенций работника в объеме тех вопросов, описаний штатных и нештатных производственных ситуаций, которые изучались аттестуемым при подготовке к аттестации, а также однозначную идентификацию аттестуемого.
9.6 В модуле "Документация" должны формироваться цифровые рабочие документы в виде ведомости инструктажа, индивидуального протокола инструктажа, ведомости подготовки для аттестации, индивидуального протокола подготовки для аттестации, ведомости аттестации.
В модуле должны формироваться также цифровые отчетные документы в виде, соответствующем действующим нормативным требованиям, включая журналы регистрации инструктажа, журналы учета проверки знаний и протоколы проверки знаний по безопасности производства с возможностью для пользователя сформировать эти цифровые документы в виде, отвечающем требованиям конкретной организации для соответствующего структурного подразделения.
9.7 ЦСО БП должна представлять собой открытую пользовательскую цифровую среду для реализации многочисленных потребностей ответственных за обучение (подготовку и аттестацию) персонала в цифровом производстве, при этом пользователь должен быть максимально независим от разработчика на самую отдаленную перспективу, если нет необходимости в радикальной реконструкции программы и наращивании ее дополнительных функций.
9.8 Пользователей ЦСО БП следует относить к трем несопоставимым по задачам и размерам группам: сетевые администраторы, ответственные за обучение (подготовку и аттестацию) и обучаемые (инструктируемые и аттестуемые).
9.9 Промышленные ЦСО БП должны разрабатываться в виде сетевых цифровых ресурсов с возможностью постоянного их пополнения сведениями и знаниями по безопасности производства, персональными и профессиональными сведениями и обеспечивать полную конфиденциальность информации, ограниченный доступ, надежность хранения персонифицированных данных, создание эффективной платформы для поддержки обучаемых и ответственных за обучение с управлением образовательными ресурсами и процессами и устойчивой обратной связью для достижения необходимых результатов обучения безопасности производства.
9.10 При санкционировании доступа к ресурсам ЦСО БП в действующем производстве ответственный за обучение и лицо, принимающее решение по обеспечению безопасности производства, в соответствии с их профессиональными компетенциями должны формировать обучающие программы, анализировать предъявляемые интеллектуальной системой решения по процессам обучения безопасности производства, в том числе с привлечением средств имитационного моделирования технологических процессов, выбирать наиболее целесообразное из предложенных ЦСО БП решений или формировать свою актуальную программу цифрового обучения, воспринимаемую системой и включающую имитационные модели, применяемые при разработке и тестировании безопасных технологических процессов.
9.11 ЦСО БП должны рассматриваться как интеллектуальный ресурс организаций, административного персонала и лиц, ответственных за обучение персонала, для обеспечения безопасности производства в действующих технологических процессах с заложенными в них уровнем безопасности и степенью участия человека и в проектируемых технологических процессах с использованием имитационного моделирования и выбором безопасных технологических цепочек с минимальным участием человека.
9.12 ЦСО БП в организациях и на предприятиях должны выполняться в виде сетевого многофункционального средства, поддерживающего многоуровневую иерархию санкционирования доступа к действиям и функциям системы, обеспечивающего пользователям-профессионалам возможность своевременной самостоятельной актуализации образовательного контента как в части индивидуальных программ подготовки и аттестации персонала, так и в целом всей предметной области, который используется как независимый защищенный развиваемый производственный ресурс взаимодействия с кадровым потенциалом цифровой организации для обеспечения безопасности производства.
10.1 Эффективность ИСО БП должна выражаться:
- в повышении качества управления производством в части обеспечения его безопасности в результате более своевременного принятия эффективных решений с высокой степенью их реализации;
- достижении целесообразной надежности и эффективности всех процессов принятия решений;
- исключении массовых трудоемких первичных документов, дублирования информации с использованием единого потока информации, имеющей оптимальную ценность;
- организации однократного ввода данных со своевременным их сбором в необходимом объеме, с требуемой периодичностью и логическим контролем правильности;
- применении соответствующих методов обработки информации с экономией сетевых ресурсов, рациональными и естественными формами вывода и представления результатов, единообразными формами выходных документов;
- организации эффективных процедур инструктажа, подготовки и аттестации персонала, обучения принятию безошибочных решений по безопасности производства на базе логических индивидуализированных моделей обучаемых и аттестуемых и лиц, принимающих решения.
10.2 Эффективность обучения принятию безошибочных решений в ИСО БП должна рассматриваться исходя из интересов и возможностей конкретного производства, оцениваться комплексом технических, экономических, социальных показателей и в основном определяться конечным результатом использования в конкретных производственных условиях выработанных мер по предотвращению нештатных ситуаций. Совокупность составляющих интеллектуальные системы аппаратных средств, системно-сетевого и прикладного программного обеспечения должны гарантировать надежную и своевременную организацию хранения, переработки и доведения до пользователя требуемой проблемной информации.
К параметрам эффективности ИСО БП следует относить:
- глубину и устойчивость приобретаемых навыков и надежность сохранения знаний;
- интенсивность и полноту подготовки и обучения за счет цифрового управления их процессами;
- работоспособность системы для разных категорий пользователей;
- возможность усовершенствования модулей и компонентов системы в результате ее применения с внесением изменений;
- усиление воздействия механизма обратной связи, предотвращающего ошибки на стадии их возникновения и позволяющего установить, что необходимо предпринять при верных или неверных действиях;
- представление обучаемому материала в форме, наиболее отвечающей его индивидуальным особенностям и профессиональным требованиям;
- формирование навыков, которые не могут быть отработаны в реальной системе (нештатные ситуации, аварии);
- уменьшение износа или высвобождение оборудования и агрегатов, использовавшихся для целей обучения;
- планирование и безопасность процессов обучения;
- конфиденциальность обучения.
10.3 Экономическую эффективность применения интеллектуальной системы следует связывать со стоимостью первоначальной поставки программного комплекса, исключением необходимости частых обновлений при наличии развитого пользовательского функционала по модификации системы, а также с сокращением затрат на выработку решений и на обучение персонала принятию решений по безопасности производства в сравнении с затратами организации на указанные мероприятия до установки системы.
10.4 Техническую эффективность применения ИСО БП следует связывать с широкой адаптацией системы к имеющимся техническим ресурсам организации, поддерживающим информационные системы.
10.5 Социальную эффективность применения ИСО БП следует связывать с сохранением жизни и здоровья людей, а также с повышением качества и интеллектуализации труда специалистов по безопасности производства, с улучшением психологической атмосферы процессов обучения с внесением в них полной ясности, определенности, объективности и персональной ответственности обучающих и аттестующих работников за применяемый контент условиям реального производства.
11.1 К показателям качества ИСО БП следует относить функциональную пригодность (для применения, взаимодействия с требуемым уровнем защищенности), надежность (завершенность, устойчивость к дефектам, восстанавливаемость), эффективность (временная, ресурсная), применимость (понятность, простота использования), сопровождаемость (изменяемость конфигурации), мобильность (простота инсталляции, адаптируемость).
11.2 Функциональная пригодность должна рассматриваться наиболее важной и доминирующей характеристикой качества ИСО БП, как совокупности программных средств, и заключаться в обеспечении надежного и своевременного предъявления пользователю требуемой информации для ее применения по назначению и оценивается характеристиками с количественной и качественной мерой.
11.3 Надежность программных комплексов ИСО БП должна оцениваться временем наработки на отказ, средним временем восстановления, коэффициентом готовности - вероятностью нахождения системы в работоспособном состоянии.
Надежность программных комплексов ИСО БП следует определять низкой вероятностью потери работоспособности программных комплексов и быстрой восстанавливаемостью работоспособности после произошедших сбоев или отказов.
Надежность программных комплексов ИСО БП следует также оценивать завершенностью - свойством не попадать в состояния отказов вследствие ошибок и дефектов в программах и данных, устойчивостью к дефектам и ошибкам - свойством автоматически поддерживать заданный уровень качества функционирования при возникновении нештатных ситуаций, восстанавливаемостью - свойством в случае отказа возобновлять требуемый уровень качества функционирования, доступностью или готовностью - свойством выполнять требуемую функцию в данный момент времени при заданных условиях использования.
Нижнюю границу надежности программных комплексов ИСО БП следует определять значениями ее атрибутов, при которых резко снижается функциональная пригодность и использование программных комплексов становится неудобным, опасным или нерентабельным.
11.4 Применимость или практичность применяемых программных комплексов ИСО БП следует связывать с трудоемкостью и длительностью, которые необходимы для изучения и полного освоения функций и технологии применения программных комплексов; понятность следует рассматривать как возможность нетрудоемкой оценки применимости программного средства для целей пользователя; простоту использования следует связывать с удобством и комфортностью эксплуатации и управления программным комплексом.
11.5 Применимость или практичность разрабатываемых интеллектуальных программных оболочек ИСО БП должна достигаться при участии конечного пользователя (одного или группы для получения наиболее универсального результата) на всех стадиях реализации программного проекта для максимального учета производственных особенностей и создания функциональной оболочки для первоначальной настройки интеллектуальной системы на конкретное производство с возможностью адаптации ресурса системы в процессе длительной эксплуатации (без ограничения времени эксплуатации).
11.6 Сопровождаемость ИСО БП должна выражаться в непрерывной поддержке пользователей консультациями, адаптациями и корректировками программных комплексов, включая замену версий; изменяемость должна определяться простотой реализации специфицированных изменений и управления конфигурацией; стабильность должна выражаться в минимизировании влияния изменений в программном средстве; тестируемость должна обеспечивать простоту проверки качества изменений модифицированных компонентов программ.
Качественно разработанная программная оболочка ИСО БП, предусматривающая широкий спектр модификаций, выполняемых пользователем, должна обеспечивать резкое снижение потребности внесения специфицированных изменений разработчиком на длительную перспективу.
11.7 Мобильность ИСО БП должна отражать подготовленность программных комплексов к переносу из одной аппаратно-операционной среды в другую; адаптируемость должна характеризоваться приспособленностью программ, баз данных и знаний к модификации при размещении в различных аппаратных и операционных средах; простота инсталляции должна определяться простотой размещения программных комплексов в новой аппаратной и операционной среде; замещаемость должна выражаться в приспособленности компонентов программ к достаточно простому использованию вместо заменяемых.
11.8 К показателям качества пользовательского интерфейса ИСО БП следует отнести следующие:
- время, необходимое определенному пользователю для достижения заданного уровня знаний и навыков при работе с программными средствами ИСО БП;
- сохранение полученных рабочих навыков по истечении длительного времени при регулярном взаимодействии с системой;
- скорость выполнения действий программными средствами ИСО БП при достижении целевой задачи;
- персональную удовлетворенность пользователя при работе с ИСО БП (например, по балльной шкале).
11.9 Персональную удовлетворенность пользователя при работе с ИСО БП следует связывать с ощущением пользователя, что именно он управляет интеллектуальной системой, а не программные средства управляют им, и необходимо достигать сведением к абсолютному минимуму сообщений об ошибках с использованием преимущественно системы выбора допустимых значений, блокированием преднамеренных и случайных нештатных действий, резервным копированием текущего состояния и последующим автоматическим восстановлением.
11.10 Интерфейс ИСО БП должен быть незаметен в процессе его использования, и при хорошо выполненном дизайне должен производить впечатление чистоты и прозрачности, простоты и функциональности, аккуратности и надежности. Интерфейс должен быть насыщен визуальными закономерностями, например методически выдерживаемое соответствие свойств у разных визуальных объектов (экранных форм, меню, подменю, кнопок, сообщений). Должна быть предусмотрена настройка интерфейса под конкретные потребности определенных пользователей для снижения усталости и повышения работоспособности с использованием минимума команд и функций, в том числе путем выбора варианта готовой настройки из предлагаемого списка.
11.11 Пользовательский интерфейс сетевых систем должен быть простым, обеспечивать легкость его изучения и применения с предоставлением доступа к санкционированному перечню функциональных возможностей, предусмотренных программными средствами ИСО БП.
11.12 Дизайн пользовательского интерфейса ИСО БП должен обеспечивать минимизацию усилий пользователя при выполнении работы с сокращением длительности операций чтения, редактирования и поиска информации, уменьшением времени навигации и выбора команды, повышением общей продуктивности пользователя, заключающейся в объеме обработанных данных за определенный период времени и увеличением длительности устойчивой работы пользователя.
11.13 Основная цель жизненного цикла программных комплексов ИСО БП должна заключаться в их экономической, технической и социальной эффективности применения. Атрибуты качества программных средств имеют различные меры и шкалы и в большинстве своем не сопоставимы между собой. Оценка влияния выбранных атрибутов качества на функциональную пригодность программных комплексов должна выполняться присваиванием каждому из них коэффициента влияния. Коэффициенты влияния следует формировать неформализованно потенциальными пользователями и формализованно экспертным оцениванием и установлением наиболее полного влияния каждого атрибута качества на функциональную пригодность с учетом затрат на реализацию соответствующего атрибута.
11.14 Показатели качества ИСО БП должны улучшаться по мере полноты встраивания систем в реальное цифровое производство с учетом динамики развития производства, опыта и знаний пользователей в конкретной предметной области с исключением избыточных объемов формализованной информации для решения задач обучения принятию безошибочных решений по безопасности производства.
12.1 Под управлением качеством ИСО БП следует понимать совокупность методов и действий по выполнению требований к качеству. Количественную или качественную оценку качества ИСО БП следует выполнять характеристиками с количественным значением (время наработки на отказ, вероятность ошибки, объем информации), ранжированием путем сравнения с опорными значениями, характеристиками, определяющими наличие рассматриваемого свойства или признака (например, в отношении интерфейса - простой для понимания, умеренно простой, сложный для понимания).
Качество ИСО БП следует рассматривать как совокупность характеристик системы, обеспечивающих удовлетворение установленных или предполагаемых потребностей пользователя в соответствии с ее назначением для создания безопасного производства по ГОСТ Р ИСО/МЭК 9126 и ГОСТ Р 57193.
12.2 При внедрении проектных решений прототипов и версий ИСО БП должны уточняться и корректироваться функциональность разрабатываемой системы и отслеживаться меняющиеся потребности заказчика. Не допускается неуправляемое изменение в функциональности создаваемой ИСО БП или работах, осуществляемых в рамках проекта, что существенно сказывается на качестве проектных решений и приводит к закрытию проекта.
12.3 При разработке и внедрении ИСО БП должны быть исключены параллельность и многоплановость работ, что многократно увеличивает вероятность возникновения рисков неудачного завершения проекта. Одна из важных задач управления качеством проекта должна заключаться в обеспечении согласованности и непротиворечивости всех компонентов системы и выполнении их в соответствии с требованиями заказчика по функциональности, срокам и стоимости системы.
12.4 Риски заказчика разработки ИСО БП следует связывать с неполным достижением целей проекта и неэффективно израсходованными средствами, а риски исполнителя - с возможностью резкого превышения фактической себестоимости работ по сравнению с запланированной вследствие параллельности и многоплановости работ.
12.5 Эффективное управление проектами невозможно без управления рисками, в том числе способными передаваться от процесса к процессу. Их выявление при реализации проектов ИСО БП должно строиться на основе структуры (конфигурации) процессов проекта и анализе возможных рисков проекта с реализацией проблемно-ориентированного и гибкого подхода к управлению качеством проекта, начиная с первичной оценки существующих процессов и решений, описания вариантов реализации, оценки выбранных решений, определения базовых требований к ресурсам проекта в каждый момент его реализации и заканчивая внедрением эффективных методов управления проектом на основе анализа вероятностных рисков.
12.6 Информационную безопасность ИСО БП следует рассматривать как важную часть рисков при создании ИСО БП. Информационная безопасность должна предполагать выявление рисков, спецификацию мер безопасности, управление мерами безопасности и планы восстановления после сбоев и аварий. При выявлении степени риска каждый отказ должен оцениваться в соответствии с возможными последствиями для каждого компонента (модуля, блока) ИСО БП в виде годовых оценок вероятности сбоя и стоимости возможных последствий.
12.7 К организационным мерам информационной безопасности ИСО БП следует относить охрану вычислительного объекта, профессиональный отбор персонала, исключение случаев единоличного ведения особо важных работ, разработку плана восстановления работоспособности информационного ресурса при выходе из нештатных ситуаций, универсальность средств защиты от всех пользователей независимо от их статуса, разграничение ответственности за разрушение защиты. Преимущества организационных мер следует связывать с относительной простотой реализации, оперативностью реагирования на нежелательные действия в сети и неограниченными возможностями модификации и развития, учитывая вместе с тем высокую зависимость от субъективных факторов.
12.8 К техническим мерам информационной безопасности ИСО БП следует относить защиту от несанкционированного доступа к системе, резервирование особо важных циклов и блоков ИСО БП, организацию сетевого ресурса ИСО БП с возможностью перераспределения в нештатных ситуациях. Программные средства защиты должны включать программы для идентификации пользователей, контроля доступа, шифрования информации, удаления рабочей информации в виде временных файлов, тестового контроля системы защиты и отличаться универсальностью, гибкостью, надежностью, простотой установки, способностью к модификации и развитию. Необходимо учитывать, что применение программных средств защиты связано с ограничением функциональности сети, использованием части ресурсов сервера и рабочих станций, высокой чувствительностью к случайным или преднамеренным изменениям.
12.9 ИСО БП должна находиться в защищенном состоянии на протяжении всего времени функционирования с соблюдением непрерывности защиты в пространстве и времени, невозможности обхода защитных средств и предотвращения перехода системы в незащищенное состояние.
Обеспечение постоянного совершенствования мер и средств защиты ИСО БП должно выполняться на основе преемственности организационных и технических решений, кадрового потенциала, анализа функционирования систем защиты с учетом изменений в методах и средствах перехвата информации, нормативных требований по ее защите, достигнутого передового опыта в этой области.
12.10 Под угрозой информационной безопасности следует понимать случайные или намеренные действия, приведшие к утечке, копированию, блокированию, модификации или утрате информации, включая угрозы нарушения конфиденциальности и целостности циркулирующих в ИСО БП данных и знаний и угрозы нарушения работоспособности системы.
Одним из методов обеспечения информационной безопасности следует рассматривать шифрование данных с применением криптографических алгоритмов, классификация которых выполняется в зависимости от использования ключей, применяемых для шифрования. Средства шифрования и контроля целостности информации, передаваемой по каналам связи, следует выносить на специальные шлюзы, где им может быть обеспечено квалифицированное администрирование.
12.11 На всех этапах технологического цикла обработки сведений в ИСО БП должно выполняться разделение и минимизация полномочий по доступу к циркулирующей информации и процедурам ее обработки и обеспечиваться невозможность снижения уровня надежности при возникновении в системе сбоев, отказов, преднамеренных действий взломщика или непреднамеренных ошибок пользователей.
12.12 Экономическая целесообразность использования системы защиты должна определяться превышением возможного ущерба от реализации угроз над стоимостью разработки и эксплуатации системы информационной безопасности, а затраты взломщика на выполнение несанкционированного доступа должны быть существенно выше стоимости приобретения минимальной компоновки ИСО БП.
12.13 Пользователям ИСО БП должны быть предоставлены разные полномочия в соответствии с объемом ресурсов системы, к которым они имеют права доступа. Полнота контроля доступа должна выполняться процедурами идентификации каждого пользователя при входе в систему и протоколирования его действий, а также невозможностью совершения любой несанкционированной операции в системе.
12.14 Управление доступом к ресурсам системы должно включать идентификацию пользователей и предоставляемых ресурсов системы; опознание пользователя по предъявленному им идентификатору; проверку полномочий (например, проверка соответствия дня недели, времени суток, запрашиваемых ресурсов и процедур установленному регламенту); предоставление доступа в пределах установленного регламента; регистрацию (протоколирование) обращений к запрашиваемым ресурсам; реагирование (например, сигнализация, отключение, задержка работ, отказ в запросе) при попытках несанкционированных действий.
12.15 Для обеспечения информационной безопасности при эксплуатации ИСО БП должно быть предусмотрено наличие данных и сведений различной степени конфиденциальности, криптографической защиты информации, иерархии полномочий доступа к компонентам системы, управления потоками информации в локальных сетях и по каналам связи, регистрации попыток несанкционированного доступа, обеспечения целостности программных средств системы и процедур восстановления баз данных и знаний.
12.16 Следует учитывать, что никакие организационные, аппаратные, программные и любые другие решения не гарантируют абсолютную надежность и безопасность данных в ИСО БП и только существенно уменьшают риск потерь при комплексном подходе к вопросам безопасности и определяют границы целесообразной безопасности и допустимых затрат на средства защиты для поддержания системы в работоспособном состоянии с приемлемым риском разрушения.
12.17 Информационная безопасность ИСО БП как составная часть технологической и экономической безопасности организации должна обеспечивать безопасность (конфиденциальность) информационных ресурсов организации, включая персонифицированные сведения и иные данные о работниках, предусматривать экономически обоснованную технологически целесообразную систему защиты, обеспечивающую необходимый уровень защищенности, готовности и надежности информационных ресурсов.
Приложение А
(рекомендуемое)

1 - модуль информационных блоков; 2 - модуль базовых программных блоков; 3 - модуль функциональных блоков поддержки принятия решений; 4 - модуль функциональных блоков цифрового обучения; 5 - блок информационных носителей; 6 - блок средств передачи информации; 7 – блок производственного травматизма; 8 - блок производственно обусловленной заболеваемости; 9 - блок средств предварительного накопления и обработки информации; 10 - блок условий труда на рабочем месте, участке, территории организации; 11 - блок монографических знаний по безопасности производства; 12 - блок первичной документации; 13 - блок инструментальной среды сопровождения; 14 - блок знаний квалифицированных специалистов; 15 - блок целей решений; 16 - блок базы данных и знаний; 17 - блок извлечения и формализации знаний; 18 - блок базы текстовых описаний; 19 - блок базы графических описаний; 20 - блок базы графических примитивов; 21 - блок динамической экспертной системы; 22 – блок принятия решений; 23 - блок оценки результата воздействия; 24 - блок санкционирования доступа к действиям; 25 – блок интеллектуального интерфейса пользователя; 26 – блок персонала; 27 - блок предупреждения травматизма (несчастных случаев) на производстве; 28 - блок профилактики производственно обусловленной заболеваемости; 29 – блок нормализации условий труда; 30 - блок порядка реализации решений; 31 - блок рабочей и отчетной документации; 32 - блок контроля исполнения решений; 33 - блок обучаемого персонала; 34 - блок инструктажа; 35 - блок подготовки для аттестации; 36 - блок условий аттестации; 37 – блок аттестации; 38 - блок обучения принятию решений; 39 – блок документации по обучению; 40 - блок выработки управляющего воздействия; 41 - блок управляющего воздействия; 42 – блок организации безопасного производства; 43 – блок пользователя; 44 - блок состояния безопасности и условий труда.
Рисунок А.1
Приложение Б
(рекомендуемое)

Рисунок Б.1 - Модульная структура ЦСО БП

Рисунок Б.2 - Модуль "Персонал" ЦСО БП

Рисунок Б.3 - Модуль "База знаний" ЦСО БП

Рисунок Б.4 - Модуль "Подготовка" ЦСО БП

Рисунок Б.5 - Модуль "Аттестация" ЦСО БП

Рисунок Б.6 - Модуль "Документация" ЦСО БП
Библиография
|
[1] |
Федеральный закон от 27 декабря 2002 г. N 184-ФЗ "О техническом регулировании" |
|
[2] |
Федеральный закон от 30 декабря 2001 г. N 197-ФЗ "Трудовой кодекс Российской Федерации" |
|
[3] |
Федеральный закон от 29 декабря 2012 г. N 273-ФЗ "Об образовании в Российской Федерации" |
|
[4] |
Федеральный закон от 3 июля 2016 г. N 238-ФЗ "О независимой оценке квалификации" |
|
[5] |
Распоряжение Правительства РФ от 28 июля 2017 г. N 1632-р "Программа "Цифровая экономика Российской Федерации" |


