ГОСТ 30852.4-2002 (МЭК 60079-3:1990) ЭЛЕКТРООБОРУДОВАНИЕ ВЗРЫВОЗАЩИЩЕННОЕ. Часть 3. ИСКРООБРАЗУЮЩИЕ МЕХАНИЗМЫ ДЛЯ ИСПЫТАНИЙ ЭЛЕКТРИЧЕСКИХ ЦЕПЕЙ НА ИСКРОБЕЗОПАСНОСТЬ
Введен в действие приказом Федерального агентства по техническому регулированию и метрологии от 29 ноября 2012 г. N 1869-ст
Межгосударственный стандарт ГОСТ 30852.4-2002 (МЭК 60079-3:1990)
"ЭЛЕКТРООБОРУДОВАНИЕ ВЗРЫВОЗАЩИЩЕННОЕ. Часть 3. ИСКРООБРАЗУЮЩИЕ МЕХАНИЗМЫ ДЛЯ ИСПЫТАНИЙ ЭЛЕКТРИЧЕСКИХ ЦЕПЕЙ НА ИСКРОБЕЗОПАСНОСТЬ"
Electrical apparatus for explosive gas atmospheres. Part 3. Spark-test apparatus for intrinsically-safe circuits
МКС 29.260.20
Дата введения - 15 февраля 2014 г.
Введен впервые
Предисловие
Цели, основные принципы и порядок проведения работ по межгосударственной стандартизации установлены ГОСТ 1.0-92 "Межгосударственная система стандартизации. Основные положения" и ГОСТ 1.2-2009 "Межгосударственная система стандартизации. Стандарты межгосударственные, правила и рекомендации по межгосударственной стандартизации. Правила разработки, принятия, применения, обновления и отмены"
Сведения о стандарте
1 Подготовлен Автономной некоммерческой национальной организацией "Ех-стандарт" (АННО "Ех-стандарт")
2 Внесен Федеральным агентством по техническому регулированию и метрологии (Росстандарт)
3 Принят Межгосударственным советом по стандартизации, метрологии и сертификации (протокол от 6 ноября 2002 г. N 22)
За принятие проголосовали:
|
Краткое наименование страны по МК (ИСО 3166) 004-97 |
Код страны по МК (ИСО 3166) 004-97 |
Сокращенное наименование национального органа по стандартизации |
|
Азербайджан |
AZ |
Азстандарт |
|
Армения |
AM |
Минэкономики Республики Армения |
|
Беларусь |
BY |
Госстандарт Республики Беларусь |
|
Казахстан |
KZ |
Госстандарт Республики Казахстан |
|
Киргизия |
KG |
Кыргызстандарт |
|
Молдова |
MD |
Молдова-Стандарт |
|
Россия |
RU |
Росстандарт |
|
Таджикистан |
TJ |
Таджикстандарт |
|
Туркменистан |
TM |
Главгосслужба "Туркменстандартлары" |
|
Украина |
UA |
Госпотребстандарт Украины |
4 Приказом Федерального агентства по техническому регулированию и метрологии от 29 ноября 2012 г. N 1869-ст межгосударственный стандарт ГОСТ 30852.4-2002 (МЭК 60079-3:1990) введен в действие в качестве национального стандарта Российской Федерации с 15 февраля 2014 г.
5 Настоящий стандарт модифицирован по отношению к международному стандарту IEC 60079-3:1990 Electrical apparatus for explosive gas atmospheres - Part 3: Spark-test apparatus for intrinsically-safe circuits (Электрооборудование взрывозащищенное. Часть 3. Искрообразующие механизмы для испытаний электрических цепей на искробезопасность). Разделы 1, 2, 4, рисунки 1-6, приложения А.1, А.2, рисунки А.1 и А.2 настоящего стандарта, за исключением раздела 3, пунктов 4.3 и 4.4, рисунков 7 и 8, приложения А.3 с таблицами А.3.1 - А.3.4 представляют собой аутентичный текст международного стандарта IEC 60079-3:1990. Дополнительные требования, учитывающие потребности национальных экономик указанных выше государств, выделены курсивом.
Степень соответствия - модифицированная (MOD).
Стандарт подготовлен на основе применения ГОСТ Р 51330.4-99 (МЭК 60079-3-90)
6 Введен впервые
Введение
Настоящий стандарт входит в комплекс межгосударственных стандартов на взрывозащищенное электрооборудование, разработанных Техническим комитетом ТК 403 "Оборудование для взрывоопасных сред (Ех-оборудование)" на основе применения международных стандартов на взрывозащищенное электрооборудование.
В стандарт дополнительно к требованиям международного стандарта IEC 60079-3:1990 включены положения, конкретизирующие отдельные пункты IEC 60079-3:1990 с учетом сложившейся практики, норм и требований межгосударственных стандартов. Дополнительные требования, отражающие потребности экономик стран, упомянутых в предисловии как проголосовавших за принятие межгосударственного стандарта выделены в стандарте курсивом.
Для испытаний на искробезопасность электрических цепей, токи которых превышают 2 А, дополнительно в разрабатываемый стандарт в сравнении со стандартом МЭК введены два искрообразующих механизма: прерывистого контактирования и с разрывом проволоки. При этом область применения искрообразующего механизма прерывистого контактирования определена максимальным значением тока испытуемой цепи 10 А, а свыше этой величины - для механизма с разрывом проволоки. Максимальное напряжение источника питания испытуемой электрической цепи не должно превышать 1000 В.
В пределах отмеченных значений коммутируемых токов и ЭДС источников питания область применения искрообразующих механизмов по метрологическим соображениям может быть дополнительно ограничена влиянием индуктивности и емкости присоединительных проводов и самого искрообразующего механизма, запасаемая энергия в которых может быть сопоставима с воспламеняющей энергией взрывоопасной испытательной смеси и превышать ее. В конструкциях искрообразующих механизмов значения индуктивности и емкости присоединительных проводов должны иметь минимальные значения. Для каждой взрывной камеры следует измерить и занести в паспорт испытательной установки значения индуктивности и емкости присоединительных проводов и искрообразующего механизма, определить влияние их на точность оценки и установить область применения искрообразующего механизма в зависимости от значений коммутируемых токов или ЭДС источников питания испытуемых электрических цепей и испытательной взрывоопасной смеси, основываясь на том, что запасаемая в них энергия не может превышать 20 % от значения воспламеняющей энергии взрывоопасной смеси.
Настоящий стандарт распространяется на взрывозащищенное электрооборудование (электротехнические устройства) групп I и II с взрывозащитой вида "искробезопасная электрическая цепь", а также на электрооборудование с взрывозащитой других видов, имеющее искробезопасные и связанные с ними искроопасные электрические цепи.
Стандарт распространяется также на электрические цепи невзрывозащищенного электрооборудования, которые гальванически связаны с искробезопасными цепями взрывозащищенного электрооборудования и влияют на их искробезопасность.
Стандарт устанавливает технические требования к конструкции и области применения искрообразующих механизмов, предназначенных для испытания на искробезопасность активных, индуктивных, емкостных, а также комбинированных из них электрических цепей электрооборудования.
Требования настоящего стандарта являются обязательными.
В настоящем стандарте использована ссылка на ГОСТ 30852.10-2002 (МЭК 60079-11:1999) Электрооборудование взрывозащищенное. Часть 11. Искробезопасная электрическая цепь i.
Примечание - При пользовании настоящим стандартом целесообразно проверить действие ссылочных стандартов в информационной системе общего пользования - на официальном сайте Федерального агентства по техническому регулированию и метрологии в сети Интернет или по ежегодному информационному указателю "Национальные стандарты", который опубликован по состоянию на 1 января текущего года, и по соответствующим выпускам ежемесячного информационного указателя "Национальные стандарты" за текущий год. Если ссылочный стандарт заменен (изменен), то при пользовании настоящим стандартом следует руководствоваться заменяющим (измененным) стандартом. Если ссылочный стандарт отменен без замены, то положение, в котором дана ссылка на него, применяется в части, не затрагивающей эту ссылку.
В настоящем стандарте применяют следующие термины с соответствующими определениями:
3.1 искрообразующий механизм: Контактное устройство, предназначенное для получения электрических разрядов в испытуемой электрической цепи.
3.2 искробезопасная цепь: Электрическая цепь, в которой электрический разряд или нагрев компонентов не может воспламенить взрывоопасную среду при предписанных условиях испытаний.
3.3 взрывоопасная газовая среда: Смесь горючих газов (паров) с воздухом, образующаяся в процессе производства при атмосферных условиях, способная воспламеняться от источника поджигания.
3.4 взрывная камера: Установка, содержащая сосуд со смонтированным внутри искрообразующим механизмом, заполняемый испытательной взрывоопасной смесью, а также устройства управления и контроля за ее работой.
3.5 испытательная взрывоопасная смесь: Взрывоопасная смесь, используемая при испытаниях электрических цепей на искробезопасность.
3.6 представительная взрывоопасная смесь: Взрывоопасная смесь одной из групп (подгрупп) взрывозащищенного электрооборудования.
3.7 активизированная взрывоопасная смесь: Взрывоопасная смесь, обеспечивающая при испытаниях электрической цепи без изменения ее параметров коэффициент искробезопасности.
3.8 минимальный воспламеняющий ток (напряжение, мощность или энергия): Ток (напряжение, мощность или энергия) в электрической цепи (электрическом разряде), вызывающий воспламенение взрывоопасной смеси с вероятностью 10 -3 при испытаниях с использованием искрообразующего механизма.
3.9 искробезопасный ток (напряжение, мощность или энергия): Наибольший ток (напряжение, мощность или энергия) в электрической цепи (электрическом разряде), который вызывает воспламенение взрывоопасной смеси в предписанных настоящим стандартом условиях испытаний с вероятностью не более 10 -3.
3.10 коэффициент искробезопасности: Отношение минимальных воспламеняющих параметров к соответствующим искробезопасным.
3.11 выходные зажимы искрообразующего механизма: Места для присоединения испытуемой электрической цепи с помощью присоединительных проводов.
4.1 Общие положения
4.1.1 Электрическую цепь подключают к контактам искрообразующего механизма, которые находятся во взрывной камере, заполненной испытательной взрывоопасной смесью или активизированной испытательной взрывоопасной смесью согласно 10.2 ГОСТ 30852.10.
4.1.2 При использовании не активизированной испытательной взрывоопасной смеси, для обеспечения требуемого коэффициента искробезопасности в соответствии с разделом 5 ГОСТ 30852.10, изменяют параметры электрической цепи и проводят испытание с целью определения количества воспламенений испытательной взрывоопасной смеси при заданном количестве учитываемых искрений контактов искрообразующего механизма.
Примечание - Необходимо учитывать возможное влияние индуктивности и емкости искрообразующего механизма, измеренных на его выходных зажимах, а также присоединительных проводов испытуемой электрической цепи на результаты испытаний. Энергия, накапливаемая в индуктивностях и емкостях искрообразующего механизма и присоединительных проводов, в процессе испытания суммируется с энергией, выделяющейся непосредственно из испытуемой электрической цепи в электрический разряд. При больших размыкаемых токах или напряжениях источников питания в указанных выше индуктивностях или емкостях соответственно может накапливаться энергия, сопоставимая с энергией, необходимой для воспламенения взрывоопасной смеси, что искажает результаты испытаний. Анализ влияния индуктивности и емкости искрообразующего механизма и присоединительных проводов испытуемых электрических цепей приведен в приложении А.
4.1.3 Энергия, накапливаемая искрообразующим механизмом и присоединительными проводами испытуемых электрических цепей, не должна превышать 20 % воспламеняющей энергии контрольной электрической цепи для индуктивных цепей и 20 % минимальной воспламеняющей энергии представительной взрывоопасной смеси для емкостных цепей.
4.2 Искрообразующий механизм I типа
4.2.1 Конструкция
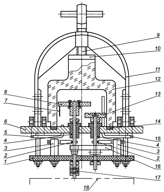
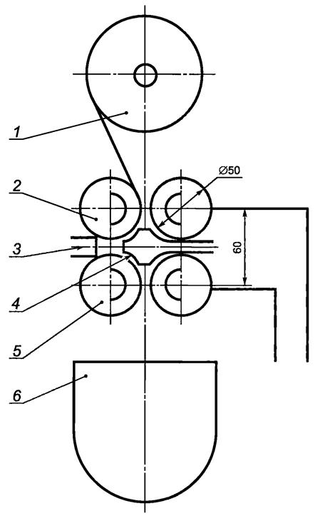
4.2.1.1 Искрообразующий механизм I типа (рисунок 1) состоит из контактного устройства, расположенного в сосуде взрывной камеры объемом не менее 250 см 3, и предназначен для создания электрических разрядов при замыкании и размыкании электрической цепи в среде испытательной взрывоопасной смеси. Конструкция искрообразующего механизма и взрывной камеры приведена на рисунке 1. Кинематическая схема и отдельные детали искрообразующего механизма приведены на рисунках 2-4.
Примечание - Если не указано иное, допуски для механических размеров составляют ± 0,5 %, а для напряжения и тока ± 1 %.
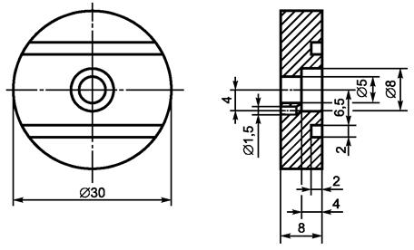
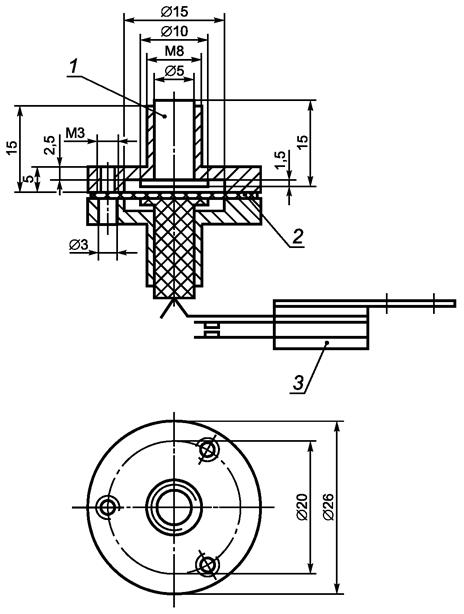
4.2.1.2 Один из контактных электродов представляет собой вращающийся кадмиевый диск с двумя пазами (рисунок 3). Другой контактный электрод состоит из четырех вольфрамовых проволочек диаметром 0,2 мм, закрепленных по окружности диаметром 50 мм на держателе из латуни или другого подходящего материала (рисунок 4).
Примечания
1 Для отливки кадмиевых контактных дисков можно использовать кадмий, применяемый для электропокрытия.
2 В местах крепления вольфрамовых проволочек желательно несколько закруглять углы держателя, чтобы избежать их преждевременной поломки на острых кромках.
4.2.1.3 Кинематическая схема искрообразующего механизма приведена на рисунке 2. Держатель вращается таким образом, чтобы проволочки скользили по шероховатой поверхности кадмиевого диска. Расстояние между держателем вольфрамовых проволочек и кадмиевым диском составляет 10 мм. Свободная длина проволочек - 11 мм. Проволочки прямые и направлены перпендикулярно поверхности кадмиевого диска, когда не контактируют с ним. Подготовка проволочек к испытаниям приведена в А.1 приложения А.
4.2.1.4 Оси валов, вращающих кадмиевый диск и держатель проволочек расположены на расстоянии 31 мм друг от друга и электрически изолированы между собой и от цоколя основания механизма. Электрический ток подводится и снимается скользящими контактами на валах, которые приводятся в движение с помощью токонепроводящих шестерен с соотношением зубьев 50:12.
4.2.1.5 Держатель вольфрамовых проволочек вращается с частотой 80 мин -1 электрическим двигателем, который в случае необходимости может иметь редуктор. Кадмиевый диск вращается медленнее в противоположном направлении с частотой 19,2 мин -1.
4.2.1.6 Если не используется система свободной циркуляции испытательной взрывоопасной смеси, то необходимо использовать газонепроницаемые подшипники в опорной плите.
4.2.1.7 Для регистрации количества оборотов вала держателя вольфрамовых проволочек используются счетчик или измеритель времени для определения продолжительности испытаний, соответствующей заданному числу оборотов вала держателя.
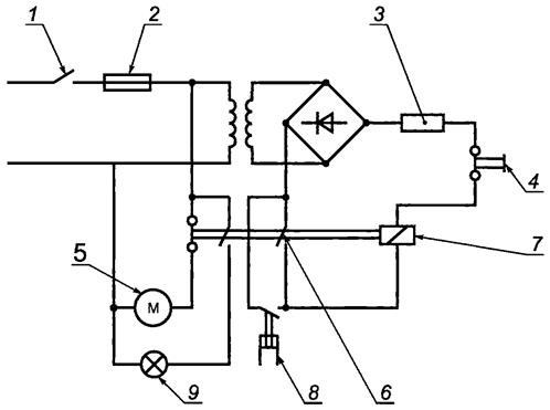
Примечание - После воспламенения взрывоопасной смеси желательно автоматически остановить двигатель или, по меньшей мере, счетчик. Для регистрации воспламенения взрывоопасной смеси может, например, использоваться фотоэлемент или датчик давления (рисунки 5 и 6).

1 - изолирующая пластина; 2 - подвод тока; 3 - изолированный болт; 4 - изолированный подшипник; 5 - выходное отверстие для газа; 6 - цоколь основания; 7 - вольфрамовая проволочка; 8 - держатель проволочек; 9 - зажимной винт; 10 - нажимная пластина; 11 - зажим; 12 - камера; 13 - кадмиевый контактный диск; 14 - резиновое уплотнение; 15 - входное отверстие для газа; 16 - шестерня 50:12; 17 - изолированная муфта; 18 - приводной двигатель с редуктором
Рисунок 1 - Схема взрывной камеры для испытаний на искробезопасность

Рисунок 2 - Кинематическая схема искрообразующего механизма I типа

Рисунок 3 - Кадмиевый контактный диск

Рисунок 4 - Держатель проволочек

1 - металлический поршень; 2 - резиновая диафрагма; 3 - пружинный контакт
Рисунок 5 - Датчик давления

1 - выключатель; 2 - предохранитель; 3 - резистор; 4 - кнопка сброса; 5 - приводной двигатель; 6 - удерживающий контакт; 7 - реле; 8 - датчик давления; 9 - сигнальная лампа
Рисунок 6 - Электрическая схема автоматической остановки работы взрывной камеры с помощью датчика давления
4.2.1.8 Сосуд взрывной камеры должен выдерживать взрыв давлением не менее 1500 кПа (15 бар), если не предусмотрен сброс давления.
4.2.1.9 Емкость на зажимах контактного устройства искрообразующего механизма не должна превышать 30 пФ при разомкнутых контактах, сопротивление не должно превышать 0,15 Ом при постоянном токе 1 А и индуктивность не должна превышать 3 мкГн при замкнутых контактах.
4.2.2 Калибровка искрообразующего механизма
4.2.2.1 Чувствительность искрообразующего механизма необходимо проверять до, во время и после каждой серии испытаний по 10.3 и 10.4 ГОСТ 30852.10.
4.2.2.2 Если чувствительность искрообразующего механизма не соответствует указанной в 4.2.2.1, для ее восстановления необходимо выполнить следующие действия:
а) проверить параметры контрольной электрической цепи;
б) проверить состав испытательной взрывоопасной смеси;
в) очистить вольфрамовые проволочки согласно приложению А;
г) заменить вольфрамовые проволочки согласно приложению А;
д) подключить выходные зажимы искрообразующего механизма к цепи с параметрами L = 95 мГн, U = 24 В, I = 100 мА постоянного тока (как указано в 10.3 ГОСТ 30852.10) и сделать не менее 20000 оборотов держателя вольфрамовых проволочек в атмосфере воздуха;
е) заменить кадмиевый диск и откалибровать искрообразующий механизм согласно 10.3 ГОСТ 30852.10.
4.2.3 Область применения искрообразующего механизма
4.2.3.1 Искрообразующий механизм I типа предназначен для испытания на искробезопасность омических, простых индуктивных и емкостных цепей, а также других комбинированных цепей, для которых он воспроизводит наиболее опасные условия разрядообразования, со следующими предельными параметрами:
а) испытательный ток не более 3 А;
б) рабочее напряжение испытуемых электрических цепей не более 1000 В;
в) для индуктивных цепей индуктивность не более 1 Гн;
г) частота тока в электрических цепях не более 1,5 МГц.
Примечание - При проведении испытаний следует принимать меры, чтобы ток в индуктивных цепях во время замкнутого состояния контактов принимал установившееся значение, а конденсатор в период разомкнутого состояния контактов полностью заряжался.
4.2.3.2 Если искрообразующий механизм I типа применяют для испытаний цепей с параметрами, выходящими за указанные в 4.2.3.1 пределы, необходимо контролировать сохранение его чувствительности и, при необходимости, принимать специальные меры для ее восстановления или учета ее изменения в результатах испытаний.
Примечания
1 Если испытательный ток превышает 3 А, нагрев вольфрамовых проволочек может стать дополнительной причиной воспламенения и повлиять на результаты испытаний.
2 Емкостные и индуктивные цепи со значительными постоянными времени можно испытывать, например, уменьшая скорость вращения искрообразующего механизма. Емкостные цепи можно испытывать, сняв две или три вольфрамовые проволочки. При этом необходимо учитывать, что снижение скорости искрообразующего механизма может изменить его чувствительность.
4.3 Искрообразующий механизм II типа
4.3.1 Конструкция
4.3.1.1 Искрообразующий механизм II типа (рисунок 7) состоит из вращающегося металлического диска, на окружности которого расположены 10 оцинкованных стальных проволочек диаметром 0,4 мм. В качестве неподвижного электрода служит стальная пилочка толщиной 0,25-0,3 мм с высотой зуба 0,4-0,5 мм. Свободная длина проволочки составляет примерно 25 мм. Пилочка жестко закреплена в двух точках на специальной скобе. Расстояние между точками закрепления составляет примерно 70 мм, радиус закругления пилочки - примерно 10 мм.
4.3.1.2 При подсчете числа искрений каждое контактирование с пилочкой учитывается как одно искрение. Частота вращения подвижных контактов около 40-60 мин -1.
4.3.2 Калибровка искрообразующего механизма
4.3.2.1 Чувствительность искрообразующего механизма необходимо проверять до, во время и после каждой серии испытаний по 10.3 и 10.4 ГОСТ 30852.10.
4.3.2.2 Настройку и проверку правильности работы искрообразующего механизма II типа осуществляют включением его в контрольную электрическую цепь постоянного тока через каждые 4000 замыканий и размыканий испытуемой цепи. Искрообразующий механизм считается настроенным правильно, если происходит воспламенение представительной (соответствующей активизированной испытательной взрывоопасной смеси) взрывоопасной смеси с вероятностью не менее 0,05.
4.3.2.3 Параметры контрольной цепи для искрообразующего механизма II типа аналогичны параметрам контрольной цепи для искрообразующего механизма I типа, указанным в 10.3 ГОСТ 30852.10.
4.3.3 Область применения искрообразующего механизма
4.3.3.1 Искрообразующий механизм II типа предназначен для испытаний на искробезопасность индуктивных и емкостных электрических цепей, а также других комбинированных цепей, если он воспроизводит для них наиболее опасные условия разрядообразования. Искрообразующий механизм II типа используют для испытания электрических цепей при токах более 3 А, где не может быть использован искрообразующий механизм I типа. Параметры испытуемых цепей должны иметь следующие предельные значения:
а) испытательный ток не более 10 А;
б) рабочее напряжение испытуемых цепей не более 1000 В;
в) индуктивность цепи не более 1 Гн;
г) частота тока в электрических цепях не более 1,5 МГц.
Примечания
1 Искрообразующий механизм II типа не имеет малых скоростей разведения контактов и не может быть использован для испытаний на искробезопасность омических цепей.
2 При проведении испытаний следует принимать меры, чтобы ток в индуктивных цепях во время замкнутого состояния контактов принимал установившееся значение, а конденсатор в период разомкнутого состояния контактов полностью заряжался.

1 - подвижный контакт; 2 - неподвижный контакт; 3 - диск подвижного контакта; 4 - пластина неподвижного контакта; 5 - крепежный болт подвижного контакта; 6 - вращающийся вал подвижного контакта; 7 - крепежная стойка неподвижного контакта
Рисунок 7 - Кинематическая схема искрообразующего механизма II типа
4.3.3.2 Если искрообразующий механизм II типа применяют для испытаний цепей с параметрами, выходящими за указанные в 4.3.3.1 пределы, необходимо контролировать сохранение его чувствительности и, при необходимости, принимать специальные меры для ее восстановления или учета ее изменения в результатах испытаний.
Примечания
1 Если испытательный ток превышает 10 A, нагрев контактов может стать дополнительной причиной воспламенения, делая недостоверными результаты испытаний.
2 Емкостные и индуктивные цепи со значительными постоянными времени можно испытывать методом уменьшения скорости вращения искрообразующего механизма или исключить постоянное соприкосновение нескольких стальных проволочек с диском пилочки. Например, допускается устанавливать определенное число проволочек, чтобы происходила полная зарядка емкости в интервалах между отдельными сериями искр. При оценке емкостных цепей каждое соприкосновение проволочки с диском пилочки регистрируется как одно искрение. При этом необходимо учитывать, что снижение скорости искрообразующего механизма может изменить его чувствительность.
4.4 Искрообразующий механизм III типа
4.4.1 Конструкция
4.4.1.1 Искрообразующий механизм III типа (рисунок 8) состоит из двух пар роликов. Ролики каждой пары прижимаются друг к другу. Скорость вращения верхней пары роликов в четыре раза меньше скорости вращения нижней пары.
4.4.1.2 Медная луженая проволока диаметром 0,26 мм с барабана и верхней пары роликов подается на нижнюю пару роликов через стеклянную колбочку, промываемую взрывоопасной смесью. Проволока после выхода из колбочки захватывается нижней парой роликов и, вследствие разности скоростей вращения верхних и нижних роликов, рвется в колбочке.
4.4.1.3 Исследуемая цепь подключается к нижней и верхней паре роликов. Замыкание цепи происходит вне колбочки в момент соприкосновения с нижней парой роликов. Размыкание цепи происходит во взрывоопасной смеси в момент разрыва проволоки в колбочке. Скорость размыкания контактов - от 0,2 до 3,0 м/с. Контакты изготовлены из медной луженой проволоки диаметром 0,26 мм. Частота искрений - от 1 до 30 раз в секунду. При скорости размыканий контактов 0,6 м/с время замкнутого состояния цепи - около 10 мс, время разомкнутого состояния цепи - около 114 мс.
4.4.1.4 Сопротивление двух пар роликов и зажатой между ними медной луженой проволоки диаметром 0,26 мм перед ее разрывом - не более 0,03 Ом. Расход взрывоопасной смеси регулируется от 2 до 5 см 3/с.

1 - барабан с проволокой; 2 - подающие ролики; 3 - датчик взрыва; 4 - взрывная камера; 5 - принимающие ролики; 6 - приемник для использованных проволочек
Рисунок 8 - Кинематическая схема искрообразующего механизма III типа
4.4.2 Калибровка искрообразующего механизма
4.4.2.1 Чувствительность искрообразующего механизма необходимо проверять до, во время и после каждой серии испытаний по 10.3 и 10.4 ГОСТ 30852.10.
4.4.2.2 Настройку и проверку правильности работы искрообразующего механизма III типа осуществляют посредством включения его в контрольную электрическую цепь постоянного тока через каждые 4000 замыканий и размыканий испытуемой цепи. Искрообразующий механизм считают настроенным правильно, если происходит воспламенение представительной или активизированной испытательной взрывоопасной смеси с вероятностью не менее 0,05.
4.4.2.3 Параметры контрольной цепи для искрообразующего механизма III типа аналогичны параметрам контрольной цепи для искрообразующего механизма II типа и приведены в 10.3. ГОСТ 30852.10.
4.4.3 Область применения искрообразующего механизма
4.4.3.1 Искрообразующий механизм III типа предназначен для испытаний на искробезопасность индуктивных электрических цепей, а также других комбинированных цепей, если он воспроизводит для них наиболее опасные условия разрядообразования. Искрообразующий механизм III типа используют для испытания электрических цепей при токах более 10 А, где не могут быть использованы искрообразующие механизмы I и II типов. Параметры испытуемых цепей должны иметь следующие предельные значения:
а) коммутируемый ток испытуемой электрической цепи не должен превышать значений, при которых индуктивность искрообразующего механизма и присоединительных проводов начинает оказывать влияние на результаты испытаний;
б) рабочее напряжение испытуемых цепей не более 1000 В;
в) индуктивность испытуемой цепи не более 1 Гн;
г) частота тока в электрических цепях не более 1,5 МГц.
Примечания
1 Искрообразующий механизм III типа не имеет малых скоростей разведения контактов и не может быть использован для испытаний на искробезопасность омических цепей.
2 При проведении испытаний следует принимать меры, чтобы ток в индуктивных цепях во время замкнутого состояния контактов принимал установившееся значение.
4.4.3.2 Если искрообразующий механизм III типа применяют для испытаний цепей с параметрами, выходящими за указанные в 4.4.3.1 пределы, необходимо контролировать сохранение его чувствительности и, при необходимости, принимать специальные меры для ее восстановления или учета ее изменения в результатах испытаний.
Примечание - При больших токах в испытуемой цепи нагрев контактов может стать дополнительной причиной воспламенения, влияя на результаты испытаний.
Приложение А
(справочное)
А.1 Подготовка и очистка вольфрамовых проволочек
А.1.1 При разрезании вольфрамовые проволочки расщепляются на концах после относительно непродолжительного времени работы.
Рекомендуется один из следующих способов подготовки вольфрамовых проволочек к испытаниям:
а) оплавить концы проволочки с помощью устройства, приведенного на рисунках А.1 и А.2, при этом на каждой проволочке образуется шарик, который можно легко удалить щипчиками.
После такой подготовки в среднем одну из четырех контактных проволочек нужно заменять только после 50 000 искрений;
б) нарезать проволочку, например с помощью высококачественных ножниц.
Затем проволочки установить в держатель и вручную очистить всю поверхность проволочек, включая концы, наждачной бумагой класса 0 или эквивалентным абразивным материалом.
Примечания
1 При очистке проволочек необходимо убирать из искрообразующего механизма держатель электродов.
2 Требования к размеру зерен наждачной бумаги класса 0 или эквивалентного абразивного материала, определенные при помощи сита, приведены в таблице А.1.
Таблица А.1
|
Количество зерен, проходящих через отверстия сита |
Размер отверстия сита, мкм |
|
Проходят все зерна |
106 |
|
Задерживается на сите не более 24 % |
75 |
|
Задерживается на сите не менее 40 % |
53 |
|
Проходит не более 10 % |
45 |
А.1.2 Для стабилизации чувствительности искрообразующего механизма во время испытаний желательно очистить и выпрямить проволочки на равном расстоянии. Периодичность очистки зависит от скорости, с которой на проволочке образуются отложения. Эта скорость зависит от испытуемой цепи. Проволочка должна быть заменена, если ее конец расщеплен или проволочку невозможно распрямить.
А.2 Установка нового кадмиевого диска
Чтобы стабилизировать чувствительность искрообразующего механизма, рекомендуется следующая процедура установки нового кадмиевого диска:
а) установить кадмиевый диск на искрообразующем механизме;
б) подключить выходные зажимы искрообразующего механизма к цепи со значениями индуктивности - 95 мГн, напряжения - 24 В, постоянного тока - 100 мА (как указано в 10.3 ГОСТ 30852.10 и произвести не менее 20000 оборотов держателя вольфрамовых проволочек в атмосфере воздуха;
в) установить новые вольфрамовые проволочки, подготовленные и очищенные в соответствии с А.1, и подключить выходные зажимы искрообразующего механизма к неэлектролитическому конденсатору емкостью 2 мкФ, заряжаемому через резистор сопротивлением 2 кОм;
г) заполнить сосуд взрывной камеры представительной взрывоопасной смесью для группы IIА (или группы I). В соответствии с 10.2 ГОСТ 30852.10 подать напряжение 70 В постоянного тока (для группы I - 95 В) на емкостную цепь и вращать искрообразующий механизм, пока не воспламениться взрывоопасная смесь или не произойдет 400 оборотов держателя вольфрамовых проволочек. Если воспламенение взрывоопасной смеси произошло, то последовательно снижать напряжение на 5 % и повторять описанную процедуру до тех пор, пока за 400 оборотов не будет воспламенения смеси;
д) повторить действия по подпункту г) при напряжении 60 В постоянного тока (для группы I - 80 В); если воспламенения не происходит, повторить действия по подпункту г);
е) повторить действия по подпункту д) при напряжении 50 В постоянного тока (для группы I - 70 В); если воспламенения не происходит, повторить действия по подпункту г).
Процедуру повторять до тех пор, пока не произойдет воспламенение представительной взрывоопасной смеси по подпункту е).

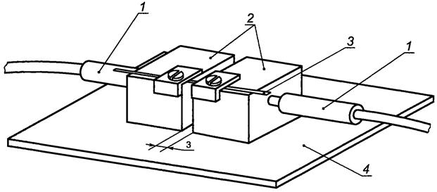
1 - подвод питания; 2 - медный брусок; 3 - вольфрамовая проволочка; 4 - изолирующая пластина
Рисунок А.1 - Устройство для подготовки вольфрамовых проволочек методом оплавления
Примечание - Оплавленные шарики следует снимать щипчиками.

1 - трансформаторе площадью поперечного сечения сердечника 19 см 2; 2 - вольфрамовая проволочка; 3 - медные бруски
Рисунок А.2 - Принципиальная электрическая схема устройства подготовки вольфрамовых проволочек методом оплавления
А.3 Область применения искрообразующих механизмов в зависимости от их индуктивности и емкости и присоединительных проводов испытуемых электрических цепей
Область применения искрообразующих механизмов в пределах значений размыкаемых токов, указанных в стандарте, будет ограничиваться влиянием их собственной индуктивности вместе с индуктивностью присоединительных проводов испытательных электрических цепей. Для искрообразующего механизма I типа (МЭК) это значение равно 3 мкГн. В таблице А.3.1 приведены значения энергии A l, накапливаемой в искрообразующем механизме и присоединительных проводах и выраженной в процентах относительно воспламеняющей энергии активизированной испытательной взрывоопасной смеси от величины их суммарной индуктивности для коммутируемого тока цепи 10 А и для четырех категорий взрывоопасных смесей. Энергия, накапливаемая в искрообразующих механизмах и присоединительных проводах, выраженная в процентах относительно воспламеняющей энергии взрывоопасной смеси, составляет при L = 3 мкГч для группы 1 и подгрупп электрооборудования: IIС - 750 %, IIВ - 160 %, IIА - 67 % и I - 62 %. Наибольшее влияние индуктивность искрообразующего механизма и присоединительных проводов оказывает на результаты испытаний на искробезопасность электрических цепей применительно к подгруппе электрооборудования IIС. Снизить влияние индуктивности искрообразующих механизмов и присоединительных проводов можно за счет снижения ее значения и значения коммутируемого тока согласно таблице А.3.2. Для подгруппы электрооборудования IIС и коммутируемого тока электрической цепи 3 А накапливаемая энергия в присоединительных проводах составляет 67,5 % от значения воспламеняющей энергии. Поэтому для искрообразующего механизма без снижения суммарной индуктивности его и присоединительных проводов невозможно расширить область его применения (например, для случая со сменным диском из различных материалов).
В таблице А.3.3 в качестве примера приведены данные, аналогично таблице А.3.1, применительно к L = 4·10-7 Гн для группы I и подгрупп электрооборудования IIА, IIВ, IIС, по которым при этой величине суммарной индуктивности возможно определить область применения искрообразующего механизма в зависимости от значения коммутируемого тока электрической цепи.
Суммарная емкость искрообразующего механизма и присоединительных проводов испытательных электрических цепей ограничивает испытуемые электрические цепи по напряжению питания. В таблице А.3.4 приведены результаты анализа влияния емкости по напряжению питания. В таблице А.3.4 приведены результаты анализа влияния емкости искрообразующего механизма и присоединительных проводов (30 мкФ). Приведенные данные показывают долю в процентах, которую накапливают суммарная емкость искрообразующего механизма и присоединительных проводов по отношению к минимальной воспламеняющей энергии взрывоопасной смеси. Наибольшее влияние емкость оказывает при испытании электрических цепей электрооборудования подгруппы IIС. Снизить влияние емкости искрообразующего механизма и присоединительных проводов можно только за счет уменьшения их значений.
Поэтому каждый искрообразующий механизм должен иметь в паспорте значение индуктивности и емкости искрообразующего механизма, которые с аналогичными величинами присоединительных проводов испытуемых электрических цепей и будут определять их область применения в зависимости от испытательных взрывоопасных смесей и параметров электрических цепей.
Таблица А.3.1
|
Размыкаемый ток цепи I, А |
A l = LI 2/2, мкДж |
Отношения энергий, накапливаемых в присоединительных проводах, к энергии разряда контрольной цепи, % | |||
|
группа I |
подгруппа IIА |
подгруппа IIВ |
подгруппа IIС | ||
|
1 |
1,5 |
0,56 |
0,68 |
1,60 |
7,5 |
|
2 |
6,0 |
2,23 |
2,70 |
6,39 |
30,0 |
|
3 |
13,5 |
5,02 |
6,08 |
14,38 |
67,5 |
|
4 |
24,0 |
8,92 |
10,81 |
25,56 |
120,0 |
|
5 |
37,5 |
13,94 |
15,20 |
39,94 |
187,5 |
|
6 |
54,0 |
20,07 |
24,32 |
57,51 |
270,0 |
|
7 |
73,5 |
27,32 |
33,11 |
78,28 |
367,5 |
|
8 |
96,0 |
35,69 |
43,24 |
102,25 |
480,0 |
|
9 |
121,5 |
45,17 |
54,73 |
129,41 |
607,5 |
|
10 |
150,0 |
55,80 |
67,57 |
159,76 |
750,0 |
Таблица А.3.2
|
Размыкаемый ток цепи I, А |
Отношения энергий, накапливаемых в присоединительных проводах, к энергии разряда контрольной цепи, % | |||
|
3·10-6 Гн |
1·10-6 Гн |
4·10-7 Гн |
1·10-7 Гн | |
|
1 |
7,5 |
2,5 |
1,0 |
0,250 |
|
2 |
30,0 |
10,0 |
2,5 |
0,625 |
|
3 |
67,5 |
22,5 |
9,0 |
2,250 |
|
4 |
120,0 |
40,0 |
16,0 |
4,000 |
|
5 |
187,5 |
62,5 |
25,0 |
6,250 |
|
6 |
270,0 |
90,0 |
36,0 |
9,000 |
|
7 |
367,5 |
122,5 |
49,0 |
12,250 |
|
8 |
480,0 |
160,0 |
64,0 |
16,000 |
|
9 |
607,5 |
202,5 |
81,0 |
20,250 |
|
10 |
750,0 |
250,0 |
100,0 |
25,000 |
Таблица А.3.3
|
Размыкаемый ток цепи I, А |
А l = LI 2/2, мкДж |
Отношения энергий, накапливаемых в присоединительных проводах, к энергии разряда контрольной цепи, % | |||
|
группа I |
подгруппа IIА |
подгруппа IIВ |
подгруппа IIС | ||
|
1 |
0,2 |
0,07 |
0,09 |
0,21 |
1,0 |
|
2 |
0,8 |
0,30 |
0,36 |
0,85 |
2,5 |
|
3 |
1,8 |
0,67 |
0,81 |
1,92 |
9,0 |
|
4 |
3,2 |
1,19 |
1,44 |
3,41 |
16,0 |
|
5 |
5,0 |
1,86 |
2,03 |
5,33 |
25,0 |
|
6 |
7,2 |
2,68 |
3,24 |
7,67 |
36,0 |
|
7 |
9,8 |
3,64 |
4,41 |
10,44 |
49,0 |
|
8 |
12,8 |
4,76 |
5,76 |
13,63 |
64,0 |
|
9 |
16,2 |
6,02 |
7,30 |
17,25 |
81,0 |
|
10 |
20 |
7,44 |
9,01 |
21,30 |
100,0 |
Таблица А.3.4
|
Напряжение источника питания цепи Е, В |
А с = CU 2/2, мкДж |
Отношения энергий, накапливаемых в присоединительных проводах, к минимальной воспламеняющей энергии представительной взрывоопасной смеси, % | |||
|
группа I |
подгруппа IIА |
подгруппа IIВ |
подгруппа IIС | ||
|
100 |
0,15 |
0,05 |
0,06 |
0,16 |
0,38 |
|
200 |
0,60 |
0,21 |
0,23 |
0,63 |
4,61 |
|
300 |
1,35 |
0,48 |
0,52 |
1,42 |
10,38 |
|
400 |
2,40 |
0,86 |
0,92 |
2,53 |
18,46 |
|
500 |
3,75 |
1,34 |
1,44 |
3,95 |
28,85 |
|
600 |
5,40 |
1,93 |
2,08 |
5,68 |
41,54 |
|
700 |
7,35 |
2,76 |
2,83 |
7,74 |
56,54 |
|
800 |
9,60 |
3,43 |
3,69 |
10,11 |
73,85 |
|
900 |
12,15 |
4,34 |
4,67 |
12,79 |
93,46 |
|
1000 |
15,00 |
5,36 |
5,77 |
15,79 |
115,38 |


