ГОСТ IEC 61008-1-2020 ВЫКЛЮЧАТЕЛИ АВТОМАТИЧЕСКИЕ, УПРАВЛЯЕМЫЕ ДИФФЕРЕНЦИАЛЬНЫМ ТОКОМ, БЫТОВОГО И АНАЛОГИЧНОГО НАЗНАЧЕНИЯ БЕЗ ВСТРОЕННОЙ ЗАЩИТЫ ОТ СВЕРХТОКОВ. Часть 1. ОБЩИЕ ТРЕБОВАНИЯ И МЕТОДЫ ИСПЫТАНИЙ
Residual current operated circuit-breakers without integral overcurrent protection for household and similar uses. Part 1. General rules and test methods
МКС 29.120.50
Дата введения - 1 марта 2021 г.
Взамен ГОСТ IEC 61008-1-2012
Предисловие
Цели, основные принципы и общие правила проведения работ по межгосударственной стандартизации установлены ГОСТ 1.0 "Межгосударственная система стандартизации. Основные положения" и ГОСТ 1.2 "Межгосударственная система стандартизации. Стандарты межгосударственные, правила и рекомендации по межгосударственной стандартизации. Правила разработки, принятия, обновления и отмены"
Сведения о стандарте
1 Подготовлен Акционерным обществом "Диэлектрические кабельные системы" (АО "ДКС") на основе собственного перевода на русский язык англоязычной версии стандарта, указанного в пункте 5
2 Внесен Федеральным агентством по техническому регулированию и метрологии
3 Принят Межгосударственным советом по стандартизации, метрологии и сертификации (протокол от 29 мая 2020 г. N 130-П)
За принятие проголосовали:
|
Краткое наименование страны по МК (ИСО 3166) 004-97 |
Код страны по МК (ИСО 3166) 004-97 |
Сокращенное наименование национального органа по стандартизации |
|
Армения |
AM |
Минэкономики Республики Армения |
|
Беларусь |
BY |
Госстандарт Республики Беларусь |
|
Киргизия |
KG |
Кыргызстандарт |
|
Россия |
RU |
Росстандарт |
|
Таджикистан |
TJ |
Таджикстандарт |
|
Узбекистан |
UZ |
Узстандарт |
4 Приказом Федерального агентства по техническому регулированию и метрологии от 4 августа 2020 г. N 466-ст межгосударственный стандарт ГОСТ IEC 61008-1-2020 введен в действие в качестве национального стандарта Российской Федерации с 1 марта 2021 г.
5 Настоящий стандарт идентичен международному стандарту IEC 61008-1:2013 "Выключатели автоматические, срабатывающие от остаточного тока, без встроенной защиты от тока перегрузки бытовые и аналогичного назначения. Часть 1. Общие правила" ["Residual current operated circuit-breakers without integral overcurrent protection for household and similar uses (RCCBs) - Part 1: General rules", IDT].
Международный стандарт разработан Подкомитетом SC 23Е "Автоматические выключатели и аналогичное оборудование для бытового назначения" Технического комитета ТС 23 "Электрическое вспомогательное оборудование" Международной электротехнической комиссии (IEC).
Наименование настоящего стандарта изменено относительно наименования указанного международного стандарта для приведения в соответствие с ГОСТ 1.5 (подраздел 3.6).
При применении настоящего стандарта рекомендуется использовать вместо ссылочных международных стандартов соответствующие им межгосударственные стандарты, сведения о которых приведены в дополнительном приложении ДА
6 Взамен ГОСТ IEC 61008-1-2012
Введение
В настоящем стандарте установлены термины и определения, требования и методы испытаний всех типов автоматических выключателей, управляемых дифференциальным током, без встроенной защиты от сверхтоков (ВДТ) бытового и аналогичного назначения.
Дополнительные требования к отдельным видам ВДТ приведены в следующих частях серии стандартов ГОСТ 31601 "Выключатели автоматические, управляемые дифференциальным током, бытового и аналогичного назначения без встроенной защиты от сверхтоков":
- часть 2-1. Применимость общих правил для ВДТ, функционально не зависимых от напряжения сети;
- часть 2-2. Применимость общих правил для ВДТ, функционально зависимых от напряжения сети.
Настоящий стандарт распространяется на выключатели автоматические, управляемые дифференциальным током, без встроенной защиты от сверхтоков, функционально не зависящие или зависящие от напряжения сети, бытового и аналогичного применения (далее - ВДТ), с номинальным напряжением, не превышающим 440 В переменного тока частотой 50 и 60 Гц или 50/60 Гц, и номинальным током, не превышающим 125 А, применяемые для защиты человека от поражения электрическим током.
ВДТ предназначены для защиты людей при косвенном прикосновении человека к открытым проводящим нетоковедущим частям электроустановок, соединенным с соответствующими заземляющими устройствами. Также ВДТ могут применяться для защиты от возникновения пожара, вызванного утечкой тока через изношенную изоляцию проводов и некачественные соединения.
ВДТ, имеющие номинальный дифференциальный ток срабатывания не более 30 мА, могут также использоваться в качестве средства дополнительной защиты в случае отказа защитных устройств, предназначенных для защиты от поражения электрическим током.
Настоящий стандарт распространяется на ВДТ, выполняющие одновременно функцию обнаружения дифференциального тока, а также сравнения его значения со значением дифференциального тока срабатывания и отключения цепи в случае, когда дифференциальный ток превосходит это значение.
Примечания
1 Основные требования к ВДТ соответствуют IEC 60775. ВДТ предназначены для эксплуатации необученным персоналом, а их конструкция не требует обслуживания. Требования настоящего стандарта пригодны для целей сертификации.
2 Требования по установке и применению ВДТ приведены в серии стандартов на электроустановки зданий IEC 60364.
ВДТ предназначены для применения в окружающей среде со степенью загрязнения 2.
ВДТ могут применяться в целях блокировки.
ВДТ, соответствующие требованиям настоящего стандарта, за исключением ВДТ со сплошной нейтралью, могут применяться в ИТ-системах.
В случае, когда возможно перенапряжение питания (например, при питании от воздушных линий электропередач), могут потребоваться специальные меры защиты (например, грозовые разрядники) (см. IEC 60364-4-44).
ВДТ общего типа устойчивы к нежелательному срабатыванию, включая случаи, когда импульсы напряжения (в результате переходных помех, возникающих в процессе коммутации или индуктируемых грозовыми разрядами) вызывают появление в установке токов нагрузки без возникновения тока замыкания на землю.
ВДТ типа S достаточно устойчивы к нежелательному срабатыванию даже в случае возникновения импульсного напряжения, приводящего к пробою и остаточному току.
Примечания
1 Разрядник для защиты от перенапряжений, установленный после ВДТ общего типа, подсоединенный обычным способом, может вызывать нежелательное срабатывание ВДТ.
2 Для ВДТ со степенью защиты выше IP20 может потребоваться специальная конструкция.
Дополнительные требования необходимы для:
- ВДТ, управляемых дифференциальным током, со встроенной защитой от сверхтоков (см. IEC 61009-1);
- ВДТ, встраиваемых или предназначенных только для объединения с вилками, розетками или электрическими соединителями бытового и аналогичного применения;
- ВДТ, предназначенных для применения на частотах, отличающихся от 50 или 60 Гц.
Для встраиваемых ВДТ или предназначенных только для объединения с вилками и штепсельными розетками следует руководствоваться требованиями настоящего стандарта совместно с требованиями IEC 60884-1 или национальными требованиями той страны, на рынке которой они представлены, по мере их применимости.
Примечания
1 Для устройств защиты, управляемых дифференциальным током (далее - УДТ) или предназначенных только для объединения с розетками, следует руководствоваться требованиями настоящего стандарта совместно с требованиями IEC 62640.
2 В Дании вилки и розетки должны соответствовать требованиям Рекомендаций по использованию сильных токов (раздел 107).
3 В Объединенном Королевстве Великобритании вилки и розетки ВДТ должны соответствовать BS 1363-1 и BS 1363-2. Требования IEC 60884-1 к ним не применяются.
Требования настоящего стандарта установлены для ВДТ, предназначенных для применения в нормальных условиях эксплуатации (см. 7.1).
Для ВДТ, предназначенных для применения в условиях, отличающихся от установленных в настоящем стандарте, могут потребоваться дополнительные требования.
Настоящий стандарт не распространяется на ВДТ с автономными источниками питания.
В настоящем стандарте использованы нормативные ссылки на следующие стандарты. Для датированных ссылок применяют только указанное издание ссылочного стандарта, для недатированных - последнее издание (включая все изменения).
IEC 60038, IEC standard voltages (Напряжения стандартные по МЭК)
IEC 60060-1:1989 1), High-voltage test techniques - Part 1: General definitions and test requirements (Технология испытаний высоким напряжением. Часть 1. Общие определения и требования к испытаниям)
──────────────────────────────
1) Заменен на IEC 60060-1:2010. Однако для однозначного соблюдения требований настоящего стандарта, выраженного в датированной ссылке, рекомендуется использовать только указанное в этой ссылке издание.
──────────────────────────────
IEC 60060-2:1994 2), High-voltage test techniques - Part 2: Measuring systems (Технология испытаний высоким напряжением. Часть 2. Измерительные системы)
──────────────────────────────
2) Заменен на IEC 60060-2:2010. Однако для однозначного соблюдения требований настоящего стандарта, выраженного в датированной ссылке, рекомендуется использовать только указанное в этой ссылке издание.
──────────────────────────────
IEC 60068-2-30:2005, Environmental testing - Part 2-30: Tests - Test Db: Damp heat, cyclic (12 h + 12 h cycle) [Испытания на воздействия внешних факторов. Часть 2-30. Испытания. Испытание Db и руководство: Влажное тепло, циклическое (12 + 12-часовой цикл)]
IEC 60068-3-4:2001, Environmental testing - Part 3-4: Supporting documentation and guidance - Damp heat tests (Испытания на воздействие внешних факторов. Часть 3-4. Сопроводительная документация и руководство. Испытания на влажное тепло)
IEC 60112:2003, Method for the determination of the proof and the comparative tracking indices of solid insulating materials (Метод определения контрольного и сравнительного индексов трекингостойкости твердых изоляционных материалов)
IEC 60228:2004, Conductors of insulated cables (Токопроводящие жилы изолированных кабелей)
IEC 60364 (all parts), Low-voltage electrical installations [Электроустановки низковольтные (все части IEC 60364)]
IEC 60364-4-44:2007, Low-voltage electrical installations - Part 4-44: Protection for safety - Protection against voltage disturbances and electromagnetic disturbances (Электроустановки низковольтные. Часть 4-44. Защита в целях безопасности. Защита от резких отклонений напряжения и электромагнитных помех)
IEC 60364-5-53:2001 1), Electrical installations of buildings - Part 5-53: Selection and erection of electrical equipment - Isolation, switching and control (Электроустановки зданий. Часть 5-53. Выбор и монтаж электрического оборудования. Изоляция, коммутация и контроль)
──────────────────────────────
1) Заменен на IEC 60364-5-53:2019. Однако для однозначного соблюдения требований настоящего стандарта, выраженного в датированной ссылке, рекомендуется использовать только указанное в этой ссылке издание.
──────────────────────────────
IEC 60417, Graphical symbols for use on equipment (Графические символы для использования на электрическом оборудовании)
IEC 60529, Degrees of protection provided by enclosures (IP Code) [Степени защиты, обеспечиваемые оболочками (IP Code)]
IEC 60664-1:2007, Insulation coordination for equipment within low-voltage systems - Part 1: Principles, requirements and tests (Координация изоляции для оборудования низковольтных систем. Часть 1. Принципы, требования и испытания)
IEC 60664-3, Insulation coordination for equipment within low-voltage systems - Part 3: Use of coating, potting or moulding for protection against pollution (Координация изоляции для оборудования низковольтных систем. Часть 3. Использование покрытий, герметизации и формовки для защиты от загрязнения)
IEC 60695-2-10:2000 2), Fire hazard testing - Part 2-10: Glowing/hot-wire based test methods - Glow-wire apparatus and common test procedure (Испытание на пожароопасность. Часть 2-10. Методы испытаний раскаленной/горячей проволокой. Установка с раскаленной проволокой и общие методы испытаний)
──────────────────────────────
2) Заменен на IEC 60695-2-10:2013. Однако для однозначного соблюдения требований настоящего стандарта, выраженного в датированной ссылке, рекомендуется использовать только указанное в этой ссылке издание.
──────────────────────────────
IEC 60884-1, Plugs and socket-outlets for household and similar purposes - Part 1: General requirements (Вилки и штепсельные розетки бытового и аналогичного назначения. Часть 1. Общие требования)
IEC 61009-1, Residual current operated circuit-breakers with integral overcurrent protection for household and similar uses (RCBOs) - Part 1: General rules [Выключатели автоматические, управляемые дифференциальным током, бытового и аналогичного назначения со встроенной защитой от сверхтоков (RCBOs). Часть 1. Общие правила]
IEC 61543:1995, Residual current-operated protective devices (RCDs) for household and similar use - Electromagnetic compatibility [Устройства защитные бытового и аналогичного назначения (RCDs) управления остаточным током. Электромагнитная совместимость]
IEC 61543:1995/AMD1:2004 Изменение 1
IEC 61543:1995/AMD2:2005 Изменение 2
CISPR 14-1:2005 3), Electromagnetic compatibility - Requirements for household appliances, electric tools and similar apparatus - Part 1: Emission (Совместимость электромагнитная. Требования к бытовой аппаратуре, электрическому инструменту и аналогичным приборам. Часть 1. Помехоэмиссия)
──────────────────────────────
3) Заменен на CISPR 14-1:2016. Однако для однозначного соблюдения требований настоящего стандарта, выраженного в датированной ссылке, рекомендуется использовать только указанное в этой ссылке издание.
──────────────────────────────
В настоящем стандарте применены следующие термины с соответствующими определениями.
При применении терминов "напряжение" или "ток" имеется в виду их среднеквадратическое значение, если не оговорено иное.
Примечание - Условные обозначения номинальных параметров и характеристик приведены в приложении IB.
3.1.1 ток замыкания на землю (earth fault current): Ток, проходящий в землю через место замыкания при повреждении изоляции.
3.1.2 ток утечки (earth leakage current): Ток, который протекает в землю или на сторонние проводящие части в электрически неповрежденной цепи.
3.1.3 пульсирующий (выпрямленный) постоянный ток (pulsating direct current): Импульсный ток волнообразной формы, принимающий за один период пульсаций, следующих периодически с номинальной частотой, нулевое значение или значение, не превышающее 0,006 величины постоянного тока, за интервал времени длительностью (в угловой мере) не менее 150°.
3.1.4 угол задержки тока (current delay angle α): Промежуток времени, выраженный в угловой мере, в течение которого устройство фазного управления задерживает момент протекания тока.
3.2.1 подводимая величина (energizing quantity): Электрическая величина, которая сама или совместно с другими электрическими величинами должна быть приложена к ВДТ, чтобы обеспечить его функционирование в заданных условиях.
3.2.2 подводимая входная величина (energizing input-quantity): Электрическая величина, вызывающая отключение ВДТ в заданных условиях.
Примечание - Эти условия могут, например, заключаться в обеспечении электропитания некоторых вспомогательных элементов.
3.2.3 дифференциальный ток IΔ (residual current, IΔ): Действующее значение векторной суммы токов, протекающих в первичной цепи ВДТ (выраженное как среднеквадратичное значение).
3.2.4 отключающий дифференциальный ток (ток срабатывания) (residual operating current): Значение дифференциального тока, вызывающего отключение ВДТ в заданных условиях эксплуатации.
3.2.5 неотключающий дифференциальный ток (ток несрабатывания) (residual non-operating current): Значение дифференциального тока, при котором и ниже которого ВДТ не отключается в заданных условиях эксплуатации.
3.3.1 автоматический выключатель, управляемый дифференциальным током (residual current operated circuit-breaker): Механическое коммутационное устройство, предназначенное для включения, проведения и отключения токов при нормальных условиях эксплуатации, а также для разъединения контактов в случае, когда значение дифференциального тока достигает заданной величины в определенных условиях.
3.3.2 автоматический выключатель, управляемый дифференциальным током, без встроенной защиты от сверхтоков; ВДТ (residual current operated circuit-breaker without integral overcurrent protection, RCCB): Управляемый дифференциальным током выключатель, не предназначенный для выполнения функций защиты от сверхтоков.
3.3.3 автоматический выключатель, управляемый дифференциальным током, со встроенной защитой от сверхтоков; АВДТ (residual current operated circuit-breaker with integral overcurrent protection, RCBO): Управляемый дифференциальным током автоматический выключатель, предназначенный для выполнения функций защиты от сверхтоков.
3.3.4 ВДТ, функционально не зависящие от напряжения сети (RCCBs functionally independent of line voltage): ВДТ, для которых функции обнаружения, сравнения и отключения не зависят от напряжения питающей сети.
3.3.5 ВДТ, функционально зависящие от напряжения сети (RCCBs functionally dependent on line voltage): ВДТ, для которого функции обнаружения, сравнения и отключения зависят от напряжения питающей сети.
Примечание - Напряжение сети прикладывается к ВДТ для обнаружения функций определения, сравнения или отключения.
3.3.6 коммутационный аппарат (switching device): Аппарат, предназначенный для включения или отключения тока в одной или нескольких электрических цепях.
[IEV 441-14-01:1984]
3.3.7 механический коммутационный аппарат (mechanical switching device): Аппарат, предназначенный для замыкания и размыкания одной или нескольких электрических цепей с помощью размыкаемых контактов.
[IEV 441-14-02, модифицированный]
3.3.8 ВДТ со свободным расцеплением (trip-free RCCB): ВДТ, подвижные контакты которого возвращаются в разомкнутое положение и остаются в этом положении, если команда на отключение поступает после начала операции включения, даже в случае, когда операция включения продолжается.
Примечание - Для обеспечения надежного отключения тока, который мог бы установиться, может быть необходимым, чтобы контакты кратковременно заняли замкнутое положение.
3.3.9 время отключения ВДТ (break time of an RCCB): Промежуток времени между моментом внезапного возникновения отключающего дифференциального тока и моментом гашения дуги на всех полюсах.
3.3.10 предельное время неотключения (limiting non-actuating time): Максимальный промежуток времени, в течение которого через ВДТ может быть пропущен дифференциальный ток, значение которого больше значения максимального неотключающего дифференциального тока, не вызывая срабатывания ВДТ.
3.3.11 ВДТ с выдержкой времени отключения (time-delay RCCB): ВДТ, специально предназначенные для обеспечения заранее установленного значения предельного времени неотключения, соответствующего данному значению дифференциального тока.
3.3.12 замкнутое состояние (closed position): Положение, при котором обеспечена предусмотренная непрерывность главной цепи ВДТ.
[IEV 441-16-22]
3.3.13 разомкнутое состояние (open position): Положение, при котором обеспечен предусмотренный зазор между разомкнутыми контактами главной цепи ВДТ.
[IEV 441-16-23]
3.3.14 полюс (pole): Часть ВДТ, непосредственно связанная с одним электрически отделенным токопроводящим путем его главной цепи, снабженная контактами, предназначенными для соединения и разъединения главной цепи, за исключением частей, предназначенных для монтажа и оперирования всеми полюсами совместно.
3.3.15 коммутирующий нейтральный полюс (switched neutral pole): Полюс, предназначенный только для коммутаций нейтрали и не рассчитанный на обеспечение коммутационной способности аппарата.
3.3.16 главная цепь (ВДТ) [main circuit (of an RCCB)]: Все токоведущие части ВДТ, входящие в цепь, которую он предназначен замыкать и размыкать (см. 4.3).
3.3.17 цепь управления (ВДТ) [control circuit (of an RCCB)]: Цепь (отличающаяся от части главной цепи), предназначенная для операции включения или отключения ВДТ или для обеих операций.
Примечание - Цепь, предназначенная для контрольного устройства, входит в данное определение.
3.3.18 вспомогательная цепь (ВДТ) [auxiliary circuit (of an RCCB)]: Все токоведущие части ВДТ, предназначенные для включения в цепь, кроме главной цепи ВДТ и цепи управления.
[IEV 441-15-04]
3.3.19 ВДТ типа AC (RCCB type АС): ВДТ, срабатывание которого обеспечивается дифференциальным синусоидальным переменным током путем или внезапного его приложения, или при медленном нарастании.
3.3.20 ВДТ типа A (RCCB type А): ВДТ, срабатывание которого обеспечивается и синусоидальным переменным, и пульсирующим постоянным дифференциальным током путем или внезапного его приложения, или при медленном нарастании.
3.3.21 устройство эксплуатационного контроля (test device): Устройство, встроенное в ВДТ, имитирующее условия дифференциального тока для срабатывания ВДТ в определенных условиях.
3.4.1 номинальное значение (rated value): Количественное значение, установленное изготовителем для определенных условий работы ВДТ.
3.4.2 Сверхтоки неотключения в главной цепи (non-operating overcurrents in the main circuit)
Определения предельных значений сверхтоков неотключения приведены в 3.4.2.1 и 3.4.2.2.
Примечание - При наличии сверхтока в главной цепи и отсутствии дифференциального тока срабатывание устройства обнаружения дифференциального тока возможно вследствие асимметрии, существующей в самом устройстве обнаружения.
3.4.2.1 предельное значение сверхтока неотключения в случае нагрузки ВДТ с двумя токовыми путями (в двухфазных или в фазном и нулевом рабочем проводниках) (limiting value of overcurrent in case of a load through an RCCB with two current paths): Максимальное значение сверхтока неотключения нагрузки, который при отсутствии какого-либо замыкания на корпус или землю или в отсутствие тока утечки на землю может протекать через ВДТ с двумя токовыми путями без его отключения.
3.4.2.2 предельное значение сверхтока неотключения в случае однофазной нагрузки трех- или четырехполюсного ВДТ (limiting value of overcurrent in case of a single phase load through a three-pole or four-pole RCCB): Максимальное значение однофазного сверхтока, который при отсутствии какого-либо замыкания на корпус или землю или в отсутствие тока утечки на землю может протекать через трех- или четырехполюсный ВДТ без его отключения.
3.4.3 неповреждающий дифференциальный ток при коротком замыкании (residual short-circuit withstand current): Максимальное значение дифференциального тока, при котором обеспечивается отключение ВДТ в определенных условиях, превышение которого может привести АВДТ к неработоспособному состоянию.
3.4.4 ожидаемый ток (prospective current): Ток, который протекал бы в цепи, если каждый полюс ВДТ или устройства защиты от сверхтоков (если таковое имеется) был бы заменен проводником с пренебрежимо малым импедансом.
Примечание - Ожидаемый ток может быть классифицирован так же, как и действительный ток, например ожидаемый ток отключения, ожидаемый пиковый ток, ожидаемый дифференциальный ток и т.д.
3.4.5 максимальный ожидаемый сверхток (для цепи переменного тока) [maximum prospective peak current (of an a.c. circuit)]: Ожидаемый пиковый ток, когда начальное значение протекающего тока является его максимально возможным значением.
Примечание - Для многополюсных ВДТ в многофазных цепях максимальный ожидаемый сверхток относится к одному полюсу.
3.4.6 включающая/отключающая способность при коротком замыкании [short-circuit (making and breaking) capacity]: Значение переменной составляющей ожидаемого тока, выраженное как среднеквадратическое значение, которое ВТД способно обеспечить в течение времени размыкания и отключения в заданных условиях эксплуатации.
3.4.7 номинальная наибольшая включающая способность (making capacity): Значение переменной составляющей ожидаемого тока, который ВДТ способен включить при заданном напряжении в заданных условиях эксплуатации без нарушения его работоспособности.
3.4.8 номинальная наибольшая отключающая способность (breaking capacity): Значение переменной составляющей ожидаемого тока, который ВДТ способен отключить при заданном напряжении в заданных условиях эксплуатации без нарушения его работоспособности.
3.4.9 номинальная включающая и отключающая дифференциальная способность (residual making and breaking capacity): Значение переменной составляющей ожидаемого дифференциального тока, при которой ВДТ способен включать, проводить в течение своего времени размыкания и отключать ток в заданных условиях эксплуатации без нарушения его работоспособности.
3.4.10 условный ток короткого замыкания (conditional short-circuit current): Значение переменной составляющей ожидаемого тока, который ВДТ, защищенный соответствующим устройством от короткого замыкания, включенным последовательно (далее - ПЗУ), может выдержать в заданных условиях эксплуатации без нарушения его работоспособности.
3.4.11 условный дифференциальный ток короткого замыкания (conditional residual short-circuit current): Значение переменной составляющей ожидаемого дифференциального тока, который ВДТ, защищенный соответствующим ПЗУ, может выдержать в заданных условиях эксплуатации без нарушения его работоспособности.
3.4.12 Предельные значения напряжения сети (Ux и Uу) для ВДТ, функционально зависящих от напряжения сети [limiting values (Ux and Uy) of the line voltage for RCCBs functionally dependent on line voltage]
3.4.12.1 предельное значение напряжения сети Ux (limiting values Ux): Минимальное значение напряжения сети, при котором ВДТ, функционально зависящий от напряжения сети, сохраняет свою работоспособность в заданных условиях эксплуатации в случае понижения напряжения сети (см. 9.17.1).
3.4.12.2 предельное значение напряжения сети Uy (limiting values (Uу): Минимальное значение напряжения сети, ниже которого ВДТ, функционально зависящий от напряжения сети, автоматически отключается при отсутствии дифференциального тока (см. 9.17.2).
3.4.13 интеграл Джоуля I2t [I2t (Joule integral)]: Интеграл квадрата силы тока по данному интервалу времени (t0, t1):
.
[IEV 441-18-23:1984]
3.4.14 восстанавливающееся напряжение (recovery voltage): Напряжение, которое появляется на выводах полюса ВДТ после отключения тока.
[IEV 441-17-25:1984]
Примечания
1 Это напряжение можно рассматривать в виде двух последовательных интервалов времени, на первом из которых существует переходное напряжение, а на следующем за ним втором интервале - только напряжение промышленной частоты.
2 Это определение относится к однополюсным ВДТ. Для многополюсных ВДТ восстанавливающееся напряжение - это напряжение на входных зажимах выключателя.
3.4.14.1 переходное восстанавливающееся напряжение (transient recovery voltage): Напряжение в период времени, когда оно носит выраженный переходный характер.
Примечание - Переходное напряжение может быть колебательным или не колебательным или иметь смешанный характер, в зависимости от характеристик цепи и ВДТ. Оно содержит и напряжение сдвига нейтрали в многофазной цепи.
[IEV 441-17-26:1984, изменено]
3.4.14.2 восстанавливающееся напряжение промышленной частоты (power-frequency recovery voltage): Напряжение после завершения переходного процесса.
[IEV 441-17-27:1984]
3.5.1 влияющая величина (influencing quantity): Любая величина, способная изменить определенное функционирование ВДТ.
3.5.2 контрольное значение влияющей величины (reference value of an influencing quantity): Значение влияющей величины, при котором определены установленные изготовителем характеристики.
3.5.3 контрольные условия влияющих величин (reference conditions of influencing quantities): Совокупность контрольных значений влияющих величин.
3.5.4 диапазон влияющей величины (range of an influencing quantity): Диапазон значений одной отдельной влияющей величины, который позволяет ВДТ выполнять свои функции при заданных условиях, другие влияющие величины при этом имеют свои контрольные значения.
3.5.5 предельный диапазон влияющей величины (extreme range of an influencing quantity): Диапазон значений одной влияющей величины, внутри которого ВДТ подвергается только произвольным обратимым изменениям, хотя при этом нет необходимости удовлетворять всем требованиям настоящего стандарта.
3.5.6 температура окружающего воздуха (ambient air temperature): Температура воздуха, окружающего ВДТ, определенная в заданных условиях (для ВДТ, имеющего оболочку, это температура воздуха вне оболочки).
Примечание - Данные термины и определения, относящиеся к зажимам, могут быть изменены по окончании работы подкомитета 23F по их рассмотрению.
3.6.1 зажим (terminal): Токопроводящая часть устройства, предназначенная для многократного использования при соединении его электрических цепей с внешними цепями.
3.6.2 зажим резьбового типа (screw-type terminal): Зажим для присоединения и последующего отсоединения проводника или соединения между собой двух или более проводников, осуществляемых непосредственно или косвенно винтами или гайками любого типа.
3.6.3 столбчатый зажим (pillar terminal): Зажим резьбового типа, в котором проводник вставляется в отверстие или полость, где он зажимается стержнем винта (винтов).
Примечания
1 Зажимное давление может передаваться непосредственно стержнем винта или через промежуточный зажимной элемент, давление на который осуществляется стержнем винта.
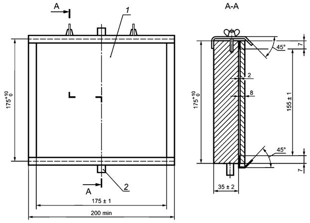
2 Образцы столбчатых зажимов приведены на рисунке IC.1 приложения IC.
3.6.4 винтовой зажим (screw terminal): Зажим резьбового типа, в котором проводник зажимается головкой винта. Зажимное давление передается или непосредственно головкой винта, или через промежуточный элемент типа шайбы, пластины или приспособления, препятствующего выпадению проводника из отверстия.
Примечание - Примеры винтовых зажимов приведены на рисунке IС.2а) приложения IC.
3.6.5 штыревой зажим (stud terminal): Зажим резьбового типа, в котором проводник зажимается под гайку. Зажимное давление может передаваться непосредственно от гайки соответствующей конфигурации или через промежуточный элемент типа шайбы, пластины или приспособления, препятствующего выпадению проводника из отверстия.
Примечание - Примеры штыревых выводов приведены на рисунке IС.2b) приложения IC.
3.6.6 пластинчатый зажим (saddle terminal): Зажим резьбового типа, в котором проводник зажимается под изогнутой планкой двумя или более винтами или гайками.
Примечание - Примеры пластинчатых зажимов приведены на рисунке IC.3 приложения IC.
3.6.7 зажимы для кабельных наконечников (lug terminal): Винтовой или штыревой зажим, предназначенный для зажима кабельного наконечника или шины посредством винта или гайки.
Примечание - Примеры зажимов для кабельных наконечников приведены на рисунке IC.4 приложения IC.
3.6.8 безрезьбовой зажим (screwless terminal): Зажим для присоединения и последующего отсоединения одного проводника или разъемного соединения между собой двух или более проводников, осуществляемых непосредственно или косвенно при помощи пружин, клиньев, эксцентриков, конусов и т.п., без специальной подготовки проводов, за исключением удаления изоляции.
3.6.9 самонарезающий винт (tapping terminal): Винт, изготовленный из материала с более высокой стойкостью к деформации, используемый посредством вращения для создания отверстия в материале с меньшей стойкостью к деформации, чем у винта.
Примечание - Винт выполнен с конусной резьбой с уменьшением диаметра резьбы на конце винта. При ввинчивании винта резьба надежно формируется только после достаточного числа оборотов, превышающего число витков резьбы на коническом участке.
3.6.10 самонарезающий формирующий винт (thread forming tapping crew): Винт с непрерывной резьбой, не предназначенный для удаления материала из отверстия.
Примечания
1 Удаление материала из отверстия не является основной функцией, выполняемой данным типом винта.
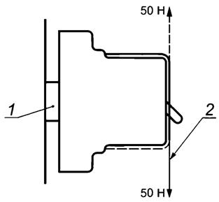
2 Пример самонарезающего формирующего винта приведен на рисунке 1.
3.6.11 самонарезающий режущий винт (thread cutting tapping screw): Винт с прерывающейся резьбой, предназначенный для удаления материала из отверстия.
Примечания
1 Удаление материала из отверстия является основной функцией, выполняемой данным типом винта.
2 Пример самонарезающего режущего винта приведен на рисунке 2.
3.7.1 операция (operation): Перевод подвижного контакта (контактов) из разомкнутого положения в замкнутое и наоборот.
Примечание - Различают оперирование в электрическом смысле (т.е. включение и отключение) как коммутирующее оперирование и оперирование в механическом смысле (т.е. замыкание и размыкание) как механическое оперирование.
3.7.2 операция замыкания (closing operation): Операция, при которой ВДТ переводится из разомкнутого состояния в замкнутое состояние.
[IEV 441-16-08:1984]
3.7.3 операция размыкания (opening operation): Операция, при которой ВДТ переводится из замкнутого состояния в разомкнутое состояние.
[IEV 441-16-09:1984]
3.7.4 цикл операций (operating cycle): Ряд операций по переходу из одного состояния в другое и обратно в первое состояние.
3.7.5 последовательность операций (sequence of operations): Ряд определенных операций в определенных временных интервалах.
3.8.1 испытания типа (type test): Испытание одного или более ВДТ, изготовленных по определенной документации (проекту), с целью установить, что ВДТ соответствует определенным требованиям.
3.8.2 контрольные испытаний (routine test): Испытания, которым подвергают каждый образец изделия в течение или после изготовления с целью установления соответствия его определенным требованиям.
3.9.1 координация изоляции (insulation coordination): Взаимное сопоставление характеристик изоляции электрического оборудования, учитывающее предполагаемые воздействия и влияние микросреды.
[IEC 60664-1, определение 3.1]
3.9.2 рабочее напряжение (working voltage): Максимальное среднеквадратичное значение напряжения переменного тока или значение напряжения постоянного тока для любого конкретного вида изоляции, которое может возникнуть при подаче на оборудование номинального напряжения.
[IEC 60664-1, определение 3.5]
Примечания
1 Переходные процессы не учитывают.
2 Учитывают режим холостого хода и нормальные рабочие условия.
3.9.3 перенапряжение (overvoltage): Любое пиковое значение напряжения, превышающее значение допустимого максимального установившегося напряжения при нормальных рабочих условиях.
[IEC 60664-1, определение 3.7]
3.9.4 выдерживаемое импульсное напряжение (impulse withstand voltage): Максимальное пиковое значение импульсного напряжения установленной формы и полярности, которое не вызывает пробоя изоляции при заданных условиях.
[IEC 60664-1, определение 3.8.1]
3.9.5 категория перенапряжения (overvoltage category): Числовой показатель, определяющий условие динамической перегрузки по напряжению.
[IEC 60664-1, определение 3.10]
3.9.6 макросреда (macro-environment): Окружающая среда в помещении или в другом месте, в котором установлено или используется оборудование.
[IEC 60664-1, определение 3.12.1]
3.9.7 микросреда (micro-environment): Окружающая изоляцию среда, которая непосредственно воздействует на длину путей утечки.
[IEC 60664-1, определение 3.12.2]
3.9.8 загрязнение (pollution): Наличие на изоляции любого постороннего вещества, твердого, жидкого или газообразного, способного привести к уменьшению электрической прочности или удельного поверхностного сопротивления изоляции.
[IEC 60664-1, определение 3.11]
3.9.9 степень загрязнения (pollution degree): Числовой показатель, характеризующий предполагаемое загрязнение микросреды.
[IEC 60664-1, определение 3.13]
Примечание - Степень загрязнения, которому подвергается оборудование, может отличаться от той макросреды, в которой размещается оборудование, в результате применения таких средств защиты, как оболочка, или внутренний подогрев для предотвращения абсорбции или конденсации влаги.
3.9.10 изоляция (назначение изоляции) [isolation (isolation function)]: Изоляция предназначена для защиты всей электроустановки или отдельных частей оборудования путем его отделения или разделения от любого источника электрической энергии в целях обеспечения безопасности.
[IEC 60947-1, определение 2.1.19, изменено]
3.9.11 изолирующий промежуток (isolation distance): Промежуток между разомкнутыми контактами, отвечающий требованиям безопасности, установленным к изоляции.
[IEV 441-17-35:1984, изменено]
3.9.12 воздушный зазор (clearance) (см. приложение В): Кратчайшее расстояние в воздухе между двумя токопроводящими частями, определяемое вдоль нити, натянутой по кратчайшему пути между этими токопроводящими частями.
[IEV 441-17-31, изменено]
Примечание - Для определения воздушного зазора между доступными частями поверхность изолирующей оболочки следует рассматривать как токопроводящую, как если бы она была обернута металлической фольгой, в любом доступном для прикосновения рукой или стандартным испытательным пальцем месте в соответствии с рисунком 3.
3.9.13 путь утечки (creepage distance) (см. приложение В): Кратчайшее расстояние по поверхности изоляционного материала между двумя токопроводящими частями.
[IEV 604-03-61:1987, изменено]
Примечание - Для определения пути утечки доступную поверхность изоляционной оболочки следует рассматривать как токопроводящую, как если бы она была обернута металлической фольгой, в каком бы месте ее не касались рукой или стандартным испытательным пальцем в соответствии с рисунком 3.
ВДТ подразделяют на следующие категории.
4.1 По способу управления.
Примечание - Разделение ВДТ на различные типы выполнено в соответствии с требованиями IEC 60364-5-53.
4.1.1 ВДТ, функционально не зависящие от напряжения сети (3.3.4).
4.1.2 ВДТ, функционально зависящие от напряжения сети (3.3.5).
4.1.2.1 Размыкающиеся автоматически в случае исчезновения напряжения сети, с задержкой или без задержки по времени (см. 8.12):
a) автоматически повторно замыкающиеся при восстановлении напряжения сети;
b) автоматически повторно не замыкающиеся при восстановлении напряжения сети.
4.1.2.2 Не размыкающиеся автоматически в случае исчезновения напряжения сети:
a) способные расцепляться в случае аварийной ситуации (например, при замыкании на землю), возникающей вследствие аварии в электросети;
b) не способные расцепляться в случае аварийной ситуации (например, при замыкании на землю), возникающей вследствие аварии в электросети.
Примечание - Условия выбора и применения ВДТ - по 531.2.2.2 IEC 60364-5-53:2001.
4.2 По виду установки:
- ВДТ для стационарной установки при неподвижной проводке;
- ВДТ для подвижной установки (переносного типа) и шнурового присоединения (подключения) самого ВДТ к источнику питания.
4.3 В зависимости от числа полюсов и токовых путей:
- однополюсный ВДТ с двумя токовыми путями;
- двухполюсный ВДТ;
- трехполюсный ВДТ;
- трехполюсный ВДТ с четырьмя токовыми путями;
- четырехполюсный ВДТ.
4.4 По условиям регулирования отключающего дифференциального тока:
- ВДТ с одним значением номинального отключающего дифференциального тока;
- ВДТ с многопозиционной установкой отключающего дифференциального тока с дискретными фиксированными значениями.
4.5 По условиям устойчивости к нежелательному срабатыванию от воздействия импульсов напряжения:
- ВДТ с нормальной устойчивостью к нежелательному срабатыванию (общий тип в соответствии с таблицей 1 и таблицей 2, если применимо);
- ВДТ с повышенной устойчивостью к нежелательному срабатыванию (тип S в соответствии с таблицей 1 и таблицей 2, если применимо).
4.6 По условиям функционирования при наличии составляющей постоянного тока:
- ВДТ типа АС;
- ВДТ типа А.
4.7 По наличию задержки по времени (в присутствии дифференциального тока):
- ВДТ без выдержки времени - тип для общего применения;
- ВДТ с выдержкой времени - тип S для обеспечения селективности.
4.8 По способу защиты от внешних воздействующих факторов:
- ВДТ защищенного исполнения (не требующий дополнительной оболочки);
- ВДТ незащищенного исполнения (для использования с дополнительной оболочкой).
4.9 По способу монтажа:
- ВДТ поверхностного монтажа;
- ВДТ утопленного монтажа;
- ВДТ панельно-щитового монтажа (называемого также типом для распределительных щитов и щитков).
Примечание - ВДТ этих типов могут предназначаться для установки на рейках.
4.10 По способу присоединения:
- ВДТ, электрические присоединения которых не связаны с механическими креплениями;
- ВДТ, электрические присоединения которых связаны с механическими креплениями.
Примечание - Креплениями такого типа являются:
- втычные;
- болтовые;
- резьбовые.
Некоторые ВДТ могут быть втычного или болтового типа только со стороны питания, а со стороны нагрузки - обычные крепления проводами.
4.11 По типу выводов:
- ВДТ с винтовыми выводами для внешних медных проводников;
- ВДТ с выводами безрезьбового типа для внешних медных проводников.
Примечание - Требования к ВДТ, оснащенным выводами таких типов, приведены в приложении J;
- ВДТ с плоскими быстросоединяемыми выводами для внешних медных проводников.
Примечание - Требования к ВДТ, оснащенным выводами такого типа, приведены в приложении К;
- ВДТ с выводами резьбового типа для внешних алюминиевых проводников.
Примечание - Требования к ВДТ, оснащенным выводами такого типа, приведены в приложении L.
Наименование применяемых характеристик:
- вид установки (см. 4.2);
- число полюсов и токовых путей (см. 4.3);
- номинальный ток In (см. 5.2.2);
- номинальный отключающий дифференциальный ток IΔn (см. 5.2.3);
- номинальный неотключающий дифференциальный ток IΔn0 (см. 5.2.4);
- номинальное напряжение Un (см. 5.2.1);
- номинальная частота (см. 5.2.5);
- номинальная включающая и отключающая способность Im (см. 5.2.6);
- номинальная дифференциальная включающая и отключающая способность IΔm (см. 5.2.7);
- временная задержка, если применимо (см. 5.2.8);
- рабочие характеристики в случае дифференциальных токов с составляющими постоянного тока (см. 5.2.9);
- степень защиты (см. IEC 60529);
- номинальный условный ток короткого замыкания Inc (см. 5.4.2);
- номинальный условный дифференциальный ток короткого замыкания IΔc (см. 5.4.3);
- способ монтажа (см. 4.9);
- способ присоединения (см. 4.10).
Для ВДТ, функционально зависящих от напряжения сети:
- поведение ВДТ в случае исчезновения напряжения сети (см. 4.1.2).
5.2.1 Номинальное напряжение
5.2.1.1 Номинальное рабочее напряжение (Ue)
Номинальное рабочее напряжение (далее - номинальное напряжение) ВДТ есть значение напряжения, установленное изготовителем для заданных условий эксплуатации, при котором обеспечивается его работоспособность.
Примечание - Для одного и того же ВДТ может быть установлено несколько номинальных напряжений.
5.2.1.2 Номинальное напряжение изоляции (Ui)
Номинальное напряжение изоляции ВДТ есть установленное изготовителем значение напряжения, при котором определяется испытательное напряжение при испытании изоляции и пути утечки.
В отсутствие других указаний значение номинального напряжения изоляции - это максимальное значение номинального напряжения ВДТ. В этом случае значение максимального номинального напряжения не должно превышать значения номинального напряжения изоляции.
5.2.1.3 Номинальное выдерживаемое импульсное напряжение (Uimp)
Номинальное выдерживаемое импульсное напряжение ВДТ должно быть равным или превышать стандартные значения номинального выдерживаемого импульсного напряжения, указанные в таблице 3.
5.2.2 Номинальный ток (In)
Указанный изготовителем ток, который ВДТ может проводить в продолжительном режиме работы.
5.2.3 Номинальный отключающий дифференциальный ток (IΔn)
Значение отключающего дифференциального тока (см. 3.2.4), указанное для ВДТ изготовителем, при котором ВДТ должен срабатывать при заданных условиях.
Для ВДТ, имеющих несколько уставок отключающего дифференциального тока, для данного определения используется уставка с наибольшим значением.
ВДТ с постоянно установленными уставками не применяют.
5.2.4 Номинальный неотключающий дифференциальный ток (IΔn0)
Значение неотключающего дифференциального тока (см. 3.2.5), указанное для ВДТ изготовителем, при котором ВДТ не срабатывает при заданных условиях.
5.2.5 Номинальная частота
Номинальная частота ВДТ - это промышленная частота, на которую рассчитан ВДТ и которой соответствуют значения других характеристик.
Примечание - Один ВДТ может быть рассчитан на несколько значений номинальной частоты.
5.2.6 Номинальная включающая и отключающая способность (Im)
Среднеквадратичное значение переменной составляющей ожидаемого тока (см. 3.4.4), указанное изготовителем, которое ВДТ может включать, проводить и отключать при заданных условиях.
Такими условиями являются условия, указанные в 9.11.2.2.
5.2.7 Номинальная дифференциальная включающая и отключающая способность (IΔm)
Среднеквадратичное значение переменной составляющей ожидаемого тока (3.2.3 и 3.4.4), указанное изготовителем, которое ВДТ может включать, проводить и отключать при заданных условиях.
Такими условиями являются условия, указанные в 9.11.2.3.
5.2.8 ВДТ типа S
Для ВДТ выдержка времени (см. 3.3.11) устанавливается в соответствии с требованием соответствующей части таблицы 1 и таблицы 2, если применимо.
5.2.9 Рабочие характеристики в случае дифференциальных токов с составляющими постоянного тока
5.2.9.1 ВДТ типа АС
ВДТ, который обеспечивает срабатывание при синусоидальных переменных дифференциальных токах, либо прикладываемых скачком, либо медленно возрастающих.
5.2.9.2 ВДТ типа А
ВДТ, который обеспечивает срабатывание при синусоидальных переменных дифференциальных токах и дифференциальных пульсирующих постоянных токах, либо прикладываемых скачком, либо медленно возрастающих.
5.3.1 Предпочтительные значения номинального напряжения (Un)
Предпочтительными значениями номинального напряжения являются следующие.
Таблица
|
ВДТ |
Сеть, к которой подключен ВДТ |
Номинальное напряжение ВДТ для использования в системах 230 В, или 230/400 В, или 400 В, В |
Номинальное напряжение ВДТ для использования в системах 120/240 В или 240 В, В |
|
Однополюсный (с двумя токовыми путями) |
Однофазная (между фазой и заземленным центральным проводником или между фазой и нулевым рабочим проводником) |
230 |
120 |
|
Двухполюсный |
Однофазная (между фазой и нулевым рабочим проводником, или между фазами, или между фазой и заземленным центральным проводником) |
230 |
120 |
|
Однофазная, между фазами |
400 |
240 | |
|
Однофазная, между фазами, 3-проводная |
- |
120/240 | |
|
Трехфазная (4-проводная) (система 230/400 В между фазой и заземленным центральным проводником или система 230 В между фазами) |
230 |
- | |
|
Трехполюсный (с тремя или четырьмя токовыми путями) |
Трехфазная (3-проводная или 4-проводная) (система 400 В, или 230/400 В, или 240 В) |
400 |
240 |
|
Четырехполюсный |
Трехфазная (4-проводная) (система 230/400 В) |
400 |
- |
|
Примечания 1 В IEC 60038 стандартизованы значения напряжения сети 230/400 В. Данные значения напряжения должны постепенно заменять значения напряжения 220/380 В и 240/415 В соответственно. 2 В случае ссылки в настоящем стандарте на значения напряжения 230 В или 400 В они могут читаться как 220 В или 240 В, 380 В или 415 В соответственно. 3 В случае ссылки в настоящем стандарте на значения напряжения 120 В, или 120/240 В, или 240 В они могут читаться как 100 В, или 100/200 В, или 200 В соответственно. 4 В случае ссылки в настоящем стандарте на значения напряжения трехфазного тока 240 В они могут читаться как 100 В или 120/208 В соответственно. | |||
Примечание - В Японии сеть между фазой и нейтральным проводом и между фазой и заземляющим на землю проводником (заземленным проводом) рассматривается иначе, так как двухпроводная однофазная система, питаемая от двухпроводной системы источника питания, не имеет нейтральной точки.
5.3.2 Предпочтительные значения номинального тока (In)
Предпочтительными значениями номинального тока являются:
10, 13, 16, 20, 25, 32, 40, 63, 80, 100, 125 А.
5.3.3 Стандартные значения номинального отключающего дифференциального тока (IΔn)
Стандартными значениями номинального отключающего дифференциального тока являются:
0,006; 0,01; 0,03; 0,1; 0,3; 0,5 А.
5.3.4 Стандартное значение номинального неотключающего дифференциального тока (IΔn0)
Стандартное значение номинального неотключающего дифференциального тока равно 0,5 IΔn.
Примечание - Для дифференциальных пульсирующих постоянных токов неотключающие дифференциальные токи зависят от угла α задержки тока (см. 3.1.4).
5.3.5 Стандартное минимальное значение сверхтока неотключения в случае многофазной равномерной нагрузки многополюсного ВДТ (см. 3.4.2.1)
Стандартное минимальное значение тока неотключения в случае многофазной равномерной нагрузки многополюсного ВДТ равно 6In.
5.3.6 Стандартное минимальное значение сверхтока неотключения в случае однофазной нагрузки трех- или четырехполюсного ВДТ (3.4.2.2)
Стандартное минимальное значение тока неотключения в случае однофазной нагрузки трех- или четырехполюсного ВДТ равно 6In.
5.3.7 Предпочтительные значения номинальной частоты
Предпочтительными значениями номинальной частоты являются 50 Гц, 60 Гц и 50/60 Гц.
Если используют другие значения, номинальная частота должна быть указана на ВДТ и испытания должны проводиться при этой частоте.
5.3.8 Минимальное значение номинальной включающей и отключающей способности (Im)
Минимальное значение номинальной включающей и отключающей способности Im должно равняться 10In или 500 А (выбирают большее значение).
Соответствующие коэффициенты мощности указаны в таблице 19.
5.3.9 Минимальное значение номинальной дифференциальной включающей и отключающей способности (IΔm)
Минимальное значение номинальной дифференциальной включающей и отключающей способности IΔm должно равняться 10In или 500 А (выбирают большее значение).
Соответствующие коэффициенты мощности указаны в таблице 19.
5.3.10 Стандартные и предпочтительные значения номинального условного тока короткого замыкания (Inc)
5.3.10.1 Значения до 10 000 А включительно
Значения номинального условного тока короткого замыкания Inc стандартизованы и равны:
3000, 4500, 6000, 10 000 А.
Соответствующие коэффициенты мощности указаны в таблице 19.
Примечание - В Южной Корее значения 1000; 1500; 2000; 2500; 7500; 9000 А также являются стандартизованными значениями.
5.3.10.2 Значения более 10 000 А
Для значений более 10 000 до 25 000 А включительно предпочтительным значением является 20 000 А.
Соответствующие коэффициенты мощности указаны в таблице 19.
Значения более 25 000 А не рассматривают в настоящем стандарте.
5.3.11 Стандартные значения номинального условного дифференциального тока короткого замыкания (IΔc)
5.3.11.1 Значения до 10 000 А включительно
Значения номинального условного дифференциального тока короткого замыкания IΔc стандартизованы и равны:
3000, 4500, 6000, 10 000 А.
Значения 500, 1000 и 1500 А являются также стандартными для ВДТ, встраиваемых или предназначенных для компоновки со штепсельными розетками.
Соответствующие коэффициенты мощности указаны в таблице 19.
5.3.11.2 Значения более 10 000 А
Для значений более 10 000 до 25 000 А включительно предпочтительное значение равно 20 000 А.
Соответствующие коэффициенты мощности указаны в таблице 19.
Значения более 25 000 А не рассматривают в настоящем стандарте.
5.3.12 Предельные значения времени отключения и неотключения для ВДТ типов АС и А
5.3.12.1 Предельные значения времени отключения и неотключения для переменного дифференциального тока (среднеквадратичное значение) для ВДТ типов АС и А
Предельные значения времени отключения и неотключения для переменного дифференциального тока (среднеквадратичное значение) для ВДТ типов АС и А приведены в таблице 1.
Примечание - В США, где время отключения конкретно связано с током, применяют следующие формулы:
для короткого замыкания через большое сопротивление и
для короткого замыкания через малое сопротивление.
|
Тип |
In, A |
IΔn, А |
Предельное значение времени отключения и неотключения для ВДТ типов АС и А в случае переменного дифференциального тока (среднеквадратичное значение), с | ||||||
|
IΔn |
2IΔn |
5IΔn |
5IΔn или 0,25 А а) |
5 А - 200 А b) |
500 А |
Время отключения и неотключения | |||
|
Общий |
Любое значение |
До 0,03 |
0,30 |
0,15 |
- |
0,04 |
0,04 |
0,04 |
Максимальное время отключения |
|
0,03 |
0,30 |
0,15 |
- |
0,04 |
0,04 |
0,04 | |||
|
Св. 0,03 |
0,30 |
0,15 |
0,04 |
- |
0,04 |
0,04 | |||
|
S |
Св. или равно 25 |
Св. 0,03 |
0,5 |
0,20 |
0,15 |
- |
0,15 |
0,15 | |
|
Св. 0,03 |
0,13 |
0,06 |
0,05 |
- |
0,04 |
0,04 |
Минимальное время неотключения | ||
|
a) Для данных испытаний значения находятся на стадии разработки. b) Данные испытания проводят только при проверке работоспособности по 9.9.2.4. | |||||||||
5.3.12.2 Максимальные значения времени отключения для однополупериодного импульсного дифференциального тока (среднеквадратичное значение) для ВДТ типа А
Максимальные значения времени отключения для однополупериодного импульсного дифференциального тока (среднеквадратичное значение) для ВДТ типа А приведены в таблице 2.
|
Тип |
In, А |
IΔn, А |
Максимальное значение времени отключения для ВДТ типа А в случае однополупериодного импульсного дифференциального тока (среднеквадратичное значение), с | |||||||
|
1,4IΔn |
2IΔn |
2,8IΔn |
4IΔn |
7IΔn |
0,35 А |
0,5 А |
350 А | |||
|
Общий |
Любое значение |
До 0,03 |
- |
0,3 |
- |
0,15 |
- |
- |
0,04 |
0,04 |
|
0,03 |
0,3 |
- |
0,15 |
- |
- |
0,04 |
- |
0,04 | ||
|
Св. 0,03 |
0,3 |
- |
0,15 |
- |
0,04 |
- |
- |
0,04 | ||
|
S |
Св. или равно 25 |
Св. 0,03 |
0,5 |
- |
0,2 |
- |
0,15 |
- |
- |
0,15 |
5.3.13 Стандартное значение номинального импульсного выдерживаемого напряжения (Uimp)
В таблице 3 стандартное значение номинального импульсного выдерживаемого напряжения приведено как функция номинального напряжения установки.
|
Номинальное импульсное выдерживаемое напряжение (Uimp), кВ |
Номинальное напряжение установки | |
|
Трехфазная система, В |
Однофазная система с заземленной средней точкой, В | |
|
2,5 а) |
- |
120/240 b) |
|
4 а) |
- |
120/240, 240 c) |
|
a) Значения 3 кВ и 5 кВ соответственно используются для проверки изолирующих промежутков через разомкнутые контакты на высоте 2000 м (см. таблицы 5 и 22). b) Для установок в Японии. c) Для установок в странах Северной Америки. Примечания 1 Испытательное напряжение для проверки изоляции см. таблицу 16. 2 Испытательное напряжение для проверки изолирующего промежутка через разомкнутые контакты см. таблицу 22. | ||
5.4.1 Общие положения
ВДТ должны быть защищены от короткого замыкания посредством автоматических выключателей или предохранителей согласно правилам установки, отвечающим требованиям соответствующих стандартов серии IEC 60364.
Согласование между ВДТ и ПЗУ должно быть проверено при общих условиях 9.11.2.1 посредством испытаний, приведенных в 9.11.2.4, которые предназначены для проверки работоспособности защиты ВДТ от токов короткого замыкания, вплоть до условного тока короткого замыкания Inc и условного дифференциального тока короткого замыкания IΔc.
5.4.2 Номинальный условный ток короткого замыкания (Inc)
Среднеквадратическое значение ожидаемого тока, указанное изготовителем, которое ВДТ, защищенное ПЗУ, может выдерживать при заданных условиях без нарушения его работоспособности.
Эти условия приведены в 9.11.2.4, перечисление а).
5.4.3 Номинальный условный дифференциальный ток короткого замыкания (IΔc)
Значение дифференциального ожидаемого тока, указанное изготовителем, которое ВДТ, защищенное ПЗУ, может выдержать при заданных условиях без нарушения его работоспособности.
Эти условия приведены в 9.11.2.4, перечисление с).
Каждый ВДТ должен иметь стойкую маркировку с указанием всех или, при малых размерах, части следующих данных:
a) наименование изготовителя или торгового знака (марки);
b) обозначение типа, каталожного номера или номера серии;
c) номинальное(ые) напряжение(я);
d) номинальная частота: ВДТ с более чем одной номинальной частотой (например, 50/60 Гц) должен быть маркирован с учетом этого;
e) номинальный ток;
f) номинальный отключающий дифференциальный ток;
g) установки отключающего дифференциального тока для ВДТ с несколькими значениями отключающего дифференциального тока;
h) номинальная включающая и отключающая коммутационная способность;
j) степень защиты (только в случае ее отличия от IP20);
k) рабочее положение при необходимости;
l) номинальная дифференциальная включающая и отключающая способность, если она отличается от номинальной включающей и отключающей способности;
m) символ
для устройств типа S;
n) указание, что ВДТ функционально зависит от напряжения сети, если это имеет место (на рассмотрении);
о) обозначение органа управления контрольным устройством - буквой Т;
р) монтажная схема;
q) рабочая характеристика при наличии дифференциальных токов с составляющими постоянного тока:
- ВДТ типа АС - символ
(IEC 60417-5032-2002-10);
- ВДТ типа А - символ
.
Маркировка должна быть нанесена либо непосредственно на ВДТ, либо на табличке(ах), прикрепленной(ых) к ВДТ, и должна быть расположена так, чтобы быть видимой после установки ВДТ.
Пригодность изоляции, которая обеспечивается всеми ВДТ настоящего стандарта, может быть указана на устройстве символом
. В случае нанесения данная маркировка может быть включена в монтажную схему, когда она может комбинироваться с символами других функций.
Примечание - В Австралии данная маркировка на автоматическом выключателе является обязательной, но не требуется ее видимость после монтажа.
Если символ используется сам по себе (т.е. отсутствует на монтажной схеме), то не допускается его сочетание с символами других функций.
Если в соответствии с IEC 60529 на устройство нанесена степень защиты более высокая, чем IP20, то она должна соответствовать ей вне зависимости от метода монтажа. Если более высокая степень защиты получена только конкретным методом монтажа и/или с использованием конкретных вспомогательных устройств (например, крышек клеммной коробки, оболочек и т.д.), это должно быть указано в документации изготовителя.
Если габариты устройств не позволяют нанести все указанные выше данные, то по крайней мере маркировка по перечислениям е), f), о) и q) (только для ВДТ типа А) должна быть нанесена и видимой после установки устройства. Информация по перечислениям а) - с), k), l), р) и q) (только для ВДТ типа А) может быть нанесена на боковых или задней поверхностях устройства и быть видимой только до установки устройства. Как альтернативный вариант информация по перечислению р) может быть нанесена на внутреннюю поверхность любой крышки, которую нужно снимать для присоединения питающих проводов. Информация по остальным перечислениям должна быть приведена в эксплуатационной документации и каталогах изготовителя.
Изготовитель должен сообщить выдерживаемые ВДТ значения интеграла Джоуля I2t и пикового тока Ip. В случае, если они не определены, применяют минимальные значения, приведенные в таблице 18.
Изготовитель должен указать сведения об одном или более подходящих ПЗУ в своих каталогах или эксплуатационной документации, прикладываемых к каждому ВДТ.
Для ВДТ, классифицируемых согласно 4.1.2.1 и размыкающихся с задержкой в случае падения напряжения сети, изготовитель должен указать диапазон такой задержки.
Для ВДТ, отличающихся от управляемых нажимными кнопками, разомкнутое положение должно быть обозначено символом "◯", а замкнутое положение - символом "|" (короткая вертикальная линия). Допускается использование дополнительных символов, приведенных в действующих нормативных документах по стандартизации. Эти обозначения должны быть хорошо видны на установленном ВДТ.
Для ВДТ, управляемых двумя нажимными кнопками, кнопка, предназначенная только для отключения, должна быть красного цвета и/или обозначаться символом "◯".
Красный цвет не допускается использовать ни для какой другой кнопки ВДТ. Если кнопка служит для замыкания контактов и ясно распознается как таковая, то для указания замкнутого положения контактов достаточно ее утопленного положения.
Если одну и ту же кнопку используют и для замыкания, и для размыкания контактов и она идентифицируется как таковая, то для указания замкнутого положения контактов достаточно, что кнопка остается в утопленном положении. С другой стороны, если кнопка не остается утопленной, следует предусмотреть дополнительные средства указания положения контактов.
Если необходимо различить входные и выходные выводы, они должны быть ясно обозначены (например, словами "линия" и "нагрузка", расположенными около соответствующих выводов, или стрелками, указывающими направление протекания тока).
Выводы, предназначенные исключительно для соединения нейтрального проводника, должны быть обозначены буквой N.
Выводы, предназначенные для нулевого защитного проводника, если таковой имеется, должны обозначаться символом
(IEC 60417-5019-2006-08).
Примечание - Символ
, ранее применяемый, должен заменяться указанным выше. Маркировка должна быть нестираемой, хорошо видимой и не должна наноситься на винтах, шайбах и других съемных частях.
Маркировка должна быть стойкой, легко читаемой и не должна размещаться на съемных деталях.
Соответствие проверяют осмотром и испытанием по 9.3.
Для универсальных выводов (для жестких одножильных, жестких скрученных и гибких проводников) маркировка не предусмотрена.
Для не универсальных выводов:
- выводы, предназначенные только для жестких одножильных проводников, маркируют буквой "s" или "sol";
- выводы, предназначенные только жестких (одножильных и скрученных) проводников, маркируют буквой "г".
Маркировку наносят непосредственно на АВДТ или, если недостаточно места, ее наносят на наименьшую упаковочную единицу или приводят в технической информации.
ВДТ, соответствующие требованиям настоящего стандарта, должны быть работоспособны при нормальных условиях эксплуатации, приведенных в таблице 4.
|
Внешний воздействующий фактор |
Нормальный диапазон эксплуатации |
Контрольное значение |
Допускаемое отклонение 6) |
|
Температура окружающего воздуха 1), 7) |
От минус 5 °С до плюс 40 °С 2) |
20 °С |
+ 5 °С |
|
Высота над уровнем моря |
Не более 2000 м |
- |
- |
|
Относительная влажность, максимальное значение при 40 °С |
50 % 3) |
- |
- |
|
Внешние магнитные поля |
Не более пятикратного значения магнитного поля Земли в любом направлении |
Значение магнитного поля Земли |
4) |
|
Рабочее положение |
Указанный изготовителем с отклонением 2° в любом направлении 5) |
Указанное изготовителем |
2° в любом направлении |
|
Частота |
Основное значение ± 5 % 6) |
Номинальное значение |
± 2 % |
|
Искажения синусоидальной формы кривой |
Не более 5 % |
Ноль |
5 % |
|
1) Максимальное значение среднесуточной температуры 35 °С. 2) Значения, выходящие за пределы указанных диапазонов, относящиеся к районам с более суровыми климатическими условиями, устанавливаются по согласованию между изготовителем и потребителем. 3) Более высокая относительная влажность допускается при меньших значениях температуры (например, 90 % при 20 °С). 4) При установке ВДТ вблизи сильного магнитного поля могут быть необходимы дополнительные требования. 5) Установка ВДТ должна обеспечить отсутствие деформаций корпуса, при которых может быть нарушено функционирование ВДТ. 6) Приведенные допуски применяют, если иное не установлено в соответствующих методах испытаний. 7) Предельные значения температур минус 20 °С и плюс 60 °С при хранении и транспортировании должны быть учтены при разработке ВДТ. | |||
ВДТ должны быть смонтированы в соответствии с указаниями, приведенными в инструкциях изготовителя.
ВДТ, на которые распространяется настоящий стандарт, предназначены для работы в окружающей среде со степенью загрязнения 2, т.е., как правило, возможны случаи только непроводящего загрязнения; тем не менее иногда может ожидаться временная токопроводность, вызванная конденсацией.
8.1.1 Общие положения
Устройство для обнаружения дифференциального тока и расцепитель дифференциального тока должны быть размещены между входными и выходными выводами ВДТ.
Должна быть исключена возможность изменения функциональных характеристик ВДТ путем внешнего воздействия, за исключением специально предусмотренных средств изменения установки отключающего дифференциального тока.
Изменение функциональных характеристик, отключение и блокировка ВДТ не должны быть возможны без применения специально предусмотренных средств.
Примечание - В Австралии, Германии, Дании, Италии, Объединенном Королевстве Великобритании и Швейцарии уставки с многочисленными значениями не применяют.
В случае наличия у ВДТ нескольких значений уставок отключающего дифференциального тока в качестве номинального тока указывают наибольшую уставку.
8.1.2 Механизм
Подвижные контакты всех полюсов многополюсных ВДТ должны быть соединены между собой механически таким образом, чтобы все полюса, за исключением отключающего нулевой защитный проводник, если таковой имеется, включались и отключались практически одновременно, независимо от того, осуществляется оперирование вручную или автоматически.
Переключаемый нейтральный полюс (см. 3.3.15) четырехполюсного ВДТ не должен отключаться позже и включаться раньше других полюсов (см. 3.3.14).
Соответствие проверяют осмотром и испытаниями вручную с использованием любых соответствующих средств (например, индикаторных ламп, осциллографа и т.д.).
В ВДТ должен быть предусмотрен механизм расцепления.
Должна быть предусмотрена возможность включения и отключения ВДТ вручную. Для ВДТ втычного типа, не имеющих рукоятки управления, это требование не может быть удовлетворено возможным снятием ВДТ с основания вручную.
ВДТ должны быть сконструированы так, чтобы подвижные контакты могли находиться в состоянии покоя только в замкнутом (см. 3.3.12) или разомкнутом (см. 3.3.13) положении, даже тогда, когда органы управления находятся в промежуточном положении.
ВДТ должны обеспечивать в разомкнутом положении (см. 3.3.13) изолирующий промежуток в соответствии с требованиями, необходимыми для выполнения функции изоляции (см. 8.3).
Указание положения главных контактов должно быть предоставлено посредством одного или обоих следующих средств:
- положение выключателя (является предпочтительным) или
- отдельный механический индикатор.
Если отдельный механический индикатор используется для указания положения главных контактов, это должно указываться красным цветом для замкнутого положения и зеленым цветом для разомкнутого положения.
Примечание - В США красный и зеленый цвета не используют для указания положения контакта.
Средства указания положения контакта должны быть надежными.
Соответствие проверяют осмотром и испытаниями по 9.15.
ВДТ должны быть спроектированы так, чтобы выключатель, передняя панель или корпус могли правильно устанавливаться только способом, обеспечивающим правильную индикацию положения контакта.
Соответствие проверяют осмотром и испытаниями по 9.11.
Если изготовителем обеспечиваются или устанавливаются средства для того, чтобы заблокировать рабочие средства в разомкнутом положении, блокирование в данном положении должно быть возможным, только если главные контакты находятся в разомкнутом положении.
Примечание - Блокирование рабочих средств в замкнутом положении разрешено только для конкретных применений.
Соответствие проверяют осмотром, принимая во внимание инструкции изготовителя.
Для ВДТ, функционально зависящего от напряжения сети, автоматически повторно включающегося [см. 4.1.2.1, перечисление а)] при восстановлении напряжения сети после его отсутствия, органы управления должны оставаться в положении "Вкл." во время автоматического отключения контактов; когда напряжение восстановится, контакты должны автоматически замкнуться, при этом органы управления не должны занимать положение "Откл.".
Примечание - Для ВДТ этого типа органы управления не могут использоваться для указания замкнутого и разомкнутого положений контактов.
Если для указания положения контактов используют световой указатель, он должен светиться при включенном положении ВДТ и быть яркого цвета. Световой индикатор не может быть единственным средством указания включенного положения.
Работоспособность ВДТ не должна зависеть от положения оболочек, или крышек, или любой съемной части.
Крышку, опломбированную при сборке изготовителем, рассматривают как несъемную часть.
Если крышку используют в качестве направляющей для нажимных кнопок, снятие кнопок снаружи ВДТ должно быть невозможным.
Органы управления должны быть надежно закреплены на своих осях, и снятие их без помощи инструмента должно быть невозможным.
Допускается крепление органов управления непосредственно к крышкам. Если органы управления подвижны в вертикальном направлении снизу вверх, когда ВДТ установлены как при нормальном использовании, контакты должны замыкаться при движении органа управления вверх.
Примечание - В некоторых странах временно допускается замыкание контактов при движении органа управления сверху вниз.
Соответствие вышеуказанным требованиям проверяют осмотром, испытанием вручную, для механизма свободного расцепления - испытанием по 9.15.
8.1.3 Воздушные зазоры и пути утечки (приложение В)
Минимальные требуемые значения воздушных зазоров и путей утечки приведены в таблице 5, которые основываются на ВДТ, спроектированных для эксплуатации в окружающей среде со степенью загрязнения 2.
Соответствие по пункту 1 таблицы 5 проверяют измерением или испытанием по 9.7.7.4.1 и 9.7.7.4.2. Испытание проводят на образцах, не подвергавшихся влажной обработке по 9.7.1.
Воздушные зазоры по пунктам 2 и 4 таблицы 5 (за исключением доступной поверхности после установки, см. примечание 1) могут быть уменьшены при условии, что измеренные воздушные зазоры не короче, чем минимальные допустимые по IEC 60664-1 для условий однородного поля.
Примечание - Доступная поверхность после установки - это любая поверхность, доступная пользователю при установке АВДТ в соответствии с инструкцией изготовителя. Для проверки доступности поверхности может быть применен испытательный палец.
В этом случае после влажной обработки по 9.7.1 соответствие пунктам 2, 4 и 5 таблицы 5 по условиям 9.7.2 [перечисления b), с), d) и е)] проверяют в следующем порядке:
- испытаниями по 9.7.2-9.7.6, по применению;
- испытанием по 9.7.7.2 с испытательными напряжениями по таблице 16 по условиям перечислений b), с), d), е).
Если измерение не показывает уменьшение воздушного зазора, тогда испытание по 9.7.7.2 не проводят.
Соответствие пункту 3 таблицы 5 проверяют измерением.
Примечание - Все измерения, требуемые по 8.1.3, проводят в цикле испытаний А на одном образце, а испытания по 9.7.7.2 проводят после обработки по 9.7.1 на трех образцах в цикле испытаний В.
Части печатных плат, подключенные к токоведущим частям, защищенным от загрязнения с помощью защиты типа 2 в соответствии с IEC 60664-3, не подлежат этой проверке.
Изоляционные материалы классифицируют по группам согласно сравнительному индексу трекингостойкости (СИТ) в соответствии с IEC 60664-1:2007 (4.8.1).
Примечания
1 Информация по требованиям к конструкции твердой изоляции и соответствующим испытаниям приведена в IEC 60664-1:2007 (5.3 и 6.1.3).
2 Для воздушных зазоров на печатных схемах может быть использована информация по IEC 60664-1:2007 (примечание 3 к таблице F.2): "Для материала печатных схем можно применить значения для степени загрязнения 1 при условии, что значение не должно быть менее 0,04 мм, как указано в таблице F.4". Для расстояний утечки на материале печатных схем можно применить значения по IEC 60664-1:2007 (таблица F.4), при условии защиты покрытием, отвечающим требованиям и испытаниям по IEC 60664-3.
3 Измерение воздушных зазоров и расстояний утечки промежутков, равных или менее 2 мм, на печатных платах можно оптимизировать при определенных условиях по IEC 60664-5. Это относится только к уровням влажности HL.2 и HL.3.
|
Описание расстояний утечки |
Минимальные значения воздушных зазоров, мм |
Минимальные значения расстояний утечки е), f), мм | |||||||||||||||
|
Номинальное напряжение, В |
Группа IIIa h) (175 В ≤ СИТ < 400 B) d) |
Группа II (400 В ≤ СИТ < 600 B) d) |
Группа I (600 В ≤ СИТ) d) | ||||||||||||||
|
Uimp, кВ |
Эксплуатационное напряжение e), В | ||||||||||||||||
|
2,5 |
4,0 |
4,0 | |||||||||||||||
|
120/240 120 |
120/240 240 |
230/400 230, 400 |
Св. 25 до 50 i) включ. |
120 |
250 |
400 |
Св. 25 до 50 i) включ. |
120 |
250 |
400 |
Св. 25 до 50 i) включ. |
120 |
250 |
400 | |||
|
1 Между частями, находящимися под напряжением, разъединенными, когда главные контакты ВДТ разомкнуты a) |
2,0 |
4,0 |
4,0 |
1,2 |
2,0 |
4,0 |
4,0 |
0,9 |
2,0 |
4,0 |
4,0 |
0,6 |
2,0 |
4,0 |
4,0 | ||
|
2 Между частями различной полярности, находящимися под напряжением a) |
1,5 |
3,0 |
3,0 |
1,2 |
1,5 |
3,0 |
4,0 |
0,9 |
1,5 |
3,0 |
3,0 |
0,6 |
1,5 |
3,0 |
3,0 | ||
|
3 Между цепями, питаемыми от разных источников, один из которых PELV или SELV g) |
3,0 |
6,0 |
8,0 |
- |
3,0 |
6,0 |
8,0 |
- |
3,0 |
6,0 |
8,0 |
- |
3,0 |
6,0 |
8,0 | ||
|
Описание расстояний утечки |
Минимальные значения воздушных зазоров, мм |
Минимальные значения расстояний утечки е), f), мм | |||||||
|
Номинальное напряжение, В |
Группа IIIa h) (175 В ≤ СИТ < 400 B) d) |
Группа II (400 В ≤ СИТ < 600 B) d) |
Группа I (600 В ≤ СИТ) d) | ||||||
|
Uimp, кВ |
Номинальное напряжение, В | ||||||||
|
2,5 |
4,0 |
4,0 | |||||||
|
120/240 120 |
120/240 240 |
230/400 230, 400 |
120/240 |
230/400 |
120/240 |
230/400 |
120/240 |
230/400 | |
|
4 Между частями, находящимися под напряжением, и: - доступными поверхностями органов управления; - винтами и другими средствами крепления крышек, которые снимаются при монтаже ВДТ; - поверхностью, на которой монтируется основание ВДТ b); - винтами и другими средствами крепления ВДТ b); - металлическими крышками или коробками b); - прочими доступными металлическими частями c); - металлическими опорными рамами ВДТ утопленного монтажа |
1,5 |
3,0 |
3,0 |
1,5 |
4,0 |
1,5 |
3,0 |
1,5 |
3,0 |
|
a) Значения для вспомогательных контактов и контактов управления приведены в соответствующем стандарте. b) Значения удваиваются, если воздушные зазоры и расстояния утечки между частями аппарата, находящимися под напряжением, и металлическим экраном или монтажной поверхностью ВДТ зависят не только от конструкции ВДТ, они могут быть уменьшены, когда ВДТ установлен в самых неблагоприятных условиях. c) Включая металлическую фольгу в контакте с поверхностями изоляционного материала, которые доступны после монтажа для нормальной эксплуатации. Фольгу заправляют в углы, углубления и т.п. с помощью прямого несочлененного испытательного пальца согласно 9.6 (см. рисунок 3). d) См. IEC 60112. е) Допускается интерполяция при определении расстояний утечки, соответствующих промежуточным значениям напряжений, указанным в качестве эксплуатационных. Должна использоваться линейная интерполяция, и при этом значения округляются до величин, указанных в таблице. Определение воздушных зазоров см. в приложении В. f) Зазоры не могут быть меньше соответствующих расстояний утечки. g) С учетом всех разных напряжений, в т. ч. сверхнизкое напряжение (далее - СНН) во вспомогательном контакте. h) Для воздушных материалов группы IIIb (100 В ≤ СИТ < 175 В) применяют значения для материалов группы IIIа, умноженные на 1,6. i) Для эксплуатационных напряжений до 25 В включительно см. IEC 60664-1. Примечания 1 Значения, приведенные для 400 В, также действительны для 440 В. 2 Части нейтрали, если имеется, считаются частями, находящимися под напряжением. 3 Следует обратить внимание на соблюдение соответствующих воздушных зазоров и расстояний утечки между частями ВДТ разной полярности, находящимися под напряжением, например втычного типа, смонтированными близко друг к другу. Если требования к воздушным зазорам и расстояниям утечки не выполняются для всех поверхностей, смежных с УДТ, должна быть предусмотрена отдельная информация по монтажу. | |||||||||
8.1.4 Винты, токопроводящие части и соединения
8.1.4.1 Соединения, электрические или механические, должны выдерживать механические нагрузки, характерные для нормальных условий эксплуатации.
Винты, используемые для монтажа ВДТ в ходе установки, не должны быть самонарезающегося типа.
Примечание - К винтам (или гайкам), используемым для монтажа ВДТ, относят винты для крепления крышек и закрывающих панелей, но не для соединения привинчиваемых труб и для крепления оснований ВДТ.
Соответствие проверяют осмотром и испытанием по 9.4.
Примечание - Резьбовые соединения проверяют в ходе испытаний по 9.8, 9.11-9.13 и 9.23.
8.1.4.2 Для винтов, входящих в зацепление с резьбой в изоляционных материалах, которые используют для монтажа ВДТ при установке, должен быть обеспечен правильный ввод винта в резьбовое отверстие или гайку.
Соответствие проверяют осмотром и испытанием вручную.
Примечание - Требование правильного ввода винта удовлетворяется, если, например, исключить перекос винта на входе, используя в качестве направляющей для него на закрепляющей части фаску на внутренней резьбе, в которую он ввинчивается, или снять часть резьбы с ходовой части винта.
8.1.4.3 Электрические соединения должны быть сконструированы так, чтобы контактное давление не передавалось через изоляционные материалы, кроме керамики, чистой слюды или других материалов с аналогичными характеристиками, за исключением случаев, когда металлические части достаточно упруги, чтобы компенсировать любые возможные усадки или деформации изоляционных материалов.
Соответствие проверяют осмотром.
Примечание - Пригодность материалов оценивают по стабильности размеров.
8.1.4.4 Токопроводящие части, включая детали, предназначенные для защитных проводников, если они имеются, должны быть изготовлены из металла, имеющего в условиях, существующих в оборудовании, механическую прочность, электропроводность и коррозионную стойкость, достаточные для их предполагаемого использования.
Примеры подходящих материалов приведены ниже:
- медь;
- сплав, содержащий не менее 58 % меди, для частей, работающих в холодных условиях, или не менее 50 % для других частей;
- другие металлы или металлы с соответствующим покрытием, не менее устойчивого к коррозии, чем медь, и не с худшими механическими свойствами.
При применении стальных сплавов или стальных сплавов с подходящими покрытиями устойчивость к коррозии проверяют испытанием по 9.25.
Требования данного подпункта не применяют к контактам, магнитным системам, нагревательным элементам, биметаллам, шунтам, частям электронных устройств, а также винтам, гайкам, шайбам, зажимным пластинам, аналогичным частям выводов и частям контрольного устройства.
8.1.5 Зажимы для внешних проводников
8.1.5.1 Зажимы для внешних проводников должны обеспечивать такое присоединение проводников, чтобы постоянно поддерживалось необходимое контактное давление.
В настоящем стандарте рассматривают только резьбовые зажимы для медных внешних проводников.
Допускается применение устройств, предназначенных для присоединения шин, при условии, что они не используются для присоединения кабелей.
Такие устройства могут быть втычного или болтового типа.
Зажимы должны быть легко доступны при заданных условиях эксплуатации.
Соответствие проверяют осмотром, испытаниями по 9.5 для резьбовых выводов, специальными испытаниями для ВДТ втычного и болтового типа, включенными в настоящий стандарт, или испытаниями по приложениям J, K, L соответственно типу присоединения.
8.1.5.2 ВДТ должны быть оснащены зажимами, допускающими присоединения медных проводников, имеющих номинальную площадь поперечного сечения, как указано в таблице 6, либо выводами для внешних неподготовленных алюминиевых проводников и алюминиевыми выводами резьбового типа для медных или алюминиевых проводников согласно приложению L.
Примечание - Примеры возможных конструкций выводов приведены в приложении IC.
Соответствие проверяют осмотром, измерениями и поочередным вводом одного проводника с минимальной и одного с максимальной указанной площадью поперечного сечения.
|
Номинальный ток a), А |
Диапазон номинальных поперечных сечений присоединяемых проводников b), мм2 | ||
|
св. |
до включ. |
Жесткие (одно- и многопроволочные c)) провода |
Гибкие провода |
|
- |
13 |
1,0-2,5 |
1,0-2,5 |
|
13 |
16 |
1,0-4,0 |
1,0-4,0 |
|
16 |
25 |
1,5-6,0 |
1,5-6,0 |
|
25 |
32 |
2,5-10,0 |
2,5-6,0 |
|
32 |
50 |
4,0-16,0 |
4,0-10,0 |
|
50 |
80 |
10,0-25,0 |
10,0-16,0 |
|
80 |
100 |
16,0-35,0 |
16,0-25,0 |
|
100 |
125 |
24,0-50,0 |
25,0-35,0 |
|
a) Для ВДТ одной серии, имеющих одинаковую конструкцию и одинаковые зажимы, выбор зажимов осуществляют исходя из наименьшего поперечного сечения медных проводников для минимально заданного тока и наибольшего поперечного сечения проводников для максимально заданного тока, как установлено для одно- и многопроволочных проводников, где это допустимо. b) Требуется, чтобы при номинальных токах до 50 А включительно зажимы были рассчитаны на крепление как однопроволочных, так и жестких многопроволочных проводников. В то же время допускается, чтобы зажимы для проводников с площадью поперечного сечения от 1 до 6 мм2 были рассчитаны на крепление только одножильных проводников. c) Жесткие многопроволочные проводники сечением от 1,5 до 50 мм2 и соответствующие классу 2 по IEC 60228 в части однопроволочных скрученных проводников. Примечание - Площади поперечных сечений проводников в системе AWG - см. приложение ID. | |||
8.1.5.3 Средства для закрепления проводников в зажимах не должны служить для закрепления каких-либо других элементов, хотя они могут удерживать зажимы на месте или препятствовать их проворачиванию.
Соответствие проверяют осмотром и испытаниями по 9.5.
8.1.5.4 Зажимы для номинальных токов до 32 А включительно должны обеспечивать присоединение проводников без специальной подготовки.
Соответствие проверяют осмотром.
Примечание - Термин "специальная подготовка" подразумевает пропаивание жилы проводника, использование кабельных наконечников, формовку петель и т.п., но не восстановление формы проводника перед вводом его в зажим или скручивание гибкого проводника для укрепления его конца.
8.1.5.5 Зажимы должны иметь необходимую механическую прочность.
Винты и гайки для крепления проводников должны иметь метрическую резьбу ISO или другую резьбу, сопоставимую по шагу и механической прочности.
Соответствие проверяют осмотром и испытаниями по 9.4 и 9.5.1.
8.1.5.6 Зажимы должны быть сконструированы так, чтобы зажимать проводник без его чрезмерных повреждений.
Соответствие проверяют осмотром и испытанием по 9.5.2.
8.1.5.7 Зажимы должны быть сконструированы так, чтобы зажимать проводник надежно и между металлическими поверхностями.
Соответствие проверяют осмотром и испытаниями по 9.4 и 9.5.1.
8.1.5.8 Зажимы должны быть сконструированы или расположены так, чтобы ни жесткий однопроволочный проводник, ни жила многопроволочного проводника не могли выпасть из отверстия зажима во время затяжки винтов или гаек.
Это требование не применяют к зажимам для кабельных наконечников.
Соответствие проверяют испытанием по 9.5.3.
8.1.5.9 Зажимы должны быть закреплены и расположены таким образом, чтобы при затяжке или отпуске зажимных винтов или гаек крепление зажимов не ослаблялось.
Это требование не означает, что зажимы должны быть сконструированы таким образом, чтобы не допускалось их вращение или перемещение, однако любое движение должно быть определенным образом ограничено, чтобы предотвратить несоответствие требованиям настоящего стандарта.
Применение заливочных компаундов и смол для предотвращения ослабления крепления зажимов считают достаточным при условии, что:
- заливочные компаунды и смолы не подвергаются нагрузкам при нормальной эксплуатации;
- эффективность заливочного компаунда и смолы не снижается при воздействии температур, достигаемых зажимом при наиболее неблагоприятных условиях, указанных в настоящем стандарте.
Соответствие проверяют осмотром, измерениями и испытанием по 9.4.
8.1.5.10 Зажимные винты или гайки зажимов, предназначенных для присоединения защитных проводников, должны быть надежно защищены от случайного ослабления и не должны иметь возможности самопроизвольного разжимания без помощи инструмента.
Соответствие проверяют испытанием вручную.
Обычно конструкция зажимов в целом, примеры которых приведены в приложении IC, достаточно устойчива к внешнему воздействию и соответствует этому требованию. Для других конструкций могут потребоваться дополнительные меры, например применение соответствующей устойчивой к внешнему воздействию части, которую невозможно было бы удалить случайно.
8.1.5.11 Винты и гайки зажимов, предназначенных для присоединения внешних проводников, должны входить в зацепление с резьбой, выполненной в металле. Применение самонарезающих винтов не допускается.
ВДТ должны быть сконструированы таким образом, чтобы после монтажа и выполнения разводки соединений как для нормальной эксплуатации их токоведущие части были недоступны для прикосновения.
Примечание - Термин "нормальная эксплуатация" подразумевает, что ВДТ устанавливают согласно инструкциям изготовителя.
Часть считают доступной для прикосновения, если к ней можно прикоснуться стандартным испытательным пальцем (см. 9.6).
В ВДТ, кроме втычного исполнения, наружные части, за исключением винтов или других средств для крепления крышек и табличек, доступные после монтажа и выполнения разводки соединений как для нормальной эксплуатации, должны изготавливаться либо из изоляционного материала, либо полностью покрываться изоляционным материалом, кроме случаев, когда части, находящиеся под напряжением, заключены во внутреннюю оболочку из изоляционного материала.
Покрытие изоляционным материалом должно быть выполнено таким образом, чтобы оно не могло быть легко нарушено при установке ВДТ. Изоляционное покрытие должно иметь необходимую толщину, механическую прочность и обеспечивать эффективную защиту на участках с острыми углами.
Вводные отверстия для кабелей или проводников должны выполняться либо из изоляционного материала, либо снабжаться втулками или другими аналогичными устройствами из изоляционного материала. Такие устройства должны быть надежно закреплены и обладать достаточной механической прочностью.
В ВДТ втычного исполнения наружные части, за исключением винтов и других средств крепления крышек, доступные при нормальных условиях эксплуатации, должны выполняться из изоляционного материала.
Металлические органы управления должны быть изолированы от токоведущих частей, а их проводящие части должны быть покрыты изоляционным материалом, кроме частей, обеспечивающих связь изолированных органов управления отдельных полюсов.
Металлические части механизма должны быть недоступными. Кроме того, они должны быть изолированными от доступных металлических частей, металлических опорных рам для оснований ВДТ утопленного монтажа, винтов и других средств крепления оснований к опорам и металлических плит, используемых в качестве опор.
Должна быть предусмотрена возможность легкой замены ВДТ втычного исполнения без контакта с токоведущими частями.
Лак и эмаль не считают обеспечивающими необходимую изоляцию для защиты от поражения электрическим током.
Соответствие проверяют осмотром и испытанием по 9.6.
ВДТ должны обладать соответствующими электроизоляционными свойствами и должны обеспечивать требуемые параметры изоляции.
Цепи управления ВДТ, связанные с главной цепью, не должны быть повреждены высоким напряжением постоянного тока, используемым при контроле параметров изоляции, который обычно проводят после установки ВДТ.
Соответствие проверяют испытаниями по 9.7.
8.4.1 Пределы превышения температуры
Превышение температуры частей ВДТ, приведенных в таблице 7, измеренное при условиях, установленных в 9.8.2, не должны быть более предельных значений, указанных в данной таблице.
ВДТ не должны иметь повреждений, препятствующих выполнению их функций и обеспечению безопасности при эксплуатации.
|
Части a), b) |
Превышение температуры, К |
|
Выводы для внешних соединений c) |
65 |
|
Наружные части, к которым приходится прикасаться во время ручного управления ВДТ, включая органы управления, выполненные из изоляционного материала, и металлические связи для соединения между собой изолированных органов управления отдельных полюсов |
40 |
|
Наружные металлические части органов управления |
25 |
|
Другие наружные части, включая поверхность ВДТ, непосредственно соприкасающиеся с монтажной поверхностью |
60 |
|
a) Значения превышения температуры для контактов не устанавливают, т.к. конструкция большей части ВДТ не допускает прямого измерения их температуры без риска вызвать деформацию или смещение деталей, способных повлиять на воспроизводимость результатов. Испытание на надежность (см. 9.22) считают достаточным для проверки косвенным образом поведения контактов в отношении чрезмерного превышения температуры при эксплуатации. b) Для других частей, кроме перечисленных в таблице, значения превышения температуры не указывают, но они не должны вызывать повреждений соседних частей из изоляционного материала, снижающих работоспособность ВДТ. c) Для ВДТ втычного типа - разъемы основания, на котором устанавливают ВДТ. | |
8.4.2 Температура окружающего воздуха
Предельные превышения температуры, приведенные в таблице 7, применимы, если температура окружающего воздуха находится в пределах значений, указанных в таблице 4.
Рабочие характеристики ВДТ должны соответствовать требованиям 9.9.1, 9.9.2, 9.9.3 и 9.9.4, если применимо.
ВДТ должны быть способны выполнять установленное количество механических и электрических операций.
Соответствие проверяют испытанием по 9.10.
ВДТ должны быть способными выдерживать установленное количество циклов срабатываний при коротком замыкании, в течение которых они не должны подвергать опасности оператора и вызывать перекрытие между находящимися под напряжением проводящими частями либо между этими частями и землей.
Соответствие проверяют испытаниями по 9.11.
ВДТ должны обладать соответствующими механическими характеристиками, чтобы выдерживать воздействие механических нагрузок, возникающих при монтаже и эксплуатации.
Соответствие проверяют испытанием по 9.12.
ВДТ должны быть достаточно теплостойкими.
Соответствие проверяют испытанием по 9.13.
Наружные части ВДТ, выполненные из изоляционного материала, не должны быть предрасположены к воспламенению и распространению огня, если близлежащие токопроводящие части достигли высокой температуры из-за повреждения или перегрузки. Сопротивление аномальному нагреву и огню других частей, выполненных из изоляционного материала, считают проверенным в ходе других испытаний по настоящему стандарту.
Соответствие проверяют осмотром и испытанием по 9.14.
ВДТ должны быть снабжены контрольным устройством, имитирующим прохождение дифференциального тока при его обнаружении через устройство для обеспечения периодического контроля работоспособности ВДТ.
Примечание - Контрольное устройство предназначено для проверки функции расцепления, но не величин, при которых эта функция выполняется, в отношении номинального отключающего дифференциального тока и времени отключения.
Ампер-витки, создаваемые при работе контрольного устройства ВДТ, питаемого номинальным напряжением или наибольшим значением из ряда напряжений, на которые он рассчитан (при наличии), не должны превосходить 2,5-кратного значения ампер-витков, создаваемых дифференциальным током, равным IΔn, проходящим через один из полюсов ВДТ.
Если ВДТ имеют несколько уставок отключающего дифференциального тока (см. 4.4), то должна приниматься при расчете минимальная из уставок, на которые рассчитан ВДТ. Контрольное устройство должно соответствовать требованиям испытания по 9.16.
Защитный проводник установки не должен оказываться под напряжением при работе контрольного устройства. Не должно быть возможности попадания напряжения в цепь, подключенную к выходным выводам ВДТ при использовании контрольного устройства, когда ВДТ находится в разомкнутом состоянии и подключен как при нормальной эксплуатации.
Контрольное устройство не должно быть единственным средством для выполнения операции размыкания и не предназначено для использования в этом качестве.
ВДТ, функционально зависящие от напряжения сети, должны четко работать при любом значении напряжения сети 0,85 до 1,1 номинального напряжения, для чего многополюсные ВДТ должны иметь все токовые пути, подключенные к фазным проводам и нейтрали, если таковая имеется.
Соответствие проверяют испытанием по 9.17 при дополнительных условиях испытаний, указанных в 9.9.2. Согласно их классификации ВДТ должны соответствовать требованиям таблицы 8.
|
Классификация устройств согласно 4.1 |
Функционирование в случае падения напряжения сети | |
|
ВДТ, размыкающиеся автоматически в случае исчезновения напряжения сети (4.1.2.1) |
Без выдержки времени |
Размыкание без выдержки времени согласно условиям, установленным в 9.17.2, перечисление а) |
|
С выдержкой времени |
Размыкание с выдержкой времени согласно 9.17.2, перечисление b). Правильную работу при наличии выдержки времени проверяют по 9.17.3 | |
|
ВДТ, которые не размыкаются автоматически в случае исчезновения напряжения сети (4.1.2.2) |
Не размыкаются | |
ВДТ не должны срабатывать при определенных условиях наличия сверхтоков.
Соответствие проверяют испытаниями по 9.18.
ВДТ должны адекватно выдерживать броски тока на землю, вызванные емкостной нагрузкой электроустановки. ВДТ типа S с повышенной устойчивостью к нежелательным отключениям должны дополнительно выдерживать броски тока на землю, вызванные коротким замыканием в установке.
Соответствие проверяют испытанием по 9.19.
ВДТ должны быть соответственно работоспособными при наличии токов замыкания на землю, содержащих составляющую постоянного тока согласно их классификации.
Соответствие проверяют испытаниями по 9.9.3.
ВДТ должны надежно функционировать даже после длительной эксплуатации, с учетом старения их компонентов.
Соответствие проверяют испытаниями по 9.22 и 9.23.
ВДТ должны соответствовать требованиям к ЭМС.
Соответствие проверяют испытаниями по 9.24.
9.1.1 Характеристики ВДТ проверяют при проведении испытаний типа.
Перечень испытаний типа приведен в таблице 9.
|
Испытание |
Подраздел настоящего стандарта |
|
1 Стойкость маркировки |
9.3 |
|
2 Надежность винтов, токоведущих частей и соединений |
9.4 |
|
3 Надежность выводов для внешних соединений |
9.5 |
|
4 Защита от поражения электрическим током |
9.6 |
|
5 Электроизоляционные свойства |
9.7 |
|
6 Превышение температуры |
9.8 |
|
7 Рабочие характеристики |
9.9 |
|
8 Механическая и электрическая износостойкость |
9.10 |
|
9 Поведение ВДТ в условиях короткого замыкания |
9.11 |
|
10 Стойкость к механическому толчку и удару |
9.12 |
|
11 Теплостойкость |
9.13 |
|
12 Стойкость к аномальному нагреву и огню |
9.14 |
|
13 Механизм свободного расцепления |
9.15 |
|
14 Работа контрольного устройства при предельных значениях номинального напряжения |
9.16 |
|
15 Поведение ВДТ в случае падения напряжения сети для ВДТ, классифицируемых согласно 4.1.2.1 |
9.17 |
|
16 Предельные значения тока несрабатывания в условиях токов короткого замыкания |
9.18 |
|
17 Устойчивость к нежелательному срабатыванию от импульсов напряжения |
9.19 |
|
20 Надежность |
9.22 |
|
21 Старение электронных компонентов |
9.23 |
|
22 Электромагнитная совместимость (ЭМС) |
9.24 |
|
23 Коррозиестойкость |
9.25 |
9.1.2 Для целей сертификации испытания типа проводят циклами.
Примечание - Термин "сертификация" означает:
- либо декларацию изготовителя о соответствии;
- либо сертификацию третьей стороной, например независимым органом по сертификации.
Циклы испытаний и число используемых образцов приведены в приложении А.
Если не оговорено иное, каждому испытанию типа (или циклу испытаний типа) подвергают вновь изготовленные ВДТ при нормальном диапазоне и контрольных значениях внешних воздействующих факторов, приведенных в таблице 4.
9.1.3 Контрольные испытания, выполняемые изготовителем для каждого ВДТ, приведены в приложении D.
ВДТ устанавливают отдельно, в соответствии с инструкциями изготовителя, на открытом воздухе при температуре окружающей среды от 20 °С до 25 °С, если не указано иное, в месте, защищенном от чрезмерного внешнего нагрева или охлаждения.
ВДТ, разработанные для установки в индивидуальных оболочках, испытывают в наименьшей из указанных изготовителем оболочке.
Примечание - Индивидуальная оболочка - это оболочка, предназначенная для размещения только одного прибора.
Если не указано иное, ВДТ подключают подходящим кабелем с площадью поперечного сечения, указанной в таблице 10, и крепят к фанерной плите толщиной около 20 мм, окрашенной матовой черной краской; метод крепления должен соответствовать предписаниям изготовителя в отношении монтажа ВДТ.
|
Номинальный ток In, А |
Площадь поперечного сечения кабеля S, мм2 |
|
До 6 включ. |
1,0 |
|
Св. 6 до 13 включ. |
1,5 |
|
Св. 13 до 20 включ. |
2,5 |
|
Св. 20 до 25 включ. |
4,0 |
|
Св. 25 до 32 включ. |
6,0 |
|
Св. 32 до 50 включ. |
10,0 |
|
Св. 50 до 63 включ. |
16,0 |
|
Св. 63 до 80 включ. |
25,0 |
|
Св. 80 до 100 включ. |
35,0 |
|
Св. 100 до 125 включ. |
50,0 |
Примечание - Для медных проводников системы AWG см. приложение ID.
Если допускаемые отклонения не указаны, испытания типа проводят при значениях не менее жестких, чем приведенные в настоящем стандарте. Если иное не указано, испытания проводят при номинальной частоте с допустимым отклонением ± 5 %.
В течение испытаний не допускается разборка или обслуживание образцов.
Для испытаний по 9.8-9.10, 9.22.2 и 9.23 ВДТ подготавливают следующим образом:
- соединения осуществляют одножильными медными проводами в ПВХ-изоляции;
- соединения размещают на открытом воздухе и на расстоянии не меньшем, чем расстояние между выводами;
- минимальная длина для каждого временного соединения от разъема до разъема должна быть:
- 1 м для сечений до 10 мм2 включительно,
- 2 м для сечений более 10 мм2.
Затягивающий крутящий момент, прикладываемый к винтам разъемов, должен составлять 2/3 от значений, указанных в таблице 11.
В случае ВДТ с ручным управлением во время испытаний по 9.10 и 9.11 должна применяться скорость управления, равная 0,1 м/с ± 25 %. Эта скорость применяется и в том случае, когда органом управления испытательного оборудования является клавиша органа управлении выключением. Для вращающихся ручек угловая скорость при управлении оборудованием должна соответствовать вышеуказанным условиям, принимая во внимание скорость функционирующих испытательных средств в состоянии работы ВДТ при испытаниях.
Проверку проводят вручную трением маркировки в течение 15 с ватой, смоченной водой, затем в течение 15 с - ватой, смоченной растворителем - алифатическим гексаном (с содержанием ароматических углеводородов не более 0,1 % по объему, каурибутаноловым числом 29, начальной температурой кипения ≈ 65 °С, конечной температурой кипения ≈ 69 °С и плотностью 0,68 г/см3).
Маркировку, выполненную тиснением, литьем или гравировкой, не подвергают данному испытанию.
После этого испытания маркировка должна быть легкоразличимой. Маркировка также должна оставаться легкоразличимой и после всех испытаний по настоящему стандарту.
Таблички не должны легко отделяться или скручиваться.
Соответствие требованиям 8.1.4 проверяют внешним осмотром, а также для винтов и гаек, используемых для монтажа и соединения ВДТ, следующим испытанием.
Винты и гайки затягивают и отпускают:
- десять раз - при зацеплении винтов с резьбой в изоляционном материале;
- пять раз - для всех других случаев.
Винты и гайки, зацепляющиеся с резьбой в изоляционном материале, каждый раз вынимают полностью и вставляют заново.
Испытание проводят с использованием соответствующей испытательной отвертки или гаечного ключа с приложением крутящего момента согласно таблице 11.
Винты и гайки не следует затягивать рывками.
Испытания проводят только с жесткими проводниками, имеющими максимальную площадь поперечного сечения из указанных в таблице 6, одно- или многожильных, выбирая наименее благоприятный из них. Проводник двигают каждый раз, когда винт или гайку освобождают.
|
Номинальный диаметр резьбы, мм |
Крутящий момент, Н·м | |||
|
Св. |
До ... включ. |
I |
II |
III |
|
- |
2,8 |
0,20 |
0,4 |
0,4 |
|
2,8 |
3,0 |
0,25 |
0,5 |
0,5 |
|
3,0 |
3,2 |
0,30 |
0,6 |
0,6 |
|
3,2 |
3,6 |
0,40 |
0,8 |
0,8 |
|
3,6 |
4,1 |
0,70 |
1,2 |
1,2 |
|
4,1 |
4,7 |
0,80 |
1,8 |
1,8 |
|
4,7 |
5,3 |
0,80 |
2,0 |
2,0 |
|
5,3 |
6,0 |
1,20 |
2,5 |
3,0 |
|
6,0 |
8,0 |
2,50 |
3,5 |
6,0 |
|
8,0 |
10,0 |
- |
4,0 |
10,0 |
Графу I применяют для винтов без головки, если винт в затянутом положении не выступает из гнезда, и к другим винтам, которые не могут быть затянуты отверткой с шириной лезвия большей, чем диаметр винта.
Графу II применяют для других винтов, которые затягивают при помощи отвертки.
Графу III применяют для винтов или гаек, затягиваемых другими способами, без отверток.
Если винт снабжен шестигранной головкой "под ключ" со шлицем для отвертки, а значения в графах II и III различны, то испытания проводят дважды: сначала прикладывают к шестигранной головке ключом момент, указанный в графе III, а затем к другому образцу прикладывают крутящий момент, указанный в графе II, при помощи отвертки. Если значения в графах II и III одинаковы, проводят испытание только с отверткой.
В течение испытаний винтовые соединения не должны ослабляться и не должно быть повреждений, таких как поломка винтов, повреждение шлицев, резьб, шайб и хомутиков, ухудшающих дальнейшую эксплуатацию ВДТ.
Кроме того, не должно быть повреждений крышек и оболочек.
Соответствие требованиям 8.1.5 проверяют осмотром, испытаниями по 9.4, для чего в отверстие зажима помещают жесткий медный проводник наибольшего сечения из указанных в таблице 6 (при номинальной площади поперечного сечения более 6 мм2 используют жесткий многопроволочный провод, для других сечений - однопроволочный), и испытаниями по 9.5.1-9.5.3.
Испытания по 9.5.1-9.5.3 проводят при помощи соответствующей испытательной отвертки или гаечного ключа.
9.5.1 Выводы оснащают медными проводниками минимальной и максимальной площади поперечного сечения из указанных в таблице 6, одно- или многопроволочными, выбирая наименее благоприятные.
Вывод должен подходить для всех типов проводников: жестких (одно-, многопроволочных) и гибких, если иное не установлено изготовителем.
Новые выводы испытывают с проводниками минимального и максимального сечения каждого типа по применению в следующем порядке:
- с однопроволочными проводниками сечением от 1 до 6 мм2 в зависимости от обстоятельств;
- с многопроволочными проводниками от 1,5 до 50 мм2 в зависимости от обстоятельств;
- с гибкими проводниками от 1 до 35 мм2 в зависимости от обстоятельств.
Примечание - Для медных проводников системы AWG см. приложение ID.
Проводник вставляют в новый вывод на минимальное предписанное расстояние или, в отсутствие предписаний, до появления конца проводника с противоположной стороны зажима и в положении, наиболее благоприятном для выскальзывания проволоки (проволок) проводника.
Затем зажимные винты затягивают моментом, равным 2/3 указанного в соответствующей графе таблицы 11.
Затем каждый проводник подвергают вытягиванию с усилием, указанным в таблице 12.
Вытягивание производят без рывков в течение 1 мин в направлении оси канала для проводника.
При необходимости испытательные значения для разных сечений с соответствующими тянущими усилиями указывают в протоколе испытаний.
|
Сечение проводника, помещаемого в вывод, мм2 (от и до включительно) |
Вытягивающее усилие, H |
|
От 1 до 4 включ. |
50 |
|
Св. 4 до 6 включ. |
60 |
|
Св. 6 до 10 включ. |
80 |
|
Св. 10 до 16 включ. |
90 |
|
Св. 16 до 50 включ. |
100 |
9.5.2 В выводы вводят медные проводники с минимальной и максимальной площадью поперечного сечения из указанных в таблице 6, одно- или многопроволочные, выбирая наименее благоприятный, и винты разъема затягивают моментом, равным 2/3 указанного в соответствующей графе таблицы 11.
Затем винты вывода отпускают и часть проводника, которая может быть повреждена, осматривают.
Не должно быть чрезмерных повреждений или оборванных проводников.
Примечание - Проводники считают чрезмерно поврежденными, если имеются глубокие вмятины или надрезы.
В течение испытаний выводы не должны ослабляться и не должно быть их повреждений, таких как поломки винтов, повреждение шлицев, резьб, шайб, хомутиков, которые могут ухудшить дальнейшую эксплуатацию вывода.
9.5.3 В выводы вводят жесткие многопроволочные проводники из меди, имеющие размеры, указанные в таблице 6.
Перед вводом в зажим жилам проводника по возможности восстанавливают форму, нарушенную зачисткой.
Проводник вводят в зажим до упора в его дно или до выхода конца проводника с противоположной стороны зажима и в положении, наиболее благоприятном для расположения жилы (жил) проводника.
Зажимные болты или гайки затем затягивают моментом, равным 2/3 от указанного в соответствующей графе таблицы 11.
После испытания ни одна проволока проводника не должна оказаться вне зажима.
Данное требование применимо к частям ВДТ, которые видимы оператору после монтажа ВДТ как для нормальной эксплуатации.
Испытание проводят с применением стандартного испытательного пальца (см. рисунок 3) на ВДТ, смонтированном как для нормальной эксплуатации (см. примечание к 8.2), оснащенном проводниками с минимальной и максимальной площадью поперечного сечения, которые могут быть присоединены к ВДТ.
Испытательный палец должен быть спроектирован так, чтобы каждая из его сочлененных секций могла поворачиваться под углом 90° по отношению к оси пальца только в одном направлении.
Стандартный испытательный палец прикладывают в каждом возможном изогнутом положении, как у настоящего пальца. Для определения его контакта с токоведущими частями следует использовать электрический контактный индикатор.
Для индикации контакта рекомендуется использовать электрическую лампочку на напряжение не менее 40 В. Стандартный испытательный палец не должен касаться токоведущих частей.
ВДТ с оболочками или крышками из термопластичных материалов подвергают следующему дополнительному испытанию при температуре окружающего воздуха (35 ± 2) С и такой же температуре ВДТ.
К ВДТ в течение 1 мин прикладывают с усилием 75 Н кончик прямого неизогнутого испытательного пальца таких же размеров, как и стандартный испытательный палец. Этот палец прикладывают во всех местах, где податливость изоляционного материала может влиять на целостность ВДТ, кроме пробивных диафрагм.
При испытании оболочки или крышки не должны деформироваться в такой степени, чтобы токоведущих частей можно было коснуться жестким испытательным пальцем.
ВДТ открытого исполнения, имеющие части, которые не предполагается защищать оболочками, и смонтированные как для нормальной эксплуатации, подвергают испытанию с металлической передней панелью.
9.7.1 Влагостойкость
9.7.1.1 Подготовка ВДТ к испытанию
Части ВДТ, которые могут быть сняты без помощи инструмента, снимают и подвергают влажной обработке вместе с главной частью; подпружиненные крышки при обработке держат открытыми.
Кабельные вводы (при наличии) оставляют открытыми; если предусмотрены пробивные диафрагмы, одну из них вскрывают.
9.7.1.2 Условия испытания
Влажную обработку проводят в камере с относительной влажностью воздуха 91 % - 95 %.
Температуру воздуха в камере, в которой находится образец, поддерживают с погрешностью ± 1 °С на любом подходящем значении Т от 20 °С до 30 °С.
Перед помещением в камеру температура образца должна быть от Т до (Т + 4) °С.
9.7.1.3 Методика испытания
Образцы выдерживают в камере 48 ч.
Примечания
1 Относительную влажность 91 % - 95 % можно обеспечить, поместив в камеру насыщенный водный раствор сульфата натрия (Na2SO4) или нитрата калия (KNO3), имеющий достаточно большую поверхность контакта с воздухом.
2 Для достижения предписанных условий в камере рекомендуется обеспечить постоянную циркуляцию воздуха и использовать камеру с теплоизоляцией.
9.7.1.4 Состояние ВДТ после испытания
После обработки образец должен быть исправным в соответствии с требованиями настоящего стандарта и выдерживать испытания по 9.7.2-9.7.4, 9.7.6 и 9.7.7.2 (по применению).
9.7.2 Сопротивление изоляции главной цепи
ВДТ обрабатывают, как указано в 9.7.1, а затем извлекают из камеры влаги.
Спустя 30-60 мин после этой обработки измеряют сопротивление изоляции в течение 5 с при напряжении постоянного тока приблизительно 500 В в следующей последовательности:
a) при ВДТ в разомкнутом состоянии - между каждой парой выводов, электрически соединенных между собой, когда ВДТ замкнут, в каждом полюсе поочередно;
b) при замкнутом ВДТ - между каждым полюсом поочередно и остальными полюсами, соединенными вместе, при этом электронные компоненты, включенные между токовыми путями, на время испытания должны быть отключены;
c) при замкнутом ВДТ - между всеми полюсами, соединенными вместе, и корпусом, включая металлическую фольгу, контактирующую с наружной поверхностью оболочки из изоляционного материала, но с полностью свободными участками клемм, чтобы избежать пробоя между клеммами и фольгой;
d) между металлическими частями механизма и корпусом.
Примечание - Доступ к металлическим частям механизма может быть специально обеспечен для данного испытания;
e) для ВДТ в металлической оболочке, выложенной изнутри обшивкой из изоляционного материала, между корпусом и металлической фольгой, соприкасающейся с внутренней поверхностью обшивки из изоляционного материала, включая втулки и другие аналогичные устройства.
Измерения по перечислениям а) - с) выполняют после подключения к корпусу всех вспомогательных цепей.
Термин "корпус" включает:
- все доступные металлические части и металлическую фольгу, соприкасающуюся с поверхностями из изоляционного материала, которые доступны после установки ВДТ как для нормальной эксплуатации;
- поверхность, на которой основание ВДТ устанавливают при монтаже, покрытую при необходимости металлической фольгой;
- винты и другие устройства для крепления основания ВДТ к опоре;
- винты для крепления крышек, которые должны сниматься во время монтажа ВДТ;
- металлические части органов управления, упомянутые в 8.2.
Если ВДТ снабжен зажимом, предназначенным для присоединения защитных проводников, он должен быть присоединенным к корпусу.
Для измерений согласно перечислениям b) - е) металлическая фольга должна накладываться таким образом, чтобы можно было эффективно испытать заливочный компаунд (при его наличии).
Сопротивление изоляции должно быть не менее:
- 2 МОм для измерений по перечислениям а), b);
- 5 МОм для измерений по другим перечислениям.
9.7.3 Электрическая прочность изоляции главной цепи
После испытания по 9.7.2 оговоренное испытательное напряжение прикладывают в течение 1 мин между частями, указанными в 9.7.2, при этом электронные компоненты (при их наличии) на время испытания отключают.
Испытательное напряжение должно иметь практически синусоидальную форму волны и частоту 45 и 65 Гц.
Источник испытательного напряжения должен быть в состоянии обеспечить ток короткого замыкания не менее 0,2 А.
Токовое защитное устройство трансформатора не должно срабатывать, если ток в выходной цепи менее 100 мА.
Значения испытательного напряжения должны быть следующие:
- 2000 В для испытаний по 9.7.2, перечисления а) - d);
- 2500 В для испытания по 9.7.2, перечисление е).
Вначале прикладывают не более половины указанного напряжения, затем его повышают до полного значения в течение 5 с.
Во время испытания не допускаются перекрытия и пробои.
Тлеющие разряды, не вызывающие падения напряжения, во внимание не принимают.
9.7.4 Сопротивление изоляции и электрическая прочность изоляции вспомогательных цепей
Порядок проведения испытаний сопротивления изоляции и электрической прочности изоляции вспомогательных цепей следующий:
a) Измерения сопротивления изоляции и испытание электрической прочности изоляции вспомогательных цепей проводят немедленно после измерения сопротивления изоляции и испытания электрической прочности изоляции главной цепи в условиях по перечислениям b), с), приведенных ниже.
Если в ВДТ имеются электронные компоненты, соединенные при нормальной работе с главной цепью, следует выполнить временные соединения на период испытания таким образом, чтобы в течение испытания между входными и выходными выводами компонентов напряжение отсутствовало.
b) Измерения сопротивления изоляции проводят:
- между соединенными между собой вспомогательными цепями и корпусом;
- между каждой частью вспомогательных цепей, которая может быть изолирована от других частей при нормальной эксплуатации, и всеми остальными частями, соединенными вместе, при напряжении около 500 В постоянного тока, затем это напряжение прикладывают на 1 мин.
Сопротивление изоляции должно быть не менее 2 МОм.
c) Практически синусоидальное напряжение номинальной частоты прикладывают в течение 1 мин между частями, перечисленными в перечислении b).
Значения прикладываемого напряжения указаны в таблице 14.
|
Номинальное напряжение вспомогательной цепи (переменное или постоянное), В |
Испытательное напряжение, В | |
|
Св. |
До ... включ. | |
|
0 |
30 |
600 |
|
30 |
50 |
1000 |
|
50 |
110 |
1500 |
|
110 |
250 |
2000 |
|
250 |
500 |
2500 |
В начале испытания испытательное напряжение не должно превышать половины указанного значения. Затем напряжение постепенно увеличивают до полного значения за время не менее 5 с, но не более 20 с.
Во время испытания не должно быть перекрытий и пробоя.
Примечания
1 Тлеющие разряды, не вызывающие снижения напряжения, во внимание не принимают.
2 Для ВДТ, вспомогательная цепь которых не доступна для проверки требований, указанных в перечислении b), испытания должны быть проведены на образцах, специально подготовленных изготовителем, либо в соответствии с его инструкциями.
3 К вспомогательным цепям не относятся управляющие цепи ВДТ, функционально зависящие от напряжения сети.
4 Цепи управления, отличающиеся от указанных здесь, подлежат таким же испытаниям, как и вспомогательные цепи.
9.7.5 Вторичные цепи трансформаторных датчиков
Цепи, включающие вторичные цепи трансформаторных датчиков, не подлежат какому-либо испытанию изоляции при условии, что эти цепи не соединяют с доступными металлическими частями, или защитным проводником, или частями, находящимися под напряжением.
9.7.6 Способность цепей управления, связанных с главной цепью, выдерживать действие высокого напряжения постоянного тока при испытании изоляции
Испытание проводят на ВДТ, установленном на металлической опоре, в замкнутом положении, со всеми управляющими цепями, соединенными как при нормальной эксплуатации.
Используют источник напряжения постоянного тока со следующими характеристиками:
- напряжение холостого хода: 6000+25, В.
Примечание - Это значение временное;
- максимальные пульсации: 5 %, где
;
- ток короткого замыкания: 120+2 мА.
Это испытательное напряжение прикладывают в течение 1 мин поочередно между каждым полюсом и другими полюсами, соединенными вместе и с корпусом.
После этой процедуры ВДТ должен быть в состоянии удовлетворительно выдержать испытания, указанные в 9.9.2.3.
9.7.7 Проверка выдерживаемого импульсного напряжения (через воздушные зазоры и через твердую изоляцию) и утечки тока на разомкнутых контактах
9.7.7.1 Общая процедура испытаний на импульсное напряжение
Импульсы задаются генератором с положительными и отрицательными импульсами, время нарастания импульсов которых составляет 1,2 мкс, а время до половинного значения составляет 50 мкс, со следующими допусками:
± 5 % для пикового значения;
± 30 % для времени нарастания импульса;
± 20 % для времени до половинного значения.
В каждом испытании прикладывают по пять положительных и отрицательных импульсов с интервалом между последующими импульсами одной и той же полярности не менее 1 с и между импульсами противоположной полярности не менее 10 с.
При проведении испытания импульсным напряжением всего ВДТ следует учитывать ослабление или усиление испытательного напряжения. Необходима гарантия того, что к выводам испытуемого оборудования подается требуемое значение испытательного напряжения.
Волновое сопротивление испытуемого прибора должно иметь номинальное значение 500 Ом.
Примечание - Согласно 9.7.7.2 для проверки воздушных зазоров по основной изоляции всего ВДТ требуется испытательный генератор с низкоомным выходом. Для этой цели подойдет гибридный генератор с виртуальным полным сопротивлением 2 Ом, если перед испытанием не отсоединяют внутренние комплектующие элементы. Однако в любом случае необходимо измерение нужного испытательного напряжения непосредственно на зазоре.
Форму импульсов устанавливают при подключенном к генератору импульсов испытуемого ВДТ. Для этой цели должны использоваться соответствующие делители и датчики напряжения. Рекомендуется перед испытанием отсоединить элементы защиты от импульсов.
Примечание - Для ВДТ со встроенными прерывателями импульсов, которые не могут быть отсоединены, форму импульсов устанавливают, не присоединяя ВДТ к импульсному генератору.
Допускаются незначительные колебания импульсов при условии, что их амплитуда вблизи пика импульсов составляет не более 5 % амплитудного значения импульса.
Допустимы колебания в первой половине фронта импульса амплитудой не более 10 % от пикового значения импульса.
Во время испытания не должно быть разрушительных разрядов.
Примечание - Для обнаружения разрушительного разряда рекомендуется проводить наблюдение над импульсным напряжением с помощью осциллографа.
9.7.7.2 Проверка воздушных зазоров импульсным выдерживаемым напряжением
Если измерение воздушных зазоров по пунктам 2 и 4 таблицы 5 и выполнение условий по перечислениям b) - е) 9.7.2 показало снижение требуемого расстояния, тогда проводят испытание. Это испытание проводят сразу же после измерения сопротивления изоляции по 9.7.4.
Примечание - Испытанием можно заменить измерение воздушных зазоров.
Испытание проводят на ВДТ в замкнутом положении, закрепленном на металлическом основании.
Значения испытательного импульсного напряжения должны выбираться по таблице 16 в соответствии с номинальными импульсными напряжениями ВДТ, приведенными в таблице 3. Данные значения корректируют по таблице 16 согласно барометрическому давлению и/или высоте проведения испытаний над уровнем моря.
В первой серии испытаний импульсы прикладывают между:
- фазным(ыми) полюсом(ами) и нейтральным полюсом (или путем), соединенными вместе, и
- металлическим основанием, соединенным с выводом(ами), предназначенным(ыми) для защитного(ых) проводника(ов), если таковой имеется.
Во второй серии испытаний импульсы прикладывают между:
- фазным(ыми) полюсом(ами), соединенными вместе, и
- нейтральным полюсом (или путем) ВДТ, что применимо.
В третьей серии испытаний импульсы прикладывают так, как указано в перечислениях b) - е) 9.7.2, и не испытанными частями в первых двух сериях, описанных выше.
Во время испытаний не должно быть разрушительных разрядов. Если, однако, имел место только один такой разрушительный разряд, то дополнительно прикладывают десять импульсов той же полярности, что и вызвавший разрушительный разряд; соединения при этом должны быть такими же, как при разряде.
Не должно быть дальнейших разрушительных разрядов.
|
Номинальное импульсное выдерживаемое напряжение Uimp, кВ |
Испытательные напряжения на соответствующей высоте над уровнем моря | ||||
|
U1.2/50 пиковое переменного тока, кВ | |||||
|
Уровень моря |
200 м |
500 м |
1000 м |
2000 м | |
|
2,5 |
2,9 |
2,8 |
2,8 |
2,7 |
2,5 |
|
4,0 |
4,9 |
4,8 |
4,7 |
4,4 |
4,0 |
9.7.7.3 Проверка токов утечки на разомкнутых контактах (пригодность к разъединению)
К каждому полюсу ВДТ в разомкнутом положении, подвергнутых одному из приемлемых испытаний по 9.11.2.2, 9.11.2.3, 9, перечислениям а) - с) 9.12.11.4, подают испытательное напряжение, равное 1,1 номинального рабочего напряжения ВДТ.
Измеренный ток утечки на разомкнутых контактах не должен превышать 2 мА.
9.7.7.4 Проверка устойчивости изоляции разомкнутых контактов и основной изоляции к импульсному напряжению в нормальных условиях эксплуатации
9.7.7.4.1 Общие положения
Таким испытаниям не предшествует влажная обработка по 9.7.1.
Примечание - Испытания по 9.7.7.4, как указано в требованиях по 8.1.3, проводят до испытаний по 9.7.1 на трех образцах в цикле испытаний В.
Значения испытательного импульсного напряжения должны выбираться по таблице 22 в соответствии с номинальным напряжением установки, для которой предназначен ВДТ, приведенным в таблице 3. Данные значения корректируют по таблице 22 согласно барометрическому давлению и/или высоте проведения испытаний над уровнем моря.
|
Номинальное напряжение установки, В |
Испытательные напряжения на соответствующих высотах над уровнем моря | ||||
|
U1.2/50 пиковое переменного тока, кВ | |||||
|
Уровень моря |
200 м |
500 м |
1000 м |
2000 м | |
|
Однофазная система с заземленной средней точкой 120/240 а) |
3,5 |
3,5 |
3,4 |
3,2 |
3,0 |
|
Однофазная система 120/240, 240 b) |
6,2 |
6,0 |
5,8 |
5,6 |
5,0 |
|
Трехфазные системы 230/400 |
6,2 |
6,0 |
5,8 |
5,6 |
5,0 |
|
a) В электроустановках Японии. b) В электроустановках стран Северной Америки. | |||||
9.7.7.4.2 ВДТ в разомкнутом положении
Серию испытаний проводят на ВДТ, закрепленном на металлическом основании, как при нормальной эксплуатации.
Импульсы прикладывают между:
- вводными выводами, соединенными вместе;
- выводными выводами, соединенными вместе, с контактами в разомкнутом положении.
Во время испытаний не должно быть разрядов, разрушающих изоляцию.
9.7.7.4.3 ВДТ в замкнутом положении
Серию испытаний проводят на ВДТ в замкнутом положении, закрепленном на металлическом основании, подсоединенном как при нормальной эксплуатации.
Все комплектующие элементы, перекрывающие основную изоляцию, должны быть отсоединены.
Примечание - При необходимости изготовитель предоставляет отдельные образцы.
В первой серии испытаний импульсы прикладывают между:
- фазным(ыми) полюсом(ами) и нейтральным полюсом (или путем), соединенными вместе, и
- металлическим основанием, соединенным с выводом(ами), предназначенными для защитного(ых) проводника(ов), если таковой имеется.
Во второй серии испытаний импульсы прикладывают между:
- фазным(ыми) полюсом(ами), соединенными вместе, и
- нейтральным полюсом (или путем) ВДТ.
Во время испытаний не должно быть разрушительных разрядов. Если, однако, имел место только один такой разрушительный разряд, то дополнительно прикладывают десять импульсов той же полярности, что и вызвавший разрушительный разряд; соединения при этом должны быть такими же, как при разряде.
Не должно быть дальнейших разрушительных разрядов.
Далее испытания по 9.7.7.5 проводят на новом образце.
9.7.7.5 Проверка поведения комплектующих элементов, перекрывающих основную изоляцию
Испытание проводят на новом образце ВДТ, чтобы проверить, что комплектующие элементы, перекрывающие основную изоляцию, не снижают безопасности по отношению к кратковременным перенапряжениям.
Примечание - Прежде всего необходимо гарантировать, что комплектующие элементы, перекрывающие основную изоляцию и отсоединенные на время испытания импульсным напряжением для испытания основной изоляции, не снижают безопасности основной изоляции оборудования при нормальной эксплуатации.
Испытательное напряжение имеет частоту 50/60 Гц по IEC 60364-4-44:2007 (таблица 44.А2), и по IEC 60664-1 действующее значение испытательного напряжения для основной изоляции составляет 1200 В + U0, где U0 - значение номинального напряжения между фазой и нейтралью.
Примечания
1 Испытание проводят только на ВДТ, в котором комплектующие элементы, перекрывающие основную изоляцию, отсоединены для испытания импульсным напряжением по 9.7.7.4.3.
2 Например, для ВДТ с номинальным напряжением U0 = 250 В значение испытательного напряжения переменного тока для основной изоляции составит 1200 + 250 В, таким образом действующее значение испытательного напряжения будет 1450 В.
Напряжение подают в течение 5 с между:
- фазным(ыми) полюсом(ами) и нейтральным полюсом (или путем), соединенными вместе, и
- металлическим основанием, соединенным с выводом(ами), предназначенными для защитного(ых) проводника(ов), если таковой имеется.
Затем оборудование проверяют осмотром, чтобы ни один комплектующий элемент, перекрывающий основную изоляцию, не показал видимых изменений.
Примечание - Перед включением оборудования в сеть допускается замена перегоревшего плавкого предохранителя, защищающего импульсный разрядник, а также допускается замена самого импульсного разрядника.
Затем оборудование включают в сеть по инструкции изготовителя. По условию 9.9.2.3 должно произойти расцепление ВДТ при испытательном токе 1,25IΔn. Проводят только одно испытание на одном взятом наугад полюсе без измерения времени отключения.
Это испытание не проводят на устройствах, в которых металлическое основание является нейтралью.
9.8.1 Температура окружающего воздуха
Температура окружающего воздуха должна быть измерена в течение последней четверти периода испытания при помощи не менее двух термометров или термопар, симметрично расположенных относительно ВДТ, приблизительно на половине его высоты и на расстоянии около 1 м от ВДТ.
Термометры и термопары должны быть защищены от сквозняков и теплового излучения.
Примечание - Следует принять меры для исключения ошибок, вызванных неожиданными изменениями температуры.
9.8.2 Методика испытания
Ток, равный In, пропускают одновременно через все полюса ВДТ в течение времени, достаточного для того, чтобы превышение температуры достигло установившегося значения. Практически это условие достигается, когда изменение превышения температуры не превосходит 1 К за 1 ч.
Для четырехполюсных ВДТ испытание вначале проводят пропусканием заданного тока только через три фазных полюса.
Затем испытание повторяют, пропуская ток через полюс, предназначенный для присоединения нейтрали, и соседний с нейтралью полюс.
В течение этих испытаний значения превышения температуры не должны превосходить величин, указанных в таблице 7.
9.8.3 Измерение температуры частей
Температуру различных частей, приведенную в таблице 7, измеряют при помощи тонкопроволочных термопар или эквивалентными приборами, установленными как можно ближе к наиболее горячим точкам.
Следует обеспечить хорошую теплопроводность между термопарой и поверхностью испытуемой части.
9.8.4 Превышение температуры частей
Превышение температуры части есть разница между температурой этой части, измеренной в соответствии с 9.8.3, и температурой окружающего воздуха, измеренной в соответствии с 9.8.1.
9.9.1 Испытательная цепь и методика испытаний
ВДТ устанавливают как для нормальной эксплуатации.
Испытательная цепь по 9.9.2 - в соответствии с рисунком 4. Испытательная цепь по 9.9.3 - в соответствии с рисунком 5 или рисунком 6 в зависимости от обстоятельств.
Приборы для измерения дифференциального тока должны показывать (или давать возможность определять) точное действующее значение.
Примечание - Информация по измерительным приборам доступна на соответствующих веб-сайтах IEC.
Если не указано иное, то испытания проводят без нагрузки при контрольной температуре (20 ± 5) °С.
При необходимости ВДТ испытывают по 9.9.2-9.9.4. Каждое испытание, если не указано иное, включает по пять измерений только на одном полюсе, выбранном случайно.
Для ВДТ с более чем одной номинальной частотой испытания проводят с наименьшей и наибольшей частотами, кроме испытания по 9.9.2.5, в котором проверку проводят только с одной частотой.
Для ВДТ, имеющих несколько параметров отключающего дифференциального тока, испытания проводят на каждой уставке.
9.9.2 Испытания для всех ВДТ
9.9.2.1 Проверка правильной работы в случае постепенного роста дифференциального тока.
При замкнутых выключателях S1 и S2 и ВДТ дифференциальный ток постепенно увеличивают, начиная от значения не более 0,2IΔn, до достижения значения IΔn в течение не более 30 с, ток расцепления каждый раз измеряют.
Все пять измеренных значений должны быть в диапазоне от IΔno до IΔn.
9.9.2.2 Проверка правильной работы при включении на дифференциальный ток
При откалиброванной на номинальное значение отключающего дифференциального тока IΔn цепи и включенных испытательных выключателях S1 и S2 ВДТ включают на цепь, настолько близкую к характеристикам рабочей цепи, насколько это возможно. Время выключения измеряют пять раз. Не должно быть значений, превосходящих предельное значение, указанное в таблице 1 для IΔn, соответствующего типу ВДТ.
9.9.2.3 Проверка правильной работы в случае внезапного возникновения дифференциального тока
a) Для ВДТ всех типов.
Испытательную цепь последовательно калибруют на каждое из значений дифференциального тока, указанных в таблице 1. При включенных S2 и ВДТ дифференциальный ток подают броском при включении выключателя S1.
ВДТ должны расцепляться при каждом испытании.
Для каждого значения дифференциального тока производят по пять измерений времени срабатывания.
Не должно быть ни одного значения, превышающего соответствующее указанное предельное значение, приведенное в таблице 1.
b) Дополнительные испытания для ВДТ типа S.
Испытательную цепь последовательно калибруют на каждое из значений дифференциального тока, указанных в таблице 1. При включенных S1 и ВДТ дифференциальный ток подают броском при включении выключателя S2 на время, равное соответствующему минимальному времени несрабатывания с погрешностью 5 %.
Каждое значение дифференциального тока должно быть отделено от предыдущего интервалом не менее 1 мин.
ВДТ при испытаниях не должен отключаться.
9.9.2.4 Проверка правильной работы в случае внезапного возникновения дифференциального тока от 5IΔn до 500 А
Испытательную цепь последовательно калибруют на любые два значения дифференциального тока из ряда 5; 10; 20; 50; 100; 200 А диапазона от 5 до 200 А.
Примечание - в Австралии измерение производят на 5; 10; 20; 50; 100; 200 А.
При включенных S1 и ВДТ дифференциальный ток подают броском при включении выключателя S2.
ВДТ должен расцепиться при каждом испытании. Ни одно время отключения не должно превышать значений, приведенных в таблице 1.
Испытания проводят один раз для каждого значения дифференциального тока с измерением времени отключения.
9.9.2.5 Проверка правильности работы под нагрузкой
Испытания по 9.9.2.2 и 9.9.2.3 повторяют, причем испытываемый полюс и еще один полюс ВДТ нагружают номинальным током незадолго до испытания.
Для проверки по 9.9.2.3 переключатель S1 и ВДТ находятся в замкнутом положении. Ток утечки подают путем замыкания S2.
9.9.2.6 Испытания при предельных значениях температуры
ВДТ должны выдерживать испытания, указанные в 9.9.2.3, при следующих условиях:
a) окружающая температура минус 5 °С, без нагрузки;
b) окружающая температура 40 °С, ВДТ должен быть предварительно нагружен номинальным током при любом подходящем напряжении до достижения установившегося теплового состояния.
Практически это состояние достигается, когда изменение превышения температуры не превосходит 1 К за 1 ч.
Для испытаний на отключение по перечислению b) подача номинального тока может быть прервана при условии, что общий период прерывания не превышает 30 с. Как только сумма периодов прерывания превышает 30 с, ВДТ должен быть снова нагружен номинальным током в течение 5 мин перед следующим измерением времени отключения.
Примечание - Предварительный нагрев может производиться при любом удобном напряжении 50 или 60 Гц, но вспомогательные цепи должны быть подключены на их нормальное рабочее напряжение (особенно это касается компонентов, зависящих от напряжения сети).
9.9.3 Дополнительная проверка правильности работы при дифференциальных токах с компонентами постоянного тока для ВДТ типа А
9.9.3.1 Проверка правильности работы в случае непрерывного роста дифференциального пульсирующего постоянного тока
Испытание проводится в соответствии с рисунком 5.
Испытательные выключатели S1, S2 и ВДТ должны быть в замкнутом положении. Регулировкой соответствующего тиристора получают углы задержки α от 0°, 90° и 135°. Каждый полюс ВДТ должен быть испытан два раза на каждом из текущих углов задержки в положении I, а также в положении II испытательного выключателя S3.
Для каждого испытания скорость нарастания тока должна быть приблизительно 1,4IΔn/30 ампер в секунду для ВДТ с IΔn > 0,01 А и 2IΔn/30 ампер в секунду для ВДТ с IΔn ≤ 0,01 А, начиная с нуля.
Ток срабатывания должен быть в соответствии с таблицей 20.
|
Угол задержки тока |
Ток срабатывания, А | |
|
Нижний предел |
Верхний предел | |
|
0° |
0,35 |
1,4 или 2 (5.3.12) |
|
90° |
0,25 | |
|
135° |
0,11 | |
9.9.3.2 Проверка правильной работы в случае внезапно возникающих пульсирующих постоянных токов
ВДТ испытывают в соответствии с рисунком 5.
Испытательную цепь последовательно калибруют на каждое из значений дифференциального тока, указанных ниже. При включенных S1 и ВДТ дифференциальный ток подают броском при включении выключателя S2.
Испытание проводят при каждом значении дифференциального тока согласно таблице 2 в соответствии с типом ВДТ.
Два измерения времени отключения следует выполнить при каждом значении дифференциального тока при угле задержки α = 0° для первого измерения в положении I переключателя S3 и в положении II для второго измерения.
Не должно быть ни одного значения, превышающего установленные предельные значения.
9.9.3.3 Проверка правильной работы под нагрузкой
Испытания по 9.9.3.1 повторяют, причем испытываемый полюс ВДТ нагружают номинальным током незадолго до испытания.
Примечание - Нагрузка номинальным током на рисунке 5 не показана.
9.9.3.4 Проверка правильности отключения в случае остаточных пульсирующих постоянных токов, на которые накладывается стабилизированный постоянный ток 0,006 А
ВДТ испытывают по схеме рисунка 6 с наложением на полуволну выпрямленного остаточного тока (угол задержки тока α = 0) стабилизированного постоянного тока 0,006 А.
Каждый полюс ВДТ испытывают по очереди, дважды в каждом из положений I и II.
Ток полуволны I1, начиная с нуля, равномерно возрастает с приблизительной скоростью 1,4IΔn /30 А/с для ВДТ с IΔn > 0,01 А и 2IΔn/30 А/с для ВДТ с IΔn ≤ 0,01 А, при этом отключение должно произойти до того, как ток достигнет величин 1,4IΔn и 2IΔn соответственно.
9.9.4 Специфические условия испытаний для АВДТ, функционально зависящих от напряжения сети
Для ВДТ, функционально зависящих от напряжения сети, каждое испытание проводят для каждого из следующих значений напряжения сети, приложенного к соответствующим выводам: 1,1 и 0,85 номинального напряжения сети.
9.10.1 Общие условия испытаний
ВДТ прикрепляют к металлическому основанию.
Испытание проводят при номинальном рабочем напряжении, токе, установленном равным номинальному, что обеспечивается с помощью резисторов и реакторов, включенных последовательно и присоединенных к выходным выводам ВДТ.
Если используют реакторы без сердечников, то параллельно каждому из них подсоединяют резистор, отводящий на себя около 0,6 % тока, проходящего через реактор.
Если используют реакторы с железным сердечником, потери в сердечнике не должны ощутимо влиять на восстанавливающееся напряжение.
Ток должен иметь практически синусоидальную форму волны, а коэффициент мощности должен быть от 0,85 до 0,9.
ВДТ подсоединяют к цепи проводниками согласно таблице 10.
9.10.2 Методика испытания
ВДТ, имеющие ток IΔn > 0,010 А, должны быть подвергнуты 2000 циклам оперирования. Каждый цикл оперирования состоит из замыкания и последующего размыкания.
ВДТ следует оперировать как при нормальной эксплуатации.
Операции размыкания должны проводиться в следующем порядке:
- для первых 1000 циклов - с использованием ручных средств оперирования;
- для следующих 500 циклов - с использованием контрольного устройства;
- для последних 500 циклов - путем пропускания через один полюс отключающего дифференциального тока IΔn.
Для ВДТ, имеющих IΔn ≤ 0,010 А, число циклов оперирования должно быть 500-750-750 соответственно.
Дополнительно ВДТ подвергают без нагрузки с использованием ручных средств оперирования:
- 2000 циклам оперирования для ВДТ, имеющих In ≤ 25 А;
- 1000 циклам оперирования для ВДТ, имеющих In > 25 А.
Частота оперирования должна быть:
- четыре цикла за 1 мин для ВДТ с In ≤ 25 А, с длительностью периода "Вкл." от 1,5 до 2 с;
- два цикла за 1 мин для ВДТ с In > 25 А, с длительностью периода "Вкл." от 1,5 до 2 с.
Примечание - Для ВДТ, имеющих несколько значений отключающего дифференциального тока, испытания проводят для наименьшего значения.
9.10.3 Состояние ВДТ после испытания
После испытания по 9.10.2 ВДТ не должен иметь:
- чрезмерного износа;
- повреждений оболочки, дающих возможность проникновения стандартного испытательного пальца к частям, находящимся под напряжением;
- ослабления электрических и механических соединений;
- вытекания заливочного компаунда, если таковой имеется.
При условиях испытаний по 9.9.2.3, перечисление а), ВДТ должен отключаться при испытательном токе 1,25IΔn. Проводят только одно испытание без измерения времени отключения.
Затем ВДТ должен удовлетворительно выдержать испытание электрической прочности изоляции по 9.7.3, но при напряжении, равном 900 В в течение 1 мин, без предварительной влажной обработки.
9.11.1 Перечень испытаний на короткое замыкание
Различные испытания для проверки поведения ВДТ в условиях короткого замыкания приведены в таблице 17.
|
Проверка |
Пункт настоящего стандарта |
|
Номинальная включающая и отключающая способность Im |
9.11.2.2 |
|
Номинальная дифференциальная включающая и отключающая способность IΔm |
9.11.2.3 |
|
Координация номинального условного тока короткого замыкания In |
9.11.2.4, перечисление а) |
|
Координация номинальной включающей и отключающей способности Im |
9.11.2.4, перечисление b) |
|
Координация номинального условного дифференциального тока короткого замыкания IΔc |
9.11.2.4 с) |
9.11.2 Испытания на короткое замыкание
9.11.2.1 Общие условия испытания
Условия по 9.11.2 применимы ко всем испытаниям, предназначенным для проверки ВДТ в условиях короткого замыкания.
Примечание - Для ВДТ, имеющих несколько уставок, испытания проводят при наименьшей уставке.
а) Испытательная цепь
На рисунках 7, 8 и 9 соответственно приведены схемы цепей, предназначенных для испытаний, относящихся к:
- однополюсному ВДТ с двумя токовыми путями;
- двухполюсному ВДТ;
- трехполюсному ВДТ;
- трехполюсному ВДТ с четырьмя токовыми путями;
- четырехполюсному ВДТ.
Источник S питает цепь, включающую импеданс Z, ПЗУ [последовательное защитное устройство, если таковое имеется (см.3.4.8)], испытуемый ВДТ и дополнительный импеданс Z1 и/или Z2, что конкретно применимо.
Величины резисторов и реакторов должны быть регулируемые для обеспечения заданных условий испытания.
Реакторы L предпочтительно должны быть без сердечника. Они должны всегда соединяться последовательно с резисторами R, а требуемое значение индуктивности должно достигаться последовательным соединением отдельных реакторов. Параллельное соединение реакторов допустимо в случае, если их постоянные времени практически равны.
Поскольку переходные характеристики восстанавливающегося напряжения испытательных цепей, содержащих большие воздушные реакторы, не соответствуют нормальным условиям эксплуатации, воздушный реактор каждой фазы должен быть зашунтирован резистором R, отводящим около 0,6 % тока, протекающего через реактор (см. рисунок 9). По согласованию с производителем резистор может не применяться.
Если используются реакторы с железным сердечником, потери мощности на железный сердечник этих реакторов не должны превышать потерь, которые будут поглощаться резисторами, включенными параллельно с реакторами с воздушным сердечником.
В каждой испытательной цепи импеданс L включают между источником питания S и ВДТ.
ПЗУ или эквивалентное импеданс [см. 9.11.2.2, перечисление а) и 9.11.2.3, перечисление а)] включают между импедансом Z и ВДТ.
Дополнительный импеданс Z1, если используется, включают на нагрузочной стороне ВДТ.
Для испытаний по 9.11.2.4, перечисления а), с) ВДТ должны присоединяться проводниками, имеющими длину по 0,75 м на полюс и максимальную площадь поперечного сечения, соответствующую номинальному току, согласно таблице 6.
Примечание - Рекомендуется, чтобы 0,5 м провода присоединялось со входной, а 0,25 м - с нагрузочной стороны испытуемого ВДТ.
Схема испытательной цепи должна быть приведена в протоколе испытаний. Она должна быть выполнена согласно соответствующему рисунку.
Должна быть одна и только одна точка испытательной цепи, непосредственно заземленная; это может быть короткозамыкающая перемычка испытательной цепи или нейтральная точка источника питания либо другая оговоренная точка. Метод заземления должен быть указан в протоколе испытания.
Импеданс Z2, соответственно калиброванный, используют для получения одного из следующих токов:
- дифференциального тока 10IΔn, как в случае срабатывания ВДТ в пределах соответствующего минимального времени срабатывания, указанного в таблице 1;
- номинальной дифференциальной включающей и отключающей способности IΔm;
- номинального условного дифференциального тока короткого замыкания IΔc.
S1 является вспомогательным выключателем.
Для проверки минимальных значений I2t и Ip, указанных в таблице 18, которые ВДТ должны выдерживать, проводят испытания. ПЗУ, если таковое имеется, должно быть настроено и изготовлено либо с серебряной проволокой, либо с плавким предохранителем (как указано в приложении IF), либо с помощью других средств, не ухудшающих параметры ВДТ. Изготовитель может установить тип ПЗУ для применения его при испытаниях.
Проверка правильности отбора и настройки ПЗУ (I2t и Ip) для испытаний проводится непосредственно перед проведением испытаний. ВДТ заменяется временным соединением, имеющим несущественный импеданс.
Минимальные значения пропускаемой термической энергии I2t и пикового значения тока Ip, указанные для электрического угла 45 , приводятся в таблице 18.
Без решения изготовителя эти значения не должны быть более значений, приведенных в таблице 18, более чем в 1,1 раза.
|
Iпс и IΔc, A |
In, А, до включ. | |||||||||
|
16 |
20 |
25 |
32 |
40 |
63 |
80 |
100 |
125 | ||
|
500 |
Iр, кА |
0,45 |
0,47 |
0,5 |
0,57 |
- |
- |
- |
- |
- |
|
I2t, кА2с |
0,4 |
0,45 |
0,53 |
0,68 |
- |
- |
- |
- |
- | |
|
1000 |
Ip, кА |
0,65 |
0,75 |
0,9 |
1,18 |
- |
- |
- |
- |
- |
|
I2t, кА2с |
0,5 |
0,9 |
1,5 |
2,7 |
- |
- |
- |
- |
- | |
|
1500 |
Ip, кА |
1,02 |
1,1 |
1,25 |
1,5 |
1,9 |
2,1 |
- |
- |
- |
|
I2t, кА2с |
1 |
1,5 |
2,4 |
4,1 |
9,75 |
22 |
- |
- |
- | |
|
3000 |
Ip, кА |
1,1 |
1,2 |
1,4 |
1,85 |
2,35 |
3,3 |
3,5 |
3,8 |
3,95 |
|
I2t, кА2с |
1,2 |
1,8 |
2,7 |
4,5 |
8,7 |
22,5 |
26 |
42 |
72,5 | |
|
4500 |
Ip, кА |
1,15 |
1,3 |
1,5 |
2,05 |
2,7 |
3,9 |
4,3 |
4,8 |
5,6 |
|
I2t, кА2с |
1,45 |
2,1 |
3,1 |
5,0 |
9,7 |
28 |
31 |
45 |
82,0 | |
|
6000 |
Ip, кА |
1,3 |
1,4 |
1,7 |
2,3 |
3 |
4,05 |
4,7 |
5,3 |
5,8 |
|
I2t, кА2с |
1,6 |
2,4 |
3,7 |
6,0 |
11,5 |
25 |
31 |
48 |
65,0 | |
|
10 000 |
Ip, кА |
1,45 |
1,8 |
2,2 |
2,6 |
3,4 |
4,3 |
5,1 |
6 |
6,4 |
|
I2t, кА2с |
1,9 |
2,7 |
4 |
6,5 |
12 |
24 |
31 |
48 |
60,0 | |
Примечание - По требованию изготовителя могут применяться более высокие значения I2t и Ip.
Для промежуточных значений испытательных токов короткого замыкания должен применяться следующий более высокий ток короткого замыкания.
Серебряная проволока должна заменяться после каждого испытания.
Проверка минимальных значений I2t и Ip не является необходимой, если изготовителем установлены для ВДТ значения более высокие, чем минимальные. В этом случае проверке подлежат установленные величины.
Для координации с автоматическими выключателями испытания при таком сочетании необходимы.
Все проводящие части ВДТ, заземленные при нормальной эксплуатации, включая металлическое основание, на котором монтируется ВДТ, или любую металлическую оболочку [9.11.2.1, перечисление f)], должны быть соединены с нейтральной точкой источника питания или с фактически безиндуктивной искусственной нейтралью, допускающей ожидаемый ток пробоя как минимум 100 А.
Это соединение должно включать в себя медную проволоку F диаметром 0,1 мм и длиной не менее 50 мм для обнаружения тока пробоя и, если необходимо, резистор R2, ограничивающий значение ожидаемого тока пробоя на уровне, равном 100 А.
Датчики напряжения подключают:
- между выводами полюса для однополюсных ВДТ;
- между выводами на стороне питания для многополюсных ВДТ.
Если иное не оговорено протоколом испытания, сопротивление измерительной цепи должно быть как минимум 100 Ом на 1 В восстанавливающегося напряжения промышленной частоты.
ВДТ, функционально зависящие от напряжения сети, запитывают по линейной стороне на номинальное напряжение (или, если уместно, на напряжение, имеющее минимальное значение из его ряда номинальных напряжений).
В случае ВДТ, соответствующих 4.1.2.1, для обеспечения возможности выполнения операции отключения необходимо либо поместить аппарат T, создающий короткое замыкание на нагрузочной стороне ВДТ, либо ввести дополнительный короткозамыкающий аппарат в это место.
b) Допуски на испытательные величины
Все испытания, относящиеся к проверке номинальной включающей и отключающей способности и правильной координации между ВДТ и ПЗУ, должны быть выполнены при значениях влияющих величин и факторов, установленных изготовителем, в соответствии с таблицей 4, если не установлено иное.
Испытания признают имеющими силу, если величины, указанные в протоколе испытания, находятся в пределах следующих допусков для установленных значений:
- ток (0... + 5) %;
- частота согласно 9.2;
- коэффициент мощности (минус 0,05 ... 0) %;
- напряжение (включая восстанавливающее) ± 5 %.
c) Коэффициент мощности испытательной цепи
Коэффициент мощности каждой фазы испытательной цепи должен быть определен признанным методом, который должен быть указан в протоколе испытания.
Два примера таких методов даны в приложении IA.
Коэффициент мощности многофазной цепи рассматривают как среднее значение коэффициентов мощности каждой фазы.
Значения коэффициента мощности должны соответствовать таблице 19.
|
Ток короткого замыкания Iс, А |
Коэффициент мощности |
|
До 500 включ. |
0,95-1,00 |
|
Св. 500 до 1500 включ. |
0,93-0,98 |
|
Св. 1500 до 3000 включ. |
0,85-0,90 |
|
Св. 3000 до 4500 включ. |
0,75-0,80 |
|
Св. 4500 до 6000 включ. |
0,65-0,70 |
|
Св. 6000 до 10 000 включ. |
0,45-0,50 |
|
Св. 10 000 до 25 000 включ. |
0,20-0,25 |
d) Восстанавливающееся напряжение промышленной частоты
Значение восстанавливающегося напряжения промышленной частоты должно быть равно значению, соответствующему 105 % номинального напряжения испытуемого ВДТ.
Примечание - Значение 105 % номинального напряжения предполагается перекрывающим влияние колебаний напряжения сети при нормальных условиях эксплуатации. Верхний предел значения может быть повышен по согласованию с изготовителем.
После каждого погасания дуги восстанавливающееся напряжение промышленной частоты должно поддерживаться не менее 0,1 с.
e) Калибровка испытательной цепи
ВДТ и ПЗУ, если таковое имеется, заменяют временными перемычками G1, имеющими пренебрежимо малое, по сравнению с испытательной цепью, сопротивление.
Для испытания по 9.11.2.4, перечисление а) при замкнутых накоротко нагрузочных выводах ВДТ при помощи перемычек G2 с пренебрежимо малым сопротивлением импеданс Z должен быть отрегулирован таким образом, чтобы достигнуть при испытательном напряжении значения тока, равного номинальному условному току короткого замыкания с предписанным коэффициентом мощности; испытательная цепь запитывается одновременно во всех полюсах, а кривая тока записывается датчиком тока.
Кроме того, для испытаний по 9.11.2.2, 9.11.2.3, 9.11.2.4, перечисления b), с), если необходимо, дополнительно используют импендансы Z2 и/или Z1, чтобы получить требуемые значения испытательного тока (Im, IΔm и IΔc соответственно).
f) Условия испытания ВДТ
ВДТ должны испытываться на открытом воздухе согласно 9.11.2.1, перечисление f), 1), кроме случаев, если они разработаны для использования только в оболочках, указанных изготовителем, или предназначены для использования только в индивидуальных оболочках; в этих случаях они должны быть испытаны согласно 9.11.2.1, перечисление f), 2) или, по взаимному соглашению с изготовителем, согласно 9.11.2.1, перечисление f), 1).
Примечание - Индивидуальная оболочка - это оболочка, разработанная для размещения только одного устройства.
ВДТ должен управляться с максимально близкой имитацией нормальной эксплуатации.
1) Испытание на открытом воздухе
Испытуемый ВДТ монтируют, как показано на рисунке С.1 приложения С.
Полиэтиленовый лист и барьер из изоляционного материала, указанные в приложении С, устанавливают согласно рисунку С.1 только для операции размыкания (О).
Сетка(и), указанная(ые) в приложении С, должна(ы) быть установлена(ы) так, чтобы основная масса выделяющихся ионизированных газов проходила через нее (них). Сетка(и) должна(ы) быть расположена(ы) в самом неблагоприятном месте(ах).
Примечание - Если расположение отверстий для выхлопа газов не ясно или они отсутствуют, надлежащая информация должна быть представлена изготовителем.
Цепь сетки(ок) должна быть соединена(ы) с точками В и С (см. рисунок С.3), как указано в схемах испытательных цепей на рисунках 7 и 8.
Резистор R' должен иметь сопротивление 1,5 Ом. Медная проволока плавкого предохранителя F (см. рисунок С.3) должна иметь длину 50 мм и диаметр 0,12 мм для ВДТ, имеющих номинальное напряжение 230 В, и 0,16 мм - для ВДТ с номинальным напряжением 400 В.
Примечание - Данные для других напряжений находятся на стадии рассмотрения.
Для испытательных токов до 1500 А включительно расстояние "а" должно быть 35 мм.
Для более высоких значений токов короткого замыкания, вплоть до Inc, расстояние "а" может быть увеличено и/или могут быть установлены дополнительные барьеры или изоляционные средства, как будет установлено изготовителем, и в этом случае увеличение должно выбираться из ряда 40, 45, 50, 55 мм по согласованию с изготовителем.
2) Испытание в оболочках
Сетку и барьер из изоляционного материала, приведенные на рисунке С.1, исключают. Испытание должно проводиться с ВДТ, помещенным в оболочку, имеющую наиболее неблагоприятную конфигурацию, при наиболее неблагоприятных условиях.
Примечание - Это означает, что если другие ВДТ (или другие устройства) нормально устанавливают в направлении(ях), в которых должна быть установлена сетка(и), то они должны быть установлены там. ВДТ (или другие устройства) должны быть запитаны как при нормальной эксплуатации, но через F' и R', как определено в 9.11.2.1, перечисление f), 1), и соединены, как показано на рисунках 7 и 8.
Согласно инструкциям изготовителя могут потребоваться барьеры или другие средства или соответствующие зазоры для предотвращения ионизации газов из-за повреждения установки.
Полиэтиленовый лист, описанный в приложении С, размещают, как показано на рисунке С.1, на расстоянии 10 мм от органов управления только для операции "О".
g) Циклы операций
Процедура испытаний представляет собой циклы операций.
Следующие символы используют для обозначения циклов операций:
О - операция размыкания, при созданном предварительно в цепи коротком замыкании выключателем Т с ВДТ и ПЗУ, если таковое имеется, в замкнутом положении;
СО - операция замыкания ВДТ, при замкнутых выключателях Т и ПЗУ, если таковое имеется, за которой следует автоматическое размыкание (в случае ПЗУ - по 9.11.2.4);
t - временной интервал между двумя последовательными операциями при коротком замыкании, который должен быть 3 мин или настолько больше, сколько потребуется для восстановления или обновления ПЗУ, если таковое имеется.
h) Состояние ВДТ в течение испытаний
В ходе испытаний ВДТ не должен представлять опасности для оператора.
Кроме того, не должно быть устойчивой дуги, перекрытия между полюсами и между полюсами и видимыми проводящими частями, не должен расплавляться плавкий предохранитель F и, если применен, плавкий предохранитель F'.
i) Состояние ВДТ после испытаний
После каждого из испытаний, применяемых в соответствии с 9.11.2.2, 9.11.2.3, 9.11.2.4, перечисление а), 9.11.2.4, перечисление b), и 9.11.2.4, перечисление с), ВДТ не должен иметь повреждений, препятствующих его дальнейшему использованию, и должен быть в состоянии без технического обслуживания выдерживать следующие испытания:
- испытания на ток утечки через разомкнутые контакты в соответствии с 9.7.7.3;
- испытания электрической прочности изоляции в соответствии с 9.7.3 проводится в интервале от 2 до 24 ч после проведения испытания на короткое замыкание при испытательном напряжении, вдвое превышающем номинальное напряжение в течение 1 мин без предварительной влажной обработки;
- включением и выключением номинального тока при номинальном напряжении.
Во время этих испытаний, после испытания, проведенного в условиях, указанных в 9.7.2, перечисление а), необходимо проверить, что указанные средства испытаний находятся в разомкнутом положении и в ходе испытаний, проведенных в условиях, указанных в 9.7.2, перечисление b), указанные средства должны находиться в замкнутое положении.
При условиях испытания по 9.9.2.3, перечисление а) ВДТ должен расцепиться при испытательном токе 1,25 IΔn. Проводится одно испытание на одном полюсе, выбранном случайным образом, без измерения времени выключения.
Полиэтиленовый лист не должен иметь отверстий, видимых нормальным или корректированным зрением без дополнительного увеличения.
В дополнение ВДТ, функционально зависящие от напряжения сети, должны быть способны удовлетворять испытанию по 9.17, если оно применимо.
j) Пояснения записей
1) Определение прикладываемого и восстанавливающего напряжения промышленной частоты. Прикладываемое и восстанавливающее напряжение промышленной частоты определяют исходя из записи, соответствующей испытанию на разрушение, проводимому с ВДТ в состоянии теста. Прикладываемое напряжение определено, как это показано на рисунке 30.
Напряжение питания должно измеряться в течение первого цикла гашения дуги на полюсах и после затухания высокочастотного переходного процесса.
2) Определение ожидаемого тока короткого замыкания.
Переменная составляющая ожидаемого тока выбирается как равная среднеквадратичному значению переменной составляющей градуированного тока (значение соответствует А2 на рисунке 30).
Где применимо, ток короткого замыкания должен иметь среднее значение по отношению к ожидаемым токам во всех фазах.
9.11.2.2 Проверка номинальной включающей и отключающей способности (Im)
Это испытание предназначено для проверки способности ВДТ включать, проводить указанное время и выключать токи короткого замыкания в то время, как дифференциальный ток заставляет ВДТ сработать.
a) Условия испытания
ВДТ испытывают в цепи в соответствии с общими условиями испытаний, предписанными в 9.11.2.1, без включения ПЗУ в цепь.
Перемычки G1 с пренебрежимо малым импедансом заменяют на ВДТ и на перемычки, имеющие импеданс, близкий к импедансу ПЗУ.
Вспомогательный выключатель S1 оставляют замкнутым.
b) Процедура испытания
При дифференциальном токе срабатывания, равном 10 IΔn, проходящем через выключатель S1 и резистор R2, выполняют следующий цикл операций:
СО - t - СО - t - СО.
9.11.2.3 Проверка номинальной дифференциальной включающей и отключающей способности (IΔm) и их пригодности для использования в ИТ-системах
Данное испытание предназначено для проверки способности ВДТ включать, выдерживать в течение указанного времени и отключать дифференциальные токи короткого замыкания.
a) Условия испытания
ВДТ должен испытываться в соответствии с основными условиями испытаний, предписанными в 9.11.2.1, без введения ПЗУ в цепь, но включенным таким образом, что ток короткого замыкания является дифференциальным.
Для данного испытания импеданс Z1 не используют, цепь остается разомкнутой.
К токовым путям, по которым не должен протекать дифференциальный ток короткого замыкания, подсоединяют посредством линейных зажимов источник питания.
Перемычки G1 с пренебрежимо малым импедансом заменяют в ВДТ на перемычки, имеющие импеданс, близкий к импедансу ПЗУ.
Вспомогательный выключатель S1 остается замкнутым.
Испытание проводят на каждом полюсе поочередно, за исключением полюса, коммутирующего нейтраль, если имеется.
b) Процедура испытания
Выполняют следующий цикл операций:
O - t - CO - t - CO.
Для операции отключения выключатель Т синхронизируют по отношению к волне напряжения так, чтобы момент начала цикла операций был (45 ± 5)°. Один и тот же полюс должен быть использован как контрольный для целей синхронизации на разных образцах.
c) Подтверждение возможности применять систему IT
Это испытание повторяют на новых образцах:
- подают напряжение, одно значение которого равно 105 % значения установленного междуфазного напряжения через фазные полюса и другое значение которого равно 105 % Uo через нейтральный полюс N в случае необходимости;
- в соответствии с 5.3.9 подают ток, значение которого значительно превышает 500 А или составляет 10In.
Каждый полюс подвергается индивидуальному испытанию током в соединительной цепи, приведенной на рисунке 8.
Последовательность проведения испытания в условиях О - t - СО.
ВДТ с ненарушенной нейтралью этому испытанию не подвергают.
Для управления циклом О на первом испытуемом полюсе выключатель T должен быть синхронизирован по отношению к импульсному напряжению таким образом, чтобы отключать ток в точке 0° управляющего импульса.
Для управления циклом О на остальных испытываемых полюсах (см. раздел А.2) эта точка должна каждый раз выбираться со смещением на 30° по отношению к точке импульса предыдущих испытаний с погрешностью до ± 5°.
9.11.2.4 Проверка согласования между ВДТ и ПЗУ
Эти испытания предназначены для проверки того, что ВДТ, защищенный ПЗУ, способен выдержать без повреждения токи короткого замыкания вплоть до его номинального условного тока короткого замыкания (см. 5.3.10).
Ток короткого замыкания прерывается совокупностью ВДТ и ПЗУ.
В течение испытания либо ВДТ и ПЗУ вместе, либо только ПЗУ могут сработать. Однако если выключится только ВДТ, испытание также рассматривают как удовлетворительное.
ПЗУ обновляют или вновь взводят, что применимо, после каждого срабатывания.
Следующие испытания (см. также таблицу 17) выполняют при общих условиях по 9.11.2.1:
- испытание [9.11.2.4, перечисление а)] для проверки, что при номинальном условном токе короткого замыкания Inc ПЗУ защищает ВДТ. Испытание проводят без установки какого-либо дифференциального тока;
- испытание [9.11.2.4, перечисление b)] для проверки, что при токах короткого замыкания, соответствующих номинальной наибольшей включающей и отключающей способности Im, ПЗУ сработает и защитит ВДТ. Испытание проводят без установки какого-либо дифференциального тока;
- испытание [9.11.2.4, перечисление с)] для проверки, что в случае короткого замыкания фазы на землю с токами вплоть до номинального условного дифференциального тока короткого замыкания IΔc, ВДТ в состоянии выдержать соответствующие нагрузки.
Для операций отключения выключатель Т синхронизируют относительно волны напряжения так, чтобы момент начала цикла операций для одного полюса был (45 ± 5)°. Один и тот же полюс должен быть использован как контрольный для целей синхронизации разных образцов.
a) Проверка координации при номинальном условном токе короткого замыкания (Inc)
1) Условия испытания
Перемычки G1 с пренебрежимо малым импедансом заменяют на ВДТ и ПЗУ.
Вспомогательный выключатель S1 остается разомкнутым: дифференциальный ток не устанавливают.
2) Процедура испытания
Выполняют следующий цикл операций:
O - t - CO.
b) Проверка координации на номинальной наибольшей включающей и отключающей способности (Im)
1) Условия испытания
Перемычки G1 с пренебрежимо малым импедансом заменяют на ВДТ и ПЗУ.
Вспомогательный выключатель S1 остается разомкнутым: дифференциальный ток не устанавливают.
2) Процедура испытания
Выполняют следующий цикл операций:
O - t - CO - t - CO.
c) Проверка координации при номинальном условном дифференциальном токе короткого замыкания (IΔc)
1) Условия испытания
ВДТ должен испытываться согласно общим испытаниям, указанным в 9.11.2.1, но подключается таким образом, что ток короткого замыкания становится дифференциальным.
Испытание выполняют только на одном полюсе, которым не может быть полюс, коммутирующий нейтраль ВДТ.
Токовые пути, по которым не должен протекать дифференциальный ток короткого замыкания, подключают к источнику питания с помощью зажимов для питания.
Перемычки G1 с пренебрежимо малым сопротивлением заменяют на ВДТ и ПЗУ.
Вспомогательный выключатель S1 оставляют замкнутым.
2) Процедура испытания
Выполняют следующий цикл испытаний:
O - t - CO - t - CO.
9.12.1 Механический толчок
9.12.1.1 Испытательное устройство
ВДТ подвергают механическим толчкам с использованием устройства, показанного на рисунке 14. К бетонному блоку крепят деревянное основание А, к нему на шарнире крепят платформу В. На этой платформе устанавливают плиту С, которая изготовлена из дерева, может фиксироваться на разных расстояниях от шарнира и иметь два вертикальных положения. Конец платформы В снабжен металлическим пластинчатым упором D, который опирается на спиральную пружину с коэффициентом упругости 25 Н/мм.
ВДТ надежно закрепляют на плите С так, что расстояние горизонтальной оси образца от платформы В составляет 180 мм; плиту С, в свою очередь, крепят так, что расстояние от монтажной поверхности до шарнира составляет 200 мм.
На поверхности плиты С, противоположной монтажной поверхности ВДТ, крепят дополнительную массу таким образом, что на упоре D создают статическое усилие, равное 25 Н, для того чтобы обеспечить практически постоянный момент инерции скомплектованной системы.
9.12.1.2 Процедура испытания
При ВДТ, находящемся в замкнутом положении, но не подключенном к какому-либо источнику энергии, платформу В 50 раз поднимают за свободный конец и сбрасывают с высоты 40 мм с такими интервалами между последовательными падениями, чтобы образец имел возможность прийти в состояние покоя.
Затем ВДТ крепят на противоположной поверхности плиты С и В и снова 50 раз сбрасывают, как указано выше. После этого испытательную плиту С поворачивают на 90° вокруг вертикальной оси и при необходимости перемещают так, чтобы вертикальная ось симметрии образца находилась на расстоянии 200 мм от шарнира.
Затем плиту С сбрасывают на платформу В: 50 раз с ВДТ, установленным на одной стороне плиты, и 50 раз с ВДТ, установленным с противоположной стороны плиты.
Перед каждым изменением положения ВДТ вручную размыкают и замыкают.
В ходе испытаний ВДТ не должен размыкаться.
9.12.2 Механический удар
Проверку открытых частей ВДТ, установленного как для нормальной эксплуатации (примечание к 8.2), которые могут быть подвержены механическому удару при нормальной эксплуатации, проводят по 9.12.2.1 для ВДТ всех типов и дополнительно:
- по 9.12.2.2 - для ВДТ, предназначенных для монтажа на рейке;
- по 9.12.2.3 - для ВДТ втычного типа.
Примечание - ВДТ, предназначенные для использования только в полностью закрытых оболочках, не подлежат данному испытанию.
9.12.2.1 Образцы проверяют ударами с помощью испытательного устройства, приведенного на рисунках 15-17.
Головку ударного элемента выполняют полусферической формы, радиусом 10 мм, из полиамида, имеющего твердость 100 HRC. Ударный элемент имеет массу (150 ± 1) г и жестко закреплен на нижнем конце стальной трубы наружным диаметром 9 мм и толщиной стенки 0,5 мм, шарнирно подвешенной верхним концом таким образом, чтобы она могла качаться только в вертикальной плоскости.
Ось шарнира находится на высоте (1000 ± 1) мм над осью ударного элемента.
Для определения твердости полиамида головки ударного элемента по шкале Роквелла используют следующие условия:
- диаметр шарика (12,7 ± 0,0025) мм;
- начальная нагрузка (100 ± 2) Н;
- дополнительная нагрузка (500 ± 2,5) Н.
Примечание - Дополнительная информация по определению твердости полиамида головки ударного элемента по шкале Роквелла приведена в спецификации ASTM D 785-08.
Конструкция испытательного устройства такова, что для удержания трубы в горизонтальном положении к лицевой поверхности ударного элемента необходимо приложить усилие от 1,9 до 2 Н.
ВДТ поверхностного монтажа устанавливают на фанерном листе размерами 175 x 175 мм и толщиной 8 мм, закрепленном своими верхней и нижней кромками в жестких кронштейнах, являющихся частью монтажной опоры, как показано на рисунке 17.
Монтажная опора должна иметь массу (10 ± 1) кг и быть установлена в жесткой раме при помощи шарниров. Раму крепят к массивной стене.
ВДТ утопленного монтажа монтируют в испытательном устройстве, которое закрепляют на монтажной опоре, как показано на рисунке 18.
ВДТ, монтируемые на панели, устанавливают в испытательном устройстве, как показано на рисунке 19, которое закрепляют на монтажной опоре.
ВДТ втычного типа устанавливают на своих собственных основаниях, которые закрепляют на фанерном листе, или в испытательных устройствах, как показано на рисунках 18 или 19, что более применимо.
ВДТ для крепления на рейке монтируют на соответствующей рейке, которую жестко закрепляют на монтажной опоре.
Конструкция испытательного устройства такова, что:
- образец может быть перемещен горизонтально и повернут вокруг оси, перпендикулярной поверхности фанерного листа;
- фанерный лист может быть повернут вокруг вертикальной оси.
ВДТ с крышками, если они имеются, монтируют как для нормальной эксплуатации на фанерном листе или в надлежащем испытательном устройстве, что более применимо, так, чтобы точка удара лежала в вертикальной плоскости, проходящей через ось маятника.
Кабельные вводы, которые не снабжены пробивными диафрагмами, оставляют открытыми. Если они снабжены пробивными диафрагмами, то две из них пробивают.
Перед нанесением ударов винты для крепления оснований, крышек и т.д. затягивают моментом, равным 2/3 от указанного в таблице 11.
Ударный элемент сбрасывают с высоты 10 см на поверхности ВДТ, которые видимы, когда ВДТ смонтирован как для нормальной эксплуатации.
Высоту падения определяют как вертикальное расстояние между положениями контрольной точки в момент отпускания маятника и в момент удара. Контрольную точку отмечают на поверхности ударного элемента в месте пересечения с ней линии, проходящей через точку пересечения осей стальной трубы маятника и ударного элемента и перпендикулярной плоскости, проходящей через эти оси.
Примечание - Теоретически контрольной точкой должен быть центр тяжести ударного элемента, но поскольку центр тяжести трудно определить, контрольную точку выбирают, как указано выше.
Каждый ВДТ подвергают 10 ударам, два из которых наносят по органам управления, а остальные равномерно распределяют по тем частям образца, которые предположительно наиболее подвержены ударам.
Удары не наносят по пробивным диафрагмам или по каким-либо отверстиям, закрытым прозрачным материалом.
Как правило, один удар наносят по каждой боковой стенке образца, повернутого вокруг вертикальной оси, насколько возможно, но не более чем на 60 , и два удара - приблизительно посередине между точкой удара по боковой стенке и точками ударов по органам управления.
Остальные удары наносят подобным образом после поворота образца на 90° вокруг оси, перпендикулярной фанерному листу.
Если предусмотрены кабельные выводы или пробивные диафрагмы, то образец устанавливают так, чтобы обе линии нанесения ударов располагались по возможности на равных расстояниях от этих отверстий.
Из двух ударов по органу управления один наносят, когда орган управления находится в положении "Вкл.", а второй - в положении "Откл.".
После испытания образцы не должны иметь повреждений, в особенности крышек, которые, будучи сломаны, делают доступными части под напряжением или препятствуют дальнейшей эксплуатации ВДТ. Органы управления, обшивка и перегородки из изоляционного материала и т.п. также не должны иметь повреждений.
В сомнительных случаях проверяют возможность удаления или замены внешних частей, таких как оболочки или крышки, без повреждения этих частей или их обшивки.
Примечание - Ухудшением внешнего вида, небольшими вмятинами, не уменьшающими расстояний утечки или воздушных зазоров до значений ниже указанных в 8.1.3, и мелкими сколами, не снижающими защиты от электрического удара, пренебрегают.
Для ВДТ, разработанных для крепления в равной степени и винтами, и на рейке, испытания проводят на двух комплектах ВДТ, один из которых крепят винтами, а другой - на рейке.
9.12.2.2 ВДТ, предназначенные для крепления на рейке, монтируют как для нормальной эксплуатации на рейке, жестко закрепленной на твердой вертикальной стене, но без подключенных кабелей, крышек или защитных пластин.
К передней поверхности ВДТ без рывков в течение 1 мин прикладывают направленную сверху вниз вертикальную силу 50 Н, затем немедленно в течение 1 мин прилагают снизу вверх вертикальную силу 50 Н (см. рисунок 20).
Во время испытания крепление ВДТ не должно быть ослаблено, после испытания ВДТ не должен иметь повреждений, препятствующих его дальнейшему использованию.
9.12.2.3 ВДТ втычного типа
Примечание - Дополнительные испытания находятся на рассмотрении.
9.13.1 Образцы без съемных крышек, если они имеются, выдерживают 1 ч в термокамере при температуре (100 ± 2) °С; съемные крышки, если имеются, выдерживают в течение 1 ч при (70 ± 2) °С.
Во время испытаний образцы не должны претерпевать изменений, препятствующих их дальнейшему использованию, а заливочный компаунд (при наличии) не должен вытечь настолько, чтобы открылись части, находящиеся под напряжением.
После испытания и охлаждения образцов приблизительно до комнатной температуры не должны быть доступными части, находящиеся под напряжением, которые нормально недоступны, когда образцы смонтированы как при нормальной эксплуатации, даже если применяют стандартный испытательный палец, прикладываемый с усилием не более 5 Н.
При условиях испытаний по 9.9.2.3, перечисление а), ВДТ должен расцепиться при испытательном токе, равном 1,25IΔn. Проводят только одно испытание на одном полюсе, выбранном случайным образом, без измерения времени размыкания.
Маркировка после испытания должна оставаться четкой.
Обесцвечивание, вздутие или некоторые смещения заливочного компаунда не принимают во внимание, если при этом не снижается безопасность, требования к которой установлены данным стандартом.
9.13.2 Наружные части ВДТ, выполненные из изоляционного материала и необходимые для удержания в нужном положении токоведущих частей или частей защитной цепи, подвергают испытанию давлением шарика при помощи устройства, приведенного на рисунке 21, исключая, где это применимо, изоляционные части, необходимые для удержания в нужном положении выводов защитных проводников в коробке, которые должны испытываться согласно 9.13.3.
Подлежащую испытанию часть устанавливают на стальной опоре так, чтобы предназначенная для испытания поверхность находилась в горизонтальном положении, и к этой поверхности с усилием 20 Н прижимают стальной шарик диаметром 5 мм.
Испытание проводят в термокамере при температуре (125 ± 2) °С.
Через 1 ч шарик снимают с образца, образец охлаждают в течение не более 10 с до приблизительно комнатной температуры путем погружения в холодную воду.
Измеренный отпечаток шарика не должен превышать 2 мм в диаметре.
9.13.3 Наружные части ВДТ из изоляционных материалов, не предназначенные для удержания в заданном положении токоведущих частей и частей защитной цепи, даже если они находятся в контакте с последними, подвергают испытаниям давлением шарика в соответствии с 9.13.2, но при температуре (70 ± 2) °С или (40 ± 2) °С плюс наибольшее превышение температуры соответствующей части, определенное при испытании по 9.8.
Примечание - Для целей испытаний по 9.13.2 и 9.13.3 основания ВДТ поверхностного монтажа считают наружными частями.
Испытаниям по 9.13.2 и 9.13.3 не подвергают части, изготовленные из керамических материалов.
Если две или более изоляционные части, упомянутые в 9.13.2 и 9.13.3, выполнены из одного и того же материала, то испытанию подвергают только одну из этих частей по 9.13.2 или 9.13.3, что применимо.
Испытание раскаленной проволокой проводят на полностью собранном ВДТ в соответствии с IEC 60695-2-10 при следующих условиях:
- для наружных частей ВДТ, выполненных из изоляционного материала и необходимых для удержания в заданном положении токоведущих частей и частей защитной цепи, - при температуре (960 ± 15) °С;
- для всех других наружных частей, выполненных из изоляционного материала, - при температуре (650 ± 10) °С.
Примечание - Для целей данного испытания основания ВДТ поверхностного монтажа причисляют к наружным частям.
Если наружные части из изоляционного материала, входящие в указанные группы, сделаны из одного материала, испытанию подвергают только одну из них при соответствующей температуре раскаленной проволоки.
Испытаниям не подвергают части из керамических материалов.
Испытания раскаленной проволокой проводят для гарантии того, что нагретая электрическим током испытательная проволока в определенных условиях испытания не вызовет воспламенения изоляционных частей или эти части в случае возможного воспламенения будут гореть ограниченное время без распространения открытого пламени, или выделения горючих частиц, или образования расплавленных капель.
Испытание проводят на трех образцах, точки приложения раскаленной проволоки на каждом образце разные.
Раскаленную проволоку не прикладывают непосредственно в области зажимов или дугогасительной камеры или электромагнитного расцепителя, где раскаленная проволока не может пройти через внешнюю поверхность, не затронув больших металлических частей или керамики, которые быстро охладят раскаленную проволоку, а также ограничат доступ к изоляционному материалу раскаленной проволокой. В такой ситуации для частей обеспечивается снижение жесткости испытаний в результате охлаждения раскаленной проволоки и ограничение доступа к испытуемому изоляционному материалу.
При испытании образец должен быть установлен в самое неблагоприятное возможное положение при его предполагаемом использовании (испытуемой поверхностью в вертикальном положении).
Если внутренняя часть из изоляционного материала негативно влияет на результат испытания, допускается удаление соответственно идентифицированных внутренних частей из изоляционного материала из нового образца. Затем испытание раскаленной проволокой повторяют в том же самом месте на новом образце.
С согласия изготовителя в качестве альтернативного метода допускается снятие проверяемой части полностью и ее отдельное испытание (см. IEC 60695-2-11:2000, раздел 4).
Образец считают выдержавшим испытание раскаленной проволокой, если:
- либо отсутствуют видимое пламя и длительное тление;
- либо пламя и тление на образце самостоятельно гаснут в течение 30 с после удаления раскаленной проволоки.
Не должно быть загорания папиросной бумаги или подпаливания сосновой доски, которые подкладывают под образец во время испытания.
9.15.1 Основные условия испытания
ВДТ монтируют и подключают как при нормальной эксплуатации.
Испытание проводят в фактически безиндуктивной цепи, схема которой показана на рисунке 4.
9.15.2 Процедура испытания
Дифференциальный ток, равный 1,5IΔn, пропускают замыканием выключателя S2 при замкнутом ВДТ и его органе управления, удерживаемом во включенном положении рукой. ВДТ должен расцепиться.
Затем испытание повторяют при медленном движении органов управления ВДТ с периодом примерно 1 с до тех пор, пока они займут положение, при котором начинает течь ток. Должно произойти расцепление без дальнейшего движения органов управления.
Оба испытания выполняют по три раза, по крайней мере однажды на каждом полюсе, предназначенном для коммутации фазы.
Примечания
1 Если ВДТ снабжен более чем одним органом управления, операцию свободного расцепления проводят на всех органах.
2 Если ВДТ имеет несколько уставок, испытания проводят для каждой уставки.
a) ВДТ подключают на напряжение, равное 0,85 номинального значения, контрольное устройство мгновенно приводят в действие 25 раз с интервалом 5 с, ВДТ возвращают в замкнутое положение перед каждой операцией.
b) Затем испытание по перечислению а) повторяют при напряжении, равном 1,1 номинального напряжения.
c) Затем испытание по перечислению b) повторяют, но только однократно, орган управления контрольного устройства удерживают 30 с во включенном положении.
При каждом испытании ВДТ должен срабатывать. После испытания не должно быть повреждений, препятствующих дальнейшей эксплуатации ВДТ.
Для того чтобы проверить, что ампер-витки, создаваемые при включении контрольного устройства, меньше 2,5-кратного значения ампер-витков, создаваемых дифференциальным током, равным IΔn при номинальном напряжении, проводят измерение импеданса цепи контрольного устройства и рассчитывают испытательный ток, исходя из схемы контрольного устройства.
Если для этой проверки требуется разборка ВДТ, для этого используют отдельный образец.
Примечание - Проверку стойкости контрольного устройства считают выполненной при испытаниях по 9.10.
9.17.1 Определение предельного значения напряжения сети (Ux)
Напряжение, равное номинальному, прикладывают к входным выводам ВДТ и затем постепенно уменьшают с такой скоростью, чтобы достичь нуля за время около 30 с или в пределах периода достаточной длительности, принимая во внимание отключение с задержкой, если такое предусмотрено (см. 8.12), выбирая большее из них, до достижения автоматического срабатывания.
Соответствующее значение напряжения измеряют.
Проводят пять измерений.
Все измеренные значения должны быть не более 0,85 номинального напряжения или, если уместно, 0,85 минимального из ряда номинальных напряжений.
По окончании этих измерений должно быть установлено, что ВДТ работает в соответствии с таблицей 1, когда действует дифференциальный ток, равный IΔn, в случае падения напряжения сети, при условиях, указанных в данном пункте, при этом до автоматического отключения приложенное напряжение определенно будет больше наибольшего из измеренных выше значений.
Затем должно быть проверено, что для любого значения линейного напряжения, меньшего минимального измеренного значения, не должно быть возможности включения ВДТ вручную.
9.17.2 Проверка автоматического отключения в случае исчезновения напряжения сети
На входную сторону ВДТ подают напряжение номинальной величины (или, если применимо, любое напряжение из ряда номинальных напряжений) и ВДТ включают.
Затем напряжение отключают.
Замеряют время между отключением напряжения и размыканием контактов главной цепи.
Проводят пять измерений.
а) Для ВДТ, отключающихся без выдержки времени, не должно быть значений более 0,5 с.
b) Для ВДТ, отключающихся с выдержкой времени, максимальное и минимальное значения должны находиться в пределах, указанных изготовителем.
Примечание - Проверку значения Uy (см. 3.4.12.2) не рассматривают в настоящем стандарте.
9.17.3 Проверка работоспособности при наличии дифференциального тока для ВДТ, размыкающихся с выдержкой времени в случае исчезновения напряжения сети
ВДТ подключают согласно рисунку 4 и подают на входную сторону напряжение номинальной величины (или, если применимо, любое напряжение из ряда номинальных напряжений).
Затем все фазы, кроме одной, отключают при помощи выключателя S3.
В течение выдержки времени (см. таблицу 8), указанной изготовителем, ВДТ подвергают испытаниям по 9.9.2. Перед каждым измерением производят замыкание выключателя S3 с последующим его размыканием.
Примечание - Если время выдержки превышает 30 с, то проводят проверку только по 9.9.2.1.
9.17.4 Проверка работоспособности ВДТ с тремя или четырьмя токовыми путями при наличии дифференциального тока и питании только через один линейный вывод
В случае ВДТ с тремя или четырьмя токовыми путями (см. 4.3) испытания проводят согласно 9.9.2.3, но с подключением нейтрали и только одного фазного вывода поочередно, при этом соединения выполняют согласно рисунку 4.
9.17.5 Проверка функции повторного включения для ВДТ с автоматическим повторным включением
На стадии рассмотрения.
Примечание - Для ВДТ с несколькими уставками испытание проводят при наименьшей уставке.
9.18.1 Проверка предельного значения сверхтока при нагрузке ВДТ с двумя токовыми путями
ВДТ соединяют как при нормальной эксплуатации с практически безиндуктивной нагрузкой, равной 6In.
Нагрузку включают при помощи двухполюсного испытательного выключателя, а затем через 1 с выключают.
Испытание повторяют три раза, интервал между последовательными операциями замыкания должен быть как минимум 1 мин.
ВДТ не должен размыкаться.
ВДТ, функционально зависящие от напряжения сети, подключают на входных выводах на номинальное напряжение (или, если применимо, на любое напряжение из ряда номинальных напряжений, указанных для данного ВДТ).
9.18.2 Проверка предельного значения сверхтока при однофазной нагрузке трех- или четырехполюсного ВДТ
ВДТ соединяют согласно рисунку 22.
Резистор R регулируют так, чтобы получить в цепи ток, равный 6In.
Примечание - Для регулировки тока ВДТ D может быть заменен перемычками с ничтожно малым сопротивлением.
Испытательный выключатель S1, будучи первоначально разомкнутым, замыкают и вновь размыкают через 1 с.
Испытание повторяют трижды для каждой возможной комбинации токовых путей; интервал между двумя последовательными операциями замыкания должен быть не менее 1 мин.
ВДТ не должен размыкаться.
ВДТ, функционально зависящие от напряжения сети, подключают на входных выводах на номинальное напряжение (или, если применимо, на любое напряжение из ряда номинальных напряжений, указанных для данного ВДТ).
9.19.1 Испытание импульсом тока для всех ВДТ (испытание волнообразным импульсом затухающего тока 0,5 мкс/100 кГц)
ВДТ испытывают с использованием генератора импульсов, способного создавать волну затухающего колебательного тока, показанную на рисунке 23. Пример схемы соединения ВДТ приведен на рисунке 24.
К одному из полюсов ВДТ, выбранному наугад, должны прикладываться десять импульсов тока. Полярность волны импульса должна меняться после каждых двух импульсов. Интервал между двумя последовательными импульсами должен составлять около 30 с.
Импульс тока должен измеряться соответствующим способом и калиброваться при помощи дополнительного ВДТ такого же типа, при таком же In и IΔn, отвечая следующим требованиям:
- пиковое значение 200 А + 10 % или 25 А + 10 % для ВДТ с IΔn ≤ 10 мА;
- действующая длительность фронта 0,5 мкс ± 30 %;
- период переходящей волны 10 мкс ± 20 %;
- каждый последующий обратный пик импульса около 60 % предыдущего пика.
Во время испытаний ВДТ не должен срабатывать. После испытания волной затухающего тока правильность оперирования ВДТ проверяют испытанием по 9.9.2.3 при IΔn, только с измерением времени расцепления.
Примечание - Методика испытаний и схемы испытательных цепей для ВДТ со встроенной или присоединенной защитой от перенапряжения - на рассмотрении.
9.19.2 Проверка характеристик при импульсах тока до 3000 А (испытание импульсом импульсного тока 8/20 мкс)
9.19.2.1 Условия испытания
Для испытания ВДТ используют генератор тока, способный создавать импульс тока 8/20 мкс (IEC 60060-2), как показано на рисунке 28. Пример принципиальной схемы подключений ВДТ показан на рисунке 29.
На один из полюсов ВДТ, выбранный случайным образом, должны подаваться десять импульсов тока. Полярность волнообразного импульса должна меняться после каждых двух импульсов. Интервал между двумя последовательными импульсами должен составлять около 30 с.
Импульс тока должен измеряться соответствующим образом и дополнительно калиброваться для ВДТ такого же типа и при тех же значениях In и IΔn, отвечая следующим требованиям:
- пиковое значение 3000 А + 10 %;
- действующая длительность фронта 8 мкс ± 20 %;
- действующая длительность полупериода 20 мкс ± 20 %;
- пик обратного тока менее 30 % пикового значения.
Ток должен регулироваться до асимптотной формы. Для испытаний на других образцах такого же типа ВДТ при тех же In и IΔn обратный ток, если он есть, не должен превышать 30 % пикового значения.
9.19.2.2 Результаты испытаний для ВДТ типа S
Во время испытаний ВДТ не должен срабатывать.
После испытания импульсным током правильность функционирования ВДТ проверяют испытанием по 9.9.2.3 только при том же IΔn с измерением времени отключения.
9.19.2.3 Результаты испытаний для ВДТ общего типа
Во время испытаний ВДТ может срабатывать. После каждого срабатывания ВДТ должен быть повторно замкнут.
После испытания волнообразным импульсным током правильность функционирования ВДТ проверяют испытанием по 9.9.2.3 только при том же IΔn только с измерением времени расцепления.
Исключен.
Исключен.
Соответствие проверяют испытаниями по 9.22.1 и 9.22.2.
Примечание - Для ВДТ, имеющих несколько уставок, испытания проводят на наименьшей уставке.
9.22.1 Климатическое испытание
Испытание основано на IEC 60068-2-30 с учетом IEC 60068-3-4.
9.22.1.1 Испытательная камера
Камера должна быть разработана согласно разделу 4 IEC 60068-2-30:2005. Конденсирующаяся вода должна постоянно удаляться из камеры; повторное ее использование без очистки не допускается. Допускается использовать только дистиллированную воду.
Перед подачей в камеру дистиллированная вода должна иметь сопротивление не менее 500 Ом, значение рН = 7 ± 0,2. Во время и после испытания сопротивление должно быть не менее 100 Ом, а значение рН должно быть 7,0 ± 1,0.
9.22.1.2 Условия испытаний
Циклы выполняют при следующих условиях:
- верхнее значение температуры (55 ± 2) °С;
- число циклов 28.
9.22.1.3 Процедура испытания
Процедура испытания должна соответствовать требованиям IEC 60068-2-3:2000 (раздел 4) и IEC 60068-3-4.
a) Предварительная проверка
Предварительную проверку ВДТ осуществляют согласно испытаниям по 9.9.2.3, но только при IΔn.
b) Условия
1) ВДТ, смонтированный и подключенный как для нормальной эксплуатации, помещают в камеру. Он должен быть включен.
2) Период стабилизации (см. рисунок 25).
Температура ВДТ должна стабилизироваться при значении (25 ± 3) °С:
i) или при размещении ВДТ в отдельной камере перед помещением в испытательную камеру,
ii) или путем установления температуры в испытательной камере (25 ± 3) °С после помещения в нее ВДТ и поддержанием температуры на этом уровне до достижения температурной стабилизации.
В ходе стабилизации температуры тем или иным способом относительная влажность должна находиться в пределах, определенных для стандартных атмосферных условий испытаний (см. таблицу 4).
В течение последнего часа пребывания ВДТ в испытательной камере относительная влажность должна быть увеличена до значения не менее 95 % при температуре окружающего воздуха (25 ± 3) °С.
3) Описание 24-часового цикла (см. рисунок 26).
i) Температура в камере должна постепенно нарастать вплоть до достижения значения верхней температуры, указанного в 9.22.1.2.
Верхнее значение температуры должно быть достигнуто за 3 ч ± 30 мин со скоростью, определенной согласно заштрихованной зоне на рисунке 26.
В течение этого периода относительная влажность не должна быть менее 95 %, а на ВДТ должна иметь место конденсация.
Примечание - Конденсация достигается при условии, что температура поверхности ВДТ ниже "точки росы" атмосферы камеры. Это значит, что относительная влажность должна быть выше 95 %, если температурная постоянная времени ниже. Необходимо следить, чтобы капли конденсата не падали на ВДТ.
ii) Далее температура должна поддерживаться на практически постоянном значении внутри указанных пределов отклонения ± 2 °С для верхнего значения температуры в течение 12 ч ± 30 мин от начала цикла.
В течение этого периода относительная влажность должна быть (93 ± 3) %, за исключением первых и последних 15 мин, когда она должна быть от 90 % до 100 %.
Конденсации не должно быть на ВДТ в течение последних 15 мин.
iii) Затем температура должна быть снижена в течение 3-6 ч до значения (25 ± 3) °С.
Скорость снижения для первых 1,5 ч должна быть такой, что если ее поддерживать, как указано на рисунке 26, то значения (25 ± 3) °С можно было бы достигнуть за 3 ч ± 15 мин.
В течение периода падения температуры относительная влажность должна быть не менее 95 %, за исключением первых 15 мин, когда она не должна быть менее 90 %.
iv) Далее температура должна поддерживаться на уровне (25 ± 3) °С с относительной влажностью не менее 95 %, вплоть до истечения 24-часового цикла.
9.22.1.4 Восстановление
По окончании циклов ВДТ не должен удаляться из испытательной камеры.
Дверь испытательной камеры должна быть открыта, а регулирование температуры и влажности прекращено.
Затем в течение 4-6 ч дают возможность окружающим условиям (температуре и относительной влажности) вернуться в исходное состояние перед проведением заключительных измерений.
В течение 28 циклов ВДТ не должен расцепляться.
9.22.1.5 Заключительная проверка
При условиях испытания по 9.9.2.3 ВДТ должен расцепиться при испытательном токе 1,25IΔn. Проводят только одну проверку одного полюса, выбранного случайным образом, без измерения времени выключения.
9.22.2 Испытания при температуре 40 °С
ВДТ устанавливают как для нормальной эксплуатации на фанерной стенке толщиной около 20 мм, окрашенной в матовый черный цвет.
Одножильные кабели (проводники) длиной 1 м и номинальной площадью поперечного сечения, как указано в таблице 10, присоединяют к каждому полюсу ВДТ на обоих его сторонах, винты или гайки выводов затягивают с крутящим моментом, равным 2/3 от указанного в таблице 11. ВДТ в сборе помещают в испытательную термокамеру.
ВДТ нагружают током, равным номинальному, и при любом удобном напряжении и температуре (40 ± 2) °С подвергают 28 циклам срабатывания. Каждый цикл включает пребывание в течение 21 ч под током и 3 ч без тока. Ток выключают вспомогательным выключателем, ВДТ не оперируют.
Для четырехполюсных ВДТ нагружают только три полюса.
В конце последнего 21-часового периода пребывания под током определяют превышение температуры выводов при помощи тонкопроволочных термопар; его значение не должно быть более 65 К.
После этого испытания ВДТ (без тока) в камере дают возможность остыть до примерно комнатной температуры.
При условиях испытаний, указанных в 9.9.2.3, ВДТ должен срабатывать при испытательном токе 1,25IΔn. Проводят только одно испытание на одном полюсе, выбранном случайным образом, без измерения времени отключения.
ВДТ помещают в камеру на 168 ч при температуре окружающего воздуха (40 ± 2) °С и нагружают номинальным током. Напряжение на электронных частях должно быть равным 1,1 номинального напряжения.
После этого испытания ВДТ (без тока) дают возможность остыть в камере до примерно комнатной температуры. Электронные части не должны иметь повреждений.
При условиях испытаний по 9.9.2.3 ВДТ должен срабатывать при испытательном токе 1,25IΔn. Проводят только одно испытание на одном полюсе, выбранном случайным образом, без измерения времени выключения.
Примечание - Пример испытательной цепи для этой проверки приведен на рисунке 27.
9.24.1 Испытания, приведенные в настоящем стандарте
Испытания, перечисленные в таблице 21, уже учтены в настоящем стандарте и в повторении не нуждаются.
|
Ссылки на таблицы 4 и 5 IЕС 61543:1995, изменение 1:2004 |
Параметр ЭМС |
Испытания по IEC 61008-1 |
|
Т 1.3 |
Изменение напряжения |
9.9.4 и 9.17 |
|
Т 1.4 |
Несимметрия напряжений |
9.9.4 и 9.17 |
|
Т 1.5 |
Изменение частоты питания |
9.2 |
|
Т 1.8 |
Магнитные поля |
9.11 и 9.18 |
|
Т 2.4 |
Колебательные затухающие помехи |
9.19 |
9.24.2 Дополнительные испытания
Испытания, перечисленные в таблице 23, должны проводиться в соответствии с последовательностями испытаний Н, I и J, приведенными в приложении А к настоящему стандарту.
|
Ссылки на таблицы 4, 5 и 6 IEC 61543:1995, изменение 1:2004 |
Параметр ЭМС |
|
Т 1.1 |
Гармоники, интергармоники |
|
Т 1.2 |
Сигналы, передаваемые по силовым линиям |
|
Т 2.3 |
Микросекундные импульсные помехи большой энергии/помехи миллисекундной длительности |
|
Т 2.1 |
Кондуктивные радиочастотные напряжения и токи |
|
Т 2.5 |
Излученное радиочастотное электромагнитное поле |
|
Т 2.2 |
Наносекундные импульсные помехи |
|
Т 2.6 |
Кондуктивные помехи общего несимметричного режима в полосе частот ниже 150 кГц |
|
Т 3.1 |
Электростатические разряды |
Для образцов устройств, содержащих постоянно действующий осциллятор, до испытаний по IEC 61543 следует провести испытания по CISPR 14-1.
С испытуемых частей удаляют жир погружением на 10 мин в холодный химический обезжириватель, например метил-хлороформ или очищенный бензин. Затем части погружают на 10 мин в 10 %-ный водный раствор хлористого аммония при температуре (20 ± 5) °С.
После стряхивания капель, без просушивания части помещают на 10 мин в бокс, содержащий воздух, насыщенный влагой, при температуре (20 ± 5) °С.
После просушивания в течение 10 мин в нагревательной камере при температуре (100 ± 5) °С на поверхности частей не должно быть следов ржавчины.
Примечание - Следы ржавчины на острых краях и желтую пленку, снимаемую протиранием, не учитывают.
Для небольших пружин и недоступных частей, подвергаемых трению, слой жира может служить достаточной защитой от ржавления. Такие части подвергают испытанию только в случае сомнения в эффективности жировой пленки, в таком случае испытание проводят без предварительного обезжиривания.
Примечание - При пользовании специальной жидкостью необходимо принять меры во избежание ее испарения.

Рисунок 1 - Самонарезающий формирующий винт (3.6.10)

Рисунок 2 - Самонарезающий режущий винт (3.6.11)
Размеры в миллиметрах

1 - ручка; 2 - защитная шайба; 3 - упорная поверхность; 4 - шарниры; 5 - цилиндр с радиусом R2 ± 0,05; 6 - изоляционный материал; 7 - фаски; 8 - сфера R4 ± 0,05
Материал: металл, кроме дополнительно описанных случаев.
Неуказанные допуски на размеры:
- угловые:
;
- линейные: до 25 мм:
,
св. 25 мм: ± 0,2.
Оба шарнира должны позволять движение в одной плоскости, в одном направлении и на угол 90° с допуском
°.
Рисунок 3 - Стандартный испытательный палец (9.6)

S - источник питания; V - вольтметр; A - амперметр; S1 - выключатель для всех полюсов; S2 - однополюсный выключатель; S3 - выключатель, коммутирующий все фазы кроме одной; D - испытуемый ВДТ; R - переменный резистор; N - нейтральный проводник
Примечание - S3 остается замкнутым, кроме испытания по 9.17.3.
Рисунок 4 - Испытательная цепь для проверки рабочих характеристик (9.9), механизма свободного расцепления (9.15), работоспособности в случае исчезновения напряжения сети (9.17.3 и 9.17.4) для ВДТ, функционально зависящих от напряжения сети

S - источник питания; V - вольтметр; А - амперметр (измерение действующего значения); D - испытуемый ВДТ; Di - тиристоры; R - переменный резистор; S1 - выключатель для всех полюсов; S2 - однополюсный выключатель; S3 - переключатель на два положения; N - нейтральный проводник
Рисунок 5 - Испытательная цепь для проверки функционирования ВДТ в случае дифференциального пульсирующего постоянного тока

S - источник питания; V - вольтметр; А - амперметр (измерение действующего значения); D - испытуемый ВДТ; Di - тиристоры; R1, R2 - переменные резисторы; S1 - выключатель для всех полюсов; S2 - однополюсный выключатель; S3 - переключатель на два положения, два направления; N - нейтральный проводник
Рисунок 6 - Испытательная цепь для проверки работоспособности в случае пульсирующего постоянного тока с наложением сглаженного постоянного тока 0,006 А
Пояснения к буквенным символам, использованным в рисунках 7-9:
N - нейтральный проводник;
S - источник питания;
R - регулируемые резисторы;
Z - импеданс в каждой фазе для калибровки номинального условного тока короткого замыкания; реакторы предпочтительно с воздушными сердечниками последовательно соединены с резисторами для получения требуемого коэффициента мощности;
Z1 - подстраиваемый импеданс для получения тока ниже номинальной условной наибольшей отключающей способности;
Z2 - подстраиваемый импеданс для калибровки IΔ;
D - испытуемый АВДТ;
корпус - все токопроводящие части, нормально заземленные при эксплуатации, включая заземление корпуса;
G1 - временная перемычка для калибровки;
G2 - перемычка для испытания при номинальной условной наибольшей отключающей способности;
Т - замыкающий выключатель для создания условий короткого замыкания;
I1, I2, I3 - датчики тока; могут располагаться со стороны питания или нагрузки испытуемого устройства, но всегда в цепи вторичной обмотки трансформатора;
I4 - дополнительный датчик дифференциального тока, если необходим;
Ur1, Ur2, Ur3 - датчики напряжения;
F - устройство обнаружения тока повреждения;
R1 - резистор, отбирающий ток приблизительно 10 А;
R2 - резистор, ограничивающий ток в устройстве F;
r - резисторы, отбирающие приблизительно 0,6 % тока (см. 9.12.2);
S1 - вспомогательный выключатель;
B и С - точки для присоединения сетки (сеток), указанных в приложении С;
L - регулируемые катушки индуктивности с воздушным сердечником;
Р - устройство защиты от короткого замыкания.
Примечания
1 Замыкающее устройство T альтернативно может быть размещено между выводами нагрузки испытуемого устройства и датчиками тока I1, I2 и I3 по применению.
2 При необходимости датчики напряжения Ur1, Ur2 и Ur3 подсоединяют между фазой и нейтралью.
3 Регулируемая нагрузка Z может быть размещена на стороне высокого напряжения цепи питания.
4 По согласованию с изготовителем сопротивления R1 могут быть изъяты.

Рисунок 7 - Типовая схема для всех испытаний на короткое замыкание, кроме испытаний по 9.11.2.3, перечисление с)

Рисунок 8 - Типовая схема для всех испытаний на короткое замыкание по 9.11.2.3, перечисление с)

Рисунок 9 - Фрагмент полных сопротивлений Z, Z1 и Z2
Рисунок 10 - Исключен.
Рисунок 11 - Исключен.
Рисунок 12 - Исключен.
Размеры в миллиметрах

1 - скользящие пластины; 2 - вывод; 3 - серебряная проволока; 4 - упор для скользящей пластины
Рисунок 13 - Испытательное устройство для проверки минимальных значений I2t и Ip, выдерживаемых ВДТ [9.11.2.1, перечисление а)]
Размеры в миллиметрах

1 - шарнир; 2 - дополнительная масса; 3 - образец; 4 - металлический пластинчатый упор; 5 - бетонный блок; 6 - последовательные положения при испытаниях; А - деревянное основание; В - платформа; С - плита; D - металлический пластинчатый упор
Рисунок 14 - Аппарат для испытания на механический толчок (9.12.1)
Размеры в миллиметрах

1 - рама; 2 - образец; 3 - монтажная опора
Рисунок 15 - Аппарат для испытаний на механический удар (9.12.2.1)
Размеры в миллиметрах

1 - полиамид; 2-5 - сталь 360
Рисунок 16 - Ударный элемент для маятникового аппарата для испытаний на механический удар (9.12.2.1)
Размеры в миллиметрах

1 - лист фанеры; 2 - шарнир
Рисунок 17 - Монтажное основание аппарата для испытаний на механический удар (9.12.2.1)
Размеры в миллиметрах

1 - съемная стальная пластина толщиной 1 мм; 2 - алюминиевые пластины; 3 - монтажная плита; 4 - планка для ВДТ; 5 - окно в стальной пластине для ВДТ; а - расстояние между краями окна и внешними поверхностями ВДТ должно быть от 1 до 2 мм; b - высота алюминиевых пластин должна быть такой, чтобы стальная пластина покоилась на упорах ВДТ, или в случае отсутствия таких упоров расстояние от частей, находящихся под напряжением, которые должны защищаться дополнительными пластинами, до внутренней стороны стальной пластины должно быть 8 мм
Рисунок 18 - Пример монтажа ВДТ открытого исполнения для испытания на механический удар (9.12.2.1)
Размеры в миллиметрах

1 - съемная стальная пластина толщиной 1,5 мм; 2 - алюминиевые пластины толщиной 8 мм; 3 - монтажная пластина; 4 - окно в стальной пластине для ВДТ
Примечание - В особых случаях размеры могут быть увеличены.
Рисунок 19 - Пример монтажа ВДТ, монтируемых на панели для испытаний на механический удар (9.12.2.1)

1 - планка; 2 - шнур
Рисунок 20 - Приложение силы для испытания на механический удар ВДТ, монтируемых на рейке (9.12.2.2)
Размеры в миллиметрах

1 - образец; 2 - сфера диаметром 5 мм
Рисунок 21 - Аппарат для испытания давлением шарика (9.13.2)

S - источник питания; S1 - двухполюсный выключатель; V - вольтметр; А - амперметр; D - испытуемый ВДТ; R - переменный резистор
Рисунок 22 - Испытательная цепь для проверки предельной величины сверхтока при однофазной нагрузке трех- или четырехполюсного ВДТ (9.18.2)

Примечание - Необходимо принять во внимание, что колебательная волна гарантирована по крайней мере до 5-го полного периода (50 мкс).
Рисунок 23 - Волнообразный импульс затухающего тока 0,5 мкс/100 кГц

1 - генератор волнообразных импульсов затухающего тока 0,5 мкс/100 кГц; 2 - выключатель; 3 - фильтр; 4 - источник питания; L - линия; N - нейтральный проводник
──────────────────────────────
1) Если ВДТ имеет зажим заземления, он должен быть соединен с нейтральным зажимом (при наличии), и если знак заземления маркирован на ВДТ или за неимением его - с одним из фазных зажимов.
──────────────────────────────
Рисунок 24 - Испытательная цепь для испытания ВДТ на воздействие волнообразного импульса затухающего тока

1 - относительная влажность, %; 2 - температура окружающего воздуха, °С; 3 - период стабилизации; 4 - первый цикл; 5 - время, требуемое для достижения 95 % - 100 % относительной влажности (не превышающее 1 ч); 6 - время; 7 - начало первого цикла; 8 - время, требуемое испытуемому образцу, чтобы достичь температурной стабильности
Рисунок 25 - Период стабилизации для испытаний на надежность (9.22.1.3)

1 - относительная влажность, %; 2 - температура окружающего воздуха, °С; 3 - конец повышения температуры; 4 - начало снижения температуры; 5 - время; 6 - нижнее значение температуры + 57 °С; 7 - верхнее значение температуры + 53 °С
Рисунок 26 - Цикл испытаний на надежность (9.22.1.3)

1 - источник напряжения 1,1Un; 2 - источник тока; D - испытуемый ВДТ
Рисунок 27 - Пример испытательной цепи для проверки старения электронных компонентов (9.23)

Рисунок 28 - Бросок импульсного тока 8/20 мкс

1 - генератор импульсного тока 8/20 мкс; 2 - фильтр; 3 - источник питания; L - линия; N - нейтральный проводник
──────────────────────────────
1) Если ВДТ имеет зажим заземления, он должен быть соединен с нейтральным зажимом (при наличии), и если знак заземления маркирован на ВДТ или за неимением его - с одним из фазовых зажимов.
──────────────────────────────
Рисунок 29 - Схема испытания ВДТ на воздействие броска импульсного тока

1 - ток; 2 - напряжение; A1 - ожидаемый ток включения (пиковое значение); А2 - ожидаемый симметричный ток отключения (действующее значение); В1 - напряжение до включения (действующее значение)
Рисунок 30 - Пример результата калибровки испытания на короткое замыкание [9.11.2.1, перечисление j), 2)]
Приложение А
(обязательное)
──────────────────────────────
1) Термин "сертификация" означает декларацию изготовителя о соответствии или сертификацию третьей стороной, например независимым органом по сертификации.
──────────────────────────────
А.1 Испытательные циклы
Испытания проводят согласно таблице А.1 в порядке, указанном для каждого цикла.
|
Цикл испытания |
Раздел, подраздел |
Испытание (или проверка) | |
|
A1 |
6 |
Маркировка | |
|
8.1.1 |
Общие положения | ||
|
8.1.2 |
Механизм | ||
|
9.3 |
Стойкость маркировки | ||
|
8.1.3 |
Воздушные зазоры и расстояния утечки (только внешние части) | ||
|
9.1.5 |
Механизм свободного расцепления | ||
|
9.4 |
Надежность винтов, токопроводящих частей и соединений | ||
|
9.5 |
Надежность выводов для внешних проводников | ||
|
9.6 |
Защита от поражения электрическим током | ||
|
9.13 |
Теплостойкость | ||
|
8.1.3 |
Воздушные зазоры и расстояния утечки (только внутренние части) | ||
|
9.25 |
Коррозиестойкость | ||
|
А2 |
9.14 |
Стойкость к аномальному нагреву и огню | |
|
В |
9.7.7.4 |
Устойчивость изоляции разомкнутых контактов и основной изоляции к импульсному напряжению в нормальных условиях эксплуатации | |
|
9.7.7.5 b) |
Проверка поведения комплектующих элементов, перекрывающих основную изоляцию | ||
|
9.7.1 |
Влагостойкость | ||
|
9.7.2 |
Сопротивление изоляции главной цепи | ||
|
9.7.3 |
Электрическая прочность изоляции главной цепи | ||
|
9.7.4 |
Сопротивление изоляции и электрическая прочность изоляции вспомогательных цепей | ||
|
9.7.7.2 |
Проверка воздушных зазоров импульсным выдерживаемым напряжением | ||
|
9.7.5 |
Вторичная цепь трансформаторных датчиков | ||
|
9.7.6 |
Способность цепей управления, связанных с главной цепью, выдерживать действие высоких напряжений постоянного тока при испытаниях изоляции | ||
|
9.8 |
Превышение температуры | ||
|
9.22.2 |
Надежность при температуре 40 °С | ||
|
9.23 |
Старение электронных компонентов | ||
|
С |
9.10 |
Механическая и коммутационная износостойкость | |
|
D |
D0 |
9.9 |
Проверка функциональных характеристик |
|
D1 |
9.17 |
Поведение ВДТ в случае исчезновения напряжения сети | |
|
9.19 |
Поведение ВДТ в случае импульса | ||
|
9.21 |
Составляющие постоянного тока | ||
|
9.11.2.3, перечисления а), b) |
Работоспособность при IΔm | ||
|
9.16 |
Функционирование устройства эксплуатационного контроля | ||
|
9.12 |
Стойкость к механическому толчку и удару | ||
|
9.18 |
Предельные значения тока несрабатывания в условиях сверхтоков | ||
|
D2 |
9.11.2.3, перечисление с) |
Пригодности ВДТ к применению в системах IT | |
|
E |
9.11.2.4, перечисление а) |
Координация при номинальном условном токе короткого замыкания (Inc) | |
|
9.11.2.2 |
Работоспособность при номинальной включающей и отключающей способности (Im) | ||
|
F |
9.11.2.4, перечисление b) |
Координация на номинальной наибольшей включающей и отключающей способности (Im) | |
|
9.11.2.4, перечисление с) |
Координация при номинальном условном дифференциальном токе короткого замыкания (IΔc) | ||
|
G |
9.22.1 |
Надежность (климатические испытания) | |
|
Н a) |
IEC 61543, таблица 4 - Т1.1 |
Гармоники, интергармоники | |
|
IEC 61543, таблица 4 - Т1.2 |
Напряжение сигнала | ||
|
IEC 61543, таблица 5 - Т2.3 |
Кондуктивные однонаправленные помехи длительностью мс и мкс | ||
|
I |
IEC 61543, таблица 5 - Т2.1 |
Направленные синусоидальные напряжения или токи | |
|
IEC 61543, таблица 5 - Т2.5 |
Излучаемые электромагнитные поля | ||
|
IEC 61543, таблица 5 - Т2.2 |
Наносекундные импульсные помехи | ||
|
J |
IEC 61543, таблица 5 - Т2.6 |
Кондуктивные электромагнитные помехи общего вида в диапазоне частот ниже 150 кГц | |
|
IEC 61543, таблица 6 - Т3.1 |
Электростатические разряды | ||
|
a) Для устройств, содержащих непрерывно работающий генератор, испытания по CISPR 14-1 должны проводиться на образцах до проведения испытаний по последовательности, указанной в данной таблице. b) Это испытание можно проводить на отдельных образцах. | |||
А.2 Число образцов, подлежащих испытаниям по полной программе
Если испытанию подлежат ВДТ одного типа (число полюсов, тип мгновенной защиты), при одном значении номинального тока и одном значении номинального дифференциального тока срабатывания, число образцов, которые подлежат различным испытательным циклам, указано в таблице А.2, где также приведены минимальные критерии оценки работоспособности.
Если все образцы, подлежащие испытаниям, указанные в графе 2 таблицы А.2, прошли испытания, соответствие настоящему стандарту достигнуто. Если только минимальное число образцов, приведенное в графе 3, прошло испытание, должно быть испытано дополнительное число образцов, как указано в 4-й графе, и все они должны удовлетворять требованиям настоящего стандарта.
Для ВДТ, имеющих только один номинальный ток, но более одного значения дифференциального тока срабатывания, каждому испытательному циклу должны подвергаться две отдельные выборки образцов: одна, отрегулированная на наивысший дифференциальный ток срабатывания, другая - на наименьший ток.
|
Циклы испытаний a) |
Число образцов |
Минимальное число образцов, для проведения испытания b) |
Число образцов для дополнительных испытаний c) |
|
A1 |
1 |
1 |
- |
|
А2 |
3 |
2 |
3 |
|
В |
3 |
2 |
3 |
|
С |
3 |
2 |
3 |
|
D |
3 |
2 d) |
3 |
|
D2 |
3 |
3 |
3 |
|
Е |
3 |
2 d) |
3 |
|
F |
3 |
2 d) |
3 |
|
G |
3 |
2 |
3 |
|
H e) |
3 |
2 |
3 |
|
I e) |
3 |
2 |
3 |
|
J e) |
3 |
2 |
3 |
|
a) В целом только три цикла испытаний могут выполняться повторно. b) Предполагается, что образец, который не прошел испытание, не отвечает требованиям вследствие дефектов отделки или сборки, не характерных для конструкции. c) При повторном испытании все результаты должны быть положительными. d) Все образцы должны соответствовать требованиям 9.9.2.1, 9.9.2.2, 9.9.2.3, 9.9.2.4 и 9.9.2.5. Кроме того, в ходе испытаний по 9.11.2.2, 9.11.2.4 [перечисление а)], 9.11.2.4 [перечисление b)] или 9.11.2.4 [перечисление с)] ни в одном образце не должно возникать постоянной дуги или пробоя между полюсами или между полюсами и рамой. e) С согласия изготовителя один и тот же комплект образцов может быть подвергнут нескольким испытаниям в этих циклах. | |||
А.3 Число образцов, подлежащих упрощенной испытательной процедуре при одновременном испытании серии ВДТ с принципиально одинаковой конструкцией
А.3.1 Если испытаниям в целях сертификации подвергают серию ВДТ с принципиально одинаковой конструкцией или проводят дополнительные испытания такой серии, то число образцов для испытаний может быть уменьшено согласно таблице А.3.
Примечание - Для целей данного приложения термин "принципиально одинаковая конструкция" распространяется на серию ВДТ, имеющих ряды номинальных токов (In), ряды номинальных отключающих дифференциальных токов (IΔn) и/или разное число полюсов.
ВДТ могут считаться имеющими принципиально одинаковую конструкцию, если:
1) они имеют одну базовую конструкцию; зависящие от напряжения и не зависящие от напряжения типы не могут быть вместе в одной серии;
2) устройства, управляемые дифференциальным током, имеют одинаковый механизм расцепления и идентичное реле или соленоид, за исключением отличий, допускаемых в перечислениях с) и d);
3) материалы, отделка и размеры внутренних токоведущих частей одинаковы, допускаемые отклонения приведены в перечислении а);
4) выводы имеют одинаковую конструкцию [перечисление b)];
5) размеры контактов, материал, конфигурация, способ крепления одинаковы;
6) механизм ручного управления, материал и физические характеристики одинаковы;
7) литьевые и изоляционные материалы одинаковы;
8) способ, материал и конструкция дугогасительных устройств одинаковы;
9) базовая конструкция датчика дифференциального тока одинакова для данного типа характеристики, допускаемые отклонения см. в перечислении с);
10) базовая конструкция устройства расцепления от дифференциального тока одинакова, кроме отклонений, допускаемых в перечислении d);
11) базовая конструкция контрольного устройства одинакова, исключая отклонения, допускаемые в перечислении е).
При условии, что ВДТ соответствует всем другим требованиям, допускаются следующие отклонения:
a) сечений внутренних токоведущих частей и длины соединений тороидального трансформатора;
b) размеров выводов;
c) числа витков и сечений обмотки, размеров и материалов сердечника дифференциального трансформатора;
d) чувствительности реле и/или подсоединенных электронных цепей, если они имеются;
e) значений сопротивления средств для создания наибольших ампер-витков, необходимых для выполнения испытаний по 9.16. Цепь может быть подключена между фазами или между фазой и нейтралью.
А.3.2 Для ВДТ, имеющих одинаковую классификацию согласно методу функционирования (4.1), поведению, обусловленному составляющими постоянного тока (4.6), и одинаковую классификацию согласно временной задержке (4.7), число образцов для испытаний может быть уменьшено согласно таблице А.3.
|
Цикл испытаний |
Число образцов в зависимости от числа полюсов a), g) | ||
|
2 полюса b), c) |
3 полюса d), f), i) |
4 полюса е) | |
|
A1 |
1 с максимальным In, минимальным IΔn |
1 с максимальным In, минимальным IΔn |
1 с максимальным In, минимальным IΔn |
|
А2 |
3 с максимальным In, минимальным IΔn |
3 с максимальным In, минимальным IΔn |
3 с максимальным In, минимальным IΔn |
|
В |
3 с максимальным In, минимальным IΔn |
3 с максимальным In, минимальным IΔn |
3 с максимальным In, минимальным IΔn |
|
С |
3 с максимальным In, минимальным IΔn |
3 с максимальным In, минимальным IΔn |
3 с максимальным In, минимальным IΔn |
|
D0 + D1 |
3 с максимальным In, минимальным IΔn |
3 с максимальным In, минимальным IΔn |
3 с максимальным In, минимальным IΔn |
|
D0 |
1 для всех других IΔn |
- |
- |
|
D2 |
3 с максимальным In, минимальным IΔn |
3 с максимальным In, минимальным IΔn |
3 с максимальным In, минимальным IΔn |
|
Е |
3 с максимальным In, минимальным IΔn |
3 с максимальным In, минимальным IΔn |
3 с максимальным In, минимальным IΔn |
|
F |
3 с максимальным In, минимальным IΔn |
3 с максимальным In, минимальным IΔn |
3 с максимальным In, минимальным IΔn |
|
3 с минимальным In, максимальным IΔn |
3 g) с минимальным In, максимальным IΔn |
3 с минимальным In, максимальным IΔn | |
|
F1 |
3 с максимальным In, минимальным IΔn |
3 с максимальным In, минимальным IΔn |
3 с максимальным In, минимальным IΔn |
|
3 с минимальным In, максимальным IΔn |
3 с минимальным In, максимальным IΔn |
3 с минимальным In, максимальным IΔn | |
|
G j) |
3 с максимальным In, минимальным IΔn |
3 с максимальным In, минимальным IΔn |
3 с максимальным In, минимальным IΔn |
|
3 с минимальным In, максимальным IΔn |
3 с минимальным In, максимальным IΔn |
3 с минимальным In, максимальным IΔn | |
|
H |
- |
- |
3 h) с одинаковым In, выбранным наугад, минимальным IΔn |
|
I |
- |
- |
3 h) с одинаковым In, выбранным наугад, минимальным IΔn |
|
J |
- |
- |
3 h) с одинаковым In, выбранным наугад, минимальным IΔn |
|
a) Если испытания согласно минимальным критериям работоспособности, указанным в разделе А.2, должны быть повторены, для соответствующих испытаний должна быть использована новая выборка образцов. Все образцы должны выдержать повторные испытания. b) Если испытаниям подлежат только трех- или четырехполюсные ВДТ, эта графа должна применяться также к выборке образцов с наименьшим числом полюсов. c) Также применима к однополюсному ВДТ с некоммутируемой нейтралью и двухполюсному ВДТ с одним защищенным полюсом. d) Также применима к трехполюсному ВДТ с двумя защищенными полюсами. e) Также применима к трехполюсному ВДТ с некоммутируемой нейтралью и четырехполюсному ВДТ с тремя защищенными полюсами. f) Значения этой графы не используют при испытаниях четырехполюсных ВДТ. g) Если имеет место только одно значение IΔn, то минимальный IΔn и максимальный IΔn заменяют на IΔn. h) Только с наибольшим числом путей тока. i) Если на испытание представлены трехполюсный ВДТ с четырьмя путями тока и четырехполюсный ВДТ, то испытывают только четырехполюсный ВДТ, за исключением испытания по 9.8 в цикле В, когда испытывают оба. j) Если требование к испытанию максимальному и минимальному порогу IΔn не охватывает весь возможный диапазон ВДТ, то испытания проводят на минимальном IΔn. | |||
А.3.3 Для поддиапазона ВДТ одной конструкции, соответствующей А.3.1 и проверенной по А.3.2, но с разным временем задержки по 4.7, должны быть представлены дополнительные образцы для проведения испытаний. Последовательность должна соответствовать приведенной в таблице А.3, кроме последовательностей А и В, которые могут быть опущены.
А.3.4 Для поддиапазона ВДТ одной конструкции, соответствующей А.3.1 и проверенной по А.3.2, но с наличием или отсутствием составляющей постоянного тока по 4.6, количество дополнительных образцов, представленных для проведения испытаний, и последовательность должны соответствовать приведенной в таблице А.4.
|
Цикл испытаний |
Число образцов, соответствующих числу полюсов a) | ||
|
Два полюса b), с) |
Три полюса е) |
Четыре полюса d) | |
|
D0 + D1 |
1 для максимального In, минимального IΔn |
1 для максимального In, минимального IΔn |
1 для максимального In, минимального IΔn |
|
D0 |
1 для всех остальных In и максимального IΔn |
- |
- |
|
a) Если испытание должно быть повторено на минимальном количестве рабочих образцов согласно А.2 приложения А, то использование результатов таких испытаний должно быть согласовано. В повторных испытаниях все результаты должны быть удовлетворительными (положительными). b) Если один из ВДТ, подвергаемый этой процедуре, трехполюсный или четырехполюсный, то их конструкции должны быть настроены в соответствии с испытаниями ВДТ с меньшим количеством полюсов. c) Одинаковое применение однополюсных ВДТ с нейтралью недопустимо. d) Одинаковое применение трехполюсных ВДТ с нейтралью недопустимо. e) Эти конструкции должны быть пропущены в случаях испытанных четырехполюсных ВДТ. | |||
Приложение В
(обязательное)
В.1 Общие положения
При определении воздушных зазоров и расстояний утечки рекомендуется учитывать следующее.
В.2 Ориентация и размещение расстояния утечки
При необходимости изготовитель должен указать требуемую ориентацию оборудования или комплектующего элемента с тем, чтобы расстояния утечки не попадали под негативное воздействие скопления загрязнения, на которое они не рассчитаны.
В.3 Расстояния утечки при применении нескольких материалов
Расстояние утечки может разделяться на несколько отрезков из разных материалов и/или иметь разные степени загрязнения, если одно из расстояний утечки рассчитывают на выдерживание полного напряжения или если все расстояние утечки рассчитывают, исходя из материала с наименьшим СИТ.
В.4 Расстояния утечки, разделенные подвижной токопроводящей частью
Расстояние утечки может быть разделено на несколько частей, выполненных из изоляционного материала с одинаковым СИТ, объединенных или разделенных подвижными проводниками, в то время как общее расстояние через каждую отдельную часть равно или превышает требуемое расстояние утечки при отсутствии подвижной части.
Минимальное расстояние Х для каждой отдельной части расстояния утечки приведено в IEC 60664-1:2007, 6.2 (см. также пример 11 на рисунке В.1).
В.5 Измерение расстояний утечки и воздушных зазоров
При определении расстояний утечки по IEC 60664-1 расстояние X, указанное в следующих примерах, имеет минимальное значение 1,0 мм для степени загрязнения 2.
Если воздушный зазор менее 3 мм, тогда минимальное расстояние X может быть уменьшено до 1/3 этого зазора.
Методы измерения расстояний ползучести и зазоров указаны в следующих примерах с 1 по 11. В этих примерах не делают различия между зазорами контактов, желобками и типами изоляции.
Кроме того:
- предполагают, что каждый угол перекрывается изолирующей вставкой шириной X мм, находящейся в самом неблагоприятном положении (см. пример 3);
- если расстояние между верхними кромками желобка равно X мм или более, расстояние утечки измеряют по контурам желобка (см. пример 2);
- расстояния утечки и воздушные зазоры, измеренные между частями, движущимися относительно друг друга, измеряют в самом неблагоприятном положении этих частей.
Пример 1

Условие: рассматриваемый путь утечки охватывает желобок с параллельными или сходящимися боковыми стенками любой глубины при ширине менее X мм.
Правило: расстояние утечки и воздушный зазор измеряют по прямой линии поверх желобка, как показано на схеме.
Пример 2

Условие: рассматриваемый путь охватывает желобок с параллельными боковыми стенками любой глубины шириной X мм или более.
Правило: воздушный зазор определяют по прямой. Расстояние утечки проходит по контуру желобка.
Пример 3

Условие: рассматриваемый путь охватывает клиновидный желобок шириной более X мм.
Правило: воздушный зазор определяют по прямой. Расстояние утечки проходит по контуру желобка, но замыкает накоротко его дно по вставке шириной X мм.
Пример 4

Условие: рассматриваемый путь охватывает ребро.
Правило: воздушный зазор - кратчайшее расстояние по воздуху над вершиной ребра. Путь тока утечки проходит по контуру ребра.
- Воздушные зазоры
– Расстояния утечки
Рисунок В.1, лист 1 - Примеры методов измерения расстояний утечки и воздушных зазоров
Пример 5

Условие: рассматриваемый путь включает не скрепленный стык с желобками шириной менее X мм по обе стороны от него.
Правило: воздушный зазор и путь тока утечки определяют по прямой.
Пример 6

Условие: рассматриваемый путь охватывает не скрепленный стык с желобками шириной X мм или более по обе стороны от него.
Правило: воздушный зазор определяют по прямой. Путь тока утечки проходит по контуру желобков.
Пример 7

Условие: рассматриваемый путь охватывает не скрепленный стык с желобком шириной менее X мм с одной стороны и желобком шириной X мм и более с другой стороны.
Правило: воздушный зазор и путь утечки соответствуют схеме.
- Воздушные зазоры
– Расстояния утечки
Рисунок В.1, лист 2
Пример 8

Условие: путь утечки поперек не скрепленного стыка меньше, чем поверх барьера.
Правило: воздушный зазор равен кратчайшему пути в воздухе поверх барьера.
Пример 9

Условие: зазор между головкой винта и стенкой паза достаточно широкий, чтобы принять его во внимание.
Правило: воздушный зазор и путь утечки соответствуют схеме.
Рисунок В.1, лист 3
Пример 10

Условие: зазор между головкой винта и стенкой паза слишком узкий, чтобы принимать его во внимание.
Правило: расстояние утечки измеряют от винта до стенки, если оно равно X мм.
- Воздушные зазоры
– Расстояния утечки
Пример 11

Воздушный зазор равен d + D.
Расстояние утечки равно d + D.
C' - свободно движущаяся часть.
- Воздушные зазоры
– Расстояния утечки
Рисунок В.1, лист 4
Приложение С
(обязательное)
Испытуемый аппарат монтируют, как показано на рисунке С.1, при этом могут потребоваться отдельные изменения в креплении с учетом особенностей конструкции аппарата в соответствии с инструкциями изготовителя.
Если это требуется для операций "О", чистый полиэтиленовый лист толщиной (0,05 ± 0,01) мм, размером в каждом направлении по крайней мере на 50 мм больше максимальных размеров фронтальной стороны аппарата, но не менее чем 200 х 200 мм, крепят и в разумных пределах натягивают на рамке, расположенной на расстоянии 10 мм либо от:
- наибольшего выступа органов управления для аппарата без углубления для этих органов,
- края углубления для органов управления для аппарата с углублением для этих органов.
Полиэтиленовый лист должен иметь следующие физические характеристики:
- плотность при 23 С (0,92 ± 0,05) г/см3;
- точка плавления 110 С - 120 С.
Если требуется, барьер из изоляционного материала толщиной как минимум 2 мм размещают, как показано на рисунке С.1, между отверстиями для выхода дуги и листом для предотвращения повреждения последнего горячими частицами, вылетающими из отверстий для выхлопа дуги.
Когда требуется, сетку(и) согласно рисунку С.2 располагают на расстоянии "а" от каждого отверстия для выхлопа с двух сторон аппарата.
Цепь сетки (см. рисунок С.3) должна быть присоединена к точкам В и С (см. рисунки 7 или 8, что подходит).
Параметры цепи сетки должны быть следующими:
- резистор R': 1,5 Ом;
- медная проволока плавкого предохранителя F': длина 50 мм, диаметр по 9.11.2.1, перечисление f), 1).
Размеры в миллиметрах

1 - к предохранителю F'; 2 - металлическая пластина; 3 - кабель; 4 - отверстие для выхлопа дуги; 5 - сетка; 6 - барьер; 7 - полиэтиленовый лист; 8 - рамка
Рисунок С.1 - Испытательное устройство

1 - рамка из изоляционного материала; 2 - медные проволочки; 3 - металлическое соединение медных проволок
Рисунок С.2 - Сетка

1 - присоединение к точкам В и С
Рисунок С.3 - Цепь сетки
Приложение D
(обязательное)
D.1 Общие требования
Испытания, приведенные в настоящем стандарте, предназначены для выявления, с точки зрения безопасности, неприемлемых отклонений в материале или производстве изделий.
Как правило, необходимо проводить дополнительные испытания для обеспечения соответствия каждого ВДТ образцам, выдержавшим испытания по настоящему стандарту, в соответствии с опытом, накопленным изготовителем.
D.2 Проверка расцепления
Дифференциальный ток пропускают через каждый полюс ВДТ поочередно. ВДТ не должен срабатывать при токе меньшем или равном 0,5 IΔn, но должен срабатывать при токе, равном IΔn, в течение установленного времени (см. таблицу 1).
Испытательный ток должен прикладываться как минимум пять раз к каждому ВДТ и как минимум дважды к каждому полюсу.
D.3 Проверка электрической прочности
Напряжение практически синусоидальной формы волны 1500 В, частотой 50/60 Гц, прикладывают в течение 1 с между следующими частями:
a) при ВДТ в разомкнутом состоянии - между каждой парой выводов, которые электрически соединены, когда ВДТ находится в замкнутом состоянии;
b) для ВДТ, не имеющих встроенных электронных компонентов, при ВДТ в замкнутом состоянии, - между каждым полюсом поочередно и остальными полюсами, соединенными вместе;
c) для ВДТ со встроенными электронными компонентами, при ВДТ в разомкнутом состоянии, - либо между всеми входными выводами полюсов поочередно, либо между всеми выходными выводами полюсов поочередно, в зависимости от расположения электронных компонентов.
Перекрытий и пробоев не должно быть.
D.4 Работоспособность контрольного устройства
При ВДТ в замкнутом состоянии, подключенном к источнику питания надлежащего напряжения, контрольное устройство, приведенное в действие, обязано отключить ВДТ.
Если контрольное устройство предназначено для работы на более чем одном значении номинального напряжения, испытание должно проводиться на самом низком значении номинального напряжения.
Приложение Е
(справочное)
Приложение IA
(справочное)
Настоящий стандарт единого метода точного определения коэффициента мощности при коротком замыкании не устанавливает. В этом приложении приведены два рекомендуемых метода.
Метод I. Определение по составляющей постоянного тока
Угол φ можно определить по кривой составляющей постоянного тока асимметричной волны тока между моментами короткого замыкания и размыкания контактов следующим способом:
Формула составляющей постоянного тока
id=id0·e-Rt/L,
где id - составляющая постоянного тока в момент t;
id0 - составляющая постоянного тока в начальный момент отсчета времени;
L/R - постоянная времени цепи, с;
t - время от начального момента, с;
е - основание натурального логарифма.
Постоянная времени L/R может быть определена из вышеприведенной формулы следующим образом:
a) измеряют величину id0 в момент короткого замыкания и величину id в другой момент t перед разъединением контактов;
b) определяют величину e-Rt/L, разделив id на id0;
c) по таблице значений е-х устанавливают величину х, соответствующую значению отношения id/id0;
d) значение х соответствует Rt/L, откуда рассчитывают L/R.
Угол φ рассчитывают по формуле
φ=arctgwL/R,
где w=2πf, где f - фактическая частота.
Этот метод не применим, если токи измеряют с применением трансформаторов тока.
Метод II. Определение с помощью контрольного генератора
Если используют контрольный генератор, вал которого соединен с валом испытательного генератора, напряжение контрольного генератора на осциллограмме сравнивают по фазе вначале с напряжением, а затем с током испытательного генератора.
Разность фазовых углов между напряжениями контрольного и испытательного генераторов, с одной стороны, и напряжением контрольного генератора и током испытательного генератора, с другой стороны, равна фазовому углу между напряжением и током испытательного генератора, по которому определяют коэффициент мощности.
Приложение IB
(справочное)
|
Номинальный ток |
In |
|
Дифференциальный ток |
IΔ |
|
Номинальный отключающий дифференциальный ток |
IΔn |
|
Номинальный неотключающий дифференциальный ток |
IΔn0 |
|
Номинальное напряжение |
Un |
|
Номинальное рабочее напряжение |
Uc |
|
Номинальное напряжение изоляции |
Ui |
|
Номинальная включающая и отключающая способность |
Im |
|
Номинальная дифференциальная включающая и отключающая способность |
IΔm |
|
Номинальный условный ток короткого замыкания |
Inc |
|
Номинальный условный дифференциальный ток короткого замыкания |
IΔc |
|
Предельное значение напряжения сети, при котором ВДТ, функционально зависящий от напряжения сети, не отключается |
Ux |
|
Предельное значение напряжения сети, ниже которого ВДТ, функционально зависящий от напряжения сети, автоматически отключается |
Uу |
Приложение IC
(справочное)
В этом приложении приведены некоторые примеры конструкции зажимов. В зажимах отверстие для подсоединения проводника должно иметь диаметр, достаточный для размещения жестких однопроволочных проводников, и площадь поперечного сечения, достаточную, чтобы в него можно было вставить жесткие многопроволочные проводники (см. 8.1.5).

а) Выводы с хомутиком

b) Выводы без прижимных пластин

с) Выводы с прижимными пластинами
Примечание - Часть вывода, снабженная резьбовым отверстием, и часть, к которой винтом прижимают провод, могут быть различными частями, как в выводе с хомутиком.
Рисунок IC.1 - Примеры столбчатых выводов

а) Винтовые выводы

1 - необязательная часть; А - неподвижная часть; В - шайба или прижимная пластина; С - устройство, препятствующее выскальзыванию жил; D - канал для проводника; Е - штырь
Примечание - Часть, удерживающая проводник в заданном положении, может выполняться из изоляционного материала при условии, что давление, необходимое для зажима проводника, не передается через изоляционный материал.
b) Штыревые выводы
Рисунок IC.2 - Пример винтовых и штыревых выводов

А - планка; В - неподвижная часть; С - штырь; D - канал для проводника
Примечание - Обе стороны планки могут иметь различную форму для размещения проводников с малой или большой площадью поперечного сечения посредством переворачивания планки. Выводы могут иметь более двух зажимных винтов или штырей.
Рисунок IC.3 - Примеры пластинчатых выводов

А - запорное устройство; В - кабельный наконечник или шина; Е - неподвижная часть; F - штырь
Примечание - Для выводов этого типа необходима упругая шайба или аналогичное эффективное запорное устройство, и поверхность в зоне зажима должна быть гладкой. Для некоторых типов оборудования допускается применение выводов для кабельных наконечников или шин меньших размеров, чем требуется.
Рисунок IC.4 - Примеры выводов для кабельных наконечников
Приложение ID
(справочное)
|
Размер по ISO, мм2 |
Система AWG | |
|
Размер |
Поперечное сечение, мм2 | |
|
1,0 |
18 |
0,82 |
|
1,5 |
16 |
1,3 |
|
2,5 |
14 |
2,1 |
|
4,0 |
12 |
3,3 |
|
6,0 |
10 |
5,3 |
|
10,0 |
8 |
8,4 |
|
16,0 |
6 |
13,3 |
|
25,0 |
3 |
26,7 |
|
35,0 |
2 |
33,6 |
|
50,0 |
0 |
53,5 |
Как правило, размеры по ISO предпочтительны.
По требованию изготовителя возможно использование размеров AWG (AWG - американский сортамент проволоки и проводов).
Приложение IE
(справочное)
IE.1 Общие положения
Для обеспечения стабильности уровня качества изделий изготовителем должно быть организовано проведение периодического контроля процесса производства.
В настоящем приложении дан пример проведения периодического контроля при изготовлении ВДТ.
Периодический контроль может быть использован изготовителями в качестве руководства для внесения изменений в процедуры контроля качества с целью сохранения требуемого уровня качества ВДТ.
В частности, могут быть предприняты все необходимые меры в организации входного контроля материалов и комплектующих и в производстве ВДТ для обеспечения качества изготавливаемой продукции, от которых зависит безопасная работа ВДТ.
IE.2 Периодический контроль
Периодический контроль включает два вида испытательных программ.
IE.2.1 Квартальная испытательная программа
См. таблицу IE.1, цикл испытаний Q.
IE.2.2 Годовая испытательная программа
См. таблицу IE.1, циклы испытаний Y1-Y3.
Примечание - Годовая испытательная программа может сочетаться с квартальной испытательной программой.
|
Цикл испытаний |
Пункт |
Испытание |
Замечание |
|
Q |
9.16 |
Устройство эксплуатационного контроля |
Перечисления b) и с), кроме проверки ампер-витков испытательной цепи |
|
9.9.2.1 |
Рабочие характеристики дифференциального тока |
- | |
|
9.9.2.3 |
То же |
- | |
|
9.20 |
Устойчивость электрической изоляции к импульсным напряжениям |
Проводится между каждым полюсом по очереди | |
|
Y1 |
9.9.2.6 |
Рабочие характеристики дифференциального тока |
- |
|
9.7 |
Испытания электроизоляционных свойств |
- | |
|
9.10 |
Механическая и коммутационная износостойкость |
- | |
|
Y2 |
9.22.1 |
Надежность (климатические испытания) |
- |
|
Y3 |
9.23 |
Сопротивление старению |
- |
IE.2.3 Методика отбора образцов
IE.2.3.1 Квартальная испытательная программа
В рамках этой программы проводят:
- нормальный контроль;
- усиленный контроль.
Нормальный контроль применяют для первой календарной проверки.
Для последующих проверок применяют нормальный или усиленный контроль или остановку производства в зависимости от результатов текущих испытаний.
Для перехода от одного уровня контроля к другому должны применяться следующие критерии:
- сохранение нормального уровня контроля.
При нормальном контроле нормальный уровень сохраняют, если все шесть образцов выдержали цикл испытаний (см. таблицу IE.2, цикл Q). Если цикл испытаний выдержало пять образцов, последующий контроль проводят лишь спустя месяц после предыдущего с тем же числом образцов и в том же цикле испытаний;
- переход от нормального к усиленному контролю.
При нормальном контроле переход на усиленный контроль осуществляется, если только четыре образца выдержали цикл испытаний;
- переход от нормального контроля к остановке производства.
Если при нормальном контроле менее четырех образцов выдержали цикл испытаний, производство должно быть остановлено до принятия мер по улучшению качества продукции;
- переход от усиленного к нормальному контролю.
Если проводят усиленный контроль, к нормальному контролю следует переходить, если по крайней мере 12 образцов выдержали цикл испытаний (см. таблицу IE.2);
- сохранение уровня усиленного контроля.
Если при усиленном контроле только 10 или 11 образцов выдержали цикл испытаний, уровень усиленного контроля сохраняют и последующий контроль проводят спустя месяц после предшествующего с тем же числом образцов и в том же самом цикле испытаний;
- переход от усиленного контроля к остановке производства.
В случае, если четыре последовательных контроля проводились в режиме усиленного контроля или когда менее 10 образцов выдержали цикл испытаний, производство должно быть остановлено до улучшения качества продукции;
- возобновление производства.
Производство можно возобновить после выполнения соответствующих согласованных корректирующих действий. Возобновление производства должно проводиться в условиях усиленного контроля.
IE.2.3.2 Годовая испытательная программа
В рамках этой программы проводят:
- нормальный контроль;
- усиленный контроль.
Для первой календарной проверки применяют нормальный контроль.
Для последующих проверок применяют нормальный или усиленный контроль в зависимости от результатов контрольных испытаний.
Для перехода от одного уровня к другому должны применяться следующие критерии:
- сохранение нормального уровня контроля.
При нормальном контроле нормальный уровень сохраняют, если все образцы выдержали цикл испытаний. Если два образца выдержали цикл испытаний Y1 и во время испытаний по циклам Y2 и Y3 не произошло отказов, последующий контроль проводят спустя 3 мес после предыдущего с таким же числом образцов и в тех же циклах испытаний;
- переход от нормального к усиленному контролю.
При нормальном контроле должен осуществляться переход к усиленному контролю, если:
- только один образец выдержал цикл испытаний Y1,
- произошел один отказ во время одного из циклов испытаний Y2 или Y3.
Последующий контроль должен проводиться спустя 3 мес от предшествующего на уровне усиленного контроля для любого цикла, в котором произошел отказ, и на уровне нормального контроля для всех других циклов испытаний;
- переход от нормального контроля к остановке производства;
- переход от усиленного контроля к нормальному.
Если при нормальном контроле ни один из образцов не выдержал цикл испытаний Y1 или произошло более одного отказа во время циклов испытаний Y2 и Y3, производство должно быть остановлено до улучшения качества продукции.
При усиленном контроле переход к нормальному контролю должен осуществляться, когда:
- по крайней мере пять образцов выдержали цикл испытаний Y1 и
- ни одного отказа не произошло во время циклов испытаний Y2 или Y3;
- сохранение усиленного контроля.
Если на уровне усиленного контроля только четыре образца выдержали цикл испытаний Y1 и не было отказов в циклах Y2 или Y3, уровень усиленного контроля сохраняют и следующую проверку проводят спустя 3 мес после предшествующей с тем же числом образцов и в тех же циклах испытаний;
- переход от усиленного контроля к остановке производства.
В случае, когда четыре последовательные проверки остаются на усиленном уровне или когда во время годового контроля произошел один из случаев отказов:
- менее четырех образцов выдержали цикл испытаний Y1,
- произошло более одного отказа во время испытаний Y2 или Y3, производство должно быть остановлено до улучшения качества продукции;
- возобновление производства.
Производство можно возобновить после соответствующих согласованных корректирующих мероприятий. Возобновление производства должно осуществляться в условиях усиленного контроля.
IE.2.4 Число образцов, подлежащих испытаниям
Число образцов для разных уровней контроля приведено в таблице IE.2.
|
Контрольный цикл |
Число образцов | |
|
для нормального контроля |
для усиленного контроля | |
|
Q |
6 |
13 |
|
Y1-Y3 |
По 3 для каждого цикла |
По 6 для каждого цикла |
Из каждой серии ВДТ одной и той же базовой конструкции необходимо испытать только один комплект образцов, независимо от номинальных параметров.
В рамках периодической испытательной программы ВДТ считают принадлежащими к одному типопредставителю, если они подлежат одинаковой классификации по 4.1 и:
- устройства, управляемые дифференциальным током, имеют идентичный механизм расцепления и идентичные реле или соленоид, за исключением:
- числа витков и сечений проводов обмоток,
- размеров и материала сердечника дифференциального трансформатора,
- номинального дифференциального тока;
- электронная часть, если имеется, одной и той же конструкции и состоит из таких же компонентов, кроме изменений, связанных с получением разных значений IΔn.
Приложение IF
(справочное)
IF.0 Введение
Для проверки минимальных значений I2t и Ip, выдерживаемых ВДТ, как указано в таблице 18, должны проводиться испытания на короткое замыкание. Испытания на короткое замыкание должны проводиться с использованием плавкого предохранителя или серебряной проволоки, используя испытательное устройство, показанное на рисунке 13, или используя любые другие средства, позволяющие определить требуемые значения I2t и Ip.
IF.1 Серебряная проволока
Для проверки минимальных значений I2t и Ip, выдерживаемых ВДТ для достижения воспроизводимости результатов испытаний ПЗУ, если таковое имеется, может быть с серебряной проволокой, используется испытательное устройство, показанное на рисунке 13.
Для серебряной проволоки, имеющей чистоту не менее 99,9 %, в таблице IF.1 поставлены в соответствие номинальный ток In и токи короткого замыкания Inc и IΔc.
|
Inc и IΔc, A |
In, А, до включ. | ||||||||
|
16 |
20 |
25 |
32 |
40 |
63 |
80 |
100 |
125 | |
|
Диаметр a) серебряной проволоки, мм | |||||||||
|
500 |
0,30 |
0,35 |
0,35 |
0,35 |
- |
- |
- |
- |
- |
|
1000 |
0,30 |
0,35 |
0,40 |
0,50 |
- |
- |
- |
- |
- |
|
1500 |
0,35 |
0,40 |
0,45 |
0,50 |
0,65 |
0,85 |
- |
- |
- |
|
3000 |
0,35 |
0,40 |
0,45 |
0,50 |
0,60 |
0,80 |
0,95 |
1,05 |
1,15 |
|
4500 |
0,35 |
0,40 |
0,45 |
0,50 |
0,60 |
0,80 |
0,90 |
1,05 |
1,15 |
|
6000 |
0,35 |
0,40 |
0,45 |
0,50 |
0,60 |
0,75 |
0,90 |
0,95 |
1,00 |
|
10 000 |
0,35 |
0,40 |
0,45 |
0,50 |
0,60 |
0,70 |
0,85 |
0,90 |
0,95 |
|
а) Значение диаметра серебряной проволоки, по существу, основано на рассмотрении величины пикового тока Ip (см. таблицу 18). | |||||||||
Серебряная проволока должна быть помещена в надлежащем месте испытательного устройства, показанного на рисунке 13, и натянута горизонтально. Серебряная проволока должна заменяться после каждого испытания.
IF.2 Плавкие предохранители
Для проверки минимальных значений I2t и Ip, выдерживаемых ВДТ для достижения воспроизводимости результатов испытаний, ПЗУ, если таковое имеется, может быть соответствующим плавким предохранителем.
Номинальные значения плавкого предохранителя не должны быть меньше, чем номинальные значения ВДТ. Могут использоваться более высокие номинальные значения плавких предохранителей для получения значений I2t и Ip по таблице 18.
Промежуточные значения могут быть получены путем добавления плавких предохранителей параллельно.
IF.3 Другие средства
Другие средства могут быть использованы для достижения значений, указанных в таблице 18.
Приложение J
(обязательное)
J.1 Область применения
Данное приложение распространяется на ВДТ в пределах применения раздела 1, оснащенные безвинтовыми выводами на токи не более 20 А, которые предназначены преимущественно для присоединения неподготовленных (см. J.3.6) медных проводников поперечного сечения до 4 мм2.
Примечание - В ряде стран (Австрия, Чехия, Германия, Дания, Нидерланды, Норвегия и Швейцария) верхний предел тока для безвинтовых выводов составляет 16 А.
В настоящем приложении применены следующие сокращения: безвинтовые выводы - выводы; медные проводники - проводники.
Примечание - Нумерация пунктов настоящего приложения соответствует нумерации основной части стандарта. Поэтому отсутствует обязательность ее непрерывности. Любой неупомянутый фрагмент текста применяют без изменения.
J.2 Нормативные ссылки
По разделу 2.
J.3 Определения
По разделу 3 со следующими дополнениями:
J.3.1 зажимной элемент (clamping units): Части вывода, необходимые для механического прижима и электрического соединения проводников, включая части, которые требуются для обеспечения надлежащего давления контакта.
J.3.2 безвинтовой вывод (screwless-type terminal): Вывод, предназначенный для присоединения и последующего отсоединения проводников непосредственно или при помощи пружин, клиньев и аналогичных элементов.
Примечание - Примеры приведены на рисунке J.2.
J.3.3 универсальный вывод (universal terminal): Вывод, предназначенный для присоединения и отсоединения проводников всех типов (жестких и гибких).
Примечание - В ряде стран (Австрия, Бельгия, Китай, Дания, Германия, Испания, Франция, Италия, Португалия, Швеция и Швейцария) допускается применение только универсальных безвинтовых выводов.
J.3.4 неуниверсальный вывод (non-universal terminal): Вывод, предназначенный для присоединения и отсоединения проводников определенного типа (например, только жестких однопроволочных или только жестких однопроволочных и многопроволочных проводников).
J.3.5 вывод с обжимом проводника (push-wire terminal): Неуниверсальный вывод, в котором соединение обеспечивается обжимом проводника (однопроволочного или многопроволочного) при помощи зажимных средств.
J.3.6 неподготовленный проводник (unprepared conductor): Отрезок провода, с конца которого снята на определенную длину изоляция для подсоединения к выводу.
Примечания
1 Проводник, имеющий такую форму, которая позволяет легко вводить его в вывод или концы жил которого скручены с целью укрепления, считают неподготовленным проводником.
2 Термин "неподготовленный проводник" означает проводник, жилы которого не спаяны или конец которого не снабжен кабельным наконечником, ушком и т.п., но форма которого изменена для вставки в вывод или жилы которого скручены для упрочнения конца.
J.4 Классификация
По разделу 4.
J.5 Характеристики ВДТ
По разделу 5.
J.6 Маркировка
Раздел 6 дополнить следующими требованиями.
Универсальные выводы:
- без маркировки.
Неуниверсальные выводы:
- выводы, предназначенные для жестких однопроволочных проводников, должны маркироваться буквами "sol";
- выводы, предназначенные для жестких однопроволочных и многопроволочных проводников, должны маркироваться буквой "r";
- выводы, предназначенные для гибких проводников, должны маркироваться буквой "f".
Маркировка должна наноситься на ВДТ или при недостатке места на наименьшую единицу упаковки либо содержаться в технической информации изготовителя.
Маркировка, обозначающая длину снятия изоляции перед введением проводника в вывод, должна быть нанесена на выключатель.
Изготовитель в своих каталогах должен предусмотреть информацию о максимальном числе проводников, зажимаемых в выводе.
J.7 Стандартные условия эксплуатации и монтажа
По разделу 7.
J.8 Требования к конструкции и функционированию
По разделу 8 со следующими изменениями.
В 8.1.5 применяют только 8.1.5.1, 8.1.5.2, 8.1.5.3, 8.1.5.6 и 8.1.5.7.
Соответствие устанавливают осмотром и проведением испытаний по J.9.1 и J.9.2 настоящего приложения вместо 9.4 и 9.5.
Кроме того, дополнить следующими требованиями.
J.8.1 Присоединение и отсоединение проводников
Присоединение и отсоединение проводников должно выполняться:
- с помощью инструмента общего назначения либо удобного устройства, составляющего единое целое с выводом и позволяющего открыть его с целью введения и отсоединения проводников (например, в универсальных выводах);
- для жестких проводников путем простого введения. Для отсоединения проводников может потребоваться иная операция, чем простое выдергивание проводника из вывода (например, обжим проводника).
Универсальные выводы должны допускать подсоединение жестких (однопроволочных и многопроволочных) и гибких неподготовленных проводников.
Неуниверсальные выводы должны допускать подсоединение типов проводников, указанных изготовителем.
Соответствие проверяют осмотром и испытаниями по J.9.1 и J.9.2.
J.8.2 Размеры присоединяемых проводников
Размеры присоединяемых проводников приведены в таблице J.1.
Соединительную способность выводов проверяют осмотром и испытаниями по J.9.1 и J.9.2.
|
Сечение и теоретический диаметр проводников | |||||||||
|
Метрическая система |
AWG | ||||||||
|
Жесткие |
Гибкие |
Жесткие |
Гибкие | ||||||
|
Сечение |
Диаметр |
Сечение |
Диаметр |
Калибр |
Диаметр |
Калибр |
Диаметр многопроволочных проводников классов I, K, М b) | ||
|
Однопроволочные |
Многопроволочные |
Однопроволочные a) |
Многопроволочные класса В a) | ||||||
|
мм2 |
мм |
мм |
мм2 |
мм |
мм |
мм |
мм | ||
|
1,0 |
1,2 |
1,4 |
1,0 |
1,5 |
18 |
1,02 |
1,16 |
18 |
1,28 |
|
1,5 |
1,5 |
1,7 |
1,5 |
1,8 |
16 |
1,29 |
1,46 |
16 |
1,60 |
|
2,5 |
1,9 |
2,2 |
2,5 |
2,3 |
14 |
1,63 |
1,84 |
14 |
2,08 |
|
4,0 |
2,4 |
2,7 |
4,0 |
2,9 |
12 |
2,05 |
2,32 |
12 |
2,70 |
|
a) Допуск диаметра + 5 %. b) Допуск наибольшего диаметра + 5 % для любого из трех классов I, К и М. Примечание - Наибольшие диаметры жестких и гибких проводников приведены по таблице 1 IEC 60228, а для проводников в системе AWG - по В 172-71 ASTM и публикациям S-19-81, S-66-524, S-68-516 ICEA. | |||||||||
J.8.3 Поперечные сечения присоединяемых проводников
Номинальные поперечные сечения присоединяемых проводников приведены в таблице J.2.
|
Номинальный ток, А |
Номинальные поперечные сечения присоединяемых проводников, мм2 |
|
До 13 включ. |
От 1,0 до 2,5 включ. |
|
Св. 13 до 20 включ. |
От 1,5 до 4,0 включ. |
Соответствие проверяют осмотром и испытаниями по J.9.1 и J.9.2.
J.8.4 Присоединение и отсоединение проводников
Введение и отсоединение проводников должно выполняться согласно инструкциям изготовителя.
Соответствие проверяют осмотром.
J.8.5 Дизайн и конструкция выводов
Выводы должны быть так спроектированы и изготовлены, чтобы:
- каждый проводник прижимался отдельно;
- в ходе операции по присоединению и отсоединению проводники могли присоединяться и отсоединяться либо одновременно, либо по отдельности;
- исключалось неправильное введение проводников.
Должно обеспечиваться надежное крепление максимально предусмотренного числа проводников.
Соответствие проверяют осмотром и испытаниями по J.9.1 и J.9.2.
J.8.6 Устойчивость к старению
Выводы должны быть устойчивы к старению.
Соответствие проверяют испытанием по J.9.3.
J.9 Испытания
По разделу 9 с заменой 9.4 и 9.5 следующими испытаниями.
J.9.1 Проверка надежности безвинтовых выводов
J.9.1.1 Надежность безвинтовой системы
Испытание проводят на трех выводах полюсов новых образцов с медными проводниками номинальных поперечных сечений по таблице J.2. Типы проводников в соответствии с J.8.1.
Присоединение и последующее отсоединение должно выполняться пять раз с проводником наименьшего диаметра и последовательно пять раз с проводником наибольшего диаметра.
Каждый раз должны использоваться новые проводники, за исключением пятой проверки, когда проводник, использованный для четвертой проверки, оставляют на месте. Перед введением в вывод жилам многопроволочных жестких проводников следует придать соответствующую форму, а проволоки гибких проводников должны быть скручены для упрочнения конца.
При каждом введении конец проводника должен быть вставлен в вывод на максимально возможную глубину либо правильность его введения должна быть очевидна.
После каждого введения проводник поворачивают вокруг его продольной оси на 90° на уровне зажатого участка и затем его отсоединяют.
После испытания вывод не должен иметь повреждений, влияющих на его дальнейшую эксплуатацию.
J.9.1.2 Проверка надежности соединения
Три вывода полюсов новых образцов оснащают новыми медными проводниками, типы и сечения которых указаны в таблице J.2.
Типы проводников должны соответствовать J.8.1.
Перед введением в вывод жилам многопроволочных жестких проводников следует придать соответствующую форму, а проволоки гибких проводников должны быть скручены для упрочнения конца.
Проводник должен входить в универсальный вывод без чрезмерного усилия, а в вывод с обжимом проводника - с незначительным усилием, прикладываемым вручную.
При каждом введении конец проводника должен быть вставлен в вывод на максимально возможную глубину либо правильность его введения должна быть очевидна.
После проведения испытаний ни одна проволока проводника не должна выпасть из вывода.
J.9.2 Проверка надежности выводов для присоединения внешних проводников: механическая прочность
Для испытания на натяжение три вывода полюсов новых образцов оснащают новыми проводниками типов максимальных и минимальных сечений, соответствующих таблице J.2.
Перед введением в вывод жилам многопроволочных жестких проводников следует придать соответствующую форму, а проволоки гибких проводников должны быть скручены для упрочнения конца.
Затем каждый проводник подвергают тянущему усилию, указанному в таблице J.3, без рывков в течение 1 мин в направлении оси проводника.
|
Сечение проводника, мм2 |
Тянущее усилие, Н |
|
1,0 |
35 |
|
1,5 |
40 |
|
2,5 |
50 |
|
4,0 |
60 |
Во время испытания проводник не должен выпасть из вывода.
J.9.3 Циклическое испытание
Испытание проводят с новыми проводниками поперечных сечений по таблице 10.
Испытание проводят на новых образцах (один образец - один полюс), число которых указано ниже согласно типу выводов:
- универсальные выводы для жестких (одно- и многопроволочных) и гибких проводников: по три образца для каждых (всего шесть образцов);
- неуниверсальные выводы только для однопроволочных проводников: три образца;
- неуниверсальные выводы для жестких (одно- и многопроволочных) проводников: по три образца для каждых (всего шесть образцов).
Примечание - Если проводники жесткие, должны применяться однопроволочные (если в конкретной стране не применяют однопроволочные проводники, тогда допускается применение многопроволочных);
- неуниверсальные выводы только для гибких проводников: три образца.
Проводник поперечным сечением по таблице 10 последовательно соединяют как при нормальной эксплуатации с каждым комплектом из трех образцов, как показано на рисунке J.1.

Рисунок J.1 - Схема соединения образцов
На образце должно быть предусмотрено отверстие для измерения падения напряжения на выводе.
При проведении испытаний образец с проводниками помещают в камеру тепла, в которой предварительно устанавливают температуру (20 ± 2) °С.
Во избежание перемещения образцов до окончания измерения падений напряжения рекомендуется закрепить все полюса на общей опоре.
В течение испытания, за исключением периода охлаждения, в цепь подается испытательный ток, соответствующий номинальному току ВДТ.
Затем образцы подвергают 192 температурным циклам, каждый цикл длительностью около 1 ч, и его проводят следующим образом.
Температуру воздуха в камере тепла примерно за 20 мин повышают до 40 °С. Испытательную температуру поддерживают с погрешностью ± 5 °С приблизительно 10 мин.
Затем образцы подвергают в течение 20 мин естественному охлаждению до температуры около 30 °С, допускается принудительное охлаждение. Их выдерживают при этой температуре около 10 мин и за это время измеряют падение напряжения, если необходимо, образцы охлаждают до температуры (20 ± 2) °С.
Максимально допустимое падение напряжения, измеренное на каждом выводе в конце 192-го цикла при номинальном токе, не должно превышать наименьшего из двух значений: 22,5 мВ или полуторакратного значения, полученного после 24-го цикла.
Измерения должны проводиться как можно ближе к месту контакта.
Если точка измерения не совпадает с точкой контакта, то величину падения напряжения в пределах части проводника между точкой измерения и точкой контакта вычитают из измеренного значения падения напряжения испытуемого образца.
Температуру в камере тепла измеряют на расстоянии приблизительно 50 мм от испытуемых образцов.
После этих испытаний выводы подвергают внешнему осмотру невооруженным глазом (с нормальным зрением), при котором не должны быть выявлены изменения, препятствующие их дальнейшей эксплуатации, например трещины, деформации и т.п.

Безвинтовой вывод с непрямым зажимом

Безвинтовой вывод с прямым зажимом

Безвинтовой вывод с зажимом через промежуточный приводной элемент
Рисунок J.2 - Примеры безвинтовых выводов
J.10 Использованные документы
IEC 60228:2004, Conductors of insulated cabhles (Проводники изолированных кабелей)
IEC 60998-1, Connecting devices for low-voltage circuits for household включ. and similar purposes - Part 1: General requirements (Устройства соединительные для низковольтных цепей бытового и аналогичного назначения. Часть 1. Общие требования)
IEC 60998-2-2, Connecting devices for low-voltage circuits for household and similar purposes - Part 2-2: Particular requirements for connecting devices as separate entities with screwless-type clamping units (Устройства соединительные для низковольтных цепей бытового и аналогичного назначения. Часть 2-2. Частные требования к соединительным устройствам как отдельным элементам с невинтовыми зажимами)
IEC 60999 (all parts), Connecting devices - Electrical copper conductors - Safety requirements for screw-type and screwless-type clamping units [Устройства соединительные. Медные электропровода. Требования безопасности к винтовым и безвинтовым зажимам (все части)]
ASTM В 172-01а, Standard Specification for Rope-Lay-Stranded Copper Conductors Having Bunch-Stranded Members, for Electrical Conductors (Стандартная спецификация на многожильные медные провода со сложной скруткой пучков многожильных проводов)
ICEA S-19-81/NEMA WC3 1), Rubber-Insulated Wire and Cable (Провода и кабели с резиновой изоляцией)
──────────────────────────────
1) Отменен.
──────────────────────────────
ICEA S-66-524/NEMA WC7 2), Cross-Linked-Thermosetting-Polyethylene Insulated Wire and Cable (Провода и кабели с термореактивной полиэтиленовой изоляцией сетчатой структуры)
──────────────────────────────
2) NEMA WC7-1988/ICEA S-66-524 Cross-Linked Polyethylene Insulated Wresion & Distribution.
──────────────────────────────
ICEA S-68-516/NEMA WC8 1), Ethylene-Propylene-Rubber Insulated Wire and Cable * (Провода и кабели с этилен-пропилен-резиновой изоляцией)
──────────────────────────────
1) Отменен.
──────────────────────────────
Приложение К
(обязательное)
К.1 Область применения
Настоящее приложение распространяется на ВДТ в пределах действия раздела 1, оснащенные плоскими быстросоединяемыми выводами, состоящими из штыревого наконечника (см. К.3.2) шириной 6,3 мм, толщиной 0,8 мм и гнездового наконечника, предназначенными для присоединения электрических медных проводников на номинальные токи до 16 А включительно в соответствии с инструкциями изготовителя.
Примечание - В ряде стран (Бельгия, Франция, Италия, Испания, Португалия и Соединенные Штаты Америки) допускается применение плоских быстросоединяемых выводов на номинальные токи до 20 А включительно.
Присоединяемые электрические медные проводники (далее - проводники) могут быть гибкими с поперечными сечениями до 4 мм2 включительно или жесткими многопроволочными с поперечными сечениями до 2,5 мм2 включительно (в системе AWG 12 и выше).
Данное приложение распространяется исключительно на ВДТ со штыревыми выводами, выполненными за одно целое с аппаратом.
Примечание - Нумерация пунктов настоящего приложения соответствует нумерации основной части стандарта. Поэтому отсутствует обязательность ее непрерывности. Любой неупомянутый фрагмент текста применяют без изменения.
К.2 Нормативные ссылки
По разделу 2 со следующим дополнением:
IEC 61210, Connecting devices - Flat quick-connect terminations for electrical copper conductors - Safety requirements (Устройства соединительные. Плоские быстросоединяемые выводы для электрических медных проводников. Требования безопасности)
К.3 Определения
По разделу 3 со следующими дополнениями:
К.3.1 плоский быстросоединяемый вывод (flat quick-connect termination): Электрическое соединение, состоящее из штыревого и гнездового наконечников, сочленяемых и расчленяемых с помощью и без помощи инструмента.
К.3.2 штыревой наконечник (male tab): Часть плоского быстросоединяемого вывода, вводимая для сочленения в гнездовой соединитель.
К.3.3 гнездовой соединитель (female connector): Часть плоского быстросоединяемого вывода, в которую вводится штыревой наконечник.
К.3.4 фиксирующий элемент (detent): Углубление (выемка) или отверстие в штыревом наконечнике, которое взаимодействует с выступающей частью гнездового наконечника и обеспечивает фиксацию сочленяемых частей.
К.4 Классификация
По разделу 4.
К.5 Характеристики ВДТ
По разделу 5.
К.6 Маркировка
По разделу 6 со следующими дополнениями после перечисления k):
Следующая информация, касающаяся гнездовых наконечников по IEC 61210 и типа применяемых проводников, должна быть приведена в инструкциях изготовителя:
l) наименование изготовителя или товарный знак;
m) тип изделия;
n) сечение проводников и цветовой код изолированных гнездовых наконечников (см. таблицу К.1);
о) применение чисто серебряных или медных с гальваническим покрытием оловом сплавов.
|
Сечения проводников, мм2 |
Цветовой код гнездовых соединителей |
|
1,0 |
Красный |
|
1,5 |
Красный или синий |
|
2,5 |
Синий или желтый |
|
4,0 |
Желтый |
К.7 Стандартные условия эксплуатации и монтажа
По разделу 7.
К.8 Требования к конструкции и функционированию
По разделу 8 со следующими изменениями:
Заменить 8.1.3 следующим:
К.8.1 Воздушные зазоры и расстояния утечки (см. приложение В)
По 8.1.3 гнездовые соединители сочленяются со штыревыми наконечниками ВДТ.
Заменить 8.1.5 следующим:
К.8.2 Выводы для внешних проводников
К.8.2.1 Штыревые наконечники и гнездовые соединители должны быть выполнены из материалов, механическая прочность, электрическая проводимость и коррозионная стойкость которых соответствуют их назначению.
Примечание - Примерами таких материалов являются серебряные или медные сплавы с гальваническим покрытием оловом.
К.8.2.2 Типоразмер штыревого наконечника составляет 6,3 мм при толщине 0,8 мм, применяется на номинальные токи до 16 А включительно.
Примечание - В ряде стран (Бельгия, Франция, Италия, Испания, Португалия и Соединенные Штаты Америки) допускается применение на номинальные токи до 20 А включительно.
Размеры штыревых наконечников должны соответствовать размерам, указанным в таблице К.3 и на рисунках К.2 - К.5. Размеры А, В, С, D, Е, F, J, М, N и Q являются обязательными.
Размеры сочленяемых гнездовых соединителей должны соответствовать приведенным на рисунке К.6 и в таблице К.4.
Примечание - Формы некоторых частей могут отличаться от показанных на рисунках при условии неизменности указанных размеров и соответствия требованиям к испытанию, например рифленые или развальцованные наконечники.
Соответствие проверяют осмотром и измерением.
К.8.2.3 Штыревые наконечники должны быть надежно закреплены.
Соответствие проверяют испытанием на стойкость к механической нагрузке по К.9.1.
К.9 Испытания
По разделу 9 со следующими изменениями:
Заменить 9.5 следующим:
К.9.1 Стойкость к механической нагрузке
Испытание проводят на 10 выводах ВДТ, установленных как для нормальной эксплуатации со смонтированными проводниками.
Усилие нажатия и затем вытягивающее осевое усилие, значение которых соответствует значениям, указанным в таблице К.2, прикладывают плавно только один раз к штыревому вмонтированному в ВДТ наконечнику подходящим испытательным устройством.
|
Усилие нажатия, Н |
Вытягивающее усилие, Н |
|
96 |
88 |
Не должно быть повреждения, влияющего на дальнейшую эксплуатацию штыревого наконечника или ВДТ, в который этот наконечник вмонтирован.
Раздел дополнить 9.8.3:
Тонкопроволочные термопары располагают так, чтобы не влиять на контакт или присоединительную площадь испытуемого образца. Пример расположения приведен на рисунке К.1.

Рисунок К.1 - Пример расположения термопары при измерении превышения температуры
|
Номинальный размер, мм |
Способ фиксации |
А |
В min |
С |
D |
Е |
F |
J |
М |
N |
Р |
Q min |
|
6,3 x 0,8 |
углублением |
1,0 |
- |
0,84 |
6,40 |
4,1 |
2,0 |
12° |
2,5 |
2,0 |
1,8 |
- |
|
0,7 |
7,8 |
0,77 |
6,20 |
3,6 |
1,6 |
8° |
2,2 |
1,8 |
0,7 |
8,9 | ||
|
отверстием |
1,0 |
- |
0,84 |
6,40 |
4,7 |
2,0 |
12° |
- |
- |
1,8 |
- | |
|
0,5 |
7,8 |
0,77 |
6,20 |
4,3 |
1,6 |
8° |
- |
- |
0,7 |
8,9 | ||
|
Примечания 1 Размеры А-Q см. на рисунках К.2 - К.5. 2 Две строки в графе означают, что приведены максимальный и минимальный размеры. | ||||||||||||
Размеры в миллиметрах

──────────────────────────────
* Приблизительно.
──────────────────────────────
Примечания
1 Скос А 45° может не быть прямой линией, если находится в указанных пределах.
2 Размер L не задан и может быть установлен в зависимости от конструкции (например, для фиксации).
3 Размер С может определяться толщиной применяемого материала при условии, что указанный размер отвечает требованиям настоящего стандарта. Допускается скругление по продольному краю штекеров.
4 На рисунке указаны размеры, но не приведена конструкция.
5 Размер С - толщина штекера может быть иной за переделами размеров Q или В + 1,14 мм.
6 Все части штекеров должны быть плоскими и не иметь заусенцев или выступов, за исключением выступа над допуском толщины в 0,025 мм с каждой стороны в области линии упора, на расстоянии 1,3 мм от нее.
Рисунок К.2 - Размеры штыревых контактов
Размеры в миллиметрах

Допуск расположения углубления относительно центральных осей штекера 0,076 мм.
Рисунок К.3 - Размеры круглых углублений фиксации (см. рисунок К.2)
Размеры в миллиметрах

Допуск расположения углублений относительно центральных осей штекера 0,13 мм.
Рисунок К.4 - Размеры прямоугольных размеров фиксации (см. рисунок К.2)

Допуск расположения отверстия относительно центральных осей штекера 0,076 мм.
Рисунок К.5 - Размеры отверстий для фиксации
Размеры в миллиметрах

Размеры В3 и L2 являются обязательными.
Примечания
1 Для определения размеров гнездового соединителя размеры В3 и L2 необходимо согласовать с размерами штыревого наконечника для гарантии обеспечения надежного сочленения в наихудших условиях (а также размеры элементов фиксации при их наличии).
2 Если предусмотрен упор, размер X определяется изготовителем, исходя из обеспечения требований работоспособности соединения.
3 Гнездовые соединители должны иметь конструкцию, позволяющую обеспечить правильную фиксацию при введении штыревого наконечника в гнездовой соединитель и исключить создание препятствия оконцованной частью проводника введению штыревого наконечника в гнездовой соединитель до полной фиксации соответствующими фиксирующими элементами.
4 Чертеж является общей рекомендацией для проектирования гнездового соединителя, при этом указанные на чертеже размеры являются обязательными.
Рисунок К.6 - Размеры гнездовых соединителей
|
Размеры штыревого наконечника, мм |
Размеры гнездового соединителя, мм | |
|
В3, максимальный |
L2, максимальный | |
|
6,3 x 0,8 |
7,8 |
3,5 |
К.10 Использованные документы
IEC 61210:2010, Connecting devices - Flat quick-connect terminations for electrical copper conductors - Safety requirements (Устройства соединительные. Плоские быстросоединяемые выводы для электрических медных проводников. Требования безопасности)
Приложение L
(обязательное)
L.1 Область применения
Настоящее приложение распространяется на ВДТ в пределах действия настоящего стандарта, оснащенные резьбовыми выводами из меди или медных сплавов, содержащих не менее 58 % меди (для частей, изготавливаемых холодным способом) и не менее 50 % меди (для частей другого способа изготовления), или из другого металла или металла с соответствующим покрытием, не менее коррозиестойкого, чем медь, и с не менее пригодными механическими свойствами, применяемыми с неподготовленными алюминиевыми проводниками, либо оснащенные резьбовыми выводами из алюминиевого материала для присоединения медных или алюминиевых проводников.
В данном приложении алюминиевые проводники с покрытием медью или никелем считаются алюминиевыми.
Примечания
1 В Австрии, Австралии и Германии применение алюминиевых резьбовых выводов для присоединения медных проводников недопустимо.
В Австрии, Швейцарии и Германии применение выводов только для алюминиевых проводников запрещено.
В Испании недопустимо применение алюминиевых проводников в концевых цепях в бытовых и аналогичных электроустановках, например офисы, магазины и т.п.
В Дании минимальное поперечное сечение алюминиевых проводников составляет 16 мм2.
2 Нумерация пунктов настоящего приложения соответствует нумерации основной части стандарта. Поэтому отсутствует обязательность ее непрерывности. Любой неупомянутый фрагмент текста применяют без изменения.
L.2 Нормативные ссылки
По разделу 2 со следующим дополнением:
IEC 61545:1996, Connecting devices - Devices for the connection of aluminium conductors in clamping units of any material and copper conductors in aluminium bodied clamping units (Устройства соединительные. Устройства для соединения алюминиевых проводов в зажимных приспособлениях из любого материала и медных проводов в зажимных приспособлениях из алюминия)
L.3 Определения
По разделу 3 со следующими дополнениями:
L.3.1 подготовленный проводник (treated conductor): Проводник, с внешних жил которого в контактной его части снят окисный слой и/или залита уплотняющая масса для обеспечения хорошей проводимости и/или предохранения от коррозии.
L.3.2 неподготовленный проводник (untreated/unprepared conductor): Проводник, с конца которого на определенную длину снята изоляции для ввода его в вывод.
Примечание - Проводник, имеющий такую форму, которая позволяет легко вводить его в вывод или концы жил которого скручены с целью укрепления, считают неподготовленным проводником.
L.3.3 эквалайзер (выравниватель) (equalizer): Устройство, применяемое в испытательном контуре и обеспечивающее эквипотенциальную и однородную плотность тока в многожильном проводнике без изменения температуры проводника.
L.3.4 контрольный проводник (reference conductor): Проводник большой протяженности того же типа и сечения, что и присоединенный к испытуемому выводу, включенный последовательно в ту же цепь. Он обеспечивает определяемую контрольную температуру и при необходимости контрольное сопротивление.
L.3.5 коэффициент устойчивости, Sf [stability factor (Sf)]: Измерение стабильности температуры вывода при циклических испытаниях током.
L.5 Характеристики ВДТ
По разделу 5.
L.6 Маркировка и другая информация об изделии
По разделу 6 со следующими дополнениями:
Маркировка, указанная в таблице L.1, должна наноситься на ВДТ у выводов.
Информация, относящаяся к числу проводников, значениям крутящих моментов (если отличаются от приведенных в таблице 14) и сечениям проводников, должна наноситься на ВДТ.
|
Тип присоединяемого проводника |
Маркировка |
|
Только медный |
Нет |
|
Только алюминиевый |
Al |
|
Алюминиевый и медный |
Al/Cu |
Изготовитель в своих каталогах должен указать значения затягивающих моментов и способы крепления алюминиевых проводников.
L.7 Стандартные условия эксплуатации и монтажа
По разделу 7.
L.8 Требования к конструкции и функционированию
По разделу 8, за исключением следующего:
Раздел дополнить пунктом:
8.1.5.2 Для присоединения алюминиевых проводников выключатель должен быть оснащен резьбовыми выводами для присоединения проводников с номинальными поперечными сечениями по таблице L.2.
Выводы для присоединения алюминиевых проводников и выводы из алюминия для присоединения медных или алюминиевых проводников должны обладать соответствующей механической прочностью, чтобы выдержать испытания по 9.4 с проводниками, затянутыми моментом, указанным в таблице 14, либо указанным изготовителем, причем значение, указанное изготовителем, не должно быть ниже указанного в таблице 14.
|
Номинальный ток а), А |
Диапазон номинальных поперечных сечений b) присоединяемых проводников, мм2 |
|
До 13 включ. |
От 1,0 до 4,0 |
|
От 13 до 16 включ. |
От 1,0 до 6,0 |
|
От 16 до 25 включ. |
От 1,5 до 10,0 |
|
От 25 до 32 включ. |
От 2,5 до 16,0 |
|
От 32 до 50 включ. |
От 4,0 до 25,0 |
|
От 50 до 80 включ. |
От 10,0 до 35,0 |
|
От 80 до 100 включ. |
От 16,0 до 50,0 |
|
От 100 до 125 включ. |
От 25,0 до 70,0 |
|
а) Требуется, чтобы при номинальных токах до 50 А включительно выводы были рассчитаны на зажим как однопроволочных, так и жестких многопроволочных проводников; допускается применение гибких проводников. В то же время допускается, чтобы выводы для проводников с поперечным сечением от 1,0 до 10,0 мм2 были рассчитаны на зажим только однопроволочных проводников. b) Максимальные сечения проводников по таблице 5 увеличены в соответствии с таблицей D.2 IEC 61545:1996. | |
Соответствие проверяют осмотром, измерением и поочередным введением проводника наименьшего и наибольшего сечения из указанных.
8.1.5.4 Изложить в новой редакции:
Выводы должны допускать присоединение проводников без специальной подготовки.
Соответствие проверяют осмотром и испытанием по L.9.
L.9 Испытания
По разделу 9 со следующими изменениями/дополнениями:
Для испытаний в зависимости от вида материала вывода и типа присоединяемых проводников применяют условия испытаний в соответствии с таблицей L.3.
Дополнительно проводится испытание по L.9.2 на выводах отдельно от ВДТ.
|
Материал выводов |
Материал по 8.1.4.4 a) |
Al a) | |
|
Al |
Cu |
Al | |
|
Материал проводника (таблица L.1) |
По таблицам L.2 и L.5 |
По таблицам 8 и 13 |
По таблицам L.2 и L.5 |
|
По таблицам L.2, L.5 и 14 |
По таблицам 8, 13 и 14 |
По таблицам L.2, L.5 и 14 | |
|
9.4 Надежность винтов |
По таблицам L.2, L.5 и 14 |
По таблицам 8, 13 и 14 |
По таблицам L.2, L.5 и 14 |
|
9.5.1 Испытание на вытягивание b) |
По таблицам L.2, L.5 и 14 |
По таблицам 8, 13 и 14 |
По таблицам L.2, L.5 и 14 |
|
9.5.2 Повреждение проводника |
По таблице L.4 |
По таблице 16 |
По таблице L.4 |
|
9.5.3 Введение проводника |
По таблице L.5 |
По таблице 13 |
По таблице L.4 |
|
9.8 Превышение температуры |
По таблице L.5 |
По таблице 13 |
По таблице L.5 |
|
9.22 Проверка надежности |
По таблице 14 |
По таблице 14 |
По таблице 14 |
|
L.9.2 Циклическое испытание |
По таблице 14 |
По таблице 14 |
По таблице 14 |
|
a) Согласно циклам A и В и числу образцов, указанным в приложении С. Для выключателей, предназначенных для присоединения алюминиевых и медных проводников, число циклов испытаний и образцов удваивают (по одному для медного и одному для алюминиевого проводника). b) Для испытаний на вытягивание по 9.5.1 значение для провода сечением 70 мм2 - на рассмотрении. | |||
|
Метрическая система |
AWG | ||||||||
|
Жесткие |
Гибкие (только медные) |
Жесткие |
Гибкие (только медные) | ||||||
|
Сечение |
Диаметр |
Сечение |
Диаметр |
Калибр |
Диаметр |
Калибр |
Диаметр многопроволочных проводников классов I, K, М b) | ||
|
Однопроволочные |
Многопроволочные |
Однопроволочные a) |
Многопроволочные класса В a) | ||||||
|
мм2 |
мм |
мм2 |
мм |
мм |
мм | ||||
|
1,0 |
1,2 |
1,4 |
1,0 |
1,5 |
18 |
1,07 |
1,23 |
18 |
1,28 |
|
1,5 |
1,5 |
1,7 |
1,5 |
1,8 |
16 |
1,35 |
1,55 |
16 |
1,50 |
|
2,5 |
1,9 |
2,2 |
2,5 |
2,3 c) |
14 |
1,71 |
1,95 |
14 |
2,08 |
|
4,0 |
2,4 |
2,7 |
4,0 |
2,9 c) |
12 |
2,15 |
2,45 |
12 |
2,70 |
|
6,0 |
2,9 |
3,3 |
4,0 |
2,9 c) |
10 |
2,72 |
3,09 |
- |
- |
|
10,0 |
3,7 |
4,2 |
6,0 |
3,9 |
8 |
3,43 |
3,89 |
10 |
3,36 |
|
16,0 |
4,6 |
5,3 |
10,0 |
5,1 |
6 |
4,32 |
4,91 |
8 |
4,32 |
|
25,0 |
- |
6,6 |
16,0 |
6,3 |
4 |
5,45 |
6,18 |
6 |
5,73 |
|
35,0 |
- |
7,9 |
25,0 |
7,8 |
2 |
6,87 |
7,78 |
4 |
7,25 |
|
- |
- |
- |
- |
- |
1 |
7,72 |
8,85 |
- |
- |
|
50,0 |
- |
9,1 |
35,0 |
9,2 |
0 |
8,51 |
9,64 |
- |
12,08 |
|
70,0 |
- |
12,0 |
50,0 |
12,0 |
00 |
9,266 |
10,64 |
- |
- |
|
a) Допуск номинального диаметра + 5 %. b) Допуск наибольшего диаметра + 5 % для любого из трех классов I, К и М. c) Размеры только для гибких проводников класса 5 согласно IEC 60228. Примечание - Наибольшие диаметры жестких и гибких проводников приведены по IEC 60228, а для проводников в системе AWG - по В 172-71 ASTM и публикациям S-19-81, S-66-524, S-68-516 ICEA. | |||||||||
L.9.1 Условия испытаний
По 9.1, кроме того, что параметры присоединяемых алюминиевых проводников должны соответствовать таблице L.5.
|
Сечения проводников (S), мм2 |
Номинальные токи (In), А |
|
1,5 |
До 6 включ. |
|
2,5 |
Св. 6 до 13 включ. |
|
4,0 |
Св. 13 до 20 включ. |
|
6,0 |
Св. 20 до 25 включ. |
|
10,0 |
Св. 25 до 32 включ. |
|
16,0 |
Св. 32 до 50 включ. |
|
25,0 |
Св. 50 до 63 включ. |
|
35,0 |
Св. 63 до 80 включ. |
|
50,0 |
Св. 80 до 100 включ. |
|
70,0 |
Св. 100 до 125 включ. |
L.9.2 Циклические испытания током
L.9.2.1 Данным испытанием проверяют устойчивость резьбового вывода путем сравнения температурной характеристики с характеристикой контрольного проводника в условиях ускоренных циклических испытаний.
Испытание проводят на отдельных выводах.
L.9.2.2 Подготовка к испытанию
Испытание проводят на четырех образцах, каждый из которых образован парой выводов и представляет условия его применения в ВДТ (см. примеры на рисунках L.2 - L.6). Резьбовые выводы, снятые с ВДТ, присоединяют к токопроводящим частям такого же сечения, формы, металла и покрытия, что и смонтированные в выключателе. Крепление выводов к токопроводящим частям выполняют таким же образом (положение, крутящий момент и т.д.), как в выключателе. Если во время испытаний на одном образце произойдет отказ, испытания проводят на четырех дополнительных образцах, отказов быть не должно.
L.9.2.3 Испытательное устройство
Испытательное устройство должно быть таким, как показано на рисунке L.1.
К испытуемым образцам должно быть приложено 90 % значения момента, указанного изготовителем, а в отсутствие указаний - выбранного по таблице 11.
Испытание проводят с проводниками по таблице L.5. Длина испытательного проводника от точки ввода в образец резьбового вывода до эквалайзера (см. L.3.3) должна соответствовать указанной в таблице L.6.
|
Сечение проводника, мм2 |
Размер проводника в системе AWG |
Минимальная длина проводника, мм |
|
До 10 включ. |
До 8 включ. |
200 |
|
От 16,0 до 25,0 включ. |
От 6 до 3 включ. |
300 |
|
От 35,0 до 70,0 включ. |
От 2 до 00 включ. |
460 |
Испытательные проводники соединяют последовательно с контрольным проводником такого же поперечного сечения.
Длина контрольного проводника должна соответствовать приблизительно двойной длине испытательного проводника.
Каждый свободный конец испытательного и контрольного проводников, не присоединенный к образцу резьбового вывода, должен быть приварен или припаян твердым припоем к небольшому отрезку эквалайзера из того же материала, что и проводник, и поперечным сечением не более указанного в таблице L.7. Все жилы проводника должны быть приварены или спаяны для надежного электрического соединения с эквалайзером.
С согласия изготовителя и при условии сохранения рабочих характеристик для эквалайзера могут применяться несварные соединения прижимного типа, выполняемые с помощью инструмента.
|
Диапазоны испытательных токов, А |
Максимальное поперечное сечение, мм2 | |
|
Алюминий |
Медь | |
|
От 0 до 50 |
45 |
45 |
|
От 51 до 125 |
105 |
85 |
|
От 126 до 225 |
185 |
155 |
Расстояние между испытательными и контрольными проводниками должно быть не менее 150 мм.
Испытуемый образец должен быть подвешен в воздухе в вертикальном или горизонтальном положении, эквалайзер или шина должны поддерживаться непроводящими опорами, чтобы избежать растягивающей нагрузки на прижимной винтовой узел. Между проводниками должны быть установлены термоизолирующие перегородки шириной (25 ± 5) мм и высотой (150 ± 10) мм над винтовыми выводами (см. рисунок L.1). Термоизолирующие перегородки не требуются, если расстояние между образцами составляет не менее 450 мм.
Образцы должны размещаться на расстоянии не менее 600 мм от пола, стен и потолка.
Испытуемые образцы должны размещаться в среде, где практически отсутствуют вибрация и сквозняки, при температуре окружающего воздуха от 20 °С до 25 °С. С началом испытания максимальное допустимое изменение пределов диапазона не должно превышать ± 1 К.
L.9.2.4 Измерение температуры
Измерения температуры выполняют с помощью термопар с проволочками сечением не более 0,07 мм2 (приблизительно 30 AWG).
Для винтовых выводов термопара должна размещаться на резьбовом выводе со стороны ввода проводника у контактной поверхности.
Для контрольного проводника термопары должны размещаться посередине от концов проводника под изоляцией.
Размещение термопар не должно повреждать резьбовой вывод или контрольный проводник.
Примечание - Высверливание небольшого отверстия и последующее крепление термопары является приемлемым методом при условии неизменности рабочих характеристик и наличия согласования изготовителя.
Температура среды должна измеряться с помощью двух термопар таким образом, чтобы достичь среднего стабильного показания вблизи испытательного контура и избежать внешних воздействий. Термопары должны размещаться в горизонтальной плоскости, пересекающей образцы на минимальном расстоянии 600 мм от них.
Примечание - Приемлемым методом достижения стабильности измерений является крепление термопар на медных опорах размером 50 x 50 мм и толщиной от 6 до 10 мм.
L.9.2.5 Методика испытания и критерии соответствия
Примечание - Оценка работоспособности основана на предельном превышении температуры резьбового вывода и изменении температуры в ходе испытания.
Испытательный контур должен подвергнуться 500 циклам в течение 1 ч под нагрузкой и течение 1 ч без нагрузки током, начиная со значения переменного тока, равного 1,12 испытательного тока, указанного в таблице L.8. К концу каждого периода под нагрузкой в течение первых 24 циклов ток должен быть отрегулирован на повышение температуры контрольного проводника до 75 °С.
На двадцать пятом цикле испытательный ток должен быть отрегулирован в последний раз, и установившаяся температура записывается в качестве первого измерения. Больше до конца испытания регулировок тока быть не должно.
Температура должна записываться в течение хотя бы одного цикла каждого рабочего дня и после 25, 50, 75, 100, 125, 175, 225, 275, 350, 425 и 500 циклов.
Температура должна измеряться в течение последних 5 мин под нагрузкой. В том случае, если размер комплекта испытуемых образцов либо скорость системы обработки информации таковы, что не все измерения могут быть завершены в течение 5 мин, время нахождения под нагрузкой должно быть продлено до завершения измерений.
После первых 25 циклов время без нагрузки может быть сокращено до периода на 5 мин больше, чем необходимо всем образцам выводов для охлаждения до температуры между температурой среды Tа и температурой Tа + 5 °С в течение периода без нагрузки. Для сокращения времени отключения с согласия изготовителя может быть применено принудительное охлаждение. В этом случае принудительному охлаждению должен подвергнуться весь испытательный контур, и температура струи воздуха не должна быть ниже температуры окружающего воздуха.
Коэффициент устойчивости (Sf) для каждого из 11 измерений определяют путем вычитания отклонения D средней температуры из отклонения d 11 значений температуры.
Отклонение температуры d для 11 отдельных измерений получают путем вычитания объединенной температуры контрольных проводников из температуры резьбового вывода.
Примечание - Значение d будет положительным, если температура винтового вывода выше температуры контрольного проводника, и отрицательным, если ниже.
Для каждого резьбового вывода:
- превышение температуры не должно быть свыше 110 °С;
- коэффициент устойчивости не должен превышать ± 10 °С.
Пример расчета для одного винтового вывода приведен в таблице L.9.
|
Метрическая система |
AWG | ||||
|
Номинальный ток, In, А |
Сечение алюминиевого проводника, мм2 |
Испытательный ток, А |
Номинальный ток, In, А |
Размер алюминиевого проводника |
Испытательный ток, А |
|
От 0 до 15 включ. |
2,5 |
26 |
От 0 до 15 включ. |
12 |
30 |
|
Св. 15 до 20 включ. |
4,0 |
35 |
Св. 15 до 25 включ. |
10 |
40 |
|
Св. 20 до 25 включ. |
6,0 |
46 |
Св. 25 до 40 включ. |
8 |
53 |
|
Св. 25 до 32 включ. |
10,0 |
60 |
Св. 40 до 50 включ. |
6 |
69 |
|
Св. 32 до 50 включ. |
16,0 |
79 |
Св. 50 до 65 включ. |
4 |
99 |
|
Св. 50 до 65 включ. |
25,0 |
99 |
Св. 65 до 75 включ. |
3 |
110 |
|
Св. 65 до 80 включ. |
35,0 |
137 |
Св. 75 до 90 включ. |
2 |
123 |
|
Св. 80 до 100 включ. |
50,0 |
171 |
Св. 90 до 100 включ. |
1 |
152 |
|
Св. 100 до 125 включ. |
70,0 |
190 |
Св. 100 до 120 включ. |
0 |
190 |
|
Измерения температуры |
Число циклов |
Температура |
Отклонение температуры d = a - b |
Коэффициент устойчивости Sf = d - D | |
|
Резьбового вывода а, °С |
Контрольного проводника b, °С | ||||
|
1 |
25 |
79 |
78 |
1 |
0,18 |
|
2 |
50 |
80 |
77 |
3 |
2,18 |
|
3 |
75 |
78 |
78 |
0 |
- 0,82 |
|
4 |
100 |
76 |
77 |
- 1 |
- 1,82 |
|
5 |
125 |
77 |
77 |
0 |
- 0,82 |
|
6 |
175 |
78 |
77 |
1 |
0,18 |
|
7 |
225 |
79 |
76 |
3 |
2,18 |
|
8 |
275 |
78 |
76 |
2 |
1,18 |
|
9 |
350 |
77 |
78 |
- 1 |
- 1,82 |
|
10 |
425 |
77 |
79 |
- 2 |
- 2,82 |
|
11 |
500 |
81 |
78 |
3 |
2,18 |
Отклонение средней температуры
.
Размеры в миллиметрах

1 - подвод питания; 2 - эквалайзеры; 3 - контрольный проводник; 4 - шина эквалайзера; 5 - сварка; 6 - испытуемый образец; 7 - термоизолирующая перегородка (4 шт.); 8 - шина; 9 - испытательный проводник; ТС - термопара
Рисунок L.1 - Испытательная установка

Примечание - Токопроводящая часть может быть прикручена болтами, припаяна или приварена.
Рисунок L.2

Рисунок L.3

Рисунок L.4

Рисунок L.5

Рисунок L.6
Приложение ДА
(справочное)
Таблица ДА.1
|
Обозначение ссылочного международного стандарта |
Степень соответствия |
Обозначение и наименование соответствующего межгосударственного стандарта |
|
IEC 60038:2009 |
MOD |
ГОСТ 29322-2014 (IEC 60038:2009) "Напряжения стандартные" |
|
IEC 60060-1:2010 |
- |
*, 1) |
|
IEC 60060-2:2010 |
- |
*, 2) |
|
IEC 60068-2-30:2005 |
MOD |
ГОСТ 28216-89 (МЭК 68-2-30-87) "Основные методы испытаний на воздействие внешних факторов. Часть 2. Испытания. Испытание Db и руководство: влажное тепло, циклическое (12 + 12-часовой цикл)" 3) |
|
IEC 60068-3-4:2001 |
NEQ |
ГОСТ 28214-89 "Основные методы испытаний на воздействие внешних факторов. Часть 2. Испытания. Руководство по испытаниям на влажное тепло" |
|
IEC 60112:2003 |
MOD |
ГОСТ 27473-87 (МЭК 112-79) "Материалы электроизоляционные твердые. Метод определения сравнительного и контрольного индексов трекингостойкости во влажной среде" |
|
IEC 60228:2004 |
MOD |
ГОСТ 22483-2012 (IEC 60228:2004) "Жилы токопроводящие для кабелей, проводов и шнуров" |
|
IEC 60364-4-44:2007 |
- |
*, 4) |
|
IEC 60364-5-53:2019 |
- |
*, 5) |
|
IEC 60417 |
MOD |
ГОСТ 28312-89 (МЭК 417-73) "Аппаратура радиоэлектронная профессиональная. Условные графические обозначения" |
|
IEC 60529:2013 |
MOD |
ГОСТ 14254-2015 (IEC 60529:2013) "Степени защиты, обеспечиваемые оболочками (Код IP)" |
|
IEC 60664-1:2007 |
- |
*, 6) |
──────────────────────────────
1) В Российской Федерации действует ГОСТ Р 55194-2012 "Электрооборудование и электроустановки переменного тока на напряжения от 1 до 750 кВ. Общие методы испытаний электрической прочности изоляции".
2) В Российской Федерации действует ГОСТ Р 55193-2012 (МЭК 60060-2-2010) "Электрооборудование и электроустановки переменного тока на напряжение 3 кВ и выше. Методы измерения при испытаниях высоким напряжением".
3) В Российской Федерации действует ГОСТ Р МЭК 60068-2-30-2009 "Испытания на воздействия внешних факторов. Часть 2-30. Испытания. Испытание Db: Влажное тепло, циклическое (12 ч + 12-часовой цикл)".
4) В Российской Федерации действует ГОСТ Р 50571.4.44-2019 (МЭК 60364-4-44:2007) "Электроустановки низковольтные. Часть 4.44. Защита для обеспечения безопасности. Защита от резких отклонений напряжения и электромагнитных возмущений".
5) В Российской Федерации действует ГОСТ Р 50571.5.53-2013/МЭК 60364-5-53:2002 "Электроустановки низковольтные. Часть 5-53. Выбор и монтаж электрооборудования. Отделение, коммутация и управление".
6) В Российской Федерации действует ГОСТ Р МЭК 60664.1-2012 "Координация изоляции для оборудования в низковольтных системах. Часть 1. Принципы, требования и испытания".
──────────────────────────────
|
Обозначение ссылочного международного стандарта |
Степень соответствия |
Обозначение и наименование соответствующего межгосударственного стандарта |
|
IEC 60664-3:2010 |
IDT |
ГОСТ IEC 60664-3-2015 "Координация изоляции для оборудования низковольтных систем. Часть 3. Использование покрытий, герметизации и формовки для защиты от загрязнения" |
|
IEC 60695-2-10:2013 |
- |
*, 1) |
|
IEC 60884-1:2013 |
MOD |
ГОСТ 30988.1-2020 (IEC 60884-1:2013) "Соединители электрические штепсельные бытового и аналогичного назначения. Часть 1. Общие требования и методы испытаний" |
|
IEC 61009-1:2013 |
IDT |
ГОСТ IEC 61009-1-2020 "Выключатели автоматические, срабатывающие от остаточного тока, со встроенной защитой от тока перегрузки, бытовые и аналогичного назначения. Часть 1. Общие правила" |
|
IEC 61543:1995 |
MOD |
ГОСТ 31216-2003 (МЭК 61543:1995) "Совместимость технических средств электромагнитная. Устройства защитного отключения, управляемые дифференциальным током (УЗО-Д), бытового и аналогичного назначения. Требования и методы испытаний" 2) |
|
CISPR 14-1:2016 |
IDT |
ГОСТ CISPR 14-1-2015 "Электромагнитная совместимость. Требования для бытовых приборов, электрических инструментов и аналогичных аппаратов. Часть 1. Электромагнитная эмиссия" |
|
IEC 61210:2010 |
IDT |
ГОСТ IEC 61210-2011 "Устройства присоединительные. Зажимы плоские быстросоединяемые для медных электрических проводников. Требования безопасности" |
|
IEC 61545:1996 |
MOD |
ГОСТ 31604-2020 (IEC 61545:1996) "Соединительные устройства. Устройства для присоединения алюминиевых проводников к зажимам из любого материала и медных проводников к зажимам из алюминиевых сплавов. Общие требования и методы испытаний" |
|
* Соответствующий межгосударственный стандарт отсутствует. До его принятия рекомендуется использовать перевод на русский язык данного международного стандарта. Примечание - В настоящей таблице использованы следующие условные обозначения степени соответствия стандартов: - IDT - идентичные стандарты; - MOD - модифицированные стандарты; - NEQ - неэквивалентные стандарты. | ||
──────────────────────────────
1) В Российской Федерации действует ГОСТ Р МЭК 60695-2-10-2011 "Испытания на пожароопасность. Часть 2-10. Основные методы испытаний раскаленной проволокой. Установка испытания раскаленной проволокой и общие процедуры испытаний".
2) В Российской Федерации действует ГОСТ Р 51329-2013 (МЭК 61543:1995) "Совместимость технических средств электромагнитная. Устройства защитного отключения, управляемые дифференциальным током (УЗО-Д), бытового и аналогичного назначения. Требования и методы испытаний".
──────────────────────────────
Библиография
|
[1] |
IEC 60050-441:1984 |
International Electrotechnical Vocabulary - Chapter 441: Switchgear, controlgear and fuses (Международный электротехнический словарь. Часть 441. Коммутационная аппаратура, аппаратура управления и предохранители) |
|
[2] |
IEC 60050-604:1987 |
International Electrotechnical Vocabulary - Chapter 604: Generation, transmission and distribution of electricity - Operation (Международный электротехнический словарь. Глава 604. Производство, передача и распределение электрической энергии. Эксплуатация) |
|
[3] |
IEC 60050-604:1987/AMD1:1998 |
Изменение 1:1998 |
|
[4] |
IEC 60269-1:2006 |
Low-voltage fuses - Part 1: General requirements (Предохранители плавкие низковольтные. Часть 1. Общие требования) |
|
[5] |
IEC 60664-5 |
Insulation coordination for equipment within low-voltage systems - Part 5: Comprehensive method for determining clearances and creepage distances equal to or less than 2 mm (Координация изоляции для оборудования в низковольтных системах. Часть 5. Комплексный метод определения зазоров и путей утечки, равных или менее 2 мм) |
|
[6] |
IEC/TR 60755:2008 |
General requirements for residual current operated protective devices (Общие требования к защитным устройствам, работающим по принципу остаточного тока) |
|
[7] |
IEC 60947-1:2007 |
Low-voltage switchgear and controlgear - Part 1: General rules (Аппаратура распределения и управления низковольтная. Часть 1. Общие правила) |
|
[8] |
IEC 62640 |
Residual current devices with or without overcurrent protection for socket-outlets for household and similar uses (Устройства защитного отключения с защитой от сверхтоков и без нее для штепсельных розеток бытового и аналогичного применения) |
|
[9] |
ASTM D785-08 |
Standard Test Method for Rockwell Hardness of Plastics and Electrical Insulating Materials (Стандартный метод определения твердости по Роквеллу пластмасс и электроизоляционных материалов) |


