ГОСТ IEC 60898-1-2020 АППАРАТУРА МАЛОГАБАРИТНАЯ ЭЛЕКТРИЧЕСКАЯ. АВТОМАТИЧЕСКИЕ ВЫКЛЮЧАТЕЛИ ДЛЯ ЗАЩИТЫ ОТ СВЕРХТОКОВ БЫТОВОГО И АНАЛОГИЧНОГО НАЗНАЧЕНИЯ. Часть 1. АВТОМАТИЧЕСКИЕ ВЫКЛЮЧАТЕЛИ ДЛЯ ПЕРЕМЕННОГО ТОКА
Electrical accessories. Circuit-breakers for overcurrent protection for household and similar installations. Part 2. Circuit-breakers for a.c. operation
МКС 29.120.50
Дата введения - 1 марта 2021 г.
Введен впервые
Предисловие
Цели, основные принципы и общие правила проведения работ по межгосударственной стандартизации установлены ГОСТ 1.0 "Межгосударственная система стандартизации. Основные положения" и ГОСТ 1.2 "Межгосударственная система стандартизации. Стандарты межгосударственные, правила и рекомендации по межгосударственной стандартизации. Правила разработки, принятия, обновления и отмены"
Сведения о стандарте
1 Подготовлен Акционерным обществом "Диэлектрические кабельные системы" (АО "ДКС") на основе собственного перевода на русский язык англоязычной версии стандарта, указанного в пункте 5
2 Внесен Федеральным агентством по техническому регулированию и метрологии
3 Принят Межгосударственным советом по стандартизации, метрологии и сертификации (протокол от 29 мая 2020 г. N 130-П)
За принятие проголосовали:
|
Краткое наименование страны по МК (ИСО 3166) 004-97 |
Код страны по МК (ИСО 3166) 004-97 |
Сокращенное наименование национального органа по стандартизации |
|
Армения |
AM |
Минэкономики Республики Армения |
|
Беларусь |
BY |
Госстандарт Республики Беларусь |
|
Киргизия |
KG |
Кыргызстандарт |
|
Россия |
RU |
Росстандарт |
|
Таджикистан |
TJ |
Таджикстандарт |
|
Узбекистан |
UZ |
Узстандарт |
4 Приказом Федерального агентства по техническому регулированию и метрологии от 4 августа 2020 г. N 465-ст межгосударственный стандарт ГОСТ IEC 60898-1-2020 введен в действие в качестве национального стандарта Российской Федерации с 1 марта 2021 г.
5 Настоящий стандарт идентичен международному стандарту IEC 60898-1:2019 "Аппаратура малогабаритная электрическая. Автоматические выключатели для защиты от сверхтоков бытового и аналогичного назначения. Часть 1. Автоматические выключатели для переменного тока" ("Electrical accessories - Circuit-breakers for overcurrent protection for household and similar installations - Part 1: Circuit-breakers for a.c. operation", IDT).
Международный стандарт разработан Подкомитетом 23Е "Автоматические выключатели и аналогичное оборудование для бытового назначения" Технического комитета 23 "Электрическое вспомогательное оборудование" Международной электротехнической комиссии (IEC).
При применении настоящего стандарта рекомендуется использовать вместо ссылочных международных стандартов соответствующие им межгосударственные стандарты, сведения о которых приведены в дополнительном приложении ДА
6 Введен впервые
Настоящий стандарт распространяется на воздушные автоматические выключатели (далее - выключатели) для переменного тока для работы при частоте 50 или 60 Гц на номинальное напряжение (между фазами) не более 440 В, номинальный ток не более 125 А и номинальную отключающую способность не более 25 000 А.
По возможности он согласуется с требованиями, содержащимися в IEC 60947-2.
Примечание - Дополнительные требования предъявляются к автоматическим выключателям, используемым в местах с более жесткими условиями перенапряжения.
Выключатели предназначены для защиты от сверхтоков электроустановок в зданиях и аналогичных установок. Они рассчитаны на использование не обученными специально людьми и не требуют технического обслуживания.
Выключатели предназначены для применения в окружающей среде со степенью загрязнения 2 и категории перенапряжения III.
Для окружающей среды с более высокой степенью загрязнения используются ограждения, обеспечивающие соответствующую степень защиты.
Выключатели пригодны для разъединения.
Согласно настоящему стандарту выключатели, кроме тех, что рассчитаны на номинальное напряжение 120 или 120/240 В (см. таблицу 1), пригодны для применения в системах IT.
Настоящий стандарт устанавливает требования к выключателям, рассчитанным на несколько значений номинального тока при условии, что устройство перехода от одного номинального значения тока к другому недоступно при нормальной эксплуатации и этот переход невозможен без применения инструмента.
Настоящий стандарт не распространяется на выключатели:
- предназначенные для защиты двигателей;
- ток уставки которых регулируется средствами, доступными для потребителя.
Для выключателей со степенью защиты выше чем IP20 по IEC 60529, используемых в местах с жесткими условиями окружающей среды (например, с чрезмерной влажностью, слишком высокой или низкой температурой, с отложениями пыли) и в опасных условиях (например, взрывоопасных), может потребоваться особая конструкция.
Требования к выключателям, применяемым при постоянном и переменном токе, изложены в IEC 60898-2.
Настоящий стандарт не применяется к автоматическим выключателям постоянного тока, которые подпадают под действие стандарта IEC 60898-3.
Дополнительные требования предъявляются к выключателям, имеющим устройства защитного отключения, управляемые дифференциальным током, по IEC 61009-1, IEC 61009-2-1 и IEC 61009-2-2.
Руководство по координации в условиях короткого замыкания между автоматическим выключателем и другим устройством защиты от короткого замыкания (УЗКЗ) приведено в приложении D. Для более серьезных условий перенапряжения автоматических выключателей, соответствующих другим стандартам (например, IEC 60947-2), должен быть использован соответствующий стандарт.
Примечание - Автоматические выключатели в рамках настоящего стандарта могут также использоваться для защиты от поражения электрическим током в случае неисправности, в зависимости от их характеристик срабатывания и характеристик установки. Критерий применения для таких целей определяется правилами установки.
В настоящем стандарте приведены все требования, соблюдение которых должно обеспечить соответствие рабочим характеристикам, необходимым для выключателей согласно типовым испытаниям.
Он также содержит подробности, касающиеся требований к испытаниям и методов испытаний, необходимых для обеспечения воспроизводимости результатов испытаний.
Настоящий стандарт устанавливает:
a) характеристики автоматических выключателей;
b) условия, которым должны соответствовать автоматические выключатели, со ссылкой на:
1) их работу и поведение в обычном режиме;
2) их работу и поведение в случае перегрузки;
3) их работу и поведение в случае коротких замыканий вплоть до их номинальной мощности короткого замыкания;
4) их диэлектрические свойства;
c) испытания, предназначенные для подтверждения того, что эти условия были выполнены, и методы, которые должны быть приняты для испытаний;
d) данные, маркируемые на выключателях;
e) последовательности испытаний, которые необходимо выполнить, и количество образцов (см. приложение С);
f) координацию в условиях короткого замыкания с другим УЗКЗ, связанным с той же цепью (см. приложение D);
g) контрольные испытания, проводимые на каждом выключателе, для выявления недопустимых изменений в материале или изготовлении, которые могут повлиять на безопасность (см. приложение I).
В настоящем стандарте использованы нормативные ссылки на следующие стандарты. Для датированных ссылок применяют только указанное издание ссылочного стандарта, для недатированных - последнее издание (включая все изменения).
IEC 60050 (all parts), International Electrotechnical Vocabulary (Международный электротехнический словарь) (все части IEC 60050)
IEC 60227 (all parts), Polyvinyl chloride insulated cables of rated voltages up to and including 450/750 В (Кабели с поливинилхлоридной изоляцией на номинальное напряжение до 450/750 включительно) (все части IEC 60227)
IEC 60269 (all parts), Low-voltage fuses (Низковольтные предохранители) (все части IEC 60269)
IEC 60364-4-41:2005, Low-voltage electrical installations - Part 4-41: Protection for safety - Protection against electric shock (Электроустановки низковольтные. Часть 4-41. Защита в целях безопасности. Защита от поражения электрическим током)
IEC 60417, Graphical symbols for use on equipment. (Графические символы для использования на оборудовании)
IEC 60529, Degrees of protection provided by enclosures (IP Code) [Степени защиты, обеспечиваемые оболочками (Код IP)]
IEC 60664-1:2007, Insulation co-ordination for equipment within low-voltage systems - Part 1: Principles, requirements and tests (Координация изоляции для оборудования в низковольтных системах. Часть 1. Принципы, требования и испытания)
IEC 60664-3, Insulation coordination for equipment within low-voltage systems - Part 3: Use of coating, potting or moulding for protection against pollution (Координация изоляции для оборудования в низковольтных системах. Часть 3. Использование покрытия, герметизации или заливки для защиты от загрязнения)
IEC 60695-2-10, Fire hazard testing - Part 2-10: Glowing/hot-wire based test methods - Glow-wire apparatus and common test procedure (Испытание на пожароопасность. Часть 2-10. Методы испытаний раскаленной/горячей проволокой. Установка с раскаленной проволокой и общие методы испытаний)
IEC 60695-2-11:2000 1), Fire hazard testing - Part 2-11: Glowing/hot-wire based test methods - Glow-wire flammability test method for end-products (Испытания на пожароопасность. Часть 2-11. Методы испытаний раскаленной/горячей проволокой. Метод испытания конечной продукции на воспламеняемость под действием раскаленной проволоки)
──────────────────────────────
1) Заменен на IEC 60695-2-11:2014. Однако для однозначного соблюдения требования настоящего стандарта, выраженного в датированной ссылке, рекомендуется использовать только указанное в этой ссылке издание.
──────────────────────────────
IEC 60947-1:2007, Low-voltage switchgear and controlgear - Part 1: General rules (Аппаратура распределения и управления низковольтная. Часть 1. Общие правила)
IEC 60947-2:2006 2), Low-voltage switchgear and controlgear - Part 2: Circuit-breakers (Аппаратура распределения и управления низковольтная. Часть 2. Автоматические выключатели)
──────────────────────────────
2) Заменен на IEC 60947-2:2016. Однако для однозначного соблюдения требования настоящего стандарта, выраженного в датированной ссылке, рекомендуется использовать только указанное в этой ссылке издание.
──────────────────────────────
IEC 61545:1996, Connecting devices - Devices for the connection of aluminium conductors in clamping units of any material and copper conductors in aluminium bodied clamping units (Устройства соединительные. Устройства для соединения алюминиевых проводников в зажимных узлах из любого материала и медных проводников в зажимных узлах с алюминиевым корпусом)
В настоящем стандарте применены термины по IEC 60050-441, а также следующие термины с соответствующими определениями.
3.1.1 коммутационный аппарат (switching device): Аппарат, предназначенный для включения или отключения тока в одной или нескольких электрических цепях.
[IEC 60050-441 (определение 14-01)]
3.1.2 контактный коммутационный аппарат (mechanical switching device): Механический коммутационный аппарат, предназначенный для замыкания и размыкания одной или нескольких электрических цепей с помощью разъединяемых контактов.
[IEC 60050-441 (определение 14-02, изменено)]
3.1.3 плавкий предохранитель (fuse): Коммутационный аппарат, который вследствие расплавления одного или нескольких своих специально предназначенных и соразмерных компонентов размыкает цепь, в которую он включен, и отключает ток, когда тот превышает заданное значение в течение определенного времени.
[IEC 60050-441 (определение 18-01, изменено - удалено "Предохранитель состоит из всех частей, составляющих полное устройство")]
3.1.4 автоматический выключатель (механический) [circuit-breaker (mechanical)]: Механический коммутационный аппарат, способный включать, проводить и отключать токи в нормальном состоянии цепи, а также включать, проводить в течение заданного времени и автоматически отключать токи в указанном аномальном состоянии цепи, например токи короткого замыкания.
[IEC 60050-441 (определение 14-20, изменено)]
3.1.5 автоматический выключатель втычного типа (plug-in circuit-breaker): Автоматический выключатель с одним или несколькими штыревыми выводами (см. 3.3.20), предназначенный для применения с соответствующим устройством для штепсельного соединения.
3.2.1 сверхток (overcurrent): Любой ток, превышающий номинальный.
[IEC 60050-441 (определение 11-06)]
3.2.2 ток перегрузки (overload current): Сверхток в электрически не поврежденной цепи.
Примечание - Достаточно длительный ток перегрузки может привести к повреждению.
3.2.3 ток короткого замыкания (short-circuit current): Сверхток, обусловленный замыканием с ничтожно малым полным сопротивлением между точками, которые в нормальных условиях эксплуатации должны иметь разный потенциал.
[IEC 60050-441 (определение 14-07)]
Примечание - Ток короткого замыкания может возникнуть в результате неисправности или неправильного подключения (соединения).
3.2.4 главная цепь (автоматического выключателя) [main circuit (of a circuit-breaker)]: Совокупность всех токопроводящих частей автоматического выключателя, входящих в цепь, которую он предназначен замыкать и размыкать.
3.2.5 цепь управления (автоматическим выключателем) [control circuit (of a circuit-breaker)]: Цепь (кроме главной цепи), предназначенная для осуществления замыкания или размыкания или осуществления обеих функций автоматического выключателя.
3.2.6 вспомогательная цепь (автоматического выключателя) [auxiliary circuit (of a circuit-breaker)]: Совокупность токопроводящих частей автоматического выключателя, предназначенных для включения в цепь, кроме главной цепи и цепи управления автоматического выключателя.
3.2.7 полюс (автоматического выключателя) [pole (of a circuit-breaker)]: Часть автоматического выключателя, связанная исключительно с одним электрически независимым токопроводящим путем главной цепи и имеющая контакты, предназначенные для замыкания и размыкания главной цепи, и не включающая элементы, предназначенные для монтажа и оперирования всеми полюсами.
3.2.7.1 защищенный полюс (protected pole): Полюс, оснащенный максимальным расцепителем тока (см. 3.3.6).
3.2.7.2 незащищенный полюс (unprotected pole): Полюс, не оснащенный максимальным расцепителем тока (см. 3.3.6), но в остальном способный функционировать так же, как защищенный полюс того же автоматического выключателя.
Примечания
1 Во исполнение этого требования незащищенный полюс может иметь такую же конструкцию, как один или более защищенных полюсов, или особую конструкцию.
2 Если отключающая способность незащищенного полюса иная, чем одного или более защищенных полюсов, это должно быть оговорено изготовителем.
3.2.7.3 отключающий нейтральный полюс (switched neutral pole): Полюс, предназначенный только для отключения нейтрального проводника и не предназначенный для отключения токов короткого замыкания.
3.2.8 замкнутое положение (closed position): Положение, в котором обеспечивается заданная непрерывность главной цепи автоматического выключателя.
3.2.9 разомкнутое положение (open position): Положение, в котором обеспечивается заданный зазор между разомкнутыми контактами в главной цепи автоматического выключателя.
3.2.10 температура воздуха
3.2.10.1 температура окружающего воздуха (ambient air temperature): Определенная в предписанных условиях температура воздуха, окружающего автоматический выключатель.
Примечание - Для автоматических выключателей, установленных внутри корпуса, это температура воздуха за пределами корпуса.
[IEC 60050-441 (определение 11-13, изменено - "полное переключающее устройство или предохранитель" заменено на "автоматический выключатель")]
3.2.10.2 контрольная температура (reference ambient air temperature): Температура окружающего воздуха, при которой устанавливают времятоковые характеристики.
3.2.11 срабатывание (operation): Переход одного или более подвижных контактов из разомкнутого в замкнутое положение и наоборот.
Примечание - Для установления различия срабатывание под нагрузкой (например, включение или отключение тока) обозначает коммутацию, а без нагрузки (например, замыкание или размыкание цепи без тока) - механическое срабатывание.
3.2.12 цикл оперирования (operating cycle): Последовательность переходов из одного положения в другое с возвратом в начальное положение.
3.2.13 последовательность срабатываний (operating seqiuence): Последовательность заданных оперирований с указанными интервалами времени.
[IEC 60050-441 (определение 16-03)]
3.2.14 продолжительный режим (uninterrupted duty): Режим, при котором главные контакты автоматического выключателя остаются замкнутыми, непрерывно проводя установившийся ток в течение длительного времени (неделями, месяцами или даже годами).
3.2.15 испытание типа (type test): Испытание одного или нескольких устройств, изготовленных по определенной конструкции, чтобы показать, что конструкция отвечает определенным требованиям.
[IEC 60050-411 (определение 53-01, изменено - "машины" и "технические характеристики" заменены на "устройства" и "требования" соответственно]
3.2.16 обычное испытание (routine test): Испытание, которому подвергается каждое отдельное устройство во время или после изготовления, чтобы убедиться, соответствует ли оно определенным критериям.
[IEC 60050-411 (определение 53-02, изменено - "машина" заменена на "устройство"]
3.3.1 главный контакт (main contact): Контакт, включенный в главную цепь автоматического выключателя и предназначенный для проведения в замкнутом положении тока главной цепи.
3.3.2 дугогасительный контакт (arcing contact): Контакт, на котором предусматривается возникновение дуги.
Примечание - Дугогасительный контакт может служить главным контактом, а может быть отдельным контактом, спроектированным так, чтобы размыкаться позже, а замыкаться раньше другого контакта, защищаемого им от повреждения.
[IEC 60050-441 (определение 1508)]
3.3.3 контакт управления (control contact): Контакт, входящий в цепь управления автоматического выключателя и механически приводимый в действие этим автоматическим выключателем.
3.3.4 вспомогательный контакт (auxiliary contact): Контакт, входящий во вспомогательную цепь автоматического выключателя и механически приводимый в действие этим выключателем (например, для указания положения контактов).
3.3.5 расцепитель (release): Устройство, механически связанное с автоматическим выключателем (или встроенное в него), которое освобождает удерживающее устройство в механизме автоматического выключателя и вызывает автоматическое срабатывание выключателя.
3.3.6 максимальный расцепитель тока (overcurrent release): Расцепитель, вызывающий срабатывание автоматического выключателя, с выдержкой времени или без нее, когда ток в этом расцепителе превышает заданное значение.
Примечание - В некоторых случаях эта величина может зависеть от скорости нарастания тока.
3.3.7 максимальный расцепитель тока с обратнозависимой выдержкой времени (inverse time-delay overcurrent release): Максимальный расцепитель тока, срабатывающий после выдержки времени, находящейся в обратной зависимости от значения сверхтока.
Примечание - Такой расцепитель может быть спроектирован так, чтобы выдержка времени при высоких значениях сверхтока достигала определенного минимального значения.
3.3.8 максимальный расцепитель тока прямого действия (direct overcurrent release): Максимальный расцепитель тока, срабатывающий непосредственно от протекающего тока в главной цепи автоматического выключателя.
3.3.9 расцепитель перегрузки (overload release): Максимальный расцепитель тока, предназначенный для защиты от перегрузок.
3.3.10 токопроводящая часть (conductive part): Часть, способная проводить ток, но не обязательно предназначенная для проведения тока в нормальных условиях эксплуатации.
3.3.11 открытая токопроводящая часть (exposed conductive part): Токопроводящая часть, открытая для прикосновения и в нормальных условиях эксплуатации не находящаяся под напряжением, но которая может оказаться под напряжением в аварийных условиях.
Примечание - Типичные открытые токопроводящие части - стенки металлических оболочек, металлические ручки управления и т.п.
3.3.12 вывод (terminal): Токопроводящая часть аппарата, предназначенная для электрического соединения с внешними цепями.
3.3.12.1 резьбовой вывод (screw-type terminal): Вывод для присоединения и отсоединения проводника или разъемного соединения между собой двух или нескольких проводников, осуществляемого прямо или косвенно винтами или гайками любого типа.
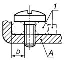
3.3.12.2 столбчатый вывод (pillar terminal): Резьбовой вывод, в котором проводник вводится в отверстие или полость и зажимается одним или более винтами.
Примечания
1 Зажимное давление может быть приложено непосредственно хвостовиком винта или через промежуточный зажимной элемент, к которому давление прикладывается хвостовиком винта.
2 Примеры столбчатых выводов представлены на рисунке F.1 (приложение F).
[IEC 60050-442 (определение 06-22)]
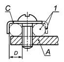
3.3.12.3 винтовой вывод (screw terminal): Резьбовой вывод, в котором проводник зажимается под головкой винта; давление зажима передается непосредственно головкой винта или через промежуточный элемент типа шайбы, зажимной пластины или устройства, препятствующего выскальзыванию проводника.
Примечание - Примеры винтовых выводов представлены на рисунке F.2 (приложение F).
[IEC 60050-442 (определение 06-08)]
3.3.12.4 болтовой вывод (stud terminal): Резьбовой вывод, в котором проводник зажимается под гайкой.
Примечания
1 Зажимное давление может передаваться от гайки соответствующей конфигурации или через промежуточный элемент типа шайбы, зажимной пластины или устройства, препятствующего выскальзыванию проводника.
2 Примеры болтовых выводов представлены на рисунке F.2 (приложение F).
[IEC 60050-442 (определение 06-23)]
3.3.12.5 пластинчатый вывод (saddle terminal): Резьбовой вывод, в котором проводник зажимается под изогнутой пластиной двумя или более винтами или гайками.
Примечание - Примеры пластинчатых выводов представлены на рисунке F.3 (приложение F).
[IEC 60050-442 (определение 06-09)]
3.3.12.6 вывод для кабельных наконечников и шин (lug terminal): Винтовой или болтовой вывод, предназначенный для зажима наконечника или шины с помощью винта или гайки.
Примечание - Примеры выводов для кабельных наконечников и шин представлены на рисунке F.4 (приложение F).
[IEC 60050-442 (определение 06-16)]
3.3.12.7 безрезьбовой вывод (screwless terminal): Вывод для присоединения и последующего отсоединения одного проводника или разъемного соединения между собой двух или более проводников, осуществляемого прямо или косвенно пружинами, клиньями, эксцентриками, конусами и т.п. без специальной подготовки проводника, за исключением удаления изоляции.
[IEC 60050-442 (определение 06-13, изменено - добавлена последняя часть текста]
3.3.12.8 штыревой вывод (plug-in terminal): Вывод, электрическое присоединение и отсоединение которого осуществляется без перемещения проводников соответствующей цепи.
Примечание - Присоединение осуществляется без использования инструмента и обеспечивается упругостью неподвижных и/или подвижных частей и/или пружинами.
3.3.13 самонарезающий винт (tapping screw): Винт, изготовленный из материала с более высоким сопротивлением деформации и вставляемый посредством вращения в отверстие, выполненное в материале с меньшим сопротивлением деформации.
Примечания
1 Винт имеет коническую резьбу, т.е. с уменьшением диаметра резьбы на конце винта.
2 Резьба при ввинчивании надежно формуется только после числа оборотов, превышающего число витков резьбы на коническом участке.
3.3.13.1 самонарезающий формующий винт (thread-forming tapping screw): Самонарезающий винт с непрерывной резьбой.
Примечания
1 Эта функция не предназначена для удаления материала из отверстия.
2 Пример самонарезающего формующего винта представлен на рисунке 1.
3.3.13.2 самонарезающий режущий винт (thread-cutting tapping screw): Самонарезающий винте непрерывной резьбой, предназначенный для удаления материала из отверстия.
Примечание - Пример самонарезающего режущего винта представлен на рисунке 2.
3.4.1 замыкание (closing operation): Перевод контактов выключателя из разомкнутого положения в замкнутое.
3.4.2 размыкание (opening operation): Перевод контактов выключателя из замкнутого положения в разомкнутое.
3.4.3 ручное управление при наличии зависимого привода (dependent manual operation): Управление исключительно путем прямого приложения физической энергии оператора, от которой зависит скорость и сила оперирования.
[IEC 60050-441 (определение 16-13)]
3.4.4 ручное управление при наличии привода независимого действия (independent manual operation): Оперирование за счет энергии оператора, накопленной в механизме, при которой скорость и сила, развиваемые механизмом, не зависят от действия оператора.
[IEC 60050-441 (определение 16-16)]
3.4.5 автоматический выключатель со свободным расцеплением (trip-free circuit-breaker): Выключатель, подвижные контакты которого возвращаются в разомкнутое положение и остаются в нем, когда операция автоматического размыкания начинается после начала операции замыкания, даже если сохраняется команда на замыкание.
Примечание - Чтобы обеспечивалось полное отключение тока, который мог бы включиться, может потребоваться мгновенное достижение контактами замкнутого положения.
Примечание - При отсутствии других указаний все значения тока и напряжения действующие.
3.5.1 номинальное значение (rated value): Указанное значение любого характеристического параметра, определяющее рабочие условия, для которых спроектирован и построен автоматический выключатель.
3.5.2 ожидаемый ток (prospective current): Ток, который протекал бы в цепи, если бы каждый полюс выключателя был заменен проводником с возможно малым полным сопротивлением.
Примечание - Ожидаемый ток может быть классифицирован так же, как и фактический ток, например ожидаемый ток отключения, ожидаемый пиковый ток.
[IEC 60050-441 (определение 17-01, изменено - "полное переключающее устройство или предохранитель" заменено на "выключатель"]
3.5.3 ожидаемый пиковый ток (prospective peak current): Пиковое значение ожидаемого тока в течение переходного периода после включения.
Примечание - Это определение подразумевает, что ток включается идеальным выключателем, т.е. с мгновенным переходом от бесконечного к нулевому значению полного сопротивления. Для цепей, в которых ток может проходить по нескольким разным путям, например для многофазных цепей, предполагается также, что ток включается одновременно во всех полюсах, даже если рассматривается ток только в одном полюсе.
[IEC 60050-441 (определение 17-02)]
3.5.4 максимальный ожидаемый пиковый ток (maximum prospective peak current): Ожидаемый пиковый ток, когда включение тока происходит в момент, обуславливающий его наибольшее возможное значение.
Примечание - Для многополюсных автоматических выключателей в многофазных цепях максимальный ожидаемый пиковый ток характеризует только один полюс.
[IEC 60050-441 (определение 17-04)]
3.5.5 наибольшая отключающая (включающая и отключающая) способность (short-circuit making and breaking capacity): Переменная составляющая ожидаемого тока, выраженная его действующим значением, которую выключатель способен включать, проводить в течение своего времени размыкания и отключать при определенных условиях.
3.5.5.1 предельная наибольшая отключающая способность (ultimate short-circuit breaking capacity): Отключающая способность, для которой предписанные условия согласно указанному циклу испытаний не предусматривают способности выключателя проводить в течение условленного времени ток, равный 0,85 тока неотключения.
3.5.5.2 рабочая наибольшая отключающая способность (service short-circuit breaking capacity): Отключающая способность, для которой предписанные условия согласно указанному циклу испытаний предусматривают способность выключателя проводить в течение условленного времени ток, равный 0,85 тока неотключения.
3.5.6 ток отключения (breaking current): Ток в одном полюсе выключателя в момент возникновения дуги в процессе отключения.
3.5.7 напряжение до включения (applied voltage): Напряжение, существующее между выводами полюса выключателя непосредственно перед включением тока.
[IEC 60050-441 (определение 17-24)]
Примечание - Это определение относится к однополюсному выключателю. Для многополюсных выключателей напряжение до включения - это напряжение между входными выводами выключателя.
3.5.8 восстанавливающееся и возвращающееся напряжение (recovery voltage): Напряжение, появляющееся на выводах полюса выключателя после отключения тока.
[IEC 60050-441 (определение 17-25, изменено)]
Примечания
1 Это напряжение может рассматриваться в течение двух последовательных промежутков времени, во время первого из которых существует переходное восстанавливающееся напряжение, а во время последующего второго промежутка существует только возвращающееся напряжение промышленной частоты.
2 Это определение относится только к однополюсному выключателю. Для многополюсных выключателей восстанавливающееся напряжение - это напряжение на входных выводах выключателя.
3.5.8.1 восстанавливающееся напряжение (transient recovery voltage): Восстанавливающееся напряжение в период, когда оно носит существенно переходный характер.
Примечание - Восстанавливающееся напряжение может быть колебательным, или неколебательным, или смешанным в зависимости от характеристик цепи или выключателя. Оно включает изменение потенциала нулевой точки многофазной цепи.
[IEC 60050-441 (определение 17-26, изменено)]
3.5.8.2 восстанавливающееся напряжение промышленной частоты (возвращающееся) (power-frequency recovery voltage): Восстанавливающееся напряжение после завершения переходного процесса.
[IEC 60050-441 (определение 17-27)]
3.5.9 время размыкания (opening time): Время, измеряемое от момента, когда ток в главной цепи выключателя, находящегося в замкнутом состоянии, достигает уровня срабатывания максимального расцепителя тока, до момента погасания дуги на контактах всех полюсов.
Примечание - Время размыкания обычно определяют как время срабатывания, хотя, точнее, время срабатывания относят ко времени между моментом, когда команда на размыкание становится необратимой и начальным моментом времени размыкания.
3.5.10 время дуги (arcing time)
3.5.10.1 время дуги в полюсе (arcing time of a pole): Интервал времени между моментом появления дуги в полюсе и моментом ее окончательного погасания в этом полюсе.
[IEC 60050-441 (определение 17-37, изменено)].
3.5.10.2 время дуги в многополюсном выключателе (arcing time of a multipole circuit-breaker): Интервал времени между моментом первого появления дуги и моментом окончательного погасания всех дуг во всех полюсах.
[IEC 60050-441 (определение 17-38)].
3.5.11 время отключения (сверхтока) (break time): Интервал времени между началом времени размыкания выключателя и окончанием времени горения дуги при наличии сверхтока.
3.5.12 интеграл Джоуля, I2t [I2t (Joule integral)]: Интеграл квадрата силы тока по данному интервалу времени (t0, t1)
.
3.5.13 характеристика I2t выключателя (I2t characteristic of a circuit-breaker): Кривая, дающая максимальное значение I2t как функцию ожидаемого тока в заданных условиях эксплуатации.
3.5.14 координация между последовательно соединенными устройствами защиты от сверхтоков (co-ordination between overcurrent protective devices in series)
3.5.14.1 координация по сверхтоку устройств защиты от сверхтоков (overcurrent protective coordination of overcurrent protective devices): Координация двух или нескольких устройств, соединенных последовательно, для обеспечения селективности при сверхтоках и/или резервной защиты.
3.5.14.2 селективность по сверхтокам (overcurrent discrimination): Координация рабочих характеристик двух или нескольких устройств для защиты от сверхтоков с таким расчетом, чтобы в случае возникновения сверхтоков в пределах указанного диапазона срабатывало, а прочие не срабатывали.
[IEC 60947-2:2016 (определение 2.17.1, изменено - добавлено "последовательно")]
3.5.14.3 резервная защита (back-up protection): Координация по сверхтокам двух устройств для защиты от сверхтока, соединенных последовательно, когда защитное устройство, расположенное как правило, но не обязательно на входной стороне, осуществляет защиту от сверхтока с помощью или без помощи второго защитного устройства и предохраняет последнее от чрезмерной нагрузки.
[IEC 60947-1:2007 (определение 2.5.24)]
3.5.14.4 полная селективность (total selectivity): Селективность по сверхтокам, когда при последовательном соединении двух аппаратов для защиты от сверхтоков аппарат, расположенный со стороны нагрузки, осуществляет защиту от сверхтока без срабатывания второго защитного аппарата.
[IEC 60947-2:2006 (определение 2.17.2)]
3.5.14.5 частичная селективность (partial selectivity): Селективность по сверхтокам, когда при последовательном соединении двух аппаратов для защиты от сверхтоков аппарат, расположенный со стороны нагрузки, осуществляет защиту до определенного уровня сверхтока без срабатывания второго защитного аппарата.
[IEC 60947-2:2006, (определение 2.17.3)]
3.5.14.6 предельный ток селективности Is [selectivity limit current (Is)]: Токовая координата точки пересечения времятоковой характеристики в зоне наибольшей отключающей способности защитного аппарата на стороне нагрузки с преддуговой характеристикой (для предохранителя) или времятоковой характеристикой расцепителя (для автоматического выключателя) другого защитного аппарата.
Примечание - Предельный ток селективности - это предельное значение тока [см. рисунок D.1 (приложение D)]:
- ниже которого при наличии двух последовательно соединенных аппаратов защиты от сверхтока аппарат со стороны нагрузки успевает завершить процесс отключения до того, как его начнет второй аппарат (т.е. селективность обеспечивается);
- выше которого при наличии двух последовательно соединенных аппаратов защиты от сверхтока аппарат со стороны нагрузки может не успеть завершить процесс отключения до того, как его начнет второй аппарат (т.е. селективность не обеспечивается).
[IEC 60947-2:2006, (определение 2.17.4)]
3.5.14.7 ток координации IB [take-over current (IB)]: Токовая координата точки пересечения времятоковых характеристик двух аппаратов защиты от сверхтоков.
Примечание - Ток координации - это токовая координата точки пересечения характеристик "максимальное время отключения - ток" двух аппаратов защиты от сверхтоков.
[IEC 60050-441 (определение 17-16)]
3.5.14.8 условный ток короткого замыкания (в цепи или коммутационном аппарате) [conditional short-circuit current (of a circuit or a switching device)]: Ожидаемый ток, который цепь или коммутационный аппарат, защищенный заданным устройством для защиты от коротких замыканий, способны удовлетворительно выдерживать в течение всего времени срабатывания защитного устройства в указанных условиях эксплуатации и поведения.
Примечания
1 В настоящем стандарте устройством для защиты от коротких замыканий служит, как правило, автоматический выключатель или плавкий предохранитель.
2 Данное определение отличается от формулировки IEC 60050-441 (определение 17-20) расширением понятия токоограничивающего аппарата до устройства для защиты от коротких замыканий, функция которого не сводится только к токоограничению.
[IEC 60947-1:2007, (определение 2.5.29)]
3.5.14.9 номинальный условный ток короткого замыкания Inc [rated conditional short-circuit current (Inc)]: Указанное изготовителем значение ожидаемого тока, который этот аппарат, оснащенный предусмотренным изготовителем устройством для защиты от коротких замыканий, может удовлетворительно удерживать в течение времени срабатывания этого устройства в условиях испытания, оговоренных в стандарте на конкретный аппарат.
[IEC 60947-1:2007 (определение 4.3.6.4)]
3.5.15 условный ток нерасцепления Int [conventional non-tripping current (Int)]: Установленное значение тока, при котором автоматический выключатель способен работать, не срабатывая, в течение заданного (условного) времени.
3.5.16 условный ток расцепления It [conventional tripping current (It)]: Установленное значение тока, которое вызывает срабатывание автоматического выключателя в течение заданного (условного) времени.
3.5.17 ток мгновенного расцепления (instantaneous tripping current): Минимальное значение тока, вызывающее автоматическое срабатывание выключателя без преднамеренной выдержки времени.
3.6.1 координация изоляции (insulation coordination): Соотносительность изоляционных характеристик электрооборудования, предполагаемой микросреды и воздействующих факторов.
[IEC 60664-1:2007 (определение 3.1)]
3.6.2 эксплуатационное напряжение (working voltage): Наибольшее действующее значение напряжения переменного или наибольшее значение напряжения постоянного тока по конкретной изоляции, которое может возникать при номинальном напряжении питания.
Примечания
1 Переходные явления не учитывают.
2 С учетом условий разомкнутой цепи и нормальных рабочих условий.
[IEC 60664-1:2007 (определение 3.5)]
3.6.3 перенапряжение (overvoltage): Любое напряжение, пиковое значение которого превышает пиковое значение максимального установившегося напряжения в нормальных рабочих условиях.
[IEC 60664-1:2007 (определение 3.7)]
3.6.4 импульсное выдерживаемое напряжение (impulse withstand voltage): Наибольшее пиковое значение импульсного напряжения предписанной формы и полярности, не вызывающее пробоя в заданных условиях испытания.
[IEC 60664-1:2007 (определение 3.8.1)]
3.6.5 категория перенапряжения (overvoltage category): Число, характеризующее условия переходного перенапряжения.
[IEC 60664-1:2007 (определение 3.10, изменено - удалено примечание)]
3.6.6 макросреда (macro-environment): Условия окружающей среды помещения или места, в котором установлено или эксплуатируется электрооборудование.
[IEC 60664-1:2007 (определение 3.12.1)]
3.6.7 микросреда (micro-environment): Условия среды, непосредственно окружающей изоляцию, которые, в частности, влияют на величину расстояний тока утечки.
[IEC 60664-1:2007 (определение 3.12.2)]
3.6.8 загрязнение (pollution): Любое добавление инородных веществ, твердых, жидких или газообразных, которые могли бы уменьшить электрическую прочность изоляции или поверхностное удельное сопротивление.
[IEC 60664-1:2007 (определение 3.11)]
3.6.9 степень загрязнения (pollution degree): Числовая характеристика предполагаемого загрязнения микросреды.
Примечание - Степень загрязнения, воздействию которого подвергается аппарат, может отличаться от степени загрязнения микросреды, в которой установлен этот аппарат, в результате защиты, обеспечиваемой оболочкой, или внутреннего нагрева, препятствующего абсорбции или конденсации влаги.
[IEC 60664-1:2007 (определение 3.13, изменено - добавлено примечание 1)]
3.6.10 разъединение (функция) [isolation (isolating function)]: Действие, направленное на отключение питания всей электроустановки или отдельной части путем ее отделения от любого источника электрической энергии по соображениям безопасности.
[IEC 60947-1:2007 (определение 2.1.19)]
3.6.11 изолирующий промежуток (isolating distance): Воздушный зазор между разомкнутыми контактами, отвечающий требованиям по безопасности, предъявляемым к разъединению.
[IEC 60050-441:1984 (определение 17-35)]
3.6.12 воздушный зазор (clearance): Кратчайшее расстояние по воздуху между двумя токопроводящими частями.
Примечание - При определении воздушного зазора до доступных частей доступную поверхность изолирующей оболочки следует считать проводящей, как если бы она была покрыта металлической фольгой везде, где ее можно коснуться рукой или стандартным испытательным пальцем, представленным на рисунке 8.
[IEC 60050-441:1984 (определение 17-31, изменено - добавлено примечание)]
3.6.13 расстояние утечки (creepage distance): Кратчайшее расстояние по поверхности изоляционного материала между двумя токопроводящими частями.
Примечания
1 См. приложение В.
2 При определении расстояния утечки до доступных частей доступную поверхность изолирующей оболочки следует считать проводящей, как если бы она была покрыта металлической фольгой везде, где ее можно коснуться рукой или стандартным испытательным пальцем, представленным на рисунке 8.
[IEC 60050-151:1984 (определение 15-50, изменено - добавлены примечания 1 и 2)]
Автоматические выключатели классифицируют по ряду критериев.
Классификация выключателей по числу полюсов:
- однополюсные;
- двухполюсные с одним защищенным полюсом;
- двухполюсные с двумя защищенными полюсами;
- трехполюсные с тремя защищенными полюсами;
- четырехполюсные с тремя защищенными полюсами;
- четырехполюсные с четырьмя защищенными полюсами.
Примечание - Полюс, не являющийся защищенным, может быть:
- незащищенным (см. 3.2.7.2) либо
- коммутирующим нейтраль (см. 3.2.7.3).
Классификация выключателей по способу защиты от внешних воздействий:
- закрытого исполнения (не нуждающиеся в соответствующей оболочке);
- открытого исполнения (для использования с соответствующей оболочкой).
Классификация выключателей по способу монтажа:
- настенного типа;
- утопленного типа;
- панельно-щитового типа для установки в распределительных шкафах.
Примечание - Данные типы исполнений могут предназначаться для установки на рейках.
4.5.1 Классификация выключателей по способу крепления:
- выключатели, электрическое присоединение которых не связано с механическими креплениями;
- выключатели, электрическое присоединение которых связано с механическими креплениями.
Примечание - Примерами последнего типа являются:
- втычной тип;
- болтовой тип;
- ввинчиваемый тип.
Некоторые выключатели могут быть втычного или болтового типа только со стороны питания, а выходные выводы обычно пригодны для присоединения проводников.
4.5.2 Классификация выключателей по типу выводов:
- выключатели с резьбовыми выводами для медных проводников;
- выключатели с безрезьбовыми выводами для медных проводников.
Примечание - Требования к выключателям с выводами данного типа приведены в приложении J;
- выключатели с плоскими выводами для быстрого присоединения медных проводников.
Примечание - Требования к выключателям с выводами данного типа приведены в приложении К;
- выключатели с выводами резьбового типа для алюминиевых проводников.
Примечание - Требования к выключателям с выводами данного типа приведены в приложении L.
Классификация выключателей потоку мгновенного расцепления (см. 3.5.17):
- типа В;
- типа С;
- типа D.
Примечание - Выбор конкретного типа может зависеть от правил монтажа.
В дополнение к характеристике I2t, указанной изготовителем, выключатели могут классифицироваться по их характеристике I2t.
Характеристики выключателей должны быть выражены следующими определениями:
- число полюсов (см. 4.2);
- защита от внешних воздействий (см. 4.3);
- способ монтажа (см. 4.4);
- способ присоединения (см. 4.5);
- значение номинального рабочего напряжения (см. 5.3.1);
- значение номинального тока (см. 5.3.2);
- значение номинальной частоты (см. 5.3.3);
- диапазон токов мгновенного расцепления (см. 4.6 и 5.3.5);
- значение номинальной наибольшей отключающей способности (см. 5.3.4);
- характеристика I2t (см. 3.5.13);
- классификация по I2t (см. 4.7).
5.2.1 Номинальные напряжения
5.2.1.1 Номинальное рабочее напряжение (Ue)
Номинальное рабочее напряжение (далее - номинальное напряжение) выключателя - установленное изготовителем значение напряжения, при котором определена работоспособность выключателя (особенно при коротких замыканиях).
Примечание - Для одного и того же выключателя может быть установлено несколько значений номинального напряжения и соответственно несколько значений номинальной наибольшей отключающей способности.
5.2.1.2 Номинальное напряжение изоляции (Ui)
Номинальное напряжение изоляции выключателя - это установленное изготовителем значение напряжения, при котором определяют испытательное напряжение при испытании на электрическую прочность изоляции и расстояния утечки.
При отсутствии других указаний номинальное напряжение изоляции - это максимальное значение номинального напряжения выключателя. Значение максимального номинального напряжения не должно превышать значения номинального напряжения изоляции.
5.2.1.3 Номинальное импульсное выдерживаемое напряжение (Uimp)
Номинальное импульсное выдерживаемое напряжение выключателя должно быть равно или превышать стандартные значения номинального импульсного выдерживаемого напряжения, приведенные в таблице 3.
5.2.2 Номинальный ток (In)
Установленный изготовителем ток, который выключатель способен проводить в продолжительном режиме (см. 3.2.14) при указанной контрольной температуре окружающего воздуха.
Стандартная контрольная температура окружающего воздуха 30 °С. Если для данного выключателя используется другое значение контрольной температуры окружающего воздуха, необходимо учитывать ее влияние на защиту кабелей от перегрузки, поскольку это тоже зависит от контрольной температуры окружающего воздуха согласно монтажным правилам.
Примечание - В качестве контрольной температуры для защиты кабелей от перегрузок принята температура 25 °С согласно IEC 60364.
5.2.3 Номинальная частота
Номинальная частота выключателя - это промышленная частота, на которую рассчитан выключатель и которой соответствуют значения других характеристик.
Один и тот же выключатель может быть рассчитан на несколько значений номинальной частоты.
5.2.4 Номинальная наибольшая отключающая способность (Icn)
Номинальная наибольшая отключающая способность - это значение предельной наибольшей отключающей способности (см. 3.5.5.1), указанное для выключателя изготовителем.
Примечание - Выключатель с указанной номинальной наибольшей отключающей способностью (Icn) имеет соответствующую ей рабочую наибольшую отключающую способность (Ics) (см. таблицу 18).
5.2.5 Номинальная включающая и отключающая способность отдельного полюса (Icn1)
Номинальная включающая и отключающая способность отдельного полюса - значение предельного короткого замыкания и разрывной мощности на каждом отдельном защищаемом полюсе многополюсных выключателей.
Примечание - Это значение соответствует номинальной дифференциальной включающей и отключающей способности IΔm (см. 5.2.7 IEC 61009-1:2010).
Стандартные значения номинальной наибольшей отключающей способности приведены в 5.3.4.1.
5.3.1 Предпочтительные значения номинального напряжения
К предпочтительным значениям номинального напряжения относят значения, указанные в таблице 1.
|
Выключатель |
Сеть питания выключателя (см. также IEC 60464-1) |
Номинальное напряжение выключателя, В, для систем на 230, 30/400, 400 В |
Номинальное напряжение выключателя, В, для систем на 120/240, 240 В |
|
Однополюсный |
Однофазная (между фазой и нейтралью или между фазами) |
230 |
- |
|
Трехфазная (четырехпроводная) |
230 |
- | |
|
Однофазная (между фазой и заземленным центральным проводником или между фазой и нейтралью) |
- |
120 | |
|
Однофазная (между фазой и нейтралью) или трехфазная (для трех однополюсных выключателей) (трех- или четырехпроводная) |
230/400 |
- | |
|
Двухполюсный |
Однофазная (между фазой и нейтралью или между фазами) |
230 |
- |
|
Однофазная (между фазами) |
400 |
240 | |
|
Однофазная (трехпроводная между фазами) |
- |
120/240 | |
|
Трехфазная (четырехпроводная) |
230 |
- | |
|
Трехполюсный |
Трехфазная (трех- или четырехпроводная) |
400 |
240 |
|
Четырехполюсный |
Трехфазная (четырехпроводная) |
400 |
- |
|
Примечания 1 Указанные в настоящем стандарте значения 230 или 400 В могут быть приняты как 220 или 240 В, 380 или 415 В соответственно. 2 Указанные в настоящем стандарте значения 120 или 120/240 В могут быть приняты как 100 или 100/200 В соответственно. | |||
5.3.2 Предпочтительные значения номинального тока
К предпочтительным значениям номинального тока относятся:
6, 8, 10, 13, 16, 20, 25, 32, 40, 50, 63, 80, 100, 125 А.
5.3.3 Стандартные значения номинальной частоты
Стандартными значениями номинальной частоты являются 50 и 60 Гц.
5.3.4 Стандартные значения номинальной наибольшей отключающей способности
5.3.4.1 Стандартные значения до 10 000 А включительно
Стандартными значениями номинальной наибольшей отключающей способности до 10 000 А включительно являются:
1500, 3000, 4500, 6000, 10 000 А.
Примечание - В некоторых странах также считают стандартными значения 1000, 2000, 2500, 5000, 7500 и 9000 А.
Соответствующие диапазоны значений коэффициента мощности приведены в 9.12.5.
5.3.4.2 Значения свыше 10 000 до 25 000 А включительно
Для значений свыше 10 000 А до 25 000 А включительно предпочтительным является 20 000 А.
Соответствующие диапазоны значений коэффициента мощности приведены в 9.12.5.
5.3.5 Стандартные диапазоны токов мгновенного расцепления
Стандартные диапазоны токов мгновенного расцепления приведены в таблице 2.
|
Тип |
Диапазон |
|
В |
Св. 3In до 5In включ. |
|
С |
Св. 5In до 10In включ. |
|
D |
Св. 10In до 20In а) включ. |
|
а) В некоторых случаях могут также применяться значения до 50In. | |
5.3.6 Стандартные значения номинального импульсного выдерживаемого напряжения (Uimp)
В таблице 3 приведены стандартные значения номинального импульсного выдерживаемого напряжения в качестве функции номинального напряжения электроустановки.
|
Номинальное импульсное выдерживаемое напряжение (Uimp), кВ |
Номинальное напряжение электроустановки | |
|
Трехфазные системы, В |
Однофазная система с заземленной средней точкой, В | |
|
2,5 а) |
- |
120/240 b) |
|
4,0 а) |
230/400 |
120/240, 240 c) |
|
a) Значения 3 и 5 кВ соответственно применяют при проверке изолирующих промежутков через разомкнутые контакты на высоте 2000 м (см. таблицу 15). b) Из практики электроустановок в Японии. c) Из практики электроустановок в странах Северной Америки. Примечания 1 Напряжения для испытания изоляции см. в таблице 14. 2 Напряжения для испытания изолирующего промежутка через разомкнутые контакты см. в таблице 15. | ||
Каждый выключатель должен иметь стойкую маркировку с указанием следующих данных:
a) наименование изготовителя или торговый знак;
b) обозначение типа, каталожного номера или номера серии;
c) номинальное(ые) напряжение(ия);
d) номинальный ток без символа "А" с предшествующим обозначением типа характеристики мгновенного расцепления (В, С или D), например: В 16 - выключатель типа В на номинальный ток 16 А;
e) номинальная частота, если выключатель разработан для работы только на одной частоте (см. 5.3.3);
f) номинальная наибольшая отключающая способность в амперах;
g) схема соединений, если правильный способ соединения не очевиден;
h) контрольная температура окружающего воздуха, если она отличается от 30 °С;
i) степень защиты, если только она отличается от IP20;
j) для выключателей типа D максимальный ток мгновенного расцепления, если он выше чем 20In (см. таблицу 2);
k) номинальное импульсное выдерживаемое напряжение Uimp;
l) включающая и отключающая способности на отдельном защищенном полюсе многополюсных автоматических выключателей (Icn1), если они отличаются от Icn.
Маркировка по перечислению d) должна быть видимой после установки выключателя. Если габариты выключателя не позволяют нанести на аппарат все указанные выше данные, то маркировка по перечислениям а) - с), е), f), h) - j) и l) может быть нанесена на боковой или задней поверхности выключателя. Информация по перечислению g) может быть размещена на внутренней поверхности любой крышки, которую следует снимать для присоединения подводящих проводов, но не должна быть нанесена на табличку, подвешиваемую на выключатель. Информация по остальным пунктам должна быть приведена в документации и каталогах изготовителя.
Пригодность для разъединения, которая обеспечивается всеми выключателями по настоящему стандарту, может быть обозначена символом
(IEC 60417-6169-1), нанесенным на аппарат. Когда эта маркировка прикреплена, она может быть включена в схему подключения в сочетании с символами других функций (например, защита от перегрузки) или другими символами по IEC 60417. Когда символ используют сам по себе (не в схеме подключения), его сочетание с символами других функций не допустимо.
Примечания
1 В Дании, Финляндии, Норвегии, Швеции, ЮАР на выключателе обязательна маркировка символом, указывающим на пригодность к разъединению для нижестоящей электроустановки. Нанесенный символ должен быть четким и безошибочно читаемым, когда выключатель установлен как для эксплуатации и его орган управления доступен.
2 В Австралии такая маркировка на автоматическом выключателе обязательна, но не требуется, чтобы она была видимой после установки.
Если на аппарате маркирована степень защиты выше, чем IP20 по IEC 60529, он должен ей соответствовать независимо от способа установки. Если повышенная степень защиты достигается исключительно с помощью особого способа монтажа и/или с применением специальных дополнительных установочных узлов (например, крышки для выводов, оболочки и т.д.), это должно быть отражено в документации изготовителя.
По запросу изготовитель должен предоставить характеристику I2t (см. 3.5.13).
Изготовитель может указать классификацию по I2t (см. 4.7) и нанести на выключатель соответствующую маркировку.
Для выключателей, кроме управляемых нажимными кнопками, отключенное положение должно обозначаться символом "О" (кружок) по IEC 60417-5008, включенное положение - символом "I" (короткая вертикальная черта) по IEC 60417-5007.
Для этого обозначения допускается применение дополнительных национальных символов. Временно разрешено применение только национальных обозначений. Эти обозначения должны быть хорошо видны на установленном выключателе.
Для выключателей, управляемых двумя нажимными кнопками, кнопка, предназначенная только для операции отключения, должна быть красного цвета и/или обозначена символом "О" (IEC 60417-5008).
Красный цвет не должен быть использован для других кнопок выключателя.
Если кнопка служит для замыкания контактов и ясно распознается как таковая, то для указания замкнутого положения контактов достаточно ее утопленного положения. Если одну и ту же кнопку используют и для замыкания, и для размыкания контактов и она идентифицируется как таковая, то для указания замкнутого положения контактов достаточно, когда она остается в утопленном положении. С другой стороны, если кнопка не остается утопленной, следует предусмотреть дополнительный указатель положения контактов.
Для выключателей с несколькими номинальными токами следует маркировать максимальное значение тока, как указано в перечислении d), и, кроме того, значение номинального тока, на который отрегулирован выключатель.
Если необходимо различать входные и выходные выводы, первые следует обозначить стрелками, направленными к выключателю, а вторые - стрелками, направленными от него.
Выводы, предназначенные исключительно для нейтрали, следует обозначить буквой N.
Выводы, предназначенные для защитного проводника, если он предусмотрен, должны обозначаться знаком
по IEC 60417-5019.
Примечание - Ранее рекомендованное обозначение
по IEC 60417-5019 должно заменяться вышеуказанным символом.
Для установленных на рейках выключателей соответствующие рейки должны быть указаны в документации изготовителя.
Маркировка должна быть нестираемой, хорошо видимой и не должна наноситься на винты, шайбы и другие съемные части.
Соответствие проверяют осмотром и испытанием по 9.3.
Выключатели, соответствующие требованиям настоящего стандарта, должны быть работоспособны в стандартных условиях, приведенных в настоящем разделе.
Температура окружающего воздуха не должна превышать 40 °С, а ее среднее значение в течение 24 ч не должно превышать 35 °С.
Нижний предел температуры окружающего воздуха составляет минус 5 °С.
Выключатели для эксплуатации при температуре окружающего воздуха выше 40 °С (например, в тропических странах) или ниже минус 5 °С необходимо проектировать специально для этих условий или эксплуатировать по соглашению между изготовителем и потребителем.
Высота установки над уровнем моря не должна превышать 2000 м.
Если выключатель будет эксплуатироваться на высоте более 2000 м, необходимо учитывать снижение электрической прочности изоляции и охлаждающее действие воздуха. Выключатель для эксплуатации в этих условиях необходимо специально проектировать или использовать по соглашению между изготовителем и потребителем. Заменой такого соглашения может служить информация, приведенная в каталоге изготовителя.
Воздух должен быть чистым, относительная влажность не должна превышать 50 % при максимальной температуре 40 °С.
При более низких температурах допускается более высокая относительная влажность, например 90 % при 20 °С.
Следует принять меры защиты (например, предусмотреть дренажные отверстия) против умеренной конденсации влаги, которая может быть обусловлена колебаниями температуры.
Монтаж выключателей необходимо производить в соответствии с инструкциями изготовителя.
Выключатели, соответствующие настоящему стандарту, предназначены для эксплуатации в среде со степенью загрязнения 2, т.е. только нормально нетокопроводящее загрязнение. Однако следует допустить возможность временной проводимости из-за конденсации.
8.1.1 Общие положения
Выключатели должны быть разработаны и изготовлены так, чтобы при нормальной эксплуатации их функционирование было надежным и не представляло опасности для потребителя и окружающей среды.
Выполнение этого требования проверяют проведением всех предусмотренных для этих целей испытаний.
8.1.2 Механизм
Подвижные контакты всех полюсов многополюсных выключателей должны быть соединены механически таким образом, чтобы все полюса, за исключением коммутирующего нейтраль, если имеется, включали и отключали ток практически одновременно, независимо от того, осуществляется оперирование вручную или автоматически, даже если перегрузке подвергается только один защищенный полюс.
Полюс, коммутирующий нейтраль (см. 3.2.7.3) четырехполюсного выключателя, должен размыкаться позже и замыкаться раньше защищенных полюсов.
Соответствие проверяют осмотром и испытанием вручную с использованием необходимых средств (например, индикаторная лампа, осциллоскоп и т.д.).
Если полюс с соответствующей наибольшей включающей и отключающей способностью используют как нейтральный полюс, а выключатель снабжен независимым ручным приводом (см. 3.4.4), тогда все полюса, включая и нейтральный, могут срабатывать практически одновременно.
Выключатель должен иметь механизм свободного расцепления.
Соответствие вышеуказанным требованиям проверяется осмотром, ручным испытанием и, для функции без отключения, проверкой по 9.10.3.
Должна быть предусмотрена возможность включать и отключать ток вручную.
Для выключателей втычного исполнения без рукоятки управления данное требование не выполняют, поскольку возможно снятие выключателя с основания вручную.
Выключатель должен быть сконструирован так, чтобы подвижные контакты могли находиться в состоянии покоя только в замкнутом (см. 3.2.8) или только в разомкнутом (см. 3.2.9) положении, даже если орган управления освобождается в промежуточном положении. Согласно требованиям к функции разъединения (см. 8.3) выключатели в разомкнутом положении (см. 3.2.9) должны обеспечивать изолирующий промежуток.
Указание положения разомкнутых или замкнутых главных контактов должно быть обеспечено одним или двумя из следующих способов:
- положением органа управления (что предпочтительнее) или
- отдельным механическим индикаторным устройством.
При применении отдельного механического индикатора для указания положения главных контактов в нем красный цвет указывает на замкнутое положение контактов ("Вкл"), зеленый - на разомкнутое ("Откл").
Способ индикации контактного положения должен быть надежным.
Соответствие проверяют осмотром и испытанием по 9.10.3.
Конструкцией выключателя должна быть предусмотрена единственно правильная установка органа управления, фронтальной панели или крышки, обеспечивающая безошибочную индикацию положения контактов.
Соответствие проверяют осмотром и испытаниями по 9.12.12.1 и 9.12.12.2.
Если орган управления применяют для указания положения контактов, тогда он в свободном состоянии должен автоматически занимать положение, которое соответствует положению подвижных контактов; в этом случае орган управления должен иметь два различных состояния покоя, соответствующих положению контактов, однако для автоматического срабатывания может быть предусмотрено третье отдельное положение органа управления.
Действие механизма выключателя не должно зависеть от положения оболочек, крышек или любой съемной части.
Крышку, залитую при сборке изготовителем, считают несъемной частью.
Если крышку используют в качестве направляющей для нажимных кнопок, удаление кнопок извне должно быть невозможным.
Органы управления должны быть надежно закреплены на своих осях, и снятие их без помощи инструмента должно быть невозможным.
Допускается крепление органов управления непосредственно к крышкам.
Если орган управления переключается движением в вертикальной плоскости "вверх-вниз", когда выключатель установлен как при нормальной эксплуатации, контакты должны замыкаться движением органа управления снизу вверх.
Примечание - В некоторых странах допускается замыкание контактов при движении органа управления сверху вниз.
Соответствие вышеуказанным требованиям проверяют внешним осмотром и испытанием вручную.
Если изготовителем предусмотрено замыкание органа управления в разомкнутом положении, то блокировка в этом положении должна быть единственно возможна, если главные контакты находятся в разомкнутом состоянии.
Примечание - Блокировка органа управления в замкнутом положении допускается в особых случаях.
Соответствие проверяют осмотром согласно указаниям изготовителя.
8.1.3 Воздушные зазоры, расстояния утечки и твердая изоляция
Минимальные требуемые зазоры и расстояния ползучести приведены в таблице 4, которая основана на том, что выключатель предназначен для работы в среде со степенью загрязнения 2.
Части выключателя, подключенные к токоведущим частям и защищенные от загрязнения с помощью защиты типа 2 в соответствии с IEC 60664-3, освобождаются от этой проверки.
Изоляционные материалы классифицируются на группы материалов на основе их сравнительного индекса трекингостойкости (СИТ) в соответствии с IEC 60664-1.
Примечания
1 СИТ объявляется изготовителем на основании испытаний, проведенных на изоляционном материале.
2 Информация о требованиях к твердой изоляции приведена в IEC 60664-1.
Для материалов печатных плат применяется значение зазоров согласно сноске 3 таблицы F.2 IEC 60664-1:2007. Значение зазоров согласно таблице F.4 IEC 60664-1:2007 применяется для материалов печатных плат для среды со степенью загрязнения 1 только в том случае, если они защищены покрытием, отвечающим требованиям IEC 60664-3, и подтверждены соответствующими испытаниями.
|
Описание расстояний утечки |
Минимальные значения воздушных зазоров, мм |
Минимальные значения расстояний утечки е), f), мм | |||||||||||||
|
Номинальное напряжение, В |
Группа IIIa h) (175 В ≤ СИТ < 400 B) d) |
Группа II (400 В ≤ СИТ < 600 B) d) |
Группа I (600 В ≤ СИТ) d) | ||||||||||||
|
Uimp, кВ |
Эксплуатационное напряжение e), В | ||||||||||||||
|
2,5 |
4,0 |
4,0 | |||||||||||||
|
120/240 120 |
120/240 240 |
230/400 230, 400 |
> 25 ≤ 50 i) |
120 |
250 |
400 |
> 25 ≤ 50 i) |
120 |
250 |
400 |
> 25 ≤ 50 i) |
120 |
250 |
400 | |
|
1 Между токоведущими частями, которые разделены, когда главные контакты разомкнуты a), j) |
2,0 |
4,0 |
4,0 |
1,2 |
2,0 |
4,0 |
4,0 |
0,9 |
2,0 |
4,0 |
4,0 |
0,6 |
2,0 |
4,0 |
4,0 |
|
2 Между частями различной полярности a) |
1,5 |
3,0 |
3,0 |
1,2 |
1,5 |
3,0 |
4,0 |
0,9 |
1,5 |
3,0 |
3,0 |
0,6 |
1,5 |
3,0 |
3,0 |
|
3 Между цепями, питаемыми от разных источников, один из которых PELV или SELV g) |
3,0 |
6,0 |
8,0 |
- |
3,0 |
6,0 |
8,0 |
- |
3,0 |
6,0 |
8,0 |
- |
3,0 |
6,0 |
8,0 |
|
Описание расстояний утечки |
Минимальные значения воздушных зазоров, мм |
Минимальные значения расстояний утечки е), f), мм | |||||||
|
Номинальное напряжение, В |
Группа IIIa h) (175 В ≤ СИТ < 400 B) d) |
Группа II (400 В ≤ СИТ < 600 B) d) |
Группа I (600 В ≤ СИТ) d) | ||||||
|
Uimp |
Номинальное напряжение, В | ||||||||
|
2,5 |
4,0 |
4,0 | |||||||
|
120/240 120 |
120/240 240 |
230/400 230, 400 |
120/240 |
230/400 |
120/240 |
230/400 |
120/240 |
230/400 | |
|
4 Между частями, находящимися под напряжением, и: - доступными поверхностями органов управления; - винтами и другими средствами крепления крышек, которые снимаются при монтаже выключателя; - поверхностью, на которой монтируется основание выключателя b); - винтами и другими средствами крепления выключателя; - металлическими крышками или коробками b); - прочими доступными металлическими частями c); - металлическими опорными рамами выключателя утопленного монтажа |
1,5 |
3,0 |
3,0 |
1,5 |
4,0 |
1,5 |
3,0 |
1,5 |
3,0 |
|
a) Значения для вспомогательных контактов и контактов управления приведены в соответствующем стандарте. b) Значения удваиваются, если воздушные зазоры и расстояния утечки между частями аппарата, находящимися под напряжением, и металлическим экраном или монтажной поверхностью выключателя зависят не только от конструкции выключателя, они могут быть уменьшены, когда выключатель установлен в самых неблагоприятных условиях. c) Включая металлическую фольгу в контакте с поверхностями изоляционного материала, которые доступны после монтажа для нормальной эксплуатации. Фольгу заправляют в углы, углубления и т.п. с помощью прямого несочлененного испытательного пальца согласно 9.6 (см. рисунок 8). d) См. IEC 60112. e) Допускается интерполяция при определении расстояний утечки, соответствующих промежуточным значениям напряжений, указанным в качестве эксплуатационных. Должна использоваться линейная интерполяция, и при этом значения округляются до величин, указанных в таблице. Определение воздушных зазоров см. в приложении В. f) Зазоры не могут быть меньше соответствующих расстояний утечки. g) С учетом всех разных напряжений, в том числе сверхнизкое напряжение (СНН) во вспомогательном контакте. h) Для воздушных материалов группы IIIb (100 В ≤ СИТ < 175 В) применяют значения для материалов группы IIIа, умноженные на 1,6. i) Для эксплуатационных напряжений до 25 В включительно см. IEC 60664-1. j) Зазоры и пути утечки между металлическими частями внутри дуговой камеры могут быть менее 1 мм при условии, что сумма расстояний больше, чем указано в пункте 1 таблицы 4. Примечания 1 Значения, приведенные для 400 В, также действительны для 440 В. 2 Части нейтрали, если имеется, считаются частями, находящимися под напряжением. 3 Следует обратить внимание на соблюдение соответствующих воздушных зазоров и расстояний утечки между частями выключателя разной полярности, находящимися под напряжением, например втычного типа, смонтированными близко друг к другу. Если требования к воздушным зазорам и расстояниям утечки не выполняются для всех поверхностей, смежных с устройствами защиты, управляемыми дифференциальным током, должна быть предусмотрена отдельная информация по монтажу. | |||||||||
8.1.3.1 Зазоры
Соответствие зазоров пункту 1 таблицы 4 проверяется путем измерений и испытаний, предусмотренных в 9.7.5.4.
Испытание проводится с образцами, не подвергнутыми влажностной обработке, описанной в 9.7.1.
Соответствие требованиям пунктов 2 и 4 таблицы 4 проверяется путем измерений, а при уменьшении зазоров - путем испытаний по 9.7.5.2.
Зазоры между элементами, указанными в пунктах 2 и 4 таблицы 4 (за исключением доступных поверхностей после установки, см. примечание), могут быть уменьшены при условии, что измеренные зазоры не меньше минимального значения, разрешенного в IEC 60664-1 для условий однородного поля. В этом случае соответствие требованиям пунктов 2 и 4 таблицы 4 всегда проверяется испытанием, предусмотренным в 9.7.5.2.
Примечание - Под доступной поверхностью после установки понимается любая поверхность, доступная пользователю при установке выключателя в соответствии с инструкциями изготовителя. Испытательный палец может быть применен для определения того, доступна ли поверхность или нет.
Соответствие требованиям пункта 3 таблицы 4 проверяется путем измерения.
8.1.3.2 Расстояние ползучести
Соответствие расстояний ползучести по пунктам 1-4 таблицы 4 проверяется путем измерений.
Примечание - Все измерения, требуемые в 8.1.3, выполняются в испытательной последовательности на одном образце. Испытания в соответствии с 9.7.2-9.7.5 проводятся в испытательной последовательности В на трех образцах.
8.1.3.3 Твердая изоляция
Соответствие твердой изоляции проверяется испытаниями в соответствии с 9.7.2-9.7.5, если это применимо.
8.1.4 Винты, токопроводящие части и соединения
8.1.4.1 Соединения, как электрические, так и механические, должны выдерживать механические нагрузки, характерные для нормальной эксплуатации.
Винты, применяемые для монтажа выключателей, не должны быть самонарезающего типа.
Примечание - К винтам или гайкам, используемым для монтажа выключателя, относят винты для крепления крышек и закрывающих пластин, но не для присоединения вводных сальников и крепления основания выключателя.
Соответствие данному требованию проверяют внешним осмотром и испытанием по 9.4.
Примечание - Резьбовые соединения проверяют в ходе испытаний по 9.8, 9.9, 9.12, 9.13 и 9.14.
8.1.4.2 Для винтов, входящих в зацепление с резьбой в изоляционном материале, которые используют при монтаже выключателей, должен быть обеспечен правильный ввод винта в резьбовое отверстие или гайку.
Соответствие проверяют внешним осмотром и проверкой вручную.
Требование к правильному вводу винта удовлетворяется, если, например, исключить перекос винта на входе, используя в качестве направляющей для него на закрепляемой части фаску на заходной части внутренней резьбы, в которую он ввинчивается, или сняв часть резьбы с заходной части винта.
8.1.4.3 Электрические соединения должны быть спроектированы так, чтобы контактное давление не передавалось через изоляционный материал, кроме керамики, чистой слюды или других материалов с аналогичными характеристиками, если металлические части недостаточно упруги, чтобы компенсировать любые возможные усадку или пластичность изоляционного материала.
Соответствия проверяют осмотром.
Примечание - Пригодность материалов оценивают по стабильности размеров.
8.1.4.4 Токопроводящие части, включая предназначенные для защитных проводников, если таковые имеются, должны быть изготовлены из металла, обладающего механической прочностью, электропроводностью и устойчивостью к коррозии, достаточными для их предполагаемого использования.
Примечание - Пример подходящих материалов:
- медь;
- сплав, содержащий не менее 58 % меди для частей, подлежащих холодной обработке, и не менее 50 % меди для других частей;
- другой металл или металл с соответствующим покрытием, не менее устойчивый к коррозии, чем медь, и с не менее пригодными механическими свойствами.
В случае использования черных сплавов или сплавов с подходящим покрытием соответствие стойкости к коррозии проверяется испытанием на стойкость к коррозии (см. 9.16).
Требования данного пункта не применяют к контактам, магнитопроводам, нагревательным элементам, биметаллам, шунтам, электронным компонентам, включая печатную плату, а также винтам, гайкам, шайбам, зажимным пластинам и аналогичным частям выводов и частям испытательной схемы.
Соответствие проверяется по декларации производителя.
8.1.5 Выводы для внешних проводников
8.1.5.1 Выводы для внешних проводников должны обеспечивать такое присоединение проводников, чтобы постоянно поддерживалось необходимое контактное давление.
Допускается применение устройств, предназначенных для присоединения шин, при условии, что они не используются для присоединения кабелей.
Такие устройства могут быть втычного или болтового типа.
Выводы должны быть легкодоступными для присоединения проводников в предполагаемых условиях эксплуатации.
Проверку осуществляют путем осмотра и испытаний по 9.5 для резьбовых выводов, специальных испытаний для выключателей втычного и болтового типов, соответствующих настоящему стандарту, или испытаний по приложениям J или К согласно типу присоединения.
8.1.5.2 Выключатели должны быть оснащены выводами:
- допускающими присоединение медных проводников номинальной площадью поперечного сечения согласно таблице 5.
Примечание - Примеры конструкций резьбовых выводов приведены в приложении F;
- для внешних необработанных алюминиевых проводников и с алюминиевыми винтовыми выводами для использования с медными или с алюминиевыми проводниками в соответствии с приложением L.
Проверку осуществляют путем осмотра, измерений и поочередного ввода одного проводника с минимальной и одного с максимальной указанной площадью поперечного сечения.
|
Номинальный ток b), А |
Диапазон номинальных поперечных сечений присоединяемых проводников a), мм2 | ||
|
св. |
до включ. |
Жесткие [одно- и многопроволочный с)] провода |
Гибкие провода |
|
- |
13 |
1,0-2,5 |
1,0-2,5 |
|
13 |
16 |
1,0-4,0 |
1,0-4,0 |
|
16 |
25 |
1,5-6,0 |
1,5-6,0 |
|
25 |
32 |
2,5-10,0 |
2,5-6,0 |
|
32 |
50 |
4,0-16,0 |
4,0-10,0 |
|
50 |
80 |
10,0-25,0 |
10,0-16,0 |
|
80 |
100 |
16,0-35,0 |
16,0-25,0 |
|
100 |
125 |
25,0-50,0 |
25,0-35,0 |
|
a) Требуется, чтобы при номинальных токах до 50 А включительно зажимы были рассчитаны на крепление как однопроволочных, так и жестких многопроволочных проводников. В то же время допускается, чтобы зажимы для проводников с площадью поперечного сечения от 1 до 6 мм2 были рассчитаны на крепление только однопроволочных проводников. b) Для выключателей одной серии, имеющих одинаковую конструкцию и одинаковые зажимы, выбор зажимов осуществляют исходя из наименьшего поперечного сечения медных проводников для минимально заданного тока и наибольшего поперечного сечения проводников для максимально заданного тока, как установлено для одно- и многопроволочных проводников, где это допустимо. c) Жесткие многопроволочные проводники должны иметь поперечные сечения от 1,5 мм2 до 50 мм2 и соответствовать классу 2 по IEC 60228:2004 в части однопроволочных скрученных проводников. | |||
Примечание - Размеры медных проводников в системе AWG см. в приложении G.
8.1.5.3 Зажимные элементы для проводников в выводах не должны служить для крепления каких-либо других элементов, хотя они могут удерживать выводы на месте или препятствовать их проворачиванию.
Соответствие проверяют осмотром и испытаниями по 9.5.
8.1.5.4 Выводы на номинальные токи до 32 А включительно должны позволять присоединение проводников без специальной подготовки.
Соответствие проверяют осмотром.
Примечание - Термин "специальная подготовка" подразумевает пропаивание жилы проводника, использование кабельных наконечников, формовку петель и т.д., но никак не восстановление формы проводника перед вводом его в зажим или скручивание гибкого проводника для укрепления его конца.
8.1.5.5 Выводы должны иметь необходимую механическую прочность.
Винты и гайки для зажима проводников должны иметь метрическую резьбу ISO или другую резьбу, сопоставимую по шагу и механической прочности.
Соответствие проверяют осмотром и испытаниями по 9.4 и 9.5.2.
Примечание - Предварительно можно использовать резьбы SI, ВА и UN, поскольку они практически эквивалентны по шагу и механической прочности метрической резьбы ISO.
8.1.5.6 Выводы должны иметь такую конструкцию, чтобы зажимать проводник без чрезмерных повреждений.
Соответствие проверяют осмотром и испытанием по 9.5.3.
8.1.5.7 Выводы должны иметь такую конструкцию, чтобы надежно зажимать проводник между металлическими поверхностями.
Соответствие проверяют осмотром и испытаниями по 9.4 и 9.5.2.
8.1.5.8 Выводы должны быть сконструированы или расположены так, чтобы избежать выскальзывания жесткого однопроволочного проводника и проволок многопроволочного проводника при затягивании винтов или гаек.
Это требование не применяют к выводам под наконечник.
Соответствие проверяют испытанием по 9.5.4.
8.1.5.9 Выводы должны быть закреплены и расположены таким образом, чтобы при затягивании или отпускании зажимных винтов или гаек не ослаблялись крепления выводов к выключателям.
Примечания
1 Эти требования не означают, что выводы должны быть спроектированы таким образом, чтобы не допускалось их вращение или перемещение, однако любое их движение должно быть определенным образом ограничено, чтобы избежать несоответствия требованиям настоящего стандарта.
2 Применение уплотняющей массы или смолы для предотвращения ослабления выводов считают достаточным при условии, что:
- уплотняющая масса или смола не подвергается нагрузкам при нормальной эксплуатации;
- эффективность уплотняющей массы или смолы не снижается при воздействии температур, достигаемых выводом при наиболее неблагоприятных условиях, указанных в настоящем стандарте.
Соответствие проверяют осмотром, измерениями и испытанием по 9.4.
8.1.5.10 Зажимные винты или гайки выводов, предназначенных для присоединения защитных проводников, должны быть надежно защищены от случайного ослабления их затяжки.
Соответствие проверяют испытанием вручную.
Примечание - Конструкции выводов, примеры которых приведены в приложении F, в целом достаточно упруги и удовлетворяют данному требованию. Для других конструкций могут потребоваться дополнительные меры, например применение соответствующей упругой части, которую невозможно было бы удалить случайно.
8.1.5.11 Столбчатые зажимы должны допускать полный ввод и надежный зажим проводника.
Соответствие проверяют путем осмотра после полного ввода и зажима крутящим моментом по таблице 11 однопроволочного проводника с наибольшей площадью поперечного сечения, соответствующей номинальному току по таблице 5.
8.1.5.12 Винты и гайки выводов, предназначенных для присоединения внешних проводников, должны ввинчиваться (навинчиваться) на резьбовые детали, выполненные в металле. Применение самонарезающих винтов не допускается.
Соответствие проверяется осмотром.
8.1.6 Отсутствие взаимозаменяемости
Для выключателей, предназначенных для монтажа на основаниях, образующих с ними одно целое (втычного или ввинчивающегося типа), не должна быть возможна их замена без применения инструмента после монтажа и подключения как при нормальной эксплуатации выключателей такого же типа, но с более высоким номинальным током.
Соответствие проверяют путем осмотра.
Примечание - Термин "как при нормальной эксплуатации" подразумевает, что выключатель устанавливают в соответствии с инструкциями изготовителя.
8.1.7 Механическая установка выключателей втычного типа
8.1.7.1 Общие положения
Механическая установка выключателей втычного типа, удержание которых обеспечивается не только за счет собственного штепсельного соединения, должна быть надежной и иметь соответствующую устойчивость.
8.1.7.2 Выключатели втычного типа, удержание которых обеспечивается не только за счет штепсельного соединения
Соответствие механического монтажа проверяют соответствующими испытаниями по 9.13.
8.1.7.3 Выключатели втычного типа, удержание которых обеспечивается только за счет штепсельного соединения
Соответствие механического монтажа проверяют соответствующими испытаниями по 9.13.
Выключатели должны быть спроектированы так, чтобы после монтажа и подсоединения как для нормальной эксплуатации (см. 8.1.6) их части, находящиеся под напряжением, были недоступны для прикосновения.
Часть считают доступной для прикосновения, если ее можно коснуться стандартным испытательным пальцем (см. 9.6).
В выключателях, кроме втычного исполнения, наружные части, за исключением винтов или других средств для крепления крышек и табличек, доступные после монтажа и присоединения выключателя как для нормальной эксплуатации, должны быть либо изготовлены из изоляционного материала, либо полностью покрыты изоляционным материалом, если доступные части, находящиеся под напряжением, не помещены во внутреннюю оболочку из изоляционного материала.
Оболочка должна быть закреплена таким образом, чтобы она не могла потеряться во время монтажа выключателя. Она должна иметь толщину стенок, обеспечивающую необходимую механическую прочность, в том числе на углах и ребрах, для выполнения защитной функции оболочки.
Входные отверстия для кабелей или проводов должны быть выполнены из изоляционного материала либо оснащены втулками или другими аналогичными приспособлениями из изоляционного материала. Такие приспособления должны быть надежно закреплены и обладать достаточной механической прочностью.
Наружные части выключателей втычного исполнения, кроме винтов или других средств крепления крышек и табличек, доступные при нормальной эксплуатации, необходимо изготовлять из изоляционного материала.
Металлические органы управления должны быть изолированы от частей, находящихся под напряжением, а их открытые части, за исключением обеспечивающих связь изолированных органов управления нескольких полюсов, должны быть покрыты изоляционным материалом.
Металлические части механизма должны быть недоступны. Кроме того, они должны быть изолированы от доступных металлических частей, металлических монтажных панелей выключателей утопленного монтажа, винтов и других средств крепления основания к панели и металлической панели, используемой в качестве монтажной.
Должна быть предусмотрена возможность легкой замены выключателя втычного исполнения без касания частей, находящихся под напряжением.
Лак и эмаль не считают обеспечивающими необходимую изоляцию для защиты от поражения электрическим током.
Соответствие проверяют осмотром и испытанием по 9.6.
8.3.1 Общие положения
Выключатели должны обладать необходимыми электроизоляционными свойствами и обеспечивать разъединение.
8.3.2 Электрическая прочность изоляции при промышленной частоте
Выключатели должны иметь адекватные электроизоляционные свойства при промышленной частоте.
Проверку осуществляют испытаниями по 9.7.1-9.7.3 на выключателе в новом состоянии.
Кроме того, после испытаний на износостойкость по 9.11 и испытаний на короткое замыкание по 9.12 выключатели должны выдерживать испытание по 9.7.3, но с пониженным испытательным напряжением, указанным в 9.11.3 или в 9.12.12.2 соответственно, и без предварительного выдерживания в камере влаги по 9.7.1.
8.3.3 Способность к разъединению
Выключатели должны быть пригодны для разъединения.
Проводят проверку на соответствие с минимальными воздушными зазорами и расстояниями утечки по пункту 1 таблицы 4 и испытания по 9.7.5.1 и 9.7.5.3.
8.3.4 Электрическая прочность изоляции при номинальном импульсном выдерживаемом напряжении (Uimp)
Выключатели должны адекватно выдерживать импульсные напряжения.
Соответствие проверяют испытаниями по 9.7.5.2.
8.4.1 Пределы превышения температуры
Превышение температуры частей выключателя, указанное в таблице 6, измеренное при условиях, определенных в 9.8.2, не должно превосходить предельных значений, установленных в данной таблице.
Выключатель не должен иметь повреждений, препятствующих выполнению его функций и нарушающих безопасность эксплуатации.
|
Части выключателя a), b) |
Превышение температуры, К |
|
Выводы для внешних соединений c) |
60 |
|
Наружные части, к которым приходится прикасаться во время ручного управления выключателем, включая органы управления, выполненные из изоляционного материала, и металлические связи для соединения изолированных органов управления нескольких полюсов |
40 |
|
Наружные металлические части органов управления |
25 |
|
Другие наружные части, включая поверхность выключателя, непосредственно соприкасающуюся с монтажной поверхностью |
60 |
|
a) Значения для контактов не устанавливают, поскольку конструкция большинства выключателей не допускает прямого измерения их температуры без риска вызвать необратимые изменения или смещение деталей, способные повлиять на воспроизводимость результатов испытаний. Для косвенной проверки работоспособности контактов с точки зрения чрезмерного перегрева при эксплуатации считают достаточным 28-суточное испытание (см. 9.9). b) Для других частей, кроме перечисленных в таблице, значения превышения температуры не указывают, но они не должны вызывать повреждений соседних частей из изоляционного материала, снижающих работоспособность выключателя. c) Для выключателя втычного типа - выводы основания, на котором устанавливают выключатель. | |
8.4.2 Температура окружающего воздуха
Предельные значения превышения температуры, приведенные в таблице 6, применимы для значений температур окружающего воздуха по 7.2.
Выключатели должны обеспечивать защитную характеристику даже после длительной эксплуатации.
Проверку осуществляют испытанием по 9.9.
8.6.1 Нормальная времятоковая характеристика
Характеристика расцепления выключателей должна обеспечивать эффективную защиту цепи без срабатывания при номинальном токе.
Эта времятоковая характеристика (характеристика расцепления) выключателя определяется условиями и значениями согласно таблице 7.
Таблица 7 действительна для выключателя, смонтированного в соответствии с условиями 9.2, работающего при температуре 30+5 °С.
Проверку осуществляют проведением испытаний по 9.10.
Испытания проводят при любой температуре воздуха, а результаты корректируют по температуре 30 °С на основании поправочных коэффициентов, предоставленных изготовителем.
В любом случае отклонение испытательного тока от указанного в таблице 7 не должно превышать 1,2 % на 1 °С изменения температуры калибровки.
|
Испытание |
Тип |
Испытательный ток |
Начальное состояние |
Время расцепления или нерасцепления |
Требуемый результат |
Примечание |
|
а) |
В, С, D |
1,13In |
Холодное a) |
t ≤ 1 ч (при In ≤ 63 А) t ≤ 24 (при In > 63 А) |
Без расцепления |
- |
|
b) |
В, С, D |
1,45In |
Сразу же после испытания a) |
t < 1 ч (при In ≤ 63 А) t < 2 ч (при In > 63 А) |
Расцепление |
Непрерывное нарастание тока в течение 5 с |
|
с) |
В, С, D |
2,55In |
Холодное a) |
1 с < t < 60 с (при In < 32 А) 1 c < t < 120 с (при In > 32 А) |
Расцепление |
- |
|
d) |
В |
3In |
Холодное a) |
t ≤ 0,1 с |
Без расцепления |
Ток создается замыканием вспомогательного выключателя |
|
С |
5In | |||||
|
D |
10In | |||||
|
е) |
В |
5In |
Холодное a) |
t < 0,1 с |
Расцепление |
Ток создается замыканием вспомогательного выключателя |
|
С |
10In | |||||
|
D |
20In b) | |||||
|
a) Термин "холодное состояние" означает, что при контрольной температуре калибровки ток предварительно не пропускают. b) В особых случаях 50In. Примечание - Для выключателей типа D рассматривается возможность дополнительного испытания для промежуточного значения между С и D. | ||||||
Если выключатель маркирован температурой калибровки, отличной от 30 °С, испытание проводят для этой температуры.
Изготовитель должен подготовить данные по изменению характеристики расцепления для температур калибровки, отличных от контрольного значения.
8.6.2 Условные параметры
8.6.2.1 Условное время
Условное время равно 1 ч для выключателей с номинальным током до 63 А включительно и 2 ч с номинальным током св. 63 А.
8.6.2.2 Условный ток нерасцепления (Int)
Условный ток нерасцепления АВДТ равен 1,13 его номинального тока.
8.6.2.3 Условный ток расцепления (It)
Условный ток расцепления выключателя равен 1,45 его номинального тока.
8.6.3 Характеристика расцепления
8.6.3.1 Характеристика расцепления выключателя должна проходить в зоне, определенной 8.6.1.
Примечание - Температура и условия монтажа, отличающиеся от указанных в 9.2 (например, монтаж в специальных оболочках, компоновка нескольких выключателей в одной оболочке и т.п.), могут влиять на характеристику расцепления выключателя.
Изготовитель должен быть готов предоставить информацию об изменениях характеристики расцепления при температуре окружающего воздуха, отличающейся от контрольного значения в пределах, указанных в 7.2.
8.6.3.2 Влияние однополюсной нагрузки на характеристику расцепления многополюсного выключателя
Если в выключателе с более чем одним защищенным полюсом проходит ток нагрузки только через один защищенный полюс, начиная с холодного состояния, выключатель должен расцепляться в пределах условного времени, указанного в 8.6.2.1, при токе, равном:
- 1,1 условного тока расцепления для двухполюсных выключателей с двумя защищенными полюсами;
- 1,2 условного тока расцепления для трех- и четырехполюсных выключателей.
Соответствие проверяют испытаниями по 9.10.4.
8.6.3.3 Влияние температуры окружающего воздуха на характеристику расцепления
Температура окружающего воздуха, отличающаяся от контрольной, находящаяся в диапазоне от минус 5 °С до плюс 40 °С, не должна существенно отражаться на характеристике расцепления выключателя.
Соответствие проверяют по 9.10.5.
Выключатели должны быть способны выполнять установленное количество механических и электрических циклов оперирования при номинальном токе.
Соответствие проверяют испытанием по 9.11.
Выключатели должны быть способны выполнить установленное число циклов оперирования при коротком замыкании, не представляя опасности для оператора и не вызывая перекрытия между находящимися под напряжением проводящими частями либо между этими частями и землей.
Соответствие проверяют испытанием по 9.12.
Выключатели должны быть способны включать и отключать любой ток до уровня, соответствующего номинальной наибольшей коммутационной способности включительно, при номинальной частоте и восстанавливающем напряжении промышленной частоты, равном (105 ± 5) % номинального напряжения при любом коэффициенте мощности, не менее нижнего предела диапазона, указанного в 9.12.5; требуется также, чтобы соответствующее значение I2t было ниже характеристики I2t (см. 3.5.13).
Выключатели должны обладать соответствующей механической прочностью, чтобы противостоять механическим нагрузкам, возникающим при монтаже и эксплуатации.
Соответствие проверяют испытанием по 9.13.
Выключатели должны быть достаточно термостойкими.
Соответствие проверяют испытанием по 9.14.
Наружные части выключателей, выполненные из изоляционного материала, не должны легко воспламеняться и распространять огонь, если близлежащие токопроводящие части достигают высокой температуры при аварии или перегрузке.
Соответствие проверяют осмотром и испытанием по 9.15.
Части, выполненные из черных металлов, должны быть в достаточной степени защищены от коррозии.
Проверку осуществляют испытанием по 9.16.
Выключатели не должны иметь чрезмерных потерь мощности. Максимально допустимые значения для каждого полюса указаны в таблице 8.
Соответствие проверяют испытанием по 9.8.5.
|
Ряд номинальных токов In, А |
Максимальная потеря мощности на полюс, Вт |
|
До 10 включ. |
3,0 |
|
Св. 10 до 16 включ. |
3,5 |
|
Св. 16 до 25 включ. |
4,5 |
|
Св. 25 до 32 включ. |
6,0 |
|
Св. 32 до 40 включ. |
7,5 |
|
Св. 40 до 50 включ. |
9,0 |
|
Св. 50 до 63 включ. |
13,0 |
|
Св. 63 до 100 включ. |
15,0 |
Выключатели для защиты от перегрузки по току для бытовых и аналогичных установок не чувствительны к нормальным электромагнитным помехам и поэтому не требуют испытаний на устойчивость к электромагнитным помехам.
Электромагнитные помехи могут создаваться только автоматическими выключателями для защиты от перегрузок по току бытовых и аналогичных установок при случайном переключении или автоматическом отключении. Длительность возмущений составляет порядка миллисекунд.
Частота, уровень и последствия этих излучений рассматриваются как часть нормальной электромагнитной среды низковольтных установок. Поэтому требования к электромагнитным излучениям считаются выполненными, и никакой проверки не требуется.
Характеристики выключателей проверяют при проведении типовых испытаний.
Перечень типовых испытаний приведен в таблице 9.
|
Испытание |
Пункт |
|
Стойкость маркировки |
9.3 |
|
Надежность винтов, токопроводящих частей и соединений |
9.4 |
|
Надежность выводов для внешних проводников |
9.5 |
|
Защита от поражения электрическим током |
9.6 |
|
Электроизоляционные свойства и способность к разъединению |
9.7 |
|
Превышение температуры |
9.8 |
|
28-суточное испытание |
9.9 |
|
Характеристика расцепления |
9.10 |
|
Механическая и коммутационная износостойкость |
9.11 |
|
Короткое замыкание |
9.12 |
|
Стойкость к механическому толчку и удару |
9.13 |
|
Термостойкость |
9.14 |
|
Стойкость против аномального нагрева и огня |
9.15 |
|
Коррозиеустойчивость |
9.16 |
Для проверки соответствия настоящему стандарту типовые испытания выполняют циклами.
Циклы испытаний и число испытуемых образцов указаны в приложении С.
В отсутствие других указаний каждому типовому испытанию (или циклу) подвергают чистые и новые выключатели.
Выключатель устанавливают отдельно, вертикально, на открытом воздухе при температуре окружающей среды от 20 °С до 25 °С, если не указано иное, в месте, защищенном от чрезмерного внешнего нагрева или охлаждения.
Выключатели, предназначенные для установки в индивидуальных оболочках, испытывают в наименьшей из оболочек, указанных изготовителем.
Если не указано иное, выключатели присоединяют с помощью кабеля с площадью поперечного сечения S, указанной в таблице 10, и закрепляют на фанерном щите толщиной около 20 мм, окрашенном матовой черной краской; способ крепления должен соответствовать предписаниям изготовителя в отношении монтажа выключателя.
Затягивающий крутящий момент, прикладываемый к винтам, должен составлять 2/3 значений, указанных в таблице 11.
Если допускаемые отклонения не указаны, типовые испытания проводят при значениях не менее жестких, чем приведенные в настоящем стандарте.
Если не указано иное, испытание проводят при номинальной частоте ± 5 % и любом приемлемом напряжении.
Во время испытаний не допускают разборку или обслуживание образцов. Для испытаний по 9.8-9.11 выключатели подсоединяют следующим образом:
a) соединения выполняют одножильными медными кабелями с поливинилхлоридной изоляцией согласно серии стандартов IEC 60227;
b) если не указано иное, испытания проводят однофазным током;
c) соединения размещают на открытом воздухе с промежутками не менее расстояния между выводами;
d) минимальная длина каждого временного соединения от вывода до вывода составляет:
- 1 м - для сечений до 10 мм2 включительно;
- 2 м - для сечений св. 10 мм2.
|
Номинальный ток In, А |
Поперечное сечение кабеля S, мм2 |
|
До 6 включ. |
1,0 |
|
Св. 6 до 13 включ. |
1,5 |
|
Св. 13 до 20 включ. |
2,5 |
|
Св. 20 до 25 включ. |
4,0 |
|
Св. 25 до 32 включ. |
6,0 |
|
Св. 32 до 50 включ. |
10,0 |
|
Св. 50 до 63 включ. |
16,0 |
|
Св. 63 до 80 включ. |
25,0 |
|
Св. 80 до 100 включ. |
35,0 |
|
Св. 100 до 125 включ. |
50,0 |
Примечание - Сечения медных проводников в системе AWG см. в приложении G.
Проверку проводят вручную трением маркировки в течение 15 с ватой, смоченной водой, и затем в течение 15 с ватой, смоченной алифатическим гексановым растворителем (с содержанием ароматических углеводородов не более 0,1 % по объему, каурибутаноловым числом 29, начальной температурой кипения приблизительно 65 °С, конечной температурой кипения приблизительно 69 °С и плотностью приблизительно 0,68 г/см3).
В качестве альтернативы можно использовать следующий растворитель: n-гексан 95 % (регистрационный номер Службы химических рефератов CAS RN: 110-54-3).
Примечание - n-гексан 95 % (регистрационный номер Службы химических рефератов CAS RN: 110-54-3) доступен от различных поставщиков химических веществ в качестве растворителя для жидкостной хроматографии высокого давления (ВЭЖХ).
Данному испытанию подвергаются только обязательные маркировочные знаки, приведенные в разделе 6.
Маркировку, выполненную тиснением, литьем или гравировкой, данному испытанию не подвергают.
После этого испытания маркировка должна быть легко различимой. Маркировка также должна оставаться легко различимой после всех испытаний по настоящему стандарту.
Таблички не должны легко отделяться или скручиваться.
Соответствие требованиям 8.1.4 проверяют внешним осмотром, а для винтов и гаек, используемых для монтажа и подсоединения выключателя, следующим испытанием.
Винты и гайки затягивают и отпускают:
- 10 раз при зацеплении винтов с резьбой в изоляционном материале;
- 5 раз во всех других случаях.
Винты и гайки, зацепляющиеся с резьбой в изоляционном материале, каждый раз вынимают полностью и вставляют заново.
Испытание проводят с использованием соответствующей испытательной отвертки или гаечного ключа с приложением крутящего момента согласно таблице 11.
Винты и гайки не следует затягивать рывками.
Проводник смещают каждый раз, когда винт или гайку освобождают.
Проверку штыревых соединений выполняют путем пятикратной стыковки и расстыковки выключателя.
После испытания соединения не должны ослабляться и ухудшать электрические функции.
|
Номинальный диаметр резьбы, мм |
Крутящий момент, Н·м | ||
|
I |
II |
III | |
|
До 2,8 включ. |
0,2 |
0,4 |
0,4 |
|
Св. 2,8 до 3,0 включ. |
0,25 |
0,5 |
0,5 |
|
Св. 3,0 до 3,2 включ. |
0,3 |
0,6 |
0,6 |
|
Св. 3,2 до 3,6 включ. |
0,4 |
0,8 |
0,8 |
|
Св. 3,6 до 4,1 включ. |
0,7 |
1,2 |
1,2 |
|
Св. 4,1 до 4,7 включ. |
0,8 |
1,8 |
1,8 |
|
Св. 4,7 до 5,3 включ. |
0,8 |
2,0 |
2,0 |
|
Св. 5,3 до 6,0 включ. |
1,2 |
2,5 |
3,0 |
|
Св. 6,0 до 8,0 включ. |
2,5 |
3,5 |
6,0 |
|
Св. 8,0 до 10,0 включ. |
3,5 |
4,0 |
10,0 |
|
Колонка I применяется к винтам без головок, если винт, будучи затянут, не выступает из отверстия, и к другим винтам, которые не могут быть затянуты с помощью отвертки с лезвием шире диаметра винта. Колонка II применяется к другим винтам, которые затягиваются с помощью отвертки. Колонка III применяется к винтам и гайкам, которые затягиваются не отверткой, а другими средствами. Если винт имеет шестигранную головку с пазом для затяжки отверткой и значения в колонках II и III различны, то испытание проводят дважды, сначала прикладывая к шестигранной головке крутящий момент, указанный в колонке III, а затем, на другом образце, прилагая крутящий момент, указанный в колонке II, с помощью отвертки. Если значения в колонках II и III совпадают, то производится только испытание отверткой. | |||
Во время испытаний винтовые соединения не должны ослабляться и не должно быть повреждений, таких как поломка винтов, повреждение шлицев, резьбы, шайб и хомутиков, ухудшающих дальнейшую эксплуатацию выключателя.
Кроме того, не должно быть повреждений крышек и оболочек.
9.5.1 Соответствие требованиям 8.1.5 проверяют осмотром, испытаниями по 9.4, для чего в зажим вывода помещают жесткий медный проводник наибольшего сечения из указанных в таблице 5 (при номинальной площади поперечного сечения св. 6 мм2 используют жесткий многопроволочный провод, для других сечений - однопроволочный) испытаниями по 9.5.2-9.5.4.
Испытания по 9.4 и 9.5 проводят с помощью соответствующей испытательной отвертки или гаечного ключа.
9.5.2 Выводы оснащают медными одно- и многопроволочными проводниками наименьшего и наибольшего сечений из указанных в таблице 5.
Выводы должны подходить для всех типов проводников одного и того же типа (жестких - сплошных или многопроволочных - или гибких), если заводом-изготовителем не указано иное.
Новые выводы испытывают с проводниками минимального и максимального сечений каждого типа по применению в следующем порядке:
- с однопроволочными проводниками сечением от 1 до 6 мм2;
- с многопроволочными проводниками от 1,5 до 50 мм2;
- с гибкими проводниками от 1 до 35 мм2.
Проводник вводят в зажим до упора в его дно или до выхода конца проводника с противоположной стороны зажима и в положении, наиболее благоприятном для выскальзывания проволоки (проволок).
Зажимные винты затягивают с крутящим моментом, равным 2/3 значения, указанного в соответствующей графе таблицы 11.
Затем каждый проводник подвергают вытягиванию с усилием, указанным в таблице 12. Вытягивание производят без рывков в течение 1 мин в направлении оси канала проводника.
При необходимости в протоколе испытания должны быть четко указаны испытанные значения для различных поперечных сечений с соответствующим усилием вытягивания.
|
Сечение проводника, помещаемого в вывод, мм2 (от и до включительно) |
от 1 до 4 включ. |
от 4 до 6 включ. |
от 6 до 10 включ. |
от 10 до 16 включ. |
от 16 до 50 включ. |
|
Вытягивающее усилие, H |
50 |
60 |
80 |
90 |
100 |
Во время испытания проводник не должен заметно сдвигаться в выводе.
9.5.3 Выводы оснащают медными одно- и многопроволочными проводниками наименьшего и наибольшего сечений из указанных в таблице 5, выбирая наименее благоприятные, и зажимные винты затягивают моментом, равным 2/3 значения, указанного в соответствующей графе таблицы 11.
Затем винты отпускают, и ту часть проводника, которая может быть повреждена зажимом, осматривают.
Проводники не должны иметь чрезмерных повреждений или оборванных проволок.
Примечание - Проводники считают чрезмерно поврежденными при наличии глубоких вмятин или надрезов.
Во время испытаний выводы не должны ослабляться и не должно быть их повреждений, таких как поломка винтов, повреждение шлицев, резьбы, шайб и хомутиков, ухудшающих дальнейшую эксплуатацию выключателя.
9.5.4 Зажимы оснащают жесткими многожильными медными проводниками максимального сечения, указанного в таблице 5.
Перед вводом в зажим проволокам проводника придают соответствующую форму.
Проводник вводят в зажим до упора в его дно или до выхода конца проводника с противоположной стороны зажима и в положении, наиболее благоприятном для выскальзывания проволоки (проволок). Зажимные винты или гайки затем затягивают моментом, равным 2/3 значения, указанного в соответствующей графе таблицы 11.
После испытания ни одна проволока проводника не должна оказаться вне зажима.
Испытание проводят с применением стандартного испытательного пальца (см. рисунок 8) на образце, смонтированном как для нормальной эксплуатации (см. примечание к 8.1.6), оснащенном проводниками с наименьшим и наибольшим сечениями из указанных в таблице 5.
Палец должен быть спроектирован так, чтобы каждая из его сочлененных секций могла поворачиваться под углом 90° по отношению к оси пальца только в одном направлении.
Стандартный испытательный палец прикладывают в каждом возможном изогнутом положении, как у настоящего пальца. Для определения электрического контакта с частями, находящимися под напряжением, следует использовать индикатор электрического контакта.
Для индикации контакта рекомендуется использовать электрическую лампочку на напряжение не менее 40 В.
Выключатели с оболочками или крышками из термопластичных материалов подвергают следующим дополнительным испытаниям при температуре окружающего воздуха (35 ± 2) °С и такой же температуре выключателя.
К выключателю в течение 1 мин прикладывают с усилием 75 Н кончик прямого (неизогнутого) испытательного пальца таких же размеров, как и стандартный испытательный палец. Этот палец прикладывают во всех местах, где размягчение изоляционного материала могло бы повлиять на целостность и безопасность выключателя, кроме пробивных диафрагм.
При испытании оболочки или крышки не должны деформироваться в такой степени, чтобы находящихся под напряжением частей можно было коснуться жестким испытательным пальцем.
Выключатели открытого исполнения, имеющие части, которые не предполагается защищать оболочками, смонтированные как для нормальной эксплуатации (см. 8.1.6), подвергают испытанию с установленной металлической передней панелью.
9.7.1 Влагостойкость
9.7.1.1 Подготовка выключателя к испытанию
Части, которые могут быть удалены без помощи инструмента, удаляются и подвергаются влажностной обработке с основной частью; пружинные крышки остаются открытыми во время этой обработки.
Кабельные вводы, при наличии, оставляют открытыми; если предусмотрены пробивные диафрагмы, одну из них вскрывают.
9.7.1.2 Условия испытания
Влажную обработку проводят в камере с относительной влажностью, поддерживаемой от 91 % до 95 %.
Температура воздуха T в камере, в которой находится образец, поддерживается в пределах ± 1 °С от любого удобного значения от 20 °С до 30 °С.
Перед помещением в камеру образца его температура должна быть от T °С до T °С + 4 °С.
9.7.1.3 Методика испытания
Образец выдерживают в камере 48 ч.
Примечание - Относительную влажность от 91 % до 95 % можно обеспечить, поместив в камеру насыщенный водный раствор сульфата натрия (Na2SO4) или нитрата калия (KNO3), имеющий достаточно большую поверхность контакта с воздухом.
Для достижения заданных условий в камере необходимо обеспечить постоянную циркуляцию воздуха внутри и, в общем случае, использовать камеру с теплоизоляцией.
9.7.1.4 Состояние выключателя после испытания
После такой обработки образец не должен иметь повреждений по требованиям настоящего стандарта и выдерживать испытания по 9.7.2-9.7.4 и 9.7.5.2 (по применению).
9.7.2 Сопротивление изоляции главной цепи
Выключатель, обработанный в соответствии с 9.7.1, извлекается из камеры.
Спустя 30-60 мин после этой обработки измеряют сопротивление изоляции в течение 5 с при напряжении постоянного тока приблизительно 500 В в следующей последовательности:
a) с выключателем в разомкнутом состоянии - между каждой парой выводов, которые электрически соединены между собой, когда выключатель замкнут, в каждом полюсе поочередно;
b) при замкнутом выключателе - между каждым полюсом поочередно и остальными полюсами, соединенными вместе, при этом электронные компоненты, включенные между токовыми путями, на время испытания должны быть отключены;
c) при замкнутом выключателе - между всеми полюсами, соединенными вместе, и корпусом, включая металлическую фольгу, контактирующую с наружной поверхностью внутренней оболочки из изоляционного материала, при ее наличии, с клеммными участками, сохраненными полностью свободными, чтобы избежать пробоя между клеммами и металлической фольгой;
d) для выключателей с металлическим корпусом, имеющим внутреннюю облицовку из изоляционного материала, - между корпусом и металлической фольгой, контактирующей с внутренней поверхностью облицовки из изоляционного материала, включая втулки и аналогичные устройства.
Измерения в перечислениях а) - с) производятся после подключения к раме всех вспомогательных цепей.
Термин "корпус" включает в себя:
- все доступные металлические детали и металлическую фольгу, контактирующие с поверхностями изоляционного материала, которые доступны после установки как для нормального использования;
- поверхность, на которой установлено основание выключателя, покрытую, при необходимости, металлической фольгой;
- винты и другие приспособления для крепления основания к его опоре;
- винты для крепления крышек, которые должны быть сняты при монтаже выключателя;
- металлические части средств управления, указанных в 8.2.
Если выключатель снабжен клеммой, предназначенной для соединения защитных проводников, то эта клемма соединяется с корпусом.
Для измерений в соответствии с перечислениями b) - d) металлическая фольга наносится таким образом, чтобы герметизирующая смесь, если таковая имеется, была эффективно испытана.
Сопротивление изоляции должно быть не менее:
- 2 МОм для измерений по перечислениям а) и b);
- 5 МОм для других измерений.
9.7.3 Электрическая прочность изоляции главной цепи
После испытания по 9.7.2 оговоренное испытательное напряжение прикладывают на 1 мин между частями, указанными в 9.7.2, при этом электронные компоненты, при их наличии, на время испытаний отключают.
Испытательное напряжение должно иметь практически синусоидальную форму волны и частоту от 45 до 65 Гц.
Источник испытательного напряжения должен быть в состоянии обеспечить ток короткого замыкания не менее 0,2 А.
Токовое защитное устройство трансформатора не должно срабатывать при токе в выходной цепи менее 100 мА.
Значения испытательного напряжения должны быть следующими:
- 2000 В для 9.7.2, перечисления а) - с);
- 2500 В для 9.7.2, перечисление d).
Вначале прикладывают не более половины указанного напряжения, затем его повышают до полного значения за 5 с.
Во время испытания не должно происходить никаких пробоев или перекрытий изоляции.
Тлеющие разряды, не вызывающие падения напряжения, во внимание не принимают.
9.7.4 Сопротивление изоляции и электрическая прочность вспомогательных цепей
a) Измерение сопротивления изоляции и испытание электрической прочности изоляции вспомогательных цепей проводят сразу же после измерения сопротивления изоляции и испытания электрической прочности изоляции главной цепи в условиях перечислений b) и с), приведенных ниже.
Если в выключателях имеются электронные компоненты, соединенные при нормальной работе с главной цепью, следует выполнить временные соединения на период испытания таким образом, чтобы в течение испытания между входными и выходными выводами компонентов не было напряжения.
b) Измерения сопротивления изоляции проводят:
- между соединенными между собой вспомогательными цепями и корпусом;
- между каждой частью вспомогательных цепей, которая может быть изолирована от других частей при нормальной эксплуатации, и всеми остальными частями, соединенными вместе, при напряжении приблизительно 500 В постоянного тока, после того, как это напряжение прикладывалось 1 мин.
Сопротивление изоляции должно быть не менее 2 МОм.
c) Практически синусоидальное напряжение номинальной частоты прикладывают в течение 1 мин между частями, перечисленными выше в перечислении b).
Значения прикладываемого напряжения указаны в таблице 13.
|
Номинальное напряжение вспомогательной цепи (переменного или постоянного тока), В |
Испытательное напряжение, В | |
|
св. |
до включ. | |
|
0 |
30 |
600 |
|
30 |
50 |
1000 |
|
50 |
110 |
1500 |
|
110 |
250 |
2000 |
|
250 |
500 |
2500 |
В начале испытания испытательное напряжение не должно превышать половины указанного значения. Затем напряжение постепенно увеличивают до полного значения в течение не менее 5 с.
Во время испытания не должно быть перекрытий и пробоев изоляции.
Примечания
1 Тлеющие разряды, не вызывающие снижения напряжения, во внимание не принимают.
2 Для выключателей, вспомогательная цепь которых не доступна для проверки требований, указанных в перечислении b) данного подпункта, испытания должны быть проведены на образцах, специально подготовленных изготовителем, либо в соответствии с его инструкциями.
9.7.5 Проверка способности выдерживать импульсные напряжения (через воздушные зазоры и твердую изоляцию) и ток утечки на разомкнутых контактах
9.7.5.1 Общая методика испытаний на импульсное выдерживаемое напряжение
Положительные и отрицательные импульсы, подающиеся генератором, имеют длительность фронта 1,2 мкс и длительность на уровне 0,5 величины амплитуды импульса - 50 мкс с точностью:
- ± 5 % - для пикового значения;
- ± 30 % - для длительности фронта;
- ± 20 % - для длительности на уровне 0,5.
В каждом испытании прикладывают по пять положительных и отрицательных импульсов с интервалом между последующими импульсами одной и той же полярности не менее 1 с и между импульсами противоположной полярности не менее 10 с.
При проведении испытания импульсным напряжением всего выключателя следует учитывать ослабление или усиление испытательного напряжения. Необходима гарантия того, что к выводам испытуемого оборудования подается требуемое значение испытательного напряжения.
Волновое сопротивление испытательного прибора должно быть 500 Ом.
При проведении испытания выключателя со встроенными прерывателями импульсов (например, элементы защиты от перенапряжения) должен использоваться генератор импульсов с виртуальным сопротивлением 2 Ом.
Форму импульсов устанавливают при подключенном к генератору импульсов испытуемого выключателя. Для этой цели должны использоваться соответствующие делители и датчики напряжения.
Для выключателя со встроенными прерывателями импульсов, которые не могут быть отсоединены, форму импульсов устанавливают, не присоединяя выключатель к импульсному генератору.
Допускаются незначительные колебания импульсов при условии, что их амплитуда вблизи пика импульсов составляет не более 5 % амплитудного значения импульса.
Допустимы колебания в первой половине фронта импульса амплитудой не более 10 % от пикового значения импульса.
Во время испытания не должно быть разрушительных разрядов.
Частичные разряды в зазорах, которые не приводят к пробою, не учитываются.
9.7.5.2 Проверка воздушных зазоров импульсным выдерживаемым напряжением
Если измерение зазоров по пунктам 2 и 4 таблицы 4 не показывает какого-либо уменьшения зазора, то это испытание не применяется.
В тех случаях, когда измерения зазоров внутри устройства нецелесообразны, это испытание может быть использовано для замены измерений зазоров в пунктах 2 и 4 таблицы 4.
Испытание проводят на выключателях в замкнутом положении, закрепленном на металлическом основании.
Значения испытательного импульсного напряжения должны выбираться по таблице 14 в соответствии с номинальными импульсными напряжениями выключателей, приведенными в таблице 3. Данные значения корректируют по таблице 14 согласно барометрическому давлению и/или высоте проведения испытаний над уровнем моря.
Испытания производятся с применением импульсного напряжения:
a) поочередно между каждым полюсом и другими полюсами, соединенными вместе, при этом электронные компоненты, соединенные между путями тока, отключаются для испытания;
b) между всеми полюсами, соединенными вместе, и корпусом, включающим металлическую фольгу или часть, контактирующую с наружной поверхностью корпуса из изоляционного материала, но при этом клеммные области остаются полностью свободными, чтобы избежать вспышки между клеммами и металлической фольгой;
c) для автоматических выключателей с металлическим корпусом, имеющим внутреннюю облицовку из изоляционного материала, между корпусом и металлической фольгой, контактирующей с внутренней поверхностью облицовки из изоляционного материала, включая втулки и аналогичные устройства.
Примечание - Термин "корпус" определен в 9.7.2.
Там, где это применимо, металлическая фольга наносится таким образом, чтобы герметизирующий состав, если таковой имеется, был эффективно испытан.
Во время испытаний не должно быть разрушительных разрядов. Если, однако, имел место только один такой разрушительный разряд, то дополнительно прикладывают десять импульсов той же полярности, что и вызвавший разрушительный разряд; соединения при этом должны быть такими же, как при разряде.
Не должно быть дальнейших разрушительных разрядов.
Примечание - Выражение "разрушительный разряд" используется для обозначения явлений, связанных с разрушением изоляции при электрическом напряжении, которые включают падение напряжения и протекание тока.
|
Номинальное импульсное выдерживаемое напряжение Uimp, кВ |
Испытательные напряжения на соответствующей высоте над уровнем моря | ||||
|
U1,2/50 пиковое переменного тока, кВ | |||||
|
Уровень моря |
200 м |
500 м |
1000 м |
2000 м | |
|
2,5 |
2,9 |
2,8 |
2,8 |
2,7 |
2,5 |
|
4,0 |
4,9 |
4,8 |
4,7 |
4,4 |
4,0 |
9.7.5.3 Проверка токов утечки на разомкнутых контактах (пригодность для изоляции к разъединению)
Каждый полюс выключателей, подвергнутых испытаниям, указанным в 9.12.11.2, или 9.12.11.3, или 9.12.11.4.2, или 9.12.11.4.3, или 9.12.11.4.4, питается напряжением, в 1,1 раза превышающим номинальное рабочее напряжение, причем выключатель находится в открытом положении.
Ток утечки, протекающий по разомкнутым контактам, измеряется и не должен превышать 2 мА.
9.7.5.4 Проверка сопротивления изоляции разомкнутых контактов импульсному напряжению (пригодность к разъединению)
Данным испытаниям не предшествует обработка влажностью, описанная в 9.7.1.
Примечание - Испытания, описанные в 9.7.5.4, как указано в требованиях 8.1.3, проводятся до испытаний, приведенных в 9.7.1, на трех образцах в цикле испытаний В.
Значения испытательного импульсного напряжения выбираются из таблицы 15 в соответствии с номинальным напряжением установки, для которой предполагается использовать выключатель, как указано в таблице 3. Эти значения корректируются для барометрического давления и/или высоты, на которой проводятся испытания, в соответствии с таблицей 15.
|
Номинальное напряжение установки, В |
Испытательные напряжения на соответствующих высотах над уровнем моря | ||||
|
U1,2/50 пиковое переменного тока, кВ | |||||
|
Уровень моря |
200 м |
500 м |
1000 м |
2000 м | |
|
Однофазная система с заземленной средней точкой 120/240 a) |
3,5 |
3,5 |
3,4 |
3,2 |
3,0 |
|
Однофазная система 120/240, 240 b) |
6,2 |
6,0 |
5,8 |
5,6 |
5,0 |
|
Трехфазные системы 230/400 |
6,2 |
6,0 |
5,8 |
5,6 |
5,0 |
|
a) В электроустановках Японии. b) В электроустановках стран Северной Америки. | |||||
Серия испытаний проводится на выключателе, закрепленном на металлическом основании как при нормальной эксплуатации, так и при разомкнутых контактах.
Импульсы подаются между клеммами линии, соединенными вместе, и клеммами нагрузки, соединенными вместе.
Во время испытания не должно быть никаких разрядов, разрушающих изоляцию.
9.8.1 Температура окружающего воздуха
Температура окружающего воздуха должна измеряться в течение последней четверти периода испытаний при помощи не менее двух термометров или термопар, симметрично расположенных относительно выключателя приблизительно на половине его высоты и на расстоянии около 1 м от выключателя.
Термометры и термопары должны быть защищены от сквозняков и теплового излучения.
9.8.2 Методика испытания
Ток, равный In при любом удобном напряжении, пропускается одновременно через все полюсы выключателя в течение времени, достаточного для того, чтобы превышение температуры достигло установившегося значения, или в течение обычного времени, в зависимости от того, что дольше. Практически это условие достигается, когда изменение температуры не превышает 1 К за 1 ч.
Для четырехполюсных выключателей с тремя защищенными полюсами испытание сначала проводят пропусканием указанного тока только через три фазных полюса.
Затем испытание повторяют, пропуская тот же ток через полюс, предназначенный для соединения нейтрали, и соседний с нейтралью фазный полюс.
По согласованию с изготовителем испытания на четырехполюсных выключателях с тремя защищенными полюсами также могут быть заменены одним испытанием со всеми последовательными полюсами, включая N-полюс. Во время испытания превышение температуры не должно превышать значений, указанных в таблице 6.
9.8.3 Измерение температуры частей
Температуру различных частей, приведенных в таблице 6, измеряют при помощи тонкопроволочных термопар или эквивалентными приборами, установленными как можно ближе к наиболее горячим точкам.
Следует обеспечить хорошую теплопроводность между термопарой и поверхностью испытуемой части.
9.8.4 Превышение температуры частей
Превышение температуры части есть разница между температурой этой части, измеренной в соответствии с 9.8.3, и температурой окружающего воздуха, измеренной в соответствии с 9.8.1.
9.8.5 Измерение потери мощности
Переменный ток, равный In, при напряжении питания не менее 30 В пропускают через каждый полюс выключателя.
Примечание - Испытательное напряжение величиной менее 30 В можно использовать при условии согласия производителя.
Потери мощности на полюс, рассчитанные на основе падения напряжения, измеренного в установившемся режиме между его клеммами, не должны превышать соответствующие значения, приведенные в таблице 8.
Примечание - Измерение падения напряжения может быть выполнено во время испытания на превышение температуры при условии, что условия испытания этого подпункта выполнены.
Выключатель подвергают воздействию 28 циклов испытаний, в каждом из которых выключатель находится 21 ч под нагрузкой номинальным током, при напряжении разомкнутой цепи не менее 30 В, и 3 ч - в обесточенном состоянии в условиях испытания по 9.2.
Примечание - При условии согласия изготовителя можно использовать испытательное напряжение менее 30 В.
Выключатель находится в замкнутом положении, а ток включают и отключают вспомогательным выключателем. Во время этого испытания выключатель не должен расцепляться.
В течение первого периода протекания тока измеряется температура выводов.
В последний период прохождения тока следует измерить превышение температуры выводов. Это превышение температуры не должно превосходить температуру, замеренную при испытании в течение первого периода, более чем на 15 К.
Немедленно после этого измерения превышения температуры в течение 5 с ток плавно повышают до условного тока расцепления.
Выключатель должен срабатывать в течение обычного времени, причем обычный ток срабатывания должен быть отнесен к температуре калибровки с использованием информации, предоставленной изготовителем.
9.10.1 Общие условия
Данное испытание предназначено для проверки соответствия выключателя требованиям 8.6.1.
Если испытание проводится в испытательной камере, то оно должно проводиться на неподвижном воздухе; объем испытательной камеры должен быть таким, чтобы не влиять на результаты испытания.
9.10.2 Проверка времятоковой характеристики
9.10.2.1 Ток, равный 1,13In (условный ток нерасцепления), пропускают в течение условного времени (см. 8.6.1 и 8.6.2.1) через все полюса, начиная с холодного состояния (см. таблицу 7).
Выключатель не должен расцепляться.
Затем ток плавно повышают в течение 5 с до 1,45In (условного тока расцепления).
Выключатель должен расцепляться в пределах условного времени.
9.10.2.2 Ток, равный 2,55In, пропускают через все полюса, начиная с холодного состояния.
Время размыкания должно составлять не менее 1 с и не более:
- 60 с - при номинальных токах до 32 А включительно;
- 120 с - при номинальных токах свыше 32 А.
9.10.3 Проверка мгновенного расцепления и точного размыкания контактов
9.10.3.1 Общие условия испытаний
Для низких значений испытательного тока по 9.10.3.2-9.10.3.4 соответственно испытания проводят один раз при любом удобном напряжении.
Для высоких значений испытательного тока испытание проводят при номинальном напряжении Un (между фазой и нейтралью) с коэффициентом мощности от 0,95 до 1.
Последовательность операций следующая:
O - t - CO - t - CO - t - CO.
Интервал t определен в 9.12.11.1.
Время расцепления операции О измеряют.
После каждой операции устройства индикации должны указывать на разомкнутое положение контактов.
В течение всей операции О средства преднамеренно удерживаются в замкнутом положении.
Функция без отключения должна работать должным образом, и измеряется время отключения операции О.
После отключения заблокированная позиция покидается.
В случае автоматических выключателей с зависимым ручным управлением автоматический выключатель должен включатся с рабочей скоростью при срабатывании 0,1 м/с ± 25 %, причем эта скорость измеряется там, где и когда средство управления испытательного устройства касается средств управления проверяемого выключателя. Для вращающихся ручек угловая скорость должна в основном соответствовать вышеупомянутым условиям, относящимся к скорости рабочего средства (на его концах) проверяемого выключателя.
После каждой операции все индикаторы должны показывать разомкнутое положение контактов.
9.10.3.2 Для выключателей типа В
Ток, равный 3In, пропускают через все полюса, начиная с холодного состояния.
Время размыкания должно быть не менее 0,1 с.
Затем ток, равный 5In, пропускают через все полюса, снова начиная с холодного состояния.
Время размыкания должно быть менее 0,1 с.
9.10.3.3 Для выключателей типа С
Ток, равный 5In, пропускают через все полюса, начиная с холодного состояния.
Время размыкания должно быть не менее 0,1 с.
Затем ток, равный 10In, пропускают через все полюса, снова начиная с холодного состояния.
Время размыкания должно быть менее 0,1 с.
9.10.3.4 Для выключателей типа D
Ток, равный 10In, пропускают через все полюса, начиная с холодного состояния. Время размыкания должно быть не менее 0,1 с.
Затем ток, равный 20In, или максимальный ток мгновенного расцепления пропускают через все полюса, снова начиная с холодного состояния.
Время размыкания должно быть менее 0,1 с.
9.10.4 Проверка влияния однополюсной нагрузки на характеристику расцепления многополюсного выключателя
Проверку проводят испытанием выключателя, смонтированного согласно 9.2, в условиях, указанных в 8.6.3.2.
Выключатель должен расцепиться в пределах условного времени (см. 8.6.2.1).
9.10.5 Проверка влияния температуры окружающей среды на характеристику расцепления
Соответствие проверяют проведением следующих испытаний:
a) выключатель помещают в среду с температурой на (35 ± 2) °С ниже контрольной температуры окружающего воздуха и выдерживают до достижения температурного равновесия.
Ток, равный 1,13In (условный ток нерасцепления), пропускают в течение условного времени через все полюса.
Затем ток в течение 5 с плавно повышают до 1,9n. Выключатель должен расцепиться в установленное время;
b) выключатель помещают в среду с температурой на (10 ± 2) °С выше контрольной температуры окружающего воздуха и выдерживают до достижения температурного равновесия.
Ток, равный In, пропускают через все полюса.
Выключатель не должен расцепиться в установленное время.
9.11.1 Общие условия испытаний
Выключатель прикрепляют к металлической опоре. Если же он предназначен для монтажа в отдельной оболочке, его устанавливают в такой оболочке по 9.2.
Испытание проводят при номинальном рабочем напряжении, токе, равном номинальному, что обеспечивается с помощью сопротивлений и катушек индуктивности, включенных последовательно и присоединенных к выходным выводам выключателя.
Если используют катушки индуктивности с воздушными сердечниками, то параллельно каждой из них подсоединяют сопротивление, отводящее на себя около 0,6 % тока, проходящего через катушку.
Ток должен иметь практически синусоидальную форму волны, а коэффициент мощности должен быть от 0,85 до 0,9.
При испытаниях однополюсных выключателей и двухполюсных с двумя защищенными полюсами металлическую опору для первой половины всего числа срабатываний подключают к одной стороне источника питания, для второй - к другой.
Для двухполюсных выключателей с одним защищенным полюсом металлическая опора соединена с нейтралью источника питания.
Для однополюсных выключателей с номинальным напряжением 230/400 В испытание должно проводиться при более низком значении напряжения.
Для трехполюсных выключателей металлическая опора подключается к одной фазе питания для первой половины общего числа операций и к одной из других фаз, выбранных случайным образом, для второй половины.
Для четырехполюсных выключателей металлическая опора соединена с нейтралью источника питания.
Выключатель подключается к цепи проводниками соответствующего размера, указанными в таблице 10.
9.11.2 Методика испытания
Выключатели должны быть подвергнуты 4000 циклов оперирования под нагрузкой номинальным током.
Каждый цикл оперирования состоит из замыкания и последующего размыкания.
Для выключателей с номинальным током до 32 А включительно частота оперирования должна составлять 240 циклов оперирования в час. Во время каждого цикла выключатель должен оставаться разомкнутым не менее 13 с.
Для выключателей с номинальным током свыше 32 А частота оперирования должна составлять 120 циклов оперирования в час. Во время каждого цикла выключатель должен оставаться разомкнутым не менее 28 с.
Выключатель следует оперировать, как при нормальной эксплуатации.
Внимание обращают на то, чтобы:
- испытательное устройство не повреждало испытуемый выключатель;
- не нарушалось свободное движение механизма управления испытуемого выключателя;
- скорость приводного механизма испытательного устройства не влияла чрезмерно на механизм управления выключателем при испытании.
Выключатель с зависимым ручным управлением должен управляться со скоростью 0,1 м/с ± 25 %, причем скорость измеряют в тот момент и в том месте, где механизм управления испытательного устройства касается привода испытуемого выключателя. Для поворотных рукояток угловая скорость должна в основном соответствовать вышеуказанным условиям в том, что касается скорости механизма управления (в его пределах) испытуемого выключателя.
9.11.3 Состояние выключателя после испытания
После испытания по 9.11.2 образец не должен иметь:
- чрезмерного износа;
- различий положения подвижных контактов и соответствующего положения индикаторного устройства;
- повреждений оболочки, дающих возможность проникновения стандартного испытательного пальца к частям, находящимся под напряжением (см. 9.6);
- ослабления электрических или механических соединений;
- вытекания заливочного компаунда, если таковой имеется.
Кроме того, выключатель должен удовлетворительно выдержать испытание по 9.10.2.2 и проверку электрической прочности изоляции по 9.7.3, но при напряжении на 500 В ниже предписанного в 9.7.4 и без предварительной обработки в камере влаги.
9.12.1 Общие условия
Стандартные испытания для проверки работоспособности при коротких замыканиях содержат циклы операций включения и отключения согласно проверяемым функциям, которые сведены в таблицу 16.
Испытания на короткое замыкание должны проводиться при подходящей температуре в пределах диапазона, соответствующего 7.2.
Все выключатели испытывают при 500 А или 10In, в зависимости от того, что выше, в соответствии с 9.12.11.2 и при 1500 А в соответствии с 9.12.11.3.
Выключатели с номинальной наибольшей коммутационной способностью свыше 1500 А дополнительно испытывают:
- при рабочей наибольшей отключающей способности (см. 3.5.5.2) - согласно 9.12.11.4.2 и 9.12.12.1; рабочую наибольшую отключающую способность определяют умножением номинальной наибольшей отключающей способности на коэффициент К, значения которого приведены в таблице 18;
- при номинальной наибольшей отключающей способности (см. 5.2.4) согласно 9.12.11.4.3 и 9.12.12.2, если коэффициент К менее 1, то необходимо использовать новые образцы.
|
Вид испытания |
Испытуемый выключатель |
Пункт |
|
Испытания при пониженных токах короткого замыкания (9.12.11.2.1) |
Все выключатели |
9.12.12.1 |
|
Испытания пригодности выключателей для системы IT (9.12.11.2.2) |
Все выключатели, за исключением на номинальное напряжение 120 или 120/240 В | |
|
Испытания притоке 1500 В (9.12.11.3) |
Все выключатели | |
|
Испытания на рабочую наибольшую отключающую способность (9.12.11.4.2) |
Выключатели, имеющие Icn > 1500 А |
9.12.12.1 |
|
Испытание на номинальную наибольшую отключающую способность (9.12.11.4.3) |
Выключатели с Icn > IСS |
9.12.12.2 |
|
Испытание на работоспособность и отключающую способность на отдельном полюсе (9.12.11.4.4) |
Многополюсные выключатели |
9.12.12.2 |
9.12.2 Значения испытательных параметров
Все испытания, относящиеся к проверке на номинальную наибольшую отключающую способность, необходимо проводить со значениями параметров, установленных изготовителем, согласно соответствующим таблицам настоящего стандарта.
Величина прикладываемого напряжения должна быть такой, какая необходима для получения заданного восстанавливающегося напряжения промышленной частоты.
Значение восстанавливающегося напряжения промышленной частоты (см. 3.5.8.2) должно быть равным 105 % номинального напряжения испытуемого выключателя.
Для однополюсных выключателей с двойным номинальным напряжением (например, 230/400 В) возвращающееся напряжение промышленной частоты должно составлять 105 % его наибольшего значения (например, 400 В) при испытаниях по перечислению d) 9.12.11.4.2, перечислению b) 9.12.11.4.3 и 9.12.11.2.2 и 105 % его наименьшего значения (например, 230 В) при всех остальных испытаниях по 9.12.
Для двухполюсных выключателей с двойным номинальным напряжением (например, 120/240 В) возвращающееся напряжение промышленной частоты должно составлять 105 % его наименьшего значения (например, 120 В) при испытаниях по 9.12.11.2 и 105 % его наибольшего значения (например, 230 В) при всех остальных испытаниях по 9.12.
Примечание - Значение (105 ± 5) % номинального напряжения считают перекрывающим влияние колебаний сетевого напряжения при нормальных условиях эксплуатации. Верхний предел напряжения может быть повышен с согласия изготовителя.
9.12.3 Допуски на испытательные параметры
Испытания рассматривают как действительные, если значения, зафиксированные в протоколе испытаний, находятся в пределах следующих допусков:
- ток: + 5 %;
- напряжение (включая восстанавливающееся напряжение): ± 5 %;
- частота: ± 5 %.
9.12.4 Испытательная цепь для проверки работоспособности в условиях короткого замыкания
На рисунках 3 и 4 приведены схемы цепей, предназначенных для испытаний:
- однополюсного выключателя;
- двухполюсного выключателя с одним защищенным полюсом;
- двухполюсного выключателя с двумя защищенными полюсами;
- трехполюсного выключателя;
- четырехполюсного выключателя с тремя защищенными полюсами;
- четырехполюсного выключателя с четырьмя защищенными полюсами.
Сопротивления и катушки индуктивности с полным сопротивлением Z и Z1 (см. рисунок 5) должны регулироваться для достижения заданных условий испытаний.
Катушки индуктивности должны быть предпочтительно с воздушными сердечниками. Они всегда должны присоединяться последовательно к сопротивлениям, а их заданная индуктивность должна быть обеспечена последовательным соединением отдельных катушек; параллельное соединение катушек индуктивности допускается с практически равными постоянными времени.
Поскольку переходные характеристики восстанавливающегося напряжения (см. 3.5.8.1) испытательных цепей, включающих в себя катушки индуктивности с воздушными сердечниками, не типичны для обычных условий эксплуатации, катушки с воздушными сердечниками в каждой фазе должны быть шунтированы сопротивлениями, отводящими приблизительно 0,6 % тока, протекающего через катушку.
Если используют катушки с железными сердечниками, то мощность потерь в железе сердечников не должна превышать мощности, рассеиваемой на сопротивлениях, включенных параллельно катушкам с воздушными сердечниками.
Должна быть заземлена одна и только одна точка испытательной цепи; это может быть звено короткого замыкания испытательной цепи, или нейтральная точка питания, или любая другая удобная точка. В любом случае метод заземления должен быть указан в протоколе испытания.
В каждой испытательной цепи для проверки на номинальную наибольшую отключающую способность между источником питания S и испытываемым выключателем включают дополнительные сопротивления Z.
При испытаниях с током, меньшим номинальной наибольшей отключающей способности, на стороне нагрузки выключателя должны быть установлены дополнительные сопротивления Z1.
Для испытаний как на номинальную, так и на рабочую отключающую способность выключатель должен быть соединен кабелями (жесткими или гибкими) длиной 0,75 м на полюс с максимальным поперечным сечением в зависимости от номинального тока согласно таблице 5.
Резистор R2 сопротивлением приблизительно 0,5 ОМ соединен последовательно с каркасом и далее медным проводом F до точки соединения Н в следующем порядке:
- для испытания однополюсного выключателя и двухполюсного выключателя с одним защищенным полюсом это соединение Н связано с точкой нейтрального проводника D приблизительно для половины числа срабатывания выключателя, а для остальной части срабатываний подключено к соответствующей фазе, либо к точке С, либо точке В;
- для испытания двухполюсного выключателя с двумя защищенными полюсами, трехполюсного выключателя или четырехполюсного выключателя это соединение H предназначено для всех операций, проводимых в точке D.
Медная проволока F должна иметь длину как минимум 50 мм и диаметр:
- 0,1 мм - для выключателей, испытуемых на открытом воздухе и монтируемых на металлической опоре;
- 0,3 мм - для выключателей, испытуемых в наименьшей оболочке, указанной изготовителем.
Сопротивления R1 проводящие ток 10 А на фазу, подключают на входной стороне выключателя между полными сопротивлениями для доведения ожидаемого тока до значения номинальной наибольшей отключающей способности выключателя.
9.12.5 Коэффициент мощности испытательной цепи
Коэффициент мощности каждой фазы испытательной цепи необходимо определять признанным методом, который следует указать в протоколе испытаний.
В приложении А приведены два примера определения коэффициентов мощности.
Коэффициент мощности многофазной цепи определяют как среднее значение коэффициентов мощности всех фаз.
Диапазоны значений коэффициентов мощности приведены в таблице 17.
|
Испытательный ток Iсс, А |
Соответствующий диапазон коэффициента мощности |
|
До 1500 включ. |
От 0,93 до 0,98 |
|
Св. 1500 до 3000 включ. |
От 0,85 до 0,90 |
|
Св. 3000 до 4500 включ. |
От 0,75 до 0,80 |
|
Св. 4500 до 6000 включ. |
От 0,65 до 0,70 |
|
Св. 6000 до 10 000 включ. |
От 0,45 до 0,50 |
|
Св. 10 000 до 25 000 включ. |
От 0,20 до 0,25 |
9.12.6 Измерение и проверка I2t и пикового тока (Ip)
Значения I2t и Ip должны быть измерены в ходе испытаний согласно 9.12.11.2-9.12.11.4. При испытании выключателей в трехфазных цепях значения I2t должны быть измерены на каждом полюсе.
Максимальные измеренные значения I2t должны быть отражены в протоколе испытания и не должны превышать соответствующих значений характеристики I2t, установленных изготовителем.
9.12.7 Калибровка испытательной цепи
9.12.7.1 Для калибровки испытательной цепи перемычки G, сопротивление которых пренебрежимо мало по сравнению с полным сопротивлением испытательной цепи, подключают в местах, указанных на рисунках 3 и 4.
9.12.7.2 Для получения ожидаемого тока, равного номинальной наибольшей коммутационной способности выключателя, при соответствующем коэффициенте мощности, как установлено в таблице 16, на входной стороне перемычек G1 вводят полные сопротивления Z.
9.12.7.3 Для получения испытательного тока ниже, чем номинальная наибольшая отключающая способность, на выходной стороне перемычек G1 вводят дополнительные полные сопротивления Z1, как показано на рисунках 3 и 4.
9.12.8 Толкование записей
9.12.8.1 Определение напряжения до включения и возвращающегося напряжения промышленной частоты
Напряжение до включения и возвращающееся напряжение промышленной частоты определяют по записи, соответствующей операции отключения О (см. 9.12.11.1) испытуемого выключателя, и оценивают, как показано на рисунке 6.
Напряжение на входной стороне выключателя необходимо измерять на протяжении первого периода после гашения дуги во всех полюсах и после затухания высокочастотных явлений.
9.12.8.2 Определение ожидаемого тока короткого замыкания
Периодическую составляющую ожидаемого тока приравнивают к периодической составляющей тока калибровки (значение, соответствующее А2 на рисунке 6).
Где применимо, ожидаемый ток короткого замыкания определяют как среднее значение ожидаемых токов во всех фазах.
9.12.9 Условия испытания
9.12.9.1 Общие положения
Выключатели испытывают на открытом воздухе по 9.12.9.2, за исключением тех случаев, когда они разработаны для применения только в оболочке, указанной изготовителем, или предназначены для применения только в индивидуальных оболочках; в таких случаях они должны быть испытаны по 9.12.9.3 либо с согласия изготовителя по 9.12.9.2.
Выключатель, испытанный в соответствии с 9.12.9.2, не должен испытываться по 9.12.9.3.
Примечание - Индивидуальная оболочка - это оболочка, предназначенная для размещения только одного устройства.
Выключателем следует управлять вручную или с помощью механизма управления испытательного устройства, имитирующего более точно обычную операцию включения.
Внимание обращают на то, чтобы:
- испытательное устройство не повреждало испытуемый выключатель;
- не нарушалось свободное движение механизма управления испытуемого выключателя;
- механизм управления испытуемого выключателя не оказывал чрезмерного влияния на скорость механизма управления испытательного устройства.
По запросу изготовителя выключатель с зависимым ручным управлением должен срабатывать со скоростью 0,1 м/с ± 25 %. Эту скорость измеряют, когда механизм управления испытательного устройства касается механизма управления испытуемого выключателя. Для поворотных рукояток угловая скорость, особенно при вышеуказанных условиях, должна в основном соотноситься со скоростью механизма управления (в его пределах) испытуемого выключателя.
9.12.9.2 Испытания на открытом воздухе
Выключатель при испытаниях устанавливают, как показано на рисунке Н.1.
Полиэтиленовый лист и изолирующую перегородку, указанные в приложении Н, устанавливают, как показано на рисунке Н.1, только для операции отключения О.
Решетка (решетки), указанная в приложении Н, должна быть установлена так, чтобы основная масса выделяющихся ионизированных газов проходила через нее. Решетка (решетки) должна быть расположена в самом неблагоприятном месте.
Если расположение отверстий для выхлопа газов не очевидно или отверстия отсутствуют, изготовитель должен предоставить соответствующую информацию. В случае отсутствия информации используются две решетки, одна над выключателем, а другая под ним.
Контур решеток (см. рисунок Н.3) должен быть соединен с точками В и С, как указано в схемах испытательных цепей на рисунках 3 и 4, в зависимости от ситуации. Для испытания однополюсных выключателей на номинальное напряжение 230/400 В контур решеток должен быть подсоединен в точках В и С между фазами, как указано в схеме испытательной цепи на рисунке 3.
Резистор R' должен иметь сопротивление 1,5 Ом. Медная проволока F' (см. рисунок Н.3) должна иметь длину 50 мм и диаметр 0,12 мм для выключателей на номинальное напряжение 230 В и 0,16 мм для выключателей на номинальные напряжения 400 или 230/400 В.
Для выключателей на номинальные напряжения 120 или 120/240 В резистор R' должен иметь сопротивление 0,75 Ом, а медная проволока F' - иметь диаметр 0,12 мм.
Для испытательных токов до 1500 А включительно расстояние а должно быть 35 мм.
Для более высоких значений токов короткого замыкания вплоть до Icn расстояние а может быть увеличено, и в этом случае расстояние а следует выбирать из ряда 40, 45, 50, 55 мм по согласованию с изготовителем.
Для испытаний токами свыше 1500 А могут быть установлены дополнительные перегородки или изоляционные средства, позволяющие уменьшить расстояние а, как будет указано изготовителем.
9.12.9.3 Испытание в оболочке
Выключатель помещают в оболочку, имеющую самую неудобную форму, и испытание проводят при самых неблагоприятных условиях. Решетка или изолирующая перегородка, показанная на рисунке Н.1, отсутствует.
Примечание - Это означает, что если другие выключатели (или другие устройства) обычно устанавливают в тех местах, где могла быть установлена решетка (решетки), то эти выключатели должны быть установлены там же. Их подключают, как при нормальной эксплуатации, но через F' и R' согласно 9.12.9.1 и как показано на соответствующем рисунке (см. рисунки 3, 4а, 4b, 5 или 6).
В соответствии с инструкциями изготовителя могут потребоваться перегородки или другие защитные средства или соответствующие воздушные зазоры для предотвращения воздействия ионизированных газов на установку.
Полиэтиленовый лист, описанный в приложении Н, размещают, как показано на рисунке Н.1, на расстоянии 10 мм от органов управления только для операции отключения О.
9.12.10 Состояние выключателя в ходе испытаний на короткое замыкание
Во время цикла оперирования по 9.12.11.2, или 9.12.11.3, или 9.12.11.4 выключатель не должен представлять опасности для испытателя, а также должен допускать повторное включение спустя время t, как указано в 9.12.11.1, без снятия его с испытательного устройства.
На полиэтиленовом листе не должно быть отверстий, видимых нормальным или скорректированным зрением без дополнительного увеличения.
Кроме того, не должно быть устойчивой дуги, перекрытия между полюсами или между полюсами и корпусом, не должен расплавляться предохранитель F, а также предохранитель F' (если применен).
9.12.11 Методика испытания
9.12.11.1 Общие положения
Процедура испытаний состоит в выполнении циклов оперирования.
Для обозначения циклов оперирования используют следующие символы:
"О" - автоматическое отключение;
"СО" - операция включения с последующим автоматическим отключением;
"t" - интервал времени между двумя последовательными срабатываниями при коротком замыкании, который должен составлять 3 мин или быть более длительным настолько, сколько может потребоваться тепловому расцепителю, чтобы допустить повторное включение выключателя. Это более длительное время должен указать изготовитель.
Фактическое значение t должно быть указано в протоколе испытаний. Если спустя время, указанное изготовителем, не произошло повторного включения выключателя, считают, что произошел отказ.
После погасания дуги должно не менее 0,1 с поддерживаться восстанавливающееся напряжение.
9.12.11.2 Испытание при пониженных токах короткого замыкания
9.12.11.2.1 Дополнительные сопротивления Z1 (см. 9.12.7.3) регулируют таким образом, чтобы получить ток, равный 500 А или 10In. Выбирают больше значение при коэффициенте мощности от 0,93 до 0,98.
Каждый защищенный полюс выключателя подвергают отдельно испытанию в цепи, схема которой приведена на рисунке 3.
Выключатель подвергают автоматическому размыканию девять раз, цепь замыкают шесть раз с помощью вспомогательного выключателя А и три раза с помощью самого выключателя.
Последовательность операций должна быть следующей:
O - t - O - t - O - t - O - t - O - t - O - t - CO - t - CO - t - CO.
Для испытания вспомогательный выключатель А синхронизируют относительно волны напряжения таким образом, чтобы шесть точек начала операции размыкания равномерно распределялись по полуволне с отклонением ± 5°.
9.12.11.2.2 Испытание на короткое замыкание выключателей при номинальном напряжении 230 В, или 240 В, или 230/240 В для проверки их пригодности к применению в системах IT.
Дополнительные сопротивления Z1 (см. 9.12.7.3) регулируют таким образом, чтобы получить ток, равный 500 А, или 1,2 максимального тока мгновенного расцепления, приведенного в таблице 2. Выбирают большее значение, но не свыше 2500 А при коэффициенте мощности от 0,93 до 0,98 и напряжении, равном 105 % максимального номинального напряжения.
Для выключателей, имеющих значение мгновенного отключения, превышающее 20In, сопротивления регулируются таким образом, чтобы получить ток, в 1,2 раза превышающий верхний предел мгновенного отключения, заявленный производителем, при этом ограничение 2500 А не учитывается.
Однополюсный выключатель и каждый защищенный полюс многополюсного выключателя отдельно подвергают испытанию в цепи, схема соединений которой приведена на рисунке 4.
Последовательность операций следующая:
O - t - CO.
Для операции О на первом защищенном полюсе вспомогательный выключатель А синхронизирован по отношению к волне напряжения так, чтобы цепь замыкалась в точке 0° волны (с отклонением ± 5 ).
Для последующих операций О на других испытуемых защищенных полюсах [см. С.2 (приложение С)] данная точка каждый раз сдвигается на 30° по волне по сравнению с предыдущим испытанием с отклонением ± 5°.
9.12.11.3 Испытание на ток 1500 А
Для выключателей с номинальной наибольшей отключающей способностью 1500 А испытательную цепь калибруют согласно 9.12.7.1 и 9.12.7.2 для получения тока 1500 А при коэффициенте мощности, соответствующем этому току, по таблице 17.
Для выключателей с номинальной наибольшей коммутационной способностью свыше 1500 А испытательную цепь калибруют согласно 9.12.7.1 и 9.12.7.3 при коэффициенте мощности, соответствующем току 1500 А, по таблице 17.
Выключатели испытывают в цепи, схема которой приведена на рисунке 3.
Для трехполюсных автоматических выключателей соединение G1 между нейтралью источника питания и общей точкой, если таковая имеется, со стороны нагрузки выключателя не производят.
В четырехполюсных выключателях с тремя защищенными полюсами нейтраль источника питания подключают через незащищенный полюс или переключаемый полюс нейтрали к общей точке на стороне нагрузки выключателя.
Если нейтраль четырехполюсного выключателя не маркирована производителем, испытания повторяют с четырьмя образцами, последовательно используя каждый полюс в качестве нейтрального.
Для испытания одно- и двухполюсных выключателей вспомогательный выключатель Т синхронизируют относительно волны напряжения таким образом, чтобы шесть точек начала операции размыкания равномерно распределились по полуволне с отклонением ± 5°.
Последовательность операций должна соответствовать указанной в 9.12.11.2, за исключением однополюсных выключателей с номинальным напряжением 230/400 В. Для них после шести операций О выполняют только две операции СО; а затем эти выключатели дополнительно испытывают путем одновременного осуществления одной операции О с подключением по одному такому выключателю к каждой фазе испытательной цепи, предусмотренной для трехполюсного выключателя (рисунок 3) без синхронизации вспомогательного выключателя, создающего короткое замыкание.
Для трех- и четырехполюсных выключателей допустимо испытание с произвольным выбором точки по волне.
9.12.11.4 Испытание на токах свыше 1500 А
9.12.11.4.1 Соотношение между рабочей и номинальной наибольшими отключающими способностями (коэффициент К)
Соотношение коэффициента К между рабочей и номинальной наибольшими отключающими способностями должно соответствовать указанному в таблице 18.
|
Icn, А |
К |
|
До 6000 включ. |
1,00 |
|
Св. 6000 до 10 000 включ. |
0,75 а) |
|
Св. 10 000 |
0,50 b) |
|
a) Минимальное значение Ics = 6000 А. b) Минимальное значение Ics = 7500 А. | |
9.12.11.4.2 Испытание при рабочей наибольшей отключающей способности (Ics)
а) Испытательную цепь калибруют по 9.12.7.1 и 9.12.7.3 при коэффициенте мощности согласно таблице 17.
Испытанию подвергают три образца в цепи согласно 9.12.11.3.
Если входные и выходные выводы испытуемых выключателей не маркированы, то два образца присоединяют в одном направлении, а третий - в обратном.
b) Для одно- и двухполюсных выключателей последовательность операций следующая:
O - t - O - t - CO.
Для операций О вспомогательный выключатель А синхронизируют по отношению к волне напряжения таким образом, чтобы цепь замыкалась в точке 0° на волне для операции О на первом образце.
Затем эту точку смещают на 45° для второй операции О на первом образце.
Для второго образца две операции О должны быть синхронизированы при 15° и 60°, а для третьего образца - при 30° и 75°.
Допустимое отклонение по синхронизации ± 5°.
Процедура испытания приведена в таблице 19.
|
Операция |
Образец | ||
|
1 |
2 |
3 | |
|
1 |
О (0°) |
O (15°) |
О (30°) |
|
2 |
O (45°) |
O (60°) |
O (75°) |
|
3 |
СО |
СО |
СО |
с) Для трех- и четырехполюсных выключателей последовательность операций следующая:
O - t - CO - t - CO.
Для операций О вспомогательный выключатель А синхронизируют по отношению к волне напряжения таким образом, чтобы цепь замыкалась в любой точке х по волне для операции О на первом образце.
Затем эту точку смещают на 60° для операции О на втором образце и еще на 60° для операции О на третьем образце.
Допустимое отклонение по синхронизации ± 5°.
В целях синхронизации для различных образцов следует использовать в качестве контрольного один и тот же полюс.
Процедура этого испытания приведена в таблице 20.
|
Операция |
Образец | ||
|
1 |
2 |
3 | |
|
1 |
О (х°) |
О (х° + 60°) |
O (х° + 120°) |
|
2 |
СО |
СО |
СО |
|
3 |
СО |
СО |
СО |
d) Для однополюсных выключателей на номинальное напряжение 230/400 В испытанию в цепи согласно рисунку 3 без N-соединения подвергают дополнительный комплект из трех образцов.
Эти образцы включают по одному в каждую фазу испытательной цепи без синхронизации вспомогательного выключателя А, создающего короткое замыкание.
Не производят соединение между нейтралью источника питания и общей точкой на выходной стороне выключателя.
Процедура испытания приведена в таблице 21.
Во время этого испытания не требуется измерять I2t.
|
Операция |
Образец | ||
|
1 |
2 |
3 | |
|
1 |
О |
О |
О |
|
2 |
- |
СО |
О |
|
3 |
СО |
- |
СО |
|
4 |
со |
СО |
- |
9.12.11.4.3 Испытание при номинальной наибольшей отключающей способности (Icn)
а) Испытательную цепь калибруют по 9.12.7.1 и 9.12.7.2.
Испытанию подвергают три образца в цепи согласно 9.12.11.3. В случае, если информация отсутствует, должны использоваться две сетки, одна над и одна под выключателем. Последовательность операций следующая:
O - t - CO.
Для операций О вспомогательный выключатель А синхронизируют по отношению к волне напряжения таким образом, чтобы цепь замыкалась в точке 15° по волне для операции О на первом образце.
Затем эту точку смещают на 30° для операции О на втором образце и еще на 30° для операции О на третьем образце.
Допустимое отклонение по синхронизации ± 5°.
В целях синхронизации у многополюсных выключателей следует использовать один и тот же полюс в качестве контрольного.
Процедура этого испытания приведена в таблице 22.
|
Операция |
Образец | ||
|
1 |
2 |
3 | |
|
1 |
O (15°) |
О (45°) |
О (75°) |
|
2 |
СО |
СО |
СО |
b) Для однополюсных выключателей на номинальное напряжение 230/400 В подвергают испытанию в цепи по рисунку 3 без N-соединения дополнительный комплект из четырех образцов.
Три образца включают по одному в каждую фазу испытательной цепи без синхронизации вспомогательного выключателя А, создающего короткое замыкание.
Не производят соединение между нейтралью источника питания и общей точкой на выходной стороне выключателя.
Процедура испытания приведена в таблице 23.
После второй операции О с первым образцом по таблице 23 этот образец заменяют четвертым образцом.
Во время этого испытания не требуется измерять I2t.
|
Операция |
Образец | |||
|
1 |
2 |
3 |
4 | |
|
1 |
О |
О |
О |
- |
|
2 |
О |
СО |
- |
- |
|
3 |
- |
- |
СО |
О |
9.12.11.4.4 Испытание на работоспособность и отключающую способность на отдельном полюсе (Icn1) многополюсных выключателей
Испытательная цепь откалибрована в соответствии с 9.12.7 (Icn1) для многополюсных выключателей.
Испытание проводят на одном полюсе, взятом в случайном порядке, который не должен быть коммутируемой нейтралью. Этот полюс соединен в соответствии со схемой, показанной на рисунке 3, но с нейтралью источника питания, подключенной непосредственно после полного сопротивления Z1, таким образом, чтобы приложить фазу к напряжению нейтрали к испытуемому полюсу.
Кроме того, фазы, которые не проводят ток короткого замыкания во время этого испытания, должны быть подключены к своему напряжению питания на соответствующих клеммах.
Последовательность операций следующая:
O - t - CO.
Для операций О вспомогательный переключатель Т синхронизируется относительно волны напряжения, так что цепь замыкается в точке 15° на волне для операции О на первом образце.
Затем эта точка сдвигается на 30° для операции О для второго образца и еще на 30° для операции О для третьего образца.
Допуск синхронизации должен составлять ± 5°.
Для трех- и четырехполюсных автоматических выключателей для синхронизации используется один и тот же полюс.
9.12.12 Проверка выключателя после испытания на короткое замыкание
9.12.12.1 Проверка выключателя после испытаний при пониженных токах короткого замыкания, при токе 1500 А и при рабочей наибольшей отключающей способности
После каждого из испытаний по 9.12.11.2, или 9.12.11.3, или 9.12.11.4.2 выключатели не должны иметь повреждений, препятствующих их дальнейшей эксплуатации, и должны быть способны без обслуживания выдерживать следующие испытания:
a) на ток утечки на разомкнутых контактах согласно 9.7.5.3;
b) на электрическую прочность изоляции в соответствии с 9.7.3, проведенные через 2 и 24 ч после испытания на короткое замыкание при напряжении на 500 В ниже значения, указанного в 9.7.3, и без предварительной влажной обработки.
В ходе этих испытаний следует проверить, что устройство индикации после испытания согласно условиям, указанным в перечислении а) 9.7.2, указывает на разомкнутое положение контактов, а после испытания по перечислению b) 9.7.2 - на замкнутое положение;
c) после испытания по 9.12.11.3 или 9.12.11.4.2 выключатели не должны отключаться при пропускании тока, равного 0,85 условного тока без отключения, в течение условного времени через все полюса, начиная с холодного состояния.
По окончании этой проверки ток постепенно увеличивают в течение 5 с до 1,1 условного тока расцепления.
Выключатели должны расцепиться в течение условного времени.
9.12.12.2 Проверка после испытания при номинальной наибольшей отключающей способности
После испытаний согласно 9.12.11.4.3 и 9.12.11.4.4 полиэтиленовый лист не должен иметь отверстий, видимых при нормальном или скорректированном зрении без дополнительного увеличения, а выключатели не должны иметь повреждений, препятствующих их дальнейшей эксплуатации, и должны быть способны без обслуживания выдержать следующие испытания:
a) на ток утечки на разомкнутых контактах согласно 9.7.5.3;
b) на электрическую прочность изоляции в соответствии с 9.7.2, проведенные через 2 и 24 ч после испытания на короткое замыкание при напряжении 900 В и без предварительной влажной обработки.
В ходе этих испытаний следует проверить, что устройство индикации после испытания согласно условиям, указанным в перечислении а) 9.7.2, указывает на разомкнутое положение контактов, а при испытании по перечислению b) 9.7.2 - на замкнутое положение;
c) кроме того, выключатели должны расцепиться в течение времени согласно испытанию с) по таблице 7 при прохождении через все полюса тока, равного 2,8In, но при нижнем пределе времени 0,1 с вместо 1 с.
Образец 1 по таблице 23 не подвергают проверке по данному пункту, тем не менее он должен соответствовать требованиям 9.12.10.
9.13.1 Механический толчок
Примечание - Данное испытание предназначено для испытания средств защелкивания выключателя, а не его монтажных средств.
9.13.1.1 Испытательное устройство
Выключатель подвергают механическим толчкам с использованием устройства, показанного на рисунке 7.
К бетонному блоку крепят деревянное основание А, к нему на шарнире крепят деревянную платформу В. На этой платформе устанавливают деревянную плиту С, которая может фиксироваться на разных расстояниях от шарнира и иметь два вертикальных положения. Конец платформы В снабжен металлическим пластинчатым упором D, который опирается на спиральную пружину с коэффициентом упругости 25 Н/мм.
Выключатель надежно закрепляют на плите С так, что расстояние горизонтальной оси образца от платформы В составляет 180 мм, плиту С, в свою очередь, крепят так, что расстояние от монтажной поверхности до шарнира составляет 200 мм, как показано на рисунке 7.
На поверхности плиты С, противоположной монтажной поверхности выключателя, крепят дополнительную массу таким образом, что на упор D создают статическое давление, равное 25 Н, для того чтобы обеспечить практически постоянный момент инерции всей системы.
9.13.1.2 Методика испытания
При выключателе, находящемся в замкнутом положении, но не подключенном к какому-либо источнику тока, платформу В 50 раз поднимают за свободный конец и отпускают с высоты 40 мм с такими интервалами между последовательными падениями, чтобы образец имел возможность перейти в состояние покоя.
Затем выключатель крепят на противоположной поверхности плиты С, и платформу В снова 50 раз сбрасывают.
После этого испытания плиту С поворачивают на 90° вокруг вертикальной оси и при необходимости перемещают так, чтобы вертикальная ось симметрии выключателя находилась на расстоянии 200 мм от шарнира.
Затем платформе В позволяют упасть 50 раз с выключателем, закрепленным на одной стороне плиты С, и 50 раз с выключателем, установленным с противоположной стороны плиты С.
Перед каждым изменением положения выключатель вручную замыкают и размыкают.
В ходе испытаний выключатель не должен отключаться.
9.13.2 Механический удар
9.13.2.1 Проверку открытых частей выключателя, установленного как для нормальной эксплуатации (см. примечание к 8.1.6), которые могут подвергаться механическим ударам при нормальной эксплуатации, проводят по 9.13.2.2 для выключателей всех типов и дополнительно по:
- 9.13.2.3 - для ввинчиваемых выключателей;
- 9.13.2.4 - для выключателей, предназначенных для монтажа на рейке, и для всех типов втычных выключателей, предназначенных для наружной установки;
- 9.13.2.5 - для выключателей втычного типа, крепления которых зависят только от их втычного присоединения.
Выключатели, предназначенные для применения только в полностью закрытых оболочках, не подлежат данному испытанию.
9.13.2.2 Образцы проверяют ударами с помощью ударного испытательного устройства, показанного на рисунках 9-13.
Головку ударного элемента выполняют полусферической формы радиусом 10 мм из полиамида, имеющего твердость по Роквеллу 100 HR.
Ударный элемент имеет массу (150 ± 1) г и жестко закреплен на нижнем конце стальной трубы наружным диаметром 9 мм и толщиной стенки 0,5 мм, шарнирно подвешенной верхним концом таким образом, чтобы она могла качаться только в вертикальной плоскости.
Ось шарнира находится на высоте (1000 ± 1) мм над осью ударного элемента.
Для определения твердости полиамида головки ударного элемента по шкале Роквелла используют следующие условия:
- диаметр шарика (12,7 ± 0,0025) мм;
- начальная нагрузка (100 ± 2) Н;
- дополнительная нагрузка (500 ± 2,5) Н.
Примечание - Дополнительная информация, касающаяся определения твердости пластмасс по Роквеллу, приведена в ISO 2039-2.
Конструкция испытательного устройства такова, что для удержания трубы в горизонтальном положении к лицевой поверхности ударного элемента необходимо приложить усилие от 1,9 до 2 Н.
Выключатели поверхностного монтажа монтируют на фанерном листе размерами 175 x 175 и толщиной 8 мм, закрепленном своими верхней и нижней кромками в жестких кронштейнах, являющихся частью монтажной опоры, как показано на рисунке 11.
Монтажная опора должна иметь массу (10 ± 1) кг и быть установлена на жесткой раме с помощью шарниров. Раму крепят к массивной стене.
Выключатели утопленного монтажа монтируют в испытательном устройстве, как показано на рисунке 12, которое, в свою очередь, закрепляют на монтажной опоре, как показано на рисунке 11.
Выключатели, предназначенные для монтажа на распределительном щите, устанавливают в испытательном устройстве, как показано на рисунке 13, которое закрепляют на монтажной опоре, как показано на рисунке 11.
Выключатели втычного типа устанавливают с помощью собственных средств крепления на их собственных основаниях, которые закрепляют на фанерном листе для настенного монтажа или в устройствах по рисунку 12 - для утопленного монтажа или по рисунку 13 - для монтажа в щитках и на панелях, что применимо.
Выключатели ввинчиваемого типа монтируют в собственном патроне, который жестко прикрепляют к монтажной опоре из квадратного фанерного листа со стороной 175 мм, толщиной 8 мм.
Выключатели винтового крепления закрепляют винтами.
Выключатели реечного монтажа устанавливают на соответствующей рейке.
Выключатели, предназначенные для винтового и реечного монтажа, для испытаний необходимо закреплять винтами.
Конструкция испытательного устройства такова, что:
- образец может быть перемещен горизонтально и повернут вокруг оси, перпендикулярной поверхности фанерного листа;
- фанерный лист может вращаться вокруг вертикальной оси.
Выключатели с крышками (при наличии) монтируют как для нормальной эксплуатации на фанерном листе или в соответствующем испытательном устройстве так, чтобы точка удара лежала в вертикальной плоскости, проходящей через ось качания маятника.
Кабельные вводы, которые не снабжены пробиваемыми диафрагмами, оставляют открытыми. Если они снабжены диафрагмами, то две из них пробивают.
Перед нанесением ударов винты для крепления оснований, крышек и т.д. затягивают моментом, равным 2/3 указанного в таблице 11.
Ударный элемент сбрасывают с высоты 10 см на поверхности, которые доступны, когда выключатель смонтирован как для нормальной эксплуатации.
Высоту падения определяют как вертикальное расстояние между положениями контрольной точки в момент отпускания и в момент удара маятника.
Контрольную точку отмечают на поверхности ударного элемента в месте пересечения с ней линии, проходящей через точку пересечения осей стальной трубы маятника и ударного элемента перпендикулярно плоскости, в которой лежат обе оси.
Примечание - Теоретически контрольной точкой должен быть центр тяжести ударного элемента, но, поскольку его центр тяжести трудно определить, контрольную точку выбирают, как указано выше.
Каждый выключатель подвергают десяти ударам, два из которых наносят на орган управления, а остальные равномерно распределяют по тем частям образца, которые предположительно наиболее подвержены ударам.
Удары не наносят по пробиваемым диафрагмам или каким-либо отверстиям, закрытым прозрачным материалом.
Как правило, один удар наносят по каждой боковой стенке образца после поворота вокруг вертикальной оси насколько возможно, но не более чем на 60°, и два удара - приблизительно посредине между точкой удара по боковой стенке и точками ударов по органу управления.
Остальные удары наносят подобным образом после поворота образца на 90° вокруг оси, перпендикулярной фанерному листу.
Если предусмотрены кабельные вводы или пробиваемые диафрагмы, то образец устанавливают так, чтобы обе линии нанесения ударов располагались по возможности на равных расстояниях от этих отверстий.
Из двух ударов по органу управления один наносят, когда орган управления находится в положении "Вкл", а другой - в положении "Откл".
После испытания образцы не должны иметь повреждений в пределах действия настоящего стандарта, в особенности крышки, которые, будучи сломаны, делают доступными части под напряжением или препятствуют дальнейшей эксплуатации выключателя. Органы управления, прокладки и перегородки из изоляционного материала не должны иметь повреждений.
В сомнительных случаях проверяют возможность удаления или замены внешних частей, таких как оболочки или крышки, без повреждения этих частей или их прокладок.
Примечание - Ухудшением внешнего вида, небольшими вмятинами, не уменьшающими расстояний утечки или воздушных зазоров до значений ниже указанных в 8.1.3, и мелкими сколами, не снижающими защиту от электрического удара, пренебрегают.
9.13.2.3 Выключатели ввинчиваемого исполнения вкручивают до упора в соответствующий патрон с приложением в течение 1 мин крутящего момента 2,5 Н·м.
После испытания не должно быть повреждений, ухудшающих эксплуатационные свойства образца.
9.13.2.4 Выключатели, предназначенные для крепления на рейке, монтируют как для нормальной эксплуатации на рейке, жестко закрепленной на твердой вертикальной стене, но без подключенных кабелей, установленных крышек или защитных пластин.
Выключатели втычного исполнения устанавливают вместе с соответствующими основаниями в сочлененном положении, но без подсоединяемых кабелей или крышек.
К передней поверхности выключателя без рывков в течение 1 мин прикладывают направленное сверху вниз вертикальное усилие 50 Н, затем быстро в течение 1 мин прикладывают снизу вверх вертикальное усилие 50 Н (см. рисунок 14).
Во время испытания крепление выключателя не должно расслабляться; после испытания выключатель не должен иметь повреждений, нарушающих его дальнейшую эксплуатацию.
9.13.2.5 Выключатели втычного типа, крепления которых зависят исключительно от их втычного присоединения, устанавливают вместе с соответствующими основаниями в сочлененном положении, но без подсоединяемых кабелей или крышек, которые прикрепляют к вертикальной жесткой стене.
К выключателю в точке, равноотстоящей от втычных присоединений, прикладывают без рывков в течение 1 мин усилие 20 Н (см. рисунок 16).
Во время испытания обе сочленяемые части - выключатель и основание - не должны ослабляться и смещаться, а после испытания не должны иметь повреждений, ухудшающих их дальнейшую эксплуатацию.
9.14.1 Образцы без съемных крышек при их наличии выдерживают 1 ч в камере тепла при температуре (100 ± 2) °С; съемные крышки при их наличии выдерживают в течение 1 ч в камере тепла при температуре (70 ± 2) °С.
Во время испытаний образцы не должны претерпевать изменений, препятствующих их дальнейшей эксплуатации, а заливочный компаунд при его наличии не должен вытечь настолько, чтобы открылись части, находящиеся под напряжением.
После испытания и естественного охлаждения образцов приблизительно до комнатной температуры находящиеся под напряжением части, которые были недоступны, должны оставаться недоступными при монтаже, как в нормальных условиях эксплуатации, даже если применяют стандартный испытательный палец с усилием не более 5 Н.
После испытания маркировка должна оставаться четкой.
Обесцвечивание, вздутия или незначительные смещения заливочного компаунда не учитывают, если при этом не снижается безопасность, требования к которой установлены настоящим стандартом.
9.14.2 Наружные части выключателей, выполненные из изоляционного материала и предназначенные для удержания в нужном положении токопроводящих частей или частей защитной цепи, подвергают испытанию давлением шарика с помощью устройства, приведенного на рисунке 15, исключая, где это применимо, изоляционные части, необходимые для удержания в нужном положении выводов для защитных проводников, смонтированных в коробке, которые необходимо испытывать согласно 9.14.3.
Подлежащую испытанию часть устанавливают на стальной опоре так, чтобы предназначенная для испытания поверхность оказалась в горизонтальном положении, и к этой поверхности с усилием 20 Н прижимают стальной шарик диаметром 5 мм.
Испытание проводят в камере тепла при температуре (125 ± 2) °С.
Через 1 ч шарик снимают с образца, образец охлаждают в течение 10 с до приблизительно комнатной температуры путем погружения в холодную воду.
Измеренный отпечаток шарика не должен превышать 2 мм в диаметре.
9.14.3 Наружные части выключателя из изоляционных материалов, не предназначенные для удержания в нужном положении токопроводящих частей или частей защитной цепи, даже если они находятся в контакте с последними, подвергают испытанию давлением шарика в соответствии с 9.14.2, но при температуре, более высокой из двух: либо (70 ± 2) °С, либо (40 ± 2) °С плюс наибольшее превышение температуры соответствующей части, определенное при испытании по 9.8.
Примечания
1 Для целей испытаний по 9.14.2 и 9.14.3 основания выключателей настенного монтажа считают наружными частями.
2 Испытаниям по 9.14.2 и 9.14.3 не подвергают части, изготовленные из керамических материалов.
3 Если две или более изоляционные части, упомянутые в 9.14.2 или 9.14.3, выполнены из одного и того же материала, испытанию подвергают только одну из этих частей по 9.14.2 или 9.14.3, что применимо.
Испытания раскаленной проволокой выполняют в соответствии с IEC 60695-2-10 в следующих условиях:
- для наружных частей выключателей, выполненных из изоляционного материала и предназначенных для удержания в заданном положении токопроводящих частей и частей защитной цепи, испытание проводят при температуре (960 ± 15) °С;
- для всех остальных наружных частей, выполненных из изоляционного материала, испытание проводят при температуре (650 ± 10) °С.
Примечание - Для целей данного испытания основания выключателей поверхностного монтажа считают наружными частями.
Мелкие детали, где каждая поверхность полностью лежит внутри круга диаметром 15 мм или где какая-либо часть поверхности находится за пределами круга диаметром 15 мм и невозможно установить круг диаметром 8 мм на любую из поверхностей, не подвергаются проверке этого подпункта (см. рисунок 17 для схематического представления).
Если несколько изолирующих частей выполнены из одного и того же материала, испытание проводится только на одной из этих частей в соответствии с соответствующей температурой испытания накаливания.
Испытание не проводится на части из керамического материала.
Испытания раскаленной проволокой проводят для гарантии того, что нагретая электрическим током испытательная проволока в определенных условиях испытания не вызовет воспламенения изоляционных частей или эти части в случае возможного воспламенения будут гореть ограниченное время без распространения пламени, или выделения горящих частиц, или образования расплавленных капель, стекающих с испытуемой части. Испытание проводится на трех образцах, причем точки приложения раскаленной проволоки отличаются от одного образца к другому.
Раскаленная проволока не прикладывается непосредственно к области клемм, дуговой камере или зоне магнитного расцепляющего устройства, где она не может выступать далеко сквозь внешнюю поверхность, прежде чем касаться относительно больших металлических деталей или керамики, которая будет охлаждать раскаленную проволоку. Необходимо ограничить количество изоляционного материала, соприкасающегося с раскаленной проволокой, приводящего к ее охлаждению.
Образец должен быть помещен во время испытания в наиболее неблагоприятное положение его предполагаемого использования (с испытуемой поверхностью в вертикальном положении). Если внутренняя часть изоляционного материала может привести к отрицательным результатам испытания, разрешается удалить соответствующую идентифицированную внутреннюю часть(и) изоляционного материала из нового образца. Затем испытание необходимо повторить в том же месте на этом новом образце.
Если невозможно провести испытание на готовом изделии в целом, то в соответствии с требованиями стандарта IEC 60695-2-11:2014, 4.3, допускается полностью удалить исследуемую деталь и провести ее испытание отдельно.
Образец считается прошедшим испытание на раскаленную проволоку, если:
- либо нет видимого пламени и не горит постоянно,
- или пламя и свечение на образце гаснут в течение 30 с после удаления раскаленной проволоки.
Не должно быть возгорания папиросной бумаги или подпаливания сосновой доски.
Подлежащие испытанию части полностью обезжиривают путем погружения в холодный химреагент типа метилхлороформа или очищенного бензина на 10 мин. Затем эти части погружают на 10 мин в 10 %-ный водный раствор хлористого аммония при температуре (20 ± 5) °С.
Без сушки, не стряхивая капли, эти части помещают еще на 10 мин в камеру с воздухом, насыщенным влагой, при температуре (20 ± 5) °С.
После 10 мин сушки этих частей в камере тепла при температуре (100 ± 5) °С на поверхности частей не должно быть следов коррозии.
Примечание - Следы ржавчины на острых кромках и желтоватую пленку, удаляемую протиранием, не учитывают.
Для небольших пружин и аналогичных деталей, а также для недоступных частей, подверженных абразивному износу, достаточную защиту от коррозии может обеспечить слой смазки. Такие части подвергают испытанию только при возникновении сомнений относительно эффективности смазочной пленки, и в этом случае испытание проводят без предварительного обезжиривания.

Рисунок 1 - Самонарезающий формующий винт (см. 3.3.22)

Рисунок 2 - Самонарезающий режущий винт (см. 3.3.23)

Рисунок 3 - Типичная схема для всех испытаний на короткое замыкание, кроме испытания по 9.12.11.2.2

Рисунок 4 - Типичная схема для всех испытаний на короткое замыкание по 9.12.11.2.2

Рисунок 5 - Фрагмент полных сопротивлений Z, Z1 и Z2
Пояснение к буквенным символам, использованным на рисунках 3-5:
N - нейтральный проводник;
S - источник питания;
R - регулируемые резисторы;
Z - импеданс в каждой фазе для калибровки номинального условного тока короткого замыкания; реакторы предпочтительно с воздушными сердечниками последовательно соединены с резисторами для получения требуемого коэффициента мощности;
Z1 - подстраиваемый импеданс для получения тока ниже номинальной условной наибольшей отключающей способности;
Z2 - подстраиваемый импеданс для калибровки IΔ;
D - испытуемый выключатель;
корпус - все токопроводящие части, нормально заземленные при эксплуатации, включая заземление корпуса;
G1 - временная перемычка для калибровки;
G2 - перемычка для испытания при номинальной условной наибольшей отключающей способности;
Т - замыкающий выключатель для создания условий короткого замыкания;
I1, I2, I3 - датчики тока; могут располагаться со стороны питания или нагрузки испытуемого устройства, но всегда в цепи вторичной обмотки трансформатора;
I4 - дополнительный датчик дифференциального тока, если необходим;
Ur1, Ur2, Ur3 - датчики напряжения;
F - устройство обнаружения тока повреждения;
R1 - резистор, отбирающий ток приблизительно 10 А;
R2 - резистор, ограничивающий ток в устройстве F;
r - резисторы, отбирающие приблизительно 0,6 % тока (см. 9.12.2);
S1 - вспомогательный выключатель;
B и С - точки для присоединения сетки(ок), указанной(ых) в приложении С;
L - регулируемые катушки индуктивности с воздушным сердечником;
Р - устройство защиты от короткого замыкания для испытания в соответствии с приложением D.
Примечания
1 В качестве альтернативы закрывающее устройство T может быть расположено между клеммами на стороне нагрузки испытуемого выключателя и датчиками тока I1, I2, I3 в зависимости от ситуации.
2 Датчики напряжения Ur1, Ur2, Ur3 при необходимости подключаются между фазой и нейтралью.
3 Регулируемая нагрузка Z может быть расположена на стороне высокого напряжения цепи питания.
4 Сопротивления R1 могут быть опущены с согласия производителя.
5 Длина провода на стороне питания - 0,5 м, а на стороне нагрузки испытуемого выключателя - 0,25 м.

1 - ток; 2 - напряжение
a) Калибровка цепи:
A1 - ожидаемый ток включения (пиковое значение);
- ожидаемый симметричный ток отключения (действующее значение);
- напряжение до включения (действующее значение) (см. 3.5.7).
b) Операция О или СО:
A1 - включающая способность (пиковое значение);
- отключающая способность (действующее значение);
- восстанавливающееся напряжение (действующее значение) (см. 3.5.8).
Примечание - Амплитуда записи напряжения после подачи испытательного тока меняется в зависимости от относительного положения замыкающего устройства, регулируемых полных сопротивлений, датчиков напряжения и в соответствии с испытательной схемой.
Рисунок 6 - Пример калибровочной записи для испытания в условиях короткого замыкания переменного тока (АС)
Размеры в миллиметрах

1 - шарнир; 2 - дополнительная масса; 3 - образец; 4 - металлическая плита; 5 - бетонный блок; А - деревянное основание; В - деревянная платформа; С - деревянная плита; D - металлический пластинчатый упор
Рисунок 7 - Устройство для испытаний на механический толчок (см. 9.13.1)
Размеры в миллиметрах

Неуказанные допуски на размеры:
- угловые: - 10';
- линейные:
до 25 мм - 0,05;
свыше 25 мм ± 2.
Материал пальца: термообработанная сталь, если не указано иное.
Оба шарнира пальца могут изгибаться под углом 90°+ 10 но только в одном направлении.
Реальная конструкция пальца должна обеспечивать угол изгиба в шарнире 90°+ 10
1 - ручки; 2 - защитная шайба; 3 - упорная поверхность; 4 - шарниры; 5 - цилиндр R2 ± 0,05; 6 - изоляционный материал; 7 - фаски; 8 - сфера R4 ± 0,05
Материал: металл, если не указано иное.
Рисунок 8 - Стандартный испытательный палец (см. 9.6)
Размер в миллиметрах

1 - опора; 2 - образец; 3 - монтажная опора
Рисунок 9 - Устройство для испытания на механический удар (см. 9.13.2)
Размеры в миллиметрах

Материал деталей: 1 - полиамид; 2-5 - сталь 35
Рисунок 10 - Ударный элемент маятника устройства для испытания на механический удар (см. 9.13.2)
Размеры в миллиметрах

1 - монтажная опора из древесины; 2 - стержень для поворота вокруг вертикальной оси
Рисунок 11 - Монтажная опора для испытаний на механический удар (см. 9.13.2)
Размеры в миллиметрах

1 - съемная стальная панель толщиной 1 мм; 2 - алюминиевые листы толщиной 8 мм; 3 - монтажная плита; 4 - рейка для установки выключателей реечного монтажа; 5 - окно в панели для выхода выключателя: а - зазор между краями окна в панели и корпусом выключателя должен составлять 1-2 мм; b - высоту алюминиевых листов следует выбирать так, чтобы стальная панель опиралась на выступы корпуса выключателя, а при их отсутствии обеспечивался зазор 8 мм между панелью и частями выключателя, находящимися под напряжением и требующими защиты дополнительной крышкой, расположенной снаружи панели
Рисунок 12 - Пример установки выключателя утопленного монтажа при испытании на механический удар (см. 9.13.2)
Размеры в миллиметрах

1 - съемная панель из стального листа толщиной 1,5 мм; 2 - алюминиевые листы толщиной 8 мм; 3 - монтажная панель; 4 - окно для выхода корпуса выключателя из стальной панели
Примечание - В отдельных случаях допустимо увеличение размеров.
Рисунок 13 - Пример монтажа автоматического выключателя панельно-щитового типа при испытании на механический удар (см. 9.13.2)

Рисунок 14 - Прикладывание испытательного усилия к выключателю реечного монтажа при испытании на механический удар (см. 9.13.2.4)

1 - стальной шарик; 2 - испытуемый образец
Рисунок 15 - Установка для испытаний давлением шарика

Рисунок 16 - Пример прикладывания усилия при испытании на механический удар к двухполюсному выключателю втычного типа, крепление которого зависит только от его втычного присоединения (см. 9.13.2.5)
Размеры в миллиметрах
|
|
|
|
Испытывают |
Не испытывают |
Рисунок 17 - Схематическое изображение (см. 9.15)
Приложение А
(справочное)
А.1 Общие условия
Единого метода определения коэффициента мощности в условиях короткого замыкания не установлено. В настоящем приложении приведены два рекомендованных метода.
А.2 Метод 1 - Определение по составляющей постоянного тока
Угол φ может быть определен по кривой непериодической составляющей волны асимметричного тока в интервале между моментами короткого замыкания и разъединения контактов следующим способом.
а) По формуле составляющей постоянного тока
id=ido·e-Rt/L,
где id - значение составляющей постоянного тока в момент t;
ido - значение составляющей постоянного тока в принятый начальный момент времени;
L/R - постоянная времени цепи в секундах;
L - индуктивность цепи, Гн;
R - активное сопротивление цепи, Ом;
t - время, прошедшее с начального момента, с;
е - основание натурального логарифма.
Постоянная времени LIR может быть определена по вышеприведенной формуле следующим образом:
- измерить значение ido в момент короткого замыкания и id в другой момент t перед разделением контактов;
- определить величину e-Rt/L, разделив id на ido;
- по таблице значений е-х установить величину - х, соответствующую значению соотношения id/ido;
- в этом случае х соответствует Rt/L, откуда рассчитывают L/R.
b) Угол φ рассчитывают по формуле
φ=arctgωL/R,
где φ=2nf (где f - фактическая частота).
Этот метод не используют, если токи измеряют с применением трансформаторов тока.
А.3 Метод 2 - Определение с помощью задающего генератора
Если применяют задающий генератор, смонтированный на одном валу с испытательным генератором, напряжение этого задающего генератора можно сравнить на осциллограмме по фазе вначале с напряжением испытательного генератора, а затем с током испытательного генератора.
Разность между фазовыми углами напряжений задающего генератора и главного генератора, с одной стороны, и напряжения задающего генератора и тока испытательного генератора - с другой, позволяет установить фазовый угол между напряжением и током испытательного генератора, а из него вывести коэффициент мощности.
Приложение В
(обязательное)
В.1 Общие положения
При определении воздушных зазоров и расстояний утечки рекомендуется учитывать следующее.
В.2 Ориентация и размещение расстояний утечки
При необходимости производитель должен указать требуемую ориентацию оборудования или комплектующего элемента с тем, чтобы расстояния утечки не попали под негативное воздействие скопления загрязнения, на которое они не рассчитаны.
В.3 Расстояния утечки при применении нескольких материалов
Расстояние утечки может разделяться на несколько отрезков из разных материалов и/или иметь разные степени загрязнения, если одно из расстояний утечки рассчитывают на выдерживание полного напряжения или если все расстояния утечки рассчитывают, исходя из материала с наименьшим СИТ.
В.4 Расстояния утечки, разделенные подвижной токопроводящей частью
Расстояние утечки может быть разделено на несколько частей, выполненных из изоляционного материала с одинаковым СИТ, объединенных или разделенных подвижными проводниками, в то время как общее расстояние через каждую отдельную часть равно или превышает требуемое расстояние утечки при отсутствии подвижной части.
Минимальное расстояние Х для каждой отдельной части расстояния утечки приведено в IEC 60664-1:2007, 6.2 (см. также пример 11 на рисунке В.1).
В.5 Измерение расстояний утечки и воздушных зазоров
При определении расстояний утечки по IEC 60664-1 расстояние X, указанное в следующих примерах, имеет минимальное значение 1,0 мм для степени загрязнения 2.
Требования к дугогасительным камерам приведены в таблице 4, пункт j).
Если воздушный зазор менее 3 мм, тогда минимальное расстояние X может быть уменьшено до 1/3 этого зазора.
Методы измерения расстояний утечки и зазоров указаны на рисунке В.1. Эти случаи не делают различий между зазорами и канавками или между типами изоляции.
Кроме того:
- предполагается, что любое углубление перекрыто изолирующим звеном, имеющим длину, равную указанной ширине X, и расположенным в наиболее неблагоприятном положении (см. пример 3);
- если расстояние по канавке равно или превышает указанную ширину X, расстояние утечки измеряется по контурам канавки (см. пример 2);
- расстояния утечки и зазоры, измеренные между частями, которые могут занимать разные позиции относительно друг друга, измеряются, когда эти части находятся в наиболее неблагоприятном положении.
Пример 1

Условие: Рассматриваемый путь утечки охватывает желобок с параллельными или сходящимися боковыми стенками любой глубины при ширине менее X мм.
Правило: Расстояние утечки и воздушный зазор измеряют по прямой линии поверх желобка, как показано на рисунке.
Рисунок В.1, лист 1 - Примеры методов измерения расстояний утечки и воздушных зазоров
Пример 2

Условие: Рассматриваемый путь охватывает желобок с параллельными боковыми стенками любой глубины шириной X мм или более.
Правило: Воздушный зазор определяют по прямой. Расстояние утечки проходит по контуру желобка.
Пример 3

Условие: Рассматриваемый путь охватывает клиновидный желобок шириной более X мм.
Правило: Воздушный зазор определяют по прямой. Расстояние утечки проходит по контуру желобка, но замыкает накоротко его дно по вставке шириной X мм.
Пример 4

Условие: Рассматриваемый путь охватывает ребро.
Правило: Воздушный зазор - кратчайшее расстояние по воздуху над вершиной ребра. Путь тока утечки проходит по контуру ребра.
Пример 5

Условие: Этот путь включает нескрепленный стык с желобком шириной менее X мм по обе стороны от него.
Правило: Воздушный зазор и путь тока утечки определяют по прямой.
Рисунок В.1, лист 2
Пример 6

Условие: Этот путь охватывает нескрепленный стык с желобком шириной X мм или более по обе стороны от него.
Правило: Воздушный зазор определяют по прямой. Путь тока утечки проходит по контуру желобков.
Пример 7

Условие: Этот путь охватывает нескрепленный стык с желобком шириной менее X мм с одной стороны и равный или более X мм - с другой стороны.
Правило: Воздушный зазор и путь утечки соответствуют рисунку.
Пример 8

Условие: Путь утечки поперек нескрепленного стыка меньше, чем поверх барьера.
Правило: Воздушный зазор равен кратчайшему пути в воздухе поверх барьера.
Рисунок В.1, лист 3
Пример 9

Условие: Достаточно широкий, чтобы заслуживать внимания, зазор между головкой винта и стенкой паза.
Правило: Воздушный зазор и путь утечки соответствуют рисунку.
Пример 10

Условие: Зазор между головкой винта и стенкой паза слишком узкий, чтобы принимать его во внимание.
Правило: Расстояние утечки измеряют от винта до стенки, если оно равно X мм.
Рисунок В.1, лист 4
Пример 11

C' - свободно движущаяся часть; d + D - воздушный зазор; d + D - расстояние утечки;
- воздушный зазор;
- расстояние утечки
Рисунок В.1, лист 5
Приложение С
(обязательное)
С.1 Последовательность испытаний
Испытания проводятся в последовательности и порядке в соответствии с таблицей С.1.
|
Цикл испытаний |
Раздел или пункт |
Испытание (или проверка) | |
|
A1 |
6 |
Маркировка | |
|
8.1.1 |
Общие положения | ||
|
8.1.2 |
Механизм | ||
|
9.3 |
Стойкость маркировки | ||
|
8.1.3 |
Воздушные зазоры и расстояния утечки (только внешние части) | ||
|
8.1.6 |
Отсутствие взаимозаменяемости | ||
|
9.4 |
Надежность винтов, токопроводящих частей и соединений | ||
|
9.5 |
Надежность резьбовых выводов для внешних проводников | ||
|
9.6 |
Защита от поражения электрическим током | ||
|
8.1.3 |
Воздушные зазоры и расстояния утечки (только внутренние части) | ||
|
9.14 |
Термостойкость | ||
|
9.16 |
Коррозиеустойчивость | ||
|
А2 |
9.15 |
Стойкость против аномального огня и нагрева | |
|
В |
9.7.5.4 |
Проверка устойчивости изоляции разомкнутых контактов и основной изоляции к импульсному напряжению в нормальных условиях | |
|
9.7.1 |
Влагостойкость | ||
|
9.7.2 |
Сопротивление изоляции главной цепи | ||
|
9.7.3 |
Электрическая прочность изоляции главной цепи | ||
|
9.7.4 |
Сопротивление и диэлектрическая прочность изоляции вспомогательных цепей | ||
|
9.7.5.2 |
Проверка зазоров при импульсном выдерживаемом напряжении | ||
|
9.8 |
Превышение температуры | ||
|
9.9 |
28-суточное испытание | ||
|
С |
C1 |
9.11 |
Механическая и коммутационная износостойкость |
|
9.12.11.2.1 |
Работоспособность при пониженных токах короткого замыкания | ||
|
9.12.12 |
Проверка выключателя после испытания на короткое замыкание | ||
|
C2 |
9.12.11.2.2 |
Испытание на короткое замыкание выключателей для проверки их пригодности к применению в системах IT | |
|
9.12.12 |
Проверка выключателя после испытания на короткое замыкание | ||
|
D |
D0 |
9.10 |
Характеристика срабатывания |
|
9.13 |
Стойкость к механическому толчку и удару | ||
|
D1 |
9.12.11.3 и |
Работоспособность при токе короткого замыкания 1500 А | |
|
9.12.12 |
Проверка выключателя после испытания на короткое замыкание | ||
|
Е |
E1 |
9.12.11.4.2 и |
Номинальная рабочая наибольшая отключающая способность Ics |
|
9.12.12 |
Проверка выключателя после испытаний на короткое замыкание | ||
|
Е2 |
9.12.11.4.3 и |
Номинальная коммутационная способность (Icn) | |
|
9.12.12 |
Проверка выключателя после испытаний на короткое замыкание | ||
|
E3 |
9.12.11.4.4 и |
Номинальная коммутационная способность одного полюса (Icn1) | |
|
9.12.12 |
Проверка выключателя после испытаний на короткое замыкание | ||
|
Примечание - По согласованию с производителем одни и те же образцы можно использовать для более чем одного испытания. | |||
С.2 Число представляемых образцов для полной процедуры испытаний и критерии приемки
Если испытанию подвергают только один номинал выключателя (т.е. только с одним рядом номинальных характеристик, см. 5.2) и одного типа (по числу полюсов, типу мгновенного расцепления), то число образцов, подвергаемых различным циклам испытаний, указано в таблице С.2, в которой приведены критерии приемки.
Соответствие стандарту подтверждается, если все образцы согласно таблице С.2 выдерживают испытания. Если испытания выдерживают только минимальное число образцов, указанное в третьем столбце, то испытывают дополнительное число образцов, указанное в четвертом столбце, которые должны полностью отвечать требованиям цикла испытаний.
Для выключателей, имеющих более чем один номинальный ток, испытаниям в каждом цикле подвергают два раздельных комплекта выключателей одного и того же типа: один - при максимальном, другой - при минимальном номинальном токе. Дополнительно испытанию подвергают один образец всех остальных номинальных токов по циклу D0 таблицы С.1.
|
Цикл испытаний |
Число образцов |
Минимальное число образцов, прошедших испытания a), b) |
Число образцов для повторных испытаний c) | |
|
A1 |
1 |
1 |
- | |
|
А2 |
3 |
2 |
3 | |
|
В |
3 |
2 |
3 | |
|
С |
C1 |
3 |
2 е) |
3 |
|
C2 |
3 |
2 е) |
3 | |
|
D |
3 |
2 е) |
3 g) | |
|
E1 |
3 + 3 d) |
2 е) + 2 d), е) |
3 + 3 d) | |
|
E2 |
3 + 4 d) |
2 е) + 3 d), е) |
3 + 4 d) | |
|
Е3 |
3 |
2 e) |
3 | |
|
a) В целом только два цикла испытаний могут быть выполнены повторно. b) Предполагается, что образец, который не прошел испытание, не отвечает требованиям вследствие дефектов изготовления или сборки, не характерных для конструкции. c) При повторном испытании все результаты должны быть положительными. d) Дополнительные образцы только для однополюсных выключателей на номинальное напряжение 230/440 В (см. таблицу 1). e) Все образцы должны отвечать требованиям испытаний по 9.12.10, 9.12.11.2, 9.12.11.3 и 9.12.11.4, что подходит. f) Для данного цикла вместо "число образцов" читай "число защищенных полюсов". g) Для четырехполюсных выключателей без выделенного нейтрального полюса для испытания по 9.12.11.3. | ||||
С.3 Число представляемых образцов для упрощенной процедуры испытаний
С.3.1 Данный раздел применяют при одновременном испытании серии выключателей одинаковой принципиальной конструкции.
С.3.2 Для серии выключателей одинаковой принципиальной конструкции число подлежащих испытанию образцов может быть уменьшено согласно С.3.3 и С.3.4.
Что касается остальных дополнений (например, других значений номинальных токов, другого типа по току мгновенного расцепления, другого числа полюсов), то к такой серии выключателей предъявляют те же требования.
Примечание - Если конструкция выключателей имеет незначительные различия по сравнению с уже одобренной серией выключателей, то ее подвергают типовым испытаниям, а уменьшение количества образцов и испытаний может быть согласовано дополнительно.
Выключатели считают принципиально одинаковыми, если они имеют:
- одинаковую базовую конструкцию;
- одинаковые внешние физические размеры на полюс;
- идентичные материалы, покрытия и размеры внутренних токопроводящих частей, кроме приведенных в перечислении а);
- выводы имеют аналогичную конструкцию [см. перечисление d)];
- идентичные размеры контактов, их материал, форму и способ крепления;
- аналогичные ручные механизмы управления (их материал и физические характеристики);
- идентичные литьевые и изолирующие материалы;
- идентичные материалы, конструкцию и принцип действия дугогасительного устройства;
- одинаковую базовую конструкцию расцепителей тока перегрузки, кроме приведенных в перечислении b);
- одинаковую базовую конструкцию расцепителей мгновенного отключения, кроме приведенных в перечислении с);
- их номинальное напряжение предназначено для одного вида распределительной цепи (см. таблицу 1);
- многополюсные выключатели, или состоят из однополюсных выключателей, или сконструированы из тех же узлов, что и однополюсные выключатели с одинаковыми размерами на полюс, за исключением внешних перемычек между полюсами.
Допускаются следующие различия в:
a) площади поперечного сечения внутренних токопроводящих соединений;
b) размерах и материале расцепителей тока перегрузки;
c) числе витков и площади поперечного сечения катушки расцепителя мгновенного отключения;
d) размерах выводов.
С.3.3 Для образцов с одинаковым классом мгновенного расцепления по 4.6 число подлежащих испытанию образцов можно сократить согласно таблице C.3.
|
Цикл испытаний |
Число образцов в зависимости от числа полюсов a) | ||||
|
1 полюс b) |
2 полюса c) |
3 полюса d) |
4 полюса e) | ||
|
A1 |
1 с максимальным номинальным током |
1 с максимальным номинальным током g), i) |
1 с максимальным номинальным током i) |
1 с максимальным номинальным током i) | |
|
А2 |
3 с максимальным номинальным током |
3 с максимальным номинальным током |
3 с максимальным номинальным током |
3 с максимальным номинальным током | |
|
В |
3 с максимальным номинальным током |
3 с максимальным номинальным током g) |
3 с максимальным номинальным током |
3 с максимальным номинальным током | |
|
С |
C1 |
3 с максимальным номинальным током |
3 с максимальным номинальным током g) |
3 с максимальным номинальным током |
3 с максимальным номинальным током |
|
C2 |
3 с максимальным номинальным током |
2 с максимальным номинальным током для двух защищенных полюсов или 3 с максимальным номинальным током для одного защищенного полюса |
1 с максимальным номинальным током |
1 с максимальным номинальным током | |
|
D0 + D1 |
3 с максимальным номинальным током |
3 с максимальным номинальным током h) |
3 с максимальным номинальным током |
3 с максимальным номинальным током | |
|
D0 |
1 из всех номинальных токов |
- |
- |
- | |
|
E1 |
3 + 3 f) с максимальным номинальным током 3 + 3 f) с минимальным номинальным током |
3 с максимальным номинальным током 3 с минимальным номинальным током |
3 с максимальным номинальным током 3 с минимальным номинальным током |
3 с максимальным номинальным током 3 с минимальным номинальным током | |
|
Е2 |
3 + 4 f) с максимальным номинальным током 3 + 4 f) с минимальным номинальным током |
3 с максимальным номинальным током 3 с минимальным номинальным током |
3 с максимальным номинальным током 3 с минимальным номинальным током |
3 с максимальным номинальным током 3 с минимальным номинальным током | |
|
E3 |
- k) |
3 с максимальным номинальным током j) |
3 с максимальным номинальным током j) |
3 с максимальным номинальным током j) | |
|
а) Если испытание следует повторить после допускаемого отказа согласно таблице С.2, используют новый комплект образцов для соответствующего цикла испытаний. При повторных испытаниях все результаты должны быть положительными. b) Если испытывают только многополюсные выключатели, эта графа должна относиться к комплекту образцов с наименьшим числом полюсов (вместо соответствующей графы). с) Действительно для двухполюсных выключателей с двумя защищенными полюсами или с одним защищенным полюсом. d) Эту графу не применяют, если одновременно испытывают четырехполюсные выключатели. е) Действительно также для выключателей с тремя защищенными полюсами и нейтральным полюсом. f) Дополнительные образцы в случае однополюсных автоматических выключателей из 9.12.11.4.2, перечисление d), или 9.12.11.4.3, перечисление b). g) Это испытание излишне, если были испытаны трехполюсные или четырехполюсные выключатели. h) Это испытание излишне для двухполюсных автоматических выключателей с двумя защищенными полюсами, если были испытаны трехполюсные или четырехполюсные выключатели. i) Если представлены многополюсные выключатели, то испытанию по 9.5 подвергают максимально четыре зажима винтового типа для внешних проводников: два - со стороны питания, два - со стороны нагрузки. g) Если каждый полюс многополюсного выключателя идентичен отдельному полюсу, проверенному в Е2, это испытание не проводят. Если нет, то это испытание проводят на произвольно выбранном защищенном полюсе выключателя с наибольшим числом полюсов. k) Последовательность согласно Е2. | |||||
С.3.4 Кроме того, для выключателей с одинаковой принципиальной конструкцией, как указано в С.3.2, но с различными типами мгновенного расцепления по 4.6 можно сократить число образцов согласно таблице С.4 по сравнению с числом образцов, указанных в таблице С.3.
|
Тип выключателя, испытываемого первым |
Циклы испытаний для выключателей типов | ||
|
В |
С |
D | |
|
В |
- |
(D0 + D1) + E |
(D0 + D1) + E |
|
С |
0 a) + B a) |
- |
(D0 + D1) + E |
|
D |
D0 a) + B a) |
D0 a) + B a), b) |
- |
|
a) Для этих циклов требуются только испытания по 9.8 и 9.10.2. b) Если сертификации подлежат одновременно выключатели типов В, С и D с одинаковой номинальной отключающей способностью, проводят только цикл D0, если образцы В и D уже испытаны. | |||
Приложение D
(справочное)
D.1 Введение
Для обеспечения координации в условиях короткого замыкания между автоматическим выключателем (С1) и другим УЗКЗ, объединенными в одной цепи, необходимо учитывать характеристики каждого из устройств, а также их поведение в этом объединении.
Примечание - УЗКЗ может включать дополнительные защитные устройства, например расцепитель перегрузки.
УЗКЗ может состоять из плавкого предохранителя (или комплекта плавких предохранителей) (см. рисунок D.1) или другого выключателя (С2) (см. рисунки D.2 и D.3).
Сравнение индивидуальных рабочих характеристик каждого из двух объединенных устройств может быть недостаточным, поэтому необходимо обратить внимание на поведение этих двух устройств, включенных последовательно, поскольку полным сопротивлением устройств не всегда можно пренебречь. Рекомендуется это учитывать. Для токов короткого замыкания рекомендовано вместо времени сделать ссылку на I2t.
С1 часто соединяют последовательно с другим УЗКЗ по разным причинам, например из-за способа распределения энергии, принятого для данной установки, или вследствие того, что наибольшая отключающая способность одного С1 может быть недостаточной для данного назначения. В таких случаях УЗКЗ может быть установлено в удалении от С1. УЗКЗ может защищать линию питания нескольких выключателей С1 или лишь одного выключателя.
В таком случае потребителю или компетентной службе приходится чисто теоретически принимать решение о способах достижения оптимального уровня координации. Настоящее приложение должно способствовать принятию такого решения и формированию представления о типе информации, которую изготовитель должен предоставить потенциальному потребителю.
В приложении приведены также требования к испытаниям, если для предполагаемой области применения они необходимы.
Термин "координация" определяется как селективность (см. 3.5.14.2, а также 3.5.14.4 и 3.5.14.5), а также как резервная защита (см. 3.5.14.3).
Рассмотрение селективности может быть проведено чисто теоретически (см. D.5), в то время как для проверки резервной защиты обычно требуются испытания (см. D.6).
В зависимости от выбранного критерия при проверке отключающей способности возможно указание номинальной предельной наибольшей отключающей способности (Icn) С1 и С2, если оба они - автоматические выключатели, соответствуют настоящему стандарту, или предельной наибольшей отключающей способности (Icu) С2, если С2 является автоматическим выключателем, соответствующим IEC 60947-2.
D.2 Область применения и цель
Настоящее приложение является рекомендацией для выработки требований по координации выключателей с другими УЗКЗ, объединенными в одной цепи, как в отношении селективности, так и резервной защиты.
Цель данного приложения - установление:
- общих требований к координации выключателя с другим УЗКЗ;
- методов и испытаний (при необходимости) для проверки соблюдения условий координации.
D.3 Общие требования к координации автоматического выключателя с другим УЗКЗ
D.3.1 Общие положения
Теоретически координация должна быть такой, чтобы выключатель (С1) срабатывал один при любых значениях сверхтока вплоть до предельных значений номинальной наибольшей отключающей способности Icn.
Примечание - Если значение ожидаемого тока повреждения в данной точке установки ниже номинальной наибольшей отключающей способности С1, можно предположить, что включение в цепь УЗКЗ не связано с резервной защитой.
На практике получается следующее:
a) если значение предельного тока селективности Is (см. 3.5.14.6) слишком низкое, существует опасность нежелательной потери селективности;
b) если значение ожидаемого тока повреждения в данной точке установки превышает номинальную наибольшую отключающую способность С1, УЗКЗ должно быть выбрано так, чтобы поведение С1 соответствовало D.3.3, а ток координации Iв (см. 3.5.14.7), если имеется, удовлетворял требованиям D.3.2.
Где это возможно, УЗКЗ должно размещаться со стороны питания С1. Если УЗКЗ размещено со стороны нагрузки, соединение между С1 и УЗКЗ должно быть таким, чтобы свести к минимуму опасность возникновения короткого замыкания.
D.3.2 Ток координации
С точки зрения резервной защиты ток координации Iв не должен превышать номинальную наибольшую отключающую способность Icn отдельного С1 (см. рисунок D.3a).
D.3.3 Поведение С1 в комбинации с другим УЗКЗ
Для всех значений сверхтока, вплоть до наибольшей отключающей способности комбинации, С1 должен соответствовать требованиям 8.8.
D.4 Тип и характеристики взаимодействующего УЗКЗ
По запросу изготовитель выключателя должен предоставить информацию о типе и характеристиках УЗКЗ, используемого с С1, и о максимальном ожидаемом токе короткого замыкания, на который рассчитана комбинация, при заданном рабочем напряжении.
Подробное описание УЗКЗ, используемого для любых испытаний в соответствии с настоящим приложением, а именно: наименование изготовителя, типоисполнение, номинальное напряжение, номинальный ток и наибольшая отключающая способность - должны быть указаны в протоколе испытаний.
Максимальный условный ток короткого замыкания Inc (см. 3.5.14.8) не должен превышать:
- номинальной наибольшей коммутационной способности, если УЗКЗ является выключателем, соответствующим настоящему стандарту;
- номинальной наибольшей отключающей способности, если УЗКЗ является плавким предохранителем.
Если УЗКЗ является выключателем, он должен соответствовать требованиям настоящего стандарта или любого другого стандарта на выключатели.
Если взаимодействующим УЗКЗ является предохранитель, он должен отвечать требованиям соответствующего стандарта на предохранители.
D.5 Проверка селективности
Селективность обычно можно проверить чисто теоретически, т.е. путем сравнения рабочих характеристик С1 и согласованного УЗКЗ, например когда взаимодействующим УЗКЗ является выключатель (С2) с преднамеренной задержкой срабатывания.
Изготовители C1, равно как и УЗКЗ, должны предоставить необходимую информацию, касающуюся соответствующих рабочих характеристик, позволяющих определить Is для каждой отдельной комбинации.
В определенных случаях испытания при Is необходимы для комбинации, если, например:
- С1 токоограничивающего типа, а С2 не снабжен заданной задержкой срабатывания;
- время срабатывания УЗКЗ меньше, чем время, соответствующее одному полупериоду.
Чтобы добиться необходимой селективности, когда взаимодействующее УЗКЗ является выключателем, заданная кратковременная задержка срабатывания может потребоваться для С2.
Селективность может быть частичной (см. рисунок D.3a) или полной, вплоть до номинальной наибольшей отключающей способности Icn С1.
Для получения полной селективности характеристика несрабатывания С2 или преддуговая характеристика предохранителя должна проходить выше характеристики срабатывания (полного времени) С1.
Два примера полной селективности представлены на рисунках D.2a и D.2b.
D.6 Проверка резервной защиты
D.6.1 Определение тока координации
Соответствие требованиям D.3.2 можно проверить сравнением рабочих характеристик С1 и взаимодействующего УЗКЗ на всех уставках С1 и для всех уставок С2, если имеются.
D.6.2 Проверка резервной защиты
D.6.2.1 Проверка испытанием
Соответствие требованиям D.3.3 обычно проверяют испытанием по D.6.3. В этом случае должны быть соблюдены все условия испытаний, указанные в 9.12.11.4.3, при регулируемых резисторах и катушках индуктивности для испытаний на короткое замыкание со стороны питания комбинации.
Примечание - Пример схемы соединений приведен на рисунке 3.
D.6.2.2 Проверка сравнением характеристик
На практике, если УЗКЗ является выключателем (см. рисунки D.3a и D.3b), возможно сравнение рабочих характеристик С1 и взаимодействующего УЗКЗ, при этом особо рекомендуется учитывать:
- значение интеграла Джоуля С1 при его Icn и это же значение УЗКЗ при ожидаемом токе комбинации;
- влияние на С1 (к примеру, энергии дуги, максимального пикового тока, тока отсечки) при пиковом рабочем токе УЗКЗ.
Пригодность комбинации можно оценивать по полной максимальной рабочей характеристике I2t УЗКЗ в диапазоне от номинальной наибольшей отключающей способности Icn С1 до ожидаемого тока короткого замыкания данного назначения, но не более максимального сквозного I2t для С1 при его номинальной наибольшей отключающей способности или другом более низком предельном значении, указанном изготовителем.
Примечание - Если взаимодействующим УЗКЗ является предохранитель, ограничиваются теоретическим значением Icn для С1.
D.6.3 Испытание для проверки резервной защиты
Если УЗКЗ является автоматическим выключателем (С2), оснащенным регулируемыми максимальными расщепителями тока, то применяемые рабочие характеристики должны соответствовать максимальным уставкам по времени и току.
Если взаимодействующее УЗКЗ состоит из комплекта предохранителей, испытание каждый раз необходимо проводить на новом комплекте предохранителей, даже если какой-то из них во время предыдущих испытаний не вышел из строя.
Где необходимо, должны быть использованы соединительные провода, как указано в 9.12.4, за исключением того, что, если взаимодействующее УЗКЗ является выключателем (С2), кабель полной длины (75 см), связанный с данным выключателем, может быть установлен со стороны питания.
Каждое испытание должно состоять из цикла операций О-t-СО, выполняемых в соответствии с 9.12.11.4.3 при Icn, операцию СО выполняют на С1.
Испытание проводят с максимальным ожидаемым током для предлагаемого назначения. Он не должен превышать номинальный условный ток короткого замыкания Icn (см. 3.5.14.9).
Далее необходимо проводить испытание при значении ожидаемого тока, равном номинальной наибольшей отключающей способности (Icn) С1, для которого может быть использован новый образец С1, а также, если взаимодействующим УЗКЗ является выключатель, новый образец С2.
Во время каждой операции:
a) если взаимодействующим УЗКЗ является автоматический выключатель (С2):
- либо С1 и С2 должны сработать при обоих испытательных токах, тогда дальнейших испытаний не требуется.
Это общий случай, который гарантирует только резервную защиту;
- либо С1 должен сработать, а С2 должен быть в замкнутом положении в конце каждой операции при обоих испытательных токах, тогда не требуется дальнейших испытаний.
При этом требуется, чтобы контакты С2 кратковременно размыкались во время каждой операции. В этом случае обеспечивается восстановление подачи питания в дополнение к резервной защите (см. примечание 1 к рисунку D.3a). Длительность прерывания подачи питания, если имеет место, должна быть зарегистрирована;
- либо С1 должен сработать при более низком испытательном токе или оба С1 и С2 должны сработать при более высоком испытательном токе.
При этом требуется, чтобы контакты С2 кратковременно размыкались при более низком токе. Дополнительные испытания должны быть проведены при промежуточных токах для определения наименьшего тока, при котором С1 и С2 сработают, вплоть до тока, при котором обеспечивается восстановление подачи питания. Длительность прерывания подачи питания, если имеет место, должна быть зарегистрирована;
b) если взаимодействующим УЗКЗ является предохранитель (или комплект предохранителей) при испытании при номинальном условном токе короткого замыкания:
- в однофазной цепи по крайней мере один предохранитель должен перегореть;
- в многофазной цепи должны перегореть либо два или более предохранителей, либо один предохранитель, а С1 должен сработать;
- при испытании при номинальной наибольшей отключающей способности С1 должен сработать, и хотя бы один предохранитель должен перегореть.
D.6.4 Ожидаемые результаты
В результате испытаний С1 должен соответствовать 9.12.12.2.
Кроме того, если взаимодействующим УЗКЗ является выключатель С2, следует проверить вручную или другим подходящим способом, что контакты С2 не приварились.

I - ожидаемый ток короткого замыкания; Icn - номинальная предельная наибольшая отключающая способность (5.2.4); Is - предельный ток селективности (3.5.14.6); IB - ток координации (3.5.14.7); А - преддуговая характеристика плавкого предохранителя; В - рабочая характеристика плавкого предохранителя; С - рабочая характеристика нетокоограничивающего выключателя (N) (время отключения/ток и I2t/ток); t - время
Примечания
1 А считают нижним пределом, В и С - верхними пределами.
2 Неадиабатическая зона для I2t показана пунктиром.
Рисунок D.1 - Координация по сверхтокам между автоматическим выключателем и предохранителем или резервной защитой, осуществляемой предохранителем. Рабочие характеристики
|
С1 - токоограничивающий выключатель (L) (характеристика времени отключения); С2 - нетокоограничивающий выключатель (N) (характеристика срабатывания); t - время; I - ток а) |
С1 - нетокоограничивающий выключатель (N) (характеристика времени отключения); С2 - выключатель с преднамеренной кратковременной выдержкой времени (КВВ) (характеристика срабатывания); t - время; I - ток b) |
Примечание - Значения Icn не указаны.
Рисунок D.2 - Полная селективность между двумя выключателями
|
С1 - нетокоограничивающий выключатель (N); С2 - токоограничивающий выключатель (L); t - время; I - ток; Icn - номинальная предельная наибольшая отключающая способность; IB - ток координации а) |
С1, C2 - нетокоограничивающие выключатели (N); t - время; I - ток; Icn - номинальная предельная наибольшая отключающая способность; IB - ток координации b) |
Примечания
1 Где необходимо, происходит восстановление подачи питания посредством С2.
2 Icn (С1 + С2) ≤ Icn (С2).
3 Для значений I > IB графиком является график комбинации (жирная линия), данные для которого получены при испытании.
Рисунок D.3 - Рабочие характеристики автоматического выключателя, осуществляющего резервную защиту
Приложение Е
(обязательное)
Примечание - В этом приложении указывается, какие подразделы в этом стандарте необходимо изменить, чтобы соответствовать дополнительным требованиям к вспомогательным цепям с безопасным сверхнизким напряжением.
8.1.3 Воздушные зазоры и расстояния утечки
Таблицу 4 дополнить примечанием:
Примечание - Находящиеся под напряжением части вспомогательных цепей, предназначенных для присоединения к источнику безопасного сверхнизкого напряжения, должны быть отделены от цепей с более высоким напряжением согласно требованиям IEC 60364-4-41:2005, 411.1.3.3.
9.7.4 Электрическая прочность изоляции вспомогательных цепей и цепей управления - дополнить примечанием:
Примечание - Испытание цепей, предназначенных для присоединения к источнику безопасного сверхнизкого напряжения, - в стадии рассмотрения.
Приложение F
(справочное)
На рисунках F.1 - F.4 приведены некоторые примеры конструкции зажимов. В зажимах отверстие для подсоединения проводника должно иметь диаметр, достаточный для размещения жестких однопроволочных проводников, и площадь поперечного сечения, достаточную, чтобы в него можно было вставить жесткие многопроволочные проводники (см. 8.1.5).
|
| |
|
а) Зажимы с хомутиком | |
|
|
|
|
b) Зажимы без прижимной пластины |
c) Зажимы с прижимной пластины |
Примечание - Часть зажима, снабженная резьбовым отверстием, и часть, к которой винтом прижимают провод, могут быть двумя различными частями, как в зажиме с хомутиком.
Рисунок F.1 - Примеры столбчатых зажимов
|
|
|
|
|
|
|
a) Винтовые зажимы | |
|
Винты, не требующие применения шайбы или прижимной пластины |
Винты, требующие шайбы, прижимной пластины или приспособления, препятствующего выпадению жилы из отверстия |
|
|
|
|
b) Штыревые зажимы | |
1 - необязательная часть (винтовые выводы); 2 - обязательная часть (штыревые выводы); А - неподвижная часть; В - шайба или прижимная пластина; С - устройство, препятствующее выскальзыванию жилы; D - канал для проводника; Е - штырь
Часть, удерживающая проводник в заданном положении, может выполняться из изоляционного материала, при условии, что давление, необходимое для зажима этого проводника, не передается через этот изоляционный материал.
Рисунок F.2 - Примеры винтовых и штыревых зажимов

А - планка; В - неподвижная часть; С - штырь; D - канал для проводника
Обе стороны планки посредством ее переворачивания могут иметь различную форму для размещения проводников с малой или большой площадью поперечного сечения.
Разъемы могут иметь более двух зажимных винтов или штырей.
Рисунок F.3 - Примеры пластинчатых зажимов

А - запорное устройство; В - кабельный наконечник или шина; Е - неподвижная часть; F - штырь
Для выводов этого типа необходима упругая шайба или аналогичное эффективное запорное устройство, и поверхность в зоне зажима должна быть гладкой.
Для некоторых типов оборудования допускается применение зажимов для кабельных наконечников и шин меньших размеров, чем требуется.
Рисунок F.4 - Примеры зажимов для кабельных наконечников и шин
Приложение G
(справочное)
Таблица G.1
|
Поперечное сечение по ISO, мм2 |
AWG | |
|
Размер |
Поперечное сечение, мм2 | |
|
1,0 |
18 |
0,82 |
|
1,5 |
16 |
1,30 |
|
2,5 |
14 |
2,10 |
|
4,0 |
12 |
3,30 |
|
6,0 |
10 |
5,30 |
|
10,0 |
8 |
8,40 |
|
16,0 |
6 |
13,30 |
|
25,0 |
3 |
26,70 |
|
35,0 |
2 |
33,60 |
|
50,0 |
0 |
53,50 |
|
Примечание - В основном применяют размеры ISO. По запросу изготовителя могут быть использованы размеры AWG. | ||
Приложение H
(обязательное)
Испытуемый аппарат монтируют, как показано на рисунке Н.1, при этом может потребоваться доработка с учетом особенностей конструкции аппарата в соответствии с инструкциями изготовителя.
Если необходимо для операций отключения О, чистый полиэтиленовый лист толщиной (0,05 ± 0,01) мм, размерами в каждом направлении по крайней мере на 50 мм больше наибольших размеров фронтальной стороны аппарата, но не менее чем 200 х 200 мм крепят и в разумных пределах натягивают на раме, расположенной на расстоянии 10 мм от наибольшего выступа органа управления для аппарата без углубления для органов управления либо от края углубления для аппарата с углублением для органов управления.
Физические характеристики полиэтиленового листа:
- плотность при 23 °С: (0,92 ± 0,05) г/см3;
- точка плавления: 110 °С - 120 °С.
Если необходимо, в целях предотвращения повреждения листа горячими частицами, вылетающими из отверстий для выхлопа дуги, между отверстиями для выхода дуги и листом размещают, как показано на рисунке Н.1, барьер из изоляционного материала толщиной не менее 2 мм.
Если необходимо, на расстоянии а мм от каждого отверстия для выхлопа дуги с двух сторон аппарата располагают решетку (решетки) согласно рисунку Н.2. Цепь решетки (рисунок Н.3) должна быть присоединена к точкам В, или С, или C' в зависимости от обстоятельств (см. рисунки 3-4).
Параметры цепи решетки:
- резистор R': 1,5 Ом;
- медная проволока плавкого предохранителя F': длина 50 мм, диаметр по 9.12.9.2.
Размеры в миллиметрах

1 - к предохранителю F; 2 - металлическая панель; 3 - кабель; 4 - выхлопное окно; 5 - решетка (для примера); 6 - барьер; 7 - полиэтиленовый лист; 8 - рама
Рисунок Н.1 - Пример испытательного устройства
Размеры в миллиметрах

1 - рамка из изоляционного материала; 2 - медные проволоки; 3 - металлическое соединение медных проволок
Рисунок Н.2 - Решетка

1 - присоединение к точкам В и С; F' - плавкий предохранитель; R' - резистор
Рисунок Н.3 - Цепь сетки
Приложение I
(обязательное)
I.1 Общие условия
Испытания, указанные в настоящем приложении, предназначены для выявления неприемлемых изменений в материале или изготовлении, влияющих на безопасность.
Испытания необходимо проводить для установления того, что каждый выключатель соответствует образцам, которые выдержали испытания по настоящему стандарту, согласно опыту, накопленному производителем.
I.2 Проверка расцепления
Испытание на отключение должно быть проверено в соответствии с а) и b).
a) Проверка времятоковой характеристики
Ток любого подходящего значения между условным током расцепления и наименьшим значением из диапазона мгновенного расцепления по таблице 2 (согласно типу автоматического выключателя - В, С или D) пропускают отдельно через каждый защищенный полюс, начиная с холодного состояния.
Выключатель должен расцепиться в пределах времени, соответствующего точке, выбранной изготовителем, расположенной между предельными значениями времени характеристики расцепления.
b) Проверка мгновенного расцепления.
Испытание проводят при любом удобном напряжении без блокировки рабочего состояния в замкнутом положении. Испытание можно проводить на каждом защищенном полюсе отдельно.
I.3 Проверка воздушных зазоров на разомкнутых контактах
Напряжение 1500 В частотой 50/60 Гц практически синусоидальной формы волны должно прикладываться в течение 1 с при выключателе в разомкнутом состоянии - между выводами, которые электрически соединены, когда выключатель замкнут. Перекрытий или пробоев происходить не должно.
Для проверки воздушных зазоров на разомкнутых контактах может быть применен любой подходящий альтернативный метод (например, исследование Х-лучами).
Приложение J
(обязательное)
Примечание - Настоящее приложение дополняет или изменяет соответствующие положения настоящего стандарта. Если в настоящем приложении указано "дополнение", "изменение" или "замена", то соответствующие требования, спецификации испытаний или пояснительные материалы в настоящем документе адаптируются соответствующим образом.
J.1 Область применения
Настоящее приложение J применяется к выключателям в рамках настоящего стандарта, оснащенным безвинтовыми клеммами, на ток не более 40 А, в первую очередь пригодными для подключения неподготовленных (см. J.3.6) медных проводников сечением до 10 мм2.
Примечания
1 В Чехии, Германии, Нидерландах и Швейцарии верхний предел тока для использования безвинтовых клемм составляет 16 А.
2 В Японии верхний предел тока для использования безвинтовых клемм составляет 30 А.
3 Изготовитель может указать в своей документации особые условия, разрешающие использование подготовленных проводников.
В настоящем приложении применены следующие сокращения: безвинтовые выводы - выводы; медные проводники - проводники.
J.2 Нормативные ссылки
По разделу 2.
J.3 Определения
По разделу 3 со следующими дополнениями:
J.3.1 зажимной элемент (clamping units): Части вывода, необходимые для механического прижима и электрического соединения проводников, включая части, которые требуются для обеспечения надлежащего давления контакта.
J.3.2 безвинтовой вывод (screwless-type terminal): Вывод, предназначенный для присоединения и последующего отсоединения проводников непосредственно или при помощи пружин, клиньев и аналогичных элементов.
Примечание - Примеры приведены на рисунке J.2.
J.3.3 универсальный вывод (universal terminal): Вывод, предназначенный для присоединения и отсоединения проводников всех типов (жестких и гибких).
Примечание - В ряде стран (Австрия, Бельгия, Китай, Дания, Германия, Испания, Франция, Италия, Португалия, Швеция и Швейцария) допускается применение только универсальных безвинтовых выводов.
J.3.4 неуниверсальный вывод (non-universal terminal): Вывод, предназначенный для присоединения и отсоединения проводников определенного типа (например, только жестких однопроволочных или только жестких однопроволочных и многопроволочных проводников).
J.3.5 вывод с обжимом проводника (push-wire terminal): Неуниверсальный вывод, в котором соединение обеспечивается обжимом проводника (однопроволочного или многопроволочного) при помощи зажимных средств.
J.3.6 неподготовленный проводник (unprepared conductor): Отрезок провода, с конца которого снята на определенную длину изоляция для подсоединения к выводу.
Примечания
1 Проводник, имеющий такую форму, которая позволяет легко вводить его в вывод или концы жил которого скручены с целью укрепления, считают неподготовленным проводником.
2 Термин "неподготовленный проводник" означает проводник, жилы которого не спаяны или конец которого не снабжен кабельным наконечником, ушком и т.п., но форма которого изменена для вставки в вывод или жилы которого скручены для упрочнения конца.
J.4 Классификация
По разделу 4.
J.5 Характеристики ВДТ
По разделу 5.
J.6 Маркировка
Раздел 6 дополнить следующими требованиями.
Универсальные выводы:
- без маркировки.
Неуниверсальные выводы:
- выводы, предназначенные для жестких однопроволочных проводников, должны маркироваться буквами "sol";
- выводы, предназначенные для жестких однопроволочных и многопроволочных проводников, должны маркироваться буквой "r";
- выводы, предназначенные для гибких проводников, должны маркироваться буквой "f".
Маркировка должна наноситься на ВДТ или при недостатке места на наименьшую единицу упаковки либо содержаться в технической информации изготовителя.
Маркировка, обозначающая длину снятия изоляции перед введением проводника в вывод, должна быть нанесена на выключатель.
Изготовитель в своих каталогах должен предусмотреть информацию о максимальном числе проводников, зажимаемых в выводе.
J.7 Стандартные условия эксплуатации и монтажа
По разделу 7.
J.8 Требования к конструкции и функционированию
J.8.1 Основные положение
Раздел 8 применяется, за следующими исключениями.
В 8.1.5 применяются только 8.1.5.1, 8.1.5.3, 8.1.5.6 и 8.1.5.7.
Замена в 8.1.5.2 таблицы 5 таблицей J.2.
Соответствие требованиям проверяется инспекцией и испытаниями по J.9.1 и J.9.2 настоящего приложения J вместо 9.4 и 9.5.
Дополнительные подклассы.
J.8.2 Соединение и разъединение проводников
Присоединение и отсоединение проводников должно выполняться:
- с помощью инструмента общего назначения либо удобного устройства, составляющего единое целое с выводом и позволяющего открыть его с целью введения и отсоединения проводников (например, в универсальных выводах);
- для жестких проводников путем простого введения. Для отсоединения проводников может потребоваться иная операция, чем простое выдергивание проводника из вывода (например, обжим проводника).
Универсальные выводы должны допускать подсоединение жестких (однопроволочных и многопроволочных) и гибких неподготовленных проводников.
Неуниверсальные выводы должны допускать подсоединение типов проводников, указанных изготовителем.
Соответствие проверяют осмотром и испытаниями по J.9.1 и J.9.2.
J.8.3 Размеры присоединяемых проводников
Размеры присоединяемых проводников приведены в таблице J.1.
Соединительную способность выводов проверяют осмотром и испытаниями по J.9.1 и J.9.2.
|
Сечение и теоретический диаметр проводников | ||||||||||
|
Метрическая система |
AWG | |||||||||
|
Жесткие |
Гибкие |
Жесткие |
Гибкие | |||||||
|
Сечение |
Диаметр |
Сечение |
Диаметр |
Калибр |
Диаметр |
Калибр |
Диаметр многопроволочных проводников классов I, K, М b) | |||
|
Однопроволочные |
Многопроволочные |
Однопроволочные а) |
Многопроволочные класса В а) | |||||||
|
мм2 |
мм |
мм |
мм2 |
мм |
мм |
мм |
мм | |||
|
1,0 |
1,2 |
1,4 |
1,0 |
1,5 |
18 |
1,02 |
1,16 |
18 |
1,28 | |
|
1,5 |
1,5 |
1,7 |
1,5 |
1,8 |
16 |
1,29 |
1,46 |
16 |
1,60 | |
|
2,5 |
1,9 |
2,2 |
2,5 |
2,3 |
14 |
1,63 |
1,84 |
14 |
2,08 | |
|
4,0 |
2,4 |
2,7 |
4,0 |
2,9 |
12 |
2,05 |
2,32 |
12 |
2,70 | |
|
a) Допуск диаметра + 5 %. b) Допуск наибольшего диаметра + 5 % для любого из трех классов I, К и М. Примечание - Наибольшие диаметры жестких и гибких проводников приведены по таблице 1 IEC 60228, а для проводников в системе AWG - по В 172-71 ASTM и публикациям S-19-81, S-66-524, S-68-516 ICEA. | ||||||||||
J.8.4 Поперечные сечения присоединяемых проводников
Номинальные поперечные сечения присоединяемых проводников приведены в таблице J.2.
|
Номинальный ток, А |
Номинальные поперечные сечения присоединяемых проводников, мм2 |
|
До 13 включ. |
От 1,0 до 2,5 включ. |
|
Св. 13 до 20 включ. |
От 1,5 до 4,0 включ. |
Соответствие проверяют осмотром и испытаниями по J.9.1 и J.9.2.
J.8.5 Присоединение и отсоединение проводников
Введение и отсоединение проводников должно выполняться согласно инструкциям изготовителя.
Соответствие проверяют осмотром.
J.8.6 Дизайн и конструкция выводов
Выводы должны быть так спроектированы и изготовлены, чтобы:
- каждый проводник прижимался отдельно;
- в ходе операции по присоединению и отсоединению проводники могли присоединяться и отсоединяться либо одновременно, либо по отдельности;
- исключалось неправильное введение проводников.
Должно обеспечиваться надежное крепление максимально предусмотренного числа проводников.
Соответствие проверяют осмотром и испытаниями по J.9.1 и J.9.2.
J.8.7 Устойчивость к старению
Выводы должны быть устойчивы к старению.
Соответствие проверяют испытанием по J.9.3.
J.9 Испытания
По разделу 9 с заменой 9.4 и 9.5 следующими испытаниями.
J.9.1 Проверка надежности безвинтовых выводов
J.9.1.1 Надежность безвинтовой системы
Испытание проводят на трех выводах полюсов новых образцов с медными проводниками номинальных поперечных сечений по таблице J.2. Типы проводников - в соответствии с J.8.1.
Присоединение и последующее отсоединение должно выполняться пять раз с проводником наименьшего диаметра и последовательно пять раз с проводником наибольшего диаметра.
Каждый раз должны использоваться новые проводники, за исключением пятой проверки, когда проводник, использованный для четвертой проверки, оставляют на месте. Перед введением в вывод жилам многопроволочных жестких проводников следует придать соответствующую форму, а проволоки гибких проводников должны быть скручены для упрочнения конца.
При каждом введении конец проводника должен быть вставлен в вывод на максимально возможную глубину либо правильность его введения должна быть очевидна.
После каждого введения проводник поворачивают вокруг его продольной оси на 90° на уровне зажатого участка и затем его отсоединяют.
После испытания вывод не должен иметь повреждений, влияющих на его дальнейшую эксплуатацию.
J.9.1.2 Проверка надежности соединения
Три вывода полюсов новых образцов оснащают новыми медными проводниками, типы и сечения которых указаны в таблице J.2.
Типы проводников должны соответствовать J.8.1.
Перед введением в вывод жилам многопроволочных жестких проводников следует придать соответствующую форму, а проволоки гибких проводников должны быть скручены для упрочнения конца.
Проводник должен входить в универсальный вывод без чрезмерного усилия, а в вывод с обжимом проводника - с незначительным усилием, прикладываемым вручную.
При каждом введении конец проводника должен быть вставлен в вывод на максимально возможную глубину либо правильность его введения должна быть очевидна.
После проведения испытаний ни одна проволока проводника не должна выпасть из вывода.
J.9.2 Проверка надежности выводов для присоединения внешних проводников: механическая прочность
Для испытания на натяжение три вывода полюсов новых образцов оснащают новыми проводниками типов, максимальных и минимальных сечений, соответствующих таблице J.2.
Перед введением в вывод жилам многопроволочных жестких проводников следует придать соответствующую форму, а проволоки гибких проводников должны быть скручены для упрочнения конца.
Затем каждый проводник подвергают тянущему усилию, указанному в таблице J.3, без рывков в течение 1 мин в направлении оси проводника.
|
Сечение проводника, мм2 |
Тянущее усилие, Н |
|
1,0 |
35 |
|
1,5 |
40 |
|
2,5 |
50 |
|
4,0 |
60 |
|
6,0 |
80 |
|
10,0 |
90 |
Во время испытания проводник не должен выпасть из вывода.
J.9.3 Циклическое испытание
Испытание проводят с новыми проводниками поперечных сечений по таблице 10.
Испытание проводят на новых образцах (один образец - один полюс), число которых указано ниже согласно типу выводов:
- универсальные выводы для жестких (одно- и многопроволочных) и гибких проводников: по три образца для каждых (всего шесть образцов);
- неуниверсальные выводы только для однопроволочных проводников: три образца;
- неуниверсальные выводы для жестких (одно- и многопроволочных) проводников: по три образца для каждых (всего шесть образцов).
Примечание - Если проводники жесткие, должны применяться однопроволочные (если в конкретной стране не применяют однопроволочные проводники, тогда допускается применение многопроволочных);
- неуниверсальные выводы только для гибких проводников: три образца.
Проводник поперечным сечением по таблице 10 последовательно соединяют, как при нормальной эксплуатации, с каждым комплектом из трех образцов, как показано на рисунке J.1.

Рисунок J.1 - Схема соединения образцов
На образце должно быть предусмотрено отверстие для измерения падения напряжения на выводе.
При проведении испытаний образец с проводниками помещают в камеру тепла, в которой предварительно устанавливают температуру (20 ± 2) °С.
Во избежание перемещения образцов до окончания измерения падений напряжения рекомендуется закрепить все полюса на общей опоре.
В течение испытания, за исключением периода охлаждения, в цепь подается испытательный ток, соответствующий номинальному току ВДТ.
Затем образцы подвергают 192 температурным циклам, каждый цикл длительностью около 1 ч, и его проводят следующим образом.
Температуру воздуха в камере тепла примерно за 20 мин повышают до 40 °С. Испытательную температуру поддерживают с погрешностью ± 5 °С приблизительно 10 мин.
Затем образцы подвергают в течение 20 мин естественному охлаждению до температуры около 30 °С, допускается принудительное охлаждение. Их выдерживают при этой температуре около 10 мин и за это время измеряют падение напряжения, если необходимо, образцы охлаждают до температуры (20 ± 2) °С.
Максимально допустимое падение напряжения, измеренное на каждом выводе в конце 192-го цикла при номинальном токе, не должно превышать наименьшего из двух значений: 22,5 мВ или полуторакратного значения, полученного после 24-го цикла.
Измерения должны проводиться как можно ближе к месту контакта.
Если точка измерения не совпадает с точкой контакта, то величину падения напряжения в пределах части проводника между точкой измерения и точкой контакта вычитают из измеренного значения падения напряжения испытуемого образца.
Температуру в камере тепла измеряют на расстоянии приблизительно 50 мм от испытуемых образцов.
После этих испытаний выводы подвергают внешнему осмотру невооруженным глазом (с нормальным зрением), при котором не должны быть выявлены изменения, препятствующие их дальнейшей эксплуатации, например трещины, деформации и т.п.

Безвинтовой вывод с непрямым зажимом

Безвинтовой вывод с прямым зажимом

Безвинтовой вывод с зажимом через промежуточный приводной элемент
Рисунок J.2 - Примеры безвинтовых выводов
J.10 Использованные документы
IEC 60228:2004, Conductors of insulated cabhles (Проводники изолированных кабелей)
IEC 60998-1, Connecting devices for low-voltage circuits for household and similar purposes - Part 1: General requirements (Устройства соединительные для низковольтных цепей бытового и аналогичного назначения. Часть 1. Общие требования)
IEC 60998-2-2, Connecting devices for low-voltage circuits for household and similar purposes - Part 2-2: Particular requirements for connecting devices as separate entities with screwless-type clamping units (Устройства соединительные для низковольтных цепей бытового и аналогичного назначения. Часть 2-2. Частные требования к соединительным устройствам как отдельным элементам с невинтовыми зажимами)
IEC 60999 (all parts), Connecting devices - Electrical copper conductors - Safety requirements for screw-type and screwless-type clamping units [Устройства соединительные. Медные электропровода. Требования безопасности к винтовым и безвинтовым зажимам (все части)]
ASTM В 172-17, Standard Specification for Rope-Lay-Stranded Copper Conductors Having Bunch-Stranded Members, for Electrical Conductors (Стандартная спецификация на многожильные медные провода со сложной скруткой пучков многожильных проводов)
Приложение К
(обязательное)
Примечание - Данное приложение дополняет или изменяет соответствующие пункты в настоящем стандарте. Если в этом приложении указано "добавление", "изменение" или "замена", соответствующие требования, спецификации испытаний или пояснительные материалы в настоящем стандарте должны быть соответствующим образом адаптированы.
К.1 Область применения
Настоящее приложение распространяется на автоматические выключатели в пределах действия раздела 1, оснащенные плоскими быстросоединяемыми выводами, состоящими из штыревого наконечника (см. К.3.2) типоразмера 6,3 мм шириной 0,8 мм и гнездового наконечника и предназначенными для присоединения электрических медных проводников на номинальные токи до 16 А включительно в соответствии с инструкциями изготовителя.
Примечание - В ряде стран (Бельгия, Франция, Италия, Испания, Португалия и США) допускается применение плоских быстросоединяемых выводов на номинальные токи до 20 А включительно.
Присоединяемые электрические медные проводники (далее - проводники) могут быть гибкими с поперечными сечениями до 4 мм2 включительно или жесткими многопроволочными с поперечными сечениями до 2,5 мм2 включительно (в системе AWG 12 и свыше).
Данное приложение распространяется исключительно на выключатели со штыревыми выводами, выполненными как одно целое с аппаратом.
К.2 Нормативные ссылки
По разделу 2 со следующим дополнением:
IEC 61210:1993, Connecting devices - Flat quick-connect terminations for electrical copper conductors - Safety requirements (Устройства присоединительные. Зажимы плоские быстросоединяемые для медных электрических проводников. Требования безопасности)
К.3 Определения
По разделу 3 со следующими дополнениями:
К.3.1 плоский быстросоединяемый вывод (flat quick-connect termination): Электрическое соединение, состоящее из штыревого и гнездового наконечников, сочленяемых и расчленяемых с помощью и без помощи инструмента.
К.3.2 штыревой наконечник (male tab): Часть плоского быстросоединяемого вывода, вводимая для сочленения в гнездовой наконечник.
К.3.3 гнездовой наконечник (female connector): Часть плоского быстросоединяемого вывода, в которую вводится штыревой наконечник.
К.3.4 фиксирующий элемент (detent): Углубление (выемка) или отверстие в штыревом наконечнике, которое взаимодействует с выступающей частью гнездового наконечника и обеспечивает фиксацию сочленяемых частей.
К.4 Классификация
По разделу 4.
К.5 Характеристики автоматических выключателей
По разделу 5.
К.6 Маркировка
По разделу 6 со следующими дополнениями после перечисления k).
Следующая информация, касающаяся гнездовых наконечников по IEC 61210 и типа применяемых проводников, должна быть приведена в инструкциях изготовителя:
a) наименование изготовителя или товарный знак;
b) тип изделия;
c) сечение проводников и цветовой код изолированных гнездовых наконечников (см. таблицу К.1);
d) применение чисто серебряных или медных с гальваническим покрытием оловом сплавов.
|
Сечения проводников, мм2 |
Цветовой код гнездовых соединителей |
|
1,0 |
Красный |
|
1,5 |
Красный или синий |
|
2,5 |
Синий или желтый |
|
4,0 |
Желтый |
К.7 Стандартные условия эксплуатации и монтажа
По разделу 7.
К.8 Требования к конструкции
По разделу 8 со следующими изменениями.
Заменить 8.1.3 следующим:
К.8.1 Воздушные зазоры и расстояния утечки (см. приложение В)
По 8.1.3; гнездовые наконечники сочленяются со штыревыми наконечниками автоматического выключателя.
Заменить 8.1.5 следующим:
К.8.2 Выводы для внешних проводников
К.8.2.1 Штыревые и гнездовые наконечники должны быть выполнены из материалов, механическая прочность, электрическая проводимость и коррозионная стойкость которых соответствуют их назначению.
Примечание - Примерами таких материалов являются серебряные или медные сплавы с гальваническим покрытием оловом.
К.8.2.2 Типоразмер штыревого наконечника составляет 6,3 мм при толщине 0,8 мм, применяется на номинальные токи до 16 А включительно.
Примечание - В ряде стран (Бельгия, Франция, Италия, Испания, Португалия и США) допускается применение на номинальные токи до 20 А включительно.
Размеры штыревых наконечников должны соответствовать размерам, указанным в таблице К.3 и на рисунках К.2 - К.5. Размеры А, В, С, D, Е, F, J, М, N и Q являются обязательными.
Размеры сочленяемых гнездовых наконечников должны соответствовать приведенным на рисунке К.6 и в таблице К.4.
Примечание - Формы некоторых частей могут отличаться от показанных на рисунках при условии неизменности указанных размеров и соответствия требованиям к испытанию, например рифленые или развальцованные наконечники.
Соответствие проверяют осмотром и измерением.
К.8.2.3 Штыревые наконечники должны быть надежно закреплены.
Соответствие проверяют испытанием на стойкость к механической нагрузке по К.9.1.
К.9 Испытания
По разделу 9 со следующими изменениями.
Заменить 9.5 следующим:
К.9.1 Стойкость к механической нагрузке
Испытание проводят на 10 выводах выключателей, установленных как для нормальной эксплуатации со смонтированными проводниками.
Усилие нажатия и затем вытягивающее осевое усилие, значения которых соответствует значениям, указанным в таблице К.2, прикладывают плавно только один раз к штыревому вмонтированному в выключатель наконечнику подходящим испытательным устройством.
|
Усилие нажатия, Н |
Вытягивающее усилие, Н |
|
96 |
88 |
Не должно быть повреждения, влияющего на дальнейшую эксплуатацию штыревого наконечника или выключателя, в который этот наконечник вмонтирован.
Раздел дополнить пунктом 9.8.3:
Тонкопроволочные термопары располагают так, чтобы не влиять на контакт или присоединительную площадь испытуемого образца. Пример расположения приведен на рисунке К.1

Рисунок К.1 - Пример расположения термопары при измерении превышения температуры
|
Номинальный размер, мм |
Способ фиксации |
А |
В min |
С |
D |
Е |
F |
J |
М |
N |
Р |
Qmin |
|
6,3 х 0,8 |
углублением |
1,0 |
- |
0,84 |
6,40 |
4,1 |
2,0 |
12° |
2,5 |
2,0 |
1,8 |
- |
|
0,7 |
7,8 |
0,77 |
6,20 |
3,6 |
1,6 |
8° |
2,2 |
1,8 |
0,7 |
8,9 | ||
|
отверстием |
1,0 |
- |
0,84 |
6,40 |
4,7 |
2,0 |
12° |
- |
- |
1,8 |
- | |
|
0,5 |
7,8 |
0,77 |
6,20 |
4,3 |
1,6 |
8° |
- |
- |
0,7 |
8,9 | ||
|
Примечания 1 Размеры А-Q - см. рисунки К.2 - К.5. 2 Две строки в графе приводят максимальный и минимальный размеры. | ||||||||||||
Размеры в миллиметрах

──────────────────────────────
* Приблизительно.
──────────────────────────────
Примечания
1 Скос А 45° может не быть прямой линией, если находится в указанных пределах.
2 Размер L не задан и может быть установлен в зависимости от конструкции (например, для фиксации).
3 Размер С может определяться толщиной применяемого материала при условии, что указанный размер отвечает требованиям настоящего стандарта. Допускается округление по продольному краю штекеров.
4 На рисунке указаны размеры, но не приведена конструкция.
5 Размер С - толщина штекера - может быть иным за переделами размеров Q или В + 1,14 мм.
6 Все части штекеров должны быть плоскими и не иметь заусенцев или выступов, за исключением выступа над допуском толщины в 0,025 мм с каждой стороны в области линии упора, на расстоянии 1,3 мм от нее.
Рисунок К.2 - Размеры штыревых контактов
Размеры в миллиметрах

Допуск расположения углубления относительно центральных осей штекера 0,076 мм.
Рисунок К.3 - Размеры круглых углублений фиксации (см. рисунок К.2)
Размеры в миллиметрах

Допуск расположения углублений относительно центральных осей штекера 0,13 мм.
Рисунок К.4 - Размеры прямоугольных размеров фиксации (см. рисунок К.2)

Допуск расположения отверстия относительно центральных осей штекера 0,076 мм.
Рисунок К.5 - Размеры отверстий для фиксации
Размер в миллиметрах

Примечания
1 Для определения размеров гнездового соединителя размеры В3 и L2 необходимо согласовать с размерами штыревого наконечника для гарантии обеспечения надежного сочленения в наихудших условиях (а также размеры элементов фиксации при их наличии).
2 Если предусмотрен упор, размер X определяется изготовителем, исходя из обеспечения требований работоспособности соединения.
3 Гнездовые соединители должны иметь конструкцию, позволяющую обеспечить правильную фиксацию при введении штыревого наконечника в гнездовой соединитель и исключить создание препятствия оконцованной частью проводника введению штыревого наконечника в гнездовой соединитель до полной фиксации соответствующими фиксирующими элементами.
4 Чертеж является общей рекомендацией для проектирования гнездового соединителя, при этом указанные на чертеже размеры являются обязательными.
Рисунок К.6 - Размеры гнездовых соединителей
|
Размеры штыревого наконечника, мм |
Размеры гнездового соединителя, мм | |
|
В3, максимальный |
L2, максимальный | |
|
6,3 х 0,8 |
7,8 |
3,5 |
К.10 Использованные документы
IEC 60760:1989, Flat, quick-connect terminations (Плоские быстросоединяемые выводы)
Приложение L
(обязательное)
Примечание - Данное приложение дополняет или изменяет соответствующие пункты в настоящем стандарте. Если в данном приложении указано "добавление", "изменение" или "замена", соответствующие требования, спецификации испытаний или пояснительные материалы в настоящем стандарте должны быть соответствующим образом адаптированы.
L.1 Область применения
Настоящее приложение распространяется на выключатели в пределах действия настоящего стандарта, оснащенные винтовыми выводами из меди или медных сплавов, содержащих не менее 58 % меди (для частей, изготавливаемых холодным способом) и не менее 50 % меди (для частей другого способа изготовления), или из другого металла или металла с соответствующим покрытием, не менее коррозиеустойкого, чем медь, и с не менее пригодными механическими свойствами, применяемыми с неподготовленными алюминиевыми проводниками, либо оснащенные винтовыми выводами из алюминиевого материала для присоединения медных или алюминиевых проводников.
В данном приложении алюминиевые проводники с покрытием медью или никелем считаются алюминиевыми.
Примечание - В Австрии, Австралии и Германии применение алюминиевых винтовых выводов для присоединения медных проводников недопустимо.
В Австрии, Швейцарии и Германии применение выводов только для алюминиевых проводников запрещено.
В Испании недопустимо применение алюминиевых проводников в концевых цепях в бытовых и аналогичных электроустановках, например офисы, магазины и т.п.
В Дании минимальное поперечное сечение алюминиевых проводников составляет 16 мм2.
L.2 Нормативные ссылки
Аннулировано.
L.3 Определения
По разделу 3 со следующими дополнениями:
L.3.1 подготовленный проводник (treated conductor): Проводник, с внешних жил которого в контактной его части снят окисный слой и/или залита уплотняющая масса для обеспечения хорошей проводимости и/или предохранения от коррозии.
L.3.2 неподготовленный проводник (untreated/unprepared conductor): Проводник, с конца которого на определенную длину снята изоляции для ввода его в вывод.
Примечание - Проводник, имеющий такую форму, которая позволяет легко вводить его в вывод или концы жилы которого скручены с целью укрепления, считают неподготовленным проводником.
L.3.3 эквалайзер (выравниватель) (equalizer): Устройство, применяемое в испытательном контуре и обеспечивающее эквипотенциальную и однородную плотность тока в многопроволочном проводнике без изменения температуры проводника.
L.3.4 контрольный проводник (reference conductor): Проводник большой протяженности того же типа и сечения, что и присоединенный к испытуемому выводу, включенный последовательно в ту же цепь.
Примечание - Он обеспечивает определяемую контрольную температуру и при необходимости контрольное сопротивление.
L.3.5 коэффициент устойчивости (Sf) (stability factor Sf): Измерение стабильности температуры вывода при циклических испытаниях током.
L.4 Классификация
По разделу 4.
L.5 Характеристики выключателей
По разделу 5.
L.6 Маркировка и другая информация об изделии
По разделу 6 со следующими дополнениями:
Маркировка, указанная в таблице L.1, должна наноситься на выключатели у выводов.
Информация, относящаяся к числу проводников, значениям крутящих моментов (если отличаются от приведенных в таблице 11) и сечениям проводников, должна наноситься на выключатели.
|
Тип присоединяемого проводника |
Маркировка |
|
Только медный |
Нет |
|
Только алюминиевый |
Al |
|
Алюминиевый и медный |
Al/Cu |
Изготовитель в своих каталогах должен указать значения затягивающих моментов и способы крепления алюминиевых проводников.
L.7 Стандартные условия эксплуатации и монтажа
По разделу 7.
L.8 Требования к конструкции и функционированию
По разделу 8, за исключением следующего.
Раздел дополнить пунктом:
8.1.5.2 Для присоединения алюминиевых проводников выключатель должен быть оснащен винтовыми выводами для присоединения проводников с номинальными поперечными сечениями по таблице L.2.
Выводы для присоединения алюминиевых проводников и выводы из алюминия для присоединения медных или алюминиевых проводников должны обладать соответствующей механической прочностью, чтобы выдержать испытания по 9.4 с проводниками, затянутыми моментом, указанным в таблице 11 либо указанным изготовителем, причем значение, указанное изготовителем, не должно быть ниже указанного в присоединяемых к винтовым выводам в таблице 11.
|
Номинальный ток а), А |
Диапазон номинальных поперечных сечений b) присоединяемых проводников, мм2 |
|
До 13 включ. |
От 1,0 до 4,0 |
|
От 13 до 16 включ. |
От 1,0 до 6,0 |
|
От 16 до 25 включ. |
От 1,5 до 10,0 |
|
От 25 до 32 включ. |
От 2,5 до 16,0 |
|
От 32 до 50 включ. |
От 4,0 до 25,0 |
|
От 50 до 80 включ. |
От 10,0 до 35,0 |
|
От 80 до 100 включ. |
От 16,0 до 50,0 |
|
От 100 до 125 включ. |
От 25,0 до 70,0 |
|
a) Требуется, чтобы при номинальных токах до 50 А включительно выводы были рассчитаны на зажим как однопроволочных, так и жестких многопроволочных проводников; допускается применение гибких проводников. В то же время допускается, чтобы выводы для проводников с поперечным сечением от 1,0 до 10,0 мм2 были рассчитаны на зажим только однопроволочных проводников. b) Максимальные сечения проводников по таблице 5 увеличены в соответствии с таблицей D.2 IEC 61545:1996. | |
Соответствие проверяют осмотром, измерением и поочередным введением проводника наименьшего и наибольшего сечения из указанных.
8.1.5.4 Изложить в новой редакции:
Выводы должны допускать присоединение проводников без специальной подготовки.
Соответствие проверяют осмотром и испытанием по L.9.
L.9 Испытания
По разделу 9 со следующими изменениями/дополнениями:
Для испытаний в зависимости от вида материала вывода и типа присоединяемых проводников применяют условия испытаний в соответствии с таблицей L.3.
Дополнительно проводится испытание по L.9.2 на выводах отдельно от выключателей.
|
Материал выводов |
Материал по 8.1.4.4 a) |
Al a) | |
|
Al |
Cu |
Al | |
|
Материал проводника (таблица L.1) |
По таблицам L.2 и L.5 |
По таблицам 5 и 10 |
По таблицам L.2 и L.5 |
|
9.4 Надежность винтов |
По таблицам L.2 и 11 |
По таблицам 5 и 11 |
По таблицам L.2 и 11 |
|
9.5.2 Испытание на вытягивание b) |
По таблице L.2 |
По таблице 5 |
По таблице L.2 |
|
9.5.3 Повреждение проводника |
По таблицам L.2, 11 и 12 |
По таблицам 5, 11 и 12 |
По таблицам L.2, 11 и 12 |
|
9.5.4 Введение проводника |
По таблицам L.2 и 11 |
По таблицам 5 и 11 |
По таблицам L.2 и 11 |
|
9.8 Превышение температуры |
По таблице L.5 |
По таблице 10 |
По таблице L.5 |
|
9.9 Двадцативосьмисуточное испытание |
По таблице L.5 |
По таблице 10 |
По таблице L.5 |
|
L.9.2 Циклическое испытание |
По таблице 11 |
По таблице 11 |
По таблице 11 |
|
a) Согласно циклам А и В и числу образцов, указанным в приложении С. Для выключателей, предназначенных для присоединения алюминиевых и медных проводников, число циклов испытаний и образцов удваивают (по одному для медного и одному для алюминиевого проводника). b) Для испытаний на вытягивание по 9.5.2 значение для провода сечением 70 мм2 - на рассмотрении. | |||
|
Метрическая система |
AWG | |||||||||
|
Жесткие |
Гибкие (только медные) |
Жесткие |
Гибкие (только медные) | |||||||
|
Сечение |
Диаметр |
Сечение |
Диаметр |
Калибр |
Диаметр |
Калибр |
Диаметр многопроволочных проводников классов I, K, М b) | |||
|
Однопроволочные |
Многопроволочные |
Однопроволочные a) |
Многопроволочные класса В a) | |||||||
|
мм2 |
мм |
мм2 |
мм |
мм |
мм | |||||
|
1,0 |
1,2 |
1,4 |
1,0 |
1,5 |
18 |
1,07 |
1,23 |
18 |
1,28 | |
|
1,5 |
1,5 |
1,7 |
1,5 |
1,8 |
16 |
1,35 |
1,55 |
16 |
1,50 | |
|
2,5 |
1,9 |
2,2 |
2,5 |
2,3 c) |
14 |
1,71 |
1,95 |
14 |
2,08 | |
|
4,0 |
2,4 |
2,7 |
4,0 |
2,9 c) |
12 |
2,15 |
2,45 |
12 |
2,70 | |
|
6,0 |
2,9 |
3,3 |
4,0 |
2,9 c) |
10 |
2,72 |
3,09 |
- |
- | |
|
10,0 |
3,7 |
4,2 |
6,0 |
3,9 |
8 |
3,43 |
3,89 |
10 |
3,36 | |
|
16,0 |
4,6 |
5,3 |
10,0 |
5,1 |
6 |
4,32 |
4,91 |
8 |
4,32 | |
|
25,0 |
- |
6,6 |
16,0 |
6,3 |
4 |
5,45 |
6,18 |
6 |
5,73 | |
|
35,0 |
- |
7,9 |
25,0 |
7,8 |
2 |
6,87 |
7,78 |
4 |
7,25 | |
|
- |
- |
- |
- |
- |
1 |
7,72 |
8,85 |
- |
- | |
|
50,0 |
- |
9,1 |
35,0 |
9,2 |
0 |
8,51 |
9,64 |
- |
12,08 | |
|
70,0 |
- |
12,0 |
50,0 |
12,0 |
00 |
9,266 |
10,64 |
- |
- | |
|
a) Допуск номинального диаметра + 5 %. b) Допуск наибольшего диаметра + 5 % для любого из трех классов I, К и М. c) Размеры только для гибких проводников класса 5 согласно IEC 60228. Примечание - Наибольшие диаметры жестких и гибких проводников приведены по IEC 60228, а для проводников в системе AWG - по ASTM В172-17. | ||||||||||
L.9.1 Условия испытаний
По 9.1, кроме того, что параметры присоединяемых алюминиевых проводников должны соответствовать таблице L.5.
|
Сечения проводников (S), мм2 |
Номинальные токи (In), А |
|
1,5 |
До 6 включ. |
|
2,5 |
Св. 6 до 13 включ. |
|
4,0 |
Св. 13 до 20 включ. |
|
6,0 |
Св. 20 до 25 включ. |
|
10,0 |
Св. 25 до 32 включ. |
|
16,0 |
Св. 32 до 50 включ. |
|
25,0 |
Св. 50 до 63 включ. |
|
35,0 |
Св. 63 до 80 включ. |
|
50,0 |
Св. 80 до 100 включ. |
|
70,0 |
Св. 100 до 125 включ. |
L.9.2 Циклические испытания током
L.9.2.1 Данным испытанием проверяют устойчивость винтового вывода путем сравнения температурной характеристики с характеристикой контрольного проводника в условиях ускоренных циклических испытаний.
Испытание проводят на отдельных выводах.
L.9.2.2 Подготовка к испытанию
Испытание проводят на четырех образцах, каждый из которых образован парой выводов и представляет условия его применения в выключателе (см. примеры на рисунках L.2 - L.6). Винтовые выводы, снятые с выключателя, присоединяют к токопроводящим частям такого же сечения, формы, металла и покрытия, что и смонтированные в выключателе. Крепление выводов к токопроводящим частям выполняют таким же образом (положение, крутящий момент и т.д.), как в выключателе. Если во время испытаний на одном образце произойдет отказ, испытания проводят на четырех дополнительных образцах, отказов быть не должно.
L.9.2.3 Испытательное устройство
Испытательное устройство должно быть таким, как показано на рисунке L.1.
К испытуемым образцам должно быть приложено 90 % значения момента, указанного изготовителем, а в отсутствие указаний - выбранного по таблице 11.
Испытание проводится с проводниками в соответствии с таблицей L.5 для алюминиевых проводников или в соответствии с таблицей 10 для медных проводников, используемых с алюминиевыми клеммами.
Длина испытательного проводника от точки ввода в образец винтового вывода до эквалайзера (см. L.3.3) должна соответствовать указанной в таблице L.6.
|
Сечение проводника, мм2 |
Размер проводника в системе AWG |
Минимальная длина проводника, мм |
|
До 10 включ. |
До 8 включ. |
200 |
|
От 16,0 до 25,0 включ. |
От 6 до 3 включ. |
300 |
|
От 35,0 до 70,0 включ. |
От 2 до 00 включ. |
460 |
Испытательные проводники соединяют последовательно с контрольным проводником такого же поперечного сечения.
Длина контрольного проводника должна соответствовать приблизительно двойной длине испытательного проводника.
Каждый свободный конец испытательного и контрольного проводников, не присоединенный к образцу винтового вывода, должен быть приварен или припаян твердым припоем к небольшому отрезку эквалайзера из того же материала, что и проводник, и поперечным сечением не более указанного в таблице L.7. Все жилы проводника должны быть приварены или спаяны для надежного электрического соединения с эквалайзером.
С согласия изготовителя и при условии сохранения рабочих характеристик для эквалайзера могут применяться несварные соединения прижимного типа, выполняемые с помощью инструмента.
|
Диапазоны испытательных токов, А |
Максимальное поперечное сечение, мм2 | |
|
Алюминий |
Медь | |
|
От 0 до 50 |
45 |
45 |
|
От 51 до 125 |
105 |
85 |
|
От 126 до 225 |
185 |
155 |
Расстояние между испытательными и контрольными проводниками должно быть не менее 150 мм.
Испытуемый образец должен быть подвешен в воздухе в вертикальном или горизонтальном положении, эквалайзер или шина должны поддерживаться непроводящими опорами, чтобы избежать растягивающей нагрузки на прижимной винтовой узел. Между проводниками должны быть установлены термоизолирующие перегородки шириной (25 ± 5) мм и высотой (150 ± 10) мм над винтовыми выводами (см. рисунок L.1). Термоизолирующие перегородки не требуются, если расстояние между образцами составляет не менее 450 мм. Образцы должны размещаться на расстоянии не менее 600 мм от пола, стен и потолка.
Испытуемые образцы должны размещаться в среде, где практически отсутствуют вибрация и сквозняки, при температуре окружающего воздуха от 20 °С до 25 °С. С началом испытания максимальное допустимое изменение пределов диапазона не должно превышать ± 1 К.
L.9.2.4 Измерение температуры
Измерения температуры выполняют с помощью термопар с проволочками сечением не более 0,07 мм2 (приблизительно 30 AWG).
Для винтовых выводов термопара должна размещаться на винтовом выводе со стороны ввода проводника у контактной поверхности.
Для контрольного проводника термопары должны размещаться посередине от концов проводника под изоляцией.
Размещение термопар не должно повреждать винтовой вывод или контрольный проводник.
Примечание - Высверливание небольшого отверстия и последующее крепление термопары является приемлемым методом при условии неизменности рабочих характеристик и наличия согласования изготовителя.
Температура среды должна измеряться с помощью двух термопар таким образом, чтобы достичь среднего стабильного показания вблизи испытательного контура и избежать внешних воздействий. Термопары должны размещаться в горизонтальной плоскости, пересекающей образцы на минимальном расстоянии 600 мм от них.
Примечание - Приемлемым методом достижения стабильности измерений является крепление термопар на медных опорах размером 50 x 50 мм и толщиной от 6 до 10 мм.
L.9.2.5 Методика испытания и критерии соответствия
Примечание - Оценка работоспособности основана на предельном превышении температуры винтового вывода и изменении температуры в ходе испытания.
Испытательный контур должен подвергнуться 500 циклам в течение 1 ч под нагрузкой и течение 1 ч без нагрузки током, начиная со значения переменного тока, равного 1,12 испытательного тока, указанного в таблице L.8. К концу каждого периода под нагрузкой в течение первых 24 циклов ток должен быть отрегулирован на повышение температуры контрольного проводника до 75 °С.
На 25-м цикле испытательный ток должен быть отрегулирован в последний раз, и установившаяся температура записывается в качестве первого измерения. Больше до конца испытания регулировок тока быть не должно.
Температура должна записываться в течение хотя бы одного цикла каждого рабочего дня и после 25, 50, 75, 100, 125, 175, 225, 275, 350, 425 и 500 циклов.
Температура должна измеряться в течение последних 5 мин под нагрузкой. В том случае, если размер комплекта испытуемых образцов либо скорость системы обработки информации таковы, что не все измерения могут быть завершены в течение 5 мин, время нахождения под нагрузкой должно быть продлено до завершения измерений.
После первых 25 циклов время без нагрузки может быть сокращено до периода на 5 мин больше, чем необходимо всем образцам выводов для охлаждения до температуры между температурой среды Tа и температурой Та + 5 °С в течение периода без нагрузки. Для сокращения времени отключения с согласия изготовителя может быть применено принудительное охлаждение. В этом случае принудительному охлаждению должен подвергнуться весь испытательный контур, и температура струи воздуха не должна быть ниже температуры окружающего воздуха.
Коэффициент устойчивости (Sf) для каждого из 11 измерений определяют путем вычитания отклонения D средней температуры из отклонения d 11 значений температуры.
Отклонение температуры d для 11 отдельных измерений получают путем вычитания объединенной температуры контрольных проводников из температуры безвинтового вывода.
Примечание - Значение d будет положительным, если температура винтового вывода выше температуры контрольного проводника, и отрицательным, если ниже.
Для каждого винтового вывода:
- превышение температуры не должно быть свыше 110 °С;
- коэффициент устойчивости (Sf) не должен превышать ± 10 °С.
Пример расчета для одного винтового вывода приведен в таблице L.9.
|
Метрическая система |
AWG | ||||
|
Номинальный ток, In, А |
Сечение алюминиевого проводника, мм2 |
Испытательный ток, А |
Номинальный ток, In, А |
Размер алюминиевого проводника |
Испытательный ток, А |
|
До 15 включ. |
2,5 |
26 |
До 15 включ. |
12 |
30 |
|
От 15 до 20 включ. |
4,0 |
35 |
От 15 до 25 включ. |
10 |
40 |
|
От 20 до 25 включ. |
6,0 |
46 |
От 25 до 40 включ. |
8 |
53 |
|
От 25 до 32 включ. |
10,0 |
60 |
От 40 до 50 включ. |
6 |
69 |
|
От 32 до 50 включ. |
16,0 |
79 |
От 50 до 65 включ. |
4 |
99 |
|
От 50 до 65 включ. |
25,0 |
99 |
От 65 до 75 включ. |
3 |
110 |
|
От 65 до 80 включ. |
35,0 |
137 |
От 75 до 90 включ. |
2 |
123 |
|
От 80 до 100 включ. |
50,0 |
171 |
От 90 до 100 включ. |
1 |
152 |
|
От 100 до 125 включ. |
70,0 |
190 |
От 100 до 120 включ. |
0 |
190 |
|
Измерения температуры |
Число циклов |
Температура |
Отклонение температуры d = a - b |
Коэффициент устойчивости Sf = d - D | |
|
винтового вывода а, °С |
контрольного проводника b, °С | ||||
|
1 |
25 |
79 |
78 |
1 |
0,18 |
|
2 |
50 |
80 |
77 |
3 |
2,18 |
|
3 |
75 |
78 |
78 |
0 |
- 0,82 |
|
4 |
100 |
76 |
77 |
- 1 |
- 1,82 |
|
5 |
125 |
77 |
77 |
0 |
- 0,82 |
|
6 |
175 |
78 |
77 |
1 |
0,18 |
|
7 |
225 |
79 |
76 |
3 |
2,18 |
|
8 |
275 |
78 |
76 |
2 |
1,18 |
|
9 |
350 |
77 |
78 |
- 1 |
- 1,82 |
|
10 |
425 |
77 |
79 |
- 2 |
- 2,82 |
|
11 |
500 |
81 |
78 |
3 |
2,18 |
Отклонение средней температуры
.
Размеры в миллиметрах

1 - подвод питания; 2 - эквалайзеры; 3 - контрольный проводник; 4 - шина эквалайзера; 5 - сварка; 6 - испытуемый образец; 7 - термоизолирующая перегородка (4 шт.); 8 - шина; 9 - испытательный проводник; ТС - термопара
Рисунок L.1 - Испытательная установка

Примечание - Токопроводящая часть может быть прикручена болтами, припаяна или приварена.
Рисунок L.2

Рисунок L.3

Рисунок L.4

Рисунок L.5

Рисунок L.6
Приложение ДА
(обязательное)
Таблица ДА.1
|
Обозначение ссылочного международного стандарта |
Степень соответствия |
Обозначение и наименование соответствующего межгосударственного стандарта |
|
IEC 60050 (все части) |
IDT |
ГОСТ IEC 60050-113-2015 "Международный электротехнический словарь. Часть 113. Физика в электротехнике" |
|
IDT |
ГОСТ IEC 60050-151-2014 "Международный электротехнический словарь. Часть 151. Электрические и магнитные устройства" | |
|
MOD |
ГОСТ 30372-2017 (IEC 60050-161:1990) "Совместимость технических средств электромагнитная. Термины и определения" | |
|
IDT |
ГОСТ IEC 60050-300-2015 "Международный электротехнический словарь. Электрические и электронные измерения и измерительные приборы. Часть 311. Общие термины, относящиеся к измерениям. Часть 312. Общие термины, относящиеся к электрическим измерениям. Часть 313. Типы электрических приборов. Часть 314. Специальные термины, соответствующие типу прибора" | |
|
IDT |
ГОСТ IEC 60050-321-2014 "Международный электротехнический словарь. Часть 321. Измерительные трансформаторы" | |
|
IDT |
ГОСТ IEC 60050-411-2015 "Международный электротехнический словарь. Часть 411. Машины вращающиеся" | |
|
IDT |
ГОСТ IEC 60050-436-2014 "Международный электротехнический словарь. Глава 436. Силовые конденсаторы" | |
|
IDT |
ГОСТ IEC 60050-441-2015 "Международный электротехнический словарь. Часть 441. Аппаратура коммутационная, аппаратура управления и плавкие предохранители" | |
|
IDT |
ГОСТ IEC 60050-442-2015 "Международный электротехнический словарь. Часть 442. Электрические аксессуары" | |
|
IDT |
ГОСТ IEC 60050-444-2014 "Международный электротехнический словарь. Часть 444. Элементарные реле" | |
|
IDT |
ГОСТ IEC 60050-445-2014 "Международный электротехнический словарь. Часть 445. Реле времени" | |
|
IDT |
ГОСТ IEC 60050-447-2014 "Международный электротехнический словарь. Часть 447. Измерительные реле" | |
|
IDT |
ГОСТ IEC 60050-581-2015 "Международный электротехнический словарь. Часть 581. Электромеханические компоненты для электронного оборудования" | |
|
IDT |
ГОСТ IEC 60050-651-2014 "Международный электротехнический словарь. Часть 651. Работа под напряжением" | |
|
IDT |
ГОСТ IEC 60050-841-2016 "Международный электротехнический словарь. Часть 841. Промышленный электронагрев" | |
|
IDT |
ГОСТ IEC 60050-901-2016 "Международный электротехнический словарь. Глава 901. Стандартизация" | |
|
IDT |
ГОСТ IEC 60050-902-2016 "Международный электротехнический словарь. Глава 902. Оценка соответствия" | |
|
IEC 60227 (все части) |
IDT |
ГОСТ IEC 60227-1-2011 "Кабели с поливинилхлоридной изоляцией на номинальное напряжение до 450/750 В включительно. Часть 1. Общие требования" |
|
IDT |
ГОСТ IEC 60227-2-2012 "Кабели с поливинилхлоридной изоляцией на номинальное напряжение до 450/750 В включительно. Часть 2. Методы испытаний" | |
|
IDT |
ГОСТ IEC 60227-3-2011 "Кабели с поливинилхлоридной изоляцией на номинальное напряжение до 450/750 В включительно. Кабели без оболочки для стационарной прокладки" | |
|
IDT |
ГОСТ IEC 60227-4-2011 "Кабели с поливинилхлоридной изоляцией на номинальное напряжение до 450/750 В включительно. Кабели в оболочке для стационарной прокладки" | |
|
IDT |
ГОСТ IEC 60227-5-2011 "Кабели с поливинилхлоридной изоляцией на номинальное напряжение до 450/750 В включительно. Часть 5. Гибкие кабели (шнуры)" | |
|
IDT |
ГОСТ IEC 60227-6-2011 "Кабели с поливинилхлоридной изоляцией на номинальное напряжение до 450/750 В включительно. Лифтовые кабели и кабели для гибких соединений" | |
|
IDT |
ГОСТ IEC 60227-7-2012 "Кабели с поливинилхлоридной изоляцией на номинальное напряжение до 450/750 В включительно. Часть 7. Кабели гибкие экранированные и неэкранированные с двумя или более токопроводящими жилами" | |
|
IEC 60269 (все части) |
IDT |
ГОСТ IEC 60269-1-2016 "Предохранители плавкие низковольтные. Часть 1. Общие требования" |
|
MOD |
ГОСТ 31196.2.1-2012 (IEC 60269-2-1:1987) "Предохранители плавкие низковольтные. Часть 2-1. Дополнительные требования к плавким предохранителям промышленного назначения. Разделы I-III" | |
|
MOD |
ГОСТ 31196.3-2012 (IEC 60269-3:1987, IEC 60269-3А:1978) "Предохранители плавкие низковольтные. Часть 3. Дополнительные требования к плавким предохранителям бытового и аналогичного назначения" | |
|
IDT |
ГОСТ IEC 60269-3-1-2011 "Предохранители плавкие низковольтные. Часть 3-1. Дополнительные требования к плавким предохранителям для эксплуатации неквалифицированным персоналом (плавкие предохранители бытового и аналогичного назначения). Разделы I-IV" | |
|
IDT |
ГОСТ IEC 60269-4-2016 "Предохранители плавкие низковольтные. Часть 4. Дополнительные требования к плавким вставкам для защиты полупроводниковых устройств" | |
|
IDT |
ГОСТ IEC 60269-4-1-2011 "Предохранители плавкие низковольтные. Часть 4-1. Дополнительные требования к плавким вставкам для защиты полупроводниковых устройств. Разделы I-III. Примеры типов стандартизованных плавких вставок" | |
|
IDT |
ГОСТ IEC 60269-6-2013 "Предохранители плавкие низковольтные. Часть 6. Дополнительные требования к плавким вставкам для защиты солнечных фотогальванических энергетических систем" | |
|
IEC 60364-4-41:2005 |
MOD |
ГОСТ 30331.3-95 (МЭК 364-4-41-92)/ГОСТ Р 50571.3-94 (МЭК 364-4-41-92) "Электроустановки зданий. Часть 4. Требования по обеспечению безопасности. Защита от поражения электрическим током" 1) |
──────────────────────────────
1) В Российской Федерации действует ГОСТ Р 50571.3-2009 (МЭК 60364-4-41:2005) "Электроустановки низковольтные. Часть 4-41. Требования для обеспечения безопасности. Защита от поражения электрическим током".
──────────────────────────────
|
Обозначение ссылочного международного стандарта |
Степень соответствия |
Обозначение и наименование соответствующего межгосударственного стандарта |
|
IEC 60417:2002 |
MOD |
ГОСТ 28312-89 (МЭК 417-73) "Аппаратура радиоэлектронная профессиональная. Условные графические обозначения" |
|
IEC 60529:2013 |
MOD |
ГОСТ 14254-2015 (IEC 60529:2013) "Степени защиты, обеспечиваемые оболочками (Код IP)" |
|
IEC 60664-1:2007 |
- |
*, 1) |
|
IEC 60664-3:2016 |
IDT |
ГОСТ IEC 60664-3-2015 "Координация изоляции для оборудования низковольтных систем. Часть 3. Использование покрытий, герметизации и формовки для защиты от загрязнения" |
|
IEC 60695-2-10:2013 |
IDT |
ГОСТ IEC 60695-10-2-2013 "Испытания на пожароопасность. Часть 10-2. Чрезмерный нагрев. Испытание давлением шарика" |
|
IEC 60695-2-11:2000 |
IDT |
ГОСТ IEC 60695-2-11-2013 "Испытания на пожароопасность. Часть 2-11. Основные методы испытаний раскаленной проволокой. Испытание раскаленной проволокой на воспламеняемость конечной продукции" |
|
IEC 60947-1:2007 |
IDT |
ГОСТ IEC 60947-1-2017 "Аппаратура распределения и управления низковольтная. Часть 1. Общие правила" |
|
IEC 60947-2:2006 |
IDT |
ГОСТ IEC 60947-2-2014 "Аппаратура распределения и управления низковольтная. Часть 2. Автоматические выключатели" 2) |
|
IEC 61545:1996 |
MOD |
ГОСТ 31604-2012 (IEC 61545:1996) "Соединительные устройства. Устройства для присоединения алюминиевых проводников к зажимам из любого материала и медных проводников к зажимам из алюминиевых сплавов. Общие требования и методы испытаний" |
|
* Соответствующий межгосударственный стандарт отсутствует. До его принятия рекомендуется использовать перевод на русский язык данного международного стандарта. Примечание - В настоящей таблице использованы следующие условные обозначения степени соответствия стандартов: - IDT - идентичные стандарты; - MOD - модифицированные стандарты. | ||
──────────────────────────────
1) В Российской Федерации действует ГОСТ Р МЭК 60664.1-2012 "Координация изоляции для оборудования в низковольтных системах. Часть 1. Принципы, требования и испытания".
2) В Российской Федерации действует ГОСТ Р 50030.2-2010 (МЭК 60947-2:2006) "Аппаратура распределения и управления низковольтная. Часть 2. Автоматические выключатели".
──────────────────────────────
Библиография
|
IEC 60038 |
IEC standard voltages (Напряжения стандартные) |
|
IEC 60228A:1982 |
First supplement to Publication 228, Conductors of insulated cables - Guide to the dimensional limits of circular conductors (Проводники изолированных кабелей) |
|
IEC 60060-1:1989 |
High-voltage test techniques - Part 1: General definitions and test requirements (Технология испытаний высоким напряжением. Часть 1. Общие определения и требования к испытаниям) |
|
IEC 60112 |
Method for determining the comparative and the proof tracking indices of solid insulating materials under moist conditions (Материалы электроизоляционные твердые. Методы определения нормативного и сравнительного индексов трекингостойкости) |
|
IEC 60364-1 |
Low-voltage electrical installations - Part 1: Fundamental principles, assessment of general characteristics, definitions (Электрические установки зданий. Часть 1. Основные принципы, оценка общих характеристик, определения) |
|
IEC 60898-2:1996 |
Circuit-breakers for overcurrent protection for household and similar installations - Part 2: Circuit-breakers for a.c. and d.c. operation |
|
IEC 61009-1:1996 |
Residual current operated circuit-breakers with integral overcurrent protection for household and similar uses (RCBO's) - Part 1: General rules (Выключатели автоматические, срабатывающие от остаточного тока, со встроенной защитой от тока перегрузки; бытовые и аналогичного назначения. Часть 1. Общие правила) |
|
IEC 61009-2-1:1991 |
Residual current operated circuit-breakers with integral overcurrent protection for household and similar use (RCBO's) - Part 2-1: Applicability of the general rules to RCBO's functionally independent of line voltage [Выключатели автоматические, работающие на остаточном токе, с встроенной защитой от сверхтоков (RCBO) бытовые и аналогичного назначения. Часть 1. Общие правила] |
|
IEC 61009-2-2:1991 |
Residual current operated circuit-breakers with integral overcurrent pro-tection for household and similar uses (RCBO's) - Part 2-2: Applicability of the general rules to RCBO's functionally dependent on line voltage [Выключатели автоматические, работающие на остаточном токе, со встроенной защитой от сверхтоков бытовые и аналогичного назначения (RCBO's). Часть 2-2: Применимость общих правил для RCBO's, функционально зависимых от линейного напряжения] |
|
ISO 2039-2:1987 |
Plastics - Determination of hardness - Part 2: Rockwell hardness (Пластмассы. Определение твердости. Часть 1. Метод вдавливания шарика) |
|
ISO/IEC Guide 2:1991 |
General terms and their definitions concerning standardization and related activities |

















