ГОСТ Р МЭК 60974-4-2020 ОБОРУДОВАНИЕ ДЛЯ ДУГОВОЙ СВАРКИ. Часть 4. ПЕРИОДИЧЕСКАЯ ПРОВЕРКА И ИСПЫТАНИЕ
Arc welding equipment. Part 4. Periodic inspection and testing
ОКС 25.160.30
Дата введения - 1 декабря 2020 г.
Взамен ГОСТ Р МЭК 60974-4-2014
Предисловие
1 Подготовлен Саморегулируемой организацией Ассоциация "Национальное Агентство Контроля Сварки" (СРО Ассоциация "НАКС") на основе собственного перевода на русский язык англоязычной версии стандарта, указанного в пункте 4
2 Внесен Техническим комитетом по стандартизации ТК 364 "Сварка и родственные процессы"
3 Утвержден и введен в действие Приказом Федерального агентства по техническому регулированию и метрологии от 18 июня 2020 г. N 279-ст
4 Настоящий стандарт идентичен международному стандарту МЭК 60974-4:2016 "Оборудование для дуговой сварки. Часть 4. Периодическая проверка и испытание" (IEC 60974-4:2016 "Arc welding equipment - Part 4: Periodic inspection and testing", IDT).
Международный стандарт разработан техническим комитетом по стандартизации ТС 26 "Электрическая сварка" Международной электротехнической комиссии (МЭК).
При применении настоящего стандарта рекомендуется использовать вместо ссылочных международных стандартов соответствующие им национальные стандарты, сведения о которых приведены в дополнительном приложении ДА
5 Взамен ГОСТ Р МЭК 60974-4-2014
Введение
Международная электротехническая комиссия (МЭК) является всемирной организацией по стандартизации, включающей в себя национальные комитеты (национальные комитеты МЭК). Целью МЭК является развитие международного сотрудничества по вопросам стандартизации в области электрической и электронной аппаратуры.
Серия стандартов МЭК 60974 состоит из 12 частей под общим наименованием "Оборудование для дуговой сварки":
- часть 1. Источники сварочного тока;
- часть 2. Системы жидкостного охлаждения;
- часть 3. Устройства зажигания и стабилизации дуги;
- часть 4. Периодическая проверка и испытание;
- часть 5. Механизм подачи проволоки;
- часть 6. Оборудование для работы в ограниченном режиме;
- часть 7. Горелки;
- часть 8. Пульты подачи газа для сварочных систем и систем плазменной резки;
- часть 9. Монтаж и эксплуатация;
- часть 10. Требования и методы испытаний;
- часть 11. Электрододержатели;
- часть 12. Соединительные устройства для сварочных кабелей.
Настоящий стандарт устанавливает процедуры испытаний оборудования при периодических проверках и после ремонта для обеспечения электрической безопасности. Эти процедуры испытаний применимы и для технического обслуживания.
Настоящий стандарт применяется к источникам питания для дуговой сварки и родственных процессов, соответствующим МЭК 60974-1 или МЭК 60974-6. Испытания автономного вспомогательного оборудования, соответствующего другим частям МЭК 60974, также могут проводиться согласно настоящему стандарту.
Примечание 1 - Источник сварочного тока может быть подвергнут испытаниям совместно с любым вспомогательным оборудованием, которое может повлиять на результаты испытаний.
Настоящий стандарт не применяют к испытаниям новых источников питания или источников с приводом от двигателя.
Примечание 2 - Для источников питания не соответствующих МЭК 60974-1, см. приложение С.
В настоящем стандарте использованы нормативные ссылки на следующие стандарты. Для датированных ссылок применяют только указанное издание ссылочного документа, для недатированных - последнее издание (включая все изменения).
IEC 60050-151, International Electrotechnical Vocabulary - Part 151: Electrical and magnetic devices (Международный электротехнический словарь. Часть 151. Электрические и магнитные устройства)
IEC 60050-195, International Electrotechnical Vocabulary - Part 195: Earthing and protection against electric shock (Международный электротехнический словарь. Часть 195. Заземление и защита от электрического удара)
IEC 60050-851, International Electrotechnical Vocabulary - Part 851: Electric welding (Международный электротехнический словарь. Часть 851. Электрическая сварка)
IEC 60974-1:2012 *, Arc welding equipment - Part 1: Welding power sources (Оборудование для дуговой сварки. Часть 1. Источники сварочного тока)
──────────────────────────────
* Заменен на IEC 60974-1:2017. Однако для однозначного соблюдения требования настоящего стандарта, выраженного в датированной ссылке, рекомендуется использовать только указанное в этой ссылке издание.
──────────────────────────────
IEC 60974-6, Arc welding equipment - Part 6: Limited duty equipment (Оборудование для дуговой сварки. Часть 6. Оборудование для работы в ограниченном режиме)
IEC 61557-4, Electrical safety in low voltage distribution systems up to 1 000 V a.c. and 1 500 V d.c. - Equipment for testing, measuring or monitoring of protective measures - Part 4: Resistance of earth connection and equipotential bonding (Сети электрические распределительные низковольтные напряжением до 1000 В переменного тока и 1500 В постоянного тока. Электробезопасность. Аппаратура для испытаний, измерений или контроля средств защиты. Часть 4. Сопротивление заземления и эквипотенциального соединения)
IEC 61140, Protection against electric shock - Common aspects for installation and equipment (Защита от поражения электрическим током. Общие положения безопасности установок и оборудования)
В настоящем стандарте применены термины по МЭК 60050-151, МЭК 60050-195, МЭК 60050-851, МЭК 60974-1, а также следующие термины с соответствующими определениями:
3.1 эксперт, компетентное лицо, подготовленный сотрудник (expert, competent person, skilled person): Работник, способный оценивать порученную работу и распознавать потенциальные опасности за счет профессиональной подготовки, знаний и опыта, а также знания соответствующего оборудования.
Примечание 1 - При оценке работника допускается принимать во внимание наличие стажа в соответствующей технической области.
[IEC 60974-1:2012, 3.3]
3.2 проинструктированный работник (instructed person): Работник, проинформированный о поставленных задачах и потенциальных опасностях в случае не соблюдения правил охраны труда.
Примечание 1 - При необходимости, работник, прошедший определенную подготовку.
[IEC 60974-1:2012, 3.4]
3.3 периодическая проверка и испытание (periodic inspection and test): Проверка, выполняемая с заданной периодичностью для снижения риска возникновения опасностей.
3.4 техническое обслуживание (maintenance): Обслуживание, выполняемое с заданной периодичностью для снижения риска возникновения опасности и отказа.
3.5 ремонт (repair): Восстановление безопасного и определенного рабочего состояния.
3.6 специалист по испытаниям (test personnel): Проинструктированный работник или эксперт, прошедший обучение и уполномоченный проводить периодические проверки и испытания.
Испытания сварочного оборудования могут представлять опасность и должны быть выполнены проинструктированным работником или экспертом по ремонту электрооборудования, предпочтительно знающим сварку, резку и родственные им процессы. Проинструктированные работники могут выполнять простые периодические испытания и техническое обслуживание, если не требуется открывать корпус оборудования.
Примечание - Опасные напряжения и токи, присутствующие внутри корпуса, могут привести к поражению электрическим током, ожогам или смерти. Открывать оборудование могут только эксперты по испытаниям.
Испытания сухого и чистого сварочного оборудования следует проводить при температуре окружающего воздуха от 10 °С до 40 °С.
Точность измерительных приборов должна быть не ниже класса 2,5, за исключением измерений сопротивления изоляции, где точность измерительных приборов не указана, но должна быть учтена при измерении.
Периодическую проверку и испытания проводят в соответствии с таблицей 1. Результаты регистрируют в отчете об испытаниях согласно 7.1.
Во время проведения испытаний соблюдают инструкции производителя.
График технического обслуживания и инструкции производителя должны быть соблюдены.
Результаты регистрируют в отчете об испытаниях согласно 7.1.
После ремонта или замены узла, который восстанавливает функцию сварки или резки, эксперт назначает испытания согласно таблице 1.
Примечание - После мелкого ремонта, такого как замена лампы, колеса или тележки, испытания, указанные в таблице 1, могут не потребоваться.
Результаты регистрируют в отчете об испытаниях согласно 7.1.
В ходе проведения испытаний необходимо соблюдать дополнительные инструкции производителя (например, принципиальные схемы, наличие запасных частей, функциональные испытания источника питания и вспомогательного оборудования и т.д.).
Порядок проведения испытаний представлен в таблице 1.
|
Периодическая проверка и испытание |
После ремонта |
|
а) Внешний осмотр согласно 5.1 |
а) Внешний осмотр согласно 5.1 |
|
b) Электроиспытание: - сопротивление провода заземления согласно 5.2; - сопротивление изоляции согласно 5.3 (дополнительно: ток утечки сварочной цепи в соответствии с 5.4, ток утечки в нормальном состоянии b в соответствии с 5.5 и ток защитного проводника в соответствии с 5.6) а; - напряжение холостого хода согласно 5.7 |
b) Электроиспытание: - сопротивление провода заземления согласно 5.2; - сопротивление изоляции согласно 5.3 (дополнительно: ток утечки сварочной цепи в соответствии с 5.4, ток утечки в нормальном состоянии b в соответствии с 5.5 и ток защитного проводника в соответствии с 5.6) а; - напряжение холостого хода согласно 5.7 |
|
с) Функциональное испытание: - не требуется |
с) Функциональное испытание: - функции согласно 6.1; - выключатель цепи питания согласно 6.2; - устройство понижения напряжения согласно 6.3; - магнитный газовый клапан согласно 6.4; - сигнальные и контрольные лампы согласно 6.5 |
|
d) Документация согласно разделу 7 |
d) Документация согласно разделу 7 |
|
а Если испытание сопротивления изоляции не может быть выполнено без отключения любого элемента испытываемого оборудования (например, сети подавления помех, защитных конденсаторов или узла защиты от перенапряжения), испытание сопротивления изоляции может быть заменено испытаниями, указанными в пункте b). b Только при наличии доступных проводящих поверхностей, не подключенных к защитной цепи. | |
Внешний осмотр выполняют в соответствии с условиями эксплуатации сварочного оборудования и инструкциями производителя.
Перечень элементов для внешнего осмотра представлен в приложении А.
Для питаемого от сети сварочного оборудования класса защиты I, включая вспомогательное оборудование (например, систему охлаждения), имеющее соединительные кабели длиной до 5,0 м, максимальное измеренное сопротивление провода заземления не должно превышать 0,3 Ом.
Для кабелей длиной более 5,0 м допустимая величина сопротивления провода заземления увеличивается на 0,1 Ом на каждые дополнительные 7,5 м кабеля. Максимальная допустимая величина сопротивления провода заземления составляет 1 Ом.
Соответствие требованиям проверяют путем измерения сопротивления между контактом провода заземления и открытыми электропроводящими деталями с применением испытательного оборудования в соответствии с МЭК 61557-4.
Во время измерения кабели могут переламываться, сгибаться или скручиваться по всей длине, особенно в районе входов кабелей в корпус, с тем, чтобы обнаружить обрыв провода заземления.
Сопротивление изоляции должно быть не менее значений, представленных в таблице 2.
|
Измерение a |
Сопротивление |
Изоляция |
|
Между контуром питания и сварочным контуром |
5,0 МОм |
Двойная или усиленная |
|
Между сварочным контуром и контуром защиты |
2,5 МОм |
Основная |
|
Между контуром питания и контуром защиты |
2,5 МОм |
Основная |
|
Между контуром питания класса II и доступными поверхностями b |
5,0 МОм |
Двойная или усиленная |
|
а Контуры управления испытывают вместе с контуром к которому они гальванически подсоединены. Доступные цепи управления, отделенные от всех других цепей, проверяют в соответствии с техническими требованиями производителя. b Для измерений на доступных непроводящих поверхностях предусматривают покрытие этих поверхностей металлической фольгой. | ||
Соответствие требованиям проверяется путем стабилизированного измерения сопротивления изоляции путем подачи напряжения 500 В постоянного тока при комнатной температуре.
Во время измерения горелки отсоединяют, полупроводниковые электронные части и их устройства защиты могут быть замкнуты накоротко, а жидкостные охлаждающие устройства испытывают без жидкости.
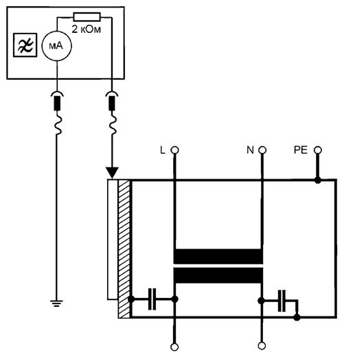
Ток утечки между сварочными выводами и зажимом защитного провода заземления не должен превышать 10 мА среднеквадратического значения переменного тока.
Соответствие проверяют внешним осмотром и измерением тока утечки в контуре, как показано на рисунке 1, при номинальном напряжении питания и в режиме холостого хода.
Измерительная сеть должна быть подключена, как показано на рисунке 1.

Примечание - Для оборудования класса II используется РЕ-терминал заземленной сети питания.
Рисунок 1 - Измерение тока утечки сварочного контура
Величина первичного тока утечки для доступных токопроводящих поверхностей, не подключенных к защитной цепи, не должна превышать 0,5 мА среднеквадратического значения при нормальных условиях.

Рисунок 2 - Измерение тока утечки при нормальных условиях
Соответствие проверяют, как показано на рисунке 2:
a) источник сварочного тока:
- изолирован от плоскости земли;
- питается от максимального номинального напряжения;
b) сварочный контур находится в состоянии холостого хода;
c) помехоподавляющие конденсаторы не отсоединены.
Для оборудования класса 1 ток защитного проводника не должен превышать 10 мА среднеквадратического значения, за исключением оборудования с постоянным соединением усиленным защитным проводником в соответствии с МЭК 61140.
Оборудование для постоянного соединения с усиленным защитным проводником может иметь ток утечки до 5 % от номинального тока питания на фазу.
Соответствие должно быть проверено с использованием измерительной цепи, как показано на рисунке 3, при следующих условиях:
1) источник сварочного тока изолирован от земли:
- питается от максимального номинального напряжения питания;
- не подключен к защитному заземлению, кроме как через измерительные элементы;
2) сварочный контур находится в состоянии холостого хода;
3) конденсаторы для подавления помех не отключены.
Измерение тока защитного проводника может быть выполнено непосредственно или в виде измерения разностного тока (см. рисунок 3). Допуск значений элементов в измерительной цепи не должен превышать ± 5 %.
Оборудование для постоянного соединения с усиленным защитным проводником следует испытывать в соответствии с техническими требованиями производителя.
|
|
|
|
Принцип непосредственного измерения |
Принцип измерения на основе разности токов |
Рисунок 3 - Принципы измерения тока защитного проводника для однофазного оборудования
Примечание - Данное испытание должно проводиться квалифицированным работником.
Пиковые значения максимального напряжения холостого хода при всех возможных вариантах настройки источника питания не должны превышать ± 15 % значения напряжения холостого хода (U0) и значений представленных в таблице 13 МЭК 60974-1, когда на источник подается номинальное напряжение питания и частота.
Перед испытанием устройства зажигания и стабилизации дуги, при необходимости, могут быть удалены или шунтированы согласно инструкциям производителя (см. также руководство по эксплуатации или инструкции производителя для испытаний).
Напряжение холостого хода измеряют между выходными зажимами сварочного аппарата. Если из соображений безопасности или управления это невозможно, напряжение холостого хода измеряют между горелкой и соединением обратного сварочного кабеля. Данное испытание не проводят для источников питания плазменной резки.
Если на паспортной табличке указаны номинальное пониженное напряжение холостого хода (UR) или номинальное коммутируемое напряжение холостого хода (US), то вместо U0 измеряется UR или US.
Соответствие проверяют посредством измерений:
a) Среднеквадратических значений
Для измерения среднеквадратического значения применяют откалиброванный прибор с сопротивлением внешнего сварочного контура 5 кОм;
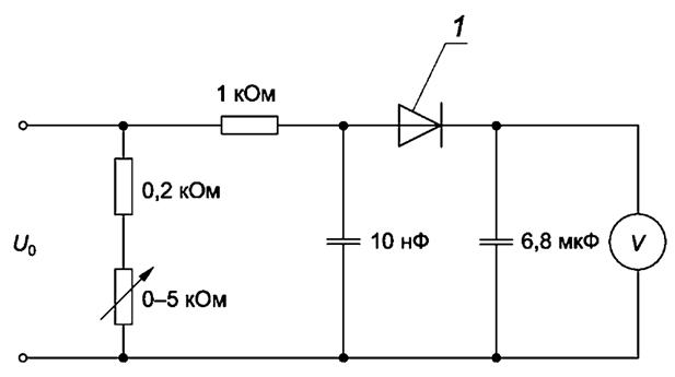
b) Пиковых значений
Для измерения пиковых значений импульсов, не представляющих опасности, используют электрический контур, изображенный на рисунке 4.

1 - диод 1N4007 или его аналог
Рисунок 4 - Измерение пиковых значений
Для измерения средних значений используют вольтметр. Выбранный диапазон измерений должен быть как можно ближе к фактическому значению напряжения холостого хода. Внутреннее сопротивление вольтметра должно составлять не менее 1 МОм.
Допуск значений параметров элементов в измерительном контуре не должен превышать ± 5 %. Минимальная мощность резистора 0,2 кОм составляет 65 Вт. Реостат должен выдерживать ток 0,6 А. Минимальное допустимое напряжение конденсатора составляет 200 В.
Каждая связанная с безопасностью функция, признанная специалистами по испытаниям, должна проходить проверку на правильность работы.
Соответствие проверяется путем запуска устройства и проверки источника сварочного тока на правильность работы.
При наличии встроенного выключателя цепи питания (например, переключателя, контактора или прерывателя цепи) он должен:
a) размыкать или замыкать все незаземленные провода сети;
b) четко указывать, разомкнут или замкнут тот или иной контур.
Соответствие проверяют путем внешнего осмотра и измерений.
Если предусмотрено устройство понижения напряжения, оно должно быть проверено на правильность работы.
Соответствие проверяют путем измерения пониженного напряжения холостого хода (см. 5.7) и внешнего осмотра индикатора в режиме под нагрузкой и в режиме холостого хода.
Каждый магнитный газовый клапан (например, для процессов TIG, MIG/MAG, плазменной резки) проверяют на правильность работы.
Соответствие проверяют внешним осмотром и выполнением следующих операций или испытаний, указанных производителем:
a) Функция
Работая триггером горелки, проверить по газовому потоку, работает ли магнитный газовый клапан;
b) Утечка
Поднять давление в системе и убедиться в отсутствии утечки, например, что нет падения давления.
Примечание - Гибкие газовые шланги и их соединения могут течь.
Сигнальные или контрольные лампы проверяют на правильность работы.
Соответствие требованиям проверяют внешним осмотром.
Отчет об испытании должен содержать:
a) обозначение испытываемого оборудования для дуговой сварки;
b) дату испытаний;
c) напряжение питания;
d) результаты испытаний;
e) подпись, инициалы, фамилию, должность специалиста по испытаниям, наименование организации;
f) обозначение испытательного оборудования.
Отчет об испытаниях после ремонта должен содержать все испытания, указанные в таблице 1, если какое-либо отдельное испытание не проводилось это должно быть отмечено.
Пример отчета об испытаниях представлен в приложении В.
Бирка, прикрепленная к оборудованию, указывает на то, что оно прошло испытания.
На бирке должна быть указана дата испытания или рекомендуемая дата следующей проверки в соответствии с установленными требованиями.
Приложение А
(справочное)
Внешним осмотром необходимо проверить следующие элементы:
a) горелка/электрододержатель, сварочный зажим:
- на отсутствие или нарушение изоляции;
- дефектные соединения;
- неисправные, поврежденные выключатели;
- другое повреждение;
b) питание от сети:
- дефектный, поврежденный кабель;
- деформированный, неисправный штепсель;
- поломанные или оплавленные контакты разъема;
- неисправное крепление кабеля;
- непригодные для использования по назначению и производительности кабели и штепселя;
c) сварочный контур:
- дефектный, поврежденный кабель;
- деформированные, неисправные или оплавленные муфты/розетки;
- неисправное анкерное крепление кабеля;
- непригодные для использования по назначению и производительности кабели и муфты;
d) корпус:
- отсутствующие или поврежденные детали;
- неразрешенные модификации;
- блокированные отверстия охлаждения или отсутствующие воздушные фильтры;
- признаки перегрузки и неправильного использования;
- отсутствующие или поврежденные защитные устройства, например, держатель газового баллона;
- отсутствующие или поврежденные колеса, подъемные приспособления, ручки и т.д.;
- поврежденный держатель катушки с проволокой;
- помещенные на корпус токопроводящие предметы;
e) органы управления и индикаторы:
- неисправные выключатели, измерительные приборы и лампы;
- неисправный регулятор давления или расходомер;
- предохранители, установленные неправильно и доступные снаружи;
f) общее состояние:
- чрезмерная пыль или загрязнение;
- контур охлаждающей жидкости протекает или имеет неверный уровень охлаждающей жидкости;
- дефектные газовые шланги и соединения;
- неразборчивые надписи и маркировка;
- другие повреждения или признаки неправильного использования.
Приложение В
(справочное)
Отчет об испытании
|
Компания: Sample Ltd. |
Адрес: London Torchham WH15 В4 | ||
|
Оборудование: Источник питания для дуговой сварки |
Тип: Freefried |
Серийный N: 123456 | |
|
Изготовитель: Freefried Electric Ltd. |
Класс защиты: I | ||
|
Испытательное оборудование: Мультиметр D6, Metaframe, контуры измерения согласно МЭК 60974-4 | |||
|
Напряжение сети |
Среднеквадратическое напряжение Ur.m.s |
230 | |||||
|
Контрольная точка |
Предел измерения |
Измеренные значения | |||||
|
Внешний осмотр |
- |
Удовлетворительно | |||||
|
Сопротивление провода заземления |
- | ||||||
|
RPE |
≤ 0,3 Ом |
0,02 Ом | |||||
|
Сопротивление изоляции |
- | ||||||
|
- Входной контур/защитный контур (500 В) RS-P |
≥ 2,5 МОм |
≥ 20 МОм | |||||
|
- Сварочный контур, контур управления/ защитный контур (500 В) RW, С-Р |
≥ 2,5 МОм |
≥ 20 МОм | |||||
|
- Входной контур/сварочный контур, контур управления (500 В) RS-W, С |
≥ 5 МОм |
≥ 20 МОм | |||||
|
Первичный ток утечки а IРЕ |
≤ 10 мAr.m.s |
2 мА | |||||
|
- Ток утечки в нормальных условиях a IT |
≤ 0,5 % мAr.m.s |
0,04 мА | |||||
|
- Оборудование с усиленным проводом заземления a IT |
≤ 0,05 % I1maxA |
Н/У | |||||
|
Ток утечки в сварочной цепи a | |||||||
|
IT |
≤ 10 мА |
0,568 мА | |||||
|
Напряжение холостого хода |
- | ||||||
|
С меткой |
U0 |
≤ 68 Upeak |
Н/У | ||||
|
U0 |
≤ 113 Upeak |
Н/У | |||||
|
Без метки |
U0 |
≤ 113 Upeak |
110 В | ||||
|
U0 |
≤ 113 Upeak |
Н/У | |||||
|
Функциональное испытание |
- |
Удовлетворительно | |||||
|
Испытание пройдено |
- |
|
□ |
□ |
□ |
□ | |
|
Специалист по испытаниям |
- |
Инициалы, фамилия | |||||
|
Подпись специалиста по испытаниям |
- | ||||||
|
Дата |
- |
03-03-14 | |||||
──────────────────────────────
а Дополнительные измерения.
──────────────────────────────
Примечания (результат внешнего осмотра или функционального
испытания): Нет _________________________________________________________
Организация, проводившая испытания: Checkmates Limited _____________
Адрес: London Weldshire WG3 А7 _____________________________________
Ремонт: замена неисправного главного выключателя ___________________
Н/У: не учитывается
____________________________________________________________________
Приложение С
(справочное)
Сварочное оборудование, изготовленное не по стандарту МЭК 60574-1 [например, произведенное до даты первого издания (1989 г.)], может не удовлетворять требованиям настоящего стандарта.
В этом случае инспектор должен указать в своем отчете:
требования, которые не были выполнены;
степень невыполненных требований;
оценку последствий;
меры по устранению, если это необходимо.
Отчет должен позволить владельцу принять соответствующее решение относительно дальнейшего использования оборудования.
Приложение ДА
(справочное)
Таблица ДА.1
|
Обозначение ссылочного международного стандарта |
Степень соответствия |
Обозначение и наименование соответствующего национального стандарта |
|
IEC 60050-151 |
IDT |
ГОСТ IEC 60050-151-2014 "Международный электротехнический словарь. Часть 151. Электрические и магнитные устройства" |
|
IEC 60050-195 |
IDT |
ГОСТ Р МЭК 60050-195-2005 "Заземление и защита от поражения электрическим током. Термины и определения" |
|
IEC 60050-851 |
- |
* |
|
IEC 60974-1:2012 |
IDT |
ГОСТ Р МЭК 60974-1-2012 "Оборудование для дуговой сварки. Часть 1. Источники сварочного тока" |
|
IEC 60974-6 |
IDT |
ГОСТ IEC 60974-6-2017 "Оборудование для дуговой сварки. Часть 6. Оборудование для работы в ограниченном режиме" |
|
IEC 61557-4 |
IDT |
ГОСТ IEC 61557-4-2013 "Сети электрические распределительные низковольтные напряжением до 1000 В переменного тока и 1500 В постоянного тока. Электробезопасность. Аппаратура для испытаний, измерений или контроля средств защиты. Часть 4. Сопротивление заземления и эквипотенциального соединения" |
|
IEC 61140 |
IDT |
ГОСТ IEC 61140-2012 "Защита от поражения электрическим током. Общие положения безопасности установок и оборудования" |
|
* Соответствующий национальный стандарт отсутствует. До его принятия рекомендуется использовать перевод на русский язык данного международного стандарта. Официальный перевод данного международного стандарта находится в Федеральном информационном фонде стандартов. Примечание - В настоящей таблице использовано следующее условное обозначение степени соответствия стандартов: - IEC - идентичные стандарты. | ||




