ГОСТ 34614.1-2019 (EN 1176-1:2017) ОБОРУДОВАНИЕ И ПОКРЫТИЯ ИГРОВЫХ ПЛОЩАДОК. Часть 1. ОБЩИЕ ТРЕБОВАНИЯ БЕЗОПАСНОСТИ И МЕТОДЫ ИСПЫТАНИЙ
Playground equipment and surfacing. Part 1. General safety requirements and test methods
МКС 97.200.40
Дата введения - 1 августа 2020 г.
Введен впервые
Предисловие
Цели, основные принципы и общие правила проведения работ по межгосударственной стандартизации установлены ГОСТ 1.0 "Межгосударственная система стандартизации. Основные положения" и ГОСТ 1.2 "Межгосударственная система стандартизации. Стандарты межгосударственные, правила и рекомендации по межгосударственной стандартизации. Правила разработки, принятия, обновления и отмены"
Сведения о стандарте
1 Подготовлен рабочей группой, состоящей из представителей научно-производственного республиканского унитарного предприятия "Белорусский государственный институт стандартизации и сертификации" (БелГИСС) и Федерального государственного унитарного предприятия "Российский научно-технический центр информации по стандартизации, метрологии и оценке соответствия" (ФГУП "Стандартинформ") на основе собственного перевода на русский язык немецкоязычной версии стандарта, указанного в пункте 5
2 Внесен Государственным комитетом по стандартизации Республики Беларусь и Федеральным агентством по техническому регулированию и метрологии
3 Принят Межгосударственным советом по стандартизации, метрологии и сертификации (протокол от 13 ноября 2019 г. N 56)
За принятие проголосовали:
|
Краткое наименование страны по МК (ИСО 3166) 004-97 |
Код страны по МК (ИСО 3166) 004-97 |
Сокращенное наименование национального органа по стандартизации |
|
Беларусь |
BY |
Госстандарт Республики Беларусь |
|
Киргизия |
KG |
Кыргызстандарт |
|
Россия |
RU |
Росстандарт |
|
Таджикистан |
TJ |
Таджикстандарт |
|
Узбекистан |
UZ |
Узстандарт |
4 Приказом Федерального агентства по техническому регулированию и метрологии от 29 ноября 2019 г. N 1302-ст межгосударственный стандарт ГОСТ 34614.1-2019 (EN 1176-1:2017) введен в действие в качестве национального стандарта Российской Федерации с 1 августа 2020 г.
5 Настоящий стандарт является модифицированным по отношению к европейскому стандарту EN 1176-1:2017 "Оборудование и покрытия игровых площадок. Часть 1. Общие требования безопасности и методы испытаний" ("Spielplatzgeräte und Spielplatzböden - Teil 1. Allgemeine Sicherheitstechnische Anforderungen und Prüfverfahrcn", MOD) путем изменения отдельных фраз (слов, значений показателей, ссылок), которые выделены в тексте курсивом
6 Введен впервые
Введение
Целью настоящего стандарта является предотвращение несчастных случаев, заканчивающихся инвалидностью или фатальными исходами, а также уменьшение серьезных последствий, вызванных разовыми несчастными случаями, которые неизбежно будут иметь место в стремлении детей расширить свой уровень умений: социально, интеллектуально или физически.
Ограничение доступа в качестве меры предосторожности является проблематичным из-за, например, отсутствия надзора за детьми или помощи со стороны сверстников. С учетом этого были разработаны особые требования, учитывающие такие опасности, как, например, защемление головы и шеи, а также непреднамеренные падения. Также признана необходимость обеспечить доступность игровых зон для пользователей с ограниченными возможностями. Это требует создания игровых площадок, обеспечивающих баланс между безопасностью и вариантами требуемого уровня сложности для всех групп пользователей. Следует учесть, что в целях защиты от защемления головы и шеи настоящий стандарт не учитывает детей с увеличенным размером головы (например, больные гидроцефалией, синдромом Дауна) или в шлемах.
В дополнение к краткосрочным рискам, связанным с игровой площадкой, существует риск чрезмерного нахождения играющего ребенка под воздействием ультрафиолетового излучения солнца. Слишком большое количество ультрафиолетового излучения и солнечных ожогов в детстве увеличивает риск развития рака кожи в будущем. Поэтому игровые площадки должны быть организованы таким образом, чтобы обеспечивалась возможность пребывания в тени, т.е. часть оборудования для игровых площадок и зон отдыха полностью или частично должна находиться в тени.
Комплекс стандартов "Оборудование и покрытия игровых площадок" состоит из следующих частей:
- часть 1 - Общие требования безопасности и методы испытаний;
- часть 2 - Дополнительные специальные требования безопасности и методы испытаний качелей;
- часть 3 - Дополнительные специальные требования безопасности и методы испытаний горок;
- часть 4 - Дополнительные специальные требования безопасности и методы испытаний канатных дорог;
- часть 5 - Дополнительные специальные требования безопасности и методы испытаний каруселей;
- часть 6 - Дополнительные специальные требования безопасности и методы испытаний качалок;
- часть 7 - Инструкции по установке, осмотру, техническому обслуживанию и эксплуатации;
- часть 10 - Дополнительные специальные требования безопасности и методы испытаний для полностью закрытого игрового оборудования;
- часть 11 - Дополнительные специальные требования безопасности и методы испытаний пространственных игровых сетей.
Настоящий стандарт устанавливает общие требования безопасности к стационарному оборудованию игровых площадок. Дополнительные специальные требования безопасности, предъявляемые к отдельным видам оборудования игровых площадок, установлены в других частях настоящего стандарта.
Настоящий стандарт распространяется на оборудование игровых площадок, которое предусмотрено для всех детей. Он составлен с учетом необходимости выполнять надзор за детьми младшего возраста и детьми менее способными и компетентными.
Целью настоящего стандарта является обеспечение надлежащего уровня безопасности при игре на оборудовании игровых площадок или вокруг него и в то же время поощрение деятельности и активности, которые приносят детям пользу, поскольку они получают ценный опыт, который позволит им справляться с ситуациями вне игровой площадки. Настоящий стандарт также распространяется на оборудование и компоненты, установленные в качестве оборудования для игровых площадок, хотя они не разработаны для этих целей, за исключением оборудования, которое в соответствии с ГОСТ EN 71-1 и [1] касается безопасности игрушек и относится к игрушкам. Настоящий стандарт распространяется на оборудование игровых площадок (далее - оборудование), предназначенное для индивидуального и коллективного пользования детьми. Стандарт не распространяется на детские игровые площадки с аттракционами и веревочные парки.
Примечание - Детские игровые площадки с аттракционами огорожены, безопасны, работают и укомплектованы в соответствии с общепринятыми принципами, которые способствуют развитию детей.
Настоящий стандарт устанавливает требования, обеспечивающие защиту детей от непредвиденных опасностей, которые могут возникнуть при использовании оборудования по назначению, или ожидаемых опасностей.
Использование электричества в оборудовании как действие игры или в качестве движущей силы в настоящем стандарте не рассматривается. При использовании электроэнергии пользователи должны выполнять требования стандартов и правил, действующих на территории страны, эксплуатирующей оборудование.
Оборудование, размещенное в воде, где вода может использоваться как противоударная поверхность, в настоящем стандарте не рассматривается. Такая окружающая среда обуславливает дополнительные риски.
Риск воздействия чрезмерного уровня УФ-излучения в настоящем стандарте не рассматривается.
В настоящем стандарте использованы нормативные ссылки на следующие межгосударственные стандарты:
ГОСТ EN 71-1 Игрушки. Требования безопасности. Часть 1. Механические и физические свойства
ГОСТ EN 818-2-2017 Цепи стальные из круглых коротких звеньев для подъема грузов. Безопасность. Часть 2. Цепи стальные нормальной точности для стропальных цепей класса 8
ГОСТ EN 818-3-2017 Цепи стальные из круглых коротких звеньев для подъема грузов. Безопасность. Часть 3. Цепи стальные нормальной точности для стропальных цепей класса 4
ГОСТ ISO 9554 Канаты из волокон. Общие технические условия
ГОСТ 34614.2 (EN 1176-2:2017) Оборудование и покрытия игровых площадок. Часть 2. Дополнительные требования безопасности и методы испытаний горок
ГОСТ 34614.3 (EN 1176-3:2017) Оборудование и покрытия игровых площадок. Часть 3. Дополнительные требования безопасности и методы испытаний горок
ГОСТ 34614.4 (EN 1176-4:2017) Оборудование и покрытия игровых площадок. Часть 4. Дополнительные требования безопасности и методы испытаний канатных дорог
ГОСТ 34614.5 (EN 1176-5:2017) Оборудование и покрытия игровых площадок. Часть 5. Дополнительные требования безопасности и методы испытаний каруселей
ГОСТ 34614.6 (EN 1176-6:2017) Оборудование и покрытия игровых площадок. Часть 6. Дополнительные требования безопасности и методы испытаний качалок
ГОСТ 34614.10 (EN 1176-10:2008) Оборудование и покрытия игровых площадок. Часть 10. Дополнительные требования безопасности и методы испытаний полностью закрытого оборудования
ГОСТ 34614.11 (EN 1176-11:2014) Оборудование и покрытия игровых площадок. Часть 11. Дополнительные требования безопасности и методы испытаний пространственных игровых сеток
ГОСТ 3916.1 Фанера общего назначения с наружными слоями из шпона лиственных пород. Технические условия
ГОСТ 3916.2 Фанера общего назначения с наружными слоями из шпона хвойных пород. Технические условия
ГОСТ 12536 Грунты. Методы лабораторного определения гранулометрического (зернового) и микроагрегатного состава
ГОСТ 34615 Покрытия игровых площадок ударопоглощающие. Определение критической высоты падения
ГОСТ 20022.0 Защита древесины. Параметры защищенности
ГОСТ 20022.2 Защита древесины. Классификация
Примечание - При пользовании настоящим стандартом целесообразно проверить действие ссылочных стандартов и классификаторов на официальном интернет-сайте Межгосударственного совета по стандартизации, метрологии и сертификации (www.easc.by) или по указателям национальных стандартов, издаваемым в государствах, указанных в предисловии, или на официальных сайтах соответствующих национальных органов по стандартизации. Если на документ дана недатированная ссылка, то следует использовать документ, действующий на текущий момент, с учетом всех внесенных в него изменений. Если заменен ссылочный документ, на который дана датированная ссылка, то следует использовать указанную версию этого документа. Если после принятия настоящего стандарта в ссылочный документ, на который дана датированная ссылка, внесено изменение, затрагивающее положение, на которое дана ссылка, то это положение применяется без учета данного изменения. Если ссылочный документ отменен без замены, то положение, в котором дана ссылка на него, применяется в части, не затрагивающей эту ссылку.
В настоящем стандарте применены следующие термины с соответствующими определениями:
3.1 оборудование игровых площадок (playground equipment): Оборудование и конструкции, состоящие из деталей и составных частей, на которых или с которыми могут самостоятельно или группами играть дети на открытом воздухе или в помещении по своему усмотрению и правилам, которые могут изменяться в любое время.
3.2 оборудование для лазания (climbing equipment): Оборудование игровой площадки, которое позволяет пользователю перемещаться по нему или в нем при помощи рук и стоп ног/ног и требует опоры как минимум в трех точках при соприкосновении с оборудованием, одной из которых является рука.
Примечание 1 - Во время движения только при переходе из одного положения в другое можно иметь только одну или две точки соприкосновения.
3.3 зона приземления (impact area): Поверхность, на которую может попасть пользователь после падения с оборудования.
3.4 ударопоглощающее покрытие (impact attenuating surfacing): Покрытие поверхности, предназначенное для снижения риска получения травмы при падении на него.
3.5 игровая поверхность (playing surface): Поверхность детской площадки, с которой начинается использование игрового оборудования и которая, как минимум, имеет зону приземления.
3.6 свободное пространство (free space): Пространство внутри оборудования, вокруг него или на нем, занимаемое пользователем при совершении движения и обусловленное конструкцией этого оборудования.
Примечание 1 - Примерами движений являются скольжение, раскачивание, качание, прыганье на прыжковом устройстве разных пользователей (специальные требования установлены в ГОСТ 34614.2, ГОСТ 34614.6 и ГОСТ 34614.10, ГОСТ 34614.11).
Примечание 2 - См. рисунки 15, 16 и 19.
3.7 высота свободного падения (free height of fall): Наибольшее расстояние по вертикали от выбранной поверхности опоры тела до поверхности соприкосновения с зоной приземления.
Примечание 1 - Выбранная поверхность опоры тела включает в себя те поверхности, к которым обеспечен доступ.
3.8 пространство падения (falling space): Пространство внутри оборудования, на нем или вокруг него, в которое попадает пользователь при падении с приподнятой части оборудования.
Примечание 1 - Пространство падения начинается с высоты свободного падения.
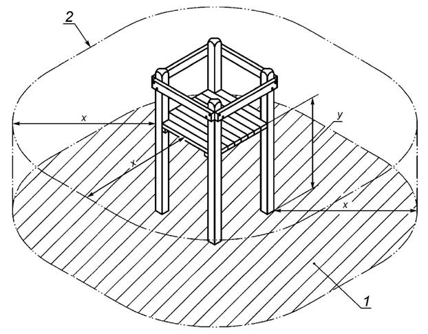
Примечание 2 - См. рисунок 1.

1 - пространство, занимаемое оборудованием; 2 - пространство падения; 3 - свободное пространство
Рисунок 1 - Пространство
3.9 минимальное пространство (minimum space): Пространство, необходимое для безопасного использования оборудования, которое включает пространство падения, свободное пространство и пространство, занимаемое оборудованием.
3.10 общее использование (collective use): Одновременное использование несколькими пользователями.
3.11 место раздавливания (crushing point): Место, в котором элементы оборудования могут двигаться по отношению друг к другу или по отношению к неподвижной поверхности таким образом, что существует опасность раздавливания человека или частей его тела.
3.12 место срезания (shearing point): Место, в котором элементы оборудования могут двигаться относительно неподвижной или другой подвижной части оборудования, либо относительно неподвижной части таким образом, что создается опасность пореза человека или частей его тела.
3.13 приставная лестница (стремянка) (ladder): Средство доступа, состоящее из перекладин или ступеней, по которым пользователь может подниматься или спускаться при помощи рук.
Примечание 1 - См. рисунок 2.

Рисунок 2 - Пример приставной лестницы
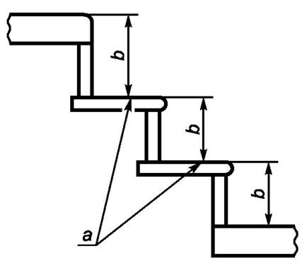
3.14 лестница (stair): Средство доступа, имеющее три и более ступенек, по которым пользователь может подниматься или спускаться.
Примечание 1 - См. рисунки 3, 21.

Рисунок 3 - Пример лестницы
3.15 трап (ramp): Средство доступа в форме наклонной плоскости, по которой пользователь может подниматься или спускаться.
Примечание 1 - См. рисунок 4 и подпункт 4.2.9.3.

Рисунок 4 - Пример трапа
3.16 обхват (grip): Возможность полностью обхватить рукой опору.
Примечание 1 - См. рисунок 5.

Рисунок 5 - Обхват
3.17 захват (grasp): Возможность частично захватить рукой опору.
Примечание 1 - См. рисунок 6.

Рисунок 6 - Захват
3.18 защемление или застревание (entrapment): Опасность, вызванная ситуацией, в которой пользователь, часть его тела или одежды могут быть защемлены или застрять.
Примечание 1 - В настоящем стандарте описаны только некоторые виды защемлений и застреваний, когда пользователь не может освободиться самостоятельно и защемление может вызвать травмы.
3.19 препятствие (obstacle): Предмет или часть предмета, которые находятся внутри пространства, занятого оборудованием, пространства падения или свободного пространства пользователя.
Примечание 1 - Риски, связанные с препятствиями в оборудовании, варьируются в зависимости от его расположения на оборудовании или вокруг него, например:
- в свободном пространстве: предмет, расположенный в направлении движения пользователя, который подвергается принудительному движению;
- в пространстве падения: жесткий и острый предмет, о который может удариться пользователь во время падения с высоты приподнятой части оборудования;
- для других типов движений: неожиданное препятствие, на которое пользователь может натолкнуться во время движения внутри оборудования, на нем или вокруг него.
3.20 группа (cluster): Две или более отдельных частей оборудования, предназначенных для установки в непосредственной близости друг от друга для обеспечения непрерывности в последовательности игровой деятельности.
Примечание 1 - Примером группы оборудования является дорожка из камней, созданных для ходьбы по ним.
3.21 платформа (platform): Возвышенная площадка, на которой могут стоять один или более пользователей без необходимости держаться руками за опору.
Примечание 1 - Классификация платформы зависит от функции оборудования детских игровых площадок. Площадки, на которых пользователь может стоять только с помощью опор для рук, не классифицируются как платформы. Это может быть достигнуто с помощью:
- уменьшения площади поверхности площадки для ограничения свободы перемещения и содействия удержанию;
- использования наклонной поверхности, чтобы содействовать удержанию;
- создания подвижности поверхности, чтобы содействовать удержанию.
3.22 поручень (handrail): Приспособление, при помощи которого пользователь может сохранить равновесие.
3.23 перила (guardrail): Приспособление, препятствующее падению пользователя.
3.24 ограждение (barrier): Устройство, предназначенное для предотвращения падения пользователя и его прохождения под ним или сквозь него.
3.25 легкодоступный (easily accessible): Доступ к оборудованию, требующий только основных навыков, умения и возможности, позволяющих свободно и быстро перемещаться пользователям на оборудовании/внутри него, без дополнительного обдумывания об использовании рук и ног.
Примечание 1 - Основные навыки, умение и возможности должны определять возможность использования ребенком средств доступа. Если пользователю необходимо принять решение, где и как использовать свои руки и ноги при преодолении средств доступа, такой доступ считается труднодоступным, поскольку он замедляет движение и требует времени для принятия решения.
3.26 периодический визуальный контроль (routine visual inspection): Контроль с целью выявления типичных опасностей, которые могут возникнуть в результате предназначенного использования, вандализма или погодных условий.
Примечание 1 - Типичными опасностями могут быть сломанные части оборудования или битые бутылки.
3.27 контроль функционирования (operational inspection): Контроль более детальный, чем визуальный, предназначенный для проверки функционирования и надежности оборудования.
Примечание 1 - Данный контроль включает проверку на износ.
3.28 ежегодный основной контроль (annual main inspection): Контроль с целью определения общего уровня безопасности оборудования, фундаментов и покрытия игровых поверхностей.
Примечание 1 - Данный контроль учитывает последствия воздействия погодных условий, в том числе признаки гниения или коррозии, а также любое изменение уровня безопасности оборудования в результате проведенных ремонтных работ или добавленных/замененных элементов оборудования.
3.29 отвесный игровой элемент (steep play element): элемент входа/выхода, расположенный под углом более 45° к горизонтали.
3.30 многоуровневые платформы (tiered platforms): Платформы различной высоты, расположенные последовательно друг за другом и позволяющие пользователю подниматься или опускаться на оборудование или внутри него.
Примечание 1 - Лестницы не считаются многоуровневыми платформами.
3.31 критическая высота падения (critical fall height): Максимальная высота свободного падения, при которой ударопоглощающая поверхность обеспечивает необходимый уровень демпфирования удара.
Примечание 1 - Критическую высоту падения определяют в соответствии с самым низким результатом испытания, полученным в соответствии с ГОСТ 34615.
3.32 необходимый уровень демпфирования удара (adequate level of impact attenuation): Свойство поверхности обеспечивать необходимое поглощение удара для определенной высоты свободного падения, соответствующее:
a) таблице 4, включая определение гранулометрического состава методом просеивания в соответствии с ГОСТ 12536;
b) ГОСТ 34615;
c) другим соответствующим средствам верификации, например оценке на основе значений для травянистой поверхности/верхнего слоя почвы.
3.33 поверхностное возгорание (surface flash): Быстрое распространение пламени по поверхности материала без горения основной конструкции в это время.
3.34 принудительное перемещение (forced movement): Перемещение пользователя, вызванное оборудованием (например, качание, скольжение, вращение карусели и т.д.), которое после его пуска не может полностью контролироваться пользователем.
Примечание 1 - Падение пользователя не считают принудительным движением, так как оно не обусловлено оборудованием и возникает по другим причинам.
Примечание 2 - Специальные требования приведены в ГОСТ 34614.2 - ГОСТ 34614.6 и ГОСТ 34614.10, ГОСТ 34614.11.
3.35 прыжковое устройство (bouncing facility): Оборудование или части оборудования, которые из-за гибких особенностей позволяют подниматься в воздух, прыгая без помощи другого пользователя(ей).
Примечание 1 - В большинстве случаев эффект отскока может достигаться при помощи пружины, веревки или эластичного материала. Однако некоторые устройства, обеспечивающие незначительный эффект подпрыгивания, не рассматриваются как прыжковые устройства, поскольку их предполагаемое основное назначение не связано с прыжками.
Примечание 2 - Как правило, прыжковые устройства не могут служить батутами, поскольку они не позволяют прыгать с высокой скоростью или стимулировать прыжки с акробатикой, которые, вероятно, приведут к серьезным травмам или смертельным исходам.
3.36 упругая область (suspension bed): Область прыжкового устройства, на которой пользователь прыгает.
3.37 оборудование с одной опорой (one post equipment): Конструктивно чувствительное оборудование, где выход из строя одного поперечного сечения (в основании или в другой части опорной стойки) будет иметь катастрофические последствия.
Примечание 1 - Настоящее определение включает в себя не только оборудование с одной опорой, но и такое оборудование, устойчивость которого обеспечивается при помощи конструктивного элемента с двумя опорами или ряда конструктивных элементов (см. также примечание к 4.2.14).
3.38 контроль после установки (post installation inspection): Контроль сооружения и окружающей территории до открытия игровой площадки для общественного использования с целью оценки общего уровня безопасности оборудования детской игровой площадки.
3.39 шест (fireman's pole): Вертикальная или практически вертикальная труба, по которой пользователи могут скользить.
Примечание 1 - Слово "скользить" используется для того, чтобы отличить разницу между оборудованием такого вида и спуском согласно определению, приведенному в ГОСТ 34614.3.
3.40 тоннель (tunnel): Оборудование, представляющее собой непрерывно закрытое пространство в форме трубы с проемами для входа и выхода, предназначенное для ползания или прохождения на коленях.
4.1 Материалы
4.1.1 Общие положения
Материалы должны соответствовать требованиям 4.1.2-4.1.6.
Материалы следует выбирать и применять таким образом, чтобы не нарушалась структурная целостность оборудования или ударопоглощающего покрытия, изготовленных из них, до проведения соответствующей проверки и технического обслуживания.
Требования настоящего стандарта, касающиеся некоторых материалов, не означают, что другие аналогичные материалы не пригодны для изготовления оборудования.
Выбор материалов и их применение следует осуществлять в соответствии с действующими стандартами.
Особое внимание необходимо уделять покрытию поверхностей, чтобы избежать потенциальной токсичной опасности.
Особое внимание необходимо уделять выбору материалов для оборудования, если существует вероятность экстремальных климатических воздействий. Следует соблюдать осторожность, если существует вероятность прямого контакта оборудования с кожей пользователя.
При выборе материала для оборудования или ударопоглощающего покрытия необходимо учитывать возможность последующей их утилизации и возможные негативные воздействия на окружающую среду.
4.1.2 Воспламеняемость
Во избежание риска возникновения пожаров и пожароопасных ситуаций не допускается использовать материалы, которые способствуют поверхностному возгоранию *. Особое внимание необходимо уделять новым разрабатываемым материалам, качество и характеристики которых изучены не в полной мере.
──────────────────────────────
* Применяемые материалы не должны относиться к легковоспламеняемым.
──────────────────────────────
Примечание 1 - Требования к проемам, обеспечивающим возможность эвакуации при возгорании, изложены в 4.2.3.
Примечание 2 - Необходимо соблюдать строительные нормы и правила пожарной безопасности для оборудования, устанавливаемого как внутри помещения, так и снаружи, действующие на территории страны, где эксплуатируется оборудование.
4.1.3 Древесина и детали из древесины
Конструктивные элементы из древесины должны быть сконструированы таким образом, чтобы атмосферные осадки могли свободно стекать и не образовывалось скопление воды.
При контакте с землей необходимо применять один или несколько из следующих методов:
a) применение пород древесины, обладающих достаточной естественной стойкостью к внешним воздействиям согласно классам 1 и 2 *;
──────────────────────────────
* См. [2].
──────────────────────────────
b) конструктивный метод защиты (например, применение стойки с опорной плитой, металлический подпятник);
c) использовать древесину, обработанную защитными средствами в соответствии с ГОСТ 20022.0 или ГОСТ 20022.2.
Примечание - Рекомендуется учитывать другие дефекты (например, наличие повреждений, заражений и т.д.).
Все конструктивные элементы, обеспечивающие прочность конструкции, изготовленные из других пород древесины и других деревянных изделий, которые не указаны в перечислении а) и находятся в постоянном контакте с землей, должны быть обработаны в соответствии с перечислением с).
При выборе металлических крепежных изделий необходимо учитывать опасность появления коррозии металлических частей при контакте с определенными породами древесины и средствами защиты древесины.
Фанера должна соответствовать ГОСТ 3916.1 или ГОСТ 3916.2 и быть устойчивой к внешним атмосферным воздействиям.
4.1.4 Металлы
Металлические части должны быть защищены от атмосферных воздействий и коррозии.
Металлы, образующие токсические окиси, которые могут осыпаться или отслаиваться, должны иметь нетоксичное защитное покрытие.
4.1.5 Синтетические материалы
Если при техническом обслуживании трудно установить, когда материал станет хрупким, то изготовитель должен указать, по истечении какого срока эксплуатации деталь, оборудование или ударопоглощающее покрытие необходимо заменить.
Конструкция игровой площадки должна обеспечивать возможность визуально идентифицировать чрезмерный износ поверхностного покрытия изделий из стеклопластика (полимеры, армированные стекловолокном), предназначенных для спуска скольжением, до того, как будет создана угроза травмирования пользователя.
Примечание - Этого можно добиться посредством применения окрашивания каждого слоя покрытия поверхности скольжения в различные цвета.
Следует принимать во внимание также старение несущих конструктивных элементов или ударопоглощающего покрытия из-за воздействия ультрафиолетового излучения.
4.1.6 Опасные вещества
При изготовлении оборудования или ударопоглощающего покрытия не допускается применение опасных веществ, которые могут оказывать отрицательное воздействие на состояние здоровья пользователя.
Примечание - Следует принимать во внимание положения Регламента [3] (приложение 2) и его последующие изменения. К таким материалам относятся: асбест, свинец, формальдегид, масла каменноугольной смолы, карболинеум, полихлорированные бифенилы (ПХБ) и полициклические ароматические углеводороды (соединения ПАУ).
4.2 Проектирование и изготовление
4.2.1 Общие положения
Оборудование, основная функция игры которого дополняется вторичными движениями (например, раскачивание и/или вращение), должно соответствовать требованиям ГОСТ 34614.2 - ГОСТ 34614.6 и ГОСТ 34614.10, ГОСТ 34614.11, которые описывают обе игровые функции, за исключением случаев, когда оборудование описано только в конкретной части.
Размеры и степень сложности оборудования должны соответствовать установленной группе пользователей. Оборудование должно быть сконструировано таким образом, чтобы риск, связанный с игрой, был очевидным и прогнозируемым для ребенка.
Примечание - Дополнительные требования безопасности для легкодоступного оборудования установлены в пунктах:
a) защита от падения:
1) защитные перила (см. 4.2.4.3),
2) ограждения (см. 4.2.4.4);
b) отвесные элементы (см. 4.2.9.4);
c) легкодоступное оборудование (см. 4.2.9.5).
Все части оборудования, за исключением оборудования для игры на воде, должны быть сконструированы таким образом, чтобы в них не накапливалась вода, например в пространстве под прыжковым устройством или каруселью.
4.2.2 Прочность конструкции
Прочность конструкции оборудования следует проверять при самых неблагоприятных условиях.
Оценка прочности конструкции оборудования, включая устойчивость, должна проводиться одним из следующих методов:
a) расчетом в соответствии с приложениями А и В;
b) испытаниями нагрузкой в соответствии с приложением С;
c) комбинацией методов а) и b).
При проведении расчетов в соответствии с приложением В предельные состояния конструкции не должны быть превышены при комбинации нагрузок, указанных в В.2.
При проведении испытаний в соответствии с приложением С не допускается в конструкции оборудования наличие трещин, повреждений или недопустимой остаточной деформации (см. С.1.2). Каждая конструкция должна выдерживать как постоянные, так и переменные нагрузки, оказываемые на оборудование и его части в соответствии с приложением С.
Если устойчивость оборудования зависит только от одной опоры, то конструкция должна быть выполнена таким образом, чтобы:
- вероятность гниения или коррозии в элементах, имеющих особое значение для устойчивости, была снижена до минимума;
- обеспечить контроль за старением и при необходимости вывод из эксплуатации;
- при правильном техническом обслуживании конструкцию можно было использовать в исправном состоянии в течение предполагаемого проверкой периода;
- при правильном обслуживании использовать ее без обрушения в пределах обеспеченного периода проверки.
Примечание 1 - Для оборудования не следует учитывать нагрузки, которые могут возникнуть в результате чрезвычайных ситуаций, например пожаров, наезда механического транспортного средства или землетрясения.
Примечание 2 - Нагрузки, связанные с усталостью, как правило, гораздо меньше нагрузок в сочетании с соответствующими коэффициентами нагрузок, используемыми при расчете в соответствии с В.2. Поэтому для оборудования не требуется проведение испытания на усталость.
Примечание 3 - На этапе установки оборудования с одной опорой следует предусмотреть возможность доступа к фундаменту для осуществления контроля за гниением или старением. Выбор материала ударопоглощающего покрытия может оказать влияние на проведение осмотров фундамента.
Несущие части должны выдерживать самые неблагоприятные варианты нагрузок.
Примечание 4 - Для этого может потребоваться удалить часть нагрузки, оказывающей благоприятное воздействие, как показано на рисунке 7.
4.2.3 Доступ для взрослых
Оборудование должно быть сконструировано таким образом, чтобы взрослые имели доступ внутрь оборудования для оказания помощи детям.
Закрытые части оборудования, такие как тоннели и игровые домики, с внутренним расстоянием более 2000 мм от точки входа, должны иметь не менее двух независимых друг от друга и расположенных по разные стороны оборудования проемов для доступа. Такие проемы для доступа не должны закрываться и должны быть доступны без применения дополнительных средств (например, приставной лестницы и др. которые не являются неотъемлемой частью оборудования). Размер таких проемов должен быть не менее 500 мм.
Из-за опасности возгорания эти два проема должны обеспечить пользователю возможность покинуть оборудование и достичь поверхности площадки разными путями.

1 - удаляемая часть нагрузки, оказывающая благоприятное воздействие
Рисунок 7 - Пример удаления части нагрузки, которая оказывает благоприятное воздействие
4.2.4 Защита от падений
4.2.4.1 Общие положения
Требуются различные виды защиты от падения с высоты платформы. Требуемый вид защиты зависит от высоты свободного падения, типа оборудования, а также от того, является оно легкодоступным или нет (см. 4.2.4.3 и 4.2.4.4). См. рисунок 8 и приложение F.
При установлении на трапах и лестницах поручней, перил или ограждений они должны начинаться с самого низкого уровня трапа или лестницы.
|
|
|
|
а - защита от падений для легкодоступного оборудования |
b - защита от падений для труднодоступного оборудования |
1 - ударопоглощающее покрытие в соответствии с 4.2.8.5; 2 - требуется ограждение: 3 - требуются перила
Рисунок 8 - Общая защита от падения при отсутствии принудительного перемещения
4.2.4.2 Поручни
Поручни должны быть расположены на расстоянии не менее 600 мм и не более 850 мм над положением стопы (см. рисунок 9). Как минимум, поручни должны соответствовать требованиям к захватыванию (см. 4.2.4.7).
4.2.4.3 Перила
Для труднодоступного оборудования должны быть предусмотрены перила, если платформа расположена на расстоянии 1000-2000 мм над поверхностью игровой площадки [см. рисунок 8b)]. Высота, измеренная от поверхности платформы, лестницы или трапа до верхнего края перил, должна составлять не менее 600 мм и не более 850 мм.

1 - положение стопы; 2 - поручень; Н - высота
Рисунок 9 - Руководство по измерению высоты поручня над положением стопы
Перила должны полностью окружать платформу, за исключением входных и выходных проемов, необходимых для каждого игрового элемента конструкции. Ширина входных и выходных проемов между перилами, за исключением лестниц, пандусов и подвесных мостиков, должна составлять не более 500 мм при измерении в горизонтальном положении на высоте от 600 мм до 850 мм от платформы. Для лестниц, пандусов и сооружений в виде моста ограждений ширина выходного проема между перилами не должна превышать ширину этих игровых элементов.
4.2.4.4 Ограждения
Ограждения должны полностью окружать платформу, за исключением входных и выходных проемов, необходимых для каждого игрового элемента конструкции. Ширина входных и выходных проемов в ограждении должна составлять не более 500 мм при горизонтальном измерении в любой точке [см. рисунок 10а)], за исключением случаев, когда в проеме установлены перила [см. рисунок 10b) и рисунок 10с)]. Для лестниц, пандусов, подвесных мостиков и т.д., частью конструкции которых являются дополнительные ограждения, ширина выходного проема в ограждении не должна превышать ширину этих игровых элементов.
Не допускается использование промежуточных горизонтальных, или расположенных практически горизонтально поперечных перекладин, или продольных балок, которые могут использоваться детьми при лазании в качестве ступенек. Конструкция верхнего края ограждений не должна позволять детям на них стоять, или сидеть, или использовать для лазания.
Проемы между поверхностью платформы и нижним краем ограждения и между любыми заполняющими элементами не должны допускать проход испытательного тела С [см. рисунок D.1b)].
Для легкодоступного оборудования должны быть предусмотрены ограждения, если платформа расположена выше, чем 600 мм от уровня поверхности игровой площадки [см. рисунок 8а)].
Для труднодоступного оборудования должны быть предусмотрены ограждения, если платформа расположена выше 2000 мм от уровня поверхности игровой площадки [см. рисунок 8b)].
Высота, измеренная от поверхности платформы, лестницы или пандуса до верхнего края ограждения, должна составлять не менее 700 мм.
Проемы в ограждении легкодоступного оборудования/частей оборудования, которые обеспечивают доступ к отвесным игровым элементам, должны соответствовать требованиям 4.2.9.4. Для всего другого оборудования проемы в ограждениях с перилами, которые обеспечивают доступ к отвесным игровым элементам, не должны превышать 1200 мм [см. рисунок 10с)].
4.2.4.5 Требования к прочности
Ограждения и перила должны соответствовать требованиям 4.2.2.
|
|
|
|
|
а) все узкие элементы |
b) отвесный игровой элемент такой же ширины, как и проем |
с) отвесный игровой элемент шире проема |
Рисунок 10 - Входные и выходные проемы в ограждениях для отвесных игровых элементов
4.2.4.6 Требования к обхвату
Поперечное сечение любой опоры, предназначенной для схватывания и поддержки веса тела пользователя (см. 3.16 и рисунок 5), должно быть не менее 16 мм и не более 45 мм во всех направлениях при измерении через его центр.
4.2.4.7 Требования к захвату
Поперечное сечение любой опоры, предназначенной для захватывания (см. 3.17 и рисунок 6), должно иметь ширину не более 60 мм.
4.2.5 Поверхность оборудования
Деревянное оборудование должно быть изготовлено из древесины, не склонной к раскалыванию. Поверхности оборудования, выполненные из других материалов (например, стекловолокно), не должны иметь трещин.
Не допускается наличие выступающих гвоздей, свободно торчащих концов стальных канатов или острых частей. Шероховатые поверхности не должны создавать риск травмирования. Выступающие из поверхности более чем на 8 мм концы резьбовых соединений в любой доступной части оборудования должны быть защищены, например, колпачковыми гайками. Гайки и головки болтов, выступающие не более чем на 8 мм, не должны иметь заусенцев.
Примечание 1 - На рисунке 11 приведены примеры защиты гаек и болтов.

Рисунок 11 - Примеры защиты гаек и болтов
Углы, кромки и части, выступающие более чем на 8 мм в пределах занимаемого пользователем пространства и не защищенные смежными участками, расположенными на расстоянии не более 25 мм от торца выступающей части, должны быть скруглены. Минимальный радиус скругления должен составлять 3 мм.
Примечание 2 - Настоящие требования предназначены для предотвращения травмирования, обусловленные непреднамеренным контактом с конструктивными элементами.
Углы, края, а также выступающие части радиусом закругления менее 3 мм допускаются на других доступных частях оборудования только в том случае, если они не острые.
4.2.6 Подвижные части
Между подвижными и/или неподвижными частями оборудования не допускаются места раздавливания или срезания, а также защемления в соответствии с 4.2.7.
Части, о которые пользователь может сильно удариться, должны иметь смягчающую удар конструкцию.
Если подвижные части оборудования могут создавать угрозу пользователю, то между землей и подвижными частями оборудования клиренс должен быть не менее 400 мм.
4.2.7 Защита от защемления (застревания)
4.2.7.1 Общие положения
При выборе материалов изготовитель должен учитывать возможные опасности от защемления в связи с деформацией материала при использовании.
Примечание 1 - Методы испытания мест защемления приведены в приложении D.
Примечание 2 - Возможные ситуации защемления проиллюстрированы в приложении Е.
У проемов не должно быть частей, сходящихся в направлении вниз под углом менее 60° с учетом приведенных ниже условий (4.2.7.2).
4.2.7.2 Защемление (застревание) головы и шеи
Оборудование должно быть спроектировано таким образом, чтобы любые проемы не создавали опасности защемления головы и шеи, независимо от того, в какой последовательности конструкцией предусмотрено движение пользователя, головой вперед или ногами вперед.
Опасными ситуациями, при которых может возникнуть защемление, являются:
- полностью замкнутые проемы, через которые пользователь может перемещаться головой или ногами вперед;
- частично замкнутые или V-образные проемы;
- перемещающиеся проемы и проемы с размерами, изменяющимися во время использования оборудования.
a) Полностью замкнутые проемы.
Доступные, полностью замкнутые проемы, нижний край которых находится на расстоянии более 600 мм от уровня поверхности игровой площадки (см. 3.5), подвергают испытаниям в соответствии с D.2.1.
Шаблоны С или Е не должны проходить через какой-либо проем, за исключением случаев, когда предусмотрена возможность прохождения через них большого шаблона D.
Примечание 1 - Шаблон С представляет собой тело, проходящее через проем "ногами вперед", а шаблон Е - "головой вперед".
b) Частично замкнутые или V-образные проемы.
Частично замкнутые и V-образные проемы с входом, расположенным на высоте не менее 600 мм от поверхности игровой площадки, должны быть сконструированы таким образом, чтобы:
1) проем был недоступен при испытании в соответствии с D.2.2;
2) если проем доступен на высоте не менее 600 мм от поверхности игровой площадки при испытании в соответствии с D.2.2, в зависимости от углового диапазона (см. рисунок D.4) он должен соответствовать следующим требованиям:
- диапазон 1 (ось шаблона с отклонением ± 45° от вертикали): когда вершина шаблона контактирует с основанием проема, глубина проема должна быть меньше длины шаблона до нижней стороны плечевого отдела;
- диапазон 2 (ось шаблона с отклонением ± 45° от горизонтали): когда вершина шаблона контактирует с основанием проема, глубина проема должна быть меньше части "А" шаблона. Если глубина проема больше части "А" шаблона, то все части проема над частью "А" шаблона должны позволять прохождение плечевого отдела шаблона или шаблона D;
- диапазон 3: Условия испытания шаблона не установлены.
c) Другие проемы, например перемещающиеся, или проемы с размерами, изменяющимися во время использования оборудования.
Подвижные части (например, канаты) не должны пересекаться или образовывать петель, если при этом они образуют проемы, которые не соответствуют требованиям для полностью закрытых проемов.
В проемы между гибкими элементами подвесных мостиков и неподвижными боковыми частями должна вписываться окружность диаметром не менее 230 мм при самых неблагоприятных условиях (см. 4.2.2). При этом требование должно выполняться как в нагруженном, так и в ненагруженном состоянии.
Примечание 2 - Данное требование относится к потенциальному изменению размеров в результате растяжения гибких опор моста (например, тросов) с течением времени. Типичный пример подвесного моста приведен на рисунке 12.

1 - неподвижные боковые части; 2 - подвесной мостик; 3 - неподвижные боковые части; 4 - диаметр не менее 230 мм
Рисунок 12 - Подвесной мостик
4.2.7.3 Защемление (застревание) одежды/волос
Оборудование должно быть сконструировано таким образом, чтобы не возникали следующие опасные ситуации, в которых возможно защемление одежды:
a) в щелях и V-образных проемах, в которых могут быть защемлены части одежды в момент совершения пользователем движения или непосредственно перед этим;
b) в выступах;
c) в осях/во вращающихся деталях.
Примечание 1 - Испытания пуговицей (см. D.3) проводят только в свободном пространстве, что обусловлено практическим опытом, поскольку природные материалы и соединения различных частей оборудования с течением времени изменяются. Определение свободного пространства (см. 3.6) не включает трехмерную область, в которой происходит движение при падении.
При использовании элементов с круглым поперечным сечением (например, круглые трубы или шест) следует обратить особое внимание на необходимость предотвращения наматывания частей одежды в пространстве падения.
Примечание 2 - Для этого можно использовать распорки или аналогичные устройства.
Горки и шесты должны быть сконструированы таким образом, чтобы при проведении испытаний в соответствии с D.3 пуговица не застревала в зазорах, находящихся в свободном пространстве.
Крыши должны быть сконструированы таким образом, чтобы при проведении испытаний в соответствии с D.3 пуговица не застревала.
Оси и вращающиеся детали должны быть сконструированы таким образом, чтобы предотвратить наматывание одежды или волос.
Примечание 3 - Это может быть достигнуто при помощи соответствующего покрытия или защитных экранов.
4.2.7.4 Защемление (застревание) всего тела
Оборудование должно быть сконструировано таким образом, чтобы не возникали опасные ситуации, которые могут вызвать застревание:
a) в тоннелях, в которые дети могут заползать всем телом;
b) тяжелыми подвесными частями или частями, которые имеют жесткую подвеску.
Тоннели должны иметь длину не более 10000 мм и соответствовать требованиям, приведенным в таблице 1.
|
Требования |
Открыт с одной стороны |
Открыт с двух сторон | |||
|
Наклон |
≤ 5° и более только на входе |
≤ 15° |
> 15° | ||
|
Минимальный внутренний диаметр, мм а) |
≥ 750 |
≥ 400 |
≥ 500 |
≥ 750 |
≥ 750 |
|
Длина, мм |
≤ 2 000 |
≤ 1 000 |
≤ 2 000 |
≤ 10 000 |
≤ 10 000 |
|
Другие требования |
Нет |
Нет |
Нет |
Нет |
Средства для подъема, например ступени или поручни |
|
Примечание - Тоннельные горки по ГОСТ 34614.3. а) Измеряется в самом узком месте. | |||||
4.2.7.5 Защемление (застревание) стопы или ноги
Оборудование должно быть сконструировано таким образом, чтобы не возникали опасные ситуации, при которых происходит защемление. Это касается:
a) полностью замкнутых неподвижных проемов на поверхностях, по которым дети могут бегать или взбираться;
b) опор для ног, опор для рук и т.д., выступающих из этих поверхностей.
Примечание - В случае b) защемленная нога или лодыжка могут быть серьезно повреждены при падении пользователя.

1 - направление движения
Рисунок 13 - Измерение щелей размером не более 30 мм
Поверхности, предназначенные для бега/ходьбы, не должны иметь щелей, которые могли бы вызвать защемление стопы или ноги. Щели в направлении основного движения не должны быть шириной более 30 мм при измерении поперек основного направления движения (см. рисунок 13).
Это требование не распространяется на поверхности, расположенные под углом более чем 38° к горизонтали.
4.2.7.6 Защемление (застревание) пальцев
Оборудование должно быть сконструировано таким образом, чтобы не возникали опасные ситуации, при которых происходит защемление пальцев:
a) в щелях, в которых могут застрять пальцы, когда тело находится в движении или продолжает двигаться по инерции (например, при скольжении, качании);
b) подвижных щелях (кроме цепей).
При испытании в соответствии с D.4 проемы в пределах свободного пространства, в котором пользователь совершает принудительное движение, и/или отверстия, нижний край которых находится на расстоянии более 1000 мм над возможной зоной приземления, должны соответствовать одному из следующих требований:
- концы круглых и профилированных труб должны быть закрыты, чтобы предотвратить возможную опасность защемления пальцев;
- крышки не должны сниматься без использования специальных инструментов;
- щели, размеры которых изменяются при эксплуатации оборудования, в любом положении должны иметь минимальный размер не менее 12 мм, за исключением случаев, когда они меньше 8 мм в любом положении;
- трещины в отдельных деревянных элементах не должны рассматриваться как места защемления пальцев, если зазор уменьшается к центру деревянной части.
Примечание 1 - Открытые концы круглых и профилированных труб также следует считать проемами.
c) стержень-палец диаметром 8 мм [см. рисунок D.10a)] не должен проходить через минимальное поперечное сечение проема, а профиль проема должен быть выполнен таким образом, чтобы стержень ни в какой позиции не мог застрять при приведении его в движение, как указано в D.4.2; или
d) если стержень-палец диаметром 8 мм проходит через проем, то стержень-палец диаметром 25 мм [см. рисунок D.10b)], должен проходить через проем при условии, что проем не обеспечивает доступ для другого места защемления пальцев.
Примечание 2 - Применимо только в том случае, если существует вероятность падения в зону приземления. См. также расположенные рядом платформы (4.2.8.5.4).
Примечание 3 - Процедуру испытания защемления пальцев согласно D.4.2 проводят только в зоне свободного пространства и/или пространства падения.
4.2.8 Меры защиты от травмирования во время движения и падения
4.2.8.1 Определение высоты свободного падения
Если не установлено иное, определение высоты свободного падения проводят в соответствии с таблицей 2. При определении высоты свободного падения необходимо учитывать возможные движения оборудования и пользователя. Это означает, что должно обеспечиваться максимальное перемещение оборудования.
Для крыш или декоративных элементов конструкции, не предназначенных для игры, доступ к которым не предусмотрен, расчеты высоты свободного падения не проводятся.
Пример - Некоторые примеры, которые могут способствовать доступу:
- игровые конструкции, доступ к которым можно получить с крыши;
- перекладины, способствующие лазанию при использовании рук и ног;
- расстояние между конструкциями может быть преодолено на уровне рук или ног;
- наклон крыши;
- шероховатость поверхности крыши.
Высота свободного падения h не должна превышать 3000 мм (см. рисунок 14).
Для определения высоты свободного падения см. таблицу 2.
|
Тип использования |
Вертикальное расстояние |
|
Стоя |
От опоры ног до поверхности, расположенной ниже |
|
Сидя |
От места сидения до поверхности, расположенной ниже |
|
Висящие a) (когда полная поддержка тела обеспечивается только руками и все тело может быть поднято на уровень места поддержки руками) |
От места опоры руками до поверхности, расположенной ниже |
|
Лазание a) (когда поддержка тела обеспечивается комбинацией стопы/ноги и рук, например подъем или скольжение по веревкам или канатам) |
Максимально возможная высота опоры рук: 4000 мм относительно расположенной ниже поверхности (высота свободного падения, измеренная от максимально возможной опоры рук минус 1000 мм до расположенной ниже поверхности) |
|
Подпрыгивание |
От поверхности для прыгания до самой нижней точки пространства падения плюс 900 мм |
|
a) Оборудование, предназначенное для "висения" или "лазания", не должно допускать положений поддержки всего тела на высоте свободного падения более 3000 мм, например горизонтальная сетка (скалолазание), горизонтальная лестница, предназначенная для передвижения на руках в висячем положении (висение). | |
4.2.8.2 Определение пространств и поверхностей
4.2.8.2.1 Общие положения
Требования к пространству падения и зоне падения предназначены для предоставления защиты пользователей во время удара при возможном падении. Эти пространства и поверхности также будут обеспечивать защиту других пользователей, которые могут находиться рядом с оборудованием; данные требования следует рассматривать в дополнение к настоящему стандарту, поскольку они могут быть специфическими для конкретного объекта и могут быть предметом национального регулирования. При проектировании игровой площадки должны учитываться возможные опасности, связанные с непосредственной близостью расположения игровых конструкций, предназначенных для пользователей разных возрастных групп, и наиболее часто загруженных игровых зон (например, у школ). При выборе места расположения динамического оборудования с широким диапазоном движения (например, качели, некоторые виды качающегося оборудования) следует обратить особое внимание на предотвращение непреднамеренного контакта пользователей, окружающих игровую площадку с оборудованием. Это может быть достигнуто, например, путем размещения оборудования по периметру игровой площадки.
4.2.8.2.2 Минимальное пространство
Минимальное пространство (см. рисунок 1) включает:
a) пространство, занимаемое оборудованием;
b) свободное пространство, если имеется;
c) пространство падения.
4.2.8.2.3 Свободное пространство
Свободное пространство представляет собой ряд цилиндрических пространств, в которых находится пользователь (см. рисунок 15), которые начинаются от опорной поверхности, перпендикулярны ей и расположены вдоль направления принудительного движения пользователя.
Цилиндрическое пространство приведено на рисунке 16, а его размеры представлены в таблице 3. При определении свободного пространства необходимо учитывать возможные движения игрового оборудования и пользователя.
Шесты, которые доступны через платформу или другую отправную точку, должны иметь расстояние не менее 350 мм от шеста до края расположенной рядом конструкции.
Примечание 1 - Это позволяет безопасно обхватывать шест, уменьшая риск удара головой о расположенную рядом конструкцию.

h - высота свободного падения
Рисунок 14 - Примеры, иллюстрирующие высоту свободного падения

Рисунок 15 - Определение свободного пространства; пример спуска
|
|
|
|
а) Висящий пользователь |
b) Стоящий пользователь |
Рисунок 16 - Цилиндрическое пространство
|
Тип использования |
Радиус, мм |
Высота, мм |
|
Стоя |
1 000 |
1 800 |
|
Сидя |
1 000 |
1 500 |
|
В висящем положении |
500 |
На 300 выше и на 1800 ниже положения ручки |
|
Примечание - В висящем положении h = 300 мм, поскольку пользователь может подтянуться вверх [см. рисунок 16а)]. | ||
Примечание 2 - В определенных случаях размеры свободного пространства могут изменяться. В этих случаях данные размеры будут установлены в соответствующих частях настоящего стандарта относительно отдельных видов оборудования.
4.2.8.2.4 Размеры зоны падения
Размеры зоны падения приведены на рисунке 17.
В определенных случаях (например, в случае каруселей, где пользователь вращается с горизонтальной скоростью), может потребоваться расширение зоны падения для обеспечения соответствующей защиты от возможных травм при падении.
При определении зоны падения необходимо учитывать возможные движения игрового оборудования и пользователя.
Примечание 1 - Вышеуказанные случаи рассматриваются в соответствующих частях стандартов на оборудование и покрытия игровых площадок относительно отдельных видов игрового оборудования.
Размеры в метрах

Y - высота свободного падения; X - минимальный размер зоны падения; а - ударопоглощающее покрытие с учетом требований 4.2.8.5.2; b - поверхность без учета требований к испытанию на поглощение удара, за исключением случаев возникновения принудительного движения 4.2.8.5.3
Если 0 ≤ Y ≤ 1,5, то X = 1,5 (в метрах)
Если Y > 1,5, то X = 2/3Y + 0,5
Рисунок 17 - Размеры зоны падения
4.2.8.2.5 Пределы пространства падения
Если не указано иное, размер пространства падения должен составлять не менее 1500 мм вокруг приподнятых частей оборудования, измеренный горизонтально и простирающийся от вертикальной плоскости проекции ниже оборудования. В случае высоты свободного падения более 1500 мм пространство падения должно увеличиваться вместе с зоной падения (см. 4.2.8.2.4). Это требование может варьироваться в некоторых случаях (например, увеличивается в случае принудительного движения или уменьшается в случае, когда оборудование установлено на стену, напротив стены или полностью закрыто).
В большинстве случаев пространства падения могут пересекаться с зоной приземления. Если не указано иное в других частях настоящего стандарта, то перекрытие пространства падения, в котором происходит принудительное движение, не допускается. Если рядом расположены два элемента оборудования с разной высотой падения, то большая из двух зон приземления имеет приоритет.
Примеры пространства падения приведены на рисунках 18 и 19.
4.2.8.3 Защита от травм в свободном пространстве для пользователей, осуществляющих вынужденное движение, обусловленное оборудованием
Если не установлено иное, прилегающие свободные пространства или свободные пространства и пространства падения не должны пересекаться.
Примечание 1 - Данное требование не распространяется на общее пространство между единицами оборудования, относящимися к одной группе.
Свободное пространство не должно содержать препятствий, мешающих движению пользователя во время выполнения вынужденного перемещения (например, ветвей деревьев, веревок, поперечных балок и т.д.). Части оборудования, удерживающие или принимающие вес пользователя, а также помогающие пользователю сохранять равновесие, могут быть расположены в свободном пространстве, платформы с шестами (см. 4.2.8.2.3).
Примечание 2 - Исключения из данного требования приведены в других частях стандартов на оборудование и покрытия игровых площадок, касающихся отдельных видов оборудования.

1 - зона приземления; 2 - пространство падения; х - пределы пространства падения; y - высота пространства падения
Рисунок 18 - Пример пространства падения и зоны падения
Свободное пространство не должно пересекаться с основными маршрутами движения или проходить через игровую площадку (например, пешеходная дорожка).
4.2.8.4 Защита от травм в пространстве падения
Пространство падения не должно содержать никаких препятствий, на которые пользователь мог бы упасть и получить травмы, например не плотно прилегающие к оборудованию элементы или выступающий фундамент (см. 4.2.14).
Примечание 1 - Целью настоящего требования не является защита пользователя от незначительных ударов или столкновений, которые могут привести к синякам или растяжению связок и т.д., поскольку такие виды травм возможны во всех ситуациях.
В пространстве падения могут находиться следующие части оборудования:
- смежные части группового оборудования, высота свободного падения которых отличается менее чем на 600 мм;
- части оборудования, удерживающие или принимающие вес пользователя, а также помогающие пользователю сохранять равновесие;
- части оборудования с углом наклона не менее 60° к горизонтали.
Примечание 2 - В этом случае пользователь во время падения будет иметь только временный контакт с частью оборудования.
4.2.8.5 Защита от повреждений, обусловленных поверхностью в зоне приземления
4.2.8.5.1 Общие положения
Поверхность зоны приземления не должна иметь опасных острых или выступающих частей, а ее конструкция должна исключать места защемления (см. 4.2.7).
Если используется сыпучий материал, то толщина слоя должна быть на 100 мм больше указанной в таблице 4 или соответствовать глубине слоя, определенной путем испытания в соответствии с ГОСТ 34615.
Примечание - Необходимо принимать во внимание эффект смещения сыпучего материала в процессе эксплуатации.

1 - пространство оборудования; 2 - пространство падения шеста; 3 - свободное пространство шеста; 4 - пространство падения платформы; а - минимальное расстояние шеста (см. 4.2.8.3); b - радиус свободного пространства (см. 4.2.8.2.3)
Рисунок 19 - Пространство падения и свободное пространство на примере шеста
4.2.8.5.2 Оборудование с высотой свободного падения более 600 мм или с принудительным движением пользователя
Под всем оборудованием с высотой свободного падения более 600 мм и/или под оборудованием с принудительным движением пользователя (например, качели, горки, спуски, канатные дорожки, карусели и т.д.) должно быть предусмотрено ударопоглощающее покрытие по всей зоне приземления.
Примечание 1 - Специальные требования к оборудованию с принудительным движением всего тела пользователя (например, качели, салазки, качающееся оборудование и т.д.) рассматриваются в ГОСТ 34614.2 - ГОСТ 34614.6 и ГОСТ 34614.10, ГОСТ 34614.11.
Критическая высота падения применяемого ударопоглощающего покрытия должна быть не менее высоты свободного падения оборудования.
Примеры широко используемых ударопоглощающих покрытий приведены в таблице 4 с указанием соответствующих максимальных высот свободного падения, испытанных в соответствии с ГОСТ 34615 и измеренных частично на месте и частично в лаборатории при различных условиях испытаний. Если при проверке установленная поверхность соответствует таблице 4, дополнительные испытания не требуются.
Размеры зоны падения приведены в 4.2.8.2.4.
Примечание 2 - Травянистая поверхность наряду с эстетической привлекательностью также имеет полезный эффект смягчения удара. Опыт показывает, что при правильном уходе такая поверхность эффективна при высоте падения до 1 м и может использоваться без проведения испытаний. В случаях высоты падения свыше 1 м защитные ударопрочные свойства травянистой поверхности зависят от климатических условий определенной местности. Поскольку существуют значительные региональные различия в климате по странам, рекомендуется разработать руководящие предписания на национальном уровне. Травянистая поверхность/верхний слой почвы не предназначены для испытания в соответствии с ГОСТ 34615.
Примечание 3 - Ударопоглощающие материалы испытывают при определенных условиях; поэтому характеристики таких материалов могут варьироваться в зависимости от условий использования (например, использование материалов при морозе, дожде или экстремально высоких температурах), см. 6.2 настоящего стандарта.
За ударопоглощающими материалами следует ухаживать надлежащим образом. Несоблюдение требований надлежащего ухода за такими поверхностями приведет к значительному уменьшению их ударопоглощающих свойств.
Если проверка (например, определение гранулометрического состава методом просеивания) подтвердила соответствие установленного покрытия настоящей таблице, или составлен протокол испытания согласно ГОСТ 34615, дополнительных испытаний не требуется.
|
Материал |
Описание, мм |
Минимальная толщина, мм 1) |
Максимальная высота свободного падения, мм |
|
Травянистая поверхность/верхний слой почвы |
- |
- |
≤ 1000 3) |
|
Стружка коры деревьев |
Размер частиц 20-80 |
200 |
≤ 2000 |
|
300 |
≤ 3000 | ||
|
Древесная стружка |
Размер частиц 5-30 |
200 |
≤ 2000 |
|
300 |
≤ 3000 | ||
|
Песок или гравий 2) |
Размер частиц 0,25-8 |
200 |
≤ 2000 |
|
300 |
≤ 3000 | ||
|
Другие материалы и другая толщина покрытия |
Согласно испытаниям по ГОСТ 34615 |
Критическая высота падения согласно испытаниям | |
|
1) В случае сыпучего материала к минимальной глубине слоя добавляют 100 мм, чтобы компенсировать эффект смещения материала (см. 4.2.8.5.1). 2) Песок и гравий должны быть кругловатыми и промыты, чтобы устранить большую часть частиц ила или глины. Считается, что промытый песок или гравий из аллювиальных отложений (естественно разрушенных) являются свободными от большинства частиц ила или глины. Для гравия, как правило, его характеризуют как "горошина". Коэффициент однородности D60/D10 < 3,0. Размер зерна можно определить с помощью определения гранулометрического состава методом просеивания в соответствии с ГОСТ 12536. 3) См. 4.2.8.5.2 (примечание 2). | |||
Примечание 4 - Спецификации для сыпучих материалов в таблице 4 являются примерами, которые могут быть приняты без дополнительных испытаний в соответствии с ГОСТ 34615.
4.2.8.5.3 Оборудование с высотой свободного падения не более 600 мм и без принудительного перемещения
Критическую высоту падения для оборудования с высотой свободного падения менее 600 мм и без принудительного перемещения тела пользователя не проверяют.
4.2.8.5.4 Смежные платформы
Если разность высот свободного падения между платформами составляет более 1 м, поверхность нижней платформы должна иметь соответствующее ударопоглощающее покрытие.
4.2.8.6 Защита от травм, вызванных другими видами движения
Пространство внутри или вокруг оборудования, которое занято пользователем, не должно содержать непредвиденных для пользователя препятствий, которые могут стать причиной травмы при ударе о них.
Примечание - Примеры таких препятствий приведены на рисунке 20.
|
|
|
|
a) |
b) |
Рисунок 20 - Непредвиденные препятствия
4.2.9 Средства доступа
4.2.9.1 Лестницы приставные
Расстояние между перекладинами или ступеньками должно соответствовать требованиям 4.2.7.2, касающимся защемления головы.
Перекладины и ступеньки не должны проворачиваться и должны быть равномерно расположены.
Расстояние должно быть одинаковым только между перекладинами. Это не требуется между самой высокой перекладиной и платформой или между поверхностью игровой площадки и первой перекладиной.
Примечание - Для обеспечения безопасного перехода от лестницы приставной к платформе или верхней точке оборудования, к которой можно добраться при помощи лестницы приставной, лестничная тетива может быть продолжена без перекладин или ступенек в вертикальном направлении от платформы до верхнего края ограждения.
Деревянные части должны иметь соединения, которые не позволяют деталям вращаться или сдвигаться. Не допускается применение гвоздей или шурупов в качестве единственного метода крепления.
Для обеспечения правильного расположения ноги на перекладине или ступеньке за лестницей приставной должно быть свободное пространство без препятствий, находящееся на расстоянии не менее 90 мм от центра перекладины или ступеньки, измеренном под углом 90° к лестнице.
Перекладины или ступеньки должны быть горизонтальными с допускаемым отклонением от горизонтали ± 3°.
Лестницы должны иметь перекладины и/или тетиву или иметь поручни, соответствующие требованиям к обхвату в соответствии с 4.2.4.6 или для захвата в соответствии с 4.2.4.7.
4.2.9.2 Лестницы
Лестницы с высотой свободного падения более 600 мм должны соответствовать требованиям 4.2.4, касающимся защиты от падения. Перила и/или ограждения должны быть установлены начиная с первой ступени и соответствовать требованиям к захвату (см. 4.2.4.7) или должны быть установлены с первой ступени поручни.
Примечание 1 - Такие меры гарантируют захват для рук вдоль всей лестницы.
Для лестниц, ведущих к платформам высотой до 1000 мм, перила могут заменить ограждения при условии, что пролет под перилами, измеренный от середины ступени, составляет меньше 600 мм.
Примечание 2 - Для платформ свыше 1000 мм допускается сочетание ограждения и перил.
Примечание 3 - Ограждение в форме панели толщиной менее 60 мм считается соответствующим требованиям к захвату.
Наклон лестницы должен быть постоянным. Проемы должны соответствовать требованиям, касающимся защемления головы согласно 4.2.7.2. Ступени должны располагаться на одинаковом расстоянии друг от друга, должны иметь одинаковую конструкцию (высота, глубина) с допускаемым отклонением от горизонтали ± 3°.

а - глубина ступени; b - высота ступени
Примечание - Заполнение подъема ступени не требуется.
Рисунок 21 - Часть лестницы
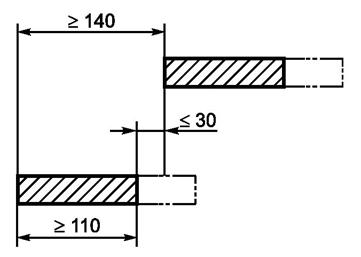
Для обеспечения достаточного пространства для стояния расстояние от передней кромки нижней ступени до передней кромки верхней ступени по горизонтали должно быть не менее 140 мм, глубина ступени должна быть не менее 110 мм (см. рисунок 22).

Рисунок 22 - Проекция и глубина ступени
Если высота лестницы более 2000 мм над уровнем площадки, то должны быть предусмотрены промежуточные площадки с интервалом по высоте не более 2000 мм. Ширина промежуточной площадки должна быть не менее ширины лестницы, а длина промежуточной площадки должна быть не менее 1000 мм.
4.2.9.3 Трап
Угол наклона трапа должен составлять не более 38° к горизонтали и быть постоянным.
Примечание 1 - Поверхности с большим наклоном не считаются трапами, но могут использоваться как средство доступа.
Трапы должны соответствовать требованиям 4.2.4.
Для трапов, ведущих к платформам высотой до 1 м, могут устанавливаться перила вместо ограждения при условии, что пролет под перилами составляет менее 600 мм. Если перила предусмотрены, они должны начинаться с самого начала трапа.
Поверхность трапа должна быть ровной по всей ширине, отклонение от горизонтали должно составлять ± 3°. Чтобы уменьшить риск скольжения с трапа, предназначенного для использования детьми всех возрастов, должны быть предусмотрены элементы, обеспечивающие надежное сцепление стопы с опорной поверхностью.
Примечание 2 - Этого можно достичь использованием подходящих зацепок для ног.
4.2.9.4 Отвесный игровой элемент
Для отвесных игровых элементов, предусмотренных на легкодоступных частях оборудования, проемы в ограждении должны быть не более 500 мм, а высота свободного падения платформы должна составлять не более 2000 мм.
Примечание - Это помогает наблюдателю в случае необходимости добраться до пользователя.
Проемы от платформы с высотой свободного падения более 1000 мм до отвесного игрового элемента должны быть оснащены опорами для рук, соответствующими требованиям к захвату.
4.2.9.5 Легкодоступное оборудование
Оборудование, которое позволяет пользователю быстро и без препятствий добраться до него, считается легкодоступным.
Настоящий стандарт не устанавливает окончательный перечень средств, а содержит требования относительно наилучшего способа решения проблемы легкого доступа.
Пример трех возможных простых средств доступа в приоритетной последовательности приведен ниже:
a) трапы, начинающиеся от земли, являются самыми легкими средствами доступа к оборудованию;
b) лестницы являются следующим самым легким средством доступа к оборудованию;
c) лестницы приставные в данном случае являются наименее легким средством доступа к оборудованию.
Существует много конструкций, которые могут задерживать доступ к оборудованию, тем самым предоставляя больше времени наблюдателю, чтобы вмешаться по мере необходимости. Такие конструктивные решения могут включать в себя требования к движению, высоте или размеру, например расстояние или высота ступенек, но не ограничиваются ими.
Примечание 1 - Наблюдателями являются взрослые и ответственные лица, которые присматривают за пользователем.
Примечание 2 - Примерами ограничения доступа по высоте или размерам являются трапы, которые начинаются на высоте более 600 мм от поверхности площадки, или лестницы приставные, самая низкая ступень которых расположена на высоте более 400 мм от поверхности площадки. Расстояние 400 мм представляет собой компромисс между необходимостью ограничения доступа и необходимостью обеспечения безопасного выхода по такому же маршруту.
4.2.10 Соединения
Соединения должны быть закреплены таким образом, чтобы не происходило самопроизвольного разъединения, за исключением тех случаев, когда они специально для этого сконструированы.
Соединения должны быть защищены таким образом, чтобы их невозможно было разъединить без помощи специального инструмента.
4.2.11 Быстроизнашивающиеся элементы
Заменяемые части должны быть защищены от несанкционированного доступа и не должны требовать сложного технического обслуживания. Смазочные материалы не должны загрязнять игровое оборудование или нарушать его безопасную эксплуатацию.
4.2.12 Канаты
4.2.12.1 Канаты, закрепленные с одного конца
Расстояние между канатами длиной 1-2 м, закрепленными с одного конца, и неподвижными частями оборудования должно быть не менее 600 мм, а расстояние между канатами, закрепленными с одного конца, и подвижными частями оборудования должно быть не менее 900 мм.
Канаты, закрепленные с одного конца, не допускается устанавливать с качелями в одном отсеке (см. ГОСТ 34614.2).
Расстояние между канатами длиной 2-4 м, закрепленными с одного конца, и другими частями оборудования должно быть не менее 1 м.
Диаметр каната должен составлять от 25 мм до 45 мм.
Примечание - Негнущийся канат в зависимости от его диаметра и конструкции затрудняет создание петли, что уменьшит риск удушения. Тем не менее он по-прежнему удобен для захвата.
4.2.12.2 Канаты, закрепленные с обоих концов (канаты для лазания)
Канаты, закрепленные с обоих концов, предназначенные, как правило, для подъема вверх и не являющиеся частью большой конструкции в виде сетки, не должны образовывать петлю, размер которой допускает прохождение через нее испытательного тела С (см. рисунок D.1) или испытательного тела Е (см. рисунок D.1).
Примечание 1 - Данное требование направлено на предотвращение опасности удушения.
Диаметр каната должен соответствовать требованиям к обхвату 4.2.4.6.
Примечание 2 - Канаты, имеющие шероховатую структуру, обеспечивают хороший захват, например при использовании наружных внешних прядей каната диаметром не менее 6 мм.
Если канат, закрепленный с обоих концов, используют вместе с другим элементом, следует проявлять осторожность, чтобы не создавать опасности защемления, см. 4.2.7.2.
4.2.12.3 Стальные канаты
Стальные канаты должны быть в ненапряженном состоянии и изготовлены из оцинкованной или коррозионно-стойкой проволоки.
Петля с опрессовкой должна соответствовать ГОСТ 2224, а конец каната должен совпадать с краем опрессовки.
Зажимы для проволочного каната должны соответствовать ГОСТ 19191. Если они доступны, а концы выступают более чем на 8 мм, то они должны использоваться только за пределами минимального пространства или должны быть соответствующим образом защищены.
Концы талрепов должны быть закрыты (см. рисунок 23) и выполнены из коррозионно-стойкого материала. Талреп не должен допускать возможность демонтажа без применения инструмента.

1 - петля с опрессовкой; 2 - талреп; 3 - петля с коушем и зажимами
Рисунок 23 - Примеры петли с опрессовкой, талреп, петля с коушем и зажимами для проволочных канатов
4.2.12.4 Стальные канаты в оплетке
При использовании стальных канатов в оплетке, используемых для лазания, подъемных сетей, в качестве канатов для передвижения на руках и т.п., каждая стренга каната должна иметь оплетку из искусственного или натурального волокна. Оплетка не должна быть выполнена из моноволокна.
Примечание - Проволока с оплеткой препятствует намеренному повреждению каната и уменьшает тем самым возможные опасности.
4.2.12.5 Волокнистые канаты (текстильного типа)
Волокнистые канаты должны отвечать следующим условиям:
a) соответствовать требованиям ГОСТ ISO 9554;
b) изготовитель должен предоставить свидетельство с информацией об использованном материале и о безопасной рабочей нагрузке.
Верхний слой пряди канатов для лазания, подъемных сетей, канатов для перемещения на руках и т.п. должен быть мягким и нескользким (например, из пеньки или подобного материала).
Не допускается использовать канаты из синтетического моноволокна и подобных материалов.
4.2.13 Цепи
Цепи, используемые для оборудования, должны соответствовать требованиям ГОСТ EN 818-2-2017 (таблица 2) или ГОСТ EN 818-3-2017 (таблица 2), а при испытании в соответствии с D.5 должны соответствовать одному из следующих требований:
a) стержень размером 8,6 мм (см. рисунок D.13) не должен проходить через минимальное поперечное сечение звена цепи;
Примечание - Если короткозвенные цепи (8 мм) изнашиваются, то внутренний размер звеньев цепи может увеличиваться. Если внутренний размер звеньев цепи на изношенной цепи больше 8,6 мм, то можно провести оценку риска, чтобы подтвердить необходимость замены.
b) в том случае, когда имеется соединение: если стержень диаметром 8,6 мм проходит через внутренний размер звеньев цепи, то стержень диаметром 12 мм (см. рисунок D.13) также должен проходить через внутренний размер звеньев цепи.
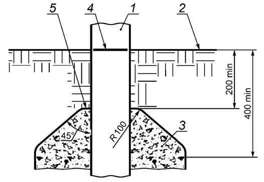
4.2.14 Фундамент
Конструкция фундамента не должна допускать создание опасностей (размыкания, удар). При наличии сыпучего покрытия (например, песка) фундамент закладывается одним из следующих способов:
a) цоколь, опоры и элементы крепления на оборудовании должны находиться на расстоянии не менее 400 мм от игровой площадки;
Примечание 1 - Основания столбов, имеющие анкерные крепления, не считаются фундаментом.
b) глубина от поверхности покрытия игровой площадки до верха фундамента конической формы должна быть не менее 200 мм; или
c) фундамент должен быть надежно закрыт оборудованием или его частями (например, основной фундамент карусели).
Любые части, которые выступают из фундаментов, например концы анкерных болтов, должны располагаться на глубине не менее 400 мм от уровня поверхности игровой площадки, если они не будут эффективно закрыты и заделаны, как приведено в 4.2.5.
Необходимо принять дополнительные меры для оборудования, устойчивость которого зависит только от одной опоры. Фундаменты оборудования с одной опорой должны быть доступны для проведения периодических проверок.
Выбор и установка ударопоглощающего покрытия должны быть тщательно спланированы для обеспечения проверки и доступа к фундаменту. Например, в случае синтетического покрытия может потребоваться вскрытие поверхности и повторная его укладка.
Примечание 2 - В случае заделки элементов конструкции в бетон существует опасность их коррозии или гниения. Высокая скорость коррозии или гниения при динамической нагрузке угрожает устойчивости креплений составных частей, в которых устойчивость зависит от одного поперечного профиля или поддерживается двумя или рядом опор.
Базовая отметка заглубления, устанавливаемая изготовителем на оборудовании, указывает уровень игровой поверхности. Необходимо руководствоваться этой отметкой при установке.

1 - опора; 2 - поверхность игровой площадки; 3 - фундамент; 4 - базовая отметка заглубления; 5 - верхний край фундамента
Рисунок 24 - Пример фундамента
4.2.15 Раскачивающийся брус
Раскачивающийся брус считается тяжелым, когда он имеет массу не менее 25 кг.
Под раскачивающимся брусом должен быть просвет высотой не менее 400 мм (см. рисунок 25).
Высота просвета измеряется как расстояние между нижней точкой нижнего края раскачивающегося бруса и поверхностью под ним.
Раскачивающийся брус должен быть сконструирован таким образом, чтобы все изменения в профиле бруса имели радиус не менее 50 мм.
Диапазон перемещения (а на рисунке 25) не должен превышать 300 мм и не должен выходить за опорные стойки.
Расстояние между опорными стойками и раскачивающимся брусом b должно быть не менее 230 мм во всем диапазоне его перемещения.

Рисунок 25 - Пример раскачивающегося бруса
4.2.16 Прыжковое устройство
4.2.16.1 Общие положения
Прыжковое устройство с подвесным полотном (прыгательная поверхность), площадь которого менее 1,44 м2, считают малым прыжковым устройством.
Примечание - Прыжковое устройство, площадь поверхности подвесного полотна которого не менее 1,44 м2, считают большим прыжковым устройством.
Пространство падения на прыгательной поверхности малого прыжкового устройства должно составлять 1500 мм. Пространство падения на прыгательной поверхности большого прыжкового устройства должно составлять 2000 мм. Если прыгательная поверхность создает для прыжков пользователя определенное направление за пределы прыгательной поверхности, протяженность зоны падения в этом направлении должна составлять не менее 3000 мм.
Незащищенные края, расположенные в пространстве падения, о которые пользователь может удариться, должны быть скруглены с радиусом не менее 20 мм.
Максимально допустимая высота любой точки прыжкового устройства, измеренная от окружающей поверхности или платформы оборудования на расстоянии до 1500 мм от этой конкретной точки, должна составлять 600 мм (см. рисунок 26).
|
Размеры в миллиметрах | |
|
|
|
|
а) допустимая высота |
b) недопустимая высота |
Рисунок 26 - Допустимая и недопустимая высоты прыгательной поверхности
В случае выхода из строя прыжкового устройства или его опор (пружин, резиновой ленты и т.д.) пользователь не должен опускаться более чем на 600 мм, если зона приземления, расположенная ниже, не будет иметь ударопоглощающего покрытия, эквивалентного высоте свободного падения. Под прыгательной поверхностью или вокруг нее не должно быть никаких опасных препятствий, на которые пользователь может упасть или которые могут стать причиной его травмы.
В пространстве над прыгательной поверхностью на высоту 3500 мм от нее и на расстоянии в 1500 мм по горизонтали от любой точки прыжкового устройства должны соблюдаться требования к свободному пространству.
В ходе испытания под нагрузкой в соответствии с 4.2.2 минимальный просвет под прыгательной поверхностью должен составлять не менее 100 мм.
Примечание 1 - Это необходимо для предотвращения непреднамеренного контакта с землей во время прыжка.
Во время динамических испытаний в соответствии с D.6 высота отскока от прыжкового устройства не должна превышать 700 мм над прыгательной поверхностью.
Примечание 2 - Это необходимо для предотвращения недопустимо высоких отскоков пользователя, а также достижения им высоты падения больше, чем соответствующий уровень ударопоглощения прилегающей поверхности.
Необходимо уделить внимание конструкции оборудования и планировке окружающего пространства, чтобы избежать прыжков с окружающего оборудования (кроме ограждения) на прыгательную поверхность. Прыгательная поверхность, изготовленная из текстиля, должна выдерживать 80 % первоначальной прочности на растяжение согласно ГОСТ 32317 после воздействия света и ультрафиолетового излучения в течение минимального периода времени 400 ч.
Большие прыжковые устройства должны иметь достаточный клиренс под прыгательной поверхностью. Во время испытания под нагрузкой в соответствии с 4.2.2 клиренс под прыжковым устройством должен быть более 230 мм. Если это невозможно, то доступ под прыжковое устройство должен быть закрыт таким образом, чтобы шаблон Е не мог пройти в любой проем, ведущий под прыжковое устройство.
Примечание 3 - Это защитит непользователей от сдавливания между землей и прыгательной поверхностью.
Проемы в прыжковом устройстве, измеренные в наименьшем направлении, не должны превышать 30 мм.
При статической нагрузке в 69,5 кг, прилагаемой к середине прыгательной поверхности, любой проем не должен пропускать испытательное тело Е.
Для проведения очистки должен быть обеспечен доступ к пространству под прыгательной поверхностью.
4.2.16.2 Ограждение прыжковых устройств
Если предусмотрено ограждение, то необходимо провести оценку риска, прежде чем разрешить установку такого ограждения для прыжковых устройств в неконтролируемых условиях. Для уменьшения пространства падения или для предотвращения падения пользователя за пределы прыжкового устройства может быть предусмотрено ограждение, которое не способствует лазанию по нему и имеет минимальную высоту 1800 мм. Части ограждения, высота которых превышает 2400 мм, не должны быть разборными.
Ограждение должно выдерживать горизонтальное усилие (800 ± 50) Н, приложенное к центру любой части ограждения.
Нити сеток должны иметь минимальный диаметр 2 мм для уменьшения риска порезов пальцев пользователей.
5.1 Общие положения
Если не указано иное, соблюдение требований раздела 4 следует подтвердить путем измерения, визуального осмотра или испытаний.
Перед испытанием оборудование должно быть собрано в соответствии с инструкциями изготовителя в том же состоянии, в каком оно используется при эксплуатации.
Протоколы испытаний должны включать следующее:
a) обозначение настоящего стандарта;
b) подробные характеристики испытываемого оборудования;
c) подробные сведения о состоянии оборудования, включая любые дефекты, обнаруженные до испытания;
d) подробные сведения о любых изменениях состояния оборудования, обнаруженные после испытаний;
e) результаты испытания.
5.2 Подтверждение необходимого уровня демпфирования после установки ударопоглощающего покрытия
Поскольку существуют значительные региональные различия относительно обеспечения и обслуживания ударопоглощающих покрытий, рекомендуется, чтобы требования были предусмотрены на национальном уровне. Если на национальном уровне не предусмотрено никаких требований, применяют приложение Н, которое устанавливает требования для определения соответствующих характеристик смягчения удара после установки ударопоглощающего покрытия.
Примечание - Если приложение Н не соблюдается, то приводятся национальные требования.
6.1 Информация, предоставляемая изготовителем/поставщиком оборудования
6.1.1 Общая информация
Изготовитель/поставщик оборудования должен предоставить инструкции на языке той страны, в которой оборудование будет устанавливаться и эксплуатироваться. Инструкции должны отвечать следующим требованиям:
a) инструкции должны быть четко сформулированы и понятны;
b) по возможности необходимо использовать рисунки;
c) инструкции должны содержать следующую минимальную информацию:
1) особенности установки, эксплуатации, контроля и технического обслуживания оборудования;
2) раздел или примечание, обращающие внимание эксплуатанта на необходимость проведения дополнительных осмотров, осмотров устойчивости и/или дополнительного технического обслуживания оборудования при его интенсивной эксплуатации и/или если оборудование является оборудованием с одной опорой;
3) указание на необходимость предотвращения определенных опасностей для детей, возникающих по причине неправильной установки или демонтажа, в том числе при проведении ремонтных работ.
Изготовитель/поставщик должен предоставить информацию по испытаниям (отчет по результатам проведенных испытаний) по требованию покупателя.
6.1.2 Предварительная информация
Изготовитель/поставщик должен предоставить информацию, касающуюся безопасности установки оборудования до принятия заказа, например, посредством фактических данных из технической документации.
Данная информация должна содержать, как минимум, следующие сведения:
a) минимальное пространство;
b) требования к покрытию (включая высоту свободного падения и площадь покрытия);
c) подробные характеристики фундамента и все специальные данные относительно доступности во время проверки и технического обслуживания;
d) габаритные размеры самой большой части/самых больших частей;
e) массу самой тяжелой части/самой большой конструктивной группы, кг;
f) инструкции относительно целевой группы пользователей оборудования;
g) возможность эксплуатации оборудования только в закрытых помещениях или в контролируемых условиях;
h) наличие запасных частей;
i) подтверждение соответствия настоящему стандарту.
6.1.3 Информация по установке
Изготовитель/поставщик должен предоставлять вместе с оборудованием комплектовочную ведомость.
Изготовитель/продавец должен предоставить инструкции по установке для правильной сборки, монтажа и размещения оборудования.
Данная инструкция должна включать, как минимум, следующие сведения:
a) требования к минимальному пространству и безопасным расстояниям;
b) идентификацию оборудования и его составных частей;
c) последовательность монтажа (указания по сборке и особенностям установки);
d) необходимые вспомогательные средства для монтажа, например маркировку определенных частей, сопровождаемых соответствующими инструкциями;
е) указание на необходимость использования специальных инструментов, домкратов, шаблонов или иных вспомогательных монтажных средств и меры предосторожности, которые следует принять. При необходимости указать крутящий момент;
f) пространство, необходимое для установки оборудования;
g) указания по размещению относительно солнца и ветра, при необходимости;
h) особые характеристики фундамента, который предусмотрен для нормальных условий эксплуатации (крепление в грунте), а также конструкции и размещение фундамента (с пометкой о необходимости учитывать неблагоприятные условия);
i) сведения о фундаменте и все специальные указания, необходимые для обеспечения доступа при проведении проверки и технического обслуживания;
j) специальные указания о необходимости определенного ландшафтного профиля для безопасного функционирования (например, высота падения);
k) высота свободного падения (относительно требований к ударопоглощающим покрытиям);
l) необходимость и особые характеристики нанесения покрытия или другой обработки;
m) устранение вспомогательных монтажных средств перед использованием оборудования.
На чертежах и диаграммах однозначно должны быть указаны основные размеры оборудования, а также пространство, высоты и площади, необходимые для установки оборудования.
Изготовитель/поставщик должен предоставить сведения, необходимые для осмотра оборудования до его первого использования.
6.1.4 Информация о проверке и техническом обслуживании
6.1.4.1 Изготовитель/поставщик должен предоставить руководство по техническому обслуживанию (с указанием настоящего стандарта), которое должно содержать требования о периодичности проведения проверки в зависимости от типа оборудования, например оборудования, устойчивость которого зависит от одной опорной стойки, использованных материалов и иных факторов (например, интенсивное использование, степени вандализма, расположение в прибрежной зоне, степени загрязненности воздуха, продолжительность службы оборудования).
Изготовитель/поставщик должен предоставить чертежи и диаграммы, необходимые для технического обслуживания, осмотра и проверки правильности функционирования, а также, при необходимости, ремонта оборудования.
6.1.4.2 Инструкции должны содержать указание о периодичности проведения осмотров или технического обслуживания оборудования или его составных частей, а также должны содержать указания по следующим вопросам:
a) периодический визуальный осмотр (см. 3.26);
Примечание 1 - Для оборудования, подверженного интенсивному использованию или вандализму, может потребоваться проведение ежедневного осмотра.
Примечание 2 - Примерами визуальных осмотров и контроля функционирования являются: чистота, клиренсы, качество и состав поверхности грунта, выступающий фундамент, острые углы, отсутствующие детали, чрезмерный износ (подвижных частей) и прочность конструкции.
b) контроль функционирования (см. 3.27);
Такой осмотр проводят один раз в 1-3 месяца или согласно указаниям изготовителя.
Особое внимание уделяют конструктивным элементам, которые на время их службы заделывают, а также оборудованию, устойчивость которого зависит от одной опорной стойки.
c) ежегодный основной осмотр (см. 3.28);
Особое внимание необходимо уделять герметичным конструктивным элементам и оборудованию, устойчивость которого зависит от одной опорной стойки.
Примечание 3 - Ежегодный основной осмотр может потребовать извлечения или демонтажа отдельных частей конструкции.
6.1.4.3 В инструкциях также приводится следующее:
a) при необходимости должны быть предусмотрены средства и методы по уходу за оборудованием, например смазка, затягивание болтов, повторное натяжение канатов;
b) запасные части должны соответствовать спецификациям изготовителя;
c) специальный способ утилизации отдельных частей оборудования при необходимости;
d) идентификация запасных частей;
e) любые дополнительные меры в период ввода в эксплуатацию, например затягивание креплений, натяжение канатов;
f) необходимость очистки дренажных отверстий;
g) необходимость технического обслуживания покрытий, в частности уровни наполнения сыпучим материалом;
h) необходимость замены или ремонта армированного стеклопластика (GRP) до того, как стекловолокно будет изношено или повреждено. В первую очередь это касается горок.
6.2 Информация, предоставляемая изготовителем или поставщиком ударопоглощающего покрытия
6.2.1 Предварительная информация об ударопоглощающем покрытии
Изготовитель/поставщик должен предоставить следующую информацию, касающуюся характеристик ударопоглощающего покрытия, до принятия заказа (не относится к травянистой поверхности/верхнему слою почвы):
a) если применяются материалы, включенные в таблицу 4, с указанием размеров частиц и определена четкая информация о типе материала (см. таблицу 4), то соответствующая толщина используемого слоя должна быть указана в документации. Если в таблице 4 не приведена информация по покрытию, то должна быть указана критическая высота падения на покрытие, проверенная в соответствии с ГОСТ 34615, приложены копии отчетов или протоколов испытаний;
b) описание процедуры установки, климатических условий при установке и других необходимых мер безопасности;
c) процедуры, которые необходимо соблюдать при эксплуатации, осмотре и техническом обслуживании покрытия;
d) факторы, которые могут повлиять на свойства ударопоглощающего покрытия в процессе эксплуатации;
е) период, в рамках которого при надлежащем техническом обслуживании ожидается необходимый уровень смягчения ударов;
f) возможность проведения регулярного осмотра фундамента оборудования, принимая во внимание окружающий материал, особенно в тех случаях, когда оборудование с одной опорной стойкой окружено заливочным материалом без зазоров и швов;
g) указание, что материал предназначен только для внутреннего, или только для наружного, или для того и другого применения;
h) наличие запасных частей (если таковые имеются) и методы, используемые для ремонта локализованных участков повреждения;
i) соответствие материалов для ударопоглощающих покрытий подразделу 4.1 (а именно 4.1.6), если применимо;
j) примечание, в котором внимание эксплуатанта обращается на необходимость увеличения частоты проведения осмотра/технического обслуживания, если ударопоглощающее покрытие подвергается интенсивному использованию и/или любым условиям, которые могут снизить уровень смягчения удара (например, распад органических материалов или вандализм, а также старение из-за воздействия ультрафиолетового излучения);
k) предупреждение о конкретных опасностях для детей во время неполной установки или во время обслуживания.
6.2.2 Информация по установке ударопоглощающего покрытия
Изготовитель/поставщик покрытия должен предоставить полные и подробные инструкции по установке на языке (языках) страны, в которой покрытие будет установлено и использоваться. Эти инструкции должны соответствовать следующему:
a) инструкции должны быть четко сформулированы и понятны;
b) по возможности необходимо использовать рисунки; и
c) инструкции должны содержать следующую минимальную информацию:
1) полная процедура подготовки грунта, субстрата, дренажа и т.д.;
2) характеристики структуры и установки покрытий и оборудования, необходимые для обеспечения соответствующего уровня смягчения удара;
3) способы обращения с краями, гранями и местами соединения с другими материалами, если это необходимо;
4) любые ограничения, связанные с погодными условиями, во время установки и любая последующая защита от погодных условий;
5) специальные инструкции, если для безопасной установки и эксплуатации необходим особый ландшафтный профиль;
6) условия для выполнения требований к ударопоглощающему покрытию в зависимости от высоты свободного падения.
Изготовитель/поставщик должен предусмотреть подробные условия, необходимые для проверки ударопоглощающего покрытия перед его первым использованием.
6.2.3 Информация о проверке и техническом обслуживании ударопоглощающего покрытия
6.2.3.1 Изготовитель/поставщик покрытия для игровых площадок должен предоставить инструкции по процедурам проведения технического обслуживания и проверки, например относительно удаления загрязняющих веществ, с указанием того, что частота осмотра будет варьироваться в зависимости от типа материала ударопоглощающего покрытия и условий его использования, например области доступа/выхода, и других факторов (например, интенсивное использование, уровни вандализма, расположение в прибрежной зоне, загрязнение воздуха, старение материала).
Примечание - Отсутствие технического обслуживания может снизить свойства ударопоглощающего покрытия.
6.2.3.2 Инструкции по техническому обслуживанию должны содержать всю информацию, необходимую для сохранения требуемых характеристик (например, минимальная толщина слоя ударопоглощающего покрытия из сыпучего материала) и, при необходимости, информацию о ремонте или пополнении поверхности ударопоглощающего покрытия. Для всех типов ударопоглощающих покрытий особое внимание следует уделять воздействию в результате старения (под воздействием ультрафиолетового излучения, тепла, холода), загрязнения, снижения или потери ударопоглощающих свойств.
В инструкциях также должно быть указано:
a) что запасные части должны соответствовать спецификациям изготовителя;
b) требуется ли для материала или деталей специальная утилизация;
c) идентификация запасных частей (соединительных элементов, плит и т.д.);
d) любые дополнительные меры, которые необходимо принять, в частности методы по очистке, дезинфекции, ремонту и т.д.;
e) необходимость поддержания функционирования дренажной системы;
f) техническое обслуживание покрытия, в частности поддержание глубины слоя сыпучего материала.
Примечание - При ежегодном основном осмотре может потребоваться вскрытие для обеспечения доступа к фундаменту, а также последующего ремонта ударопоглощающего покрытия.
6.2.4 Идентификация ударопоглощающего покрытия на игровых площадках
Покрытие, кроме травянистой поверхности/верхнего слоя почвы (см. 4.2.8.5 и 4.2.8.5.2), должно быть маркировано изготовителем или поставщиком или должна быть предоставлена письменная информация для идентификации покрытия и его характеристик.
7.1 Идентификация оборудования
На оборудовании должна быть предусмотрена четко сформулированная, нестираемая, расположенная в области, хорошо видимой с уровня поверхности игровой площадки, содержащая следующие данные маркировка:
a) наименование и адрес изготовителя или уполномоченного представителя;
b) наименование оборудования и год изготовления, заводской номер;
c) ссылка на настоящий стандарт.
7.2 Маркировка верхней поверхности игровой площадки
Оборудование должно иметь разборчивую и нестираемую отметку базового уровня заглубления (см. рисунок 24).
Приложение А
(обязательное)
А.1 Постоянные нагрузки
А.1.1 Общие положения
Нагрузки Q (в ньютонах), воздействующие на оборудование или элементы оборудования, создаются гравитацией g масс (Q = G x g), а также динамическими эффектами этих масс (например, от качания качелей), а также присоединенными элементами (например, от канатов, цепей) и внешними воздействиями (например, ветра). Расчет суммарных нагрузок (силы F и T в ньютонах) и их комбинаций, действующих на разных примерах оборудования, описан в следующих подразделах.
Для статического анализа (расчет напряжений) несущих нагрузок в частях оборудования следует использовать факторы безопасности для нагрузок в соответствии с В.2.
Постоянные нагрузки Qp состоят из:
a) собственной массы оборудования и составных частей G;
b) нагрузки предварительного натяжения (например, веревочных сетей и канатных дорог) Qt;
c) массы воды при использовании резервуаров для воды.
А.1.2 Нагрузки, обусловленные собственной массой
Должна быть оценена нагрузка, обусловленная собственной массой конструкции и ее составных элементов.
А.1.3 Нагрузки, обусловленные предварительным натяжением
Нагрузки от предварительного натяжения рассматривают как постоянные нагрузки. Необходимо учитывать максимальную и минимальную нагрузку натяжения.
Примечание - Ввиду ползучести и эластичности материалов предварительное натяжение зависит от времени. Может потребоваться проверка двух случаев нагрузки:
a) начальное предварительное натяжение;
b) конечное предварительное натяжение.
А.1.4 Масса воды
Необходимо учитывать максимальный и минимальный уровень воды в резервуаре.
А.2 Переменные нагрузки
А.2.1 Общие положения
Переменные нагрузки Qi состоят из:
a) нагрузок, создаваемых пользователем;
b) нагрузок снежного покрова;
c) ветровых нагрузок;
d) температурных нагрузок;
e) особых видов нагрузок.
А.2.2 Нагрузки, создаваемые пользователем
Нагрузку на оборудование, создаваемую пользователями, рассчитывают по следующим формулам:
а) общая масса
Gn = n·m + 1,64·σ√n,
(А.1)
где Gn - общая масса n детей, кг;
n - количество детей на оборудовании или частях оборудования согласно А.3;
m - средняя масса ребенка определенной возрастной группы, кг;
σ - стандартное отклонение для детей соответствующей возрастной группы.
Для общественного и частного оборудования можно применять следующие показатели: m = 53,8 кг и σ = 9,6 кг.
Эти значения основаны на данных для детей в возрасте 14 лет. Однако рассчитанные нагрузки включают факторы безопасности, которые предусматривают возможность использования конструкции также взрослыми людьми.
При расчете нагрузки для оборудования, на котором осуществляется надзор и которое доступно только для определенных возрастных групп (детские сады), можно использовать следующие показатели:
- возраст до 4 лет: m = 16,7 кг, σ = 2,1 кг;
- возраст до 8 лет: m =27,9 кг, σ = 5,0 кг;
- возраст до 12 лет: m = 41,5 кг, σ = 7,9 кг.
Примечание 1 - Масса детей в возрасте до 14 лет рассчитывается исходя из антропометрических данных возрастной группы от 13,5 до 14,5 лет, включая 2 кг на одежду. Для других возрастных групп детей 4, 8 и 12 лет масса на одежду учитывается из расчета 0,5 кг, 1 кг и 1,5 кг соответственно.
b) динамический фактор
Cdyn = 1 + 1/n,
(А.2)
где Cdyn - это фактор, который представляет нагрузку, возникающую из-за движения пользователей (бег, игра и т.д.), включая поведение материала под воздействием ударной нагрузки.
c) общая вертикальная нагрузка пользователей
Ftot;v = g × Gn × Cdyn,
(А.3)
где Ftot;v - общая вертикальная нагрузка пользователей на игровое оборудование, создаваемая n детьми, Н;
g - ускорение свободного падения (10 м/с2);
Примечание 2 - В таблице А.1 представлены примеры данных для расчета.
|
Количество пользователей, n |
Масса n пользователей Gn, кг |
Динамический фактор Cdyn |
Общая вертикальная нагрузка пользователей Ftot;v, Н |
Вертикальная нагрузка одного пользователя Fl;v, Н |
|
1 |
69,5 |
2,00 |
1391 |
1391 |
|
2 |
130 |
1,50 |
1948 |
974 |
|
3 |
189 |
1,33 |
2516 |
839 |
|
5 |
304 |
1,20 |
3648 |
730 |
|
10 |
588 |
1,10 |
6468 |
647 |
|
15 |
868 |
1,07 |
9259 |
617 |
|
20 |
1146 |
1,05 |
12033 |
602 |
|
25 |
1424 |
1,04 |
14810 |
592 |
|
30 |
1700 |
1,03 |
17567 |
586 |
|
40 |
2252 |
1,025 |
23083 |
577 |
|
50 |
2801 |
1,02 |
28570 |
571 |
|
60 |
3350 |
1,017 |
34058 |
568 |
|
∞ |
- |
1,00 |
- |
538 |
|
Примечание - Для бесконечности вертикальная нагрузка от пользователя соответствует средней массе. | ||||
d) общая горизонтальная нагрузка от пользователя
Общая горизонтальная нагрузка от пользователя составляет 10 % от общей вертикальной нагрузки пользователей в соответствии с А.2.2 с) и воздействует на одном и том же уровне наряду с вертикальной нагрузкой:
Ftot;h=0,1Ftot.
(А.4)
Примечание 3 - Данная нагрузка включает движения играющих детей и отклонения в конструкции.
e) распределение нагрузок пользователей
Нагрузки от пользователя равномерно распределены по элементу оборудования следующим образом:
1) точечная нагрузка:
F=Ftot, Н.
(А.5)
Сила F воздействует на поверхность размером 0,1 м x 0,1 м;
2) линейная нагрузка:
q=Ftot/L, Н/м,
(А.6)
где L соответствует А.3.3;
3) нагрузки, распределенные по поверхности:
p=Ftot/A, Н/м2,
(А.7)
где А соответствует А.3.4;
4) объемные нагрузки:
q=Ftot/L, Н/м
(А.8)
или
p=Ftot/A, Н/м2.
(А.9)
Примечание 4 - Объемные нагрузки представлены в качестве линейных нагрузок или в качестве нагрузок, распределенных по поверхности, в зависимости от элемента конструкции.
А.2.3 Нагрузки снежного покрова
Нагрузки снежного покрова по нормативным документам, принятым в странах, проголосовавших за принятие настоящего стандарта, причем учетный период равен 10 годам.
А.2.4 Ветровые нагрузки
Ветровые нагрузки по нормативным документам, принятым в странах, проголосовавших за принятие настоящего стандарта, причем учетный период равен 10 годам.
А.2.5 Температурные нагрузки
Температурные нагрузки приведены в [3] или принимают нагрузки в соответствии с нормативными документами, принятыми в странах, проголосовавших за принятие настоящего стандарта, причем учетный период равен 10 годам.
А.2.6 Особые виды нагрузок
А.2.6.1 Сиденья качелей
Количество пользователей n на сиденьях качелей, находящихся в движении, рассчитывают следующем образом:
a) для обычных качелей n = 2;
b) для качелей с гондолами (лодочками) n устанавливают в соответствии с А.3;
c) для качелей с одной точкой крепления n = L/0,6; при n ≥ 2, где L - общая длина внешнего края качающейся платформы, м.
Нагрузки, возникающие при движении качелей, должны быть рассмотрены для всех самых неблагоприятных положений рассматриваемого элемента.
Не требуется учитывать нагрузки пользователей, указанные в перечислениях А.2.2.
Примечание 1 - Предполагается, что при движении качелей масса распределяется равномерно по оборудованию между точками опоры.
Максимальный угол отклонения αmax по вертикали для сидений качелей, подвешенных на канатах или цепях, должен составлять 80°.
Примечание 2 - В приложении В указан метод расчета сил, возникающих при движении качелей. Также приведен наглядный пример.
А.2.6.2 Карусели
Количество пользователей на карусели должно быть максимальным и рассчитываться исходя из:
a) количества посадочных мест в соответствии с А.3.3, где Lpr является общей длиной посадочных мест; или
b) размеров платформы в соответствии с А.3.4, где Apr является поверхностью платформы.
Для каруселей необходимо учитывать два вида нагрузок, создаваемых пользователями:
c) нагрузка Ftot равномерно распределена по всей карусели;
d) нагрузка Ftot (состоящая из 1/2 Lpr или 1/2 Apr) равномерно распределена по одной половине карусели.
Примечание - Вертикальная и горизонтальная нагрузки пользователей воздействуют одновременно. Центробежные силы не учитывают, поскольку они перекрываются горизонтальной нагрузкой пользователей.
А.2.6.3 Канатные дороги
Максимальное натяжение несущего троса канатной дороги рассчитывается в момент, когда пользователи раскачиваются в центре несущего троса в вертикальном направлении.
Нагрузки, создаваемые пользователем в соответствии с перечислениями с) и d) А.2.2, не учитываются.
Максимальные воздействия на фундамент канатной дороги могут быть основаны на статической ситуации, когда пользователь находится на середине каната.
Количество пользователей n стандартной канатной дороги - n = 2.
Примечание - В приложении В приведен метод расчета сил, возникающих при движении пользователей по канатной дороге. Также приведен наглядный пример.
А.2.6.4 Пространственные сети
Количество пользователей на сети рассчитывают согласно А.3.5, исходя из объема V, образуемого внешней поверхностью пространственной сети.
Для пространственных сетей необходимо учитывать два вида нагрузок, создаваемых пользователями:
a) нагрузка Ftot (V), равномерно распределена по всей конструкции;
b) нагрузка Ftot (1/2 V), равномерно распределена по одной половине конструкции.
А.2.6.5 Лестницы и приставные лестницы
Количество пользователей на лестнице и приставной лестнице, обеспечивающих доступ к оборудованию, рассчитывается в соответствии с А.3.3 на основании суммы длин всех перекладин или ступеней.
А.2.6.6 Ограждения и перила
Горизонтальная нагрузка на ограждения и перила составляет 750 Н/м и действует в горизонтальном направлении на верхнюю часть.
А.2.6.7 Места для сидения
Количество пользователей на одно сиденье является наибольшим значением, получаемым с учетом следующих условий:
a) один пользователь - нагрузку рассматривают как точечную нагрузку;
b) количество определяют согласно положениям настоящего стандарта для специального оборудования - нагрузку рассматривают как распределенную нагрузку;
c) количество рассчитывают согласно А.3.2.
А.2.6.8 Боковая защита горок
Вертикальные и горизонтальные нагрузки, оказываемые на боковую защиту горок, указаны в А.2.2.
А.3 Количество пользователей на одном оборудовании
А.3.1 Общие положения
Необходимо рассчитывать количество пользователей для каждого несущего элемента конструкции, на которые может воздействовать нагрузка от пользователей.
Значение, полученное в результате расчетов, необходимо округлить в большую сторону до следующего целого числа.
Примечание - Под округлением в этом контексте понимается, например, то, что 3,13 округляется до 4,0.
А.3.2 Количество пользователей на одно место
При отсутствии иных указаний количество пользователей n на одно место будет равно n = 1.
Любой элемент оборудования, который доступен для стояния, хождения или лазания, или имеющий ровную поверхность шириной более 0,1 м и угол наклона к горизонтали не более 30°, должен выдерживать нагрузку от одного пользователя.
Примечание - Это требование распространяется также на перекладины и ступени, являющиеся опорой для ног пользователя.
А.3.3 Количество пользователей на элементах оборудования линейной формы
Количество пользователей n на элементе оборудования линейной формы рассчитывают следующим образом:
a) для элементов линейной формы с углом наклона к горизонтали не более 60°:
n = Lpr/0,6;
(А.10)
b) для элементов линейной формы с углом наклона к горизонтали более 60°:
n = L/1,20,
(А.11)
где L - длина конструктивного элемента, м;
Lpr - длина проекции элемента на горизонтальную плоскость, м.
Элементами линейной формы являются ступени в лестницах и поручнях для лазания, опоры и канаты.
А.3.4 Количество пользователей на поверхности
Количество пользователей n на одной поверхности рассчитывают следующим образом:
a) для поверхности с углом наклона не более 60°:
n = Apr/0,36;
(А.12)
b) для поверхности с углом наклона более 60°:
n = A/0,72,
(А.13)
где А - площадь поверхности, м2;
Apr - площадь проекции элемента на горизонтальную плоскость, м2.
Платформы, платформы решетчатого типа, трапы и сети считаются плоскими конструктивными элементами.
Ширина поверхности должна быть более 0,6 м. Более узкие поверхности считаются элементами линейной формы.
Если конструктивные элементы такого типа, например, сети или решетки, могут использоваться с обеих сторон, то количество пользователей n определяют исходя только из одной стороны. Такие типы конструктивных элементов не должны подвергаться такой сильной нагрузке, как платформы.
А.3.5 Количество пользователей внутри конструкции
Количество пользователей n внутри конструкции рассчитывают следующим образом:
- для объема V ≤ 4,3 м3:
n = V/0,43;
(А.14)
- для объема 4,3 м3 < V ≤ 12,8 м3:
n = (V – 4,3)/0,85;
(А.15)
- для объема V > 12,8 м3:
n = 20 + (V – 12,8)/1,46,
(А.16)
где V - объем, образуемый внешней поверхностью оборудования, м3.
Расчет максимального числа пользователей на оборудовании (например, оборудование для лазания, пространственные сети) производится исходя из его объема.
Примечание - Указанные объемы основаны на следующих размерах:
a) 0,60 м х 0,60 м х 1,20 м = 0,43 м3;
b) 0,75 м х 0,75 м х 1,50 м = 0,85 м3;
c) 0,90 м х 0,90 м х 1,80 м = 1,46 м3.
Приложение В
(обязательное)
В.1 Общие принципы: предельные состояния
В.1.1 Предельное состояние
Каждая конструкция и элемент конструкции, например соединения, фундаменты, опоры, рассчитываются с учетом комбинации нагрузок в соответствии с В.2.
Предпочтительный метод расчета должен основываться на общих принципах и определениях предельных состояний, приведенных в соответствующих Еврокодах.
Допускается применение других технических правил и методов строительной практики для проведения расчетов при условии, что уровень безопасности будет соответствующим.
Примечание - Предельные состояния - это состояния, при которых конструкция не будет соответствовать требованиям настоящего стандарта.
Предельные состояния обозначают следующими символами и рассчитывают по следующей формуле:
γF × S ≤ R/γM,
(В.1)
где γF - коэффициент надежности по нагрузке;
γM - коэффициент надежности по материалу;
S - воздействие нагрузки;
R - сопротивление конструкции.
Для того чтобы выявить отклонения при фактических нагрузках и в модели, используемой для определения нагрузки, показатели нагрузок умножают на коэффициент надежности по нагрузке γF.
Для того, чтобы выявить отклонения фактических свойств материала и свойств материалов моделей, используемых для измерения нагрузок в конструкции, показатель сопротивления конструкции следует разделить на коэффициент надежности по материалу γM.
Как правило, приведенный метод не пригоден для выражения предельных состояний, поскольку в действительности часто отсутствуют линейные взаимосвязи (например, в тех случаях, когда нагрузки комбинируют).
В.1.2 Первое предельное состояние
Предельные состояния, требующие рассмотрения, включают:
a) потерю равновесия всей конструкции или ее части, принимаемой за неподвижное тело;
b) неисправность по причине существенной деформации, поломки или потери устойчивости конструкции или ее частей.
Примечание - Первое предельное состояние - это состояние, связанное с поломкой или с другими формами выхода из строя конструкции, которое может угрожать безопасности пользователей.
В.1.3 Предельное состояние эксплуатационной пригодности
В случаях, когда установлены требования к эксплуатационной пригодности, предпочтительный метод расчета должен быть основан на принципах предельного состояния эксплуатационной пригодности согласно соответствующему Еврокоду.
Требования к деформации, вызванной предельным состоянием эксплуатационной пригодности, указанные в Еврокодах, не применяют к оборудованию.
Примечание - Предельные состояния по эксплуатационной пригодности соответствуют состояниям, которые не отвечают установленным эксплуатационным требованиям.
В.2 Комбинации нагрузок для статических расчетов
Для проверки необходимо применять следующие комбинации нагрузок:
γG;c× Qp + γQ;c × Qi,
(В.2)
где Qp - постоянная нагрузка в соответствии с А.1;
Qi - одна из переменных нагрузок в соответствии с А.2.2-А.2.6;
γG;c - коэффициент надежности по постоянной нагрузке, который применяется в расчетах;
γQ;c - коэффициент надежности по переменной нагрузке, который применяется в расчетах;
Необходимо использовать следующие коэффициенты надежности по нагрузке:
γG;c = 1,0 - для благоприятных условий;
γG;c = 1 - для неблагоприятных условий;
γQ;c = 0 - для благоприятных условий;
γQ;c = 1,35 - для неблагоприятных условий.
Примечание 1 - Не требуется комбинировать независимые друг от друга переменные нагрузки, например ветровые и создаваемые пользователем. Зависимые нагрузки, действующие в различных направлениях, например вертикальные и горизонтальные нагрузки пользователей, комбинируют друг с другом.
Примечание 2 - В приведенных ниже примерах определены только силы (F или T), создаваемые нагрузками Q. Для статического расчета конструктивных элементов необходимо учитывать приведенные выше коэффициенты надежности.
В.3 Пример расчета нагрузок, создаваемых пользователями (без учета коэффициентов надежности)
В.3.1 Общие положения
Применение системы нагрузки, основанной на количестве пользователей, приводится на примере платформы с приставной лестницей (см. рисунок В.1).
Показатели
Платформа:
размеры 1000 мм х 1000 мм.
Приставная лестница
длина 1770 мм;
количество перекладин 6;
ширина наружная 388 мм;
ширина внутренняя 350 мм;
угол 76°.
Ограждение:
длина 4 х 1000 мм.

Рисунок В.1 - Платформа с лестницей
В.3.2 Платформа
Количество пользователей, находящихся на платформе, рассчитывают в соответствии с формулой (А.12):
n = Apr/0,36 = 1,0/0,36 = 2,77; округляют до n = 3.
Общая вертикальная нагрузка на платформу (указана в таблице А.1) составляет: Ftot,v = 2516 Н.
Горизонтальная нагрузка от пользователей на платформу (рассчитанная по формуле А.4) составляет: Ftot;h =°0,1 Ftot,v = 252 H.
В.3.3 Ограждение
Для ограждений, элементов линейной формы, учитывают два вида нагрузки: нагрузка от пользователей и нагрузка от ограждения.
Количество пользователей на ограждение составляет [рассчитывают в соответствии с формулой (А.10)]: n = Lpr/0,6 = 1,0/0,6 = 1,67; округляют до n = 2.
Общая вертикальная нагрузка (приведена в таблице А.1) составляет: Ftot;v = 1948 Н.
Линейная нагрузка на ограждение составляет: qv = Ftot;v/Lpr = 1948 Н/м.
Горизонтальная нагрузка на ограждение составляет: qh = 0,1 qv = 195 Н/м.
Примечание - Данная нагрузка перекрывается нагрузкой ограждения, и поэтому нет необходимости в дальнейшем ее учитывать.
В соответствии с А.2.6.6 горизонтальная нагрузка на поручень составляет 750 Н/м.
В.3.4 Приставная лестница
В соответствии с А.3.2 каждая перекладина должна выдерживать одного пользователя: Ftot;v = 1391 Н.
Лестница в данном примере обеспечивает доступ к оборудованию. В соответствии с А.2.6.5 количество пользователей рассчитывают исходя из суммы общей длины всех перекладин.
Общая длина всех перекладин составляет: 6 х 0,35 м = 2,1 м.
Количество пользователей рассчитывают в соответствии с А.3.3 [формула (А.10)]: n = Lpr/0,6 = 2,1/0,6 = 3,5 округляют до n = 4.
Лестница приставная должна выдерживать нагрузку, создаваемую четырьмя пользователями (см. А.2.2 с)): Ftot;v = 10 х (4 х 53,8 + 1,64 х 9,6 √4) x (1 + 1/4) = 3084 Н.
Для удобства расчета допускается руководствоваться таблицей А.1: Ftot;v = 4 x 839 = 3356 Н.
В.3.5 Общая конструкция
Нагрузка на всю конструкцию может быть принята как сумма нагрузок отдельных конструктивных элементов. Однако можно учесть эффект уменьшения нагрузки при повышенном количестве пользователей.
Платформа n = 2,77.
Ограждения (4) n = 4 x 1,67 = 6,68.
Приставная лестница n = 3,5.
Всего n = 12,95.
Округлено до n = 13.
Общая вертикальная нагрузка на конструкцию составляет согласно таблице А.1: Ftot;v = 13 x 674 = 8762 Н.
Примечание 1 - Допускается проведение более точного расчета в соответствии с А.2.2 с).
Общая горизонтальная нагрузка на конструкцию, рассчитываемая согласно формуле (А.4), составляет: Ftot;h = 0,1 Ftot;v = 876 H.
Примечание 2 - Общая горизонтальная нагрузка состоит из трех малых горизонтальных нагрузок (платформы, ограждения, лестницы), которые действуют в различных плоскостях.
В.4 Расчет нагрузки, воздействующей на сиденье качелей
На качели, приведенные на рисунке В.2, действуют нагрузки, вызванные движением:
Fh = Ch × g × (Gn + Gs),
(В.3)
Fv = Cv × g × (Gn + Gs),
(В.4)
Fr = Cr × g × (Gn + Gs),
(В.5)
где Fh - горизонтальная нагрузка на часть оборудования, Н;
Fv - вертикальная нагрузка на часть оборудования, Н;
Fr - суммарная нагрузка на часть оборудования, Н;
g - ускорение свободного падения (g = 10 м/с2);
Gs - масса части оборудования, кг;
Gn - согласно перечислению а) А.2.2;
n - количество пользователей на одних качелях согласно А.2.6.1.
Ch, Cv, Cr - коэффициенты нагрузки в зависимости от максимального угла качения αmax и угла качения α принятой позиции согласно таблице В.1.
Масса качающейся части оборудования состоит из массы качающейся платформы и половины массы тросов, канатов или стержней.
Особой нагрузкой на сиденье качелей является переменная нагрузка, которая включает собственную массу качающейся части оборудования (обычно она принимается как постоянная нагрузка). Эффект, возникающий в результате разницы коэффициентов постоянной и переменной нагрузки (см. В.2), в данном случае не является значительным.
Поэтому Fh, Fv, Fr необходимо рассматривать как переменные нагрузки.

Рисунок В.2 - Нагрузки, действующие на качели
|
αmax = 80° | |||
|
α |
Cr |
Cv |
Ch |
|
80° |
0,174 |
0,030 |
0,171 |
|
70° |
0,679 |
0,232 |
0,638 |
|
60° |
1,153 |
0,577 |
0,999 |
|
50° |
1,581 |
1,016 |
1,211 |
|
42,6° |
1,861 |
1,370 |
1,260 |
|
40° |
1,950 |
1,494 |
1,253 |
|
30° |
2,251 |
1,949 |
1,126 |
|
20° |
2,472 |
2,323 |
0,845 |
|
10° |
2,607 |
2,567 |
0,453 |
|
0° |
2,653 |
2,653 |
0,000 |
В.5 Примеры нагрузок, действующих на качели (без коэффициентов надежности)
Качающаяся платформа
Качающаяся платформа состоит из резиновой шины со встроенной внутри стальной сеткой, которая крепится на четырех несущих цепях (см. рисунок В.3). Диаметр - 1 м, масса шины с сеткой - 50 кг, масса цепей - 10 кг.

Рисунок В.3 - Качели с креплением в одной точке
Расчет
Масса качающейся части оборудования: Gs = 50 + (1/2 x 10) = 55 кг.
Наружная окружность качающейся платформы: L = π х D = 3,14 x 1,0 = 3,14 м.
Количество пользователей: n = L/0,6 = 3,14/0,6 = 5,23; округляют до n = 6.
Масса n пользователей [см. формулу (А.1)]: Gn = n x m + 1,64 x σ√n = 6 x 53,8 + 1,64 x 9,6 x √6 = 361 кг.
Максимальный угол качения αmax: качающаяся платформа висит на цепях, поэтому αmax = 80°.
Максимальная сила в цепях возникает при наибольшей суммарной силе Fr, [см. формулу (В.5)].
Для α = 0° коэффициент нагрузки для суммарной силы является наибольшим: Cr = 2,653.
Fцепи= Cr x g х (Gn + Gs) = 2,653 x 10 x (361 + 55) = 11036 Н.
Максимальная вертикальная сила возникает при наибольшем значении коэффициента нагрузки Cv [см. формулу (В.4)].
Для α = 0° коэффициент нагрузки Cv = 2,653.
Fv = Cv x g x (Gn + Gs) = 2,653 x 10 x (361 + 55) = 11036 H.
Коэффициент нагрузки для одновременно действующей горизонтальной нагрузки составляет: Ch = 0, Fh = 0 Н.
Максимальная горизонтальная сила возникает при наибольшем значении коэффициента нагрузки Ch [см. формулу (В.3)].
Для α = 42,6° коэффициент нагрузки Ch = 1,260.
Fh = Ch x g x (Gn + Gs) = 1,260 x 10 x (361 + 55) = 5242 H.
Коэффициент нагрузки для одновременно действующей вертикальной нагрузки [см. формулу (В.4)] составляет Cv = 1,372.
Fv = Cv x g x (Gn + Gs) = 1,372 x 10 x (361 + 55) = 5708 Н.
В.6 Расчет нагрузок на несущий трос канатной дороги
В.6.1 Общие положения
Ниже приведен расчет наибольшей силы натяжения несущего троса канатной дороги. Натяжение несущего троса считается прямолинейным (вдоль прямой линии).
Если учитываются показатели, представленные в таблице В.2, проведение расчета не требуется.
Расчет половины массы Gc, кг, несущего троса проводят по формуле
,
(В.6)
где gc - масса одного метра несущего троса, кг;
lc - расстояние между точками опоры канатной дороги, м.

U0 - статический начальный провес несущего троса, состоящий из собственной массы несущего троса и массы бегунка (Gc + Gr), м; u - динамический провес несущего троса под воздействием качающейся массы (Gc + Gr + Gn), м, где Gr - масса бегунка, кг;
Gn - масса n-го количества пользователей в соответствии с перечислениями А.2.2;
n - количество пользователей (для стандартной канатной дороги n = 2).
Рисунок В.4 - Провес несущего троса канатной дороги
Примечание 1 - Низкий показатель статического начального провеса u0 приводит к большой силе натяжения несущего троса и, следовательно, к большой нагрузке, воздействующей на опоры и фундамент. Нельзя пренебрегать умеренными температурными воздействиями, поскольку это может существенным образом отразиться на изменении силы натяжения несущего троса. Малый провес приводит к незначительному снижению скорости перемещения в конце несущего троса, что может привести к дополнительной опасности.
Максимальную силу натяжения Ttot, Н, несущего троса рассчитывают следующим образом:
Ttot = Tpr + T,
(В.7)
где Тpr - предварительное натяжение несущего троса, Н;
Т - сила натяжения несущего троса, создаваемая пользователями, Н.
Предварительное натяжение несущего троса рассчитывают следующим образом:
,
(В.8)
где g - ускорение свободного падения (g = 10 м/с2);
α - относительный начальный провес
.
(В.9)
Примечание 2 - По прошествии определенного времени начальный провес u0 может увеличиться в результате растяжения несущего троса. Следовательно, сила натяжения несущего троса уменьшается (что безопасно).
Силу натяжения несущего троса, создаваемую нагрузкой пользователей, рассчитывают следующим образом:
,
(В.10)
где р - относительный максимальный динамический провес
;
Ес - эластичность несущего троса, Н/мм2;
Ас - площадь поперечного сечения несущего троса, мм2.
Находят значение р, которое соответствовало бы следующему уравнению:
p3 + α·p2 + (4β - α2)p + 4α·β - α3 – C = 0,
(В.11)
где β - отношение предварительного натяжения = Tpr/(ЕсAс);
(В.12)
С - константа = 4 (Gc + Gr + Gn) х g/(EcAc).
(В.13)
Примечание 3 - Верное значение для р можно найти из следующего уравнения
.
(В.14)
В.6.2 Пример нагрузок, оказывающих воздействие на канатную дорогу (без коэффициентов безопасности)
Показатели Канатная дорога:
Длина 60 м.
Начальный статический провес 1 % длины натяжения.
Несущий трос 6 х 36 WS канат со стальной стренгой.
Номинальный диаметр 12 мм.
Масса 0,602 кг/м.
Площадь поперечного сечения 66,24 мм2.
Эластичность: 105000 Н/мм2.
Предельная нагрузка на трос 101 кН.
Бегунок:
Масса 10 кг.
Пользователи:
Масса двух пользователей 130 кг.
Расчет
Статический провес (см. рисунок В.4) u0 = 0,01 x 60 = 0,6 м.
Относительный начальный провес [см. формулу (В.9)] α = u0/(1/2lc) = 0,6/(1/2 x 60) = 0,02.
Половина массы несущего троса [см. формулу (В.6)] Gc = 1/2gclc = 1/2 х 0,602 x 60 = 18 кг.
Масса бегунка Gr = 10 кг.
Масса двух пользователей Gn = 130 кг.
Предварительное натяжение несущего троса [см. формулу (В.8)]
.
Отношение предварительного натяжения [см. уравнение (В.12)]: В = Tpr/(EcAc) = 7000/(105000 x 66,24) = 0,00100644.
Константа [см. формулу (В.13)]: С = 4 (Gc + Gr + Gn) x g/(EcAc) = 4 (18 + 10 + 130) x 10/(105000 x 66,24) = 0,00090867.
Уравнение (В.11) решают следующим образом:
p3 + αp2 + (4β - α2)p + 4αβ - α3 – C = 0.
p3 + 0,02p2 + 0,0036258p + 0,0008361548 = 0.
Значение р, при котором выполняется вышеприведенное уравнение, следующее р = 0,07625.
Теперь можно рассчитать дополнительную динамическую силу натяжения [см. формулу (В.10)] Т = 1/2 (р2 - α2) ЕcАc = 1/2 (0,076252 - 0,022) x 105000 x 66,24 = 18828 Н.
Общая сила натяжения Ttot несущего троса [см. формулу (В.7)] равна: Ttot = Тpr + Т = 7000 + 18828 = 25828 Н.
Примечание - Общая нагрузка, действующая на опорную конструкцию несущего троса (Ftot = Ttot), представляет собой комбинацию постоянной нагрузки (QP = Тpr) и переменной нагрузки (Qi = T) (см. также А.1.3 и А.2.6.3).
В таблице В.2 рассчитаны максимальные силы натяжения троса. Таблицей можно руководствоваться во всех случаях, в которых:
- масса несущего троса ≤ 0,75 кг/м;
- эластичность несущего троса ≤ 110000 Н/мм2;
- площадь поперечного сечения троса ≤ 80 мм2;
- масса бегунка ≤ 25 кг;
- масса пользователей ≤ 130 кг.
|
Длина натяжения, м |
Начальный провес | ||||
|
1 % |
2 % |
3 % |
4 % |
5 % | |
|
20 |
28,0 |
23,6 |
19,5 |
16,2 |
13,6 |
|
30 |
28,3 |
23,8 |
19,7 |
16,4 |
13,8 |
|
40 |
28,6 |
24,1 |
20,0 |
16,6 |
14,0 |
|
50 |
29,0 |
24,3 |
20,0 |
16,8 |
14,1 |
|
60 |
29,3 |
24,6 |
20,4 |
17,0 |
14,3 |
Приложение С
(обязательное)
С.1 Критерии оценки результатов "годен"/"не годен"
С.1.1 Несущая способность
Испытательный образец должен выдерживать общую испытательную нагрузку (см. С.2) в течение 5 мин.
С.1.2 Отказ
После проведения испытаний у испытуемого образца не допускается наличие трещин, повреждений или чрезмерной остаточной деформации, а также ослабления соединений.
Остаточная деформация считается недопустимой, если она приводит к нарушению любого требования настоящего стандарта.
С.2 Испытательные нагрузки для оборудования
С.2.1 Комбинация нагрузок при испытании
При проведении испытаний необходимо применять следующие комбинации нагрузок:
γQp;t×Qp+γQ;t×Qi,
(С.1)
где Qp - постоянная нагрузка в соответствии с А.1;
Qi - одна из переменных нагрузок в соответствии с А.2.2-А.2.6;
γQ;t - коэффициент надежности для переменных нагрузок, применяемый при испытаниях в соответствии с С.2.2 или С.2.3 (γQp;t = 1,0 во всех случаях нагрузки).
Не требуется комбинировать независимые друг от друга переменные нагрузки, например ветровые нагрузки и нагрузки от пользователей. Однако необходимо комбинировать связанные друг с другом нагрузки, которые действуют в различных направлениях (например, вертикальную и горизонтальную нагрузки от пользователя).
При проведении испытания присутствуют постоянные нагрузки. По сравнению с переменными нагрузками для оборудования постоянные нагрузки в основных случаях являются незначительными, поэтому при проведении испытаний для постоянных нагрузок не требуется дополнительно учитывать коэффициент надежности.
С.2.2 Коэффициент надежности при испытании
Следует применять нижеуказанный коэффициент надежности, если испытание не проводят для каждого опытного образца из одной партии:
- γQi;t = 0 для благоприятных воздействий;
- γQi;t = 2,0 для неблагоприятных воздействий.
С.2.3 Коэффициент надежности для испытаний изделий с особыми характеристиками
Необходимо применять следующий коэффициент надежности, если проводят испытание каждого испытательного образца, включая изделия с особыми характеристиками:
γQi;t = 0 для благоприятных воздействий;
γQi;t = 1,35 для неблагоприятных воздействий.
С.3 Приложение нагрузки
С.3.1 Сосредоточенные нагрузки
При приложении нагрузки на один элемент оборудования не допускается превышать следующие размеры:
- линейный элемент l ≤ 0,1 м;
- плоский элемент а ≤ 0,1 м x 0,1 м,
где l - длина области приложения испытательной нагрузки, м;
а - размер приложения испытательной нагрузки, м.
При моделировании нагрузки, создаваемой одним пользователем, необходимо прилагать нагрузку, как правило, на длину не более 0,1 м.
С.3.2 Распределенные нагрузки на линейных элементах
Распределенные нагрузки на линейных элементах могут быть представлены как равномерно распределенные сосредоточенные нагрузки, прикладываемые к конструкции на расстоянии не более 0,6 м друг от друга. Длина элемента, нагружаемая сосредоточенными нагрузками, не должна превышать 0,6 м.
С.3.3 Нагрузки, распределенные по поверхности
Нагрузки, распределенные по поверхности, могут быть представлены сосредоточенными нагрузками, равномерно распределенными в виде сетки с ячейками размером не более 0,6 м x 0,6 м.
Расстояние между точками приложения отдельных нагрузок должно быть менее 0,6 м x 0,6 м.
Приложение D
(обязательное)
D.1 Общие положения
Если не указано иное, в настоящем приложении установлены следующие допустимые отклонения шаблона при проведении измерений:
a) ± 1 мм для линейных размеров;
b) ± 1° для углов.
В случае возникновения сомнений относительно допустимости отклонений при использовании шаблонов необходимо провести точные измерения, чтобы убедиться в соответствии проемов номинальным размерам шаблона.
Все испытания следует выполнять при самых неблагоприятных условиях.
D.2 Места защемления головы и шеи
D.2.1 Полностью замкнутые проемы
D.2.1.1 Оборудование
Шаблон представлен на рисунке D.1.
|
Размеры в миллиметрах | |
|
|
|
|
а) шаблон Е (голова малого размера) |
b) шаблон С (туловище) |

с) шаблон D (голова большого размера)
1 - рукоятка
Рисунок D.1 - Шаблоны для определения мест защемления головы и шеи в полностью замкнутых проемах
D.2.1.2 Проведение испытания
Шаблоны согласно рисунку D.1 последовательно вставляют в каждый имеющийся проем. Регистрируют и вносят в протокол прохождение любого шаблона через проем. Если какой-либо из шаблонов не проходит свободно через проем, то на шаблон воздействуют силой (222 ± 5) Н. Если используют шаблон С (туловище), в целях безопасности рекомендуется сначала проталкивать туловище через проем. Шаблон должен быть расположен перпендикулярно плоскости проема.
Примечание - Размеры шаблона D (голова) основаны на размерах головы ребенка старшего возраста и поэтому будут иметь существенное отклонение от стандарта при испытании оборудования для использования маленьким ребенком.
D.2.2 Частично закрытые и V-образные проемы
D.2.2.1 Оборудование
Шаблон представлен на рисунке D.2.

А - часть шаблона "А"; В - часть шаблона "В"; В1 - плечи шаблона
Рисунок D.2 - Шаблон для определения зон защемления головы и шеи в частично закрытых и V-образных проемах
D.2.2.2 Проведение испытания
Часть шаблона "В" помещают в зазор перпендикулярно к плоскости зазора, как показано на рисунке D.3. Регистрируют и вносят в протокол, проходит ли шаблон в границах зазора и можно ли поместить на полную глубину.
Если шаблон можно вставить на глубину, превышающую толщину шаблона (45 мм), то часть шаблона "А" применяют таким образом, чтобы продольная ось шаблона совпадала с продольной осью зазора.
Необходимо убедиться, что поверхность шаблона параллельна зазору и применяется в соответствии с рисунком D.4.
Шаблон помещают в зазор таким образом, чтобы его продольная ось и продольная ось зазора совпали. Шаблон вводят до соприкосновения с границами зазора так, чтобы его дальнейшее перемещение становилось невозможным. Результаты испытания регистрируют и вносят в протокол испытания, включая угол оси шаблона по отношению к вертикальной и горизонтальной осям (см. рисунок D.4), поскольку эти показатели определяют "проходит/не проходит" и соответствие требованиям, указанным в 4.2.7.2. См. рисунки D.5 и D.6 в качестве примеров оценки для разных угловых диапазонов.

1 - проходит; 2 - не проходит
Рисунок D.3 - Способ применения части шаблона "В"

1 - диапазон 1; 2 - диапазон 2; 3 - диапазон 3; а - угол прохождения для оценки диапазона; b - ось шаблона; А - часть шаблона "А" (см. рисунок D.2); В - часть шаблона "В" (см. рисунок D.2)
Рисунок D.4 - Проверка всех углов для определения диапазона

а) Допустимо, если передняя часть полностью входит в зазор на глубину не более 265 мм (ширина плеча шаблона)

b) Недопустимо

с) Допустимо
> 600 мм = более чем на 600 мм над игровой поверхностью;
< 600 мм = менее чем на 600 мм над игровой поверхностью;
А - часть шаблона "А" (см. рисунок D.2);
В - часть шаблона "В" (см. рисунок D.2)
Рисунок D.5 - Способ введения части шаблона "А"

а) - допустимо; b) - недопустимо; с) - допустимо, но не является минимальным требованием; 1 - шаблон D; А - часть шаблона "А" (см. рисунок D.2); В - часть шаблона "В" (см. рисунок D.2)
Рисунок D.6 - Метод диапазона 2, введение части шаблона "А" с последующим введением плеча шаблона или шаблона D
D.3 Места защемления одежды (испытание пуговицей)
D.3.1 Испытательное оборудование
Испытательное устройство, приведенное на рисунке D.7 а), состоит из:
- пуговицы, как показано на рисунке D.7 b), изготовленной, например, из полиамида (ПА) (например, нейлона), политетрафторэтилена (ПТФЭ), которые являются подходящим материалом;
- цепи, как показано на рисунке D.7 с);
- кольца, съемного и легко скользящего;
- стойки.

1 - стойка; 2 - цепь; 3 - пуговица; 4 - кольцо
Рисунок D.7 - Испытательное устройство
D.3.2 Проведение испытания
D.3.2.1 Горки
Испытательное устройство устанавливают в вертикальное положение на расстоянии 200 мм от начала наклонного участка горки, как показано на рисунке D.8. Если ширина горки более 400 мм, то испытание проводят дважды, располагая испытательное устройство с обоих краев горки, как показано на рисунке D.8.
Не применяя дополнительных усилий и воздействий, пуговицу и цепь под действием собственной массы размещают случайным образом во все возможные доступные положения.
Примечание - Целью настоящего испытания является копирование естественного перемещения пуговиц на одежде пользователя.
Если испытательное устройство защемляется, то прилагают максимальное усилие 50 Н в направлении принудительного движения. Если испытательное устройство отпущено, то данное положение в оборудовании прошло проверку и защемление не происходит.
Регистрируют и вносят в протокол места, в которых происходит застревание пуговицы или цепи.

1 - средняя линия
Рисунок D.8 - Расположение испытательного устройства на горках
D.3.2.2 Шесты
Испытание проводят при двух различных положениях испытательного устройства в соответствии с перечислениями а) и b).
a) испытательное устройство [см. рисунок D.7 а)]:
Испытательное устройство располагают в вертикальном положении на краю платформы в точке, расположенной максимально близко к шесту.
b) пуговица/цепь:
Пуговицу/цепь снимают с устройства и закрепляют на высоте 1800 мм над поверхностью прилегающей платформы или в самой высокой точке шеста, если он не выступает за пределы 1800 мм (см. рисунок D.9).
Не применяя дополнительных усилий и воздействий, пуговицу и цепь под действием собственной массы размещают случайным образом во все возможные доступные положения. Устройство для испытания применяют сначала, как указано в перечислении а), а затем согласно перечислению b).
Примечание - Целью настоящего испытания является копирование естественного перемещения пуговиц на одежде пользователя.
Если испытательное устройство защемляется, то прилагают максимальное усилие 50 Н в направлении принудительного движения. Если испытательное устройство отпущено, то данное положение в оборудовании прошло проверку.
Испытание повторяют согласно перечислению b) по всей длине шеста до точки 1000 мм над уровнем поверхности площадки.
Регистрируют и вносят в протокол места, в которых происходит застревание пуговиц и цепей.
D.3.2.3 Крыши
Пуговицу, цепь и кольцо снимают со стойки испытательного устройства (см. D.3.1). Не применяя дополнительных усилий и воздействий, пуговицу и цепь под действием собственной массы размещают случайным образом во все возможные доступные положения на самом верху крыши или вдоль поверхности крыши.
Если пуговица или цепь защемляются, то прилагают максимальное усилие 50 Н в направлении принудительного движения. Если пуговица или цепь отпущены, то данное положение в оборудовании прошло проверку. Регистрируют и вносят в протокол места, в которых происходит застревание пуговицы и цепи.

1 - стартовая платформа
Рисунок D.9 - Расположение испытательного устройства на шестах
D.4 Места защемления пальцев
D.4.1 Испытательное оборудование
Стержни-пальцы показаны на рисунке D.10.

а) стержень-палец диаметром 8 мм

b) стержень-палец диаметром 25 мм

с) альтернативный комбинированный стержень-палец
SR - радиус сферы
Рисунок D.10 - Стержни-пальцы
D.4.2 Проведение испытания
Стержень-палец диаметром 8 мм вставляют в наименьшее поперечное сечение проема и поворачивают его, как показано на рисунке D.11.
Регистрируют и указывают в протоколе испытания, проходит ли стержень-палец в проем и застревает ли он при каком-либо перемещении по конической дуге, как показано на рисунке D.11.
Если стержень-палец диаметром 8 мм проходит через проем, то вставляют стержень-палец диаметром 25 мм.
Регистрируют и указывают в протоколе испытания, проходит ли стержень-палец диаметром 25 мм через проем; если проходит, то доступ к другому месту защемления пальцев на расстоянии менее 100 мм не допускается. Проемы, имеющие размеры более 60 мм и открывающие доступ к другому месту защемления пальцев на расстоянии более 100 мм, не допускаются. При достижении стержнем-пальцем 8 мм дна проема, имеющего ширину поперечного сечения от 8 мм до 25 мм, следует установить палец в крайнее положение, так, чтобы он касался стенки проема, и определить угол наклона пальца к плоскости входа в проем; если угол наклона более 45°, то такой проем недопустим (см. рисунок D.12).

Рисунок D.11 - Круговое движение стержня-пальца диаметром 8 мм

Рисунок D.12 - Возможность прохождения стержня-пальца
D.5 Проемы звеньевой цепи
D.5.1 Испытательное оборудование
Испытательные стержни представлены на рисунке D.13.

Рисунок D.13 - Испытательные стержни для звеньев цепи
D.5.2 Проведение испытания
Стержень диаметром 8,6 мм вставляют в проем цепи.
Регистрируют и указывают в протоколе испытания, проходит ли стержень в проем.
Если стержень диаметром 8,6 мм проходит в проем и проем цепи является частью соединения, применяют стержень диаметром 12 мм.
Регистрируют и указывают в протоколе испытания, проходит ли стержень диаметром 12 мм через проем.
D.6 Измерение высоты отскока на прыжковом устройстве
Груз цилиндрической формы диаметром (360 ± 5) мм и массой (69,5 ± 3) кг отпускают в геометрический центр прыжкового устройства с высоты 900 мм, как показано на рисунке D.14. Регистрируют максимальную высоту отскока груза.
Размеры в миллиметрах

G - масса груза, (69,5 ± 3) кг; d - диаметр груза (Ø360 ± 5) мм; hd - высота падения, 900 мм; hReBE - высота отскока
Рисунок D.14 - Испытание на определение высоты отскока на прыжковом устройстве
Приложение Е
(справочное)
|
1 |
2 |
3 |
4 |
5 |
6 | ||
|
Полностью замкнутые проемы |
Частично замкнутые проемы |
V-образные |
Выступающие части |
Подвижные части оборудования | |||
|
Жесткие |
Подвижные | ||||||
|
А |
Все тело |
|
| ||||
|
В |
Голова/шея Головой вперед |
|
|
|
| ||
|
С |
Голова/шея Ногами вперед |
|
| ||||
|
D |
Предплечье и кисти рук |
|
| ||||
|
Е |
Нога и стопа |
|
| ||||
|
F |
Пальцы |
|
|
|
|
| |
|
G |
Одежда |
|
|
|
| ||
|
H |
Волосы |
| |||||
Приложение F
(справочное)
Для таблиц F.1-F.5 предусмотрены следующие пояснения:
Максимальная высота свободного падения
Точка опоры тела (высота)
Приблизительный центр тяжести
Высота свободного падения, для которой требуется соответствующий уровень смягчения удара
Размеры в метрах
|
SW1 |
SW2 |
SW3 | |
|
FHF |
Платформа |
Карусель |
Качалка |
|
4,0 |
| ||
|
3,5 | |||
|
3,0 | |||
|
2,5 |
|
| |
|
2,0 | |||
|
1,5 | |||
|
1,0 | |||
|
0,5 | |||
|
0,0 | |||
|
Вид действия |
Стоит/Ходит |
Вращение |
Качание |
|
|
3,0 |
1,0 |
1,0 |
|
|
Нога |
Нога |
Нога/рука |
|
|
3,7 |
1,7 |
1,7 |
|
|
> 0,6 |
> 0,0 |
> 0,0 |

Размеры в метрах
|
S1 |
S2 |
S3 |
S4 |
S5 |
S6 |
S7 | |
|
FHF |
Горка |
Качели |
Качалки типы 5 и 6 |
Канатная дорога |
Качалка тип 1 |
Карусель |
Качалка типы 2А-4 |
|
4,0 | |||||||
|
3,5 |
|
| |||||
|
3,0 |
|
| |||||
|
2,5 |
| ||||||
|
2,0 | |||||||
|
1,5 |
|
| |||||
|
1,0 | |||||||
|
0,5 | |||||||
|
0,0 | |||||||
|
Вид действия |
Скольжение |
Раскачивание |
Качание типы 5 и 6 |
Движение по канату |
Качание тип 1 |
Вращение |
Качание типы 2А-4 |
|
|
3,0 |
3,0 |
2,0 |
2,0 |
1,5 |
1,0 |
1,0 |
|
|
Ягодицы |
Ягодицы |
Ягодицы |
Ягодицы |
Ягодицы |
Ягодицы |
Ягодицы |
|
|
3,3 |
3,0 |
2,3 |
2,3 |
1,8 |
1,3 |
1,3 |
|
|
> 0,0 |
> 0,0 |
> 0,0 |
> 0,0 |
> 0,0 |
> 0,0 |
> 0,0 |
Размеры в метрах
|
Н1 |
Н2 |
Н3 |
Н4 |
Н5 |
Н6 | |
|
FHF |
Петли/ кольца (гибкие) |
Петли/ кольца (жесткие) |
Брусья (жесткие) |
Брусья (кувыркание) |
Канатная дорога (кольцо, перекладина) |
Карусель (кольцо, перекладина) |
|
4,0 | ||||||
|
3,5 |
|
|
| |||
|
3,0 |
|
|
| |||
|
2,5 | ||||||
|
2,0 | ||||||
|
1,5 | ||||||
|
1,0 | ||||||
|
0,5 | ||||||
|
0,0 | ||||||
|
Вид действия |
Передвижение на руках |
Передвижение на руках |
Передвижение на руках |
Гимнастические упражнения |
Передвижение по канатной дороге |
Передвижение по канатной дороге |
|
|
3,0 |
3,0 |
3,0 |
3,0 |
(3,0-1,5) 1,0 |
(2,5-1,5) 1,0 |
|
|
Кисть руки |
Кисть руки |
Кисть руки |
Кисть руки |
Кисть руки |
Кисть руки |
|
|
3,0 |
3,0 |
3,0 |
3,0 |
2,0 |
1,5 |
|
|
> 0,6 |
> 0,6 |
> 0,6 |
> 0,6 |
> 0,0 |
> 0,0 |
Размеры в метрах
|
НС1 |
НС2 |
НС3 | |
|
FHF |
Горизонтальные лестницы |
Двойные продольные перекладины |
Поперечные перекладины (жесткие) |
|
4,0 | |||
|
3,5 |
|
|
|
|
3,0 | |||
|
2,5 | |||
|
2,0 | |||
|
1,5 | |||
|
1,0 | |||
|
0,5 | |||
|
0,0 | |||
|
Вид действия |
Передвижение, повисая на руках |
Передвижение, повисая на руках |
Передвижение, повисая на руках |
|
|
3,0 |
3,0 |
3,0 |
|
|
Кисть руки |
Кисть руки |
Кисть руки |
|
|
2,0 |
2,0 |
2,0 |
|
|
> 0,6 |
> 0,6 |
> 0,6 |

Размеры в метрах
|
С1 |
С2 |
С3 |
С4 | |
|
FHF |
Шест |
Канат |
Сетка для лазания |
Вертикальное лазание (камень, сетка) |
|
4,0 |
| |||
|
3,5 |
|
| ||
|
3,0 | ||||
|
2,5 |
| |||
|
2,0 | ||||
|
1,5 | ||||
|
1,0 | ||||
|
0,5 | ||||
|
0,0 | ||||
|
Вид действия |
Скольжение, Лазание |
Лазание |
Лазание |
Лазание |
|
|
(4,0-1,0) 3,0 |
(4,0-1,0) 3,0 |
(4,0-1,0) 3,0 |
3,0 |
|
|
Стопа, кисть руки, голень |
Стопа, кисть руки, голень |
Стопа, кисть руки, голень |
Стопа, кисть руки, голень |
|
|
3,7 |
3,0 |
3,0 |
2,0 |
|
|
> 0,6 |
>0,6 |
>0,6 |
> 0,6 |

Приложение G
(справочное)
На рисунке G.1 и в таблице G.1 представлен пример определения гранулометрического состава методом просеивания.

Коэффициент однородности D60/D10 < 3
ПРИМЕР 1000/0,355 = 2,81
y - степень прохождения через сито, %;
х - сито с квадратными отверстиями, мм
Рисунок G.1 - Пример определения гранулометрического состава методом просеивания
|
Степень прохождения через сито, % |
Сито, мм |
|
100 |
4,000 |
|
100 |
3,150 |
|
99 |
2,800 |
|
94 |
2,000 |
|
85 |
1,410 |
|
61 |
1,000 |
|
36 |
0,710 |
|
22 |
0,500 |
|
11 |
0,355 |
|
3 |
0,250 |
|
0,4 |
0,180 |
|
0,1 |
0,125 |
|
0 |
0,090 |
|
0 |
0,063 |
Приложение Н
(обязательное)
Примечание 1 - Настоящее приложение не предназначено для полностью закрытого игрового оборудования в соответствии с ГОСТ EN 34614.10.
После завершения установки оборудования до первого использования необходимо подтвердить соответствие требованиям 4.2.8.5 в соответствии с технической документацией проекта, согласованной между поставщиком и владельцем:
a) общее соответствие требованиям 4.2.8.5 следует проверять визуальным контролем и измерением;
b) следует подтвердить, что ударопоглощающее покрытие соответствует техническим характеристикам, согласованным между поставщиком и владельцем;
c) следует определять и регистрировать толщину ударопоглощающего покрытия внутри всех пространств падения;
d) предусмотренный уровень смягчения удара должен быть подтвержден;
Примечание 2 - Если предусмотренная поверхность полностью или частично основана на естественном почвенном или газонном субстрате, критический показатель высоты падения, вероятно, будет изменяться с течением времени или ввиду климатических условий. Поскольку такие типы поверхностей невозможно проконтролировать с научной точки зрения, рекомендуется основывать их постоянное использование на оценке риска, а не на результатах испытаний, показывающих "соответствует"/"не соответствует".
e) Результаты проверки после установки должны быть занесены в протокол. Протоколы должны включать следующее:
1) номер и дату принятия настоящего стандарта;
2) место, дату и климатические условия на месте установки (температура, влажность и т.д.);
3) описание ударопоглощающего покрытия и, где доступно, подложки;
4) подтверждение соответствующего уровня смягчения удара;
5) подтверждение соответствия техническим характеристикам изготовителя/поставщика (при наличии);
6) подробная информация об ударопоглощающем покрытии, включая все обнаруженные дефекты;
7) подтверждение соответствия ударопоглощающего покрытия требованиям для зон падения (см. 4.2.8.5) в отношении установленного оборудования (высота(ы) свободного падения, степени и эффективности воздействия на ударопоглощающее покрытие);
8) если применимо, указание на то, что результаты оценки критической высоты падения, вероятно, будут изменяться в течение времени или ввиду климатических условий. По особому требованию может быть проведено испытание на месте эксплуатации в соответствии с ГОСТ 34615. Однако результаты следует рассматривать на основе оценки риска, а не на показателях испытания "соответствует"/"не соответствует". Рекомендуется регулярно проводить визуальный контроль поверхности на наличие признаков повреждения. Может потребоваться увеличение частоты таких проверок для поверхностей, которые подвержены интенсивной эксплуатации, используются в экстремальных условиях или если велика вероятность вандализма.
Приложение ДА
(справочное)
Таблица ДА.1
|
Обозначение ссылочного межгосударственного стандарта |
Степень соответствия |
Обозначение и наименование европейского стандарта |
|
ГОСТ EN 818-2017 |
IDT |
EN 818-2:2008 "Цепи сварные для подъемных работ. Безопасность. Часть 2. Цепи со средним допуском для цепных строп. Класс 8" |
|
ГОСТ EN 818-3-2017 |
IDT |
EN 818-3:1999+А1:2008 "Цепи короткозвенные для подъемных работ. Безопасность. Часть 3. Короткозвенные цепи для цепных строп. Класс 4" |
|
ГОСТ 34615-2019 (EN 1177:2017) |
MOD |
EN 1177 "Поверхность игровой площадки, смягчающая удар. Методы определения амортизации удара" |
|
Примечание - В настоящей таблице использованы следующие условные обозначение степени соответствия стандартов: - IDT - идентичные стандарты; - MOD - модифицированные стандарты. | ||
Библиография
|
[1] |
Технический регламент Таможенного союза TP ТС 008/2011 |
О безопасности игрушек |
|
[2] |
EN 350:2016 |
Dauerhaftigkeit von Holz und Holzprodukten - Prüfung und Klassifikation der Dauerhaftigkeit von Holz und Holzprodukten gegen biologischen Angriff (Стойкость древесины и изделий из древесины. Испытания и классификация стойкости древесины и материалов из древесины к биологическим средствам) (Durability of wood and wood-based products - Testing and classification of the durability to biological agents of wood and wood-based materials) |
|
[3] |
Технический регламент Евразийского экономического союза TP ТС 042/2017 |
О безопасности оборудования для детских игровых площадок |

































































