ГОСТ 34614.2-2019 (EN 1176-2:2017) ОБОРУДОВАНИЕ И ПОКРЫТИЯ ИГРОВЫХ ПЛОЩАДОК. Часть 2. ДОПОЛНИТЕЛЬНЫЕ ТРЕБОВАНИЯ БЕЗОПАСНОСТИ И МЕТОДЫ ИСПЫТАНИЙ КАЧЕЛЕЙ
Playground equipment and surfacing. Part 2. Additional specific safety requirements and test methods for swings
МКС 97.200.40
Дата введения - 1 августа 2020 г.
Введен впервые
Предисловие
Цели, основные принципы и общие правила проведения работ по межгосударственной стандартизации установлены ГОСТ 1.0 "Межгосударственная система стандартизации. Основные положения" и ГОСТ 1.2 "Межгосударственная система стандартизации. Стандарты межгосударственные, правила и рекомендации по межгосударственной стандартизации. Правила разработки, принятия, обновления и отмены"
Сведения о стандарте
1 Подготовлен Рабочей группой, состоящей из представителей Научно-производственного республиканского унитарного предприятия "Белорусский государственный институт стандартизации и сертификации" (БелГИСС) и Федерального государственного унитарного предприятия "Российский научно-технический центр информации по стандартизации, метрологии и оценке соответствия" (ФГУП "СТАНДАРТИНФОРМ") на основе собственного перевода на русский язык немецкоязычной версии стандарта, указанного в пункте 5
2 Внесен Государственным комитетом по стандартизации Республики Беларусь и Федеральным агентством по техническому регулирования и метрологии
3 Принят Межгосударственным советом по стандартизации, метрологии и сертификации (протокол от 13 ноября 2019 г. N 56)
За принятие проголосовали:
|
Краткое наименование страны по МК (ИСО 3166) 004-97 |
Код страны по МК (ИСО 3166) 004-97 |
Сокращенное наименование национального органа по стандартизации |
|
Беларусь |
BY |
Госстандарт Республики Беларусь |
|
Киргизия |
KG |
Кыргызстандарт |
|
Россия |
RU |
Росстандарт |
|
Таджикистан |
TJ |
Таджикстандарт |
|
Узбекистан |
UZ |
Узстандарт |
4 Приказом Федерального агентства по техническому регулированию и метрологии от 29 ноября 2019 г. N 1303-ст межгосударственный стандарт ГОСТ 34614.2-2019 (EN 1176-2:2017) введен в действие в качестве национального стандарта Российской Федерации с 1 августа 2020 г.
5 Настоящий стандарт является модифицированным по отношению к европейскому стандарту EN 1176-2:2017 "Оборудование и покрытия игровых площадок. Часть 2. Дополнительные специальные требования безопасности и методы испытаний качелей" ("Spielplatzgeräte und Spielplatzböden - Teil 2. Zusätzliche besondere sicherheitstechnische Anforderungen und Prüfverfahren für Schaukeln", MOD) путем изменения отдельных фраз (слов, значений показателей, ссылок), которые выделены в тексте курсивом.
Сведения о соответствии ссылочного межгосударственного стандарта европейскому стандарту, использованному в качестве ссылочного в примененном европейском стандарте, приведены в дополнительном приложении ДА
6 Введен впервые
Введение
Серия стандартов ГОСТ 34614 под общим наименованием "Оборудование и покрытия игровых площадок" включает в себя следующие части:
- часть 1. Общие требования безопасности и методы испытаний;
- часть 2. Дополнительные требования безопасности и методы испытаний качелей;
- часть 3. Дополнительные требования безопасности и методы испытаний горок;
- часть 4. Дополнительные требования безопасности и методы испытаний канатных дорог;
- часть 5. Дополнительные требования безопасности и методы испытаний каруселей;
- часть 6. Дополнительные требования безопасности и методы испытаний качалок;
- часть 7. Инструкции по установке, осмотру, техническому обслуживанию и эксплуатации;
- часть 10. Дополнительные требования безопасности и методы испытаний для полностью закрытого игрового оборудования;
- часть 11. Дополнительные требования безопасности и методы испытаний пространственных игровых сетей.
Настоящий стандарт устанавливает дополнительные требования безопасности и методы испытаний стационарно расположенных качелей, на игровых площадках, предназначенных для использования детьми. Если основной игровой функцией не является качание, то соответствующие требования, приведенные в настоящем стандарте, могут применяться при необходимости.
В настоящем стандарте использована нормативная ссылка на следующий межгосударственный стандарт:
ГОСТ 34614.1-2019 Оборудование и покрытия для игровых площадок. Часть 1. Общие требования безопасности и методы испытаний
Примечание - При пользовании настоящим стандартом целесообразно проверить действие ссылочных стандартов и классификаторов на официальном интернет-сайте Межгосударственного совета по стандартизации, метрологии и сертификации (www.easc.by) или по указателям национальных стандартов, издаваемым в государствах, указанных в предисловии, или на официальных сайтах соответствующих национальных органов по стандартизации. Если на документ дана недатированная ссылка, то следует использовать документ, действующий на текущий момент, с учетом всех внесенных в него изменений. Если заменен ссылочный документ, на который дана датированная ссылка, то следует использовать указанную версию этого документа. Если после принятия настоящего стандарта в ссылочный документ, на который дана датированная ссылка, внесено изменение, затрагивающее положение, на которое дана ссылка, то это положение применяется без учета данного изменения. Если ссылочный документ отменен без замены, то положение, в котором дана ссылка на него, применяется в части, не затрагивающей эту ссылку.
В настоящем стандарте применены следующие термины с соответствующими определениями.
Примечание - Для того, чтобы не ограничить применение настоящего стандарта существующими исключительно существующим в настоящее время игровым оборудованием и обеспечить разработку и изготовление новых видов игрового оборудования, приведены определения основных видов оборудования и движений.
3.1 качели (swing): Подвижное оборудование, на котором масса пользователя удерживается ниже оси вращения или универсального шарнира, при этом ось вращения или универсальный шарнир находятся на расстоянии не менее 1,3 м над поверхностью игровой площадки.
3.2 качели с одной осью вращения (тип 1) (swing with one rotational axis (type): Качели, у которых сиденье, подвешенное отдельно на гибких подвесах к несущей перекладине, может раскачиваться назад и вперед по дуге под прямым углом к перекладине.
Примечание - См. рисунок 1.
|
|
|
|
a) |
b) |
|
Рисунок 1 - Пример качелей с одной осью вращения (тип 1) | |
3.3 качели с несколькими осями вращения (тип 2) (swing with several rotational axis (type 2): Качели, у которых сиденье подвешено на одной или нескольких несущих перекладинах таким образом, что оно может двигаться под прямым углом к перекладине или вдоль нее, насколько это практически возможно.
Примечание - См. рисунок 2.

Рисунок 2 - Пример качелей с несколькими осями вращения (тип 2)
3.4 качели с одной точкой крепления (тип 3) (single point swing (type 3): Качели, у которых сиденье или платформа с несущими канатами или цепями крепится в одной точке и может совершать движения во всех направлениях.
Примечание - См. рисунок 3.
|
|
|
|
a) |
b) |
|
Рисунок 3 - Пример качелей с одной точкой крепления (тип 3) | |
3.5 коллективные качели (тип 4) (contact swing (type 4): Качели, у которых группа сидений, как правило, шесть сидений, подвешены на одиночных, гибких подвесах (цепях или канатах) к несущим перекладинам, расположенным вокруг центральной оси.
Примечание - См. рисунок 4.

1 - центральная ось
Рисунок 4 - Пример коллективных качелей (тип 4)
3.6 высота качелей (swing height): Расстояние между средней линией несущей перекладины (осью вращения) для подвеса качелей либо точкой крепления (для качелей типа 3) и поверхностью игровой площадки.
Примечание - См. рисунок 5.

1 - ось вращения; h1 - высота качелей; h2 - длина подвеса качелей (h1 - h3); h3 - высота сиденья; h4 - клиренс
Рисунок 5 - Размеры по высоте
3.7 длина подвеса качелей (length of swing suspension member): Расстояние между средней линией несущей перекладины (осью вращения) для подвеса качелей и верхней поверхностью сиденья или платформы.
Примечание 1 - Подвесы включают в себя гибкие элементы (цепи и канаты).
Примечание 2 - См. рисунок 5.
3.8 высота сиденья (height of seat): Расстояние между верхней поверхностью сиденья или платформы и поверхностью игровой площадки.
Примечание - См. рисунок 5.
3.9 клиренс (ground clearance): Расстояние между установленной нижней поверхностью сиденья и поверхностью игровой площадки в нижней точке траектории движения.
Примечание - Позиция измерения зависит от типа сиденья (см. 4.2).
3.10 свободное пространство под сиденьем (seat clearance): Расстояние между нижним краем сиденья и любым препятствием, примыкающим к траектории движения качелей.
Примечание - См. рисунок 6.

h5 - свободное пространство под сиденьем
Рисунок 6 - Пример свободного пространства под сиденьем для качелей (тип 3)
3.11 плоское сиденье качелей (flat swing seat): Сиденье, не имеющее ограждений сзади и/или сбоку.
3.12 сиденье-колыбель (cradle seat): Сиденье, имеющее прочную опору для маленьких детей и детей с ограниченными возможностями, сконструированное таким образом, чтобы предотвратить проскальзывание ребенка между конструктивными элементами, ограждающими сиденье.
3.13 сиденье для нескольких пользователей (group swing seat): Сиденье с большой площадью поверхности, предназначенное для нескольких пользователей: сиденье-гнездо или сиденье-корзина, сиденья-шины, сиденья или платформы качелей с одной точкой крепления (тип 3).
Качели должны соответствовать требованиям ГОСТ 34614.1, если они не противоречат требованиям настоящего стандарта.
Клиренс в состоянии покоя качелей типа 1 (см. рисунки 5 и 6) должен быть не менее 350 мм.
Клиренс для сидений или платформ, предназначенных для использования несколькими пользователями, в состоянии покоя качелей должен быть не менее 400 мм.
Клиренс, измеренный от нижней поверхности жестко зафиксированной части сиденья в его наиболее неблагоприятном положении, для сидений или платформ с гибкой нижней частью, предназначенных для использования несколькими пользователями, должен быть не менее 400 мм (см. рисунок 7).

1 - жестко фиксированная часть сиденья (опорная рама по периметру корзины); 2 - гибкая часть сиденья; h4 - клиренс
Рисунок 7 - Клиренс
Для коллективных качелей с вертикально расположенными шинами в качестве сидений (см. рисунок 8) клиренс может быть уменьшен до 100 мм.
|
|
|
|
a) |
b) |
|
1 - шины или подобное; 2 - ограничительная планка; 3 - ось симметрии сиденья | |
|
Рисунок 8 - Пример сидений для коллективных качелей | |
Примечание - Клиренс для коллективных качелей с вертикально расположенными шинами в качестве сидений может быть уменьшен, так как они имеют более гибкую конструкцию. Шину изготавливают из ударопоглощающего (амортизирующего) материала, и в случае столкновения (соударения) шина отклоняется и удар гасится.
Свободное пространство под сиденьем должно быть не менее 400 мм (см. рисунок 6), за исключением направления несущей балки, на которой закреплено подвесное устройство.
Если во время использования боковая поверхность сиденья качелей может соприкасаться с несущей балкой, то в данной точке на балке может быть размещен соответствующий материал для защиты поверхностей несущей балки и сиденья.
Примечание - Конструкция качелей типа 3 допускает отклонение от требования к свободному пространству, указанного в ГОСТ 34614.1, так как опасность столкновения с несущей балкой легко предсказуема, а польза для детей, катающихся на качелях данного типа, достаточно велика. Более подробное описание рисков и преимуществ приведено в ГОСТ 34614.1-2019, введение и раздел 1.
4.4.1 Минимальное расстояние между сиденьями качелей
Минимальное расстояние С по горизонтали между боковой поверхностью сиденья качелей в состоянии покоя и прилегающей вертикальной опорой качелей должно составлять не менее 20 % длины гибких элементов подвеса качелей плюс 200 мм [см. рисунок 9 а].
В случае сидений или платформ, предназначенных для использования несколькими пользователями, минимальное расстояние С по горизонтали между боковой поверхностью сиденья качелей в состоянии покоя и прилегающей вертикальной опорой качелей должно составлять не менее 20 % длины гибких элементов подвеса качелей плюс 400 мм [см. рисунок 9 а)].
Минимальное расстояние S по горизонтали между соседними сиденьями качелей в состоянии покоя должно составлять не менее 20 % длины гибких элементов подвеса качелей плюс 300 мм [см. рисунок 9 а)].
Секция качелей с сиденьем или платформой, предназначенных для использования несколькими пользователями, не должна содержать других сидений.
Ширину гибких сидений, изготовленных, например, из ремней, размер которых сокращается при применении, следует измерять с помощью опорных точек, расположенных друг от друга на расстоянии G, равном 400 мм [см. рисунок 9 b)].
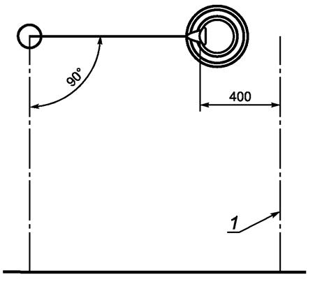
Для коллективных качелей типа 4 минимальное расстояние между поверхностью сиденья и центральной осью должно составлять 400 мм при условии, что угол между сиденьем и осью составляет 90° [см. рисунок 9 с)].
4.4.2 Боковая устойчивость сидений качелей
Расстояние F между точками крепления подвеса качелей [см. рисунок 9 b)] должно составлять не менее 5 % длины гибких элементов подвеса качелей плюс расстояние G.
У качелей типа 4 и сидений или платформ, предназначенных для использования несколькими пользователями, установленных на качелях типа 1, расстояние между точками крепления подвеса качелей F должно составлять не менее 30 % длины гибких элементов подвеса качелей плюс расстояние G.
|
|
|
|
а) Минимальное расстояние между сиденьями качелей и прилегающей опорой |
b) Боковая устойчивость сидений качелей |

с) Минимальное расстояние для качелей типа 4
F - расстояние между точками крепления подвеса качелей; G - расстояние между опорными точками на гибком сиденье; С - расстояние между сиденьем и прилегающей вертикальной опорой качелей; S - расстояние между соседними сиденьями; 1 - центральная ось
Рисунок 9 - Минимальное расстояние и боковая устойчивость сидений качелей с несколькими точками подвеса
Для подвеса качелей не должны применяться жесткие элементы; в качестве альтернативных элементов подвеса применяют в соответствии с ГОСТ 34614.1-2019, пункты 4.2.12 и 4.2.13.
Для образующихся в результате разветвления гибких подвесов, например цепей или канатов, треугольных проемов в направлении сиденья качелей, допускается несоответствие требованиям в ГОСТ 34614.1-2019, подпункт 4.2.7.2.
4.6.1 Плоские сиденья качелей и вертикально расположенные сиденья (сиденья-шины)
При проведении испытаний в соответствии с приложением А максимальное ускорение должно составлять не более 50 g, а среднее значение напряжения смятия поверхности сиденья - более 90 Н/см2.
4.6.2 Сиденья-колыбели
Элементы сиденья-колыбели должны соответствовать требованиям, установленным в 4.6.1. Если наиболее удаленный край верхней части сиденья-колыбели X выступает за вертикальную линию, проведенную от наиболее удаленного нижнего края сиденья, когда оно наклонено под углом 30° к горизонтали (см. рисунок 10), то этот край сиденья должен также соответствовать требованиям 4.6.1.

X - наиболее удаленный край верхней части сиденья-колыбели
Рисунок 10 - Сиденье-колыбель, находящееся под углом 30° к горизонтали
4.6.3 Сиденья и платформы для нескольких пользователей
Если диаметр сиденья или платформы более 900 мм, то при испытании в соответствии с приложением В максимальное ускорение должно составлять не более 120 g, а среднее значение напряжения смятия поверхности сиденья - более 90 Н/см2. Если диаметр сиденья или платформы менее 900 мм, то они должны соответствовать требованиям 4.6.1. Испытание проводят в соответствии с А.3.1, приложение А.
В случае сидений и платформ, предназначенных для использования несколькими пользователями, имеющих некруглую форму и максимальный размер по ширине более 900 мм, при испытании в соответствии с приложением А максимальное ускорение должно составлять не более 120 g, а среднее значение напряжения смятия - более 90 Н/см2.
Примечание - С одной стороны, сиденья и платформы, предназначенные для использования несколькими пользователями, могут иметь более высокое максимальное значение g, так как дети легче воспринимают сиденье или платформу большего размера как опасность, с другой стороны, такие большие сиденья или платформы полезнее детям при катании на качелях. Более подробное описание рисков и преимуществ в соответствии с ГОСТ 34614.1-2019, введение и раздел 1.
Если сиденье или платформа, предназначенные для использования несколькими пользователями, подвешены к качелям типа 1, то для удержания сиденья или платформы и предотвращения падения пользователя с качелей должно быть предусмотрено вспомогательное устройство подвеса в случае выхода из строя основного крепления между канатами или цепями и несущей перекладиной качелей.
Элементы системы подвеса не должны иметь трещин, остаточных деформаций или повреждений после испытаний в соответствии с приложением В, а также не должно происходить ослабления соединений. У элементов не должно быть изменения размеров, видимых невооруженным взглядом при нормальном или скорректированном зрении.
4.8.1 При расчете конструкции в соответствии с ГОСТ 34614.1-2019, приложение В, предельные значения нагрузок должны быть больше нагрузок, возникающих при эксплуатации.
4.8.2 При испытании в соответствии с ГОСТ 34614.1-2019, приложение С, не должно быть трещин, разрушений или остаточных деформаций, которые можно определить невооруженным взглядом при нормальном или скорректированном зрении.
Качели, имеющие более двух сидений, должны быть разделены элементами конструкции (опорами) на секции таким образом, чтобы в каждой секции размещалось не более двух сидений. Секция с сиденьем или платформой, предназначенной для использования несколькими пользователями, должна иметь одно сиденье или платформу.
Примечание - Это требование установлено для того, чтобы дети не пересекали траекторию движения движущихся (раскачивающихся) качелей.
Опоры качелей или их верхняя перекладина могут быть прикреплены к другому оборудованию только в том случае, если предприняты дополнительные меры для отделения качелей от других игровых зон.
Пример - Такими дополнительными мерами, которые могут быть приняты, являются: увеличение свободного пространства для движения качелей не более 1,5 м, использование барьеров и ограждений.
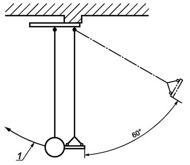
4.10.1 Высота свободного падения
Высоту свободного падения D качелей определяют от середины поверхности сиденья вертикально к поверхности игровой площадки, когда сиденье качелей отклонено от исходного положения на угол 60°.
Высота свободного падения может быть рассчитана по формуле
,
где D - высота свободного падения;
h2 - длина элемента подвеса качелей;
h3 - высота сиденья в состоянии покоя.
Для сидений или платформ в форме корзины, предназначенных для использования несколькими пользователями, высоту свободного падения измеряют от самого верхнего элемента опорной рамы по периметру корзины (см. рисунок 11).
|
|
|
|
а) |
b) |
|
А - 0,876 х h2; В - 1,75 м для находящегося на одном уровне ударопоглощающего покрытия (как правило, из синтетического материала); С - 2,25 м для естественного покрытия с ударопоглощающим эффектом (как правило, сыпучий материал); D - максимальная высота свободного падения; L - А + В или А + С - длина зоны приземления; W - ширина пространства падения; Z - расстояние между осями качелей; h2 - длина элемента подвеса; h3 - высота сиденья в состоянии покоя; 1 - площадь, покрываемая ударопоглощающим покрытием при любом положении качелей | |
|
Рисунок 11 - Высота свободного падения и требования к игровой поверхности под качелями | |
4.10.2 Размеры пространства падения и зоны приземления
4.10.2.1 Пространство падения должно соответствовать площади зоны приземления и по высоте должно быть эквивалентным высоте свободного падения (см. рисунок 10).
Для качелей всех типов размер зоны приземления рассчитывают следующим образом: к расстоянию до точки в центре сиденья качелей в момент прохождения сиденья через дугу 60° (может быть рассчитана как произведение коэффициента 0,867 на длину гибких элементов подвеса качелей h2) прибавляют, в зависимости от конструкции игровой поверхности, фиксированное расстояние В или С.
Если зона приземления с покрытием из синтетического материала находится на одном уровне с окружающей поверхностью, фиксированная дополнительная длина В должна составлять 1,75 м, а в случае естественного покрытия (как правило, сыпучий материал) фиксированная дополнительная длина С - 2,25 м (см. рисунок 11).
Если зона приземления находится на одном уровне с окружающей поверхностью, имеет фиксированную длину В, равную 1,75 м, то она должна включать дополнительную, не имеющую препятствий зону в направлении качания длиной 0,5 м.
Площадь ударопоглощающего покрытия должна соответствовать предусмотренному способу применения качелей.
Пространства падения сидений качелей, размещенных в различных секциях, не должны перекрываться. Пространства падения могут перекрываться со свободным пространством, если сиденья закреплены в одной секции и выполняются требования пункта 4.4.1. Если качели установлены вблизи другого игрового оборудования, то пространство падения качелей и пространство падения другого игрового оборудования не должны перекрываться.
Примечание - На рисунке 12 представлены свободное пространство, пространство падения и зона приземления качелей.

1 - пространство падения; 2 - зона приземления; 3 - свободное пространство
Рисунок 12 - Свободное пространство, пространство падения и зона приземления качелей
4.10.2.2 Для сидений качелей шириной не более 500 мм с одной или несколькими осями вращения (типы 1, 2 и 4) ширина зоны приземления должна составлять не менее 1,75 м. Если ширина сиденья более 500 мм, ширина зоны приземления должна быть увеличена на разницу между 500 мм и действительной шириной сиденья.
4.10.2.3 Для качелей с одной точкой крепления (тип 3) ударопоглощающая поверхность должна быть круглой формы с радиусом, установленным в 4.10.2.1.
Если у сиденья имеется спинка, то угол между спинкой сиденья и посадочной поверхностью не должен изменяться во время движения качелей. Расстояние в свету между спинкой сиденья и собственно сиденьем при измерении в одном направлении должно быть не менее 60 мм, но не более 75 мм.
Точка крепления должна быть такой, чтобы при вращении качелей несущие гибкие элементы подвеса, например канаты, не перекручивались. Этого можно достичь при применении универсального вращающегося шарнира.
В случае применения универсального шарнира, не предназначенного и не сконструированного специально для этих целей, должны быть предусмотрены дополнительные устройства для удержания сиденья или платформы качелей и предотвращения падения пользователя, если выйдет из строя основное крепление между канатами или цепями и несущей конструкцией качелей.
Сиденья должны быть сконструированы таким образом, чтобы спрыгивание с сиденья в направлении центральной оси во время качания было затруднено. Сиденья должны соответствовать требованиям 4.6.
Пример - Этого можно достичь при помощи вертикально расположенной шины или ограничительной планки (см. рисунок 8).
Протоколы испытаний должны соответствовать требованиям ГОСТ 34614.1-2019, раздел 5, и включать следующую информацию:
a) подтверждение того, что требования раздела 4 проверены (измерениями, визуальным осмотром или практическими испытаниями), если не установлено иное;
b) подтверждение соответствия требованиям ГОСТ 34614.1;
c) обозначение настоящего стандарта.
Качели должны иметь маркировку в соответствии с ГОСТ 34614.1-2019, раздел 7.
Маркировку наносят на оборудование на видном и доступном месте при его установке. Маркировка должна быть видна после монтажа оборудования на месте эксплуатации.
Приложение А
(обязательное)
А.1 Общие положения
Сиденья качелей отклоняют от вертикали на определенный угол и отпускают (приводят в состояние качания) для того, чтобы нанести удар по неподвижной испытательной массе. Сигнал, подаваемый акселерометром при каждом ударе, обрабатывают для определения максимального значения ускорения и напряжения смятия сиденья.
А.2 Испытательное оборудование
А.2.1 Испытательная установка
Испытательная установка состоит из испытательной массы (см. А.2.2), акселерометра (см. А.2.3), оборудования для измерения удара (см. А.2.4) (см. рисунок А.1).
А.2.2 Испытательная масса
Испытательная масса представляет собой алюминиевый шар или полусферу диаметром (160 ± 5) мм, массой (4,60 ± 0,05) кг, с шероховатостью поверхности менее 25 мкм, изготовленные таким образом, чтобы ударная часть между поверхностью нанесения удара и акселерометром была однородной и без пустот.

1 - измерительное устройство
Рисунок А.1 - Испытательная установка
А.2.3 Акселерометр
Акселерометр, обеспечивающий измерение ускорений в трех плоскостях, размещают в центре тяжести испытательной массы (В.2.2). Угол отклонения оси акселерометра от оси перемещения испытательной массы - не более 2°.
А.2.4 Оборудование для измерения удара
А.2.4.1 Цепи
Две цепи калибром 6 мм * равной длины подвешивают на шарнирах на расстоянии 600 мм друг от друга на такой же высоте, как и шарниры системы подвеса качелей. Нижние концы цепей крепят к испытательной массе в одной точке (см. А.2.2).
──────────────────────────────
* При пользовании данным стандартом допускается применение цепей калибром 6,3 мм по ГОСТ 30441-97.
──────────────────────────────
А.3 Проведение испытаний
А.3.1 Плоские сиденья качелей
Сиденье подвешивают на цепях калибром 6 мм * таким образом, чтобы нижний передний край сиденья находился на расстоянии (2400 ± 10) мм по вертикали ниже точек подвеса качелей.
А.3.2 Сиденье-колыбель
Сиденье подвешивают на цепях калибром 6 мм * таким образом, чтобы нижний передний край сиденья находился на расстоянии (1800 ± 10) мм по вертикали ниже точек подвеса качелей.
──────────────────────────────
* При пользовании данным стандартом допускается применение цепей калибром 6,3 мм по ГОСТ 30441-97.
──────────────────────────────
А.3.3 Расположение испытательной установки
Испытательную установку располагают таким образом, чтобы передний край сиденья только касался передней кромки испытательной массы и находился на уровне ее центра тяжести.
А.3.4 Приведение сиденья в рабочее положение для испытания
Сиденье, подвешенное на гибких элементах (канатах, цепях и т.п.), отклоняют от вертикали по траектории движения качелей на угол в 60°.
Так как сиденье подвешено на гибких элементах (канатах, цепях и т.п.), то в подвесных элементах создается незначительное искривление. Положение сиденья должно быть отрегулировано таким образом, чтобы компенсировать образующееся искривление и обеспечивать стабильную траекторию движения.
Необходимо следить за тем, чтобы испытательная установка была не повреждена. Если существует вероятность превышения диапазона измерения акселерометра, следует проводить предварительные испытания при меньших углах отклонения сиденья (например, 10°, 20° и 30°). При наличии сомнений в отношении траектории движения или устойчивости сиденья качелей следует проводить предварительное приведение в движение сиденья без нанесения удара по испытательной массе.
Нежесткие сиденья необходимо укрепить скобами (распорками) для того, чтобы форма сиденья при проведении испытаний оставалась неизменной. Масса креплений (скоб, распорок) не должна превышать 10 % от массы сиденья.
А.3.5 Удержание и отпускание сиденья
Сиденье удерживают в отведенном (поднятом) положении при помощи механизма, который отпускает сиденье без приложения внешних сил, которые могли бы повлиять на траекторию его движения. Обеспечивают неподвижность сиденья и элементов подвеса. Отпускают сиденье таким образом, чтобы движение по дуге было плавным без видимых колебаний или вращений сиденья, которые будут препятствовать соударению сиденья с испытательной массой в точке удара.
А.3.6 Сбор данных
После создания условий для испытания и калибровки фиксируют результаты 10 ударов. Измеряют максимальное ускорение при каждом ударе и площадь пятна контакта сиденья с испытательной массой.
А.3.7 Максимальное ускорение
За максимальное ускорение принимают среднее арифметическое значение ускорения, вычисленное по результатам 10 испытаний.
А.3.8 Напряжение смятия сиденья
За напряжение смятия принимают среднее арифметическое значение напряжения, вычисленное по результатам 10 испытаний.
А.3.9 Среднее значение напряжения смятия сиденья
Измеряют площадь сиденья, которая контактировала с испытательной массой. Среднее напряжение смятия Н/см2 рассчитывают путем деления силы удара, прилагаемой сиденьем, на площадь сиденья, которая контактировала с испытательной массой.
А.4 Оборудование для измерения удара
А.4.1 Оборудование для измерения удара состоит из системы измерения ускорения (А.4.2) и регистрирующего устройства (А.4.3).
А.4.2 Система измерения ускорения, измеряющая частоты в диапазоне от 1 до 1000 Гц, обладающая на всех частотах достаточной чувствительностью и погрешностью измерения, не превышающей 5 % согласно [1], должна измерять, регистрировать и отображать ускорение и длительность каждого полного воздействия.
А.4.3 Регистрирующее устройство должно воспринимать и регистрировать сигналы времени ускорения, возникающие во время удара, с минимальной частотой дискретизации 10 кГц. Преобразование и фильтрация сигнала должны быть совместимы с акселерометром и установленным каналом передачи данных и соответствовать требованиям [1].
Согласно [1] аналоговые фильтры сглаживания (подавления шумов) должны иметь минимальное затухание 30 дБ при половине частоты дискретизации.
А.5 Точность измерений
А.5.1 Испытательное оборудование должно быть оснащено калиброванными или поверенными измерительными приборами. Система измерения удара, включая устройство для обработки сигнала, должна калиброваться или поверяться не реже одного раза в год аккредитованной лабораторией в соответствии с [2].
А.5.2 Акселерометры следует калибрировать для всего диапазона частот. Повторную калибровку должны проводить с запланированными интервалами согласно рекомендациям изготовителя акселерометра или не реже одного раза в два года.
Погрешность измерения акселерометра должна составлять не более 5 %.
А.5.3 Реакции пусковой системы на алюминиевый шар или алюминиевую полусферу следует проверять посредством серии как минимум трех последовательных испытаний на образце сиденья качелей со стабильными характеристиками. Полученные значения ускорения не должны отклоняться более чем на ± 5 %.
Примечание - Данные предварительные испытания служат для выявления любых отклонений в работе испытательной установки и не заменяют ни калибровку (или поверку), ни проверку соответствия испытательной установки требованиям настоящего стандарта.
Практика применения показала, что сравнительные испытания на эталонных сиденьях качелей не в полной мере достаточны и что необходима калибровка или поверка измерительного оборудования в аккредитованной лаборатории.
Приложение В
(обязательное)
В.1 Общие положения
Систему подвеса качелей, состоящую, например, из цепей, шарниров и соединительных элементов, нагружают испытательной нагрузкой и приводят в движение по дуге определенное число раз. Проводят осмотр системы подвеса на наличие повреждений.
В.2 Проведение испытаний
Сиденье качелей нагружают испытательной нагрузкой в соответствии с требованиями ГОСТ 34614.1-2019, таблица А.1 приложения А.
Применяют один из двух способов:
a) сиденье приводят в движение (раскачивают); или
b) узлы крепления подвеса качелей непрерывно вращают по дуге не менее 120° в течение 105 циклов.
Затем испытательную нагрузку снимают и качели визуально проверяют на наличие повреждений или износа.
Примечание - Необходимо обеспечить, чтобы грузы были надежно закреплены на качелях.
Приложение ДА
(справочное)
|
Обозначение ссылочного межгосударственного стандарта |
Степень соответствия |
Обозначение и наименование ссылочного европейского стандарта |
|
ГОСТ 34614.1-2019 |
MOD |
DIN EN 1176-1:2008 "Оборудование и покрытия игровых площадок. Общие требования безопасности и методы испытаний" |
|
Примечание - В настоящей таблице использовано следующее условное обозначение степени соответствия стандарта: - MOD - модифицированный стандарт. | ||
Библиография
|
[1] |
ISO 6487 Road vehicles - Measurement techniques in impact tests - Instrumentation (Транспорт дорожный. Методы измерений при испытаниях на удар. Контрольно-измерительные приборы) |
|
[2] |
EN ISO/IEC 17025 Allgemeine Anforderungen an die Kompetenz von Prüf- und Kalibrierlaboratorien (ISO/IEC 17025 General requirements for the competence of testing and calibration laboratories) (Общие требования к компетентности испытательных и калибровочных лабораторий) |












