ГОСТ Р МЭК 60952-2-2017 БАТАРЕИ АВИАЦИОННЫЕ. Часть 2. КОНСТРУКЦИЯ И ТРЕБОВАНИЯ К КОНСТРУКЦИИ
Aircraft batteries. Part 2. Design and construction requirements
ОКС 29.220.20,
29.220.30,
49.060
ОКП 27.20.23.110
27.20.21.000
Дата введения - 1 октября 2018 г.
Взамен ГОСТ Р МЭК 952-2-93
Предисловие
1 Подготовлен Некоммерческой организацией "Национальная ассоциация производителей источников тока "РУСБАТ" (Ассоциация "РУСБАТ") на основе собственного перевода на русский язык англоязычной версии стандарта, указанного в пункте 4
2 Внесен Техническим комитетом по стандартизации ТК 044 "Аккумуляторы и батареи"
3 Утвержден и введен в действие Приказом Федерального агентства по техническому регулированию и метрологии от 31 октября 2017 г. N 1554-ст
4 Настоящий стандарт идентичен международному стандарту МЭК 60952-2:2013 "Батареи авиационные. Часть 2. Конструкция и требования к конструкции" (IEC 60952-2:2013 "Aircraft batteries - Part 2: Design and construction requirements", IDT).
При применении настоящего стандарта рекомендуется использовать вместо ссылочных международных стандартов соответствующие им национальные стандарты Российской Федерации, сведения о которых приведены в дополнительном приложении ДА
5 Взамен ГОСТ Р МЭК 952-2-93
6 Некоторые положения настоящего стандарта могут являться объектами патентных прав. Международная электротехническая комиссия (МЭК) не несет ответственности за идентификацию подобных патентных прав
Настоящий стандарт определяет конструкцию, требования к конструкции и материалам никель-кадмиевых и свинцово-кислотных авиационных аккумуляторных батарей (БАА), состоящих из вентилируемых или клапанно-регулируемых аккумуляторов или моноблоков.
Батареи используются как для приложений общего назначения, так и для специализированных приложений.
Конкретные положения, рассматриваемые в настоящем стандарте, служат для установления требований к качеству для соответствия требованиям раздела 3 МЭК 60952-1:2013.
Предпочтительный диапазон размеров авиационных батарей приведен в приложении А, но настоящий стандарт может быть применен и к батареям других размеров, устройства и номиналов. Для конкретных приложений могут быть предусмотрены другие требования к конструкции. Они будут применяться в дополнение к требованиям настоящего стандарта и будут охватываться конкретными документами.
Дополнительные сведения могут быть затребованы другими организациями (национальными органами по стандартизации, АЕСМА, SAE и др.). Настоящий стандарт может быть использован в качестве основы для разработки методов испытаний для получения необходимых данных.
В настоящем стандарте использована ссылка на следующий стандарт (для датированной ссылки следует использовать только указанное издание).
IEC 60952-1:2013 Aircraft batteries - Part 1: Design and construction requirements (Батареи авиационные. Часть 1. Общие требования и уровни характеристик)
В настоящем стандарте использованы термины по МЭК 60952-1:2013.
Батареи, соответствующие настоящему стандарту, после ввода в эксплуатацию согласно инструкциям изготовителя или как определено в спецификации изделия, должны отвечать требованиям МЭК 60952-1. Батареи, предназначенные для использования в аэрокосмической среде должны быть достаточно прочны и должны выдерживать все возможные воздействия, характерные для нормального применения, обращения, маневров во всем диапазоне условий эксплуатации, разрешенных для соответствующего воздушного судна (ВС).
Правильная интеграция БАА в авиационное оборудование требует сотрудничества между поставщиком батареи, авиаконструктором и конструктором авиационной техники. Только при наличии такого сотрудничества может быть реализовано эффективное сопряжение ВС, бортового оборудования и батареи, и достигнуто соответствие требований к характеристикам самолета и возможностей батарей с учетом имеющихся ограничений.
В целом установленные требования и руководящие принципы, содержащиеся в настоящем стандарте, являются универсальными и служат только в качестве основы для разработки и испытаний конкретных батарей и сопряжения их с оборудованием.
Ниже приведены общие требования, относящиеся к безопасности, контролю качества, технологическому контролю, квалификации, хранению, транспортировке и утилизации БАА.
Безопасность является наиболее важным фактором при использовании БАА на ВС. Обучение конечных пользователей и персонала, осуществляющего обработку при получении, установку, обслуживание, сбор и утилизацию БАА с учетом их особых характеристик, является необходимым элементом безопасности.
Особое внимание должно уделяться принятию в обработку, транспортировке и хранению БАА. Параметры безопасности включают в себя возможность возгорания, взрыва и коррозионную природу электролита, а также возможный выход токсичных или горючих газов.
Батареи должны быть сконструированы таким образом, чтобы избежать возникновения короткого замыкания как самой батареи, так и ее компонентов.
Клеммы батареи должны быть закрыты непроводящими защитными приспособлениями, чтобы избежать возможности короткого замыкания во время обработки, транспортировки и хранения.
Батарея должна быть построена таким образом, чтобы не было никакого источника воспламенения внутри батареи, который мог бы вызвать воспламенение смеси водорода/кислорода в случае выхода из строя вентиляционной системы. Все вспомогательное оборудование, такое как тепловые датчики, термостаты, обогреватели и коммутационные аппараты, должно быть сконструировано таким образом, чтобы оно не могло быть причиной взрыва. Токоведущие части батареи должны быть подобраны и изготовлены таким образом, чтобы обеспечить отсутствие источника воспламенения при любом внешнем коротком замыкании.
Батареи должны быть сконструированы таким образом, чтобы любые обломки при любых внутренних взрывах остались внутри корпуса.
Батареи должны быть изготовлены из материалов, не поддерживающих горение при отсутствии подаваемой извне энергии.
Авиаконструкторы должны обеспечить, чтобы эксплуатационные параметры и среды, в которых батарея будет использоваться, не являлись бы более суровыми, чем те, с учетом которых батарея была разработана и протестирована. Операции при режимах разряда и температурах выше проектных ограничений, ненадлежащее техническое обслуживание, неправильное хранение могут привести к возникновению опасной неисправности батареи. Кроме того, неправильное применение батарей может поставить под угрозу безопасность ВС, если она окажется не способна выдавать достаточную мощность во время чрезвычайной ситуации для обеспечения нагрузок, требуемых ВС в течение времени, заложенного при проектировании.
БАА и оборудование ВС, для которого они являются источником питания должны быть сконструированы таким образом, чтобы одиночный отказ любой части не смог привести к возникновению угрозы безопасности для пассажиров или экипажа ВС.
Оборудование, в котором используется батарея, и конструкция самой батареи должны предотвращать возможность возникновения короткого замыкания батареи и ее компонентов. Батареи должны быть сконструированы так, чтобы минимизировать риск возникновения источников возгорания внутри них. Батареи должны быть изготовлены из материалов, не поддерживающих горение.
Персонал, участвующий во всех действиях с БАА, должен быть информирован, что аккумуляторы и батареи иные, чем разрешенные/одобренные для конкретного приложения, не должны применяться, даже если они имеют те же физические размеры, емкость и напряжение.
Безопасное использование БАА включает в себя больше, чем просто выбор батареи и ее испытание. На безопасное использование БАА могут оказывать влияние многие особенности конструкции и эксплуатации. Например:
a) одновременное использование нескольких батарей - в общем случае использование одной батареи предпочтительнее использования нескольких батарей последовательно и/или параллельно. Однако во многих применениях в авиационной технике вследствие либо требований к ручной обработке (по массе), либо ограничения пространства может оказаться необходимым разделение батареи на более чем один корпус;
b) смешивание аккумуляторов или батарей - смешение аккумуляторов или батарей разных изготовителей является недопустимым. Соединение аккумуляторов или батарей разных емкостей в последовательное соединение приведет к снижению отдаваемой емкости, причем аккумуляторы могут оказаться в условиях глубокого (принудительного) разряда. Аккумуляторы или батареи могут иметь разные емкости по причине различий в их конструкции, процессах производства, хранении, использовании, возраста или истории эксплуатации. Поэтому смешивать аккумуляторы или батареи с разными артикулами, от разных изготовителей или из разных источников поставки не допускается. Для правильной замены отдельных аккумуляторов в батарее необходимо обратиться к инструкции изготовителя батарей по техническому обслуживанию;
c) полярность батареи - установка одной или нескольких батарей неправильно, с нарушением полярности соединения выходных клемм, приведет к тому, что такая батарея начнет заряжаться от другой батареи в цепи во время разряда и разряжаться во время заряда всех батарей;
d) открытые клеммы - батареи должны быть сконструированы и/или закрыты таким образом, чтобы исключалась возможность короткого замыкания и обеспечивалась надлежащая установка батареи. Если оставить выходные разъемы батареи или провода неизолированными, то это может привести к внешнему короткому замыканию батарей во время транспортировки, обработки, испытаний и установки. Клеммы батареи должны быть закрыты непроводящими защитными устройствами во избежание короткого замыкания во время обработки, транспортировки и хранения. Вибрации, имеющие место в ВС, и/или окисление контактов может привести к ухудшению электрических соединений. Требуется правильная конструкция разъемов и установление процедур технического обслуживания;
e) высокое напряжение на клеммах - батареи, имеющие на выходе 50 В или более, представляют угрозу безопасности персонала из-за возможности летального удара и должны иметь маркировку, четко предупреждающую об этой опасности.
──────────────────────────────
* Настоящий подраздел является ненормативным и приведен только для информации.
──────────────────────────────
Регламентирование использования оборудования, установленного в ВС, и составных частей этого оборудования находятся в ведении Федерального управления гражданской авиации США (FAA) и Европейского агентства авиационной безопасности (EASA). В случае, когда оборудование установлено в ВС во время его изготовления, Сертификат типа ВС (ТС) устанавливает утвержденный тип конструкции ВС, включая любое оборудование, в том числе батареи и их части. Поправки, дополнительные сертификаты типа (STC) и одобрения изготовителя частей (РМА) могут быть утверждены после первоначального выпуска ТС. Возможно также получение разрешения регионального или областного FAA для модификации или добавления оборудования, установленного в самолете. Следует отметить, что, РМА позволяет произвести замену батареи целиком (в сборе), но не распространяет свое действие на отдельные аккумуляторы.
В зависимости от того, является ли оборудование, содержащее БАА, установленным как часть оборудования ВС или перевозится в качестве груза, применяется различная нормативно-правовая база: в первом случае FAA, а в последнем - Правила по перевозке опасных материалов.
Применимы следующие нормативные документы (НД):
раздел 14 Кодекса федеральных правил по Аэронавтике и космосу, I, I, I-59 Федерального управления гражданской авиации Министерства транспорта;
часть 23 Нормы летной годности: обычного назначения, аэробатические и самолеты местных воздушных линий - разделы 23-1301 Функции и установки, 23-1309 Оборудование, системы и установки и 23-1353 Электрооборудование и установки, в том числе консультативный циркуляр 23.1309-1С;
часть 25 Нормы летной годности: самолеты транспортной категории - разделы 25-1301 Функции и установки, 25-1309 Оборудование, системы и установки и 25-1353 Электрооборудование и установки, в том числе консультативный циркуляр 25.1309-IA;
часть 27 Нормы летной годности: вертолеты обычного назначения - разделы 27-1301 Функции и установки, 27-1309 Оборудование, системы и установки и 27-1353 Электрооборудование и установки, в том числе консультативный циркуляр 27-IA;
часть 29 Нормы летной годности: вертолеты транспортного назначения - разделы 29-1301 Функции и установки, 29-1309 Оборудование, системы и установки, и 29-1353 Электрооборудование и установки, в том числе консультативный циркуляр 29-2С;
часть 21 Процедура сертификации для изделий и частей: раздел 21.303 Замена и модификация частей Раздел 21.143 Требования к данным контроля качества - первичный изготовитель.
После квалификации изготовитель должен поддерживать управление конфигурацией всех деталей, процессов и материалов для обеспечения стабильных эксплуатационных показателей. Все изменения в конструкции должны быть обработаны в соответствии со статьей 14 Кодекса Федерального регулирования (CFR) 21.611.
Изменением считается любое изменение (модификация):
a) листов чертежей,
b) габаритных чертежей,
c) производственных чертежей,
d) перечня основных деталей и материалов,
е) процессов и спецификаций,
f) процедур испытаний утверждения, требований функциональных испытаний или листы инструкций по испытаниям,
g) программного матобеспечения (при наличии),
h) идентификационной маркировки,
i) инструкции по установке и ограничения.
Применяются следующие требования:
a) ПРЕДУПРЕЖДЕНИЕ! Любые отклонения от первоначальной конструкции производителя батареи и материалов требуют повторной квалификации. Во время технического обслуживания не смешивайте аккумуляторы или компоненты различной конструкции или изготовителей в одной батарее, так как это может привести к проблемам безопасности;
b) компоновка клемм должна быть такой, чтобы исключить возможность неправильного подключения. Виды компоновок следует выбирать из приведенных в приложении В;
c) контейнеры должны быть изготовлены из стойкого материала. Изготовитель батареи должен объявить характеристики воспламеняемости внешнего контейнера.
Требования, предъявляемые к установке:
a) расположение: батареи и их контейнеры должны быть надежно закреплены так, чтобы они были легко доступны для осмотра, замены и необходимых испытаний;
b) температура электролита: метод установки должен гарантировать, что при нормальных условиях эксплуатации температура электролита поддерживается в пределах, необходимых для эффективной работы. Обычно это достигается путем продуманного расположения батареи внутри самолета;
c) вентиляция: для батареи и отсека, в котором она установлена, должны быть предусмотрены устройства, обеспечивающие вентиляцию, достаточную для предупреждения накопления опасной концентрации воспламеняющихся или токсичных газов. Эти устройства должны быть рассчитаны с учетом количества газа, которое может быть выделено в условиях тепловой нестабильности батареи;
d) коррозия: батареи должны быть размещены на лотке, который устойчив к коррозии в электролите. Этот лоток должен быть установлен таким образом, что он не будет удаляться совместно с батареей;
е) горючесть: требования к материалу корпуса батареи может изменяться в зависимости от расположения батареи внутри самолета. Например, батареи, расположенные в зоне, которая может быть подвержена огню от воспламенившегося топлива, должны быть огнеупорными, батареи в крыле или пассажирском салоне должны быть огнестойкие, в то же время батареи, установленные в огнестойкие или несгораемые ящики, могут быть легковоспламеняющимися. Должны быть приняты во внимание токсичные пары, выделяемые многими огнезащитными материалами, когда они подвергаются действию пламени.
Батареи должны быть изготовлены однородными по качеству и свободными от дефектов, которые будут влиять на их срок службы, функционирование и внешний вид. Батареи не должны иметь шатающихся контактов, дефектов литья или сборки, поврежденных или неправильно собранных контактов, отслаиваний, шелушения или выкрашивания покрытия или отделки, механических повреждений в результате воздействия испытательных сред, забоин или заусенцев металлических частей поверхности, неправильной или некорректной маркировки. Описание требований приведено в таблице 1. До начала испытаний и после испытаний батареи должны быть проверены на предмет соответствия этим требованиям.
|
Порядковый номер |
Описание |
Способ контроля |
|
1 |
Поверхности, предназначенные для электрического контакта, закрыты изолирующими материалами |
Визуальный |
|
2 |
Ржавые или пробитые отверстия на внешнем контейнере | |
|
3 |
Утечка электролита | |
|
4 |
Не соответствующее расположение и полярность клемм | |
|
5 |
Не соответствующие опознавательные надписи и маркировка клемм | |
|
6 |
Отсутствует или неисправна герметизация клемм | |
|
7 |
Коррозия | |
|
8 |
Включения инородного материала | |
|
9 |
Сварные швы имеют сквозные отверстия, трещины или шлаковые включения | |
|
10 |
Заусенцы на контейнере или крышки батареи | |
|
11 |
Неправильные цвета на внешней стороне контейнера и крышки |
Батареи, которые обозначены как герметичные, не требуют добавления дистиллированной/деионизированной воды в электролит во время работы или квалификационных испытаний. Обслуживаемые типы батарей требуют корректировки уровня электролита внутри аккумулятора. Добавление дистиллированной или деионизированной воды должно производиться только, когда батарея полностью заряжена, так как уровень электролита будет меняться в зависимости от ее заряженности. Изготовитель должен определить процедуры для определения и корректировки уровня электролита.
a) Электролит на основе гидроксида калия: никель-кадмиевые батареи должны использовать электролит, состоящий из водного раствора гидроксида калия.
b) Электролит на основе серной кислоты: свинцово-кислотные батареи должны использовать электролит, состоящий из водного раствора серной кислоты.
Компоненты, используемые внутри батареи должны иметь устойчивость к электролиту, соответствующую МЭК 60952-1.
Аккумуляторы всех заливных батарей должны иметь четко определенные средства определения правильного уровня заполнения электролитом. Это может быть постоянная отметка в заливной горловине в виде ступеньки, паза, шлица или другой очевидный способ. Конкретный метод может быть определен в спецификации батареи.
Утечка электролита из батарей и компонентов должны быть оценены в соответствии с требованиями МЭК 60952-1.
Там, где в непосредственном контакте используются разнородные металлы, применяют систему защиты от электрохимической коррозии.
После того, как батарея была собрана, все открытые металлические поверхности аккумуляторов, межэлементные соединения и связанное с ними оборудование должны быть покрыты электролитостойкими, антикоррозионными соединениями. Резиновые манжеты клапана сброса давления, вентиляционные отверстия и соединения между токопроводящими поверхностями не должны быть подвержены коррозии. Покрытие должно быть нанесено равномерно и без пустот.
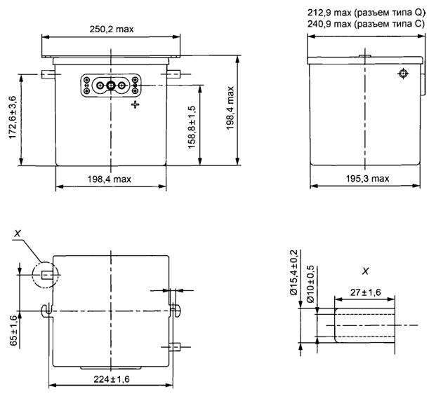
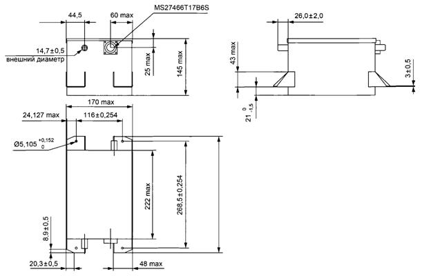
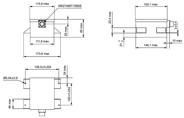
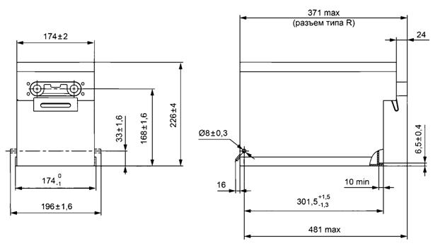
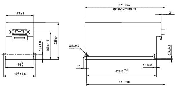
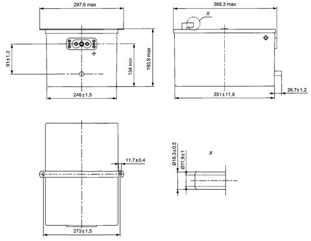
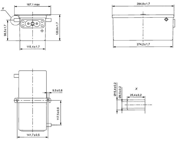
Размеры и расположение сосудов, вентиляционных труб и направляющих - согласно приложению А.
Контейнер и крышка батареи должны быть без шероховатостей, ям, раковин и других деформаций. В спецификации батареи может быть указано, должна ли крышка быть съемной.
Там, где для электрического соединения БАА с ВС используются металлические направляющие, должны быть предусмотрены меры для обеспечения открытости токопроводящей поверхности на всех полосах, скобах или точках крепления, если не указано иначе в спецификации батареи. Это может быть достигнуто путем оставления 22 мм наружный части полосы направляющей без покрытия или обеспечением наличия зон чистого металла в точках соприкосновения.
Контейнеры и крышки аккумуляторов должны быть без шероховатостей, ям, раковин и других деформаций.
Они должны быть изготовлены из изоляционного материала, который устойчив к условиям эксплуатации. Там, где необходимо соединить компоненты вместе, это достигается путем сварки или клея, который устойчив к атмосферному давлению.
Контейнеры, которые используются для никель-кадмиевых аккумуляторов, должны быть изготовлены из не поддерживающего горение, непористого, щелочестойкого материала, например полиамида.
Контейнеры, используемых в свинцово-кислотных батареях, должны быть изготовлены из непористого, кислотоупорного материала, такого как, например, полипропилен, полистирол и поликарбонат.
Конструкция батарей должна использовать метод разбавления атмосферным воздухом газов, образующихся во время перезаряда. Система очистки может быть основана либо на естественной, либо на принудительной вентиляции.
При естественной вентиляции контейнера батареи и/или крышки должны иметь достаточные отверстия или жалюзи, чтобы обеспечить рассеивание газа в неподвижном воздухе. Такие отверстия или жалюзи должны быть соответствующим образом защищены, чтобы предотвратить попадание посторонних объектов.
При принудительной вентиляции вывод газов из всех аккумуляторов происходит в вентиляционной камере, имеющей отверстия для откачки воздуха. Изготовитель батареи должен объявить о соответствии пункту МЭК 60952-1. Существуют два предпочтительных способа достижения очистки воздушным потоком:
a) поступление воздуха в батарею через вход корпуса с встроенным обратным клапаном. При этом должна быть обеспечена невозможность подключения трубы отсоса к впускной стороне клапана. Воздух вытягивается из аккумулятора путем подключения трубы;
b) воздух подводится в батарею и отводится из нее путем соединения труб. В этом случае направление вентиляции не имеет значения.
Изготовитель должен декларировать соответствие с МЭК 60952-1:2013 (подраздел 6.5).
9.2.1 Вентилируемая крышка заливной горловины для вентилируемых аккумуляторов
Каждый аккумулятор должен быть снабжен вентиляционным отверстием заливной горловины, изготовленной из непроводящего материала, который устойчив к воздействию электролита и оснащен уплотнительным устройством.
Вентиляционное отверстие заливной горловины должно содержать устройство, допускающее выход газа. Для аэробатических целей, упомянутые вентиляционные крышки горловин могут быть использованы для предотвращения утечки жидкости, когда батарея перевернута.
Вентиляционное отверстие заливной горловины должно выполнять свои функции во всех регламентированных испытаниях при значении давления, определенного изготовителем.
9.2.2 Клапан для клапанно-регулируемых аккумуляторов
Каждый аккумулятор должен быть оборудован клапаном таким образом, чтобы в случае необходимости обеспечить выход газа.
Находящиеся снаружи межэлементные соединения должны быть спроектированы и установлены таким образом, чтобы не препятствовать удалению из аккумуляторов крышек вентилируемых горловин. Для покрытия внутренних разъемов или их крепежа не могут быть использованы эпоксидная смола или другой пластмассовый материал. Изготовитель должен предоставить данные правильных моментов затяжки для межэлементных соединений для каждого типа поставляемых батарей.
Межэлементные соединители по просьбе покупателя могут быть сконструированы как съемные либо несъемные. Несъемные соединители описаны в 10.2. Все межэлементные соединители должны соответствовать следующим руководящим принципам:
a) иметь достаточные размеры, чтобы соответствовать возможностям батареи по отдаче тока;
b) не создавать коррозии или реакции разнородных металлов;
c) выдерживать воздействие электролита.
Отдельные типы малообслуживаемых, ограниченно ремонтопригодных никель-кадмиевых батарей могут быть запрошены с несъемными межэлементными соединителями. Такой вариант соединения не дает возможности вынуть для обслуживания отдельный аккумулятор из батареи. Межэлементные соединения не должны мешать снятию съемных соединений зарядного устройства, и антивандальное оборудование не должно устанавливаться на сосудах аккумуляторов или жгутах. Для того, чтобы препятствовать выемке аккумулятора, межэлементные несъемные соединения могут быть прикреплены к аккумулятору путем использования антивандального средства, например антивандального крепежа, который будет трудно удалить, но который не повреждают аккумуляторы после удаления. Заклепки, сварку или клеевые методы не следует использовать для присоединения межэлементного соединения ограниченно ремонтнопригодных батарей.
Каждая ручка должна выдерживать массу батареи с коэффициентом не менее 1,5 раза от массы батареи.
ПРЕДУПРЕЖДЕНИЕ! Вентиляционные трубы батареи не предназначены для использования их в качестве подъемной ручки.
В случае необходимости в спецификации батареи могут быть установлены и другие требования для ручек подъема батарей, учитывающие соответствующие человеческие факторы, такие как достаточное пространство для защиты рук при холодной погоде, а также обеспечение зазора для вспомогательного оборудования.
Для крепления крышки батареи к корпусу могут быть использованы защелки. Положение защелок и способ крепления могут быть определены в спецификации батареи.
Для заливных никель-кадмиевых батарей, охватываемых настоящим стандартом, за исключением прижимной колодки, ни для аккумуляторов, ни для любых других частей не допускается использовать алюминий, поликарбонат или полиэфиры.
Когда это требуется для закупочной или квалификационной деятельности, изготовитель должен предоставить сертификат соответствия материала или компонента. При отсутствии сертификата от источника получения требуется паспорт анализа или данные сертифицированной экспертизы.
Газовые барьеры на основе микропористой полипропиленовой пленки или других нецеллюлозных ион-проницаемых тонких пленок в результате обширных испытаний и большого опыта эксплуатации доказали способность предотвратить тепловой разгон, возникающий из-за нарушения газового барьера.
Сепаратор, который располагается между пластинами аккумулятора, чтобы изолировать их электрически и механически, обычно состоит из слоя газового барьера между двумя слоями абсорбирующей ткани. Газовый барьер позволяет проходить ионам, но не позволяет проходить кислороду. Если кислород, который генерируется на положительных пластинах во время заряда, может перейти на отрицательные пластины, то он рекомбинирует там с образованием тепла, что может привести к очень опасному состоянию теплового разгона. Вероятность процесса увеличивается, когда запас электролита истощается и верх электродов аккумулятора уже не будет закрыт электролитом. Тем самым у кислорода появляется возможность обойти газовый барьер в верхней части аккумулятора, что приведет к тепловому разгону.
Напряжение при заряде очень сильно зависит от используемого для сепаратора материала. Напряжение заряда аккумуляторов, содержащих газовый барьер, как описано выше, может отличаться от аккумуляторов с другими газовыми барьерами. Кроме того, известно, что когда аккумуляторы в батарее имеют неравномерное напряжение во время заряда, батарея будет подвержена тепловому разгону.
Изготовитель должен определить процесс для обеспечения термической устойчивости батареи во время процедуры обслуживания.
Размеры и масса аккумуляторов должны соответствовать габаритным чертежам (см. приложение А) или в отдельных случаях, устанавливаться в Спецификации батареи.
Если требуется использование определенного цвета, то это должно быть указано в спецификации батареи.
Маркировка изготовителя на внешней поверхности батареи должна быть разборчивой и нестираемой и содержать следующую минимальную информацию:
a) наименование изготовителя;
b) наименование типа батареи изготовителя и номер детали;
c) цифры или буквы, характеризующие модификации;
d) номинальное напряжение батареи;
е) нормируемую емкость и назначенный срок службы;
f) полярность батареи;
g) электрохимическая система (например, никель-кадмиевые или свинцово-кислотные);
h) дата изготовления;
i) серийный номер, присвоенный изготовителем;
j) число аккумуляторов (никель-кадмиевые), если требуется;
k) номер договора, если требуется;
l) учетный номер - национальный или НАТО, если потребуется.
Может потребоваться дополнительная маркировка, если это установлено в спецификации на изделие, документе закупки или по правилам местного законодательства.
Маркировка съемных аккумуляторов должна быть разборчивой и нестираемой и содержать следующие сведения:
a) наименование изготовителя;
b) дата производства в незашифрованном виде;
c) номер партии или серийный номер;
d) электрохимическая система или информация по утилизации в соответствии с национальным законодательством.
На корпусе или на основном электрическом разъеме должен быть отчетливо и прочно отмечен знак плюс ("+") в месте, указанном на габаритном чертеже батареи. Для отдельных съемных аккумуляторов, каждый аккумулятор должен иметь ясную и четкую полярность.
Чтобы увеличить работоспособность при низкой температуре, на батареи может быть установлена система нагрева батарей. К батареям с установленными обогревателями применимы все требования МЭК 60952-1. Кроме того применимы следующие требования к конструкции:
a) характеристики напряжение питания и максимального тока для системы обогрева определяют в спецификации батареи с учетом нагрузки нагревателя;
b) максимальная тепловая мощность системы не должна повредить компонентам батареи, с которыми она находится в контакте;
c) каждый независимый или параллельно соединенный контур обогрева системы должен быть оборудован не менее чем двумя устройствами управления, соединенными последовательно в цепи его питания;
d) разъем системы обогрева, устройства управления нагревателями, элементы и соединительный кабель должны быть рассчитаны в соответствии с максимальной нагрузкой нагревателя, напряжением и режимом работы;
e) все компоненты системы обогрева, включая приборы контроля, кроме внешнего подключения питания подогревателя, должны быть расположены внутри корпуса батареи. Расположение нагревательных элементов должно быть таким, чтобы минимизировать температурные градиенты в батарее;
f) все компоненты системы обогрева, кроме соединительных клемм подключения внешнего питания подогревателя, должны быть электрически изолированы и установлены таким образом, чтобы минимизировать потенциальное повреждение батареи из-за короткого замыкания, искрения или других электрических опасностей, а также потенциальное повреждение изоляции компонентов самой системы обогрева;
g) все устройства управления нагревателем должны быть герметизированы способом, предотвращающим воспламенение взрывоопасных смесей газов, которые могут возникнуть в батарее в процессе ее эксплуатации;
h) если в случае отказа контрольного устройства нагревателя температура любой внешней поверхности контейнера батареи может превышать 49 °С в течение 2 ч при температуре окружающей среды (23 ° 2) °С, то на поверхности батареи должен быть размещен предупреждающий знак, содержащий слова "осторожно, горячая поверхность".
Соединители должны соответствовать требованиям приложения В или спецификации изделия. После установки разъемы должны быть оценены по прочности при кручении согласно МЭК 60952-1.
Термовыключатели и датчики температуры, если их используют, должны быть установлены таким образом, чтобы они могли быть проверены. Для подтверждения правильности работы датчики температуры следует контролировать на всем протяжении электрических испытаний, определенных в МЭК 60952-1.
Соединитель цепи контроля температуры предпочтительно должен быть расположен отдельно от основного разъема питания.
БАА следует хранить в сухом и хорошо проветриваемом помещении и рядом не должны находиться легко воспламеняемые материалы. В большинстве случаев нет необходимости в контроле влажности и температуры, но для увеличения максимального срока службы температура хранения должна быть ниже 30 °С. Как правило, воздействие температур выше 50 °С не должно превышать нескольких дней в году. Следует избегать температуры хранения выше 70 °С.
Не допускается хранение БАА различных электрохимических систем в одном месте/объекте.
Правильное хранение аккумуляторной батареи зависит от электрохимической системы батареи. Для того, чтобы добиться максимального срока хранения, некоторые типы аккумуляторов хранят в замкнутом, некоторые в полностью разряженном состоянии, а другие требуют регулярной подзарядки. Условия хранения должны быть описаны в спецификации БАА.
Транспортировка БАА в качестве груза подлежит регулированию. Перед транспортировкой БАА необходимо ознакомиться с актуальной НД в соответствующих странах.
Правильная утилизация БАА является предметом внимания для изготовителей батарей, потребителей и государственных органов. За соответствующей информацией следует обращаться к паспортам безопасности материалов (MSDS) изготовителей батарей. Батареи должны быть утилизированы или отправлены изготовителю для утилизации в соответствии со всеми применимыми федеральными, государственными и местными требованиями для конкретной используемой системы.
Приложение А
(обязательное)

МЭК 1294/04
|
Минимальная емкость С1 [в соответствии с МЭК 60952-1:2013 (пункт 3.3)] |
34 А·ч |
|
Число аккумуляторов |
19/20 для никель-кадмиевых; 12 для свинцово-кислотных |
|
Номинальное напряжение |
24 В |
|
Максимальная масса |
40 кг |
|
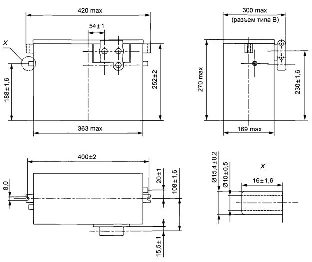
Батарея может быть оснащена одной из двух типов вентиляционных систем в соответствии с 9.1. Если необходимо применение принудительной вентиляции, то это должно быть указано изготовителем. | |
Рисунок А.1 - тип А

МЭК 1295/04
|
Минимальная емкость С1 [в соответствии с МЭК 60952-1:2013 (пункт 3.3)] |
34 А·ч |
|
Число аккумуляторов |
19/20 для никель-кадмиевых; 12 для свинцово-кислотных |
|
Номинальное напряжение |
24 В |
|
Максимальная масса |
40 кг |
|
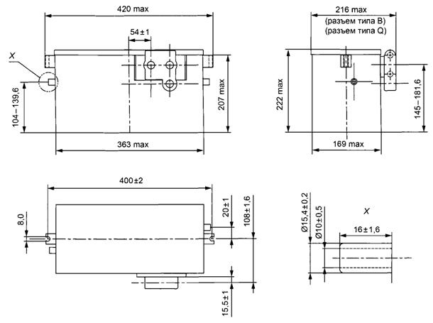
Батарея может быть оснащена одной из двух типов вентиляционных систем в соответствии с 9.1. Если необходимо применение принудительной вентиляции, то это должно быть указано изготовителем. | |
Рисунок А.2 - тип В

МЭК 1296/04
|
Минимальная емкость С1 [в соответствии с МЭК 60952-1:2013 (пункт 3.3)] |
22 А·ч |
|
Число аккумуляторов |
19/20 для никель-кадмиевых; 12 для свинцово-кислотных |
|
Номинальное напряжение |
24 В |
|
Максимальная масса |
27,5 кг |
|
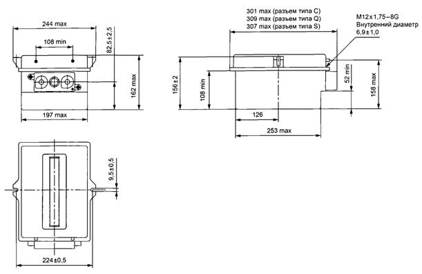
Батарея может быть оснащена одной из двух типов вентиляционных систем в соответствии с 9.1. Если необходимо применение принудительной вентиляции, то это должно быть указано изготовителем. | |
Рисунок А.3 - тип С

МЭК 1297/04
|
Минимальная емкость С1 [в соответствии с МЭК 60952-1:2013 (пункт 3.3)] |
22 А·ч |
|
Число аккумуляторов |
19/20 для никель-кадмиевых; 12 для свинцово-кислотных |
|
Номинальное напряжение |
24 В |
|
Максимальная масса |
29 кг |
|
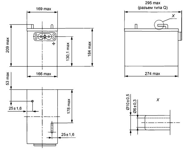
Батарея может быть оснащена одной из двух типов вентиляционных систем в соответствии с 9.1. Если необходимо применение принудительной вентиляции, то это должно быть указано изготовителем. | |
Рисунок А.4 - тип D

МЭК 1298/04
|
Минимальная емкость С1 [в соответствии с МЭК 60952-1:2013 (пункт 3.3)] |
18 А·ч |
|
Число аккумуляторов |
19/20 для никель-кадмиевых; 12 для свинцово-кислотных |
|
Номинальное напряжение |
24 В |
|
Максимальная масса |
19 кг |
|
Батарея может быть оснащена одной из двух типов вентиляционных систем в соответствии с 9.1. Если необходимо применение принудительной вентиляции, то это должно быть указано изготовителем. | |
Рисунок А.5 - тип Е

МЭК 1299/04
|
Минимальная емкость С1 [в соответствии с МЭК 60952-1:2013 (пункт 3.3)] |
14 А·ч |
|
Число аккумуляторов |
19/20 для никель-кадмиевых; 12 для свинцово-кислотных |
|
Номинальное напряжение |
24 В |
|
Максимальная масса |
19 кг |
|
Батарея может быть оснащена одной из двух типов вентиляционных систем в соответствии с 9.1. Если необходимо применение принудительной вентиляции, то это должно быть указано изготовителем. | |
Рисунок А.6 - тип F

МЭК 1300/04
|
Минимальная емкость С1 [в соответствии с МЭК 60952-1:2013 (пункт 3.3)] |
11 А·ч |
|
Число аккумуляторов |
19/20 для никель-кадмиевых; 12 для свинцово-кислотных |
|
Номинальное напряжение |
24 В |
|
Максимальная масса |
16 кг |
|
Батарея может быть оснащена одной из двух типов вентиляционных систем в соответствии с 9.1. Если необходимо применение принудительной вентиляции, то это должно быть указано изготовителем. | |
Рисунок А.7 - тип G

МЭК 1301/04
|
Минимальная емкость С1 [в соответствии с МЭК 60952-1:2013 (пункт 3.3)] |
7,5 А·ч |
|
Число аккумуляторов |
19/20 для никель-кадмиевых; 12 для свинцово-кислотных |
|
Номинальное напряжение |
24 В |
|
Максимальная масса |
11,8 кг |
|
Батарея может быть оснащена одной из двух типов вентиляционных систем в соответствии с 9.1. Если необходимо применение принудительной вентиляции, то это должно быть указано изготовителем. | |
Рисунок А.8 - тип Н

МЭК 1302/04
|
Минимальная емкость С1 [в соответствии с МЭК 60952-1:2013 (пункт 3.3)] |
1,5 А·ч |
|
Число аккумуляторов |
19/20 для никель-кадмиевых; 12 для свинцово-кислотных |
|
Номинальное напряжение |
24 В |
|
Максимальная масса |
2,9 кг |
Рисунок А.9 - тип I

МЭК 1303/04
|
Минимальная емкость C1 [в соответствии с МЭК 60952-1:2013 (пункт 3.3)] |
25 А·ч |
|
Число аккумуляторов |
19/20 для никель-кадмиевых; 12 для свинцово-кислотных |
|
Номинальное напряжение |
24 В |
|
Максимальная масса |
24,5 кг |
Рисунок А.10 - тип J

МЭК 1304/04
|
Минимальная емкость С1 [в соответствии с МЭК 60952-1:2013 (пункт 3.3)] |
37 А·ч |
|
Число аккумуляторов |
19/20 для никель-кадмиевых; 12 для свинцово-кислотных |
|
Номинальное напряжение |
24 В |
|
Максимальная масса |
34,5 кг |
Рисунок А.11 - тип K

МЭК 1305/04
|
Минимальная емкость С1 [в соответствии с МЭК 60952-1:2013 (пункт 3.3)] |
35 А·ч |
|
Число аккумуляторов |
19/20 для никель-кадмиевых; 12 для свинцово-кислотных |
|
Номинальное напряжение |
24 В |
|
Максимальная масса |
36,8 кг |
|
Батарея может быть оснащена одной из двух типов вентиляционных систем в соответствии с 9.1. Если необходимо применение принудительной вентиляции, то это должно быть указано изготовителем. | |
Рисунок А.12 - тип L

МЭК 1306/04
|
Минимальная емкость С1 [в соответствии с МЭК 60952-1:2013 (пункт 3.3)] |
5,5 А·ч |
|
Число аккумуляторов |
19/20 для никель-кадмиевых; 12 для свинцово-кислотных |
|
Номинальное напряжение |
24 В |
|
Максимальная масса |
8 кг |
|
Батарея может быть оснащена одной из двух типов вентиляционных систем в соответствии с 9.1. Если необходимо применение принудительной вентиляции, то это должно быть указано изготовителем. | |
Рисунок А.13 - тип M
Приложение В
(обязательное)
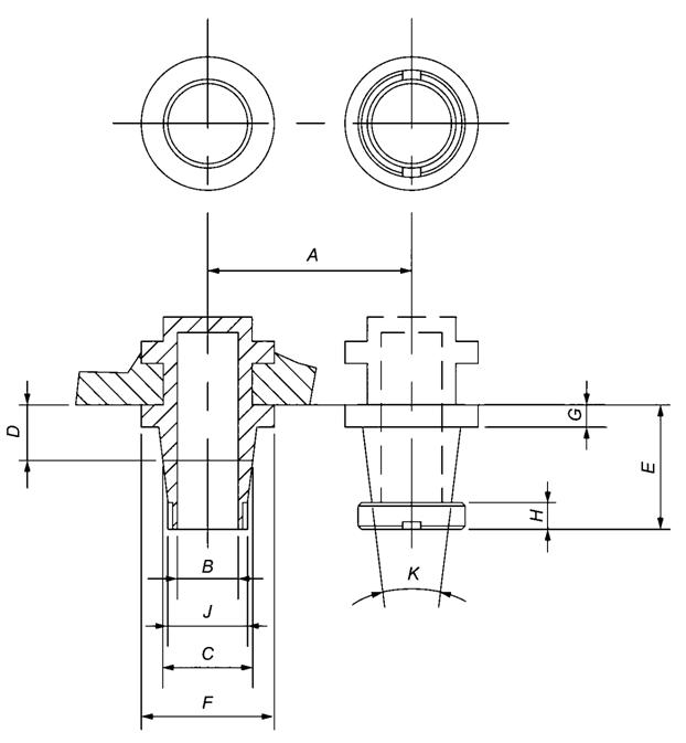
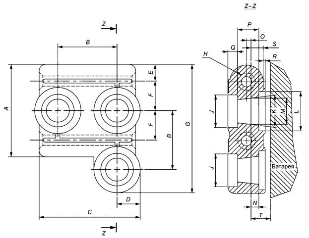
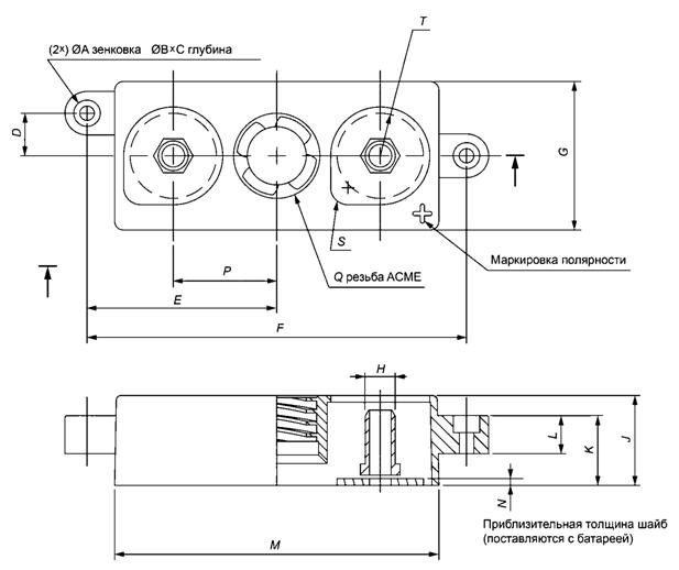
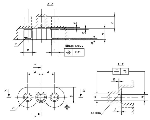
Типы разъемов, приведенных в настоящем стандарте, прошли аттестацию для использования в БАА. Пользователь может указать другой разъем, например, круговой разъем, который был включен в перечень разрешенных к применению, с указанием того, что разъем был признан пригодным для летной эксплуатации.

MЭК 1307/04
|
Обозначение размера |
Значение размера | |
|
А |
(46 ± 0,1) мм |
1,811 ± 0,004 |
|
В |
Ø 13,75+0,027 мм |
Ø 0,541''+0,001 |
|
С |
Ø 20,28 мм |
Ø 0,798 |
|
D |
(12,5 ± 1) мм |
(0,492 ± 0,04)'' |
|
Е |
(28 ± 1) мм |
(1,102 ± 0,04)'' |
|
F |
Не более 30 мм |
Не более 1,181'' |
|
G |
Не более 5 мм |
Не более 0,197'' |
|
H |
Не более 6 мм |
Не более 0,237'' |
|
J |
М18 х 1,0 | |
|
K |
14° ± 10' |
14° ± 10' |
Рисунок В.1 - Разъем типа А

МЭК 1308/04
Разъем типа В сочленяется с разъемом типа А, установленным на батарее.
|
Обозначение размера |
Значение размера | |
|
А |
Не более 72 мм |
Не более 2,835'' |
|
В |
(46 ± 0,1) мм |
(1,811 ± 0,003)" |
|
С |
Не более 82 мм |
Не более 3,215'' |
|
D |
Не более 18 мм |
Не более 0,708'' |
|
E |
Не более 13 мм |
Не более 0,511'' |
|
F |
(23 ± 0,1) мм |
(0,905 ± 0,003)'' |
|
G |
Не более 100 мм |
Не более 3,937'' |
|
Н |
Ø 13,75+0,027 мм |
Ø 0,541''+0,001 |
|
J |
Ø (24,5 ± 0,5) мм |
Ø (0,964 ± 0,019)'' |
|
K |
14° |
14° |
|
L |
Ø (30,5 ± 0,5) мм |
Ø (1,201 ± 0,019)'' |
|
М |
20,28 мм |
0,798'' |
|
N |
6+0,15 мм |
(0,236 ± 0,006)'' |
|
О |
3+0,027 мм |
0,118'' |
|
Р |
16-0,2 мм |
(0,629 ± 0,007)'' |
|
Q |
(8 ± 0,5) мм |
(0,315 ± 0,019)'' |
|
R |
(1 ± 0,2) мм |
(0,394 ± 0,008)'' |
|
S |
(10 ± 0,5) мм |
(0,393 ± 0,019)'' |
|
Т |
(15,5 ± 1,5) мм |
(0,610 ± 0,059)'' |
Рисунок В.2 - Разъем типа В

МЭК 1309/04
|
Обозначение размера |
Значение размера в | |
|
миллиметрах |
дюймах | |
|
А |
5,6 |
0,221 |
|
В |
8,8 |
0,348 |
|
С |
6,3 |
0,25 |
|
D |
15,9 |
0,625 |
|
E |
69,8 |
2,75 |
|
F |
139,7 |
5,50 |
|
G |
55,5 |
2,185 |
|
H |
Ø 11,05 ± 0,12 |
Ø 0,435 ± 0,005 |
|
J |
33,5 |
1,32 |
|
K |
Не более 25,4 |
Не более 1,00 |
|
L |
14,3 |
0,562 |
|
М |
118,0 |
4,65 |
|
N |
6,3 |
0,25 |
|
Р |
38,1 |
1,500 |
|
Q |
1,156 -0,25P -1,00L | |
|
S |
R 18,3 |
R 0,719 |
|
Т |
R 6,3 |
R 0,25 |
Рисунок В.3 - Разъем типа С

МЭК 1310/04
|
Обозначение размера |
Значение размера в | |
|
миллиметрах |
дюймах | |
|
А |
Номинальный 19,46 |
Номинальный 0,766 |
|
В |
23,1 ± 0,13 |
0,914 ± 0,005 |
|
С |
R 14,7 ± 0,13 |
R 0,578 ± 0,005 |
|
D |
Не менее 17,0 |
Не менее 0,670 |
|
E |
Ø 2,36 ± 0,05 |
Ø 0,093 ± 0,002 |
|
F |
1,3 ном. (фаска 45°) |
0,050 ном. |
|
G |
Ø 9,9 ± 0,13 |
Ø 0,391 ± 0,005 |
|
H |
8,0 ± 0,05 |
0,307 ± 0,002 |
|
J |
3,6 ± 0,13 |
0,141 ± 0,005 |
|
K |
К номинальный 3,2 |
R номинальный 0,125 |
|
L |
Ø 9,5 ± 0,13 |
Ø 0,375 ± 0,005 |
|
M |
1,57 ± 0,13 |
0,062 ± 0,005 |
|
N |
16,5 ± 0,13 |
0,650 ± 0,005 |
|
Р |
Не более 18,36, не менее 15,77 |
Не более 0,723, не менее 0,620 |
|
Q |
Не более 1,7 |
Не более 0,067 |
|
T1 |
0,13 |
0,005 |
|
T2 |
0,25 |
0,010 |
Рисунок В.4 - Разъем типа Q

МЭК 1311/04
|
Обозначение размера |
Значение размера в | |
|
миллиметрах |
дюймах | |
|
А |
Ø 14,0 ± 0,035 |
Ø 0,551 ± 0,001 |
|
В |
80,0 ± 0,25 |
3,150 ± 0,010 |
|
С |
118,0 ± 0,25 |
4,646 ± 0,010 |
|
D |
22,0 ± 0,25 |
0,866 ± 0,010 |
|
E |
26,0 |
1,024 |
|
F |
М5 - 7Н | |
Рисунок В.5 - Разъем типа R

МЭК 1702/13
|
Обозначение размера |
Значение размера в | |
|
миллиметрах |
дюймах | |
|
А |
9,53 ± 0,13 |
0,375 ± 0,005 |
|
В |
11,10 ± 0,13 |
0,437 ± 0,005 |
|
С |
27,26 ± 0,13 |
1,093 ± 0,005 |
|
D |
29,36 ± 0,13 |
1,156 ± 0,005 |
|
Е |
Не менее 23,8 |
Не менее 0,937 |
|
F |
11,10 ± 0,25 |
0,437 ± 0,010 |
|
G |
6,35 ± 0,13 |
0,250 ± 0,005 |
|
H |
1,19 ± 0,05 |
0,047 ± 0,002 |
|
J |
Номинальный 38,10 |
Номинальный 1,500 |
Рисунок В.6 - Разъем типа S
Приложение ДА
(справочное)
Таблица ДА.1
|
Обозначение ссылочного международного стандарта |
Степень соответствия |
Обозначение и наименование соответствующего национального стандарта |
|
IEC 60952-1:2013 |
IDT |
ГОСТ Р МЭК 60952-1-2017 "Батареи авиационные. Часть 1. Общие требования и уровни характеристик" |
|
Примечание - В настоящей таблице использовано следующее условное обозначение степени соответствия стандартов: - IDT - идентичный стандарт. | ||


