ГОСТ 30852.8-2002 ЭЛЕКТРООБОРУДОВАНИЕ ВЗРЫВОЗАЩИЩЕННОЕ. Часть 7. Защита вида e
Explosionproof electrical apparatus. Part 7: Type of protection e
Дата введения - 15 февраля 2014 г.
Введен впервые
Предисловие
Цели, основные принципы и порядок проведения работ по межгосударственной стандартизации установлены ГОСТ 1.0-92 "Межгосударственная система стандартизации. Основные положения" и ГОСТ 1.2-2009 "Межгосударственная система стандартизации. Стандарты межгосударственные, правила и рекомендации по межгосударственной стандартизации. Правила разработки, принятия, применения, обновления и отмены"
Введение
Настоящий стандарт разработан на основе третьей редакции проекта IEC 60079-7 (31/284/CD) "Электрооборудование для взрывоопасной газовой атмосферы". Часть 7. Повышенная безопасность вида "е", разосланного на рассмотрение странам-членам МЭК 1999-02-26, и представляет собой аутентичный текст указанного проекте стандарта МЭК с незначительными дополнениями, отражающими потребности экономик стран СНГ. Дополнения в тексте стандарта выделены курсивом.
В целях удобства обращения к конкретным техническим требованиям в настоящем стандарте сохранена нумерация разделов, подразделов, пунктов, подпунктов и т.п. IEC 60079-7 (31/284/CD).
Из текста настоящего стандарта исключены ссылки информационно-библиографического характера, приведенные в IEC 60079-7 (31/284/CD). Например, из пояснения к термину "рабочее напряжение" (3.11) в настоящем стандарте исключена ссылка, на IEC 60664-1 "Изоляция внутри систем низкого напряжения. Часть 1. Принципы, требования, испытания" или исключено примечание к термину 3.12.6 ("уплотненный элемент или батарея"), информирующее, что определение взято из европейского стандарта EN 50020 "Электрооборудование для потенциально взрывоопасной атмосферы "Искрозащита вида "i" и т.п.
Исключение ссылок обусловлено тем, что, во-первых, они не носят нормативного характера, а во-вторых, стандарты, на которые даны ссылки, не гармонизированы с межгосударственными стандартами. Отличительные признаки нестоящего стандарта и проекта IEC 60079-7 (31/284/CD) изложены в приложении Л.
Кроме того, в приложениях И, К даны извлечения из некоторых стандартов МЭК, не гармонизированных с российскими стандартами и в которых изложены отдельные конкретные требования к электрооборудованию с защитой вида е, на которые в проекте IEC 60079-7 (31/284/CD) дается ссылка.
Настоящий стандарт устанавливает требования к конструкции, испытанию и маркировке взрывозащищенного электрооборудования с защитой вида е.
Требования настоящего стандарта распространяются на взрывозащищенное электрооборудование с номинальным действующим значением напряжения питания переменного тока или с номинальным значением постоянного тока не более 11 кВ, в котором приняты дополнительные меры против возникновения дуговых разрядов, искрения или повышенных температур в нормальном или ненормальном режимах работы, указанных изготовителем электрооборудования в нормативно-технической документации.
Требования, установленные настоящим стандартом, дополняют общие требования, изложенные в ГОСТ 30852.0 для защиты вида е, если только они не отменяются в каком-либо конкретном случае.
Требования настоящего стандарта являются обязательными.
В настоящем стандарте использованы ссылки на следующие межгосударственные стандарты:
ГОСТ 2746-90 (МЭК 238-87) Патроны резьбовые для электрических ламп. Общие технические условия
ГОСТ 8865-93*(1) Системы электрической изоляции. Оценка нагревостойкости и классификация
ГОСТ 9806-90 (МЭК 400-87) Патроны для трубчатых люминесцентных ламп и стартеров. Общие технические требования
ГОСТ 14254-96 (МЭК 529-89) Степени защиты, обеспечиваемые оболочками (Код IP)
ГОСТ 26367.1-93 (МЭК 285-83)*(2) Аккумуляторы и батареи аккумуляторные щелочные никель-кадмиевые герметичные цилиндрические. Общие технические условия
ГОСТ 26615-85 Провода обмоточные с эмалевой изоляцией. Общие технические условия
ГОСТ 27174-86 (МЭК 623-83) Аккумуляторы и батареи аккумуляторные щелочные никель-кадмиевые негерметичные емкостью до 150 А·ч. Общие технические условия
ГОСТ 27473-87 (МЭК 112-79) Материалы электроизоляционные твердые. Методы определения сравнительного и контрольного индексов трекингостойкости во влажной среде
ГОСТ 28173-89 (МЭК 34-1-83)*(3) Машины электрические вращающиеся. Номинальные данные и рабочие характеристики
ГОСТ 28203-89 (МЭК 68-2-82) Основные методы испытаний на воздействие внешних факторов. Часть 2. Испытания. Испытание Fc и руководство. Вибрация (синусоидальная)
ГОСТ 28213-89 (МЭК 68-2-27-87) Основные методы испытаний на воздействие внешних факторов. Часть 2. Испытания. Испытание Ea и руководство. Одиночный удар
ГОСТ 28226-89 (МЭК 68-2-42-72) Основные методы испытаний на воздействие внешних факторов. Часть 2. Испытания. Испытание Кс. Испытание контактов и соединений на воздействие двуокиси серы
ГОСТ 28711-90 (МЭК 64-87)*(4) Лампы накаливания для бытового и аналогичного общего освещения. Эксплуатационные требования
ГОСТ 28712-90 (МЭК 432-84)*(5) Лампы накаливания для бытового и аналогичного общего освещения. Требования безопасности
ГОСТ 28779-90 (МЭК 707-81) Материалы электроизоляционные твердые. Методы определения воспламеняемости под воздействием источника зажигания
ГОСТ 29111-91 (МЭК 95-1-88)*(6) Свинцово-кислотные стартерные батареи. Часть 1. Общие требования и методы испытаний
ГОСТ 30331.2-95 (МЭК 364-3-93)*(7) Электроустановки зданий. Часть 3. Основные характеристики
ГОСТ 30852.0-99 (МЭК 60079-0-98) Электрооборудование взрывозащищенное. Часть 0. Общие требования
ГОСТ 30852.1-2002 (МЭК 60079-1:1998) Электрооборудование взрывозащищенное. Часть 1. Взрывозащита вида "взрывонепроницаемая оболочка"
ГОСТ 30852.5-2002 (МЭК 60079-4:1975) Электрооборудование взрывозащищенное. Часть 4. Метод определения температуры самовоспламенения
ГОСТ 30852.10-2002 (МЭК 60079-11:1999) Электрооборудование взрывозащищенное. Часть 11. Искробезопасная электрическая цепь i
ГОСТ 30852.15-2002 (МЭК 60079-16:1990) Электрооборудование взрывозащищенное. Часть 16. Принудительная вентиляция для защиты помещений, в которых устанавливают анализаторы
ГОСТ 30852.16-2002 (МЭК 60079-17:1996) Электрооборудование взрывозащищенное. Часть 17. Проверка и техническое обслуживание электроустановок во взрывоопасных зонах (кроме подземных выработок)
ГОСТ 30852.17-2002 (МЭК 60079-18:1992) Электрооборудование взрывозащищенное. Часть 18. Взрывозащита "герметизация компаундом (m)"
ГОСТ IEC 60034-5-2011 Машины электрические вращающиеся. Часть 5. Классификация степеней защиты, обеспечиваемых оболочками вращающихся электрических машин (Код IP)
ГОСТ IEC 60432-2-2011 "Требования безопасности для ламп накаливания. Часть 2. Лампы вольфрамовые галогенные для бытового и аналогичного общего освещения"
ГОСТ МЭК 61056.1-2002*(8) Портативные свинцовые аккумуляторы и батареи (типы, регулирующиеся с помощью клапана). Часть 1. Общие требования, функциональные характеристики, методы испытаний
ГОСТ IEC 61195-2012 Лампы люминесцентные двухцокольные. Требования безопасности
ГОСТ Р 50030.1-2007 (МЭК 60947-1:2004)*(9) Аппаратура распределения и управления низковольтная. Часть 1. Общие требования
ГОСТ Р 50043.1-92 (МЭК 998-1-90)*(9) Соединительные устройства для низковольтных цепей бытового и аналогичного назначения. Часть 1. Общие требования
ГОСТ Р МЭК 60285-2002*(9) Аккумуляторы и батареи щелочные. Аккумуляторы никель-кадмиевые герметичные цилиндрические
ГОСТ Р МЭК 60755-2012*(9) Общие требования к защитным устройствам, управляемым дифференциальным (остаточным) током
Примечание - При пользовании настоящим стандартом целесообразно проверить действие ссылочных стандартов в информационной системе общего пользования - на официальном сайте Федерального агентства по техническому регулированию и метрологии в сети "Интернет" или по ежегодно издаваемому информационному указателю "Национальные стандарты", который опубликован по состоянию на 1 января текущий год, и по соответствующим выпускам ежемесячно издаваемого информационного указателя в текущем году. Если ссылочный стандарт заменен (изменен), то при пользовании настоящим стандартом следует руководствоваться заменяющим (измененным) стандартом. Если ссылочный стандарт отменен без замены, то положение, в котором дана ссылка на него, применяется в части, не затрагивающей эту ссылку.
В настоящем стандарте используются некоторые термины и определения из ГОСТ 30852.0, а также следующие термины с соответствующими определениями.
3.1 защита вида е: Вид защиты электрооборудования, использующий дополнительные меры против возможного превышения допустимой температуры, а также возникновения дуговых разрядов, искрения в нормальном или ненормальном режимах работы, указанных изготовителем электрооборудования в нормативно-технической документации.
Примечание - Электрооборудование, вызывающее в нормальном режиме работы дуговые разряды или искрение, по определению не может быть отнесено к защите вида е.
3.2 предельная температура: Максимально допустимая температура для электрооборудования или его частей, равная меньшей из двух температур, определяемых по:
а) опасности воспламенения взрывоопасной газовой среды;
б) термической стойкости используемых материалов.
Примечание - В качестве предельной температуры может быть принята максимальная температура поверхности (см. 3.8 и раздел 5 ГОСТ 30852.0) или меньшая температура (см. 4.8 настоящего стандарта).
3.3 начальный пусковой ток IA: Наибольшее действующее значение тока, потребляемое заторможенным электродвигателем с короткозамкнутым ротором или магнитом переменного тока, у которого якорь установлен так, что создается максимальный воздушный зазор при номинальных напряжении и частоте.
Примечание - Переходные процессы не принимают во внимание.
3.4 отношение IA/IN: Отношение начального пускового тока IA к номинальному току IN.
3.5 время tE: Время нагрева начальным пусковым током IA обмотки переменного тока ротора или статора от номинальной температуры в условиях эксплуатации до предельной температуры при максимальной окружающей температуре (см. приложение А, рисунок А.1).
3.6 номинальный термический ток короткого замыкания Ith: Действующее значение тока, требуемое для нагрева проводника от номинальной рабочей температуры до предельной температуры за 1 с при максимальном значении температуры окружающей среды.
3.7 номинальный динамический ток Idyn: Амплитудное значение тока, динамическое воздействие которого электрооборудование может выдержать без повреждения.
3.8 ток короткого замыкания Isc: Максимальное действующее значение тока короткого замыкания, воздействию которого электрооборудование может подвергаться во время эксплуатации.
Примечание - Значение тока короткого замыкания согласно 23.2 ГОСТ 30852.0 должно быть указано в нормативно-технической документации.
3.9 путь утечки: Наикратчайшее расстояние между двумя токоведущими частями по поверхности электроизоляционного материала.
3.10 электрический зазор: Наикратчайшее расстояние по воздуху между двумя токоведущими частями.
3.11 наибольшее рабочее напряжение: Наибольшее действующее значение напряжения переменного или постоянного тока, которое может возникнуть (локально) по любой изоляции при номинальном напряжении питания в условиях разомкнутой цепи или в нормальном режиме работы. При этом переходные процессы не принимают во внимание.
3.12 Элементы или батареи
3.12.1 элемент: Система электродов, других деталей и электролит, образующие наименьший электрический блок батареи.
Примечания
1 Если в термине слово, например "батарея", взято в скобки, то его можно опустить при условии, что это не приведет к разночтению.
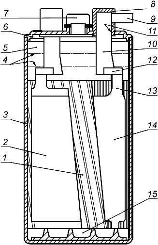
2 На рисунке 1 показаны различные части элемента. Схема приведена только для иллюстрации и не отражает каких-либо требований к конструкции.
3.12.2 первичный элемент или батарея: Электрохимическая система, способная вырабатывать электроэнергию путем химической реакции.

1 - сепаратор; 2 - положительно заряженная пластина; 3 - контейнер элемента; 4 - уровень электролита (макс./мин.); 5 - свободное пространство; 6 - уплотнение, непроницаемое для электролита; 7 - втулка для залива и слива; 8 - герметизированная оболочка держателя; 9 - соединитель между элементами; 10 - держатель вывода; 11 - уплотнение держателя, непроницаемое для электролита; 12 - стержень; 13 - опора пластины; 14 - отрицательно заряженная пластина; 15 - пространство для конденсата
"Рисунок 1 - Части элемента"
3.12.3 аккумулятор или батарея: Электрически перезаряжаемая электрохимическая система, способная накапливать электроэнергию и выдавать ее путем химической реакции.
3.12.4 открытый элемент и батарея: Аккумулятор или батарея, имеющие крышку с отверстием, через которое выходят газы.
3.12.5 элемент или батарея с редуктором давления: Элемент или батарея, закрываемые в нормальных условиях и имеющие устройство выпуска газа, которое срабатывает при превышении установленного значения внутреннего давления. В нормальных условиях подача электролита в элемент невозможна.
3.12.6 уплотненный элемент или батарея: Элемент или батарея, которые остаются закрытыми и не выпускают газ или жидкость, если не превышаются уровни зарядки или температуры, указанные изготовителем.
Примечание - Такой элемент или батарея могут быть снабжены защитным устройством, предотвращающим опасный рост внутреннего давления. Они не требуют добавления электролита и рассчитаны на работу в течение срока службы в первоначальном уплотненном состоянии.
3.12.7 батарея: Узел из двух или более элементов, соединенных электрически для увеличения напряжения или емкости.
Примечание - Термин "элемент(ы)" означает отдельные элементы, а термин "батарея(и)" - элементы и батареи.
3.12.8 емкость: Количество электричества или электрический заряд, который в обозначенных условиях обеспечивает полностью заряженная батарея.
Примечание - В системе СИ электрический заряд измеряют в кулонах (1 Кл = 1 А·с), но на практике емкость батареи выражают в ампер-часах (А·ч).
3.12.9 номинальное напряжение: Напряжение элемента или батареи, указанное изготовителем.
3.12.10 максимальное напряжение разомкнутой цепи: Максимальное напряжение элемента или батареи в нормальном режиме работы, то есть от нового первичного элемента или аккумулятора сразу же после зарядки (см. таблицы 9 и 10).
3.12.11 зарядка: Пропускание тока через первичный элемент для восстановления первоначально накопленной энергии в направлении, противоположном току, проходящему через первичный элемент в нормальном режиме работы.
3.12.12 обратная зарядка: Пропускание через первичный первичный элемент или аккумулятор (например, через выработавшую свой ресурс батарею) тока, имеющего такое же направление, как и ток в нормальном режиме работы.
3.12.13 глубокая разрядка: Снижение напряжения элемента ниже значения, рекомендованного изготовителем элемента или батареи.
3.12.14 контейнер (элемента): Контейнер узла пластины и электролита из материала, устойчивого к воздействию электролита.
3.12.15 контейнер (батареи): Корпус батареи.
Примечание - Крышка является частью корпуса батареи.
3.12.16 узел пластины: Узел положительных и отрицательных групп с разделителями.
3.12.17 перегородка: Часть контейнера батареи, делящая его на отдельные секции и увеличивающая его механическую прочность.
3.12.18 изолирующий барьер: Электрически изолирующий материал между группами элементов внутри батареи.
3.12.19 соединитель между элементами: Электрический проводник, проводящий ток между элементами.
3.13 Резистивные нагревательные устройства и блоки
3.13.1 резистивное нагревательное устройство: Узел резистивного нагревательного блока, содержащий один или более нагревательных резисторов, которые состоят из металлических проводников или электропроводящего компаунда, соответствующим образом изолированного и защищенного.
3.13.2 резистивный нагревательный блок: Оборудование, содержащее узел из одного или более резистивных нагревательных устройств, соединенных с устройствами, исключающими повышение температуры выше заданной.
Примечание - Если устройство, предотвращающее превышение температуры, находится за пределами взрывоопасной зоны, то оно может не иметь защиту вида е.
3.13.3 рабочий объект: Объект, на котором применяют резистивное нагревательное устройство.
3.13.4 свойство самоограничения: Свойство резистивного нагревательного устройства, которое при номинальном напряжении питания и при повышении окружающей температуры обеспечивает снижение его выходной тепловой мощности до значения, при котором не происходит дальнейшее повышение температуры.
Примечание - Температура поверхности элемента становится равной температуре окружающей среды.
3.13.5 стабилизированная конструкция резистивного нагревательного устройства или блока: Конструкция резистивного нагревательного устройства или блока, при которой его температура благодаря конструктивным особенностям и условиям эксплуатации стабилизируется на уровне ниже предельной температуры при наиболее неблагоприятных условиях без применения защитной системы для ограничения температуры.
3.14 наружные соединения: Соединения, выполняемые в условиях эксплуатации.
3.15 внутренние соединения: Соединения, выполняемые изготовителем в контролируемых условиях.
3.16 нормальный режим работы электродвигателя: Режим, предусматривающий непрерывную работу электродвигателя при номинальных характеристиках, указанных на табличке, включая условия пуска.
3.17 электрическая нагревательная система, питаемая от сети: Система, состоящая из электрических нагревателей, питаемых от сети, кабелей, прокладок, панелей и опорных устройств, предназначенная для повышения и поддержания температуры продуктов, содержащихся в трубопроводах, резервуарах и сопряженном оборудовании, и устанавливаемая снаружи технологического оборудования.
4.1 Общие положения
4.1.1 Требования данного раздела распространяются, если нет других указаний, на все электрооборудование с защитой вида е. Они дополняют ГОСТ 30852.0 и уточняют требования к некоторым видам электрооборудования (см. раздел 5).
4.2 Выводы для наружного соединения
4.2.1 Выводы для подсоединения внешних цепей должны иметь достаточный размер для надежного под соединения проводов с поперечным сечением, соответствующим номинальному току электрооборудования.
Количество и размер проводов, которые могут подсоединяться к выводам, согласно 23.2 ГОСТ 30852.0, должны быть указаны в нормативно-технической документации на конкретное электрооборудование.
Примечание - Из-за трудности контроля критических путей утечки и электрических зазоров при использовании антиоксидантов следует обратить особое внимание на алюминиевый провод. Подсоединение алюминиевого провода к наружным выводам можно производить с помощью биметаллических муфтовых соединений, выполненных из меди.
4.2.2 Выводы должны быть подвергнуты испытаниям согласно 6.9.
4.2.3 Выводы должны:
а) быть прочно закреплены на основании таким образом, чтобы исключить возможность их самоослабления;
б) иметь конструкцию, исключающую самоотсоединение и самоослабление провода во время за тяжки вывода;
в) обеспечивать хороший контакт без повреждения проводов и нарушения их функциональных характеристик даже в случае, если используются многожильные провода, непосредственно зажимаемые на выводах.
Примечание - Допускается подсоединение путем обжатия жил кабеля при условии соблюдения указанных требований.
4.2.4 Выводы не должны:
а) иметь острых краев, которые могли бы повредить провода;
б) поворачиваться, скручиваться или длительно деформироваться во время нормального затягивания с усилием, указанным изготовителем электрооборудования, которое не должно быть меньше при веденного в ГОСТ Р 50043.1;
в) быть выполнены из алюминия.
4.2.5 Выводы должны быть выполнены таким образом, чтобы контакт, который они обеспечивают, не нарушался температурными изменениями в нормальном режиме работы. Давление контакта не должно передаваться через изолирующий материал.
4.2.6 Выводы для зажима многожильных проводов должны иметь гибкий промежуточный элемент.
4.2.7 Выводы для подсоединения многожильных проводов с номинальным поперечным сечением не более 4 мм2 (12 AWG) должны быть пригодны и для надежного соединения проводов, сечение которых меньше не менее чем на два размера (см. приложение Ж).
Примечания
1 Могут потребоваться специальные меры против вибрации и механического удара.
2 Необходимо принимать меры, исключающие коррозию от электролита.
3 При использовании материалов, содержащих железо, необходимо применять меры против коррозии.
4.3 Внутренние соединения
4.3.1 Внутренние соединения должны быть выполнены так, чтобы исключить возможность воздействия на них механических нагрузок. Допускаются только следующие способы соединения проводов:
а) винтовые крепления с блокировкой;
б) обжатие;
в) пайка, если сами провода не имеют спаянных соединений;
г) пайка угольной дугой;
д) сварка и
е) любые соединения других видов, удовлетворяющие требованиям 4.2.
Примечание - Необходимо принимать меры, исключающие коррозию от электролита.
4.3.2 Выводы должны подвергаться испытаниям в соответствии с 6.9.
4.4 Электрические зазоры
Электрические зазоры между неизолированными токоведущими частями, имеющими различный потенциал, должны соответствовать значениям, указанным в таблице 1. Для наружных соединений минимальное значение электрического зазора принимают равным 3 мм.
Расстояния между выводами для соединений должны соответствовать сечению провода, которое обеспечивает минимальный электрический зазор.
Примечание - Требования к лампам с резьбовыми цоколями изложены в 5.3.3.1.4.
Электрические зазоры зависят от рабочего напряжения, указываемого изготовителем электрооборудования в нормативно-технической документации. Если электрооборудование рассчитано для работы с различными значениями напряжения, за рабочее напряжение принимают наибольшее значение номинального напряжения.
При определении зазоров необходимо учитывать факторы, указанные на рисунке 2.
|
Напряжение постоянного тока или действующее значение переменного тока (см. примечание 1), В |
Минимальные пути утечки, мм |
Минимальный электрический зазор, мм | ||
|
Группа материала | ||||
|
I |
II |
IlIa | ||
|
10 (см. примечание 2) |
1,6 |
1,6 |
1,6 |
1,6 |
|
12,5 |
1,6 |
1,6 |
1,6 |
1,6 |
|
16 |
1,6 |
1,6 |
1,6 |
1,6 |
|
20 |
1,6 |
1,6 |
1,6 |
1,6 |
|
25 |
1,7 |
1,7 |
1,7 |
1,7 |
|
32 |
1,8 |
1,8 |
1,8 |
1,8 |
|
40 |
1,9 |
2,4 |
3,0 |
1,9 |
|
50 |
2,1 |
2,6 |
3,4 |
2,1 |
|
63 |
2,1 |
2,6 |
3,4 |
2,1 |
|
80 |
2,2 |
2,8 |
3,6 |
2,2 |
|
100 |
2,4 |
3,0 |
3,8 |
2,4 |
|
125 |
2,5 |
3,2 |
4,0 |
2,5 |
|
160 |
3,2 |
4,0 |
5,0 |
3,2 |
|
200 |
4,0 |
5,0 |
6,3 |
4,0 |
|
250 |
5,0 |
6,3 |
8,0 |
5,0 |
|
320 |
6,3 |
8,0 |
10,0 |
6,0 |
|
400 |
8.0 |
10,0 |
12,5 |
6,0 |
|
500 |
10,0 |
12,5 |
16,0 |
8,0 |
|
630 |
12,0 |
16,0 |
20,0 |
10,0 |
|
800 |
16,0 |
20,0 |
25,0 |
12,0 |
|
1000 |
20,0 |
25,0 |
32,0 |
14,0 |
|
1600 |
23,0 |
27,0 |
32,0 |
20,0 |
|
2000 |
25,0 |
28,0 |
32,0 |
23,0 |
|
2500 |
32,0 |
36,0 |
40,0 |
29,0 |
|
3200 |
40,0 |
45,0 |
50,0 |
36,0 |
|
4000 |
50,0 |
56,0 |
63,0 |
44,0 |
|
5000 |
63,0 |
71,0 |
80,0 |
50,0 |
|
6300 |
80,0 |
90,0 |
100,0 |
60,0 |
|
8000 |
100,0 |
110,0 |
125,0 |
80,0 |
|
10000 |
125,0 |
140,0 |
160,0 |
100,0 |
|
Примечания 1 Для всех напряжений фактическое рабочее напряжение может превышать значение, приведенное в таблице, на 10%. 2 При напряжениях 10 В и ниже значения сравнительных индексов трекингостойкости (СИТ) недостоверны, и допускается использование материалов, не отвечающих требованиям, предъявляемым к материалам группы IlIa. | ||||
|
|
| ||
|
Пример 1 |
Пример 2 | ||
|
Условие. |
Данный отрезок содержит паз с параллельными или сходящимися краями любой глубины и шириной менее X |
Условие. |
Паз с параллельными краями глубиной и шириной равной или больше X |
|
Правило. |
Путь утечки и электрические зазоры измеряют непосредственно поперек паза, как показано |
Правило. |
Электрический зазор находится по линии визирования. Путь утечки повторяет контуры паза |
|
|
| ||
|
Пример 3 |
Пример 4 | ||
|
Условие. |
V-образный паз шириной большей X |
Условие. |
Рассматриваемый отрезок имеет форму выступа |
|
Правило. |
Электрический зазор находится на линии визирования. Путь утечки повторяет контуры паза, но "укорачивает" низ паза за счет отрезка X |
Правило. |
Электрическим зазором является наикратчайшее расстояние через вершину выступа по воздуху. Путь утечки повторяет контуры выступа |
|
|
| ||
|
Пример 5 |
Пример 6 | ||
|
Условие. |
Рассматриваемый отрезок имеет форму выступа |
Условие. |
Негерметизированное соединение с канавками с двух сторон |
|
Правило. |
Электрические зазор и путь утечки находятся по линии визирования |
Правило. |
Электрический зазор находится по линии визирования. Путь утечки повторяет контуры канавок |
|
|
| ||
|
Пример 7 |
Пример 8 | ||
|
Условие. |
Негерметизированное соединение с канавками с двух сторон |
Условие. |
Путь утечки через негерметизированное соединение меньше пути утечки через барьер |
|
Правило. |
Электрические зазоры и пути утечки - как показано |
Правило. |
Электрический зазор - наикратчайшее прямое расстояние по воздуху через верх барьера |
|
|
| ||
|
Пример 9 |
Пример 10 | ||
|
Электрический зазор между головкой винта и стенкой углубления достаточно широкий, и его надо учитывать |
Электрический зазор между головкой винта и стенкой углубления слишком узкий, и его не учитывают. Измерение пути утечки - от винта до стенки, когда это расстояние равно X | ||
|
| |||
|
Пример 11 | |||
|
Электрический зазор и путь утечки равны d+D
| |||
|
1 - электрический зазор; 2 - путь утечки; X=2,5 мм | |||
|
"Рисунок 2 - Определение путей утечки и электрических зазоров" | |||
4.5 Пути утечки
4.5.1 Нормируемые значения путей утечки зависят от рабочего напряжения, сопротивления трекингу электроизоляционного материала и профиля его поверхности.
В таблице 2 приведена классификация электроизоляционных материалов по сравнительному индексу трекингостойкости (СИТ).
|
Группа материала |
Сравнительный индекс трекингостойкости |
|
I II IlIa |
СИТ≥600 400≤СИТ < 600 175≤СИТ < 400 |
Неорганические изоляционные материалы, например стекло и керамика, не подвергают трекингу и поэтому определять их индекс СИТ нет необходимости. Эти материалы относят к группе I.
Классификация материалов, приведенная в таблице 2, распространяется на изолирующие части без выступов или углублений. При наличии выступов или углублений согласно 4.5.3 минимальные допустимые пути утечки для рабочего напряжения до 1140 В определяют по следующей более высокой группе материалов, например по группе I вместо группы II.
Примечание - Импульсные перенапряжения не учитывают, поскольку они, как правило, не влияют на трекинг. Однако временные и функциональные перенапряжения следует принимать во внимание, исходя из их длительности и частоты появления.
4.5.2 Пути утечки между неизолированными токоведущими частями, имеющими различный потенциал, должны соответствовать значениям, указанным в таблице 1. Для наружных соединений минимальное значение пути утечки принимают равным 3 мм. Пути утечки зависят от рабочего напряжения, устанавливаемого изготовителем электрооборудования в нормативно-технической документации.
Примечание - Требования к лампам с резьбовым цоколем изложены в 5.3.3.1.4.
4.5.3. При определении путей утечки необходимо учитывать факторы, указанные на рисунке 2, на котором также показаны и соответствующие пути утечки. Выступы и углубления учитывают если:
а) выступы имеют высоту не менее 2,5 мм и минимальную толщину 1,0 мм при соответствующей механической прочности материала и
б) углубления высотой и шириной не менее 2,5 мм. Если суммарный зазор менее 3 мм, то минимальная ширина углубления должна быть снижена до 1,5 мм.
Примечания
1 Все неровности поверхности рассматривают как выступы или углубления независимо от их геометрической формы.
2 Герметизированные конструкции (см. раздел 12 ГОСТ 30852.0.) рассматривают как неразъемные.
4.6 Твердые электроизолирующие материалы*(10)
4.6.1 Механические характеристики материалов, влияющие на их функциональные свойства, например прочность и твердость, должны сохранять свои значения:
а) при температуре не менее чем на 20°С превышающей максимальную температуру, достигаемую в номинальных условиях эксплуатации, но не менее чем при 80°С, или
б) вплоть до максимальной температуры, возникающей в номинальных условиях эксплуатации в изолированных обмотках (см. 4.8.3 и таблицу 3), на внутренней проводке (см. 4.9) и в кабелях, неразъемно подсоединяемых к электрооборудованию (см. ГОСТ 30852.0).
4.6.2 Изолирующие части из пластика или слоистого материала, при изготовлении которых снимают верхний слой материала, следует покрыть изоляционным лаком с СИТ не меньшим, чем у первоначальной поверхности. Это требование не распространяют на материалы, обработка которых не меняет СИТ, или на случаи, когда требуемый путь утечки обеспечивается другими частями, не подвергавшимися обработке.
4.7 Обмотки
4.7.1 Изолированные провода должны отвечать требованиям 4.7.1.1 или 4.7.1.2.
4.7.1.1 Провода следует покрыть не менее чем двумя слоями изоляции, при этом только один из слоев может представлять собой эмалевое покрытие.
4.7.1.2 Обмотка из круглых проводов, покрытых эмалью, должна отвечать требованиям, установленным для проводов:
а) типа 1 по ГОСТ 26615 при условии, что в процессе испытаний не происходит их повреждение при минимальном значении напряжения, предписанного для проводов типа 2, и если число точечных повреждений не более шести на длине провода 30 м, независимо от диаметра;
б) типа 2 по ГОСТ 26615.
4.7.1.3 Обмотки следует высушить после крепления или заключения в оболочку и затем пропитать соответствующим веществом путем погружения или вакуумной пропитки. Покрытие краской или ее распыление не считают пропиткой.
Пропитку следует производить в соответствии с инструкциями изготовителя пропитывающего вещества таким образом, чтобы расстояния между проводами были максимально заполнены и обеспечивалось хорошее сцепление между ними. Это не распространяется на полностью изолированные катушки и провода обмотки, если до их установки в электрооборудование пазы и концевые обмотки катушек и проводов были пропитаны, заполнены наполнителем или изолированы другим путем и если после сборки они больше недоступны для изоляции.
Если используют пропитывающие вещества, содержащие растворитель, пропитку и сушку следует производить не менее двух раз.
4.7.2 Минимальный номинальный диаметр провода для обмоток должен составлять 0,2 мм.
Примечание - Обмотки и провода минимальным номинальным диаметром менее 0,25 мм могут быть защищены другим способом по ГОСТ 30852.0.
4.7.3 Чувствительные элементы термометров сопротивления не рассматривают как обмотки. При использовании термопреобразователей сопротивления в обмотках вращающихся электрических машин их следует устанавливать в пазах и пропитывать или уплотнять вместе с обмоткой.
4.8 Предельная температура
4.8.1 Температура ни одной из частей поверхности электрооборудования не должна превышать температуру термостойкости использующихся материалов. Более того, температура ни одной из поверхностей электрооборудования, в том числе поверхностей внутренних частей, в которые может проникать потенциально взрывоопасная среда, не должна превышать максимальную температуру поверхности, указанную в ГОСТ 30852.0, за исключением ламп в устройствах освещения, требования к которым изложены в 5.3.4.
Примечание - Должны выполняться оба условия, каждое из которых представляет собой ограничительный фактор для конкретного электрооборудования или его части.
4.8.2 Допустимая температура проводов и других металлических частей ограничивается:
а) недопустимым снижением их механической прочности;
б) недопустимым механическим напряжением за счет теплового расширения;
в) недопустимым повреждением прилегающих электрических изолирующих частей.
При определении температуры проводов следует учитывать их самонагрев и эффект от нагрева, находящихся рядом устройств.
4.8.3 Предельная температура изолированных обмоток не должна превышать значений, указанных в таблице 3, и учитывающих термостойкость электроизоляционных материалов при условии, что электрооборудование удовлетворяет требованиям 4.7.1.
4.8.4 Обмотки следует защитить с помощью соответствующих устройств, предотвращающих превышение предельной температуры эксплуатации (см. 4.8.1 - 4.8.3).
Подобные устройства не требуются, когда температура обмоток не превышает предельную температуру в номинальном режиме работы (4.8.3), даже если обмотки подвергаются непрерывной перегрузке (например, в режиме короткого замыкания электродвигателя).
Примечания
1 Защитное устройство может размещаться внутри и/или снаружи электрооборудования.
2 Условием нормальной эксплуатации является отсутствие электрических неисправностей в изолированных обмотках.
|
Наименование параметра |
Метод измерения температуры (см. примечание 1) |
Температурный класс изолирующего материала согласно ГОСТ 8865 (см. примечание 2) | ||||
|
А |
Е |
В |
F |
Н | ||
|
1 Предельная температура в номинальных условиях, °С | ||||||
|
а) обмотка, изолированная одним слоем |
Термометром сопротивления или термометром |
95 |
110 |
120 |
130 |
155 |
|
б) другие изолированные обмотки |
Термометром сопротивления |
90 |
105 |
110 |
130 |
155 |
|
Термометром |
80 |
95 |
100 |
115 |
135 | |
|
2 Предельная температура в конце периода tF (см. примечание 3), °С |
Термометром сопротивления |
160 |
175 |
185 |
210 |
235 |
|
Примечания 1 Термометр используют только в случае, когда измерение температуры по изменению сопротивления невозможно. В данном случае термин "термометр" имеет то же значение, что и в ГОСТ 28173 (т.е. термометр с термобаллоном или поверхностная термопара, или термопреобразователь сопротивления). 2 В качестве предельной температуры для изолирующего материала класса Н принимают температуру, соответствующую самому высокому температурному классу изолирующего материала по ГОСТ 8865. 3 Эти значения зависят от температуры окружающей среды, повышения температуры обмотки в номинальном режиме работы и увеличения температуры за период времени tF. | ||||||
4.9 Внутренняя проводка
С целью исключения контакта с токоведущей частью проводку следует защитить механическими средствами, закрепить или расположить так, чтобы избежать повреждения изоляции.
4.10 Степень защиты, обеспечиваемая оболочкой
4.10.1 Степени защиты, обеспечиваемые оболочками по ГОСТ 14254 и ГОСТ IEC 60034-5, должны быть заданы для:
а) электрооборудования, содержащего находящиеся под напряжением неизолированные токоведущие компоненты, на уровне не ниже IP54, если нет других указаний в 4.10.2, 4.10.3 или разделе 5;
б) электрооборудования, содержащего находящиеся под напряжением только изолированные согласно 4.6 проводящие компоненты, на уровне не ниже IP44, если нет других указаний в 4.10.2, 4.10.3 или разделе 5.
4.10.2 Если в электрооборудовании, имеются дренажные или вентиляционные отверстия, предотвращающие скопление конденсата, то предъявляемые требования зависят от группы взрывозащищенного электрооборудования:
а) для электрооборудования группы I степень защиты, обеспечиваемая оболочкой, должна соответствовать требованиям 4.10.1;
б) для электрооборудования группы II присутствие дренажных или вентиляционных отверстий не должно снижать степень защиты, обеспечиваемую оболочкой, ниже IP44 для случая 4.10.1а или ниже IP24 для случая 4.10.1б.
Если же присутствие таких отверстий снижает степень защиты ниже, чем указано в 4.10.1, то изготовитель согласно ГОСТ 30852.0 должен в нормативно-технической документации указать расположение и размеры дренажных и вентиляционных отверстий.
Согласно ГОСТ 30852.0 маркировка электрооборудования с дренажными и вентиляционными отверстиями, снижающими степень защиты, должна содержать знак X и обозначение степени защиты, обеспечиваемой оболочкой этого электрооборудования.
4.10.3 Если внутри оболочки находятся цепи системы с взрывозащитой вида i по ГОСТ 30852.10 или части цепей систем, то:
а) на крышке оболочки, обеспечивающей доступ к находящимся под напряжением неискробезопасным цепям, должна быть табличка с надписью:
"НЕ ОТКРЫВАТЬ, КОГДА НЕИСКРОБЕЗОПАСНЫЕ ЦЕПИ ПОД НАПРЯЖЕНИЕМ!",
б) или все части, находящиеся под напряжением и не имеющие защиты вида i, должны быть снабжены отдельной внутренней оболочкой, обеспечивающей степень защиты не ниже IP30 при открытой оболочке электрооборудования, и табличкой на крышке внутренней оболочки с надписью:
"НЕ ОТКРЫВАТЬ ПОД НАПРЯЖЕНИЕМ!",
в) или на крышке оболочки электрооборудования должна быть укреплена табличка, соответствующая требованиям ГОСТ 30852.0, а также табличка с надписью:
"НЕИСКРОБЕЗОПАСНЫЕ ЦЕПИ ЗАЩИЩЕНЫ ВНУТРЕННЕЙ ОБОЛОЧКОЙ IP30".
Примечание - Внутренняя оболочка обеспечивает минимально допустимую степень защиты от доступа к находящимся под напряжением неискробезопасным цепям, когда оболочка открывается на короткое время для проверки или настройки находящихся под напряжением искробезопасных цепей.
4.11 Крепежные детали
Для электрооборудования группы I, содержащего находящиеся под напряжением неизолированные компоненты, должны применяться специальные крепежные устройства согласно ГОСТ 30852.0.
5.1 Общие положения
Данные требования, дополняющие требования раздела 4, распространяются, если нет других указаний, на специальное электрооборудование (см. 5.2 - 5.9), а также электрооборудование по 5.10.
5.2 Вращающиеся электрические машины
5.2.1 Степень защиты, обеспечиваемая оболочкой
Как исключение, требования по защите от проникновения твердых инородных частиц и воды (см. 4.10) могут быть обеспечены следующими степенями защиты вращающихся электрических машин (кроме соединительных коробок и неизолированных токоведущих частей), эксплуатирующихся в специальных условиях и регулярно обслуживаемых обученным персоналом:
а) IP23 - для вращающихся электрических машин группы I;
б) IP20 - для вращающихся электрических машин группы II.
Необходимо предотвратить вертикальное попадание твердых инородных предметов через вентиляционные отверстия в оболочке вращающейся электрической машины.
Маркировка вращающихся электрических машин, предназначенных для эксплуатации только в специальных условиях, должна содержать знак Х, и обозначение степени защиты (см. 27.2 ГОСТ 30852.0).
5.2.2 Внутренние вентиляционные системы
Внутренние вентиляционные системы должны отвечать требованиям к зазорам и материалам для наружных вентиляторов, изложенным в 17.3 и 17.4 ГОСТ 30852.0.
5.2.3 Минимальный радиальный воздушный зазор
Минимальный радиальный воздушный зазор между статором и ротором в активной зоне сердечника должен быть не меньше значения, определяемого по формуле
,
(1)
где LR.min - минимальный радиальный зазор, мм;
D - диаметр ротора, мм (минимальное значение 75 мм, максимальное - 750 мм);
n - максимальная номинальная частота вращения, об/мин (минимальное значение 1000 об/мин);
b - безразмерный коэффициент, равный 1,0 для машин с подшипниками качения и 1,5 - для машин с подшипниками скольжения;
r - безразмерный коэффициент, имеющий минимальное значение, равное 1. Определяется по формуле
,
(2)
где L - длина сердечника, мм
Примечание - В формулах (1) и (2) минимальный воздушный зазор не имеет прямой зависимости от частоты сети или количества полюсов, что показано на примере двух - или четырехполюсного электродвигателя с подшипниками качения, питаемого напряжением переменного тока частотой 50/60 Гц и имеющего ротор диаметром 60 мм и длину сердечника 80 мм.
Подставляя в формулу (2) значения: L = 80 мм; D = 60 мм; n = 3600 об/мин (максимальное значение); b = 1,0, получим
![]()
Принимаем r = 1. Затем рассчитываем минимальный радиальный воздушный зазор
![]()
5.2.4 Машины с короткозамкнутым ротором
5.2.4.1 В дополнение к 5.2.1 - 5.2.3 требования данного подпункта распространяются на машины с короткозамкнутым ротором, включая синхронные машины с короткозамкнутой пусковой или с демпферной обмотками.
5.2.4.2 Стержни короткозамкнутых роторов следует припаивать угольной дугой или приваривать к кольцам, замыкающим их накоротко, если только эти компоненты не выполнены в виде единого блока.
Для предотвращения искрения между стержнями и сердечником ротора их следует плотно вставлять в пазы.
Примечания
1 Плотного прилегания стержней в пазах можно достичь, например, литьем алюминия под давлением или установкой в пазах дополнительных прокладок, расклиниванием или посадкой на шпонку.
2 Стержни и кольца короткозамкнутых роторов не рассматривают как открытые проводящие части (см. 4.4, 4.5, 4.10 и 5.2.1).
5.2.4.3 Конструкцию ротора следует оценить на возможность возникновения искрения в воздушном зазоре. Необходимость проведения функциональных испытаний определяют по таблице 4.
|
Характеристика |
Значение, вид или соответствие |
Коэффициент фактора риска |
|
Конструкция короткозамкнутого ротора |
Собранный цилиндр ротора |
2 |
|
Цилиндр ротора из литого алюминия |
0 | |
|
Количество полюсов |
2 |
2 |
|
От 4 до 8 |
1 | |
|
Св. 8 |
0 | |
|
Выходная номинальная мощность, кВт на полюс |
Св. 500 |
2 |
|
От 200 до 500 |
1 | |
|
≤200 |
0 | |
|
Радиальные каналы для охлаждения |
Да. L < 200 мм (см. примечание 1) |
2 |
|
Да. L≥200 мм (см. примечание 1) |
1 | |
|
Нет |
0 | |
|
Перекос ротора или статора |
Да |
2 |
|
Нет |
0 | |
|
Лобовая часть обмотки ротора |
Соответствует требованиям примечания 2 |
0 |
|
Не соответствует требованиям примечания 2 |
2 | |
|
Температурный класс |
Т1 или Т2 |
2 |
|
Т3 |
1 | |
|
Т4 или Т5, или Т6 |
0 | |
|
Примечания 1 L - длина крайнего пакета каналов сердечника. 2 Конструкция лобовой части обмотки ротора должна исключать неустойчивый контакт и отвечать требованиям температурной классификации. Этим требованиям соответствует коэффициент фактора риска, равный 0. В противном случае коэффициент фактора риска принимает значение, равное 2. | ||
Если общая сумма коэффициентов превышает 5, то электродвигатель или представительный образец типового ряда необходимо подвергнуть испытанию согласно 6.2.3.
5.2.4.4 Температура на поверхности ротора не должна превышать предельно допустимое значение даже при пуске электродвигателя. Температура на поверхности ротора должна быть менее 300°С или соответствовать значениям, оговоренным в 4.8.
Примечание - Компоненты короткозамкнутой машины следует выполнять из немагнитного или изолированного материала. В противном случае их температура на поверхности в режиме короткого замыкания электродвигателя может превысить температуру стержней ротора.
К таким компонентам относят удерживающие кольца, уравновешивающие диски, центрирующие кольца, вентиляторы или кожух забора воздуха.
5.2.4.5 При применении электродвигателя с защитным устройством от токов перегрузки, используемым для защиты от превышения предельной температуры, необходимо определить время tE, отношение IA/IN и указать их значения в маркировке электродвигателя.
Длительность времени tE должна быть такой, чтобы до его истечения электродвигатель с заторможенным ротором отключался защитным устройством от токов перегрузки. В целом это возможно, если превышается минимальное значение времени tE, график зависимости которого от отношения IA/IN представлен на рисунке 3.

"Рисунок 3 - График зависимости минимального времени tE от отношения IA/IN "
Значения времени tE менее величин, показанных на рисунке 3, допускаются только в случае, если в электродвигателе применено соответствующее защитное устройство от перегрузки, эффективность которого подтверждена испытаниями. Это устройство должно быть указано в маркировке электродвигателя. Ни в коем случае:
- при использовании защитного устройства от токов перегрузки время tE не должно быть меньше 5 с;
- отношение IA/IN не должно превышать 10.
5.2.4.6 При применении в обмотках электродвигателя датчиков температуры, соединенных с защитными устройствами и предотвращающих превышение температуры, необходимо определить отношение IA/IN и указать его значение в маркировке электродвигателя. Время tE определять не требуется. Датчики температуры обмотки, соединенные с защитными устройствами, считают удовлетворяющими требованиям температурной защиты электродвигателя, если выполняются требования 4.8.4 даже в режиме короткого замыкания электродвигателя. Соответствующие защитные устройства следует идентифицировать при маркировке электродвигателя в табличке, устанавливаемой на его корпусе. Значение отношения IA/IN ни в коем случае не должно превышать 10.
5.2.4.7 Электродвигатели, питаемые напряжением от преобразователя переменной частоты, следует либо оценивать согласно 5.2.4.9, либо испытывать вместе с преобразователями, указанными согласно ГОСТ 30852.0 в нормативно-технической документации, и в комплекте с предусмотренными защитными устройствами.
5.2.4.8 В электродвигателях на напряжение менее 1 кВ, питаемых от преобразователя, конструкция последнего должна предусматривать ограничение максимального напряжения относительно земли до 1 кВ и скорости повышения напряжения dU/dt до 500 В/мкс.
В электродвигателях на напряжение 1 кВ и выше, имеющих намотку по определенной форме и питаемых от преобразователя, конструкция последнего должна предусматривать ограничение максимального напряжения относительно земли до двукратного номинального линейного напряжения и скорости повышения напряжения dU/dt до 500 В/мкс.
Ограничение напряжения и скорости повышения напряжения можно достичь присоединением к выходу преобразователя индуктора и фильтра низких частот с шунтирующим конденсатором, подключаемых последовательно.
Преобразователь или преобразователь в сочетании с фильтром, отвечающие требованиям по ограничению максимального напряжения и скорости повышения напряжения, могут использоваться с любым электродвигателем с защитой вида е без ограничений.
Предельные значения параметров для электродвигателя с питанием от преобразователя, включая максимальную частоту вращения и механические характеристики при различных нагрузках, необходимо указывать на маркировочной табличке электродвигателя. Кроме того, в маркировке следует указать пригодность применения электродвигателя с защитой вида е, рассчитанного на заданное напряжение и номинальную выходную мощность, с преобразователем или с преобразователем в сочетании с фильтром.
Примечание - Напряжения, превышающие максимальные, в электродвигателе возникают из-за несогласованности "волнового сопротивления" электродвигателя и питающего кабеля. Эта несогласованность приведет к увеличению коэффициента отражения на выводах электродвигателя. При этом импульсы напряжения высокой частоты, генерируемые преобразователем с широтно-импульсной модуляцией, может практически удвоить случайную составляющую напряжения, что отрицательно воздействует на электродвигатель и питающий кабель. При таком уровне напряжения может возникнуть коронный разряд, а это может привести к воспламенению. Чтобы предотвратить коронный разряд и избежать воздействия повышения напряжения, необходимо поддерживать технически обоснованные напряжение относительно земли и скорость повышения напряжения в пределах, установленных для обычного электродвигателя с защитой вида е. Этого можно достичь за счет конструкции преобразователя или использования фильтра низких частот на его выходе.
5.2.4.9 В приложении В приведены рекомендации по тепловой защите короткозамкнутых электродвигателей во время эксплуатации с помощью устройств защиты от перегрузки. Тепловые защитные устройства, за исключением их сенсоров, должны располагаться снаружи электродвигателей.
Примечание - При эксплуатации электродвигателей с питанием от преобразователя следует изучить приложение В.
5.2.5 Требования к обмоткам
5.2.5.1 Если намотка многофазных обмоток, рассчитанных на напряжение 200 В или выше, произведена беспорядочно, то между обмотками необходима дополнительная изоляция (помимо лака). Намотка фазных обмоток, рассчитанных на напряжение св. 1000 В, должна производиться по определенной методике, после чего их следует изолировать путем пропитки под вакуумом или с помощью наполнителя с преобладающим содержанием смолы.
5.2.6 Соединители заземляющих зажимов для вращающихся машин с многосекционными обмотками
5.2.6.1 В соответствии с примененной конструкцией и мощностью электродвигателя изготовитель должен указать площадь поперечного сечения и конструкцию соединителей заземляющих зажимов, установленных в поперечных пазах оболочки, которые расположены симметрично относительно оси вала.
5.2.6.2 Соединители заземляющих зажимов должны быть защищены от коррозии, и должна быть обеспечена прочность их крепления согласно раздела 15 ГОСТ 30852.0.
5.2.6.3 Соединители заземляющих зажимов должны быть выполнены таким образом, чтобы в момент пуска электродвигателя они обеспечивали проводимость только через предусмотренные точки соединения. Особую осторожность следует проявлять в отношении неизолированных гибких проводов, расположенных в непосредственной близости от соединяемых частей.
5.2.6.4 Соединители заземляющих зажимов не требуются в случае, когда изоляция обеспечивает защиту от протекающего циркулирующего тока.
Однако необходимо обеспечить соответствующее заземление изолированных открытых проводящих частей. Изоляция между такими частями должна выдерживать действующее значение испытательного напряжения, равное 100 В, в течение 1 мин.
5.2.7 Уплотнения вала
5.2.7.1 Уплотнения вала следует выполнять из материала, обеспечивающего фрикционную искробезопасность.
5.2.8 Выводы обмотки статора
5.2.8.1 Температура выводов обмоток статора не должна превышать предельную температуру (см. 4.6), при этом пусковой ток IA подают в течение времени tE.
5.2.9 Оценка и предварительное испытание электродвигателей на напряжение св. 1 кВ
5.2.9.1 Общие положения
5.2.9.1.1 Все электродвигатели номинальным напряжением св.1 кВ следует оценивать согласно 5.2.9.2 и, если требуется, испытывать согласно 6.2.3.
5.2.9.1.2 Если требуется испытание электродвигателя во взрывоопасной газовой смеси, то его следует проводить согласно 6.2.3.2.
5.2.9.1.3 Испытания и оценку электродвигателей или опытных образцов следует проводить как на новом оборудовании.
5.2.9.1.4 Маркировка вращающихся электрических машин напряжением св. 1 кВ согласна ГОСТ 30852.0 должна содержать знак X. В маркировке также должны быть указаны допустимая частота включения машины и рекомендуемое время между основными ремонтными работами и техническим обслуживанием (разборка и чистка).
5.2.9.2 Система изоляции обмотки статора
5.2.9.2.1 Необходимость проведения функциональных испытаний определяется согласно таблице 5.
|
Характеристика |
Значение |
Коэффициент фактора риска |
|
Номинальное напряжение, кВ |
От 6,6 до 11 |
4 |
|
От 3,3 до 6,6 |
2 | |
|
От 1 до 3,3 |
1 | |
|
Средняя частота запуска при эксплуатации |
Больше одного в час |
3 |
|
Больше одного в сутки |
2 | |
|
Больше одного в неделю |
1 | |
|
Меньше одного в неделю |
0 | |
|
Промежуток времени между осмотрами (см. ГОСТ 30852.15) |
Св. 10 лет |
3 |
|
От 5 до 10 лет |
2 | |
|
От 2 до 5 лет |
1 | |
|
Меньше 2 лет |
0 | |
|
Степень защиты |
Ниже IP44* |
3 |
|
IP44 и IP54 |
2 | |
|
IP55 |
1 | |
|
Выше IP55 |
0 | |
|
* Только в чистой атмосфере и при регулярном обслуживании обученным персоналом (см. 5.2.1). | ||
Если суммарный коэффициент фактора риска будет больше 6, то электродвигатель или представительный образец типового ряда электродвигателей следует испытывать согласно 6.2.3.
5.3 Устройства освещения с питанием от сети*(11)
5.3.1 Источником света должна быть лампа одного из следующих типов:
а) трубчатые люминесцентные одноштырьковые лампы (Fa6) с холодным катодом и цоколями согласно приложению И;
б) трубчатые люминесцентные двухштырьковые лампы типа G5 или G13 согласно ГОСТ 9806. Штыри должны быть выполнены из латуни. Патроны ламп и гнезда должны отвечать требованиям 5.3.7. Такие лампы подсоединяют к цепи, где они включаются и работают без предварительного нагрева катода;
в) лампы с вольфрамовой нитью общего назначения согласно ГОСТ 28711 и ГОСТ 28712;
г) другие лампы, в которых после повреждения колбы отсутствует опасность повышения температуры частей источника света выше предельной температуры.
5.3.2 Для люминесцентных трубок расстояние между лампой и защитным колпаком должно быть не менее 5 мм, если только защитный колпак не представляет собой наружную трубку, тогда минимальное расстояние составляет 2 мм.
Для других ламп расстояние между лампой и защитным колпаком в зависимости от мощности лампы должно быть не менее значений, указанных в таблице 6.
Примечание - Для ограничения нагрева нейтрального провода генерируемые осветительными устройствами синусоидальные токи (гармоники третьего порядка) следует ограничить до 30% от тока с частотой основной гармоники.
|
Мощность лампы Р, Вт |
Минимальное расстояние, мм |
|
Р≤60 |
3 |
|
60<Р≤100 |
5 |
|
100<Р≤200 |
10 |
|
200<Р≤500 |
20 |
|
Р>500 |
30 |
5.3.3 Патроны и цоколи ламп
5.3.3.1 Винтовые патроны и цоколи
5.3.3.1.1 Винтовые патроны с цоколями:
- должны отвечать требованиям 5.3.3.2.1, или
- электрический контакт между патроном и цоколем должен быть таким, чтобы при установке или вывинчивании цоколя лампы замыкание или размыкание электрической цепи согласно ГОСТ 30852.1 происходило только в отдельной взрывонепроницаемой оболочке.
5.3.3.1.2 Конструкция винтовых патронов должна исключать несанкционированное вывинчивание лампы после ее установки. Цоколи ламп, кроме лампы типа ЕЮ, подвергают механическим испытаниям согласно 6.3.1.
Примечание - Резьбовая часть патрона должна быть выполнена из материала, устойчивого к коррозии.
5.3.3.1.3 Размыкание контакта должно происходить только после отвинчивания лампы не менее чем на два полных витка резьбы.
5.3.3.1.4 Лампы с винтовыми цоколями могут не соответствовать требованиям 4.4 и 4.5.2 при условии, что в них выдерживаются пути утечки и электрические зазоры, указанные в таблице 7.
Изолирующий материал цоколя лампы должен отвечать требованиям для материалов группы II, указанным в таблице 2.
|
Рабочее напряжение U, В |
Пути утечки и электрический зазор, мм |
|
U≤60 60 |
2 3 |
5.3.3.2 Другие ламповые патроны и цоколи
5.3.3.2.1 Оболочка, образуемая патроном и цоколем, при установке и в момент замыкания или размыкания электрического контакта должна соответствовать требованиям испытаний на нераспространение пламени из вышеуказанной оболочки по ГОСТ 30852.1 для электрооборудования групп I и II.
Примечание - Допускаются к применению также ламповые патроны и цоколи, которые после установки соответствуют требованиям, предъявляемым к взрывозащите одного из видов по ГОСТ 30852.0.
5.3.3.2.2 Размеры патронов для трубчатых люминесцентных ламп типа Fa6 должны соответствовать требованиям приложения И, типа G5 или G13 - ГОСТ 9806.
5.3.3.2.3 Для других ламповых патронов в лампах с цилиндрическими цоколями ширина соединения между патроном и цоколем в момент замыкания или размыкания контакта должна составлять не менее 10 мм.
5.3.3.3 Требования к электрическому контакту между ламповым патроном и цоколем
5.3.3.3.1 Электрический контакт между ламповым патроном и цоколем должен обеспечиваться:
а) для винтовых цоколей:
- контактом с нижней частью цоколя через гибкие или пружинные элементы с усилием не менее 15 Н и
- контактом с цоколем при завинчивании не менее чем на два витка резьбы или через один или более пружинных элементов с общим усилием не менее 30 Н;
б) для цилиндрических штырьковых цоколей - с помощью пружинных элементов с усилием не менее 10 Н;
в) для цилиндрических штекерных цоколей, конструкция которых исключает искрение между цоколем и патроном на самом соединении или за его пределами, - пружинными элементами с усилием не менее 10 Н;
г) для цоколей, в которых при изъятии лампы из патрона прерывание цепи происходит в отдельной взрывобезопасной оболочке (согласно ГОСТ 30852.1), - пружинными элементами, имеющими контактное усилие на цоколь в момент размыкания цепи не менее 7,5 Н.
5.3.3.3.2 Приведенные выше минимальные значения контактных усилий относятся к лампам, вставленным в патрон и готовым к эксплуатации.
Примечание - Во время эксплуатации на усилие контактных элементов не должны оказывать сколь-нибудь значительного влияния нагрев и другие внешние воздействия.
5.3.4 Максимальная температура поверхности согласно раздела 5 ГОСТ 30852.0 может быть превышена, если наибольшая температура поверхности лампы внутри устройства освещения не менее чем на 50°С ниже наименьшей температуры воспламенения внутри него в потенциально взрывоопасной среде, для которой оно предназначено. Это должно быть подтверждено испытаниями в наиболее неблагоприятных условиях применения.
Это условие действительно только для газовой среды, предусматриваемой в маркировке.
Примечание - Испытания, проведенные на устройствах освещения существующих типов показали, что температура воспламенения внутри него значительно выше температуры воспламенения, измеренной по ГОСТ 30852.5.
5.3.5 Температура на ободке цоколя лампы в точке припоя цоколя не должна превышать предельную температуру. Предельная температура должна быть менее 195°С или составлять величину, указанную в 4.8.
5.3.6 Предельная температура ламповых пускорегулирующих аппаратов (ПРА) не должна превышаться даже при старении ламп. В частности, необходимо обратить внимание на эффект выпрямления в трубчатых люминесцентных лампах, испытания которых проводят по 6.3.2.
5.3.7 Источники освещения для трубчатых люминесцентных двухштырьковых ламп должны также отвечать следующим требованиям.
5.3.7.1 Установка патронов двухштырьковых ламп в устройство освещения должна производиться с соблюдением нижеследующих условий.
5.3.7.1.1 Условия установки и расстояния определяются с учетом механических характеристик и допусков, указанных в ГОСТ 9806 и ГОСТ МЭК 61195.
5.3.7.1.2 Патрон должен отвечать требованиям, предъявляемым к патронам типа G5 или G13 в ГОСТ 9806.
5.3.7.1.3 Штыри в каждом ламповом цоколе следует соединить параллельно или внутри лампового патрона, или в непосредственной близости от проводки осветительного устройства.
Допустимая номинальная боковая нагрузка каждого штырькового соединения должна определяться исходя из величины тока лампы, что позволит обеспечить резервирование.
5.3.7.1.4 Изоляционный материал лампового патрона должен отвечать требованиям, предъявляемым к неметаллическим материалам в разделе 7 ГОСТ 30852.0.
5.3.7.2 Если для получения разряда внутри лампы используют повышенное напряжение (например, от электронного зажигающего электрода), то для определения действующего значения (см. таблицу 1) это повышенное напряжение делят на √2. Материал кольцевого уплотнения лампы должен иметь такой же электрический потенциал, как и штыри.
Если электронный ПРА лампы обеспечивает прерывание стартовых импульсов с максимальным периодом времени, равным 5 с, и если возврат возможен только после переключения питания устройства освещения, то коэффициент, равный √2 , можно увеличить до 2,3.
5.3.7.3 Максимальные значения поворотного момента и/или усилия на каждом конце лампы, прилагаемые при установке или снятии ее из осветительного устройства, не должны превышать 50% от предельных усилий, прилагаемых к штырям новой лампы и указанных в таблице 1 ГОСТ МЭК 61195.
5.3.7.4 Электрический контакт между каждым штырем лампы и патроном должен оставаться надежным даже в условиях коррозии и вибрации. Методики испытаний на воздействие коррозии и вибрации описаны в 6.3.3 и 6.3.4.
5.3.7.5 Если в соответствии с требованиями ГОСТ 30852.0 применен прерыватель цепи, то при снятии защитного колпака он должен обесточивать каждый ламповый патрон. Если прерыватель цепи применен, то:
а) он должен соответствовать требованиям ГОСТ Р 50030.1 и приложения К настоящего стандарта для перенапряжений категории III, или при максимальном напряжении питания 300 В (постоянного тока или действующее значение переменного тока) каждый электрический зазор между контактами на нейтральном проводе и/или на линии подачи питания должен составлять не менее 2,5 мм. Для обеспечения необходимого зазора можно суммировать два электрических зазора, каждый из которых должен быть не менее 1,25 мм;
б) при снятии защитного колпака осветительного устройства контакты должны размыкаться;
в) манипуляции с прерывателем цепи допускаются только при использовании инструмента или его рабочая часть должна иметь степень защиты IP2X по ГОСТ 14254. Так же можно допустить замыкание контакта (после срабатывания) с помощью инструмента;
г) прерыватель цепи должен иметь взрывозащиту требуемого вида.
5.4 Переносные лампы с собственным источником питания
Лампу следует защитить от механического повреждения защитным колпаком. Расстояние между защитным колпаком и лампой, когда последняя плотно вставлена, не должно быть менее 1 мм. Если лампа установлена в пружинном патроне и касается защитного колпака, то ход пружины должен быть не менее 3 мм. Защитный колпак:
а) должен быть защищен сеткой или
б) если его площадь не превышает 50 см2, то должен быть защищен выступающим бортиком с минимальной высотой 12 мм, или
в) если его площадь больше 50 см2, то должен выдерживать механические испытания для защитных колпаков и кожухов вентиляторов (см. ГОСТ 30852.0).
Переключающие устройства в цепи лампы, которые образуют искру или дуговой разряд в нормальном режиме работы, включая такие устройства, как язычковые реле, в которых искра или дуговой разряд образуются в герметичных корпусах, должны быть механически или электрически блокированы для предотвращения нарушения контакта в опасной зоне, или же их следует защитить одним из стандартных видов взрывозащиты (см. ГОСТ 30852.0).
5.5 Измерительные устройства и измерительные трансформаторы
5.5.1 Измерительные устройства и измерительные трансформаторы должны непрерывно выдерживать 1,2-кратный номинальный ток и/или номинальное напряжение без превышения предельной температуры согласно 4.8.
5.5.2 Трансформаторы тока и электрические цепи измерительных устройств (кроме цепей напряжения) должны выдерживать термические и динамические нагрузки тока, значения которого должны быть не менее указанных в таблице 8, в течение времени, приведенного в 6.4. При этом снижение уровня взрывозащиты не допускается.
5.5.3 Температура, достигаемая во время прохождения тока, равного номинальному термическому току короткого замыкания Ith, не должна превышать предельную температуру, указанную в 4.8, и ни в коем случае не быть св. 200°С.
|
Ток |
Трансформаторы тока и токоведущие части измерительных устройств |
|
Номинальный термический короткого замыкания Ith Номинальный динамический Idyn |
≥1,1·Isc (см. 3.8 и примечание 2) ≥1,25·2,5·Isc (см. примечания ) |
|
Примечания 1 2,5·Isc - это максимальное амплитудное значение тока короткого замыкания. 2 Значения 1,1 и 1,25 представляют собой коэффициенты безопасности. Действующее значение допустимого тока короткого замыкания в нормальном режиме работы не должно превышать Ith /1.1. Амплитудное значение тока короткого замыкания не должно превышать Idyn /1,25 | |
5.5.4 Если токоведущие части измерительных устройств питаются от трансформаторов тока, то значения Ith и Idyn должны быть равны току, проходящему через вторичные короткозамкнутые обмотки трансформатора тока, при этом через первичные обмотки протекают токи Ith и Idyn.
5.5.5 Применение измерительных устройств с подвижными катушками не допускается.
5.5.6 Если вторичная цепь трансформатора тока находится за пределами электрооборудования, то его следует согласно ГОСТ 30852.0 маркировать знаком X, а в нормативно-технической документации согласно ГОСТ 30852.0 должно быть указано на необходимость защиты от размыкания вторичной цепи во время эксплуатации.
Примечание - В условиях размыкания вторичной цепи трансформаторов тока могут генерироваться напряжения, значительно превышающие номинальное напряжение выводов в цепи трансформатора. Поэтому, исходя из конкретных условий, необходимо принимать меры по обеспечению защиты от возникновения опасного напряжения в условиях размыкания вторичной цепи используемых трансформаторов тока.
При использовании электрооборудования, в котором трансформаторы тока соединены с согласующими трансформаторами с применением коммутационных устройств (например, дифференциальная защитная система), необходимы меры против размыкания любой цепи используемых трансформаторов.
5.6 Трансформаторы других типов, кроме измерительных
Трансформаторы других типов следует испытывать согласно 6.5.
5.7 Батареи
5.7.1 Батареи аккумуляторов емкостью более 25 А·ч
5.7.1.1 Общие положения
Батареи аккумуляторов должны быть свинцово-кислотными, железно-никелевыми или никель-кадмиевыми и отвечать требованиям настоящего стандарта. Методы испытаний батарей аккумуляторов изложены в 6.6.
Примечание - Соответствие нижеуказанным требованиям не обеспечивает безопасность зарядки. Поэтому зарядку следует производить за пределами опасной зоны, если только не предпринимают другие меры защиты.
5.7.1.2 Контейнеры батареи
5.7.1.2.1 Все внутренние поверхности контейнеров батареи и крышек, выполненные из металла, должны быть полностью покрыты изолирующим слоем. Для крышек достаточно покрытие краской. Внутренние поверхности контейнеров должны быть стойкими к воздействию электролита.
5.7.1.2.2 Конструкция контейнеров и крышек батареи должна выдерживать механические воздействия в процессе эксплуатации, включая механические воздействия при транспортировании и обслуживании. С этой целью в контейнере могут быть установлены перегородки.
5.7.1.2.3 Если необходимо, контейнеры батарей следует снабдить изолирующими барьерами. При условии соответствующего конструктивного исполнения перегородки могут выполнять роль изолирующих барьеров. Изолирующие барьеры должны располагаться так, чтобы в любой из секций предотвратить повышение напряжения св. 40 В. Барьеры должны быть выполнены таким образом, чтобы в процессе эксплуатации не произошло недопустимое уменьшение пути утечки. Высота барьеров должна составлять не менее 2/3 от высоты элементов. Для расчета путей утечки метод, проиллюстрированный в примерах 2 и 3 рисунка 2, использовать не следует.
Путь утечки между полюсами прилегающих элементов и между этими полюсами и контейнером батареи должен составлять не менее 35 мм.
Если номинальное напряжение между прилегающими элементами батареи превышает 24 В, то путь утечки следует увеличивать не менее чем на 1 мм на каждые 2 В сверх 24 В.
5.7.1.2.4 Крышки контейнеров батареи следует крепить так, чтобы исключить любое случайное открытие или смещение крышки во время эксплуатации. Каждая крышка должна иметь крепежное устройство согласно 9.1 ГОСТ 30852.0.
5.7.1.2.5 Элементы следует вставлять в контейнер батареи так, чтобы исключить сколь-нибудь значительное смещение во время эксплуатации. Материал выводов и других встраиваемых устройств (например, уплотнительных и изолирующих барьеров) должен обладать изоляционными свойствами, не иметь пор и быть устойчивым к воздействию электролита, а также быть стойким к действию пламени.
5.7.1.2.6 Жидкость, которая может попасть во внутрь контейнера батареи, не имеющей дренажных отверстий, должна удаляться без изъятия элементов.
5.7.1.2.7 Контейнеры батареи должны иметь вентиляционные отверстия достаточного размера. В данном случае, вопреки требованиям 4.10, достаточна степень защиты IP23 согласно ГОСТ 14254.
Примечание - В отличие от ГОСТ 14254 испытательная организация может провести оценку защиты от доступа к взрывоопасным частям и проникновения твердых инородных объектов и воды на основе анализа нормативно-технической документации. Если согласно ГОСТ 14254 проводят испытания оболочки со степенью защиты IPX3 и если в контейнер батареи попадает вода, то для определения степени вредного воздействия может быть проведена оценка сопротивления изоляции согласно 6.6.1.
Вентиляционные отверстия должны обеспечивать такую вентиляцию, чтобы объемная доля водорода в контейнере батареи во время испытания не превышала 2% (см. 6.6.3).
5.7.1.2.8 Вилки и розетки должны отвечать требованиям раздела 20 ГОСТ 30852.0. Это требование не распространяется на розетки и вилки, которые можно разъединить только с помощью инструмента. На них должна быть предупредительная табличка с надписью:
"ПРЕДУПРЕЖДЕНИЕ! РАЗЪЕДИНЯТЬ ТОЛЬКО ВНЕ ВЗРЫВООПАСНОЙ ЗОНЫ"
Положительные и отрицательные штыри вилки, однополярные с соответствующими гнездами розетки, нельзя менять местами.
5.7.1.2.9 Полярность батареи, вилок и розеток должна быть четко маркирована.
5.7.1.2.10 Любое другое электрическое устройство, подсоединяемое или вставляемое в контейнер батареи, должно отвечать требованиям к взрывозащите одного из видов по ГОСТ 30852.0.
5.7.1.3 Элементы
5.7.1.3.1 Края элемента следует уплотнить с контейнером элемента, чтобы предотвратить утечку электролита. Не следует использовать легковоспламеняемые материалы.
5.7.1.3.2 Положительные и отрицательные пластины должны быть хорошо закреплены.
5.7.1.3.3 Каждый элемент должен быть снабжен указателем уровня электролита, указатель которого должен находиться между минимальными и максимальными допустимыми значениями уровня. Необходимо предпринимать меры, предотвращающие избыточную коррозию выступов аккумуляторных пластин и шин, когда электролит находится на минимальном уровне.
5.7.1.3.4 В каждом элементе следует оставлять достаточное пространство для предотвращения переполнения элемента при расширении электролита и для отложения осадка. Объем этих пространств следует определять с учетом ожидаемого срока службы батареи.
5.7.1.3.5 Элемент должен содержать отверстия для заполнения и сброса электролита, конструкция которых должна исключать выброс электролита в нормальном режиме работы. Их следует размещать таким образом, чтобы к ним был доступ для обслуживания.
5.7.1.3.6 Между каждым полюсом вывода и краем элемента необходимо установить уплотнение для предотвращения утечки электролита.
5.7.1.3.7 Новые полностью заряженные и готовые к работе батареи должны иметь сопротивление изоляции не менее 1 МОм между частями батареи, находящимися под напряжением, и контейнером батареи
Примечание - В условиях эксплуатации сопротивление изоляции батарей должно быть не менее 50 Ом на вольт номинального напряжения при минимальном значении 1000 Ом.
5.7.1.4 Соединения
5.7.1.4.1 Внутренние соединения между прилегающими элементами, которые смещаются относительно друг друга, не должны быть жесткими. При использовании нежестких соединений каждый конец соединения должен:
а) быть приварен или припаян к выводу, или
б) обжат медным цилиндрическим элементом, отлитым вместе с выводом, или
в) обжат медным элементом, который завинчивается резьбовым крепежным устройством в вставку, отлитую вместе с выводом. Вставка может быть выполнена из меди или другого материала, если механические, термические и электрические свойства соединения проверены испытанием на крутящий момент согласно 23.4.5 ГОСТ 30852.0 и если удовлетворяются требования 5.7.1.4.3.
В случаях, оговоренных в перечислениях б) и в), соединение внутри элемента должны быть из меди.
5.7.1.4.2 При использовании нежестких соединений, обжатых медным элементом в соответствии с 5.7.1.4.1, перечисление в), резьбовые соединения должны быть прочно затянуты. Эффективная площадь контакта между зажимом и выводом элемента должна быть не менее площади поперечного сечения зажима внутри элемента.
Резьбовые соединения следует подвергнуть температурным испытаниям согласно 23.4.6.1 ГОСТ 30852.0, при этом ток, проходящий через соединение, равен непрерывному номинальному току провода, указанному изготовителем в нормативно-технической документации. При расчете эффективной площади контакта резьбовые соединения не учитывают.
Примечание - Когда необходимо улучшить механические свойства соединения (например, предотвратить срыв резьбы в винтах в медной ставке), обжатие нежестких соединений (см. 5.7.1.4.1, перечисление в) допускается осуществлять элементом, изготовленным из сплава меди с небольшим количеством другого металла (например, хрома или бериллия). При использовании таких сплавов может понадобиться увеличение площади контакта соединений внутри элемента, чтобы скомпенсировать снижение электропроводности за счет воздействия другого металла.
5.7.1.4.3 Соединения должны проводить необходимый ток без превышения предельной температуры (см. 4.6.1, 4.8.1 и 4.8.2). Если нагрузку определить невозможно, то емкость батареи определяют по скорости разрядки, которую указывает изготовитель.
Если используют два соединителя, то каждый из них должен быть способен проводить весь ток без превышения предельной температуры.
5.7.1.4.4 Все соединители, подвергаемые воздействию электролита, должны быть защищены. Например, в свинцово-кислотных батареях неизолированные соединители из металла, кроме свинца, следует покрыть свинцом. Это положение не распространяется на резьбовые соединения.
5.7.1.4.5 Элементы батареи должны быть изолированы для предотвращения случайного контакта при открытии крышки батареи.
5.7.2 Батареи первичных элементов и аккумуляторные батареи емкостью до 25 А·ч *(12)
5.7.2.1 Общие замечания
5.7.2.1.1 Батареи внутри электрооборудования с защитой вида е должны состоять только из элементов, соединенных простейшими рядами.
5.7.2.1.2 Следует использовать только элементы с нормированными характеристиками, указанными в стандартах на элементы. В таблицах 9 и 10 приведены перечни элементов, на которые уже имеются или находятся в процессе разработки соответствующие стандарты.
5.7.2.1.3 Все элементы в батарее должны иметь одинаковую электрохимическую систему, одинаковую конструкцию и равные значения номинальных емкостей.
5.7.2.1.4 Все батареи следует размещать и эксплуатировать таким образом, чтобы не выходить за допустимые пределы, указанные изготовителем элемента или батареи.
5.7.2.1.5 Батареи не должны содержать расположенных хаотично первичных и вторичных элементов.
5.7.2.1.6 Первичные и вторичные элементы или батареи не следует использовать в одной оболочке электрооборудования, если они взаимозаменяемы.
5.7.2.1.7 Первичные батареи перезаряжать не допускается. Если внутри электрооборудования, содержащего первичные батареи, имеется другой источник напряжения и существует опасность их взаимного соединения, то необходимо предпринять меры, предотвращающие пропускание через них тока зарядки.
5.7.2.1.8 В батареях не следует использовать элементы, произведенные разными изготовителями.
5.7.2.1.9 Конструкция и размещение элементов должны быть такими, чтобы предотвратить утечку электролита, что может отрицательно повлиять на вид защиты или элементы, обеспечивающие безопасность.
5.7.2.1.10 Для электрического соединения батареи должны использоваться только методы, рекомендованные изготовителем.
|
Тип элемента по ГОСТ Р МЭК 86-1 [4] |
Положительный электрод |
Электролит |
Отрицательный электрод |
Нормальное напряжение, В |
Максимальное напряжение разомкнутой цепи, В |
|
- |
Диоксид марганца* |
Хлориды аммония, цинка |
Цинк |
1,5 |
1,73 |
|
А |
Соединения кислорода |
1,4 |
1,55 | ||
|
С |
Диоксид марганца |
Органическое соединение |
Литий |
3,0 |
3,7 |
|
Е |
Хлорид тионила |
Гидрат неорганического соединения |
3,6 |
3,9 | |
|
L |
Диоксид марганца |
Гидроксид щелочного металла |
Цинк |
1,5 |
1,65 |
|
S |
Оксид серебра (Ag2O) |
1,55 |
1,63 | ||
|
Т |
Оксиды серебра (AgO, Ag2O) |
1,87 | |||
|
** |
Диоксид серы |
Гидрат органической соли |
Литий |
3,0 |
3,0 |
|
* Элементы из цинка/диоксида марганца описаны в ГОСТ Р МЭК 86-1 [4], но не обозначены по типу. ** Элемент не используется. | |||||
5.7.2.1.11 Если при установке батареи внутри электрооборудования важна ее ориентация, она должна быть указана снаружи оболочки электрооборудования.
5.7.2.1.12 При необходимости замены элементов или батарей внутри корпуса потребитель должен ознакомиться с соответствующими параметрами, позволяющими произвести технически грамотную их замену. Параметры должны указываться изготовителем элемента или батареи либо на корпусе, либо внутри него, либо в инструкции по эксплуатации. К параметрам, указываемым изготовителем, относятся: реквизиты изготовителя, каталожный номер элемента или батареи, тип электрохимической системы, номинальное напряжение и номинальная емкость.
|
Обозначение стандарта |
Тип электрохимической системы |
Электролит |
Максимальное напряжение разомкнутой цепи, В |
Номинальное напряжение, В |
|
ГОСТ МЭК 61056, ГОСТ 29111 |
Свинцово-кислотные (мокрые) Свинцово-кислотные (сухие) |
Серная кислота (плотность 1,25 г/см3) |
2,67 2,35 |
2,2 2,2 |
|
ГОСТ 26367.1, ГОСТ 27174 |
Никель-кадмиевые |
Гидроксид калия (плотность 1,3 г/см3) |
1,55 |
1,2 |
|
* |
Гидрид никеля |
Гидроксид калия |
1,5 |
1,2 |
|
* Элемент не используется | ||||
5.7.2.2 Утечка воспламеняющегося газа
Элементы и батареи рассматривают как потенциальные источники утечки воспламеняющегося газа, которым может быть электролитический газ, т.е. водород и кислород, образуемые в результате электролиза в соответствующих количествах.
Учитывая опасность утечки воспламеняющегося газа из элементов и батарей, следует соблюдать следующие правила:
- элементы и батареи должны соответствовать требованиям, указанным изготовителем в нормативно-технической документации на них;
- элементы и батареи должны эксплуатироваться в номинальном режиме работы, указанном изготовителем в нормативно-технической документации;
- выходное напряжение элемента и батареи должно быть в пределах, указанных изготовителем в нормативно-технической документации;
- должны соблюдаться требования безопасности элемента и батареи, устанавливаемые изготовителем в зависимости от примененной взрывозащиты конкретного вида по ГОСТ 30852.0 и с учетом конструкции элемента и батареи:
а) с утечкой газа в нормальном режиме работы;
б) без утечки газа в нормальном режиме работы.
5.7.2.3 Допустимая электрохимическая система
Следует использовать только элементы, которые перечислены в таблицах 9 и 10 и на которые имеются стандарты.
5.7.2.4 Классификация элементов и батарей
В зависимости от характеристик электрохимических систем, от конструкции элементов и батарей предпринимают различные меры предосторожности. Исходя из критерия требуемых мер предосторожности, элементы и батареи классифицируют по опасности утечки газа на две группы:
- с утечкой газа в нормальных рабочих условиях. К этой группе относят открытые элементы и уплотненные элементы, снабженные вентилем;
- без утечки газа в нормальном режиме работы.
5.7.2.5 Общие требования
5.7.2.5.1 При герметизации элемента устройства сброса давления не должны закрываться. В условиях наиболее неблагоприятной и предсказуемой утечки из батареи размер отверстия для сброса должен быть достаточным для предотвращения опасного роста давления в герметизированном узле. Для каждой батареи требуется хотя бы одно отверстие для сброса. При герметизации элементов и батарей необходимо учитывать возможное расширение элементов во время зарядки.
Примечания
1 В настоящем стандарте смысл терминов "герметизировать" и "герметизация" не соответствует определениям (смыслу) аналогичных терминов, изложенным в ГОСТ 30852.17.
2 Размеры и расположение отверстий для сброса зависят от типа и емкости батарей. Также следует учитывать влияние процессов старения на емкость батареи и, следовательно, на скорость образования газа.
5.7.2.5.2 Имея ввиду возможность потенциальной утечки газа, при определении схемы расположения батарей необходимо принимать во внимание весь диапазон рабочих температур, внутреннее сопротивление батареи и пределы напряжения. При этом предполагается возможность разбаланса батарей. Элементы с незначительным сопротивлением или напряжением можно не учитывать.
5.7.2.5.3 Температура наружной поверхности элемента или батареи не должна превышать значения, указанного изготовителем, или 80°С в зависимости от того, какое значение температуры меньше.
5.7.2.5.4 Электрические соединения между элементами и с батареями должны соответствовать требованиям 4.3. Рекомендуется применять соединения, тип которых указан изготовителем элемента или батареи.
5.7.2.5.5 Между полюсами элементов необходимо соблюдать следующие электрические зазоры и пути утечки:
- электрические зазоры и пути утечки между полюсами элемента можно не принимать во внимание в случае, когда отдельный элемент выполнен как безопасный, то есть ток короткого замыкания и максимальная температура поверхности в нем ограничены соответствующими значениями за счет внутреннего сопротивления;
- электрический зазор и путь утечки между полюсами элемента должны составлять не менее 0,5 мм в случае, когда в отдельном элементе максимальное напряжение разомкнутой цепи равно или меньше 24 В, и этот элемент не является частью батареи;
- электрический зазор и путь утечки в зависимости от напряжения должны соответствовать значениям, указанным в таблице 1, в случае, когда напряжение во всех батареях и элементах более 2 В.
5.7.2.5.6 В целях предотвращения неправильного соединения или использования элементов с различным уровнем зарядки, или элементов с разными сроками службы все герметизированные вторичные элементы следует объединять в единый батарейный источник питания.
5.7.2.5.7 Если элементы и батареи не являются неотъемлемой частью электрооборудования, следует предпринять меры для защиты элементов, батареи или зарядного устройства от неправильного подсоединения их к электрооборудованию.
К таким способам защиты относят: применение поляризованных соединителей или маркировку соединителей, показывающую правильное соединение.
Также должны быть выполнены условия для безопасного объединения цепей.
5.7.2.5.8 Если в нормальном или ненормальном режимах работы возможен выброс электролита, необходимо предпринять меры, предотвращающие загрязнение электролитом частей электрооборудования, находящихся под напряжением. Герметизированные элементы этой защиты не требуют.
Элементы или батареи открытого типа или с управлением от ПРА должны быть помещены в отдельный корпус для защиты от электролита других частей электрооборудования. Электрический зазор и путь утечки внутри корпуса элемента или батареи открытого типа или с управлением от ПРА следует увеличить не менее чем до 10 мм.
5.7.2.5.9 Батареи и соединенные с ними защитные устройства должны быть прочно закреплены специальным зажимом или крепежным устройством.
5.7.2.5.10 Батарея и сопряженное защитное устройство или устройства не должны перемещаться относительно друг друга, так как это нарушает требования к защите вида е.
Примечание - Соответствие с 5.7.2.5.9 и 5.7.2.5.10 должно быть проверено до и после механического испытания на удар/падение согласно ГОСТ 30852.0.
5.7.2.6 Зарядка во взрывоопасной зоне
5.7.2.6.1 Если элементы и батареи требуется перезарядить во взрывоопасной зоне, то заряжающие цепи должны являться частью электрооборудования. Система зарядки должна быть такой, чтобы даже в условиях одной ее неисправности напряжение и ток зарядки не превышали пределов, установленных изготовителем.
5.7.2.6.2 В отсутствии утечки газа в нормальном режиме работы дополнительных требований к зарядке элементов не предъявляют.
5.7.2.6.3 При зарядке элементов с утечкой газа в нормальном режиме работы максимальное содержание водорода в контейнере батареи не должно превышать 0,02 объемных долей (2%). Концентрацию водорода измеряют непрерывно в течение испытаний, описанных в 6.6.4. Для зарядки используют устройство согласно 5.7.2.6.1.
5.7.2.6.4 Зарядка допускается только в безопасных пределах, указанных изготовителем. В инструкции изготовитель должен изложить условия эксплуатации, включая условия транспортировки батарей или элементов во взрывоопасной зоне, исключающие утечку газа.
Если зарядное устройство, являющееся частью электрооборудования, не соответствует одному из требований ГОСТ 30852.0, то:
- его следует обесточить и защитить от обратного тока элемента или батареи;
- следует выждать время, по истечении которого температура элемента или батареи становится ниже предельной.
После выполнения указанных требований электрооборудование с зарядным устройством можно транспортировать во взрывоопасную зону.
5.7.2.6.5 Если в том же корпусе имеется другой источник напряжения, то батарею и электрические цепи следует защитить от зарядки другим источником. Например, при возникновении высокого напряжения, способного вызвать повреждение изоляции, обеспечить защиту батареи и цепей можно, отделив их от других источников напряжения и увеличив электрический зазор (см. таблицу 1).
5.7.2.7 Разрядка элементов
5.7.2.7.1 Если токовая нагрузка от батареи может повредить ее в такой степени, что ухудшаются характеристики защиты вида е, то нагрузка или защитное устройство должны указываться изготовителем электрооборудования в нормативно-технической документации.
Если характеристики защиты вида е не ухудшаются, то нагрузку или защитное устройство в нормативно-технической документации можно не указывать.
5.7.2.7.2 В герметизированных элементах должна быть обеспечена защита от глубокой разрядки и реверсирования полярности отдельных элементов.
5.7.2.7.3 При последовательном соединении более трех герметизированных элементов необходимо предпринять меры, исключающие возможность зарядки элементов с обратной полярностью.
Примечание - Фактическая емкость элементов в течение их срока службы может уменьшаться. В этом случае под воздействием элементов, имеющих большую емкость, элементы с меньшей емкостью могут изменить свою полярность.
5.7.2.7.4 Если для предотвращения изменения полярности элементов во время разрядки используют цепь защиты от глубокой разрядки, то минимальное запирающее напряжение должно быть равно значению, указанному изготовителем батареи. После отключения нагрузки ток от батареи, должен быть менее 0,001 номинальной емкости.
Примечание - При последовательном соединении большого количества элементов, благодаря допускам напряжений отдельных элементов и наличию цепи защиты от глубокой разрядки, защита батареи может не потребоваться. Как правило, одна цепь защиты от глубокой разрядки может обслуживать не более шести последовательно соединенных элементов.
5.7.2.7.5 При определении и контроле допустимого предела минимальной температуры поверхности необходимо учитывать самый высокий ток разрядки, допускаемый максимальной нагрузкой или защитным устройством (указывается изготовителем электрооборудования).
Когда ни нагрузка, ни защитное устройство не указаны, то ток разрядки может быть, например, определен увеличением в 1,7 раза номинального тока плавкого предохранителя или тока короткого замыкания.
5.7.2.7.6 Защитные устройства в соответствии с требованиями настоящего стандарта являются частью системы управления. Изготовитель должен обеспечить соответствие уровня безопасности всей системы управления требованиям настоящего стандарта.
Примечание - Защитные устройства должны отвечать требованиям, установленным в [1] к оборудованию категории III.
5.7.2.8 Защита других видов
В отсеках вместе с открытыми элементами или батареями, а также вместе с герметизированными элементами и батареями без защитных устройств могут находиться устройства и/или компоненты с защитой вида е и m. Присутствие устройств и/или компонент с взрывозащитой вида d или i не допускается.
5.7.2.9 Отключение и транспортирование
5.7.2.9.1 Если батарею требуется отсоединить от используемого оборудования во взрывоопасной зоне, то необходимым условием является ее безопасное отключение.
5.7.2.9.2 Если компоненты под напряжением имеют степень защиты ниже IP30, то на элементах и батареях должна быть предупредительная надпись о запрете их перемещения во взрывоопасную зону.
5.7.2.10 Дополнительные требования к батареям и элементам специальных типов
5.7.2.10.1 На элементы емкостью 25 А·ч распространяются также требования, изложенные в 5.7.1.1 - 5.7.1.10; 5.7.2.1 - 5.7.2.7; 5.7.3.1 - 5.7.3.5.
5.7.2.10.2 Электрические соединители, вызывающие нагрев элемента или батареи, можно использовать только с разрешения изготовителя элемента (батареи).
5.8 Соединения общего назначения и соединительные коробки
Номинальные характеристики соединений общего назначения и соединительных коробок определяют по методике, изложенной в 6.7, таким образом, чтобы во время эксплуатации предельная температура не превышала значений, установленных в 4.8.
Для соединений общего назначения и соединительных коробок должна устанавливаться одна из двух характеристик:
а) номинальный допустимый предел максимальной мощности рассеивания или
б) ряд величин, содержащих для каждого типа вывода допустимое количество и сечение проводов, а также максимальный ток.
Сведения по определению комбинаций выводов и проводов для соединений общего назначения и соединительных коробок приведены в приложении Д.
5.9 Резистивные нагреватели (кроме электронагревателей, питаемых от сети)
5.9.1 В данном подразделе изложены дополнительные требования к резистивным нагревательным устройствам и блокам, за исключением устройств и блоков сетевого электронагрева (см. 3.13).
Подраздел не распространяется на индукционные нагреватели, нагреватели со скин-эффектом, диэлектрические нагреватели или на любую другую систему нагрева, предусматривающую пропускание тока через жидкость, оболочку или трубопровод.
Примечания
1 Требования к электрическим сетевым резистивным нагревательным системам изложены в [2].
2 Согласно требованиям к защите вида е, дополнительные меры по обеспечению безопасности резистивного нагрева включают: применение устройства ограничения температур, герметизацию встроенной системы, измерение остаточного тока (30 - 300 мА), а также заземление оболочки или применение системы контроля изоляции и испытаний термостабильности системы изоляции.
5.9.2 В настоящем стандарте:
- к нагревательным резисторам не применяют требования 4.7;
- требования раздела 7 ГОСТ 30852.0 не распространяют на электрические изоляционные материалы нагревательных резисторов.
5.9.3 Нагревательный резистор должен иметь положительный температурный коэффициент. Изготовитель должен указать номинальное значение сопротивления резистора при температуре 20°С и допустимые отклонения от этого значения.
5.9.4 Изоляционные материалы в резистивном нагревательном устройстве следует испытывать согласно 6.8.4.
5.9.5. При испытаниях согласно 6.8.6 пусковой ток холодного резистивного нагревательного устройства не должен превышать значение, указанное изготовителем, более чем на 10% в любой момент времени спустя 10 с после подачи на него электропитания.
5.9.6 Изготовитель должен указать тип защитного устройства для использования с резистивным нагревателем. Защитное устройство должно либо отвечать требованиям, изложенным в приложении Г, либо резистивное нагревательное устройство, должно быть механически защищено таким же образом, как в электрооборудовании.
5.9.7 Если электропроводящее покрытие выполняет роль защитного устройства (см. 5.9.6), то оно должно распространяться на всю поверхность изолирующего кожуха и представлять собой равномерно распределенный проводящий слой, покрывающий не менее 70% изолирующей поверхности. Электрическое сопротивление проводящего покрытия должно быть достаточным для обеспечения защиты резистивного нагревателя в соответствии с 5.9.6.
5.9.8 Электрическая изоляция должна обеспечивать неконтактирование нагревательного резистора с потенциально взрывоопасной средой до тех пор, пока температура покрытия не станет ниже предельной температуры.
Примечание - Изоляция, конструктивно выполненная в виде шайб, надеваемых на нагревательный резистор, в данном случае непригодна.
5.9.9 По причинам механической прочности поперечное сечение проводов для подсоединения к резистивному нагревательному устройству должно быть не менее 1 мм2.
5.9.10 При определении температурного класса резистивного нагревательного устройства следует иметь ввиду, что установку дополнительной термоизоляции нельзя рассматривать как гарантию от доступа потенциально взрывоопасной атмосферы.
5.9.11 При пропускании тока через резистивное нагревательное устройство или блок следует исключить возможность превышения предельной температуры. Это обеспечивается одним из следующих способов:
а) применением резистивного нагревательного устройства, обладающего свойством самоограничения;
б) применением стабилизированной конструкции резистивного нагревательного устройства (в указанных изготовителем условиях эксплуатации);
в) применением электрической защитной системы согласно 5.9.12, которая при достижении за данной температуры поверхности обесточивает все части резистивного нагревательного устройства или блока.
Эта защитная система должна быть полностью независима от системы управления, используемой для регулирования рабочей температуры резистивного нагревательного устройства или блока в нормальном режиме работы.
Для способов б) и в) температура резистивного нагревательного устройства определяется зависимостью между различными параметрами. К таким параметрам относятся:
- выходная тепловая мощность;
- температура среды, окружающей резистивное устройство, - газа и жидкости;
- характеристики теплообмена между резистивным устройством и окружающей его средой.
Необходимая информация об этих зависимостях приводится изготовителем в нормативно-технической документации, предусмотренной ГОСТ 30852.0.
5.9.12 Защита с помощью защитной системы обеспечивается:
- измерением температуры резистивного нагревательного устройства или среды, непосредственно окружающей его, или
- путем измерения, помимо температуры, двух или более других параметров.
Примечание - В качестве таких параметров можно назвать: уровень, расход, ток, ток утечки, потребляемую мощность.
Специальные условия безопасной эксплуатации регламентируются соответствующими инструкциями (см. также 27.2 ГОСТ 30852.0). Например, если резистивный нагревательный блок поставляется с неполной защитной системой, все средства обработки сигнала (например, средства, обеспечивающие совместимость датчика с приемным устройством) должны быть указаны в нормативно-технической документации.
Защитная система должна обеспечивать прерывание цепи электропитания резистивного нагревательного устройства или блока. После восстановления первоначально заданных условий конструкция защитного устройства должна предусматривать возможность повторного включения только вручную, за исключением случая непрерывного контроля данных от защитной системы.
При неисправности датчика нагревательное устройство следует обесточить до того, как достигнута предельная температура. Повторное включение или замену защитной системы, регулируемой вручную, производят только специальным инструментом. Параметры настройки защитных устройств должны быть заблокированы таким образом, чтобы в дальнейшем в процессе эксплуатации их нельзя было изменить.
Примечание - Плавкие предохранители следует заменять только изделиями, указанными изготовителем.
Защитная система должна срабатывать в ненормальном режиме работы и дополнять функционально независимое регулирующее устройство, используемое в нормальном режиме.
5.9.13 Резистивные нагревательные устройства и блоки должны отвечать требованиям 6.8, а также раздела 7.
5.10 Другое электрооборудование
Другое электрооборудование, не указанное в 5.2 - 5.9, должно отвечать требованиям раздела 4 и дополнительным требованиям раздела 5.
Данные требования дополняют требования раздела 23 ГОСТ 30852.0, которые также распространяются, если нет других указаний, на электрооборудование с защитой вида е.
6.1 Электрическая прочность изоляции
Электрическая прочность диэлектрика может проверяться одним из следующих методов:
а) испытаниями, указанными в стандарте на конкретные компоненты электрооборудования;
б) или испытаниями при подаче испытательных напряжений U1, U2 или U3 в течение 1 мин.
1) Для электрооборудования, на которое подают напряжение не более 90 В, действующее значение испытательного напряжения U1 равно 500 В.
2) Для резистивных нагревательных устройств и блоков, к которым предъявляют дополнительные требования в соответствии с 5.9, действующее значение испытательного напряжения U2 равно (1000+Un), где Un - номинальное напряжение, В. Допускается отклонение испытательного напряжения плюс 5%.
3) Для другого электрооборудования, в котором напряжение превышает 90 В, действующее значение испытательного напряжения U3 равно (1000+2U) или 1500 В, в зависимости от того, что больше, где U - рабочее напряжение, В. Допускается отклонение испытательного напряжения плюс 5%.
Как альтернатива указанному напряжению переменного тока можно использовать напряжение постоянного тока, которое:
- для изолированных обмоток должно составлять 170% от указанного действующего значения испытательного напряжения переменного тока или
- для случаев, когда воздушные зазоры или путь утечки выполняют роль изолирующей среды, должно составлять 140% от указанного действующего значения испытательного напряжения переменного тока.
В электрооборудовании с гальванически изолированными частями испытание проводят на каждой части по отдельности при соответствующем напряжении.
6.2 Вращающиеся электрические машины
6.2.1 Испытания электродвигателя с короткозамкнутым ротором для определения отношения IA/IN и времени tE проводят в режиме короткого замыкания. Как альтернатива, если испытание электродвигателя признано нецелесообразным, изготовитель с согласия испытательной организации может представить расчетные данные времени tE и повышения температуры в номинальном режиме работы, а также в режиме короткого замыкания. Желательно, чтобы метод расчета лишь дополнял метод испытания. Методы испытания и расчетов электродвигателя представлены в приложении А, а в приложении Е приведены публикации по расчету температуры заторможенного ротора.
6.2.2 Если условия испытания полностью отражают условия эксплуатации, то испытание электродвигателей можно проводить только при горизонтальном положении оси электродвигателя даже тогда, когда эксплуатация предполагается с другим положением его оси.
6.2.3 Дополнительные испытания электродвигателей на напряжение св. 1 кВ
6.2.3.1 Система изоляции обмотки статора
6.2.3.1.1 Испытания проводят на:
- собранном статоре или
- статоре в корпусе электродвигателя, или
- электродвигателе, или
- статоре с неполной обмоткой, или
- группе катушек.
Во всех случаях испытуемая модель должна представлять собой собранный статор с противокоронной защитой (если требуется), с маркировкой механической нагрузки, с уплотнением и креплением, с пропиткой и проводящими частями, например с сердечником статора. Все открытые проводящие части следует заземлить.
6.2.3.1.2 Кабель, предназначенный для подсоединения к статору, испытывают вместе с ним.
Особое внимание следует уделить размещению кабеля относительно находящихся рядом проводящих частей. Все открытые проводящие части следует заземлить.
6.2.3.1.3 Системы изоляции и соединительные кабели следует испытать в течение 3 мин синусоидальным напряжением промышленной частоты, в 1,5 раза превышающим номинальное действующее значение напряжения сети, во взрывоопасной водородно-воздушной смеси, объемная доля водорода в которой составляет (21±5)%. Максимальная скорость повышения напряжения должна составлять 0,5 кВ/с. Напряжение следует подавать между одной фазой и землей, все другие фазы должны быть заземлены. При этом не должно произойти взрыва.
6.2.3.1.4 Системы изоляции и подсоединяемые кабели следует испытать во взрывоопасной водородно-воздушной смеси, объемная доля водорода в которой составляет (12±5)%, путем подачи 10 импульсов напряжения, амплитуда которых в три раза выше амплитуды фазного напряжения с допуском ±3%. Время повышения напряжения варьируется между 0,2 и 0,5 мкс, а время спада напряжения составляет не менее 20 мкс, но не более 30 мкс. Импульсы следует подавать пофазно и отдельно от фазы к земле. Взрыва не должно произойти.
Примечание - Это нестандартная форма волны. Однако предполагается, что для инициирования разряда нужно использовать короткое время повышения напряжения, а длительность импульса должна быть достаточной для получения энергии воспламенения.
6.2.3.2 Испытание ротора короткозамкнутой машины
6.2.3.2.1 Испытание проводят на электродвигателе, полностью укомплектованном согласно конструкторской документации на него. В испытуемом образце должны быть проходы, центрирующие кольца, кольцевые прокладки под короткозамыкающими кольцами и, если необходимо, уравновешивающие кольца.
6.2.3.2.2 Ротор короткозамкнутой машины следует испытать на износ, для чего проводят как минимум пять испытаний ротора в заторможенном состоянии. Максимальная температура ротора короткозамкнутой машины должна колебаться в пределах между максимальной расчетной температурой и температурой менее 70°С. Подаваемое напряжение должно составлять не менее 50% от номинального значения.
6.2.3.2.3 После испытания на износ (см. 6.2.3.2.2) электродвигатель следует заполнить или погрузить во взрывоопасную газовую водородно-воздушную смесь, объемная доля водорода в которой составляет (21±5)%. Затем следует провести десять прямых пусков от сети неподсоединенного к нагрузке электродвигателя или провести испытание при заторможенном роторе. Длительность этих испытаний должна составлять не менее 1 с. Взрыва не должно произойти.
6.2.3.2.4 Во время испытаний напряжение на выводах машины не должно быть ниже 90% от номинального. Концентрацию водорода следует проверять после каждого испытания.
6.3 Устройства освещения с питанием от сети
6.3.1 Механические испытания ламповых патронов, кроме патрона типа Е10
Для патронов типов Е14, Е27 и Е40 испытуемый цоколь лампы с размерами согласно ГОСТ 2746 полностью вставляют в патрон с усилием, определенным таблицей 11.
|
Тип цоколя лампы |
Поворотное завинчивающее усилие, Н·м ±0,1 |
Минимальное вывинчивающее усилие, Н·м |
|
Е14/Е13 Е27/Е26 Е40/Е39 |
1,0 1,5 3,0 |
0,3 0,5 1,0 |
Для патронов типов Е13, Е26 и Е39 следует провести эквивалентное испытание исходя из требований, предъявляемых к различным типам цоколя и указанных в ГОСТ 2746, с учетом различий между цоколями ламп.
Испытуемый цоколь лампы частично вывинчивают поворотом на 15°, и прилагаемое затем поворотное усилие для полного вывинчивания лампы не должно быть меньше минимального усилия, приведенного в таблице 11.
6.3.2 Тепловое испытание осветительных устройств с люминесцентными трубками
Последовательно к лампе подсоединяют диод и на лампу подают напряжение, равное 110% от номинального.
В конце испытания температура не должна превышать указанную в ГОСТ 30852.0 для соответствующего температурного класса. Затем при подсоединенном диоде на лампу подают номинальное напряжение, при этом не должно произойти превышения предельной температуры, указанной в таблице 3 (пункт 16, измерение термометром сопротивления).
6.3.3 Испытание ламповых двухштырьковых цоколей на воздействие диоксида серы
Контакты и соединения ламповых двухштырьковых цоколей на воздействие диоксида серы испытывают по ГОСТ 28226 в течение 21 сут. Контакты при этом должны быть полностью собраны. После испытания сопротивление контакта не должно возрасти более чем на 50% от первоначального значения.
Штыри представительного образца лампового цоколя должны быть выполнены из латуни с последующим шлифованием до шероховатости поверхности не менее 0,001 мм и химическим осветлением. Сами штыри и их расположение должны соответствовать требованиям, предъявляемым к их размерам по ГОСТ 9806.
6.3.4 Испытание на вибрацию осветительных устройств с двухштырьковыми цоколями
Испытания проводят согласно ГОСТ 28203. Собранный образец лампы крепят на жестком испытательном стенде и подвергают воздействию частоты от 1 до 100 Гц.
При частоте от 1 до 9 Гц амплитуда должна составлять 1,5 мм, а при частоте от 9 до 100 Гц испытуемый образец подвергают ускорению 0,5 g. Скорость качания частоты должна составлять 1 октава/мин при воздействии 20 циклов в каждой из ортогональных плоскостей.
После воздействия вибрации не должна быть видимых механических повреждений ни в одной из частей лампы. Далее, последовательно через каждую группу контактов лампы пропускают ток от источника постоянного тока, как показано на рисунке 4.
Если контакты лампового патрона механически различны, то испытание следует повторить с реверсированными контактами под напряжением.
Специальную лампу для испытаний получают путем пробоя катодов током высокого напряжения и установки легкого по массе соединения в лампе. Ток во время испытания должен быть равен номинальному действующему значению тока лампы.
Во время испытания не должно быть прерывания тока или изменения напряжения контактов.
6.4 Измерительные приборы и измерительные трансформаторы
6.4.1 Повышение температуры трансформаторов тока с накоротко замкнутой вторичной обмоткой, а также токоведущих частей измерительных приборов при токе Ith, пропускаемом в течение 1 с, можно определить при помощи испытаний или расчетов. При расчетах следует учитывать температурный коэффициент сопротивления, а тепловыми потерями можно пренебречь.
6.4.2 Динамическую прочность токоведущих частей определяют испытанием. Трансформаторы тока подвергают испытанию при замкнутой накоротко вторичной обмотке. Длительность динамического испытания должна составлять не менее 0,01 с, при этом максимальное амплитудное значение тока первичной обмотки должно быть не меньше Idyn. Длительность теплового испытания составляет не менее 1 с при действующем значении тока первичной обмотки не менее чем Ith.
Динамическое испытание можно объединить с тепловым испытанием при условии, что:
- основной первичный максимальный ток испытания не меньше динамического тока Idyn и
- испытание проводят при токе I в течение времени t таким образом, что числовое значение I2·t не было бы меньше числового значения
, и при условии, что t принимает значения от 0,5 до 5 с.
6.4.3 Испытание на перенапряжение между витками следует проводить на трансформаторах тока методом, указанным в [3], при этом действующее значение тока первичной обмотки должно в 1,2 раза превышать номинальный ток первичной обмотки.
6.5 Трансформаторы, кроме измерительных
Повышение температуры трансформаторов определяют испытанием, предусматривающем подсоединение к указанной изготовителем нагрузке. К цепи подсоединяют встроенное или другое защитное устройство, характеристики которого указаны изготовителем в нормативно-технической документации.

1 - ламповый патрон; 2 - лампа; 3 - соединение; 4 - осциллограф; 5 - источник постоянного тока на 24 В; 6 – резистор
"Рисунок 4 - Схема испытания осветительного устройства на вибрацию"
Если указанная изготовителем нагрузка не является частью устройства, отвечающего требованиям настоящего стандарта, то трансформатор следует испытывать в наиболее неблагоприятных условиях, включая короткое замыкание вторичной обмотки. При этом к цепи следует подсоединить встроенное или другое защитное устройство, характеристики которого указаны в нормативно-технической документации.
6.6 Батарея аккумулятора
6.6.1 Применимость испытаний
Данным испытаниям подлежат аккумуляторы, на которые распространяются дополнительные требования, изложенные в 5.7.
6.6.2 Сопротивление изоляции
6.6.2.1 Условия испытания:
а) измерительное напряжение применяемого омметра должно составлять не менее 100 В;
б) все соединения между батареей и наружными цепями, батареей и контейнером батареи, если он используется, следует разъединить;
в) элементы заполняют электролитом до максимально допустимого уровня.
6.6.2.2 Сопротивление изоляции считают удовлетворяющим требованиям, если измеренное значение не менее проведенных в 5.7.1.3.7.
6.6.3 Испытание на удар
6.6.3.1 Общие положения
Батареи, подвергаемые механическому воздействию во время нормальной эксплуатации, следует испытывать на механический удар. Батареи других типов не подвергают этому испытанию, но их маркировка согласно ГОСТ 30852.0 должна содержать знак X. Испытание следует проводить только на образцах элементов и их соединениях. Если элементы одинаковой конструкции имеют различную емкость, то нет необходимости испытывать каждый элемент, а испытывают достаточное количество элементов, позволяющее произвести оценку всего ряда.
6.6.3.2 Условия испытаний
Испытание проводят на каждом образце, содержащем не менее четырех новых полностью заряженных элементов с межэлементными соединениями и установленных в контейнере. Каждый образец должен быть готов к эксплуатации. Каждый образец устанавливают в нормальном рабочем положении и крепят к монтажной поверхности машины для испытания на удар. Установка должна отвечать требованиям ГОСТ 28213.
Машина генерирует полусинусоидальные импульсы (см. ГОСТ 28213). Допуски на изменение скорости, поперечное перемещение и система измерения должны отвечать требованиям ГОСТ 28213. Максимальное ускорение силы тяжести должно составлять 5gn согласно ГОСТ 28213.
6.6.3.3 Методика испытаний
Используют следующую методику испытания каждого образца:
а) определяют емкость каждого образца;
б) во время испытания пропускают постоянный ток разрядки в течение 5 ч;
в) по каждому образцу наносят 15 отдельных ударов следующим образом:
- три последовательных удара в вертикальном направлении вверх и
- три последовательных удара в каждом направлении вдоль двух перпендикулярных осей в горизонтальной плоскости. Оси выбирают таким образом, чтобы определить возможные слабые точки;
г) после перезарядки снова определяют емкость.
6.6.3.4 Критерии оценки соответствия установленным требованиям
Образец считают выдержавшим испытание, если отсутствуют:
- резкие изменения напряжения во время испытаний;
- видимая деформация;
- снижение емкости более чем на 5% от номинального значения.
6.6.4 Испытание вентиляции контейнера батареи
6.6.4.1 Испытание вентиляции контейнера батареи проводят для определения максимальной концентрации водорода внутри контейнера батареи и контроля достаточности размеров вентиляционных отверстий. Для этого внутрь контейнера вводят водород.
6.6.4.2 Расход водорода Q, м3/ч, определяют по формуле
Q=5·10-6·N·C,
(3)
где N - количество элементов;
С - емкость элемента, А·ч.
Примечание - Эта формула действительна только при условии использования чистого водорода. Если водород имеет примеси, то для компенсации примесей расход следует увеличить.
6.6.4.3 При испытании можно использовать один из следующих методов. Выбор метода определяют по соглашению между испытательной лабораторией (центром) и заявителем.
а) Метод 1. Часть контейнера батареи, в которой обычно находятся элементы, устанавливают в закрывающемся боксе. Крышки бокса имеют втулки для заполнения и сброса, идентичные по форме, количеству и месту расположения втулкам элементов. Входные и выходные втулки должны размещаться таким образом, чтобы обеспечить равномерное распределение водорода внутри бокса. Причем бокс устанавливают таким образом, чтобы не изменилась естественная вентиляция между элементами. Через входные втулки в пространство над боксом вводят водород, расход которого определяется конструкцией элементов и их емкостью. Количество водорода определяют по формуле (3).
б) Метод 2. Контейнер батареи содержит батарею из элементов, количество, тип и емкость которых отвечают требованиям эксплуатации. Элементы должны быть новыми, полностью заряженными и подсоединены последовательно. Ток перезарядки пропускают через батарею для обеспечения постоянного расхода водорода в соответствии с количеством, размером, типом конструкции и емкостью элементов.
Количество выводимого водорода определяют по формуле (3). Ток перезарядки I, А, определяют по формуле
![]()
(4)
В начале испытания окружающая температура, температура контейнера, батареи и температура элементов или боксов, моделирующих элементы, не должны отличаться одна от другой более чем на 4°С. Начальное значение этих температур должно составлять от 15°С до 25°С.
Испытание проводят при барометрическом давлении в испытательной лаборатории (центре), в месте, где нет сквозняков.
6.6.4.4 Испытания проводят до тех пор, пока четыре последовательных измерения не покажут, что увеличение концентрации водорода превышает не более чем на 5% среднее значение четырех измерений.
Если в ходе измерений концентрация водорода снижается, то в расчет принимают максимальное значение измеренной величины. Интервал между последовательными измерениями должен быть не менее 30 мин. Если при непрерывном измерении в течение короткого времени отмечаются высокие значения концентрации водорода, то ими можно пренебречь при условии, что интервал меньше 30 мин.
Концентрацию водорода измеряют в разных точках ниже крышки, чтобы можно было определить координаты и значение самой высокой концентрации в контейнере. Измерение следует проводить в области центра верхней поверхности элементов или закрытых боксов, крышки контейнера батареи. Контрольная точка должна также находиться на некотором удалении от втулок для заполнения и сброса.
6.6.4.5 Испытание следует проводить не менее двух раз.
6.6.4.6 Результаты испытаний считают положительными, если измеренная таким образом концентрация водорода не превышает 0,02 объемных долей (2%).
6.7 Соединения общего назначения и соединительные коробки
Соединения общего назначения или соединительные коробки должны иметь ряд выводов, на которых возникает наибольшее увеличение температуры. К этим выводам присоединяют провода максимального сечения. Длина провода, подсоединяемого к каждому выводу и размещаемого внутри корпуса, должна соответствовать максимальному внутреннему размеру (утроенная длина диагонали) корпуса. Соединение следует выполнять таким образом, чтобы испытательный ток проходил через включенные последовательно вывод и провода.
Для воспроизведения тепловых эффектов от размещения проводов в виде жгутов, а также для моделирования других воздействий при типичных условиях размещения провода следует группировать по 6 шт., при этом длина их за пределами оболочки должна быть не менее 0,5 м.
Измеряют температуру самой нагретой части. Если для какого-либо температурного класса необходимо определить предельное значение максимальной рассеиваемой мощности, то испытание следует проводить на других выводах и повторять его до тех пор, пока не будет достигнута предельная температура. Максимальную рассеиваемую мощность (см. 5.8а и приложение Д) рассчитывают по сопротивлению цепи при температуре 20°С и току, на который рассчитан вывод.
Примечание - Номинальную рассеиваемую мощность рассчитывают по сопротивлению при температуре 20°С, что позволяет упростить установление допустимых комбинаций выводов, проводов и токов (см. приложение Д).
6.8 Резистивные нагревательные устройства и блоки
6.8.1 Установленные испытания относят к резистивным нагревательным устройствам и блокам, на которые распространяют дополнительные требования 5.9.
6.8.2 Испытания следует проводить на образце или прототипе резистивного нагревательного устройства. Если нет других указаний, то испытания следует проводить при температуре от 10 до 25°С.
6.8.3 Проверку электрической изоляции образца или прототипа проводят погружением в водопроводную воду на 30 мин, а затем следующим испытанием.
а) Подаваемое в процессе испытания действующее значение испытательного напряжения должно быть не менее (500+Un), где Un - номинальное напряжение электрооборудования, В. Допускается отклонение испытательного напряжения плюс 5%. Испытательное напряжение подают в течение 1 мин, при этом электропроводящее покрытие (см. 5.9.7) полностью погружено в воду. Напряжение подают между нагревательным проводом и проводящим покрытием или, при отсутствии последнего, водой.
При наличии двух или более проводов, электрически изолированных один от другого, напряжение подают между каждой парой проводов и затем между каждым проводом и проводящим покрытием или водой.
Соединения между проводами, включая изолированные соединения, при необходимости следует прерывать, например, параллельным нагревательным кабелем.
б) Измеряют сопротивление изоляции с помощью источника постоянного тока с номинальным напряжением 500 В. Напряжение подают между нагревательным проводом и металлическим покрытием, или, при отсутствии последнего, водой. Образец или прототип должны иметь сопротивление изоляции не менее 20 МОм. Однако в резистивных нагревательных устройствах, содержащих кабель или ленту длиной более 75 м, сопротивление изоляции должно быть не менее 1,5 МОм/км (например, для образца длиной 3 м сопротивление изоляции будет равно 500 МОм).
6.8.4 Термостабильность изолирующих материалов резистивных нагревательных устройств проверяют на образце или прототипе путем выдержания их на воздухе при температуре на 20°С выше максимальной рабочей температуры, но не менее 80°С, в течение не менее четырех недель и затем при температуре от минус 25°С до минус 30°С в течение не менее 24 ч. Соответствие образца или прототипа проверяют испытанием целостности изоляции.
6.8.5 Испытание на устойчивость к удару проводят на двух новых образцах или прототипах с помощью аппарата, аналогичного представленному в приложении Г ГОСТ 30852.0. Для испытания используют ударную головку из закаленной стали полусферической формы, которой наносят удар с энергией 7 или 4 Дж в зависимости от степени механического риска согласно ГОСТ 30852.0, если только резистивное нагревательное устройство или блок не защищены оболочкой, отвечающей требованиям ГОСТ 30852.0.
6.8.6 Испытание пускового тока проводят на трех образцах или прототипах холодного резистивного нагревательного устройства, которое подсоединяют по соглашению с изготовителем или к термической массе, или к теплоотводу в камере, температура в которой стабилизируется на уровне ±2°С.
Рабочее напряжение подают на образцы, которые в течение испытания находятся в холодной среде, при этом непрерывно регистрируют ток в течение первой минуты подключения.
6.9 Испытания изоляционного материала выводов
Образец вывода устанавливают как при эксплуатации, и затем проводят испытание материала согласно ГОСТ 30852.0. В конце испытания, предусмотренного ГОСТ 30852.0, в соответствии с инструкциями изготовителя подсоединяют медный провод максимально допускаемого сечения. К проводу постепенно в течение 1 мин прилагают вытягивающее усилие, соответствующее сечению провода (см. таблицу 12). Провод не должен вытягиваться из зажимного устройства, а выводной узел не должен отделяться от выводного изолятора.
|
Сечение провода в международной системе ИСО, мм2 |
Размер провода по американскому проволочному калибру (AWG) |
Сечение провода в метрических единицах, мм2 |
Вытягивающее усилие, Н |
|
0,50 |
20 |
0,519 |
30 |
|
0,75 |
18 |
0,820 |
30 |
|
1,00 |
17 |
- |
35 |
|
1,50 |
16 |
1,300 |
40 |
|
2,50 |
14 |
2,100 |
50 |
|
4,00 |
12 |
3,300 |
60 |
|
6,00 |
10 |
5,300 |
80 |
|
10,00 |
8 |
8,400 |
90 |
|
16,00 |
6 |
13,300 |
100 |
|
25,00 |
4 |
21,200 |
135 |
|
35,00 |
2 |
33,600 |
190 |
|
50,00 |
0 |
53,500 |
285 |
|
70,00 |
00 |
67,400 |
285 |
|
95,00 |
000 |
85,000 |
351 |
|
120,00 |
250 kcmil |
127,000 |
427 |
|
150,00 |
300 kcmil |
152,000 |
441 |
|
185,00 |
350 kcmil |
177,000 |
503 |
|
240,00 |
500 kcmil |
253,000 |
578 |
|
300,00 |
600 kcmil |
304,000 |
578 |
|
350,00 |
700 kcmil |
355,000 |
645 |
|
380,00 |
750 kcmil |
380,000 |
690 |
|
400,00 |
800 kcmil |
405,000 |
690 |
|
450,00 |
900 kcmil |
456,000 |
703 |
|
500,00 |
1000 kcmil |
507,000 |
779 |
|
630,00 |
1250 kcmil |
634,000 |
966 |
|
750,00 |
1500 kcmil |
760,000 |
1175 |
|
890 |
1750 kcmil |
887,000 |
1348 |
|
1000 |
2000 kcmil |
1014,000 |
1522 |
|
Примечание - 1 circular mil (cmil) = 506,71·10-12 м2; 1 kcmil = 506,71·10-9 м2 | |||
7.1 Данные требования дополняют требования ГОСТ 30852.0, относящиеся к защите вида е.
7.2 Испытание на электрическую прочность изоляции проводят согласно 6.1. Допускается проводить испытания при увеличенном в 1,2 раза испытательном напряжении, но при этом его длительность должна быть не менее 100 мс.
Примечание - В некоторых случаях фактическое время испытаний может быть св. 100 мс, поскольку образцу со значительной распределенной емкостью может понадобиться дополнительное время для достижения фактического испытательного напряжения.
7.3 Испытание электрической прочности изоляции для батареи (согласно 6.1) считают удовлетворительным, если полученное значение отвечает требованиям 5.7.2.7.
7.4 Трансформаторы тока следует испытывать на междувитковое перенапряжение согласно [3] при протекании по первичной обмотке тока, действующее значение которого равно предельно допустимому.
Данные требования дополняют требования ГОСТ 30852.0, которые распространяются на защиту вида е. Электрооборудование должно иметь следующую дополнительную маркировку:
а) номинальное значение напряжения и номинальное значение тока или номинальное значение мощности. Для электрооборудования с коэффициентом мощности, не равным единице, следует указать обе величины;
б) для вращающихся электрических машин и, если необходимо, для магнитов переменного тока указывают отношение IA/IN и время tE;
в) для измерительных приборов с токоведущими частями и измерительных трансформаторов указывают ток короткого замыкания Isc;
г) для осветительных устройств указывают технические данные об используемых лампах, например их электрические номинальные характеристики и, если необходимо, размеры;
д) для соединений общего назначения и соединительных коробок указывают следующие характеристики:
- максимально допускаемую рассеиваемую мощность;
- допустимое для каждого размера вывода количество проводов, их сечение и максимальный ток;
е) ограничения использования, например, эксплуатация только в чистой среде;
ж) характеристики специальных защитных устройств, если таковые требуются, например, для регулирования температуры или для жестких пусковых условий, а также особые условия питания, например от преобразователей;
и) для батарей согласно 5.7 указывают следующие характеристики:
- тип конструкции элементов;
- количество элементов и номинальное напряжение;
- номинальную емкость и соответствующее время разрядки.
Если меры защиты, предусмотренные в 5.7, не применяют, то на контейнере батареи должна быть следующая табличка с надписью:
"ПРЕДОСТЕРЕЖЕНИЕ! НЕ ЗАРЯЖАТЬ ВО ВЗРЫВООПАСНОЙ ЗОНЕ"
К каждой батарее должна прилагаться инструкция по эксплуатации и обслуживанию, представляемая на станцию для зарядки батарей. Эта инструкция должна содержать все сведения по зарядке, эксплуатации и обслуживанию батарей. Инструкция по эксплуатации должна как минимум содержать следующую информацию:
- название изготовителя или поставщика, или его торговый знак;
- количество элементов и номинальное напряжение батареи;
- номинальная емкость и время разрядки;
- инструкции по зарядке;
- другие сведения о безопасной эксплуатации батареи, например ограничения открытия крышки при зарядке, минимальное время выдержки до закрытия крышки, учитывая высвобождение газа после завершения зарядки; проверка уровня электролита, характеристики электролита и воды для заполнения, монтажное положение.
Если батарею заряжают не с помощью стандартного зарядного устройства, предназначенного для конкретного электрооборудования, то на контейнере должна быть следующая надпись:
"ПРЕДОСТЕРЕЖЕНИЕ! СМОТРИ РУКОВОДСТВО ПО ЗАРЯДКЕ БАТАРЕИ";
к) для резистивных нагревательных устройств и блоков, на которые распространяются дополнительные требования 5.9, - рабочую температуру;
л) для выводов:
- характеристики подсоединяемых проводов, номинальный ток и номинальное напряжение. Если пространство для маркировки ограничено, то эти данные приводят в инструкции. Инструкция по монтажу и установке должна как минимум содержать:
- усилия затяжки, если изготовителем указывается значение усилия для затяжки;
- соответствующую маркировку или другие инструкции, дающие разъяснения по подгонке и установке проводов различного сечения, если эти действия не являются очевидными;
- рекомендации по креплению проводов к выводам, когда способ их подсоединения не является очевидным;
- требования к удалению изоляции проводов.
____________
*(1) В стандарт полностью введен международный стандарт МЭК 85-84
*(2) На территории Российской Федерации действует ГОСТ Р МЭК 60285-2002 "Аккумуляторы и батареи щелочные. Аккумуляторы никель-кадмиевые герметичные цилиндрические".
*(3) На территории Российской Федерации действует ГОСТ Р 52776-2007 (МЭК 60034-1:2004) "Машины электрические вращающиеся. Номинальные данные и характеристики".
*(4) На территории Российской Федерации действует ГОСТ Р 52706-2007 (МЭК 60064:1993) "Лампы накаливания вольфрамовые для бытового и аналогичного общего освещения. Эксплуатационные требования".
*(5) На территории Российской Федерации действует ГОСТ Р 52712-2007 (МЭК 60432-1:1999) "Требования безопасности для ламп накаливания. Часть 1. Лампы накаливания вольфрамовые для бытового и аналогичного общего освещения".
*(6) На территории Российской Федерации действует ГОСТ Р 53165-2008 (МЭК 60095-1:2006) "Батареи аккумуляторные свинцовые стартерные для автотракторной техники. Общие технические условия".
*(7) На территории Российской Федерации действует ГОСТ Р 50571.1-2009 (МЭК 60364-1:2005) "Электроустановки низковольтные. Часть 1. Основные положения, оценка общих характеристик, термины и определения".
*(8) На территории Российской Федерации действует ГОСТ Р МЭК 61056-1-2012 "Батареи свинцово-кислотные общего назначения (типы с регулируемым клапаном). Часть 1. Общие требования, функциональные характеристики. Методы испытаний".
*(9) Действует до введения соответствующего межгосударственного стандарта.
*(10) Под этим термином понимают агрегатное состояние материала, в котором он используется. К твердым изолирующим материалам относятся материалы, которые применяют после их затвердевания (лаки, компаунды и т.п.).
*(11) Данный подраздел не содержит требований к устройствам освещения с сигнальными и аналогичными небольшими лампами (см. 5.10)
*(12) Данные не распространяются на батареи фонарей шахтерских касок
Приложение А
(обязательное)
А.1 Необходимо определить повышение температуры статора и ротора, происходящее в нормальном режиме работы, а также в электродвигателе с заторможенным ротором.
По возможности следует произвести сравнительные измерения на аналогичных электродвигателях и моделях с целью проверки точности расчетов.
А.2 Повышение температуры обмоток статора и ротора в номинальном режиме работы следует определять согласно ГОСТ 28173.
А.3. Повышение температуры в электродвигателях с заторможенным ротором определяют экспериментальным путем следующим образом:
А.3.1. Когда электродвигатель с заторможенным ротором еще находится при температуре окружающей среды, подают номинальное напряжение номинальной частоты.
А.3.2. Ток статора, измеренный через 5 с после пуска, принимают за начальный пусковой ток IA.
А.3.3 Повышение температуры ротора (стержни и кольца) измеряют термопарами и измерительными устройствами, с помощью преобразователей температуры или других средств, постоянная времени которых мала по сравнению со скоростью повышения температуры ротора. Рассматривают наибольшую из измеренных температур.
Примечание - Существующий градиент скорости повышения температуры в отдельных стержнях ротора зависит от их расположения относительно пространственной гармоники фазочастотного диапазона напряжения на обмотках статора. Этот градиент, составляющий не менее 20% для электродвигателей с низкой пространственной гармоникой, может быть значительно больше. Если в электродвигателе поместить термопары всего в два стержня ротора, напряжение на которых смещено по фазе на 90°, то увеличение наибольшего измеренного повышения температуры на 10% позволяет скомпенсировать высокую температуру любого другого стержня ротора.
А.3.4 В качестве величины, характеризующей повышение температуры обмотки, принимают среднее повышение температуры статора, определяемое с помощью термосопротивления.
А.3.5 Если испытание электродвигателя с заторможенным ротором проводят напряжением меньше номинального, измеренные величины следует увеличивать пропорционально отношению этих напряжений, в прямой зависимости от пускового тока (см. А.3.2) и пропорционально квадрату повышения температуры. При этом следует учитывать эффекты насыщения в магнитопроводах статора и ротора, если таковые имеются.
А.4 Повышение температуры в электродвигателях с заторможенным ротором рассчитывают следующим образом:
А.4.1 При расчете температуры короткозамкнутого ротора повышение температуры рассчитывают по общему количеству теплоты с учетом теплоты, поглощаемой стержнями и кольцами, а также теплоемкости короткозамкнутого ротора. Необходимо также учитывать влияние скин-эффекта на распределение тепла в стержнях. Возможны допуски на теплообмен железа.
А.4.2 Скорость повышения температуры обмотки статора во времени Δq/t, К/с, в электродвигателе с заторможенным ротором рассчитывают по формуле
,
(А.1)
где: j - плотность начального пускового тока, А/мм2;
b - коэффициент приведения, учитывающий рассеивание тепла от пропитанных обмоток, равный 0,85;
а - коэффициент, учитывающий материал обмоток, К·мм4/(А2·с).
Для меди а = 0,0065 К·мм4/(А2·с).
А.5 Определение времени tE
А.5.1 На рисунке А.1 показана методика определения времени tE. Из предельной температуры С вычитают максимальную окружающую температуру А (обычно 40°С) и величину, характеризующую повышение температуры в номинальном режиме работы, - отрезок АВ на рисунке А.1. Время tE определяют по полученной разности ВС и скорости повышения температуры в электродвигателе с заторможенным ротором (измеряют или рассчитывают).
Для ротора и статора проводят отдельные расчеты. Наименьшее из двух значений принимают за время tE для электродвигателя соответствующего температурного класса.

A - наивысшая допустимая окружающая температура; B - температура в номинальном режиме работы; C - предельная температура; t - время; 1 - повышение температуры в номинальном режиме работы; 2 - повышение температуры статора и ротора при испытании электродвигателя с заторможенным ротором
"Рисунок А.1 - График определения времени tE "
А.6 Электродвигатели с жесткими пусковыми условиями или снабженные специальными защитными устройствами (например, устройствами контроля температуры обмоток) следует испытывать с указанными защитными устройствами.
А.7 Электродвигатели, образующие блоки с преобразователями и защитными устройствами, следует подвергнуть испытанию, которое должно показать, что в условиях эксплуатации блока электродвигателя и преобразователя не происходит превышения предельной температуры.
Приложение Б
(обязательное)
Б.1 Резистивные нагревательные устройства, подвергаемые механическому воздействию
Гибкие резистивные нагревательные устройства, такие как нагревательные кабели и ленты, не защищенные механически оболочкой и отвечающие требованиям к оболочкам, изложенным в ГОСТ 30852.0, следует подвергнуть испытаниям на раздавливание и низкотемпературному испытанию на сгибание согласно [2].
Б.2 Погружные резистивные нагревательные устройства и блоки
Образец или часть образца на 14 сут. погружают в водопроводную воду на глубину 50 мм. Затем соответствие сопротивления изоляции испытуемых образцов предъявляемым требованиям определяют по методике, изложенной в 6.8.3, перечисления а), б).
Примечание - Это испытание не предназначено для проверки пригодности резистивного нагревательного устройства или блока для использования в другой среде помимо воды или при давлении св. 500 Па.
Б.3 Резистивные нагревательные устройства или блоки с гигроскопическим изолирующим материалом
Части устройства, обеспечивающие герметичность, подвергают воздействию температуры (80±2)°С в течение 28 сут при относительной влажности не менее 90%. После этого образец насухо вытирают и соответствие сопротивления изоляции предъявляемым требованиям определяют испытанием по методике 6.8.3, перечисления а), б), но без погружения в воду.
Б.4 Проверка предельной температуры резистивных нагревательных устройств за исключением нагревательного сетевого кабеля, блоков, панелей и систем
Б.4.1 Испытание проводят в соответствии с Б.4.2, Б.4.3 или Б.4.4.
Б.4.2 Резистивный нагревательный блок с защитной системой согласно 5.9.12
Испытание следует проводить после стабилизации мощности нагрева на уровне, который определяется поданным напряжением питания, повышенным на 10% по отношению к номинальному и уменьшенным на величину, равную допуску (по значению), в омах, на сопротивление резистивного нагревательного блока.
Примечание - Нагревательные блоки с защитной системой согласно 5.9.12, но испытанные без защитной системы, могут быть сертифицированы как электрооборудование только в том случае, если во время испытания проводят моделирование рабочих условий. В противном случае нагревательный блок может рассматриваться только как Ex-компонент, и требует дополнительной сертификации электрооборудования, в котором он используется.
Б.4.2.1 Максимальная температура, допускаемая защитной системой
Максимальную температуру, допускаемую защитной системой, определяют при отключении дополнительных регулирующих устройств. Для обеспечения температурной стабильности следует учитывать постоянные времени датчиков температуры.
Б.4.2.2 Защитная система, измеряющая температуру и не менее одного параметра
Максимальную температуру определяют согласно Б.4.2.1 с учетом наиболее неблагоприятных условий, допускаемых устройством(ми) измерения другого(их) параметра(ов).
Б.4.2.3 Защитная система, измеряющая другой параметр, кроме температуры
Максимальную температуру определяют с учетом наиболее неблагоприятных условий, допускаемых устройствами измерения других параметров.
Б.4.3 Резистивный нагревательный блок стабилизированной конструкции
Образец испытывают в самых неблагоприятных условиях, обозначенных изготовителем и признанных таковыми испытательным ведомством. Условия испытания предусматривают нулевой расход или незаполненный трубопровод или резервуар. Испытание проводят после стабилизации выходной тепловой мощности на уровне, который определяется подаваемым напряжением питания, составляющим
% от номинального и уменьшенным на величину, равную допуску (по значению), в омах, на сопротивление резистивного нагревательного блока (см. Б.4.2). Моделируемые рабочие условия могут быть согласованы испытательной организацией с изготовителем.
Б.4.4 Нагревательное устройство, обладающее свойством самоограничения
Если испытуемый образец представляет собой кабель или ленту, то образец длиной 3 - 4 м плотно сворачивают в спираль и помещают вовнутрь оболочки из термоизолирующего материала, способного выдерживать развиваемую температуру.
Оболочка должна быть адиабатной. Для измерения максимальной температуры поверхности испытуемого образца к нему крепят термопары. Затем при начальной температуре образца, равной (20±3)°С, на него подают напряжение, составляющее 110% от номинального. После достижения состояния теплового равновесия следует определить максимальную температуру поверхности испытуемого образца.
Другие типы резистивных нагревательных устройств, которым также присуще свойство самоограничения, следует испытывать аналогично в соответствующей оболочке.
Приложение В
(справочное)
В.1 В данном приложении приведена дополнительная информация для потребителя, помогающая при выборе защитных устройств и, в частности, даются рекомендации по их выбору и применению, отличающиеся от общепринятых промышленных методов или дополняющие их.
В.2 При обслуживании для выполнения требований 4.8.4 можно использовать защитное устройство от перегрузки с обратным отсчетом времени запаздывания (например, стартер для прямого пуска с реле от тепловой перегрузки), но при условии, что защитное устройство отвечает рекомендации В.3.
В.3 Защитное устройство от перегрузки с обратным отсчетом времени запаздывания должно обеспечивать не только контроль тока электродвигателя, но и отключение электродвигателя с заторможенным ротором в течение времени tE.
В распоряжении пользователя должны быть графики зависимости "ток-время" с указанием времени запаздывания срабатывания реле от перегрузки как функции отношения IA/IN. График должен отражать времена запаздывания, начиная со значений времени запаздывания для электродвигателя при температуре окружающей среды 20°С и заканчивая временами запаздывания для не менее чем 3 - 8 отношений IA/IN.
Время отключения электродвигателя от сети защитным устройством не должно отличаться более чем на ±20% от найденного времени запаздывания.
В.4 Для постоянно обслуживаемых электродвигателей, эксплуатирующихся без перегрузок, не часто запускаемых и не нагревающихся, дополнительно приемлема защита от перегрузки с помощью устройства с обратным отсчетом времени запаздывания.
Электродвигатели с жесткими пусковыми условиями и частыми пусками используют только при наличии соответствующих защитных устройств, предотвращающих превышение предельной температуры.
Пусковые условия считают жесткими в том случае, когда защитное устройство от перегрузки с обратным отсчетом времени запаздывания, выбранное согласно В.3, отключает электродвигатель до того, как он достигает номинальной скорости. Как правило, это происходит, если общее время пуска превышает в 1,7 раза время tE.
Приложение Г
(обязательное)
Г.1 Цель
Дополнительной защитой от сверхтока в электротехническом изделии является ограничение эффекта нагрева и исключение возможного дугового пробоя за счет неправильного заземления и токов утечки при заземлении.
Г.2 Метод защиты
Метод защиты зависит от типа системы заземления (см. ГОСТ 30331.2).
а) В системах заземления типов ТТ и TN следует использовать защитное устройство, работающее от остаточного тока и имеющее номинальный остаточный рабочий ток не более 300 мА.
Предпочтение следует отдавать защитным устройствам с номинальным остаточным рабочим током, равным 30 мА. У такого защитного устройства максимальное время отключения от сети не превышает 5 с при номинальном остаточном рабочем токе и не превышает 0,15 с при пятикратном номинальном рабочем токе.
Примечания
1 В типовом случае эта система будет прерывать все незаземленные фазы при токе отключения от сети, равном или больше 30 мА.
2 Дополнительная информация о защитных устройствах, работающих от остаточного тока, приведена в ГОСТ Р МЭК 60755.
б) В системе заземления типа IT устройство контроля изоляции используют для прерывания питания в случае, когда сопротивление изоляции не более 50 Ом/В номинального напряжения.
Приложение Д
(справочное)
Д.1 Общие положения
В большинстве типов электрооборудования источником тепла является четко определенная часть электрооборудования.
В соединениях общего назначения и соединительных коробках основным источником тепла, как правило, являются кабели, подсоединяемые к выводам, а не сами выводы. Этот факт следует учитывать при установлении соответствующего температурного класса соединений общего назначения и соединительных коробок.
Максимальное повышение температуры внутри корпуса такой коробки зависит от двух факторов: повышения температуры отдельных выводов и проводов и общего количества выводов и проводов внутри корпуса, что ведет к повышению температуры в корпусе и температуры отдельных выводов выше допустимой. Из всех выводов, расположенных в корпусе, для иллюстрации выбраны: "наихудший вывод"* (см. 6.7), соответствующий провод с максимальными номинальными характеристиками и наибольшее повышение температуры выше допустимой для конкретного соединения.
Д.2 Метод определения максимальной рассеиваемой мощности
Максимальную номинальную рассеиваемую мощность определяют согласно 6.7 на "наихудшем выводе". Для соответствующего температурного класса корпус может содержать любое, вплоть до максимального количество выводов, допускаемое физическими размерами корпуса, при условии, что не происходит превышения допускаемого предела максимальной рассеиваемой мощности. При этом "наихудший вывод" может входить или не входить в число этих выводов.
Для каждого вывода рассеиваемую мощность рассчитывают по максимальному току, проходящему через него, и по сопротивлению при температуре 20°С для вывода и соответствующего провода или проводов. Предполагается, что длина каждого провода от кабельного ввода до вывода равна половине максимального внутреннего линейного размера корпуса (утроенная длина диагонали корпуса), то есть принимаемая во внимание длина провода от кабельного ввода до вывода составляет половину расстояния от вывода до провода вывода, используемого в 6.7.
Сумма рассеиваемых на отдельных выводах мощностей представляет общую рассеиваемую мощность для данной конфигурации и данных условий цепи. Общая рассеиваемая мощность не должна превышать допускаемый предел максимальной рассеиваемой мощности.
Примечание - Для упрощения расчетов изготовитель должен представить таблицу значений сопротивлений при температуре 20°С для всех выводов и кабелей, используемых внутри корпуса.
Д.3 В качестве альтернативы, максимальную рассеиваемую мощность можно определять для каждого размера вывода по допустимому количеству проводов, сечению провода и по максимальному току. При наличии ряда сочетаний этих величин их удобнее представить в виде таблицы.
_____________
* Наихудший вывод - это вывод, на котором возникает наибольшее увеличение температуры. К этому выводу подсоединяют провода максимального сечения.
Приложение Е
(справочное)
J.H. Dymond, "Stal Time, Acceleration Time, Frequency of Starting: The Myths and the Facts", IEEE Transactions Industrial Applications, IA-29, no.1, pp. 42 - 51, January/February 1993.
J.H. Dymond, "Время остановки, время ускорения, частота пуска: мифы и факты", Труды института инженеров электриков и электронщиков. Промышленное применение, IA-29, N 1, с. 42 - 51, январь/февраль 1993.
J. Bredthauer, N. Struck, "Starting of Large Medium Voltage Motors - Design, Protection, and Safety Aspects" in Conf Rec 1994 41 st Annual Meeting IEEE Ind. Applications Society Petroleum and Chemical Industries Conference, IA-31, pp. 141 - 151, September/October 1995.
J. Bredthauer, N. Struck, "Запуск крупногабаритных электродвигателей со средним напряжением - конструкция, защита и безопасность", Отчет о конференции. 1994, 41 ежегодное совещание. Конференция по нефтяной и химической промышленности института инженеров электриков и электронщиков, IA-31, с. 141 - 151, сентябрь/октябрь 1995.
Приложение Ж
(справочное)
В таблице Ж.1 дано сравнение поперечных сечений медных проводов по американскому проволочному калибру (AWG) с сечениями, установленными международным стандартом ИСО и метрической системой.
|
Сечение по стандарту ИСО, мм2 |
Сечение по калибру, AWG/kcmil |
Эквивалентное сечение в метрической системе, мм2 |
|
0,20 |
24 |
0,205 |
|
- |
22 |
0,324 |
|
0,50 |
20 |
0,519 |
|
0,75 |
18 |
0,820 |
|
1,00 |
- |
- |
|
1,50 |
16 |
1,300 |
|
2,50 |
14 |
2,100 |
|
4,00 |
12 |
3,300 |
|
6,00 |
10 |
5,300 |
|
10,00 |
8 |
8,400 |
|
16,00 |
6 |
13,300 |
|
25,00 |
4 |
21,200 |
|
35,00 |
2 |
33,600 |
|
50,00 |
0 |
53,500 |
|
70,00 |
00 |
67,400 |
|
95,00 |
000 |
85,000 |
|
- |
0000 |
107,200 |
|
120,00 |
250 kcmil |
127,000 |
|
150,00 |
300 kcmil |
152,000 |
|
185,00 |
350 kcmil |
177,000 |
|
240,00 |
500 kcmil |
253,000 |
|
300,00 |
600 kcmil |
304,000 |
|
350,00 |
700 kcmil |
355,000 |
|
380,00 |
750 kcmil |
380,000 |
|
400,00 |
800 kcmil |
405,000 |
|
450,00 |
900 kcmil |
456,000 |
|
500,00 |
1000 kcmil |
507,000 |
|
630,00 |
1250 kcmil |
634,000 |
|
750,00 |
1500 kcmil |
760,000 |
|
890,00 |
1750 kcmil |
887,000 |
|
1000,00 |
2000 kcmil |
1014,000 |
|
Примечание - 1 kcmil = 506,71·10-3 мм2 | ||
Приложение И
(обязательное)
И.1 В готовых изделиях расстояние поверхностного пробоя над изоляцией между неизолированными компонентами и металлической оболочкой должно быть не менее 6 мм. Контактный штырь и металлическая корпус должны быть покрыты никелем или соответствующим образом защищены от коррозии. Верхняя часть запаянного штыря должна быть полукруглой.
И.2 На рисунке И.1 и в таблице И.1 приведены размеры важные для взаимозаменяемости одноштырьковых патронов люминесцентных ламп типа Fa6.

1 - изоляционный материал (вид произвольный); 2 - полированная поверхность для припаивания
"Рисунок И.1 - Одноштырьковый патрон типа Fa6"
|
Обозначение размера |
Значения размеров, мм | |
|
Мин. |
Макс. | |
|
Е F F1 (с припоем) |
5,92 17,50 - |
6,00 18,00 18,50 |
|
G |
14,5 | |
|
Примечания 1 Размер G устанавливает минимальную длину, на которой выдерживается размер Е. 2 Все размеры, кроме максимальных размеров F и G, проверяют калибром | ||
____________
* Извлечение из дополнения 12 (IEC 61-1М-89) к стандарту IEC 61-1-69 "Цоколи и патроны ламп со средствами контроля взаимозаменяемости и безопасности. Часть 1. Цоколи ламп".
Приложение К
(обязательное)
К.1 Категории перенапряжения и выбор допустимого импульсного напряжения
К.1.1 Установленные категории устойчивости к импульсному напряжению (категории перенапряжения) позволяют определить, будет ли электрооборудование иметь ожидаемый срок службы, а также прогнозировать степень риска выхода его из строя.
Выбирая требуемый уровень устойчивости к импульсному напряжению, можно согласовать принципы изоляции всей установки, снизив этим риск выхода электрооборудования из строя и создав основу для контроля за перенапряжением.
Более высокая категория устойчивости к импульсному напряжению соответствует более высокой прочности электрооборудования и расширяет возможности контроля перенапряжения.
К.1.2 Выбор электрооборудования следует проводить таким образом, чтобы устойчивость к номинальному импульсному напряжению была бы не меньше требуемой. Требования к электрооборудованию по устойчивости к номинальному импульсному напряжению даны в таблице К.1.
Примечание - Устойчивость к номинальному импульсному напряжению определяется изготовителем для электрооборудования или его части и характеризует специфическую устойчивость изоляции к перенапряжению.
К.1.3 К категории III по перенапряжению относят электрооборудование стационарной установки, к которому предъявляют особые требования по надежности и доступности.
К.1.4 Оборудование категории III по устойчивости к импульсному напряжению может являться частью стационарных электроустановок или другого оборудования широкого применения.
Примечание - Примеры такого электрооборудования: распределительные платы, прерыватели цепи, системы проводки, в том числе кабели, шины, соединительные коробки, переключатели, выходные гнезда, устанавливаемые стационарно, а также электрооборудование промышленного назначения и некоторое другое электрооборудование, в частности, стационарные электродвигатели с неразъемными соединениями.
|
Номинальное напряжение системы питания, В* |
Напряжение между линией и нейтралью, определяемое по номинальному напряжению переменного или постоянного тока, В (вплоть до указанных значений и включая их) |
Номинальное импульсное напряжение, кВ** | ||||
|
Категории перенапряжения | ||||||
|
Трехфазная сеть |
Однофазная сеть |
I |
II |
III |
IV | |
|
- |
- |
50 |
0,33 |
0,5 |
0,8 |
1,5 |
|
- |
- |
100 |
0,50 |
0,8 |
1,5 |
2,5 |
|
- |
120 - 240 |
150 |
0,80 |
1,5 |
2,5 |
4,0 |
|
230/400 277/480 |
- |
300 |
1,50 |
2,5 |
4,0 |
6,0 |
|
400/690 |
- |
600 |
2,50 |
4,0 |
6,0 |
8,0 |
|
1000 |
- |
1000 |
4,00 |
6,0 |
8,0 |
12,0 |
|
* Знак "/" (косая черта) показывает, что применена четырехпроводная (с нулевым проводом) трехфазная распределительная система. Меньшее значение соответствует напряжению между линейным и нулевым проводами (фазное напряжение). Большее значение представляет собой линейное напряжение. Если представлено только одно значение, то оно соответствует линейному напряжению для трехпроводной трехфазной системы. ** Электрооборудование с указанным номинальным импульсным напряжением используют согласно настоящему приложению. | ||||||
___________
* К.1.1, К.1.2 и К.1.4 соответствуют IEC 60364-4-443-95 "Электроустановки зданий. Часть 4. Защита безопасности. Глава 44. Защита от перенапряжений. Раздел 443. Защита от атмосферных источников перенапряжений или перенапряжений, возникающих от переключателей". К.1.3 и таблица К.1 соответствуют IEC 60 644-1-92 "Координация изоляции внутри систем низкого напряжения. Часть 1. Принципы, требования, испытания".
Приложение Л
(справочное)
Л.1 Аутентичный текст пунктов (абзацев) проекта стандарта IEC 60079-7 (31/284/CD), уточненных в тексте настоящего стандарта, приведен в таблице Л.1
Таблица Л.1
|
Номера пунктов |
Аутентичный текст IEC 60079-7 (31/284/CD) | |
|
Настоящего стандарта |
IEC 60079-7 (31/284/CD) | |
|
3.11. Рабочее напряжение Информация в скобках исключена |
3.11 |
Рабочее напряжение (идентично 3.7 IEC 60664-1) |
|
3.12.4. Ссылка в скобках на IEC 60050 исключена |
3.12.4 |
[IEC 60050 (486)-01-18] |
|
3.12.5. Ссылка в скобках на IEC 60050 исключена |
3.12.5 |
[IEC 60050 (486)-01-20/1] |
|
3.12.6. Примечание 2 исключено |
3.12.6 |
Примечание 2. Вышеприведенное определение взято из EN 50020. Оно отличается от определения IEC 60050 (486)-01-20/1 тем, что распространяется или на элемент, или на батарею |
|
3.12.14. Ссылка в скобках на IEC 60050 исключена |
3.12.4 |
[IEC 60050 (486)-02-20] |
|
4.4. Из примечания 1 в таблице 1 исключены ссылки на IEC 60664-1 |
4.4, таблица 1 |
Примечание 1. Представленные напряжения взяты из IEC 60664-1-92 |
|
4.4. Примечания к подпункту с ссылкой на IEC 60664-1 исключены |
4.4, примечания |
Эти примеры идентичны приведенным в IEC 60664-1-92 |
|
4.5.1. Примечание 1 исключено |
4.5.1 |
Примечание 1. Группы материалов идентичны приведенным в IEC 60664-1:1992 |
|
4.5.1. В примечании 2 ссылка в скобках на IEC 60664-1 исключена |
4.5.1 |
Примечание 2. (дополнительную информацию см. IEC 60664-1:1992). |
|
4.5.1. Заменить значение 1140 В |
4.5.1 |
... 1100 В |
|
4.7.12. Подпункты: а), б), в) изложены в новой редакции |
4.7.12 |
а) сортамента 1 согласно IEC 60317; 60317-7 или 60317-8 при условии, что: - испытание согласно раздела 13 IEC 60317-3, 60317-7 или 60317-8 не должно обнаружить неисправности при минимальном напряжении пробоя, предусмотренном для сортамента 2, и - испытание согласно раздела 14 IEC 60317-3, 60317-7 или 60317-8 должно обнаружить не более шести неисправностей на длине 30 м провода независимо от диаметра последнего, или б) сортамента 2 согласно IEC 60317-3, или IEC 60317-7, или IEC 60317-13 или в) сортамента 3 согласно IEC 60317-3, 60317-7, 60317-8 или 60317-13 |
|
5.3.7.5. Подпункт а) изложен в новой редакции |
5.3.7.5 |
а) он должен соответствовать требованиям IEC 60947-1 и IEC 60664-1 |
|
5.7.2.1. Из примечания исключена ссылка на IEC 62013 |
5.7.2.1 |
Примечание - Шахтерские каски описаны в IEC 62013 "Фонари для касок, используемых при работе с рудничным газом" |
|
6.9. Примечание в таблице 12 исключено |
6.9 |
Примечание - Указанные значения взяты из IEC 60999 и IEC 60947-0 |
Библиография
|
[1] |
EN 594-1:1997 |
Безопасность оборудования. Элементы безопасности систем управления. Часть 1. Общие принципы конструкции |
|
[2] |
МЭК 62086-1 (31/292/CDV)-99 |
Electrical apparatus for explosive gas atmospheres. Electrical resistance trace heating. Part 1. General and testing requirements (Электрический резистивный нагрев в потенциально взрывоопасной атмосфере. Часть 1. Общие требования) |
|
[3] |
МЭК 60044-6:1992 |
Instrument transformers - Part 6: requirements for protective current transformers for transient performance (Измерительные трансформаторы. Часть 6. Требования к трансформаторам измерения защитного тока при переходных характеристиках) |
|
[4] |
ГОСТ Р МЭК 86-1-96 |
Батареи первичные. Часть 1. Общие положения |













