ГОСТ Р 58841.4-2020 ОБОРУДОВАНИЕ СОРБЦИОННОЕ ГАЗОВОЕ ДЛЯ ОБОГРЕВА И/ИЛИ ОХЛАЖДЕНИЯ С НОМИНАЛЬНОЙ ТЕПЛОВОЙ МОЩНОСТЬЮ НЕ БОЛЕЕ 70 кВт. Часть 4. МЕТОДЫ ИСПЫТАНИЙ
Gas-fired sorption appliances for heating and/or cooling with a net heat input not exceeding 70 kW. Part 4. Test methods
ОКС 27.080
91.140.30
Дата введения - 1 марта 2021 г.
Введен впервые
Предисловие
1 Подготовлен Федеральным государственным унитарным предприятием "Российский научно-технический центр информации по стандартизации, метрологии и оценке соответствия" (ФГУП "СТАНДАРТИНФОРМ") на основе собственного перевода на русский язык немецкоязычной версии стандарта, указанного в пункте 4
2 Внесен Техническим комитетом по стандартизации ТК 61 "Вентиляция и кондиционирование"
3 Утвержден и введен в действие Приказом Федерального агентства по техническому регулированию и метрологии от 23 июля 2020 г. N 399-ст
4 Настоящий стандарт является модифицированным по отношению к стандарту ДИН ЕН 12309-4:2015 "Оборудование сорбционное газовое для обогрева и/или охлаждения с номинальной тепловой мощностью не более 70 кВт. Часть 4. Методы испытаний" (DIN EN 12309-4:2015 "Gasbefeuerte Sorptions-Geräte für Heizung und/oder Kühlung mit einer Nennwärmebelastung nicht über 70 kW - Teil 4: Prüfνerfahren", MOD) путем изменения отдельных фраз (слов, ссылок), которые выделены в тексте курсивом.
Сведения о соответствии ссылочных национальных и межгосударственных стандартов стандартам, использованным в качестве ссылочных в примененном стандарте, приведены в дополнительном приложении ДА
5 Введен впервые
Введение
Настоящий стандарт входит в серию стандартов "Оборудование сорбционное газовое для обогрева и/или охлаждения с номинальной тепловой мощностью не более 70 кВт", состоящую из следующих частей:
- часть 1. Термины и определения;
- часть 2. Безопасность;
- часть 3. Условия испытаний;
- часть 4. Методы испытаний;
- часть 5. Требования;
- часть 6. Расчет сезонных характеристик;
- часть 7. Специальные требования к гибридным приборам.
Настоящий стандарт распространяется на следующие приборы или их комбинации:
- газовый сорбционный чиллер;
- газовый сорбционный чиллер/нагреватель;
- газовый сорбционный тепловой насос.
Настоящий стандарт предназначен для применения приборов для обогрева и охлаждения помещений. При этом приборы для охлаждения могут быть с рекуперацией тепла или без нее.
Настоящий стандарт предназначен для применения приборов, имеющих систему удаления продуктов сгорания типов В и С (см. [1]), а также приборов, предназначенных для наружной установки. Настоящий стандарт не распространяется на кондиционеры, он предназначен для применения приборов, имеющих исключительно:
- встроенные горелки с системой автоматического управления;
- замкнутые охлаждающие контуры, в которых хладагент не вступает в прямой контакт с охлаждаемыми (нагреваемыми) водой или воздухом;
- механические устройства для перемещения воздуха для горения и/или удаления продуктов сгорания.
Настоящий стандарт распространяется на вышеуказанные приборы, имеющие одну или несколько основных или вторичных функций (т.е. рекуперацию тепла, см. термины и определения в ГОСТ Р 58841.1-2020, раздел 3).
В случае агрегатированных блоков (состоящих из нескольких частей) настоящий стандарт применяют только к приборам, которые разработаны и поставляются в виде комплектной установки.
Приборы с охлаждением конденсатора с помощью воздуха и испарения поступающей дополнительной воды в настоящем стандарте не рассматриваются.
Установки, используемые для нагрева и/или охлаждения промышленных производственных процессов, в настоящем стандарте не рассматриваются.
Настоящий стандарт устанавливает методы испытаний газовых сорбционных приборов, работающих на одновалентном газе, для обогрева и/или охлаждения с суммарной потребляемой мощностью не более 70 кВт.
Настоящий стандарт рассматривает, в частности, протоколы испытаний и инструменты для расчета мощности, эффективности использования газа и потребляемой электрической мощности прибора. Эти данные могут быть использованы, в частности, для расчета сезонной эффективности работы прибора.
В настоящем стандарте использованы нормативные ссылки на следующие стандарты:
ГОСТ 34316.2-2-2017 (EN 15502-2-2:2014) Котлы газовые центрального отопления. Часть 2-2. Специальный стандарт для приборов типа В1
ГОСТ Р 58841.1-2020 Оборудование сорбционное газовое для обогрева и/или охлаждения с номинальной тепловой мощностью не более 70 кВт. Часть 1. Термины и определения
ГОСТ Р 58841.2-2020 Оборудование сорбционное газовое для обогрева и/или охлаждения с номинальной тепловой мощностью не более 70 кВт. Часть 2. Безопасность
ГОСТ Р 58841.3 Оборудование сорбционное газовое для обогрева и/или охлаждения с номинальной тепловой мощностью не более 70 кВт. Часть 3. Условия испытаний
ГОСТ Р 58841.7 Оборудование сорбционное газовое для обогрева и/или охлаждения с номинальной тепловой мощностью не более 70 кВт. Часть 7. Специальные требования к гибридным приборам
Примечание - При пользовании настоящим стандартом целесообразно проверить действие ссылочных стандартов в информационной системе общего пользования - на официальном сайте Федерального агентства по техническому регулированию и метрологии в сети Интернет или по ежегодному информационному указателю "Национальные стандарты", который опубликован по состоянию на 1 января текущего года, и по выпускам ежемесячного информационного указателя "Национальные стандарты" за текущий год. Если заменен ссылочный стандарт, на который дана недатированная ссылка, то рекомендуется использовать действующую версию этого стандарта с учетом всех внесенных в данную версию изменений. Если заменен ссылочный стандарт, на который дана датированная ссылка, то рекомендуется использовать версию этого документа с указанным выше годом утверждения (принятия). Если после утверждения настоящего стандарта в ссылочный стандарт, на который дана датированная ссылка, внесено изменение, затрагивающее положение, на которое дана ссылка, то это положение рекомендуется применять без учета данного изменения. Если ссылочный стандарт отменен без замены, то положение, в котором дана ссылка на него, рекомендуется применять в части, не затрагивающей эту ссылку.
В настоящем стандарте применены термины по ГОСТ Р 58841.1.
При испытаниях на полную мощность или на пониженную мощность допускается применять стационарный, переходный или циклический режимы.
Уровень звуковой мощности измеряется в стандартных условиях оценки, приведенных в ГОСТ Р 58841.3 для одновалентных и в ГОСТ Р 58841.7 для гибридов и бивалентных приборов с соответствующими методами испытаний (см. [2]), которые предназначены для определения уровня звуковой мощности приборов, подпадающих под действие настоящего стандарта и других стандартов серии ГОСТ Р 58841.
4.2.1 Теплопроизводительность
4.2.1.1 Общие положения
Теплопроизводительность чиллера/нагревателя или тепловых насосов типа "воздух - вода (рассол)", "вода (рассол) - вода (рассол)" определяют в соответствии с прямым методом на водяном или рассольном(ых) [внутреннем(их)] теплообменнике(ах) путем определения объемного или массового расхода теплоносителя, а также температуры на входе и выходе с учетом удельной теплоемкости и плотности или изменения энтальпии теплоносителя (см. 4.2.1.2 - 4.2.1.4).
4.2.1.2 Измерение тепловой мощности
Измеренную тепловую мощность Qh, кВт, вычисляют по формуле
,
(1)
где j - номер сканирования;
n - количество сканирований за период;
Vmj - объемный расход теплоносителя при рассматриваемом сканировании, м3/с;
δj - плотность теплоносителя при температуре расходомера на рассматриваемом сканировании, кг/м3;
Cpj - удельная теплоемкость теплоносителя при постоянном давлении при средней температуре теплоносителя на рассматриваемом сканировании, кДж/кг·°С;
Δtj - разность между входной и выходной температурами теплоносителя при рассматриваемом сканировании, °С.
Примечания
1 Массовый расход может быть определен непосредственно вместо произведения величин (Vmj·δj).
2 Изменение энтальпии ΔHj может быть определено непосредственно вместо произведения величин (Cpj·Δtj).
4.2.1.3 Эффективная тепловая мощность
Эффективная тепловая мощность - это измеренная тепловая мощность, скорректированная на тепло от насоса(ов):
а) если насос(ы) является (являются) неотъемлемой частью прибора, то поправка на мощность, вызванная насосом(ами) Сpump, рассчитанная в соответствии с 4.2.5.4.2, которая исключается из общей потребляемой электрической мощности, также вычитается из тепловой мощности (поправка отрицательная);
б) если насос(ы) не является(ются) неотъемлемой частью прибора, то поправка на мощность, вызванная насосом(ами) Сpump, рассчитанная в соответствии с 4.2.5.4.3, которая добавляется к общей потребляемой электрической мощности, также должна быть добавлена к тепловой мощности (поправка положительная).
Эффективную тепловую мощность QEh, кВт, вычисляют по формуле
QEh = Qh + Cpump,
(2)
где Qh - измеренная тепловая мощность, кВт;
Сpump - поправка на мощность, вызванная насосом(ами) обеспечивающим(и) циркуляцию теплоносителя через внутренний теплообменник, кВт.
4.2.1.4 Расчетная и номинальная тепловая мощность
Расчетную тепловую мощность при полной нагрузке QRh, кВт, вычисляют по формуле
,
(3)
где Qh - измеренная тепловая мощность, кВт;
Qgrh - расчетная подводимая мощность обогрева, кВт;
Qgmh - измеренная подводимая тепловая мощность, кВт;
Сpump - поправка на мощность, вызванная насосом(ами), обеспечивающим(и) циркуляцию теплоносителя через внутренний теплообменник, кВт.
Примечание - Расчетная потребляемая мощность обогрева и расчетная потребляемая мощность охлаждения могут быть равны.
Номинальную тепловую мощность (при полной нагрузке) QNh, кВт, вычисляют по формуле
,
(4)
где Qh - измеренная тепловая мощность, кВт;
QgNh - номинальная тепловая мощность обогрева, кВт;
Qgmh - измеренная подводимая тепловая мощность, кВт;
Сpump - поправка на мощность, вызванная насосом(ами), обеспечивающим(и) циркуляцию теплоносителя через внутренний теплообменник, кВт.
Примечание - Для получения более подробной информации о корректировке производительности за счет насоса(ов), обеспечивающего(их) циркуляцию теплоносителя через внутренний теплообменник, см. 4.2.1.3.
4.2.2 Холодопроизводительность
4.2.2.1 Общие положения
Холодопроизводительность реверсивных тепловых насосов, чиллеров и чиллеров/нагревателей типа "воздух - вода (рассол)", "вода (рассол) - вода (рассол)" определяют в соответствии с прямым методом на внутреннем(их) теплообменнике(ах) воды или рассола путем определения объемного или массового расхода теплоносителя, а также температуры на входе и выходе с учетом удельной теплоемкости и плотности или изменения энтальпии теплоносителя (см. 4.2.2.2 - 4.2.2.4).
4.2.2.2 Измерение мощности охлаждения
Измеренную мощность охлаждения Qc, кВт, вычисляют по формуле
,
(5)
где j - номер сканирования;
n - количество сканирований за период;
Vmj - объемный расход теплоносителя при рассматриваемом сканировании, м3/с;
δj - плотность теплоносителя при температуре расходомера на рассматриваемом сканировании, кг/м3;
Сpj - удельная теплоемкость теплоносителя при постоянном давлении при средней температуре теплоносителя на рассматриваемом сканировании, кДж/кг·°С;
Δtj - разность между входной и выходной температурами теплоносителя при рассматриваемом сканировании, °С.
Примечания
1 Массовый расход может быть определен непосредственно вместо произведения величин (Vmj·δj).
2 Изменение энтальпии ΔHj может быть определено непосредственно вместо произведения величин (Cpj·Δtj).
4.2.2.3 Эффективная мощность охлаждения
Эффективная мощность охлаждения - это измеренная мощность охлаждения, скорректированная на тепло от насоса(ов):
a) если насос(ы) является (являются) неотъемлемой частью устройства, то к охлаждающей способности добавляется поправка на мощность, вызванная насосом(ами) Сpump, рассчитанная в соответствии с 4.2.5.4.2, которая исключается из общей потребляемой электрической мощности (поправка положительная);
b) если насос(ы) не является (не являются) неотъемлемой частью прибора, то поправка на мощность, вызванная насосом(ами) Сpump, рассчитанная в соответствии с 4.2.5.4.3, которая добавляется к общей потребляемой электрической мощности, вычитается из мощности охлаждения (поправка отрицательная).
Эффективную мощность охлаждения QEc, кВт, вычисляют по формуле
QEc = Qc + Cpump,
(6)
где Qc - измеренная мощность охлаждения, кВт;
Сpump - поправка на мощность, вызванная насосом(ами), обеспечивающим(и) циркуляцию теплоносителя через внутренний теплообменник, кВт.
4.2.2.4 Расчетная и номинальная мощность охлаждения
Расчетную мощность охлаждения (при полной нагрузке) QRc, кВт, вычисляют по формуле
,
(7)
где Qc - измеренная мощность охлаждения, кВт;
Qgrc - расчетная подводимая мощность охлаждения, кВт;
Qgmc - измеренная подводимая мощность охлаждения, кВт;
Сpump - поправка на мощность, вызванная насосом(ами), обеспечивающим(и) циркуляцию теплоносителя через внутренний теплообменник, кВт.
Примечания
1 Расчетная мощность обогрева и расчетная мощность охлаждения могут быть равны.
2 Номинальная мощность обогрева и номинальная мощность охлаждения могут быть равны.
Номинальную мощность охлаждения (при полной нагрузке) QNc, кВт, вычисляют по формуле
,
(8)
где Qc - измеренная мощность охлаждения, кВт;
QgNc - номинальная потребляемая мощность охлаждения, кВт;
Qgmc - измеренная подводимая мощность охлаждения, кВт;
Сpump - поправка на мощность, вызванная насосом(ами), обеспечивающим(и) циркуляцию теплоносителя через внутренний теплообменник, кВт.
Примечание - Для получения более подробной информации о корректировке производительности за счет насоса(ов), обеспечивающего(их) циркуляцию теплоносителя через внутренний теплообменник, см. 4.2.2.3.
4.2.3 Мощность рекуперации тепла
4.2.3.1 Общие положения
Рекуперативная способность чиллеров или чиллеров/нагревателей типа "воздух - вода (рассола)" и "вода - вода (рассол) - вода (рассол)" определяют в соответствии с прямым методом на теплообменнике(ах) рекуперации тепла воды или рассола путем определения объемного или массового расхода теплоносителя, а также температуры на входе и выходе с учетом удельной теплоемкости и плотности или изменения энтальпии теплоносителя (см. 4.2.3.2 - 4.2.3.4).
4.2.3.2 Измеренная мощность рекуперации тепла
Измеренную мощность рекуперации тепла Qhr, кВт, вычисляют по формуле
,
(9)
где j - номер сканирования;
n - количество сканирований за период;
Vmj - объемный расход теплоносителя при рассматриваемом сканировании, м3/с;
δj - плотность теплоносителя при температуре расходомера на рассматриваемом сканировании, кг/м3;
Cpj - удельная теплоемкость теплоносителя при постоянном давлении при средней температуре теплоносителя на рассматриваемом сканировании, кДж/кг·°С;
Δtj - разность между входной и выходной температурами теплоносителя при рассматриваемом сканировании, °С.
Примечания
1 Массовый расход может быть определен непосредственно вместо произведения величин (Vmj·δj).
2 Изменение энтальпии ΔHj может быть определено непосредственно вместо произведения величин (Cpj·Δtj).
4.2.3.3 Эффективная мощность рекуперации тепла
Эффективная мощность рекуперации тепла - это измеренная мощность рекуперации тепла, скорректированная на тепло от насоса(ов):
a) если насос(ы) является (являются) неотъемлемой частью прибора, то поправка на мощность, вызванная насосом(ами) Сpump, рассчитанная в соответствии с 4.2.5.4.2, которая исключается из общей потребляемой электрической мощности, также вычитается из мощности рекуперации тепла (поправка отрицательная);
b) если насос(ы) не является (не являются) неотъемлемой частью прибора, то поправка на мощность, вызванная насосом(ами) Сpump, рассчитанная в соответствии с 4.2.5.4.3, которая добавляется к общей потребляемой электрической мощности, должна быть также добавлена к мощности рекуперации тепла (поправка положительная).
Эффективную мощность рекуперации тепла QEhr, кВт, вычисляют по формуле
QEhr = Qhr + Cpump,
(10)
где Qhr - измеренная мощность рекуперации тепла, кВт;
Сpump - поправка на мощность, вызванная насосом(ами), обеспечивающим(и) циркуляцию теплоносителя через внутренний теплообменник, кВт.
4.2.3.4 Расчетная и номинальная мощность рекуперации тепла
Расчетную мощность рекуперации тепла QRhr, кВт, вычисляют по формуле
,
(11)
где Qhr - измеренная мощность рекуперации тепла, кВт;
Qgrhr - расчетная подводимая мощность рекуперации тепла, кВт;
Qgmhr - измеренная подводимая мощность рекуперации тепла, кВт;
Сpump - поправка на мощность, вызванная насосом(ами), обеспечивающим(и) циркуляцию теплоносителя через внутренний теплообменник, кВт.
Примечание - Расчетная потребляемая мощность рекуперации тепла равна расчетной потребляемой мощности охлаждения.
Номинальную мощность рекуперации тепла QNhr, кВт, являющуюся номинальной мощностью охлаждения (при полной нагрузке), вычисляют по формуле
,
(12)
где Qhr - измеренная мощность рекуперации тепла, кВт;
QgNhr - номинальная мощность рекуперации тепла, кВт;
Qgmhr - измеренная подводимая мощность рекуперации тепла, кВт;
Сpump - поправка на мощность, вызванная насосом(ами), обеспечивающим(ими) циркуляцию теплоносителя через внутренний теплообменник, кВт.
Примечания
1 Как правило, номинальная мощность рекуперации тепла - это номинальная мощность охлаждения.
2 Для получения более подробной информации о корректировке производительности за счет насоса(ов), обеспечивающего(их) циркуляцию теплоносителя через внутренний теплообменник, см. 4.2.2.3.
4.2.4 Подвод тепла
4.2.4.1 Общие условия эксплуатации газовой части прибора
Испытания проводят с использованием соответствующего эталонного(ых) газа(ов) для категории, к которой относится прибор, подаваемого(ых) при соответствующем нормальном давлении (см. [3]).
Перед проведением любых испытаний тепловую мощность горелки (горелок) на полную мощность регулируют, если это необходимо, так, чтобы она находилась в пределах ± 5 % номинальной тепловой мощности. Номинальную тепловую мощность определяют при работе прибора в соответствующих стандартных рабочих условиях, указанных в ГОСТ Р 58841.3.
4.2.4.2 Измерение тепловыделений в условиях испытаний
Прибор устанавливают по ГОСТ Р 58841.2-2020, пункт 7.1.6, и регулируют по 4.2.4.1, затем приводят в действие при вводе тепла системой управления прибора. Измерение тепловыделений проводят при достижении теплового равновесия в конкретных условиях испытаний.
Примечание - Расчетную и номинальную тепловую мощность нагрева, охлаждения или рекуперации тепла определяют в соответствии с методом, приведенным в ГОСТ Р 58841.2, при этом измеренную тепловую мощность, достигаемую в конкретных условиях испытаний, определяют способом, описанным ниже [см. формулы (13) и (14)].
Тепловыделение в условиях испытаний Qgm, кВт, вычисляют по формуле
;
(13)
или
,
(14)
где j - номер сканирования;
n - количество сканирований за период;
HiM(T)j - чистая теплотворная способность испытательного газа при рассматриваемом сканировании, м3/с;
HiV(T)j - чистая теплотворная способность исследуемого газа при рассматриваемом сканировании, МДж/м3 (сухой газ, 15 °С, 101,325 кПа);
MCj - массовый расход сухого испытательного газа при рассматриваемом сканировании, кг/м3;
VCj - объемный расход сухого испытательного газа, скорректированного до 101,325 кПа и 15 °С при рассматриваемом сканировании, м3/ч, вычисляемый по формуле
,
(15)
где Vmj - измеренный расход газа при рассматриваемом сканировании, м3/ч;
Paj - атмосферное давление при рассматриваемом сканировании, Па;
Рj - статическое давление газа на газовом счетчике при рассматриваемом сканировании, Па;
Pwj - давление насыщенного (водяного) пара в газе, используемом при рассматриваемом сканировании, Па;
tgj - температура газа на газовом счетчике при рассматриваемом сканировании, °С.
Примечания
1 Статическое давление газа в газовом счетчике может отличаться от статического давления газа в приборе.
2 Рwj покрывает использование счетчиков влажного газа (равно нулю, если используется счетчик сухого газа).
3 Альтернативное выражение затрат тепла: использование валовой теплотворной способности становится все более распространенным. Альтернативный расчет и публикация тепловых затрат Qg на основе высшей теплотворной способности газа (GCV) допускаются только в том случае, если эта ссылка явно указана рядом со значением.
Пример - Qg: 23 кВmGCV.
В других случаях теплопередачу Qg всегда следует принимать как основанную на низшей теплотворной способности газа (NCV) согласно 4.2.4.2.
4.2.5 Потребляемая электрическая мощность
4.2.5.1 Общие условия эксплуатации электрической части прибора
Испытания проводят при номинальном напряжении.
"Глобальная" коррекция потребляемой электрической мощности зависит от конструкции каждого прибора. Его "глобальное" исправление представляет собой сумму соответствующих индивидуальных исправлений (см. приложение В).
4.2.5.2 Эффективная потребляемая электрическая мощность
Эффективную потребляемую электрическую мощность РЕ, кВт, вычисляют по формуле
,
(16)
где j - номер сканирования;
n - количество сканирований за период;
PTj - измеренная (суммарная) потребляемая электрическая мощность при рассматриваемом сканировании, кВт;
Сpump - корректировка мощности за счет насоса(ов), обеспечивающего(их) циркуляцию теплоносителя через внутренний теплообменник и/или рекуператор тепла, кВт;
Coutdoor - коррекция потребляемой электрической мощности за счет вентилятора(ов) или насоса(ов), обеспечивающих циркуляцию теплоносителя через наружный теплообменник, кВт.
4.2.5.3 Входная электрическая мощность вентиляторов
4.2.5.3.1 Общие положения
Для вентилятора(ов), обеспечивающего(их) подачу воздуха в наружный теплообменник, в соответствующих случаях должна быть сделана следующая корректировка потребляемой электрической мощности вентилятора(ов).
4.2.5.3.2 Входная электрическая мощность вентилятора(ов) для приборов без подключения воздуховодов
В случае приборов, которые не предназначены для подключения воздуховодов, т.е. не допускают перепадов внешнего давления, и которые оснащены встроенным вентилятором(ами), электрическая мощность, поглощаемая вентилятором(ами), включается в эффективную электрическую мощность, поглощаемую прибором (без коррекции).
4.2.5.3.3 Входная электрическая мощность вентилятора(ов) для приборов с подключением воздуховодов
4.2.5.3.3.1 Если вентилятор(ы) является (являются) неотъемлемой частью прибора, то в эффективную электрическую мощность, поглощаемую прибором, должна включаться только часть электрической мощности, потребляемой двигателем(ями) вентилятора(ов). Часть, которая должна быть исключена (вычтена) из общей электрической мощности, поглощаемой прибором.
Электрическая коррекция за счет вентилятора(ов) Coutdoor, кВт, вычисляют по формуле
,
(17)
где η - целевое значение η (см. [4]) для вентиляторов, приводимых в движение двигателями мощностью от 125 Вт до 500 кВт; равно 0,3 условно для вентиляторов, приводимых в действие двигателями мощностью менее 125 Вт;
ΔPe - измеренная разность внешних статических давлений, Па;
q - измеренный расход воздуха при стандартных условиях эксплуатации, м3/с.
4.2.5.3.3.2 Если устройство не оснащено вентилятором, то часть потребляемой электрической мощности должна быть включена в эффективную электрическую мощность, поглощаемую устройством.
Электрическую коррекцию за счет вентилятора(ов) Coutdoor, кВт, вычисляют по формуле
,
(18)
где η - целевое значение η (см. [4]) для вентиляторов, приводимых в движение двигателями мощностью от 125 Вт до 500 кВт; равно 0,3 условно для вентиляторов, приводимых в действие двигателями мощностью менее 125 Вт;
ΔPi - измеренная разность внешних статических давлений, Па;
q - измеренный расход воздуха при стандартных условиях эксплуатации, м3/с.
4.2.5.4 Потребляемая электрическая мощность насосов
4.2.5.4.1 Общие положения
Корректировку потребляемой электрической мощности насоса(ов) следует проводить как для насоса, ответственного за циркуляцию теплоносителя через внутренний теплообменник Сpump, так и для циркуляции теплоносителя через наружный теплообменник Coutdoor, где это применимо. Если насос встроен, он должен быть подключен для работы; если насос поставляется отдельно, он должен быть подключен для работы в соответствии с инструкциями прибора и рассматриваться как неотъемлемая его часть.
4.2.5.4.2 Потребляемая электрическая мощность для приборов, имеющих по меньшей мере один внутренний насос
Если насос(ы) является (являются) неотъемлемой частью устройства, то в эффективную электрическую мощность, поглощаемую устройством, должна включаться только часть электрической мощности, подаваемой на двигатель(и) насоса(ов). Часть, которая должна быть исключена (вычтена) из общей электрической мощности, поглощаемой прибором, вычисляют в зависимости от электрической поправки, вызванной насосом(ами), обеспечивающим(и) циркуляцию теплоносителя через внутренний теплообменник Сpump, кВт, или электрической поправки, вызванной насосом(ами), обеспечивающим(и) циркуляцию теплоносителя через наружный теплообменник Coutdoor, кВт, по формуле (поправка отрицательная)
Cpump или
,
(19)
где η - КПД насоса (рассчитывают согласно приложению А), кВт/кВт;
ΔPe - измеренная разность внешних статических давлений, Па;
q - измеренный расход воды, м3/с.
Если насос имеет отрицательное внешнее статическое давление из-за несоответствия с устройством, то поправку рассчитывают в соответствии с 4.2.5.4.3.
4.2.5.4.3 Потребляемая электрическая мощность для приборов без внутреннего насоса
Если насос не снабжен устройством, то часть потребляемой электрической мощности, которая должна быть включена в эффективную электрическую мощность, поглощаемую устройством, в зависимости от электрической поправки, вызванной насосом(ами), обеспечивающим(и) циркуляцию теплоносителя через внутренний теплообменник Сpump, кВт, или электрической поправки, вызванной насосом(ами), обеспечивающим(и) циркуляцию теплоносителя через наружный теплообменник Coutdoor, кВт, вычисляют по формуле (поправка положительная)
Cpump или
,
(20)
где η - КПД насоса (рассчитывают согласно приложению А), кВт/кВт;
ΔPi - измеренная внутренняя разность статических давлений, Па;
q - измеренный расход воды, м3/с.
4.2.5.4.4 Особые случаи
Для приборов, специально предназначенных для работы в распределительной сети отопления/охлаждения воды без водяного насоса, не требуется вносить коррективы в потребляемую электрическую мощность.
4.2.6 Эффективность использования газа
4.2.6.1 Режим обогрева
Эффективность использования газа в режиме обогрева GUEh, кВт/кВт, вычисляют по формуле
,
(21)
где QEh - эффективная тепловая мощность, кВт;
Qgmh - измеренная тепловая мощность нагрева, кВт.
4.2.6.2 Режим охлаждения
Эффективность использования газа в режиме охлаждения GUEc, кВт/кВт, вычисляют по формуле
,
(22)
где QEc - эффективная мощность охлаждения, кВт;
Qgmc - измеренная мощность охлаждения, кВт.
4.2.7 Коэффициент вспомогательной энергии
4.2.7.1 Режим обогрева
Коэффициент вспомогательной энергии в режиме обогрева AEFh, кВт/кВт, вычисляют по формуле
,
(23)
где QEh - эффективная тепловая мощность, кВт;
PEh - эффективная потребляемая электрическая мощность нагрева, кВт.
4.2.7.2 Режим охлаждения
Коэффициент вспомогательной энергии в режиме охлаждения AEFc, кВт/кВт, вычисляют по формуле
,
(24)
где QEc - эффективная мощность охлаждения, кВт;
РЕс - эффективная потребляемая электрическая мощность охлаждения, кВт.
4.3.1 Конструкция испытательного устройства
4.3.1.1 Общие требования
Испытательное устройство должно быть сконструировано таким образом, чтобы можно было выполнить все требования по корректировке заданных значений, критериев устойчивости и неопределенностей измерений в соответствии с настоящим стандартом.
В режиме охлаждения допустимые отклонения приведены для одного метода испытаний, получившего название метода фиксированной ΔT, при котором температура на входе и выходе должна соответствовать целевым значениям.
В режиме нагрева допустимые отклонения приведены для трех различных методов испытаний (см. таблицы 2-5):
- метод температуры на выходе, который является эталонным методом для одновалентных приборов, где температура на выходе должна соответствовать целевому значению, указанному в ГОСТ Р 58841.3;
- метод температуры на входе, который является эталонным методом для гибридных приборов и одновалентных приборов, работающих в циклическом режиме "включение - выключение", где температура на входе должна соответствовать целевому значению;
- метод средней температуры, при котором средняя температура на выходе и входе должна соответствовать целевому значению.
4.3.1.2 Помещение для испытаний воздушной части
Размеры помещения должны быть выбраны так, чтобы не возникало никакого сопротивления потоку воздуха в отверстиях впуска и выпуска воздуха прибора. Воздушный поток, проходящий через помещение, не должен вызывать короткого замыкания между этими двумя отверстиями, поэтому скорость воздушного потока, проходящего через помещение в этих двух местах, не должна превышать 1,5 м/с при выключенном приборе. Если в инструкциях по эксплуатации прибора не указано иное, отверстия для впуска или выпуска воздуха должны находиться на расстоянии не менее 1 м от поверхности испытательного помещения.
Следует избегать любого прямого теплового излучения от нагревательного устройства (прибора, оборудования) в испытательном помещении на прибор или на точки измерения температуры.
4.3.1.3 Приборы с соединением воздуховодов
Соединения воздуховодов с испытательной установкой должны быть достаточно герметичными для обеспечения того, чтобы обмен воздухом с окружающей средой не оказывал существенного влияния на результаты измерений.
4.3.1.4 Приборы со встроенными насосами
Для приборов со встроенным и регулируемым насосом(ами) воды или рассола насос(ы) должен (должны) быть установлен(ы) таким образом, чтобы внешнее статическое давление было как можно ближе к 0 Па.
4.3.2 Установка и подключение прибора
4.3.2.1 Общие положения
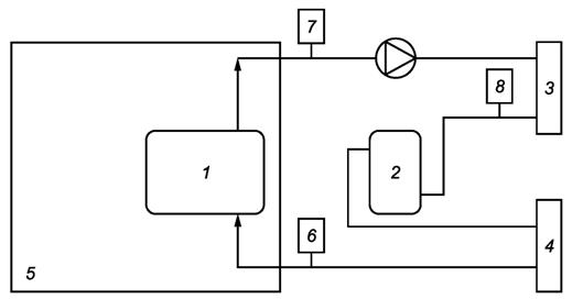
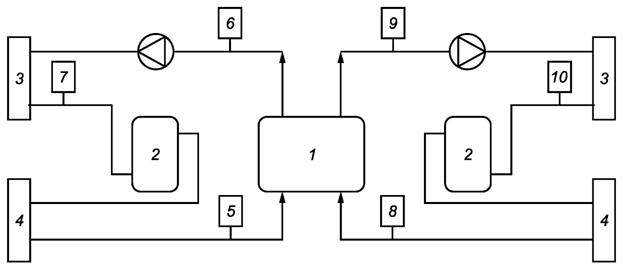
Прибор должен быть установлен и подключен для проведения испытания в соответствии с рекомендациями руководства по установке прибора. Он должен быть подключен к системе компенсации, позволяющей устанавливать требуемую полную или уменьшенную мощность. Примеры таких компенсационных систем в режиме нагрева и охлаждения приведены в приложении Е.
В случае одноканальных устройств, если в инструкции по установке устройства не указано, как устанавливать выпускной канал, он должен быть как можно короче и прямее с минимальным расстоянием между устройством и стенкой для правильного впуска воздуха, но не менее 0,5 м. К концу выпускного канала не должны быть подсоединены никакие дополнительные приспособления.
Для двухканальных устройств те же требования применяются как к всасывающим, так и к выпускным каналам, если только устройство не предназначено для установки непосредственно на стене.
4.3.2.2 Точки измерения
Точки измерения температуры и давления должны быть расположены таким образом, чтобы получить средние значимые значения.
Для измерения температуры воздуха на впуске требуется:
- иметь не менее одного датчика на квадратный метр и не менее четырех измерительных точек и ограничиться равномерно распределенными по поверхности 20 датчиками;
- использовать пробоотборное устройство, дополненное четырьмя датчиками для проверки однородности, если площадь поверхности превышает 1 м2.
Датчики температуры воздуха должны быть расположены не более чем на 0,25 м от края воздухозаборника.
Для воды и рассола плотность теплоносителя, приведенную в формулах (1), (5), (9), определяют в температурных условиях, измеряемых вблизи устройства измерения расхода.
Погрешности измерений не должны превышать значений, указанных в таблице 1.
|
Измеряемая величина |
Единица измерения |
Погрешность измерений |
|
Вода или рассол: | ||
|
- температура на входе/выходе |
°С |
± 0,15 °С |
|
- разность температур |
°С |
± 0,21 °С |
|
- расход (объем или масса) |
м3/с или кг/с |
± 1 % |
|
- разность статических давлений |
Па |
± 5 Па (Р ≤ 100 Па) или ± 5 % (Р > 100 Па) |
|
Воздух: | ||
|
- температура сухой колбы |
°С |
± 0,2 °С |
|
- температура влажной колбы |
°С |
± 0,4 °С |
|
- расход (объем) |
м3/с или кг/с |
± 5 % |
|
- разница статического давления |
Па |
± 5 Па (Р ≤ 100 Па) или ± 5 % (Р > 100 Па) |
|
Концентрация: | ||
|
- теплопередача |
% |
± 2 % |
|
Тепловая нагрузка: | ||
|
- атмосферное давление |
Па |
± 5 Па |
|
- давление газа |
Па |
± 2 % полной шкалы не более 0,5 Па |
|
- расход газа |
м3/ч или кг/ч |
± 1 % |
|
- температура газа |
°С |
± 0,5 °С |
|
- теплотворная способность |
МДж/м3 |
± 1 % |
|
Потребление электроэнергии: | ||
|
- электроэнергия |
кВт |
± 2 % |
|
Время |
с |
± 0,2 с - до 1 ч |
|
± 0,1 % - после 1 ч |
В соответствии с погрешностями измерений, приведенными в таблице 1, диапазон технических характеристик измерительного устройства выбирают так, чтобы он соответствовал минимальным частичным нагрузкам и полной нагрузке.
Указанные погрешности измерений касаются отдельных измерений. Для измерений, требующих сочетания отдельных измерений (например, измерения эффективности), могут потребоваться более низкие погрешности, связанные с отдельными измерениями, чтобы ограничить погрешность измерений.
Измеренные мощности нагрева, охлаждения или рекуперации следует определять в пределах максимальной общей погрешности (20,5·ΔT-0,89)% независимо от индивидуальных погрешностей измерения, включая погрешности в отношении свойств жидкостей.
Расход газа следует определять в пределах максимальной общей погрешности 2 % независимо от индивидуальных погрешностей измерения, включая погрешности в отношении свойств газа.
Если поток воды (рассола) прерывается во время переходного испытания или во время циклического эксплуатационного испытания, то для емкости не требуется никакой максимальной общей погрешности.
Тот же принцип применяется для потребления электроэнергии и для потребления газа, когда это необходимо.
4.5.1 Общие положения
4.5.1.1 Введение
Описанные ниже процедуры испытаний применяют для испытаний на полную и пониженную мощность.
Для измерения входных параметров и мощности нагрева/охлаждения/рекуперации тепла необходимо непрерывно записывать все данные, приведенные в 4.7, за исключением плотности газа, числа Воббе и теплотворной способности, когда газ поступает из резервуара, и этот резервуар не был изменен в ходе испытаний. Для измерения рекуперации тепла и входных параметров отбор проб (интервалы и частоты) должен быть таким же, как и для соответствующей мощности нагрева или охлаждения.
Для любого типа операций последовательность должна быть отрегулирована так, чтобы полная запись производилась не реже одного раза в 10 с.
Для приборов типа "вода (рассол) - вода (рассол)" требования приложения F могут быть применены для обнаружения возможной погрешности измерения, вызванной неправильной работой измерительного устройства.
Лаборатория может использовать протокол испытаний с любым испытательным стендом при условии, что соблюдены требуемые допустимые отклонения, указанные в настоящем стандарте, и он позволяет работать устройствам управления прибором.
Для гибридных приборов никакие циклы "включено - выключено" не должны создаваться самой лабораторией.
Для моновалентных приборов, работающих в цикле "включено - выключено", измерения могут быть проведены альтернативно в соответствии с приложением G.
4.5.1.2 Все бытовые приборы
Условия испытаний для одновалентных приборов приведены в ГОСТ Р 58841.3, а для гибридных приборов - в ГОСТ Р 58841.7. Допускается использовать условия испытаний по другим стандартам, правилам или процедурам сертификации.
Если используется жидкий теплоноситель, отличный от воды, то удельная теплоемкость и плотность таких теплоносителей должны быть определены и приняты во внимание при оценке (результатов и неопределенностей).
Для испытаний на полную мощность при выполнении измерений в режиме обогрева устанавливают самую высокую комнатную температуру на устройстве управления прибором/системой. При выполнении измерений в режиме охлаждения устанавливают самую низкую температуру в помещении на устройстве управления прибором/системой.
4.5.1.3 Прибор без воздуховодов
Для приборов без воздуховодов регулируемые настройки, такие как жалюзи и скорость вращения вентилятора, должны быть установлены для обеспечения максимального установившегося рабочего потока воздуха.
После выполнения этой настройки воздушный поток контролируется прибором.
Когда прибор модулируемый, он не должен воспринимать возмущение воздушного потока как следствие работы оборудования испытательного помещения.
4.5.1.4 Прибор с воздуховодом
Расход воздуха и разность давлений должны соответствовать стандартному воздушному сухому теплообменнику.
Если скорость воздушного потока указана без учета атмосферного давления, температуры и влажности, она должна рассматриваться как указанная для стандартных рабочих условий. Указанная скорость воздушного потока должна быть приведена к стандартным условиям для воздуха. Настройку расхода воздуха следует выполнять только при работающем вентиляторе.
Указанный номинальный расход воздуха должен быть установлен, а результирующее внешнее статическое давление ESP измерено.
Если ESP менее 30 Па, то расход воздуха регулируется так, чтобы достичь этого минимального значения.
Устройство, используемое для настройки ESP, должно оставаться в одном и том же положении в течение всех испытаний.
Если в эксплуатационных документах указано, что максимально допустимая длина выпускного канала составляет менее 1 м, то прибор может быть испытан как прибор без воздуховодов с ESP, равным 0 Па.
После выполнения этой настройки воздушный поток контролируется прибором.
4.5.1.5 Приборы типа "воздух - вода (рассол)" и "вода (рассол) - вода (рассол)"
Заявленный номинальный расход воды (рассола) устанавливают при соответствующих стандартных рабочих условиях и измеряют результирующие перепады давления. После этой настройки расход воды находится под контролем прибора.
Для рассола, если он не указан в эксплуатационных документах, должны быть указаны характер и концентрация продукта, используемого для проведения испытаний. Минимальная концентрация рассола должна быть выбрана так, чтобы обеспечить надлежащую работу при минимальной заявленной температуре на выходе.
4.5.2 Нециклическая работа
4.5.2.1 Измерение выходной мощности для приборов типа "вода (рассол) - вода (рассол)"
4.5.2.1.1 Установившийся режим работы
Сбор данных должен осуществляться при установившемся режиме работы. Этот режим считается полученным и поддерживаемым, когда все измеренные величины остаются постоянными без необходимости изменять установленные значения в течение как минимум 30 мин с учетом допустимых отклонений, приведенных в таблицах 2, 3 или 4. Периодические колебания измеряемых величин, вызванные работой контрольных устройств, допустимы при условии, что среднее значение таких колебаний не превышает допустимых отклонений, указанных в таблицах 2, 3 или 4. Период сбора данных следует за этим периодом в 30 мин. Все эти требования также применимы к испытанию при пониженной мощности, когда горелка работает, по крайней мере, при минимальной тепловой мощности.
|
Измеряемая величина |
Допустимые отклонения средних по времени измеряемых величин от заданных значений |
Допустимые отклонения отдельных измеряемых величин от средних по времени измеряемых величин | ||
|
Наружная вода или рассол
| ||||
|
Температура на входе |
максимальная > нагрузка ≥ 70 % |
± 0,2 °С |
максимальная > нагрузка ≥ 70 % |
± 0,5 °С |
|
70 % > нагрузка ≥ 40 % |
± 0,2 °С |
70 % > нагрузка ≥ 40 % |
± 0,7 °С | |
|
нагрузка < 40 % |
± 0,3 °С |
нагрузка < 40 % |
± 0,9 °С | |
|
Температура на выходе |
максимальная > нагрузка ≥ 70 % |
± 0,3 °С |
максимальная > нагрузка ≥ 70 % |
± 0,6 °С |
|
70 % > нагрузка ≥ 40 % |
± 0,3 °С |
70 % > нагрузка ≥ 40 % |
± 0,8 °С | |
|
нагрузка < 40 % |
± 0,4 °С |
нагрузка < 40 % |
± 1,0 °С | |
|
Расход жидкости |
номинальные мощности |
± 2 % |
номинальные мощности |
± 5 % |
|
другие мощности |
- |
другие мощности |
- | |
|
Внутренняя вода или рассол
| ||||
|
Температура на входе |
максимальная > нагрузка ≥ 70 % |
± 0,2 °С |
максимальная > нагрузка ≥ 70 % |
± 0,5 °С |
|
70 % > нагрузка ≥ 40 % |
± 0,2 °С |
70 % > нагрузка ≥ 40 % |
± 0,7 °С | |
|
нагрузка < 40 % |
± 0,3 °С |
нагрузка < 40 % |
± 0,9 °С | |
|
Температура на выходе |
максимальная > нагрузка ≥ 70 % |
± 0,3 °С |
максимальная > нагрузка ≥ 70 % |
± 0,6 °С |
|
70 % > нагрузка ≥ 40 % |
± 0,3 °С |
70 % > нагрузка ≥ 40 % |
± 0,8 °С | |
|
нагрузка < 40 % |
± 0,4 °С |
нагрузка < 40 % |
± 1,0 °С | |
|
Расход жидкости |
номинальные мощности |
± 2 % |
номинальные мощности |
± 5 % |
|
другие мощности |
- |
другие мощности |
- | |
|
Потребление электроэнергии
| ||||
|
Напряжение |
± 4 % |
± 4 % | ||
|
Примечание - Допустимое отклонение включает в себя регулирующую способность испытательного устройства. | ||||
|
Измеряемая величина |
Допустимые отклонения средних по времени измеряемых величин от заданных значений |
Допустимые отклонения отдельных измеряемых величин от средних по времени измеряемых величин | ||
|
Наружная вода или рассол
| ||||
|
Температура на входе |
максимальная > нагрузка ≥ 70 % |
± 0,2 °С |
максимальная > нагрузка ≥ 70 % |
± 0,5 °С |
|
70 % > нагрузка ≥ 40 % |
± 0,2 °С |
70 % > нагрузка ≥ 40 % |
± 0,7 °С | |
|
нагрузка < 40 % |
± 0,3 °С |
нагрузка < 40 % |
± 0,9 °С | |
|
Температура на выходе |
максимальная > нагрузка ≥ 70 % |
± 0,3 °С |
- |
- |
|
70 % > нагрузка ≥ 40 % |
± 0,3 °С | |||
|
нагрузка < 40 % |
± 0,4 °С | |||
|
Расход жидкости |
номинальные мощности |
± 2 % |
номинальные мощности |
± 5 % |
|
другие мощности |
- |
другие мощности |
- | |
|
Внутренняя вода или рассол
| ||||
|
Входная температура, ведущая к целевому выходу или к средней температуре |
максимальная > нагрузка ≥ 70 % |
± 0,2 °С |
максимальная > нагрузка ≥ 70 % |
± 0,5 °С |
|
70 % > нагрузка ≥ 40 % |
± 0,2 °С |
70 % > нагрузка ≥ 40 % |
± 0,7 °С | |
|
нагрузка < 40 % |
± 0,3 °С |
нагрузка < 40 % |
± 0,9 °С | |
|
Температура выхода или средняя температура |
максимальная > нагрузка ≥ 70 % |
± 0,3 °С |
- |
- |
|
70 % > нагрузка ≥ 40 % |
± 0,3 °С | |||
|
нагрузка < 40 % |
± 0,4 °С | |||
|
Расход жидкости |
номинальные мощности |
± 2 % |
номинальные мощности |
± 5 % |
|
другие мощности |
- |
другие мощности |
- | |
|
Потребление электроэнергии
| ||||
|
Напряжение |
± 4 % |
± 4 % | ||
|
Примечание - Допустимое отклонение включает регулирующую способность испытательного устройства. | ||||
|
Измеряемая величина |
Допустимые отклонения средних по времени измеряемых величин от заданных значений |
Допустимые отклонения отдельных измеряемых величин от средних по времени измеряемых величин | ||
|
Наружная вода или рассол
| ||||
|
Температура на входе |
максимальная > нагрузка ≥ 70 % |
± 0,2 °С |
максимальная > нагрузка ≥ 70 % |
± 0,5 °С |
|
70 % > нагрузка ≥ 40 % |
± 0,2 °С |
70 % > нагрузка ≥ 40 % |
± 0,7 °С | |
|
нагрузка < 40 % |
± 0,3 °С |
нагрузка < 40 % |
± 0,9 °С | |
|
Температура на выходе |
максимальная > нагрузка ≥ 70 % |
± 0,3 °С |
- |
- |
|
70 % > нагрузка ≥ 40 % |
± 0,3 °С | |||
|
нагрузка < 40 % |
± 0,4 °С | |||
|
Расход жидкости |
номинальные мощности |
± 2 % |
номинальные мощности |
± 5 % |
|
другие мощности |
- |
другие мощности |
- | |
|
Внутренняя вода или рассол
| ||||
|
Температура на входе |
максимальная > нагрузка ≥ 70 % |
± 0,2 °С |
максимальная > нагрузка ≥ 70 % |
± 0,5 °С |
|
70 % > нагрузка ≥ 40 % |
± 0,2 °С |
70 % > нагрузка ≥ 40 % |
± 0,7 °С | |
|
нагрузка < 40 % |
± 0,3 °С |
нагрузка < 40 % |
± 0,9 °С | |
|
Температура на выходе |
максимальная > нагрузка ≥ 70 % |
± 0,3 °С |
максимальная > нагрузка ≥ 70 % |
± 0,6 °С |
|
70 % > нагрузка ≥ 40 % |
± 0,3 °С |
70 % > нагрузка ≥ 40 % |
± 0,8 °С | |
|
нагрузка < 40 % |
± 0,4 °С |
нагрузка < 40 % |
± 1,0 °С | |
|
Расход жидкости |
номинальные мощности |
± 2 % |
номинальные мощности |
± 5 % |
|
другие мощности |
- |
другие мощности |
- | |
|
Потребление электроэнергии
| ||||
|
Напряжение |
± 4 % |
± 4 % | ||
|
Примечание - Допустимое отклонение включает регулирующую способность испытательного устройства. | ||||
4.5.2.1.2 Измерение тепловой мощности, мощности охлаждения, мощности рекуперации тепла, расхода газа и электрической мощности
Тепловую мощность, мощность охлаждения, мощность рекуперации тепла и входные параметры должны измеряться в установившемся режиме работы. Продолжительность сбора данных составляет 40 мин. Все данные необходимо собирать в течение одного и того же периода с одинаковой частотой.
4.5.2.1.3 Измерение эффективности использования газа GUE
Продолжительность сбора данных делят на четыре части по 10 мин. Для каждой части вычисляют GUE. Колебания GUE четырех различных частей допустимы при условии, что стандартное отклонение не превышает 1,5 %, а отклонения отдельных GUE от среднего значения не превышают 3,0 %.
4.5.2.2 Измерение в режиме охлаждения для приборов типа "воздух - вода (рассол)"
4.5.2.2.1 Условия установившегося режима работы
Сбор данных необходимо осуществлять в установившемся режиме работы. Этот режим считается полученным и поддерживающим, когда все измеренные величины остаются постоянными без необходимости изменять установленные значения в течение как минимум 30 мин с учетом допустимых отклонений, приведенных в таблицах 2 и 5. Периодические колебания измеряемых величин, вызванные работой контрольных устройств, допустимы, если значение таких колебаний не превышает допустимых отклонений, приведенных в таблицах 2 и 5. Период сбора данных следует за этим периодом в течение 30 мин. Все требования также применимы при испытании с пониженной мощностью, когда горелка работает при минимальной тепловой мощности.
|
Измеряемая величина |
Допустимые отклонения средних по времени измеряемых величин от заданных значений |
Допустимые отклонения отдельных измеряемых величин от средних по времени измеряемых величин | ||
|
Температура наружного воздуха на входе (сухой термометр/ влажный термометр) a |
максимальная > нагрузка ≥ 70 % |
± 0,3 °С |
максимальная > нагрузка ≥ 70 % |
± 1,0 °С |
|
70 % > нагрузка ≥ 40 % |
± 0,5 °С |
70 % > нагрузка ≥ 40 % |
± 1,2 °С | |
|
нагрузка < 40 % |
± 0,6 °С |
нагрузка < 40 % |
± 1,4 °С | |
|
Расход (объемный) |
номинальные мощности |
- |
номинальные мощности |
± 10 % |
|
другие мощности |
- |
другие мощности |
- | |
|
Падение статического давления |
номинальные мощности |
- |
номинальные мощности |
± 10 % |
|
другие мощности |
- |
другие мощности |
- | |
|
а Для приборов с наружными поверхностями теплообменника более 5 м2 отклонение температуры сухого термометра на входе воздуха удваивается. Примечание - Допустимое отклонение включает регулирующую способность испытательного устройства. | ||||
4.5.2.2.2 Измерение мощности охлаждения, мощности рекуперации тепла, расхода газа и электрической мощности
Мощность охлаждения, мощность рекуперации тепла и входные параметры измеряют в установившемся режиме работы. Продолжительность сбора данных составляет 40 мин. Все данные необходимо собирать в течение одного и того же периода с одинаковой частотой.
4.5.2.2.3 Измерение эффективности использования газа GUE
Продолжительность сбора данных делится на четыре части по 10 мин. Для каждой части вычисляется GUE. Колебания GUE четырех различных частей допустимы при условии, что стандартное отклонение не превышает 1,5 %, а отклонения отдельных GUE от среднего значения не превышают 3,0 %.
4.5.2.3 Измерение в режиме обогрева для приборов типа "воздух - вода"
4.5.2.3.1 Общие положения
Процедура испытания состоит из трех периодов: периода предварительной подготовки, периода равновесия и периода сбора данных. Продолжительность периода сбора данных различается в зависимости от того, работает ли тепловой насос в установившемся режиме или в переходном.
В приложении D приведена блок-схема процедуры и графически представлены большинство различных последовательностей испытаний, которые возможны при проведении испытания на теплопроизводительность.
Все требования также применяют при пониженной мощности, когда горелка работает при минимальной тепловой мощности.
4.5.2.3.2 Период предварительной подготовки
Устройство предварительной подготовки испытательного помещения и испытуемое устройство должны работать до тех пор, пока не будут достигнуты соответствующие допустимые отклонения, указанные в таблицах 2-5, в течение не менее 10 мин.
Цикл размораживания может завершать период предварительной подготовки. Если цикл размораживания завершает период предварительной подготовки, то прибор должен работать в режиме нагрева не менее 10 мин после окончания размораживания до начала периода равновесия. Рекомендуется, чтобы период предварительной подготовки заканчивался циклом размораживания, вызванным вручную, для всех условий, для которых ожидается автоматический цикл размораживания.
4.5.2.3.3 Период равновесия
Период равновесия непосредственно следует либо за периодом предварительной подготовки, либо за периодом "восстановления" продолжительностью 10 мин после цикла размораживания, который завершает период предварительной подготовки.
Полный период равновесия длится 30 мин.
Прибор должен работать при соблюдении соответствующих допустимых отклонений, указанных в таблицах 2-5, за исключением случаев, указанных в 4.5.2.3.7 (процедура испытания для переходного режима).
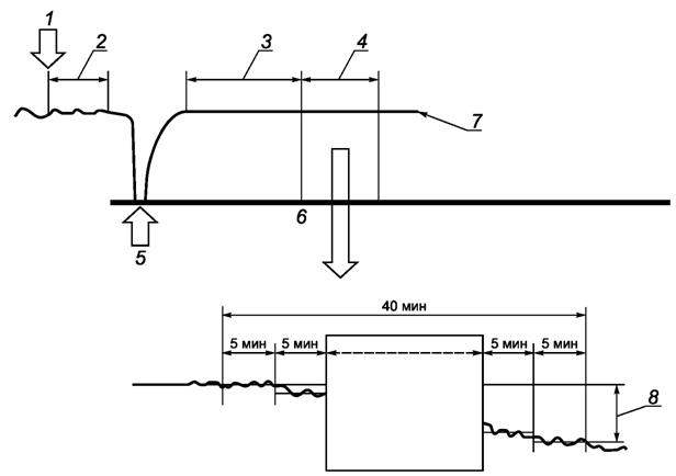
4.5.2.3.4 Период сбора данных
Период сбора данных непосредственно следует за периодом равновесия.
Измеряют разницу между температурой на выходе и на входе теплоносителя в помещении теплообменника. Для каждого интервала продолжительностью 5 мин в течение периода сбора данных рассчитывают среднюю разницу температур ΔTi(τ). Средняя разница температур за первые 5 мин периода сбора данных ΔTi(τ = 0) сохраняется для расчета коэффициента ΔT, %, вычисляемого по формуле
,
(25)
где ΔTi(τ = 0) - средняя разница между температурой на выходе и на входе за первые 5 мин периода, °С;
ΔTi(τ) - средняя разница между выходными и входными температурами за другие 5 мин периода, чем первые 5 мин, °С.
Если коэффициент изменения ΔT остается в пределах 2,5 % в течение первых 40 мин периода сбора данных и соответствующие допустимые отклонения испытания, указанные в таблицах 2, 3 или таблицах 4 и 5, соблюдаются как в течение периода равновесия, так и в течение первых 40 мин периода сбора данных, тогда испытание обозначают как установившееся рабочее испытание. Испытания в установившемся режиме работы прекращают через 40 мин после сбора данных.
4.5.2.3.5 Процедура испытания, когда цикл размораживания завершает период предварительной подготовки
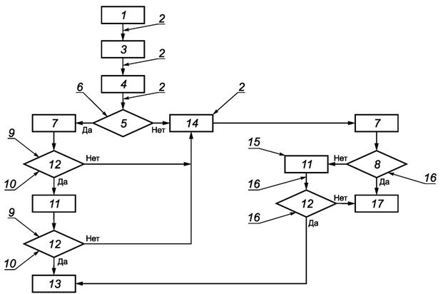
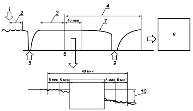
Когда цикл размораживания завершает период предварительной подготовки, если прибор начинает цикл размораживания в течение периода равновесия или в течение первых 40 мин периода сбора данных, испытание должно быть назначено на переходный режим работы (см. 4.5.2.3.7).
4.5.2.3.6 Процедура испытания, когда цикл размораживания не завершает период предварительной подготовки
4.5.2.3.6.1 Общие положения
Если размораживание не завершает период предварительной подготовки, применяют 4.5.2.3.6.2, или 4.5.2.3.6.3, или 4.5.2.3.6.4.
4.5.2.3.6.2 Если прибор начинает цикл размораживания в течение периода равновесия или в течение первых 70 мин периода сбора данных, то испытание возобновляют в соответствии с 4.5.2.3.6.4.
4.5.2.3.6.3 Если коэффициент изменения ΔT превышает 2,5 % в любое время в течение первых 70 мин периода сбора данных, то процедура испытания должна быть возобновлена в соответствии с 4.5.2.3.6.4. Перед повторным запуском должен произойти цикл размораживания. Этот цикл размораживания может быть инициирован вручную или отложен до тех пор, пока прибор не начнет автоматическое размораживание.
4.5.2.3.6.4 Если применяют 4.5.2.3.6.2 или 4.5.2.3.6.3, то повторный запуск должен начинаться через 10 мин после окончания цикла размораживания с новым периодом равновесия 1 ч. Вторая попытка должна соответствовать требованиям 4.5.2.3.3 и 4.5.2.3.4 и процедуре испытания, изложенной в 4.5.2.3.5.
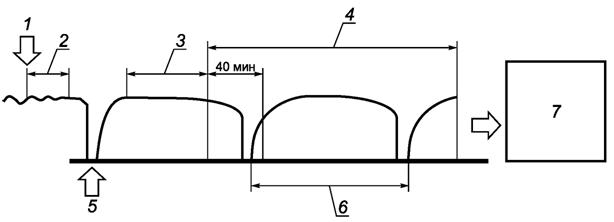
4.5.2.3.7 Процедура испытания для испытаний в переходном режиме работы
Если в соответствии с 4.5.2.3.5 испытание назначается на переходный режим, то применяют следующие корректировки.
Для проведения действительного испытания на переходном режиме допустимые отклонения, указанные в таблице 6, должны быть достигнуты как в период равновесия, так и в период сбора данных. Допустимые отклонения для испытаний указаны в таблице 6 для двух интервалов Н и D. Интервал Н состоит из данных, собранных в течение каждого интервала нагрева, за исключением первых 10 мин после окончания размораживания. Интервал D состоит из данных, собранных во время каждого цикла размораживания плюс первые 10 мин последующего интервала нагрева.
|
Измеряемая величина |
Допустимые отклонения средних по времени измеряемых величин от заданных значений |
Допустимые отклонения отдельных измеряемых величин от средних по времени измеряемых величин | ||
|
Интервал Н а |
Интервал D b |
Интервал Н а |
Интервал D b | |
|
Температура воздуха, поступающего на наружную сторону: | ||||
|
сухой термометр с |
± 0,6 °С |
± 1,5 °С |
± 1,06 °С |
± 5,0 °С |
|
влажный термометр |
± 0,3 °С |
± 1,0 °С |
± 0,6 °С |
- |
|
Температура воды на входе для метода температуры на входе или температура на входе, ведущая к целевой температуре на выходе для метода температуры на выходе (эталонный метод) или температура на входе, ведущая к целевой средней температуре для метода средней температуры |
± 0,2 °С |
- |
± 0,5 °С |
- |
|
Температура на выходе или средняя температура |
± 0,5 °С |
- |
- | |
|
Расход воды |
± 2 % |
- |
5 % |
- |
|
Потребление электроэнергии: | ||||
|
- напряжение |
± 4 % |
± 4 % | ||
|
а Применяется, когда прибор находится в режиме нагрева, за исключением первых 10 мин после окончания цикла размораживания. b Применяется во время цикла размораживания и в течение первых 10 мин после окончания цикла размораживания, когда прибор работает в режиме нагрева. с Для приборов с наружными поверхностями теплообменника более 5 м2 отклонение температуры сухого термометра на входе воздуха удваивается. Примечание - Допустимое отклонение включает в себя регулирующую способность испытательного устройства во время переходных процессов. | ||||
Параметры допустимых отклонений к испытанию, указанные в таблице 6, следует определять в течение всего периода равновесия и сбора данных. Все данные, собранные в течение каждого интервала Н или D, следует использовать для оценки соответствия допустимым отклонениям, указанным в таблице 6. Данные из двух или более интервалов Н или двух или более интервалов D не должны объединяться и затем использоваться при оценке соответствия таблице 6. Соответствие основано на оценке данных из каждого интервала отдельно.
Период сбора данных продлевается до истечения 3 ч или до завершения прибором трех полных циклов в течение этого периода, в зависимости от того, что произойдет ранее. Если по истечении 3 ч прибор проводит цикл размораживания, этот цикл должен быть завершен до прекращения сбора данных. Полный цикл состоит из периода нагрева и периода размораживания, от окончания одного цикла размораживания до окончания следующего цикла размораживания.
4.5.2.3.8 Измерение тепловой мощности, расхода газа и электроэнергии
Во время циклов размораживания плюс первые 10 мин после окончания размораживания данные, используемые для оценки теплоемкости, расхода газа и электрической мощности прибора, могут отбираться чаще, чем в течение всего остального периода сбора данных. Все данные необходимо собирать в течение одного и того же периода с одинаковой частотой (периодичностью).
4.5.2.3.9 Измерение эффективности использования газа GUE
GUE рассчитывают с использованием мощности нагрева и расхода газа за один и тот же период сбора данных.
4.5.2.3.10 Испытания при пониженной нагрузке
Для испытаний при пониженной нагрузке допускается отклонение ± 2,0 % полной нагрузки по сравнению с целевым значением для подтверждения правильности испытания. При отклонениях до 4,0 % полной нагрузки проводят повторное измерение, чтобы получить измерение выше или ниже целевого значения. В этом случае результат определяется линейной интерполяцией. Любое испытание с теплопроизводительностью, отклоняющейся более чем на ± 4,0 % полной нагрузки, отклоняют.
4.5.3 Циклический режим работы
4.5.3.1 Основные принципы
Производительность, газовые и электрические затраты получают из ряда полных стабилизированных циклов расчета высвобождаемой энергии и потребления энергии соответственно.
Расчетный цикл может состоять из нескольких циклов горения.
Цикл горения состоит из периода от зажигания горелки до следующего зажигания горелки.
Период сбора данных продлевают до тех пор, пока прибор не завершит четыре полных "расчетных цикла".
Эффективные мощности должны быть получены из измеренных мощностей и поправок от теплоты насоса(ов), обеспечивающего(их) циркуляцию теплоносителя через внутренний теплообменник. Эффективная потребляемая электрическая мощность должна быть получена из измеренной потребляемой электрической мощности и поправок от теплоты насоса(ов), обеспечивающего(их) циркуляцию теплоносителя через внутренний теплообменник, и насоса(ов) или вентилятора(ов), обеспечивающих циркуляцию теплоносителя через наружный теплообменник, если это необходимо.
Периодические колебания измеряемых величин, вызванные работой регулирующих и управляющих устройств прибора, допустимы при условии, что значения таких колебаний не превышают допустимых отклонений, указанных в таблицах 7, 8, 9.
|
Измеряемая величина |
Допустимые отклонения средних по времени измеряемых величин от заданных значений |
Допустимые отклонения отдельных измеряемых величин от средних по времени измеряемых величин | ||
|
Наружный воздух
| ||||
|
Температура на входе: - сухой термометр (влажный термометр) a |
± 0,2 °С (-) |
± 2,5 °С (-) | ||
|
Расход воздуха (объемный) |
- |
- | ||
|
Статическое давление воздуха |
- |
- | ||
|
Наружная вода или рассол
| ||||
|
Температура на входе |
максимальная > нагрузка ≥ 70 % |
± 0,2 °С |
максимальная > нагрузка ≥ 70 % |
± 0,5 °С |
|
70 % > нагрузка ≥ 40 % |
± 0,2 °С |
70 % > нагрузка ≥ 40 % |
± 0,7 °С | |
|
нагрузка < 40 % |
± 0,3 °С |
нагрузка < 40 % |
± 0,9 °С | |
|
Расход жидкости |
номинальные мощности |
± 2 % |
номинальные мощности |
± 5 % |
|
другие мощности |
- |
другие мощности |
- | |
|
Внутренняя вода или рассол
| ||||
|
Температура на входе |
максимальная > нагрузка ≥ 70 % |
± 0,2 °С |
максимальная > нагрузка ≥ 70 % |
± 0,5 °С |
|
70 % > нагрузка ≥ 40 % |
± 0,2 °С |
70 % > нагрузка ≥ 40 % |
± 0,7 °С | |
|
нагрузка < 40 % |
± 0,3 °С |
нагрузка < 40 % |
± 0,9 °С | |
|
Расход жидкости |
номинальные мощности |
± 2 % |
номинальные мощности |
± 5 % |
|
другие мощности |
- |
другие мощности |
- | |
|
Потребление электроэнергии
| ||||
|
Напряжение |
± 4 % |
± 4 % | ||
|
а Для приборов с наружными поверхностями теплообменника более 5 м2 отклонение на входе воздуха сухого термометра удваивается. Примечание - Допустимое отклонение включает регулирующую способность испытательного устройства. | ||||
|
Измеряемая величина |
Допустимые отклонения средних по времени измеряемых величин от заданных значений |
Допустимые отклонения отдельных измеряемых величин от средних по времени измеряемых величин | ||
|
Наружный воздух
| ||||
|
Температура на входе: сухой термометр (влажный термометр) а |
± 1,5 °С (-) |
± 2,5 °С (-) | ||
|
Расход воздуха (объемный) |
- |
- | ||
|
Статическое давление воздуха |
- |
- | ||
|
Наружная вода или рассол
| ||||
|
Температура на входе |
максимальная > нагрузка ≥ 70 % |
± 0,2 °С |
максимальная > нагрузка ≥ 70 % |
± 0,5 °С |
|
70 % > нагрузка ≥ 40 % |
± 0,2 °С |
70 % > нагрузка ≥ 40 % |
± 0,7 °С | |
|
нагрузка < 40 % |
± 0,3 °С |
нагрузка < 40 % |
± 0,9 °С | |
|
Расход жидкости |
номинальные мощности |
± 2 % |
номинальные мощности |
± 5 % |
|
другие мощности |
- |
другие мощности |
- | |
|
Внутренняя вода или рассол
| ||||
|
Входная температура, ведущая к целевому выходу, или средняя температура |
максимальная > нагрузка ≥ 70 % |
± 0,2 °С |
максимальная > нагрузка ≥ 70 % |
± 0,5 °С |
|
70 % > нагрузка ≥ 40 % |
± 0,2 °С |
70 % > нагрузка ≥ 40 % |
± 0,7 °С | |
|
нагрузка < 40 % |
± 0,3 °С |
нагрузка < 40 % |
± 0,9 °С | |
|
Температура выхода или средняя температура |
все диапазоны нагрузок |
± 0,5 °С |
все диапазоны нагрузок |
- |
|
Расход жидкости |
номинальные мощности |
± 2 % |
номинальные мощности |
± 5 % |
|
другие мощности |
- |
другие мощности |
- | |
|
Потребление электроэнергии
| ||||
|
Напряжение |
± 4 % |
± 4 % | ||
|
а Для приборов с наружными поверхностями теплообменника более 5 м2 отклонение на входе воздуха сухого термометра удваивается. Примечание - Допустимое отклонение включает регулирующую способность испытательного устройства. | ||||
|
Измеряемая величина |
Допустимые отклонения средних по времени измеряемых величин от заданных значений |
Допустимые отклонения отдельных измеряемых величин от средних по времени измеряемых величин | ||
|
Наружный воздух
| ||||
|
Температура на входе: сухой термометр (влажный термометр) а |
± 1,5 °С (-) |
± 2,5 °С (-) | ||
|
Расход воздуха (объемный) |
- |
- | ||
|
Статическое давление воздуха |
- |
- | ||
|
Наружная вода или рассол
| ||||
|
Температура на входе |
максимальная > нагрузка ≥ 70 % |
± 0,2 °С |
максимальная > нагрузка ≥ 70 % |
± 0,5 °С |
|
70 % > нагрузка ≥ 40 % |
± 0,2 °С |
70 % > нагрузка ≥ 40 % |
± 0,7 °С | |
|
нагрузка < 40 % |
± 0,3 °С |
нагрузка < 40 % |
± 0,9 °С | |
|
Расход жидкости |
номинальные мощности |
± 2 % |
номинальные мощности |
± 5 % |
|
другие мощности |
- |
другие мощности |
- | |
|
Внутренняя вода или рассол
| ||||
|
Входная температура, ведущая к целевому выходу, или средняя температура |
максимальная > нагрузка ≥ 70 % |
± 0,2 °С |
максимальная > нагрузка ≥ 70 % |
± 0,5 °С |
|
70 % > нагрузка ≥ 40 % |
± 0,2 °С |
70 % > нагрузка ≥ 40 % |
± 0,7 °С | |
|
нагрузка < 40 % |
± 0,3 °С |
нагрузка < 40 % |
± 0,9 °С | |
|
Расход жидкости |
номинальные мощности |
± 2 % |
номинальные мощности |
± 5 % |
|
другие мощности |
- |
другие мощности |
- | |
|
Потребление электроэнергии
| ||||
|
Напряжение |
± 4 % |
± 4 % | ||
|
а Для приборов с наружными поверхностями теплообменника более 5 м2 отклонение на входе воздуха сухого термометра удваивается. Примечание - Допустимое отклонение включает регулирующую способность испытательного устройства. | ||||
Колебания четырех различных циклов расчета GUE (результатов расчета) допустимы при условии, что стандартное отклонение не превышает 2,5 %, а отклонения отдельных GUE от среднего значения не превышают 5,0 %.
4.5.3.2 Испытания при пониженной нагрузке
Для испытаний при пониженной нагрузке допускается отклонение ± 2,0 % полной нагрузки по сравнению с целевым значением. При отклонениях до 4,0 % полной нагрузки проводят второе измерение, чтобы получить измерение выше или ниже целевого значения. В этом случае результат определяется линейной интерполяцией. Любое испытание с теплопроизводительностью, отклоняющейся более чем на ± 4,0 % полной нагрузки, отклоняют.
4.6.1 Измерение потребления электроэнергии при выключенном термостате
В режиме охлаждения (только для охлаждения или реверсивных приборов) заданное значение настройки термостата увеличивают до остановки горелки. Потребление электроэнергии измеряют в течение периода времени не менее 1 ч, чтобы определить отключение термостата. Для режима обогрева применяют тот же принцип, но настройка термостата должна уменьшаться, пока горелка не остановится.
4.6.2 Измерение потребления электроэнергии в режиме ожидания
Прибор останавливается с помощью устройства управления. Через 10 мин потребление электроэнергии измеряют в течение периода времени не менее 1 ч и принимают за потребление электроэнергии в режиме ожидания.
4.6.3 Измерение потребления электроэнергии в режиме "выключено"
После проверки энергопотребления в режиме ожидания прибор должен быть выключен, оставаясь подключенным и питаемым. Через 10 мин потребление электроэнергии измеряют в течение периода времени не менее 1 ч и считают потреблением электроэнергии в выключенном состоянии. Если на приборе нет переключателя режима "выключено", предполагается, что электрическая мощность в режиме ожидания равна электрической мощности в режиме "выключено".
Данные, подлежащие регистрации для мощностей, входных данных и измерений рационального использования энергии, приведены в таблице 10. В таблице 10 указана общая необходимая информация, но она не ограничивает данные, которые должны быть получены.
Примечание - В этом разделе результат расчета на основе различных данных рассматривается как данные.
Полученные данные будут интегрированными значениями, взятыми за период сбора данных, за исключением измерения времени во время испытаний на переходные и циклические операции, плотности газа, числа Воббе и теплотворной способности газа, когда газ используется из резервуара, и этот резервуар не меняется на протяжении всех испытаний.
|
Измеряемая величина |
Единица измерения |
|
Условия окружающей среды: | |
|
- температура воздуха, сухой термометр |
°С |
|
- атмосферное давление |
Па |
|
Количество газа: | |
|
- расход газа |
м3/ч или кг/ч |
|
- давление газа (абсолютное или относительное) |
Па |
|
- температура газа |
°С |
|
- теплотворная способность газа (нетто и брутто) |
МДж/м3 или МДж/кг |
|
- плотность газа (абсолютная или относительная) |
кг/м3 или кгм3/кгм3 |
|
- число Воббе (нетто или брутто) |
МДж/м3 или МДж/кг |
|
Электрические параметры: | |
|
- напряжение |
В |
|
- общий ток |
А |
|
- общая потребляемая мощность РТ |
Вт |
|
- эффективная потребляемая мощность РЕ |
Вт |
|
- энергопотребление в режиме выключения термостата |
Вт |
|
- энергопотребление в режиме ожидания |
Вт |
|
- энергопотребление в режиме выключения |
Вт |
|
Термодинамические величины | |
|
Наружный теплообменник | |
|
Воздух: | |
|
- температура на входе, сухой термометр |
°С |
|
- температура на входе, влажный термометр |
°С |
|
- температура на выходе, сухой термометр |
°С |
|
- температура на выходе, влажный термометр |
°С |
|
- разность внешнего/внутреннего статического давления |
Па |
|
- объемный расход |
м3/с |
|
Вода или рассол: | |
|
- температура на входе |
°С |
|
- температура на выходе |
°С |
|
- расход |
м3/с или кг/с |
|
- падение давления |
кПа |
|
- настройка скорости насоса, если применимо |
- |
|
Внутренний теплообменник (вода или рассол): | |
|
- температура на входе |
°С |
|
- температура на выходе |
°С |
|
- расход |
м3/с или кг/с |
|
- перепад давления |
кПа |
|
- настройка скорости насоса, если применимо |
- |
|
Теплообменник с рекуперацией тепла: | |
|
- температура на входе |
°С |
|
- температура на выходе |
°С |
|
- объемный расход |
м3/с |
|
- перепад давления |
кПа |
|
- настройка скорости насоса, если применимо |
- |
|
Среда теплопередачи (кроме воды): | |
|
- плотность |
кг/м3 |
|
- удельная теплоемкость |
кДж/(кг·°С) |
|
Размораживание: | |
|
- период размораживания |
с |
|
- рабочий цикл с размораживанием |
с |
|
Период сбора данных |
с |
|
Мощности: | |
|
- эффективная тепловая мощность QEh |
Вт |
|
- эффективная мощность охлаждения QEc |
Вт |
|
- эффективная мощность рекуперации тепла QEhr |
Вт |
|
Коэффициенты: | |
|
- GUEh и GUEhGCV |
- |
|
- GUEc и GUEcGCV |
- |
|
- AEFh |
- |
|
- AEFc |
- |
Приложение А
(справочное)
А.1 Общие положения
Метод расчета КПД насоса, независимо от того, является ли насос неотъемлемой частью прибора или нет, основан на взаимосвязи между эффективностью насоса и его гидравлической мощностью.
Если насос является неотъемлемой частью прибора, но измеряется разность статического давления, общая потребляемая мощность насоса является суммой его электрической мощности и дополнительной необходимой мощности, рассчитанной по формуле (А.2).
А.2 Гидравлическая мощность насоса
А.2.1 Насос, являющийся неотъемлемой частью прибора
Если насос является неотъемлемой частью прибора, общую гидравлическую мощность Phydrau, Вт, которую необходимо учитывать, вычисляют по формуле
Phydrau = q·Δpe,
(А.1)
где q - объемный расход воды, м3/с;
Δpe - измеренная внешняя разность статического давления Па.
А.2.2 Насос, не являющийся неотъемлемой частью прибора
Если насос не является неотъемлемой частью прибора, общую гидравлическую мощность Phydrau, Вт, которую необходимо учитывать, вычисляют по формуле
Phydrau = q·(-Δpi),
(А.2)
где q - объемный расход воды, м3/с;
Δpi - измеренная внутренняя разность статического давления, Па.
А.3 КПД насоса
Допускается использовать заявленную эффективность насоса, указанную в отчете аккредитованной лаборатории. В противном случае КПД насоса η, необходимый для подачи гидравлической мощности, вычисляют по формуле
,
(А.3)
где Phydrau - общая гидравлическая мощность насоса, Вт.
На рисунке А.1 приведен график зависимости эффективности насоса от его гидравлической мощности.

Рисунок А.1 - Эффективность насоса в зависимости от его гидравлической мощности
Приложение В
(справочное)
Таблица В.1
|
Тип прибора |
Вспомогательное электрическое оборудование, отвечающее за циркуляцию теплоносителя через наружный теплообменник |
Coutdoor |
Вспомогательное электрическое оборудование, отвечающее за циркуляцию теплоносителя через внутренний теплообменник |
Cpump |
|
"Воздух - вода" без воздуховода |
Вентилятор является неотъемлемой частью прибора |
Без коррекции |
Насос является неотъемлемой частью прибора |
|
|
Насос является внешней частью прибора |
| |||
|
"Воздух - вода" с воздуховодом |
Вентилятор является неотъемлемой частью прибора |
|
Насос является неотъемлемой частью прибора |
|
|
Вентилятор является внешней частью прибора |
|
| ||
|
Вентилятор является неотъемлемой частью прибора |
|
Насос является внешней частью прибора |
| |
|
Вентилятор является внешней частью прибора |
|
| ||
|
"Вода - вода" или "рассол - вода" |
Вентилятор является неотъемлемой частью прибора |
|
Насос является неотъемлемой частью прибора |
|
|
Вентилятор является внешней частью прибора |
|
| ||
|
Вентилятор является неотъемлемой частью прибора |
|
Насос является внешней частью прибора |
| |
|
Вентилятор является внешней частью прибора |
|
|
Приложение С
(справочное)
С.1 Общие положения
Оценку энергетической эффективности прибора для обогрева или охлаждения чаще определяют по его сезонной или годовой эффективности по сравнению с первичной энергией. В настоящем приложении рассматривается энергетическая эффективность прибора для одного рабочего положения.
С.2 Коэффициент первичной энергии в режиме обогрева
Коэффициент первичной энергии в режиме обогрева PERh, кВт/кВт, вычисляют по формуле
,
(С.1)
где GUEh - коэффициент эффективности использования газа в режиме обогрева на основе высшей теплотворной способности, кВт/кВт;
Primgas - коэффициент преобразования первичной энергии для газа;
Primelec - коэффициент преобразования первичной энергии в электроэнергию;
PEh - эффективная потребляемая электрическая мощность обогрева, кВт;
QEh - эффективная мощность обогрева, кВт.
Примечание - Основные энергетические коэффициенты для газа и электричества определены в ГОСТ Р 58841.1. Однако допускаются другие значения в том случае, если они приведены в документе, в котором указано значение PERh.
С.3 Коэффициент первичной энергии в режиме охлаждения
Коэффициент первичной энергии в режиме охлаждения без рекуперации тепла PERc, кВт/кВт, вычисляют по формуле
,
(С.2)
где GUEc - коэффициент эффективности использования газа в режиме охлаждения на основе высшей теплотворной способности, кВт/кВт;
Primgas - коэффициент преобразования первичной энергии для газа;
Primelec - коэффициент преобразования первичной энергии в электроэнергию;
РЕс - эффективная потребляемая электрическая мощность охлаждения, кВт;
QEc - эффективная мощность охлаждения, кВт.
Примечание - Основные энергетические коэффициенты для газа и электричества определены в ГОСТ Р 58841.1. Однако допускаются другие значения в том случае, если они приведены в документе, в котором указано значение PERc.
Приложение D
(справочное)
D.1 Блок-схема
На рисунке D.1 показана блок-схема процедуры испытания, описанной в 4.5.2.3.1.

1 - запуск испытательного аппарата и запуск прибора; 2 - период предварительного кондиционирования (см. 4.5.2.3.2); 3 - эксплуатация до тех пор, пока не будут выполнены допустимые отклонения для испытаний по таблицам 2 и 3 или таблицам 4 и 5; 4 - начало периода предварительного кондиционирования; 5 - цикл размораживания в конце периода предварительного кондиционирования отсутствует; 6 - процедура испытания, когда цикл размораживания завершает период предварительной обработки (см. 4.5.2.3.5); 7 - начало периода равновесия в соответствии с 4.5.2.3.3; 8 - в течение периода равновесия: ΔT > 2,5 % или операция размораживания; 9 - процедура испытания, когда цикл размораживания не завершает период предварительной подготовки (см. 4.5.2.3.6.1); 10 - процедура испытания, когда цикл размораживания не завершает период предварительной подготовки (см. 4.5.2.3.6.2); 11 - период сбора данных (40 мин) в соответствии с 4.5.2.3.4; 12 - в течение периода сбора данных: ΔT < 2,5 % без операции размораживания; 13 - процедура установившегося испытания в соответствии с 4.5.2.3.4; 14 - минимум 10 мин работы после цикла размораживания; 15 - процедура испытания, когда цикл размораживания не завершает период предварительной подготовки (см. 4.5.2.3.6.3); 16 - процедура испытания, когда цикл размораживания завершает период предварительной обработки (см. 4.5.2.3.5); 17 - процедура испытания на переходный процесс в соответствии с 4.5.2.3.7
Рисунок D.1 - Блок-схема
D.2 Примеры испытательных профилей
На рисунках D.2 - D.7 показано несколько случаев, которые могут возникнуть при проведении испытания на теплопроизводительность, указанных в 4.5.2.3. Все примеры показывают случаи, когда цикл размораживания завершает период предварительной обработки.

1 - соблюдение первых допустимых отклонений; 2 - период предварительной подготовки (минимум 10 мин); 3 - период равновесия 30 мин; 4 - данные для расчета мощности (период сбора данных 40 мин); 5 - размораживание в конце периода подготовки; 6 - данные (позиции 4) расширены для детализации; 7 - ΔTwater (внутренняя сторона); 8 - ΔT уменьшается на 2,5 % или менее в течение первых 40 мин периода сбора данных
Рисунок D.2 - Стационарное испытание теплопроизводительности с размораживанием в конце периода предварительной подготовки

1 - соблюдение первых допустимых отклонений; 2 - период предварительной подготовки (минимум 10 мин); 3 - период равновесия 30 мин; 4 - данные для расчета мощности (период сбора данных 40 мин); 5 - размораживание в конце периода подготовки; 6 - данные (позиции 4) расширены для детализации; 7 - ΔTwater (внутренняя сторона); 8 - ΔT уменьшается на 2,5 % или менее в течение первых 40 мин периода сбора данных; 9 - через 10 мин после цикла размораживания, который завершает период предварительной подготовки
Рисунок D.3 - Стационарное испытание теплопроизводительности с размораживанием в течение периода предварительной подготовки

1 - соблюдение первых допустимых отклонений; 2 - период предварительной подготовки (минимум 10 мин); 3 - период равновесия 30 мин; 4 - данные для расчета мощности (период сбора данных 3 ч); 5 - размораживание в конце периода подготовки; 6 - данные позиции 4 расширены на 40 мин для детализации; 7 - ΔTwater (внутренняя сторона); 8 - временное испытание (прекращают испытание, когда период сбора данных равен 3 ч); 9 - ΔT уменьшается на 2,5 % или менее в течение первых 40 мин периода сбора данных
Рисунок D.4 - Испытание переходной теплопроизводительности без периода размораживания

1 - соблюдение первых допустимых отклонений; 2 - период предварительной подготовки (минимум 10 мин); 3 - период равновесия 30 мин; 4 - данные для расчета мощности (период сбора данных 3 ч); 5 - размораживание в конце периода подготовки; 6 - данные позиции 4 расширены на 40 мин для детализации; 7 – ΔTwater (внутренняя сторона); 8 - временное испытание (прекращают испытание, когда период сбора данных равен 3 ч); 9 - автоматический цикл размораживания; 10 - ΔT уменьшается на 2,5 % или менее в течение первых 40 мин периода сбора данных
Рисунок D.5 - Испытание переходной теплопроизводительности с одним периодом размораживания в течение периода сбора данных

1 - соблюдение первых допустимых отклонений; 2 - период предварительной подготовки (минимум 10 мин); 3 - период равновесия 30 мин; 4 - период сбора данных 3 ч; 5 - размораживание в конце периода подготовки; 6 - один полный цикл данных для расчета мощности; 7 - временное испытание (прекращают испытание, когда период сбора данных равен 3 ч)
Рисунок D.6 - Испытание переходной теплопроизводительности с одним полным циклом с размораживанием в течение периода сбора данных

1 - соблюдение первых допустимых отклонений; 2 - период предварительной подготовки (минимум 10 мин); 3 - период равновесия 30 мин; 4 - период сбора данных 3 ч; 5 - размораживание в конце периода подготовки; 6 - два полных цикла данных для расчета мощности; 7 - временное испытание (прекращают испытание, когда период сбора данных равен 3 ч)
Рисунок D.7 - Испытание переходной теплопроизводительности с двумя полными циклами с размораживанием в течение периода сбора данных

1 - соблюдение первых допусков; 2 - период предварительной подготовки (минимум 10 мин); 3 - период равновесия 30 мин; 4 - период сбора данных 3 ч; 5 - период сбора данных; 6 - размораживание в конце периода подготовки; 7 - три полных цикла данных для расчета мощности; 8 - временное испытание (прекращают испытание, когда период сбора данных равен 3 ч)
Рисунок D.8 - Испытание переходной теплопроизводительности с тремя полными циклами с размораживанием в течение периода сбора данных
Приложение Е
(справочное)
Е.1 Общие положения
Настоящее приложение содержит примеры систем компенсации, которые можно использовать для испытания полной и пониженной производительности прибора типа "воздух - вода" (см. Е.2) или "вода (рассол) - вода (рассол)" (см. Е.3) в режимах охлаждения и обогрева.
Е.2 Система компенсации "воздух - вода" для бытовых приборов
Наружный теплообменник прибора типа "воздух - вода" восстанавливает энергию воздуха из закрытого климатического испытательного помещения в пределах температуры сухого и влажного термометра, поддерживаемой в допустимых диапазонах.
Внутренний теплообменник прибора подключен к испытательной установке, которая включает в себя:
- теплообменники с первичной и вторичной компенсациями для компенсации холодопроизводительности и теплопроизводительности прибора;
- один или несколько накопительных резервуаров, чтобы избежать больших отклонений температуры на входе (от 10 до 30 л/кВт), как показано на рисунке Е.1.

1 - испытуемый прибор; 2 - резервуар; 3 - первичный компенсационный теплообменник; 4 - вторичный компенсационный теплообменник; 5 - климатическая испытательная комната; 6 - температура на входе во внутренний теплообменник прибора; 7 - температура на выходе внутреннего теплообменника прибора; 8 - промежуточная температура для контроля испытательной установки (менее температур 6 и 7)
Рисунок Е.1 - Испытательная установка для прибора типа "воздух - вода (рассол)" на полную или пониженную мощность в режиме нагрева
Температура на выходе из внутреннего теплообменника 7 задается из системы управления испытуемого прибора 1. Количество тепла, протекающего через теплообменник 3, варьируется в зависимости от желаемой промежуточной температуры, значение которой устанавливается по решению руководителя испытаний, и определяется системой управления испытательной установки. Эта первая ступень управления (дополненная добавлением одного или нескольких накопительных резервуаров, см. рисунок Е.1) позволяет ослабить влияние больших изменений выходной температуры теплообменника прибора 7 (в частности, когда он работает циклически). Вторая ступень управления испытательной установки расположена в теплообменнике 4, где количество теплоты, протекающей в ней, регулируется в соответствии с требуемой температурой на входе внутреннего теплообменника прибора.
Е.3 Система компенсации для приборов типа "вода - рассол (вода)"
Испытуемый прибор устанавливают на испытательном стенде, который включает в себя:
- нагревательные и охлаждающие теплообменники для компенсации холодопроизводительности и теплопроизводительности прибора;
- один или несколько резервуаров для хранения, чтобы избежать больших отклонений температуры на входе (от 10 до 30 л/кВт), как показано на рисунке Е.2.

1 - испытуемый прибор; 2 - резервуар; 3 - первичный компенсационный теплообменник; 4 - вторичный компенсационный теплообменник; 5 - температура на входе во внутренний теплообменник прибора; 6 - температура на выходе внутреннего теплообменника прибора; 7 - промежуточная температура для контроля испытательной установки (меньше температур 5 и 6); 8 - температура на входе во внутренний теплообменник прибора; 9 - температура на выходе внутреннего теплообменника прибора; 10 - промежуточная температура для контроля испытательной установки (менее температур 8 и 9)
Рисунок Е.2 - Испытательная установка для прибора типа "вода (рассол) - вода (рассол)" на полную или пониженную мощность
Приложение F
(справочное)
F.1 Общие положения
Данное приложение допускается применять для обнаружения возможной ошибки измерения из-за плохой работы измерительного устройства, особенно когда результат испытания не соответствует ожидаемому результату.
F.2 Тепловой насос типа "вода (рассол) - вода (рассол)" в режиме обогрева
Для теплового насоса типа "вода (рассол) - вода (рассол)", для которого может быть рассчитан баланс энергии [см. формулу (F.2)], коэффициент баланса энергии, рассчитанный по формуле (F.3), не может превышать 0,37·ΔT-0,53 (где ΔT - разница между температурой на выходе и входе теплоносителя в теплообменнике внутреннего блока).
Расчет коэффициента энергетического баланса требует измерения и расчета дополнительных параметров: мощность наружного теплообменника, потери дымовых газов и потери рубашки, которые в настоящем стандарте не рассматриваются.
Для потерь в рубашке допускается использовать значение по умолчанию 4 % номинального расхода газа. Другие параметры характеристик устройств, необходимые для их определения, - в соответствии с их относительной важностью при соблюдении критерия.
Потери дымовых газов Flueloss, кВт, вычисляют по формуле
,
(F.1)
где Qgmh(Hi) - измеренная теплопроизводительность теплоты, кВт;
qc - потери дымовых газов согласно ГОСТ 34316.2-2-2017, подпункт 8.101.2.2, % от подводимой теплоты.
Энергетический баланс в режиме обогрева Ebalanceh, кВт/кВт, вычисляют по формуле
,
(F.2)
где Qgmh(Hs) - измеренная общая тепловая мощность, кВт;
Qgmh(Hi) - измеренная теплопроизводительность, кВт;
Pth - измеренная потребляемая мощность в режиме обогрева, кВт;
Qoutside - измеренная мощность по наружному теплообменнику(ам), кВт;
Qh - измеренная тепловая мощность, кВт;
Flueloss - потери дымовых газов, кВт;
Jloss - потери в оболочке, кВт.
Коэффициент энергетического баланса в режиме обогрева CoefEbalanceh, кВт/кВт, вычисляют по формуле
CoefEbalanceh = |Ebalanceh| + |UcEbalanceh|,
(F.3)
где Ebalanceh - энергетический баланс в режиме отопления, кВт/кВт;
UcEbalanceh - общая неопределенность энергетического баланса в режиме обогрева, кВт/кВт.
F.3 Чиллер или чиллер/нагреватель типа "вода (рассол) - вода (рассол)" в режиме охлаждения
Для чиллера или чиллера/нагревателя типа "вода (рассол) - вода (рассол)" в режиме охлаждения, для которого можно рассчитать энергетический баланс [см. формулу (F.5)], коэффициент энергетического баланса, рассчитанный по формуле (F.6), не может превышать 0,37·ΔT-0,53 (где ΔT - разница между температурами на выходе и входе теплоносителя на внутренний теплообменник).
Расчет коэффициента энергетического баланса требует измерения и расчета дополнительных параметров, которые строго не оговариваются в настоящем стандарте. Этими параметрами являются мощность наружного теплообменника, потери дымовых газов и потери рубашки.
Для потерь в рубашке допускается использовать значение по умолчанию, равное 4 % номинального расхода газа. Другие параметры характеристик устройств, необходимые для их определения, - в соответствии с их относительной важностью при соблюдении критерия.
Потери дымовых газов в режиме охлаждения Flueloss, кВт, вычисляют по формуле
,
(F.4)
где Qgmh(Hs) - измеренная общая тепловая мощность, кВт;
qc - потери дымовых газов согласно ГОСТ 34316.2-2-2017, подпункт 8.101.2.2, % от подводимой теплоты.
Энергетический баланс в режиме охлаждения Ebalancec, кВт/кВт, вычисляют по формуле
,
(F.5)
где Qgmh(Hs) - измеренная общая тепловая мощность, кВт;
Qgmh(Hi) - измеренная теплопроизводительность, кВт;
Ptc - измеренная потребляемая мощность в режиме охлаждения, кВт;
Qoutside - измеренная мощность по наружному теплообменнику/(ам), кВт;
Qc - измеренная мощность охлаждения, кВт;
Qhr - измеренная мощность рекуперации тепла в режиме охлаждения, кВт;
Flueloss - потери дымовых газов, кВт;
Jloss - потери в оболочке, кВт.
Коэффициент энергетического баланса в режиме охлаждения CoefEbalancec вычисляют по формуле
CoefEbalancec = |Ebalancec| + |UcEbalancec|,
(F.6)
где Ebalancec - энергетический баланс в режиме охлаждения, кВт/кВт;
UcEbalancec - общая неопределенность энергетического баланса в режиме охлаждения, кВт/кВт.
Приложение G
(справочное)
G.1 Общие положения
Данный метод измерения одновалентных приборов типов "воздух - вода", "вода - вода" и "рассол - вода", которые работают в циклическом режиме "включение - выключение", основан на следующем:
- достижение равновесия при сниженной мощности, когда горелка работает при минимальном подводе тепла, указанном в эксплуатационных документах;
- установление длительности "включение" и вычисление длительности "выключение" на основе требуемой нагрузки.
G.2 Процедура испытаний для измерения в циклическом режиме "включение - выключение"
Процедуру испытания для измерения в циклическом режиме "включение - выключение" следует проводить в соответствии с основными принципами, описанными в 4.5.3.1, с использованием метода температуры на входе (см. таблицу 9) и в соответствии со следующей последовательностью:
- шаг 0 - рассчитывают температуру на входе, относящуюся к фиксированному расходу воды, определенному в стандартных условиях испытаний, приведенных в ГОСТ Р 58841.3, и связанную с требуемой частичной нагрузкой;
- шаг 1 - переводят контроллер прибора в ручной режим, устанавливают температуру и расход в соответствии с условием испытания при частичной нагрузке и работают на горелке прибора при минимальном подводе тепла, допустимом в режиме непрерывной работы;
- шаг 2 - достигают равновесного периода, равного 60 мин, когда прибор работает при соблюдении соответствующих условий испытаний, указанных в таблице 9;
- шаг 3 - начинают цикл в положении "выключено" в течение 20 мин;
- шаг 4 - продолжают в положении "включено" в течение 20 мин;
- шаг 5 - завершают цикл в положении "выключено" продолжительностью, равной
мин (QE - эффективная мощность в течение положения "включено"; Р - необходимая частичная нагрузка);
- шаг 6 - повторяют шаги 4 и 5 для добавления трех раз (всего четыре цикла);
- шаг 7 - если измеренная частичная нагрузка превышает допустимый предел ± 4 %, повторяют шаги 1-6, используя положение "выключено", продолжительность которого допускает интерполяцию или экстраполяцию результатов при целевой частичной нагрузке.
Пример - Прибор с воздушным источником тепла в режиме обогрева:
- расчетная нагрузка для обогрева, равная 10 кВт;
- коэффициент частичной нагрузки PLR (см. [5], таблица 11, условие С) (для расчета справочной сезонной производительности в режиме обогрева приборов типа "воздух - вода" для высокотемпературного применения для среднего базисного отопительного периода), равный 0,35;
- требуемая частичная нагрузка, равная 3,5 кВт;
- расход при стандартных условиях испытаний - 1,1 м3/ч;
- температура на входе, равная 33,3 °С (относится к температуре на выходе, равной 36 °С, расходу и необходимой частичной нагрузке, равной 3,5 кВт);
- эффективная теплопроизводительность в течение периода "включено" при минимальном подводе тепла, равном 6 кВт;
- продолжительность "включено", равная 20 мин;
- продолжительность "выключено", равная
мин;
- если измеренная частичная нагрузка менее 3,36 кВт или более 3,64 кВт, повторяют испытание с другой продолжительностью цикла "выключено".
Приложение Н
(справочное)
Н.1 Общая информация
В протоколе испытаний должна быть приведена следующая информация:
a) дата;
b) место проведения испытаний;
c) адрес места проведения испытаний;
d) метод испытаний;
e) руководитель испытаний;
f) наименование прибора:
- тип;
- серийный номер/номер образца;
- наименование изготовителя;
- тип дымохода;
- семейство газов;
g) тип хладагента;
h) масса хладагента;
i) тип абсорбента или адсорбента;
j) масса абсорбента или адсорбента;
k) свойства теплоносителя, если они отличаются от воды или воздуха;
l) обозначение настоящего стандарта.
Н.2 Дополнительная информация
Допускается приводить дополнительную информацию, указанную на паспортной табличке, и любую другую информацию, относящуюся к испытанию. В частности, допускается указывать, проводится ли тестирование на новом устройстве или на том, которое используется. В случае испытания, проведенного на используемом приборе, может быть предоставлена информация относительно года установки и очистки теплообменных труб.
Н.3 Оценка результатов испытаний
Эффективные мощности, расходы газа и электроэнергии, GUE, AEF, внутреннее или внешнее статическое давление могут быть даны вместе с соответствующими номинальными условиями.
Приложение ДА
(справочное)
Таблица ДА. 1
|
Обозначение ссылочного национального, межгосударственного стандарта |
Степень соответствия |
Обозначение и наименование ссылочного стандарта |
|
ГОСТ 34316.2-2-2017 (EN 15502-2-2:2014) |
MOD |
EN 15502-2-2:2014 "Котлы газовые центрального отопления. Часть 2-2. Специальный стандарт для приборов типа В1" |
|
ГОСТ Р 58841.1-2020 |
MOD |
DIN EN 12309-1:2015 "Оборудование сорбционное газовое для нагревания и/или охлаждения с полезным подводом тепла не более 70 кВт. Часть 1. Термины и определения" |
|
ГОСТ Р 58841.2-2020 |
MOD |
DIN EN 12309-2:2016 "Оборудование сорбционное газовое для нагревания и/или охлаждения с полезным подводом тепла не более 70 кВт. Часть 2. Безопасность" |
|
ГОСТ Р 58841.3-2020 |
MOD |
DIN EN 12309-3:2015 "Оборудование сорбционное газовое для нагревания и/или охлаждения с полезным подводом тепла не более 70 кВт. Часть 3. Условия испытаний" |
|
ГОСТ Р 58841.7-2020 |
MOD |
DIN EN 12309-7:2015 "Оборудование сорбционное газовое для обогрева и/или охлаждения с полезным подводом тепла не более 70 кВт. Часть 7. Специальные требования к гибридным приборам" |
|
Примечание - В настоящей таблице использовано следующее условное обозначение степени соответствия стандартов: - MOD - модифицированный стандарт. | ||
Библиография
|
[1] |
CEN/TR 1749:2014 |
Приборы газовые. Европейская схема классификации по методу удаления продуктов сгорания [European scheme for the classification of gas appliances according to the method of evacuation of the combustion products (types)] |
|
[2] |
EH 12102:2013 |
Установки для кондиционирования воздуха, жидкостные холодильные агрегаты, тепловые насосы и осушители с электроприводными компрессорами для обогрева и охлаждения помещений. Измерение эмиссии воздушного шума. Определение уровня звуковой мощности (Air conditioners, liquid chilling packages, heat pumps and dehumidifiers with electrically driven compressors for space heating and cooling - Measurement of airborne noise - Determination of the sound power level) |
|
[3] |
EH 437:2018 |
Газы и давление для проверки бытовых приборов и категории приборов (Test gases - Test pressures - Appliance categories) |
|
[4] |
Comission Regulation (EU) N 327/2011 |
Регламент N 327/2011 Комиссии от 30 марта 2011 г. по применению Директивы 2009/125/ЕС Европейского парламента и Совета в отношении требований к экологическому проектированию вентиляторов с приводом от двигателя электрической входной мощностью 125 Вт - 500 кВт |
|
[5] |
EH 12309-6:2014 |
Оборудование сорбционное газовое для нагревания и/или охлаждения с полезным подводом тепла, не превышающим 70 кВт. Часть 6. Расчет сезонных характеристик (Gas-fired sorption appliances for heating and/or cooling with a net heat input not exceeding 70 kW - Part 6: Calculation of seasonal performances) |




















