ГОСТ Р МЭК 60086-2-2019 БАТАРЕИ ПЕРВИЧНЫЕ. Часть 2. ФИЗИЧЕСКИЕ И ЭЛЕКТРИЧЕСКИЕ ХАРАКТЕРИСТИКИ
Primary batteries. Part 2. Physical and electrical specifications
ОКС 29.220.10
ОКПД 27.20.1
Дата введения - 1 мая 2020 г.
Взамен ГОСТ Р МЭК 60086-2-2011
Предисловие
1 Подготовлен Национальной ассоциацией производителей источников тока "РУСБАТ" (Ассоциация "РУСБАТ") на основе собственного перевода на русский язык англоязычной версии стандарта, указанного в пункте 4
2 Внесен Техническим комитетом по стандартизации ТК 044 "Аккумуляторы и батареи"
3 Утвержден и введен в действие Приказом Федерального агентства по техническому регулированию и метрологии от 8 октября 2019 г. N 893-ст
4 Настоящий стандарт идентичен международному стандарту МЭК 60086-2:2015 "Батареи первичные. Часть 2. Физические и электрические характеристики" (IEC 60086-2:2015 "Primary batteries. Part 2: Physical and electrical specifications", IDT)
При применении настоящего стандарта рекомендуется использовать вместо ссылочных международных стандартов соответствующие им национальные стандарты, сведения о которых приведены в дополнительном приложении ДА
5 Взамен ГОСТ Р МЭК 60086-2-2011
6 Некоторые положения настоящего стандарта могут являться объектами патентных прав. Международная электротехническая комиссия (IEC) не несет ответственности за идентификацию подобных патентных прав
Введение
В настоящем стандарте установлены требования к физическим размерам, условиям испытаний первичных батарей на разряд и требованиям к разрядным характеристикам. МЭК 60086-2 дополняет основную информацию и требования, установленные в МЭК 60086-1.
Настоящий стандарт был разработан для того, чтобы принести пользу основным потребителям батарей, конструкторам приборов и изготовителям батарей путем предоставления им информации о формах, габаритных (посадочных) размерах и функциональных характеристиках для конкретных стандартизованных первичных элементов и батарей. За годы действия содержание стандарта МЭК 60086-2 изменялось в целях улучшения информационного наполнения и в дальнейшем будет пересматриваться в соответствии с решениями экспертов национальных комитетов на основе практического опыта и изменения технологии изготовления.
Действующая версия стандарта МЭК 60086-2 - это инициативная разработка, обусловленная необходимостью пересмотра и внесения изменений, в том числе некоторых изменений содержания стандарта с целью сделать его более понятным, исключающим в большей степени неоднозначную информацию, и на основе перекрестных ссылок полностью гармонизировать его с другими стандартами серии МЭК 60086.
Примечание - Требования безопасности установлены в МЭК 60086-4, МЭК 60086-5 и МЭК 62281.
Настоящий стандарт распространяется на первичные батареи, базирующиеся на стандартных электрохимических системах.
Настоящий стандарт устанавливает:
- физические размеры;
- условия испытаний на разряд и требования к разрядным характеристикам.
В настоящем стандарте использованы нормативные ссылки на следующие стандарты [для датированных ссылок следует использовать только указанное издание ссылочного стандарта, для недатированных - последнее издание (включая все изменения к нему)]:
IEC 60086-1:2015, Primary batteries - Part 1: General (Батареи первичные. Часть 1. Общие требования)
ISO 1101, Geometrical Product Specifications (GPS) - Geometrical tolerancing - Tolerances of form, orientation, location and run-out (Геометрические характеристики продукции (GPS). Геометрические допуски. Допуски на форму, расположение, размещение и эксцентриситет)
В настоящем стандарте применены термины по МЭК 60086-1, а также следующие термины с соответствующими определениями:
3.1.1 испытание на применение (application test): Моделирование фактического использования батареи в конкретном приложении.
3.1.2 напряжение замкнутой цепи; НЗЦ (closed-circuit voltage; CCV): Напряжение на выводах батареи при ее разряде.
3.1.3 конечное напряжение Uр.к. (end-point voltage; EV): Установленное значение напряжения замкнутой цепи батареи, при котором разряд батареи прекращают.
3.1.4 минимальная средняя продолжительность разряда; СПРМ (minimum average duration; MAD): Минимальное среднее время разряда, которое обеспечивается образцом батарей.
Примечание - Испытания на разряд проводят в соответствии с установленными методами или стандартами. Они предназначены для определения соответствия стандарту, применяемому для батарей конкретного типа.
3.1.5
|
номинальное напряжение (первичной батареи) Uн [nominal voltage (of a primary battery); Vn]: Соответствующее приблизительное значение напряжения, используемое для идентификации элемента, батареи или электрохимической системы. [МЭК 60050-482:2004, статья 482-03-31, внесено изменение: добавлено "первичной батареи"] |
3.1.6 напряжение разомкнутой цепи; НРЦ (open-circuit voltage, OCV): Напряжение на выводах батареи, когда она не разряжается.
3.1.7 первичные (элемент или батарея) [primary (cell or battery)]: Элемент или батарея, не предназначенные для электрической подзарядки.
3.1.8 круглые (элемент или батарея) [round (cell or battery)]: Элемент или батарея с поперечным сечением в форме круга.
3.1.9 рабочий показатель (первичной батареи) (service output (of a primary battery): Длительность работы, отдаваемые емкость или энергия батареи при установленных условиях разряда.
3.1.10 определение рабочих показателей; ОРП (service output test): Испытание, предназначенное для измерения рабочих показателей батареи.
Примечание - Испытания определения рабочих показателей могут быть применены, например, в следующих случаях:
a) испытания на применение затруднительно воспроизвести;
b) продолжительность испытания на применение может сделать его неосуществимым для целей обычного испытания.
3.1.11
|
срок сохраняемости (storage life): Продолжительность времени при установленных условиях, по истечении которого батарея сохраняет способность обеспечить свои рабочие показатели. [МЭК 60050-482:2004, статья 482-03-47, внесено изменение: слово "функции" заменено на "рабочий показатель"] |
3.1.12 выводы (первичной батареи) [(terminals (of a primary battery)]: Токопроводящие части батареи, обеспечивающие подключение к внешней цепи.
Uр.к. - конечное напряжение разряда;
СПРМ - минимальная средняя продолжительность разряда;
НРЦ - напряжение разомкнутой цепи;
R - нагрузочное сопротивление (сопротивление нагрузки);
Uн - номинальное напряжение батареи.
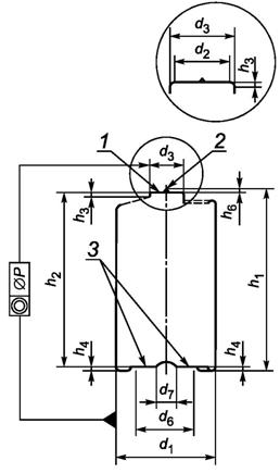
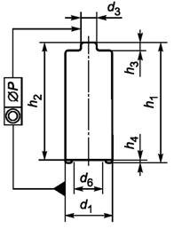
Для описания физических размеров батарей используют следующие обозначения:
h1 - максимальная общая высота батареи;
h2 - минимальное расстояние между плоскостями положительного и отрицательного выводов (контактов);
h3 - минимальный выступ плоскости положительного контакта;
h4 - максимальное углубление плоскости отрицательного контакта;
h5 - минимальный выступ плоскости отрицательного контакта;
d1 - максимальный и минимальный диаметры батареи;
d2 - минимальный диаметр плоскости положительного вывода (контакта);
d3 - максимальный диаметр положительного контакта в пределах указанной высоты выступа;
d4 - минимальный диаметр плоского отрицательного вывода (контакта);
d5 - максимальный диаметр отрицательного контакта в пределах указанной высоты выступа;
d6 - минимальный внешний диаметр поверхности плоского отрицательного контакта;
d7 - максимальный внутренний диаметр поверхности плоского отрицательного контакта;
ØР - концентричность положительного вывода (контакта).
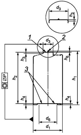
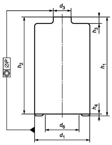
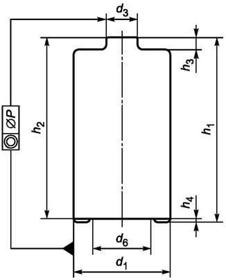
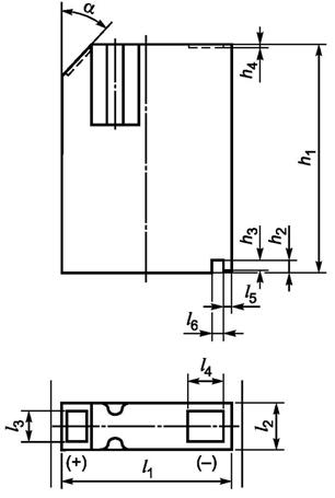
Для батарей, имеющих форму, показанную на рисунке 1а, на поверхности плоского отрицательного контакта допускаются выемки, определяемые размерами d6 и d7, при условии, что батареи, размещаемые в последовательном соединении конец к концу, будут иметь друг с другом электрический контакт и разделение контактов кратно разделению контактов для одной батареи. Должны быть соблюдены следующие условия:
d6 > d3 d2 > d7 h3 > h4
5.1 Батареи разделяют на несколько категорий в зависимости от их формы.
5.2 В каждой категории батареи, имеющие одинаковую форму, но принадлежащие к различным электрохимическим системам, сгруппированы вместе и показаны последовательно.
5.3 Батареи всегда перечисляют в порядке возрастания их номинального напряжения, а в пределах одинакового номинального напряжения - в порядке возрастания их объема.
5.4 Для каждой категории батарей показан один общий рисунок формы батареи, относящейся к этой категории.
5.5 Обозначение, номинальное напряжение, размеры, условия разряда, минимальная средняя продолжительность разряда и сфера применения батарей, относящихся к одной группе, сведены в одну таблицу.
5.6 В случае, если на рисунке показан только один тип батарей, соответствующие размеры батарей могут быть указаны непосредственно на рисунке.
5.7 Батареи группируют по следующим категориям:
a) категория 1:
R1, R03, R6P, R6S, R14P, R14S, R20P, R20S;
LR8D425, LR1, LR03, LR6, LR14, LR20;
FR10G445, FR14505;
b) категория 2:
CR14250, CR15H270, CR17345, CR17450, BR17335;
c) категория 3:
LR9, CR11108;
d) категория 4:
PR70, PR41, PR48, PR44;
LR41, LR55, LR54, LR43, LR44;
SR62, SR63, SR65, SR64, SR60, SR67, SR66, SR58, SR68, SR59, SR69, SR41, SR57, SR55, SR48, SR54, SR42, SR43, SR44;
CR1025, CR1216, CR1220, CR1616, CR2012, CR1620, CR2016, CR2025, CR2320, CR2032, CR2330, CR2430, CR2354, CR3032, CR2450;
BR1225, BR2016, BR2320, BR2325, BR3032;
e) категория 5 - другие круглые батареи - разные:
4LR44;
2CR13252;
4SR44;
5AR40;
f) категория 6 - некруглые батареи - разные:
3R12P, 3R12S, 3LR12;
4LR61;
CR-P2;
2CR5;
4R25X, 4LR25X;
4R25Y;
4R25-2, 4LR25-2;
6F22, 6LR61, 6LP3146;
6AS4;
6AS6.
5.8 На чертежах спецификации показана форма соответствующих батарей. Размеры для каждой батареи приведены в таблицах раздела 6.
Примечание - Для удобства определения размеров батарей см. приложения А, В и С.
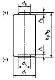
|
Рисунок 1а |
Для определения размеров батарей см. раздел 4. Цилиндрическая поверхность изолирована от контактов. Выводы: плоскость/крышка и основание. Общую информацию см. в МЭК 60086-1. Рисунок 1а - отрицательный контакт может не быть плоским по всей поверхности. Рисунок 1b - отрицательный контакт должен быть практически плоским по всей поверхности. Для батарей, соответствующих приведенным на рисунках 1а и 1b, плоский отрицательный контакт не обязательно утоплен. Если плоская отрицательная контактирующая поверхность формирует нижнюю часть батареи, оба размера h1 и h2 измерены от поверхности и размер h4 равен нулю. Размеры ØР подлежат измерению в соответствии с ИСО 1101. Профиль над пунктирными линиями не задан. 1 - положительный контакт. 2 - типун (опция, размер h6 для батарей с типуном максимум 0,4 мм). 3 - поверхность отрицательного контакта. |
|
Рисунок 1b Рисунок 1 - Габаритный чертеж: категория 1 |
Размеры в миллиметрах
|
Рисунок 2 - Габаритный чертеж LR20, R20P, R20S |
Размер |
LR20 |
R20P |
R20S | ||
|
h1 |
Макс. |
61,5 |
61,5 |
61,5 | ||
|
h2 |
Мин. |
59,5 |
59,5 |
59,5 | ||
|
h3 |
Мин. |
1,5 |
1,5 |
1,5 | ||
|
h4 |
Макс. |
1,0 |
1,0 |
1,0 | ||
|
d1 |
Макс. |
34,2 |
34,2 |
34,2 | ||
|
Мин. |
32,3 |
32,3 |
32,3 | |||
|
d3 |
Макс. |
9,5 |
9,5 |
9,5 | ||
|
d6 |
Мин. |
18,0 |
18,0 |
18,0 | ||
|
ØР |
Макс. |
1,0 |
1,0 |
1,0 | ||
|
Буква электрохимической системы |
L |
Без буквы |
Без буквы | |||
|
Обозначение по МЭК |
LR20 |
R20P (высокомощные) |
R20S (стандартные) | |||
|
Распространенные обозначения |
D |
D |
D | |||
|
Uн, В |
1,5 |
1,5 |
1,5 | |||
|
НРЦмакс., В |
1,68 |
1,73 |
1,73 | |||
|
Разрядные характеристики по истечении 12 мес хранения (% от СПРМ) |
90 |
80 |
80 | |||
|
Применение |
Нагрузка |
Период |
Uр.к., В |
СПРМ а) (начальная) | ||
|
Фонари |
2,2 Ом |
4 мин/15 мин 8 ч/сут |
0,9 |
750 мин |
220 мин |
85 мин |
|
Игрушки |
2,2 Ом |
1 ч |
0,8 |
16 ч |
5,5 ч |
2 ч |
|
Радио |
10 Ом |
4 ч |
0,9 |
Не проводится |
33 ч |
18 ч |
|
Портативный магнитофон |
Ток нагрузки 600 мА |
2 ч |
0,9 |
11 ч |
Не проводят |
Не проводят |
|
а) Стандартные условия (см. МЭК 60086-1:2015, таблица 3, испытания на начальный разряд). | ||||||
Размеры в миллиметрах
|
Рисунок 3 - Габаритный чертеж LR14, R14P, R14S |
Размер |
LR14 |
R14P |
R14S | |
|
h1 |
Макс. |
50,0 |
50,0 |
50,0 | |
|
h2 |
Мин. |
48,6 |
48,6 |
48,6 | |
|
h3 |
Мин. |
1,5 |
1,5 |
1,5 | |
|
h4 |
Макс. |
0,9 |
0,9 |
0,9 | |
|
d1 |
Макс. |
26,2 |
26,2 |
26,2 | |
|
Мин. |
24,9 |
24,9 |
24,9 | ||
|
d3 |
Макс. |
7,5 |
7,5 |
7,5 | |
|
d6 |
Мин. |
13,0 |
13,0 |
13,0 | |
|
ØР |
Макс. |
1,0 |
1,0 |
1,0 | |
|
Буква электрохимической системы |
L |
Без буквы |
Без буквы | |||
|
Обозначение по МЭК |
LR14 |
R14P (высокомощные) |
R14S (стандартные) | |||
|
Распространенные обозначения |
С |
С |
С | |||
|
Uн, В |
1,5 |
1,5 |
1,5 | |||
|
НРЦмакс., В |
1,68 |
1,73 |
1,73 | |||
|
Разрядные характеристики по истечении 12 мес хранения (% от СПРМ) |
90 |
80 |
80 | |||
|
Применение |
Нагрузка |
Период |
Uр.к., В |
СПРМ а) (начальная) | ||
|
Игрушки |
3,9 Ом |
1 ч |
0,8 |
14 ч |
4 ч |
1,5 ч |
|
Фонари |
3,9 Ом |
4 мин/15 мин 8 ч/сут |
0,9 |
790 мин |
200 мин |
90 мин |
|
Портативный магнитофон |
Ток нагрузки 400 мА |
2 ч |
0,9 |
8 ч |
Не проводят |
Не проводят |
|
а) Стандартные условия (см. МЭК 60086-1:2015, таблица 3, испытания на начальный разряд). | ||||||
Размеры в миллиметрах
|
Рисунок 4 - Габаритный чертеж LR6, FR14505, R6P, R6S |
Размер |
LR6, FR14505 |
R6P, R6S | ||
|
h1 |
Макс. |
50,5 |
50,5 | ||
|
h2 |
Мин. |
49,5 |
49,5 | ||
|
h3 |
Мин. |
1,0 |
1,0 | ||
|
h4 |
Макс. |
0,5 |
0,5 | ||
|
d1 |
Макс. |
14,5 |
14,5 | ||
|
Мин. |
13,7 |
13,7 | |||
|
d3 |
Макс. |
5,5 |
5,5 | ||
|
d6 |
Мин. |
7,0 |
7,0 | ||
|
ØР |
Макс. |
0,25 |
0,5 | ||
|
Буква электрохимической системы |
L |
F |
Без буквы |
Без буквы | |||
|
Обозначение по МЭК |
LR6 |
FR14505 |
R6P (высокомощные) |
R6S (стандартные) | |||
|
Распространенные обозначения |
АА |
АА, FR6 |
АА |
АА | |||
|
Uн, В |
1,5 |
1,5 |
1,5 |
1,5 | |||
|
НРЦмакс., В |
1,68 |
1,83 |
1,73 |
1,73 | |||
|
Разрядные характеристики по истечении 12 мес хранения (% от СПРМ) |
90 |
95 |
80 |
80 | |||
|
Применение |
Нагрузка |
Период |
Uр.к., В |
СПРМ а) (начальная) | |||
|
Цифровая фотокамера |
1500 мВт 650 мВт |
b) |
1,05 |
40 импульсов |
370 импульсов |
Не проводят |
Не проводят |
|
Портативный фонарь (светодиодный) |
3,9 Ом |
4 мин/ч 8/сут |
0,9 |
230 мин |
Не проводят |
60 мин |
Не проводят |
|
Игрушки с мотором |
3,9 Ом |
1 ч |
0,8 |
5 ч |
Не проводят |
65 мин |
45 мин |
|
Игрушки без мотора |
250 мА |
1 ч |
0,9 |
5 ч |
Не проводят |
Не проводят |
Не проводят |
|
CD, цифровое аудио, беспроводные игры и аксессуары |
100 мА |
1 ч |
0,9 |
15 ч |
Не проводят |
4,5 ч |
Не проводят |
|
Радиоприемник/ Будильник |
43 Ом |
4 ч |
0,9 |
Не проводят |
Не проводят |
Не проводят |
22 ч |
|
Радиоприемник/ Будильник/ Пульт дистанционного управления |
50 мА |
1 ч/8 ч 24 ч/сут |
1,0 |
30 ч |
Не проводят |
10 ч |
Не проводят |
|
Фонарь высокой интенсивности |
1000 мВт |
4 мин/15 мин 8 ч/сут |
1,0 |
Не проводят |
120 мин |
Не проводят |
Не проводят |
|
a) Стандартные условия (см. МЭК 60086-1:2015, таблица 3, испытания на начальный разряд). b) Повтор в часовом цикле: 10 раз импульс 1500 мВт 2 с и импульс 650 мВт 28 с, затем 55 мин без нагрузки. | |||||||
Размеры в миллиметрах
|
Рисунок 5 - Габаритный чертеж LR03, FR10G445, R03 |
Размер |
LR03, FR10G445 |
R03 | |
|
h1 |
Макс. |
44,5 |
44,5 | |
|
h2 |
Мин. |
43,5 |
43,5 | |
|
h3 |
Мин. |
0,8 |
0,8 | |
|
h4 |
Макс. |
0,5 |
0,5 | |
|
d1 |
Макс. |
10,5 |
10,5 | |
|
Мин. |
9,8 |
9,8 | ||
|
d3 |
Макс. |
3,8 |
3,8 | |
|
d6 |
Мин. |
4,3 |
4,3 | |
|
ØР |
Макс. |
0,25 |
0,4 | |
|
Буква электрохимической системы |
L |
F |
Без буквы | |||
|
Обозначение по МЭК |
LR03 |
FR10G445 |
R03 | |||
|
Распространенные обозначения |
AAA |
AAA, FR03 |
AAA | |||
|
Uн, В |
1,5 |
1,5 |
1,5 | |||
|
НРЦмакс., В |
1,68 |
1,83 |
1,73 | |||
|
Разрядные характеристики по истечении 12 мес хранения (% от СПРМ) |
90 |
95 |
80 | |||
|
Применение |
Нагрузка |
Период |
Uр.к., В |
СПРМ а) (начальная) | ||
|
Цифровая фотокамера |
1200 мВт 650 мВт |
b) |
1,05 |
Не проводят |
100 импульсов |
Не проводят |
|
Фонарь |
5,1 Ом |
4 мин/ч 8 ч/сут |
0,9 |
130 мин |
Не проводят |
50 мин |
|
Игрушки |
5,1 Ом |
1 ч |
0,8 |
120 мин |
Не проводят |
30 мин |
|
Цифровое аудио |
50 мА |
1 ч включено, 11 ч выключено, 24 ч/сут |
0,9 |
12 ч |
16 ч |
3 ч |
|
Пульт дистанционного управления |
24 Ом |
15 с/мин 8 ч/сут |
1,0 |
14,5 ч |
Не проводят |
4 ч |
|
Радиоприемник |
75 Ом |
4 ч |
0,9 |
Не проводят |
Не проводят |
20 ч |
|
Фонарь высокой интенсивности |
400 мВт |
4 мин/15 мин 8 ч/сут |
1,0 |
Не проводят |
140 мин |
Не проводят |
|
a) Стандартные условия (см. МЭК 60086-1:2015, таблица 3, испытания на начальный разряд). b) Повтор в часовом цикле: 10 раз импульс 1200 мВт 2 с и импульс 650 мВт 28 с, затем 55 мин без нагрузки. | ||||||
Размеры в миллиметрах
|
Рисунок 6 - Габаритный чертеж LR1, R1, LR8D425 |
Размер |
LR1 |
R1 |
LR8D425 | ||
|
h1 |
Макс. |
30,2 |
30,2 |
42,5 | ||
|
h2 |
Мин. |
29,1 |
29,1 |
41,5 | ||
|
h3 |
Мин. |
0,5 |
0,5 |
0,7 | ||
|
h4 |
Макс. |
0,2 |
0,2 |
0,1 | ||
|
d1 |
Макс. |
12,0 |
12,0 |
8,3 | ||
|
Мин. |
10,9 |
10,9 |
7,7 | |||
|
d3 |
Макс. |
4,0 |
4,0 |
3,8 | ||
|
d6 |
Мин. |
5,0 |
5,0 |
2,3 а) | ||
|
ØР |
Макс. |
0,5 |
0,5 |
0,1 | ||
|
a) В этой батарее не выполняется требование d6 > d3 из-за конструктивных ограничений. | ||||||
|
Буква электрохимической системы |
L |
Без буквы |
L | |||
|
Обозначение по МЭК |
LR1 |
R1 |
LR8D425 | |||
|
Распространенные обозначения |
N |
N |
АААА | |||
|
Uн, В |
1,5 |
1,5 |
1,5 | |||
|
НРЦмакс., В |
1,68 |
1,73 |
1,68 | |||
|
Разрядные характеристики по истечении 12 мес хранения (% от СПРМ) |
90 |
80 |
90 | |||
|
Применение |
Нагрузка |
Период |
Uр.к., В |
СПРМ а) (начальная) | ||
|
Фонарь |
5,1 Ом |
5 мин |
0,9 |
94 мин |
30 мин |
90 мин |
|
Пейджер |
Импульс: 10 Ом Фон: 3000 Ом |
5 с/ч 24 ч/сут b) |
0,9 |
888 ч |
Не проводят |
Не проводят |
|
Лазерная указка |
75 Ом |
1 ч |
1,1 |
Не проводят |
Не проводят |
22 ч |
|
ОРП |
75 Ом |
1 ч |
0,9 |
Не проводят |
Не проводят |
27 ч |
|
Слуховой аппарат |
300 Ом |
12 ч |
0,9 |
130 ч |
76 ч |
Не проводят |
|
a) Стандартные условия (см. МЭК 60086-1:2015, таблица 3, испытания на начальный разряд). b) Импульсную нагрузку отдельно прикладывают к батарее. Это эффективная нагрузка. Ее не добавляют последовательно или параллельно фоновой нагрузке. См. рисунок, приведенный ниже.
| ||||||
Размеры в миллиметрах
|
Рисунок 7 - Габаритный чертеж CR14250, CR15H270, CR17345, CR17450, BR17335 |
Размер |
CR14250 |
CR15H270 |
CR17345 |
CR17450 |
BR17335 | |
|
h1/h2 |
Макс. |
25,0 |
27,0 b |
34,5 |
45,0 |
33,5 | |
|
h3 |
Мин. |
23,5 |
26,0 b |
33,5 |
43,5 |
32,0 | |
|
h4 |
Мин. |
0,4 |
0,6 |
1,0 |
0,4 |
0,1 | |
|
Макс. |
- |
0,4 |
0,9 |
- |
- | ||
|
d1 |
Мин. |
- |
0,05 |
0,5 |
- |
- | |
|
Макс. |
14,5 |
15,6 |
17,0 |
17,0 |
17,0 | ||
|
d3 |
Мин. |
13,5 |
15,0 |
16,0 |
16,0 |
16,0 | |
|
d6 |
Макс. |
8,0 |
7,0 |
9,6 |
8,0 |
8,0 | |
|
ØP |
Мин. |
5,0 |
8,5 |
11,0 |
5,0 |
5,0 | |
|
Определение размеров см. в разделе 4. Цилиндрическая поверхность изолирована от контактов. Выводы: плоский/колпачок и основание. Общую информацию см. в МЭК 60086-1. | |||||||
|
Буква электрохимической системы |
С |
В | ||||||
|
Обозначение по МЭК |
CR14250 |
CR15H270 |
CR17345 |
CR17450 |
BR17335 | |||
|
Распространенные обозначения |
CR-1/2AA |
CR2 |
123, CR123A |
CR-A |
BR-2/3A | |||
|
Uн, В |
3,0 |
3,0 |
3,0 |
3,0 |
3,0 | |||
|
НРЦмакс., В |
3,7 |
3,7 |
3,7 |
3,7 |
3,7 | |||
|
Разрядные характеристики по истечении 12 мес хранения (% от СПРМ) |
98 |
98 |
98 |
98 |
98 | |||
|
Применение |
Нагрузка |
Период |
Uр.к., В |
СПРМ а) (начальная) | ||||
|
Фото |
Ток нагрузки 900 мА |
3 с/30 с 24 ч/сут |
1,55 |
Не проводят |
840 импульсов |
1400 импульсов |
Не проводят |
Не проводят |
|
ОРП |
0,1 кОм |
24 ч |
2,0 |
Не проводят |
Не проводят |
40 ч |
Не проводят |
Не проводят |
|
ОРП |
0,2 кОм |
24 ч |
2,0 |
Не проводят |
48 ч |
Не проводят |
Не проводят |
Не проводят |
|
ОРП |
1 кОм |
24 ч |
1,8 |
Не проводят |
Не проводят |
Не проводят |
Не проводят |
380 ч |
|
ОРП |
1 кОм |
24 ч |
2,0 |
Не проводят |
Не проводят |
Не проводят |
710 ч |
Не проводят |
|
ОРП |
3 кОм |
24 ч |
2,0 |
750 ч |
Не проводят |
Не проводят |
Не проводят |
Не проводят |
|
a) Стандартные условия (см. МЭК 60086-1:2015, таблица 3, испытания на начальный разряд). b) Размеры h1/h2 следует измерять на напусках этикетки. | ||||||||
Размеры в миллиметрах
|
Рисунок 8 - Габаритный чертеж LR9, CR11108 |
Размер |
LR9 |
CR11108 | |
|
h1 |
Макс. |
6,2 |
10,8 | |
|
h2 |
Мин. |
5,6 |
10,4 | |
|
h3 |
Мин. |
2,0 |
- | |
|
h4 |
Мин. |
0,2 |
0,2 | |
|
d1 |
Макс. |
16,0 |
11,6 | |
|
Мин. |
15,2 |
11,4 | ||
|
d2 |
Мин. |
10,0 |
9,0 | |
|
d3 |
Макс. |
13,5 |
- | |
|
d4 |
Мин. |
10,0 |
3,0 | |
|
ØР |
Макс. |
12,5 |
9,0 | |
|
Определение размеров см. в разделе 4. Цилиндрическая поверхность соединена с положительным выводом. Выводы: плоский/колпачок и корпус. Общую информацию см. в МЭК 60086-1. Никакая часть батареи не должна выступать за поверхность положительного контакта. Маркировка по МЭК 60086-1:2015, пункт 4.1.6.2. 1 - типун (опция). | ||||
|
Буква электрохимической системы |
L |
С | |||
|
Обозначение по МЭК |
LR9 |
CR11108 | |||
|
Распространенные обозначения |
- |
1/3N | |||
|
Uн, В |
1,5 |
3,0 | |||
|
НРЦмакс., В |
1,68 |
3,7 | |||
|
Разрядные характеристики по истечении 12 мес хранения (% от СПРМ) |
90 |
98 | |||
|
Применение |
Нагрузка |
Период |
Uр.к., В |
СПРМ а) (начальная) | |
|
ОРП |
0,39 кОм |
24 ч |
0,9 |
48 ч |
Не проводят |
|
ОРП |
15 кОм |
24 ч |
2,0 |
Не проводят |
620 ч |
|
а) Стандартные условия (см. МЭК 60086-1:2015, таблица 3, испытания на начальный разряд). | |||||
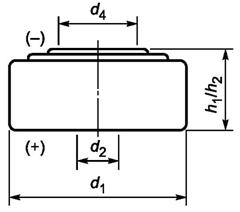
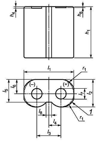
|
Рисунок 9 - Габаритный чертеж категории батарей 4 |
Определение размеров см. в разделе 4. Цилиндрическая поверхность соединена с положительным выводом. Положительный контакт должен быть подсоединен к боковой стороне батареи, но может быть подсоединен и к основанию. Выводы: плоский/колпачок и корпус. Плоский отрицательный контакт должен выступать. Устойчивость контакта к деформации, см. МЭК 60086-1:2015, пункт 4.1.3.2. Общую информацию см. в МЭК 60086-1. Разница между высотой батареи и расстоянием между контактами не должна превышать 0,1 мм. Никакая часть батареи не должна выступать за пределы положительного контакта. Маркировка по МЭК 60086-1:2015, пункт 4.1.6.2. |
Размеры в миллиметрах
|
Рисунок 10 - Габаритный чертеж PR70, PR41, PR48, PR44 |
Размер |
PR70 |
PR41 |
PR48 |
PR44 | |
|
h1/h2 |
Макс. |
3,60 |
3,60 |
5,40 |
5,40 | |
|
Мин. |
3,30 |
3,30 |
5,05 |
5,05 | ||
|
d1 |
Макс. |
5,80 |
7,90 |
7,90 |
11,60 | |
|
Мин. |
5,65 |
7,70 |
7,70 |
11,30 | ||
|
d2 |
Мин. |
- |
3,80 |
3,80 |
3,80 | |
|
d4 |
Мин. |
- |
3,00 |
3,00 |
3,80 | |
|
Буква электрохимической системы |
P | ||||||
|
Обозначение по МЭК |
PR70 b), c) |
PR41 b), c) |
PR48 b), c) |
PR44 b), c) | |||
|
Распространенные обозначения |
10, PR536 |
312 |
13 |
675 | |||
|
Uн, В |
1,4 |
1,4 |
1,4 |
1,4 | |||
|
НРЦмакс., В |
1,59 |
1,59 |
1,59 |
1,59 | |||
|
Разрядные характеристики по истечении 12 мес. хранения (% от СПРМ) |
95 |
95 |
95 |
95 | |||
|
Применение |
Нагрузка |
Период |
Uр.к., В |
СПРМ а) (начальная) | |||
|
Слуховой аппарат стандартный |
Импульс: 5 мА Фон: 1 мА |
d), e) |
1,05 |
50 ч |
Не проводят |
Не проводят |
Не проводят |
|
Слуховой аппарат высокопотребляющий |
Импульс: 5 мА Фон: 1,5 мА |
d), e) |
1,1 |
35 ч |
Не проводят |
Не проводят |
Не проводят |
|
Слуховой аппарат стандартный |
Импульс: 10 мА Фон: 2 мА |
d), e) |
1,05 |
Не проводят |
55 ч |
Не проводят |
Не проводят |
|
Беспроводная потоковая передача |
Импульс: 5 мА (15 мин) Фон: 2 мА |
d), f) |
1,1 |
Не проводят |
30 ч |
Не проводят |
Не проводят |
|
Слуховой аппарат стандартный |
Импульс: 12 мА Фон: 3 мА |
d), e) |
1,05 |
Не проводят |
Не проводят |
55 ч |
Не проводят |
|
Беспроводная потоковая передача |
Импульс: 5 мА (15 мин) Фон: 3 мА |
d), f) |
1,1 |
Не проводят |
Не проводят |
45 ч |
Не проводят |
|
Слуховой аппарат стандартный |
Импульс: 15 мА Фон: 5 мА |
d), e) |
1,05 |
Не проводят |
Не проводят |
Не проводят |
70 ч |
|
Слуховой аппарат высокопотребляющий |
Импульс: 24 мА Фон: 8 мА |
d), e) |
1,05 |
Не проводят |
Не проводят |
Не проводят |
45 ч |
|
a) Стандартные условия (см. МЭК 60086-1:2015, таблица 3, испытания на начальный разряд). b) Между включением и началом электрических измерений должен пройти период не менее 10 мин. c) Внимание конструкторов оборудования обращено на важность установки положительного электрического контакта для батарей системы "Р" на боковой стороне батареи таким образом, чтобы не препятствовать подаче воздуха. d) Импульсную нагрузку отдельно прикладывают к батарее. Это эффективная нагрузка. Ее не добавляют последовательно или параллельно фоновой нагрузке. См. рисунок в перечислении f). e) Шесть повторяющихся циклов нагрузки: импульсной в течение 100 мс, затем фоновой в течение 119 мин, 59 с, 900 мс, далее без нагрузки в течение 12 ч. f) Двенадцать повторяющихся циклов нагрузки: импульсной в течение 15 мин, затем фоновой в течение 45 мин, далее без нагрузки в течение 12 ч.
| |||||||

Рисунок 11 - Отверстие калибра для батарей Р-системы
Размеры в миллиметрах
|
Буква электрохимической системы |
Обозначение |
D |
d |
Н |
h | ||||
|
Номинальный |
Допуск |
Номинальный |
Допуск |
Номинальный |
Допуск |
Номинальный |
Допуск | ||
|
Р |
PR70 |
5,810 |
± 0,005 |
4,210 |
± 0,005 |
3,610 |
± 0,005 |
2,810 |
± 0,005 |
|
PR41 |
7,910 |
± 0,005 |
5,510 |
± 0,005 |
3,610 |
± 0,005 |
2,410 |
± 0,005 | |
|
PR48 |
7,910 |
± 0,005 |
5,510 |
± 0,005 |
5,410 |
± 0,005 |
4,210 |
± 0,005 | |
|
PR44 |
11,610 |
± 0,005 |
9,010 |
± 0,005 |
5,410 |
± 0,005 |
4,110 |
± 0,005 | |
Размеры в миллиметрах

Калибр 1) должен поддерживать физическую целостность для формы, посадки и функционирования.
Рисунок 12 - Предлагаемая разметка калибра
──────────────────────────────
1) Калибр должен быть выполнен из непроводящего материала.
──────────────────────────────
|
Рисунок 13 - Размещения отверстий подачи воздуха для батарей Р-системы | ||||||
|
Буква электрохимической системы |
Обозначение |
d1 |
l1 (макс.) |
l2 (мин.) |
l3 (макс.) | |
|
Макс. |
Мин. | |||||
|
Р |
PR70 |
5,80 |
5,65 |
- |
- |
2,00 |
|
PR41 |
7,90 |
7,70 |
3,70 |
2,30 |
1,00 | |
|
PR48 |
7,90 |
7,70 |
3,70 |
2,30 |
1,00 | |
|
PR44 |
11,60 |
11,30 |
5,80 |
3,80 |
1,00 | |
Размеры в миллиметрах
|
Рисунок 14 - Габаритный чертеж LR41, LR55, LR54, LR43, LR44 |
Размеры |
LR41 |
LR55 |
LR54 |
LR43 |
LR44 | |
|
h1/h2 |
Макс. |
3,6 |
2,1 |
3,05 |
4,2 |
5,4 | |
|
Мин. |
3,3 |
1,85 |
2,75 |
3,8 |
5,0 | ||
|
d1 |
Макс. |
7,9 |
11,6 |
11,6 |
11,6 |
11,6 | |
|
Мин. |
7,55 |
11,25 |
11,25 |
11,25 |
11,25 | ||
|
d2 |
Мин. |
3,8 |
3,8 |
3,8 |
3,8 |
3,8 | |
|
d4 |
Мин. |
3,0 |
3,8 |
3,8 |
3,8 |
3,8 | |
|
Буква электрохимической системы |
L | |||||||
|
Обозначение по МЭК |
LR41 |
LR55 |
LR54 |
LR43 |
LR44 | |||
|
Распространенные обозначения |
192 |
191 |
189, LR1130 |
186 |
А76 | |||
|
Uн, В |
1,5 |
1,5 |
1,5 |
1,5 |
1,5 | |||
|
НРЦмакс., В |
1,68 |
1,68 |
1,68 |
1,68 |
1,68 | |||
|
Разрядные характеристики по истечении 12 мес хранения (% от СПРМ) |
90 |
90 |
90 |
90 |
90 | |||
|
Применение |
Нагрузка |
Период |
Uр.к., В |
СПРМ а) (начальная) | ||||
|
ОРП |
22 кОм |
24 ч |
1,2 |
300 ч |
Не проводят |
Не проводят |
Не проводят |
Не проводят |
|
ОРП |
22 кОм |
24 ч |
1,2 |
Не проводят |
275 ч |
Не проводят |
Не проводят |
Не проводят |
|
ОРП |
15 кОм |
24 ч |
1,2 |
Не проводят |
Не проводят |
350 ч |
Не проводят |
Не проводят |
|
ОРП |
10 кОм |
24 ч |
1,2 |
Не проводят |
Не проводят |
Не проводят |
359 ч |
Не проводят |
|
ОРП |
6,8 кОм |
24 ч |
1,2 |
Не проводят |
Не проводят |
Не проводят |
Не проводят |
340 ч |
|
а) Стандартные условия (см. МЭК 60086-1:2015, таблица 3, испытания на начальный разряд). | ||||||||
Размеры в миллиметрах
|
Рисунок 15 - Габаритный чертеж SR62, SR63, SR65, SR64, SR60, SR67, SR66, SR58, SR68, SR59, SR69, SR41, SR57, SR55, SR48, SR54, SR42, SR43, SR44 | ||||||
|
Обозначение |
h1/h2 |
d1 |
d2 |
d4 | ||
|
Макс. |
Мин. |
Макс. |
Мин. |
Мин. |
Мин. | |
|
SR62 |
1,65 |
1,45 |
5,8 |
5,55 |
3,8 |
2,5 |
|
SR63 |
2,15 |
1,9 |
5,8 |
5,55 |
3,8 |
2,5 |
|
SR65 |
1,65 |
1,45 |
6,8 |
6,6 |
- |
3,0 |
|
SR64 |
2,7 |
2,4 |
5,8 |
5,55 |
3,8 |
2,5 |
|
SR60 |
2,15 |
1,9 |
6,8 |
6,5 |
3,8 |
3,0 |
|
SR67 |
1,65 |
1,45 |
7,9 |
7,65 |
- |
3,0 |
|
SR66 |
2,6 |
2,4 |
6,8 |
6,6 |
- |
3,0 |
|
SR58 |
2,1 |
1,85 |
7,9 |
7,55 |
3,8 |
3,0 |
|
SR68 |
1,65 |
1,45 |
9,5 |
9,25 |
- |
3,8 |
|
SR59 |
2,6 |
2,3 |
7,9 |
7,55 |
3,8 |
3,0 |
|
SR69 |
2,1 |
1,85 |
9,5 |
9,25 |
- |
3,8 |
|
SR41 |
3,6 |
3,3 |
7,9 |
7,55 |
3,8 |
3,0 |
|
SR57 |
2,7 |
2,4 |
9,5 |
9,15 |
3,8 |
3,8 |
|
SR55 |
2,1 |
1,85 |
11,6 |
11,25 |
3,8 |
3,8 |
|
SR48 |
5,4 |
5,0 |
7,9 |
7,55 |
3,8 |
3,0 |
|
SR54 |
3,05 |
2,75 |
11,6 |
11,25 |
3,8 |
3,8 |
|
SR42 |
3,6 |
3,3 |
11,6 |
11,25 |
3,8 |
3,8 |
|
SR43 |
4,2 |
3,8 |
11,6 |
11,25 |
3,8 |
3,8 |
|
SR44 |
5,4 |
5,0 |
11,6 |
11,25 |
3,8 |
3,8 |
|
Буква электрохимической системы |
S | |||||
|
Uн, В |
1,55 | |||||
|
НРЦмакс., В |
1,63 | |||||
|
Разрядные характеристики по истечении 12 мес хранения (% от СПРМ) |
90 | |||||
|
Обозначение по МЭК |
Распространенные обозначения |
Испытание |
Нагрузка |
Период |
Uр.к., В |
СПРМ а) (начальная) |
|
SR62 |
SR516 |
ОРП |
82 кОм |
24 ч |
1,2 |
390 ч |
|
SR63 |
379, SR521 |
ОРП |
68 кОм |
24 ч |
1,2 |
560 ч |
|
SR65 |
SR616 |
ОРП |
100 кОм |
24 ч |
1,2 |
810 ч |
|
SR64 |
SR527 |
ОРП |
56 кОм |
24 ч |
1,2 |
540 ч |
|
SR60 |
363, 364, SR621 |
ОРП |
68 кОм |
24 ч |
1,2 |
685 ч |
|
SR67 |
SR716 |
ОРП |
68 кОм |
24 ч |
1,2 |
820 ч |
|
SR66 |
376, 377, SR626 |
ОРП |
47 кОм |
24 ч |
1,2 |
680 ч |
|
SR58 |
361, 362, SR721 |
ОРП |
47 кОм |
24 ч |
1,2 |
518 ч |
|
SR68 |
373, SR916 |
ОРП |
47 кОм |
24 ч |
1,2 |
680 ч |
|
SR59 |
396, 397, SR726 |
ОРП |
33 кОм |
24 ч |
1,2 |
530 ч |
|
SR69 |
370, 371, SR921 |
ОРП |
33 кОм |
24 ч |
1,2 |
663 ч |
|
SR41 |
384, 392 |
ОРП |
22 кОм |
24 ч |
1,2 |
450 ч |
|
SR57 |
395, 399, SR927 |
ОРП |
22 кОм |
24 ч |
1,2 |
500 ч |
|
SR55 |
381, 391 |
ОРП |
22 кОм |
24 ч |
1,2 |
450 ч |
|
SR48 |
309, 393 |
Слуховой аппарат |
1,5 кОм |
12 ч |
0,9 |
40 ч |
|
ОРП |
15 кОм |
24 ч |
1,2 |
580 ч | ||
|
SR54 |
389, 390, SR1130 |
ОРП |
15 кОм |
24 ч |
1,2 |
580 ч |
|
SR42 |
344, 350, 387 |
ОРП |
15 кОм |
24 ч |
1,2 |
670 ч |
|
SR43 |
301, 386 |
ОРП |
10 кОм |
24 ч |
1,2 |
620 ч |
|
SR44 |
303, 357 |
ОРП |
6,8 кОм |
24 ч |
1,2 |
620 ч |
|
Ускоренное испытание на применение для автоматических камер |
Импульс: 39 Ом Фон: 5,6 кОм |
b), с) |
0,9 |
450 ч | ||
|
a) Стандартные условия (см. МЭК 60086-1:2015, таблица 3, испытания на начальный разряд). b) Импульсная нагрузка 1 с каждые 6 с в течение 5 мин/сут. Фоновая нагрузка попеременно и непрерывно 24 ч/сут. c) Импульсную нагрузку отдельно прикладывают к батарее. Это эффективная нагрузка. Ее не добавляют последовательно или параллельно фоновой нагрузке. См. рисунок, приведенный ниже.
| ||||||
Размеры в миллиметрах
|
Рисунок 16 - Габаритный чертеж CR1025, CR1216, CR1220, CR1616, CR2012, CR1620, CR2016, CR2025, CR2320, CR2032, CR2330, CR2430, CR2354, CR3032, CR2450, BR1225, BR2016, BR2320, BR2325, BR3032 | ||||||
|
Обозначение |
h1/h2 |
d1 |
d2 |
d4 | ||
|
Макс. |
Мин. |
Макс. |
Мин. |
Мин. |
Мин. | |
|
CR1025 |
2,5 |
2,2 |
10,0 |
9,7 |
- |
3,0 |
|
CR1216 |
1,6 |
1,4 |
12,5 |
12,2 |
- |
4,0 |
|
CR1220 |
2,0 |
1,8 |
12,5 |
12,2 |
- |
4,0 |
|
CR1616 |
1,6 |
1,4 |
16,0 |
15,7 |
- |
5,0 |
|
CR2012 |
1,2 |
1,0 |
20,0 |
19,7 |
- |
8,0 |
|
CR1620 |
2,0 |
1,8 |
16,0 |
15,7 |
- |
5,0 |
|
CR2016 |
1,6 |
1,4 |
20,0 |
19,7 |
- |
8,0 |
|
CR2025 |
2,5 |
2,2 |
20,0 |
19,7 |
- |
8,0 |
|
CR2320 |
2,0 |
1,8 |
23,0 |
22,6 |
- |
8,0 |
|
CR2032 |
3,2 |
2,9 |
20,0 |
19,7 |
- |
8,0 |
|
CR2330 |
3,0 |
2,7 |
23,0 |
22,6 |
- |
8,0 |
|
CR2430 |
3,0 |
2,7 |
24,5 |
24,2 |
- |
8,0 |
|
CR2354 |
5,4 |
5,1 |
23,0 |
22,6 |
- |
8,0 |
|
CR3032 |
3,2 |
2,9 |
30,0 |
29,6 |
- |
8,0 |
|
CR2450 |
5,0 |
4,6 |
24,5 |
24,2 |
- |
8,0 |
|
BR1225 |
2,5 |
2,2 |
12,5 |
12,2 |
- |
4,0 |
|
BR2016 |
1,6 |
1,4 |
20,0 |
19,7 |
- |
8,0 |
|
BR2320 |
2,0 |
1,8 |
23,0 |
22,6 |
- |
8,0 |
|
BR2325 |
2,5 |
2,2 |
23,0 |
22,6 |
- |
8,0 |
|
BR3032 |
3,2 |
2,9 |
30,0 |
29,6 |
- |
8,0 |
|
Буква электрохимической системы |
С |
В | ||||
|
Uн, В |
3,0 |
3,0 | ||||
|
НРЦмакс., В |
3,7 |
3,7 | ||||
|
Разрядные характеристики по истечении 12 мес хранения (% от СПРМ) |
98 |
98 | ||||
|
Обозначение |
Испытание |
Нагрузка |
Период |
Uр.к., В |
СПРМ а) (начальная) | |
|
CR1025 |
ОРП |
68 кОм |
24 ч |
2,0 |
630 ч |
Не проводят |
|
CR1216 |
ОРП |
62 кОм |
24 ч |
2,0 |
480 ч |
Не проводят |
|
CR1220 |
ОРП |
62 кОм |
24 ч |
2,0 |
700 ч |
Не проводят |
|
CR1616 |
ОРП |
30 кОм |
24 ч |
2,0 |
480 ч |
Не проводят |
|
CR2012 |
ОРП |
30 кОм |
24 ч |
2,0 |
530 ч |
Не проводят |
|
CR1620 |
ОРП |
47 кОм |
24 ч |
2,0 |
900 ч |
Не проводят |
|
CR2016 |
ОРП |
30 кОм |
24 ч |
2,0 |
675 ч |
Не проводят |
|
CR2025 |
ОРП |
15 кОм |
24 ч |
2,0 |
540 ч |
Не проводят |
|
Испытание электронного ключа |
10 мА |
5 с/мин, 24 ч/сут |
1,8 |
8,5 ч |
Не проводят | |
|
CR2320 |
ОРП |
15 кОм |
24 ч |
2,0 |
590 ч |
Не проводят |
|
CR2032 |
ОРП |
15 кОм |
24 ч |
2,0 |
920 ч |
Не проводят |
|
Испытание электронного ключа |
10 мА |
5 с/мин, 24 ч/сут |
1,8 |
12,5 ч |
Не проводят | |
|
CR2330 |
ОРП |
15 кОм |
24 ч |
2,0 |
1 320 ч |
Не проводят |
|
CR2430 |
ОРП |
15 кОм |
24 ч |
2,0 |
1 300 ч |
Не проводят |
|
CR2354 |
ОРП |
7,5 кОм |
24 ч |
2,0 |
1 260 ч |
Не проводят |
|
CR3032 |
ОРП |
7,5 кОм |
24 ч |
2,0 |
1 250 ч |
Не проводят |
|
CR2450 |
ОРП |
7,5 кОм |
24 ч |
2,0 |
1200 ч |
Не проводят |
|
BR1225 |
ОРП |
30 кОм |
24 ч |
2,0 |
Не проводят |
395 ч |
|
BR2016 |
ОРП |
30 кОм |
24 ч |
2,0 |
Не проводят |
636 ч |
|
BR2320 |
ОРП |
15 кОм |
24 ч |
2,0 |
Не проводят |
468 ч |
|
BR2325 |
ОРП |
15 кОм |
24 ч |
2,0 |
Не проводят |
696 ч |
|
BR3032 |
ОРП |
7,5 кОм |
24 ч |
2,0 |
Не проводят |
1310 ч |
|
а) Стандартные условия (см. МЭК 60086-1:2015, таблица 3, испытания на начальный разряд). | ||||||
Размеры в миллиметрах
|
Рисунок 17 - Габаритный чертеж 4LR44, 2CR13252, 4SR44 |
Размер |
4LR44 |
2CR13252 |
4SR44 | |
|
h1 |
Макс. |
25,2 |
25,2 |
25,2 | |
|
Мин. |
23,9 |
23,9 |
23,9 | ||
|
h3 |
Мин. |
0,7 |
0,7 |
0,7 | |
|
h5 |
Макс. |
0,4 |
0,4 |
0,4 | |
|
Мин. |
0,05 |
0,05 |
0,05 | ||
|
d1 |
Макс. |
13 |
13 |
13 | |
|
Мин. |
12 |
12 |
12 | ||
|
d2 |
Мин. |
5,0 |
5,0 |
5,0 | |
|
d3 |
Макс. |
6,5 |
6,5 |
6,5 | |
|
d4 |
Мин. |
5,0 |
5,0 |
5,0 | |
|
Цилиндрическая поверхность изолирована от контактов. Выводы: плоские. Общую информацию см. в МЭК 60086-1. | |||||
|
Буква электрохимической системы |
L |
С |
S | |||
|
Обозначение по МЭК |
4LR44 |
2CR13252 |
4SR44 | |||
|
Распространенные обозначения |
- |
2CR-1/3N, 28L |
- | |||
|
Uн, В |
6,0 |
6,0 |
6,2 | |||
|
НРЦмакс., В |
6,72 |
7,4 |
6,52 | |||
|
Разрядные характеристики по истечении 12 мес хранения (% от СПРМ) |
90 |
98 |
90 | |||
|
Применение |
Нагрузка |
Период |
Uр.к., В |
СПРМ а) (начальная) | ||
|
Ускоренное испытание на применение для автоматических камер |
Импульс: 0,160 кОм Фон: 27 кОм |
b), с) |
3,6 |
310 ч |
Не проводят |
570 ч |
|
ОРП |
27 кОм |
24 ч |
3,6 |
420 ч |
Не проводят |
620 ч |
|
Импульсное испытание |
0,1 кОм |
2 с включено, 1 с выключено, 24 ч/сут |
3,6 |
950 импульсов |
Не проводят |
1000 импульсов |
|
ОРП |
30 кОм |
24 ч |
4,0 |
Не проводят |
620 ч |
Не проводят |
|
a) Стандартные условия (см. МЭК 60086-1:2015, таблица 3, испытания на начальный разряд). b) Импульсная нагрузка 1 с каждые 6 с в течение 5 мин/сут. Фоновая нагрузка попеременно и непрерывно 24 ч/сут. c) Импульсную нагрузку отдельно прикладывают к батарее. Это эффективная нагрузка. Ее не добавляют последовательно или параллельно фоновой нагрузке. См. рисунок, приведенный ниже.
| ||||||
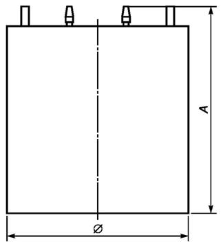
Размеры в миллиметрах
|
Рисунок 18 - Габаритный чертеж 5AR40 |
Размер |
R20S | ||
|
А |
Макс. |
190,0 | ||
|
Ø |
Макс. |
184,0 | ||
|
Выводы: винтовые выводы. Выводы расположены на верхней поверхности. Максимальный диаметр шпильки вывода: 4,2 мм. Общую информацию см. в МЭК 60086-1. | ||||
|
Буква электрохимической системы |
А | |||
|
Обозначение по МЭК |
5AR40 a) | |||
|
Распространенные обозначения |
- | |||
|
Uн, В |
7,0 | |||
|
НРЦмакс., В |
7,75 | |||
|
Разрядные характеристики после 12 мес. хранения (% от СПРМ) |
80 | |||
|
Применение |
Нагрузка |
Период |
Uр.к., В |
СПРМ b) (начальная) |
|
Контроллер электрического ограждения |
240 Ом |
24 ч |
4,5 |
120 сут |
|
a) Внимание конструкторов оборудования обращено на важность обеспечения беспрепятственного доступа воздуха к батареям системы "А". b) Стандартные условия (см. МЭК 60086-1:2015, таблица 3, испытания на начальный разряд). | ||||
Размеры в миллиметрах
|
Рисунок 19 - Габаритный чертеж 3R12P, 3R12S, 3LR12 |
Размер |
3R12P |
3R12S |
3LR12 | ||
|
h1 |
Макс. |
67,0 |
67,0 |
67,0 | ||
|
Мин. |
63,0 |
63,0 |
63,0 | |||
|
l1 |
Макс. |
62,0 |
62,0 |
62,0 | ||
|
Мин. |
60,0 |
60,0 |
60,0 | |||
|
l2 |
Макс. |
22,0 |
22,0 |
22,0 | ||
|
Мин. |
20,0 |
20,0 |
20,0 | |||
|
l3 |
Макс. |
- |
- |
- | ||
|
Мин. |
23,0 |
23,0 |
23,0 | |||
|
l4 |
Макс. |
- |
- |
- | ||
|
Мин. |
16,0 |
16,0 |
16,0 | |||
|
l5 |
Макс. |
- |
- |
- | ||
|
Мин. |
1,0 |
1,0 |
1,0 | |||
|
l6 |
Макс. |
- |
- |
- | ||
|
Мин. |
3,0 |
3,0 |
3,0 | |||
|
l7 |
Макс. |
7,0 |
7,0 |
7,0 | ||
|
Мин. |
6,0 |
6,0 |
6,0 | |||
|
Выводы: пружинные полосы. Общую информацию см. в МЭК 60086-1. | ||||||
|
Буква электрохимической системы |
Без буквы |
Без буквы |
L | |||
|
Обозначение по МЭК |
3R12P (высокомощные) |
3R12S (стандартные) |
3LR12 | |||
|
Распространенные обозначения |
- |
- |
- | |||
|
Uн, В |
4,5 |
4,5 |
4,5 | |||
|
НРЦмакс., В |
5,19 |
5,19 |
5,04 | |||
|
Разрядные характеристики по истечении 12 мес хранения (% от СПРМ) |
80 |
80 |
90 | |||
|
Применение |
Нагрузка |
Период |
Uр.к., В |
СПРМ а) (начальная) | ||
|
Фонарь |
20 Ом |
1 ч |
2,7 |
5,5 ч |
3,5 ч |
12 ч |
|
Радиоприемник |
220 Ом |
4 ч |
2,7 |
96 ч |
96 ч |
300 ч |
|
а) Стандартные условия (см. МЭК 60086-1:2015, таблица 3, испытания на начальный разряд). | ||||||
Размеры в миллиметрах
|
Рисунок 20 - Габаритный чертеж 4LR61 |
Размер |
4LR61 | |
|
h1 |
Макс. |
48,5 | |
|
Мин. |
47 | ||
|
h2 |
Макс. |
2,7 | |
|
Мин. |
2,2 | ||
|
h3 |
Макс. |
2,3 | |
|
Мин. |
1,8 | ||
|
h4 |
Макс. |
0,8 | |
|
Мин. |
0,3 | ||
|
l1 |
Макс. |
35,6 | |
|
Мин. |
35 | ||
|
l2 |
Макс. |
9,2 | |
|
Мин. |
8,7 | ||
|
l3 |
Макс. |
6,5 | |
|
Мин. |
6 | ||
|
l4 |
Макс. |
8 | |
|
Мин. |
6,5 | ||
|
l5 |
Макс. |
1,5 | |
|
Мин. |
1 | ||
|
l6 |
Макс. |
2,5 | |
|
Мин. |
2 | ||
|
α |
- |
45° | |
|
Выводы: плоские контакты. Общую информацию см. в МЭК 60086-1. | |||
|
Буква электрохимической системы |
L | |||
|
Обозначение по МЭК |
4LR61 | |||
|
Распространенные обозначения |
J | |||
|
Uн, В |
6,0 | |||
|
НРЦмакс., В |
6,72 | |||
|
Разрядные характеристики по истечении 12 мес хранения (% от СПРМ) |
90 | |||
|
Применение |
Нагрузка |
Период |
Uр.к., В |
СПРМ а) (начальная) |
|
Электроаппаратура |
0,33 kΩ |
24 ч |
3,6 |
24 ч |
|
ОРП |
6,8 kΩ |
24 ч |
3,6 |
700 ч |
|
а) Стандартные условия (см. МЭК 60086-1:2015, таблица 3, испытания на начальный разряд). | ||||
Размеры в миллиметрах
|
Рисунок 21 - Габаритный чертеж CR-P2 |
Размер |
CR-P2 | |
|
h1 |
Макс. |
36,0 | |
|
Мин. |
34,5 | ||
|
h4 |
Макс. |
1,5 | |
|
Мин. |
0,7 | ||
|
h6 |
Макс. |
1,0 | |
|
Мин. |
0,1 | ||
|
l1 |
Макс. |
35,0 | |
|
Мин. |
32,5 | ||
|
l2 |
Макс. |
19,5 | |
|
Мин. |
18,5 | ||
|
l3 |
- |
16,8 | |
|
l4 |
- |
8,4 | |
|
l5 |
Макс. |
16,2 | |
|
Мин. |
15,3 | ||
|
l6 |
Макс. |
9,8 | |
|
Мин. |
9,2 | ||
|
l7 |
Макс. |
8,7 | |
|
Мин. |
7,5 | ||
|
l8 |
Макс. |
- | |
|
Мин. |
1,3 | ||
|
r1 |
Макс. |
10,0 | |
|
Мин. |
7,4 | ||
|
Выводы: плоские контакты. Контакты заглублены. Общую информацию см. в МЭК 60086-1. 7 - закругленные стороны также приемлемы. | |||
|
Буква электрохимической системы |
С | |||
|
Обозначение по МЭК |
CR-P2 | |||
|
Распространенные обозначения |
223 | |||
|
Uн, В |
6,0 | |||
|
НРЦмакс., В |
7,4 | |||
|
Разрядные характеристики по истечении 12 мес хранения (% от СПРМ) |
98 | |||
|
Применение |
Нагрузка |
Период |
Uр.к., В |
СПРМ а) (начальная) |
|
Испытание фотокамер |
Ток нагрузки 900 мА |
3 с/30 с 24 ч/сут |
3,1 |
1400 импульсов |
|
ОРП |
200 Ом |
24 ч |
4,0 |
40 ч |
|
а) Стандартные условия (см. МЭК 60086-1:2015, таблица 3, испытания на начальный разряд). | ||||
Размеры в миллиметрах
|
Рисунок 22 - Габаритный чертеж 2CR5 |
Размер |
2CR5 | |
|
h1 |
Макс. |
45,0 | |
|
Мин. |
43,0 | ||
|
h4 |
Макс. |
0,9 | |
|
Мин. |
0,1 | ||
|
h6 |
Макс. |
4,5 | |
|
Мин. |
3,5 | ||
|
l1 |
Макс. |
34,0 | |
|
Мин. |
32,5 | ||
|
l2 |
Макс. |
17,0 | |
|
Мин. |
16,0 | ||
|
l3 |
- |
16,0 | |
|
l4 |
- |
8,0 | |
|
l5 |
Макс. |
15,5 | |
|
Мин. |
- | ||
|
l6 |
Макс. |
1,0 | |
|
Мин. |
0,2 | ||
|
l7 |
Макс. |
4,5 | |
|
Мин. |
3,5 | ||
|
l8 |
Макс. |
4,6 | |
|
Мин. |
3,5 | ||
|
r1 |
Макс. |
9,0 | |
|
Мин. |
8,0 | ||
|
Выводы: плоские контакты. Общую информацию см. в МЭК 60086-1. | |||
|
Буква электрохимической системы |
С | |||
|
Обозначение по МЭК |
2CR5 | |||
|
Распространенные обозначения |
245 | |||
|
Uн, В |
6,0 | |||
|
НРЦмакс., В |
7,4 | |||
|
Разрядные характеристики по истечении 12 мес хранения (% от СПРМ) |
98 | |||
|
Применение |
Нагрузка |
Период |
Uр.к., В |
СПРМ а) (начальная) |
|
Испытание фотокамер |
Ток нагрузки 900 мА |
3 с/30 с 24 ч/сут |
3,1 |
1400 импульсов |
|
ОРП |
200 Ом |
24 ч |
4,0 |
40 ч |
|
а) Стандартные условия (см. МЭК 60086-1:2015, таблица 3, испытания на начальный разряд). | ||||
Размеры в миллиметрах
|
Рисунок 23 - Габаритный чертеж 4R25X, 4LR25X |
Размер |
4R25X |
4LR25X | |
|
h1 |
Макс. |
115 |
115 | |
|
Мин. |
108 |
108 | ||
|
h6 |
Макс. |
102 |
102 | |
|
Мин. |
97 |
97 | ||
|
l1 |
Макс. |
67 |
67 | |
|
Мин. |
65 |
65 | ||
|
l2 |
Макс. |
67 |
67 | |
|
Мин. |
65 |
65 | ||
|
l3 |
Макс. |
27 |
27 | |
|
Мин. |
23 |
23 | ||
|
α |
- |
45° |
45° | |
|
Выводы: спиральные пружины, имеющие по меньшей мере три полные витка, сжимаемые до 3 мм от плоской поверхности корпуса. Эта батарея имеет закругленные или скошенные углы и свободно проходит через калибр диаметром 82,6 мм. Общую информацию см. в МЭК 60086-1. 1 - конические спиральные пружинные выводы. | ||||
|
Буква электрохимической системы |
Без буквы |
L | |||
|
Обозначение по МЭК |
4R25X |
4LR25X | |||
|
Uн, В |
6,0 |
6,0 | |||
|
НРЦмакс., В |
6,92 |
6,72 | |||
|
Разрядные характеристики по истечении 12 мес хранения (% от СПРМ) |
80 |
90 | |||
|
Применение |
Нагрузка |
Период |
Uр.к., В |
СПРМ а) (начальная) | |
|
Фонарь 1 |
8,2 Ом |
30 мин |
3,6 |
350 мин |
900 мин |
|
Фонарь 2 |
9,1 Ом |
30 мин/ч 8 ч/сут. |
3,6 |
270 мин |
1 020 мин |
|
Дорожная сигнальная лампа |
110 Ом |
12 ч |
3,6 |
155 ч |
310 ч |
|
а) Стандартные условия (см. МЭК 60086-1:2015, таблица 3, испытания на начальный разряд). | |||||
Размеры в миллиметрах
|
Рисунок 24 - Габаритный чертеж 4R25Y |
Размер |
4R25Y | |
|
h1 |
Макс. |
114 | |
|
Мин. |
106 | ||
|
h6 |
Макс. |
102 | |
|
Мин. |
97 | ||
|
l1 |
Макс. |
67 | |
|
Мин. |
65 | ||
|
l2 |
Макс. |
67 | |
|
Мин. |
65 | ||
|
l3 |
Макс. |
25 | |
|
Мин. |
22 | ||
|
α |
- |
45° | |
|
Выводы: винтовые выводы (изолированные или металлические гайки). Максимальный диаметр шпильки вывода 3,5 мм. Эта батарея имеет закругленные или скошенные углы и свободно проходит через калибр диаметром 82,6 мм. Общую информацию см. в МЭК 60086-1. | |||
|
Буква электрохимической системы |
Без буквы | |||
|
Обозначение по МЭК |
4R25Y | |||
|
Uн, В |
6,0 | |||
|
НРЦмакс., В |
6,92 | |||
|
Разрядные характеристики по истечении 12 мес хранения (% от СПРМ) |
80 | |||
|
Применение |
Нагрузка |
Период |
Uр.к., В |
СПРМ а) (начальная) |
|
Фонарь 1 |
8,2 Ом |
30 мин |
3,6 |
350 мин |
|
Фонарь 2 |
9,1 Ом |
30 мин/ч 8 ч/сут |
3,6 |
270 мин |
|
Дорожная сигнальная лампа |
110 Ом |
12 ч |
3,6 |
155 ч |
|
а) Стандартные условия (см. МЭК 60086-1:2015, таблица 3, испытания на начальный разряд). | ||||
Размеры в миллиметрах
|
Рисунок 25 - Габаритный чертеж 4R25-2, 4LR25-2 |
Размер |
4R25-2 |
4LR25-2 | ||
|
h1 |
Макс. |
127,0 |
127,0 | ||
|
Мин. |
- |
- | |||
|
h6 |
Макс. |
114,0 |
114,0 | ||
|
Мин. |
109,5 |
109,5 | |||
|
l1 |
Макс. |
136,5 |
136,5 | ||
|
Мин. |
132,5 |
132,5 | |||
|
l2 |
Макс. |
73,0 |
73,0 | ||
|
Мин. |
69,0 |
69,0 | |||
|
l3 |
Макс. |
77,0 |
77,0 | ||
|
Мин. |
75,2 |
75,4 | |||
|
r |
Мин. |
14,0 |
14,0 | ||
|
Винтовые выводы (гайки). Максимальный диаметр шпильки вывода 4,2 мм. Минимальный диаметр опорной поверхности вывода 6,3 мм. Общую информацию см. в МЭК 60086-1. 1 - изолированные гайки. | |||||
|
Буква электрохимической системы |
Без буквы |
L | |||
|
Обозначение по МЭК |
4R25-2 |
4LR25-2 | |||
|
Uн, В |
6,0 |
6,0 | |||
|
НРЦмакс., В |
6,92 |
6,72 | |||
|
Разрядные характеристики по истечении 12 мес хранения (% от СПРМ) |
80 |
90 | |||
|
Применение |
Нагрузка |
Период |
Uр.к., В |
СПРМ а) (начальная) | |
|
Фонарь 1 |
8,2 Ом |
30 мин |
3,6 |
900 мин |
1800 мин |
|
Фонарь 2 |
9,1 Ом |
30 мин/ч 8 ч/сут |
3,6 |
696 мин |
2040 мин |
|
Дорожная сигнальная лампа |
110 Ом |
12 ч |
3,6 |
200 ч |
620 ч |
|
а) Стандартные условия (см. МЭК 60086-1:2015, таблица 3, испытания на начальный разряд). | |||||
Размеры в миллиметрах
|
Рисунок 26 - Габаритный чертеж 6F22, 6LR61, 6LP3146 |
Размер |
6F22 |
6LR61 |
6LP3146 | |
|
h1 |
Макс. |
48,5 |
48,5 |
48,5 | |
|
Мин. |
46,5 |
46,5 |
46,5 | ||
|
h6 |
Макс. |
46,4 |
46,4 |
46,4 | |
|
Мин. |
- |
- |
- | ||
|
l1 |
Макс. |
26,5 |
26,5 |
26,5 | |
|
Мин. |
24,5 |
24,5 |
24,5 | ||
|
l2 |
Макс. |
17,5 |
17,5 |
17,5 | |
|
Мин. |
15,5 |
15,5 |
15,5 | ||
|
l3 |
Макс. |
12,95 |
12,95 |
12,95 | |
|
Мин. |
12,45 |
12,45 |
12,45 | ||
|
Выводы: миниатюрные защелки. Общую информацию см. в МЭК 60086-1. 1 - гнездо; 2 - стержень. | |||||
|
Буква электрохимической системы |
Без буквы |
L |
L | |||
|
Обозначение по МЭК |
6F22 |
6LR61 |
6LP3146 | |||
|
Распространенные обозначения |
9V |
9V |
9V, 6LF22 | |||
|
Uн, В |
9,0 |
9,0 |
9,0 | |||
|
НРЦмакс., В |
10,4 |
10,1 |
10,1 | |||
|
Разрядные характеристики по истечении 12 мес хранения (% от СПРМ) |
80 |
90 |
90 | |||
|
Применение |
Нагрузка |
Период |
Uр.к., В |
СПРМ а) (начальная) | ||
|
Игрушки |
270 Ом |
1 ч |
5,4 |
7 ч |
12 ч |
12 ч |
|
Будильник/ Радиоприемник |
620 Ом |
2 ч |
5,4 |
24 ч |
33 ч |
33 ч |
|
Детектор дыма b) |
Фон: 10 кОм Импульс: 0,62 кОм |
1 с/ч 24 ч/сут с) |
7,5 |
8 сут |
16 сут |
16 сут |
|
a) Стандартные условия (см. МЭК 60086-1:2015, таблица 3, испытания на начальный разряд). b) Это испытание является ускоренным. c) Импульсную нагрузку отдельно прикладывают к батарее. Это эффективная нагрузка. Она не добавляется последовательно или параллельно фоновой нагрузке. См. рисунок, приведенный ниже.
| ||||||
Размеры в миллиметрах
|
Рисунок 27 - Габаритный чертеж штыря |
Размер |
6F22 6LR61 6LP3146 | |
|
h7 |
Макс. |
3,10 | |
|
Мин. |
2,90 | ||
|
h8 |
Макс. |
(2,55) | |
|
Мин. | |||
|
l4 |
Макс. |
5,77 | |
|
Мин. |
5,67 | ||
|
l5 |
Макс. |
(5,38) | |
|
Мин. | |||
|
r1 |
Макс. |
(0,8) | |
|
Мин. | |||
|
r2 |
Макс. |
(0,4) | |
|
Мин. | |||
Размеры в миллиметрах
|
Рисунок 28 - Габаритный чертеж 6AS4 |
Размер |
6AS4 | ||
|
h1 |
Макс. |
114 | ||
|
l1 |
Макс. |
168 | ||
|
l2 |
Макс. |
113 | ||
|
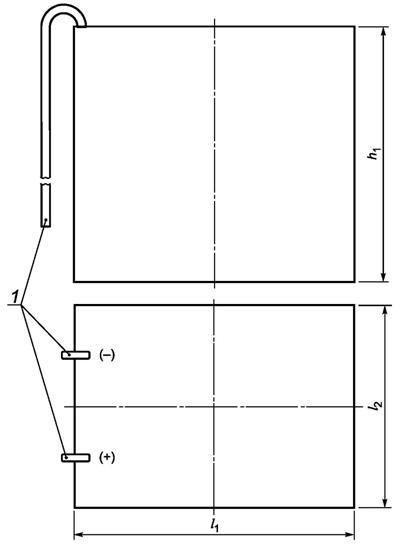
Выводы: провод. Минимальная свободная длина соединительных проводов 200 мм. Общую информацию см. в МЭК 60086-1. 1 - провод. | ||||
|
Буква электрохимической системы |
А | |||
|
Обозначение по МЭК |
6AS4 b) | |||
|
Uн, В |
8,4 | |||
|
НРЦмакс., В |
9,30 | |||
|
Разрядные характеристики по истечении 12 мес хранения (% от СПРМ) |
80 | |||
|
Применение |
Нагрузка |
Период |
Uр.к., В |
СПРМ а) (начальная) |
|
Контроллер электрического ограждения |
300 Ом |
24 ч |
5,4 |
80 сут |
|
a) Стандартные условия (см. МЭК 60086-1:2015, таблица 3, испытания на начальный разряд). b) Внимание конструкторов оборудования обращено на важность обеспечения того, чтобы для батарей "А"-системы доступ воздуха не был затруднен. | ||||
Размеры в миллиметрах
|
Рисунок 29 - Габаритный чертеж 6AS6 |
Размер |
6AS6 | ||
|
h1 |
Макс. |
162 | ||
|
l1 |
Макс. |
192 | ||
|
l2 |
Макс. |
128 | ||
|
Выводы: провод. Минимальная свободная длина соединительных проводов 200 мм. Провода могут быть снабжены специальными разъемами. Общую информацию см. в МЭК 60086-1. 1 - провод. | ||||
|
Буква электрохимической системы |
А | |||
|
Обозначение по МЭК |
6AS6 b) | |||
|
Uн, В |
8,4 | |||
|
НРЦмакс., В |
9,30 | |||
|
Разрядные характеристики по истечении 12 мес хранения (% от СПРМ) |
80 | |||
|
Применение |
Нагрузка |
Период |
Uр.к., В |
СПРМ а) (начальная) |
|
Контроллер электрического ограждения |
300 Ом |
24 ч |
5,4 |
120 сут |
|
a) Стандартные условия (см. МЭК 60086-1:2015, таблица 3, Испытания на начальный разряд). b) Внимание конструкторов оборудования обращено на важность обеспечения того, чтобы для батарей "А"-системы доступ воздуха не был затруднен. | ||||
Приложение А
(обязательное)
В каждую из таблиц А.1-А.25 включены все батареи по направлениям применения, для которых приведены требования по испытанию на разряд. В каждой таблице батареи приведены в порядке возрастания номинального напряжения и в пределах каждого номинального напряжения - в порядке возрастания объема.
|
Обозначение |
Номинальное напряжение, В |
|
SR44 |
1,55 |
|
4LR44 |
6,0 |
|
4SR44 |
6,2 |
|
Обозначение |
Номинальное напряжение, В |
|
R6P |
1,5 |
|
LR6 |
1,5 |
|
Обозначение |
Номинальное напряжение, В |
|
R03 |
1,5 |
|
LR03 |
1,5 |
|
FR10G445 |
1,5 |
|
Обозначение |
Номинальное напряжение, В |
|
LR6 |
1,5 |
|
FR14505 |
1,5 |
|
FR10G445 |
1,5 |
|
Обозначение |
Номинальное напряжение, В |
|
4LR61 |
6,0 |
|
Обозначение |
Номинальное напряжение, В |
|
5AR40 |
7,0 |
|
6AS4 |
8,4 |
|
6AS6 |
8,4 |
|
Обозначение |
Номинальное напряжение, В |
|
CR2025 |
3,0 |
|
CR2032 |
3,0 |
|
Обозначение |
Номинальное напряжение, В |
|
R1 |
1,5 |
|
LR1 |
1,5 |
|
SR48 |
1,55 |
|
Обозначение |
Номинальное напряжение, В |
|
PR70 |
1,4 |
|
PR44 |
1,4 |
|
Обозначение |
Номинальное напряжение, В |
|
PR70 |
1,4 |
|
PR41 |
1,4 |
|
PR48 |
1,4 |
|
PR44 |
1,4 |
|
Обозначение |
Номинальное напряжение, В |
|
FR10G445 |
1,5 |
|
FR14505 |
1,5 |
|
Обозначение |
Номинальное напряжение, В |
|
LR8D425 |
1,5 |
|
Обозначение |
Номинальное напряжение, В |
|
LR1 |
1,5 |
|
Обозначение |
Номинальное напряжение, В |
|
CR15H270 |
3,0 |
|
CR17345 |
3,0 |
|
CR-P2 |
6,0 |
|
2CR5 |
6,0 |
|
Обозначение |
Номинальное напряжение, В |
|
LR8D425 |
1,5 |
|
R1 |
1,5 |
|
LR1 |
1,5 |
|
R03 |
1,5 |
|
LR03 |
1,5 |
|
R6P |
1,5 |
|
LR6 |
1,5 |
|
R14P |
1,5 |
|
R14S |
1,5 |
|
LR14 |
1,5 |
|
R20P |
1,5 |
|
R20S |
1,5 |
|
LR20 |
1,5 |
|
3R12P |
4,5 |
|
3R12S |
4,5 |
|
3LR12 |
4,5 |
|
4R25X |
6,0 |
|
4LR25X |
6,0 |
|
4R25Y |
6,0 |
|
4R25-2 |
6,0 |
|
4LR25-2 |
6,0 |
|
Обозначение |
Номинальное напряжение, В |
|
LR14 |
1,5 |
|
LR20 |
1,5 |
|
Обозначение |
Номинальное напряжение, В |
|
R03 |
1,5 |
|
R20P |
1,5 |
|
R20S |
1,5 |
|
3R12P |
4,5 |
|
3R12S |
4,5 |
|
3LR12 |
4,5 |
|
Обозначение |
Номинальное напряжение, В |
|
R6S |
1,5 |
|
6F22 |
9,0 |
|
6LR61 |
9,0 |
|
6LP3146 |
9,0 |
|
Обозначение |
Номинальное напряжение, В |
|
R6P |
1,5 |
|
LR6 |
1,5 |
|
Обозначение |
Номинальное напряжение, В |
|
R03 |
1,5 |
|
LR03 |
1,5 |
|
Обозначение |
Номинальное напряжение, В |
|
4R25X |
6,0 |
|
4LR25X |
6,0 |
|
4R25Y |
6,0 |
|
4R25-2 |
6,0 |
|
4LR25-2 |
6,0 |
|
Обозначение |
Номинальное напряжение, В |
|
6F22 |
9,0 |
|
6LR61 |
9,0 |
|
6LP3146 |
9,0 |
|
Обозначение |
Номинальное напряжение, В |
|
R03 |
1,5 |
|
LR03 |
1,5 |
|
R6P |
1,5 |
|
R6S |
1,5 |
|
LR6 |
1,5 |
|
R14P |
1,5 |
|
R14S |
1,5 |
|
LR14 |
1,5 |
|
R20P |
1,5 |
|
R20S |
1,5 |
|
LR20 |
1,5 |
|
6F22 |
9,0 |
|
6LR61 |
9,0 |
|
6LP3146 |
9,0 |
|
Обозначение |
Номинальное напряжение, В |
|
LR6 |
1,5 |
|
Обозначение |
Номинальное напряжение, В |
|
PR41 |
1,4 |
|
PR48 |
1,4 |
Приложение В
(справочное)
Батареи с одинаковыми физическими размерами могут принадлежать к разным электрохимическим системам.
Для сравнения физически взаимозаменяемых батарей разных электрохимических систем по их электрическим характеристикам в таблицах В.1-В.6 приведены перекрестные ссылки.
Батареи упорядочены по категориям и в каждой категории - по химическому составу и по форме/размеру.
Батареи также упорядочены по напряжению и объему.
|
Круглые батареи согласно рисункам 1а и 1b | |
|
Упорядоченные по электрохимической системе |
Упорядоченные по форме/объему |
|
R1, R03, R6P, R6S, R14P, R14S, R20P, R20S |
LR8D425 |
|
LR8D425, LR1, LR03, LR6, LR14, LR20 |
R1, LR1 |
|
FR10G445, FR14505 |
FR10G445, R03, LR03 FR14505, R6P, R6S, LR6 R14P, R14S, LR14 R20P, R20S, LR20 |
|
Круглые батареи согласно рисункам 1а и 1b | |
|
Упорядоченные по электрохимической системе |
Упорядоченные по форме/объему |
|
CR14250, CR15H270, CR17345, CR17450 BR17335 |
CR14250 CR15H270 BR17335 CR17345 CR17450 |
|
Круглые батареи согласно рисункам 1а и 1b | ||
|
Упорядоченные по электрохимической системе |
Упорядоченные по форме/объему | |
|
LR9 |
CR11108 |
См. рисунок 8 |
|
CR11108 |
LR9 |
См. рисунок 8 |
|
Круглые батареи согласно рисункам 1а и 1b | |
|
Упорядоченные по электрохимической системе |
Упорядоченные по форме/объему |
|
PR70, PR41, PR48, PR44 |
SR62 SR63 |
|
LR41, LR55, LR54, LR43, LR44 |
SR65 SR64 |
|
SR62, SR63, SR65, SR64, SR60, SR67, SR66, SR58, SR68, SR59, SR69, SR41, SR57, SR55, SR48, SR54, SR42, SR43, SR44 |
SR60 SR67 SR66 PR70 |
|
CR1025, CR1216, CR1220, CR1616, CR2012, CR1620, CR2016, CR2025, CR2320, CR2032, CR2330, CR2430, CR2354, CR3032, CR2450 |
SR58 SR68 SR59 SR69 |
|
BR1225, BR2016, BR2320, BR2325, BR3032 |
PR41, LR41, SR41 SR57 CR1025 CR1216 LR55, SR55 CR1220 PR48, SR48 BR1225 CR1616 LR54, SR54 CR2012 SR42 CR1620 LR43, SR43 CR2016, BR2016 PR44, LR44, SR44 CR2025 CR2320, BR2320 CR2032 BR2325 CR2330 CR2430 CR2354 CR3032, BR3032 CR2450 |
|
Круглые батареи согласно рисункам 1а и 1b | |
|
Упорядоченные по электрохимической системе |
Упорядоченные по форме/объему |
|
4LR44 |
4LR44, 2CR13252, 4SR44 |
|
2CR13252 4SR44 5AR40 |
5AR40 |
|
Круглые батареи согласно рисункам 1а и 1b | |
|
Упорядоченные по электрохимической системе |
Упорядоченные по форме/объему |
|
3R12P, 3R12S, 4R25X, 4R25Y, 4R25-2, 6F22 |
4LR61 |
|
6F22, 6LR61, 6LP3146 | |
|
3LR12, 4LR61, 4LR25X, 4LR25-2, 6LR61, 6LP3146 |
CR-P2, |
|
2CR5 | |
|
CR-P2, 2CR5 |
3R12P, 3R12S, 3LR12 |
|
4R25X, 4LR25X | |
|
6AS4, 6AS6 |
4R25Y |
|
4R25-2, 4LR25-2 | |
|
6AS4 | |
|
6AS6 | |
Приложение С
(справочное)
Индекс в таблице С.1 устанавливает связь между конкретной батареей и ее физическими размерами, а также требованиями к испытаниям на применение и эксплуатационным испытаниям.
В настоящем указателе батареи упорядочены в порядке возрастания числа в числовой части обозначения после буквенной. В случае, если две батареи имеют одну и ту же числовую часть, они приведены в алфавитном порядке в соответствии с буквенной частью обозначения. В случае, когда эти два правила по-прежнему не допускают четкого ранжирования, дальнейшее упорядочение проводят по возрастанию числовой части обозначения до буквенной части.
|
Батарея |
Страница |
Батарея |
Страница |
Батарея |
Страница |
|
LR1 |
9 |
PR41 |
12 |
CR15H270 |
10 |
|
R1 |
9 |
SR41 |
17 |
CR1025 |
19 |
|
CR-P2 |
25 |
SR42 |
17 |
CR1216 |
19 |
|
LR03 |
8 |
LR43 |
15 |
CR1220 |
19 |
|
R03 |
8 |
SR43 |
17 |
BR1225 |
19 |
|
2CR5 |
26 |
LR44 |
15 |
CR1616 |
19 |
|
LR6 |
7 |
4LR44 |
21 |
CR1620 |
19 |
|
R6P |
7 |
PR44 |
12 |
CR2012 |
19 |
|
R6S |
7 |
SR44 |
17 |
BR2016 |
19 |
|
LR8D425 |
9 |
4SR44 |
21 |
CR2016 |
19 |
|
LR9 |
11 |
PR48 |
12 |
CR2025 |
19 |
|
FR10G445 |
8 |
SR48 |
17 |
CR2032 |
19 |
|
3LR12 |
23 |
LR54 |
15 |
BR2320 |
19 |
|
3R12P |
23 |
SR54 |
15 |
CR2320 |
19 |
|
3R12S |
23 |
LR55 |
15 |
BR2325 |
19 |
|
LR14 |
6 |
SR55 |
17 |
CR2330 |
19 |
|
R14P |
6 |
SR57 |
17 |
CR2354 |
19 |
|
R14S |
6 |
SR58 |
17 |
CR2430 |
19 |
|
LR20 |
5 |
SR59 |
17 |
CR2450 |
19 |
|
R20P |
5 |
SR60 |
17 |
BR3032 |
19 |
|
R20S |
5 |
4LR61 |
24 |
CR3032 |
19 |
|
5AR40 |
22 |
SR62 |
17 |
CR11108 |
11 |
|
6AS4 |
32 |
SR63 |
17 |
2CR13252 |
21 |
|
6AS6 |
33 |
SR64 |
17 |
CR14250 |
10 |
|
6F22 |
30 |
SR65 |
17 |
FR14505 |
7 |
|
6LR61 |
30 |
SR66 |
17 |
BR17335 |
10 |
|
6LP3146 |
30 |
SR67 |
17 |
CR17345 |
10 |
|
4LR25X |
27 |
SR68 |
17 |
CR17450 |
10 |
|
4LR25-2 |
29 |
SR69 |
17 | ||
|
4R25X |
27 |
PR70 |
12 | ||
|
4R25Y |
28 | ||||
|
4R25-2 |
29 | ||||
|
LR41 |
15 |
Приложение D
(справочное)
В указатель, приведенный в таблице D.1, включены перекрестные ссылки на обозначения по МЭК и распространенные обозначения батарей для целей маркирования.
|
Обозначение по МЭК |
Распространенное обозначение |
Обозначение по МЭК |
Распространенное обозначение |
Обозначение по МЭК |
Распространенное обозначение |
|
LR1 |
N |
SR41 |
384, 392 |
CR1025 |
1025 |
|
R1 |
N |
SR42 |
344, 350, 387 |
CR1216 |
1216 |
|
CR-P2 |
223 |
LR43 |
186 |
CR1220 |
1220 |
|
LR03 |
AAA |
SR43 |
301, 386 |
BR1225 |
- |
|
R03 |
AAA |
LR44 |
А76 |
CR1616 |
1616 |
|
FR10G445 |
AAA, FR03 |
4LR44 |
- |
CR1620 |
1620 |
|
2CR5 |
245 |
PR44 |
675 |
CR2012 |
2012 |
|
LR6 |
АА |
SR44 |
303, 357 |
BR2016 |
- |
|
R6P |
АА |
4SR44 |
- |
CR2016 |
2016 |
|
R6S |
АА |
PR48 |
13 |
CR2025 |
2025 |
|
FR14505 |
АА, FR6 |
SR48 |
309, 393 |
CR2032 |
2032 |
|
LR9 |
- |
LR54 |
191, LR1130 |
BR2320 |
- |
|
3LR12 |
- |
SR54 |
389, 390, SR1130 |
CR2320 |
2320 |
|
3R12P |
- |
LR55 |
191 |
BR2325 |
- |
|
3R12S |
- |
SR55 |
381, 391 |
CR2330 |
2330 |
|
LR14 |
С |
SR57 |
395, 399, SR927 |
CR2354 |
2354 |
|
R14P |
С |
SR58 |
361, 362, SR721 |
CR2430 |
2430 |
|
R14S |
С |
SR59 |
396, 397, SR726 |
CR2450 |
2450 |
|
LR20 |
D |
SR60 |
363, 364, SR621 |
BR3032 |
- |
|
R20P |
D |
4LR61 |
J |
CR3032 |
3032 |
|
R20S |
D |
SR62 |
SR516 |
CR11108 |
1/3N |
|
6F22 |
9V |
SR63 |
379, SR521 |
2CR13252 |
2CR-1/3N, 28L |
|
6LR61 |
9V |
SR64 |
SR527 |
CR14250 |
CR-1/2AA |
|
6LP3146 |
9V, 6LF22 |
SR65 |
SR616 |
BR17335 |
BR-2/3A |
|
4LR25X |
- |
SR66 |
376, 377, SR626 |
CR17345 |
123, CR123A |
|
4LR25-2 |
- |
SR67 |
SR716 |
CR17450 |
CR-A |
|
4R25X |
- |
SR68 |
373, SR916 |
5AR40 |
- |
|
4R25Y |
- |
SR69 |
370, 371, SR921 |
6AS4 |
- |
|
4R25-2 |
- |
PR70 |
10, PR536 |
6AS6 |
- |
|
LR41 |
192 |
CR15H270 |
CR2 | ||
|
PR41 |
312 |
LR8D425 |
АААА | ||
|
Батареи с буквой "W" в конце общего обозначения должны соответствовать МЭК 60086-3, в котором указаны более подробные размеры и условия испытаний. Пример - SR626W, SR626SW. | |||||
Приложение ДА
(справочное)
Таблица ДА.1
|
Обозначение ссылочного международного стандарта |
Степень соответствия |
Обозначение и наименование соответствующего национального стандарта |
|
IEC 60086-1:2015 |
IDT |
ГОСТ Р МЭК 60086-1-2019 "Батареи первичные. Часть 1. Общие требования" |
|
ISO 1101:2012 |
MOD |
ГОСТ Р 53442-2015 (ИСО 1101:2012) "Основные нормы взаимозаменяемости. Характеристики изделий геометрические. Установление геометрических допусков. Допуски формы, ориентации, месторасположения и биения" |
|
Примечание - В настоящей таблице использованы следующие условные обозначения степени соответствия стандартов: - IDT - идентичные стандарты; - MOD - модифицированные стандарты. | ||
Библиография
|
IEC 60050-482 |
International Electrotechnical Vocabulary - Part 482: Primary and secondary cells and batteries (Международный электротехнический словарь. Часть 482. Первичные и вторичные элементы и батареи) |
|
IEC 60086-3 |
Primary batteries - Part 3: Watch batteries (Первичные батареи. Часть 3. Батареи для часов) |
|
IEC 60086-4 |
Primary batteries - Part 4: Safety of lithium batteries (Первичные батареи. Часть 4. Безопасность литиевых батарей) |
|
IEC 60086-5 |
Primary batteries - Part 5: Safety of batteries with aqueous electrolyte (Первичные батареи. Часть 5. Безопасность батарей с водным электролитом) |
|
IEC 62281 |
Safety of primary and secondary lithium cells and batteries during transport (Безопасность первичных и вторичных литиевых элементов и батарей при транспортировании) |



































