ГОСТ Р 58810-2020 ОБОРУДОВАНИЕ ДЛЯ ПОДГОТОВКИ ВОДЫ ВНУТРИ ЗДАНИЙ. МЕХАНИЧЕСКИЕ ФИЛЬТРЫ. Часть 2. ОЧИСТКА ОТ ЧАСТИЦ С РАЗМЕРАМИ от 1 до 80 мкм. ТРЕБОВАНИЯ К РАБОЧИМ ХАРАКТЕРИСТИКАМ, БЕЗОПАСНОСТИ И МЕТОДАМ ИСПЫТАНИЙ
Water conditioning equipment inside buildings. Mechanical filters. Part 2. Particles rating 1 μm to less than 80 μm cleaning. Requirements for performance, safety and test methods
ОКС 13.060.20
91.140.60
Дата введения - 1 декабря 2020 г.
Введен впервые
Предисловие
1 Подготовлен Акционерным обществом "Фильтр" (АО "Фильтр") на основе собственного перевода на русский язык немецкоязычной версии стандарта, указанного в пункте 4
2 Внесен Техническим комитетом по стандартизации ТК 184 "Обеспечение промышленной чистоты"
3 Утвержден и введен в действие Приказом Федерального агентства по техническому регулированию и метрологии от 18 февраля 2020 г. N 61-ст
4 Настоящий стандарт идентичен стандарту ДИН ЕН 13443-2:2005 + А1:2007 "Оборудование для подготовки воды внутри зданий. Механические фильтры. Часть 2. Очистка от частиц с размерами от 1 до 80 мкм. Требования к рабочим характеристикам, безопасности и методам испытаний" [DIN EN 13443-2:2005 + А1:2007 "Anlagen zur Behandlung von Trinkwasser innerhalb von Gebäuden - Mechanisch wirkende Filter - Teil 2: Filterfeinheit 1 μm bis unter 80 μm - Anforderungen an Ausführung, Sicherheit und Prüfung (enthält Änderung A1:2007)", IDT].
Стандарт подготовлен Техническим комитетом CEN/TC 164 "Водоснабжение".
При применении настоящего стандарта рекомендуется использовать вместо ссылочных международных стандартов соответствующие им национальные стандарты, сведения о которых приведены в дополнительном приложении ДА.
Дополнительные сноски в тексте стандарта, выделенные курсивом, приведены для пояснения текста оригинала
5 Введен впервые
Введение
Настоящий стандарт (ЕН 13443-2:2005 + А1:2007) подготовлен Техническим комитетом CEN/TC 164 "Водоснабжение", секретариат которого проходит по AFNOR.
Настоящий стандарт включает поправку 1, утвержденную CEN 2007-05-10.
Настоящий стандарт заменяет ЕН 13443-2:2005.
Начало и окончание текста, введенного или измененного поправкой, указывается в тексте тегами А1> <А1.
Настоящий стандарт является второй частью стандарта из двух частей для механических фильтров. Часть 1 посвящена механическим фильтрам с размером частиц от 80 до 150 мкм.
Настоящий стандарт устанавливает требования к конструкции, характеристикам и методам испытаний механических фильтров для удаления взвешенных веществ в установках очистки питьевой воды внутри зданий. Стандарт распространяется на фильтры, удерживающие частицы с размерами от 1 до 80 мкм и предназначенные для применения в системах с минимальным давлением PN 6 *, соединительными узлами от DN 15 до DN 100 и рабочей температурой менее 30 °С.
──────────────────────────────
* В оригинале стандарта ЕН 13443-2:2005+А1:2007 указано: "... in systems with a minimum pressure rating of PN 6...". В данном случае под "минимальным давлением PN 6" следует понимать номинальное давление PN 6 (Р = 6,3 бар), т.е. наибольшее избыточное давление, при котором обеспечивается заданный срок службы соединений трубопроводов и арматуры.
──────────────────────────────
Настоящий стандарт распространяется на фильтры с обратной промывкой, цельные фильтры и фильтры в виде сменных фильтрующих элементов к патронным фильтрам. Стандарт относится только к устройствам, которые постоянно подключены в точке входа или использования.
Требования к фильтрам, удерживающим частицы с размерами от 80 до 150 мкм, установлены ЕН 13443-1.
В настоящем стандарте использованы нормативные ссылки на следующие стандарты. Для датированных ссылок применяют только указанное издание ссылочного стандарта, для недатированных - последнее издание, включая все изменения и поправки к нему:
EN 872, Water quality - Determination of suspended solids - Method by filtration through glass fibre filters (Качество воды. Определение содержания взвешенных частиц. Метод фильтрации через стекловолоконные фильтры)
EN 1717, Protection against pollution of potable water in water installations and general requirements of devices to prevent pollution by backflow (Защита от загрязнения питьевой воды в установках подготовки воды и общие требования к устройствам для предотвращения загрязнения обратным потоком)
EN 13443-1:2002, Water conditioning equipment inside buildings - Mechanical filters - Part 1: Particle rating 80 pm to 150 pm - Requirements for performances, safety and testing (Оборудование для подготовки воды внутри зданий. Механические фильтры. Часть 1. Частицы с размерами от 80 до 150 мкм. Требования к рабочим характеристикам, безопасности и методам испытаний)
ISO 304, Surface active agents - Determination of surface tension by drawing up liquid films (Вещества поверхностно-активные. Определение поверхностного натяжения путем вытягивания жидких пленок)
ISO 1219-1, Fluid power systems and components - Graphic symbols and circuit diagrams - Part 1: Graphic symbols (Приводы гидравлические и пневматические и их элементы. Графические обозначения и принципиальные схемы. Часть 1. Графические обозначения для общепринятого использования и применительно к обработке данных)
ISO 4021, Hydraulic fluid power - Particulate contamination analysis - Extraction of fluid samples from lines of an operating system (Приводы гидравлические. Анализ степени загрязнения частицами. Отбор проб жидкости из линий работающих систем)
ISO 12103-1, Road vehicles - Test dust for filter evaluation - Part 1: Arizona test dust (Транспорт дорожный. Образцы загрязняющих веществ для оценки фильтра. Часть 1. Образцы пыли пустыни Аризона)
В настоящем стандарте применены следующие термины с соответствующими определениями.
3.1 средний диаметр пор (average pore diameter, DMP): Значение диаметра пор, мкм, которое соответствует максимуму распределения пор по размерам фильтрующего материала, определенного воздушной порометрией (порозиметрией).
3.2 фильтр с обратной промывкой (backwashable filter): Фильтр, снабженный ручным или автоматическим оборудованием для периодической очистки фильтрующего элемента на месте путем изменения направления потока воды через элемент.
3.3 точка пузырька (bubble point): Самое низкое давление воздуха, при котором поток пузырьков появляется в точке поверхности фильтрующего материала при погружении под давлением воздуха в смачивающую жидкость в соответствии с приложением С.
3.4 патронный фильтр (cartridge filter): Фильтр, состоящий из фильтродержателя и сменного патронного фильтрующего элемента.
3.5 разрушающее давление ΔPc (collapse pressure): 80 % величины перепада давления в точке перегиба *.
──────────────────────────────
* Произведение величины разрушающего давления (давления деформации) фильтрующего элемента на коэффициент 0,8.
──────────────────────────────
3.6 пороговый размер частиц (counting threshold): Размер частиц, относительно которого ведется счет частиц электронными средствами (частиц с размерами равными или большими заданного порогового размера).
3.7 интегральная средняя эффективность фильтрации за период Edp (cumulative mean filtration efficiency per period): Эффективность, рассчитанная по общему количеству частиц, превышающему размер d, подсчитанному до и после фильтра в течение цикла р.
3.8 интегральная общая эффективность фильтрации Edg (cumulative overall mean filtration efficiency): Эффективность, рассчитанная по общему количеству частиц, превышающему рассчитанный размер d, до и после фильтра в течение всего испытания.
3.9 глубинный фильтрующий элемент (depth filter): Фильтрующий элемент, содержащий толстый пористый барьер с размером пор, превышающим размер удаляемых частиц, такой, что частицы захватываются в основном в глубине элемента при прохождении через него воды.
3.10 перепад давления dP (differential pressure): Перепад давления между входом и выходом фильтрующего элемента, измеренный при заданных условиях. Перепад давления, создаваемый фильтром в сборе, равен сумме перепадов давления, создаваемых фильтродержателем и фильтрующим элементом.
3.11 перепад давления в точке перегиба dPi (differential pressure at the inflexion point): Перепад давления на фильтре с фильтрующим элементом в точке перегиба за вычетом перепада давления, создаваемого только фильтродержателем (рисунок В.4).
3.12 питьевая вода (drinking water): Вода, предназначенная для потребления человеком, определенная по Директиве Совета 98/83/ЕС [1].
3.13 волокно (fibre): Частица с размерами более 50 мкм, для которой отношение длины к ширине составляет не менее 10.
3.14 сменный фильтрующий элемент, картридж (filter cartridge): Сменный фильтрующий элемент (на основе волокна, намотанный, гофрированный, пр.).
3.15 фильтрующий элемент (filter element): Часть механического фильтра, предназначенная для удержания твердых частиц.
3.16 фильтродержатель (filter housing): Сосуд под давлением, в котором помещен и закреплен фильтрующий элемент и который, как правило, состоит из головной части, включающей соединительные детали, и стакана или корпуса, в котором находится фильтрующий элемент.
3.17 система фильтрации (filter system): Укомплектованная установка, состоящая из фильтродержателя, запорных клапанов, манометров, трубопроводов и т.д.
3.18 конечный перепад давления dPF (final differential pressure): Перепад давления на фильтрующем элементе в конце испытаний.
3.19 точка перегиба (inflexion point): Точка начала резкого изменения перепада давления при возрастании загрязненности фильтра твердыми частицами, указывающая на деформацию картриджа и потенциальный вынос твердых частиц (рисунок В.4).
3.20 цельный фильтр (integral filter): Фильтр, в котором фильтрующий элемент и фильтродержатель неразделимы.
3.21 крупнодисперсная тестовая пыль ISO (ISO Coarse Test Dust, ISO CTD): Кремнистый тестовый порошок, имеющий распределение частиц по размерам от 0 до 200 мкм (по согласованию) в соответствии с ИСО 12103-1.
Примечание - Также может упоминаться как пыль по ИСО 12103-1 А4.
3.22 среднедисперсная тестовая пыль ISO (ISO Medium Test Dust, ISO MTD): Кремнистый тестовый порошок, имеющий распределение частиц по размерам от 0 до 80 мкм (по согласованию) в соответствии с ИСО 12103-1.
Примечание - Также может упоминаться как пыль по ИСО 12103-1 A3.
3.23 механический фильтр (mechanical filter): Устройство, предназначенное для удаления твердых частиц из воды при прохождении воды через пористую среду.
3.24 прирост перепада давления dPN (net differential pressure): Разница между конечным перепадом давления засоренного фильтрующего элемента и перепадом давления на чистом фильтрующем элементе.
3.25 номинальный расход (nominal flow rate): Расход для фильтра, указанный изготовителем, или, при отсутствии этих данных, расход через чистый фильтрующий элемент, при котором перепад давления на фильтрующем элементе составляет 20 кПа.
3.26 вынос частиц (particle shedding): Выделение частиц материала, из которого состоит фильтрующий элемент, в отфильтрованную воду.
3.27 заданная тонкость фильтрации S (reference filtration rating): Размер частиц ISO MTD или ISO CTD, мкм, при котором интегральная общая эффективность фильтрации фильтрующего элемента, испытанного в соответствии с методикой, приведенной в настоящем стандарте, больше или равна 99,8 %.
3.28 грязеемкость CR (retention capacity): Масса ISO MTD или ISO CTD, эффективно удерживаемая фильтрующим элементом при достижении конечного стандартного перепада давления 250 кПа (CR250) или удельного значения х кПа (CRx), рассчитанного путем вычитания массы загрязнений в фильтрате из введенной массы загрязнений.
3.29 поверхностный фильтрующий элемент (surface filter): Фильтрующий элемент, содержащий тонкий проницаемый материал с размером пор, меньшим, чем частицы, подлежащие удалению, так что частицы удерживаются в основном на поверхности материала при прохождении через него воды.
3.30 общая масса введенного загрязнителя Mi (total mass of injected contaminant): Масса загрязнителя ISO MTD или ISO CTD, вводимая в испытательный контур до достижения заданного конечного перепада давления.
В настоящем стандарте применены обозначения и сокращения, приведенные в таблице 1.
|
Обозначение или сокращение |
Параметр |
Единица измерения |
|
Се |
Тестовая концентрация |
мг/л |
|
Ci |
Введенная концентрация |
мг/л |
|
CR2500 * |
Грязеемкость при 2500 кПа * |
г |
|
CRx |
Грязеемкость при х кПа |
г |
|
CTD |
Крупнодисперсная тестовая пыль |
- |
|
ΔP |
Перепад давления |
кПа |
|
ΔPF |
Конечный перепад давления |
кПа |
|
d |
Размер частиц |
мкм |
|
dPc |
Перепад давления только на испытуемом фильтродержателе |
кПа |
|
dPeo |
Перепад давления только на чистом фильтре |
кПа |
|
dPF |
Перепад давления в конце испытаний |
кПа |
|
dPi |
Перепад давления в точке перегиба |
кПа |
|
dPo |
Перепад давления на испытуемом фильтродержателе |
кПа |
|
dPS |
Удельный перепад давления |
кПа |
|
Ed |
Общая эффективность фильтрации для частиц с размерами более d мкм |
% |
|
E [d1; d2] |
Дифференциальная эффективность фильтрации (между размерами d1 и d2) |
% |
|
M |
Масса загрязнителя, необходимая для испытаний |
г |
|
Mi |
Общая масса введенного загрязнителя |
г |
|
MNR |
Масса незадержанного загрязнителя |
г |
|
MTD |
Среднедисперсная тестовая пыль |
- |
|
Nd |
Число частиц, имеющих размер больше или равно d мкм |
- |
|
N [d1; d2] |
Число частиц, имеющих размер больше или равно d1 и меньше d2 |
- |
|
ΔPN |
Прирост перепада давления |
кПа |
|
Qe |
Тестовый расход |
л/мин |
|
Qi |
Расход впрыска |
л/час |
|
Qsensors |
Расход через датчики (сенсоры) |
л/час |
|
S |
Заданная тонкость фильтрации |
мкм |
|
TF |
Время окончания испытания |
мин |
|
Vi |
Объем жидкости в системе впрыска |
л |
|
ViM |
Максимальный объем жидкости в системе впрыска |
л |
|
VF |
Конечный объем жидкости в испытательном контуре |
л |
|
Δt100 |
Продолжительность цикла с концентрацией 100 мг/л |
мин |
|
PT |
Количество циклов загрязнения (при 100 мг/л) |
- |
──────────────────────────────
*В оригинале стандарта EN 13443-2:2005+А1:2007 допущена опечатка: "CR2500 - грязеемкость при 2500 кПа". Следует читать: "CR250 - грязеемкость при 250 кПа" [см. также 3.28, 7.1.4.4 l), 7.2.3.1 d)].
──────────────────────────────
Используемые графические символы соответствуют требованиям ИСО 1219-1.
5.1 Материалы
Качество питьевой воды после очистки фильтром не должно ухудшаться при нормальном или случайном контакте с материалами или покрытиями системы фильтрации, чтобы не допустить отклонения параметров очищенной воды от установленных требований * или соответствующих национальных норм к питьевой воде вплоть до проектной температуры фильтра.
──────────────────────────────
* В оригинале стандарта: "требований Директивы 98/83/ЕС".
──────────────────────────────
5.2 Фильтродержатели
Некоторые сменные фильтрующие элементы поставляются без фильтродержателя как унифицированные для различных типов фильтродержателей. Рабочие характеристики патронных фильтров (сменного фильтрующего элемента и фильтродержателя), в частности его тонкость фильтрации, зависят от качества уплотнения фильтродержателя. Поэтому, если сменный фильтрующий элемент поставляется независимо от фильтродержателя, изготовитель для соответствия настоящему стандарту должен указать типы фильтродержателей, для которых подходит сменный фильтрующий элемент.
5.3 Фильтры с обратной промывкой
Фильтры с обратной промывкой должны допускать очистку без помощи инструментов, а порядок очистки должен соответствовать требованиям, приведенным в 5.1. После обратной промывки должна быть восстановлена заявляемая тонкость фильтрации и начальный перепад давления. Действия, которые необходимо предпринять в случае необратимого ухудшения характеристик фильтра, должны быть определены в инструкциях изготовителя.
Фильтры с обратной промывкой должны быть оснащены свободным сливным отверстием по ЕН 1717.
Конструкция фильтров с обратной промывкой должна исключать перебои в подаче воды при обратной промывке.
5.4 Патронные фильтры
Конструкция патронных фильтров должна обеспечивать возможность замены сменного фильтрующего элемента с минимальным риском загрязнения питьевой воды.
Любые инструменты, используемые в этой операции, не должны вступать в контакт с питьевой водой и должны предоставляться изготовителем фильтра.
Уплотнительное приспособление (адаптер) сменного фильтрующего элемента должно быть рассчитано на его регулярную замену без повреждения фильтродержателя, которое могло бы привести к снижению эффективности фильтра в течение срока его службы.
Сменные фильтрующие элементы должны быть индивидуально упакованы для предотвращения загрязнения при транспортировании и хранении.
Примечание - Рекомендуется предусматривать устройство для предупреждения конечного пользователя о загрязнении сменного фильтрующего элемента, особенно в месте использования фильтра.
5.5 Цельные фильтры
Конструкция цельных фильтров должна предусматривать возможность их замены без использования специальных инструментов. Они должны быть установлены с учетом обеспечения достаточного доступа для операции замены фильтра.
5.6 Расчетная температура
Укомплектованная система фильтрации должна быть рассчитана на продолжительную работу при максимальной температуре окружающей среды и воды не менее 30 °С.
5.7 Предотвращение обратного потока
Следует предусмотреть меры по предотвращению обратного потока в соответствии с национальным стандартом, соответствующим ЕН 1717.
6.1 Заданная тонкость фильтрации
При испытаниях системы фильтрации или сменного фильтрующего элемента в рекомендованном изготовителем фильтродержателе для частиц с размерами, соответствующими тонкости фильтрации, установленной изготовителем сменного фильтрующего элемента, при рекомендованном изготовителем максимальном перепаде давления при испытании по методу, приведенному в 7.1, должна быть подтверждена эффективность фильтрации не менее 99,8 %.
6.2 Грязеемкость
Грязеемкость должна быть не менее заявленной изготовителем величины (если таковая имеется) и должна быть проверена по 7.2. Это требование не применяется к фильтрам с обратной промывкой.
6.3 Начальный перепад давления
Изготовитель фильтрующего элемента в соответствующей документации должен указать перепад давления через чистый сменный фильтрующий элемент при рекомендованной им скорости потока или максимально допустимый перепад давления после обратной промывки при рекомендованном им значении расхода (раздел 8). Метод измерения начального перепада давления должен соответствовать 7.3.
6.4 Максимальный перепад давления
Изготовитель фильтрующего элемента должен указать в соответствующей документации и/или на фильтрующем элементе, и/или на фильтродержателе максимальный перепад давления, при котором рекомендуется заменить сменный фильтрующий элемент.
6.5 Разрушающий перепад давлений на сменном фильтрующем элементе
При непрерывном и постепенном забивании вплоть до достижения перепада давления, равного 80 % от номинального давления, в фильтродержателе при испытании в соответствии с 7.4 не должно быть никаких скачков при повышении давления, а также каких-либо видимых повреждений сменного фильтрующего элемента после его аккуратного снятия и очистки.
6.6 Устойчивость к циклическим перепадам давления на сменном фильтрующем элементе
При воздействии циклического потока воды, достаточного для создания пикового перепада давления 200 кПа или более при частоте цикла 0,05 Гц, для 500 циклов (7.5):
a) перепад давления при пиковой скорости потока не должен падать во время испытания;
b) не должно быть видимых признаков повреждения сменного фильтрующего элемента;
c) точка пузырька сменного фильтрующего элемента после испытания не должна отличаться от точки, определенной до испытания, более чем на 15 %. Точка пузырька определяется по приложению С.
6.7 Вынос частиц
При рекомендованном изготовителем значении расхода новый фильтроэлемент после предварительной подготовки в соответствии с инструкциями изготовителя (раздел 8) не должен показывать увеличения числа частиц по сравнению с числом фоновых частиц на испытательном стенде при испытании по 7.6.
6.8 Устойчивость фильтродержателя к статическому давлению
При проведении испытания на статическое давление по ЕН 13443-1:2002, 7.2, фильтродержатель не должен иметь постоянных видимых признаков утечки, постоянной деформации, трещин или разрывов.
6.9 Устойчивость фильтродержателя к циклическому давлению
При проведении циклического испытания под давлением по ЕН 13443-1:2002, 7.4, фильтродержатель не должен иметь постоянных видимых признаков утечки, постоянной деформации, трещин или разрывов.
7.1 Заданная тонкость фильтрации
7.1.1 Принцип
Рабочие характеристики фильтра, подлежащего испытанию, определяются путем измерения его гидравлических и фильтрационных свойств при постоянном значении расхода воды, содержащей известное количество загрязнителя. Испытание проводится с рециркуляцией воды после прохождения через фильтр для очистки. Испытание проводится с чередованием циклов, в течение которых концентрация тестового загрязнителя перед фильтром чередуется между 5 и 100 мг/л. Эффективность и коэффициент фильтрации рассчитываются на основе автоматического счета числа частиц до и после фильтрующего элемента в течение циклов низкой (5 мг/л) концентрации. Грязеемкость определяется по массе загрязнителя, необходимой для достижения определенного перепада давления. Некоторые рабочие параметры зависят от размеров испытуемого фильтра, например, стандартный расход 15 л/мин рекомендуется для испытания стандартного сменного фильтрующего элемента длиной 250 мм.
7.1.2 Испытательное оборудование и материалы
7.1.2.1 Испытательный стенд

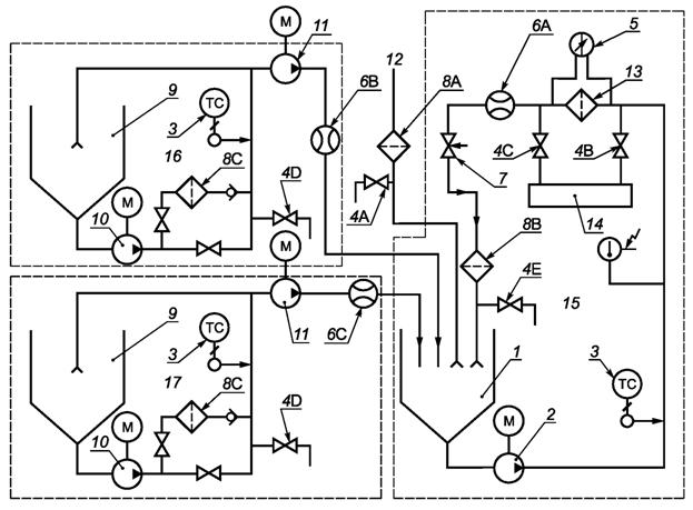
1 - основной резервуар; 2 - основной насос; 3 - терморегулятор; 4 - пробоотборный клапан; 5 - дифференциальный манометр; 6 - расходомер; 7 - регулирующий вентиль обратного давления; 8 - фильтры для очистки; 9 - инжекционный резервуар; 10 - рециркуляционный насос; 11 - инжекционный насос; 12 - подача воды после микрофильтра; 13 - испытуемый фильтр; 14 - онлайн счетчики; 15 - основной контур; 16 - инжекционный контур N 1; 17 - инжекционный контур N 2
Рисунок 1 - Схема испытательного стенда для определения эффективности фильтрации и грязеемкости
7.1.2.1.1 Контур для испытаний фильтра
Контур для испытаний фильтра предназначен для повторного использования отфильтрованной жидкости. Линия возврата оснащена фильтром для очистки, удерживающим все исследуемые частицы, которые прошли через испытуемый фильтр.
Испытательный контур включает в себя:
a) резервуар с коническим дном с рекомендуемым углом конуса, меньшим или равным 90°. Емкость резервуара должна быть достаточной для работы в течение 30 сек без подпитки и иметь высоту в два-три раза больше диаметра. Линия возврата рециркуляционной воды подает воду на отметке ниже уровня воды в резервуаре для предотвращения захвата воздуха;
b) циркуляционный насос должен обеспечивать постоянный не пульсирующий поток в течение всего испытания, особенно если фильтр засорен. Он должен быть устойчивым к тестовому загрязнителю и не изменять распределение частиц по размерам;
c) фильтр для очистки должен восстанавливать уровень загрязнения тестовой жидкости твердыми частицами до значения менее чем 300 частиц с размерами более 5 мкм на 100 мл. Он должен быть оснащен обходной и запорной арматурой;
d) приборы для измерения расхода, температуры, относительного давления и перепада давления на соединениях фильтра. Отвод для датчиков давления должен быть выполнен в виде небольшого перпендикулярного отверстия в стенке трубы и крана для изменения статического давления;
e) устройства для отбора проб по ИСО 4021, расположенные до и после фильтра, должны обеспечивать представительную выборку проб воды с загрязнителем;
f) соединительные трубы и фитинги, рассчитанные по размеру и выбранные таким образом, чтобы обеспечить турбулентный поток на протяжении всего контура, тем самым предотвращая образование тупиков, раздельных и застойных зон. Длина трубопроводов должна быть минимальной;
g) устройство контроля уровня чистой воды в испытательном резервуаре, которое контролирует уровень с точностью не менее 5 %;
h) регулятор температуры, который поддерживает температуру в пределах (23 ± 2) °С.
7.1.2.1.2 Контур ввода загрязнителя
Предусмотрены два инжекционных контура: один предназначен для ввода загрязнителя с концентрацией 5 мг/л (инжекционный контур N 1), другой - для ввода 100 мг/л (инжекционный контур N 2).
Каждый инжекционный контур включает в себя следующее оборудование:
a) конический резервуар с рекомендуемым углом конуса, меньшим или равным 90°. Его высота предпочтительно должна быть в два-три раза больше его диаметра. Он оснащен устройством контроля уровня воды. Линия возврата рециркуляционной воды подает воду на отметке ниже уровня воды в резервуаре для предотвращения захвата воздуха;
b) рециркуляционный насос, который создает достаточную скорость потока, чтобы обеспечить идеальное смешивание при любых режимах. Он должен быть стойким к тестовому загрязнителю и не изменять распределение частиц по размерам. Допускается использование дополнительной мешалки для обеспечения более полного перемешивания и суспендирования пыли ISO CTD;
c) терморегулятор для контроля и поддержания температуры воды в пределах, указанных для испытания;
d) фильтр для очистки, установленный таким образом, чтобы обходить инжекционный контур, что позволяет воде восстанавливаться до концентрации менее 1200 частиц с размерами более 5 мкм на 100 мл;
е) насос для ввода загрязнителя (инжекционный насос), который подает концентрированный загрязнитель в систему рециркуляции в точке, где поток является турбулентным, и выпускает его через гибкую трубку основного насоса в бак основного контура. Он не должен создавать чрезмерных пульсаций расхода и влиять на загрязнитель. Скорость впрыска должна быть достаточной для предотвращения осаждения загрязнителя;
f) устройство для отбора проб по ИСО 4021;
g) устройство для измерения расхода впрыска, нечувствительное к загрязнителю и не влияющее на распределение частиц по размерам при концентрациях, предусмотренных для испытания.
7.1.2.2 Устройства для автоматического счета частиц
Устройства включают в себя один или два регистрирующих устройства и два оптических сенсора.
Эти устройства работают на принципе поглощения луча белого света или лазерного луча, или по принципу лазерной диффузии; они должны быть правильно откалиброваны с использованием сертифицированных монодисперсных латексных сферических частиц.
Следует удостовериться, что верхние и нижние пределы обнаружения соответствуют пороговым значениям, указанным в 7.1.4.1.2.1, таблица 3.
7.1.2.3 Тестовая жидкость
Водопроводная вода фильтруется так, чтобы содержать менее 300 частиц с размерами более 5 мкм на 100 мл.
Примечание - Для того, чтобы избежать осаждения карбоната кальция, жесткость тестовой воды предпочтительно должна быть менее 300 мг/л по СаСО3.
7.1.2.4 Тестовый загрязнитель
ISO MTD диоксид кремния в виде частиц для сменного фильтрующего элемента с тонкостью фильтрации от 0 до 25 мкм и ISO CTD для сменного фильтрующего элемента с тонкостью фильтрации от 25 до 80 мкм (3.21-3.22).
7.1.2.5 Секундомер
7.1.2.6 Ультрачистые емкости
Следует использовать тщательно очищенные емкости для отбора проб, которые содержат менее, чем 300 частиц с размерами более 5 мкм на 100 мл при заполнении водой, прошедшей микрофильтр.
7.1.2.7 Мешалка для пигмента и краски
7.1.3 Проверка испытательного стенда
7.1.3.1 Общие требования
Целью проверки является демонстрация того, что испытательный стенд соответствует требованиям испытания. Проверку следует проводить регулярно, по крайней мере два раза в год, и каждый раз, когда узлы стенда модифицируются или изменяются.
7.1.3.2 Проверка контуров впрыска (загрязнителя) и фильтра для очистки
Два инжекционных контура для достижения тестовых концентраций 5 и 100 мг/л должны быть успешно проверены. Проверка проводится с максимальным объемом (ViM) в каждом баке и при минимальных расходах для инжекционных контуров.
a) Следует рассчитать две концентрации загрязнителя в инжекционном контуре так, чтобы концентрация в испытательном контуре была Се = 5 мг/л (инжекционный контур N 1) или Се = 100 мг/л (инжекционный контур N 2):
Ci=Ce(Qe/Qi),
(1)
где Qe = 15 л/мин;
Qi - минимальное значение расхода впрыска (загрязнителя), л/мин.
b) Подготовить навеску тестовой пыли ISO MTD или ISO CTD с массой М, предварительно высушенную при температуре от 110 °С до 150 °С в течение не менее 1 ч и охлажденную до комнатной температуры в эксикаторе, чтобы получить предварительно рассчитанную концентрацию Сi:
M=ViM·Ci,
(2)
где М - масса тестовой пыли, мг;
ViM - максимальный объем каждого бака, л;
Сi - концентрация загрязнителя в инжекционном контуре, мг/л.
c) Размешать загрязнитель в 200 мл чистой воды, обеспечивая полную гомогенизацию (например, с помощью ультразвука, а затем смешать немагнитной мешалкой).
d) Ввести объем жидкости (ViM = 200 мл) в инжекционный резервуар, включить рециркуляционный насос (рисунок 1, позиция 10), ввести тестовый загрязнитель, полученный в b) и с) выше, и оставить циркулировать в течение нескольких минут.
e) Установить расход впрыска (загрязнителя) на минимальное значение Qi, непрерывно контролируя значение, показываемое расходомером (рисунок 1, позиции 6В или 6С), и уровень жидкости в резервуаре для введения (загрязнителя). Начать впрыск (загрязнителя) в тестовый резервуар.
Примечание - Предпочтительно вводить загрязнитель с помощью гибкой трубки для того, чтобы облегчить операцию отбора в точке впрыска (загрязнителя).
f) Каждые 30 мин, в течение 6-часового периода, отбирать пробу 200 мл с помощью пробоотборного клапана (рисунок 1, позиция 4D) и в точке введения (загрязнителя) в главном контуре. Определить концентрацию взвешенных твердых частиц по ЕН 872.
g) При проверке инжекционного контура N 2 (для контроля Се = 100 мг) и с целью проверки фильтра для очистки между двумя операциями отбора проб выполнить счет онлайн в течение 15 мин путем подключения сенсора и счетчика (рисунок 1, позиция 4Е).
h) Инжекционный контур проверен, если выполнены следующие условия:
- среднее значение расходов, измеренные максимальные значения и определенный расход впрыска (загрязнителя) Qi, не отличаются более чем на 5 %;
- концентрация взвешенных твердых частиц для каждой из концентраций впрыска не отличается более чем на 5 %.
i) Фильтр для очистки проверен, если все значения счета, проведенного в перечислении g) настоящего пункта, менее, чем 300 частиц с размерами более 5 мкм на 100 мл.
7.1.3.3 Проверка испытательного контура
a) Отрегулировать объем жидкости VF в главном контуре до (7,5 ± 0,375) л.
b) После установки трубчатого патрубка на место испытуемого сменного фильтрующего элемента установить систему регулирования температуры и основной насос, регулирующий основной расход Qe до 15 л/мин. Продолжить работу до достижения стабилизации и, при необходимости, отрегулировать объем жидкости в контуре до 7,5 л.
c) К пробоотборным клапанам до и после фильтра (рисунок 1, позиции 4В и 4С) подключить предварительно откалиброванные автоматические онлайн счетчики, регулируя расход через сенсоры до значений, рекомендованных производителем автоматических счетчиков.
d) Ввести в резервуар каждого инжекционного контура навески загрязнителя с массами М1 и М2, предварительно высушенные в сушильном шкафу и обезвоженные для получения теоретических концентраций Се = 5 мг/л и Се = 100 мг/л.
e) Запустить проверку с периодом 30 мин при тестовой концентрации Се = 5 мг/л, в течение которой проводится оперативный счет через пробоотборные клапаны, установленные до и после фильтра (рисунок 1, позиции 4В и 4С), в течение 30 сек каждую минуту в пределах, выбранных в таблицах 2а и 2b. Во время данного периода собрать весь объем после одного из онлайн счетчиков и определить концентрацию взвешенных твердых частиц по ЕН 872.
f) Закрыть пробоотборный клапан до фильтра (рисунок 1, позиция 4В).
g) Повторить проверку в течение 15 мин для концентрации Се = 100 мг/л. Собрать весь объем, который проходит через пробоотборный клапан после фильтра (рисунок 1, позиция 4С) для анализа размера частиц, сенсор после фильтра должен быть предварительно отключен.
h) После этого выполнить проверку в течение 30 мин при тестовой концентрации 5 мг/л с онлайн счетом каждую минуту через пробоотборные клапаны до и после фильтра (рисунок 1, позиции 4В и 4С), объем образца 25 мл, в пределах, выбранных в таблицах 2а и 2b.
i) Испытательный контур проверен, если выполняются следующие три условия:
- разница между результатами для каждого сенсора в течение периодов времени по перечислениям е) и h) настоящего пункта менее или равна значениям, приведенным в таблице 2а:
|
Пороговые размеры частиц, мкм |
d > 3 |
d > 5 |
d > 10 |
d > 15 |
d > 25 |
d > 35 |
d > 55 |
d > 70 |
d > 80 |
|
ISO MTD, % |
3 |
5 |
7 |
10 |
32 |
55 |
- |
- |
- |
|
ISO CTD, % |
- |
6 |
8 |
11 |
25 |
30 |
40 |
55 |
72 |
- разница в результатах для двух сенсоров для данных периодов меньше или равна значениям, приведенным в таблице 2b:
|
Пороговые размеры частиц, мкм |
2 |
3 |
4 |
5 |
7 |
10 |
12 |
15 |
20 |
30 |
40 |
|
Разница, % |
5 |
5 |
5 |
5,1 |
5,3 |
5,6 |
5,6 |
6,3 |
7 |
10 |
10 |
Если эти условия не выполняются, отрегулировать только сенсор на входе для уменьшения отклонения при соответствующих размерах.
- масса загрязнителя, собранная на пробоотборном клапане до/после фильтра (рисунок 1, позиции 4С и/или 4В) и рассчитанная, как показано ниже, не отклоняется более чем на 30 % от введенной массы.
Пример - При значении расхода через сенсор Qech = 20 мл/мин в течение 30-минутного периода и концентрации 5 мг/л теоретически должна быть получена следующая масса:
мг.
Эффективно полученная масса m'1 рассчитывается следующим образом:
*,
──────────────────────────────
* Согласно данной формуле результат расчета эффективно полученной массы m'1 выражается в г.
──────────────────────────────
где Cech - полученная концентрация средней пробы, мг/л;
Vech - общий объем полученной пробы, мл.
Применяется следующее условие: m'1 = m1 ± 30 %.
7.1.4 Методика испытаний
7.1.4.1 Условия при испытании
7.1.4.1.1 Фиксированные условия
Предъявляются следующие условия:
a) тестовый расход: определенный изготовителем расход, указанный на этикетке продукта;
b) тестовый загрязнитель: ISO MTD или ISO CTD;
c) метод отбора проб: во время периодов с концентрацией Се = 5 мг/л до фильтра (пробоотборный клапан, рисунок 1, позиция 4В) и после фильтра (пробоотборный клапан, рисунок 1, позиция 4С);
d) метод счета: автоматический онлайн счетчик частиц, использующий диффузию или поглощение белого света или лазерного луча;
e) уровень исходной чистоты:
- инжекционный контур: менее 6000 частиц с размерами более 2 мкм на 100 мл;
- главный контур (рисунок 1, позиция 4В): менее 800 частиц с размерами более 2 мкм на 100 мл;
f) продолжительность периодов:
1) период счета (Се = 5 мг/л): 30 мин;
2) период загрязнения (Се = 100 мг/л):
- поверхностный сменный фильтрующий элемент: 60 мин;
- глубинный сменный фильтрующий элемент: 15 мин (намотанный, скрепленный);
g) в конце испытания минимальный перепад давления:
- поверхностный сменный фильтрующий элемент
(например, гофрированный, сита и др.): dPF = 250 кПа;
- глубинный сменный фильтрующий элемент
(например, намотанный, скрепленный и др.): dPF = 150 кПа;
- фильтры с обратной промывкой: указанный изготовителем перепад давления, при котором начинается процесс обратной промывки.
7.1.4.1.2 Переменные условия
7.1.4.1.2.1 Выбор пороговых размеров частиц
Пороговые размеры частиц для счета, адаптированные к предполагаемой заданной тонкости фильтрации испытуемого фильтра, приведены в таблице 3.
|
Заданная тонкость фильтрации, мкм |
Пороговые размеры частиц, мкм | |||||
|
< 5 |
1 |
2 |
3 |
4 |
5 |
6 |
|
5-10 |
2 |
3 |
5 |
8 |
10 |
12 |
|
10-15 |
3 |
6 |
10 |
12 |
15 |
20 |
|
15-25 |
5 |
8 |
12 |
20 |
30 |
40 |
|
25-35 |
10 |
15 |
20 |
30 |
40 |
50 |
|
35-50 |
15 |
20 |
30 |
40 |
50 |
60 |
|
50-80 |
30 |
40 |
50 |
60 |
80 |
100 |
7.1.4.1.2.2 Начальный уровень чистоты
Начальный уровень чистоты испытательного контура, измеренный с помощью пробоотборного клапана после фильтра (рисунок 1, позиция 4С), должен быть таким, чтобы число частиц с размерами, превышающими заданную тонкость фильтрации, составляло не более 10 % от ожидаемого числа частиц для данного порогового значения после фильтра. Это ожидаемое число рассчитывается из числа частиц тестового загрязнителя с концентрацией 5 мг/л и предполагаемой эффективности фильтра при этом пороговом значении.
7.1.4.2 Подготовка контуров впрыска загрязнителя
7.1.4.2.1 Расчет условий испытания для инжекционного контура N 1 (концентрация загрязнителя 5 мг/л).
Примечание - Подготовка к испытанию предполагает предварительное знание грязеемкости испытуемого фильтрующего элемента при указанном конечном перепаде давления. Если грязеемкость неизвестна, предварительное испытание проводится при значении расхода, запланированном для испытания, и с исключительно высокой концентрацией тестового загрязнителя перед фильтром (от 100 до 300 мг/л).
a) Рассчитать время Т'1, мин, необходимое для загрязнения фильтрующего элемента, приняв концентрацию до испытуемого фильтра Се = 100 мг/л:
,
(3)
где CRP - предполагаемая грязеемкость, мг;
Се = 100 мг/л;
Qe = 15 л/мин.
b) Из рассчитанного в перечислении а) настоящего пункта T'1 определить число РТ для одночасовых периодов в случае гофрированного фильтра и 15-минутных периодов для глубинного фильтра при тестовой концентрации 100 мг/л, необходимой для загрязнения фильтра, и число 30-минутных периодов при тестовой концентрации 5 мг/л в начале и конце периода.
Пример - При Т'1 = 2 ч 30 мин для гофрированного фильтра нужно обеспечить:
- по крайней мере два одночасовых периода с концентрацией Се = 100 мг/л и
- три 30-минутных периода с концентрацией Се = 5 мг/л.
Для глубинного фильтра предусматривают:
- по крайней мере три 15-минутных периода с концентрацией Се = 100 мг/л и
- четыре 30-минутных периода с концентрацией Се = 5 мг/л.
c) Выбрать значение расхода впрыска загрязнителя Qi1 как функцию скоростей отбора проб до и после испытуемого фильтра и возможного дополнительного расхода при отводе, чтобы гарантировать стабильность объема жидкости в основном контуре на протяжении всего испытания. Расходы для отбора проб устанавливаются равными скорости отбора проб счетчиками частиц.
d) Рассчитать общий объем Vi1, л, необходимый для ввода загрязнителя в течение периода времени Т1, мин, запланированного для испытания, исходя из расхода впрыска Qi1, л/мин, и добавить 20 % (запас для надежности):
Vi1=1,2·T1·Qi1.
(4)
Примечание - Этот общий объем Vi1 может быть подготовлен при необходимости в ходе испытаний;
e) Рассчитать концентрацию загрязнителя Сi1, мг/л, в инжекционном контуре N 1:
,
(5)
где Се = 5 мг/л;
Qe = 15 л/мин.
f) Рассчитать массу загрязнителя М1, г, которую необходимо ввести в воду, чтобы соответствовать ранее рассчитанным условиям испытаний, согласно следующему уравнению:
*.
(6)
──────────────────────────────
* В оригинале стандарта ЕН 13443-2:2005+А1:2007 в уравнении (6) допущена опечатка. Массу загрязнителя M1, г, следует рассчитывать согласно уравнению:
.
──────────────────────────────
7.1.4.2.2 Расчет условий испытаний для инжекционного контура N 2 (концентрация загрязнителя 100 мг/л)
a) Выбрать значение расхода впрыска Qi2 как функцию скоростей отбора проб до и после испытуемого фильтра и возможного дополнительного расхода при отводе, чтобы гарантировать стабильность объема жидкости в главном контуре на протяжении всего испытания. Скорости отбора проб устанавливаются по скорости отбора проб счетчиком частиц.
b) Рассчитать общий объем жидкости Vi2, л, необходимый для введения загрязнителя в течение периода времени T1, мин, запланированного для испытания, рассчитанного в перечислении а) настоящего пункта, из расхода впрыска Qi2, л/мин, и добавить 20 % (запас для надежности):
Vi2=1,2·T1·Qi2.
(7)
Примечание - Этот общий объем Vi2 может быть подготовлен при необходимости в ходе испытаний. Допускается приготовить больший объем при условии, что концентрация загрязнителя соответствует концентрации, рассчитанной в перечислении а) настоящего пункта.
c) Рассчитать концентрацию загрязнителя Ci2, мг/л, в инжекционном контуре N 2:
,
(8)
где Се = 100 мг/л;
Qe = 15 л/мин.
d) Рассчитать массу загрязнителя М2, г, которую необходимо ввести в воду для впрыска, чтобы соответствовать ранее рассчитанным условиям испытаний, согласно следующему уравнению:
**.
(9)
──────────────────────────────
** В оригинале стандарта ЕН 13443-2:2005+А1:2007 в уравнении (9) допущена опечатка. Массу загрязнителя M2, г, следует рассчитывать согласно уравнению:
.
──────────────────────────────
7.1.4.2.3 Настройка инжекционных контуров
a) Заполнить инжекционные резервуары и запустить рециркуляционные насосы.
b) Установить расходы впрыска на значения, выбранные в 7.1.4.2.1 с) и 7.1.4.2.2 а).
c) Ввести в эксплуатацию фильтры для очистки в инжекционных контурах (рисунок 1, позиция 8С) и выполнять работу до тех пор, пока системы не будут содержать менее 6000 частиц с размерами более 2 мкм на 100 мл.
d) Подключить фильтры для очистки через обводной канал (рисунок 1, позиция 8С).
e) Измерить точно объемы жидкости Vi в контурах впрыска и добавить в каждый резервуар навеску загрязнителя М, определенную в 7.1.4.2.1 f) и 7.1.4.2.2 d), предварительно размешанную в небольшом количестве воды, которая отобрана из инжекционных контуров; при этом необходимо тщательно промыть сосуды.
Примечание - Следует уделить особое внимание диспергированию высококонцентрированного загрязнителя. Рекомендуется поместить полностью обезвоженную тестовую пыль в бутылку с завинчивающейся крышкой, имеющую емкость, в 80 раз превышающую насыпной объем этой пыли, а затем ввести объем жидкости, равный 50-кратному этому же насыпному объему. Сосуд погрузить в ультразвуковую ванну на 1 мин, затем поместить на 10 мин в мешалку для пигментов и красок.
f) Дать инжекционным контурам поработать в течение 10 мин, чтобы гомогенизировать суспензии, прежде чем начать вводить загрязнитель в испытательный контур.
7.1.4.3 Подготовка испытательного контура
a) Установить фильтродержатель (без фильтрующего элемента) в главный контур перед сборкой. Убедиться, что фильтродержатель и все дополнительные трубопроводы чистые.
b) Отрегулировать объем воды в контуре до (7,5 ± 0,375) л.
c) Включить циркуляционный насос и систему регулирования температуры. Установить расход на значение для испытаний Qe = (15 ± 0,3) л/мин и температуру на (23 ± 2) °С. В случае разомкнутого контура, отрегулировать расход подпиточной воды, чтобы учесть сброс фильтрата и скорость отбора пробы.
Примечание - Для обеспечения воспроизводимых результатов объем воды в контуре должен оставаться постоянным в пределах ± 5 % на протяжении всего испытания.
d) Пропускать воду через фильтр для очистки в испытательном контуре до тех пор, пока уровни загрязнения твердыми частицами не достигнут значений, указанных в 7.1.4.1.1 (рисунок 1, пробоотборный клапан 4В) и 7.1.4.1.2.2 (рисунок 1, пробоотборный клапан 4С), и будут оставаться стабильными в течение не менее 15 мин. При необходимости установить дополнительный фильтр для очистки вместо испытуемого фильтра.
e) Отметить перепад давления ΔPc только на фильтродержателе.
7.1.4.4 Испытание на эффективность и грязеемкость фильтра
a) Остановить главный насос.
b) Установить испытуемый фильтрующий элемент в фильтродержатель и убедиться в том, что он полностью заполнен тестовой жидкостью. При испытании гофрированного сменного фильтрующего элемента его целостность должна быть предварительно определена по приложению С.
c) Обеспечить циркуляцию воды с указанным тестовым расходом с точностью до ± 2 % и контроль температуры при (23 ± 2) °С.
d) Отобрать три последовательных пробы из каждого инжекционного контура и определить концентрацию взвешенных твердых частиц по ЕН 872.
e) Установить пороговые значения счетчика частиц по таблице 3. Включить счетчики.
f) Оставить работать фильтр для очистки.
g) Записать результаты, полученные через 5 мин, чтобы определить начальный уровень чистоты.
h) Измерить перепад давления ΔPo на чистом фильтре. Полученное значение позволяет определить перепад давления чистого фильтрующего элемента ΔPeo путем вычитания перепада давления только в фильтродержателе ΔPc, измеренного в 7.1.4.3: ΔPeo=ΔPo-ΔPc.
i) Начать испытание, включив секундомер и инжекционный насос контура N 1, чтобы получить концентрацию до фильтра Се = 5 мг/л. Чередовать периоды 30 мин при Се = 5 мг/л и 60 мин для гофрированных сменных фильтрующих элементов или 15 мин для глубинных сменных фильтрующих элементов при Се = 100 мг/л.
j) Управлять пробоотборными устройствами до и после фильтра и считывать число частиц в течение 30 с каждую минуту за периоды при концентрации Се = 5 мг/л. Прервать счет до фильтра, изолировав сенсор с помощью пробоотборного клапана до фильтра (рисунок 1, позиция 4В) за периоды при концентрации Се = 100 мг/л.
k) Собрать всю жидкость из датчика после фильтра и измерить общий конечный объем отобранной пробы.
l) Продолжить испытание до тех пор, пока перепад давления dPF на элементе не достигнет 250 кПа (гофрированный сменный фильтрующий элемент) или 150 кПа (глубинный сменный фильтрующий элемент). Если по истечении 6 ч это значение не достигнуто, остановить испытание.
Если во время периода с концентрацией загрязнителя 100 мг/л происходит забивание, немедленно перейти к уровню ввода загрязнителя 5 мг/л и продолжить испытание в течение 30 мин.
Для глубинного сменного фильтрующего элемента, если к концу 6 ч забивание не произошло, начать испытание снова при условиях, указанных для гофрированного сменного фильтрующего элемента.
Если перепад давления после быстрого роста выравнивается и поддерживается в течение 30 мин, то прекратить испытание в течение последнего 30-минутного периода счета при концентрации Се = 5 мг/л.
m) Остановить испытание следующим образом:
- записать время окончания испытания, TF, и продолжительность последнего периода загрязнения при концентрации 100 мг/л, Δt100,PT;
- отключить счетчики частиц;
- остановить насос главного контура;
- записать объем жидкости, VF, л, в испытательном контуре;
- записать объем инжекционных контуров, взять три последовательных пробы и определить концентрацию взвешенных твердых частиц по ЕН 872;
- остановить насосы инжекционных контуров;
- тщательно перемешать объем жидкости, собранный из датчика после фильтра. Взять пробу и определить концентрацию взвешенных твердых частиц по ЕН 872.
7.1.5 Представление результатов
По значению концентрации и объема жидкости (показания датчика после фильтра) рассчитать массу загрязнителей ISO MTD или ISO CTD, не задержанную в течение каждого периода. Определить грязеемкость, CR, путем вычитания незадержанной массы ISO MTD или ISO CTD из введенной массы ISO MTD или ISO CTD.
Примечание - Среднее значение введенной тестовой пыли, потерянной в верхней части линии отбора проб во время периодов при концентрации Се = 5 мг/л, считается незначительным.
Рассчитать из интегрального и дифференциального режима счета частиц интегральную и дифференциальную эффективность фильтрации.
Определить графически заданную тонкость фильтрации, S.
7.1.6 Протокол испытаний
Протокол испытаний должен содержать ссылку на настоящий стандарт, а также следующую информацию:
a) наименование испытательной лаборатории;
b) фамилию и инициалы исполнителя;
c) дату проведения испытаний;
d) изготовителя фильтра;
e) код продукции;
f) номер серии;
g) производственный номер;
h) определенную заданную тонкость фильтрации;
i) определенную заданную грязеемкость;
j) тип тестовой жидкости;
k) тестовый расход;
l) объем испытательного контура;
m) начальный уровень чистоты системы до и после фильтра;
n) данные о завершении испытания или конечный перепад давления;
о) тип и данные о калибровке датчиков/сенсоров и счетчиков частиц;
р) впрыскиваемую массу;
q) общую незадержанную массу;
r) таблицу, показывающую забивание сменного фильтрующего элемента во времени;
s) кривые и таблицы интегральных и дифференциальных, до и после фильтра, единовременных данных счета и в зависимости от времени испытания;
t) общую интегральную среднюю эффективность фильтрации за отдельный период и для всех испытаний в зависимости от размера частиц;
u) расчетную заданную тонкость фильтрации, S, мкм;
v) расчетную грязеемкость: CR А1> текст исключен <А1, г.
Пример протокола испытаний приведен в приложении А, А.1, примеры кривых эффективности приведены в приложении В, рисунок В.1.
7.2 Грязеемкость
7.2.1 Принцип проведения испытаний
Грязеемкость сменного фильтрующего элемента может быть измерена либо во время проведения испытания на эффективность по 7.1, либо с использованием упрощенного метода, приведенного ниже.
Примечание - В зависимости от типа и характеристик сменного фильтрующего элемента грязеемкость, полученная по двум методам, может отличаться. Могут сравниваться только те значения, которые измерены по одному и тому же методу.
7.2.2 Испытательное оборудование
Следует использовать испытательный стенд для фильтров по 7.1.2.1, но только с одним инжекционным контуром N 2.
7.2.3 Метод испытаний
7.2.3.1 Условия проведения испытаний
a) тестовый расход: заданный расход, указанный на этикетке продукта;
b) тестовый загрязнитель: ISO MTD или ISO CTD;
c) уровень начальной чистоты:
- инжекционный контур: не более 6000 частиц с размерами более 2 мкм на 100 мл;
- главный контур (рисунок 1, позиция 4В): не более 800 частиц с размерами более 2 мкм на 100 мл;
d) минимальный перепад давления в конце испытаний:
- поверхностный сменный фильтрующий элемент
(например, гофрированный, сита и др.): ΔPF = 250 кПа;
- глубинный сменный фильтрующий элемент
(например, намотанный, скрепленный и др.): ΔPF = 150 кПа;
e) Фильтры с обратной промывкой: указанный изготовителем перепад давления, который запускает процесс обратной промывки.
7.2.3.2 Подготовка контура впрыска загрязнителя
Используя методику по 7.1.4.2.2, подготовить инжекционный контур для загрязнения элемента до перепада давления, указанного в 7.2.3.1.
7.2.3.3 Подготовка испытательного контура
Выполнить действия согласно 7.1.4.3, принимая начальные уровни загрязнения, указанные в 7.2.3.1.
7.2.3.4 Испытание на грязеемкость
a) Остановить основной насос и, в случае разомкнутой цепи, перекрыть подачу воды.
b) Установить испытуемый фильтрующий элемент в испытательный корпус или фильтродержатель. При испытании гофрированного сменного фильтрующего элемента его целостность должна быть предварительно проверена по приложению С.
c) Обеспечить циркуляцию воды с заданным тестовым расходом в пределах ± 2 %, регулируя, при необходимости, подачу подпиточной воды и температуру в пределах (23 ± 2) °С.
d) Отобрать три последовательных пробы из инжекционного контура и определить концентрацию в них с помощью гравиметрического анализа по ЕН 872.
e) Для замкнутого контура оставить фильтр для очистки в рабочем состоянии.
f) Измерить перепад давления, ΔPo, на чистом фильтре. Полученное значение позволит определить перепад давления чистого фильтрующего элемента, ΔPeo, путем вычитания перепада давления только в корпусе фильтра, ΔPc, как измерено по 7.1.4.3: ΔPeo=ΔPo-ΔPc.
g) Начать испытание, включив секундомер и инжекционный насос, чтобы получить концентрацию до фильтра Се = 100 мг/л.
h) Пробоотборное устройство после фильтра (рисунок 1, позиция 4С) должно работать непрерывно. Собрать всю жидкость и измерить общий конечный объем.
i) Продолжить испытание, пока перепад давления, dPF, на элементе не достигнет значений, указанных в 7.2.3.1. Если по истечении 6 ч это значение не достигнуто, прервать испытание.
j) В течение всего испытания убедиться, что рабочие условия поддерживаются на указанных значениях, в частности, тестовый расход и расход при впрыске, а также объем и температура испытуемой жидкости.
Прерывание испытания выполняется в следующем порядке:
- записать время окончания испытания, TF;
- остановить насос главного контура и при необходимости отключить подачу воды;
- записать объем жидкости, VF, в испытательном контуре;
- записать объем инжекционного контура и отобрать три последовательных пробы для определения концентрации;
- остановить насос контура впрыска;
- тщательно перемешать объем жидкости, собранной из датчика после фильтра. Взять пробу и определить концентрацию взвешенных твердых частиц по ЕН 872.
7.2.4 Представление результатов
Рассчитать массу ISO MTD или ISO CTD, не задержанную во время испытания, по значению концентрации и объема жидкости (показания пробоотборного устройства после фильтра). Определить грязеемкость, CR, путем вычитания незадержанной массы ISO MTD или ISO CTD из введенной массы ISO MTD или ISO CTD.
7.3 Перепад давления
7.3.1 Принцип проведения испытаний
Испытание состоит в постепенном увеличении А1> расхода <А1 воды через фильтродержатель с фильтрующим элементом и без него и измерении соответствующего перепада давления.
7.3.2 Испытательное оборудование и материалы
Схема испытательного стенда приведена на рисунке 2.

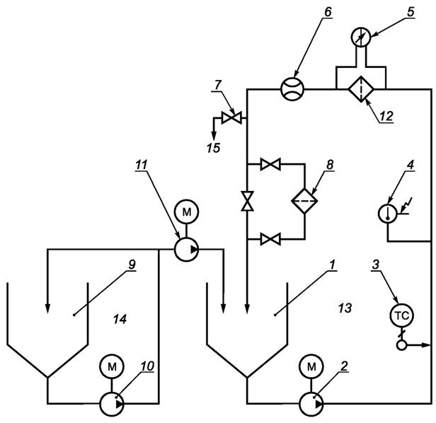
1 - резервуар; 2 - насос; 3 - фильтр для очистки; 4 - регулятор температуры; 5 - термометр; 6 - испытуемый фильтр или фильтродержатель; 7 - дифференциальный манометр; 8 - манометр; 9 - расходомер
Рисунок 2 - Типовая схема испытательного стенда для определения перепада давления на фильтрующем элементе в зависимости от расхода
Основными элементами данного испытательного стенда являются:
a) источник воды под давлением, способный подавать расход на 20 % больше, чем максимальный тестовый А1> расход <А1. Устройство управления (расходомер) должно обеспечивать непрерывное изменение А1> расхода <А1 от нуля до желаемого значения;
b) при необходимости, следует использовать резервуар, который предотвращает захват и попадание воздуха;
c) датчик температуры и регулятор при (23 ± 2) °С;
d) фильтр для очистки с заданной тонкостью фильтрации менее 1/5 от тонкости фильтрации испытуемого фильтра;
e) отводы для подсоединения манометров устанавливают на прямом участке по обе стороны фильтра на расстоянии шести внутренних диаметров трубы до фильтра и четырех внутренних диаметров после фильтра;
f) тестовая жидкость: вода из крана, только что прошедшая микрофильтр.
7.3.3 Измерительные приборы
Следует использовать инструменты с точностью, как указано ниже:
- расход: ± 2 % от фактического значения;
- давление: ± 2 % от фактического значения;
- температура: ± 0,5 °С.
7.3.4 Метод испытаний
7.3.4.1 Проверка испытательного стенда
Установить фильтродержатель без фильтрующего элемента. Обеспечить циркуляцию тестовой жидкости при 1,2QN, где QN - номинальный расход жидкости, пока температура не стабилизируется при (23 ± 2) °С и, при необходимости, до тех пор, пока контур не станет чистым. Обеспечить отсутствие воздуха и стабильность значений давления.
7.3.4.2 Испытание фильтродержателя
a) Убедиться, что без фильтрующего элемента фильтродержатель существенно не изменяет поток воды. Для этого установить заменяющий элемент (например, перфорированную трубку), который создает направление потока, максимально похожее на то, что создает фильтрующий элемент. Площадь всех отверстий заменяющего элемента, через которые проходит жидкость, должна быть как можно большей, чтобы минимизировать перепад давления. Характеристики данного заменяющего элемента должны быть приведены в протоколе испытаний.
b) Отрегулировать расход до 0,2QV и записать Р1 и ΔP, а также температуру тестовой жидкости.
c) Повторить эти операции для увеличения значений расхода, соответствующих приращениям по 0,2QV до 1,2QV.
d) Для каждого приращения расхода рассчитать и записать перепад давления на фильтродержателе.
7.3.4.3 Испытание собранного фильтра
a) Установить фильтрующий элемент в фильтродержатель, далее установить собранный узел на испытательном стенде. Убедиться, что байпас полностью закрыт.
b) Обеспечить циркуляцию для удаления воздуха из фильтродержателя и контура.
c) Повторить операции, указанные в 7.3.4.2, перечисления b) - d), следя за тем, чтобы наблюдались такие же приращения расхода.
7.3.4.4 Характеристики только фильтрующего элемента
Рассчитать перепад давления, создаваемого только фильтрующим элементом, путем вычитания значений, полученных только для фильтродержателя, из значений, измеренных на фильтродержателе совместно с фильтрующим элементом.
7.3.5 Протокол испытаний
Указать все условия испытаний и результаты. Построить кривые зависимости ΔP = f(QV) только для фильтродержателя, для полной сборки и только для фильтрующего элемента.
Типовой протокол испытаний приведен в приложении А, А.2, типовая кривая испытаний - в приложении В, рисунок В.3.
7.4 Разрушающий перепад давления на сменном фильтрующем элементе
7.4.1 Принцип проведения испытаний
Цель данного испытания - проверить способность сменного фильтрующего элемента выдерживать заданный перепад давления жидкости в нормальном направлении потока без разрушения или разрыва.
Испытание состоит в пропускании загрязненной жидкости с заданным расходом через фильтр до тех пор, пока он не засорится и не будет достигнут заранее определенный перепад давления, с последующей проверкой того, что сменный фильтрующий элемент не имеет видимых повреждений.
7.4.2 Испытательное оборудование и материалы
7.4.2.1 Испытательный стенд
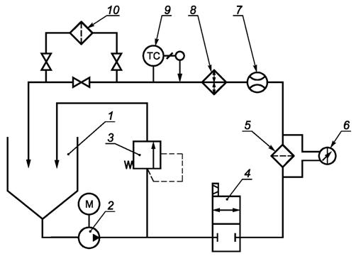
Схема испытательного стенда приведена на рисунке 3.

1 - главный резервуар; 2 - главный насос; 3 - терморегулятор; 4 - индикатор температуры; 5 - индикатор перепада давления; 6 - расходомер; 7 - кран для контроля уровня; 8 - фильтр для очистки; 9 - резервуар для введения (загрязнителя); 10 - рециркуляционный насос; 11 - инжекционный насос; 12 - испытуемый фильтр; 13 - испытательный контур; 14 - контур для введения (загрязнителя); 15 - сток
Рисунок 3 - Схема испытательного стенда на разрушение/разрыв
7.4.2.1.1 Испытательный контур проверки фильтра
Испытательный контур содержит следующее оборудование:
a) основной резервуар с рекомендуемым углом конуса, меньшим или равным 90°, и емкостью около 6 л. Жидкость подается в резервуар на отметке ниже уровня воды для предотвращения захвата воздуха;
b) главный насос, способный развивать максимальный перепад давления А1> и расход <А1, как запланировано для испытания. Он должен быть устойчивым к высококонцентрированному загрязнителю, используемому при испытании;
c) приборы для измерения температуры, перепада давления и расхода на соединениях фильтра, соответствующие спецификациям по 6.5;
d) трубопроводы и соединители необходимого диаметра и длины, выбранные для обеспечения турбулентности потока по всему контуру для предотвращения сегрегации частиц. Длина трубопроводов должна быть уменьшена до минимума;
e) терморегулятор для поддержания температуры в пределах (23 ± 2) °С;
f) линия слива и клапан для контроля уровня в главном резервуаре;
g) фильтр для очистки.
7.4.2.1.2 Контур для впрыска загрязнителя
Инжекционный контур содержит следующее оборудование:
a) резервуар с коническим дном (рисунок 3, позиция 9), имеющий рекомендуемый угол конуса, меньший или равный 90°, и вместимость около 6 л. Он оснащен датчиком уровня. Возвратная жидкость поступает под поверхность жидкости;
b) рециркуляционный насос (рисунок 3, позиция 10) создает достаточный расход, чтобы обеспечить практически идеальное перемешивание в условиях испытания. Он должен быть устойчивым к загрязнителю, используемому в испытании, и не должен изменять распределение частиц загрязнителя по размерам;
c) инжекционный насос (рисунок 3, позиция 11) для переноса загрязненной жидкости из рециркуляционной трубы в точку, где поток является турбулентным, и впрыска его через гибкую трубку, погруженную в резервуар основного контура.
7.4.2.2 Тестовый фильтродержатель
Может использоваться фильтродержатель, поставляемый изготовителем сменного фильтрующего элемента, или сосуд, приспособленный соответствующим образом.
7.4.2.3 Тестовая жидкость
Водопроводная вода.
7.4.2.4 Тестовый загрязнитель
Кремнистая пыль по ИСО 12103-1 (мелкодисперсная тестовая пыль FTD, размер частиц от 0 до 80 мкм) для испытуемого элемента с заданной тонкостью фильтрации ниже 25 мкм или ISO CTD (размер частиц от 0 до 200 мкм) для элементов с большей тонкостью фильтрации.
7.4.2.5 Измерительные приборы
Следует использовать приборы с точностью, как указано ниже:
Расход: ± 5 %
Давление: ± 5 %
Температура: ± 1 °С
Приборы должны быть устойчивы к ожидаемым условиям испытания.
7.4.3 Метод испытаний
При проведении данного испытания должно быть указано следующее:
- расход через фильтр;
- номинальное давление для фильтродержателя и только для фильтрующего элемента;
- температура жидкости.
a) Промыть оба контура три раза с циркуляцией тестовой жидкости в течение 10 мин при максимальном расходе, допустимом для установки (убедиться, что фильтр для очистки изолирован).
b) Проверить целостность испытуемого фильтрующего элемента по приложению С.
c) Установить тестовый фильтродержатель на испытательный стенд без сменного фильтрующего элемента.
d) Обеспечить циркуляцию тестовой жидкости через тестовый фильтродержатель при температуре (23 ± 2) °С с расходом, указанным изготовителем. Отметить тестовый расход, перепад давления dPc только в тестовом фильтродержателе и температуру жидкости.
е) Подготовить инжекционный контур, введя в резервуар около 6 л водопроводной воды и навеску загрязнителя на 20 % больше, чем масса М, которая, как ожидается, будет создавать заданный ΔP в течение примерно 1 ч. Может потребоваться предварительное испытание для определения требуемой массы М. Отрегулировать расход от инжекционного насоса примерно до 5 л/ч.
f) Установить фильтрующий элемент в тестовый фильтродержатель.
g) Поддерживать заданный расход и температуру на фильтрующем элементе, как указано в перечислении d) настоящего пункта. Отметить перепад давления на чистом блоке, dPo.
h) Вставить трубку впрыска от инжекционного насоса в основной резервуар и включить насос.
i) Поддерживать расход при испытании, как указано в перечислении d) настоящего пункта.
j) Записать перепад давления на тестовом фильтродержателе:
- если перепад давления постоянно увеличивается, продолжать введение загрязнителя до тех пор, пока перепад давления не станет равным конечному тестовому перепаду давления, и продолжить в соответствии с перечислением k) настоящего пункта;
- если перепад давления уменьшается или остается неизменным в течение не менее 3 мин (точка перегиба) до достижения заданного конечного тестового перепада давления, то это значит, что либо в осадке на фильтре образовались трещины, и вода проходит через трещины, либо происходит деградация структуры фильтрующего элемента. Если это так, необходимо следовать методике, изложенной в перечислении l) настоящего пункта;
k) Если наблюдается устойчивый рост перепада давления, то:
- остановить инжекционный насос, когда будет достигнут конечный тестовый перепад давления, включить фильтр для очистки в эксплуатацию, прокачать жидкость в течение 30 мин и записать ΔP сменного фильтрующего элемента;
- остановить основной насос. Затем вынуть фильтрующий элемент из тестового фильтродержателя и очистить его, стараясь не повредить фильтр;
- внимательно осмотреть его и записать любые видимые дефекты или искажения.
l) Если происходит снижение перепада давления до достижения конечного тестового перепада давления или оно остается неизменным, то:
- остановить инжекционный насос, затем остановить основной насос;
- отметить перепад давления в точке перегиба на кривой ΔP = f(t) минус перепад давления на тестовом фильтродержателе (ΔPc).
7.4.4 Критерии приемки
Если через 30 мин после завершения впрыска (загрязнителя) перепад давления на фильтрующем элементе не упал и если на извлеченном впоследствии сменном фильтрующем элементе отсутствуют видимые дефекты, то элемент прошел испытание.
Если перепад давления снижается или остается таким же, то фильтрующий элемент не устойчив к определенному перепаду давления.
7.4.5 Протокол испытаний
Протокол испытаний должен содержать ссылку на настоящий стандарт, а также следующую информацию:
a) наименование испытательной лаборатории;
b) фамилию и инициалы исполнителя;
c) дату проведения испытаний;
d) изготовителя фильтра;
e) код продукции;
f) номер серии;
g) производственный номер;
h) тонкость фильтрации в соответствии с 7.1;
i) тестовые температуру и расход;
j) удержанный загрязнитель;
k) заданный перепад давления;
l) перепад давления на новом фильтрующем элементе и фильтродержателе;
m) перепад давления, измеренный в конце запланированного испытания;
n) точку пузырька или воздухопроницаемость нового фильтрующего элемента;
о) кривую роста перепада давления в течение всего времени испытания;
р) обнаруженные дефекты и их описание.
Пример протокола испытания приведен в приложении А, А.3, типовая кривая разрушения в приложении В, рисунок В.4.
7.5 Устойчивость сменного фильтрующего элемента к циклическим изменениям давления
7.5.1 Принцип проведения испытаний
Фильтр подвергается циклическим перепадам давления для имитации условий усталости, испытываемых при нормальной эксплуатации сменного фильтрующего элемента.
Результаты испытаний определяются по сравнению значений точки пузырька до и после циклических изменений давления и осмотра сменного фильтрующего элемента на предмет видимых признаков повреждений.
7.5.2 Оборудование и реактивы
7.5.2.1 Испытательный стенд
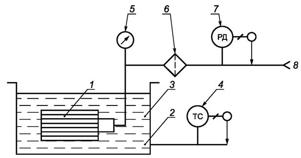
Схема испытательного стенда показана на рисунке 4.

1 - тестовый резервуар; 2 - насос; 3 - регулятор давления; 4 - электромагнитный клапан; 5 - испытуемый фильтр; 6 - дифференциальный манометр; 7 - расходомер; 8 - теплообменник; 9 - датчик температуры и регулятор; 10 - фильтр для очистки
Рисунок 4 - Схема испытательного стенда на устойчивость к циклическим изменениям давления
Испытательный стенд состоит из следующих компонентов:
a) резервуар с коническим дном емкостью не менее 5 л;
b) насос, предпочтительно шестеренного типа;
c) электромагнитный клапан, управляемый импульсным генератором (таймером);
d) устройство регулирования температуры;
e) тестовый фильтродержатель. Это может быть фильтродержатель, поставляемый изготовителем сменного фильтрующего элемента, или подходящий сборный элемент;
f) манометр и дифференциальный манометр, соответствующие условиям испытания по диапазону измерений и чувствительности;
g) счетчик для записи числа циклов потока;
h) расходомер, совместимый с условиями испытаний и с точностью до 2 %;
i) устройство для измерения и записи температуры, расхода и перепада давления с частотной характеристикой, совместимой с циклом расхода;
j) фильтр для очистки с тонкостью фильтрации, равной 1/2 от тонкости фильтрации испытуемого фильтра.
7.5.2.2 Тестовая жидкость
a) Водопроводная вода, прошедшая перед использованием через фильтр тонкой очистки, предпочтительно с тонкостью очистки 1 мкм или менее. Следует использовать свежую воду, резервуар не должен быть заполнен более чем за 24 ч до использования;
b) Альтернативной жидкостью является раствор глицерина или любая другая жидкость, смешиваемая с водой, совместимая с фильтром и имеющая при комнатной температуре такую вязкость, которая создает перепад давления 200 кПа на фильтре при скорости потока от 10 до 20 л/мин.
7.5.3 Проверка испытательного стенда
а) Установить тестовый корпус или фильтродержатель.
b) Установить манометр в точке, где жидкость поступает в тестовый фильтродержатель.
c) Отрегулировать температуру в пределах (23 ± 2) °С и расход в пределах (15 ± 3) л/мин.
d) Выполнить 10 циклов, изменяя расход через фильтр от нуля до уровня, необходимого для создания перепада давления 200 кПа (6.6) с частотой 0,05 Гц.
e) Записать давление до фильтра.
f) Проверить, чтобы не было скачка давления выше 10 кПа.
7.5.4 Метод испытаний
a) Проверить качество сменного фильтрующего элемента по приложению С.
b) Установить фильтродержатель или тестовый корпус на испытательном стенде без сменного фильтрующего элемента.
c) Обеспечить циркуляцию не менее 10 единиц объема жидкости через фильтр для очистки.
d) Измерить перепад давления для шести значений расхода через пустой тестовый фильтродержатель со скоростью от 10 до 20 л/мин при температуре (23 ± 2) °С.
e) Поместить фильтрующий элемент в тестовый фильтродержатель.
f) Установить регулирование температуры в пределах (23 ± 2) °С и отрегулировать производительность так, чтобы получить прирост перепада давления 200 кПа на фильтре.
g) Установить таймер так, чтобы электромагнитный клапан изменял скорость потока через фильтрующий элемент от нуля до величины, необходимой для создания перепада давления 200 кПа (6.6) с частотой изменения цикла 0,05 Гц для 500 циклов.
h) Записывать перепад давления на протяжении всего испытания. Проверить, достигнуто ли плато при максимальном и минимальном давлении.
i) При падении стабилизированного перепада давления более чем на 10 % по сравнению с начальным значением, указанным в перечислении f) настоящего пункта, записать число циклов и остановить испытание.
j) Тщательно промыть фильтрующий элемент водой, чтобы удалить все следы тестовой жидкости, и тщательно высушить его.
k) Проверить качество фильтрующего элемента по приложению С.
7.5.5 Критерии приемки
a) Прирост перепада давления должен оставаться в пределах ± 10 % от значения, указанного в 7.5.4, перечисление f), на протяжении всего испытания.
b) Не должно быть видимых дефектов в конструкции фильтрующего элемента.
c) Точка пузырька после испытания должна быть в пределах 15 % от начального значения.
7.5.6 Протокол испытаний
Протокол испытаний должен содержать ссылку на настоящий стандарт, а также следующую информацию:
a) наименование испытательной лаборатории;
b) фамилию и инициалы исполнителя;
c) дату проведения испытаний;
d) изготовителя фильтра;
е) код продукции;
f) номер серии;
g) производственный номер;
h) тонкость фильтрации в соответствии с 7.1;
i) вид испытательной жидкости, тип, температуру испытания, массу по объему, кинематическую вязкость;
j) процентную разницу между точкой пузырька или воздухопроницаемостью до и после испытания;
k) тестовый А1> расход <А1;
l) перепад давления на концах корпуса и прирост перепада давления в начале и конце испытания;
m) число запланированных и выполненных циклов;
n) кривую изменения перепада давления;
о) наблюдения.
Пример протокола испытаний приведен в приложении А, А.4.
7.6 Вынос частиц
7.6.1 Принцип проведения испытаний
Испытание включает циркуляцию воды, предварительно прошедшей микрофильтр, через фильтрующий элемент в нормальном направлении потока при заданном значении расхода с определением числа частиц и/или волокон на выходе фильтра, которые выделяются фильтрующим волокном.
7.6.2 Оборудование и реактивы
7.6.2.1 Испытательный стенд
Схема испытательного стенда показана на рисунке 5.

1 - подача воды под давлением; 2 - шаровой кран; 3 - расходомер; 4 - регулирующий клапан; 5 - фильтр для очистки; 6 - индикатор давления; 7 - испытуемый сменный фильтрующий элемент; 8 - чистая емкость
Рисунок 5 - Схема испытательного стенда для проверки чистоты
Испытательный стенд состоит из следующих компонентов:
a) фильтр для очистки, расположенный непосредственно перед испытуемым фильтром, способный удовлетворить требования к проверке холостого теста по 7.6.3.2;
b) испытуемый фильтр, тестовый фильтродержатель или корпус фильтра, в котором размещается фильтрующий элемент;
c) трубопровод, снабженный шаровым краном для подключения водопровода к тестовому фильтродержателю или корпусу фильтра;
d) регулятор расхода, расположенный на входе фильтра для очистки;
e) устройство для измерения расхода, которое может быть расходомером или секундомером, используемым в сочетании с градуированным цилиндром или любым подходящим оборудованием для измерения объема;
f) три ультрачистых контейнера для проб (7.1.2.6) с крышками, в которых будут храниться 5 л фильтрата.
7.6.2.2 Тестовая жидкость
Водопроводная вода, перед использованием прошедшая через фильтр тонкой очистки, предпочтительно стойкостью фильтрации 1 мкм или менее при температуре (23 ± 2) °С. Следует использовать свежую воду, резервуар не должен быть заполнен более чем за 24 ч до использования.
7.6.3 Проверка испытательного стенда
7.6.3.1 Общие сведения
Холостой тест предназначен для проверки чистоты всего контура, кроме испытуемого фильтра.
7.6.3.2 Холостой тест
a) Установить тестовый фильтродержатель или корпус фильтра без элемента.
b) Открыть шаровой кран.
c) Отрегулировать тестовый расход в соответствии со спецификацией изготовителя, используя регулирующий клапан потока.
d) Дать стечь 25 л воды, не изменяя расход.
e) Отобрать пробу объемом 5 л на выходе тестового фильтродержателя.
f) Подсчитать число частиц в пробе объемом 500 мл, взятой из пробы объемом 5 л, в соответствии с методикой, описанной в 7.6.5.
7.6.3.3 Критерии проверки
Испытательный стенд проверен и готов к работе, если проба объемом 500 мл содержит не более 8000 частиц с размерами более 2 мкм на 1 л.
7.6.4 Методика испытаний
a) Установить испытуемый фильтр или фильтрующий элемент.
b) Используя чистый сменный фильтрующий элемент, с помощью регулирующего клапана установить заданный изготовителем расход. Затем заменить его на неиспользованный испытуемый сменный фильтрующий элемент.
c) Открыть шаровой кран и промыть элемент водой в соответствии с инструкциями изготовителя.
d) Отобрать 5 л фильтрата.
e) Измерить и записать температуру воды с точностью до 1 °С.
f) Закрыть шаровой кран сразу после отбора пробы 5 л.
7.6.5 Анализ проб
Каждая из проб, отобранных по 7.6.3 и 7.6.4, обрабатывается следующим образом:
a) Гомогенизировать пробу путем энергичного перемешивания и немедленно отобрать пробу объемом 500 мл в ультрачистую емкость;
b) Отфильтровать данную пробу под вакуумом, используя мембрану 0,8 мкм;
c) С помощью микроскопа подсчитать число волокон и частиц и записать их число в 1 л при различных размерах в диапазоне от 5 до 15 мкм, от 15 до 25 мкм, от 25 до 50 мкм, от 50 до 100 мкм и более 100 мкм.
7.6.6 Критерии приемки
Число волокон и частиц, обнаруженных в каждом диапазоне размеров, не должно превышать значение, указанное изготовителем.
7.6.7 Протокол испытаний
Протокол испытаний должен содержать ссылку на настоящий стандарт, а также включать следующую информацию:
a) наименование испытательной лаборатории;
b) фамилию и инициалы исполнителя;
c) дату проведения испытаний;
d) изготовителя фильтрующего элемента;
e) код продукции;
f) номер серии;
g) производственный номер;
h) заданную тонкость фильтрации по 7.1;
i) вид тестовой жидкости (свежефильтрованная водопроводная вода);
j) температуру воды, прошедшей микрофильтр;
k) число волокон и частиц в 1 л в различных диапазонах размеров.
Пример протокола испытаний приведен в приложении А, А.5.
7.7 Проверка давления в фильтродержателе
Фильтродержатель и сменный фильтрующий элемент должны быть испытаны в сборе по ЕН 13443-1:2002, 7.1.2.
7.8 Испытание фильтродержателя на циклическую нагрузку
Фильтродержатель и сменный фильтрующий элемент должны быть испытаны в сборе по ЕН 13443-1:2002, 7.1.3.
8.1 Техническая документация
В комплект поставки механических фильтров должна входить документация с подробными инструкциями по монтажу, эксплуатации и техническому обслуживанию.
Инструкции для патронных фильтров должны содержать следующие данные:
- периодичность и условия замены сменного фильтрующего элемента;
- порядок заполнения и слива воды из фильтра;
- требования к удалению и утилизации фильтрующего элемента;
- порядок правильной и гигиеничной установки сменного фильтрующего элемента.
Руководство по эксплуатации должно включать в себя таблицу перепадов давления до 100 кПа. Для фильтров с обратной промывкой должны быть указаны периодичность обратной промывки и метод слива воды обратной промывки по ЕН 1717.
8.2 Маркировка
На фильтродержателе должно быть четко обозначено направление потока воды через фильтр. Обозначение должно быть видимым после установки фильтра.
8.3 Этикетирование
8.3.1 Фильтродержатель
Этикетка должна быть надежно нанесена на фильтр и быть хорошо различимой при работе после установки фильтра. Этикетка должна включать, как минимум, следующую информацию:
a) наименование изготовителя или поставщика;
b) размер соединений;
c) номинальный расход, м3/ч, для заданного перепада давления, кПа;
d) номинальное давление, кПа;
e) максимальную температуру воды, °С;
f) данные о сертификации;
g) тип/обозначение фильтра (номер серии).
8.3.2 Фильтрующий элемент
Упаковка фильтрующего элемента должна содержать следующую информацию:
a) наименование изготовителя или поставщика;
b) тип сменного фильтрующего элемента;
c) обозначение (номер детали);
d) тонкость фильтрации, мкм;
е) максимальный перепад давления, кПа;
f) номинальный расход, м3/ч;
g) максимальную температуру, °С;
h) совместимый(е) фильтродержатель(и).
Перечисления а), b), с) и d) настоящего пункта должны быть указаны на этикетке, которая должна быть закреплена рядом с фильтродержателем после установки в него сменного фильтрующего элемента.
Примечание - На этикетке сменного фильтрующего элемента должны быть четко указаны изготовитель, тип фильтра и фильтродержателя(ей), при применении которого сменный фильтрующий элемент соответствует требованиям настоящего стандарта.
Приложение А
(справочное)
А.1 Эффективность фильтрации и грязеемкость
А.1.1 Данные о фильтре
Данные о фильтродержателе:
Данные о фильтрующем элементе: XXX Оператор: АВ
А.1.2 Условия проведения испытаний
|
Дата: |
02/02/2000 | |||
|
Тестовая жидкость: |
Тип: |
вода, прошедшая микрофильтр |
Температура: 21 °С | |
|
Начальная чистота: |
До фильтра 34,7 частиц > 3 мкм/мл |
После фильтра 17,3 частиц > 3 мкм/мл | ||
|
Тестовый загрязнитель: |
Тип: ISO MTD |
Серия N 4850 М | ||
|
Тестовый контур: |
Тестовый расход: |
15 л/мин |
Объем: |
50 л |
|
Концентрация до фильтра |
Период счета: |
5,0 мг/л |
Цикл засорения: |
49,9 мг/л |
|
Инжекционный контур | ||||
|
Расход, л/час |
Концентрация, мг/л | ||||
|
начальная |
конечная |
средняя | |||
|
Цикл определения эффективности |
4,0 |
1123 |
1123 |
1123 | |
|
Цикл загрязнения |
4,0 |
11 230 |
11 230 |
11 230 | |
|
Контур счета * | |||||
|
Счетчик частиц |
Сенсор |
Расход, мл/мин |
Объем, мл | ||
|
До фильтра |
HIAC 8000 (IFTS LAB 110) |
HIAC HRLD 400 (IFTS LAB 83) |
20 |
10 | |
|
После фильтра |
HIAC 8000А (IFTS LAB 109) |
HIAC HRLD 400 (IFTS LAB 84) |
20 |
10 |
──────────────────────────────
* Типы счетчиков и сенсоров приведены в качестве промера. Могут использоваться аналогичные приборы других типов.
──────────────────────────────
А.1.3 Результаты
Целостность фильтрующего элемента
|
точка пузырька: |
20 гПа |
Жидкость: |
изопропанол |
Температура: |
20 °С |
|
Перепад давления при тестовом А1> расходе <А1 | |||||
|
Фильтродержатель: |
20 гПа |
Чистый блок: |
37 гПа | ||
|
Чистый элемент: |
17 гПа |
Конечный ΔP на элементе: |
2541 гПа | ||
|
N цикла |
1 |
2 |
3 |
4 |
5 |
6 |
7 |
8 | ||||||||
|
Се, мг/л |
50 |
49,9 |
5,0 |
49,9 |
5,0 | |||||||||||
|
Время, мин |
26 |
91 |
118 |
173 |
200 | |||||||||||
|
Перепад давления, гПа |
37 |
38 |
667 |
703 |
2462 |
2541 | ||||||||||
|
Введенная масса, г |
1,9 |
50,6 |
52,6 |
93,8 |
95,8 | |||||||||||
Грязеемкость.
Введенная масса М = 95,8 г.
Результаты счета частиц до/после фильтра показаны на рисунке В.1.
Интегральный счет, частиц/мл
|
Цикл |
Пороговые размеры частиц, мкм | ||||||||||||||||
|
d > 3 |
Rd E% |
d < 6 |
Rd E% |
d < 8 |
Rd E% |
d < 10 |
Rd E% |
d < 12 |
Rd E% |
d < 15 |
Rd E% |
d < 20 |
Rd E% |
d < 25 |
Rd E% | ||
|
Начальный счет до фильтра |
35 |
28 |
26 |
23 |
22 |
21 |
17 |
14 | |||||||||
|
1 |
До |
8442 |
4,98 |
3034 |
9,56 |
1520 |
15,99 |
683 |
36,69 |
350 |
78,93 |
154 |
360,57 |
54 |
2422,25 |
28 |
5019,00 |
|
После |
1697 |
79,90 |
317 |
89,54 |
95 |
93,75 |
19 |
97,27 |
4 |
98,73 |
0 |
99,72 |
0 |
99,96 |
0 |
99,98 | |
|
2 |
До |
7890 |
14,65 |
2812 |
21,77 |
1412 |
32,22 |
626 |
60,80 |
311 |
109,10 |
127 |
285,12 |
35 |
1042,33 |
14 |
3563,00 |
|
После |
538 |
93,18 |
129 |
95,41 |
44 |
96,90 |
10 |
98,36 |
3 |
99,08 |
0 |
99,65 |
0 |
99,90 |
0 |
99,97 | |
|
3 |
До |
7851 |
15 |
2765 |
24 |
1370 |
37 |
603 |
73 |
297 |
139 |
119 |
403 |
32 |
8395 |
12 | |
|
После |
535 |
93,18 |
113 |
95,90 |
37 |
97,32 |
8 |
98,64 |
2 |
99,28 |
0 |
99,75 |
0 |
99,99 |
0 |
100,00 | |
|
4 |
До | ||||||||||||||||
|
После | |||||||||||||||||
|
5 |
До | ||||||||||||||||
|
После | |||||||||||||||||
|
6 |
До | ||||||||||||||||
|
После | |||||||||||||||||
|
Среднее |
До |
8061 |
8,73 |
2870 |
15,37 |
1434 |
24,50 |
637 |
51,48 |
319 |
101,68 |
134 |
342,42 |
41 |
2013,67 |
18 |
5652,68 |
|
После |
924 |
88,54 |
187 |
93,58 |
59 |
95,92 |
12 |
98,06 |
3 |
99,02 |
0 |
99,71 |
0 |
99,95 |
0 |
99,98 | |
А.2 Перепад давления/расход
Испытательная лаборатория ... Дата проведения испытаний ... Исполнитель ...
А.2.1 Данные о фильтре и фильтрующем элементе
|
Изготовитель ... |
Данные об элементе ... |
Данные о фильтродержателе ... |
|
Заданный А1> расход <А1, м3/ч ... |
Тонкость фильтрации, мкм ... |
Точка пузырька, кПа ... |
Описание заменяющего элемента ...
А.2.2 Условия проведения испытаний
|
Тестовая жидкость ... |
Температура, °С ... |
Вязкость при °С, мм2/с ... |
А.2.3 Результаты испытания
1 Единовременные результаты
|
Расход a |
Фильтр в комплекте |
Только корпус фильтра/ фильтродержатель |
Фильтрующий элемент | |||||
|
Расчетный |
Измеренный |
Р1 b |
Р2 |
ΔP |
Р1 |
Р2 |
ΔP |
f - j |
|
а |
b |
с |
d |
е |
f |
с - f | ||
|
0,2 QV | ||||||||
|
0,4 QV | ||||||||
|
0,6 QV | ||||||||
|
0,8 QV | ||||||||
|
1,0 QV | ||||||||
|
1,2 QV | ||||||||
|
1,0 QV | ||||||||
|
0,8 QV | ||||||||
|
0,6 QV | ||||||||
|
0,4 QV | ||||||||
|
0,2 QV | ||||||||
|
a Указанные значения расхода являются рекомендуемыми. Значения расхода могут быть изменены в соответствии с требованиями методики испытаний. b Укажите единицы измерения относительного давления и перепада давления. | ||||||||
2 Средние значения
|
Среднее значение ΔP |
Расход | |||||
|
0,2 |
0,4 |
0,6 |
0,8 |
1,0 |
1,2 | |
|
Фильтр в комплекте | ||||||
|
Фильтродержатель | ||||||
|
Фильтрующий элемент | ||||||
А.2.4 Замечания
....................................................................
....................................................................
отчет
А.3 Проверка разрушающего давления фильтрующего элемента
Наименование испытательной лаборатории ... Дата проведения испытаний ...
Фамилия и инициалы исполнителя ...
А.3.1 Данные о фильтрующем элементе 1)
──────────────────────────────
1) Информация, предоставленная изготовителем до испытания.
──────────────────────────────
Изготовитель ... Номер серии ...
Код продукта N ... Номер продукта ...
Тонкость фильтрации ... мкм
Заданный перепад давления ... кПа
Прогнозируемая точка пузырька ... кПа
или прогнозируемая воздухопроницаемость ... кПа
А.3.2 Условия проведения испытания
Тесовая жидкость: водопроводная вода Тестовый загрязнитель ... Номер серии ...
Тестовый расход ... л/мин
Тестовая температура ... °С
Перепад давления в конце испытаний: dPf = ... кПа
А.3.3 Результаты испытаний
Точка пузырька ... кПа
Воздушная проницаемость ... кПа
Перепад давления в начале испытания
Только на фильтродержателе: dPc = ... кПа
Фильтродержатель + фильтрующий элемент: dPo = ... кПа
Чистый фильтрующий элемент: dPco = dPo - dPc = ... кПа
Визуальный осмотр: Деформация или дефекты фильтрующего элемента: Да/Нет 2)
Сопротивление к определенному перепаду давления: Да/Нет 2)
──────────────────────────────
2) Удалить по необходимости.
──────────────────────────────
Перепад давления в точке перегиба: dPi = ... кПа
А.3.4 Замечания
....................................................................
....................................................................
А.4 Проверка устойчивости к усталости из-за циклических изменений расхода
Наименование испытательной лаборатории ... Дата проведения испытаний ...
Фамилия и инициалы исполнителя ...
А.4.1 Данные о фильтрующем элементе 3)
──────────────────────────────
3) Информация, предоставленная изготовителем до испытания.
──────────────────────────────
Изготовитель ... Номер серии ...
Код продукта N ... Номер продукта ...
Заданный пороговый размер (по ЕН ___) ... мкм
А.4.2 Условия проведения испытания
Тестовая жидкость: вода, только что прошедшая микрофильтр стойкостью фильтрации ... мкм
Тип
Тестовая температура ... °С ± 2 °С
Плотность при тестовой температуре ... кг/м3
Кинематическая вязкость при тестовой температуре ... мм2/с
Тестовый А1> расход <А1 ... Число запланированных циклов: 500
А.4.3 Результаты испытаний
Точка пузырька
до испытания ... кПа ± ... кПа
после испытания ... кПа ± ... кПа
Разница в процентах
Перепад давления на соединениях тестового фильтродержателя
Прирост перепада давления до испытания ...
Прирост перепада давления после испытания ...
Изменение перепада давления во время испытания: см. прилагаемую кривую
Число проведенных циклов ...
Визуальный осмотр ...
Деформация: Да/нет Ухудшение: Да/нет
А.4.4 Замечания
.................................................................... .....
.................................................................... .....
А.5 Проверка чистоты
Наименование испытательной лаборатории ... Дата проведения испытаний ...
Фамилия и инициалы исполнителя ...
А.5.1 Данные о фильтрующем элементе 4)
──────────────────────────────
4) Информация, предоставленная изготовителем до испытания.
──────────────────────────────
Изготовитель ... Номер серии ...
Код продукта ... Номер продукта ...
Заданная тонкость фильтрации ... мкм
А.5.2 Условия проведения испытания
Тестовая жидкость: вода, только что прошедшая микрофильтр стойкостью фильтрации ... мкм
Тестовый расход ... л/час
Температура ... °С ± 1 °С
А.5.3 Результаты испытаний
|
Число частиц и волокон в 1 л | ||||||
|
Размер частиц, мкм |
≥ 5 - < 15 |
≥ 15 - < 25 |
≥ 25 - < 50 |
≥ 50 - < 100 |
≥ 100 |
Волокна |
|
Холостой тест | ||||||
|
Отобранная в ходе испытания проба | ||||||
Приложение В
(справочное)
В данном приложении показано типовое графическое представление результатов испытаний (рисунки В.1-В.4).

Рисунок В.1 - Типовая кривая зависимости числа частиц на входе и выходе из сменного фильтрующего элемента от времени

Рисунок В.2 - Типовая кривая загрязнения

Рисунок В.3 - Типовая зависимость перепада давления от расхода

Рисунок В.4 - Типовая кривая разрушения
Приложение С
(обязательное)
С.1 Область применения
В этом приложении приведен метод контроля целостности или соответствия изготовленных фильтрующих элементов с использованием измерения давления в точке первого пузырька.
С.2 Принцип проведения испытаний
Сменный фильтрующий элемент следует погрузить в смачивающую жидкость и вращать. Давление воздуха внутри сменного фильтрующего элемента медленно увеличивается, и регистрируется давление воздуха, при котором впервые появляется поток пузырьков.
С.3 Испытательное оборудование и материалы Испытательный стенд

1 - фильтрующий элемент; 2 - тестовая жидкость; 3 - резервуар; 4 - индикатор температуры/контроллер; 5 - манометр; 6 - фильтр 0,2 мкм; 7 - регулятор давления; 8 - подача азота
Рисунок С.1 - Схема типовой проверки целостности и испытательного стенда первой точки пузырька
Основными компонентами испытательного стенда являются:
- источник сжатого воздуха или азота, осушенного, очищенного от масел, отфильтрованного через фильтр 0,2 мкм, с регулятором давления до 1000 кПа (1 бар) с точностью до 5 % от установленного значения считывания;
- резервуар и механическое, ручное или автоматизированное оборудование для вращения элемента;
- терморегулятор и измерительное устройство для испытательной жидкости;
- устройство для смачивания элемента в тестовой жидкости под вакуумом.
Тестовая жидкость
Изопропанол или альтернативная жидкость в зависимости от обстоятельств с известным поверхностным натяжением и отфильтрованная через фильтр 0,2 мкм.
Тензиометр
Используйте правильно откалиброванный тензиометр с подвесом для определения поверхностного натяжения тестовой жидкости в соответствии с ИСО 304.
С.4 Методика испытаний
а) Измерить и записать поверхностное натяжение и температуру в тестовой жидкости. Если жидкость используется повторно для нескольких последовательных испытаний, ее следует заменить, как только ее поверхностное натяжение изменяется более чем на 1 % от первоначального значения.
b) Смочить фильтрующий элемент, погрузив его в тестовую жидкость и выдерживая в вакууме 500 кПа * в течение 15 мин.
──────────────────────────────
* В оригинале стандарта ЕН 13443-2:2005+А1:2007 допущена опечатка "500 кПа". 500 кПа соответствует давлению 5 атм., что не является вакуумом и не позволит смочить фильтр. Следует читать "500 гПа".
──────────────────────────────
c) Отключить вакуум.
d) Сохраняя элемент погруженным или смоченным, поместить его в испытательный прибор, предварительно заполненный тестовой жидкостью, так, чтобы его ось вращения была параллельна поверхности жидкости.
e) Отрегулировать уровень жидкости на (10 ± 2) мм над элементом. Убедиться, что температура находиться в пределах от 15 °С до 25 °С.
f) Постепенно увеличивать давление газа внутри элемента с шагом 0,5 кПа и обеспечить полное вращение на каждом этапе. Прекратить повышение давления, когда из точки на поверхности картриджа появится поток пузырьков. Записать соответствующее давление и температуру жидкости.
g) Снизить давление до атмосферного.
h) Повторить операции с С.3.2 b) * до С.3.6 f) ** дважды с периодом смачивания 15 мин.
──────────────────────────────
* В оригинале стандарта ЕН 13443-2:2005+А1:2007 допущена опечатка "500 кПа". 500 кПа соответствует давлению 5 атм., что не является вакуумом и не позволит смочить фильтр. Следует читать "500 гПа".
** В оригинале стандарта ЕН 13443-2:2005+А1:2007 допущена опечатка. Следует читать "Следует повторить операции С.4 b)-f) дважды с периодом...".
──────────────────────────────
С.5 Результаты испытаний
a) Откорректировать значения давления, измеренные в С.4, g), чтобы привести их обратно к 20 °С.
,
(10)
где РТ - давление первого пузырька при Т °С, кПа;
Р20 - давление первого пузырька при 20 °С, кПа;
γT - поверхностное натяжение при Т °С, Н/м;
γ20 - поверхностное натяжение при 20 °С, Н/м.
b) Распечатать протокол испытаний с указанием всех условий проведения испытаний и их результатами.
С.6 Критерии приемки
Рассчитать стандартное отклонение исходя из трех значений давления. Если стандартное отклонение превышает ± 5 %, повторить испытания.
Приложение D
(обязательное)
D.1 Общие положения
Данное приложение содержит основную информацию и инструкции по установке, эксплуатации, техническому обслуживанию и ремонту механических фильтров стойкостью фильтрации от 1 до 80 мкм. Приложение детализирует общие требования ЕН 15161, устанавливая специальные требования к механическим фильтрам.
Правильная эксплуатация и техническое обслуживание устройства необходимы для успешной и гигиеничной работы. В комплект поставки устройства по настоящему стандарту должна быть включена вся необходимая информация и инструкции по эксплуатации и техническому обслуживанию, соответствующие его типу. Приложение устанавливает минимальные требования, которые не являются исчерпывающими и которые не заменяют инструкции поставщика.
Примечание - Для целей настоящего стандарта поставщиком является организация, название которой указано на продаваемом устройстве. Поставщик может быть или не быть изготовителем.
D.2 Требования к установке
D.2.1 Выбор фильтра
Выбранный фильтр должен соответствовать заданной производительности и эксплуатационным требованиям, а также предполагаемому месту установки. Основные требования к установке и эксплуатации должны быть предоставлены поставщиком в виде брошюр или спецификаций или быть четко указаны на внешней упаковке устройства. Эта информация должна содержать ограничения по месту установки с учетом размеров и условий окружающей среды (например, температуры). Эта информация должна содержать рекомендации по эксплуатации и периодичности технического обслуживания, а также требования по доступу к фильтрам. Она также должна включать требования к подаче воды (ограничения по давлению, размерам труб), а также требования к наличию других коммуникаций (электроэнергии, дренажу и т.д.).
D.2.2 Установка
Инструкции по установке, прилагаемые к устройству, должны включать список поставляемых с ним компонентов, а также список любого другого оборудования и компонентов, которые необходимы для завершения установки (например, редукционный клапан). Следует четко указать характеристики такого дополнительного оборудования.
Инструкции должны содержать порядок сборки в виде последовательности выполнения операций по сборке компонентов, в т.ч. подключение к водопроводу и к другим необходимым коммуникациям. Инструкции должны включать четкие требования к размерам и ориентации, необходимые для размещения устройства и его вспомогательного оборудования, чтобы обеспечить необходимый доступ для эксплуатации и технического обслуживания в месте установки.
Инструкции по установке должны включать контрольный лист, позволяющий проверить, что фильтр установлен:
- в нужном месте (например, в чистом, хорошо проветриваемом, освещенном и защищенном от вредителей, замораживания, физического и химического повреждения) в системе распределения воды;
- в месте, удаленном или изолированном от источников тепла (например, стиральных и посудомоечных машин, бойлеров, плит и трубопроводов горячей воды);
- как можно ближе к существующей системе распределения и другим коммуникациям;
- избегая или сводя к минимуму тупики в трубах, которые могут приводить к застою воды.
Примечание - Следует предусмотреть наличие питьевой воды для очистки и средств для удаления стоков.
D.2.3 Этикетирование
Поставляемое устройство должно иметь прочную водонепроницаемую этикетку, расположенную на устройстве или рядом с ним и содержащую информацию по 8.3.1.
D.2.4 Ввод в эксплуатацию
Инструкция по вводу устройства в эксплуатацию должна содержать, как минимум:
- указания по начальному заполнению и повышению давления в системе;
- порядок проверки на утечки;
- требования к промывке (время и/или объем);
- порядок настройки, например, расхода (при отсутствии регулирования расхода);
- порядок проверки работоспособности (с использованием контрольного комплекта, если он предусмотрен).
Инструкции должны содержать рекомендации по проверке работоспособности и, где предоставляется контрольный комплект, указания по использованию комплекта и оценке результатов.
D.2.5 Передача другим лицам
В инструкциях должно быть указано, что в тех случаях, когда ввод в эксплуатацию осуществляется третьей стороной, эта третья сторона после проверки работоспособности устройства передает владельцу все распечатанные инструкции по его использованию (например, порядок и периодичность испытаний, действия в зависимости от результатов испытаний), а также журнал и контрольный комплект, если он предусмотрен, для мониторинга производительности устройства.
Примечание - В простейшем виде журнал может представлять собой один лист (который может быть наклеен на устройство), позволяющий, как минимум, записывать даты замены фильтрующего элемента.
D.3 Параметры эксплуатации
Инструкции должны включать порядок проверок, которые пользователь должен выполнять во время текущей работы для обеспечения оптимальности рабочих характеристик устройства. Контрольный лист должен включать, как минимум, следующие требования:
- контролировать очищенную воду с учетом ожидаемого качества обработки (например, визуального качества очищенной воды);
- проводить проверки работоспособности с использованием контрольного комплекта, если он предусмотрен;
- своевременно заменять сменный фильтрующий элемент (для патронных фильтров);
- периодически проверять обратную промывку (для фильтров с обратной промывкой).
D.4 Требования к техническому обслуживанию
Для поддержания оптимальной производительности устройства инструкции должны включать порядок выполнения работы и проверок с указанием их периодичности, включая:
- замену сменного фильтрующего элемента (в т.ч. демонтаж, утилизацию сменного фильтрующего элемента, очистку, повторную сборку, предварительную подготовку и т.д., в зависимости от конкретных условий);
- регистрацию даты замены фильтрующего элемента в журнале технического обслуживания;
- проверку и очистку фильтрующего элемента и всех движущихся частей (фильтры с обратной промывкой), при необходимости;
- осмотр разобранной системы на наличие признаков утечки или повреждения;
- ремонт в случае обнаружения дефекта или отказа (например, видимых взвешенных частиц в очищенной воде).
Инструкции должны содержать указания по гигиеническим мерам предосторожности, необходимым для операций обслуживания, требующим демонтажа системы.
Примечание - Ниже рассматривается пример правильного обращения с фильтром:
Требования к гигиене. Все работы по техническому обслуживанию с демонтажем системы, при которых вступающие в контакт с водой детали открыты в окружающую среду, должны выполняться с тщательным соблюдением правил гигиены во избежание загрязнения системы. Рекомендуется использовать одноразовые перчатки, чтобы избежать загрязнений от персонала и используемых инструментов, которые могут иметь контакт со смачиваемыми частями и должны быть очищены и продезинфицированы в соответствии с инструкциями перед использованием. Отработанный сменный фильтрующий элемент следует утилизировать, а заменяющий сменный фильтрующий элемент должен быть закрыт защитной упаковкой до последней стадии монтажа.
Регулярное техническое обслуживание и своевременная замена расходных деталей имеют важное значение для удовлетворительной работы устройства. Невыполнение замены загрязненного (забитого) сменного фильтрующего элемента может привести к снижению эффективности или снижению расхода.
Важно обеспечить регулярную работу фильтра. Длительные нерабочие периоды могут привести к появлению неприятного привкуса в очищенной воде. Как и для любого питьевого водоснабжения, систему следует промыть перед повторным использованием, если она не использовалась в течение нескольких недель или более.
D.5 Требования к ремонту
D.5.1 Общие требования
В инструкциях следует указать, что любые действия, выполняемые в системе, но не относящиеся к текущей работе и не содержащиеся в инструкциях, должны выполняться только квалифицированным специалистом по ремонту. В инструкции следует указать контактные данные допущенных к ремонту специалистов или способ связи (телефон, веб-сайт) с поставщиком для получения информации о такой услуге.
D.5.2 Документация по ремонту
Инструкции должны содержать требование выполнить запись о проведении любого ремонта.
D.6 Поиск причин неисправности
Инструкции должны содержать указания по устранению неисправности в случае ее возникновения. Пример руководства по устранению неисправностей приведен в таблице D.1.
|
Неисправность |
Возможная причина |
Решение |
|
Низкий расход от устройства |
Засорен сменный фильтрующий элемент (патронный фильтр) |
Очистить или заменить сменный фильтрующий элемент |
|
Ошибка обратной промывки (фильтр с обратной промывкой) |
Выполнить обратную промывку Прочистить систему, если промывка неэффективна Вызвать специалиста для ремонта, если не удается промыть | |
|
Низкое давление на входе |
Проверить поток в других точках ввода | |
|
Наличие взвешенных веществ в отфильтрованной воде |
Сменный фильтрующий элемент засорен |
Заменить сменный фильтрующий элемент |
|
Высокий уровень загрязнения |
Проверить источник поступления воды | |
|
Чрезмерный расход через блок |
Проверить расход | |
|
Сменный фильтрующий элемент поврежден или неправильно установлен (патронный фильтр) |
Осмотреть сменный фильтрующий элемент и сборку на наличие дефектов | |
|
Фильтрующий элемент поврежден (фильтр с обратной промывкой) |
Вызвать специалиста для ремонта | |
|
Наличие вкуса или запаха от очищенной воды |
Чрезмерный период неиспользования |
Промыть систему фильтров в течение нескольких минут или заменить сменный фильтрующий элемент |
|
Источник воды загрязнен |
Проверить ту же характеристику в питающей воде | |
|
Утечка воды из системы |
Фильтродержатель недостаточно затянут |
Затянуть фильтродержатель в соответствии с инструкцией |
|
Неисправное соединение |
Проверить уплотнительные кольца и прокладку на предмет деформации или износа |
< А1
Приложение ДА
(справочное)
Таблица ДА.1
|
Обозначение ссылочного стандарта |
Степень соответствия |
Обозначение и наименование соответствующего национального стандарта |
|
EN 872 |
- |
1) |
|
EN 1717 |
- |
1) |
|
EN 13443-1:2002 |
- |
1) |
|
ISO 304 |
IDT |
ГОСТ Р 50003-92 (ИСО 304-85) "Вещества поверхностно-активные. Определение поверхностного натяжения путем вытягивания жидких пленок" |
|
ISO 1219-1 |
- |
1) |
|
ISO 4021 |
IDT |
ГОСТ Р 50556-93 (ИСО 4021-77) "Гидропривод объемный. Анализ загрязненности частицами. Отбор проб жидкости из трубопроводов работающих систем" |
|
ISO 12103-1 |
- |
1) |
|
1) Соответствующий национальный стандарт отсутствует. До его принятия рекомендуется использовать перевод на русский язык данного европейского международного стандарта. Примечание - В настоящей таблице использовано следующее условное обозначение степени соответствия стандартов: - IDT - идентичные стандарты. | ||
Библиография
|
[1] |
98/83/ЕС |
Директива Совета от 3 ноября 1998 г. о качестве воды, предназначенной для потребления человеком |
|
[2] |
А1> EN 15161 |
Оборудование для водоподготовки внутри зданий. Установка, эксплуатация, техническое обслуживание и ремонт <А1 |


