ГОСТ Р 58936-2020 ОПТИКА И ФОТОНИКА. ЭНДОСКОПЫ И ПРИБОРЫ ЭНДОТЕРАПЕВТИЧЕСКИЕ МЕДИЦИНСКИЕ. ОБЩИЕ ТЕХНИЧЕСКИЕ ТРЕБОВАНИЯ И МЕТОДЫ ИСПЫТАНИЙ
Optics and photonics. Endoscope and endotherapeutic medical equipments. Requirements and test methods
ОКС 11.040.55
Дата введения - 1 марта 2021 г.
Введен впервые
Предисловие
1 Разработан Федеральным государственным унитарным предприятием "Научно-исследовательский институт физической оптики, оптики лазеров и информационных оптических систем Всероссийского научного центра "Государственный оптический институт им. С.И. Вавилова" (ФГУП "НИИФООЛИОС ВНЦ "ГОИ им. С.И. Вавилова") и Акционерным обществом "ЛОМО" (АО "ЛОМО")
2 Внесен Техническим комитетом по стандартизации ТК 296 "Оптика и фотоника"
3 Утвержден и введен в действие Приказом Федерального агентства по техническому регулированию и метрологии от 23 июля 2020 г. N 396-ст
4 Введен впервые
Настоящий стандарт распространяется на медицинские эндоскопы (далее - эндоскопы) и эндотерапевтические приборы (ЭП) и устанавливает общие технические требования и методы испытаний.
Настоящий стандарт не распространяется на эндомикроскопы, а также на эндоскопические комплексы и эндотерапевтические устройства, содержащие электрические цепи и используемые при эндоскопическом исследовании, и видеоэндоскопы.
В настоящем стандарте использованы нормативные ссылки на следующие стандарты:
ГОСТ 8.051 Государственная система обеспечения единства измерений. Погрешности, допускаемые при измерении линейных размеров до 500 мм
ГОСТ 9.301 Единая система защиты от коррозии и старения. Покрытия металлические и неметаллические неорганические. Общие требования
ГОСТ 9.302 (ИСО 1463-82, ИСО 2064-80, ИСО 2106-82, ИСО 2128-76, ИСО 2177-85, ИСО 2178-82, ИСО 2360-82, ИСО 2361-82, ИСО 2819-80, ИСО 3497-76, ИСО 3543-81, ИСО 3613-80, ИСО 3882-86, ИСО 3892-80, ИСО 4516-80, ИСО 4518-80, ИСО 4522-1-85, ИСО 4522-2-85, ИСО 4524-1-85, ИСО 4524-3-85, ИСО 4524-5-85, ИСО 8401-86) Единая система защиты от коррозии и старения. Покрытия металлические и неметаллические неорганические. Методы контроля
ГОСТ 9.303 Единая система защиты от коррозии и старения. Покрытия металлические и неметаллические неорганические. Общие требования к выбору
ГОСТ 9.401 Единая система защиты от коррозии и старения. Покрытия лакокрасочные. Общие требования и методы ускоренных испытаний на стойкость к воздействию климатических факторов
ГОСТ 27.402 Надежность в технике. Планы испытаний для контроля средней наработки до отказа (на отказ). Часть 1. Экспоненциальное распределение
ГОСТ 15150 Машины, приборы и другие технические изделия. Исполнения для разных климатических районов. Категории, условия эксплуатации, хранения и транспортирования в части воздействия климатических факторов внешней среды
ГОСТ 20790/ГОСТ Р 50444 Приборы, аппараты и оборудование медицинские. Общие технические условия
ГОСТ 31508 Изделия медицинские. Классификация в зависимости от потенциального риска применения. Общие требования
ГОСТ ISO 10993-1 Изделия медицинские. Оценка биологического действия медицинских изделий. Часть 1. Оценка и исследования
ГОСТ ISO 14971 Изделия медицинские. Применение менеджмента риска к медицинским изделиям
ГОСТ Р 27.403 Надежность в технике. Планы испытаний для контроля вероятности безотказной работы
ГОСТ Р 51318.11 Совместимость технических средств электромагнитная. Промышленные, научные, медицинские и бытовые (ПНМБ) высокочастотные устройства. Радиопомехи индустриальные. Нормы и методы измерений
ГОСТ Р 52770 Изделия медицинские. Требования безопасности. Методы санитарно-химических и токсикологических испытаний
ГОСТ Р 53469 (ИСО 8600-1:2005) Оптика и оптические приборы. Эндоскопы и приборы эндотерапевтические медицинские. Часть 1. Общие требования
ГОСТ Р ИСО 8600-6 Оптика и оптические приборы. Эндоскопы и приборы эндотерапевтические медицинские. Часть 6. Термины и определения
ГОСТ Р ИСО 15223-1 Изделия медицинские. Символы, применяемые при маркировании на медицинских изделиях, этикетках и в сопроводительной документации. Часть 1. Основные требования
ГОСТ Р МЭК 60601-1 Изделия медицинские электрические. Часть 1. Общие требования безопасности с учетом основных функциональных характеристик
ГОСТ Р МЭК 60601-1-2 Изделия медицинские электрические. Часть 1-2. Общие требования безопасности с учетом основных функциональных характеристик. Параллельный стандарт. Электромагнитная совместимость. Требования и испытания
ГОСТ Р МЭК 60601-2-2 Изделия медицинские электрические. Часть 2-2. Частные требования безопасности с учетом основных функциональных характеристик к высокочастотным электрохирургическим аппаратам и высокочастотным электрохирургическим принадлежностям
ГОСТ Р МЭК 60601-2-18 Изделия медицинские электрические. Часть 2-18. Частные требования безопасности с учетом основных функциональных характеристик к эндоскопической аппаратуре
Примечание - При пользовании настоящим стандартом целесообразно проверить действие ссылочных стандартов в информационной системе общего пользования - на официальном сайте Федерального агентства по техническому регулированию и метрологии в сети Интернет или по ежегодному информационному указателю "Национальные стандарты", который опубликован по состоянию на 1 января текущего года, и по выпускам ежемесячного информационного указателя "Национальные стандарты" за текущий год. Если заменен ссылочный стандарт, на который дана недатированная ссылка, то рекомендуется использовать действующую версию этого стандарта с учетом всех внесенных в данную версию изменений. Если заменен ссылочный стандарт, на который дана датированная ссылка, то рекомендуется использовать версию этого стандарта с указанным выше годом утверждения (принятия). Если после утверждения настоящего стандарта в ссылочный стандарт, на который дана датированная ссылка, внесено изменение, затрагивающее положение, на которое дана ссылка, то это положение рекомендуется применять без учета данного изменения. Если ссылочный стандарт отменен без замены, то положение, в котором дана ссылка на него, рекомендуется применять в части, не затрагивающей эту ссылку.
3.1 Термины и определения
В настоящем стандарте применены термины по ГОСТ Р ИСО 8600-6.
3.2 Сокращения
В настоящем стандарте применены следующие сокращения:
МИ - медицинское изделие;
НД - нормативные документы;
ОКР - опытно-конструкторская работа;
ТЗ - техническое задание;
ЭП - эндотерапевтические приборы.
4.1 Эндоскопы в зависимости от системы передачи изображения подразделяют на следующие подгруппы однородной продукции:
- эндоскопы с волоконной оптикой;
- эндоскопы с линзовой оптикой;
- эндоскопы тубусные.
4.2 В зависимости от конструкции рабочей части эндоскопы с волоконной оптикой подразделяют на следующие типы:
- гибкие эндоскопы с волоконной оптикой;
- жесткие эндоскопы с волоконной оптикой.
5.1 Общие положения
5.1.1 Эндоскопы и ЭП должны соответствовать требованиям настоящего стандарта, НД на эндоскопы и ЭП конкретных типов.
5.1.2 Показатели, определяющие качество эндоскопов и ЭП, приведены в приложении А.
5.1.3 Дизайн и конструкция эндоскопов и ЭП должны соответствовать требованиям, указанным в 5.2-5.7.
5.1.4 В НД на эндоскопы и ЭП конкретных типов должны быть указаны:
- класс в зависимости от возможных последствий отказа при эксплуатации по ГОСТ 20790/ГОСТ Р 50444;
- группа в зависимости от воспринимаемых механических воздействий при эксплуатации по ГОСТ 20790/ГОСТ Р 50444;
- вид климатического исполнения по ГОСТ 15150 с учетом требований ГОСТ 20790/ГОСТ Р 50444;
- класс потенциального риска по ГОСТ 31508.
5.1.5 Изготовитель эндоскопов и ЭП должен проводить процедуру менеджмента риска в соответствии с ГОСТ ISO 14971.
5.1.6 В НД на МИ, содержащее электрические цепи и используемое для работы совместно с эндоскопами и ЭП, должны быть указаны требования, обеспечивающие безопасность по ГОСТ Р МЭК 60601-1, ГОСТ Р МЭК 60601-1-2, ГОСТ Р МЭК 60601-2-2, ГОСТ Р МЭК 60601-2-18, ГОСТ Р 51318.11.
По степени защиты от поражения электрическим током применяемое МИ должно быть отнесено к изделиям с рабочей частью типа BF или CF в соответствии с ГОСТ Р МЭК 60601-1.
5.2 Требования к изображению
5.2.1 Поле зрения эндоскопов и ЭП должно иметь четкую границу. В нем не должны наблюдаться светящиеся фаски оптических деталей, отражения, мешающие наблюдению и снижающие качество изображения.
5.2.2 В поле зрения эндоскопов и ЭП в проходящем свете не должны наблюдаться загрязнения, пятна, царапины, налеты, свили, мешающие наблюдению. Характер и количество допустимых дефектов в поле зрения должны быть установлены в НД на эндоскопы и ЭП конкретных типов.
5.2.3 Разворот изображения, наблюдаемого в эндоскоп или ЭП, относительно объекта не должен быть более ± 15°.
5.3 Требования к конструкции
5.3.1 Требования к отклонению поля зрения эндоскопов и ЭП, содержащего оптические элементы, от номинального значения должны соответствовать требованиям ГОСТ Р 53469.
5.3.2 Требования к отклонению направления наблюдения эндоскопов и ЭП, содержащих оптические элементы, от номинального значения должны соответствовать требованиям ГОСТ Р 53469.
5.3.3 Диоптрийная подвижка окуляров эндоскопов и ЭП должна обеспечивать получение резкого изображения объекта, находящегося в пределах рабочего расстояния при наблюдении глазом с аметропией в пределах не менее ± 5 дптр.
5.3.4 Торцы световодов каналов передачи света должны быть полированы. Не допускаются трещины и расслоения.
5.3.5 Требования к элементам управления, взаимодействию различных частей эндоскопов и ЭП, обеспечивающих их эксплуатацию, должны быть установлены в НД на эндоскопы и ЭП конкретных типов.
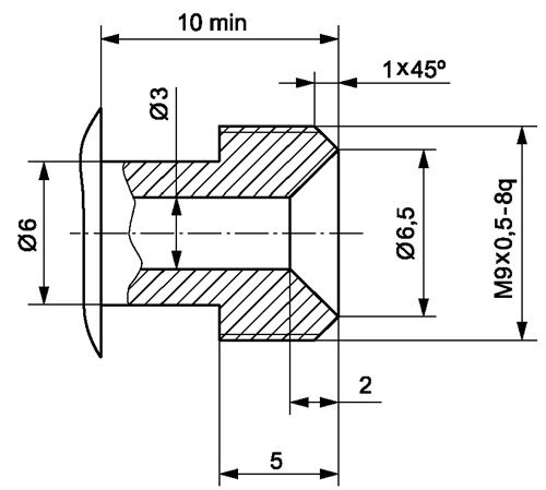
5.3.6 Присоединительные размеры гнезда для подсоединения защитного кабеля при работе с электрохирургическими аппаратами должны соответствовать размерам, указанным в миллиметрах на рисунке 1.

Рисунок 1
5.3.7 Присоединительные размеры жестких наглазников должны быть указаны в НД на эндоскопы и ЭП конкретных типов.
5.3.8 Требования к наружным поверхностям и краям эндоскопов и ЭП должны соответствовать требованиям ГОСТ Р 53469.
5.3.9 Конструкция эндоскопов и ЭП должна быть герметичной для обеспечения проведения дезинфекции высокого уровня методом полного погружения в раствор и/или определенного метода стерилизации, указанного в нормативной и эксплуатационной документации эндоскопов и ЭП конкретных типов.
Перечень узлов и элементов эндоскопов и ЭП, требующих герметичности, и степень герметичности должны быть указаны в НД на эндоскопы и ЭП конкретных типов.
5.4 Требования к материалам
5.4.1 Эндоскопы и ЭП в соответствии с требованиями [1]-[3] должны быть устойчивы к циклу обработки.
Перечень моющих, дезинфицирующих средств и методов стерилизации должен быть указан в нормативной и эксплуатационной документации на эндоскопы и ЭП конкретных типов.
5.4.2 Рабочие части эндоскопов и ЭП должны быть устойчивы к воздействию биологической среды и температуры, в которых они используются, для изделий климатического исполнения по ГОСТ 20790/ГОСТ Р 50444.
5.4.3 Защитно-декоративные металлические и неметаллические неорганические покрытия должны соответствовать требованиям ГОСТ 9.301, ГОСТ 9.302 и ГОСТ 9.303.
Защитно-декоративные лакокрасочные покрытия должны соответствовать требованиям ГОСТ 9.401.
5.5 Требования к условиям эксплуатации
Требования устойчивости к воздействию климатических и механических факторов, возникающих при эксплуатации, должны соответствовать требованиям ГОСТ 20790/ГОСТ Р 50444.
5.6 Требования к транспортированию и хранению
5.6.1 Требования прочности к воздействию климатических и механических факторов, возникающих при транспортировании, должны соответствовать требованиям ГОСТ 20790/ГОСТ Р 50444.
5.6.2 Требования к условиям транспортирования и хранения должны соответствовать требованиям ГОСТ 20790/ГОСТ Р 50444.
5.7 Требования безопасности
5.7.1 Рекомендации по безопасному использованию эндоскопов и ЭП конкретных типов должны содержаться в эксплуатационной документации на эндоскопы и ЭП конкретных типов.
5.7.2 В эндоскопах и ЭП, предназначенных для работы с электрохирургическим инструментом, должны быть предусмотрены специальные меры защиты как пациента, так и медицинского персонала, приведенные в 5.7.2.1-5.7.2.4.
5.7.2.1 В конструкции эндоскопов и ЭП должно быть предусмотрено гнездо (см. рисунок 1) для подсоединения защитного кабеля при работе с электрохирургическими аппаратами.
5.7.2.2 Эндоскопы и ЭП должны иметь наглазник, изолированный от корпуса либо выполненный из изоляционного материала. Электрическая изоляция между корпусом и наружной поверхностью наглазника должна выдерживать напряжение 1500 В частотой 50 Гц в течение 1 мин.
5.7.2.3 Твердая электрическая изоляция, конструктивно обеспечивающая защиту элементов рабочей части относительно корпусов эндоскопов и ЭП, должна выдерживать напряжение 1500 В частотой 50 Гц в течение 1 мин.
5.7.2.4 Высокочастотный емкостный ток утечки через наглазник (окуляр) и с доступных для прикасания металлических частей эндоскопов или ЭП, не соединенных с гнездом для подключения защитного кабеля, не должен быть более 50 мА.
Примечание - Высокочастотный емкостный ток утечки с доступных для прикасания металлических частей поверхности эндоскопов или ЭП, имеющих конструктивно обеспеченный контакт с гнездом для подключения защитного кабеля, допускается не контролировать, если в результате менеджмента риска установлено, что остаточный риск является допустимым.
5.7.3 Материалы деталей эндоскопов и ЭП, имеющих непосредственный и/или опосредованный контакт с пациентом, должны обеспечивать выполнение требований, предъявляемых к МИ по токсико-гигиеническим и санитарно-химическим показателям, в соответствии с ГОСТ Р 52770 и ГОСТ ISO 10993-1.
6.1 Номенклатура показателей надежности эндоскопов и ЭП должна соответствовать ГОСТ 20790/ГОСТ Р 50444.
6.2 Требования к надежности эндоскопов и ЭП должны быть указаны в НД на эндоскопы и ЭП конкретных типов с учетом требований ГОСТ 27.402 и/или ГОСТ Р 27.403.
7.1 Требования к маркировке должны соответствовать требованиям ГОСТ Р 53469, ГОСТ 20790/ГОСТ Р 50444, ГОСТ Р ИСО 15223-1.
7.2 Маркировка информационных знаков на эндоскопах и ЭП должна соответствовать ГОСТ Р ИСО 15223-1.
8.1 Испытания эндоскопов и ЭП следует проводить в нормальных климатических условиях по ГОСТ 20790/ГОСТ Р 50444 (за исключением испытаний на соответствие требованиям 5.5, 5.6) методами, установленными в настоящем стандарте и технических условиях на эндоскопы и ЭП конкретных типов.
8.2 Проверку поля зрения эндоскопов и ЭП по 5.2.1, 5.2.2 следует проводить наблюдением через окуляр белого фона, установленный и освещенный в соответствии с НД на эндоскопы и ЭП конкретных типов.
8.3 Проверку разворота наблюдаемого изображения относительно объекта по 5.2.3, требования к отклонению поля зрения по 5.3.1, требования к отклонению направления наблюдения по 5.3.2 следует проводить в соответствии с НД на эндоскопы и ЭП конкретных типов.
8.4 Проверку диоптрийной подвижки окуляра по 5.3.3 в эндоскопах с волоконной оптикой следует проводить наблюдением изображения проксимального торца жгута для передачи изображения через диоптрийную трубку с сеткой в соответствии с НД на эндоскопы и ЭП конкретных типов.
Проверку диоптрийной подвижки окуляра эндоскопов с линзовой оптикой следует проводить при помощи зрительной трубки с сеткой кратностью увеличения от 3 до 6 и линз плюс 5 и минус 5 дптр в соответствии с НД на эндоскопы и ЭП конкретных типов.
8.5 Проверку торцов световодов каналов передачи света по 5.3.4 следует проводить внешним осмотром при увеличении от 4 до 10.
8.6 Проверку элементов управления, взаимодействия различных частей эндоскопов и ЭП по 5.3.5 следует проводить в соответствии с НД на эндоскопы и ЭП конкретных типов.
8.7 Проверку размеров гнезда для подсоединения защитного кабеля и размеров жестких наглазников по 5.3.6, 5.3.7 следует проводить средствами измерений с пределами допускаемых погрешностей по ГОСТ 8.051.
8.8 Проверку качества наружных поверхностей и краев эндоскопов и ЭП по 5.3.8 следует проводить в соответствии с ГОСТ Р 53469.
8.9 Проверку герметичности по 5.3.9 следует проводить в соответствии с НД на эндоскопы и ЭП конкретных типов.
8.10 Проверку устойчивости эндоскопов и ЭП к очистке, дезинфекции и стерилизации по 5.4.1 следует проводить в соответствии с НД на эндоскопы и ЭП конкретных типов с учетом общих требований [1]-[3].
8.11 Проверку устойчивости рабочей части эндоскопов и ЭП к воздействию биологической среды организма по 5.4.2 следует проводить в соответствии с НД на эндоскопы и ЭП конкретных типов с учетом общих требований по ГОСТ 20790/ГОСТ Р 50444.
Состав и температура раствора, время выдержки в нем, а также критерии оценки результатов после воздействий должны быть указаны в НД на эндоскопы и ЭП конкретных типов.
8.12 Проверку качества защитно-декоративных покрытий по 5.4.3 следует проводить согласно НД на эндоскопы и ЭП конкретных типов.
8.13 Проверку устойчивости к воздействию климатических факторов и механических факторов при эксплуатации по 5.5 следует проводить в соответствии с НД на эндоскопы и ЭП конкретных типов с учетом общих требований по ГОСТ 20790/ГОСТ Р 50444.
8.14 Проверку прочности к воздействию климатических и механических факторов при транспортировании по 5.6.1 следует проводить в транспортной упаковке в соответствии с НД на эндоскопы и ЭП конкретных типов с учетом общих требований по ГОСТ 20790/ГОСТ Р 50444.
8.15 Проверку условий транспортирования и хранения по 5.6.2 следует проводить сличением НД на эндоскопы и ЭП конкретных типов с требованиями ГОСТ 20790/ГОСТ Р 50444.
8.16 Проверку наличия гнезда для подсоединения защитного кабеля по 5.7.2.1 следует проводить сличением с конструкторской документацией на эндоскопы и ЭП конкретных типов.
8.17 Проверку электрической прочности изоляции наглазника по 5.7.2.2 следует проводить в соответствии с НД на эндоскопы и ЭП конкретных типов.
8.18 Проверку электрической прочности твердой электрической изоляции элементов рабочей части эндоскопов или ЭП по 5.7.2.3 следует проводить в соответствии с НД на эндоскопы и ЭП конкретных типов.
8.19 Проверку высокочастотного емкостного тока утечки по 5.7.2.4 следует проводить по ГОСТ Р МЭК 60601-2-18. Части эндоскопов и ЭП, с которых необходимо производить измерение высокочастотного емкостного тока утечки, должны быть указаны в НД на эндоскопы и ЭП конкретных типов.
Проверку на соответствие 5.7.2.4 в части проверки высокочастотного емкостного тока утечки с доступных для прикасания металлических частей поверхности эндоскопов или ЭП, имеющих конструктивно обеспеченный контакт с гнездом для подключения защитного кабеля, следует проводить сличением с файлом менеджмента риска.
8.20 Проверку требований безопасного применения материалов деталей эндоскопов и ЭП, имеющих непосредственный и/или опосредованный контакт с телом пациента по 5.7.3, следует проводить сличением документов, указанных в НД на эндоскопы и ЭП конкретных типов, подтверждающих безопасное применение по результатам токсикологических исследований или токсикологических испытаний.
8.21 Проверку показателей надежности по 6.1, установленных в НД на эндоскопы и ЭП конкретных типов, следует проводить сличением с номенклатурой показателей надежности по ГОСТ 20790/ГОСТ Р 50444 для установленного класса изделий по последствиям отказа при эксплуатации.
8.22 Испытания на надежность по 6.2 следует проводить в соответствии с НД на эндоскопы и ЭП конкретных типов с учетом требований ГОСТ 27.402 и/или ГОСТ Р 27.403.
Приложение А
(рекомендуемое)
Таблица А.1
|
Наименование показателя, единица величины |
Обозначение |
Единица величины |
Наименование характеризуемого свойства |
Применяемость показателя | |
|
ТЗ на ОКР |
НД | ||||
|
1 Показатели назначения
| |||||
|
1.1 Размеры поперечного сечения рабочей части |
- |
мм |
- |
+ |
+ |
|
1.2 Длина рабочей части |
Lp·ч |
мм |
- |
+ |
+ |
|
1.3 Внутренний поперечный размер инструментального (биопсийного) канала |
du |
мм |
- |
± |
± |
|
1.4 Угол направления наблюдения |
α |
° или град |
Оптическое свойство |
+ |
+ |
|
1.5 Поле зрения |
2ω |
° или град |
То же |
+ |
+ |
|
1.6 Видимое увеличение |
Г |
- |
" |
+ |
+ |
|
1.7 Разрешающая способность |
N |
мм-1 |
" |
+ |
+ |
|
1.8 Расчетное рабочее расстояние |
S |
мм |
" |
± |
± |
|
1.9 Диапазон рабочих расстояний |
- |
мм |
- |
+ |
+ |
|
1.10 Чистота поля зрения |
- |
- |
Удобство наблюдения и информативность |
- |
+ |
|
1.11 Диоптрийная подвижка окуляра |
δ |
дптр |
Возможность регулировки для глаза с разной степенью аметропии |
+ |
+ |
|
1.12 Освещенность объекта в центре поля |
E |
лк |
Оптимальные условия наблюдения |
± |
+ |
|
1.13 Угловой диапазон (угол изгиба дистального конца) |
σ |
° или град |
Совершенство конструкции |
+ |
+ |
|
1.14 Герметичность эндоскопов и ЭП и/или их частей |
- |
- |
То же |
+ |
+ |
|
2 Показатели надежности
| |||||
|
2.1 Средняя наработка на отказ |
T0 |
Цикл |
Безотказность |
± |
+ |
|
2.2 Средний срок службы |
Тсл |
г |
Долговечность |
+ |
+ |
|
2.3 Среднее время восстановления работоспособного состояния |
Тв |
ч |
Ремонтопригодность |
± |
± |
|
2.4 Срок сохраняемости |
Тс |
г |
Сохраняемость |
± |
± |
|
3 Показатели устойчивости к внешним воздействиям
| |||||
|
3.1 Устойчивость к воздействию при эксплуатации |
- |
- |
Обеспечение работоспособности и транспортабельности |
+ |
+ |
|
3.2 Прочность к воздействию климатических факторов при транспортировании и хранении |
- |
- |
То же |
+ |
+ |
|
3.3 Устойчивость к биологической среде организма человека |
- |
- |
" |
+ |
+ |
|
3.4 Прочность к средствам стерилизации и (или) дезинфекции |
- |
- |
" |
+ |
+ |
|
3.5 Устойчивость к воздействию механических факторов при эксплуатации |
- |
- |
Обеспечение работоспособности и транспортабельности |
+ |
+ |
|
3.6 Прочность к воздействию механических факторов при транспортировании |
- |
- |
То же |
+ |
+ |
|
4 Эргономические показатели
| |||||
|
4.1 Общая длина |
L |
мм |
Удобство пользования и совершенство конструкции |
± |
± |
|
4.2 Масса эндоскопов и ЭП |
М |
кг |
То же |
+ |
+ |
|
5 Показатели безопасности
| |||||
|
5.1 Электрическая прочность электрической изоляции |
U |
- |
Электробезопасность |
± |
± |
|
5.2 Высокочастотные емкостные токи утечки |
I |
мА |
То же |
± |
± |
|
Примечание - В таблице знак "+" означает применяемость, знак "-" - неприменяемость соответствующих показателей качества продукции, знак "±" - ограниченную применяемость с учетом типа эндоскопов и ЭП. | |||||
Библиография
|
[1] |
МУ 287-113 |
"Методические указания по дезинфекции, предстерилизационной очистке и стерилизации изделий медицинского назначения", утверждены департаментом Госсанэпиднадзора Минздрава России 30 декабря 1998 г. |
|
[2] |
МУ 3.5.1937-04 |
Методические указания "Дезинфектология. Очистка, дезинфекция и стерилизация эндоскопов и инструментов к ним", утверждены и введены в действие Главным государственным санитарным врачом РФ 4 марта 2004 г. |
|
[3] |
СП 3.1.3263-15 |
Санитарно-эпидемиологические правила "Профилактика инфекционных заболеваний при эндоскопических вмешательствах", утверждены постановлением от 8 июня 2015 г. N 20 Главного государственного санитарного врача РФ |


