Утв. и введен в действие приказом Федерального агентства по техническому регулированию и метрологии от 29 июля 2020 г. N 427-ст
Национальный стандарт РФ ГОСТ Р 58944-2020
"СИСТЕМА ОБЕСПЕЧЕНИЯ ТОЧНОСТИ ГЕОМЕТРИЧЕСКИХ ПАРАМЕТРОВ В СТРОИТЕЛЬСТВЕ. ФУНКЦИОНАЛЬНЫЕ ДОПУСКИ"
System of ensuring geometrical parameters accuracy in construction. Functional tolerances
ОКС 91.010.30
Дата введения - 1 января 2021 г.
Введен впервые
Предисловие
1 Разработан Акционерным обществом "Центральный научно-исследовательский и проектно-экспериментальный институт промышленных зданий и сооружений - ЦНИИПромзданий" (АО "ЦНИИПромзданий")
2 Внесен Техническим комитетом по стандартизации ТК 465 "Строительство"
3 Утвержден и введен в действие Приказом Федерального агентства по техническому регулированию и метрологии от 29 июля 2020 г. N 427-ст
4 Введен впервые
1 Область применения
1.1 Настоящий стандарт распространяется на проектирование и строительство зданий, сооружений и их элементов и устанавливает номенклатуру и основные принципы назначения функциональных допусков геометрических параметров в строительстве.
1.2 Требования настоящего стандарта устанавливают точность функциональных геометрических параметров и должны соблюдаться во вновь разрабатываемых и пересматриваемых национальных стандартах и сводах правил, а также в проектной документации, содержащих требования к точности геометрических параметров зданий, сооружений и их элементов.
2 Нормативные ссылки
В настоящем стандарте использованы нормативные ссылки на следующие стандарты:
ГОСТ 21780 Система обеспечения точности геометрических параметров в строительстве. Расчет точности
ГОСТ Р 58938 Система обеспечения точности геометрических параметров в строительстве. Основные положения
Примечание - При пользовании настоящим стандартом целесообразно проверить действие ссылочных стандартов в информационной системе общего пользования - на официальном сайте Федерального агентства по техническому регулированию и метрологии в сети Интернет или по ежегодному информационному указателю "Национальные стандарты", который опубликован по состоянию на 1 января текущего года, и по выпускам ежемесячного информационного указателя "Национальные стандарты" за текущий год. Если заменен ссылочный стандарт, на который дана недатированная ссылка, то рекомендуется использовать действующую версию этого стандарта с учетом всех внесенных в данную версию изменений. Если заменен ссылочный стандарт, на который дана датированная ссылка, то рекомендуется использовать версию этого стандарта с указанным выше годом утверждения (принятия). Если после утверждения настоящего стандарта в ссылочный стандарт, на который дана датированная ссылка, внесено изменение, затрагивающее положение, на которое дана ссылка, то это положение рекомендуется применять без учета данного изменения. Если ссылочный стандарт отменен без замены, то положение, в котором дана ссылка на него, рекомендуется применять в части, не затрагивающей эту ссылку.
3 Термины, определения и обозначения
3.1 Термины и определения
В настоящем стандарте применены следующие термины с соответствующими определениями:
3.1.1 функциональный геометрический параметр: Геометрический параметр, значение которого непосредственно влияет на эксплуатационные показатели здания, сооружения или их элемента.
3.1.2 функциональное предельное отклонение: Предельное отклонение геометрического параметра, точность которого непосредственно влияет на эксплуатационные показатели здания, сооружения или их элемента.
3.2 Обозначения
В настоящем стандарте применены следующие обозначения:
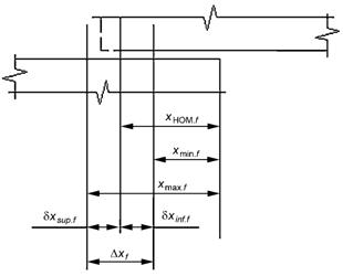
xf - функциональный геометрический параметр;
xi,f - действительное значение функционального параметра xf;
хном.f - номинальное значение функционального геометрического параметра xf;
Δxf - функциональный допуск геометрического параметра;
xmax.f - максимальное значение функционального геометрического параметра;
xmin.f - минимальное значение функционального геометрического параметра;
δxinf.f - нижнее предельное отклонение от номинального значения хном.f функционального геометрического параметра xf;
δxsup.f - верхнее предельное отклонение от номинального значения хном.f функционального геометрического параметра
tmin.f - установленное минимальное значение случайной величины, соответствующее появлению действительных значений xi,f функционального геометрического параметра xf ниже минимального xmin.f;
tmax.f - установленное максимальное значение случайной величины, соответствующее появлению действительных значений xi,f функционального геометрического параметра xf выше максимального xmax.f.
4 Требования к функциональным допускам
4.1 Функциональными допусками регламентируют точность размеров, формы и положения элементов зданий и сооружений.
Номенклатура функциональных допусков приведена в таблице А.1 приложения А.
4.2 Функциональные допуски, функциональные предельные отклонения или предельные значения функциональных геометрических параметров, которыми в соответствии с ГОСТ Р 58938 регламентируется точность этих параметров при проектировании, назначают исходя из предъявляемых к строительным конструкциям функциональных требований.
4.3 Функциональные требования по необходимому уровню надежности (безопасности) строительных конструкций, а также конструктивные, технологические, эстетические, экономические и другие требования, принимаемые для назначения допусков, должны обеспечивать соблюдение эксплуатационных показателей зданий, сооружений и их элементов в допустимых пределах.
4.4 Функциональные допуски рассматриваются как компенсаторы технологических погрешностей, и возможность обеспечения принимаемых значений этих допусков должна проверяться на стадии проектирования расчетом точности геометрических параметров зданий, сооружений и их элементов по ГОСТ 21780.
4.5 В зависимости от учитываемой в расчете точности допускаемой вероятности появления действительных значений xi,f функционального геометрического параметра xf ниже минимального xmin.f или выше максимального xmax.f значения при назначении функциональных допусков устанавливают соответствующие им значения стандартизированной случайной величины tmin.f и tmax.f, значения которых для нормального распределения приведены в приложении Б.
4.6 Допускаемую вероятность проявления действительных значений xi,f функционального геометрического параметра xf ниже xmin.f или выше xmax.f, т.е. в случаях, когда xi,f < xmin.f или xi,f > xmax.f, принимают исходя из социальных или экономических последствий отказа строительных конструкций здания, сооружения или их элемента.
4.7 Значения функциональных допусков принимают в соответствии с числовым рядом по ГОСТ Р 58938.
4.8 При назначении функциональных допусков и предельных отклонений необходимо указывать способы и условия измерения функциональных геометрических параметров.
Приложение А
(рекомендуемое)
Номенклатура функциональных допусков
Таблица А.1
|
Наименование допуска
|
Схема
|
Функциональные требования к конструкции, на основе которых определяется значение допуска
|
|
|
1 Допуски размеров
|
|
|
1.1 Допуски расстояния между элементами или характерными участками:
|

|
|
|
|
- зазора
|

|
Эксплуатационные требования.
Эстетическое восприятие
|
|
|
- пролета
|

|
Размещение в пролете элементов с заданными размерами (связи, перегородки, оборудование, встроенная мебель и т.д.), в том числе подъемно-транспортного оборудования
|
|
|
- высоты
|

|
Размещение по высоте элементов с заданными размерами, в том числе подъемно-транспортного оборудования.
Эксплуатационные требования
|
|
|
1.2 Допуски размеров опирания элементов:
|

|
|
|
|
- длины опирания
|

|
Прочность элемента при xmin.f
|
|
|
- ширины опирания
|

|
Прочность элемента при xmin.f
|
|
|
2 Допуски формы
|
|
|
2.1 Допуски формы профиля:
- прямолинейности
|

|
Прочность (устойчивость) элемента.
Эксплуатационные требования.
Эстетическое восприятие
|
|
|
- формы заданного профиля
|

|
Эксплуатационные требования.
Эстетическое восприятие
|
|
|
2.2 Допуск формы поверхности:
- плоскостности
|

|
Прочность (устойчивость) элемента.
Эксплуатационные требования.
Эстетическое восприятие
|
|
|
- формы заданной поверхности
|

|
Прочность (устойчивость) сжатого элемента.
Эксплуатационные требования.
Эстетическое восприятие
|
|
|
3 Допуски положения
|
|
|
3.1 Допуски взаимного положения элементов:
|

|
Прочность сопрягаемых элементов
|
|
|
- совпадения осей (соосности)
|

|
Эксплуатационные требования.
Эстетическое восприятие
|
|
|
- совпадения поверхностей
|

|
То же
|
|
|
- перпендикулярности поверхностей
|

|
Эксплуатационные требования.
Эстетическое восприятие
|
|
|
- заданного угла между поверхностями
|

|
Эксплуатационные требования
|
|
|
3.2 Допуски положения элементов в пространстве:
- вертикальности
|

|
Прочность (устойчивость) элемента и сопрягаемых других элементов. Эксплуатационные требования. Эстетическое восприятие
|
|
|
- горизонтальности
|

|
Эксплуатационные требования.
Эстетическое восприятие
|
|
|
- заданного наклона
|

|
Эксплуатационные требования
| |
Приложение Б
(рекомендуемое)
Значения функциональных допусков для нормального распределения
Таблица Б.1
|
Допускаемая вероятность появления действительных значений xi,f ниже xmin.f или выше хmax.f, %
|
0,13
|
0,75
|
2,0
|
5,0
|
|
tmin.f
|
3,0
|
2,4
|
2,1
|
1,6
|
|
tmax.f
|