Утв. и введен в действие приказом Федерального агентства по техническому регулированию и метрологии от 4 февраля 2020 г. N 26-ст
Национальный стандарт РФ ГОСТ Р 58799-2020
"АВТОМОБИЛЬНЫЕ ТРАНСПОРТНЫЕ СРЕДСТВА. ГАЙКИ ШЕСТИГРАННЫЕ ПРИВАРНЫЕ"
Motor vehicles. Hexagon weld nuts
ОКС 43.020
ОКП 16 8000
Дата введения - 1 июля 2020 г.
Введен впервые
Предисловие
1 Подготовлен Федеральным государственным унитарным предприятием "Центральный ордена Трудового Красного Знамени научно-исследовательский автомобильный и автомоторный институт "НАМИ" (ФГУП "НАМИ") на основе собственного перевода на русский язык немецкоязычной версии стандарта, указанного в пункте 4
2 Внесен Техническим комитетом по стандартизации ТК 56 "Дорожный транспорт"
3 Утвержден и введен в действие Приказом Федерального агентства по техническому регулированию и метрологии от 4 февраля 2020 г. N 26-ст
4 Настоящий стандарт является модифицированным по отношению к стандарту ДИН 929:2013 "Гайки шестигранные приварные" (DIN 929:2013 "Sechskant-Schweissmuttern", MOD) путем замены ссылок на международные стандарты ссылками на межгосударственные стандарты, действующие в качестве национальных стандартов; исключения следующих ссылок: ДИН 13-1, ДИН 13-5, ДИН 13-6, ДИН 267-2 в связи с тем, что данные стандарты не соответствуют потребностям национальной экономики и особенностям национальной стандартизации; изменения раздела 5, который выделен вертикальной линией, расположенной на полях этого текста.
Наименование настоящего стандарта изменено относительно наименования указанного стандарта ДИН для приведения в соответствие с ГОСТ Р 1.5-2012 (пункт 3.5) и для увязки с наименованиями, принятыми в существующем комплексе национальных стандартов Российской Федерации.
Сведения о соответствии ссылочных межгосударственных стандартов международным стандартам, использованным в качестве ссылочных в примененном стандарте ДИН, приведены в дополнительном приложении ДА
5 Введен впервые
1 Область применения
Настоящий стандарт устанавливает характеристики шестигранных приварных гаек с метрической резьбой с крупным шагом от М3 до М16 и с метрической резьбой с мелким шагом номинальным диаметром от 8 до 16 мм класса точности А. Приварные гайки по настоящему стандарту подходят для соединения с болтами классов прочности менее 8.8 по ГОСТ ISO 898-1.
Настоящий стандарт не распространяется на шестигранные приварные гайки с фланцем, характеристики которых установлены ГОСТ ISO 21670.
2 Нормативные ссылки
В настоящем стандарте использованы нормативные ссылки на следующие стандарты:
ГОСТ ISO 898-1 Механические свойства крепежных изделий из углеродистых и легированных сталей. Часть 1. Болты, винты и шпильки установленных классов прочности с крупным и мелким шагом резьбы
ГОСТ ISO 898-2 Механические свойства крепежных изделий из углеродистых и легированных сталей. Часть 2. Гайки установленных классов прочности с крупным и мелким шагом резьбы
ГОСТ ISO 3269 Изделия крепежные. Приемочный контроль
ГОСТ ISO 4042 Изделия крепежные. Электролитические покрытия
ГОСТ ISO 4759-1 Изделия крепежные. Допуски. Часть 1. Болты, винты, шпильки и гайки. Классы точности А, В и С
ГОСТ ISO 8992 Изделия крепежные. Общие требования для болтов, винтов, шпилек и гаек
ГОСТ 16093 (ИСО 965-1:1998, ИСО 965-3:1998) Основные нормы взаимозаменяемости. Резьба метрическая. Допуски. Посадки с зазором
ГОСТ ISO 21670 Изделия крепежные. Гайки шестигранные приварные с фланцем
ГОСТ 24705 (ИСО 724:1993) Основные нормы взаимозаменяемости. Резьба метрическая. Основные размеры
Примечание - При пользовании настоящим стандартом целесообразно проверить действие ссылочных стандартов в информационной системе общего пользования - на официальном сайте Федерального агентства по техническому регулированию и метрологии в сети Интернет или по ежегодному информационному указателю "Национальные стандарты", который опубликован по состоянию на 1 января текущего года, и по выпускам ежемесячного информационного указателя "Национальные стандарты" за текущий год. Если заменен ссылочный стандарт, на который дана недатированная ссылка, то рекомендуется использовать действующую версию этого стандарта с учетом всех внесенных в данную версию изменений. Если заменен ссылочный стандарт, на который дана датированная ссылка, то рекомендуется использовать версию этого стандарта с указанным выше годом утверждения (принятия). Если после утверждения настоящего стандарта в ссылочный стандарт, на который дана датированная ссылка, внесено изменение, затрагивающее положение, на которое дана ссылка, то это положение рекомендуется применять без учета данного изменения. Если ссылочный стандарт отменен без замены, то положение, в котором дана ссылка на него, рекомендуется применять в части, не затрагивающей эту ссылку.
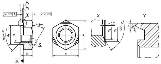
3 Размеры
Размеры шестигранных приварных гаек, за исключением приварных бобышек, форма которых может отличаться от рисунка 1, должны соответствовать указанным в таблице 1.

Рисунок 1 - Размеры гаек
Таблица 1 - Размеры гаек
В миллиметрах
|
Резьба
|
b
|
d1
|
d2
|
d3
|
е a
|
|
D
|
D х Р b
|
Значение
|
Допуск
|
d11
|
Н13
|
не более
|
не менее
|
|
М3
|
-
|
-
|
0,80
|
± 0,2
|
4,50
|
4,50
|
3,15
|
8,15
|
|
М4
|
-
|
-
|
0,80
|
6,00
|
6,00
|
4,20
|
9,83
|
|
М5
|
-
|
-
|
0,80
|
7,00
|
7,00
|
5,25
|
10,95
|
|
М6
|
-
|
-
|
0,90
|
± 0,22
|
8,00
|
8,00
|
6,30
|
12,02
|
|
М8
|
М8 х 1
|
-
|
1,00
|
± 0,25
|
10,50
|
10,50
|
8,40
|
15,38
|
|
М10
|
М10 х 1,25
|
М10 х 1
|
1,25
|
± 0,3
|
12,50
|
12,50
|
10,50
|
18,74
|
|
-
|
-
|
7/16-20 UNF-2B c
|
1,25
|
12,50
|
13,50
|
11,70
|
18,74
|
|
-
|
-
|
7/16-20 UNF-2B c
|
1,25
|
13,50
|
13,50
|
11,70
|
20,91
|
|
М12
|
М12 х 1,25
|
М12 х1,5
|
1,25
|
14,80
|
14,80
|
12,60
|
20,91
|
|
(М14)
|
(М14 х 1,5)
|
-
|
1,50
|
± 0,4
|
16,80
|
16,80
|
14,70
|
24,27
|
|
М16
|
М16 х 1,5
|
-
|
1,50
|
18,80
|
18,80
|
16,80
|
26,51
|
В миллиметрах
|
Резьба
|
h1
|
h2
|
m
|
s
|
Масса (7,85 кг/дм3), кг/1000 шт.
|
|
D
|
D x Р b
|
Значение
|
Допуск
|
Значение
|
Допуск
|
h14
|
h13
|
|
М3
|
-
|
-
|
0,55
|
0
- 0,1
|
0,25
|
0
- 0,1
|
3,0
|
7,5
|
0,78
|
|
М4
|
-
|
-
|
0,65
|
0,35
|
3,5
|
9,0
|
1,13
|
|
М5
|
-
|
-
|
0,70
|
0,40
|
4,0
|
10,0
|
1,73
|
|
М6
|
-
|
-
|
0,75
|
0
- 0,15
|
0,40
|
5,0
|
11,0
|
2,50
|
|
М8
|
М8 х 1
|
-
|
0,90
|
0,50
|
0
- 0,15
|
6,5
|
14,0
|
5,27
|
|
М10
|
М10 х 1,25
|
М10 х 1
|
1,15
|
0
- 0,2
|
0,65
|
8,0
|
17,0
|
9,58
|
|
-
|
-
|
7/16-20 UNF-2B c
|
1,15
|
0,65
|
0
- 0,2
|
10,0
|
17,0
|
12
|
|
-
|
-
|
7/16-20 UNF-2B c
|
1,40
|
0,80
|
10,0
|
19,0
|
14
|
|
М12
|
М12 х 1,25
|
М12 х 1,5
|
1,40
|
0,80
|
10,0
|
19,0
|
13,7
|
|
(М14)
|
(М14 х 1,5)
|
-
|
1,80
|
1,00
|
11,0
|
22,0
|
21,3
|
|
(М16)
|
(М16 х 1,5)
|
-
|
1,80
|
1,00
|
13,0
|
24,0
|
28,5
|
|
Размеры, заключенные в скобки, применять не рекомендуется.
a emin = 1,12 smin.
b Р - шаг резьбы.
с Только для крепления ремней безопасности в автомобилях.
|
4 Технические требования
См. таблицу 2.
Таблица 2
|
Материал
|
Сталь (St) с массовой долей углерода не более 0,25 % а
|
|
Общие требования
|
Обозначение стандарта
|
ГОСТ ISO 8992
|
|
Резьба
|
Поле допуска
|
6G
|
|
Обозначение стандарта
|
ГОСТ 16093, ГОСТ 24705
|
|
Механические свойства
|
Пробные нагрузки
|
См. таблицу 3
|
|
Испытание пробной нагрузкой
|
ГОСТ ISO 898-2
|
|
Предельные размеры, допуски формы и расположения
|
Класс точности
|
А
|
|
Обозначение стандарта
|
ГОСТ ISO 4759-1
|
|
Отделка - покрытие
|
Черный оксид (термический или химический)
|
|
Требования к гальваническим покрытиям по ГОСТ ISO 4042. На приварных гайках без покрытий коррозия может возникать уже во время их хранения или во время транспортирования. Изготовитель должен принять соответствующие меры для защиты от коррозии во время транспортирования без ущерба для привариваемости
|
|
Приемочный контроль
|
ГОСТ ISO 3269
|
|
а Другие марки сталей - по согласованию сторон.
|
Шестигранные приварные гайки по настоящему стандарту должны выдерживать пробные нагрузки по таблице 3. Испытание на пробную нагрузку выполняют по ГОСТ ISO 898-2. В спорных случаях перед испытанием приварные элементы удаляют шлифованием.
Таблица 3 - Пробные нагрузки
|
Резьба с крупным шагом D
|
Пробная нагрузка Н
|
Резьба с мелким шагом D х P
|
Пробная нагрузка Н
|
|
М3
|
3800
|
-
|
-
|
|
М4
|
6800
|
-
|
-
|
|
М5
|
11000
|
-
|
-
|
|
М6
|
15500
|
-
|
-
|
|
М8
|
28300
|
М8 х 1
|
30200
|
|
М10
|
44800
|
М10 х 1
|
50200
|
|
-
|
-
|
М10 х 1,25
|
47800
|
|
-
|
-
|
7/16-20 UNF-2B
|
53600
|
|
М12
|
65300
|
М12 х 1,25
|
72100
|
|
-
|
-
|
М12 х1,5
|
68200
|
|
М14
|
89700
|
М14 х 1,5
|
97500
|
|
М16
|
123000
|
М16 х 1,5
|
132000
|
5 Обозначение
Примеры условных обозначений:
Гайка шестигранная приварная по ГОСТ Р 58799, с резьбой М10, из стали (St):
Гайка приварная ГОСТ Р 58799-2020-M10-St
Для шестигранной приварной гайки из стали с резьбой UNF дополнительно указывают размер под ключ.
Гайка шестигранная приварная по ГОСТ Р 58799, с резьбой 7/16-20 UNF-2B, размером под ключ 17 мм (SW17), из стали (St):
Гайка приварная ГОСТ Р 58799-2020-7/16-20 UNF-2B-SW17-St
6 Маркировка
Шестигранные приварные гайки с резьбой М5 и более следует маркировать товарным знаком производителя углубленной маркировкой в месте, выбранном производителем.
7 Указание мест сварки в чертежах
См. рисунок 2.

Рисунок 2 - Указание мест сварки в чертежах
8 Присоединительные размеры
См. рисунок 3 и таблицу 4.

Рисунок 3 - Присоединительные размеры (гайки еще не приварены)
Таблица 4 - Присоединительные размеры
В миллиметрах
|
D
|
Резьба по таблице 1
|
Толщина листа а
|
Диаметр отверстия d4
|
|
D x P
|
не менее
|
не более
|
Н11
|
|
М3
|
-
|
-
|
0,63
|
1,5
|
4,5
|
|
М4
|
-
|
-
|
0,75
|
1,5
|
6,0
|
|
М5
|
-
|
-
|
0,88
|
2,0
|
7,0
|
|
М6
|
-
|
-
|
0,88
|
2,5
|
8,0
|
|
М8
|
М8 х 1
|
-
|
1,00
|
3,0
|
10,5
|
|
М10
|
М10 х 1,25
|
М10 х 1
|
1,25
|
4,0
|
12,5
|
|
-
|
-
|
7/16-20 UNF-2B
|
1,25
|
4,0
|
13,5
|
|
М12
|
М12 х 1,25
|
М12 х 1,5
|
1,50
|
5,0
|
14,8
|
|
М14
|
М14 х 1,5
|
-
|
2,00
|
6,0
|
16,8
|
|
М16
|
М16 х 1,5
|
-
|
2,00
|
6,0
|
18,8
|
Приложение ДА
(справочное)
Сведения о соответствии ссылочных национальных и межгосударственных стандартов международным стандартам, использованным в качестве ссылочных в примененном стандарте ДИН
|
Обозначение ссылочного межгосударственного стандарта
|
Степень соответствия
|
Обозначение и наименование ссылочного международного стандарта
|
|
ГОСТ ISO 898-1-2014
|
IDT
|
ISO 898-1:2013 "Механические свойства крепежных изделий из углеродистой и легированной стали. Часть 1. Болты, винты и шпильки установленных классов прочности. Резьбы с крупным и мелким шагом"
|
|
ГОСТ ISO 898-2-2015
|
IDT
|
ISO 898-2:2012 "Механические свойства крепежных изделий из углеродистой стали и легированной стали. Часть 2. Гайки установленных классов прочности. Крупная и мелкая резьба"
|
|
ГОСТ ISO 3269-2015
|
IDT
|
ISO 3269:2000 "Изделия крепежные. Приемочный контроль"
|
|
ГОСТ ISO 4042-2015
|
MOD
|
ISO 4042:1999 "Изделия крепежные. Системы электролитических покрытий"
|
|
ГОСТ ISO 4759-1-2015
|
IDT
|
ISO 4759-1:2000 "Изделия крепежные. Допуски. Часть 1. Болты, винты, шпильки и гайки. Классы изделий А, В и С"
|
|
ГОСТ ISO 8992-2015
|
IDT
|
ISO 8992:2005 "Изделия крепежные. Общие требования для болтов, винтов, шпилек, гаек"
|
|
ГОСТ 16093-2004 (ИСО 965-1:1998, ИСО 965-3:1998)
|
MOD
|
ISO 965-1:1998 "Резьбы метрические ISO общего назначения. Допуски. Часть 1. Принципы и основные данные"
|
|
ГОСТ ISO 21670-2015
|
IDT
|
ISO 21670:2014 "Изделия крепежные. Гайки шестигранные приварные с фланцем"
|
|
ГОСТ 24705-2004 (ИСО 724:1993)
|
MOD
|
ISO 724:1993 "Резьбы метрические ИСО общего назначения. Основные размеры"
|
|
Примечание - В настоящей таблице использованы следующие условные обозначения степени соответствия стандартов:
- IDT - идентичные стандарты;
- MOD - модифицированные стандарты.
|
Библиография
|
[1]
|
ДИН 4000-161
|
Головки таблиц основных технических характеристик. Часть 161. Крепеж с внутренней резьбой
|
|
|
(DIN 4000-161)
|
(Tabular layout of product properties - Part 161: Fasteners with internal thread)
|
|
[2]
|
ASME В 1.1 (ASME В 1.1)
|
Унифицированные дюймовые резьбы (форма резьбы UN и UNR)
[Unified Inch Screw Threads (UN and UNR Thread Form)]
|