Утв. и введен в действие приказом Федерального агентства по техническому регулированию и метрологии от 20 февраля 2020 г. N 69-ст
Национальный стандарт РФ ГОСТ Р 58807-2020
"АВТОМОБИЛЬНЫЕ ТРАНСПОРТНЫЕ СРЕДСТВА. СИСТЕМЫ ПРЕДУПРЕЖДЕНИЯ О ВЫХОДЕ ИЗ ЗАНИМАЕМОЙ ПОЛОСЫ ДВИЖЕНИЯ. ОБЩИЕ ТЕХНИЧЕСКИЕ ТРЕБОВАНИЯ И МЕТОДЫ ИСПЫТАНИЙ"
Motor vehicles. Occupied lane departure warning systems. General technical requirements and test methods
ОКС 43.020
Дата введения - 1 июня 2020 г.
Введен впервые
Предисловие
1 Разработан Федеральным государственным унитарным предприятием "Центральный ордена Трудового Красного Знамени научно-исследовательский автомобильный и автомоторный институт "НАМИ" (ФГУП "НАМИ")
2 Внесен Техническим комитетом по стандартизации ТК 056 "Дорожный транспорт"
3 Утвержден и введен в действие Приказом Федерального агентства по техническому регулированию и метрологии от 20 февраля 2020 г. N 69-ст
4 Введен впервые
Введение
Системы предупреждения о выходе из полосы движения автоматически выявляют непреднамеренное отклонение транспортного средства за пределы полосы движения и предупреждают об этом водителя. Системы предупреждения о выходе из полосы движения устанавливаются на транспортных средствах категорий М2, М3, N2 и N3 и, как правило, активируются, когда скорость транспортного средства превышает 60 км/ч.
Эти категории транспортных средств получают преимущество от оснащения системой предупреждения о выходе из полосы, особенно в условиях монотонного движения по загородным дорогам. Системы предупреждения о выходе из полосы движения оказывают помощь водителю, который отвлекся или находится в состоянии сонливости, путем предупреждения о непреднамеренном выходе транспортного средства за пределы полосы движения.
1 Область применения
Настоящий стандарт распространяется на транспортные средства категорий М2, М3, N2 и N3 (далее - ТС) в соответствии с [1] и устанавливает общие технические требования к системам предупреждения о выходе из полосы движения и методы их испытаний.
2 Нормативные ссылки
В настоящем стандарте использована нормативная ссылка на следующий стандарт:
ГОСТ Р 51256 Технические средства организации дорожного движения. Разметка дорожная. Классификация. Технические требования
Примечание - При пользовании настоящим стандартом целесообразно проверить действие ссылочных стандартов в информационной системе общего пользования - на официальном сайте Федерального агентства по техническому регулированию и метрологии в сети Интернет или по ежегодному информационному указателю "Национальные стандарты", который опубликован по состоянию на 1 января текущего года, и по выпускам ежемесячного информационного указателя "Национальные стандарты" за текущий год. Если заменен ссылочный стандарт, на который дана недатированная ссылка, то рекомендуется использовать действующую версию этого стандарта с учетом всех внесенных в данную версию изменений. Если заменен ссылочный стандарт, на который дана датированная ссылка, то рекомендуется использовать версию этого стандарта с указанным выше годом утверждения (принятия). Если после утверждения настоящего стандарта в ссылочный стандарт, на который дана датированная ссылка, внесено изменение, затрагивающее положение, на которое дана ссылка, то это положение рекомендуется применять без учета данного изменения. Если ссылочный стандарт отменен без замены, то положение, в котором дана ссылка на него, рекомендуется применять в части, не затрагивающей эту ссылку.
3 Термины и определения
В настоящем стандарте применены следующие термины с соответствующими определениями:
3.1 система предупреждения о выходе из полосы движения; СПВП: Система помощи водителю, выполняющая функцию предупреждения водителя о непреднамеренном отклонении ТС от полосы, по которой оно движется.
3.2 полоса движения: Одна из продольных полос, на которые разделена проезжая часть дороги.
3.3 видимая разметка полосы движения: Обозначение границ полосы движения, преднамеренно наносимое на дорожную поверхность и непосредственно видимое водителем при управлении им ТС (например, не занесенное снегом и т.д.).
3.4 скорость выхода: Скорость, с которой движется ТС в момент его соприкосновения с видимой разметкой полосы движения под прямым углом к ней и подачи предупредительного сигнала.
3.5 общее пространство: Участок комбинации приборов, на котором могут отражаться, но не совмещаться не менее двух информационных функций (например, условных обозначений).
4 Технические требования
4.1 Общие положения
4.1.1 Любое ТС, оснащенное СПВП (см. 3.1), должно удовлетворять требованиям, изложенным в настоящем разделе.
4.1.2 Магнитные и электрические поля не должны снижать эффективности СПВП. Это требование считается выполненным, если соблюдаются технические требования и переходные положения [2] посредством применения:
а) поправок серии 03 для ТС без соединительной системы для зарядки перезаряжаемой системы хранения энергии (тяговых батарей);
б) поправок серии 04 для ТС с соединительной системой для зарядки перезаряжаемой системы хранения энергии (тяговых батарей).
4.2 Требования к рабочим характеристикам
4.2.1 СПВП должна функционировать в соответствии с требованиями, приведенными в 4.2.5 и 4.2.6, и должна предупреждать водителя о пересечении транспортным средством видимой разметки полосы движения на дороге. По меньшей мере, должна распознаваться разметка по ГОСТ Р 51256, приведенная в приложении А. Разметка может варьироваться от прямой до кривой линии с минимальным радиусом внутренней разметки 250 м. СПВП должна передавать предупреждение водителю в соответствии с 4.4.1 при испытании, проводящемся согласно положениям 4.5 (испытание на предупреждение о выходе из полосы движения), и при наличии разметки полосы движения, указанной в 5.2.3.
4.2.2 Сигнал предупреждения, указанный в 4.2.1, может отключаться в том случае, когда водитель предпринимает конкретное действие (например, включение сигнала поворота), указывающее на намерение выйти из полосы движения.
4.2.3 Система также должна передавать водителю предупреждение, указанное в 4.4.2, при испытании в соответствии с положениями 5.6 (испытание на выявление неисправности). Этот сигнал должен быть постоянным.
4.2.4 Не должно происходить существенной задержки при подаче сигнала предупреждения о неисправности СПВП, которая может быть выявлена при помощи сигнала в электрической цепи. Для этого интервалы времени между каждым циклом самодиагностики СПВП не должны превышать 300 мс.
4.2.5 СПВП должна приводиться в действие на скорости более 60 км/ч, если она не отключена ручным способом, как указано в 4.3.
4.2.6 СПВП должна функционировать при любых погодных условиях, при фронтальной видимости от 0,25 до 200 м в светлое время суток и от 0,25 до 60 м в темное время суток при включенных фарах ТС.
4.3 Если транспортное средство оснащено устройством отключения функции СПВП, то должны выполняться требования, приведенные в 4.3.1, 4.3.2.
4.3.1 Функция СПВП должна автоматически восстанавливаться при каждом новом запуске двигателя.
4.3.2 Об отключении функции СПВП водитель должен быть информирован при помощи постоянного оптического сигнала предупреждения. Для этой цели должен быть использован желтый предупреждающий сигнал, указанный в 4.4.2.
4.4 Сигналы предупреждения
4.4.1 Сигнал предупреждения о выходе из полосы движения, указанный в 4.2.1, должен быть видимым для водителя и подаваться:
а) при помощи по крайней мере двух средств предупреждения из числа оптических, акустических или тактильных;
б) при помощи одного средства предупреждения из числа тактильных и акустических с пространственным указанием направления непреднамеренного отклонения в движении ТС.
Если для предупреждения о выходе из полосы движения применяют оптический сигнал, то в качестве него допускается использовать сигнал предупреждения о неисправности, указанный в 4.4.2 и подаваемый в мигающем режиме.
4.4.2 Для предупреждения о неисправности, указанной в 4.2.3, должен использоваться желтый оптический сигнал предупреждения.
4.4.3 Оптические сигналы предупреждения СПВП должны подаваться либо когда выключатель зажигания (пуска) находится в положении "включено" ("запущено"), либо когда он находится в положении между "включено" и "запуск", предусмотренном изготовителем ТС в качестве проверочного положения (электропитание подается). Это требование не относится к предупреждающим сигналам, подаваемым в общем пространстве.
4.4.4 Оптические сигналы предупреждения должны быть видимыми даже в светлое время суток, удовлетворительное состояние сигналов должно легко контролироваться водителем с водительского места.
4.4.5 Когда водителю подается оптический сигнал предупреждения для указания временного отсутствия функции СПВП, например из-за неблагоприятных погодных условий, данный сигнал должен быть постоянным. Для этой цели допускается использовать сигнал предупреждения о неисправности, указанный в 4.4.2.
4.5 Положения о периодическом техническом осмотре
4.5.1 В ходе периодического технического осмотра должна обеспечиваться возможность подтверждения правильного функционирования СПВП посредством наблюдения за состоянием сигнала предупреждения о неисправности после перевода выключателя зажигания (пуска) в положение "включено" (отсутствие сигнала - нормальное функционирование; наличие сигнала - неисправность).
4.5.2 Должна быть обеспечена защита от несанкционированного вмешательства в функционирование сигнала предупреждения о неисправности. Это требование считается выполненным, в частности, когда доступно второе средство проверки статуса надлежащего функционирования СПВП.
5 Испытания
5.1 Изготовитель представляет в испытательную лабораторию документацию, описывающую конструкцию СПВП и, при необходимости, о средствах, обеспечивающих связь СПВП с другими системами ТС. В документации должны быть указаны возможности проверки состояния функционирования СПВП, а также определения степени воздействия на другие ТС и метод(ы), используемый(ые) для выявления ситуаций, обуславливающих отсутствие сигнала предупреждения о неисправности.
5.2 Условия проведения испытаний
5.2.1 Испытания проводят на гладкой, сухой асфальтовой или бетонной поверхности.
5.2.2 Температура окружающей среды должна находиться в диапазоне 0 °С - 45 °С.
5.2.3 Видимая разметка полосы движения
5.2.3.1 Видимой разметкой полосы движения, используемой при проведении испытаний на предупреждение о выходе из полосы движения, описанных в 5.5, должна быть разметка, соответствующая требованиям ГОСТ Р 51256, находящаяся в надлежащем состоянии. Схема разметки полосы движения, используемой в ходе испытаний, регистрируется.
5.2.3.2 Изготовитель ТС должен подтвердить соответствие установленным требованиям при использовании СПВП на дорогах с другими видами разметки полос движения посредством предоставления соответствующей документации, которая прилагается к протоколу испытаний в качестве дополнения.
5.2.3.3 Если ТС данного типа может быть оснащено СПВП иных модификаций, то изготовитель при помощи соответствующей документации должен доказать соблюдение требований настоящего стандарта для всех модификаций СПВП.
5.2.4 Испытания проводят в условиях видимости, которые приемлемы для безопасного движения на требующейся испытательной скорости.
5.3 Состояние транспортного средства
5.3.1 Масса транспортного средства
ТС испытывают при любых условиях нагрузки и распределения массы между осями, указываемых изготовителем, без превышения любого из максимальных допустимых значений массы на каждой из осей. После начала процедуры испытаний не допускается никаких изменений. При помощи соответствующей документации изготовитель ТС должен доказать, что СПВП функционирует при всех условиях нагрузки.
5.3.2 Испытания ТС проводят при значениях давления в шинах, которые рекомендованы изготовителем ТС.
5.3.3 В тех случаях, когда для СПВП предусмотрена предельная сила сигнала предупреждения, регулируемая пользователем, испытание, указанное в 5.5, проводят при сигнале предупреждения, установленном на максимальное значение. После начала процедуры испытания никаких изменений не допускается.
5.4 Испытание на проверку оптического сигнала предупреждения
Когда ТС находится в неподвижном состоянии, проводят проверку соответствия оптического сигнала предупреждения (оптических сигналов предупреждения) требованиям 4.4.3.
5.5 Испытание на предупреждение о выходе из полосы движения
5.5.1 ТС устойчиво движется с постоянной скоростью (65 ± 3) км/ч, придерживаясь центра испытательной полосы движения. При условии сохранения предписанной скорости ТС слегка перемещается либо влево, либо вправо со скоростью выхода 0,1-0,8 м/с и с пересечением разметки полосы движения. Это испытание повторяют при другом значении скорости выхода в диапазоне 0,1-0,8 м/с.
Вышеуказанные испытательные перемещения повторяют в противоположном направлении.
5.5.2 СПВП должна подавать сигналы предупреждения о выходе из полосы движения, приведенные в 4.4.1, не позднее чем в момент, когда внешняя часть шины передней части ТС, находящаяся ближе всего к разметке полосы движения, пересекает линию и выходит на расстояние 0,3 м за пределы внешнего края видимой разметки полосы движения, в направлении которой перемещается ТС.
5.6 Испытание на выявление неисправности
5.6.1 Проводят моделирование неисправности СПВП, например, при помощи отсоединения источника электропитания от любого элемента СПВП или разъединения любой электрической схемы между элементами СПВП. При моделировании неисправности СПВП электрические схемы сигнала предупреждения о неисправности, приведенного в 4.4.2, и устройства отключения функции СПВП, приведенные в 5.3, не разъединяются.
5.6.2 Сигнал предупреждения о неисправности, указанный в 4.4.2, включается (и остается включенным) в процессе движения ТС и включается повторно после цикла отключения и повторного включения на протяжении всего периода моделирования неисправности.
5.7 Испытание на отключение
Если ТС оснащено устройством отключения СПВП, то выключатель зажигания (пуска) переводится в положение "включено", и СПВП отключается. Должен включиться предупреждающий сигнал, указанный в 4.3.2. Выключатель зажигания (пуска) переводится в положение "отключено". Затем выключатель зажигания (пуска) вновь переводится в положение "включено", и проводится проверка, чтобы убедиться в отсутствии включавшегося ранее сигнала предупреждения, что свидетельствует о повторном включении СПВП, как указано в 4.3.1. Если система зажигания приводится в действие посредством ключа зажигания, то указанное выше требование должно быть выполнено без извлечения ключа из замка зажигания.
Приложение А
(обязательное)
Идентификация видимой разметки полосы движения
А.1 Для проведения испытаний в соответствии с 5.2.3 и 5.5 ширина полосы движения не должна превышать 3,5 м.
А.2 Цвет видимой разметки полосы движения, обозначенной в таблице А.1, - белый.
Таблица А.1 - Видимая разметка полосы движения, подлежащая использованию для проведения испытаний в соответствии с 5.2.3 и 5.5
|
Схема
|
Тип
|
Ширина
|
|
|
Левая граничная линия
|
Центральная линия
|
Правая граничная линия
|
Левая граничная линия
|
Центральная линия
|
Правая граничная линия
|
|
|

|
Определение ширины полосы движения
|
-
|
|
|

|
Более одной полосы в каждом направлении (основной вариант)
|

| |
|

|
Более одной полосы в каждом направлении (вариант 1 с полосой реверсивного движения)
|

| |
|

|
Более одной полосы в каждом направлении (вариант 2 с полосой реверсивного движения)
|

| |
|

|
Одна полоса в каждом направлении (вариант 1)
|

| |
|

|
Одна полоса в каждом направлении (вариант 2)
|

| |
|
Примечания
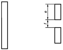
1 Для дорожного движения с разрешенной максимальной скоростью не более 60 км/ч принимают:
а = 1-3 м; b = 3-9 м; а:b = 1:3;
с = 3-6 м; d = 1-2 м; с:d = 3:1;
е = 1 м; f = 2 м; e:f = 1:2.
2 Для дорожного движения с разрешенной максимальной скоростью более 60 км/ч принимают:
а = 3-4 м; b = 9-12 м; а:b = 1:3;
с = 6-9 м; d = 2-3 м; c:d = 3:1;
е = 2 м; f = 4 м; e:f = 1:2.
|
|
| | | | | | |
|
Библиография
|
[1]
|
Сводная резолюция о конструкции транспортных средств (CP.3)
|
|
[2]
|
Правила ЕЭК ООН N 10 Единообразные предписания, касающиеся официального утверждения транспортных средств в отношении электромагнитной совместимости
|