электронный сборник нормативных документов по строительству
Обновления
12.04.2026 22:08
электронный сборник нормативных документов по строительству

ГОСТ Р 71432-2024 ФЕРРИТЫ СВЕРХВЫСОКОЧАСТОТНОГО ДИАПАЗОНА И ИЗДЕЛИЯ ИЗ НИХ. МЕТОДЫ ИЗМЕРЕНИЯ КОМПЛЕКСНОЙ ОТНОСИТЕЛЬНОЙ ДИЭЛЕКТРИЧЕСКОЙ ПРОНИЦАЕМОСТИ И ТАНГЕНСА УГЛА ДИЭЛЕКТРИЧЕСКИХ ПОТЕРЬ

Утв. и введен в действие Приказом Федерального агентства по техническому регулированию и метрологии от 7 июня 2024 г. N 732-ст

Национальный стандарт РФ ГОСТ Р 71432-2024

"ФЕРРИТЫ СВЕРХВЫСОКОЧАСТОТНОГО ДИАПАЗОНА И ИЗДЕЛИЯ ИЗ НИХ. МЕТОДЫ ИЗМЕРЕНИЯ КОМПЛЕКСНОЙ ОТНОСИТЕЛЬНОЙ ДИЭЛЕКТРИЧЕСКОЙ ПРОНИЦАЕМОСТИ И ТАНГЕНСА УГЛА ДИЭЛЕКТРИЧЕСКИХ ПОТЕРЬ"

Microwave ferrite devices and products made of them. Methods for measuring the complex relative permittivity and the tangent of the dielectric loss angle

ОКС 29.100.10

Дата введения - 1 марта 2025 года

Введен впервые

Предисловие

1 РАЗРАБОТАН Акционерным обществом "Российский научно-исследовательский институт "Электронстандарт" (АО "РНИИ "Электронстандарт")

2 ВНЕСЕН Техническим комитетом по стандартизации ТК 303 "Электронная компонентная база, материалы и оборудование"

3 УТВЕРЖДЕН И ВВЕДЕН В ДЕЙСТВИЕ Приказом Федерального агентства по техническому регулированию и метрологии от 7 июня 2024 г. N 732-ст

4 ВВЕДЕН ВПЕРВЫЕ

Правила применения настоящего стандарта установлены в статье 26 Федерального закона от 29 июня 2015 г. N 162-ФЗ "О стандартизации в Российской Федерации". Информация об изменениях к настоящему стандарту публикуется в ежегодном (по состоянию на 1 января текущего года) информационном указателе "Национальные стандарты", а официальный текст изменений и поправок - в ежемесячном информационном указателе "Национальные стандарты". В случае пересмотра (замены) или отмены настоящего стандарта соответствующее уведомление будет опубликовано в ближайшем выпуске ежемесячного информационного указателя "Национальные стандарты". Соответствующая информация, уведомление и тексты размещаются также в информационной системе общего пользования - на официальном сайте Федерального агентства по техническому регулированию и метрологии в сети Интернет (www.rst.gov.ru)

1 Область применения

Настоящий стандарт распространяется на ферриты сверхвысокочастотного диапазона (СВЧ) и изделия из них и устанавливает два метода измерения комплексной относительной диэлектрической проницаемости (действительной составляющей в пределах от 5 до 18 включительно и мнимой составляющей в пределах от 6·10-4 до 5·10-2 включительно) и тангенса угла диэлектрических потерь в трехсантиметровом диапазоне длин волн:

- метод 1 - для ферритов с нерезонансным уровнем магнитных потерь, не превышающим 1·10-3 включительно, и изделий из них;

- метод 2 - для ферритов с нерезонансным уровнем магнитных потерь, превышающим 1·10-3, и изделий из них.

В технических условиях (ТУ) на конкретные типы изделий из ферритов допускается устанавливать методы измерения комплексной относительной диэлектрической проницаемости, отличающиеся от указанных в стандарте, если эти методы аттестованы и обеспечивают значения показателей точности измерения этих методов, не хуже установленных данным стандартом.

2 Нормативные ссылки

В настоящем стандарте использованы нормативные ссылки на следующие стандарты:

ГОСТ 1494 Электротехника. Буквенные обозначения основных величин

ГОСТ 8711 Приборы аналоговые показывающие электроизмерительные прямого действия и вспомогательные части к ним. Часть 2. Особые требования к амперметрам и вольтметрам

ГОСТ 11036 Сталь сортовая электротехническая нелегированная. Технические условия

ГОСТ 20900 Трубы волноводные медные и латунные прямоугольные. Технические условия

ГОСТ 21515 Материалы диэлектрические. Термины и определения

ГОСТ 22261 Средства измерений электрических и магнитных величин. Общие технические условия

ГОСТ Р 55878 Спирт этиловый технический гидролизный ректификованный. Технические условия

ГОСТ Р 71294 Ферриты сверхвысокочастотного диапазона и изделия из них. Метод измерения намагниченности насыщения

Примечание - При пользовании настоящим стандартом целесообразно проверить действие ссылочных стандартов в информационной системе общего пользования - на официальном сайте Федерального агентства по техническому регулированию и метрологии в сети Интернет или по ежегодному информационному указателю "Национальные стандарты", который опубликован по состоянию на 1 января текущего года, и по выпускам ежемесячного информационного указателя "Национальные стандарты" за текущий год. Если заменен ссылочный стандарт, на который дана недатированная ссылка, то рекомендуется использовать действующую версию этого стандарта с учетом всех внесенных в данную версию изменений. Если заменен ссылочный стандарт, на который дана датированная ссылка, то рекомендуется использовать версию этого стандарта с указанным выше годом утверждения (принятия). Если после утверждения настоящего стандарта в ссылочный стандарт, на который дана датированная ссылка, внесено изменение, затрагивающее положение, на которое дана ссылка, то это положение рекомендуется применять без учета данного изменения. Если ссылочный стандарт отменен без замены, то положение, в котором дана ссылка на него, рекомендуется применять в части, не затрагивающей эту ссылку.

3 Термины и определения

В настоящем стандарте применены термины по ГОСТ 1494, ГОСТ 21515.

4 Метод 1

4.1 Принцип, условия и режим измерений

4.1.1 Комплексную относительную диэлектрическую проницаемость и тангенс угла диэлектрических потерь определяют по результатам измерения изменения резонансной частоты и затухания измерительного резонатора при введении в него ферритового образца.

4.1.2 Измерения проводят в следующих климатических условиях:

- температура окружающего воздуха (23 ± 5) °C;

- относительная влажность воздуха от 45% до 80%;

- атмосферное давление от 86 до 106 кПа (от 645 до 795 мм рт. ст.).

При температуре свыше 30 °C относительная влажность не должна быть более 70%.

4.1.3 Время измерения не должно превышать 5 мин.

4.1.4 Измерения проводят при напряженности постоянного подмагничивающего поля, находящейся в пределах от 0 до 5400 А/см. Конкретное значение напряженности должно соответствовать установленному в ТУ на конкретные типы изделий из феррита.

4.2 Аппаратура

4.2.1 Измерение следует проводить на установке, электрическая структурная схема которой приведена на рисунке 1.

image001.png

Рисунок 1

4.2.2 Частотомер должен обеспечивать измерение частоты в пределах от 8 до 12 ГГц с относительной погрешностью в пределах ± 1·10-7.

4.2.3 Генератор прямоугольных импульсов должен обеспечивать получение прямоугольных импульсов напряжения с частотой повторения (5 ± 0,05) кГц и скважностью 2 ± 0,02. Амплитуда импульсов не должна быть менее 5 В.

4.2.4 Усилитель мощности должен обеспечивать получение коэффициента амплитудной модуляции мощности СВЧ в соответствии с 4.2.7.

4.2.5 Генератор СВЧ должен удовлетворять следующим требованиям:

- выходная мощность должна быть не менее 3 мВт;

- нестабильность частоты не должна быть более 1·10-4 за 15 мин работы генератора;

- нестабильность уровня выходной мощности не должна быть более 0,15 дБ за 15 мин работы генератора.

Генератор СВЧ должен иметь выход для подключения устройства, обеспечивающего электронную перестройку частоты.

4.2.6 Развязывающими устройствами должны быть ферритовые вентили или циркуляторы, коэффициент стоячей волны по напряжению (КСВН) которых должен быть не более 1,1.

4.2.7 Модулятор СВЧ должен обеспечивать получение коэффициента амплитудной модуляции мощности СВЧ не менее 80%.

4.2.8 Направленный ответвитель должен иметь переходное ослабление не более 15 дБ и направленность не менее 20 дБ.

4.2.9 Блок автоматической подстройки частоты (АПЧ) должен обеспечивать через устройство электронной перестройки частоты автоматическое смещение частоты генератора СВЧ на величину, равную половине полосы пропускания измерительного резонатора, при увеличении подаваемой на этот резонатор мощности СВЧ на 3 дБ.

Электрическая структурная схема АПЧ приведена на рисунке 2.

image002.png

Рисунок 2

4.2.9.1 Коэффициент усиления усилителей низкой частоты должен быть не менее 1000 в диапазоне частот от 50 Гц до 10 кГц.

4.2.9.2 Детектор низкой частоты должен иметь чувствительность не менее 50 мВ.

4.2.9.3 Дифференциальный усилитель должен обеспечивать сравнение сигналов с детекторных секций и иметь коэффициент усиления по постоянному току не менее 1.

4.2.9.4 Постоянная времени интегратора должна быть не менее 0,1 с.

4.2.9.5 Согласующее устройство должно обеспечивать развязку низковольтных цепей интегратора и высоковольтного устройства электронной перестройки частоты.

В качестве развязывающих приборов следует применять оптроны.

4.2.9.6 Индикатором должен быть микроамперметр постоянного тока не ниже 1-го класса точности по ГОСТ 8711 с пределами измерения от 0 до 100 мкА.

4.2.9.7 Осциллографический индикатор должен обеспечивать визуальное наблюдение огибающей резонансной кривой измерительного резонатора при настройке частоты генератора СВЧ на резонансную частоту резонатора.

Развертка осциллографического индикатора должна иметь выход сигнала для частотной модуляции (ЧМ) генератора СВЧ.

4.2.9.8 Допускается применение блоков АПЧ, отличающихся от приведенных на рисунке 2, если погрешность измерения комплексной относительной диэлектрической проницаемости не превышает значения, установленного стандартом.

4.2.10 Детекторные секции должны иметь КСВН не более 1,5.

4.2.11 Аттенюаторы переменные должны обеспечивать плавное изменение ослабления мощности СВЧ от 1 до 30 дБ включительно. КСВН аттенюаторов не должен быть более 1,1.

4.2.12 Основные размеры измерительного резонатора 1 должны соответствовать размерам, приведенным на рисунке 3.

image003.jpg

--------------------------------

* Для справок.

Рисунок 3

Измерительный резонатор должен быть проходного типа с колебаниями типа E010, изготовленный из медной или латунной тянутой трубы по ГОСТ 20900.

Нагруженная добротность измерительного резонатора должна быть не менее 4000. Коэффициент передачи измерительного резонатора при резонансе αр должен находиться в пределах от 12 до 15 дБ, погрешность измерения не должна выходить за пределы ± 1 дБ. Погрешность измерения внутреннего диаметра измерительного резонатора не должна выходить за пределы ± 5 мкм.

4.2.13 Аттенюатор поляризационный должен обеспечивать плавное изменение ослабления мощности СВЧ в пределах 3 дБ с погрешностью по разностному ослаблению в пределах ± 0,03 дБ.

4.2.14 Магнитопровод электромагнита должен быть Ш-образной формы и должен быть изготовлен из электротехнической стали 10895 по ГОСТ 11036.

Отношение диаметра полюсного наконечника к зазору между полюсными наконечниками магнитопровода должно быть не менее 2. Максимальная мощность, потребляемая электромагнитом, не должна превышать 1 кВт. Напряженность постоянного магнитного поля в зазоре между полюсными наконечниками электромагнита должна регулироваться в пределах от 0 до 5400 А/см.

4.3 Требования к образцам

4.3.1 Измерения проводят на образцах, которые должны иметь форму стержня круглого или квадратного сечения. Длина образцов (18 ± 0,5) мм, диаметр 1,6-0,02 мм, сторона квадрата 1,12-0,02 мм.

4.3.2 Погрешность измерения диаметра и стороны квадрата образцов не должна выходить за пределы ± 5 мкм, длины образца - ± 0,2 мм.

4.4 Подготовка к измерениям

4.4.1 Образцы перед измерением кипятят в воде в течение одного часа и просушивают при температуре (110 ± 10) °C в течение часа, если соответствующее требование установлено в ТУ на конкретные типы изделий из феррита.

4.4.2 Включают измерительную установку в соответствии с указаниями эксплуатационной документации на установку.

4.4.3 Образцы перед измерением протирают этиловым спиртом по ГОСТ Р 55878 и просушивают в течение 10 мин.

4.4.4 На поляризационном аттенюаторе устанавливают ослабление, равное 3 дБ.

4.4.5 На генераторе СВЧ устанавливают режим внешней ЧМ.

4.5 Проведение измерений

4.5.1 Настраивают частоту генератора СВЧ до получения сигнала в центре экрана осциллографического индикатора.

4.5.2 Отключают от генератора СВЧ сигнал ЧМ. По максимальному значению сигнала на индикаторе блока АПЧ настраивают частоту генератора СВЧ в резонанс с измерительным резонатором. При помощи переменного аттенюатора 2 на индикаторе блока АПЧ устанавливают сигнал, значение которого должно находиться в пределах от 90 до 100 делений.

4.5.3 Подключают детекторную секцию N 1 и при помощи переменного аттенюатора 1 на индикаторе блока АПЧ устанавливают нулевое показание.

4.5.4 На поляризационном аттенюаторе устанавливают ослабление 0 дБ и по частотомеру отсчитывают частоту f1.

4.5.5 Переключают полярность постоянного напряжения на выходе согласующего устройства блока АПЧ и по частотомеру отсчитывают частоту f2.

4.5.6 Помещают измеряемый образец в измерительный резонатор 1.

На поляризационном аттенюаторе устанавливают ослабление, равное 3 дБ.

4.5.7 Сигнал ЧМ подают на генератор СВЧ.

Резонатор помещают в постоянное магнитное поле. При измерении гексаферритов дополнительное постоянное магнитное поле не прикладывают.

4.5.8 Проводят измерения в соответствии с требованиями 4.5.1 - 4.5.5 и определяют f'1 и f'2.

4.6 Обработка результатов измерения

4.6.1 Действительную составляющую комплексной относительной диэлектрической проницаемости ε' при измерении на образцах в форме стержней круглого сечения определяют по формуле

image004.png, (1)

где R - радиус измерительного резонатора по 4.2.12, мм;

r - радиус образца по 4.3.1, 4.3.2, мм;

image005.png - относительное смещение резонансной частоты резонатора при введении в него образца, вычисляемое по формуле

image006.png, (2)

где f0 и fx - резонансные частоты измерительного резонатора без образца и с образцом, МГц, вычисляемые по формулам:

image007.png, (3)

где f1 и f2 - частота по 4.5.4 и 4.5.5;

image008.png, (4)

где f'1 и f'2 - частота по 4.5.8;

μ' - поперечная составляющая магнитной проницаемости. Значение μ' для гексаферритов приводят в ТУ, для остальных ферритов - определяют по графику, приведенному на рисунке 4, где Ms - намагниченность насыщения, которую измеряют по ГОСТ Р 71294.

image009.jpg

Рисунок 4

4.6.2 Действительную составляющую комплексной относительной диэлектрической проницаемости ε' при измерении на образцах в форме стержня квадратного сечения определяют по формуле

image010.png, (5)

где

image011.png, (6)

где a, b - размеры поперечного сечения образца, мм.

4.6.3 Мнимую составляющую комплексной относительной диэлектрической проницаемости ε'' при измерении на образцах в форме стержней круглого сечения определяют по формуле

image012.png (7)

где Δd - изменение затухания резонатора при введении в него образца, вычисляемое по формулам

Δd = dx - d'0, (8)

image013.png, (9)

dx и d0 - затухание измерительного резонатора с образцом и без образца соответственно, вычисляемое по формулам:

image014.png, (10)

image015.png, (11)

K - коэффициент, зависящий от коэффициента передачи измерительного резонатора αр, приведенного в 4.2.12. Коэффициент K определяют по графику, приведенному на рисунке 5, где βсв - коэффициент связи измерительного резонатора без образца, определяемый по графику, приведенному на рисунке 6; αр - коэффициент передачи измерительного резонатора по 4.2.12, дБ.

image016.jpg

Рисунок 5

image017.jpg

Рисунок 6

4.6.4 Мнимую составляющую комплексной относительной диэлектрической проницаемости ε'' при измерении на образцах в форме стержней квадратного сечения определяют по формуле

image018.png (12)

4.6.5 Тангенс угла диэлектрических потерь определяют по формуле

image019.png. (13)

4.7 Показатели точности измерения

4.7.1 Погрешность измерения действительной составляющей комплексной относительной диэлектрической проницаемости находится в интервале ± 3% с установленной вероятностью 0,95.

4.7.2 Погрешность измерения мнимой составляющей комплексной относительной диэлектрической проницаемости находится в интервале image020.png с установленной вероятностью 0,95.

4.7.3 Погрешность измерения тангенса угла диэлектрических потерь находится в интервале image021.png с установленной вероятностью 0,95.

4.7.4 Расчет погрешности измерения комплексной относительной диэлектрической проницаемости приведен в приложении А.

5 Метод 2

5.1 Принцип, условия и режим измерения

Принцип, условия и режим измерения должны соответствовать требованиям 4.1.

5.2 Аппаратура

5.2.1 Измерение следует проводить на установке, электрическая структурная схема которой приведена на рисунке 7.

image022.png

Рисунок 7

5.2.2 Элементы установки должны соответствовать требованиям 4.2.2 - 4.2.14 и настоящего раздела.

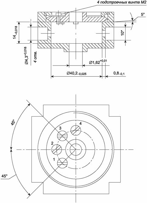
5.2.3 Основные размеры измерительного резонатора 2 должны соответствовать размерам, приведенным на рисунке 8.

image023.jpg

--------------------------------

* Для справок.

Рисунок 8

Измерительный резонатор 2 должен быть проходного типа с колебаниями типа E110, изготовленный из медной или латунной тянутой трубы по ГОСТ 20900.

Нагруженная добротность резонатора должна быть не менее 7000. Резонатор должен иметь четыре подстроечных винта.

5.3 Требования к образцам

Образцы должны соответствовать требованиям 4.3.1, 4.3.2.

5.4 Подготовка к измерениям

5.4.1 Образцы и установку подготавливают к измерениям в соответствии с требованиями 4.4.1 - 4.4.5 и настоящего раздела.

5.4.2 При помощи переключателя СВЧ подают мощность СВЧ на измерительный резонатор 2. Отключают детекторные секции N 1 и 4. На генератор СВЧ подают сигнал ЧМ от осциллографического индикатора. На поляризационном аттенюаторе устанавливают ослабление, равное 0 дБ.

5.4.3 Изменяют частоту генератора СВЧ до получения сигнала в центре экрана осциллографического индикатора.

5.4.4 Регулируя подстроечные винты 1 и 3, находящиеся на крышке измерительного резонатора 2, настраивают измерительный резонатор до получения на осциллографическом индикаторе одногорбой резонансной кривой.

5.4.5 Отключают от генератора СВЧ сигнал ЧМ и по максимальному сигналу на индикаторе блока АПЧ подстраивают генератор СВЧ в резонанс с измерительным резонатором 2. По частотомеру отсчитывают значение частоты fрез3.

5.4.6 Отключают детекторную секцию N 3 и подключают детекторную секцию N 4.

По максимальному сигналу на индикаторе блока АПЧ подстраивают генератор СВЧ в резонанс с измерительным резонатором 2. По частотомеру отсчитывают значение частоты fрез4.

5.4.7 Регулируя подстроечные винты 2 и 4, повторяют настройку измерительного резонатора 2 по 5.4.5 и 5.4.6 до получения неравенства

image024.png, (14)

где

image025.png или image026.png, (15)

где Q - добротность измерительного резонатора 2 по 5.2.3.

5.4.8 На генератор СВЧ подают сигнал ЧМ. Регулируя подстроечные винты 2 и 4, получают на осциллографическом индикаторе минимальное значение сигнала и запоминают его амплитуду Umin.

5.4.9 Отключают детекторную секцию N 4 и подключают детекторную секцию N 3. На поляризационном аттенюаторе устанавливают такое ослабление, при котором амплитуда сигнала на осциллографическом индикаторе равна Umin. Отсчитывают ослабление по шкале поляризационного аттенюатора αраз. Измерительный резонатор 2 настраивают до получения αраз ≥ 28 дБ.

5.4.10 На поляризационном аттенюаторе устанавливают ослабление, равное 3 дБ.

5.5 Проведение измерений

5.5.1 Измерения проводят в соответствии с требованиями 4.5.1 - 4.5.8 и настоящего раздела.

5.5.2 Измеряют комплексную относительную магнитную проницаемость.

5.5.2.1 При помощи переключателя СВЧ мощность СВЧ подают на измерительный резонатор 2. Сигнал ЧМ подают на генератор СВЧ.

5.5.2.2 Проводят измерения в соответствии с требованиями 4.5.1 - 4.5.5 и определяют fм1 и fм2.

5.5.2.3 Помещают образец в измерительный резонатор 2. На генератор СВЧ подают сигнал ЧМ, на поляризационном аттенюаторе устанавливают ослабление, равное 3 дБ.

5.5.2.4 В зазоре электромагнита устанавливают постоянное магнитное поле, в которое помещают резонатор 2.

На экране осциллографического индикатора получают две резонансные кривые, соответствующие правому и левому резонансному пику связи.

5.5.2.5 Изменяют частоту генератора СВЧ до получения изображения правого резонансного пика связи в середине экрана.

5.5.2.6 Проводят измерения в соответствии с требованиями 4.5.1 - 4.5.5 и определяют f'м1 и f'м2 для правого резонансного пика связи.

5.5.2.7 Сигнал ЧМ подают на генератор СВЧ. Изменяют частоту генератора СВЧ до получения изображения левого резонансного пика связи в середине экрана.

5.5.2.8 Проводят измерения в соответствии с требованиями 4.5.1 - 4.5.5 и определяют f'м1 и f'м2 для левого резонансного пика связи.

5.6 Обработка результатов измерения

5.6.1 Действительную составляющую комплексной относительной диэлектрической проницаемости ε' определяют по формуле

image027.png, (16)

где R, r, image028.png - по 4.6.1. Если измерения проводят на образцах квадратного сечения, то image029.png, где a и b - стороны квадрата по 4.3.1 и 4.3.2;

μ'м - поперечная составляющая магнитной проницаемости, вычисляемая по формуле

image030.png, (17)

image031.png, (18)

image032.png, (19)

image033.png, (20)

image034.png, (21)

где f± - резонансная частота правого и левого пиков связи измерительного резонатора с образцом;

fм0 - резонансная частота измерительного резонатора без образца.

image035.png, (22)

где f'м1 и f'м2 - частоты по 5.5.2.6 и 5.5.2.8 для правого и левого резонансных пиков связи.

image036.png, (23)

где fм1 и fм2 - частоты по 5.5.2.2;

ε' - действительная составляющая комплексной относительной диэлектрической проницаемости, вычисленная по 4.6.1 или 4.6.2.

5.6.2 Мнимую составляющую комплексной относительной диэлектрической проницаемости ε'' определяют по формуле

image037.png (24)

где R, r, image028.png - по 4.6.1;

Δd - по 4.6.3;

ε' и ε'' - действительная и мнимая составляющие комплексной относительной диэлектрической проницаемости, вычисленные по 4.6.1 и 4.6.4;

μ'' - мнимая поперечная составляющая магнитной проницаемости, вычисляемая по формуле

image038.png, (25)

image039.png, (26)

image040.png, (27)

image041.png, (28)

Δd± = d± - d0, (29)

где d± - затухание правого и левого пиков связи резонатора с образцом;

d0 - затухание резонатора без образца.

Данные величины рассчитывают по формулам:

image042.png, (30)

где f'м1 и f'м2 - частоты по 5.5.2.6 и 5.5.2.8 для правого и левого пиков связи.

image043.png, (31)

где fм1 и fм2 - частоты по 5.5.2.2.

5.6.3 Тангенс угла диэлектрических потерь определяют по 4.6.5.

5.7 Показатели точности измерения

Погрешность измерения комплексной относительной диэлектрической проницаемости, тангенса угла диэлектрических потерь и расчет погрешности измерения должны соответствовать требованиям 4.7.1 - 4.7.4.

6 Требования безопасности

6.1 Установка для измерения комплексной относительной диэлектрической проницаемости должна соответствовать требованиям безопасности, установленным ГОСТ 22261.

6.2 При подготовке и проведении измерений необходимо соблюдать указания мер безопасности, установленные эксплуатационной документацией на применяемые приборы и действующей на предприятии документацией по охране труда и технике безопасности.

Приложение А

(справочное)

Расчет погрешности измерения кажущейся плотности гидростатическим методом погрешности измерения комплексной относительной диэлектрической проницаемости

А.1 Погрешность измерения действительной составляющей комплексной относительной диэлектрической проницаемости δε', %, вычисляют по формуле

image044.png, (А.1)

где δ1 - методическая погрешность за счет неточности расчетных формул (1) и (5), %.

Значение δ1 определяют по графику, приведенному на рисунке А.1;

δ2 - неисключенный остаток методической погрешности за счет отличия модели реального измерительного резонатора от идеального, принятого при выводе формул (1), (5) и (16), %.

image045.jpg

Рисунок А.1

Значение δ2 определяют по графику, приведенному на рисунке А.2;

A3 - коэффициент влияния погрешности определения μ' на значение погрешности δε'. Значение A3 определяют по графику, приведенному на рисунке А.3;

δ3 - погрешность определения поперечной составляющей магнитной проницаемости μ' по 4.6.1 (рисунок 4). Значение δ3 находится в пределах ± 5%;

3 и 1,73 - 0,997-я квантиль нормированной нормальной и равномерной функции распределения соответственно;

A4 - коэффициент влияния погрешности измерения поперечного сечения образца на величину погрешности δε'. Значение A4 определяют по графику, приведенному на рисунке А.4;

δ4 - погрешность измерения размеров поперечного сечения образца по 4.3.2, %, вычисляемая по формуле

image046.png, (А.2)

где Δd - погрешность измерения размеров поперечного сечения образца по 4.3.2, мкм;

d - диаметр или сторона квадрата образца, мм.

image047.jpg

Рисунок А.2

image048.jpg

Рисунок А.3

image049.jpg

Рисунок А.4

А.2 Погрешность измерения мнимой составляющей комплексной относительной диэлектрической проницаемости δε'', %, вычисляют по формуле

image050.png (А.3)

где δ5 - методическая погрешность за счет неточности расчетных формул (7), (12) и (24) стандарта, %.

Значение δ5 определяют по графику, приведенному на рисунке А.5;

A'3 - коэффициент влияния погрешности измерения δ3 на погрешность δε''. Значение A'3 определяют по графику, приведенному на рисунке А.6;

2 - коэффициент влияния погрешности измерения δ4 на погрешность δε'';

Δ6 - погрешность из-за неточной установки затухания 3 дБ на поляризационном аттенюаторе по 4.5.6 стандарта, %, вычисляемая по формуле

image051.png, (А.4)

где δα - погрешность поляризационного аттенюатора на уровне 3 дБ;

δ7 - погрешность из-за влияния отверстий для ввода образцов в измерительном резонаторе.

image052.jpg

Рисунок А.5

image053.jpg

Рисунок А.6

Значение δ7 определяют по графику, приведенному на рисунке А.7;

1,73 - 0,997-я квантиль нормированной равномерной функции распределения.

image054.jpg

Рисунок А.7

A - коэффициент влияния погрешности измерения добротности на погрешность измерения ε'', вычисляемый по формуле

A = c·d'0, (А.5)

где

image055.png (А.6)

image056.png, (А.7)

где Q - нагруженная добротность резонатора по 4.2.12;

δ8 - методическая погрешность за счет неточного учета формулой (9) стандарта изменения собственной добротности резонатора в процессе измерения, определяемая по графику, приведенному на рисунке А.8, %;

A9 - коэффициент влияния погрешности измерения добротности резонатора на погрешность δ9.

image057.jpg

Рисунок А.8

Значение A9 определяют по графику, приведенному на рисунке А.9;

δ9 - погрешность измерения коэффициента передачи резонатора по 4.2.12, дБ;

δ10 - погрешность из-за влияния реактивных проводимостей неоднородностей волноводного тракта, %.

δ10 = 2Г·βсв, (А.8)

где Г - модуль коэффициента отражения развязывающего устройства по 4.2.6;

βсв - коэффициент связи измерительного резонатора по графику, приведенному на рисунке 6, где αр - коэффициент передачи измерительного резонатора по 4.2.12, дБ;

1,41 - 0,997-я квантиль нормированной функции распределения по арккосинусу;

δ11 - погрешность из-за изменения рассогласования тракта, обусловленного введением затухания, равного 3 дБ.

δ11 = Г2; (А.9)

σ12 - среднее квадратическое отклонение погрешности измерения полосы пропускания резонатора, определяемое на основе статистической обработки результатов измерения.

image058.jpg

Рисунок А.9

А.3 Погрешность измерения тангенса угла диэлектрических потерь в процентах вычисляют по формуле

image059.png. (А.10)

Последние добавленные документы

Самые популярные документы

Яндекс.Метрика