электронный сборник нормативных документов по строительству
Обновления
12.04.2026 12:37
электронный сборник нормативных документов по строительству

ГОСТ Р 8.720-2024 ГОСУДАРСТВЕННАЯ СИСТЕМА ОБЕСПЕЧЕНИЯ ЕДИНСТВА ИЗМЕРЕНИЙ. ИЗМЕРИТЕЛИ ОПТИЧЕСКОЙ МОЩНОСТИ, ИСТОЧНИКИ ОПТИЧЕСКОГО ИЗЛУЧЕНИЯ, ИЗМЕРИТЕЛИ ОБРАТНЫХ ПОТЕРЬ И ТЕСТЕРЫ ОПТИЧЕСКИЕ МАЛОГАБАРИТНЫЕ В ВОЛОКОННО-ОПТИЧЕСКИХ СИСТЕМАХ ПЕРЕДАЧИ ИНФОРМАЦИИ

Утв. и введен в действие Приказом Федерального агентства по техническому регулированию и метрологии от 25 апреля 2024 г. N 550-ст

Национальный стандарт РФ ГОСТ Р 8.720-2024

"ГОСУДАРСТВЕННАЯ СИСТЕМА ОБЕСПЕЧЕНИЯ ЕДИНСТВА ИЗМЕРЕНИЙ. ИЗМЕРИТЕЛИ ОПТИЧЕСКОЙ МОЩНОСТИ, ИСТОЧНИКИ ОПТИЧЕСКОГО ИЗЛУЧЕНИЯ, ИЗМЕРИТЕЛИ ОБРАТНЫХ ПОТЕРЬ И ТЕСТЕРЫ ОПТИЧЕСКИЕ МАЛОГАБАРИТНЫЕ В ВОЛОКОННО-ОПТИЧЕСКИХ СИСТЕМАХ ПЕРЕДАЧИ ИНФОРМАЦИИ. МЕТОДИКА ПОВЕРКИ"

State system for ensuring the uniformity of measurements. Optical power meters, optical radiation sources, return loss meters and optical testers for fiber-optical information transfer systems. Verification method

ОКС 17.180.30

Дата введения - 30 сентября 2024 года

Взамен ГОСТ Р 8.720-2010

Предисловие

1 РАЗРАБОТАН Федеральным государственным бюджетным учреждением "Всероссийский научно-исследовательский институт оптико-физических измерений" (ФГБУ "ВНИИОФИ")

2 ВНЕСЕН Техническим комитетом по стандартизации ТК 206 "Эталоны и поверочные схемы"

3 УТВЕРЖДЕН И ВВЕДЕН В ДЕЙСТВИЕ Приказом Федерального агентства по техническому регулированию и метрологии от 25 апреля 2024 г. N 550-ст

4 ВЗАМЕН ГОСТ Р 8.720-2010

Правила применения настоящего стандарта установлены в статье 26 Федерального закона от 29 июня 2015 г. N 162-ФЗ "О стандартизации в Российской Федерации". Информация об изменениях к настоящему стандарту публикуется в ежегодном (по состоянию на 1 января текущего года) информационном указателе "Национальные стандарты". В случае пересмотра (замены) или отмены настоящего стандарта соответствующее уведомление будет опубликовано в ближайшем выпуске ежемесячного информационного указателя "Национальные стандарты". Соответствующая информация, уведомление и тексты размещаются также в информационной системе общего пользования - на официальном сайте Федерального агентства по техническому регулированию и метрологии в сети Интернет (www.rst.gov.ru).

1 Область применения

Настоящий стандарт распространяется на измерители оптической мощности (далее - ваттметры), источники оптического излучения (далее - источники), измерители обратных потерь и тестеры оптические малогабаритные (далее - тестеры) в волоконно-оптических системах передачи, метрологические характеристики которых приведены в таблице 1, и устанавливает методику их первичной и периодической поверок.

Таблица 1 - Метрологические характеристики поверяемых средств измерений

Наименование характеристики

Значение

Ваттметры и измерители оптической мощности тестеров

Рабочий спектральный диапазон измерений оптической мощности, нм

От 400 до 2500

Длины волн градуировки, нм

Фиксированные значения в диапазоне от 400 до 2500

Диапазон измерений оптической мощности, Вт (дБм) *

От 10-15 до 102

(от -120 до +50)

Пределы допускаемой относительной погрешности измерений оптической мощности на длинах волн градуировки, % (дБ)

От 2,5 до 15 (от 0,11 до 0,70)

Рабочий спектральный диапазон измерений оптической мощности, нм

От 400 до 2500

Длины волн градуировки, нм

Фиксированные значения в диапазоне от 400 до 2500

Диапазон измерений оптической мощности, Вт (дБм) *

От 10-15 до 102

(от -120 до +50)

Пределы допускаемой относительной погрешности измерений оптической мощности на длинах волн градуировки, % (дБ)

От 2,5 до 15 (от 0,11 до 0,70)

Пределы допускаемой относительной погрешности измерений относительных уровней оптической мощности, % (дБ)

От 2,0 до 5,0 (от 0,11 до 0,22)

Пределы допускаемой относительной погрешности измерений оптической мощности в рабочем спектральном диапазоне, % (дБ)

От 7 до 15 (от 0,3 до 0,7)

Источники, включая источники оптического излучения тестеров

Нестабильность уровня оптической мощности за 15 мин, %, не более

3

Средняя мощность оптического излучения на выходе источника оптического излучения, Вт (дБм) *

От 10-12 до 102

(от -90 до +50)

Длины волн источников, нм

Фиксированные значения в диапазоне от 400 до 2500

Измерители обратных потерь

Диапазон измерений обратных потерь на фиксированных длинах волн в диапазоне от 0,8 до 1,8 мкм, дБ

От 0,05 до 70,0

Предел допускаемой абсолютной погрешности измерений обратных потерь, дБ

От 0,2 до 3,0

* дБм - абсолютный уровень мощности, определяемый как

PдБм = 10lg(PВт·1000)

2 Нормативные ссылки

В настоящем стандарте использованы нормативные ссылки на следующие стандарты:

ГОСТ 12.2.003 Система стандартов безопасности труда. Оборудование производственное. Общие требования безопасности

ГОСТ 12.1.004 Система стандартов безопасности труда. Пожарная безопасность. Общие требования

ГОСТ 12.1.005 Система стандартов безопасности труда. Общие санитарно-гигиенические требования к воздуху рабочей зоны

ГОСТ 12.4.009 Система стандартов безопасности труда. Пожарная техника для защиты объектов. Основные виды. Размещение и обслуживание

ГОСТ 12.1.040 Система стандартов безопасности труда. Лазерная безопасность. Общие положения

ГОСТ 9805 Спирт изопропиловый. Технические условия

ГОСТ 31581 Лазерная безопасность. Общие требования безопасности при разработке и эксплуатации лазерных изделий

Примечание - При пользовании настоящим стандартом целесообразно проверить действие ссылочных стандартов в информационной системе общего пользования - на официальном сайте Федерального агентства по техническому регулированию и метрологии в сети Интернет или по ежегодному информационному указателю "Национальные стандарты", который опубликован по состоянию на 1 января текущего года, и по выпускам ежемесячного информационного указателя "Национальные стандарты" за текущий год. Если заменен ссылочный стандарт, на который дана недатированная ссылка, то рекомендуется использовать действующую версию этого стандарта с учетом всех внесенных в данную версию изменений. Если заменен ссылочный стандарт, на который дана датированная ссылка, то рекомендуется использовать версию этого стандарта с указанным выше годом утверждения (принятия). Если после утверждения настоящего стандарта в ссылочный стандарт, на который дана датированная ссылка, внесено изменение, затрагивающее положение, на которое дана ссылка, то это положение рекомендуется применять без учета данного изменения. Если ссылочный стандарт отменен без замены, то положение, в котором дана ссылка на него, рекомендуется применять в части, не затрагивающей эту ссылку.

3 Обозначения и сокращения

В настоящем стандарте применены следующие обозначения и сокращения:

ВОСП - волоконно-оптические системы передачи;

ГЭТ 170 - Государственный первичный специальный эталон единиц длины и времени распространения сигнала в световоде, средней мощности, ослабления и длины волны оптического излучения для волоконно-оптических систем передачи информации;

ИОП - измерители обратных потерь;

ПР - комплект преобразователей измерительных;

ПО - программное обеспечение;

ГПС - Государственная поверочная схема для средств измерений длины и времени распространения сигнала в световоде, средней мощности, ослабления и длины волны оптического излучения для волоконно-оптических систем связи и передачи информации [1];

РЭ - руководство по эксплуатации;

РЭОП - рабочий эталон обратных потерь в ВОСП;

РЭСМ - рабочий эталон единицы средней мощности оптического излучения;

СИ - средства измерений.

4 Общие положения

4.1 Поверку измерителей оптической мощности выполняют методом непосредственного сличения, а источников оптического излучения и измерителей обратных потерь (в том числе в составе тестеров оптических малогабаритных) - методом прямых измерений

4.2 Результаты измерений, полученные при поверке, должны иметь прослеживаемость к ГЭТ 170 в соответствии с ГПС.

5 Операции поверки средства измерений

5.1 При проведении поверки выполняют операции, указанные в таблице 2.

Таблица 2 - Операции поверки

Наименование операции

Номер раздела, пункта настоящего стандарта

Проведение операции при

первичной поверке

Периодической поверке

Внешний осмотр СИ

10

Да

Да

Подготовка к поверке и опробование СИ

11

Да

Да

Проверка программного обеспечения СИ

12

Да

Да

Определение метрологических характеристик СИ

13

Сличение ваттметра с РЭСМ

13.1

Да

Да

Определение спектральной характеристики ваттметра

13.2

Да

Да

Определение длин волн излучения источника

13.3

Да

Да

Определение мощности на выходе источника и ее нестабильности

13.4

Да

Да

Определение временных характеристик источника

13.5

Да

Да

Определение диапазона измерений и абсолютной погрешности измерений уровня обратных потерь

13.6

Да

Да

Подтверждение соответствия средства измерений метрологическим требованиям

14

Подтверждение соответствия ваттметров метрологическим требованиям

14.1

Да

Да

Подтверждение соответствия источников метрологическим требованиям

14.2

Да

Да

Подтверждение соответствия ИОП метрологическим требованиям

14.3

Да

Да

5.2 По запросу владельца СИ допускается проводить поверку для меньшего числа метрологических характеристик, в сокращенном динамическом и спектральном диапазоне, а также отдельных каналов, если это предусмотрено описанием типа СИ.

5.3 При получении отрицательных результатов при проведении хотя бы одной операции поверку прекращают, СИ считают прошедшим поверку с отрицательным результатом и не допускают к применению.

6 Требования к условиям проведения поверки

Поверку проводят при следующих условиях:

- температура окружающей среды, C° ..................................

20 ± 5;

- относительная влажность воздуха, % ................................

60 ± 20;

- атмосферное давление, кПа ................................................

100 ± 4.

Требования к параметрам сети питания устанавливают в соответствии с указанными в РЭ на поверяемое СИ и средства поверки.

7 Требования к специалистам, осуществляющим поверку

К проведению поверки допускают лиц:

- изучивших настоящую методику поверки, РЭ на поверяемые СИ и средства поверки;

- имеющих квалификационную группу не ниже третьей в соответствии с правилами по охране труда при эксплуатации электроустановок, указанных в [2];

- прошедших обучение на право проведения поверки по требуемому виду измерений.

8 Метрологические и технические требования к средствам поверки

8.1 При проведении поверки применяют средства поверки, указанные в таблице 3.

Таблица 3 - Метрологические и технические требования к средствам поверки

Номер раздела, пункта настоящего стандарта

Метрологические и технические требования к средствам поверки

11 Подготовка к поверке и опробование СИ

Средства измерений температуры окружающей среды в диапазоне от 15 °C до 25 °C с абсолютной погрешностью измерений не более ± 0,5 °C.

Средства измерений относительной влажности воздуха в диапазоне до 80% с абсолютной погрешностью не более ± 3%.

Средства измерений атмосферного давления в диапазоне от 86 до 104 кПа с абсолютной погрешностью не более ± 0,5 кПа.

Средства измерений частоты переменного тока от 40 до 60 Гц с пределами допускаемой абсолютной погрешности не более ± 0,1 Гц.

Средства измерений напряжения переменного тока до 600 В с пределами допускаемой абсолютной погрешности не более ± 0,5 В

13.1 Сличение ваттметра с РЭСМ

Эталоны средней мощности оптического излучения в волоконно-оптических системах передачи, не ниже уровня рабочего эталона по ГПС

13.2 Определение спектральной характеристики ваттметра

Установка для измерений относительных спектральных характеристик приемников и источников оптического излучения из состава эталона средней мощности оптического излучения в волоконно-оптических системах передачи, не ниже уровня рабочего эталона по ГПС

13.3 Определение длин волн излучения источника

Диапазон длин волн: от 400 до 2500 нм.

Погрешность измерений относительной спектральной характеристики не более 5%.

Погрешность измерений длины волны не более 2 нм

13.4 Определение мощности на выходе источника и ее нестабильности

Длины волн излучения источников (градуировки) фиксированные в диапазоне от 400 до 2500 нм

Основная относительная погрешность на длинах волн градуировки от 0,5 до 5,0%.

Длины волны излучения источников (градуировки) фиксированные в диапазоне от 400 до 2500 нм

13.5 Определение временных характеристик источника

Комплект измерительных преобразователей из состава эталонов средней мощности оптического излучения в волоконно-оптических системах передачи, не ниже уровня рабочего эталона по ГПС с временем нарастания переходной характеристики от 1 до 10 нс.

Рабочий спектральный диапазон от 400 до 2500 нм.

Средство измерений импульсного электрического напряжения по государственной поверочной схеме с полосой пропускания не менее 100 МГц

13.6 Определение диапазона измерений и абсолютной погрешности измерений уровня обратных потерь

Эталоны обратных потерь в ВОСП не ниже уровня рабочего эталона ГПС.

Рабочие длины волн фиксированные в диапазоне от 800 до 1700 нм.

Основная абсолютная погрешность измерений обратных потерь от 0,5 до 1,0 дБ

Допускается применять другие средства поверки, не приведенные в таблице 3, обеспечивающие определение метрологических характеристик поверяемого средства измерений с требуемой точностью.

8.2 Средства измерений, используемые при проведении поверки, должны быть аттестованы (поверены) в установленном порядке.

9 Требования по обеспечению безопасности проведения поверки

9.1 При проведении поверки соблюдают требования, установленные ГОСТ 12.1.040, правилами по охране труда при эксплуатации электроустановок, указанными в приложении к [3], нормами и правилами устройства и эксплуатации лазеров по ГОСТ 31581. Оборудование, применяемое при поверке, должно соответствовать требованиям ГОСТ 12.2.003. Воздух рабочей зоны должен соответствовать ГОСТ 12.1.005 при температуре помещения, соответствующей условиям испытаний для легких физических работ.

9.2 Система электрического питания системы должна быть защищена от колебаний и пиков сетевого напряжения, искровые генераторы не следует устанавливать вблизи поверяемого СИ.

9.3 Помещение, в котором проводят поверку, должно соответствовать требованиям пожарной безопасности по ГОСТ 12.1.004 и иметь средства пожаротушения по ГОСТ 12.4.009.

10 Внешний осмотр средства измерений

10.1 При внешнем осмотре должно быть установлено:

- наличие маркировки, подтверждающей тип и идентифицирующей поверяемое СИ;

- отсутствие на наружных поверхностях поверяемого СИ повреждений, влияющих на его работоспособность;

- отсутствие ослаблений элементов конструкции, сохранность пломб, чистота разъемов;

- целостность волоконно-оптических кабелей и разъемов.

10.2 Комплектность поверяемого СИ должна соответствовать комплектности, приведенной в эксплуатационной документации и описании типа.

10.3 Поверяемое СИ считают прошедшим операцию поверки с положительным результатом, если корпус, внешние элементы, органы управления и индикации не повреждены, отсутствуют механические повреждения и ослабления элементов конструкции и комплектность поверяемого СИ соответствует разделу "Состав СИ" или аналогичному разделу РЭ.

11 Подготовка к поверке и опробование средства измерений

11.1 Устанавливают на рабочем месте поверяемое СИ и РЭСМ.

11.2 Проверяют условия окружающей среды: температуру окружающего воздуха, относительную влажность воздуха, атмосферное давление, а также параметры сети питания. Условия окружающей среды и параметры сети питания должны соответствовать значениям, указанным в разделе 6.

11.3 Протирают специальным тампоном, смоченным изопропиловым спиртом по ГОСТ 9805, оптический разъем поверяемого СИ и РЭСМ. Протирают специальной салфеткой, смоченной изопропиловым спиртом, торцы волоконно-оптических кабелей, используемых при проведении поверки.

11.4 Подготавливают поверяемое СИ к работе согласно его РЭ. Проводят прогрев всех включенных приборов в течение получаса, если иное не указано в их РЭ.

11.5 Поверяемое СИ считают прошедшим операцию поверки с положительным результатом, если СИ при включении выходит в рабочий режим.

12 Проверка программного обеспечения средства измерений

12.1 Проверяют соответствие заявленных идентификационных данных ПО сведениям, приведенным в описании типа на поверяемое СИ. Включают поверяемое СИ, в появившемся рабочем окне программы, в строке статуса должны отображаться идентификационные данные ПО.

12.2 Поверяемое СИ считают прошедшим операцию поверки с положительным результатом, если идентификационные данные ПО соответствуют значениям, приведенным в описании типа - идентификационное наименование ПО и номер версии ПО.

13 Определение метрологических характеристик средства измерений

13.1 Сличение ваттметра с РЭСМ

13.1.1 Возможны два метода сличения ваттметра с РЭСМ. По первому методу собирают установку согласно схеме, приведенной на рисунке 1.

image001.jpg

1 - источник излучения стабилизированный из состава РЭСМ; 2 - аттенюатор оптический; 3 - ваттметр из состава РЭСМ; 4 - поверяемый ваттметр; 5 - волоконно-оптические кабели; 6 - РЭСМ

Рисунок 1 - Блок-схема установки для сличения ваттметра с РЭСМ

13.1.2 Сличение ваттметра с РЭСМ проводят на длине волны 1550 нм, все приборы переводят в режим работы на этой длине волны.

13.1.3 Выход оптического аттенюатора подключают к входу ваттметра, и регулировкой аттенюатора устанавливают на его выходе мощность оптического излучения, равную максимально измеряемой поверяемым ваттметром.

13.1.4 Проводят пять измерений мощности оптического излучения последовательно ваттметром РЭСМ и поверяемым ваттметром.

13.1.5 Повторяют операцию по 13.1.4, последовательно уменьшая мощность оптического излучения (с шагом от 3 до 5 дБ) с помощью аттенюатора, до минимально измеряемой поверяемым ваттметром или РЭСМ мощности оптического излучения.

13.1.6 Определяют относительную разницу в показаниях ваттметра РЭСМ и поверяемого ваттметра θij, %, по формуле

image002.png; (1)

где Pоij - показание ваттметра РЭСМ при i-ом измерении в точке j, Вт;

Pij - показание поверяемого ваттметра при i-ом измерении в точке j, Вт.

13.1.7 Определяют соответственно среднее значение θj, %, и СКО Sj, %, относительной разницы показаний ваттметра РЭСМ и поверяемого ваттметра в точке j.

image003.png; (2)

image004.png. (3)

13.1.8 Повторяют операции по 13.1.1 - 13.1.7 на крайних длинах волн градуировки спектрального диапазона поверяемого ваттметра (обычно это 850 нм и 1625 или 1650 нм). На остальных длинах волн градуировки поверяемого ваттметра проводят операции по 13.1.1 - 13.1.4, 13.1.6 - 13.1.7.

13.1.9 Если в состав РЭСМ входит волоконно-оптический делитель, то возможно использование второго метода сличения ваттметра с РЭСМ - сличение с делителем. Собирают установку согласно схеме, приведенной на рисунке 2.

image005.jpg

1 - источник излучения стабилизированный из состава РЭСМ; 2 - аттенюатор волоконно-оптический; 3 - волоконно-оптические кабели; 4 – делитель волоконно-оптический; 5 - ваттметр из состава РЭСМ; 6 - поверяемый ваттметр

Рисунок 2 - Схема соединений приборов при сличении с использованием волоконно-оптического делителя

Включают источник на длине волны 1550 нм, регулировкой аттенюатора устанавливают на его выходе мощность, равную максимально измеряемой поверяемым ваттметром, и проводят пять последовательных измерений мощности РЭСМ P1i, Вт (i - от 1 до 5). Определяют среднее значение измеренной мощности P1, Вт, по формуле

image006.png. (4)

13.1.10 Переключение выходов волоконно-оптического делителя на схеме соединений (рисунок 2) выполняют, как показано на рисунке 3.

image007.jpg

1 - делитель волоконно-оптический; 2 – ваттметр из состава РЭСМ; 3 - поверяемый ваттметр

Рисунок 3 - Переключение входов делителя

Не изменяя значения мощности источника, проводят пять последовательных измерений мощности РЭСМ P2i, Вт (i - от 1 до 5). Определяют среднее значение измеренной мощности P2, Вт, по формуле

image008.png. (5)

13.1.11 Переключают выходы делителя волоконно-оптического, как показано на рисунке 2.

13.1.12 Проводят пять пар одновременных измерений мощности поверяемым ваттметром и РЭСМ, при этом перед каждым измерением оптической мощности оптический разъем делителя волоконно-оптического, подключенного к поверяемому ваттметру, отсоединяют от его оптического входа и вновь подсоединяют.

13.1.13 Повторяют операции по 13.1.12, последовательно уменьшая мощность (с шагом от 3 до 5 дБ) до минимально измеряемой поверяемым ваттметром или РЭСМ мощности, при этом разъем делителя волоконно-оптического остается постоянно подключенным к поверяемому ваттметру.

Проводят операции по 13.1.6 и рассчитывают Pоij, Вт, по формуле

image009.png, (6)

где PРЭСМij - значение мощности на выходе делителя волоконно-оптического 4, подключенном к РЭСМ, Вт;

K - коэффициент деления делителя волоконно-оптического из состава РЭСМ.

13.1.14 Повторяют операции по 13.1.9 - 13.1.13 на крайних длинах волн градуировки спектрального диапазона поверяемого ваттметра (обычно это 850 нм и 1625 или 1650 нм). На остальных длинах волн градуировки поверяемого ваттметра не проводят операцию по 13.1.13.

13.1.15 Делитель волоконно-оптический является составной частью РЭСМ и при первичной аттестации РЭСМ следует проверять временную стабильность его коэффициента деления K, равного отношению значений мощности на его выходах. Как правило, при проведении операции сличения поверяемого ваттметра с РЭСМ используется делитель с коэффициентом деления близким к единице. Допускается использование делителей с коэффициентом деления от 1 до 100. Если к РЭСМ подключить выход делителя с большим уровнем мощности, а к поверяемому ваттметру с меньшим, то динамический диапазон при проведении сличения расширится в сторону малых уровней мощности приблизительно на коэффициент деления. Если к РЭСМ подключить выход делителя с меньшим уровнем мощности, а к поверяемому ваттметру с большим, то динамический диапазон при проведении сличения расширится в сторону высоких уровней мощности приблизительно на коэффициент деления (если источник излучения стабилизированный и другие устройства из состава РЭСМ обеспечивают работу с такими уровнями мощности).

13.1.16 Как правило, современные РЭСМ работают под управлением компьютера и выдают готовый результат сличения с учетом расчетов по формулам (1) - (6).

13.1.17 Если диапазон измерений средней мощности в сторону малых уровней меньше, чем у поверяемого ваттметра, то на оставшихся после проведения операций по 13.1.1 - 13.1.8 диапазонах измеряют нелинейность ваттметра.

13.1.18 Измерение нелинейности ваттметра проводят на установке для измерений нелинейности приемников оптического излучения. Схема установки приведена на рисунке 4.

image010.png

И1, И2 - источники оптического излучения стабилизированные; А1, А2 - аттенюаторы оптические с затвором; 1 – кабели волоконно-оптические; 2 - делитель волоконно-оптический; 3 - поверяемый ваттметр

Рисунок 4 - Блок-схема установки для измерений нелинейности приемников оптического излучения в ВОСП

13.1.19 Подготавливают установку к работе на одной из длин волн, на которой проводили операции по 13.1.1 - 13.1.6.

13.1.20 Устанавливают ослабление аттенюаторов А1 и А2 таким образом, чтобы мощность, измеренная ваттметром, была одной и той же, когда излучение приходит только по каналу 1 или каналу 2 (затвор аттенюатора другого канала закрыт), и при этом суммарная мощность от каналов 1 и 2 превышала не менее, чем в три раза значение мощности Pij, при которой проводились последние измерения по 13.1.5.

13.1.21 Закрывают затворы обоих каналов и устанавливают нулевые показания поверяемого ваттметра.

13.1.22 Открывают затвор канала 1 и регистрируют показания поверяемого ваттметра P1i.

13.1.23 Открывают затвор канала 2 и регистрируют показания поверяемого ваттметра Pi при обоих открытых затворах.

13.1.24 Закрывают затвор канала 1 и регистрируют показания поверяемого ваттметра P2i.

Определяют значение нелинейности θЛi, %, по формуле

image011.png. (7)

13.1.25 Увеличивают ослабление каждого из аттенюаторов А1 и А2 приблизительно в два раза таким образом, чтобы показания поверяемого ваттметра при обоих открытых затворах Pi, Вт, равнялись показаниям поверяемого ваттметра при одном открытом затворе на предыдущем шаге P1(i - 1), Вт, при этом как можно точнее соблюдают равенство показаний при каждом отдельно открытом канале: P1i = P2i, Вт.

13.1.26 Повторяют операции по 13.1.25 - 13.1.29 для всего оставшегося диапазона измерений мощности поверяемого ваттметра.

Вычисляют значение общей нелинейности θЛ, %, последовательно суммируя локальные i-е значения нелинейности, начиная от точки P0, Вт (i = 0), где нелинейность равна нулю, по формуле

image012.png, n = 1, 2, 3…, (8)

где n <0 соответствует значениям мощности меньше P0.

13.1.27 Проводят операции по 13.1.23 - 13.1.32 на всех длинах волн, на которых проводились операции по 13.1.1 - 13.1.6.

13.2 Определение спектральной характеристики ваттметра

13.2.1 Проводят измерение относительной спектральной характеристики ваттметра на установке для измерений относительных спектральных характеристик приемников и источников из состава РЭСМ в соответствии с разделом "Работа спектральной установки при измерении относительной спектральной чувствительности" РЭ РЭСМ. Подключают поверяемый ваттметр к установке, как показано на рисунке 5.

image013.jpg

1 - установка для измерений спектральных характеристик приемников и источников из состава РЭСМ; 2 - осветитель; 3 - монохроматор; 4 - опорный приемник; 5 - поверяемый ваттметр

Рисунок 5 - Схема установки для измерения относительной спектральной характеристики ваттметра

13.2.2 Измерение относительной спектральной характеристики ваттметра проводят с шагом 10 нм.

13.2.3 Если в поверяемом ваттметре предусмотрена предварительная установка длин волн измеряемого излучения, то при измерении спектральной характеристики на ваттметре устанавливают те же значения длин волн, что и на счетчике монохроматора.

13.2.4 Неравномерность спектральной характеристики θс, %, определяют в каждом спектральном диапазоне, если он не один, по формуле

image014.png, (9)

где Smax; Smin - соответственно максимальное и минимальное значения относительной спектральной характеристики в каждом спектральном диапазоне, если он не один, отн. ед.;

Sk - значение относительной спектральной характеристики на длине волны градуировки, отн. ед.

13.3 Определение длин волн излучения источника

13.3.1 Проводят измерение длин волн источника на установке для измерений относительных спектральных характеристик приемников и источников в соответствии с разделом "Работа спектральной установки при измерении длин волн источников оптического излучения". Подают излучение на вход монохроматора от поверяемого источника, подключив оптический кабель между выходным оптическим разъемом источника и оптическим разъемом на входной щели монохроматора.

13.3.2 Измерение спектра излучения источника проводят для каждой длины волны в диапазоне, указанном в описании типа, с шагом 0,1 нм. Длина волны излучения источника соответствует длине волны максимума полученного спектра.

13.4 Определение мощности на выходе источника и ее нестабильности

13.4.1 Проводят предварительный прогрев источника на одной из длин волн излучения в течение времени, указанного в технической документации.

13.4.2 Подают оптическое излучение от поверяемого источника с помощью волоконного кабеля на оптический вход ваттметра РЭСМ.

13.4.3 Регистрируют показания ваттметра РЭСМ в течение времени, за которое нормируется нестабильность выходной мощности источника в его технической документации, но не менее чем за 15 мин с интервалом в 1 мин. При измерении нестабильности более чем за 1 ч допускается увеличивать время между двумя измерениями до 10 мин.

13.4.4 Операции по 13.4.1 - 13.4.3 проводят для всех длин волн излучения источника.

13.5 Определение временных характеристик источника

13.5.1 Проверку временных характеристик проводят для источников, работающих не только в непрерывном, но и в импульсном режиме. Как правило, источники тестеров имеют частоту модуляции 270 Гц и одно или несколько фиксированных значений частоты в диапазоне от 1 до 100 кГц.

13.5.2 Проверяют отсутствие выброса более 10% на переднем фронте оптического импульса, а также его временные характеристики, нормируемые в описании типа на источник из следующего перечня:

- длительность импульса;

- длительность фронтов;

- частота повторения импульсов;

- скважность.

13.5.3 Подают излучение от поверяемого источника через волоконно-оптический кабель на вход ПР, сигнал с выхода которого поступает на вход осциллографа. Проверяют отсутствие выброса на переднем фронте оптического импульса.

13.5.4 Для измерения длительности импульса τи, с, устанавливают такое значение горизонтальной развертки, при котором на экране осциллографа отображается один импульс. Измеряют значение длительности импульса посредством измерительных функций осциллографа согласно его РЭ. При отсутствии в осциллографе функции измерения длительности импульса проводят измерения по экрану осциллографа расстояния между точками переднего и заднего фронтов импульса, в которых амплитуда сигнала составляет 0,5 от максимальной, соответствующего τи.

13.5.5 Для измерения длительности фронтов τн, τс, с, устанавливают такое значение горизонтальной развертки, при котором на экране осциллографа отображается один импульс. Измеряют значение длительности фронтов посредством измерительных функций осциллографа согласно его РЭ. При отсутствии в осциллографе функции измерения длительности фронтов проводят измерения по экрану осциллографа расстояний между точками переднего фронта импульса, в которых амплитуда сигнала составляет 0,2 и 0,8 от максимальной (если иное не указано в технической документации на источник), соответствующее τн. Аналогично проводят измерения длительности заднего фронта, τс.

13.5.6 Для измерения частоты повторения импульсов устанавливают такое значение горизонтальной развертки, при котором на экране осциллографа отображаются два импульса. Измеряют значение частоты повторения импульсов посредством измерительных функций осциллографа согласно его РЭ. При отсутствии в осциллографе функции измерения частоты, проводят измерения периода следования импульсов (расстояния между серединами передних фронтов двух последовательных импульсов) T, с, по экрану осциллографа и рассчитывают значение частоты следования импульсов fи, Гц, по формуле

image015.png. (10)

13.5.7 Скважность Sи, отн. ед., рассчитывают по формуле

image016.png. (11)

13.6 Определение диапазона измерений и абсолютной погрешности измерений уровня обратных потерь

13.6.1 Для определения диапазона измерений и абсолютной погрешности измерений уровня обратных потерь путем сравнения значений мер обратных потерь, измеренных последовательно с помощью исследуемого анализатора и ИОП из состава РЭОП, собирают установку согласно схеме, приведенной на рисунке 6.

image017.jpg

1 - РЭОП; 2 - меры обратных потерь; 3 - ИОП из состава РЭОП; 4 - волоконно-оптический кабель; 5 - поверяемый ИОП

Рисунок 6 - Блок-схема установки для сличения ИОП с РЭОП

13.6.2 Измеряют последовательно поверяемым ИОП 5 и ИОП из состава РЭОП 3 значения обратных потерь для каналов NN 1, 2, 3, 4, 5 меры 1550 нм согласно РЭ, регистрируя соответствующие значения Aij, и A0ij, дБ (i = 1 - 5 - номер канала меры).

13.6.3 Проводят операции по 13.6.2 еще два раза, регистрируя соответствующие значения Aij и A0ij (i = 1 - 5 - номер канала меры, j = 1 - 5 - номер цикла измерений).

13.6.4 Проводят операции по 13.6.2 и 13.6.3 на всех рабочих длинах волн поверяемого РЭОП.

13.6.5 Определение абсолютной погрешности при измерении обратных потерь допускается проводить с использованием РЭСМ, оптического разветвителя с коэффициентом деления (50 - 50)% и оптическими разъемами типа APC, меры обратных потерь.

13.6.6 Собирают схему в соответствии с рисунком 7.

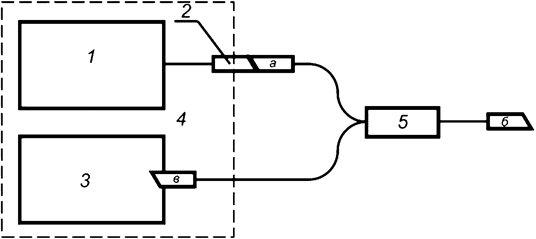
image018.png

1 - источник излучения стабилизированный из состава РЭСМ; 2 - волоконно-оптический кабель с оптическим разъемом APC; 3 - ваттметр из состава РЭСМ; 4 - РЭСМ

Рисунок 7 - Измерение мощности источника

13.6.7 Включают источник излучения 1 из состава РЭСМ и измеряют уровень мощности P0, дБм, на выходе волоконно-оптического кабеля.

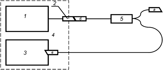
13.6.8 Собирают схему в соответствии с рисунком 8. Излучение, подаваемое на вход "б" оптического разветвителя 5, разделяется приблизительно пополам между выходами "а" и "в".

image019.png

1 - источник излучения стабилизированный из состава РЭСМ; 2 - волоконно-оптический кабель с оптическим разъемом APC; 3 - ваттметр из состава РЭСМ; 4 - РЭСМ; 5 - волоконно-оптический разветвитель

Рисунок 8 - Измерение мощности на выводе "в" оптического разветвителя

13.6.9 Измеряют уровень мощности P1, дБм, на выводе "в" оптического разветвителя 5.

13.6.10 Рассчитывают затухание Aб-в, дБ, между выводами б и в оптического разветвителя по формуле

Aб-в = P0 - P1. (12)

13.6.11 Собирают схему в соответствии с рисунком 9.

image020.png

1 - источник излучения стабилизированный из состава РЭСМ; 2 - волоконно-оптический кабель с оптическим разъемом APC; 3 - ваттметр из состава РЭСМ; 4 - РЭСМ; 5 - волоконно-оптический разветвитель

Рисунок 9 - Измерение мощности на выводе "б" оптического разветвителя

13.6.12 Измеряют уровень мощности P2, дБм, на выводе "б" оптического разветвителя 5

13.6.13 Не нарушая соединения волоконно-оптического кабеля 2 с источником излучения 1 и с выводом "а" волоконно-оптического разветвителя 5, собирают схему в соответствии с рисунком 10.

image021.png

1 - источник излучения стабилизированный из состава РЭСМ; 2 - волоконно-оптический кабель с оптическим разъемом APC; 3 - ваттметр из состава РЭСМ; 4 - РЭСМ; 5 - волоконно-оптический разветвитель

Рисунок 10 - Измерение мощности на выводе "в" оптического разветвителя

13.6.14 Измеряют уровень мощности P3, дБм, на выводе "в" оптического разветвителя 5.

13.6.15 Рассчитывают разность (P2 - P3). Она должна быть больше 45 дБ. Если P2 - P3 <45 дБ, в этом случае необходимо очистить оптические разъемы волоконно-оптического кабеля 2 и волоконно-оптического разветвителя 5 и повторить операции по 13.6.9 - 13.6.15.

13.6.16 Собирают схему в соответствии с рисунком 11, подключив к выводу "б" меру обратных потерь 6.

image022.png

1 - источник излучения стабилизированный из состава РЭСМ; 2 - волоконно-оптический кабель с оптическим разъемом APC; 3 - ваттметр из состава РЭСМ; 4 - РЭСМ; 5 - волоконно-оптический разветвитель; 6 - мера обратных потерь

Рисунок 11 - Измерение меры обратных потерь

13.6.17 Измеряют уровень мощности Pв, дБм, на выводе "в" оптического разветвителя 5.

13.6.18 Рассчитывают значение обратных потерь A0, дБ, меры обратных потерь по формуле

A0 = P2 - Pв + Aб-в + a2, (13)

где a2 - затухание в соединении вывода "б" оптического разветвителя и меры обратных потерь. Значение a2 принимают равным 0,3 дБ.

13.6.19 Отсоединяют меру обратных потерь 6 от вывода "б" оптического разветвителя 5 и подключают ее к поверяемому ИОП в соответствии с рисунком 12.

image023.png

1 - поверяемый ИОП; 2 - волоконно-оптический кабель с оптическим разъемом APC; 3 - мера обратных потерь

Рисунок 12 - Измерение меры обратных потерь поверяемым ИОП

13.6.20 Измеряют обратные потери меры обратных потерь поверяемым ИОП A, дБ.

13.6.21 Операции 13.6.17 - 13.6.20 повторяют еще два раза.

13.6.22 Определяют абсолютную погрешность измерения обратных потерь ΔA, дБ, по формуле

ΔAij = A0ij - Aij. (14)

13.6.23 Операции по 13.6.16 - 13.6.22 повторяют для всех мер обратных потерь в диапазоне измерений обратных потерь поверяемым ИОП.

13.7 Подтверждение соответствия ваттметров метрологическим требованиям

13.7.1 Значение основной относительной погрешности на длине волны градуировки Δг, %, по результатам поверки вычисляют по формуле

image024.png, (15)

где SP - максимальное значение СКО Sj, %, вычисленное в 13.1.7;

θо - основная погрешность РЭСМ на длине волны градуировки.

SP = maxSj. (16)

Если сличение ваттметра с РЭСМ проводят по 13.1.1 - 13.1.8 или по 13.1.9 - 13.1.18, то θг - максимальное значение θj, %, вычисленное по формуле (2) в 13.1.7

θг = max|θj|. (17)

Если сличение ваттметра с РЭСМ проводят с добавлением измерений по 13.1.21 - 13.1.32, то θj, %, определяют в точке начала измерений нелинейности (13.1.23) и θг определяют по формуле

θг = max|θj| + θл. (18)

13.7.2 Значение основной относительной погрешности измерений относительных уровней мощности Δотн, %, по результатам поверки определяют по формуле

image025.png, (19)

где θоо - погрешность измерений относительных уровней мощности РЭСМ, %.

13.7.3 Если сличение ваттметра с РЭСМ проводят по 13.1.1 - 13.1.8 или по 13.1.9 - 13.1.18, то θ2, %, определяют по формуле

θ2 = max|θj| - min|θj|. (20)

13.7.4 Если сличение ваттметра с РЭСМ проводят с добавлением измерений по 13.1.22 - 13.1.33, то θj, %, определяют в точке начала измерений нелинейности (13.1.23) и θ2, %, определяют по формуле

θ2 = (max|θj| - min|θj|) + θл. (21)

13.7.5 Фактическое значение основной относительной погрешности измерений мощности в рабочем спектральном диапазоне Δλ, %, определяют:

- если в ваттметре не предусмотрена предварительная установка длины волны излучения по формуле

image026.png, (22)

где θλ - основная погрешность установки для измерения спектральных характеристик, %;

- если в ваттметре предусмотрена предварительная установка длины волны излучения по формуле

image027.png, (23)

где θс - неравномерность спектральных характеристик в данном диапазоне, % (если их несколько), полученная по 13.2.4;

θг, %, рассчитывают по формуле (17) либо (18) исходя из условий использования формул.

13.7.6 Расчет погрешности проводят на каждой рабочей длине волны (или в каждом спектральном диапазоне) отдельно.

13.7.7 Для ваттметров, у которых не предусмотрена предварительная установка длины волны излучения, вводят спектральную поправку Aλ, дБ (при измерении мощности оптического излучения в дБм), или спектральный поправочный коэффициент Kλ, отн. ед. (при измерении мощности оптического излучения в Вт).

13.7.8 Спектральную поправку Aλ, дБ, определяют по формуле

image028.png, (24)

где Sλ - значение относительных спектральных характеристик на длине волны, отличной от длины волны калибровки, отн. ед.;

Sk - значение относительных спектральных характеристик на длине волны градуировки, отн. ед.

13.7.9 Спектральный поправочный коэффициент Kλ, отн. ед., определяют по формуле

image029.png. (25)

13.7.10 Результат измерений мощности излучения P, дБм, и P, Вт, с длиной волны λ, отличной от длины волны градуировки, определяют по формулам:

P = Aλ + B; (26)

P = Kλ·B, (27)

где B - показания ваттметра при измерении мощности на длине волны, отличной от длины волны калибровки, дБм;

B - показания ваттметра при измерении мощности на длине волны, отличной от длины волны калибровки, Вт.

13.7.11 Полученные значения основной относительной погрешности измерений мощности на длине волны градуировки, основной относительной погрешности измерений относительных уровней мощности и основной относительной погрешности измерений мощности в рабочем спектральном диапазоне не должны превышать пределы, установленные в технической документации на поверяемый ваттметр во всем его диапазоне измерений мощности.

13.8 Подтверждение соответствия источников метрологическим требованиям

13.8.1 Полученные значения длин волн и ширины спектра излучения должны находиться в пределах, установленных в технической документации на поверяемый источник.

13.8.2 Нестабильность источника θИ, %, определяют по формуле

image030.png, (28)

где Pmax и Pmin - соответственно максимальное и минимальное значения мощности, Вт, зафиксированные за время измерений (13.4.3).

13.8.3 За значение мощности излучения источника PИ принимают Pmin - минимальное из полученных значений при измерении нестабильности источника для каждой длины волны.

13.8.4 Полученные значения оптической мощности и ее нестабильности для всех длин волн не должны превышать предел, установленный в описании типа на поверяемый источник или тестер.

13.9 Подтверждение соответствия ИОП метрологическим требованиям

13.9.1 Определяют значение абсолютной погрешности измерений обратных потерь Δобр, дБ, по формуле

image031.png. (29)

13.9.2 Поверяемый ИОП считается прошедшим операцию поверки с положительным результатом, если на длинах волн градуировки диапазон измерений уровня обратных потерь и значения абсолютной погрешности измерений уровня обратных потерь не превышают значений, установленных в описании типа на поверяемый ИОП.

14 Оформление результатов поверки

14.1 Результаты поверки оформляют протоколом поверки в соответствии с [2].

14.2 При необходимости для предотвращения доступа к узлам настройки (регулировки) СИ в местах, предусмотренных его конструкцией, по завершении поверки устанавливают пломбы, содержащие изображение знака поверки.

14.3 Поверяемое СИ считается прошедшим поверку с положительным результатом и допускается к применению, если все операции поверки пройдены с положительным результатом и полученные значения метрологических характеристик удовлетворяют требованиям к СИ в соответствии с его описанием типа, а также соблюдены требования по защите средства измерений от несанкционированного вмешательства. В ином случае СИ считается прошедшим поверку с отрицательным результатом и не допускается к применению.

14.4 Сведения о результатах поверки (как положительных, так и отрицательных) передают в Федеральный информационный фонд по обеспечению единства измерений.

14.5 При положительных результатах поверки по запросу заказчика может быть оформлено свидетельство о поверке в установленной форме.

14.6 При отрицательных результатах поверки по запросу заказчика может быть оформлено извещение о непригодности в установленной форме с указанием причин непригодности.

Библиография

[1]

Приказ Федерального агентства по техническому регулированию и метрологии от 5 декабря 2019 г. N 2862 "Об утверждении государственной поверочной схемы для средств измерений длины и времени распространения сигнала в световоде, средней мощности, ослабления и длины волны оптического излучения для волоконно-оптических систем связи и передачи информации".

[2]

Приказ Минпромторга России от 31 июля 2020 г. N 2510 "Об утверждении порядка проведения поверки средств измерений, требований к знаку поверки и содержанию свидетельства о поверке".

[3]

Приказ Министерства труда и социальной защиты Российской Федерации от 15 декабря 2020 г. N 903н "Об утверждении Правил по охране труда при эксплуатации электроустановок"

Последние добавленные документы

Самые популярные документы

Яндекс.Метрика