Утв. и введен в действие Приказом Федерального агентства по техническому регулированию и метрологии от 27 июня 2024 г. N 882-ст
Национальный стандарт РФ ГОСТ Р 71455-2024
"ПЛАНКИ АВТОСЦЕПНОГО УСТРОЙСТВА ГРУЗОВЫХ ВАГОНОВ. ТЕХНИЧЕСКИЕ ТРЕБОВАНИЯ"
Slats of the automatic coupling device of the freight cars. Technical requirements
ОКС 03.220.30
45.060.01
Дата введения - 1 октября 2024 года
Введен впервые
Предисловие
1 РАЗРАБОТАН Обществом с ограниченной ответственностью "Всесоюзный научно-исследовательский центр транспортных технологий" (ООО "ВНИЦТТ")
2 ВНЕСЕН Техническим комитетом по стандартизации ТК 045 "Железнодорожный транспорт"
3 УТВЕРЖДЕН И ВВЕДЕН В ДЕЙСТВИЕ Приказом Федерального агентства по техническому регулированию и метрологии от 27 июня 2024 г. N 882-ст
4 ВВЕДЕН ВПЕРВЫЕ
Правила применения настоящего стандарта установлены в статье 26 Федерального закона от 29 июня 2015 г. N 162-ФЗ "О стандартизации в Российской Федерации". Информация об изменениях к настоящему стандарту публикуется в ежегодном (по состоянию на 1 января текущего года) информационном указателе "Национальные стандарты", а официальный текст изменений и поправок - в ежемесячном информационном указателе "Национальные стандарты". В случае пересмотра (замены) или отмены настоящего стандарта соответствующее уведомление будет опубликовано в ближайшем выпуске ежемесячного информационного указателя "Национальные стандарты". Соответствующая информация, уведомление и тексты размещаются также в информационной системе общего пользования - на официальном сайте Федерального агентства по техническому регулированию и метрологии в сети Интернет (www.rst.gov.ru)
1 Область применения
Настоящий стандарт распространяется на поддерживающие планки поглощающих аппаратов автосцепных устройств грузовых вагонов (далее - поддерживающие планки) и планки против истирания стенок хребтовой балки грузовых вагонов (далее - планки против истирания) и устанавливает конструктивные требования, требования к материалам, покрытиям, комплектности, маркировке, транспортированию и хранению.
Примечание - Для удобства пользования стандартом и обеспечения однозначной интерпретации его положений в структурных элементах, содержащих общие требования как к поддерживающим планкам, так и к планкам против истирания, применено понятие "планки".
2 Нормативные ссылки
В настоящем стандарте использованы нормативные ссылки на следующие стандарты:
ГОСТ 9.014 Единая система защиты от коррозии и старения. Временная противокоррозионная защита изделий. Общие требования
ГОСТ 15.309-98 Система разработки и постановки продукции на производство. Испытания и приемка выпускаемой продукции. Основные положения
ГОСТ 103 Прокат сортовой стальной горячекатаный полосовой. Сортамент
ГОСТ 1577 Прокат толстолистовой и широкополосный из конструкционной качественной стали. Технические условия
ГОСТ 14637 Прокат толстолистовой из углеродистой стали обыкновенного качества. Технические условия
ГОСТ 15150 Машины, приборы и другие технические изделия. Исполнения для различных климатических районов. Категории, условия эксплуатации, хранения и транспортирования в части воздействия климатических факторов внешней среды
ГОСТ 18970 Обработка металлов давлением. Операции ковки и штамповки. Термины и определения
ГОСТ 19281 Прокат повышенной прочности. Общие технические условия
ГОСТ 21014 Металлопродукция из стали и сплавов. Дефекты поверхности. Термины и определения
ГОСТ 23170-78 Упаковка для изделий машиностроения. Общие требования
ГОСТ ISO 898-1 Механические свойства крепежных изделий из углеродистых и легированных сталей. Часть 1. Болты, винты и шпильки установленных классов прочности с крупным и мелким шагом резьбы
ГОСТ ISO 898-2 Механические свойства крепежных изделий из углеродистых и легированных сталей. Часть 2. Гайки установленных классов прочности с крупным и мелким шагом резьбы
ГОСТ Р 2.601 Единая система конструкторской документации. Эксплуатационные документы
ГОСТ Р 50779.12-2021 Статистические методы. Статистический контроль качества. Методы случайного отбора выборок штучной продукции
ГОСТ Р 51908 Общие требования к машинам, приборам и другим техническим изделиям в части условий хранения и транспортирования
Примечание - При пользовании настоящим стандартом целесообразно проверить действие ссылочных стандартов в информационной системе общего пользования - на официальном сайте Федерального агентства по техническому регулированию и метрологии в сети Интернет или по ежегодному информационному указателю "Национальные стандарты", который опубликован по состоянию на 1 января текущего года, и по выпускам ежемесячного информационного указателя "Национальные стандарты" за текущий год. Если заменен ссылочный стандарт, на который дана недатированная ссылка, то рекомендуется использовать действующую версию этого стандарта с учетом всех внесенных в данную версию изменений. Если заменен ссылочный стандарт, на который дана датированная ссылка, то рекомендуется использовать версию этого стандарта с указанным выше годом утверждения (принятия). Если после утверждения настоящего стандарта в ссылочный стандарт, на который дана датированная ссылка, внесено изменение, затрагивающее положение, на которое дана ссылка, то это положение рекомендуется применять без учета данного изменения. Если ссылочный стандарт отменен без замены, то положение, в котором дана ссылка на него, рекомендуется применять в части, не затрагивающей эту ссылку.
3 Термины и определения
В настоящем стандарте применены термины по ГОСТ 18970, ГОСТ 21014, а также следующие термины с соответствующими определениями:
3.1
|
автосцепное устройство: Комплект сборочных единиц и деталей для автоматического сцепления (механического соединения) единиц железнодорожного подвижного состава, передачи и амортизации продольных сил.
[ГОСТ 33434-2015, пункт 3.5]
|
3.2
|
поглощающий аппарат: Устройство, входящее в состав сцепных и автосцепных устройств железнодорожного подвижного состава, предназначенное для поглощения энергии и амортизации продольных усилий, действующих на подвижной состав.
[ГОСТ 32913-2014, пункт 3.1]
|
3.3 утяжка: Дефект профиля поверхности среза детали, возникающий при вырезке по контуру и/или пробивке отверстий, в виде изменения формы сечения в месте входа инструмента.
4 Классификация, основные параметры и размеры
4.1 Классификация, основные параметры и размеры поддерживающих планок
4.1.1 По способу изготовления поддерживающие планки подразделяют:
- на изготовленные обработкой давлением;
- изготовленные резкой.
4.1.2 По форме поддерживающие планки могут быть:
- с плоским профилем - обозначение "П" (плоская);
- с омегообразным (корытным) профилем - обозначение "Ш" (штампованная).
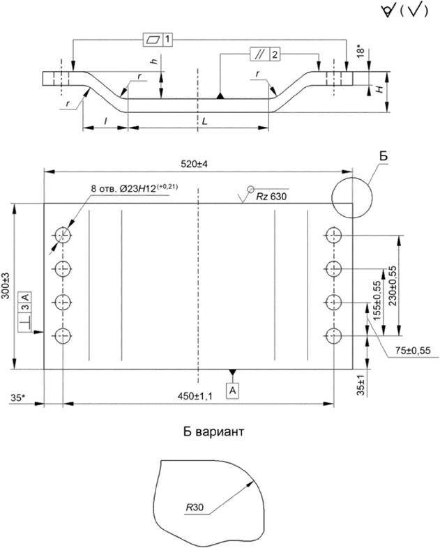
4.1.3 Конструкция и размеры поддерживающих планок должны соответствовать указанным в таблице 1 и на рисунке 1.

--------------------------------
* Размеры для справок.
Рисунок 1 - Поддерживающая планка
Таблица 1 - Планки, поддерживающие поглощающий аппарат
|
Обозначение типа
|
Размеры, мм
|
Шероховатость поверхности отверстий
|
Теоретическая масса, кг
|
|
h
|
H *
|
L
|
l **
|
r **
|
|
П
|
0
|
18
|
-
|
-
|
-
|
Ra 25
|
21,6
|
|
Ш-5
|
5,0 ± 2,0
|
23
|
240,0 ± 2,0
|
30,0 ± 1,0
|
34
|
21,7
|
|
Ш-10
|
10,0 ± 1,0
|
28
|
240,0 ± 2,0
|
40,0 ± 1,5
|
30
|
21,8
|
|
Ш-15
|
15,0 ± 1,0
|
33
|
270,0 ± 2,0
|
40,0 ± 1,5
|
20
|
21,8
|
|
Ш-20
|
20,0 ± 1,0
|
38
|
240,0 ± 2,0
|
44,0 ± 1,5
|
20
|
21,8
|
|
Ш-23
|
23,0 ± 1,0
|
41
|
250,0 ± 3,0
|
57,0
|
30
|
21,5
|
|
Ш-25
|
25,0 ± 1,0
|
43
|
240,0 ± 2,0
|
48,0 ± 1,5
|
20
|
21,9
|
|
Ш-56
|
56,0 ± 1,5
|
74
|
240,0 ± 2,0
|
75,0 ± 1,5
|
30
|
22,4
|
|
* Размер для справок.
** Размеры обеспечить инструментом.
|
4.1.4 Условное обозначение поддерживающей планки должно состоять из наименования изделия, обозначения типа и стандарта.
Примеры
1 Плоскую планку, поддерживающую поглощающий аппарат, следует обозначать следующим образом:
Планка поддерживающая П ГОСТ Р 71455-2024
2 Планку, поддерживающую поглощающий аппарат, с прогибом 5 мм следует обозначать следующим образом:
Планка поддерживающая Ш-5 ГОСТ Р 71455-2024
4.2 Основные параметры и размеры планок против истирания
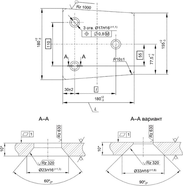
4.2.1 Конструкция и размеры планок против истирания должны соответствовать указанным на рисунке 2 и в таблице 2. Допускается изготовление по условному пунктиру.

--------------------------------
* Размеры для справок.
Рисунок 2 - Планка против истирания
Таблица 2 - Планки против истирания стенок хребтовой балки грузовых вагонов
|
Расстояние между отверстиями l, мм
|
Угол разделки, градусы
|
Масса, кг
|
|
под заклепку (А-А)
|
под болт (А-А вариант)
|
|
90
|
60
|
90
|
2,25
|
|
115
|
-
|
90
|
4.2.2 Условное обозначение планки против истирания должно состоять из наименования изделия, указания длины, толщины планки, расстояния между отверстиями, угла разделки и обозначения стандарта.
Примеры
1 Планку против истирания длиной 180 мм, толщиной 10 мм, с расстоянием между отверстиями l = 90 мм, с углом разделки под заклепку 60° следует обозначать следующим образом:
Планка 180-10-90-60 ГОСТ Р 71455-2024
2 Планку против истирания длиной 180 мм, толщиной 10 мм, с расстоянием между отверстиями l = 115 мм, с углом разделки под болт 90° следует обозначать следующим образом:
Планка 180-10-115-90 ГОСТ Р 71455-2024
5 Технические требования
5.1 Общие требования
5.1.1 Планки должны соответствовать климатическому исполнению УХЛ1 по ГОСТ 15150 с обеспечением работоспособного состояния в диапазоне рабочих температур от минус 60 °C до 50 °C.
5.1.2 Планки, изготовленные из проката методом гибки, штамповки и вырубки в холодном состоянии, не должны иметь трещин, надрывов и расслоений.
5.1.3 Рекомендации по приемке планок приведены в приложении А.
5.2 Требования к поддерживающим планкам
5.2.1 Утяжка в углах поддерживающих планок более 3 мм не допускается.
5.2.2 Утонение металла в местах сгиба более 2 мм не допускается.
5.2.3 Зазубрины или скалывание по контуру поддерживающей планки глубиной более 3 мм не допускаются.
5.2.4 Выступание замятого заусенца более 1 мм не допускается.
5.3 Требования к планкам против истирания
5.3.1 Допускаются естественное скалывание и утяжка кромок, получаемые при вырезке по контуру и пробивке отверстий.
5.3.2 Зенковку под углом 60° или 90° проводят со стороны, обратной входу пуансона.
5.3.3 Расположение планки против истирания по высоте хребтовой балки относительно оси поглощающего аппарата приведено в приложении Б.
5.3.4 Расположение планки против истирания на хребтовой балке относительно передних и задних упоров автосцепного устройства и способы ее крепления приведены в приложении В.
5.4 Требования к материалам
5.4.1 Для изготовления поддерживающих планок рекомендуется применять листовой прокат из стали марок 09Г2, 09Г2Д, 09Г2С, 09Г2СД, 10ХСНД по ГОСТ 19281 любого класса прочности.
5.4.2 Допускается изготовление поддерживающих планок из специальных профилей проката и полосовой стали с шероховатостью необрабатываемых поверхностей в состоянии поставки при соблюдении требований 4.1.3, 5.1, 5.2, 5.5.1, 5.6, 5.7.
5.4.3 Для изготовления планок против истирания рекомендуется применять прокат из стали марок 09Г2, 09Г2Д, 09Г2С, 09Г2СД, 10ХСНД, 10Г2С1Д по ГОСТ 19281 любого класса прочности.
Допускается изготовление планок против истирания из проката любой категории по ГОСТ 14637 из стали марки Ст3 любой степени раскисления или проката по ГОСТ 1577 без термической обработки из сталей марки 08, 10, 15, 20, 25 и 30 любой степени раскисления.
Допускается изготовление планок против истирания из полосового проката по ГОСТ 103 с шероховатостью поверхностей по размеру L (см. рисунок 2) в состоянии поставки.
5.5 Комплектность
5.5.1 При самостоятельной поставке каждую партию планок сопровождают эксплуатационными документами по ГОСТ Р 2.601.
5.5.2 Документация должна быть упакована герметично по ГОСТ 23170-78 (пункт 2.11).
5.6 Маркировка
5.6.1 Маркировка планок должна содержать следующие данные:
- наименование, и/или условный код по справочнику [1], и/или товарный знак предприятия-изготовителя;
- обозначение типа для поддерживающей планки или условное обозначение для планки против истирания;
- месяц и две последние цифры года изготовления.
5.6.2 Знаки маркировки на поддерживающие планки наносят ударным способом или способом давления на наружную поверхность. Места нанесения и размеры знаков устанавливает предприятие-изготовитель.
Допускается наносить маркировку на торце поддерживающей планки.
5.6.3 Маркировку планок против истирания наносят на упаковку. Допускается приведение информации, содержащейся в маркировке планок против истирания, только в эксплуатационной документации.
5.7 Транспортирование и хранение
5.7.1 Условия транспортирования и хранения планок, а также допустимые сроки сохраняемости в упаковке до ввода в эксплуатацию должны соответствовать требованиям таблицы 3.
Таблица 3 - Условия транспортирования и хранения и допустимые сроки сохраняемости
|
Обозначение условий транспортирования в части воздействия
|
Обозначение условий хранения по ГОСТ 15150
|
Допустимый срок сохраняемости в упаковке и консервации изготовителя, лет, по ГОСТ Р 51908
|
|
механических факторов по ГОСТ Р 51908
|
климатических факторов по ГОСТ 15150
|
|
Жесткие Ж
|
8 (ОЖЗ)
|
2(С)
|
1
|
5.7.2 При транспортировании и хранении планки должны быть предохранены от ударов и механических повреждений.
5.7.3 Консервация планок - по ГОСТ 9.014.
Приложение А
(рекомендуемое)
Правила приемки планок автосцепного устройства грузовых вагонов
А.1 Для контроля соответствия планок требованиям настоящего стандарта следует проводить приемо-сдаточные испытания по ГОСТ 15.309-98 (раздел 5).
А.2 К приемо-сдаточным испытаниям планки предъявляют партиями. Партией является число планок, одновременно сдаваемых по одному документу, но не более суточного выпуска.
А.3 При приемо-сдаточных испытаниях планки подвергают выборочному контролю в объеме 2% от партии по А.2, но не менее трех штук. Отбор образцов осуществляют методом отбора "вслепую" по ГОСТ Р 50779.12-2021 (подраздел 5.4).
А.4 При приемо-сдаточных испытаниях рекомендуется контролировать планки на соответствие требованиям 4.1.3, 4.2.1, 5.2.1 - 5.2.4, 5.3.2, 5.4.1, 5.4.3, 5.5, 5.6.
А.5 Геометрические размеры планок, а также их возможных дефектов контролируют с помощью универсальных средств измерений, калибров и шаблонов 1.
--------------------------------
1 Конкретные средства измерений должны быть установлены в технологической документации изготовителя. Контроль дефектов осуществляют без применения увеличительных приборов.
Приложение Б
(рекомендуемое)
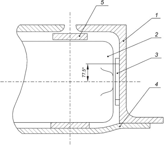
Расположение планки против истирания по высоте хребтовой балки относительно оси поглощающего аппарата

--------------------------------
* Размер для справок.
1 - зет хребтовой балки; 2 - корпус поглощающего аппарата; 3 - планка против истирания хребтовой балки; 4 - поддерживающая планка; 5 - тяговый хомут
Рисунок Б.1 - Рекомендуемое расположение планки против истирания по высоте хребтовой балки относительно оси поглощающего аппарата
Приложение В
(рекомендуемое)
Расположение планки против истирания на хребтовой балке относительно передних и задних упоров автосцепного устройства и способы ее крепления
В.1 Расположение планки против истирания на хребтовой балке относительно передних и задних упоров автосцепного устройства приведено на рисунке В.1.
В.2 Крепление планки против истирания производят заклепками с потайной головкой или болтами с потайной головкой.
Для случая применения резьбового способа крепления класс прочности крепежных изделий:
- для болтов - не ниже 8.8 по ГОСТ ISO 898-1;
- для гаек - не ниже 8 по ГОСТ ISO 898-2.
Предохранение от самоотвинчивания резьбового крепления планки осуществляют пружинной шайбой с дополнительным раскерниванием в трех точках, как показано на рисунке В.2, или за счет применения самостопорящейся цельнометаллической гайки.
В.3 Выступание головки заклепки или болта над планкой допускается не более 0,5 мм.
В.4 Планка должна быть плотно притянута заклепками или болтами к стенке хребтовой балки. В зоне головок заклепок или болтов щуп 0,5 мм не должен доходить до стержня заклепки или болта.
В.5 В промежутках между заклепками или болтами не допускаются местные неплотности более 1,0 мм.