Утв. и введен в действие Приказом Федерального агентства по техническому регулированию и метрологии от 7 июня 2024 г. N 728-ст
Национальный стандарт РФ ГОСТ Р 71428-2024
"МИКРОСХЕМЫ ИНТЕГРАЛЬНЫЕ. ФИЛЬТРЫ. МЕТОД ИЗМЕРЕНИЯ УРОВНЯ РАЗРЯДА АНАЛОГОВОГО ЗАПОМИНАЮЩЕГО УСТРОЙСТВА"
Integrated circuits. Filters. Method of measuring the discharge level of an analog storage device
ОКС 31.100
Дата введения - 1 марта 2025 года
Введен впервые
Предисловие
1 РАЗРАБОТАН Акционерным обществом "Российский научно-исследовательский институт "Электронстандарт" (АО "РНИИ "Электронстандарт")
2 ВНЕСЕН Техническим комитетом по стандартизации ТК 303 "Электронная компонентная база, материалы и оборудование"
3 УТВЕРЖДЕН И ВВЕДЕН В ДЕЙСТВИЕ Приказом Федерального агентства по техническому регулированию и метрологии от 7 июня 2024 г. N 728-ст
4 ВВЕДЕН ВПЕРВЫЕ
Правила применения настоящего стандарта установлены в статье 26 Федерального закона от 29 июня 2015 г. N 162-ФЗ "О стандартизации в Российской Федерации". Информация об изменениях к настоящему стандарту публикуется в ежегодном (по состоянию на 1 января текущего года) информационном указателе "Национальные стандарты", а официальный текст изменений и поправок - в ежемесячном информационном указателе "Национальные стандарты". В случае пересмотра (замены) или отмены настоящего стандарта соответствующее уведомление будет опубликовано в ближайшем выпуске ежемесячного информационного указателя "Национальные стандарты". Соответствующая информация, уведомление и тексты размещаются также в информационной системе общего пользования - на официальном сайте Федерального агентства по техническому регулированию и метрологии в сети Интернет (www.rst.gov.ru)
1 Область применения
Настоящий стандарт распространяется на вновь разрабатываемые и модернизируемые программируемые дискретно-аналоговые фильтры (ДАФ), включающие в себя сдвиговый регистр кода, регистр селектора и регистр аналогового запоминающего устройства.
Общие требования при измерении параметров ДАФ и требования безопасности - в соответствии с ГОСТ Р 71285.
2 Нормативные ссылки
В настоящем стандарте использованы нормативные ссылки на следующие стандарты:
ГОСТ Р 55893 Микросхемы интегральные. Основные параметры
ГОСТ Р 57441 Микросхемы интегральные. Термины, определения и буквенные обозначения электрических параметров
ГОСТ Р 71285 Микросхемы интегральные. Фильтры. Общие требования при измерении электрических параметров
Примечание - При пользовании настоящим стандартом целесообразно проверить действие ссылочных стандартов в информационной системе общего пользования - на официальном сайте Федерального агентства по техническому регулированию и метрологии в сети Интернет или по ежегодному информационному указателю "Национальные стандарты", который опубликован по состоянию на 1 января текущего года, и по выпускам ежемесячного информационного указателя "Национальные стандарты" за текущий год. Если заменен ссылочный стандарт, на который дана недатированная ссылка, то рекомендуется использовать действующую версию этого стандарта с учетом всех внесенных в данную версию изменений. Если заменен ссылочный стандарт, на который дана датированная ссылка, то рекомендуется использовать версию этого стандарта с указанным выше годом утверждения (принятия). Если после утверждения настоящего стандарта в ссылочный стандарт, на который дана датированная ссылка, внесено изменение, затрагивающее положение, на которое дана ссылка, то это положение рекомендуется применять без учета данного изменения. Если ссылочный стандарт отменен без замены, то положение, в котором дана ссылка на него, рекомендуется применять в части, не затрагивающей эту ссылку.
3 Термины и определения
В настоящем стандарте применены термины по ГОСТ Р 55893, ГОСТ Р 57441, а также следующий термин с соответствующим определением:
3.1 дискретно-аналоговый фильтр; ДАФ: Фильтр, граничные частоты которого прямо пропорциональны величине тактовой частоты.
4 Сущность метода
Уровень разряда аналогового запоминающего устройства определяется по результатам измерений выходного пилообразного напряжения и напряжения разряда запоминающих конденсаторов аналогового запоминающего устройства, напряжение постоянного входного сигнала при этом поддерживается неизменным.
5 Требования к средствам измерения и вспомогательному оборудованию
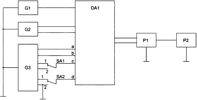
5.1 Измерения проводят на измерительной установке, электрическая структурная схема которой приведена на рисунке 1.

DA1 - ДАФ; G1 - источник питания; G2 – двухканальный генератор входного постоянного напряжения; G3 - генератор управляющих импульсов и тактовых сигналов; P1 - преобразователь ток-напряжение; P2 – измеритель переменного напряжения; SA1, SA2 - устройства коммутации; a, b - вход тактовых импульсов; c - вход регистра селектора; d - вход регистра кода
Рисунок 1 - Электрическая структурная схема измерительной установки
5.2 Источник питания G1 должен обеспечивать величины напряжений питания и их параметры, установленные в технических условиях (ТУ) на ДАФ конкретных типов.
Погрешность установления и поддержания напряжения питания должна быть в пределах ± 1%.
5.3 Генератор постоянного напряжения G2 должен обеспечивать:
- установление и поддержание на выходе напряжения с погрешностью, находящейся в пределах ± 1%;
- стабильность во времени, находящуюся в пределах ± 1%;
- коэффициент пульсаций, находящийся в пределах ± 0,1%.
5.4 Генератор управляющих импульсов и тактовых сигналов G3 должен обеспечивать установление и поддержание на выходе напряжения, удовлетворяющие следующим требованиям:
- амплитуда напряжения на выходе генератора должна соответствовать значению, установленному в ТУ на ДАФ конкретных типов с погрешностью, находящейся в пределах ± 5%;
- частота следования импульсов должна соответствовать значению, установленному в ТУ на ДАФ конкретных типов, погрешность поддержания частоты должна находиться в пределах ± 1%.
5.5 Преобразователь ток-напряжение P1 представляет собой устройство с параметрами, приведенными в ТУ на ДАФ конкретных типов (входное сопротивление, разность входных сопротивлений по двум входам, крутизна преобразования).
5.6 Измеритель переменного напряжения P2 должен обеспечивать измерения как действующего значения выходного пилообразного напряжения, так и напряжения, характеризующего уровень разряда аналогового запоминающего устройства, погрешность измерения должна находиться в пределах ± 5%.
6 Подготовка и проведение измерений
6.1 Подключают ДАФ к измерительной установке.
6.2 От источника постоянного напряжения G1 подают напряжение UC1 и импульсы управляющих и тактовых сигналов Tс от генератора G3.
6.3 На входы аналогового запоминающего устройства ДАФ от генератора G2 подают постоянный сигнал с величиной напряжения UC2, установленной в ТУ на ДАФ конкретных типов.
6.4 Устанавливают переключатели SA1 и SA2 в положение "1", подают напряжения сигналов входа регистра селектора UIC и регистра кода UId и измеряют величину выходного пилообразного напряжения Uos.
Диаграммы входных и выходных сигналов приведены на рисунке 2.

n - число ячеек аналогового запоминающего устройства
Рисунок 2 - Диаграмма входных и выходных сигналов
6.5 Устанавливают переключатели SA1 и SA2 в положение "2" и измеряют напряжения Uod.
Диаграммы входных и выходных сигналов приведены на рисунке 3.

kTс - время хранения информации в аналоговом запоминающем устройстве, установленное в ТУ на ДАФ конкретных типов
Рисунок 3 - Диаграмма входных и выходных сигналов
7 Обработка результатов
Уровень разряда аналогового запоминающего устройства L вычисляют по формуле
. (1)
8 Показатели точности измерений
Погрешность измерения уровня разряда аналогового запоминающего устройства должна находиться в интервале ± 10% с установленной вероятностью 0,95.
Пример расчета погрешности измерения уровня аналогового запоминающего устройства приведен в приложении А.
Приложение А
(справочное)
Расчет погрешности измерения уровня разряда аналогового запоминающего устройства
Интервал δ∑, в котором с доверительной вероятностью 0,97 находится погрешность измерения, вычисляют по формуле
, (А.1)
где δ1 - погрешность установления и поддержания выходного напряжения генератора G2, δ1 = 1%;
δ2 - погрешность поддержания крутизны преобразователя ток-напряжение P1, δ2 ≤ 1%;
δ3 - погрешность измерителя напряжения P2, δ3 ≤ 5%;
δ4 - погрешность установления и поддержания напряжения питания источника G1, δ4 ≤ 1%;
δ5 - погрешность поддержания крутизны преобразователя ток-напряжение, δ5 ≤ 1%;
δ6 - погрешность установления и поддержания напряжения высокого уровня импульсов тактовых сигналов, δ6 ≤ 5%;
δ7 - погрешность установления и поддержания напряжения низкого уровня импульсов тактовых сигналов, δ7 ≤ 5%;
δ8 - погрешность поддержания температуры окружающей среды, δ8 ≤ ±10%;
α1 – α8 - коэффициенты влияния параметров режима на измеряемый параметр, при этом: α1 – α4 = 1;
α5 – α8 - определяют по формуле
, (А.2)
где n - количество измеренных фильтров (рекомендуется n = 10);
xio - номинальное значение влияющего параметра;
Δxi - отклонение от номинального значения влияющего параметра;
yi - измеренное значение измеряемого параметра, соответствующее xio;
Δyi - отклонение измеряемого параметра от измеренного значения, вызванное отклонением влияющего параметра;
α5 = 0,5; α6 = 0,2; α7 = 0,2; α8 = 0,1.
Исходя из того, что все составляющие погрешности имеют равномерный закон распределения, суммарная погрешность измерения δ∑, рассчитанная по формуле (А.1) и по приведенным в настоящем приложении данным, находится в интервале ± 5,6% с вероятностью 0,95.