Утв. и введен в действие Приказом Федерального агентства по техническому регулированию и метрологии от 27 июня 2024 г. N 875-ст
Национальный стандарт РФ ГОСТ Р 71388-2024
"ТЕРМИСТОРЫ. МЕТОДЫ ИЗМЕРЕНИЯ ГОРЯЧЕГО СОПРОТИВЛЕНИЯ И МАКСИМАЛЬНОЙ МОЩНОСТИ ПОДОГРЕВАТЕЛЯ"
Thermistors. Methods for measuring the hot resistance and maximum heater power
ОКС 17.080
17.220.20
31.080
Дата введения - 1 марта 2025 года
Введен впервые
Предисловие
1 РАЗРАБОТАН Федеральным государственным бюджетным учреждением "Всероссийский научно-исследовательский институт радиоэлектроники" (ФГБУ "ВНИИР")
2 ВНЕСЕН Техническим комитетом по стандартизации ТК 303 "Электронная компонентная база, материалы и оборудование"
3 УТВЕРЖДЕН И ВВЕДЕН В ДЕЙСТВИЕ Приказом Федерального агентства по техническому регулированию и метрологии от 27 июня 2024 г. N 875-ст
4 ВВЕДЕН ВПЕРВЫЕ
Правила применения настоящего стандарта установлены в статье 26 Федерального закона от 29 июня 2015 г. N 162-ФЗ "О стандартизации в Российской Федерации". Информация об изменениях к настоящему стандарту публикуется в ежегодном (по состоянию на 1 января текущего года) информационном указателе "Национальные стандарты", а официальный текст изменений и поправок - в ежемесячном информационном указателе "Национальные стандарты". В случае пересмотра (замены) или отмены настоящего стандарта соответствующее уведомление будет опубликовано в ближайшем выпуске ежемесячного информационного указателя "Национальные стандарты". Соответствующая информация, уведомление и тексты размещаются также в информационной системе общего пользования - на официальном сайте Федерального агентства по техническому регулированию и метрологии в сети Интернет (www.rst.gov.ru)
1 Область применения
Настоящий стандарт распространяется на термисторы и устанавливает методы измерения горячего сопротивления термисторов и максимальной мощности подогревателя.
Совместно с настоящим стандартом следует применять ГОСТ Р 71386.
2 Нормативные ссылки
В настоящем стандарте использованы нормативные ссылки на следующие стандарты:
ГОСТ Р 57436 Приборы полупроводниковые. Термины и определения
ГОСТ Р 71386 Термисторы. Общие требования при измерении параметров
Примечание - При пользовании настоящим стандартом целесообразно проверить действие ссылочных стандартов в информационной системе общего пользования - на официальном сайте Федерального агентства по техническому регулированию и метрологии в сети Интернет или по ежегодному информационному указателю "Национальные стандарты", который опубликован по состоянию на 1 января текущего года, и по выпускам ежемесячного информационного указателя "Национальные стандарты" за текущий год. Если заменен ссылочный стандарт, на который дана недатированная ссылка, то рекомендуется использовать действующую версию этого стандарта с учетом всех внесенных в данную версию изменений. Если заменен ссылочный стандарт, на который дана датированная ссылка, то рекомендуется использовать версию этого стандарта с указанным выше годом утверждения (принятия). Если после утверждения настоящего стандарта в ссылочный стандарт, на который дана датированная ссылка, внесено изменение, затрагивающее положение, на которое дана ссылка, то это положение рекомендуется применять без учета данного изменения. Если ссылочный стандарт отменен без замены, то положение, в котором дана ссылка на него, рекомендуется применять в части, не затрагивающей эту ссылку.
3 Термины и определения
В настоящем стандарте применены термины по ГОСТ Р 57436.
4 Общие требования к проведению измерений
4.1 Измерение горячего сопротивления термистора проводят мостовым методом при пропускании постоянного тока через подогреватель.
Значение тока через подогреватель должно быть указано в технических условиях (ТУ) на термисторы.
4.2 Измерение максимальной мощности подогревателя проводят косвенным методом. Значение мощности подогревателя рассчитывают, как произведение значения тока, прошедшего через подогреватель, на величину падения напряжения на нем.
4.3 Режимы измерения - в соответствии с ТУ на термисторы конкретных типов.
5 Измерительная аппаратура
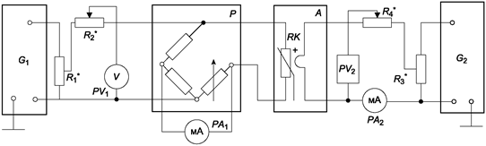
5.1 Измерения проводят на установке, структурная схема которой приведена на рисунке 1.

--------------------------------
* Подбирают при регулировании.
G1 и G2 - источники постоянного тока с регулируемым выходом; R1 * - резистор 3,3 кОм; R2 * - резистор 1 кОм; R3 * - резистор 8 кОм; R4 * - резистор 4,7 кОм; PV1 - вольтметр; PV2 - цифровой вольтметр; P – мост постоянного тока; A - термостатирующая камера; PA1 - микроамперметр со шкалой 50-0-50 мА; RK - испытуемый термистор; PA2 - миллиамперметр
Рисунок 1
5.2 Источники постоянного тока с регулируемым выходом должны удовлетворять следующим требованиям:
а) выходное напряжение - в пределах 50 В;
б) нестабильность выходного напряжения - в пределах ± 0,2%.
5.3 Вольтметр постоянного тока класса точности не ниже 0,5.
5.4 Мост постоянного тока класса точности не ниже 0,1.
5.5 Микроамперметр постоянного тока класса точности не ниже 0,5.
5.6 Термостатирующая камера должна обеспечивать установление и поддержание температуры, заданной ТУ, с погрешностью в пределах ± 2 °C (К).
5.7 Электронный цифровой вольтметр постоянного тока с входным сопротивлением не менее 100 кОм с предельной погрешностью не более 0,5%.
5.8 Миллиамперметр постоянного тока класса точности не ниже 0,5.
6 Подготовка и проведение измерений
6.1 Помещают термистор в термостатирующую камеру и устанавливают в ней заданную температуру.
6.2 Подают питание на мост от источника постоянного тока G1, контролируя величину напряжения по вольтметру PV1.
Значение напряжения при измерении - по стандартам или ТУ на термисторы конкретных типов.
6.3 Устанавливают по миллиамперметру ток через подогреватель от источника постоянного тока G2. Значение тока при измерении - по стандартам или ТУ на термисторы конкретных типов.
6.4 Считывают по показанию цифрового вольтметра значение напряжения на подогревателе.
6.5 Производят балансировку моста вращением ручек декад плеча сравнения, что соответствует нулевому показанию микроамперметра.
6.6 Считывают по показаниям переключателя плеч отношений и декад плеча сравнения моста значение горячего сопротивления термистора.
Примечание - Допускается измерение горячего сопротивления термистора производить цифровым омметром постоянного тока.
Относительная погрешность цифрового омметра не должна превышать 0,3%.
7 Обработка результатов
Максимальную мощность подогревателя Pп, мВт, рассчитывают по формуле
Pп = Iп·Uп, (1)
где Iп - значение тока, прошедшего через подогреватель, мА;
Uп - значение напряжения на подогревателе, В.
8 Показатели точности измерений
8.1 Погрешность измерения горячего сопротивления термистора находится в пределах ± 1,5%, с установленной вероятностью 0,95.
8.2 Погрешность измерения максимальной мощности подогревателя термистора находится в пределах ± 1,5% с установленной вероятностью 0,95.
8.3 Расчеты погрешностей измерений приведены в справочном приложении А.
Приложение А
(справочное)
Расчет погрешностей измерения
А.1 Расчет погрешности измерения горячего сопротивления термисторов
А.1.1 Полагают, что все составляющие измерения случайны, независимы и распределены по равномерному закону.
А.1.2 Погрешности, вносимые вольтметром PV1 и нестабильностью источников постоянного тока, не учитывают, так как продолжительность измерения незначительна и они практически не оказывают влияния на суммарную погрешность измерения.
А.1.3 При измерении горячего сопротивления термистора температура рабочего тела (чувствительного элемента), разогретого подогревателем, значительно выше, чем температура в термостатирующей камере, поэтому возможные погрешности, вносимые колебаниями температуры в термостатирующей камере в пределах норм ТУ, практически не влияют на суммарную погрешность и их не учитывают.
А.1.4 Погрешность измерения горячего сопротивления
, %, определяют по формуле
, (А.1)
где K∑ - коэффициент, зависящий от закона распределения суммарной погрешности и установленной вероятности.
Для нормального закона и вероятности 0,95 K∑ = 1,96;
δр - основная погрешность моста постоянного тока, равная 0,1%;
- дополнительная погрешность моста, равная 0,33% (определена экспериментально);
- предельная погрешность цифрового вольтметра, равная 0,5%;
δуст.I - погрешность установления тока через подогреватель, рассчитанная с учетом погрешности миллиамперметра PA2 и возможной ошибки оператора при его установке, равная 0,64%;
K - коэффициент влияния неточности установления тока через подогреватель на измерение, определен экспериментально и равен 1,3.
А.1.5 Подставляя указанные выше значения в формулу, получают погрешности измерения горячего сопротивления
.
А.2 Расчет погрешности измерения максимальной мощности подогревателя
А.2.1 При расчете учитывают требования А.1.1 - А.1.3.
А.2.2 Погрешность измерения максимальной мощности подогревателя δр, %, рассчитывают по формуле
. (А.2)
Обозначения и их значения - по А.1.
А.2.3 Подставляя значения, указанные в А.1, в формулу, получают погрешность измерения максимальной мощности подогревателя
.