Утв. и введен в действие Приказом Федерального агентства по техническому регулированию и метрологии от 7 июня 2024 г. N 730-ст
Национальный стандарт РФ ГОСТ Р 71430-2024
"РАЗРЯДНИКИ ИОННЫЕ. МЕТОДЫ ИЗМЕРЕНИЯ ПАРАМЕТРОВ ИМПУЛЬСОВ УПРАВЛЯЮЩЕГО НАПРЯЖЕНИЯ И ТОКА"
Ionic arresters. Methods for measuring the parameters of control voltage and current pulses
ОКС 33.060.99
Дата введения - 1 марта 2025 года
Введен впервые
Предисловие
1 РАЗРАБОТАН Акционерным обществом "Российский научно-исследовательский институт "Электронстандарт" (АО "РНИИ "Электронстандарт")
2 ВНЕСЕН Техническим комитетом по стандартизации ТК 303 "Электронная компонентная база, материалы и оборудование"
3 УТВЕРЖДЕН И ВВЕДЕН В ДЕЙСТВИЕ Приказом Федерального агентства по техническому регулированию и метрологии от 7 июня 2024 г. N 730-ст
4 ВВЕДЕН ВПЕРВЫЕ
Правила применения настоящего стандарта установлены в статье 26 Федерального закона от 29 июня 2015 г. N 162-ФЗ "О стандартизации в Российской Федерации". Информация об изменениях к настоящему стандарту публикуется в ежегодном (по состоянию на 1 января текущего года) информационном указателе "Национальные стандарты", а официальный текст изменений и поправок - в ежемесячном информационном указателе "Национальные стандарты". В случае пересмотра (замены) или отмены настоящего стандарта соответствующее уведомление будет опубликовано в ближайшем выпуске ежемесячного информационного указателя "Национальные стандарты". Соответствующая информация, уведомление и тексты размещаются также в информационной системе общего пользования - на официальном сайте Федерального агентства по техническому регулированию и метрологии в сети Интернет (www.rst.gov.ru)
1 Область применения
Настоящий стандарт распространяется на вновь разрабатываемые и модернизируемые управляемые ионные разрядники (далее - разрядники) и устанавливает методы измерения следующих электрических параметров режимов эксплуатации и режимов измерений:
- амплитуды импульса управляющего напряжения;
- длительности фронта импульса управляющего напряжения;
- амплитуды импульса тока управляющего электрода.
Стандарт не распространяется на высокочастотные и резонансные разрядники.
Настоящий стандарт предназначен для применения предприятиями, организациями и другими субъектами научной и хозяйственной деятельности независимо от форм собственности и подчинения, а также федеральными органами исполнительной власти Российской Федерации, участвующими в разработке, производстве, эксплуатации разрядников в соответствии с действующим законодательством.
2 Нормативные ссылки
В настоящем стандарте использованы нормативные ссылки на следующие стандарты:
ГОСТ 12.1.004 Система стандартов безопасности труда. Пожарная безопасность. Общие требования
ГОСТ 12.2.003 Система стандартов безопасности труда. Оборудование производственное. Общие требования безопасности
ГОСТ 12.3.019 Система стандартов безопасности труда. Испытания и измерения электрические. Общие требования безопасности
ГОСТ 16962 Изделия электронной техники и электротехники. Механические и климатические воздействия. Требования и методы испытаний
ГОСТ 20724 Приборы газоразрядные. Термины и определения
ГОСТ 21107.0 Приборы газоразрядные. Методы измерения электрических параметров. Общие положения
Примечание - При пользовании настоящим стандартом целесообразно проверить действие ссылочных стандартов в информационной системе общего пользования - на официальном сайте Федерального агентства по техническому регулированию и метрологии в сети Интернет или по ежегодному информационному указателю "Национальные стандарты", который опубликован по состоянию на 1 января текущего года, и по выпускам ежемесячного информационного указателя "Национальные стандарты" за текущий год. Если заменен ссылочный стандарт, на который дана недатированная ссылка, то рекомендуется использовать действующую версию этого стандарта с учетом всех внесенных в данную версию изменений. Если заменен ссылочный стандарт, на который дана датированная ссылка, то рекомендуется использовать версию этого стандарта с указанным выше годом утверждения (принятия). Если после утверждения настоящего стандарта в ссылочный стандарт, на который дана датированная ссылка, внесено изменение, затрагивающее положение, на которое дана ссылка, то это положение рекомендуется применять без учета данного изменения. Если ссылочный стандарт отменен без замены, то положение, в котором дана ссылка на него, рекомендуется применять в части, не затрагивающей эту ссылку.
3 Термины и определения
В настоящем стандарте применены термины по ГОСТ 20724.
4 Общие положения
4.1 Электрические параметры импульсов управляющего напряжения и тока измеряют в нормальных климатических условиях по ГОСТ 16962, если более жесткие условия не установлены в нормативно-технической документации на разрядники конкретных типов.
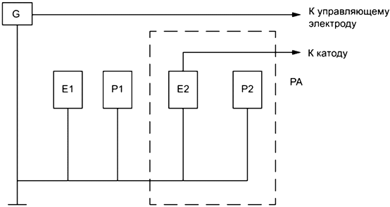
4.2 Электрическая структурная схема измерительной установки для измерения электрических параметров импульсов управляющего напряжения и тока должна соответствовать указанной на рисунке 1.

G - источник импульсного напряжения; E1 – делитель напряжения; P1, P2 - осциллограф или импульсный вольтметр; E2 - измерительный резистор или трансформатор тока для измерений; PA - измеритель тока
Рисунок 1 - Электрическая структурная схема измерительной установки
4.2.1 Измерительная установка должна соответствовать ГОСТ 21107.0.
4.2.2 Источник импульсного напряжения должен обеспечивать электрические режимы, установленные в нормативно-технической документации на разрядники конкретных типов. Он включает в себя элементы управляющей цепи (например, разделительный конденсатор, ограничительный резистор), если это указано в нормативно-технической документации на разрядники конкретных типов.
Отключение разрядника от источника импульсного напряжения не должно вызывать изменение амплитуды импульса управляющего напряжения более, чем на 5%.
4.2.3 Делитель напряжения должен соответствовать следующим требованиям:
- погрешность калибровки делителя напряжения должна находиться в интервале ± 10%;
- выходная емкость делителя напряжения должна превышать входную емкость осциллографа не менее чем в 10 раз;
- постоянная времени входной цепи делителя напряжения должна превышать длительность импульса управляющего напряжения не менее чем в 100 раз.
4.2.4 Осциллограф по точности измерения амплитуды импульсов и интервалов времени должен быть не ниже класса II точности. При измерении параметров импульсов управляющего напряжения и импульсов тока управляющего электрода при частоте повторения импульсов менее 10 Гц рекомендуется использовать запоминающие осциллографы не ниже класса III точности.
4.2.5 Относительная погрешность импульсного вольтметра P1 должна быть в интервале ± 5%.
4.2.6 Измерительный резистор и трансформатор тока для измерений должны соответствовать требованиям, установленным в нормативно-технической документации на разрядники конкретных типов.
В качестве измерителя тока могут быть применены электронные датчики, при этом погрешность измерения амплитуды импульса тока управляющего электрода не должна выходить за пределы, указанные в стандарте.
4.3 Требования безопасности
4.3.1 При выполнении измерений оборудование должно соответствовать общим требованиям безопасности в соответствии с ГОСТ 12.2.003.
4.3.2 При выполнении электрических измерений должны быть соблюдены общие требования безопасности в соответствии с ГОСТ 12.3.019.
4.3.3 Общие требования пожарной безопасности рабочих помещений при проведении измерений должны соответствовать требованиям ГОСТ 12.1.004.
5 Метод измерения амплитуды импульса управляющего напряжения
5.1 Аппаратура
Требование к аппаратуре - по 4.2.
5.2 Подготовка и проведение измерений
5.2.1 Амплитуду импульса управляющего напряжения измеряют при отключенном разряднике.
5.2.2 Порядок подготовки и проведения измерений должен указываться в эксплуатационной документации на измерительные установки.
5.2.3 Устанавливают режим работы источника управляющего напряжения, указанный в нормативно-технической документации на разрядники конкретных типов.
5.2.4 Измеряют амплитуду импульса управляющего напряжения.
Примечание - Допускается измерять амплитуду импульса управляющего напряжения по предварительно отградуированной шкале измерителя напряжения постоянного тока, включенного в первичной цепи источника управляющего напряжения. При этом погрешность измерения амплитуды импульса управляющего напряжения должна находиться в пределах, указанных в стандарте.
5.3 Показатели точности измерений
Погрешность измерения амплитуды импульса управляющего напряжения должна находиться в интервале ± 15% с установленной вероятностью 0,95.
6 Метод измерения длительности фронта импульса управляющего напряжения
6.1 Аппаратура
Требование к аппаратуре - по 4.2, 4.2.1 - 4.2.4.
6.2 Подготовка и проведение измерений
6.2.1 Длительность фронта импульса управляющего напряжения измеряют при отключенном разряднике.
6.2.2 Подготовка к измерению - по 4.2.2 - 4.2.4.
6.2.3 Отсчет длительности фронта импульса управляющего напряжения осуществляют по осциллограмме импульса на уровне 0,1 - 0,9 его амплитуды.
6.3 Показатели точности измерений
Погрешность измерения длительности фронта импульса управляющего напряжения находится в интервале ± 12% с установленной вероятностью 0,95.
7 Метод измерения амплитуды тока управляющего электрода
7.1 Аппаратура
Требование к аппаратуре - по 4.2, 4.2.1 - 4.2.3, 4.2.5.
7.2 Подготовка и проведение измерений
7.2.1 Измерение амплитуды импульса тока управляющего электрода проводят без разрядника, для чего вывод измерительной установки, идущий к управляющему электроду, соединяется с выводом измерительной установки, идущим к катоду разрядника.
7.2.2 Описание и последовательность операции подготовки к измерениям указывают в эксплуатационной документации на измерительные установки.
7.2.3 Устанавливают электрический режим работы разрядника по управляющей цепи, указанный в нормативно-технической документации на разрядник конкретного типа.
7.2.4 Измеряют падение напряжения на измерительном резисторе или напряжение вторичной обмотки трансформатора тока.
7.2.5 При колебательном характере тока управляющего электрода измеряют амплитуду первой полуволны напряжения.
7.3 Обработка результатов
7.3.1 Значение импульса тока управляющего электрода I, А, при измерении с помощью измерительного резистора определяют по формуле
, (1)
где U - падение напряжения на измерительном резисторе, В;
R - сопротивление измерительного резистора, Ом.
7.3.2 Значение импульса тока управляющего электрода I, А, при измерении с помощью трансформатора тока для измерения определяют по формуле
I = K·U, (2)
где K - коэффициент передачи тока, А/В;
U - напряжение вторичной обмотки трансформатора тока, В.
7.4 Показатели точности измерений
Погрешность измерения тока управляющего электрода в импульсе находится в интервале ± 12% с устанавливаемой вероятностью 0,95.