Утв. и введен в действие Приказом Федерального агентства по техническому регулированию и метрологии от 27 июня 2024 г. N 874-ст
Национальный стандарт РФ ГОСТ Р 71387-2024
"ТЕРМИСТОРЫ. МЕТОД ИЗМЕРЕНИЯ ХОЛОДНОГО СОПРОТИВЛЕНИЯ"
Thermistors. Cold resistance measurement method
ОКС 17.080
17.220.20
31.080
Дата введения - 1 марта 2025 года
Введен впервые
Предисловие
1 РАЗРАБОТАН Федеральным государственным бюджетным учреждением "Всероссийский научно-исследовательский институт радиоэлектроники" (ФГБУ "ВНИИР")
2 ВНЕСЕН Техническим комитетом по стандартизации ТК 303 "Электронная компонентная база, материалы и оборудование"
3 УТВЕРЖДЕН И ВВЕДЕН В ДЕЙСТВИЕ Приказом Федерального агентства по техническому регулированию и метрологии от 27 июня 2024 г. N 874-ст
4 ВВЕДЕН ВПЕРВЫЕ
Правила применения настоящего стандарта установлены в статье 26 Федерального закона от 29 июня 2015 г. N 162-ФЗ "О стандартизации в Российской Федерации". Информация об изменениях к настоящему стандарту публикуется в ежегодном (по состоянию на 1 января текущего года) информационном указателе "Национальные стандарты", а официальный текст изменений и поправок - в ежемесячном информационном указателе "Национальные стандарты". В случае пересмотра (замены) или отмены настоящего стандарта соответствующее уведомление будет опубликовано в ближайшем выпуске ежемесячного информационного указателя "Национальные стандарты". Соответствующая информация, уведомление и тексты размещаются также в информационной системе общего пользования - на официальном сайте Федерального агентства по техническому регулированию и метрологии в сети Интернет (www.rst.gov.ru)
1 Область применения
Настоящий стандарт распространяется на термисторы и устанавливает метод измерения холодного сопротивления термисторов.
Совместно с настоящим стандартом следует применять ГОСТ Р 71386.
2 Нормативные ссылки
В настоящем стандарте использованы нормативные ссылки на следующие стандарты:
ГОСТ Р 57436 Приборы полупроводниковые. Термины и определения
ГОСТ Р 71386 Термисторы. Общие требования при измерении параметров
Примечание - При пользовании настоящим стандартом целесообразно проверить действие ссылочных стандартов в информационной системе общего пользования - на официальном сайте Федерального агентства по техническому регулированию и метрологии в сети Интернет или по ежегодному информационному указателю "Национальные стандарты", который опубликован по состоянию на 1 января текущего года, и по выпускам ежемесячного информационного указателя "Национальные стандарты" за текущий год. Если заменен ссылочный стандарт, на который дана недатированная ссылка, то рекомендуется использовать действующую версию этого стандарта с учетом всех внесенных в данную версию изменений. Если заменен ссылочный стандарт, на который дана датированная ссылка, то рекомендуется использовать версию этого стандарта с указанным выше годом утверждения (принятия). Если после утверждения настоящего стандарта в ссылочный стандарт, на который дана датированная ссылка, внесено изменение, затрагивающее положение, на которое дана ссылка, то это положение рекомендуется применять без учета данного изменения. Если ссылочный стандарт отменен без замены, то положение, в котором дана ссылка на него, рекомендуется применять в части, не затрагивающей эту ссылку.
3 Термины, определения и сокращения
3.1 В настоящем стандарте применены термины по ГОСТ Р 57436.
3.2 В настоящем стандарте применены следующие сокращения:
ТУ - технические условия;
ТОС - терморезистор косвенного подогрева с отрицательным коэффициентом сопротивления;
ТКП - термистор косвенного подогрева.
4 Общие требования к проведению измерений
4.1 Измерение холодного сопротивления термисторов проводят мостовым методом.
4.2 Режимы измерения - в соответствии с ТУ на термисторы конкретных типов.
5 Измерительная аппаратура
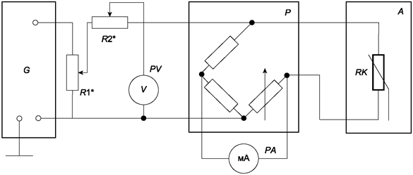
5.1 Измерения проводят на установке, структурная схема которой приведена на рисунке 1.

--------------------------------
* Подбирают при регулировании.
G - источник постоянного тока с регулируемым выходом; PV - вольтметр; P - мост постоянного тока; PA - микроамперметр со шкалой 50-0-50 мА; A - камера термостатирующая; R1 * - резистор 3,3 кОм; R2 * - резистор 1 кОм; RK - испытуемый термистор
Рисунок 1
5.2 Источники постоянного тока с регулируемым выходом должны удовлетворять следующим требованиям:
а) выходное напряжение должно быть не более 10 В;
б) нестабильность выходного напряжения 1%.
5.3 Вольтметр постоянного тока класса точности не хуже 0,5.
5.4 Мост постоянного тока класса точности не хуже 0,1.
5.5 Микроамперметр постоянного тока класса точности не хуже 0,5.
5.6 Термостатирующая камера должна обеспечивать установление и поддержание температуры, заданной ТУ, с погрешностью (измерения) в пределах ± 0,5 °C (К).
6 Подготовка и проведение измерений
6.1 Помещают термистор в термостатирующую камеру и устанавливают в ней заданную температуру.
6.2 Подают питание на мост от источника постоянного тока, контролируя величину напряжения по вольтметру.
Величина напряжения при измерении - по стандартам или техническим условиям на термисторы конкретных типов.
6.3 Производят балансировку моста вращением ручек декад плеча сравнения, что соответствует нулевому показанию микроамперметра.
6.4 Считывают по показаниям переключателя плеч отношений и декад плеча сравнения моста величину холодного сопротивления термистора.
Примечание - Допускается измерение холодного сопротивления термистора производить цифровым омметром постоянного тока.
Относительная погрешность измерений цифрового омметра не должна превышать 0,5%, а максимальная мощность, рассеиваемая на измеряемом термисторе, не должна превышать 2,5·10-4 Вт (ток, протекающий через термистор, не должен превышать 6·10-4 А).
7 Показатели точности измерений
7.1 Погрешность измерения холодного сопротивления термисторов типа ТОС находится в пределах ± 1,0% с установленной вероятностью 0,95.
7.2 Погрешность измерения холодного сопротивления термисторов типа ТКП находится в пределах ± 1,0% с установленной вероятностью 0,95.
7.3 Расчеты погрешностей измерений приведены в справочном приложении А.
Приложение А
(справочное)
Расчет погрешности измерения холодного сопротивления
А.1 Расчет погрешности измерения холодного сопротивления термисторов типа ТОС
А.1.1 Полагают, что все составляющие погрешности измерений случайные, независимые, распределены по равномерному закону.
А.1.2 Погрешности, вносимые нестабильностью источника постоянного тока и вольтметром, не учитывают, так как продолжительность измерения незначительна, и они практически не оказывают влияния на погрешность измерения сопротивления.
А.1.3 Погрешность измерения холодного сопротивления определяют по формуле
, (А.1)
где
- погрешность измерения холодного сопротивления, %;
K∑ - коэффициент, зависящий от закона распределения погрешности и установленной вероятности. Для нормального закона и вероятности 0,95 K∑ = 1,96;
δp - основная погрешность моста, равная 0,1%;
δA - погрешность при установлении температуры в термостатирующей камере, равная 0,5%;
- дополнительная погрешность моста, равная 0,67% (определена экспериментально);
K - коэффициент влияния колебания температуры в термостатирующей камере в пределах норм ТУ, равный 0,84 (величина определена экспериментально).
А.1.4 Подставляя указанные выше значения в формулу, получают погрешность измерения холодного сопротивления термистора типа ТОС
.
А.2 Расчет погрешности измерения холодного сопротивления термисторов типа ТКП
А.2.1 При расчете учитывают требования А.1.1 и А.1.2.
А.2.2 Расчет погрешности измерения холодного сопротивления термисторов типа ТКП производят по формуле (А.1).
А.2.3 Дополнительная погрешность моста, определенная экспериментально, равна 1,5%.
А.2.4 Подставляя указанные выше значения в формулу, получают погрешность измерения холодного сопротивления термисторов типа ТКП
.